Wooden structures. Glued rods. Test methods for determining standard values of mechanical characteristics

ФЕДЕРАЛЬНОЕ АГЕНТСТВО
ПО ТЕХНИЧЕСКОМУ РЕГУЛИРОВАНИЮ И МЕТРОЛОГИИ

НАЦИОНАЛЬНЫЙ
СТАНДАРТ
РОССИЙСКОЙ
ФЕДЕРАЦИИ

ГОСТ Р
58558-
2019

КОНСТРУКЦИИ ДЕРЕВЯННЫЕ.
ВКЛЕЕННЫЕ СТЕРЖНИ

Методы испытаний по определению
нормативных значений механических характеристик

Москва
Стандартинформ
2019

Предисловие

1 РАЗРАБОТАН Обществом с ограниченной ответственностью «Центральная научно-исследовательская, проектная и строительная лаборатория деревянных конструкций» (ООО «ЦНИПС ЛДК»)

2 ВНЕСЕН Техническим комитетом по стандартизации ТК 144 «Строительные материалы и изделия»

3 УТВЕРЖДЕН И ВВЕДЕН В ДЕЙСТВИЕ Приказом Федерального агентства по техническому регулированию и метрологии от 27 сентября 2019 г. № 789-ст

4 ВВЕДЕН ВПЕРВЫЕ

Правила применения настоящего стандарта установлены в статье 26 Федерального закона от 29 июня 2015 г. № 162-ФЗ «О стандартизации в Российской Федерации». Информация об изменениях к настоящему стандарту публикуется в ежегодном (по состоянию на 1 января текущего года) информационном указателе «Национальные стандарты», а официальный текст изменений и поправок - в ежемесячном информационном указателе «Национальные стандарты». В случае пересмотра (замены) или отмены настоящего стандарта соответствующее уведомление будет опубликовано в ближайшем выпуске ежемесячного информационного указателя «Национальные стандарты». Соответствующая информация, уведомление и тексты размещаются также в информационной системе общего пользования - на официальном сайте Федерального агентства по техническому регулированию и метрологии в сети Интернет (www.gost.ru)

Содержание

1 Область применения. 2

2 Нормативные ссылки. 2

3 Термины и определения. 3

4 Обозначения. 3

5 Требования. 4

6 Методы испытания. 7

7 Обработка результатов испытаний. 9

Приложение А (обязательное) Клеевой состав. 9

ГОСТ Р 58558-2019

НАЦИОНАЛЬНЫЙ СТАНДАРТ РОССИЙСКОЙ ФЕДЕРАЦИИ

КОНСТРУКЦИИ ДЕРЕВЯННЫЕ.

ВКЛЕЕННЫЕ СТЕРЖНИ

Методы испытаний по определению нормативных значений механических характеристик

Wooden structures. Glued rods. Test methods for determining standard values of mechanical characteristics

Дата введения - 2020-03-01

1 Область применения

Настоящий стандарт распространяется на соединения элементов деревянных конструкций, выполненных с использованием вклеенных стержней, воспринимающих при эксплуатации действие статических нагрузок, и устанавливает методы определения нормативных значений сопротивлений клееной древесины, многослойной клееной древесины из шпона выдергиванию, продавливанию вклеенного стержня и его деформативности.

Настоящий стандарт не устанавливает требований к отбору стержней, методам определения характеристик элементов соединения и их материалов.

2 Нормативные ссылки

В настоящем стандарте использованы нормативные ссылки на следующие документы:

ГОСТ 166 (ИСО 3599-76) Штангенциркули. Технические условия

ГОСТ 577 Индикаторы часового типа с ценой деления 0,01 мм. Технические условия

ГОСТ 2590 Прокат сортовой стальной горячекатаный круглый. Сортамент

ГОСТ 3749 Угольники поверочные 90°. Технические условия

ГОСТ 5781 Сталь горячекатаная для армирования железобетонных конструкций. Технические условия

ГОСТ 10587 Смолы эпоксидно-диановые неотвержденные. Технические условия

ГОСТ 12004 Сталь арматурная. Методы испытания на растяжение

ГОСТ 16483.1 Древесина. Метод определения плотности

ГОСТ 16588 Пилопродукция и деревянные детали. Методы определения влажности

ГОСТ 20850 Конструкции деревянные клееные несущие. Общие технические условия

ГОСТ 28840 Машины для испытания материалов на растяжение, сжатие и изгиб. Общие технические требования

ГОСТ 31938 Арматура композитная полимерная для армирования бетонных конструкций. Общие технические условия

ГОСТ 33080 Конструкции деревянные. Классы прочности конструкционных пиломатериалов и методы их определения

ГОСТ 33081 Конструкции деревянные клееные несущие. Классы прочности элементов конструкций и методы их определения

ГОСТ 33082-2014 Конструкции деревянные. Методы определения несущей способности узловых соединений

ГОСТ 33124 Брус многослойный клееный из шпона. Технические условия

ГОСТ Р 56705 Конструкции деревянные для строительства. Термины и определения

ГОСТ Р 56710 Соединения на вклеенных стержнях для деревянных конструкций. Технические условия

ГОСТ Р 58459-2019 Конструкции деревянные. Определение нормативных и расчетных значений механических свойств древесины и материалов на ее основе

СП 382.1325800.2017 Конструкции деревянные клееные на вклеенных стержнях. Методы расчета

Примечание - При пользовании настоящим стандартом целесообразно проверить действие ссылочных стандартов (сводов правил) в информационной системе общего пользования - на официальном сайте Федерального агентства по техническому регулированию и метрологии в сети Интернет или по ежегодному информационному указателю «Национальные стандарты», который опубликован по состоянию на 1 января текущего года, и по выпускам ежемесячного информационного указателя «Национальные стандарты» за текущий год. Если заменен ссылочный документ, на который дана недатированная ссылка, то рекомендуется использовать действующую версию этого документа с учетом всех внесенных в данную версию изменений. Если заменен ссылочный документ, на который дана датированная ссылка, то рекомендуется использовать версию этого документа с указанным выше годом утверждения (принятия). Если после утверждения настоящего стандарта в ссылочный документ, на который дана датированная ссылка, внесено изменение, затрагивающие положение, на которое дана ссылка, то это положение рекомендуется применять без учета данного изменения. Если ссылочный документ отменен без замены, то положение, в котором дана ссылка на него, рекомендуется применять в части, не затрагивающей эту ссылку

3 Термины и определения

В настоящем стандарте применены термины по ГОСТ Р 56705, ГОСТ Р 56710, ГОСТ Р 58459, а также следующие термины с соответствующими определениями:

3.1

соединение деревянной конструкции: Часть конструкции, соединяющая ее элементы и выполняющая определенные несущие функции.

[ГОСТ 33082-2014, статья 3.1]

3.2

вклеенный стержень: Стержень из материала повышенной прочности (стали, алюминиевого сплава, композита и др.), вклеенный в просверленное в древесине отверстие.

[СП 382.1325800.2017, статья 3.1]

3.3 сопротивление при продавливании вклеенного стержня: Максимальное значение сопротивления древесины продавливанию вклеенного стержня.

3.4 сопротивление при выдергивании вклеенного стержня: Максимальное значение сопротивления древесины выдергиванию вклеенного стержня.

4 Обозначения

В настоящем стандарте применены следующие обозначения:

Rα - сопротивление древесины продавливанию или выдергиванию вклеенного стержня, МПа;

 - сопротивление древесины выдергиванию вклеенного стержня, МПа;

 - сопротивление древесины продавливанию вклеенного стержня, МПа;

Kα - податливость вклеенного под углом α к волокнам древесины стержня при его продавливании или выдергивании, мм/Н;

 - податливость вклеенного под углом α к волокнам древесины стержня при его выдергивании, мм/Н;

 - податливость вклеенного под углом α к волокнам древесины стержня при его продавливании, мм/Н;

N - нагрузка, прикладываемая к стержню, Н;

Nmax - разрушающая нагрузка, Н;

Nn - нагрузка, достигнутая на определенной ступени нагружения, Н;

Ne, l - предел упругой работы по результатам испытания i-го образца соединения, Н;

Т - температура воздуха в помещении, °С;

W - относительная влажность воздуха, %;

d - диаметр арматурного стержня, мм;

dп - величина полных деформаций вклеенного стержня, мм;

dу - величина упругой деформации, мм;

dу, i - величина упругой деформации для i-го образца соединения, мм;

dотв - диаметр отверстия для вклеенного стержня, мм;

b - ширина поперечного сечения деревянного элемента в соединении, мм;

b1 - толщина адгезионного слоя, мм;

b2 - толщина упругой прокладки, мм;

l - длина анкеровки вклеенного стержня, мм;

l1 - расстояние от оси вклеенного стержня до упорной пластины при α > 0°, мм;

l2 - расстояние от оси вклеенного стержня до упорной пластины при α = 0°, мм;

п - количество испытанных образцов;

nj - количество образцов в выборке j;

α - угол между продольной осью вклеенного стержня и волокнами древесины, град;

ρ - плотность клееной древесины или многослойной клееной древесины из шпона для отдельного образца в момент испытаний, кг/м3.

5 Требования

5.1 Общие требования

5.1.1 Соединения элементов деревянных конструкций с использованием вклеенных стержней, согласно ГОСТ 33082, следует относить к соединениям 1-й группы.

5.1.2 Определение нормативных значений сопротивлений  и  клееной древесины или многослойной клееной древесины из шпона выдергиванию или продавливанию вклеенного стержня, а также его податливости ,  определяют путем испытаний образцов натурных размеров, состоящих из деревянных элементов и вклеенных стержней, изготовленных из арматурной стали или композитной арматуры (рисунок 1).

а)

б)

в)

1 - элемент из клееной древесины или многослойной клееной древесины из шпона;
2 - арматурный стержень из стали или композитной арматуры; 3 - опорные пластины из стали;
4 - клеевая прослойка; 5 - антиадгезионная прокладка; 6 - упругая прокладка

а) схемы испытаний образцов с клееными поперек волокон стержнями (α = 90°);

б) схемы испытаний образцов с клееными вдоль волокон стержнями (α = 0°);

в) схемы испытаний образцов с клееными под углом 90° ≥ α > 0° к волокнам древесины стержнями

Рисунок 1 - Схемы испытаний образцов с вклеенными стержнями

5.1.3 Нормативные значения сопротивлений  и  определяют в зависимости от диаметра d вклеенного стержня, его материала, материала деревянного элемента и угла α наклона продольной оси вклеенного стержня к волокнам древесины. Количество опытных образцов принимается в соответствии с требованиями, установленными в ГОСТ Р 58459.

5.1.4 Испытания образцов проводят на действие нагрузки N, вызывающей растяжение или сжатие вклеенного стержня 2 в элемент 1, по схемам, приведенным на рисунке 1.

5.2 Изготовление образцов для испытания

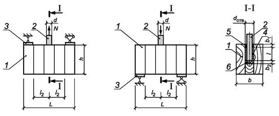
5.2.1 Форма, размеры и изготовление образцов для испытания по определению нормативных значений сопротивлений ,  податливости ,  вклеенных стержней, работающих на продавливание или выдергивание, принимаются в соответствии с рисунком 2.

а)

б)

1 -элемент из клееной древесины или клееной многослойной древесины из шпона; 2 - вклеенный стержень; 3 – опорные стальные пластины

а) схема образца для испытания вклеенного стержня на продавливание;

б) схема образца для испытания вклеенного стержня на выдергивание

Рисунок 2 - Схемы образцов для испытаний вклеенных стержней

5.2.2 Изготовление образцов соединений должно быть осуществлено с учетом принятых схем испытаний, приведенных на рисунке 1, и выполняется в помещении, где обеспечивается постоянный температурно-влажностный режим. Температура и влажность воздуха в помещении соответственно должны составлять T = (20 ± 2) °С, W = (65 ± 5) %.

5.2.3 Деревянные элементы образцов изготавливают из клееной древесины или древесины многослойной клееной из шпона. Элементы образцов из клееной древесины должны удовлетворять требованиям ГОСТ 20850 и 33081, а элементы из древесины многослойной клееной из шпона - требованиям ГОСТ 33124.

5.2.4 Слои (ламели) в элементах 1 из клееной древесины или шпона располагают вертикально по ширине сечения, т.е. параллельно продольной оси стержня. Число слоев по ширине сечения элемента 1 должно быть нечетным (см. рисунок 2).

5.2.5 Влажность древесины элементов 1 (см. рисунок 2) определяется по ГОСТ 16588, которая не должна превышать 12 % ± 1 %.

5.2.6 Вклеенные стержни 2 (см. рисунок 2) изготавливают из арматурной стали периодического профиля или гладкой с резьбой, удовлетворяющей требованиям ГОСТ 5781, круглой стали по ГОСТ 2590 с резьбой или композитной полимерной арматуры по ГОСТ 31938.

5.2.7 Длину вклеенного стержня 2 для испытания на выдергивание (см. рисунок 2, б), определяют с учетом конструкции испытательного оборудования и оснастки, длины антиадгезионного слоя и длины l необходимой анкеровки (вклейки) в элементе 1.

5.2.8 Длину вклеенного стержня 2 для испытания на продавливание (см. рисунок 2, а), определяют с учетом его выпуска, длины антиадгезионного слоя и длины l необходимой анкеровки (вклейки) в элементе 1.

5.2.9 Под вклеенные стержни 2 в средней ламели, расположенной по ширине поперечного сечения элемента 1, просверливаются отверстия диаметром и глубиной, указанными на рисунке 2.

5.2.10 В элементах из клееной древесины на расстоянии менее 3dотв вдоль волокон и менее 2dотв поперек волокон от оси отверстия под вклеенный стержень не допускается наличия сучков, трещин и других пороков древесины.

5.2.11 Вклеивание стержней осуществляют с использованием клеевого состава на основе эпоксидной смолы ЭД-20 по ГОСТ 10587. Клеевой состав приготавливают в соответствии с требованиями, приведенными в приложении А.

5.2.12 Изготовленные для испытаний образцы маркируются и выдерживаются в течение 5 сут в помещении с постоянным температурно-влажностным режимом: Т = 20 °С ± 2 °С; W = 65 % ± 5 %.

5.2.13 После изготовления образцы маркируются и подвергаются паспортизации на предмет соответствия данному стандарту. Все отклонения заносятся в журнал испытаний.

6 Методы испытания

6.1 Общие положения

6.1.1 Испытания образцов выполняют в соответствии со схемами, приведенными на рисунке 1. При проведении испытаний особое внимание должно быть уделено обеспечению соосности передачи нагрузки N на вклеенный стержень.

6.1.2 Испытания образцов проводят при температуре воздуха T = 20 °С ± 2 °С и относительной влажности W = 65 % ± 5 %.

6.1.3 После проведения испытаний в окрестности вклеенного стержня из элемента 1 (см. рисунок 2) выпиливают образцы для определения плотности ρ и влажности в соответствии с требованиями ГОСТ 16483.1 и ГОСТ 16558.

6.2 Аппаратура, приборы, инструмент для проведения испытаний

6.2.1 Для проведения испытаний используют следующие оборудование и инструмент:

- испытательная машина по ГОСТ 28840, имеющая погрешность измерения нагрузки не более 1 %, используется для нагружения образцов соединений;

- датчики или автоматизированная система измерения и записи деформаций соединения, или индикаторы часового типа по ГОСТ 577, позволяющие проводить замеры деформаций с точностью не менее 0,01 мм;

- секундомер с точностью замера не более 1 с, позволяющий фиксировать продолжительность проведения испытаний;

- приборы для измерения температуры и влажности воздуха;

- влагомер для определения влажности древесины образцов с погрешностью не более ±2 %;

- весы с пределом измерения до 1 кг и точностью ±1 г, используются для приготовления клеевого состава;

- штангенциркуль по ГОСТ 166 с погрешностью измерения не более 0,1 мм, используется для измерения диаметра арматурных стержней;

- измерительная линейка с точностью измерения до 1 мм, используется для измерения длины арматурных стержней, ширины поперечного сечения деревянных элементов;

- поверочный угольник 90° по ГОСТ 3749, используется для определения отклонений параметров образцов;

- рулетка для измерения длины деревянных элементов и арматурных стержней соединения.

6.2.2 Все используемые оборудование и инструмент должны быть поверены в соответствующих метрологических центрах.

6.3 Порядок проведения испытаний

6.3.1 Соединение на вклеенных стержнях относится к соединениям i-й группы по ГОСТ 33082.

6.3.2 Согласно требованиям ГОСТ 33082 нагружение образцов может осуществляться как ступенями через равные промежутки времени, так и непрерывно возрастающей (снижающейся) нагрузкой N. При автоматизированной записи деформаций вклеенного стержня и процесса роста нагрузки (диаграмм деформирования «N-d») применяют непрерывный режим нагружения.

При ступенчатом нагружении величина ступени принимается 0,08 - 0,10 от ожидаемой величины разрушающей нагрузки Nmax. Значение Nmax определяют по результатам предварительного испытания идентичных образцов вклеенных стержней.

Значения полных dп деформаций вклеенного стержня измеряют как его относительное смещение по отношению к недеформируемой части деревянного элемента при соответствующем значении нагрузки Nп.

6.3.3 Режим нагружения образцов принимается в три этапа (рисунок 3):

1 этап - предварительное нагружение до 0,4 от ожидаемой величины разрушающей нагрузки Nmax;

2 этап - разгрузка до 0,1 от ожидаемой величины разрушающей нагрузки Nmax;

3 этап - нагружение до разрушения.

6.3.4 Приборы для измерения осевых деформаций соединения (датчики, индикаторы) должны быть установлены симметрично с противоположных сторон образца.

а) Непрерывное нагружение

б) Ступенчатое нагружение

Рисунок 3 - Режимы нагружения образцов для испытаний вклеенных стержней

6.3.5 В процессе испытаний ступенчатой нагрузкой в журнале испытаний (приложение Б ГОСТ 33082-2014) следует фиксировать: значения величины нагрузки на каждой ступени Nп; величины замера полной dп деформации; продолжительность времени возрастания нагрузки на каждой ступени и общую продолжительность испытаний 3-го этапа tmax до момента разрушения образца.

6.3.6 Приложение нагрузки на образец проводят с постоянной скоростью нагружения, обеспечивающей время до разрушения tmax от 40 с до 6 мин.

6.3.7 Кроме фиксации вышеуказанных отсчетов в процессе испытаний проводят наблюдения (с записью в журнале) за различными изменениями в образце (появление треска, трещин, смятия, перекосов и др.).

После разрушения образцов описывают характер разрушения соединения.

6.3.8 При проведении испытаний разрушающую нагрузку Nt определяют с погрешностью не более 1 %. Величина разрушающей нагрузки не должна быть менее 10 % предельного значения измерительной шкалы испытательной машины.

7 Обработка результатов испытаний

7.1 На основании результатов испытаний в соответствии с требованиями ГОСТ 33082 для каждого испытанного вклеенного стержня определяют величину разрушающей нагрузки Nmax, сопротивление R древесины выдергиванию или продавливанию и податливость Kα вклеенного стержня.

7.2 Сопротивление R древесины выдергиванию или продавливанию вклеенного стержня определяют по формуле

(1)

где Rα - сопротивление древесины выдергиванию или продавливанию вклеенного под углом α к волокнам стержня, МПа;

Nmax - значение разрушающей нагрузки, Н; dотв - диаметр отверстия под вклеенный стержень, мм;

l - длина анкеровки (заделки) вклеенного стержня, мм.

7.3 Податливость Kα вклеенного под углом α к волокнам древесины стержня определяют по формуле

(2)

где Kα - податливость вклеенного под углом α к волокнам древесины стержня при его выдергивании или продавливании, мм/Н;

d11-14, d24-21 и d31-34 - величина деформации вклеенного стержня на трех этапах при изменении нагрузки от 0,1Nmax до 0,4Nmax, мм;

N0,1 и N0,4 - величины нагрузки, соответствующие 0,1 и 0,4 величины разрушающей нагрузки Nmax для вклеенного стержня, Н.

7.4 Нормативные значения , ,  и  соединений определяют в соответствии с требованиям ГОСТ Р 58459 с учетом количества испытанных образцов соединения, вида напряженного состояния, диаметра d вклеенного стержня, его материала и угла α.

Приложение А
(обязательное)
Клеевой состав

Смола ЭД-20 (ГОСТ 20587) ……………………………………………………100 в.ч

Отвердитель - ПЭПА ……………………………………………………… 10 - 12 в.ч

Наполнитель - кварц молотый (ГОСТ 9077, марка «Б») ……………….. 70 - 100 в.ч

 

Ключевые слова: вклеенный стержень, деревянные конструкции, клеевое соединение, нормативное значение, предел прочности