Главная // Актуальные документы // Актуальные документы (обновление 2025.04.26-2025.05.31) // ГОСТ (Государственный стандарт)СПРАВКА
Источник публикации
М.: ФГБУ "Институт стандартизации", 2024
Примечание к документу
Текст данного документа приведен с учетом
поправки, опубликованной в "ИУС", N 7, 2024.
Документ
введен в действие с 01.02.2024.
Взамен ГОСТ 10089-89.
Название документа
"ГОСТ 10089-2023. Межгосударственный стандарт. Кокс каменноугольный. Метод определения реакционной способности"
(введен в действие Приказом Росстандарта от 29.01.2024 N 146-ст)
"ГОСТ 10089-2023. Межгосударственный стандарт. Кокс каменноугольный. Метод определения реакционной способности"
(введен в действие Приказом Росстандарта от 29.01.2024 N 146-ст)
Приказом Федерального агентства
по техническому регулированию
и метрологии
от 29 января 2024 г. N 146-ст
МЕЖГОСУДАРСТВЕННЫЙ СТАНДАРТ
КОКС КАМЕННОУГОЛЬНЫЙ
МЕТОД ОПРЕДЕЛЕНИЯ РЕАКЦИОННОЙ СПОСОБНОСТИ
Hard coal coke. Method for the determination of reactivity
ГОСТ 10089-2023
Дата введения
1 февраля 2024 года
Цели, основные принципы и общие правила проведения работ по межгосударственной стандартизации установлены
ГОСТ 1.0 "Межгосударственная система стандартизации. Основные положения" и
ГОСТ 1.2 "Межгосударственная система стандартизации. Стандарты межгосударственные, правила и рекомендации по межгосударственной стандартизации. Правила разработки, принятия, обновления и отмены"
1 РАЗРАБОТАН Акционерным обществом "Восточный научно-исследовательский углехимический институт" (АО "ВУХИН"), Техническим комитетом по стандартизации ТК 395 "Кокс и продукты коксохимии"
2 ВНЕСЕН Федеральным агентством по техническому регулированию и метрологии
3 ПРИНЯТ Межгосударственным советом по стандартизации, метрологии и сертификации (протокол от 25 сентября 2023 г. N 165-П)
За принятие проголосовали:
Краткое наименование страны по МК (ИСО 3166) 004-97 | Код страны по МК (ИСО 3166) 004-97 | Сокращенное наименование национального органа по стандартизации |
Армения | AM | ЗАО "Национальный орган по стандартизации и метрологии" Республики Армения |
Беларусь | BY | Госстандарт Республики Беларусь |
Киргизия | KG | Кыргызстандарт |
Россия | RU | Росстандарт |
Таджикистан | TJ | Таджикстандарт |
Узбекистан | UZ | Узстандарт |
4 Приказом Федерального агентства по техническому регулированию и метрологии от 29 января 2024 г. N 146-ст межгосударственный стандарт ГОСТ 10089-2023 введен в действие в качестве национального стандарта Российской Федерации с 1 февраля 2024 г.
5 ВЗАМЕН ГОСТ 10089-89
Информация о введении в действие (прекращении действия) настоящего стандарта и изменений к нему на территории указанных выше государств публикуется в указателях национальных стандартов, издаваемых в этих государствах, а также в сети Интернет на сайтах соответствующих национальных органов по стандартизации.
В случае пересмотра, изменения или отмены настоящего стандарта соответствующая информация будет опубликована на официальном интернет-сайте Межгосударственного совета по стандартизации, метрологии и сертификации в каталоге "Межгосударственные стандарты"
Настоящий стандарт распространяется на высокотемпературный каменноугольный кокс и устанавливает газообъемный метод определения реакционной способности по отношению к диоксиду углерода.
Метод основан на газификации кокса диоксидом углерода при температуре 1000 °C.
Оценку реакционной способности проводят по константе скорости реакции.
В настоящем стандарте использованы нормативные ссылки на следующие межгосударственные стандарты:
ГОСТ 400 Термометры стеклянные для испытаний нефтепродуктов. Технические условия
ГОСТ 949 Баллоны стальные малого и среднего объема для газов на
Pp <= 19,6 МПа (200 кгс/см
2). Технические условия
ГОСТ 2405 Манометры, вакуумметры, мановакуумметры, напоромеры, тягомеры и тягонапоромеры. Общие технические условия
ГОСТ 2669 Кокс каменноугольный, пековый и термоантрацит. Правила приемки
ГОСТ 4233 Реактивы. Натрий хлористый. Технические условия
ГОСТ 6616 Преобразователи термоэлектрические. Общие технические условия
ГОСТ 8050 Двуокись углерода газообразная и жидкая. Технические условия
ГОСТ 13320 Газоанализаторы промышленные автоматические. Общие технические условия
ГОСТ 22692 Материалы углеродные. Метод определения зольности
ГОСТ 23083 Кокс каменноугольный, пековый и термоантрацит. Методы отбора и подготовки проб для испытаний
ГОСТ 24363 Реактивы. Калия гидроокись. Технические условия
ГОСТ 25336 Посуда и оборудование лабораторные стеклянные. Типы, основные параметры и размеры
ГОСТ 27589 (ISO 687:2010) Кокс. Метод определения влаги в аналитической пробе
ГОСТ OIML R 76-1 Государственная система обеспечения единства измерений. Весы неавтоматического действия. Часть 1. Метрологические и технические требования. Испытания <1>
--------------------------------
<1> В Российской Федерации также действует
ГОСТ Р 53228-2008 "Весы неавтоматического действия. Часть 1. Метрологические и технические требования. Испытания".
Примечание - При пользовании настоящим стандартом целесообразно проверить действие ссылочных стандартов и классификаторов на официальном интернет-сайте Межгосударственного совета по стандартизации, метрологии и сертификации (www.easc.by) или указателям национальных стандартов, издаваемым в государствах, указанных в
предисловии, или на официальных сайтах соответствующих национальных органов по стандартизации. Если на документ дана недатированная ссылка, то следует использовать документ, действующий на текущий момент, с учетом всех внесенных в него изменений. Если заменен ссылочный документ, на который дана датированная ссылка, то следует использовать указанную версию этого документа. Если после принятия настоящего стандарта в ссылочный документ, на который дана датированная ссылка, внесено изменение, затрагивающее положение, на которое дана ссылка, то это положение применяется без учета данного изменения. Если ссылочный документ отменен без замены, то положение, в котором дана ссылка на него, применяется в части, не затрагивающей эту ссылку.
3.1 Отбор и подготовка пробы кокса - по
ГОСТ 23083 и
ГОСТ 2669.
3.2 Лабораторную пробу кокса размером кусков 0 - 13 мм и массой 1 кг сокращают до 250 г и высушивают до постоянной массы. Пробу измельчают до размера частиц менее 3 мм, рассеивают на ситах с отверстиями диаметрами 3 и 1 мм и хранят в эксикаторе над осушающим веществом. Для проведения анализа используют пробу с размером частиц 1 - 3 мм. Массовую долю общей влаги определяют по
ГОСТ 27589, зольность - по
ГОСТ 22692.
Печь электрическая трубчатая длиной 400 мм, внутренним диаметром 45 мм, обеспечивающая устойчивую температуру нагрева в реакционной зоне (1000 +/- 5) °C.
Терморегулятор автоматический для поддержания температуры анализа.
Термопары платинородий-платиновые типа ТПП-10 по
ГОСТ 6616.
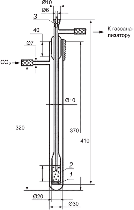
Трубка реакционная кварцевая (см.
рисунок 1).
1 - пластинка из дробленого кварца; 2 - проба кокса;
3 - чехол для термопары
а)
1 - проба кокса; 2 - штуцер чехла; 3 - штуцер реакционной
трубки; 4 - чехол термопары; 5 - реакционная трубка;
6 - чехол реакционной трубки;
7 - пластинка из дробленого кварца
б)
Рисунок 1 - Трубка реакционная кварцевая
Трубка хлоркальциевая типа ТХ-И-2-250 по
ГОСТ 25336 для сушки диоксида углерода.
Шкаф сушильный, обеспечивающий устойчивую температуру нагрева (200 +/- 5) °C.
Термометр для измерения температуры диоксида углерода по нормативному документу государства, принявшего настоящий стандарт <1>, типа ТЛ-2 исполнения 2 с ценой деления 1 °C или ТН-4 исполнения 1 по
ГОСТ 400.
--------------------------------
<1> В Российской Федерации действуют ТУ 25-2021.003-88 "Термометры ртутные стеклянные лабораторные".
Газоанализатор автоматический по
ГОСТ 13320 или ручного типа.
Склянка N 4 по
ГОСТ 25336 для газа при отсутствии автоматического газоанализатора.
Баллон стальной по
ГОСТ 949 с редукционным вентилем для CO
2.
Весы лабораторные общего назначения по
ГОСТ OIML R 76-1, II класса точности с наибольшим пределом взвешивания 200 г и ценой деления шкалы 0,01 г.
Углерода диоксид сжиженный по
ГОСТ 8050, 99%-ной чистоты.
Моностат жидкостный для поддержания постоянного давления в системе (см.
рисунок 2).
Рисунок 2 - Жидкостный моностат
Кальций хлористый по нормативному документу государства, принявшего настоящий стандарт <1> или ангидрон.
--------------------------------
<1> В Российской Федерации действуют ТУ 6-09-4711-81 "Реактивы. Кальций хлористый (обезвоженный), чистый".
Натрий хлористый по
ГОСТ 4233, насыщенный раствор и водный раствор хлористого кальция, с массовой концентрацией 0,1 г/см
3, смешанные в соотношении 1:1, или другая жидкость, не поглощающая CO
2 (применять воду не допускается).
Калия гидроокись по
ГОСТ 24363, водный раствор с массовой долей 30%.
Допускается применение других средств измерений с метрологическими характеристиками и оборудования с техническими характеристиками, а также реактивов по качеству не ниже указанных.
5.1 Установку собирают по схеме, приведенной на
рисунке 3. Длина пути продуктов реакции от реакционной трубки до газоанализатора должна быть по возможности минимальной.
1 - баллон с диоксидом углерода; 2 - термометр для измерения
температуры диоксида углерода; 3 - поглотительная склянка
с хлоридом кальция или ангидроном; 4 - ротаметр;
5 - манометр; 6 - электрическая трубчатая печь;
7 - термопара; 8 - реакционная кварцевая трубка;
9 - стеклянная емкость для газа; 10 - моностат, заполненный
водой; 11 - термопара для измерения температуры в печи
Рисунок 3 - Установка для определения
реакционной способности
5.2 Предварительно подготовленную сухую пробу кокса массой 7 - 10 г помещают в реакционную трубку. Кварцевый чехол термопары устанавливают так, чтобы спай термопары находился в центре реакционной зоны.
Соединяют реакционную трубку с системой приборов и проверяют на герметичность. Обнаруженные в системе неплотности устраняют.
С помощью моностата устанавливают давление в системе, равное 101,325 кПа (760 мм рт. ст.).
Через систему приборов пропускают диоксид углерода со скоростью 2 - 3 см3/с до 100%-ного содержания CO2.
Включают обогрев печи и автоматический терморегулятор.
В нагретую до заданной температуры печь устанавливают реакционную трубку так, чтобы проба кокса находилась в зоне постоянной температуры. В кварцевый чехол помещают контрольную термопару.
Пробу кокса нагревают до (1000 +/- 5) °C.
Устанавливают скорость подачи диоксида углерода 3 см3/с. Момент, когда при этой скорости по показаниям контрольной термопары установится температура (1000 +/- 5) °C, считают началом анализа. Время достижения указанной температуры не должно превышать 10 мин с момента установления реакционной трубки в печи.
Испытание проводят в течение 15 мин при указанных параметрах.
При использовании ручного газоанализатора продукты реакции собирают в стеклянную емкость, анализ газа повторяют два-три раза.
По окончании анализа прекращают нагрев печи и подачу диоксида углерода, извлекают из печи реакционную трубку и после охлаждения выгружают остаток пробы кокса.
Примечание - При более глубоком исследовании свойств кокса допускается использовать указанный метод для контроля реакционной способности при температурах 900 °C, 950 °C, 1000 °C и 1050 °C.
7.1 Реакционную способность кокса K, см3/г·с, вычисляют по формуле

, (1)
где V - скорость подачи диоксида углерода, см3/с;
T - температура испытания по показаниям контрольной термопары, °C;
T1 - температура диоксида углерода, подаваемого в реакционную трубку, °C;
m - масса углерода в навеске кокса, г, вычисляемая по формуле

, (2)
где m1 - масса навески кокса, г;
Ad - зольность испытуемой пробы сухого кокса, %;
Cdaf - содержание углерода в пересчете на сухое беззольное состояние, % (при отсутствии данных Cdaf принимают равным 98%);
R - степень преобразования газа-реагента (см.
приложение А), вычисляемая по формуле

, (3)

, (4)
где CO и CO2 - содержание оксида и диоксида углерода в продуктах реакции за время анализа, %.
7.2 Прецизионность метода
7.2.1 Предел повторяемости
Результаты двух параллельных измерений, выполненных в условиях повторяемости (в одной лаборатории, одним оператором, на одном и том же оборудовании, в течение короткого промежутка времени, с использованием представительной пробы), не должны превышать значений, указанных в
таблице 1.
7.2.2 Предел воспроизводимости
Результаты двух определений, выполненных в разных лабораториях, с использованием представительной пробы, отобранной из одной аналитической пробы, не должны превышать значений, указанных в
таблице 1.
Таблица 1
Диапазон значений K, см3/г·с | Расхождение между результатами, % |
в одной лаборатории | в разных лабораториях |
До 0,40 включ. | 0,02 (абс.) | 0,05 (абс.) |
Св. 0,40 | 5 (отн.) | 10 (отн.) |
7.3 Если расхождения между результатами двух определений превышают значения, указанные в
таблице 1, проводят третье определение и за окончательный результат принимают среднее арифметическое двух наиболее близких результатов в пределах допускаемых расхождений.
Если результат третьего определения находится в пределах допускаемых расхождений по отношению к результатам каждого из двух предыдущих определений, то за окончательный результат принимают среднее арифметическое результатов трех определений.
7.4 Константу скорости реакции рассчитывают с точностью до третьего десятичного знака и результаты округляют до второго десятичного знака.
(обязательное)
СТЕПЕНЬ ПРЕОБРАЗОВАНИЯ ГАЗА-РЕАГЕНТА В ЗАВИСИМОСТИ
ОТ СОДЕРЖАНИЯ CO В ПРОДУКТАХ РЕАКЦИИ
CO, % | R |
10,0 | 0,056 |
2 | 0,057 |
4 | 0,058 |
6 | 0,060 |
8 | 0,061 |
11,0 | 0,062 |
2 | 0,063 |
4 | 0,064 |
6 | 0,065 |
8 | 0,066 |
12,0 | 0,068 |
2 | 0,069 |
4 | 0,070 |
6 | 0,072 |
8 | 0,073 |
13,0 | 0,074 |
2 | 0,076 |
4 | 0,077 |
6 | 0,079 |
8 | 0,080 |
14,0 | 0,081 |
2 | 0,083 |
4 | 0,084 |
6 | 0,085 |
8 | 0,087 |
15,0 | 0,088 |
2 | 0,090 |
4 | 0,091 |
6 | 0,092 |
8 | 0,093 |
16,0 | 0,095 |
2 | 0,096 |
4 | 0,098 |
6 | 0,099 |
8 | 0,100 |
17,0 | 0,101 |
2 | 0,103 |
4 | 0,104 |
6 | 0,105 |
8 | 0,107 |
18,0 | 0,108 |
2 | 0,110 |
4 | 0,112 |
6 | 0,113 |
8 | 0,115 |
19,0 | 0,116 |
2 | 0,118 |
4 | 0,119 |
6 | 0,120 |
8 | 0,122 |
20,0 | 0,123 |
2 | 0,125 |
4 | 0,127 |
6 | 0,128 |
8 | 0,130 |
21,0 | 0,131 |
2 | 0,133 |
4 | 0,134 |
6 | 0,136 |
8 | 0,137 |
22,0 | 0,139 |
2 | 0,141 |
4 | 0,142 |
6 | 0,143 |
8 | 0,145 |
23,0 | 0,147 |
2 | 0,149 |
4 | 0,150 |
6 | 0,152 |
8 | 0,154 |
24,0 | 0,155 |
2 | 0,157 |
4 | 0,159 |
6 | 0,161 |
8 | 0,162 |
25,0 | 0,164 |
2 | 0,166 |
4 | 0,168 |
6 | 0,170 |
8 | 0,172 |
26,0 | 0,174 |
2 | 0,175 |
4 | 0,177 |
6 | 0,179 |
8 | 0,181 |
27,0 | 0,182 |
2 | 0,184 |
4 | 0,186 |
6 | 0,188 |
8 | 0,190 |
28,0 | 0,192 |
2 | 0,194 |
4 | 0,195 |
6 | 0,197 |
8 | 0,199 |
29,0 | 0,200 |
2 | 0,202 |
4 | 0,204 |
6 | 0,206 |
8 | 0,208 |
30,0 | 0,210 |
2 | 0,212 |
4 | 0,214 |
6 | 0,216 |
8 | 0,218 |
31,0 | 0,220 |
2 | 0,222 |
4 | 0,224 |
6 | 0,226 |
8 | 0,228 |
32,0 | 0,230 |
2 | 0,232 |
4 | 0,235 |
6 | 0,237 |
8 | 0,239 |
33,0 | 0,241 |
2 | 0,243 |
4 | 0,245 |
6 | 0,247 |
8 | 0,250 |
34,0 | 0,252 |
2 | 0,254 |
4 | 0,256 |
6 | 0,258 |
8 | 0,261 |
35,0 | 0,263 |
2 | 0,265 |
4 | 0,267 |
6 | 0,270 |
8 | 0,272 |
36,0 | 0,274 |
2 | 0,277 |
4 | 0,279 |
6 | 0,281 |
8 | 0,284 |
37,0 | 0,286 |
2 | 0,288 |
4 | 0,290 |
6 | 0,293 |
8 | 0,295 |
38,0 | 0,298 |
2 | 0,300 |
4 | 0,303 |
6 | 0,305 |
8 | 0,308 |
39,0 | 0,310 |
2 | 0,312 |
4 | 0,314 |
6 | 0,317 |
8 | 0,320 |
40,0 | 0,322 |
2 | 0,325 |
4 | 0,328 |
6 | 0,330 |
8 | 0,333 |
41,0 | 0,335 |
2 | 0,338 |
4 | 0,341 |
6 | 0,344 |
8 | 0,347 |
42,0 | 0,350 |
2 | 0,353 |
4 | 0,355 |
6 | 0,358 |
8 | 0,360 |
43,0 | 0,363 |
2 | 0,366 |
4 | 0,369 |
6 | 0,372 |
8 | 0,375 |
44,0 | 0,377 |
2 | 0,380 |
4 | 0,384 |
6 | 0,387 |
8 | 0,390 |
45,0 | 0,393 |
2 | 0,396 |
4 | 0,399 |
6 | 0,402 |
8 | 0,405 |
46,0 | 0,408 |
2 | 0,411 |
4 | 0,414 |
6 | 0,417 |
8 | 0,421 |
47,0 | 0,424 |
2 | 0,427 |
4 | 0,431 |
6 | 0,434 |
8 | 0,437 |
48,0 | 0,440 |
2 | 0,446 |
4 | 0,450 |
6 | 0,454 |
8 | 0,457 |
49,0 | 0,461 |
2 | 0,464 |
4 | 0,467 |
6 | 0,471 |
8 | 0,475 |
50,0 | 0,478 |
2 | 0,481 |
4 | 0,485 |
6 | 0,489 |
8 | 0,492 |
51,0 | 0,495 |
2 | 0,498 |
4 | 0,502 |
6 | 0,506 |
8 | 0,510 |
52,0 | 0,513 |
2 | 0,517 |
4 | 0,520 |
6 | 0,524 |
8 | 0,528 |
53,0 | 0,533 |
2 | 0,537 |
4 | 0,541 |
6 | 0,545 |
8 | 0,550 |
54,0 | 0,554 |
2 | 0,558 |
4 | 0,562 |
6 | 0,565 |
8 | 0,570 |
55,0 | 0,574 |
2 | 0,578 |
4 | 0,583 |
6 | 0,586 |
8 | 0,591 |
56,0 | 0,595 |
2 | 0,600 |
4 | 0,604 |
6 | 0,608 |
8 | 0,613 |
57,0 | 0,617 |
2 | 0,621 |
4 | 0,626 |
6 | 0,631 |
8 | 0,636 |
58,0 | 0,641 |
2 | 0,646 |
4 | 0,650 |
6 | 0,655 |
8 | 0,660 |
59,0 | 0,665 |
2 | 0,670 |
4 | 0,675 |
6 | 0,681 |
8 | 0,686 |
60,0 | 0,690 |
2 | 0,696 |
4 | 0,702 |
6 | 0,707 |
8 | 0,712 |
61,0 | 0,717 |
2 | 0,722 |
4 | 0,727 |
6 | 0,733 |
8 | 0,738 |
62,0 | 0,743 |
2 | 0,749 |
4 | 0,755 |
6 | 0,760 |
8 | 0,765 |
63,0 | 0,770 |
2 | 0,776 |
4 | 0,782 |
6 | 0,788 |
8 | 0,794 |
64,0 | 0,800 |
2 | 0,806 |
4 | 0,812 |
6 | 0,818 |
8 | 0,824 |
65,0 | 0,830 |
2 | 0,837 |
4 | 0,844 |
6 | 0,851 |
8 | 0,858 |
66,0 | 0,864 |
2 | 0,871 |
4 | 0,878 |
6 | 0,885 |
8 | 0,892 |
67,0 | 0,898 |
2 | 0,905 |
4 | 0,912 |
6 | 0,920 |
8 | 0,927 |
68,0 | 0,935 |
2 | 0,942 |
4 | 0,949 |
6 | 0,956 |
8 | 0,963 |
69,0 | 0,970 |
2 | 0,978 |
4 | 0,987 |
6 | 0,996 |
8 | 1,005 |
70,0 | 1,015 |
2 | 1,017 |
4 | 1,023 |
6 | 1,030 |
8 | 1,036 |
71,0 | 1,051 |
2 | 1,058 |
4 | 1,064 |
6 | 1,072 |
8 | 1,081 |
72,0 | 1,092 |
2 | 1,103 |
4 | 1,111 |
6 | 1,118 |
8 | 1,125 |
73,0 | 1,137 |
2 | 1,144 |
4 | 1,155 |
6 | 1,163 |
8 | 1,170 |
74,0 | 1,182 |
2 | 1,193 |
4 | 1,205 |
6 | 1,213 |
8 | 1,221 |
75,0 | 1,233 |
2 | 1,240 |
4 | 1,253 |
6 | 1,261 |
8 | 1,273 |
76,0 | 1,281 |
2 | 1,294 |
4 | 1,307 |
6 | 1,316 |
8 | 1,328 |
77,0 | 1,342 |
2 | 1,350 |
4 | 1,363 |
6 | 1,372 |
8 | 1,385 |
78,0 | 1,398 |
2 | 1,413 |
4 | 1,422 |
6 | 1,436 |
8 | 1,450 |
79,0 | 1,459 |
2 | 1,473 |
4 | 1,488 |
6 | 1,503 |
8 | 1,512 |
80,0 | 1,528 |
(справочное)
ПРИМЕР РАСЧЕТА РЕАКЦИОННОЙ СПОСОБНОСТИ КОКСА
Зольность кокса (Ad) - 9,5%.
Масса навески кокса - 10 г.
Массовая доля углерода на сухое беззольное состояние - 98%.
Массовое содержание углерода m в навеске кокса, г, вычисляют по формуле

. (Б.1)
Скорость подачи реагента CO2 при температуре 20 °C - 3 см3/с.
Температура реакции - 1000 °C.
Концентрация оксида углерода в продуктах реакции - 29%, диоксида углерода - 71%.
Степень преобразования газа-реагента находят по
таблице А.1 (приложение А) -
R = 0,200.
Следовательно, константа скорости реакции, см3/г·с, при температуре реакции 1000 °C равна

. (Б.2)
УДК 662.749.2.001.4:006.354 | |
Ключевые слова: кокс каменноугольный, определение реакционной способности |