Главная // Актуальные документы // Актуальные документы (обновление 2025.08.04-2025.08.30) // ГОСТ (Государственный стандарт)СПРАВКА
Источник публикации
М.: ФГБУ "Институт стандартизации", 2024
Примечание к документу
Документ включен в Перечень международных и региональных (межгосударственных) стандартов (
п. п. 54,
120,
241,
303,
605,
794,
954,
961,
1008,
1039,
1144,
1240,
1390,
1423,
1464,
1484,
1719), а в случае их отсутствия - национальных (государственных) стандартов, содержащих правила и методы исследований (испытаний) и измерений, в том числе правила отбора образцов, необходимые для применения и исполнения требований технического
регламента Таможенного союза "О безопасности железнодорожного подвижного состава" (ТР ТС 001/2011) и осуществления оценки соответствия объектов технического регулирования, и в Перечень международных и региональных (межгосударственных) стандартов (
п. п. 32,
78,
248,
277,
305,
399,
489,
536,
565,
631,
643,
669,
691,
864), а в случае их отсутствия - национальных (государственных) стандартов, содержащих правила и методы исследований (испытаний) и измерений, в том числе правила отбора образцов, необходимые для применения и исполнения требований технического
регламента Таможенного союза "О безопасности высокоскоростного железнодорожного транспорта" (ТР ТС 002/2011) и осуществления оценки соответствия объектов технического регулирования (
Решение Коллегии Евразийской экономической комиссии от 16.07.2024 N 81).
Документ включен в
Перечень международных и региональных (межгосударственных) стандартов, а в случае их отсутствия - национальных (государственных) стандартов, содержащих правила и методы исследований (испытаний) и измерений, в том числе правила отбора образцов, необходимые для применения и исполнения требований технического
регламента Таможенного союза "О безопасности низковольтного оборудования" (ТР ТС 004/2011) и осуществления оценки соответствия объектов технического регулирования (
Решение Коллегии Евразийской экономической комиссии от 11.05.2023 N 55).
Документ
введен в действие с 01.01.2025 с правом досрочного применения.
Название документа
"ГОСТ 2933-93. Межгосударственный стандарт. Аппараты электрические низковольтные. Методы испытаний"
(введен в действие Приказом Росстандарта от 27.02.2024 N 249-ст)
"ГОСТ 2933-93. Межгосударственный стандарт. Аппараты электрические низковольтные. Методы испытаний"
(введен в действие Приказом Росстандарта от 27.02.2024 N 249-ст)
агентства по техническому
регулированию и метрологии
от 27 февраля 2024 г. N 249-ст
МЕЖГОСУДАРСТВЕННЫЙ СТАНДАРТ
АППАРАТЫ ЭЛЕКТРИЧЕСКИЕ НИЗКОВОЛЬТНЫЕ
МЕТОДЫ ИСПЫТАНИЙ
Low-voltage electrical apparatus. Methods of tests
ГОСТ 2933-93
Дата введения
1 января 2025 года
с правом досрочного применения
Ссылочные технические нормативные правовые акты в области технического нормирования и стандартизации (далее - ТНПА)
Обозначение ТНПА, на который дана ссылка | Номер пункта |
| |
ГОСТ 403-73 | |
| | ИС МЕГАНОРМ: примечание. В официальном тексте документа, видимо, допущена опечатка: имеется в виду ГОСТ 12434-83, а не ГОСТ 12434-93. | |
|
| |
| |
| |
Примечание - При пользовании настоящим стандартом целесообразно проверить действие ТНПА по каталогу, составленному по состоянию на 1 января текущего года, и по соответствующим информационным указателям, опубликованным в текущем году. Если ссылочные ТНПА заменены (изменены), то при пользовании настоящим стандартом следует руководствоваться замененными (измененными) ТНПА. Если ссылочные ТНПА отменены без замены, то положение, в котором дана ссылка на них, применяется в части, не затрагивающей эту ссылку. |
--------------------------------
<1> В Российской Федерации действует
ГОСТ Р 2.601-2019 "Единая система конструкторской документации. Эксплуатационные документы".
<2> В Российской Федерации действует
ГОСТ 14254-2015 (IEC 60529:2013) "Степени защиты, обеспечиваемые оболочками (Код IP)".
Цели, основные принципы и общие правила проведения работ по межгосударственной стандартизации установлены
ГОСТ 1.0 "Межгосударственная система стандартизации. Основные положения" и
ГОСТ 1.2 "Межгосударственная система стандартизации. Стандарты межгосударственные, правила и рекомендации по межгосударственной стандартизации. Правила разработки, принятия, обновления и отмены"
1 РАЗРАБОТАН АО "Электрические низковольтные аппараты и системы"
2 ВНЕСЕН Государственным комитетом по стандартизации Республики Беларусь
3 ПРИНЯТ Межгосударственным советом по стандартизации, метрологии и сертификации (протокол от 21 октября 1993 г. N 4-93)
За принятие проголосовали:
Краткое наименование страны по МК (ИСО 3166) 004-97 | Код страны по МК (ИСО 3166) 004-97 | Сокращенное наименование национального органа по стандартизации |
Беларусь | BY | Госстандарт Республики Беларусь |
Казахстан | KZ | Госстандарт Республики Казахстан |
Киргизия | KG | Кыргызстандарт |
Молдова | MD | Институт стандартизации Молдовы |
Россия | RU | Росстандарт |
Таджикистан | TJ | Таджикстандарт |
Туркмения | TM | Главгосслужба "Туркменстандартлары" |
Узбекистан | UZ | Узстандарт |
Украина | UA | Госпотребстандарт Украины |
4
Приказом Федерального агентства по техническому регулированию и метрологии от 27 февраля 2024 г. N 249-ст межгосударственный стандарт ГОСТ 2933-93 введен в действие в качестве национального стандарта Российской Федерации с 1 января 2025 г. с правом досрочного применения
Информация о введении в действие (прекращении действия) настоящего стандарта и изменений к нему на территории указанных выше государств публикуется в указателях национальных стандартов, издаваемых в этих государствах, а также в сети Интернет на сайтах соответствующих национальных органов по стандартизации.
В случае пересмотра, изменения или отмены настоящего стандарта соответствующая информация будет опубликована на официальном интернет-сайте Межгосударственного совета по стандартизации, метрологии и сертификации в каталоге "Межгосударственные стандарты"
Настоящий стандарт распространяется на методы испытаний низковольтных электрических аппаратов распределения и управления (далее - аппараты), предназначенных для использования в электрических цепях с номинальным напряжением до 1 000 В переменного или 1 500 В постоянного тока, и устанавливает общие требования к методам контроля параметров конструкции и рабочих характеристик, подтверждающих их работоспособность и безопасность в условиях эксплуатации.
| | ИС МЕГАНОРМ: примечание. В официальном тексте документа, видимо, допущена опечатка: п.п. 8.3.6 и 8.3.11 отсутствуют. | |
Все требования настоящего стандарта, за исключением перечисленных ниже, являются обязательными для всех предприятий, изготавливающих аппараты, в стандартах на которые есть ссылки на настоящий стандарт, и предприятий, осуществляющих их испытания. Требования
3.2,
3.8,
3.10,
5.4,
5.5,
5.6,
7.3,
8.3.1, 8.3.6, 8.3.11,
приложений 1 и
2 являются рекомендательными.
1.1 Виды и объемы испытаний, их последовательность, возможность проведения нескольких испытаний на одних и тех же образцах, а также специфические методы испытаний и контроля, не приведенные в настоящем стандарте, должны соответствовать установленным в стандартах или технических условиях на конкретные виды, серии и типы аппаратов (далее - стандарты на конкретные виды аппаратов).
1.2 Стандарт устанавливает требования к методам испытаний автоматических и неавтоматических выключателей, переключателей, рубильников, разъединителей, контакторов и магнитных пускателей, предохранителей, аппаратов для цепей управления, реле, резисторов и реостатов при наличии в стандартах на эти аппараты соответствующих ссылок.
1.3 Образцы аппаратов представляются на испытание в полностью собранном виде, если иное не установлено в стандартах на конкретные виды аппаратов.
Перед началом испытаний, а также если требуется привести аппарат из нагретого состояния в холодное, аппарат для начальной стабилизации должен быть выдержан в помещении, где проводится испытание, в течение времени, необходимого для достижения деталями аппарата температуры, имеющей отличие от температуры помещения не более чем на +/- 3 °C, что проверяется термометром, термопарой или другими средствами, обеспечивающими необходимую точность. Если такую проверку не проводят, аппарат должен быть выдержан в помещении не менее 15 ч. Это время может быть уменьшено на основании результатов ранее проведенных испытаний.
1.4 Все испытания, если их режимы и специфические условия не установлены в стандартах на конкретные виды аппаратов, следует проводить при нормальных климатических условиях испытаний по
ГОСТ 15150.
1.5 Точность установки режимов и класс точности средств измерений должны быть не ниже, а погрешность измерений параметров и характеристик должны быть не выше значений, указанных в настоящем стандарте и в стандартах на конкретные виды аппаратов. В протоколах испытаний должны указываться использованные средства измерений и их класс точности.
2 Контроль требований к конструкции и параметрам
2.1 Внешний вид аппаратов контролируется визуально и (или) сличением с внешним видом контрольного образца. При визуальном контроле внешнего вида и качества соединений составных частей аппаратов рекомендуется применять увеличительные средства (лупы, микроскопы и др.) с увеличением, указанным в стандартах на конкретные виды аппаратов.
2.2 Аппарат проверяется на комплектность в соответствии с документацией и на наличие в комплекте предусмотренных запасных деталей, специального инструмента и эксплуатационных документов по
ГОСТ 2.601.
2.3 При контроле маркировки аппарат проверяется на: четкость, полноту и правильность выполнения предусмотренных стандартом на конкретные виды аппаратов маркировок выводов, катушек, наличие электрической схемы и др.
2.4 При контроле качества сборки аппарат проверяется на: отсутствие загрязнений и посторонних частиц; отсутствие ослаблений креплений и наличие невыпадающих винтов, отвинчиваемых при периодическом обслуживании в эксплуатации; правильность выполнения контактных соединений; соответствие схеме выполнения электрического монтажа; правильность включения для каждого из коммутационных положений аппарата; соответствие сопротивлений катушек, заземляемых цепей и других элементов значениям, установленным в стандартах на конкретные виды аппаратов. Замыкание и размыкание контактов контролируется электрическим индикатором, включенным в их цепь; контроль электрического сопротивления проводится методами, указанными в
разделе 5; визуально контролируется плавность и четкость перемещения подвижных частей аппаратов, а также отсутствие затираний в промежуточных положениях.
2.5 Визуальным осмотром контролируется качество выполнения защитно-декоративных и специальных покрытий; отсутствие их повреждений.
2.6 Масса аппаратов проверяется взвешиванием на весах, обеспечивающих точность, установленную в стандартах на конкретные виды аппаратов.
2.7 Контроль монтажной готовности осуществляется посредством пробного монтажа. При проведении пробного монтажа аппарат закрепляется в рабочем положении всеми предусмотренными крепежными деталями, прикладывая при этом к ним номинальный момент. К аппарату следует поочередно присоединить провода, кабели или шины, имеющие минимальное и максимальное сечения, предусмотренные в стандартах на конкретные виды аппаратов. При пробном монтаже осуществляется проверка взаимозаменяемости сборочных единиц и деталей аппаратов. При этом проверяется взаимозаменяемость сборочных единиц и деталей с запасными и возможность монтажа аппаратов с подводом внешних проводов, кабелей или шин без специального инструмента, если последний не входит в комплект аппарата. Взаимозаменяемость оценивают по функционированию аппаратов.
2.8 Провал контактов во включенном положении аппарата следует определять одним из следующих методов:
1) измерением расстояния, на которое смещается место соприкосновения контакт-детали (подвижной или неподвижной) после удаления одной из них, препятствующей перемещению другой контакт-детали при их соприкосновении;
2) измерением зазора между контактом и его упором с последующим пересчетом (если требуется) по размерам, указанным в чертежах; при переводе аппарата из отключенного положения во включенное - по разности полного хода контактной траверсы и ее хода до соприкосновения контакт-деталей, которое фиксируется по срабатыванию электрического индикатора.
2.9 Зазор контактов определяется одним из следующих методов:
1) путем непосредственного измерения кратчайшего расстояния между контакт-деталями подвижного и неподвижного контактов в их разомкнутом положении;
2) по ходу контактной траверсы до соприкосновения контакт-деталей, которое фиксируется электрическим индикатором.
2.10 Конечное контактное нажатие следует проверять во включенном положении аппарата прибором для силы, усилие которого прикладывается в точке и в направлении оттягивания (или отталкивания) контакт-детали, предусмотренных в чертежах на аппарат, в тот момент, когда имеется сигнал индикатора размыкания контактов. В качестве индикатора может быть использована бумажная полоска толщиной не более 0,1 мм, зажатая между контактами, освобождение которой является сигналом размыкания контактов. Определение момента размыкания контакт-деталей с помощью электрического индикатора является предпочтительным.
Если при измерении направление силы проходит через ось симметрии и перпендикулярно поверхности касания контакт-деталей, то в этом случае результаты измерения дают непосредственное значение контактного нажатия. Если указанные условия не выполнены, то для определения контактных нажатий необходимо сделать соответствующий пересчет в соответствии с указаниями стандартов на конкретные виды аппаратов.
2.11 Начальное контактное нажатие следует определять в положении аппарата, соответствующем касанию, аналогично тому, как указано в
2.10, при этом электрический индикатор включается последовательно с контактом и определяющим его положение упором. При использовании для контроля начальных нажатий бумажной полоски она закладывается между контактом и его упором.
Допускается определять контактное нажатие по деформации пружины и ее измеренной жесткости или другими методами, установленными в стандартах на конкретные виды аппаратов.
2.12 Контроль параметров срабатывания аппарата осуществляется в его рабочем положении. Если аппарат предназначен для работы в разных рабочих положениях (например, в вертикальном и горизонтальном), то контроль параметров срабатывания следует проводить в наиболее неблагоприятном (с точки зрения срабатывания) положении.
Допускается контролировать параметры срабатывания на аппаратах со снятой оболочкой, если при ранее проведенных испытаниях установлено, что снятие оболочки не влияет на оцениваемые параметры.
Перед определением параметров срабатывания электрических органов управления рекомендуется проверять в холодном состоянии электрическое сопротивление катушек напряжения аппаратов и элементов теплового действия, по которым протекает ток, если эти параметры приводятся в стандартах на конкретные виды аппаратов.
Источник энергии и схема питания аппарата должны быть такими, чтобы подводимое к органам управления напряжение (ток) было стабильно при изменении сопротивления, происходящем в цепи при испытании.
Контроль параметров срабатывания осуществляется при определенном роде тока и, в случае переменного тока, при номинальной частоте, указанной в стандартах на конкретные виды аппаратов, при обеспечении практически синусоидальной формы кривой напряжения (тока), если она влияет на результат испытания.
Допускается осуществлять контроль параметров срабатывания при любом роде тока, если это предусмотрено в стандартах на конкретные виды аппаратов.
Степень стабильности напряжения (тока) и допустимая пульсация выпрямленного напряжения (тока) при испытании должны соответствовать указанным в стандартах на конкретные виды аппаратов.
Напряжение срабатывания аппаратов (Uср) в вольтах с катушкой напряжения постоянного тока следует определять путем измерения силы тока срабатывания с пересчетом результатов измерения по формуле
Ucp = Iср·Ry, (1)
где Iср - ток срабатывания аппарата, А;
Ry - сопротивление цепи катушки при определенном тепловом состоянии катушки, Ом.
Если из-за переходного режима, возникающего в момент включения цепи переменного тока, значение параметра срабатывания существенно зависит от фазы электродвижущей силы в момент включения цепи, то следует проводить замыкание цепи при заданном в стандартах на конкретные виды аппаратов значения фазы. Если указанное требование не выполняется, то минимально необходимое количество измерений увеличивается.
При контроле параметров срабатывания органов управления (устройств) теплового действия подключение аппарата к испытательной цепи следует осуществлять проводами (кабелями, шинами), площади сечений и размеры которых соответствуют указанным в
4.13. Подключение аппарата отличными от указанных проводниками допускается по соглашению потребителя и изготовителя.
Контроль параметров срабатывания в холодном или нагретом состоянии аппарата следует проводить при нормированных температурах окружающей среды, установленных в стандартах на конкретные виды аппаратов.
Допускается проводить испытания при температурах, отличающихся от указанных. При этом если установлено существенное влияние температуры окружающей среды и теплового состоятся аппарата на параметры срабатывания, то к воздействующей величине вносят соответствующие поправки.
Если параметры срабатывания заданы двумя крайними значениями воздействующей величины, при одном из которых аппарат не должен срабатывать, а при другом должен срабатывать, то контроль срабатывания и несрабатывания следует проводить при этих двух значениях воздействующей величины.
Если требуется, чтобы аппарат срабатывал только при одном каком-либо значении воздействующей величины и всех больших (меньших) значениях, то контроль срабатывания следует проводить только при заданном значении.
Если следует проверить срабатывание или несрабатывание при заданном значении воздействующей величины, то предварительно следует установить такие параметры цепи, которые обусловливают требуемое значение воздействующей величины на реагирующем органе аппарата и провести проверку срабатывания или несрабатывания путем включения цепи.
При испытании аппаратов теплового действия значения тока поддерживают неизменными до момента срабатывания или в течение заданного времени.
При определении каждого из параметров срабатывания аппаратов следует проводить не менее трех измерений. Большее число измерений производится при наличии соответствующих указаний в стандартах на конкретные виды аппаратов, в которых должны быть даны критерии оценки результатов измерений (по среднеарифметическому значению, худшему из зафиксированных, и пр.).
3 Проверка электроизоляционных свойств
3.1 При оценке электроизоляционных свойств осуществляются проверки стойкости изоляции к воздействию испытательного напряжения и к образованию путей утечки, а также электрического сопротивления. Такие проверки проводят при холодном состоянии аппарата, если иное не установлено в стандартах на конкретные виды аппаратов.
Показателем стойкости изоляции к воздействию испытательного напряжения является значение напряжения, выдерживаемого без пробоя изоляции. Для конкретных изделий могут быть указаны несколько значений выдерживаемого напряжения:
1) номинальное импульсное выдерживаемое напряжение Uimp - это пиковое значение импульсного напряжения заданной формы и полярности, которое может выдержать аппарат без повреждений в установленных условиях испытания и к которому отнесены значения воздушных зазоров;
2) номинальное выдерживаемое напряжение изоляции Ui - это действующее значение синусоидального напряжения промышленной частоты или напряжение постоянного тока, не вызывающее пробоя изоляции в указанных условиях испытания.
Испытания по оценке электроизоляционных свойств проводятся при тех значениях перечисленных показателей (Uimp, Ui), которые указаны в стандартах на конкретные виды аппаратов.
3.2 Испытуемый аппарат должен отвечать общим требованиям по
2.2. Кроме того, если он предназначен для использования без оболочки, он должен быть смонтирован посредством всех предусмотренных крепежных деталей на металлическом основании, к которому присоединяются все открытые токопроводящие части (корпус и т.п.), заземляемые в нормальных условиях.
Любой орган управления, выполненный из изоляционного материала, и неотделимая неметаллическая оболочка аппарата, предназначенного для использования без дополнительной оболочки, должны быть покрыты (полностью или частично) металлической фольгой, электрически соединенной с корпусом или металлическим основанием.
3.3 Воздушные зазоры между частями, находящимися под напряжением, и частями, предназначенными для заземления, и между полюсами должны выдерживать испытательное напряжение, указанное в
ГОСТ 12434 соответственно номинальному импульсному выдерживаемому напряжению.
3.4 Воздушные зазоры между разомкнутыми контактами должны выдерживать импульсное выдерживаемое напряжение, установленное, в случае необходимости, в стандарте на соответствующий аппарат.
3.5 Твердая изоляция аппарата, связанная с воздушными зазорами, оговоренными в
3.4, должна выдерживать импульсные напряжения, указанные в этом пункте.
3.6 Воздушные зазоры и твердая изоляция вспомогательных цепей и цепей управления, оперируемых прямо от главной цепи при номинальном рабочем напряжении, должны отвечать требованиям
3.3 и
3.5.
3.7 Воздушные зазоры и твердая изоляция вспомогательных цепей и цепей управления, не оперируемых прямо от главной цепи, по способности выдерживать перенапряжения могут отличаться от главной цепи. Воздушные зазоры и связанная с ними твердая изоляция таких цепей (переменного или постоянного токов) должны выдерживать соответствующее напряжение согласно
ГОСТ 12434.
Во время испытаний не должно возникать пробоя изоляции.
3.8 Предпочтительны испытания при импульсном выдерживаемом напряжении. С согласия изготовителя испытание можно проводить, применяя напряжение промышленной частоты или постоянного тока. Однако аппараты, оснащенные приспособлениями для подавления перенапряжений (разрядниками), следует испытывать импульсным напряжением.
При испытании аппаратов, в стандартах на которые указывается значение номинального импульсного выдерживаемого напряжения Uimp, требуемое значение этой величины подается трижды для каждой полярности с интервалом минимум 1 с. Напряжение промышленной частоты или постоянного тока для таких аппаратов следует подавать на протяжении трех периодов для переменного тока или 10 мс для каждой полярности на постоянном токе. Если по методике испытания требуется повторное испытание на электрическую прочность изоляции, условия его должны устанавливаться в стандарте на соответствующий аппарат.
При испытании аппаратов, для которых значение Uimp не указано, испытательное напряжение U должно быть приложено в течение (60 +/- 5) с, причем испытание аппаратов полным напряжением в течение этого времени должно проводиться на отдельном аппарате один раз. Последующие испытания следует проводить при 80% полного испытательного напряжения.
При приемо-сдаточных испытаниях продолжительность приложения испытательного напряжения может быть уменьшена до 1 с и использование металлической фольги по
3.2 не обязательно.
3.9 Испытательная установка для проверки стойкости изоляции к воздействию напряжения должна содержать трансформатор, соответствующие блокировки, средства измерения. Мощность испытательного трансформатора должна быть такой, при которой действующее значение тока короткого замыкания на стороне испытательного напряжения должно быть не менее 0,5 А. При испытаниях в течение 1 с допускается применение трансформатора меньшей мощности, но не менее 0,5 кВА, если измерение испытательного напряжения проводится на стороне низкого напряжения или контролируют ток утечки. Погрешность установки напряжения должна быть не более +/- 5%.
3.10 Электрические цепи, подлежащие испытаниям, и места приложения испытательного напряжения следует определять в соответствии с требованиями на конкретные виды аппаратов.
3.11 Аппарат считается выдержавшим испытание по проверке электроизоляционных свойств, если при воздействии испытательного напряжения не произошло пробоя изоляции, перекрытия по поверхности твердой изоляции и при проведении контроля тока утечки значение его не превысило значения, установленного в стандартах на конкретные виды аппаратов.
3.12 Измерение электрического сопротивления следует проводить омметром постоянного тока или другим испытательным устройством:
1) при атмосферном давлении ниже 53 кПа (400 мм рт. ст.) и напряжении, установленном в стандартах на конкретные виды аппаратов;
2) при атмосферном давлении 53 кПа (400 мм рт. ст.) и выше при напряжении, указанном в таблице 1.
Таблица 1
Номинальное напряжение пробоя изоляции, В | Напряжение омметра, В |
До 30 включ. | 100 |
Св. 30 " 60 " | 250 |
" 60 " 300 " | 500 |
" 300 " 660 " | 1 000 |
" 660 " 1 000 " | 2 500 |
" 1 000 " 1 200 " | 2 500 |
Погрешность измерения должна быть не более +/- 20%.
При измерении сопротивления изоляции специальным устройством допускается прикладывать другое напряжение, но не ниже номинального и не выше испытательного напряжения по
3.8.
Измерение сопротивления изоляции следует проводить:
1) между всеми соединенными между собой токоведущими частями и частями, к которым при обслуживании возможны прикосновения (например, оболочки, рукоятки);
2) между каждой электрически независимой частью и заземленными металлическими частями изделия.
Провода и проходные изоляторы, которые применяют при измерении сопротивления изоляции и входят внутрь камеры влажности, во время испытания изоляции на влагостойкость должны иметь суммарное сопротивление изоляции не менее 100 МОм, если в стандартах на конкретные виды аппаратов нет других указаний.
Аппарат считают выдержавшим испытание, если сопротивление изоляции не ниже значений, указанных в стандартах на конкретные виды аппаратов.
4 Испытание на превышение температуры
4.1 Температуру окружающего воздуха следует измерять не менее чем двумя датчиками температуры, например термометрами или термопарами, равномерно распределенными вокруг аппарата, примерно на половине его высоты и на расстоянии 1 м от него. Эти датчики температуры должны быть защищены от воздушных потоков, теплового излучения для предотвращения ошибок, обусловленных резкими изменениями температуры.
Во время испытаний температура окружающего воздуха должна быть в пределах от 10 °C до 60 °C. Предпочтительным условием этого испытания следует считать верхнее значение температуры окружающей среды, установленной для конкретного вида аппарата.
Изменение температуры окружающей среды во второй половине времени испытания не должно превышать +/- 3 °C.
4.2 Температуру различных частей аппарата, кроме катушек, следует измерять пригодными для этого датчиками температуры в точках, где существует наибольшая вероятность достижения максимальной температуры; эти точки определяются стандартами на конкретные виды аппаратов и должны быть указаны в протоколе испытаний.
Температуру масла в масляных аппаратах следует измерять термометром в верхней части масляной заливки.
Датчик температуры не должен заметно влиять на превышение температуры.
Необходимо обеспечить хорошую теплопроводность между датчиками температуры и поверхностью части аппарата, на которой проводится оценка температуры.
При измерении превышений температуры с помощью термопар их спай должен быть расположен в ближайшем допустимом месте от наиболее горячей точки деталей. Спай термопары припаивают, приваривают, приклеивают, плотно прижимают или устанавливают в специально высверленных в деталях отверстиях и уплотняют теплопроводящим материалом. Провода термопары должны быть скручены между собой и расположены вне сферы действия сильных переменных полей. Если это выполнить невозможно, следует компенсировать индуцированные электродвижущие силы.
Температуру электромагнитных катушек следует определять резисторным методом - по изменению сопротивления. Применение других методов допускается в случае неосуществимости резисторного. Измерение температуры по изменению сопротивления допускается также применять для определения превышений температуры резисторов и других деталей, изготовленных из металла с известным температурным коэффициентом изменения сопротивления.
Превышение температуры

, °C, над температурой окружающей среды

в нагретом состоянии аппарата вычисляют по формуле

, (2)
где
R2 - электрическое сопротивление детали при температуре

, Ом;
R1 - электрическое сопротивление детали при температуре

, Ом;
K - коэффициент: для меди - 235, для алюминия - 245;

- температура окружающей среды при измерении электрического сопротивления детали в нагретом состоянии аппарата, °C;

- температура окружающей среды при измерении электрического сопротивления детали в холодном состоянии, °C.
Электрическое сопротивление отдельных элементов аппарата должно быть определено (см.
раздел 5) в нагретом и холодном состояниях аппарата одним и тем же методом и одними и теми же приборами. Места присоединения проводов при измерении должны быть одни и те же.
Длительность испытания должна быть достаточной для достижения превышением температуры установившегося значения, но не более 8 ч. Установившееся значение считается достигнутым, когда изменение температуры составляет не более 3 °C ч.
Примечание - Для определения превышения температуры контактов резисторный метод непригоден.
4.3 Превышение оцениваемой температуры части аппарата равняется разнице между температурой части, замеренной по
4.2, и температурой окружающей среды, замеренной по
4.1.
4.4 Определение превышения температуры частей главной цепи аппарата должно проводиться при наличии в ней номинального тока, определяемого в зависимости от исполнения аппарата в стандартах на конкретные виды аппаратов. При этом аппарат следует смонтировать по
4.1, защитив его от аномального внешнего нагрева или охлаждения.
Аппарат с неотделимой оболочкой или предназначенный для использования только в оболочке установленного типа следует испытывать в такой оболочке при номинальном токе аппарата. Не допускается наличие отверстий, создающих непредусмотренную вентиляцию. Провода и кабели должны вводиться в оболочку способом, предусмотренным для их ввода при эксплуатации.
Аппараты, предназначенные для использования в оболочках нескольких типов, предпочтительно испытывать в наименьшей из указанных изготовителем оболочек. В случае испытания без оболочки изготовитель в стандартах на конкретные виды аппаратов должен указать приведенное значение испытательного тока.
4.5 Испытание аппарата, предназначенного для работы на постоянном токе, допускается проводить от источника переменного тока, если это не запрещается в стандартах на конкретные виды аппаратов.
4.6 При испытаниях на многофазных токах в каждой фазе ток следует уравновесить в пределах +/- 5% и среднее значение этих токов должно быть не меньше соответствующего испытательного тока.
4.7 Испытание многополюсного аппарата при переменном токе допускается с согласия изготовителя проводить однофазным током при последовательном соединении всех полюсов при условии, что можно пренебречь магнитным влиянием полюсов друг на друга.
Примечание - Магнитное влияние полюсов друг на друга может быть определено по результатам специально проведенного исследовательского испытания при питании цепей аппарата однофазным, а затем трехфазным током. Это особенно важно при токах более 400 А.
4.8 Испытания трехполюсного аппарата с одним нейтральным полюсом, отличным от фазовых полюсов, должны включать:
1) испытание трех идентичных полюсов трехфазным током;
2) испытание однофазным током нейтрального полюса, соединенного последовательно с соседним полюсом, при номинальном значении тока нейтрального полюса.
4.9 Испытание аппарата, предназначенного для работы при переменном токе частотой 50 и 60 Гц, следует проводить при частоте, отличающейся от номинального значения на величину не более чем +/- 5%. При других номинальных значениях частоты предельные отклонения могут составлять не более +/- 20%.
4.10 Если возможны значительные эффекты взаимного нагрева главной цепи, цепей управления и вспомогательных цепей, испытание на превышение температуры по
4.3,
4.4,
4.14,
4.15 следует выполнять одновременно в меру применимости и согласно стандарту на соответствующий аппарат.
4.11 Испытание аппаратов, предназначенных для продолжительного, прерывисто-продолжительного или повторно-кратковременного режимов работы, может начинаться как в холодном, так и в нагретом их состоянии. Испытание следует продолжать до достижения установившейся температуры, но не более 8 ч. Допускается для сокращения времени испытания увеличивать ток в первой половине испытания с последующим понижением его до заданного испытательного тока.
4.12 Аппараты, предназначенные для работы в повторно-кратковременном режиме, допускается испытывать при такой постоянной нагрузке, значение которой эквивалентно по условиям нагрева нагрузке повторно-кратковременного режима. Для последовательно включенных элементов цепи (контактов, главной цепи выключателей и т.п.), изменения сопротивления которых при нагревании практически не влияют на ток, а также для резисторов, сопротивление которых мало изменяется при нагревании, эквивалентные условия будут при токе, равном среднеквадратичному току при повторно-кратковременном режиме.
В конце испытания превышение температуры отдельных частей главной цепи не должно превышать величин, указанных в
ГОСТ 403 и
ГОСТ 12434 (при отсутствии других указаний в стандарте на конкретный вид аппарата).
4.13 Система испытательных соединений в зависимости от значения номинального тока испытуемого аппарата.
4.13.1 При испытательных токах до 400 А включительно:
- соединения должны осуществляться одножильными изолированными медными проводниками с поперечными сечениями по
таблице 2;
- присоединяемые проводники должны прокладываться на открытом воздухе с промежутками между отдельными проводниками, примерно равными расстоянию между выводами аппарата;
- при испытаниях одно- или многофазным током минимальная длина любого временного соединения между выводом аппарата и другим выводом или источником испытательного тока или вершиной звезды должна быть:
1) 1 м при поперечных сечениях до 35 мм2 включительно;
2) 2 м при поперечных сечениях больше 35 мм2.
Таблица 2
Поперечные сечения проводников для испытательных токов
до 400 А включительно
Диапазон испытательных токов, А | Поперечное сечение проводников, мм 2 <1>, <2>, <3> |
Св. 0 до 8 включ. | 1,0 |
" 8 " 12 " | 1,5 |
" 12 " 15 " | 2,5 |
" 15 " 20 " | 2,5 |
" 20 " 25 " | 4,0 |
" 25 " 32 " | 6,0 |
" 32 " 50 " | 10,0 |
" 50 " 65 " | 16,0 |
" 65 " 85 " | 25,0 |
" 85 " 100 " | 35,0 |
" 100 " 115 " | 35,0 |
" 115 " 130 " | 50,0 |
" 130 " 150 " | 50,0 |
" 150 " 175 " | 70,0 |
" 175 " 200 " | 95,0 |
" 200 " 225 " | 95,0 |
" 225 " 250 " | 120,0 |
" 250 " 275 " | 150,0 |
" 275 " 300 " | 185,0 |
" 300 " 350 " | 185,0 |
" 350 " 400 " | 240,0 |
|
4.13.2 При испытательных токах более 400 А, но не более 800 А:
- соединения должны осуществляться одножильными изолированными медными проводниками с площадью поперечного сечения по таблице 3 или эквивалентными медными шинами по
таблице 4 согласно рекомендациям изготовителя;
Таблица 3
Поперечные сечения проводников для испытательных токов
более 400 и до 800 А включительно
Диапазон испытательных токов, А | |
Число | Поперечное сечение, м2 |
Св. 400 до 500 включ. | 2 | 150 |
" 500 " 630 " | 2 | 185 |
" 630 " 800 " | 2 | 240 |
|
Таблица 4
Размеры медных шин для испытательных токов
более 400 и до 3 150 А включительно
Диапазон испытательных токов, А | |
Число, шт. | Размеры, мм |
Св. 400 до 500 включ. | 2 | 30 x 5 |
" 500 " 630 " | 2 | 40 x 5 |
" 630 " 800 " | 2 | 50 x 5 |
" 800 " 1 000 " | 2 | 60 x 5 |
" 1 000 " 1 250 " | 2 | 80 x 5 |
" 1 250 " 1 600 " | 2 | 100 x 5 |
" 1 600 " 2 000 " | 3 | 100 x 5 |
" 2 000 " 2 500 " | 3 | 100 x 5 |
" 2 500 " 3 150 " | 4 | 100 x 10 |
<1> Для удобства испытания по согласованию с изготовителем можно использовать проводники с меньшим поперечным сечением, чем указано в таблицах для соответствующего испытательного тока. <2> Для заданного диапазона испытательных токов можно использовать проводник любого из двух размеров, указанных для этого диапазона. <3> Предполагается, что шины устанавливаются большей гранью по вертикали. Расположение большей грани по горизонтали возможно по инструкции изготовителя. <4> В случае использования четырех шин они должны располагаться попарно двумя группами с расстоянием между центрами групп не более 100 мм. |
- присоединенные проводники должны располагаться друг от друга на расстоянии, приблизительно равном расстоянию между выводами. Медные шины должны быть окрашены в матовый черный цвет. Многочисленные параллельные проводники, подключенные к одному выводу, должны быть собраны в пучок с воздушными зазорами между ними около 10 мм. Многочисленные медные шины, подсоединенные к одному выводу, должны быть расположены друг от друга приблизительно на расстоянии, равном толщине шины. Если указанные размеры шин для выводов непригодны или недоступны, можно использовать другие шины приблизительно равного поперечного сечения и с приблизительно равной или меньшей поверхностью охлаждения. Медные провода или шины не должны быть слоистыми;
- при испытаниях одно- или многофазным током минимальная длина временного соединения между выводом аппарата и другим выводом или источником испытательного тока должна составлять 2 м. Минимальную длину соединения с вершиной звезды можно уменьшить до 1,2 м.
4.13.3 При испытательных токах более 800 А, но не выше 3 150 А:
- соединения должны осуществляться медными шинами с размерами, указанными в
таблице 4, если аппарат не рассчитан исключительно на кабельные соединения;
- расстояния между медными шинами должны приблизительно равняться расстоянию между выводами. Медные шины должны быть окрашены в матовый черный цвет. Медные шины, параллельно присоединенные к одному выводу, должны располагаться друг от друга приблизительно на расстоянии, равном толщине шины. Если указанные размеры шин несовместимы или недоступны, можно использовать другие шины с приблизительно равной или меньшей поверхностью охлаждения. Медные шины не должны быть слоистыми;
- при испытаниях одно- или многофазным током минимальная длина любого временного соединения между выводом аппарата и другим выводом или источником питания должна составлять 3 м, но ее можно сократить до 2 м при условии, что превышение температуры на сетевом конце соединения не более чем на 5 °C ниже превышения температуры посреди длины соединения. Минимальная длина соединения с вершиной звезды равна 2 м.
4.13.4 При испытательных токах выше 3 150 А изготовитель и потребитель должны прийти к соглашению обо всех важных характеристиках испытания: тип источника питания, число фаз и частота (если требуется), поперечные сечения испытательных соединений и т.п. Эта информация должна составлять часть протокола испытания.
4.14 Определение превышения температуры цепей управления должно проводиться при указанном в стандартах на конкретные виды аппаратов токе, а в случае переменного тока - и частоте. Цепи управления следует испытывать при номинальном напряжении.
Цепи, предназначенные для работы в длительном режиме, следует испытывать в течение достаточного времени для того, чтобы превышение температуры успело достичь установившегося значения.
Цепи, предназначенные для работы в повторно-кратковременном режиме, следует испытывать согласно стандарту на соответствующий аппарат.
В конце этих испытаний превышение температуры отдельных частей цепей управления не должно превышать значения, указанные в ГОСТ 403 (при отсутствии других указаний в стандартах на конкретные виды аппаратов).
4.15 Определение превышения температуры катушек и электромагнитов должно проводиться в условиях, описанных в
ГОСТ 12434, их следует испытывать достаточно долго, чтобы превышение температуры успело достичь установившейся величины.
Температуру следует измерять по достижении теплового равновесия и в главной цепи, и в катушке электромагнита.
Катушки и электромагниты аппаратов, рассчитанных на работу в повторно-кратковременном режиме, следует испытывать согласно стандарту на отдельные виды аппаратов.
В конце этих испытаний превышение температуры различных частей не должно превышать значения, указанные в ГОСТ 403.
4.16 Определение превышения температуры вспомогательных цепей производится в таких же условиях, как и по
4.15, но при любом удобном напряжении.
В конце этих испытаний превышение температуры вспомогательных цепей не должно превышать значения, указанные в ГОСТ 403.
5 Контроль электрического сопротивления, падения напряжения и потребляемой мощности
5.1 Электрическое сопротивление токоведущих цепей аппарата и их элементов контролируют при токе и напряжении не больше номинальных для данного аппарата, если иные требования не установлены в стандартах на конкретные виды аппаратов.
5.2 Электрическое сопротивление катушек, элементов теплового действия и резисторов контролируют при таком токе, при котором температура этих деталей за время измерения тока и напряжения практически не изменяется. Время измерения должно быть минимальным.
Расчетное значение сопротивления Rнорм, Ом, при нормальной температуре пересчета, установленной в стандартах на конкретные виды аппаратов, вычисляют по формуле

, (3)
где
Rнорм - измеренное значение сопротивления при температуре

, Ом;
K - коэффициент: для меди - 235, для алюминия - 245;

- номинальная температура, например 20 °C или 40 °C;

- температура окружающей среды, при которой проводилось измерение сопротивления
Rизм, °C.
5.3 Электрическое сопротивление методом вольтметра-амперметра контролируют при постоянном или при выпрямленном токе по схеме двухполупериодного выпрямления.
5.4 При измерении электрического сопротивления методом вольтметра-амперметра и при измерении падения напряжения на отдельных участках цепи провода вольтметра следует присоединить либо прижатием в соответствующих точках токоведущей цепи аппарата остро отточенных игл, которыми заканчиваются провода, либо привинчиванием, припаиванием или привариванием этих проводов.
Провода для измерения падения напряжения на участках, имеющих малые электрические сопротивления, следует присоединять так, чтобы переходное сопротивление контакта этого участка с проводниками, подводящими ток, не входило в значение измеренного электрического сопротивления.
Измерительный прибор подключают к выводам при измерении электрического сопротивления полюса аппарата в местах, предназначенных для присоединения к аппарату проводов, кабелей или шин.
При наличии в контролируемой цепи контактов показания приборов отсчитывают не ранее чем через 1 с после начала протекания тока при установившемся значении тока.
5.5 Сопротивление защитного заземления аппарата контролируют методом амперметра-вольтметра при напряжении постоянного тока не более 12 В и токе 10 А, если ток не больше номинального тока аппарата. В ином случае измерение следует проводить при номинальном токе.
5.6 Мощность, потребляемую обмотками аппаратов и аппаратом в целом, проверяют ваттметром, варметром, векторметром или методом амперметра-вольтметра при номинальном режиме в нагретом до установившейся температуры состоянии, если иное не установлено в стандартах на конкретные виды аппаратов.
6 Контроль степени защиты
Степень защиты аппаратов следует контролировать по
ГОСТ 14254.
7 Испытание на включающую и отключающую способность
7.1 Испытанию на включающую и отключающую способность следует подвергать аппараты во всех своих основных деталях, соответствующие конструкции типа, к которому они относятся.
При отсутствии других указаний в стандарте на конкретный вид аппарата испытание должно проводиться на новом аппарате.
При отсутствии других указаний испытание должно проводиться при токе того же рода (а если ток переменный, при той же номинальной частоте и равном числе фаз), как в предполагаемых условиях эксплуатации.
Испытуемый аппарат в укомплектованном виде следует монтировать на его собственной опоре или эквивалентной ей и присоединить так, как в нормальных условиях эксплуатации, в соответствии с инструкциями изготовителя и условиями окружающей среды.
Аппарат в оболочке должен быть смонтирован в укомплектованном виде, и все отверстия, закрытые в нормальных условиях эксплуатации, должны быть закрыты на время испытаний. Аппарат, предназначенный для использования в отдельной оболочке и оболочке более чем одного типа и размера, следует испытывать в наименьшей оболочке, указанной изготовителем.
Обслуживание или замена частей не допускается, если нет противоположных указаний в стандарте на соответствующий аппарат. До начала испытаний аппаратом можно оперировать без нагрузки.
Включающая и отключающая способность должны проверяться в режимах редких коммутаций и (или) токов короткого замыкания в соответствии с требованиями стандартов на конкретные виды аппаратов.
Проверка включающей и отключающей способности может быть объединена в одном испытательном цикле или проводиться в виде отдельных испытаний.
Испытание аппарата следует проводить в его рабочем положении, имитирующем условия монтажа и эксплуатации. Если аппарат предназначен для работы в разных рабочих положениях, то он должен испытываться в наиболее неблагоприятном положении.
Если в стандарте на конкретный вид аппаратов не установлено, с какой стороны аппарата подключается источник питания, испытания следует проводить дважды: один раз источник следует подключать с одной стороны аппарата, второй раз - с другой. Испытания в этом случае могут проводиться на разных образцах.
Условия управления аппаратами при проведении испытаний должны соответствовать установленным в стандартах на конкретные виды аппаратов.
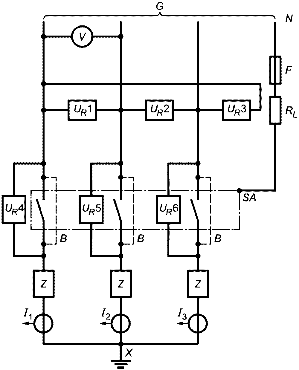
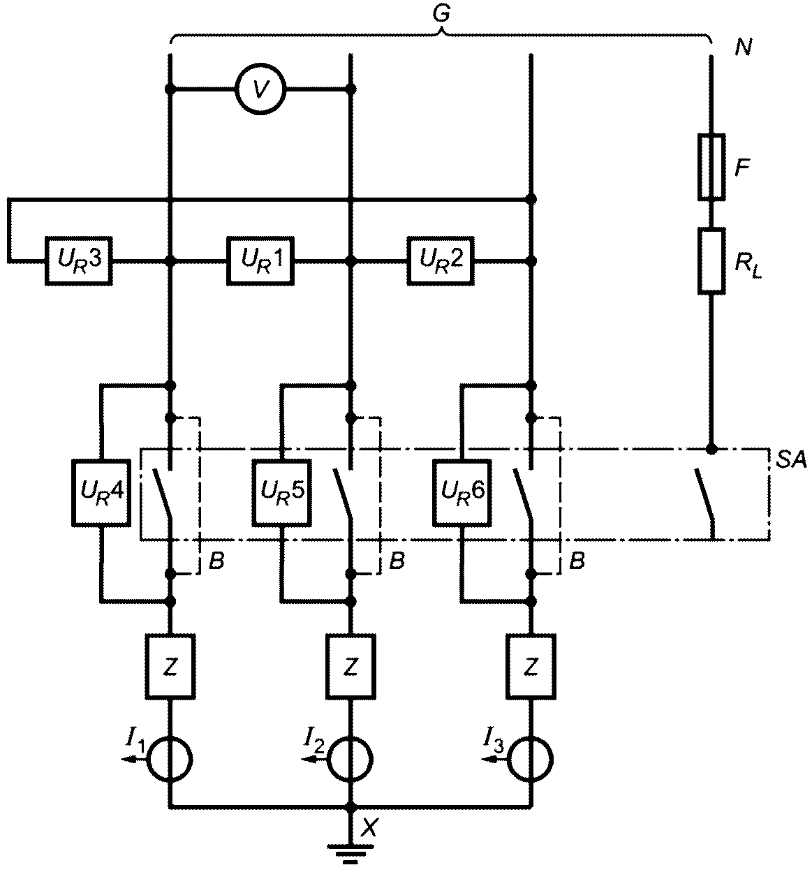
7.2 Схемы цепей, которые следует использовать для испытания, представлены на
чертежах 1 -
4:
- однополюсного аппарата при однофазном или постоянном токе
(чертеж 1);
- двухполюсного аппарата при однофазном переменном или постоянном токе
(чертеж 2);
- трехполюсного аппарата или трех однополюсных аппаратов при трехфазном переменном токе
(чертеж 3);
- четырехполюсного аппарата при трехфазном переменном токе в четырехпроводной схеме
(чертеж 4).
Сведения об использованной при испытании схеме должны быть приведены в протоколе испытания.
7.3 Источник питания должен обладать достаточной мощностью, которая обеспечивала бы заданные параметры испытания.
При испытании на отключающую способность источник питания должен быть таким, чтобы к моменту гашения дуги возвращающееся напряжение было 110% номинального напряжения испытуемого аппарата. Для обеспечения этого при необходимости можно увеличивать напряжение источника питания, но при этом значение наибольшего мгновенного ожидаемого тока включения не должно превышать допустимое для аппарата значение.
7.4 Значения параметров испытательной цепи не должны выходить за пределы допусков, приведенных в таблице 5, при отсутствии других указаний в соответствующих пунктах. Однако по согласованию с изготовителем можно проводить испытания в более жестких условиях, чем установленные.
Таблица 5
Предельные отклонения параметров испытательной цепи
Все испытания | Испытания при нулевой и нормальной нагрузке и перегрузке | Испытания в условиях короткого замыкания |
Параметр | Предельное отклонение | Параметр | Предельное отклонение | Параметр | Предельное отклонение |
Ток | + 5% | Коэффициент мощности | +/- 0,05 | Коэффициент мощности | +/- 0,05 |
Напряжение (в том числе возвращающееся) | + 5% | Постоянная времени | +/- 15% | Постоянная времени | +/- 25% |
Частота | +/- 5% | Частота | +/- 5% |
Схема испытательной цепи для проверки включающей
и отключающей способности однополюсного аппарата
при однофазном переменном или постоянном токе
B - временное калибровочное соединение; SA - испытуемый
аппарат (с соединительными кабелями); F - плавкий элемент;
I1 - датчик тока; RL - сопротивление, ограничивающее
аварийный ток; G - источник питания; X - заземление
(только в одной точке, на выходной или входной стороне);
UR1, UR2 - датчики напряжения; V - вольтметр;
Схема испытательной цепи для проверки включающей
и отключающей способности двухполюсного аппарата
при однофазном переменном или постоянном токе
B - временные калибровочные соединения; SA - испытуемый
аппарат (с соединительными кабелями); F - плавкий элемент;
I1, I2 - датчики тока; N - нейтраль источника питания
(или искусственная нейтраль); RL - сопротивление,
ограничивающее аварийный ток; G - источник питания;
X - заземление (только в одной точке, на выходной
или входной стороне); UR1, UR2, UR3 - датчики напряжения;
V - вольтметр;
Z - цепь нагрузки (см.
чертеж 6)
Примечания
1 UR1 можно присоединить между фазой и нейтралью.
2 Если аппараты предназначаются для использования в системах с заземлением фазы или эта схема применяется для испытания нейтрального и соседнего полюсов четырехполюсного аппарата, F подключают к отрицательному полюсу источника питания.
Схема испытательной цепи для проверки включающей
и отключающей способности трехполюсного аппарата
B - временные калибровочные соединения; SA - испытуемый
аппарат (с соединительными кабелями); F - плавкий элемент;
I1, I2, I3 - датчики тока; N - нейтраль источника питания
(или искусственная нейтраль); RL - сопротивление,
ограничивающее аварийный ток; G - источник питания;
X - заземление (только в одной точке, на выходной стороне);
UR1, UR2, UR3, UR4, UR5, UR6 - датчики напряжения;
V - вольтметр;
Z - цепь нагрузки (см.
чертеж 6)
Примечания
1 UR1, UR2, UR3 можно присоединить между фазой и нейтралью.
2 Если аппараты предназначают для использования в системах с заземлением фазы или эта схема применяется для испытания нейтрального и соседнего полюсов четырехполюсного аппарата, F присоединяют к одной из фаз источника питания. На постоянном токе F подключают к отрицательному полюсу источника питания.
Схема испытательной цепи для проверки включающей
и отключающей способности четырехполюсного аппарата
B - временные калибровочные соединения; SA - испытуемый
аппарат (с соединительными кабелями); F - плавкий элемент;
I1, I2, I3 - датчики тока; N - нейтраль источника питания
(или искусственная нейтраль); RL - сопротивление,
ограничивающее аварийный ток; G - источник питания;
X - заземление (только в одной точке, на выходной или
входной стороне); UR1, UR2, UR3, UR4, UR5, UR6 - датчики
напряжения;
V - вольтметр;
Z - цепь нагрузки (см.
чертеж 6)
Примечание - UR1, UR2, UR3 можно присоединить между фазой и нейтралью.
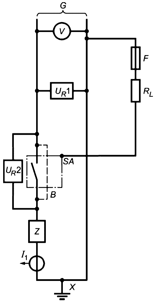
7.5 Испытательная цепь включает источник питания, аппарат
SA, подвергающийся испытанию, и цепь нагрузки. В цепь нагрузки должны подключаться сопротивления и реакторы с воздушными сердечниками
(чертеж 5). Нагрузки следует регулировать так, чтобы при указанном напряжении обеспечить:
- значения тока и коэффициента мощности или постоянной времени (способ определения по
приложению 1), установленные в стандарте на соответствующий аппарат;
- заданное значение возвращающегося напряжения;
- если оговаривается, частоту колебаний восстанавливающегося напряжения и коэффициент его амплитуды

.
Схема способа регулировки цепи нагрузки
A - осциллограф; V - диод; S - селекторный переключатель
для регулировки фазы; C1 - параллельный конденсатор;
SA - испытуемый аппарат; G1 - генератор высоких частот;
I1, I2, I3 - датчики тока; R1 - сопротивление в цепи
нагрузки; R3 - сопротивление защиты; R2 - параллельное
сопротивление; G - источник питания; L1 - реактор с воздушным
сердечником. Относительное расположение генератора высоких
частот G1 и диода V должно соответствовать данной схеме
Коэффициент

- отношение значения
U1 наибольшего пикового восстанавливающегося напряжения к мгновенному значению
U2 (в момент прохождения тока через нуль) периодической составляющей возвращающегося напряжения (чертеж 6).
Упрощенное изображение восстанавливающегося
и возвращающегося напряжения между контактами
первой отключающей фазы
Испытательная цепь должна быть заземлена в одной точке, положение которой должно быть указано в протоколе испытаний.
Все части аппаратов, в условиях эксплуатации нормально заземляемые, в том числе оболочка или экраны, должны быть изолированы от земли и соединены в одной точке, как показано на
чертежах 1,
2,
3 или
4. Это соединение должно представлять собой медную проволоку диаметром 0,8 мм и длиной не менее 50 мм или эквивалентный плавкий элемент для обнаружения аварийного тока.
Ожидаемый аварийный ток этого плавкого элемента должен составлять (1 500 +/- 150) А, за исключением случаев, оговоренных в
примечаниях 2 и
3. Если необходимо, следует использовать сопротивление, ограничивающее ток этой величиной.
Для контроля границ ионизированной зоны выхлопа дугогасительных устройств вокруг испытуемого аппарата должны быть расположены плоские металлические пластины толщиной (2 - 3) мм с отверстиями (7 +/- 0,25) мм и расстоянием между центрами отверстий (10 +/- 5) мм. Пластины должны быть через плавкий элемент соединены с нейтральной точкой источника питания или с искусственной нейтральной точкой.
Зону выхлопа пламени контролируют по методам, приведенным в стандартах на конкретные виды аппаратов.
Примечания
1 Медная проволока диаметром 0,8 мм расплавляется за один полупериод при частоте от 45 до 67 Гц (или за 0,01 с на постоянном токе).
2 Для малогабаритного аппарата ожидаемый аварийный ток может быть слабее (1 500 +/- 150) А согласно требованиям на соответствующий аппарат и в этом случае может быть использован медный провод меньшего диаметра (см.
примечание 4), обеспечивающий время расплавления по
примечанию 1.
3 В системе питания с искусственной нейтралью допустим более низкий ожидаемый аварийный ток. По соглашению с изготовителем может быть использован медный провод меньшего диаметра (см. примечание 4), обеспечивающий время расплавления по
примечанию 1.
4 Соотношение между ожидаемым аварийным током и диаметром медной проволоки должно соответствовать данным таблицы 6.
Таблица 6
Диаметр медной проволоки, мм | Ожидаемый аварийный ток в цепи плавкого элемента, А |
0,1 | 50 |
0,2 | 150 |
0,3 | 300 |
0,4 | 500 |
0,5 | 800 |
0,8 | 1 500 |
7.6 Характеристики восстанавливающегося напряжения, возникающего в цепях индивидуальных двигателей (индуктивных нагрузок), следует отрегулировать колебательную частоту цепи нагрузки до уровня

, (4)
где f - колебательная частота, кГц;
Ic - ток отключения, А;
Uc - номинальное рабочее напряжение, В.
Коэффициент y следует отрегулировать так, чтобы он равнялся 1,1 +/- 0,05.
Значение реактивного сопротивления, необходимое для этого испытания, можно обеспечить, соединив параллельно несколько реакторов при условии, что восстанавливающемуся напряжению можно по-прежнему приписывать только одну колебательную частоту. Это в принципе соответствует действительности, когда у таких реакторов практически одинаковая постоянная времени.
Выходные выводы аппарата следует подсоединить как можно ближе к выводам отрегулированной цепи нагрузки. Такая регулировка должна производиться после установки этих соединений на место.
Восстанавливающееся напряжение следует регулировать во всей цепи нагрузки. В частности, точку заземления не следует смещать в период между регулировкой и испытанием.
Методика регулировки цепи нагрузки описывается в
приложении 2.
7.7 Коммутационные перенапряжения следует проверять в ходе периодических испытаний с включением и отключением тока, например испытаний на включающую и отключающую способность, на работоспособность и т.п.
Это испытание должно быть описано среди соответствующих периодических испытаний в стандарте на конкретный вид аппарата.
Примечание - Коммутационные перенапряжения можно проверить с помощью датчика перенапряжений (например, разрядника), калиброванного по волнам импульсов 1,2/50 мс перед испытанием, с последовательно соединенным с ним плавким предохранителем.
7.8 Число операций, время прохождения тока, длительность обесточенного состояния и условия окружающей среды должны отвечать рекомендациям стандарта на конкретный вид аппарата.
В соответствии со стандартами на отдельные виды аппаратов контролируется зона критических токов (или ее отсутствие) в заданном диапазоне токов. При этом виде испытаний допускается замена испытуемых образцов аппаратов, если это предусмотрено в стандарте на конкретные виды аппаратов.
7.9 Состояние аппарата во время и после испытания на включающую и отключающую способность должно быть указано в стандарте на конкретный вид аппарата.
8 Испытание на работоспособность
8.1 Испытание на работоспособность аппарата направлено на проверку его способности включать, проводить и отключать токи, проходящие по его главной цепи, в условиях, соответствующих установленной категории применения, когда это имеет смысл. Условия испытания должны быть подробно описаны в стандарте на соответствующий аппарат.
8.2 Износостойкость
8.2.1 Испытания на износостойкость проводятся с целью проверки аппарата на количество циклов оперирования, которое он способен выдержать без ремонта или замены частей. Перед такими испытаниями и в процессе их проведения аппарат подлежит техническому обслуживанию, предусмотренному в стандартах на конкретные виды аппаратов (например, регулировка хода и контактных нажатий, очистка аппаратов от пыли и копоти, смазка шарнирных соединений).
8.2.2 Частота проведения испытательных циклов при оценке износостойкости должна определяться стандартами на конкретные виды аппаратов. Изменение этого параметра, в частности с целью сокращения продолжительности испытаний, допускается по согласованию с изготовителем.
При испытаниях на износостойкость допускается применять искусственное охлаждение двигательного привода.
8.3 Механическая износостойкость
8.3.1 Во время этого испытания в главной цепи не должно быть ни напряжения, ни тока. Перед и в процессе этого испытания аппарат следует смазывать, если смазка предписывается для нормальных условий эксплуатации.
Ток в цепь управления должен подаваться при ее номинальном напряжении и, если требуется, при номинальной частоте. В пневматические и электропневматические аппараты сжатый воздух должен подаваться под номинальным давлением.
8.3.2 Оперировать аппаратом с ручным управлением следует как в нормальных условиях эксплуатации.
Число циклов оперирования должно быть не меньше установленного стандартом на конкретный вид аппарата.
Для аппаратов, оснащенных размыкающим реле или расцепителями, полное число операций размыкания, которые должны выполнить такие реле или расцепители, указываются в стандарте на конкретный вид аппарата.
Способ оценки результатов испытаний должен определяться в стандарте на конкретный вид аппаратов.
8.4 Коммутационная износостойкость
8.4.1 Условия испытания такие же, как в
8.3, но в главную цепь подается ток согласно требованиям стандарта на соответствующий аппарат.
Время протекания тока после каждого включения должно быть не меньше времени дребезга контактов при включении. Число отработанных циклов при испытании на коммутационную стойкость может быть зачтено в число циклов, требуемых при испытании на механическую износостойкость.
8.5 Работоспособность в условиях короткого замыкания
8.5.1 При испытаниях проверяются способности аппаратов выдерживать термические, динамические и электрические нагрузки, обусловленные токами короткого замыкания, возникающими при включении тока, прохождении его в замкнутом аппарате и отключении. Дополнительно к условиям испытаний, приводимым в настоящем пункте и
7.1 и
7.2, в стандартах на конкретные виды аппаратов, могут приводиться дополнительные требования, касающиеся методики испытания, циклов оперирования и испытания, состояния аппаратов после испытаний и испытаний аппаратов с устройствами защиты от коротких замыканий.
8.5.2 Условия оперирования механизмом управления указываются в стандарте на конкретные виды аппаратов. Питание электрической или пневматической системы управления должно осуществляться при минимальном напряжении или давлении согласно стандарту на соответствующий аппарат. Следует удостовериться, что в этих условиях обесточенный аппарат срабатывает правильно.
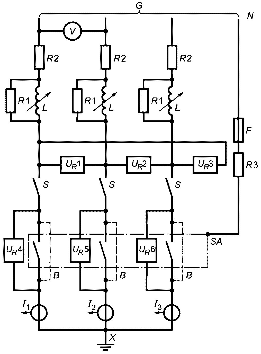
8.5.3 Схемы цепей, которые следует использовать при испытаниях, приведены на
чертежах 7,
8,
9,
10, согласно которым источник питания
G подает ток в цепь, включающую сопротивление
RL, реакторы
L и испытуемый аппарат
SA. Подробные сведения об использованной при испытании схеме следует приводить в протоколе испытания.
Для комбинаций с устройствами защиты от коротких замыканий относительное положение таких устройств и аппарата, подлежащего испытанию, должно быть уточнено в стандарте на конкретный вид аппарата.
Активное и реактивное сопротивления должны быть регулируемыми, чтобы удовлетворять условиям испытания. Реактор L должен быть с воздушным сердечником. Реакторы следует соединять последовательно с сопротивлением R2, а требуемое значение реактивного сопротивления следует обеспечить путем последовательного соединения отдельных реакторов; допускается и параллельное соединение реакторов, если у них практически одинакова постоянная времени.
Поскольку характеристики восстанавливающегося напряжения испытательных цепей, включающих реакторы с воздушными сердечниками, не типичны для обычных условий эксплуатации, реактор с воздушным сердечником в каждой фазе должен быть шунтирован сопротивлением, отводящим приблизительно 0,6% тока, проходящего через реактор, если нет другого соглашения между изготовителем и потребителем.
В каждую испытательную цепь (
чертежи 7,
8,
9,
10) вводятся сопротивление и реактор между источником питания
G и испытуемым аппаратом
SA. Допускается различное взаимное расположение в испытательной схеме замыкающего устройства
S и датчиков тока (
I1,
I2,
I3). Соединение испытуемого аппарата с испытательной цепью должно соответствовать требованиям, указанным в стандартах на конкретный вид аппарата.
Если испытанию подвергается тип аппарата, номинальный ток которого ниже значения наибольшего номинального тока данного вида аппарата, и требуется соответствующее уменьшение тока испытательной цепи, то это достигается подключением дополнительных сопротивлений на выходной стороне аппарата между ним и местом короткого замыкания. Подключение этого сопротивления на входной стороне аппарата допускается по согласованию с изготовителем. Это требование не относится к испытаниям на кратковременно допустимый ток (см.
8.5).
При отсутствии специального соглашения между изготовителем и потребителем, подробности которого фиксируются в протоколе испытаний, схема испытательной цепи должна соответствовать чертежам 7,
8,
9,
10.
Схема испытательной цепи для проверки включающей
и отключающей способности однополюсного аппарата
при однофазном переменном или постоянном токе
S - замыкающее устройство; B - временное калибровочное
соединение; SA - испытуемый аппарат (с соединительными
кабелями); F - плавкий элемент; I - датчик тока;
R2 - регулируемое сопротивление; R3 - сопротивление,
ограничивающее аварийный ток; R1 - шунтирующее
сопротивление; G - источник питания; X - заземление
(только в одной точке, на выходной или входной стороне);
UR1, UR2 - датчики напряжения; V - прибор для измерения
напряжения; L - регулирующий реактор
Примечание - Регулируемые нагрузки L и R2 могут помещаться либо на высоковольтной, либо на низковольтной стороне питающей цепи, тогда как замыкающее устройство S - на низковольтной.
Схема испытательной цепи для проверки включающей
и отключающей способности двухполюсного аппарата
при однофазном переменном или постоянном токе
S - замыкающее устройство; B - временные калибровочные
соединения; SA - испытуемый аппарат (с соединительными
кабелями); F - плавкий элемент; I1, I2 - датчики тока;
N - нейтраль источника питания (или искусственная нейтраль);
R2 - регулируемое сопротивление; R3 - сопротивление,
ограничивающее аварийный ток; R1 - шунтирующее
сопротивление; G - источник питания; X - заземление
(только в одной точке, на выходной или входной стороне);
UR1, UR2, UR3 - датчики напряжения; V - прибор
для измерения напряжения; L - регулируемые реакторы
Примечания
1 Регулируемые нагрузки L и R2 могут располагаться либо на высоковольтной, либо на низковольтной стороне питающей цепи, тогда как замыкающее устройство S находится на низковольтной стороне.
2 UR1 можно подключать между фазой и нейтралью.
3 Если аппараты предназначаются для использования в системах с заземлением фазы или эта схема применяется для испытания нейтрального и соседнего полюсов четырехполюсного аппарата, F присоединяют к одной из фаз источника питания.
Схема испытательной цепи для проверки включающей
и отключающей способности трехполюсного аппарата
S - замыкающее устройство; B - временные калибровочные
соединения; SA - испытуемый аппарат (с соединительными
кабелями); F - плавкий элемент; I1, I2, I3 - датчики тока;
N - нейтраль источника питания (или искусственная нейтраль);
R2 - регулируемое сопротивление; R3 - сопротивление,
ограничивающее аварийный ток; R1 - шунтирующее
сопротивление; G - источник питания; X - заземление
(только в одной точке, на выходной или входной стороне);
UR1, UR2, UR3, UR4, UR5, UR6 - датчики напряжения;
V - прибор для измерения напряжения;
L - регулируемые реакторы
Примечания
1 Регулируемые нагрузки L и R2 могут располагаться либо на высоковольтной, либо на низковольтной стороне питающей цепи, тогда как замыкающее устройство S находится на низковольтной стороне.
2 UR1, UR2, UR3 можно подключать между фазой и нейтралью.
3 Если аппараты предназначаются для использования в системах с заземлением фаз или эта схема применяется для испытания нейтрального или соседнего полюсов четырехполюсного аппарата, F присоединяют к одной из фаз источника питания.
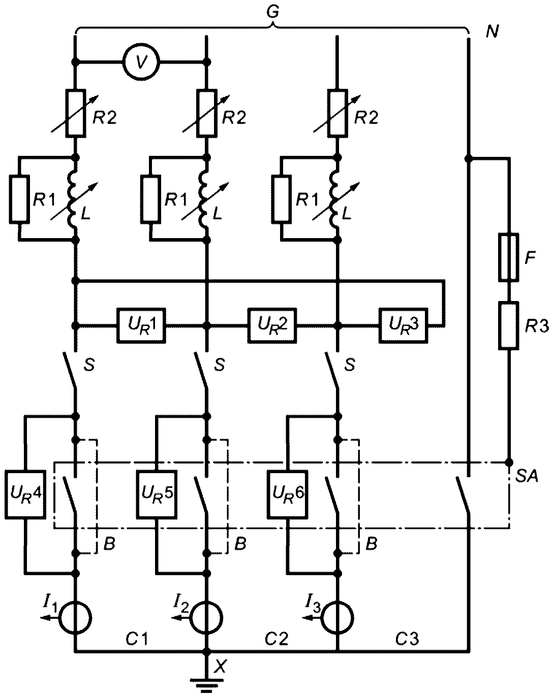
Схема испытательной цепи для проверки включающей
и отключающей способности четырехполюсного аппарата
источника питания
S - замыкающее устройство; B - временные калибровочные
соединения; SA - испытуемый аппарат (с присоединительными
кабелями); F - плавкий элемент; I1, I2, I3 - датчики тока;
N - нейтраль источника питания; R2 - регулируемое
сопротивление; R3 - сопротивление, ограничивающее аварийный
ток; R1 - шунтирующее сопротивление; G - источник питания;
X - заземление (только в одной точке, на входной
или выходной стороне); UR1, UR2, UR3, UR4, UR5,
UR6 - датчики напряжения; V - прибор для измерения
напряжения; L - регулируемые реакторы
Примечания
1 Регулируемые нагрузки L и R2 могут располагаться либо на высоковольтной, либо на низковольтной стороне питающей цепи, тогда как замыкающее устройство S находится на низковольтной стороне.
2 UR1, UR2, UR3 можно подключать между фазой и нейтралью.
3 Если необходимо дополнительное испытание между нейтральным и соседними полюсами, соединения C1 и C2 убирают.
Заземлять следует одну точку испытательной цепи: короткозамкнутое звено испытательной цепи, или нейтральную точку источника питания, или любую другую удобную точку, но способ заземления следует указывать в протоколе испытаний.
Все части аппарата, заземленные в нормальных условиях эксплуатации, в том числе и оболочка и экраны, должны быть изолированы от земли и присоединены к одной точке, как показано на
чертежах 7,
8,
9,
10. В этом соединении плавкий элемент
F должен представлять собой медную проволоку диаметром 0,8 мм и длиной не менее 50 мм или эквивалентный плавкий элемент для обнаружения аварийного тока.
Ожидаемый ток в цепи с плавким элементом должен составлять (1 500 +/- 150) А, за исключением случаев, оговоренных в 7.5 (
примечания 1 -
4). Если необходимо, следует использовать сопротивление, ограничивающее ток этим уровнем.
8.5.4 На переменном токе коэффициент мощности каждой фазы испытательной цепи следует определять каким-либо установленным способом, который следует указать в протоколе испытания.
Коэффициент мощности многофазной цепи рассчитывается как среднее значение коэффициентов мощности каждой фазы.
Коэффициент мощности должен соответствовать таблице 7.
Испытательный ток, А | Коэффициент мощности | Постоянная времени, мс (для цепей постоянного тока) | Соотношение n |
До 1 500 включ. | 0,95 | 5 | 1,41 |
Св. 1 500 " 3 000 " | 0,90 | 5 | 1,42 |
" 3 000 " 4 500 " | 0,80 | 5 | 1,47 |
" 4 500 " 6 000 " | 0,70 | 5 | 1,53 |
" 6 000 " 10 000 " | 0,50 | 5 | 1,70 |
" 10 000 " 20 000 " | 0,30 | 10 | 2,00 |
" 20 000 " 50 000 " | 0,25 | 15 | 2,10 |
" 50 000 | 0,20 | 15 | 2,20 |
Примечание - Соотношение n - отношение пикового значения ожидаемого тока к действующему значению периодической составляющей тока. |
Разность между этим средним значением и максимальным и минимальным значениями коэффициентов мощности в отдельных фазах не должна выходить за предел +/- 0,1.
8.5.5 На постоянном токе постоянную времени цепи можно определять методом, изложенным в
приложении 1 (способ 3).
Эта постоянная времени при отсутствии указаний в стандартах на конкретные виды аппаратов должна соответствовать данным
таблицы 7.
8.5.6 Для калибровки испытательной цепи временные соединения B с ничтожно малым полным сопротивлением помещают по возможности ближе к выводам, предусмотренным для подсоединения испытуемого аппарата.
На переменном токе сопротивления R и реакторы L регулируются с таким расчетом, чтобы при данном напряжении до включения обеспечить ток, равный номинальной наибольшей отключающей способности, и требуемое значение коэффициента мощности. При этом напряжение до включения - это напряжение в разомкнутой цепи, необходимое для получения заданного возвращающегося напряжения.
Чтобы по осциллограмме калибровки определить наибольшую включающую способность испытуемого аппарата, необходимо калибровать цепь в расчете на достижение в одной из фаз ожидаемого тока включения.
На постоянном токе сопротивления R1 и реакторы L регулируются с таким расчетом, чтобы при данном испытательном напряжении обеспечить ток, максимальное значение которого равняется номинальной наибольшей отключающей способности, и требуемое значение постоянной времени.
Ток одновременно подается ко всем полюсам испытательной цепи, и токовая характеристика записывается не менее 0,1 с.
В коммутационных аппаратах постоянного тока, в которых контакты разъединяются до достижения пикового значения по калибровочной кривой, калибровочной диаграммы, полученной при наличии дополнительного активного сопротивления в цепи, достаточно для доказательства того, что скорость нарастания тока в амперах на секунду такая же, как для испытательного тока при указанной постоянной времени. Это дополнительное сопротивление должно быть таким, чтобы пиковое значение тока по калибровочной кривой по крайней мере равнялось пиковому значению тока отключения. Для самого испытания это сопротивление следует устранить.
8.5.7 После калибровки испытательной цепи временные соединения заменяются испытуемым аппаратом.
Испытание на работоспособность в условиях короткого замыкания должны выполняться согласно требованиям стандарта на конкретный вид аппарата.
8.5.8 Во время испытания на включающую и отключающую способность в условиях короткого замыкания не должны образовываться ни дуга, ни перекрытия между полюсами и корпусом, не должен расплавляться предохранитель в цепи ограничения утечки (см.
8.5.3), не должно происходить разрушение узлов аппарата, препятствующее его нормальной работе после проведения предусмотренных стандартами на конкретные виды аппаратов работ по обслуживанию.
Испытания, касающиеся оценки выбросов продуктов дугообразования, находятся на стадии разработки.
8.5.9 Напряжение до включения и возвращающееся напряжение определяются по записи, сделанной во время испытания на отключение данного испытуемого аппарата и оцененной согласно
чертежу 11 для переменного тока и
чертежу 12 для постоянного тока.
Напряжение на входной стороне следует измерять в течение первого полного периода после гашения дуги во всех полюсах и подавления высокочастотных колебаний (см.
чертеж 11).
Если требуется дополнительная информация, например о напряжении на отдельных полюсах, времени дуги, энергии дугообразования, коммутационном перенапряжении и т.п., ее можно получить с помощью дополнительных датчиков на каждом полюсе, причем сопротивление такой цепи должно быть не ниже 100 Ом/В действующего значения напряжения на отдельных полюсах; эта величина должна быть внесена в протокол испытания.
8.5.10 Ожидаемый ток отключения определяется сопоставлением типовых характеристик, полученных в период начальной калибровки цепи и во время испытания аппарата на отключение
(чертеж 11).
На переменном токе периодическая составляющая ожидаемого тока отключения предполагается равной действующему значению периодической составляющей тока калибровки в момент разъединения дугогасительных контактов (что соответствует

на чертеже 11). Ожидаемый ток отключения следует рассчитывать как среднее значение тока во всех фазах, и ожидаемый ток любой фазы не должен отличаться от этого среднего значения более чем на 10% среднего значения.
Примеры изображения осциллограмм при испытаниях
на наибольшую включающую и отключающую способность
однополюсного аппарата при однофазном переменном токе
A1 - ожидаемый пиковый ток включения;

- ожидаемый
симметричный ток отключения (действующее значение);

- отключающая способность (действующее значение);

- напряжение до включения (действующее значение);

- сетевое (питающее) напряжение (действующее значение)
Примечания
1 Амплитуда напряжения после подачи испытательного тока изменяется в зависимости от относительного положения замыкающего аппарата, регулируемых полных сопротивлений, датчиков, напряжения и в соответствии со схемой испытательной цепи.
2 Предполагается, что момент включения при калибровке и испытании один и тот же.
Проверка наибольшей включающей и отключающей способности
при постоянном токе
а - калибровка цепи;
A2 - ожидаемый пиковый ток включения;
б - осциллограмма, соответствующая отключению тока после прохождения им максимального значения
Наибольшая отключающая способность: A - ток при напряжении B1;
Наибольшая включающая способность: A2 - ток при напряжении B;
в - осциллограмма, соответствующая отключению тока до достижения им максимального значения
Наибольшая отключающая способность: A2 - ток при напряжении B2;
Наибольшая включающая способность: A2 - ток при напряжении B; ts - момент размыкания контактов; tc - момент погасания дуги
На постоянном токе ожидаемый ток отключения считается равным значению
A2, определенному по калибровочной кривой аппарата, отключающего ток до достижения им максимальной величины, и значению
A для аппарата, отключающего ток после прохождения максимума
(чертеж 12).
Испытание аппарата постоянного тока, испытанного в соответствии с требованиями
8.5.3, когда калибровка испытательной цепи выполнялась при токе
I1 ниже номинальной отключающей способности, считается недостаточным, если фактический ток отключения
I2 выше
I1, и должно быть проведено повторное испытание после калибровки при токе
I3, более высоком, чем
I2 (см. чертеж 13).
Определение ожидаемого тока отключения в случае выполнения
первой калибровки испытательной цепи при токе ниже
номинальной отключающей способности
I1 - первая калибровка; I2 - фактический ток отключения;
I3 - вторая калибровка; A2 - отключающая способность
Чертеж 13
Ожидаемый ток отключения A2 должен определяться путем расчета сопротивления R1 испытательной цепи на основании сопротивлений R2 соответствующих калибровочных цепей.
Постоянная времени испытательных цепей составляет

, (5)
где A2 - ожидаемый ток отключения, А;
di/dt - скорость нарастания тока, А/с.
8.5.11 Ожидаемый пиковый ток включения определяется по калибровочной записи и считается равным
A1 (см.
чертеж 11) на переменном токе и
A2 на постоянном токе (см.
чертеж 12). При испытаниях трехфазным током он приравнивается к наибольшему из трех значений
A1, установленных по записи.
Примечание - При испытаниях однополюсных аппаратов ожидаемый ток включения, определяемый по калибровочной записи, может отличаться от фактического тока включения в ходе испытания из-за различия моментов включения, в связи с чем такие аппараты следует испытывать как минимум при четырех (0°; 40°; 90° и 135°) значениях фазы напряжения в момент начала протекания тока короткого замыкания. Условия проведения испытаний по данному параметру должны соответствовать стандарту на конкретный вид испытания.
8.5.12 Методика испытаний для проверки номинальной наибольшей включающей и отключающей способности аппарата должна излагаться в стандарте на конкретный вид аппарата.
8.5.13 При проверке способности проводить номинальный кратковременно допустимый ток испытанию следует подвергнуть замкнутый аппарат при ожидаемом токе, равном номинальному кратковременно допустимому току, и соответствующем рабочем напряжении в общих условиях по
8.5.2.
Если испытательной станции затруднительно проводить испытание при рабочем напряжении, его допускается выполнять при любом удобном низком напряжении, но не менее 80 В, и в этом случае фактический испытательный ток должен равняться кратковременно допустимому току Iew. Это должно быть оговорено в протоколе испытания. Но если в ходе испытания контакты мгновенно разъединяются (наблюдается их отброс), испытание следует повторить при номинальном рабочем напряжении.
Для этого испытания следует заблокировать любой максимальный расцепитель тока, если он есть, способный сработать во время испытания.
8.5.14 На переменном токе испытание следует выполнять при номинальной частоте аппарата с допустимым отклонением +/- 25% и при коэффициенте мощности, соответствующем номинальному кратковременно допустимому току согласно
таблице 7.
Значение тока во время калибровки - среднее из действующих значений периодической составляющей во всех фазах.
Если испытание проводится при номинальном рабочем напряжении, ток калибровки - ожидаемый ток, если при каком-либо более низком напряжении - фактически испытательный ток. В каждой фазе ток не должен выходить за пределы допусков, указанных в
7.2. Этот ток следует подавать на протяжении установленного времени, в течение которого действующее значение его периодической составляющей должно оставаться постоянным.
Наибольшее пиковое значение тока на протяжении его первого полупериода должно быть не ниже
n - кратного действующего значения периодической составляющей номинального кратковременно допустимого тока, где
n соответствует значению этого тока по
таблице 7.
Но если испытательная станция не в состоянии удовлетворить эти требования, допускается испытание на способность пропускать, требуемое пиковое значение кратковременно допустимого тока проводить отдельно.
Если на испытательной станции ток короткого замыкания убывает настолько, что за номинальное время невозможно получить номинальный кратковременно допустимый ток, можно допустить уменьшение действующего значения этого тока за время испытания до уровня ниже установленного и, соответственно, увеличить длительность с условием, чтобы значение наибольшего пикового тока было не меньше установленного. Если для достижения требуемого пикового тока действующее значение этого тока приходится увеличить до уровня выше установленного, следует, соответственно, сократить длительность испытания.
Примечание - С согласия изготовителя допускается увеличить калибровочный испытательный ток за пределы допусков.
8.5.15 На постоянном токе ток следует подавать в течение установленного времени, а его среднее значение, определенное по записи, должно по крайней мере равняться заданному.
Если на испытательной станции невозможно за заданное время удовлетворить эти требования, не подавая изначально чрезмерно высокий ток, допускается уменьшение значения этого тока за время испытания до уровня ниже установленного и соответствующее увеличение длительности вплоть до 5 с с условием, чтобы максимальное значение этого тока было не меньше установленного.
Если на испытательной станции невозможно за заданное время удовлетворить эти требования, не подавая изначально чрезмерно высокий ток, допускается уменьшение значения этого тока за время испытания до уровня ниже установленного и соответствующее увеличение длительности вплоть до 5 с с условием, чтобы максимальное значение этого тока было не меньше установленного.
Если испытательная станция не в состоянии проводить эти испытания на постоянном токе, допускается выполнить его на переменном токе, если пиковое значение тока не превышает допустимого.
8.5.16 Состояние аппарата во время испытания должно определяться стандартом на соответствующий аппарат.
После испытания должна быть возможность оперирования аппаратом с применением нормальных органов управления.
8.5.17 Координация работы испытуемого аппарата с другими устройствами защиты от короткого замыкания и условия и методика по ее проверке должны соответствовать требованиям стандартов на конкретные виды аппаратов.
9 Контроль требований безопасности
9.1 Методы испытаний на безопасность должны соответствовать установленным в стандартах на конкретные виды аппаратов.
9.2 Методы испытаний аппаратов на безопасность должны предусматривать следующие проверки:
1) оценку опасной зоны выхлопа продуктов горения дуги;
2) выполнение элементов защитных заземлений;
3) наличие рым-болтов, крюков или специальных отверстий для подъема и перемещения аппаратов при монтаже и такелажных работах;
4) контроль осуществления фиксации аппарата выдвижного исполнения в рабочем и контрольном положениях, наличия блокировки, не позволяющей вкатывание или выкатывание аппарата во включенном положении, правильной последовательности размыкания токоведущих цепей и цепей заземления при вкатывании аппарата;
5) соответствие направления движения рукояток и маховиков при оперировании аппаратов с ручным приводом;
6) правильность работы блокировок органов управления;
7) четкость фиксации коммутационных положений аппарата, усилий оперирования аппаратов с ручным приводом и усилий сочленения (расчленения) разъемных контактных соединений аппаратов выдвижного исполнения;
8) соответствие степени защиты от прикосновения к токоведущим и движущимся частям аппарата;
9) отсутствие недопустимого перегрева органов управления и снижения их уровня электрической изоляции.
10 Испытания на надежность
Испытания на надежность должны проводить в соответствии с требованиями и методами, установленными в стандартах на конкретные виды аппаратов.
(справочное)
ОПРЕДЕЛЕНИЕ КОЭФФИЦИЕНТА МОЩНОСТИ ИЛИ ПОСТОЯННОЙ ВРЕМЕНИ
ПРИ КОРОТКИХ ЗАМЫКАНИЯХ
Точного способа определения коэффициента мощности или постоянной времени цепи в условиях короткого замыкания не существует, но для целей, предусмотренных настоящим стандартом, определение коэффициента мощности или постоянной времени испытательной цепи возможно одним из способов, установленных настоящим приложением.
Способ 1. Определение коэффициента мощности по апериодической составляющей (постоянного тока)
Угол

можно определить по кривой апериодической составляющей волны асимметричного тока в интервале между моментами короткого замыкания и разъединения контактов.
Постоянную времени L/R определяют из формулы апериодической составляющей

, (6)
где id - значение апериодической составляющей тока в момент t;

- значение апериодической составляющей тока в принятый начальный момент времени;
L/R - постоянная времени данной цепи в секундах;
t - время в секундах, протекающее с начального момента;
e - основание натурального логарифма.
По этой формуле можно вывести постоянную времени.
1 Измерить значение

в момент короткого замыкания и значение
id в другой момент
t перед разъединением контактов.
2 Определить значение
e-Rt/L, разделив
id на

.
3 По таблице значений
e-x найти величину -
x, соответствующую соотношению

.
4 По этому значению x, соответствующему Rt/L, рассчитать R/L.
Угол

определяется по формуле

, (7)
где

- фактическая частота.
Применение этого метода недопустимо, когда токи измеряются токовыми трансформаторами, если не принять нужные меры предосторожности во избежание погрешностей, обусловленных:
- постоянной времени трансформатора и его нагрузкой в соотношении с нагрузкой первичной цепи;
- магнитным насыщением, которое возможно вследствие переходного потока в сочетании с остаточной намагниченностью.
Способ 2. Определение коэффициента мощности с помощью задающего генератора
Если применяется задающий генератор, смонтированный на одном валу с испытательным генератором, напряжение этого задающего генератора можно сравнить на осциллограмме по фазе вначале с напряжением испытательного генератора, а затем с током испытательного генератора.
Разность между фазовыми углами напряжений задающего и главного генераторов, с одной стороны, и напряжения задающего генератора и тока испытательного генератора, с другой, позволяет установить фазовый угол между напряжением и током испытательного генератора, а из него вывести коэффициент мощности.
Способ 3. Определение постоянной времени короткого замыкания (осциллографический метод)
Значению постоянной времени отвечает абсцисса, соответствующая ординате 0,632
A2 восходящей ветви кривой на осциллограмме калибровки цепи (см.
чертеж 12).
(справочное)
ОПИСАНИЕ МЕТОДА РЕГУЛИРОВАНИЯ ЦЕПИ НАГРУЗКИ
Отрегулировать цепь нагрузки для достижения предписанных характеристик на практике можно несколькими способами. Один из них описывается ниже.
Принципиальная схема представлена на
чертеже 5.
Частота колебаний
f восстанавливающегося напряжения и значение коэффициента

в основном определяются собственной частотой и затуханием цепи нагрузки. Поскольку эти параметры не зависят от напряжения перед включением и его частоты, в процессе регулирования возможно питание цепи нагрузки из источника переменного тока, напряжение и частота которого могут отличаться от свойственных источнику питания, использованному при испытаниях оборудования. Цепь размыкается диодом при прохождении тока через нуль, и колебания восстанавливающегося и возвращающегося напряжения наблюдаются на экране электронного осциллографа, в котором развертка синхронизируется с частотой источника питания (см.
чертеж 1).
Для получения надежных результатов замеров питание цепи нагрузки осуществляется с помощью генератора высокой частоты, подающего напряжение, пригодное для диода. Выбираемая частота генератора равняется:
а) 2 кГц для испытательных токов до 1 000 А;
б) 4 кГц для испытательных токов больше 1 000 А.
Последовательно к генератору подсоединяются:
- демпфирующее сопротивление, величина которого
Ra высока по сравнению с полным сопротивлением цепи нагрузки
Ra >= 10
Z, где

, а

, соответственно, равняется

или

, соответственно для случая
а и
б приложения 2;
- переключающий диод с мгновенной блокировкой B. В этой функции можно использовать переключающие диоды, обычно применяемые в компьютерах, например кремниевые переключающие диоды с диффузной спайкой, номинальный ток которых в проводящем направлении не превышает 1 А.
Из-за высокой частоты генератора G1 цепь нагрузки практически чисто индуктивна, и в момент прохождения тока через нуль напряжение до включения в цепи нагрузки достигает пикового значения. Чтобы убедиться в пригодности элементов этой цепи нагрузки, необходимо проверить на экране, имеет ли кривая восстанавливающегося напряжения в своей начальной точке (A на чертеже 14) практически горизонтальную касательную.
Определение фактического значения коэффициента 
Фактически коэффициент

представляет собой соотношение
U11/
U12 и считывается с экрана,
U12 - между ординатами точки A и линии развертки, когда генератор уже питает цепь нагрузки (см.
чертеж 14).
Наблюдая восстанавливающееся напряжение в цепи нагрузки при отсутствии параллельного сопротивления R2 или параллельного конденсатора C1, можно определить на экране собственную частоту колебаний цепи нагрузки. Следует принять меры предосторожности, чтобы емкость осциллографа или его соединительных проводов не влияла на резонансную частоту цепи нагрузки.
Если эта собственная частота превышает верхний предел требуемой величины
f, можно получить нужные значения частоты и коэффициента

, подсоединив параллельно конденсаторы
C1 и сопротивления
R2 соответствующей величины. Сопротивления
R2 практически не должны быть индуктивными.
В качестве первого шага рекомендуется раздельное регулирование каждой из трех фаз цепи нагрузки, как показано на
чертеже 5. Затем регулирование завершается поочередным соединением во всех возможных комбинациях генератора высокой частоты с одной фазой, подключаемой последовательно, и двумя другими, соединенными параллельно. Если необходимо, осуществляется доводка для достижения в каждой комбинации заданных значений
f и

.
Примечания
1 Более высокая частота, полученная от генератора G1, облегчает наблюдения на экране и повышает разрешающую способность.
2 Допустимы также другие методы определения частоты и коэффициента

(например, подача в цепь нагрузки тока с волнами).