Главная // Актуальные документы // ГОСТ (Государственный стандарт)СПРАВКА
Источник публикации
М.: ИПК Издательство стандартов, 2002
Примечание к документу
Документ утрачивает силу с 01.01.2025 в связи с изданием
Приказа Росстандарта от 27.02.2024 N 249-ст. Взамен вводится в действие
ГОСТ 2933-93.
С 01.07.2003 до вступления в силу технических регламентов акты федеральных органов исполнительной власти в сфере технического регулирования носят рекомендательный характер и подлежат обязательному исполнению только в части, соответствующей целям, указанным в
пункте 1 статьи 46 Федерального закона от 27.12.2002 N 184-ФЗ.
Документ
введен в действие с 01.01.1985.
Взамен ГОСТ 2933-74.
Название документа
"ГОСТ 2933-83. Межгосударственный стандарт. Аппараты электрические низковольтные. Методы испытаний"
(утв. и введен в действие Постановлением Госстандарта СССР от 22.03.1983 N 1272)
(ред. от 01.10.1987)
"ГОСТ 2933-83. Межгосударственный стандарт. Аппараты электрические низковольтные. Методы испытаний"
(утв. и введен в действие Постановлением Госстандарта СССР от 22.03.1983 N 1272)
(ред. от 01.10.1987)
Утвержден и введен в действие
Постановлением Госстандарта СССР
по стандартам
от 22 марта 1983 г. N 1272
МЕЖГОСУДАРСТВЕННЫЙ СТАНДАРТ
АППАРАТЫ ЭЛЕКТРИЧЕСКИЕ НИЗКОВОЛЬТНЫЕ
МЕТОДЫ ИСПЫТАНИЙ
Low-voltage electrical apparatus.
Methods of tests
ГОСТ 2933-83
| | Список изменяющих документов (в ред. Изменения N 1, утв. в октябре 1987 г.) | |
Взамен
ГОСТ 2933-74
Дата введения
1 января 1985 года
1. РАЗРАБОТАН И ВНЕСЕН Минэлектротехпромом СССР
2. УТВЕРЖДЕН И ВВЕДЕН В ДЕЙСТВИЕ Постановлением Государственного комитета СССР по стандартам от 22.03.83 N 1272
3. Стандарт полностью соответствует СТ СЭВ 3561-82
4. ВЗАМЕН ГОСТ 2933-74
5. ССЫЛОЧНЫЕ НОРМАТИВНО-ТЕХНИЧЕСКИЕ ДОКУМЕНТЫ
Обозначение НТД, на который дана ссылка | Номер пункта |
| |
| |
| |
6. ИЗДАНИЕ (август 2002 г.) с Изменением N 1, утвержденным в октябре 1987 г. (ИУС 1-88)
Настоящий стандарт распространяется на следующие аппараты на переменное напряжение до 1000 В и постоянное напряжение до 1200 В (далее - аппараты): автоматические и неавтоматические выключатели, разъединители, контакторы, магнитные пускатели, реле, контроллеры, предохранители, резисторы, реостаты и другие аппараты и устанавливает методы испытания электрических параметров, нагрева, износостойкости, размеров, усилий, массы, монтажа, взаимозаменяемости, а также визуального контроля аппаратов.
Общие методы, установленные настоящим стандартом, должны приводиться в стандартах или технических условиях на конкретные виды аппаратов с учетом требований, специфических для данного вида аппарата.
(Измененная редакция, Изм. N 1).
1.1. Номенклатура и объем испытаний, их последовательность, возможность проведения нескольких испытаний на одних и тех же образцах, а также специфические методы испытаний и контроля, не приведенные в настоящем стандарте, должны соответствовать установленным в стандартах или технических условиях на конкретные виды, серии и типы аппаратов (далее - стандарты на конкретные виды аппаратов).
1.2. Аппараты следует испытывать в полностью собранном виде, если иное не установлено в стандартах на конкретные виды аппаратов.
1.3. Все испытания, если их режимы и специфические условия не установлены в стандартах на конкретные виды аппаратов, следует проводить при нормальных климатических условиях испытаний по
ГОСТ 15150.
1.4. Перед началом испытаний, а также если требуется привести аппарат из нагретого состояния в холодное, аппарат для начальной стабилизации должен быть выдержан в помещении, где проводят испытание, в течение времени, необходимого для достижения всеми деталями аппарата температуры, отличающейся от температуры помещения не более чем на +/- 3 °С, что проверяют термометром, термопарой или другими средствами, обеспечивающими необходимую точность. Если такую проверку не проводят, то аппарат должен быть выдержан в помещении не менее 15 ч. Это время может быть уменьшено на основании результатов ранее проведенных испытаний.
1.5. При проведении испытаний о замыкании или размыкании контактов аппарата следует судить по срабатыванию электрического индикатора, включенного в их цепь.
В качестве индикатора может применяться неоновая лампа, миллисекундомер, контрольный аппарат, включающая (отключающая) катушка которого соединена последовательно с контактом испытуемого аппарата, или другой регистрирующий прибор, обеспечивающий необходимую точность. Вид и параметры индикатора должны устанавливаться в стандартах на конкретные виды аппаратов.
1.6. При испытаниях точность установки режимов и класс точности средств измерений должны быть не ниже, а погрешности измерений параметров и характеристик должны быть не выше значений, указанных в настоящем стандарте и в стандартах на конкретные виды аппаратов.
Средства измерений испытательных режимов должны быть проверены в соответствии с действующими стандартами. Средства испытаний должны быть аттестованы или проверены в установленном порядке.
1.7. В протоколах испытаний должны указываться примененные средства измерения и их класс точности.
2.1. Внешний вид аппаратов проверяют визуально и сличением с внешним видом образца.
При визуальном контроле внешнего вида и качества соединений составных частей аппаратов рекомендуется применять увеличительные средства (лупы, очки, микроскопы и т.п.) с увеличением, указанным в стандартах на конкретные виды аппаратов.
2.2. Визуально и с применением инструмента общего назначения контролируют:
укомплектованность аппарата всеми необходимыми комплектующими и запасными деталями и сборочными единицами, а также специальными инструментами и сопроводительными эксплуатационными документами по
ГОСТ 2.601;
четкость и правильность маркировки аппарата, его выводов, катушек, электрической схемы на аппарате или внутри оболочки;
качество сборки, отделки, пайки;
отсутствие загрязнений и посторонних частиц;
отсутствие ослаблений креплений и наличие невыпадающих винтов, отвинчиваемых при периодическом обслуживании в эксплуатации;
наличие защиты от коррозии и качество исполнения защитных, защитно-декоративных и специальных покрытий и отсутствие повреждений этих покрытий;
правильность выполнения контактных соединений;
выполнение требований безопасности конструкций по
пп. 11.2 и
11.3 настоящего стандарта.
2.3. Визуально и (или) с применением средств измерений контролируют правильность выполнения электрического монтажа по схеме, правильность включения для каждого из коммутационных положений аппарата и соответствие сопротивления катушек, заземляемых цепей и других элементов значениям, установленным в стандартах на конкретные виды аппаратов.
Контроль электрического сопротивления следует проводить методами, указанными в
разд. 6.
2.4. Визуально следует контролировать плавность и четкость перемещения подвижных частей аппаратов, а также отсутствие затираний в промежуточных положениях.
2.5. Массу аппаратов следует проверять взвешиванием на весах, обеспечивающих требуемую точность, установленную в стандартах на конкретные виды аппаратов, по методике, приведенной в описании весов.
2.6. Контроль монтажных размеров аппарата, провалов и зазоров контактов, электрических зазоров и пути тока утечки, величин перемещений отдельных звеньев механизмов, а также других необходимых для работы аппарата размеров, следует проводить с помощью универсального или специального измерительного инструмента, или шаблонов, обеспечивающих проверку размеров с погрешностью, не более указанной в стандартах на конкретные виды аппаратов и в конструкторских чертежах.
2.7. Проверку взаимозаменяемости сборочных единиц и деталей аппаратов, а также запасных деталей и сборочных единиц, следует проводить путем замены их без применения специального инструмента, если он не входит в комплект аппарата. Взаимозаменяемость оценивают по функционированию аппарата.
Проверка по данному пункту может быть совмещена с проведением пробного монтажа.
2.8. Пробный монтаж следует проводить в рабочем положении аппарата. Для этой цели аппарат следует закрепить всеми предусмотренными крепежными деталями. Прикладывая номинальный момент, произвести отвинчивание и завинчивание крепежных деталей, после чего к аппарату следует поочередно присоединить провода, кабели или шины, имеющие минимальное и максимальное сечения, предусмотренные в стандартах на конкретные виды аппаратов. При этом следует проверить возможность смены деталей и сборочных единиц на запасные, возможность монтажа аппарата и подвода внешних проводов, кабелей или шин к выводам аппарата без специального инструмента, если последний не входит в комплект аппарата, отсутствие нарушений работы аппарата от воздействия подведенных проводов, кабелей или шин или от затягивания крепежных деталей.
2.9. Определение провала и зазора контактов
2.9.1. Провал контактов следует определять в их включенном положении одним из следующих методов:
измерением расстояния, на которое смещается место соприкосновения контакт-детали (подвижной или неподвижной) после удаления одной из контакт-деталей, препятствующей перемещению другой контакт-детали, после их соприкосновения;
измерением зазора между контакт-деталью и ее упором с последующим пересчетом (если требуется) по размерам, указанным в чертежах;
по разности полного хода контактной траверсы и ее хода до соприкосновения контакт-деталей, которое фиксируется по срабатыванию электрического индикатора (
п. 1.5).
2.9.2. Зазор контактов следует определять одним из следующих методов:
путем непосредственного измерения кратчайшего расстояния между подвижной и неподвижной контакт-деталями в их разомкнутом положении;
по ходу контактной траверсы до соприкосновения контакт-деталей, которое фиксируется по срабатыванию электрического индикатора (
п. 1.5).
2.9.3. По согласованию с потребителем допускается применение других методов определения значений провала и зазора контактов, которые должны быть установлены в стандартах на конкретные виды аппаратов.
2.10. Определение контактных нажатий
2.10.1. Конечное контактное нажатие следует проверять после окончания замыкания контакт-деталей прибором для измерения силы, усилие которого прикладывается в точке и в направлении оттягивания контакт-детали, предусмотренных в чертежах на аппарат, в тот момент, когда:
имеется сигнал индикатора цепи (
п. 1.5), включенного последовательно с контакт-деталями, или
освобождается бумажная полоска толщиной не более 0,1 мм, зажатая между контакт-деталями (бумажная полоска должна полностью перекрывать всю поверхность соприкосновения контакт-деталей).
Определение момента размыкания контакт-деталей с помощью индикатора цепи является предпочтительным.
Если при измерении направление силы проходит через центр симметрии поверхности или линия касания перпендикулярна к поверхности контакт-деталей, то в этом случае результаты измерения дают непосредственно значение контактного нажатия. Если указанные условия не выполнены, то для определения контактных нажатий необходимо сделать соответствующий пересчет.
2.10.2. Начальное контактное нажатие следует определять в момент начала замыкания контакт-деталей аналогично тому, как указано в
п. 2.10.1, при этом:
индикатор цепи (
п. 1.5) включается последовательно с контакт-деталью или контактодержателем и их упором, или
бумажную полоску закладывают не между контакт-деталями, а между контакт-деталью или контактодержателем и их упором.
2.10.3. Если нет возможности измерить контактное нажатие методами, указанными в
пп. 2.10.1 и
2.10.2, допускается определять контактное нажатие по деформации пружины и ее измеренной жесткости или другими методами, установленными в стандартах на конкретные виды аппаратов.
2.10.4. Конечное и начальное контактные нажатия определяют как среднее арифметическое результатов не менее трех измерений.
3. КОНТРОЛЬ ПАРАМЕТРОВ СРАБАТЫВАНИЯ
3.1. При испытании аппарат должен находиться в рабочем положении. Если аппарат предназначен для работы в разных рабочих положениях (например в вертикальном, горизонтальном), то контроль параметров срабатывания следует проводить в наиболее неблагоприятном (с точки зрения срабатывания) положении.
3.2. Если для аппаратов с оболочкой при ранее проведенных испытаниях установлено, что снятие оболочки не влияет на параметры срабатывания, то допускается контролировать срабатывание аппарата без оболочки.
3.3. Перед определением значений величин срабатывания рекомендуется проверять в холодном состоянии электрическое сопротивление катушек напряжения аппаратов и элементов теплового действия, по которым протекает ток.
3.4. Параметры срабатывания аппарата контролируют при определенном роде тока и, в случае переменного тока, при номинальной частоте, указанных в стандартах на конкретные виды аппаратов. Допускается контроль при любом роде тока, если это соответствует указанному в соответствующем стандарте на конкретный вид аппарата.
Источник энергии и схема питания должны быть такими, чтобы подводимое к регулирующему органу аппарата напряжение (ток) было стабильно при изменении сопротивления, происходящем в цепи при испытании, включая срабатывание регулирующего органа.
При испытании переменным током должна обеспечиваться практически синусоидальная форма кривой напряжения (тока), если она влияет на результат испытания.
Степень стабильности напряжения (тока) и допустимая пульсация выпрямленного напряжения (тока) при испытании должны соответствовать указанным в стандартах на конкретные виды аппаратов.
3.5. Контроль параметров срабатывания двигательных приводов аппаратов следует проводить без тока в главной цепи.
3.6. Контроль параметров срабатывания в холодном или нагретом состоянии аппарата следует проводить при нормированных температурах окружающей среды, установленных в стандартах на конкретные виды аппаратов.
Допускается проводить испытания при температурах, отличающихся от указанных. При этом, если установлено существенное влияние температуры окружающей среды и теплового состояния аппарата на параметры срабатывания, то к воздействующей величине вносят соответствующие поправки.
3.7. Если требуемая величина срабатывания задана двумя крайними значениями воздействующей величины, при одном из которых аппарат не должен срабатывать, а при другом должен срабатывать, то контроль срабатывания и несрабатывания следует проводить при этих двух значениях воздействующей величины.
Если требуется, чтобы аппарат сработал только при каком-либо одном заданном значении воздействующей величины и всех больших (меньших) значениях, то контроль срабатывания следует проводить только при заданном значении.
Если следует проверить срабатывание или несрабатывание аппарата при заданном значении воздействующей величины, то предварительно следует установить такие параметры цепи, которые обусловливают требуемое значение воздействующей величины на реагирующем органе аппарата, и провести проверку срабатывания или несрабатывания путем включения цепи.
При испытании аппаратов теплового действия значения тока поддерживают неизменными до момента срабатывания или в течение заданного времени.
3.8. При испытании аппаратов напряжение (ток) срабатывания следует контролировать по результатам не менее трех измерений. Это требование не распространяется на приемосдаточные испытания.
Если предусматривается изменение полярности напряжения (тока), подаваемого на катушку постоянного тока, то следует проводить по три измерения при каждой полярности.
Если из-за переходного режима, возникающего в момент включения цепи катушки переменного тока, значение величины срабатывания существенно зависит от фазы электродвижущей силы в момент включения цепи, то следует проводить замыкание цепи при заданном в стандартах на конкретные виды аппаратов значении фазы, либо включать цепь при заведомо малых значениях напряжения (тока) с последующим плавным его повышением. Если вышеуказанное требование не выполняется, то следует проводить не менее 20 измерений.
3.9. Специфические условия испытания и критерии оценки результатов измерений (по среднему арифметическому или худшему результату) должны соответствовать установленным в стандартах на конкретные виды аппаратов.
3.10. При контроле параметров срабатывания аппаратов теплового действия следует применять провода, кабели и шины, площади сечения и размеры которых указаны в
п. 5.1.6.
3.11. Напряжение срабатывания аппаратов (

) в вольтах с катушкой напряжения постоянного тока следует определять путем измерения силы тока срабатывания с пересчетом результатов измерения по формуле

,
где

- ток срабатывания аппарата, А;

- сопротивление цепи катушки при определенном тепловом состоянии катушки, Ом.
4.1. Испытание электрической прочности изоляции
4.1.1. Испытание электрической прочности изоляции испытательным напряжением следует проводить в холодном состоянии аппарата, если иное не установлено в стандартах на конкретные виды аппаратов.
4.1.2. Аппарат, имеющий основание из изоляционного материала, при испытании должен быть установлен в рабочем положении на металлическое основание. Допускается устанавливать аппарат на металлическое основание без крепления.
Подвергаемые испытанию изоляционные детали (например детали корпуса, рукоятки) следует плотно обертывать металлической фольгой, электрически соединенной с металлическим основанием (корпусом). Если рукоятка управления металлическая, то она должна быть соединена с корпусом.
При приемосдаточных испытаниях использование металлической фольги необязательно.
Если электрическая прочность изоляции аппарата зависит от изолирования выводов лентой или от применения специальной изоляции, то такая изоляция должна быть применена при испытаниях.
4.1.3. Испытательная установка для проверки электрической прочности изоляции должна содержать трансформатор, соответствующие защитные блокировки и средства измерения.
Мощность испытательного трансформатора должна быть такой, при которой действующее значение установившегося тока короткого замыкания на стороне испытательного напряжения должно быть не менее 0,5 А.
При испытаниях в течение 1 с допускается применять трансформатор меньшей мощности, но не менее 0,5 кВ·А, если измерение испытательного напряжения проводят на стороне высокого напряжения или контролируют ток утечки.
Измерение испытательного напряжения следует проводить непосредственно на стороне высокого напряжения испытательного трансформатора.
Допускается проводить измерение на стороне низкого напряжения при условии, что при испытании значение тока в обмотке низкого напряжения равно значению тока холостого хода. За значение испытательного напряжения принимают его действующее значение.
Погрешность установки испытательного напряжения должна быть не более +/- 5%.
4.1.4. Испытательное напряжение практически синусоидальной формы (с коэффициентом амплитуды

) частоты 50 Гц, значение которого указано в стандартах на конкретные виды аппаратов, должно быть приложено в течение (60 +/- 5) с. При приемосдаточных испытаниях продолжительность приложения полного испытательного напряжения должна быть не менее 1 с.
Испытание изоляции полным испытательным напряжением в течение 60 с следует проводить только 1 раз.
Последующие испытания следует проводить при 80% полного испытательного напряжения.
Если в аппарате имеются цепи, рассчитанные на меньшее испытательное напряжение (например электродвигатели, приборы, конденсаторы и полупроводниковые устройства), то они должны быть отключены и подвергнуты испытанию отдельно. Если это невозможно, то условия испытания должны соответствовать указанным в стандартах на конкретные виды аппаратов.
Допускается дополнительно испытывать изоляцию импульсным напряжением.
4.1.5. Электрические цепи, подлежащие испытаниям, и места приложения испытательного напряжения следует устанавливать в стандартах на конкретные виды аппаратов.
Допускается проводить одновременно испытания изоляции главной и вспомогательной цепей и цепей управления по
пп. 4.1.6 -
4.1.7.
4.1.1 - 4.1.5. (Измененная редакция, Изм. N 1).
4.1.6. При испытании главной цепи любые цепи управления и вспомогательные цепи, которые обычно не соединены с главной цепью, должны быть соединены с корпусом.
При замкнутых главных контактах испытательное напряжение должно быть приложено:
между всеми токоведущими частями всех полюсов, соединенных вместе, и корпусом аппарата;
между каждым полюсом в отдельности и всеми остальными полюсами, соединенными с корпусом аппарата.
При разомкнутых главных контактах испытательное напряжение должно быть приложено:
между всеми токоведущими частями всех полюсов, соединенных вместе, и корпусом аппарата;
между выводами одной стороны, соединенными вместе, и выводами другой стороны, соединенными вместе.
4.1.7. При испытании цепи управления и вспомогательной цепи главная цепь должна быть соединена с корпусом.
Испытательное напряжение должно быть приложено:
между всеми соединенными вместе цепями управления и вспомогательными цепями, которые обычно не соединены с главной цепью, и корпусом аппарата;
между каждой частью цепи управления и вспомогательной цепи, которая в условиях эксплуатации может быть изолирована от остальных частей, и всеми остальными частями, соединенными вместе.
4.1.8. Аппарат считают выдержавшим испытание изоляции испытательным напряжением, если не произошло пробоя изоляции, перекрытия по поверхности изоляции или резкого снижения показаний вольтметра испытательной установки и, при наличии контроля тока утечки, значение его не превысило значения, установленного в стандартах на конкретные виды аппаратов.
4.2. Измерение электрического сопротивления изоляции
(Измененная редакция, Изм. N 1).
4.2.1. Измерение электрического сопротивления изоляции следует проводить омметром постоянного тока или другим испытательным устройством:
при атмосферном давлении ниже 53 кПа (400 мм рт. ст.) и напряжении, установленном в стандартах на конкретные виды аппаратов;
при атмосферном давлении 53 кПа (400 мм рт. ст.) и выше и напряжении, указанном в табл. 1а.
Таблица 1а
Номинальное напряжение по изоляции, В | Напряжение омметра, В |
До 30 включ. | 100 |
Св. 30 до 60 включ. | 250 |
" 60 " 300 " | 500 |
Св. 300 до 660 включ. | 1000 |
" 660 " 1000 " | 2500 |
" 1000 " 1200 " | 2500 |
Погрешность измерения должна быть не более +/- 20%.
При измерении сопротивления изоляции специальным устройством допускается прикладывать другое напряжение, но не ниже номинального и не выше испытательного напряжения по
п. 4.1.4.
Измерение сопротивления изоляции следует проводить между всеми соединенными между собой токоведущими частями и частями, к которым при обслуживании возможны прикосновения (например оболочки, рукоятки);
между каждой электрически независимой частью и заземленными металлическими частями изделия.
4.2.2. Провода и проходные изоляторы, которые применяются при измерении сопротивления изоляции и входят внутрь камеры влажности, во время испытания изоляции на влагостойкость должны иметь суммарное сопротивление изоляции не менее 100 МОм, если в стандартах на конкретные виды аппаратов нет других указаний.
4.2.3. Аппарат считают выдержавшим испытание, если сопротивление изоляции не ниже значений, указанных в стандартах на конкретные виды аппаратов.
4.2.1 - 4.2.3. (Введены дополнительно, Изм. N 1).
4.3. Допускается совмещать проверку электрической прочности изоляции с измерением электрического сопротивления изоляции.
5. ИСПЫТАНИЕ НА НАГРЕВАНИЕ
5.1.1. При испытании аппарат должен находиться в рабочем положении. Если аппарат предназначен для работы в разных рабочих положениях, то он должен испытываться в одном или в нескольких положениях, при которых его части имеют наиболее высокие температуры. Аппарат должен быть защищен от посторонних воздушных течений, солнечных или других тепловых излучений.
5.1.2. Многопозиционный аппарат должен находиться в таком коммутационном положении, при котором его части имеют наиболее высокие температуры.
5.1.3. Аппарат с несъемной оболочкой и аппарат, предназначенный для эксплуатации только в специальной оболочке, следует испытывать в их оболочках. Отверстия, закрытые при эксплуатации, должны быть закрыты и при испытании. Не допускается делать отверстия, создающие непредусмотренную вентиляцию.
Провода и кабели должны вводиться в оболочку способом, предусмотренным для их ввода при эксплуатации.
5.1.4. Перед испытанием контактных коммутационных аппаратов допускается сделать несколько включений-отключений без тока у разъединителей и без тока или под током у других видов аппаратов.
5.1.5. До испытания следует контролировать суммарное электрическое сопротивление постоянному току (падение напряжения) токоведущей цепи аппарата и (или) отдельных ее участков.
5.1.6. В зависимости от значений испытательного тока должны быть соблюдены следующие условия испытания.
5.1.6.1. При токе до 400 А включительно соединения должны быть выполнены медными одножильными изолированными проводами или кабелями с площадью сечения, указанной в табл. 1.
Таблица 1
Значение испытательного тока, А | Площадь сечения, мм2 |
До 7,9 | 1,0 |
Св. 7,0 до 15,9 | 1,5 |
" 15,9 " 22,0 | 2,5 |
" 22 " 30 | 4 |
" 30 " 39 | 6 |
" 39 " 54 | 10 |
" 54 " 72 | 16 |
" 72 " 93 | 25 |
Св. 93 до 117 | 35 |
" 117 " 147 | 50 |
" 147 " 180 | 70 |
" 180 " 216 | 95 |
" 216 " 250 | 120 |
" 250 " 287 | 150 |
" 287 " 334 | 185 |
" 334 " 400 | 210 |
Проводники должны свободно висеть в воздухе и располагаться друг от друга на расстоянии, примерно равном расстоянию между выводами.
Минимальная длина каждого проводника от вывода аппарата до другого вывода или до вывода источника питания, или до точки соединения в звезду должна составлять:
1 м - при площади сечения до 35 мм2;
2 м - при площади сечения более 35 мм2.
5.1.6.2. При токе свыше 400 до 800 А соединения должны быть выполнены медными одножильными изолированными проводами или кабелями, или эквивалентными медными шинами с площадью сечения, указанной в табл. 2.
Значение испытательного тока, А | Медные провода и кабели | Медные шины |
Число | Площадь сечения, мм2 | Число | Размеры, мм |
Св. 400 до 500 | 2 | 150 | 2 | 30 х 5 |
" 500 " 630 | 185 | 40 х 5 |
" 630 " 800 | 240 | 50 х 5 |
" 800 " 1000 | - | - | 60 х 5 |
" 1000 " 1250 | 80 х 5 |
" 1250 " 1600 | 100 х 5 |
" 1600 " 2000 | 3 |
" 2000 " 2500 | 4 |
" 2500 " 3150 | 3 | 100 х 10 |
Примечание. Шины следует устанавливать, как правило, в вертикальном положении. Допускается другая установка шин, если это указано в стандартах на конкретные виды аппаратов.
Провода, кабели или медные шины должны располагаться друг от друга на расстоянии, примерно равном расстоянию между выводами. Медные шины должны иметь матовое покрытие черного цвета. Параллельно расположенные провода, кабели, присоединяемые к одному зажиму, необходимо соединять в один пучок и располагать в воздухе на расстоянии 10 мм друг от друга. Параллельно расположенные медные шины, присоединяемые к одному выводу, необходимо располагать на расстоянии друг от друга, примерно равном толщине шины. При несоответствии размеров шин размерам выводов или при отсутствии необходимых шин допускается применение других шин, примерно того же сечения и с той же или меньшей поверхностью охлаждения.
Не допускается расположение проводов, кабелей или медных шин разных фаз при их взаимном чередовании.
Минимальная длина каждого проводника от вывода аппарата до другого вывода или до вывода источника питания должна быть 2 м, а минимальная длина до точки соединения в звезду может быть сокращена до 1,2 м.
5.1.6.3. При токе свыше 800 до 3150 А соединения должны быть выполнены медными шинами с размерами, указанными в
табл. 2, если аппарат предназначен для присоединения не только кабелей. В случае присоединения только кабелей, их размеры и расположение должны соответствовать установленным в стандартах на конкретные виды аппаратов.
Медные шины должны иметь матовое покрытие черного цвета и должны располагаться друг от друга в соответствии с требованиями
п. 5.1.6.2.
Минимальная длина шин от вывода аппарата до другого вывода или до вывода источника питания должна быть 3 м, но она может быть сокращена до 2 м при условии, что нагрев конца шин у источника питания не более чем на 5 °С ниже нагрева его средней части. Минимальная длина шин от вывода аппарата до точки соединения в звезду должна быть 2 м.
5.1.6.4. При токе свыше 3150 А условия испытания должны соответствовать установленным в стандартах на конкретные виды аппаратов.
5.1.7. Испытание на нагревание аппаратов, предназначенных для работы на высоте до 2000 м, может проводиться на любом уровне в пределах этой высоты.
Если аппарат предназначен для работы на высоте свыше 2000 м, испытание следует проводить в условиях, установленных в стандартах на конкретные виды аппаратов.
5.1.8. Испытание на нагревание должно проводиться при верхнем значении температуры окружающей среды, установленной для данного аппарата. Допускается проведение испытания и при другой температуре, но в этом случае следует вносить поправку по результатам испытания, если иное не установлено в стандартах на конкретные виды аппаратов. При температуре окружающей среды от 10 до 40 °С поправка не требуется.
5.1.9. Температуру окружающей среды во время испытания измеряют термометром (или прибором с термодатчиком). Изменение температуры окружающей среды во второй половине времени испытания не должно превышать +/- 3 °С.
При испытании без применения камеры тепла за температуру окружающей среды следует принимать среднее арифметическое значение показаний не менее двух термометров (или прибора с двумя и более термодатчиками), равномерно размещенных относительно аппарата на расстоянии (1 +/- 0,2) м, примерно посередине его высоты. Для аппаратов с малой рассеиваемой мощностью допускается расположение термометра (термодатчика) на меньшем расстоянии, если ранее проведенные испытания подтверждают допустимость этого.
Термометры (термодатчики) следует защитить от тепловых излучений, посторонних воздушных течений и влияния быстрых изменений температуры на показания, например погружением термометра (термодатчика) в наполненный трансформаторным маслом сосуд объемом около 200 см3.
5.1.10. Если эффект взаимного нагрева между главной цепью, цепью управления и вспомогательной цепью может иметь значение, то испытание их на нагревание должно проводиться одновременно.
5.1.11. Температура считается установившейся, если при продолжительном и прерывисто-продолжительном режимах она изменяется не более чем на +/- 1 °С в 1 ч, а при повторно-кратковременном режиме последовательные максимумы температуры изменяются более чем на +/- 5 °С.
5.2. Испытание на нагревание главной цепи
5.2.1. Испытание на нагревание должно проводиться при номинальном тепловом токе в зависимости от исполнения аппарата.
5.2.2. При испытании однофазным переменным током или постоянным током испытательный ток в цепи должен быть не ниже установленного в стандартах на конкретные виды аппаратов. При испытании трехфазным током среднее арифметическое значение тока для трех фаз должно быть не ниже тока, установленного в стандартах на конкретные виды аппаратов, а токи в отдельных фазах не должны отличаться от среднего арифметического значения более чем на +/- 5%.
Испытание аппарата, предназначенного для работы на постоянном токе, допускается проводить от источника питания переменного тока, если это не предусмотрено в стандартах на конкретные виды аппаратов.
Испытание многополюсного аппарата при переменном токе допускается проводить однофазным током при последовательном соединении всех полюсов при условии, что можно пренебречь магнитным влиянием полюсов друг на друга.
Примечание. Магнитное влияние полюсов друг на друга может быть определено по результатам специально проведенного исследовательского испытания при питании цепей аппарата однофазным, а затем трехфазным током. Это особенно важно при токах более 400 А.
5.2.3. Испытание аппарата, предназначенного для работы на переменном токе, следует проводить при номинальной частоте или при частоте от 45 до 62 Гц, если его номинальная частота составляет 50 или 60 Гц. При более высокой или более низкой номинальной частоте предельное отклонение частоты не должно превышать +/- 20%.
5.2.4. Испытание аппаратов, предназначенных для продолжительного, прерывисто-продолжительного или повторно-кратковременного режимов работы, может начинаться как в холодном, так и в нагретом состоянии аппарата. Испытание следует продолжать до достижения установившейся температуры, но не более 8 ч.
Допускается для сокращения времени испытания несколько увеличивать ток в первой половине испытания с последующим понижением его до заданного значения испытательного тока.
Аппараты, предназначенные для работы в повторно-кратковременном режиме, допускается испытывать при такой постоянной нагрузке, значение которой эквивалентно по условиям нагрева нагрузке повторно-кратковременного режима. Для последовательно включенных элементов цепи (контактов, главной цепи выключателей и т.п.), изменения сопротивления которых при нагревании практически не влияют на ток, а также для резисторов, сопротивление которых мало изменяется при нагревании, эквивалентные условия будут при токе, равном среднему квадратичному току при заданном повторно-кратковременном режиме.
Примечание. Аппараты, предназначенные для повторно-кратковременного режима работы, двигательный привод которых не допускает работу в прерывисто-продолжительном режиме, следует испытывать по методам, установленным в стандартах на конкретные виды аппаратов.
Если при работе в повторно-кратковременном режиме возможен существенный добавочный нагрев контактов от воздействия дуги, то необходимо определять превышение температуры при коммутации тока в соответствующем номинальном режиме. Допустимое превышение температуры в этом случае рекомендуется устанавливать в стандартах на конкретные виды аппаратов.
5.2.5. Испытание аппаратов, предназначенных для кратковременного режима, следует начинать в холодном состоянии аппарата и продолжать в течение времени, указанного в стандартах на конкретные виды аппаратов. Температура различных частей должна быть измерена в конце этого испытания.
5.3. Испытание на нагревание вспомогательных цепей
5.3.1. Испытание вспомогательных цепей следует проводить при соответствующем роде тока, номинальной частоте в случае переменного тока и номинальном напряжении, если иное не установлено в стандартах на конкретные виды аппаратов.
Вспомогательные цепи, предназначенные для работы в продолжительном и прерывисто-продолжительном режимах, следует испытывать до достижения установившейся температуры, но не более 8 ч.
5.3.2. Для цепей управления, питаемых только во время выполнения операций включения и отключения, испытания должны проводиться при соблюдении следующих условий (если иное не установлено в стандартах на конкретные виды аппаратов):
если аппарат снабжен устройством, которое автоматически отключает цепь в конце операции, то этот аппарат следует включать 10 раз подряд с интервалами между двумя последующими включениями не более 10 с;
если аппарат не имеет автоматического устройства для отключения цепи в конце операции, то цепь следует включать 10 раз подряд с интервалами между двумя последующими включениями не более 10 с и длительностью каждого включения 1 с. После полного охлаждения цепь должна быть включена один раз в течение 10 с.
Превышение температуры должно измеряться в конце этих испытаний.
5.3.3. Электромагниты аппаратов, предназначенных для продолжительного и прерывисто-продолжительного режима работы, следует испытывать при протекании соответствующего номинального тока по главной цепи. Температуру следует измерять после достижения установившегося ее значения в главной цепи и в электромагните управления.
5.3.4. Электромагниты аппаратов, предназначенных для повторно-кратковременного режима работы, должны подвергаться испытаниям по
п. 5.3.3, а также в повторно-кратковременном режиме работы в соответствии с классом частоты включения при отсутствии тока в главной цепи.
Испытания следует проводить до достижения установившейся температуры.
5.3.5. Электромагниты аппаратов, предназначенных для кратковременного режима работы, должны подвергаться испытаниям по
п. 5.2.5.
5.4. Измерение температуры
5.4.1. При испытании на нагревание должны определяться температура или превышение температуры частей аппарата над температурой окружающей среды.
Температуру частей аппарата определяют термометром, термопарой, по изменению сопротивления, а также любым другим способом, обеспечивающим измерение с допустимой погрешностью, не более установленной в стандартах на конкретные виды аппаратов.
Температура многослойных катушек должна определяться по изменению электрического сопротивления. Допускается применение других методов, если метод сопротивления неосуществим.
Температура масла в маслонаполненном аппарате должна измеряться в его верхнем слое.
5.4.2. Измерение температуры методом термометра следует применять в тех случаях, когда деталь аппарата доступна и настолько крупна, что может быть обеспечена хорошая теплопередача от детали к термометру, и температура детали практически не изменяется от наличия термометра.
Чувствительный элемент термометра следует плотно прижать к детали, температуру которой измеряют. Крепление термометра при испытании не должно ослабевать.
При испытании следует применять термометры, на показания которых не оказывают существенного влияния магнитные поля.
5.4.3. При измерении превышения температуры методом термопары спай термопары должен быть расположен в ближайшем доступном месте от наиболее горячей точки детали. Спай термопары припаивают, приваривают, приклеивают, плотно прижимают или устанавливают в специально высверленных в деталях отверстиях и уплотняют теплопроводящим материалом.
Сечение проводов термопары следует выбирать в зависимости от массы детали, на которой измеряется превышение температуры. Провода термопары должны быть скручены между собой и расположены вне сферы действий сильных переменных магнитных полей. Если это выполнить невозможно, следует компенсировать индуктированные электродвижущие силы.
Холодный спай термопары следует располагать в месте, где измеряют температуру окружающей среды. Он не должен подвергаться воздействию тепловых излучений и посторонних воздушных течений. Если такие условия создать невозможно, вводят соответствующую поправку. Холодный спай термопары целесообразно помещать в сосуд с трансформаторным маслом, как указано в
п. 5.1.9.
Температура среды, окружающей холодный спай термопары, должна измеряться термометром (термодатчиком), расположенным в непосредственной близости от спая.
5.4.4. Измерение температуры методом сопротивления следует применять для определения среднего превышения температуры обмоток катушек, резисторов или других деталей, изготовленных из металла с известным коэффициентом сопротивления.
Примечание. Для определения превышения температуры электрических контактов этот метод непригоден.
Превышение температуры детали

в градусах Цельсия над температурой окружающей среды

в нагретом состоянии аппарата вычисляют по формуле

,
где

- электрическое сопротивление детали при температуре

, Ом;

- электрическое сопротивление детали при температуре

, Ом;
К - коэффициент: для меди - 235, для алюминия - 245;

- температура окружающей среды при измерении электрического сопротивления детали в нагретом состоянии аппарата, °С;

- температура окружающей среды при измерении электрического сопротивления детали в холодном состоянии аппарата, °С.
Электрическое сопротивление отдельных элементов аппарата должно быть определено в нагретом и холодном состояниях аппарата одним и тем же методом и одними и теми же приборами. Места присоединения проводов при измерении должны быть одни и те же. Электрическое сопротивление определяют по
разд. 6.
При испытании катушек переменного тока для ускорения измерения электрического сопротивления необходимо применять быстродействующие приборы (например цифровой или неуравновешенный измерительный мост).
Если нельзя измерить электрическое сопротивление непосредственно в конце испытания на нагревание (например в катушках переменного тока), то после отключения необходимо снять кривую остывания путем измерения электрического сопротивления через определенные промежутки времени. По кривой остывания (электрическое сопротивление или температура в зависимости от времени) экстраполяцией определяется максимальное превышение температуры в момент отключения.
6. КОНТРОЛЬ ЭЛЕКТРИЧЕСКОГО СОПРОТИВЛЕНИЯ,
ПАДЕНИЯ НАПРЯЖЕНИЯ И ПОТРЕБЛЯЕМОЙ МОЩНОСТИ
6.1. Электрическое сопротивление токоведущих цепей и элементов аппарата контролируют при токе и напряжении не больше номинальных для данного аппарата, если иные требования не установлены в стандартах на конкретные виды аппаратов.
6.2. Электрическое сопротивление катушек, элементов теплового действия и резисторов контролируют при таком токе, при котором температура этих деталей за время измерения тока и напряжения практически не изменялась. Время измерения должно быть минимальным.
Расчетное значение сопротивления (Rнорм) в омах при нормальной температуре пересчета, установленной в стандартах на конкретные виды аппаратов, вычисляют по формуле

,
где

- измеренное значение сопротивления при температуре

, Ом;
K - коэффициент: для меди - 235, для алюминия - 245;

- номинальная температура, например 20 или 40 °С;

- температура окружающей среды, при которой проводилось измерение сопротивления

, °С.
6.3. Электрическое сопротивление методом вольтметра-амперметра контролируют при постоянном или при выпрямленном токе по схеме двухполупериодного выпрямления.
6.4. При измерении электрического сопротивления методом вольтметра-амперметра и при измерении падения напряжения на отдельных участках цепи провода вольтметра следует присоединить либо прижатием в соответствующих точках токоведущей цепи аппарата остро отточенных игл, которыми заканчиваются провода, либо привинчиванием, припаиванием или привариванием.
Провода для измерения падения напряжения на участках, имеющих малые электрические сопротивления, следует присоединять так, чтобы переходное сопротивление контакта этого участка с проводниками, подводящими ток, не входило в значение измеренного электрического сопротивления.
Измерительный прибор подключают к выводам при измерении электрического сопротивления полюса аппарата в местах, предназначенных для присоединения к аппарату проводов, кабелей или шин.
При наличии в контролируемой цепи контактов показания приборов отсчитывают не ранее чем через 1 с после начала протекания тока при установившемся значении тока.
6.5. Сопротивление защитного заземления аппарата контролируют методом амперметра-вольтметра при напряжении постоянного тока не более 12 В и токе 10 А, если ток не больше номинального тока аппарата. В ином случае измерение следует проводить при номинальном токе.
6.6. Мощность, потребляемую обмотками аппаратов и аппаратом в целом, проверяют ваттметром, варметром, векторметром или методом амперметра-вольтметра при номинальном режиме в нагретом до установившейся температуры состоянии, если иное не установлено в стандартах на конкретные виды аппаратов.
7. КОНТРОЛЬ СТЕПЕНИ ЗАЩИТЫ
7.1. Степень защиты аппаратов следует контролировать по
ГОСТ 14254.
8. ИСПЫТАНИЕ НА КОММУТАЦИОННУЮ СПОСОБНОСТЬ
8.1. Коммутационная способность аппарата, характеризуемая его включающей и отключающей способностями, должна проверяться в режимах редких коммутаций и (или) токов короткого замыкания в соответствии с требованиями стандартов на конкретные виды аппаратов.
Если аппарат предназначен для работы в нескольких категориях применения, то испытания следует проводить в наиболее типичной категории применения, установленной в стандартах на конкретные виды аппаратов.
Проверка включающей и отключающей способностей может быть объединена в одном испытательном цикле или проводиться в виде отдельных испытаний.
Если необходимое для испытания аппарата общее количество коммутационных операций превышает установленное в стандартах на конкретные виды, то допускается проводить испытание по частям на нескольких одинаковых аппаратах.
8.2. Испытание аппарата на коммутационную способность следует проводить в его рабочем положении, имитирующем условия монтажа и эксплуатации. Если аппарат предназначен для работы в разных рабочих положениях, то он должен испытываться в наиболее неблагоприятном положении.
Если в стандарте на конкретный вид аппаратов не установлено, с какой стороны аппарата подключается источник питания, испытание следует проводить дважды: один раз источник следует подключать с одной стороны аппарата, второй раз - с другой стороны. Испытания в этом случае могут проводиться на разных образцах.
Подводящие провода, кабели или шины, аналогичные тем, которые используются в эксплуатации, должны присоединяться к выводам аппарата способом, предусмотренным при их монтаже в условиях эксплуатации.
8.3. Аппарат с несъемной оболочкой и аппарат, предназначенный для эксплуатации только в специальной оболочке, следует испытывать в соответствии с требованиями
п. 5.1.3.
8.4. Аппараты с двигательным приводом, работающим от источников электрической энергии и (или) сжатого воздуха, должны испытываться при значениях напряжения цепи управления и (или) давления сжатого воздуха, установленных в стандартах на конкретные виды аппаратов. Допускается цепи управления и вспомогательные цепи при испытании питать от независимого источника, имеющего предусмотренные род тока, напряжение и частоту (при переменном токе).
Условия управления аппаратами с ручным приводом при проведении испытаний должны соответствовать установленным в стандартах на конкретные виды аппаратов.
Перед испытанием следует убедиться в правильности работы привода аппарата при отсутствии тока в цепи нагрузки.
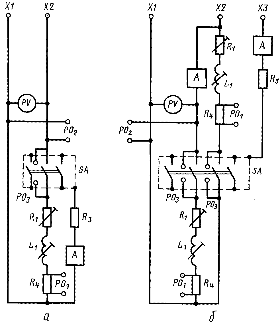
8.5. Проверка коммутационной способности аппаратов должна проводиться по испытательным схемам, приведенным на
черт. 1 и
2, для следующих случаев испытания:
трехполюсного аппарата или трех однополюсных аппаратов в трехфазной испытательной схеме переменного тока (
черт. 1а);
двухполюсного аппарата в однофазной испытательной схеме переменного тока или в испытательной схеме постоянного тока (
черт. 1б);
однополюсного аппарата в однофазной испытательной схеме или в испытательной схеме постоянного тока (
черт. 1в);
одного из идентичных вспомогательных контактов аппаратов в испытательной схеме переменного или постоянного тока (
черт. 2а);
двух электрически независимых между собой вспомогательных контактов аппарата в испытательной схеме переменного или постоянного тока (
черт. 2б).
Х1, Х2, Х3 - клеммы источника питания;
N - нейтральная точка источника питания; PV - вольтметр;

,

- регулируемые резисторы;

,

- регулируемые катушки индуктивности;

- резистор для ограничения тока в устройстве A;

- шунт; А - устройство для обнаружения перекрытий дуги;
SA - испытуемый аппарат;

- осциллограф для записи тока;

,

- осциллографы для записи напряжения
Х1, Х2, Х3 - клеммы источника питания; PV - вольтметр;

- регулируемый резистор;

- регулируемые катушки индуктивности;

- резистор для ограничения тока в устройстве А;
А - устройство для обнаружения перекрытий дуги;
SA - испытуемый аппарат;

- осциллограф для записи тока;

;

- осциллографы для записи напряжения;

- шунт
Примечание. Провод Х3 следует присоединять на половину от общего числа операций к проводу Х1 и на вторую половину к проводу Х2 (при испытаниях на переменном и постоянном токе).
Испытательные схемы состоят из источника питания, цепи нагрузки и испытуемого аппарата.
8.6. Источник питания должен обладать достаточной мощностью, которая позволяла бы проверить заданные характеристики.
При испытании на отключающую способность источник питания должен быть таким, чтобы к моменту гашения дуги возвращающееся напряжение было 110% номинального напряжения испытуемого аппарата. Для обеспечения этого, при необходимости, можно увеличивать напряжение источника питания, но при этом отклонение наибольшего мгновенного значения ожидаемого тока включения от заданного не должно превышать допустимого для испытуемого аппарата значения тока.
8.7. Частота источника питания переменного тока должна быть равна номинальной.
При невозможности достижения такой частоты при испытании в режиме редких коммутаций испытание следует проводить при частоте в соответствии с требованиями
п. 5.2.3.
Если отключающая способность в режиме короткого замыкания существенно зависит от частоты, то предельное отклонение частоты не должно превышать +/- 5%. Если отключающая способность практически не зависит от частоты, то предельное отклонение не должно превышать +/- 25%.
8.8. Для получения требуемых тока и постоянной времени или коэффициента мощности испытательного контура последовательно с испытываемым аппаратом следует включать регулируемые индуктивные и активные нагрузки.
При испытании в режиме коммутации тока короткого замыкания нагрузку следует включать между аппаратом и источником энергии.
В остальных случаях, если в стандартах на конкретные виды аппаратов нет иных указаний, испытываемый многополюсный аппарат должен быть включен между нагрузками и источником энергии.
8.9. При испытании аппаратов на переменном токе параметры восстанавливающегося напряжения (частота колебаний f и коэффициент превышения амплитуды

цепи нагрузки) должны обеспечиваться резисторами и конденсаторами, подключаемыми параллельно нагрузке, в тех случаях, когда эти параметры установлены в стандартах на конкретные виды аппаратов.
Примечания. 1. Метод измерения параметров восстанавливающегося напряжения, схема испытания и формулы для определения f и

приведены в
приложении 1.
2. Для проверки только включающей способности регулировать коэффициент

и частоту колебаний f не обязательно.
8.10. В качестве индуктивной нагрузки следует применять катушки индуктивности без ферромагнитного магнитопровода.
При испытании аппаратов категории применения ДС-11 в качестве индуктивной нагрузки применяют катушки индуктивности с ферромагнитным магнитопроводом. Для аппаратов категории применения АС-11 допускается применение катушек с магнитопроводом.
При применении катушек с магнитопроводом при переменном токе магнитопровод должен быть шихтован и не насыщен так, чтобы ток был практически синусоидальным.
Параллельное включение индуктивных нагрузок допускается, если они идентичны.
При испытании главной цепи катушки индуктивности без магнитопровода в каждом полюсе могут быть шунтированы резистором в соответствии с требованиями, установленными в стандартах на конкретные виды аппаратов.
8.11. Для контроля наличия перекрытий дуги все заземляемые во время работы части аппаратов, включая оболочку, и все токоведущие части, не принадлежащие к испытуемой цепи, должны быть изолированы от земли и соединены через регистрирующее устройство с нейтральной точкой источника питания или с искусственной нейтральной точкой, созданной, например, соединенными в звезду индуктивными сопротивлениями, или в случае испытания постоянным током - с искусственной нейтральной точкой, образованной, например, двумя активными сопротивлениями, позволяющими пропускать ток при перекрытии дуги не менее 100 А.
В качестве регистрирующего устройства может применяться предохранитель в виде медной проволоки длиной 50 мм, диаметром 0,1 мм или другой указатель тока утечки. Значение тока в цепи регистрирующего устройства при перекрытии должно быть ограничено до 100 А, для чего следует предусмотреть соответствующий последовательно включенный резистор или подобрать индуктивность искусственной нейтрали (сопротивление дуги при перекрытии принимается равным нулю).
8.12. Для контроля границ ионизированной зоны выхлопа дугогасительных устройств должны применяться пластины из листовой стали толщиной (3 +/- 0,25) мм с отверстиями диаметром (7 +/- 0,25) мм и расстоянием между центрами отверстий (10 +/- 0,5) мм. Пластины должны быть присоединены к нейтральной точке, указанной в
п. 8.11.
Зону выхлопа пламени контролируют методами, приведенными в стандартах на конкретные виды аппаратов.
8.13. Шлейф осциллографа

(см.
черт. 1 и
2) для записи тока следует подсоединять к шунтам

, включенным последовательно с каждым полюсом аппарата.
Шлейф осциллографа

для записи напряжения должен быть подсоединен к выводам испытуемого аппарата со стороны источника питания.
Шлейф осциллографа

следует присоединять к выводам каждого полюса.
Значения сопротивлений измерительных цепей

должны составлять не менее 100 Ом/В восстанавливающегося напряжения.
8.14. Испытания на коммутационную способность следует проводить при параметрах цепи и в режимах, установленных в стандартах на конкретные виды аппаратов.
8.15. При контроле зоны критических токов должна быть проверена способность аппарата нормально отключать цепи в заданном диапазоне токов. Токи, число включений и отключений и интервал между ними при промежуточных и крайних значениях тока должны соответствовать установленным в стандартах на конкретные виды аппаратов.
8.16. При испытании на коммутационную способность действующее значение тока определяют по амперметру, если во время испытания удается поддерживать ток неизменным в течение времени, достаточного для снятия отсчета по амперметру.
В остальных случаях значение тока следует определять по осциллограммам, полученным при помощи малоиндуктивных шунтов или воздушных трансформаторов тока.
По осциллограммам следует определять также:
значение напряжения на контактах в момент отключения;
время дуги;
собственные времена срабатывания аппаратов;
начальную скорость нарастания тока.
Перенапряжение на контактах следует определять безынерционным измерительным прибором (например электронным осциллографом), включенным параллельно контактам, между которыми разрывается цепь. Допускается применять другие методы измерений перенапряжения (например регистраторами амплитуд перенапряжений), которые не оказывают существенного влияния на процесс коммутации.
После отключения тока аппарат необходимо выдерживать под напряжением не менее 0,1 с. В случае, когда есть опасность повторного пробоя межконтактного промежутка (например при наличии вблизи него органической изоляции), это время следует увеличить до 1 - 5 мин.
8.17. При переменном токе, если сопротивление испытательной цепи является в основном сопротивлением нагрузки, коэффициент мощности цепи следует определять фазометром или при помощи амперметра, вольтметра и ваттметра, или по осциллограммам тока и напряжения (по углу

). В остальных случаях коэффициент мощности следует рассчитать по постоянной времени (Т), которую определяют по осциллограммам тока испытательного контура как постоянную времени затухания апериодической составляющей в соответствии с
черт. 3 по формуле

,
где

,

- моменты времени, при которых ток равен амплитудному значению;

,

- значения постоянных составляющих тока, определенные по кривой, проходящей посредине между огибающими амплитуд, соответствующие моментам времени

и

.
Коэффициент мощности цепи

вычисляют по формуле

,
где

;

- частота тока источника питания.
Этот способ допускается применять, если измерение осуществляется без трансформаторов тока или если они существенно не искажают форму кривой тока.
В трехфазных системах коэффициент мощности нагрузки определяют как среднее арифметическое значение коэффициентов мощности трех фаз. При этом в каждой фазе коэффициент мощности не должен отличаться от среднего арифметического значения более чем на +/- 25%.
8.18. При постоянном токе постоянную времени испытательной цепи следует определять как время, в течение которого ток после включения возрастает до 63% от его наибольшего значения, если в качестве индуктивной нагрузки применяют катушки индуктивности без ферромагнитного магнитопровода. В случае применения катушек индуктивности с ферромагнитным магнитопроводом следует определять либо значение

как время, в течение которого ток после включения возрастает до 95% от его установившегося значения, либо значение условной постоянной времени цепи

как 1/3 этого времени.
8.19. При градуировке испытательной цепи (см.
черт. 1 и
2) испытуемый аппарат SA следует заменить временной перемычкой, имеющей пренебрежительно малое полное сопротивление по сравнению с сопротивлением испытательной цепи. Испытательную схему следует включать одновременно во всех полюсах и кривую тока записать осциллографом

в течение не менее 0,1 с.
8.20. При проведении испытания аппаратов временные перемычки следует заменить испытуемым аппаратом.
Испытательный цикл должен соответствовать параметрам и требованиям, установленным в стандартах на конкретные виды аппаратов.
8.21. Подводимое и возвращающееся напряжение следует определять по осциллограмме, снятой при испытании на отключение. Примеры изображений осциллограмм и определение значений параметров при испытании аппаратов на коммутационную способность приведены в
приложении 2.
За возвращающееся напряжение для трехфазной цепи следует принимать его среднее арифметическое значение для трех фаз. При этом возвращающееся напряжение в отдельных фазах не должно отличаться от среднего арифметического значения более чем на +/- 5%.
8.22. Включающую способность аппаратов, предназначенных для коммутации токов короткого замыкания, следует определять наибольшим мгновенным значением (амплитудой при переменном токе) ожидаемого тока в цепи, которое способен включить аппарат (см.
приложение 2). Для аппаратов переменного тока, не предназначенных для коммутации токов короткого замыкания (например контакторов, аппаратов цепей управления), включающую способность следует определять наибольшим для трех фаз действующим значением периодической составляющей тока включаемой цепи.
8.23. Отключающую способность при переменном токе следует определять действующим значением периодической составляющей ожидаемого тока в цепи в момент, соответствующий появлению дуги в результате отключения (см.
приложение 2).
За действующее значение периодической составляющей тока для трехфазной цепи следует принимать ее среднее арифметическое значение для трех фаз. При этом токи в отдельных фазах не должны отличаться от среднего арифметического значения более чем на +/- 10%.
Отключающую способность при постоянном токе следует определять наибольшим значением ожидаемого тока в цепи

для случая отключения аппаратом тока раньше, чем он достигнет своего наибольшего значения, и значением А для случая отключения аппаратом тока после того, как он достигнет своего наибольшего значения (см.
приложение 2).
8.24. Если аппарат предназначен для работы в определенном контуре, то коммутационная способность может выражаться любыми параметрами контура, достаточно полно характеризующими трудность коммутации.
8.25. Однополюсные аппараты, предназначенные для работы в трехфазных сетях, следует испытывать при включении их одновременно во все три фазы.
Если испытывают однополюсные аппараты, предназначенные для автоматического отключения токов короткого замыкания в однофазной цепи, или двухполюсные в одно- или трехфазной цепи, необходимо при помощи специального устройства проводить замыкание цепи в моменты времени, характеризуемые фазой напряжения 0; 45; 90 и 135°.
При отсутствии такого специального устройства допускается для однополюсных аппаратов проведение достаточного количества опытов отключения токов короткого замыкания для того, чтобы получить хотя бы один раз включение в указанные моменты времени.
Если испытывают однополюсные или двухполюсные аппараты, не предназначенные для автоматического отключения токов короткого замыкания, рекомендуется проводить отключения так, чтобы дуга появлялась при разных фазах тока для того, чтобы при испытании проверить наиболее тяжелые условия коммутации.
8.26. При испытании аппарата только на включающую способность испытываемым аппаратом следует производить только включение тока при номинальном напряжении, а отключение тока должно проводиться другим аппаратом. Отключение цепи или уменьшение тока в ней не должно происходить ранее достижения включенного положения контактов испытуемого аппарата.
8.27. При испытании аппаратов в режиме трехфазного короткого замыкания контакты вспомогательных аппаратов, включающие ток, должны замыкаться практически одновременно.
8.28. Если испытуемый аппарат имеет несколько идентичных вспомогательных контактов, то следует испытывать только один из них в схеме, приведенной на черт. 2а, причем такой, у которого вероятнее всего перекрытие дуги на корпус или на соседние контакты.
Если два соседних контакта электрически независимы между собой, то испытание следует проводить на обоих контактах одновременно по схеме, приведенной на
черт. 2б.
8.29. Аппарат считается выдержавшим испытание на коммутационную способность, если:
аппарат произвел указанное в стандартах на конкретные виды аппаратов количество коммутационных операций и при этом не произошло переброса дуги на металлическую оболочку или соседние токоведущие части, опасная зона выхлопа и время дуги не превышают допустимых значений, не произошло повреждения изоляции, сваривания контактов, разрушения оболочки, появления внешних эффектов, которые могут быть опасны для обслуживающего персонала при правильном обслуживании, или не произошло такого повреждения, которое препятствует нормальной работе аппарата после проведения обычных работ по обслуживанию (очистка, смена деталей на запасные);
аппарат соответствует другим требованиям на коммутационную способность, установленным в стандартах на конкретные виды аппаратов.
8.30. При испытании аппаратов защиты на одноразовую предельную коммутационную способность при токах короткого замыкания в циклах ВО, а также О аппарат должен быть способен однократно отключить ток безопасно для обслуживающего персонала и расположенных вблизи проводок, оборудования и др. При этом испытуемый аппарат может быть поврежден так, что он не допускает ремонта. Условия и параметры испытания, критерии годности должны быть установлены в стандартах на конкретные виды аппаратов.
9. ИСПЫТАНИЯ НА СТОЙКОСТЬ ПРИ СКВОЗНЫХ ТОКАХ
9.1. При проведении испытания следует выполнять требования
пп. 8.2 и
8.3.
9.2. Контакты коммутационных аппаратов следует испытывать во включенном положении.
9.3. При испытании включение и отключение тока в испытательной цепи должны проводиться вспомогательным аппаратом.
9.4. Испытательный ток следует определять с помощью осциллографа.
9.5. Испытание следует начинать при холодном состоянии испытуемого аппарата.
9.6. Испытание следует проводить при любом значении напряжения испытательной цепи, но не выше номинального, если нет отбросов контактов. При наличии отбросов контактов испытуемого аппарата напряжение цепи, приходящееся на каждый его электрический коммутирующий контакт (дуговой промежуток), должно быть не менее 40 В, если для этого не требуется напряжение испытательной цепи выше номинального. В последнем случае испытание следует проводить при номинальном напряжении.
Испытание аппаратов трехфазного тока следует проводить трехфазным током. Значение тока следует определять как среднее арифметическое значение тока трех фаз. Ток в отдельных фазах не должен отличаться от среднего арифметического значения более чем на +/- 10%.
Допускается испытание аппаратов трехфазного тока при сквозном токе в течение заданного времени проводить однофазным током при последовательном соединении всех полюсов аппарата.
Если аппарат предназначен для эксплуатации при переменном и постоянном токе и номинальный ток главной цепи одинаков для переменного и для постоянного тока, то испытания, проведенные на переменном токе, следует считать действительными и для постоянного тока.
Допускается испытывать аппараты постоянного тока при переменном токе, в режиме, установленном в стандартах на конкретные виды аппаратов.
9.7. Испытание следует проводить при сквозном токе в течение заданного времени и (или) при пиковом значении сквозного тока, установленных в стандартах на конкретные виды аппаратов.
Предпочтительным является испытание при протекании сквозного тока в течение 1 с и пикового значения сквозного тока в течение одной полуволны переменного тока частоты (50 +/- 12,5) Гц.
При испытании в течение 1 с ток должен измеряться его действующим значением в течение этого времени, а при испытании одной полуволной - его амплитудным значением.
При необходимости испытание следует проводить током, пиковое значение которого равно заданному, с последующим спадом до меньшего значения и протеканием его в течение заданного времени, в соответствии с установленным в стандартах на конкретные виды аппаратов.
Испытания на стойкость при допустимом сквозном токе и на стойкость при пиковом значении допустимого сквозного тока могут проводиться раздельно.
9.8. Испытание аппарата в течение 1 с, а также при заданном пиковом значении сквозного тока следует проводить один раз.
9.9. Если продолжительность испытания t не равна 1 с, то следует пропускать ток I, действующее значение которого таково, что произведение

не менее установленного в стандартах на конкретные виды аппаратов, но не превышает его более чем на 10%. Продолжительность испытания в таких случаях должна быть не более 5 с.
9.10. Аппарат считается выдержавшим испытание, если не произошло самопроизвольного отключения и появления эффектов, опасных для обслуживающего персонала, а также не произошло сваривания контактов или повреждения аппарата, препятствующих его дальнейшей нормальной работе.
10. ИСПЫТАНИЕ НА МЕХАНИЧЕСКУЮ И КОММУТАЦИОННУЮ
ИЗНОСОСТОЙКОСТЬ
10.1. При испытании аппарата на износостойкость следует выполнять требования
п. 8.2.
10.2. Перед и во время испытания должна проводиться предусмотренная смазка трущихся частей.
10.3. Аппараты с ручным приводом допускается испытывать как вручную, так и при помощи специальных приспособлений, достаточно точно воспроизводящих условия при оперировании вручную.
10.4. Аппараты с двигательным приводом, работающим от источника электрической энергии и (или) сжатого воздуха, а также аппараты с независимым расцепителем, должны испытываться при: определенном роде тока, номинальной частоте (при переменном токе), номинальных значениях напряжения цепи управления и (или) давлении сжатого воздуха с предельным отклонением +/- 5%.
10.5. Включение и (или) отключение аппарата при испытании должно проводиться каждым из предусмотренных для этого видов приводов и (или) расцепителей. Число циклов оперирования должно соответствовать установленным в стандартах на конкретные виды аппаратов.
10.6. До, после и во время испытания, через определенное число циклов, в соответствии с установленным в стандартах на конкретные виды аппаратов или программе испытаний, следует контролировать параметры, влияющие на работу аппарата (например нажатия, зазоры, провалы и суммарные толщины контактов, дребезг контактов, величины перемещений подвижных частей, параметры срабатывания), которые могут изменяться в процессе испытания.
10.7. При испытании аппаратов допускается обычное техническое обслуживание, как, например, регулировка хода и контактных нажатий, очистка аппарата без разборки от пыли, копоти в сроки, предусмотренные стандартами на конкретные виды аппаратов.
Замена деталей на запасные не допускается, если иное не предусмотрено в стандартах на конкретные виды аппаратов.
10.8. Число коммутационных циклов при испытании аппарата следует определять счетчиком циклов или по числу коммутационных циклов в единицу времени, умноженному на продолжительность испытания, или простым счетом.
10.9. Допускается проводить испытания на механическую и коммутационную износостойкость ускоренными методами, если это установлено в стандартах на конкретные виды аппаратов.
При испытании на механическую износостойкость допускается учитывать число отработанных коммутационных циклов при предыдущих испытаниях.
10.10. Испытания на механическую износостойкость следует проводить при частоте коммутационных циклов, установленной в стандартах на конкретные виды аппаратов. Для сокращения продолжительности испытаний допускается выбирать максимально возможную частоту, при которой:
аппарат работает четко;
не происходит недопустимого нагрева катушек и других его частей;
после включения и отключения подвижная часть успевает прийти в состояние покоя.
У аппаратов с двигательным приводом, работающим от источников электрической энергии и (или) сжатого воздуха, длительность подачи питания в цепь управления должна быть больше времени срабатывания аппарата. Допускается применять искусственное охлаждение двигательного привода.
10.11. Для контроля состояния элементов коммутационного контактного аппарата и фиксации отказов во время испытания на механическую износостойкость допускается пропускать через контакты ток в соответствии с установленным в стандартах на конкретные виды аппаратов.
10.12. Испытание на коммутационную износостойкость следует проводить в режиме испытания (частота коммутации в 1 ч, напряжение, ток, постоянная времени или коэффициент мощности при включении и отключении, восстанавливающееся напряжение) в соответствии с требованиями стандартов на конкретные виды аппаратов. Время протекания тока после каждого включения должно быть не меньше времени дребезга контактов при включении.
10.13. При испытании аппаратов на коммутационную износостойкость следует выполнять требования
п. 5.1.3.
10.14. Проверка аппаратов на коммутационную износостойкость должна проводиться по испытательным схемам, приведенным на
черт. 4 и
5 для следующих случаев испытаний:
одно- и двухполюсных аппаратов категорий применения АС-1, АС-22, ДС-3, ДС-5, ДС-22, ДС-23 (см.
черт. 4а);
вспомогательных контактов категорий применения АС-11 и ДС-11 (см.
черт. 4а, б);
трехполюсных аппаратов категорий применения АС-1, АС-2, АС-22, АС-23, АС-4 (см.
черт. 4в);
трехполюсных аппаратов категорий применения АС-3 (см.
черт. 5а);
одно- и двухполюсных аппаратов категорий применения ДС-2 и ДС-4 (см.
черт. 5б).
Х1, Х2, Х3 - клеммы источника питания;

,

- регулируемые
резисторы;

,

- регулируемые катушки индуктивности;
SA - испытуемый аппарат;

,

- вспомогательные аппараты;
PV - вольтметр; Х4, Х5 - клеммы для подключения второго
полюса при двухполюсном аппарате; Х6, Х7, Х8, Х9 - клеммы
для подключения нагрузки при испытании в режиме АС-11
(перемычка Х6 - Х7 должна быть снята)
Х1, Х2, Х3, Х4, Х5, Х6 - клеммы источников питания;

,

- регулируемые резисторы;

,

- регулируемые катушки индуктивности;
SA - испытуемый аппарат;

и

- вспомогательные аппараты;
Х7 и Х8 - клеммы для подключения второго полюса
при двухполюсном аппарате; PV - вольтметр
Испытательные схемы состоят из источника питания, цепи нагрузки, вспомогательных аппаратов и испытуемого аппарата.
Испытуемый аппарат должен быть включен между источником энергии и нагрузкой.
10.15. Для получения заданных значений тока, постоянной времени или коэффициента мощности испытательной цепи последовательно с испытуемым аппаратом следует включать регулируемые индуктивную и активную нагрузки, согласно требованиям
пп. 8.8 и
8.10.
10.16. При применении в схеме (см.
черт. 4б) катушек индуктивности без магнитопровода нагрузки могут быть шунтированы резистором, забирающим ток, значение которого установлено в стандартах на конкретные виды аппаратов.
10.17. Коэффициент мощности или постоянную времени испытательной цепи следует определять по
пп. 8.17 и
8.18.
10.18. При испытании аппаратов переменного тока при необходимости обеспечения требуемых параметров восстанавливающегося напряжения следует учитывать требования
п. 8.9.
10.19. Аппарат считается выдержавшим испытание, если он соответствует требованиям по износостойкости, установленным в стандартах на конкретные виды аппаратов.
10.20. После достижения числа циклов, указанных в
п. 10.5, рекомендуется продолжать испытания для выявления полного ресурса и набора статистических данных об отказах аппарата.
11. КОНТРОЛЬ НА СООТВЕТСТВИЕ ТРЕБОВАНИЯМ БЕЗОПАСНОСТИ
11.1. Опасную зону выхлопа контролируют в соответствии с требованиями
пп. 8.11 и
8.12.
11.2. При визуальном контроле по
разд. 2 выполнение требований безопасности контролируют в части:
выполнения элементов защитного заземления (зануления) и его электрического сопротивления;
наличия рым-болтов, крюков или специальных отверстий для подъема и перемещения аппарата при монтаже и такелажных работах;
фиксации аппарата выдвижного исполнения в рабочем и контрольном положениях, наличии блокировки, не позволяющей вкатывание или выкатывание аппарата во включенном положении, правильной последовательности размыкания токоведущих цепей и цепей заземления при вкатывании и выкатывании аппарата;
соответствия направления движения рукояток и маховиков при оперировании аппаратов с ручным приводом;
правильности работы блокировок органов управления.
11.3. Четкость фиксации коммутационных положений аппарата, усилие оперирования аппаратов с ручным приводом и усилие сочленения (расчленения) разъемных контактных соединений аппаратов выдвижного исполнения следует контролировать в соответствии с требованиями и методами, установленными в стандартах на конкретные виды аппаратов.
11.4. Степени защиты от прикосновения к токоведущим и движущимся частям аппарата контролируют в соответствии с
разд. 7.
11.5. Изоляцию металлических рукояток, маховиков, педалей и металлических валов ручных приводов от токоведущих частей аппарата контролируют в соответствии с требованиями
разд. 4.
11.6. Температуру на поверхности органов управления аппарата контролируют в соответствии с требованиями
разд. 5.
12. ИСПЫТАНИЯ НА НАДЕЖНОСТЬ
12.1. Испытания на надежность следует проводить в соответствии с требованиями и методами, установленными в стандартах на конкретные виды аппаратов.
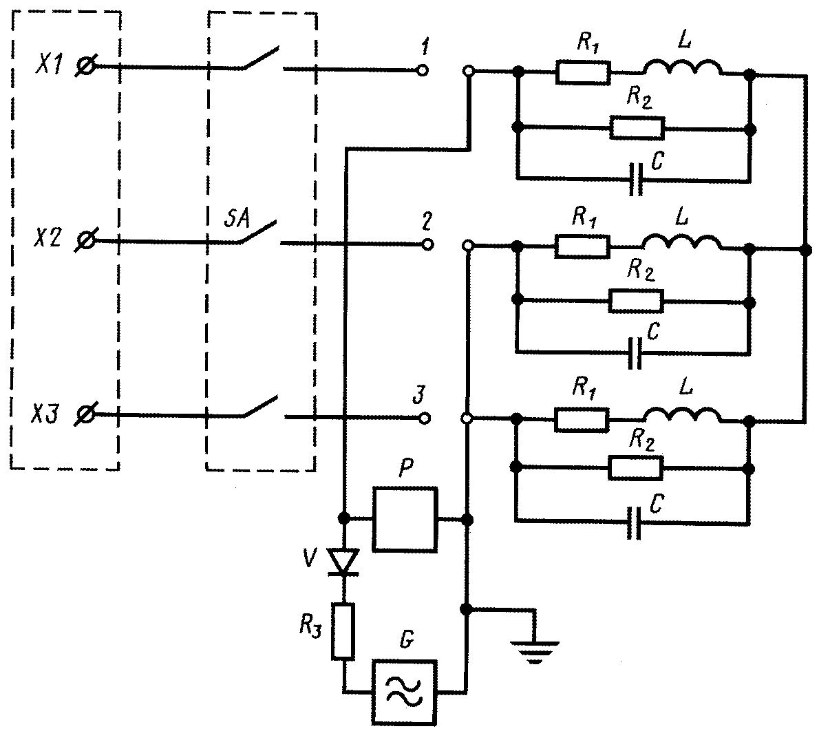
Справочное
МЕТОД ИЗМЕРЕНИЯ ПАРАМЕТРОВ ВОССТАНАВЛИВАЮЩЕГОСЯ НАПРЯЖЕНИЯ
ИСПЫТАТЕЛЬНОГО КОНТУРА ПЕРЕМЕННОГО ТОКА
Параметры восстанавливающегося напряжения (частота колебаний f в килогерцах и коэффициент превышения амплитуды

) в основном определяются собственной частотой и затуханием колебаний в цепи нагрузки в соответствии с
черт. 1 и не зависят от прилагаемого напряжения и его частоты. Учитывая это, контроль параметров восстанавливающегося напряжения испытательного контура осуществляется путем осциллографирования напряжения на каждой фазе при условии, что нагрузки в остальных фазах соединены параллельно. На
черт. 2 приведена схема измерения на фазе 1 цепи; схемы измерения на остальных фазах 2 и 3 аналогичны. Резисторы

и конденсаторы С должны быть подобраны таким образом, чтобы обеспечивалось следующее равенство

,
где

- отключаемый (или включаемый) ток, А;

- номинальное рабочее напряжение, В.

.

,

.
При измерении источник питания отключают. Заземляют только точку, указанную на схеме, приведенной на черт. 2.
Схема осциллографирования
восстанавливающегося напряжения
Х1, Х2, Х3 - клеммы источника питания;
SA - испытуемый аппарат;

и L - активное и индуктивное сопротивления нагрузки;

- шунтирующий резистор; С - шунтирующий конденсатор;
P - электронный осциллограф; V - диод;

- добавочный резистор; G - генератор
Возбуждение цепи катушки производится от генератора G синусоидального напряжения через диод и практически безындуктивный резистор

. Цепь отключается диодом при прохождении тока через нуль, а колебания восстанавливающегося напряжения (
черт. 1) регистрируются на экране электронного осциллографа, развертку которого следует синхронизировать с частотой генератора.
Напряжение генератора должно быть не выше номинального напряжения диода V. Время восстановления обратного сопротивления диода должно быть не более 4 нс.
Частота генератора выбирается в зависимости от тока, коммутируемого в контуре:
2 кГц - при токах отключения до 1000 А;
4 кГц - при токах отключения свыше 1000 А.
Чтобы не искажать импульс тока, сопротивление резистора

должно быть не менее чем в 10 раз больше полного сопротивления фазной нагрузки контура z при частоте генератора G; его и определяют по формуле

,
где

;

;

- частота генератора.
Благодаря высокой частоте генератора, цепь нагрузки при контроле является практически полностью индуктивной, и в момент прохождения тока через нуль прилагаемое напряжение будет иметь пиковое значение

. Касательная к кривой напряжения в исходной точке А (см.
черт. 1) должна проходить практически горизонтально. Коэффициент превышения амплитуды

определяется как отношение напряжения

и

, а частота определяется как обратная величина колебаний Т восстанавливающего напряжения.
Допускается применять другие методы определения параметров восстанавливающегося напряжения, например при подаче в цепь нагрузки тока прямоугольной формы.
Справочное
ПРИМЕРЫ ИЗОБРАЖЕНИЙ ОСЦИЛЛОГРАММ И ОПРЕДЕЛЕНИЕ
ЗНАЧЕНИЙ ПАРАМЕТРОВ ПРИ ИСПЫТАНИИ АППАРАТОВ
НА КОММУТАЦИОННУЮ СПОСОБНОСТЬ
Таблица 1
Испытание переменным током
Примечание.

- момент размыкания контактов;

- момент погасания дуги.
Таблица 2
Испытание постоянным током
Примечание.

- момент размыкания контактов;

- момент погасания дуги.