Главная // Актуальные документы // Актуальные документы (обновление 2025.03.29-2025.04.26) // ГОСТ (Государственный стандарт)СПРАВКА
Источник публикации
М.: ФГБУ "Институт стандартизации", 2024
Примечание к документу
Документ
вводится в действие с 01.12.2025.
Название документа
"ГОСТ ISO 3744-2024. Межгосударственный стандарт. Акустика. Определение уровней звуковой мощности и звуковой энергии источников шума по звуковому давлению. Технический метод в существенно свободном звуковом поле над звукоотражающей плоскостью"
(введен в действие Приказом Росстандарта от 12.12.2024 N 1885-ст)
"ГОСТ ISO 3744-2024. Межгосударственный стандарт. Акустика. Определение уровней звуковой мощности и звуковой энергии источников шума по звуковому давлению. Технический метод в существенно свободном звуковом поле над звукоотражающей плоскостью"
(введен в действие Приказом Росстандарта от 12.12.2024 N 1885-ст)
агентства по техническому
регулированию и метрологии
от 12 декабря 2024 г. N 1885-ст
МЕЖГОСУДАРСТВЕННЫЙ СТАНДАРТ
АКУСТИКА
ОПРЕДЕЛЕНИЕ УРОВНЕЙ ЗВУКОВОЙ МОЩНОСТИ И ЗВУКОВОЙ ЭНЕРГИИ
ИСТОЧНИКОВ ШУМА ПО ЗВУКОВОМУ ДАВЛЕНИЮ
ТЕХНИЧЕСКИЙ МЕТОД В СУЩЕСТВЕННО СВОБОДНОМ ЗВУКОВОМ ПОЛЕ
НАД ЗВУКООТРАЖАЮЩЕЙ ПЛОСКОСТЬЮ
Acoustics. Determination of sound power levels and sound
energy levels of noise sources using sound pressure.
Engineering methods for an essentially free field
over a reflecting plane
(ISO 3744:2010, IDT)
ГОСТ ISO 3744-2024
Дата введения
1 декабря 2025 года
Цели, основные принципы и общие правила проведения работ по межгосударственной стандартизации установлены
ГОСТ 1.0 "Межгосударственная система стандартизации. Основные положения" и
ГОСТ 1.2 "Межгосударственная система стандартизации. Стандарты межгосударственные, правила и рекомендации по межгосударственной стандартизации. Правила разработки, принятия, обновления и отмены"
1 ПОДГОТОВЛЕН Закрытым акционерным обществом "Научно-исследовательский центр контроля и диагностики технических систем" (ЗАО "НИЦ КД") на основе собственного перевода на русский язык англоязычной версии стандарта, указанного в
пункте 5
2 ВНЕСЕН Федеральным агентством по техническому регулированию и метрологии
3 ПРИНЯТ Межгосударственным советом по стандартизации, метрологии и сертификации (протокол от 31 октября 2024 г. N 178-П)
За принятие проголосовали:
Краткое наименование страны по МК (ИСО 3166) 004-97 | Код страны по МК (ИСО 3166) 004-97 | Сокращенное наименование национального органа по стандартизации |
Армения | AM | ЗАО "Национальный орган по стандартизации и метрологии" Республики Армения |
Беларусь | BY | Госстандарт Республики Беларусь |
Киргизия | KG | Кыргызстандарт |
Россия | RU | Росстандарт |
Узбекистан | UZ | Узбекское агентство по техническому регулированию |
4
Приказом Федерального агентства по техническому регулированию и метрологии от 12 декабря 2024 г. N 1885-ст межгосударственный стандарт ГОСТ ISO 3744-2024 введен в действие в качестве национального стандарта Российской Федерации с 1 декабря 2025 г.
5 Настоящий стандарт идентичен международному стандарту ISO 3744:2010 "Акустика. Определение уровней звуковой мощности и звуковой энергии источников шума по звуковому давлению. Технический метод в существенно свободном звуковом поле над звукоотражающей плоскостью" ("Acoustics - Determination of sound power levels and sound energy levels of noise sources using sound pressure - Engineering methods for an essentially free field over a reflecting plane", IDT).
Международный стандарт разработан Техническим комитетом по стандартизации TC 43 "Акустика", подкомитетом SC 1 "Шум", Международной организации по стандартизации (ISO).
Дополнительные сноски в тексте стандарта, выделенные курсивом, приведены для пояснения текста оригинала.
При применении настоящего стандарта рекомендуется использовать вместо ссылочных международных стандартов соответствующие им межгосударственные стандарты, сведения о которых приведены в дополнительном
приложении ДА
6 ВВЕДЕН ВПЕРВЫЕ
Информация о введении в действие (прекращении действия) настоящего стандарта и изменений к нему на территории указанных выше государств публикуется в указателях национальных стандартов, издаваемых в этих государствах, а также в сети Интернет на сайтах соответствующих национальных органов по стандартизации.
В случае пересмотра, изменения или отмены настоящего стандарта соответствующая информация будет опубликована на официальном интернет-сайте Межгосударственного совета по стандартизации, метрологии и сертификации в каталоге "Межгосударственные стандарты"
Настоящий стандарт входит в серию стандартов (см.
[2] -
[6], ISO 3745), устанавливающих методы определения уровней звуковой мощности и звуковой энергии источников шума, таких как машины, оборудование и их узлы. Выбор конкретного метода зависит от целей испытаний по определению уровня звуковой мощности (звуковой энергии) и от имеющегося в распоряжении испытательного оборудования. Общее руководство по выбору метода испытаний установлено в
[1]. Стандарты
[2] -
[6], ISO 3745 и настоящий стандарт дают только общие рекомендации в отношении установки машин и условий их работы при испытаниях. Подробные требования должны быть установлены в испытательных кодах по шуму для машин разных видов.
Звуковую мощность, излученную источником шума в испытательное пространство, рассчитывают по результатам измерения квадрата звукового давления, среднего по охватывающей источник измерительной поверхности заданной площади. Звуковую энергию отдельного шумового события, связанного с источником, рассчитывают по известным значениям звуковой мощности и продолжительности события.
Настоящий стандарт устанавливает методы определения уровней звуковой мощности и звуковой энергии в полосах частот, а также с коррекцией по частотной характеристике A.
Методы настоящего стандарта относятся к техническим методам по классификации ISO 12001 и предполагают проведение измерений в условиях, близких к условиям свободного звукового поля над звукоотражающей плоскостью. Такие условия могут быть созданы в специально оборудованных лабораторных помещениях, промышленных помещениях или на площадках на открытом воздухе. В идеале испытуемый источник шума должен быть установлен на звукоотражающей плоскости в большом открытом пространстве. Если испытуемый источник шума при его применении устанавливают в цеховом помещении, то в результат измерения вносят поправку на отражение от близлежащих предметов, стен и потолка, а также поправку на фоновый шум в помещении.
1.1 Общие положения
Настоящий стандарт устанавливает методы определения уровней звуковой мощности источников шума (машин и оборудования) или, если шум источника имеет импульсный характер или форму переходного процесса, уровней звуковой энергии в полосах частот или в широкой полосе частот с применением коррекции по частотной характеристике A (далее - корректированные по A) по результатам измерений эквивалентных уровней звукового давления в условиях, близких к условиям свободного звукового поля над звукоотражающей плоскостью.
Примечание - Разные формы измерительной поверхности, используемой при применении методов настоящего стандарта, могут дать отличающиеся результаты измерений. Информация о форме измерительной поверхности, применяющейся при испытаниях машин конкретного вида, может быть установлена в соответствующем испытательном коде по шуму (см. ISO 12001).
1.2 Вид шума и источники шума
Настоящий стандарт распространяется на все виды шума (постоянный, непостоянный, флуктуирующий, единичные импульсы и др.) по ISO 12001.
Настоящий стандарт распространяется на источники шума всех видов и размеров (стационарное или медленно перемещающееся технологическое оборудование, установки, машины и их узлы), для которых может быть обеспечено соблюдение требований настоящего стандарта к условиям испытаний.
Примечание - Соблюдение требований настоящего стандарта к условиям испытаний может встретить трудности в случае очень высоких или очень протяженных источников, таких как дымовые трубы, конвейеры, трубопроводы или промышленные установки с множественными источниками шума. Методы измерений для таких объектов могут быть установлены в испытательных кодах по шуму.
1.3 Испытательное пространство
Условия испытаний, соответствующие требованиям настоящего стандарта, могут быть созданы внутри помещений или на открытом воздухе и предполагают наличие одной или нескольких звукоотражающих плоскостей, на которые или вблизи которых устанавливают испытуемый источник шума. Идеальные условия испытаний для методов настоящего стандарта представляют собой открытое пространство без границ и отражающих поверхностей, за исключением предусматриваемой методом звукоотражающей плоскости или плоскостей (таким условиям соответствует, например, аттестованная заглушенная камера со звукоотражающим полом). При отступлении условий испытаний от идеальных применяют соответствующие поправки (в пределах заданных ограничений).
1.4 Неопределенность измерения
В настоящем стандарте приведены сведения о неопределенности измерения уровней звуковой мощности (звуковой энергии) в полосах частот и в широкой полосе частот с применением коррекции по частотной характеристике A. Неопределенность измерения соответствует установленной ISO 12001 для технических методов измерений.
В настоящем стандарте использованы нормативные ссылки на следующие стандарты [для датированных ссылок применяют только указанное издание ссылочного стандарта, для недатированных - последнее издание (включая все изменения)]:
ISO 3382-2, Acoustics - Measurement of room acoustic parameters - Part 2: Reverberation time in ordinary rooms (Акустика. Измерение акустических параметров помещений. Часть 2. Время реверберации обычных помещений)
ISO 3745, Acoustics - Determination of sound power levels and sound energy levels of noise sources using sound pressure - Precision methods for anechoic test rooms and hemi-anechoic test rooms (Акустика. Определение уровней звуковой мощности и звуковой энергии источников шума по звуковому давлению. Точные методы для заглушенных камер)
ISO 5725 (all parts), Accuracy (trueness and precision) of measurement methods and results [Точность (правильность и прецизионность) методов и результатов измерений]
ISO 6926, Acoustics - Requirements for the performance and calibration of reference sound sources used for the determination of sound power levels (Акустика. Требования к характеристикам и калибровке образцового источника шума, применяемого для определения уровней звуковой мощности)
ISO 12001
<1>, Acoustics - Noise emitted by machinery and equipment - Rules for the drafting and presentation of a noise test code (Акустика. Шум, излучаемый машинами и оборудованием. Правила составления испытательных кодов по шуму)
--------------------------------
<1>
В оригинале вводимого международного стандарта приведена датированная ссылка (ISO 12001:1996), которая заменена недатированной ввиду отсутствия в тексте ссылок на структурные элементы указанного стандарта.
ISO/IEC Guide 98-3, Uncertainty of measurement - Part 3: Guide to the expression of uncertainty in measurement (GUM:1995) (Неопределенность измерения. Часть 3. Руководство по выражению неопределенности измерения)
IEC 60942
<2>, Electroacoustics - Sound calibrators (Электроакустика. Калибраторы акустические)
--------------------------------
<2>
В оригинале вводимого международного стандарта приведена датированная ссылка (IEC 60942:2003), которая заменена недатированной ввиду отсутствия в тексте ссылок на структурные элементы указанного стандарта.
IEC 61183, Electroacoustics - Random-incidence and diffuse-field calibration of sound level meters (Электроакустика. Калибровка шумомеров в диффузном звуковом поле)
IEC 61260-1
<3>, Electroacoustics - Octave-band and fractional-octave-band filters (Электроакустика. Полосовые фильтры на октаву и долю октавы)
--------------------------------
<3>
В оригинале вводимого международного стандарта приведена датированная ссылка (IEC 61260:1995), которая заменена недатированной ввиду отсутствия в тексте ссылок на структурные элементы указанного стандарта. IEC 61260 заменен документом, состоящим из трех частей. В целях настоящего стандарта следует использовать IEC 61260-1 "Electroacoustics -
Octave-band and fractional-octave-band filters -
Part 1: Specifications" (Электроакустика. Полосовые фильтры на октаву и долю октавы. Часть 1. Технические требования).
IEC 61672-1
<4>, Electroacoustics - Sound level meters - Part 1: Specifications (Электроакустика. Шумомеры. Часть 1. Технические требования)
--------------------------------
<4>
В оригинале вводимого международного стандарта приведена датированная ссылка (IEC 61672-1:2002), которая заменена недатированной ввиду отсутствия в тексте ссылок на структурные элементы указанного стандарта.
В настоящем стандарте применены следующие термины с соответствующими определениями:
3.1 звуковое давление (sound pressure) p: Разность между мгновенным и статическим давлениями воздушной среды.
Примечание 1 - Определение термина модифицировано по отношению к
[21], 8 - 9.2.
Примечание 2 - Выражают в паскалях (Па).
3.2
уровень звукового давления <1> (sound pressure level)
Lp: Десятикратный десятичный логарифм отношения квадрата звукового давления
p к квадрату опорного звукового давления
p0 (
p0 = 20 мкПа), выраженный в децибелах (дБ),

(1)
--------------------------------
<1>
Данный термин приведен в оригинале вводимого международного стандарта, однако в тексте стандарта он не используется.
[ISO/TR 25417:2007, 2.2]
Примечание 1 - Применение коррекций по частотным или временным характеристикам, а также ограничение полосы частот измерений отражают соответствующим подстрочным индексом. Например, LpA - уровень звукового давления, корректированного по A.
Примечание 2 - Определение содержательно совпадает с
[21], 8 - 22.
3.3 эквивалентный уровень звукового давления (time-averaged sound pressure level) Lp,T: Десятикратный десятичный логарифм отношения усредненного на заданном временном интервале T (с началом t1 и окончанием t2) квадрата звукового давления p к квадрату опорного звукового давления p0 (p0 = 20 мкПа), выраженный в децибелах (дБ),

(2)
Примечание 1 - Обычно подстрочный индекс "T" опускают, поскольку из самого названия термина следует, что величину определяют на заданном временном интервале.
Примечание 2 - В большинстве применений интегрирование на временном интервале T сопровождается использованием коррекции по частотной характеристике A. Соответствующую величину обозначают LpA,T или сокращенно LpA.
Примечание 3 - Определение термина модифицировано по отношению к
[20], 2.3.
3.4 уровень экспозиции отдельного шумового события (single event time-integrated sound pressure level) LE: Десятикратный десятичный логарифм отношения интегрированного на заданном временном интервале T (с началом t1 и окончанием t2) квадрата звукового давления p отдельного шумового события (звукового импульса или переходного процесса) к опорному значению дозы шума E0 [E0 = (20 мкПа)2с = 4·10-10 Па2·с], выраженный в децибелах (дБ),

(3)
Примечание 1 - Данная величина может быть выражена через эквивалентный уровень звукового давления по формуле

, где
T0 = 1 с.
Примечание 2 - В случае описания звуковой иммиссии данную величину обычно называют "уровень звукового воздействия" (см.
[20]).
3.5 продолжительность измерений (measurement time interval) T: Период, включающий в себя часть операционного цикла или несколько операционных циклов источника шума, в течение которого проводят измерения эквивалентного уровня звукового давления.
Примечание - Выражают в секундах (с).
3.6 свободное (звуковое) поле (acoustic free field): Звуковое поле в однородной изотропной безграничной среде.
Примечание - На практике свободным считают звуковое поле, в котором влияние отражения звука от границ или других объектов в диапазоне частот измерений пренебрежимо мало.
3.7 свободное (звуковое) поле над звукоотражающей плоскостью (acoustic free field over a reflecting plane): Свободное звуковое поле в полупространстве над бесконечной звукоотражающей плоскостью при отсутствии других объектов, влияющих на распространение звуковых волн.
3.8 звукоотражающая плоскость (reflecting plane): Отражающая звук плоская поверхность, на которую устанавливают испытуемый источник шума.
3.9
диапазон частот измерений (frequency range of interest): Диапазон частот, включающий в себя октавные полосы со среднегеометрическими частотами (номинальными) от 125 до 8000 Гц (третьоктавные полосы со среднегеометрическими частотами от 100 до 10 000 Гц).
Примечание - В отдельных случаях диапазон частот измерений может быть расширен или сокращен, если при этом условия испытаний и применяемые средства измерений будут удовлетворять требованиям настоящего стандарта. Любое расширение или сокращение диапазона частот измерений отражают в протоколе испытаний.
3.10 огибающий параллелепипед (reference box): Воображаемая поверхность в виде прямоугольного параллелепипеда наименьшего объема, опирающегося одной гранью на звукоотражающую плоскость (или несколькими гранями на несколько звукоотражающих плоскостей) и заключающего в себе все элементы испытуемого источника шума, излучение которых дает существенный вклад в общий шум источника, вместе с испытательным столом (стендом), на который источник шума установлен.
Примечание - При необходимости может быть использован испытательный стол самых малых размеров, обеспечивающий совместимость с измерениями звукового давления излучения в контрольных точках вблизи источника шума, например в соответствии с
[18].
3.11 характеристический размер (источника) (characteristic source dimension) d0: Расстояние от начала системы координат до самой дальней вершины огибающего параллелепипеда.
Примечание - Выражают в метрах (м).
3.12
измерительное расстояние (measurement distance)
d: Расстояние между огибающим параллелепипедом и измерительной поверхностью в форме прямоугольного параллелепипеда.
Примечание - Выражают в метрах (м).
3.13 измерительный радиус (measurement radius) r: Радиус измерительной поверхности, имеющей вид полусферы, половины полусферы или четверти полусферы.
Примечание - Выражают в метрах (м).
3.14 измерительная поверхность (measurement surface): Воображаемая поверхность, охватывающая испытуемый источник шума, пересечение которой со звукоотражающей плоскостью (плоскостями) имеет вид замкнутой кривой и на которой располагают точки установки микрофонов (точки измерений).
3.15 фоновый шум (background noise): Шум от всех источников, кроме испытуемого.
Примечание - Может включать в себя воздушный шум, шум излучения вибрирующих поверхностей, электрический шум средств измерений.
3.16 коррекция на фоновый шум (background noise correction) K1: Поправка к полученному значению эквивалентного уровня звукового давления на измерительной поверхности, вносимая для учета влияния фонового шума.
Примечание 1 - Выражают в децибелах (дБ).
Примечание 2 - Зависит от частоты. При измерениях в полосе частот коррекцию на фоновый шум обозначают K1f, где f - среднегеометрическая частота полосы. При измерениях в широкой полосе с коррекцией по частотной характеристике A коррекцию на фоновый шум обозначают K1A.
3.17 коррекция на свойства испытательного пространства (environmental correction) K2: Поправка к усредненному (методом энергетического суммирования) по точкам измерений (местам установки микрофонов) на измерительной поверхности эквивалентному уровню звукового давления, вносимая для учета влияния отраженного и поглощенного звука.
Примечание 1 - Выражают в децибелах (дБ).
Примечание 2 - Зависит от частоты. При измерениях в полосе частот коррекцию на свойства испытательного пространства обозначают K2f, где f - среднегеометрическая частота полосы. При измерениях в широкой полосе с коррекцией по частотной характеристике A коррекцию на свойства испытательного пространства обозначают K2A.
Примечание 3 - В общем случае коррекция на свойства испытательного пространства зависит от площади S измерительной поверхности. Как правило, с увеличением S коррекция на свойства испытательного пространства увеличивается.
3.18
эквивалентный уровень звукового давления на поверхности (surface time-averaged sound pressure level)

: Усредненный (методом энергетического суммирования) по точкам измерений или траекториям сканирования на измерительной поверхности эквивалентный уровень звукового давления после внесения коррекций на фоновый шум
K1 и свойства испытательного пространства
K2.
Примечание - Выражают в децибелах (дБ).
3.19
уровень экспозиции отдельного шумового события на поверхности (surface single event time-integrated sound pressure level)

: Усредненный (методом энергетического суммирования) по точкам измерений или траекториям сканирования на измерительной поверхности уровень экспозиции отдельного шумового события после внесения коррекций на фоновый шум
K1, и свойства испытательного пространства
K2.
Примечание - Выражают в децибелах (дБ).
3.20 звуковая мощность (через поверхность) (sound power) P: Интеграл по поверхности от произведения звукового давления p и составляющей скорости колебаний точки поверхности, нормальной к этой поверхности, un.
[ISO 80000-8:2007, 8 - 16]
Примечание 1 - Выражают в ваттах (Вт).
Примечание 2 - Данная величина характеризует скорость излучения звуковой энергии источником в воздушную среду.
3.21 уровень звуковой мощности (sound power level) LW: Десятикратный десятичный логарифм отношения звуковой мощности P к опорной звуковой мощности P0 (P0 = 1 пВт), выраженный в децибелах,

(4)
Примечание 1 - При измерениях с применением коррекции по одной из частотных характеристик, установленных IEC 61672-1, или в заданной полосе частот в обозначение уровня звуковой мощности добавляют соответствующий подстрочный индекс. Например, LWA обозначает уровень звуковой мощности, корректированный по A.
Примечание 2 - Определение содержательно совпадает с
[21], 8 - 23.
[ISO/TR 25417:2007, 2.9]
3.22 звуковая энергия (sound energy) J: Интеграл от звуковой мощности P на заданном временном интервале T (с началом t1 и окончанием t2),

(5)
Примечание 1 - Выражают в джоулях (Дж).
Примечание 2 - Данную величину обычно используют для описания нестационарных процессов и перемежающихся звуковых событий.
[ISO/TR 25417:2007, 2.10]
3.23 уровень звуковой энергии (sound energy level) LJ: Десятикратный десятичный логарифм отношения звуковой энергии J к опорной звуковой энергии J0 (J0 = 1 пДж), выраженный в децибелах,

(6)
Примечание - При измерениях с применением коррекции по одной из частотных характеристик, установленных IEC 61672-1, или в заданной полосе частот в обозначение уровня звуковой энергии добавляют соответствующий подстрочный индекс. Например, LJA обозначает уровень звуковой энергии, корректированный по A.
[ISO/TR 25417:2007, 2.11]
3.24
кажущийся показатель направленности (apparent directivity index)
DIi: Величина, характеризующая степень направленности излучения звука испытуемым источником шума в направлении
i-й точки измерения (
i-го места установки микрофона) на измерительной поверхности относительно излучения, усредненного по всей измерительной поверхности, и определяемая по формуле

(7)
где Lpi(ST) - эквивалентный уровень звукового давления или уровень экспозиции отдельного шумового события с внесенной коррекцией на фоновый шум в i-й точке измерения (i-м месте установки микрофона) на измерительной поверхности при работающем испытуемом источнике шума, дБ;

- усредненный (методом энергетического суммирования) по точкам измерений на измерительной поверхности эквивалентный уровень звукового давления или уровень экспозиции отдельного шумового события при работающем испытуемом источнике шума, дБ;
K1 - коррекция на фоновый шум, дБ.
Примечание 1 - Выражают в децибелах (дБ).
Примечание 2 - Кажущийся показатель направленности определяют по результатам измерений эквивалентных уровней звукового давления, создаваемого испытуемым источником шума, с коррекцией на фоновый шум, но без коррекции на свойства испытательного пространства.
3.25
кажущийся показатель неравномерности уровня звукового давления (на поверхности) 
(apparent surface sound pressure level non-uniformity index)

: Величина, характеризующая неравномерность распределения полученных значений эквивалентных уровней звукового давления по точкам измерительной поверхности и определяемая по формуле

(8)
где Lpi(ST) - эквивалентный уровень звукового давления или уровень экспозиции отдельного шумового события с внесенной коррекцией на фоновый шум в i-й точке измерения (i-м месте установки микрофона) на измерительной поверхности при работающем испытуемом источнике шума, дБ;
Lpav - среднее арифметическое Lpi(ST), i = 1, ..., NM, дБ;
NM - число точек измерений (мест установки микрофонов).
Примечание 1 - Выражают в децибелах (дБ).
Примечание 2 - Если измерительная поверхность задана измерительным радиусом
r или измерительным расстоянием
d, то кажущийся показатель неравномерности уровня звукового давления обозначают соответственно

и

.
Примечание 3 - Кажущийся показатель неравномерности уровня звукового давления определяют по результатам измерений эквивалентных уровней звукового давления, создаваемого испытуемым источником шума, с коррекцией на фоновый шум, но без коррекции на свойства испытательного пространства.
4 Испытательное пространство
4.1 Общие положения
Испытательным пространством, пригодным для проведения измерений в соответствии с настоящим стандартом, могут быть:
a) лабораторное помещение или площадка на открытом воздухе, изолированные от внешнего фонового шума (см.
4.2) и обеспечивающие условия свободного звукового поля над отражающей плоскостью;
b) помещение или площадка на открытом воздухе, изолированные от внешнего фонового шума (см.
4.2), в которых могут быть применены коррекции на свойства испытательного пространства, позволяющие учесть ограниченный вклад отраженных звуковых волн в звуковое давление на измерительной поверхности.
Испытания не следует проводить в условиях значительных нежелательных воздействий на применяемые в измерениях микрофоны (сильных электрических и магнитных полей, ветра, воздушных струй от испытуемого источника шума, высоких или низких температур). При оценке таких нежелательных воздействий следует руководствоваться инструкциями изготовителей средств измерений.
Если измерения выполняют на открытом воздухе, то необходимо минимизировать нежелательное воздействие атмосферных условий (температуры и влажности воздуха, ветра, осадков) на излучение и распространение звука в диапазоне частот измерений, а также на фоновый шум в процессе измерений.
Если отражающая поверхность не является поверхностью земли или частью внутренней поверхности испытательного помещения, то следует убедиться, что эта поверхность не излучает значительный шум вследствие своей вибрации.
4.2 Требования к уровню фонового шума
4.2.1 Критерий по относительным значениям
Требования настоящего стандарта к фоновому шуму считают выполненными, если усредненные по точкам установки микрофонов или по траекториям сканирования (см.
8.2.2) эквивалентные уровни звукового давления фонового шума будут ниже соответствующего эквивалентного уровня звукового давления испытуемого источника шума, измеренного в условиях действия фонового шума, на величину

, равную или превышающую 6 дБ (предпочтительно 15 дБ). При измерениях в полосах частот указанное требование должно соблюдаться для каждой полосы в пределах диапазона частот измерений.
Примечание 1 - Тот же самый критерий применяют при сравнении с уровнем экспозиции отдельного шумового события, при этом продолжительность измерений для фонового шума должна совпадать с продолжительностью измерений для этого события.
Примечание 2 - Если для перемещения микрофона по траектории сканирования используют специальный механизм, то шум данного механизма во время работы рассматривают как составляющую фонового шума и измерения фонового шума для проверки соответствия критерию проводят при работающем механизме.
4.2.1.2 Критерий по относительным значениям для отдельных полос
Даже если фоновый шум в испытательном пространстве весьма низок, требование, установленное в
4.2.1.1, может не соблюдаться для какой-то одной или нескольких полос диапазона частот измерений. Допускается из проверки по критерию фонового шума исключить полосы частот, для которых уровень звуковой мощности (звуковой энергии) с коррекцией по частотной характеристике A испытуемого источника шума будет не менее чем на 15 дБ ниже максимального значения этой величины по всем полосам диапазона частот измерений.
4.2.1.3 Критерий по относительным значениям для измерений с коррекцией по частотной характеристике A
Если проводят измерения корректированного по A уровня звуковой мощности (звуковой энергии), то для определения соответствия условий измерений критерию по фоновому шуму настоящего стандарта выполняют следующие действия:
a) вычисляют корректированный по A уровень звуковой мощности (звуковой энергии) по данным измерений в каждой полосе диапазона частот измерений;
b) повторяют вычисления, исключив полосы, для которых

.
Если разность значений, полученных в результате выполнения
этапов a) и
b), составит менее 0,5 дБ, то измерения уровня звуковой мощности (звуковой энергии) с коррекцией по частотной характеристике A с использованием данных по всем полосам диапазона частот измерений можно считать выполненными с соблюдением критерия по фоновому шуму.
Примечание - При необходимости проведения измерений с точностью технического метода, когда разность между эквивалентными уровнями звукового давления одного только фонового шума и фонового шума вместе с испытуемым источником составляет менее 6 дБ, можно использовать методы, установленные в
[13] или
[14].
4.2.2 Критерий по абсолютным значениям
Если можно показать, что уровни фонового шума в испытательном пространстве во время проведения измерений не превышают значений, приведенных в
таблице 1 для всех полос диапазона частот измерений, то считают, что требования настоящего стандарта к фоновому шуму выполнены даже в том случае, когда соответствие критерию по относительным значениям, установленному в
4.2.1.1, соблюдается не для всех полос диапазона. В этом случае можно предположить, что в указанных полосах излучение звука источником незначительно и полученные для них результаты измерений уровня звуковой мощности (звуковой энергии) являются оценками сверху.
Таблица 1
Максимально допустимые уровни фонового шума
в испытательном пространстве
Среднегеометрическая частота третьоктавной полосы частот, Гц | Максимальный уровень эквивалентного звукового давления фонового шума, дБ |
50 | 44 |
63 | 38 |
80 | 32 |
100 | 27 |
125 | 22 |
160 | 16 |
200 | 13 |
250 | 11 |
315 | 9 |
400 | 8 |
500 | 7 |
630 | 7 |
800 | 7 |
1000 | 7 |
1250 | 7 |
1600 | 7 |
2000 | 7 |
2500 | 8 |
3150 | 8 |
4000 | 8 |
5000 | 8 |
6300 | 8 |
8000 | 12 |
10 000 | 14 |
12 500 | 11 |
16 000 | 46 |
20 000 | 46 |
Если полученные значения эквивалентного уровня звукового давления (уровня экспозиции отдельного шумового события) испытуемого источника шума окажутся меньше значений, приведенных в
таблице 1, то соответствующие полосы исключают из диапазона частот измерений. В этом случае в протоколе испытаний указывают, в каком диапазоне частот были проведены измерения.
4.2.3 Несоответствие критериям по фоновому шуму
Если не соблюдены критерии ни по относительному (см.
4.2.1), ни по абсолютному (см.
4.2.2) значениям, то в протоколе испытаний должно быть указано, что требования настоящего стандарта к фоновому шуму не выполнены. Должны быть указаны полосы, в которых соответствие критериям не соблюдено. В этом случае в протоколе испытаний не допускается в явном или неявном виде указывать, что измерения проведены в полном соответствии с настоящим стандартом.
4.3 Требования к испытательному пространству
4.3.1 Общие положения
Испытательное пространство должно обеспечивать возможность построения измерительной поверхности, полностью лежащей внутри звукового поля, существенно свободного от нежелательных отражений звука от границ испытательного пространства (помещения) или соседних объектов.
По возможности из испытательного пространства следует убрать все звукоотражающие объекты, за исключением предусмотренной отражающей плоскости (плоскостей).
Примечание 1 - Посторонний объект вблизи источника шума рассматривают как звукоотражающий, если его ширина (например, диаметр шеста или опоры) более 1/10 расстояния от этого объекта до огибающего параллелепипеда.
Расстояние от линии пересечения измерительной поверхности со звукоотражающими плоскостями до границ этих плоскостей должно быть не менее 0,5 м. Коэффициент звукопоглощения звукоотражающих плоскостей должен быть менее 0,1 во всем диапазоне частот измерений.
Примечание 2 - Обычно в качестве звукоотражающих поверхностей выбирают гладкие бетонные поверхности или покрытия из уплотненного асфальта.
Методы определения значения коррекции на свойства испытательного пространства
K2, позволяющей учесть его отличие от идеальных условий испытаний, приведены в
приложении A. Измерения могут рассматриваться как выполненные в соответствии с требованиями настоящего стандарта только в том случае, когда
K2A <= 4 дБ (см.
4.3.2,
[25]).
Примечание 3 - Если
K2A >= 4 дБ, то при необходимости проведения измерений с точностью технического метода можно использовать методы, установленные в
[3],
[4],
[6],
[13] или
[14], а при необходимости проведения измерений с точностью ориентировочного метода - в
[5].
Примечание 4 - В некоторых особых случаях горизонтальная поверхность испытательного пространства не может быть звукоотражающей (например, при испытаниях газонокосилок или землеройных машин некоторых типов). Тогда в соответствующем испытательном коде по шуму должны быть подробно описаны поверхность, на которую устанавливают машину при испытаниях, и возможное влияние выбора такой поверхности на неопределенность измерения.
При проведении испытаний в заглушенной камере со звукоотражающим полом, удовлетворяющей требованиям ISO 3745, коррекцию на свойства испытательного пространства K2 считают равной нулю.
При проведении испытаний на плоских открытых площадках с асфальтовым или бетонным покрытием и отсутствием звукоотражающих объектов, расположенных на расстоянии от испытуемого источника шума меньшем, чем десятикратное максимальное расстояние от геометрического центра источника до точек измерений внизу измерительной поверхности, считают, что коррекция на свойства испытательного пространства K2 менее 0,5 дБ и может рассматриваться как незначительная.
4.3.2 Критерий пригодности испытательного пространства
Вначале определяют значение
K2A для всего диапазона частот измерений одним из методов, описанных в
приложении A. После этого:
a) если K2A > 4 дБ, то условия испытаний считают не соответствующими настоящему стандарту;
b) если
K2A <= 4 дБ, то измерения могут быть проведены в соответствии с настоящим стандартом в полосах частот или с коррекцией по частотной характеристике A при использовании измерительных поверхностей, описанных в
приложениях B,
C и
D. Кроме того, может быть выполнено непосредственное измерение корректированного по A эквивалентного уровня звукового давления при альтернативном размещении микрофонов в соответствии с
приложением F.
Если измерения проводят в полосах частот, то соответствующие значения
K2 должны быть получены для каждой такой полосы во всем диапазоне частот измерений в соответствии с
разделом A.2 или
A.3. При этом
LW или
LJ должны быть измерены в полосах частот, после чего по результатам этих измерений могут быть рассчитаны
LWA или
LJA (см.
приложение E).
5.1 Общие положения
Измерительная система, включая микрофоны и соединительные кабели, должна соответствовать требованиям к средствам измерений класса 1 по IEC 61672-1, а электронные фильтры - класса 1 по IEC 61260-1.
5.2 Калибровки
До и после каждой серии измерений проверяют калибровку каждой измерительной цепи на одной или нескольких частотах в пределах диапазона частот измерений с использованием акустического калибратора класса 1 по IEC 60942 без выполнения регулировок измерительной цепи. Разность показаний до и после проведения измерений не должна превышать 0,5 дБ. Если данное требование не соблюдено, то результаты измерений считают недостоверными.
Работы по калибровке акустического калибратора, проверке соответствия измерительной системы требованиям к средствам измерений класса 1 по IEC 61672-1, электронных фильтров - классу 1 по IEC 61260-1 и, при необходимости, образцового источника шума - ISO 6926 выполняют периодически в специализированной лаборатории.
Рекомендуемый минимальный интервал между калибровками для акустических калибраторов составляет 1 год, для образцовых источников шума - 2 года, для средств измерений класса 1 по IEC 61672-1 - 2 года, для фильтров класса 1 по IEC 61260-1 - 2 года.
6 Расположение, установка и работа испытуемого источника шума
6.1 Общие положения
Способ установки испытуемого источника шума и условия его работы во время испытаний способны оказать существенное влияние на результаты измерений. Соблюдение требований настоящего раздела позволит минимизировать изменчивость излучения шума источником, обусловленную способом его установки и условиями работы. При наличии испытательного кода по шуму, в котором подробно описаны условия размещения, установки и работы машин данного вида при испытаниях, следует руководствоваться требованиями испытательного кода.
Необходимо определить (особенно для крупных машин), какие именно элементы (узлы, вспомогательные устройства, источники питания и т.п.) являются неотъемлемой частью источника с точки зрения излучаемого им шума.
6.2 Вспомогательное оборудование
Следует убедиться, что вспомогательное оборудование (кабели, трубопроводы, воздуховоды и т.п.), соединенное с испытуемым источником шума, не излучает значительную звуковую энергию в испытательное пространство.
По возможности все вспомогательное оборудование, необходимое для работы источника шума во время испытаний, но не составляющее его неотъемлемую часть, следует разместить за пределами испытательного пространства. Если это трудновыполнимо, то принимают меры, чтобы максимально снизить акустический шум, излучаемый в испытательное пространство этим оборудованием. При невозможности ни удалить вспомогательное оборудование, ни существенно снизить его излучение в испытательное пространство это вспомогательное оборудование считают составной частью испытуемого источника шума и с его учетом определяют размеры огибающего параллелепипеда (см.
7.1).
6.3 Расположение испытуемого источника шума
Испытуемый источник шума устанавливают по отношению к звукоотражающей плоскости (плоскостям) или управляют его перемещениями по звукоотражающей плоскости таким же образом, как и при нормальном использовании в условиях применения. Испытуемый источник шума должен находиться на достаточном удалении от стен, потолка и других отражающих объектов, чтобы иметь возможность построить вокруг него измерительную поверхность в соответствии с требованиями
приложения A.
Типичные условия испытаний некоторых машин могут включать в себя две или более звукоотражающих поверхностей (например, для машины в условиях применения устанавливаемой у стены), свободное пространство (например, для грузоподъемного механизма) или вертикальную звукоотражающую плоскость с отверстием в ней (так, чтобы излучение звука могло распространяться по обе ее стороны). При размещении источника шума следует руководствоваться требованиями настоящего стандарта и соответствующего испытательного кода по шуму (при его наличии).
6.4 Условия установки
6.4.1 Общие положения
Во многих случаях условия установки источника шума на опорную поверхность существенно влияют на излучаемую звуковую мощность (звуковую энергию). Если существуют типовые способы монтажа испытуемого источника в условиях его применения, то их по возможности следует использовать при испытаниях.
При выборе способа установки испытуемого источника следует руководствоваться рекомендациями изготовителя, если только иное не установлено в испытательном коде по шуму для машин данного вида. Если типовых способов установки не существует или они не могут быть применены в испытаниях, а также при наличии нескольких допустимых способов, следует убедиться, что выбранный способ установки не приводит к изменениям излучаемого шума, нетипичным для данного источника. Следует выбирать такие способы, при которых вклад излучения опорной конструкции источника шума в общий шум, излучаемый источником, минимален.
Часто источники шума малых размеров с незначительным излучением в низкочастотной области могут при неподходящем выборе способа крепления передавать значительную низкочастотную вибрацию в опорную конструкцию, обладающую хорошей излучательной способностью в области низких частот. В этом случае рекомендуется использовать виброизолирующие прокладки между испытуемым источником шума и опорной конструкцией. При этом опорная конструкция должна быть жесткой (т.е. иметь значительный входной механический импеданс), чтобы предотвратить возбуждение в ней чрезмерных колебаний с последующим излучением звука. Виброизолирующие прокладки используют, только если это предусмотрено типичными условиями применения источника шума.
На шумовое излучение испытуемого источника могут также оказывать влияние условия сопряжения механизмов (например, привода и машины). Подходящим решением может быть применение гибкой муфты. Вопрос применимости гибкой муфты аналогичен рассмотренному выше в отношении виброизолирующих прокладок.
6.4.2 Ручные машины и оборудование
Ручную машину при испытаниях удерживают руками оператора или подвешивают таким образом, чтобы исключить передачу к ней вибрации через любые вспомогательные приспособления, не являющиеся частью машины. Если источник шума для своей работы требует опору, то опора должна быть малых размеров и рассматриваться как часть испытуемого источника шума. Вид опоры описывают в испытательном коде по шуму (при его наличии).
6.4.3 Машины настольные, настенные и устанавливаемые на основание
Машины данного вида при испытаниях устанавливают на звукоотражающую (акустически жесткую) поверхность (пол или стену). Машины, которые в условиях применения устанавливают на специальное основание рядом со стеной, при испытаниях устанавливают на акустически жесткую поверхность перед акустически жесткой стеной. Испытуемый настольный станок или другое настольное оборудование устанавливают на пол на расстоянии не менее 1,5 м от стены испытательного помещения, если только стол или стенд не является необходимым элементом для нормальной работы машины согласно соответствующему испытательному коду по шуму. В последнем случае испытательный стол или стенд должны находиться на расстоянии не менее 1,5 м от любой звукопоглощающей поверхности испытательного пространства. Испытуемую машину устанавливают в центре стандартного испытательного стола.
Примечание - Пример испытательного стола приведен в
[18].
6.5 Движущиеся источники шума
Звуковую мощность, излучаемую движущимися источниками шума, определяют в процессе перемещения источника по заданному участку прямолинейного пути. Колеса, гусеницы и другие средства, служащие для опоры и движения машины, а также система их подвески при испытаниях должны быть теми же, что и при нормальном применении машины.
6.6 Работа источника шума во время испытаний
На излучаемую стационарным или движущимся источником звуковую мощность или звуковую энергию могут влиять приложенная нагрузка, рабочая скорость или скорость движения и режим работы. По возможности источник испытывают в условиях, представительных с точки зрения максимального создаваемого шума при типичном применении и, с другой стороны, обеспечивающих воспроизводимость результатов измерений. При наличии испытательного кода по шуму руководствуются установленными в нем требованиями к условиям работы источника во время испытаний, а при его отсутствии испытания проводят в одном или нескольких из следующих режимов работы:
a) в заданном режиме работы при заданной нагрузке;
b) при максимальной нагрузке, если она отличается от указанной в
перечислении a);
c) на холостом ходу;
d) на максимальной рабочей скорости в заданном режиме;
e) в типовом режиме работы, когда шум источника максимален;
f) в заданном режиме работы с моделируемой нагрузкой;
g) с воспроизведением типового рабочего цикла.
Перед проведением измерений уровня звуковой мощности или звуковой энергии работа источника шума должна быть стабилизирована в заданном режиме, включая температурную стабилизацию источника питания и системы привода. Нагрузку, скорость и другие рабочие характеристики в процессе испытаний поддерживают постоянными либо циклически изменяют установленным образом.
Если акустическое излучение источника зависит от других факторов, таких как обрабатываемый материал или применяемый вставной инструмент, то они должны соответствовать, насколько это возможно, типичным условиям применения источника и при этом обеспечивать наименьший разброс результатов измерений. Если испытания проводят с моделированием нагрузки, то ее выбирают так, чтобы шум источника был представителен для нормальных условий его применения.
7 Огибающий параллелепипед и измерительная поверхность
7.1 Огибающий параллелепипед
Форму и размеры испытательной поверхности выбирают исходя из формы и размеров огибающего параллелепипеда. Последний представляет собой воображаемую поверхность в виде прямоугольного параллелепипеда наименьших размеров, полностью вмещающий в себя испытуемый источник шума, за исключением, может быть, отдельных выступающих частей, про которые известно, что они не дают заметного вклада в излучаемый источником шум.
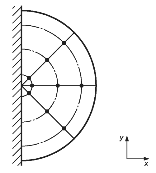
Положение огибающего параллелепипеда, измерительной поверхности и точек установки микрофонов определяют относительно системы координат, как показано на
рисунке 1. Точка O начала координат является центром параллелепипеда, получаемого рядом зеркальных отражений относительно звукоотражающих плоскостей. Сначала отражают огибающий параллелепипед относительно первой (произвольно выбранной) звукоотражающей плоскости. Результатом является параллелепипед, образованный огибающим параллелепипедом и его отражением. После этого процедуру повторяют отражениями параллелепипеда, полученного на предыдущем шаге, относительно второй, а затем третьей звукоотражающей плоскости (при их наличии). Оси
x и
y системы координат лежат в плоскости горизонтальной звукоотражающей плоскости и параллельны соответствующим ребрам огибающего параллелепипеда. На
рисунке 1 показан характеристический размер источника
dO, используемый при определении размеров измерительной поверхности, для огибающих параллелепипедов в случае одной, двух и трех звукоотражающих плоскостей.

a) Одна звукоотражающая плоскость,

b) Две звукоотражающие плоскости,

c) Три звукоотражающие плоскости,

dO - характеристический размер источника;
l1, l2, l3 - ширина, длина и высота огибающего
параллелепипеда; O - начало координат
Рисунок 1 - Огибающий параллелепипед для случаев
одной, двух и трех звукоотражающих плоскостей
7.2 Измерительная поверхность
7.2.1 Общие положения
Измерительная поверхность представляет собой воображаемую поверхность площади S, охватывающую огибающий параллелепипед и пересекающую все звукоотражающие плоскости, на которой лежат точки измерений (места установки микрофонов) или траектории сканирования. Измерительная поверхность может быть следующих видов:
a) полусфера, половина полусферы или четверть полусферы с измерительным радиусом
r (см.
приложение B);
b) прямоугольный параллелепипед, грани которого параллельны соответствующим граням огибающего параллелепипеда и отстоят от них на измерительное расстояние
d (см.
приложение C);
c) цилиндр, половина цилиндра или четверть цилиндра диаметром 2
R и высотой
h (см.
приложение D);
d) комбинированная поверхность, элементы которой являются участками поверхностей, указанных в
перечислениях a) -
c).
В общем случае вид измерительной поверхности может быть выбран исходя из формы и размеров испытуемого источника шума, а также условия, что расстояние от каждого микрофона до источника шума должно быть приблизительно одинаковым. Кроме того, результат измерений уровней звуковой мощности будет минимальным и наиболее близким к истинному значению измеряемой величины, когда звуковая волна от источника падает на измерительную поверхность под углом 90°. Таким образом, для источников шума относительно малых размеров наилучшим решением может быть полусфера, для источников, чья форма близка к параллелепипеду, - прямоугольный параллелепипед, а для высоких, но не широких и не длинных источников - поверхность цилиндра. Однако, поскольку разные измерительные поверхности предъявляют разные требования к минимальному расстоянию между микрофонами и источником, во внимание необходимо принимать также другие факторы, такие как уровень фонового шума и отраженного звука в испытательном помещении или размер источника относительно используемой области измерений в испытательном пространстве.
Примечание - Если целью испытаний является получение значения уровня звуковой мощности или звуковой энергии, которое потом будет сравниваться с некоторым предельным значением, то в испытательном коде по шуму могут быть указаны размер и форма измерительной поверхности, позволяющие уменьшить неопределенность результата сравнения.
Если предполагается проведение испытаний для серии однотипных источников шума (например, машин одного типа или одного вида, близких по размерам), то для них используют одну и ту же измерительную поверхность.
7.2.2 Ориентация микрофонов
Микрофоны на измерительной поверхности устанавливают таким образом, чтобы их рабочие оси (по IEC 61672-1) были перпендикулярны к измерительной поверхности. Если микрофон устанавливают в вершине измерительной поверхности в форме параллелепипеда, то его рабочая ось должна быть направлена в точку O начала координат (см.
рисунок 1).
Примечание - Обычно у микрофонов, предназначенных для измерений в свободном звуковом поле, рабочая ось совпадает с продольной осью корпуса микрофона (с предусилителем). Для микрофонов, предназначенных для измерений в диффузном поле, рабочая ось перпендикулярна к продольной оси корпуса микрофона.
7.2.3 Полусферическая измерительная поверхность
Центр полусферической измерительной поверхности должен совпадать с началом координат О (см.
рисунок 1). Измерительный радиус
r должен быть не менее удвоенного характеристического размера
dO, не менее 1 м и не более 16 м.
Для источников шума малых размеров, испытания которых проводят в ограниченном диапазоне частот (см.
3.9), допускается, чтобы измерительный радиус был менее 1 м, но не менее 0,5 м.
Примечание - Уменьшение измерительного радиуса до значений менее 1 м может налагать ограничение на нижнюю границу диапазона частот измерений.
Если радиус полусферической поверхности
r оказывается настолько большим, что не выполняются требования
раздела 4 к испытательному пространству, то используют измерительные поверхности других видов, указанных в 7.2.1 [
перечисления b) -
d)].
При наличии только одной звукоотражающей плоскости измерительная поверхность представляет собой полную полусферу площадью

(см.
8.2.5 и
8.3.6). Если испытуемый источник шума устанавливают у стены, то измерительная поверхность представляет собой половину полусферы и имеет площадь
. Если источник шума устанавливают в углу испытательного помещения, то измерительная поверхность представляет собой четверть полусферы, а ее площадь равна
.
7.2.4 Измерительная поверхность в виде параллелепипеда
Параллелепипед, на поверхности которого проводят измерения, должен быть ориентирован относительно точки O так же, как и огибающий параллелепипед. Измерительное расстояние d должно быть не менее 0,25 м, но по возможности следует выбирать его равным 1 м и более.
Примечание - Уменьшение измерительного расстояния до значений менее 0,5 м может налагать ограничение на нижнюю границу диапазона частот измерений.
При наличии только одной звукоотражающей плоскости площадь S измерительной поверхности рассчитывают по формуле
где a = 0,5l1 + d;
b = 0,5l2 + d;
c = l3 + d;
l1, l2, l3 - длина, ширина и высота огибающего параллелепипеда соответственно.
Если испытуемый источник шума устанавливают у стены (см.
рисунок C.12), то измерительная поверхность имеет площадь, рассчитываемую по формуле
S = 2(2ab + bc + 2ca), (10)
где a = 0,5l1 + 0,5d;
b = 0,5l2 + d;
c = l3 + d;
l1 - длина огибающего параллелепипеда, определяемая по ребру, перпендикулярному к поверхности стены;
l2, l3 - ширина и высота огибающего параллелепипеда соответственно.
Если источник шума устанавливают в углу испытательного помещения (см.
рисунок C.13), то площадь измерительной поверхности рассчитывают по формуле
S = 2(2ab + bc + ca), (11)
где a = 0,5l1 + 0,5d;
b = 0,5l2 + 0,5d;
c = l3 + d;
l1, l2 - соответственно длина и ширина огибающего параллелепипеда, определяемые по ребрам, перпендикулярным к поверхностям образующих угол стен;
l3 - высота огибающего параллелепипеда.
7.2.5 Цилиндрическая измерительная поверхность
Цилиндрическая измерительная поверхность охватывает огибающий параллелепипед таким образом, что центр основания цилиндра совпадает с точкой O начала координат (см.
рисунок 1). Измерительные расстояния до боковых граней огибающего параллелепипеда обозначают соответственно
d1 и
d2, а до верхней грани -
d3 (см.
рисунок D.1). Радиус
R цилиндра равен
а высота h -
h = l3 + d3,
где
l1,
l2,
l3 - длина, ширина и высота огибающего параллелепипеда соответственно. В настоящем стандарте для определенности полагается, что размеры огибающего параллелепипеда обозначены так, что
l1 >=
l2. Поскольку разным точкам измерений (местам установки микрофонов) соответствуют неравные участки измерительной поверхности (см.
приложение D), значения
d1 и
d3 можно выбирать независимо, исходя из размеров испытуемого источника шума или иных соображений. Значения
d1 и
d3 не могут быть меньше 0,5 м. Кроме того, ни одно из них не должно превышать другое более чем в 1,5 раза. Рекомендуется выбирать их равными друг другу и предпочтительно 1 м. После того как
d1 и
d3 определены, определены и размеры цилиндра
R и
h, а значение
d2 рассчитывают по формуле

Площадь
S измерительной поверхности равна сумме площадей верхнего основания цилиндра
ST и его боковой поверхности
SS. При наличии только одной звукоотражающей плоскости площади основания и боковой поверхности рассчитывают соответственно по формулам

и
. Если испытуемый источник шума устанавливают у стены, то измерительная поверхность представляет собой половину цилиндра (см.
рисунок D.3) и для нее

и
. Если источник шума устанавливают в углу испытательного помещения, то измерительная поверхность представляет собой четверть цилиндра (см.
рисунок D.4), для которого

и
.
7.2.6 Комбинированная измерительная поверхность
Комбинированная измерительная поверхность представляет собой поверхность одного из трех основных видов, описанных в
7.2.3 -
7.2.5, но отдельные участки которой (на боковой поверхности или на вершине) имеют другую форму. Одним из таких возможных сочетаний является цилиндрическая измерительная поверхность, у которой плоская вершина заменена полусферой. Другим вариантом может быть измерительная поверхность в виде параллелепипеда, у которого наверху вместо плоской грани половина цилиндрической поверхности. Ориентация комбинированной измерительной поверхности, требования к измерительным расстояниям (радиусам) и расчет площади измерительной поверхности такие же, как для основных видов измерительной поверхности, на основе которого данная комбинированная поверхность построена. Комбинированная измерительная поверхность не должна иметь вогнутых участков и входящих углов.
8 Измерения уровней звуковой мощности и звуковой энергии
8.1 Расположение микрофонов на измерительной поверхности
8.1.1 Полусферическая измерительная поверхность
Если испытуемый источник шума расположен над одной звукоотражающей плоскостью, то микрофоны устанавливают в 10 основных точках измерений, пронумерованных от 1 до 10, координаты которых указаны в
таблице B.1 (см.
рисунок B.1).
Если источник излучает только широкополосный шум, т.е. в нем нет отчетливо различимых тональных составляющих, то можно выбрать другое расположение 10 основных точек измерений в соответствии с
таблицей B.2 (см.
рисунок B.2) или вместо измерений в отдельных точках использовать сканирование микрофоном (траектории сканирования показаны на
рисунке B.5).
Примечание 1 - По соображениям безопасности точка измерений в вершине полусферы может быть исключена, если это предусмотрено соответствующим испытательным кодом по шуму.
Если целью испытаний является определение корректированного по A уровня звуковой мощности непосредственно по измерениям уровней звука в точках на поверхности полусферы, то может использоваться расстановка микрофонов в соответствии с
приложением F.
Примечание 2 - В испытательном коде по шуму для машин конкретного вида указывается один предпочтительный способ расположения точек измерений из установленных настоящим стандартом.
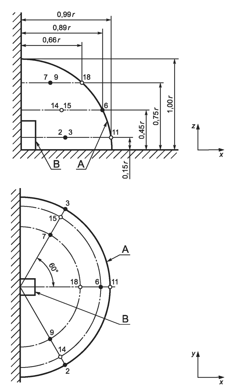
Если испытуемый источник шума расположен рядом с двумя звукоотражающими плоскостями, то микрофоны устанавливают в пяти основных точках измерений с номерами 2, 3, 6, 7 и 9, как указано в
таблице B.2 (см.
рисунок B.3).
Если испытуемый источник шума расположен рядом с тремя звукоотражающими плоскостями, то микрофоны устанавливают в трех основных точках измерений с номерами 1, 2 и 3, как указано в
таблице B.3 (см.
рисунок B.4).
Кроме того, для проведения измерений используют дополнительные точки измерений в следующих случаях:
a) разность между максимальным и минимальным значениями уровня звука, полученными в результате измерений в основных точках в соответствии с
8.2, превышает 10 дБ для случая одной звукоотражающей плоскости (точки от 1 до 10), 5 дБ для случая двух звукоотражающих плоскостей (точки 2, 3, 6, 7 и 9) или 3 дБ для случая трех звукоотражающих плоскостей (точки 1, 2 и 3);
b) испытуемый источник излучает шум с кажущимся показателем направленности при измерениях с коррекцией по частотной характеристике A (см.
8.4), превышающим 5 дБ в любом из направлений.
Примечание 3 - На результат измерений кажущегося показателя направленности может оказать влияние фоновый шум. Если в какой-либо из точек измерений
Lpi(B) отличается от максимального значения

не более чем на 6 дБ, то приоритет следует отдать мерам по снижению фонового шума, а не увеличению числа точек измерений;
c) у источника больших размеров шум излучается только через элементы малых размеров, например через отверстия в кожухе машины.
В случае, указанном в
перечислении a), используют дополнительные точки измерений, пронумерованные от 11 до 20 в соответствии с
таблицей B.1 и
рисунком B.1 или
таблицей B.2 и
рисунком B.2, пронумерованные как 11, 14, 15 и 18 в соответствии с
рисунком B.3 или пронумерованные как 4, 5 и 6 в соответствии с
рисунком B.4 в зависимости от типа источника шума и числа звукоотражающих плоскостей. Дополнительные точки измерений на полной полусфере могут быть получены и другим способом. Для этого измерения проводят в тех же основных точках измерений, но с изменяющейся ориентацией испытуемого источника шума. Источник шума поворачивают против часовой стрелки с шагом 60° в случае, если основные точки измерений расположены, как указано в
таблице 1, или с шагом 180° в случае расположения основных точек измерений в соответствии с
таблицей B.2.
Если имеют место случаи, указанные в
перечислениях b) или
c), то дополнительные точки измерений размещают на участках измерительной поверхности, соответствующих направлениям максимального излучения шума, чтобы обеспечить более подробное описание изменений звукового поля на этих участках. Для этого определяют точку с максимальным эквивалентным уровнем звукового давления по измерительной поверхности, после чего вокруг нее размещают несколько дополнительных точек. Число таких точек выбирают количественно равным диапазону изменений эквивалентных уровней звукового давления в децибелах по измерительной поверхности (т.е. разности между максимальным и минимальным значениями уровня). При этом точкам измерений будут соответствовать неравные по площади участки измерительной поверхности, что необходимо будет учесть при расчете среднего эквивалентного уровня звукового давления (см.
8.2.2.2).
Число точек измерений может быть уменьшено, если предварительными исследованиями для источника шума данного вида установлено, что результат измерения усредненного по измерительной поверхности эквивалентного уровня звукового давления с использованием меньшего числа точек будет отличаться от измеренного с использованием всех точек не более чем на 0,5 дБ. Такое может быть, например, если звуковое поле излучения обладает симметрией. В
приложении F описан альтернативный способ размещения микрофонов, когда их число уменьшено до шести. Какой способ установки микрофонов из описанных в
приложениях B и
F использовать в конкретном случае, должно быть указано в испытательном коде по шуму для машин данного вида. Если микрофоны устанавливают в соответствии с
таблицей B.2, то указанным шести позициям соответствуют номера 1, 11, 4, 14, 7 и 17, а если в соответствии с
таблицей F.1 - то номера 2, 4, 6, 8, 10 и 12.
Если вместо измерений в дискретных точках применяется сканирование микрофоном, то микрофон должен перемещаться с постоянной скоростью по концентрическим круговым траекториям, расположенным в параллельных плоскостях, как описано в
B.4. Если испытуемый источник излучает стационарный широкополосный шум, то число таких круговых траекторий должно быть не менее пяти, а если в шуме присутствуют дискретные частотные составляющие, то не менее 10. Эквивалентный результат можно получить, если микрофон не перемещать по круговой траектории, а установить в фиксированном положении и при этом вращать испытуемый источник шума.
8.1.2 Измерительная поверхность в виде параллелепипеда
Число микрофонов и места их установки или траектории сканирования зависят от размеров огибающего параллелепипеда
l1,
l2 и
l3, а также измерительного расстояния
d. Руководство по определению числа и места точек измерений приведено в
приложении C.
Кроме того, для проведения измерений используют дополнительные точки измерений в следующих случаях:
a) разность между максимальным и минимальным значениями уровня звука, в децибелах, полученными в результате измерений в основных точках в соответствии с
8.2, количественно превышает число точек измерений;
b) испытуемый источник излучает шум с кажущимся показателем направленности при измерениях с коррекцией по частотной характеристике A (см.
8.4), превышающим 5 дБ в любом из направлений.
Примечание 1 - На результат измерений кажущегося показателя направленности может оказать влияние фоновый шум. Если в какой-либо из точек измерений
Lpi(B) отличается от максимального значения

не более чем на 6 дБ, то приоритет следует отдать мерам по снижению фонового шума, а не увеличению числа точек измерений;
c) у источника больших размеров шум излучается только через элементы малых размеров, например через отверстия в кожухе машины.
Если имеют место случаи, указанные в
перечислениях b) или
c), то дополнительные точки измерений размещают на участках измерительной поверхности, соответствующих направлениям максимального излучения шума, чтобы обеспечить более подробное описание изменений звукового поля на этих участках (см.
рисунок C.3 или
рисунок C.6). Для этого определяют точку с максимальным уровнем эквивалентного звукового давления по измерительной поверхности, после чего вокруг нее размещают несколько дополнительных точек. Число таких точек выбирают количественно равным диапазону изменений эквивалентных уровней звукового давления в децибелах по измерительной поверхности (т.е. разности между максимальным и минимальным значениями уровня). При этом точкам измерений будут соответствовать неравные по площади участки измерительной поверхности, что необходимо будет учесть при расчете среднего эквивалентного уровня звукового давления (см.
8.2.2.2).
Число точек измерений может быть уменьшено, если предварительными исследованиями для источника шума данного вида установлено, что результат измерения усредненного по измерительной поверхности эквивалентного уровня звукового давления с использованием меньшего числа точек будет отличаться от измеренного с использованием всех точек не более чем на 0,5 дБ. Такое может быть, например, если звуковое поле излучения обладает симметрией.
Примечание 2 - По соображениям безопасности точка измерений в середине верхней грани параллелепипеда может быть исключена, если это предусмотрено соответствующим испытательным кодом по шуму.
Если шум испытуемого источника постоянен, то допускается проводить измерения сканированием микрофоном с постоянной скоростью вдоль параллельных линий (см.
приложение C).
8.1.3 Цилиндрическая измерительная поверхность
Число микрофонов и места их установки или траектории сканирования зависят от размеров измерительной поверхности. Руководство по определению числа и мест точек измерений приведено в
приложении D.
8.1.4 Комбинированная измерительная поверхность
Для каждого участка комбинированной измерительной поверхности правила определения числа микрофонов и мест их установки должны быть теми же, что и для основных видов измерительных поверхностей (см.
8.1.1 -
8.1.3), на основе которых данная комбинированная поверхность построена.
8.2 Определение уровня звуковой мощности
8.2.1 Измерения эквивалентного уровня звукового давления
В каждой точке установки микрофона или вдоль каждой траектории сканирования измеряют эквивалентный уровень звукового давления испытуемого источника шума

,
i = 1, 2, ...,
NM (в полосах частот или корректированный по A) в каждом выбранном в соответствии с
6.6 режиме работы источника. При задании продолжительности измерений следует учитывать характер создаваемого источником шума (постоянный или непостоянный). Продолжительность измерений указывают в протоколе испытаний. Ее значение при измерениях в каждой полосе частот или в широкой полосе частот с коррекцией по частотной характеристике A должно быть не менее 10 с (предпочтительно 20 с и более). При сканировании микрофоном продолжительность измерений должна быть кратна времени прохождения по траектории с кратностью не менее двух.
Непосредственно до или сразу после измерений

в тех же точках или вдоль той же траектории движения микрофона измеряют эквивалентный уровень звукового давления фонового шума

при той же продолжительности измерений.
8.2.2 Вычисление среднего по измерительной поверхности эквивалентного уровня звукового давления
8.2.2.1 Измерительная поверхность с равномерным распределением точек измерений (траекторий сканирования)
В случае, когда точкам установки микрофонов или траекториям сканирования соответствуют участки измерительной поверхности равной площади, средний по измерительной поверхности эквивалентный уровень звукового давления для шума испытуемого источника, работающего в заданном режиме,

, дБ, вычисляют по формуле

(12)
где

- полученное значение эквивалентного уровня звукового давления (в полосе частот или корректированного по A) в
i-й точке установки микрофона или для
i-й траектории сканирования при работающем испытуемом источнике шума, дБ;
NM - число точек установки микрофонов или траекторий сканирования. Средний по измерительной поверхности эквивалентный уровень звукового давления фонового шума

, дБ, вычисляют по формуле

(13)
где Lpi(B) - полученное значение эквивалентного уровня звукового давления фонового шума в i-й точке установки микрофона или для i-й траектории сканирования, дБ;
NM - число точек установки микрофонов или траекторий сканирования.
8.2.2.2 Измерительная поверхность с неравномерным распределением точек измерений (траекторий сканирования)
В случае, когда точкам установки микрофонов или траекториям сканирования соответствуют участки измерительной поверхности неравной площади, средний по измерительной поверхности эквивалентный уровень звукового давления для шума испытуемого источника, работающего в заданном режиме,

, дБ, вычисляют по формуле

(14)
где

- полученное значение эквивалентного уровня звукового давления (в полосе частот или корректированного по A) в
i-й точке установки микрофона или для
i-й траектории сканирования при работающем испытуемом источнике шума, дБ;
Si - площадь участка измерительной поверхности, соответствующего i-й точке измерений или i-й траектории сканирования, м2;
S - общая площадь измерительной поверхности, м
2,

;
NM - число точек установки микрофонов или траекторий сканирования. Средний по измерительной поверхности эквивалентный уровень звукового давления фонового шума

, дБ, вычисляют по формуле

(15)
где Lpi(B) - полученное значение эквивалентного уровня звукового давления фонового шума в i-й точке установки микрофона или для i-й траектории сканирования, дБ;
Si - площадь участка измерительной поверхности, соответствующего i-й точке измерений или i-й траектории сканирования, м2;
S - общая площадь измерительной поверхности, м2;
NM - число точек установки микрофонов или траекторий сканирования.
8.2.3 Определение коррекции на фоновый шум
Коррекцию на фоновый шум K1, дБ, рассчитывают по формуле

(16)
где

;

- средний по измерительной поверхности эквивалентный уровень звукового давления (в полосе частот или корректированный по A) при работающем испытуемом источнике шума, дБ;

- средний по измерительной поверхности эквивалентный уровень звукового давления фонового шума (в полосе частот или корректированный по A), дБ.
Если

, то
K1 полагают равным нулю и поправку на фоновый шум не вносят.
Коррекцию
K1, рассчитанную по
формуле (16), используют, если

.
Если для одной или нескольких полос

, то это может привести к снижению точности измерений. Для таких полос коррекцию
K1 принимают равной 1,3 дБ (соответствует

). В этих случаях в тексте протокола испытаний, в табличном или графическом представлении результатов измерений указывают, что приведенные для таких полос данные представляют собой оценку уровня звуковой мощности источника шума сверху.
Примечание - Проверка соответствия требованиям, установленным к фоновому шуму, - по
4.2.
8.2.4 Расчет эквивалентного уровня звукового давления по измерительной поверхности
Эквивалентный уровень звукового давления по поверхности

, дБ, получают, внося поправки на фоновый шум
K1, дБ (см.
8.2.3), и на свойства испытательного пространства
K2, дБ (см.
A.2 и
A.3), в значение

по формуле

(17)
8.2.5 Расчет уровня звуковой мощности
Уровень звуковой мощности LW, дБ, для атмосферных условий, имевших место во время испытаний, вычисляют по формуле

(18)
где

- эквивалентный уровень звукового давления по измерительной поверхности, дБ;
S - площадь измерительной поверхности, м2;
S0 = 1 м2.
При пониженном атмосферном давлении (например, в случае измерений на высоте более 500 м над уровнем моря) или при температурах ниже 10 °C оценка уровня звуковой мощности, полученная по
формуле (18), будет смещена. Приведение полученной оценки к значению
LWref,atm, соответствующему нормальным атмосферным условиям (статическому давлению 101,325 кПа и температуре воздуха 23,0 °C), - в соответствии с
приложением G.
8.3 Определение уровня звуковой энергии
8.3.1 Измерения уровня экспозиции отдельного шумового события
В каждой точке установки микрофона измеряют уровень экспозиции отдельного шумового события, создаваемого испытуемым источником шума,
i = 1, 2, ...,
NM, в полосах частот или корректированного по A. Измерения проводят один раз на интервале времени, когда отдельное шумовое событие повторяется
Ne раз, либо
Ne раз для отдельных шумовых событий,
Ne >= 5. Измерения проводят одновременно во всех точках установки микрофонов на периоде, включающем в себя все отдельное шумовое событие полностью. Сканирование микрофоном при измерениях уровней экспозиции отдельного шумового события не применяют.
Примечание - Требование одновременности измерений во всех точках может быть ослаблено, если отдельное шумовое событие обладает хорошей повторяемостью.
Непосредственно до или сразу после измерений

в тех же точках измеряют эквивалентный уровень звукового давления фонового шума
Lpi(B) при той же продолжительности измерений.
8.3.2 Усреднение уровня экспозиции отдельного шумового события по повторным измерениям
Если эквивалентные уровни звукового давления отдельного шумового события измеряют
Ne раз для каждого события в
i-й точке установки микрофона, то средний по этим измерениям уровень экспозиции отдельного шумового события

, дБ, рассчитывают по формуле

(19)
где

- полученное в
q-м измерении (
q = 1, 2, ...,
Ne) значение уровня экспозиции отдельного шумового события в полосе частот или корректированного по A в
i-й точке установки микрофона при работающем испытуемом источнике шума, дБ;
Ne - число измерений отдельного шумового события.
Если уровень экспозиции отдельного шумового события был измерен в
i-й точке установки микрофона один раз для последовательности, включающей
Ne событий, то значение

, дБ, рассчитывают по формуле

(20)
где

- полученное значение уровня экспозиции отдельного шумового события в полосе частот или корректированного по A в
i-й точке установки микрофона при работающем испытуемом источнике шума по измерениям последовательности, включающей
Ne отдельных шумовых событий, дБ;
Ne - число отдельных шумовых событий в измеряемой последовательности.
8.3.3 Вычисление среднего по измерительной поверхности уровня экспозиции отдельного шумового события
Полученные в результате измерений в разных точках измерительной поверхности значения уровня экспозиции отдельного шумового события

, дБ, усредняют для получения

, дБ, тем же способом, что и в
8.2.2.
8.3.4 Определение коррекции на фоновый шум
Коррекцию на фоновый шум K1, дБ, рассчитывают по формуле

(21)
где

;

- средний по измерительной поверхности уровень экспозиции отдельного шумового события (в полосе частот или корректированный по A) при работающем испытуемом источнике шума, дБ;

- средний по измерительной поверхности эквивалентный уровень звукового давления фонового шума (в полосе частот или корректированный по A), дБ (см.
8.2.2).
Время интегрирования
T =
t1 -
t2 и другие параметры измерений при определении
Lpi(B) должны быть теми же, что и при определении
.
8.3.5 Расчет уровня экспозиции отдельного шумового события по измерительной поверхности
Уровень экспозиции отдельного шумового события по поверхности

, дБ, получают, внося поправки на фоновый шум
K1, дБ (см.
8.3.4), и на свойства испытательного пространства
K2, дБ (см.
разделы A.2 и
A.3), в значение

по формуле

(22)
8.3.6 Расчет уровня звуковой энергии
Уровень звуковой энергии LJ, дБ, для атмосферных условий, имевших место во время испытаний, вычисляют по формуле

(23)
где

- уровень экспозиции отдельного шумового события по измерительной поверхности, дБ;
S - площадь измерительной поверхности, м2;
S0 = 1 м2.
При пониженном атмосферном давлении (например, в случае измерений на высоте более 500 м над уровнем моря) или при температурах ниже 10 °C оценка уровня звуковой мощности, полученная по
формуле (23), будет смещена. Приведение полученной оценки к значению
LJref,atm, соответствующему нормальным атмосферным условиям (статическому давлению 101,325 кПа и температуре воздуха 23,0 °C), - в соответствии с
приложением G.
8.4 Расчет кажущегося показателя направленности
Для проверки достаточности точек измерений [см.
8.1.1 b) или
8.1.2 b)] рассчитывают кажущийся показатель направленности (см.
3.24) для измерительной поверхности.
8.5 Расчет кажущегося показателя неравномерности уровня звукового давления
При необходимости рассчитывают кажущийся показатель неравномерности уровня звукового давления (см.
3.25) на измерительной поверхности.
8.6 Определение корректированных по A уровней звуковой мощности и звуковой энергии
Корректированные по A уровни звуковой мощности и звуковой энергии,
LWA и
LJA соответственно, рассчитывают на основе результатов измерений в полосах частот в соответствии с
приложением E.
Для источников, чей шум сосредоточен преимущественно на высоких или низких частотах вне номинального диапазона частот измерений (см.
3.9), при определении
LWA или
LJA диапазон частот измерений следует расширить, чтобы включить в него указанные частоты. Диапазон частот, в котором были проведены измерения, должен быть указан в протоколе испытаний.
9 Неопределенность измерения
9.1 Методология
Стандартные неопределенности для уровня звуковой мощности u(LW), дБ, и уровня звуковой энергии u(LJ), дБ, определяют в соответствии с настоящим стандартом как стандартное отклонение.

(24)
Стандартное отклонение

рассчитывают на основании модели измерений в соответствии с ISO/IEC Guide 98-3. При отсутствии необходимых сведений, позволяющих сформулировать такую модель, прибегают к результатам измерений, выполненных в условиях воспроизводимости.
Тогда стандартное отклонение

определяют через стандартное отклонение воспроизводимости

и стандартное отклонение

, характеризующее нестабильность условий работы и установки испытуемого источника шума, по формуле

(25)
Из
формулы (25) видно, что, прежде чем выбрать метод измерений заданного класса точности (характеризуемого

) для данного семейства машин, необходимо учесть возможный разброс результатов, обусловленный изменениями условий работы и установки этих машин (см.
9.5 и
H.3).
Примечание - Результаты измерений, выполненные разными методами, установленными стандартами серии ISO 3740, могут быть смещены друг относительно друга.
Расширенную неопределенность
U определяют через стандартное отклонение

по формуле

(26)
где k - коэффициент охвата. В предположении, что результат измерений может быть описан нормально распределенной случайной величиной, коэффициент охвата k принимают равным двум, что приблизительно соответствует вероятности охвата 95%. Это означает, что интервалу охвата от [LW - U] до [LW + U] для уровня звуковой мощности или от [LJ - U] до [LJ + U] для уровня звуковой энергии будет соответствовать 95% площади под кривой плотности распределения случайной величины.
Если полученное в результате измерений значение уровня звуковой мощности (звуковой энергии) предполагается сопоставить с неким предельным значением, то иногда более уместным может быть рассмотрение одностороннего интервала охвата для указанной случайной величины. Тогда при том же уровне доверия 95% значение коэффициента охвата будет равно k = 1,6.
9.2 Определение 
Стандартное отклонение

[см.
формулу (H.1)], характеризующее неопределенность, связанную с нестабильностью воспроизведения условий работы и установки источника шума, может давать существенный вклад в неопределенность измерения уровня звуковой мощности (звуковой энергии). Для получения оценки

можно провести отдельную серию повторных измерений для одного и того же источника шума в одном и том же месте установки одним и тем же испытателем, используя при этом одну и ту же измерительную систему и одну и ту же точку (или точки) измерений. Повторные измерения проводят в отношении

[или

] в точке измерений, где значение этой величины максимально, или в отношении

[или

]. К полученным результатам применяют коррекцию на фоновый шум. Перед каждым повторным измерением испытуемый источник шума устанавливают заново и заново устанавливают необходимый режим работы. Если испытания проводят для единственного экземпляра источника шума, то полученное по повторным измерениям выборочное стандартное отклонение обозначают

. В соответствующем испытательном коде по шуму может быть приведена оценка

для соответствующего семейства машин. Можно ожидать, что такая оценка была получена с учетом всех возможных источников вариативности в установке и условиях работы, на которые распространяется данный испытательный код.
Примечание - Если звуковая мощность мало изменяется в процессе повторных измерений, а сами измерения проведены правильно, то величине

можно приписать значение 0,5 дБ. В других случаях, например, когда на звук, производимый испытуемым источником шума, существенное влияние оказывает потребляемый или производимый материал, а также при непредсказуемых изменениях в потреблении или производстве этого материала, подходящей оценкой

можно считать 2 дБ. Но в особых случаях очень сильной зависимости шума от свойств обрабатываемого материала (когда испытуемым источником шума являются такие машины, как камнедробилки, металлорежущие станки или прессы, работающие под нагрузкой) эта величина может достигать 4 дБ.
9.3 Определение 
9.3.1 Общие положения
Стандартное отклонение

характеризует все источники неопределенности, которые могут оказать влияние на результат измерений, проводимых в соответствии с настоящим стандартом (различия в характеристиках излучения источников шума, в применяемых средствах измерений, в применении метода измерений), за исключением нестабильности звуковой мощности источника шума (последний фактор характеризуется значением

).
Обобщение накопленного к данному времени опыта испытаний позволило установить оценки

, которые приведены в
таблице 2. Эти оценки можно рассматривать как оценки сверху для большинства машин и оборудования, на которое распространяется настоящий стандарт. Для машин конкретного вида могут быть получены свои оценки путем проведения межлабораторного эксперимента (см.
9.3.2) или путем использования математического моделирования (см.
9.3.3). Такие оценки приводят в испытательных кодах по шуму для машин конкретных видов (см.
9.2 и
приложение H).
Таблица 2
Типичные оценки сверху

для измерений уровней звуковой
мощности (звуковой энергии), проводимых в соответствии
с настоящим стандартом
Полоса частот измерений | Среднегеометрическая частота, Гц | Стандартное отклонение воспроизводимости  , дБ |
Третьоктавная полоса частот | От 100 до 160 | 3,0 |
От 200 до 315 | 2,0 |
От 400 до 5000 | 1,5 |
От 6300 до 10 000 | 2,5 |
Широкая полоса частот с коррекцией по частотной характеристике A (см. приложение E) | |
<a> Применительно к источникам, излучающим шум со сравнительно плоским спектром в диапазоне частот от 100 до 10 000 Гц. |
9.3.2 Межлабораторный эксперимент
Межлабораторный эксперимент для определения

проводят в соответствии с ISO 5725, когда уровни звуковой мощности источника шума определяют в условиях воспроизводимости, т.е. с участием разных специалистов, проводящих измерения в разных положениях источника шума разными средствами измерений. Такой эксперимент позволяет получить оценку

стандартного отклонения для источника шума, рассылаемого лабораториям - участникам эксперимента. Предполагается, что в таком эксперименте будет обеспечена вариативность всех существенных факторов, которые могут оказать влияние на результат измерений звуковой мощности данного источника шума.
Полученная в результате межлабораторного эксперимента оценка

, дБ, включает в себя оценку

, дБ, что позволяет получить оценку

по формуле

(27)
Если оценки

, полученные в результате измерений для разных экземпляров источника шума данного вида, незначительно отличаются между собой, то их среднее можно рассматривать как оценку

для всех источников шума данного вида в измерениях, проводимых в соответствии с настоящим стандартом. Такую оценку (вместе с оценкой

) следует по возможности указывать в испытательном коде по шуму и использовать в процедуре декларирования шумовой характеристики машин.
Если межлабораторный эксперимент проведен не был, то для реалистической оценки

используют накопленные знания об измерениях шума машин данного вида.
Иногда затраты на проведение межлабораторного эксперимента можно сократить, убрав требование проведения измерений в разных положениях источника шума. Это можно сделать, например, если источник шума обычно устанавливают в условиях, когда коррекция на фоновый шум
K1 невелика, или если целью испытаний является подтверждение шумовой характеристики машины при ее работе в заданном положении. Оценку, полученную в таких условиях ограниченной вариативности, обозначают

, и она может быть использована также в испытаниях крупногабаритных, стационарно устанавливаемых машин. Следует ожидать, что полученные значения

будут ниже приведенных в
таблице 2.
Оценки

, полученные по
формуле (27), будут обладать низкой достоверностью, если

лишь незначительно превышает

. Оценки

будут достаточно надежными только в том случае, если

не превышает

.
9.3.3 Расчет
на основе математической модели
Обычно

зависит от нескольких факторов, дающих вклады
ciui (
i = 1, 2, ...,
n) в общую неопределенность измерения уровня звуковой мощности (звуковой энергии). Такими факторами, в частности, являются применяемые средства измерений, коррекция на условия окружающей среды и местоположения микрофонов. Если предположить, что данные факторы влияют на общую неопределенность независимо друг от друга, то оценку

можно представить в виде (см. ISO/IEC Guide 98-3)

(28)
В
формулу (28) не входят неопределенности, связанные с нестабильностью излучения источника (поскольку они учтены в

). Источники неопределенности, дающие вклад в общую неопределенность измерения уровня звуковой мощности (звуковой энергии), рассматриваются в
приложении H.
Примечание - Если источники неопределенности, входящие в модель измерений, коррелированы, то
формулу (28) применять нельзя. Кроме того, расчет на основе математической модели требует дополнительной информации, чтобы определить вклады
ciui всех составляющих в
формуле (28).
В противоположность этому оценки

, получаемые в результате межлабораторных экспериментов, не требуют каких-либо дополнительных предположений о возможной корреляции источников неопределенности, входящих в
формулу (28). Оценки межлабораторных экспериментов в общем случае являются более устойчивыми, чем полученные на основе математических моделей. Однако проведение межлабораторных экспериментов не всегда осуществимо с практической точки зрения, и зачастую их приходится заменять обобщением опыта прошлых измерений.
9.4 Типичные оценки 
В
таблице 2 приведены типичные оценки сверху стандартного отклонения

для технических методов измерения шума, которые могут применяться для большинства измерений, проводимых в соответствии с настоящим стандартом (см.
[25],
[26]). В особых случаях, а также когда требования настоящего стандарта не могут быть в полном объеме соблюдены для машин определенного вида или когда ожидается, что для машин данного вида

должно быть меньше значений, приведенных в
таблице 2, для уточнения оценки

рекомендуется проведение межлабораторного эксперимента.
9.5 Стандартное отклонение
и расширенная неопределенность U
Стандартное отклонение

и расширенную неопределенность
U рассчитывают по
формулам (25) и
(26) соответственно.
Пример - В результате измерений техническим методом (класс точности 2) получено LWA = 82 дБ при
. Межлабораторный эксперимент с целью определения
для машин данного вида не проводился, поэтому использовано значение
из таблицы 2
. По формулам (25) и (26) с использованием k = 2 получаем
.
Дополнительные примеры расчета

приведены в
H.3.
Примечание - Расширенная неопределенность, определяемая по
формуле (26), не включает в себя стандартное отклонение производства, использованное в
[7] в целях определения и декларирования шумовой характеристики для партии машин.
10 Регистрируемая информация
10.1 Общие положения
Для всех измерений, выполненных в соответствии с настоящим стандартом, должна быть получена и зарегистрирована информация, указанная в
10.2 -
10.5.
10.2 Испытуемый источник шума
Приводят следующие данные об испытуемом источнике шума:
a) общие данные об испытуемом источнике шума (изготовитель, наименование и вид, тип, технические данные, габаритные размеры, порядковый номер по системе нумерации изготовителя, год выпуска);
b) вспомогательное оборудование и способ его использования при испытаниях;
c) режимы работы при испытаниях и продолжительность измерений в каждом режиме;
d) условия установки испытуемого источника шума;
e) расположение (расположения) источника шума в испытательном пространстве во время испытаний.
10.3 Испытательное пространство
Приводят следующие данные:
a) описание испытательного пространства:
1) если испытания проводят в помещении - тип здания; конструкция и покрытие стен, пола и потолка; схема с указанием расположения испытуемого источника шума и других предметов в помещении,
2) если испытания проводят на открытом воздухе - описание звукоотражающей плоскости и прилегающей территории; схема с указанием расположения испытуемого источника шума,
3) описание дополнительных звукоотражающих поверхностей (стен);
b) результаты проверки пригодности испытательного пространства, выполненной в соответствии с
приложением A;
c) атмосферные условия, включая температуру воздуха в градусах Цельсия и статическое атмосферное давление в килопаскалях вблизи источника шума во время испытаний.
10.4 Средства измерений
Приводят следующие данные о средствах измерений:
a) данные об измерительной аппаратуре (изготовитель, наименование, тип, порядковый номер по системе нумерации изготовителя);
b) дату и место калибровки (поверки), методы калибровки акустического калибратора, результаты проверки калибровки до и после проведения измерений, данные калибровки образцового источника шума (при его применении);
c) характеристики ветрозащитного экрана микрофона (при его применении).
10.5 Результаты измерений
Приводят следующие данные:
a) размеры огибающего параллелепипеда l1, l2 и l3, форму измерительной поверхности, измерительный радиус r или измерительное расстояние d;
b) расположение точек измерений или траекторий сканирования микрофоном (с приложением, при необходимости, схем) с указанием связанных с ними участков измерительной поверхности неравной площади.
Указывают следующие сведения для каждого режима работы испытуемого источника шума в условиях измерений:
c) все результаты измерений эквивалентных уровней звукового давления (уровней экспозиции отдельного шумового события) для испытуемого источника шума и для фонового шума;
d) коррекцию(и), в децибелах, на фоновый шум;
e) коррекцию(и), в децибелах, на свойства испытательного пространства с указанием метода ее определения согласно
приложению A;
f) средние по измерительной поверхности эквивалентные уровни звукового давления (уровни экспозиции отдельного шумового события), в децибелах, для испытуемого источника шума и для фонового шума;
g) уровни звуковой мощности (звуковой энергии), в децибелах, в полосах частот или корректированные по A, округленные с точностью до 0,1 дБ. Дополнительно возможно представление данных характеристик в графическом виде;
h) расширенную неопределенность, использованное значение коэффициента охвата и соответствующую вероятность охвата;
i) максимальное значение кажущегося показателя направленности с указанием направления, в котором он максимален (при необходимости);
j) максимальное значение кажущегося показателя неравномерности уровня звукового давления на измерительной поверхности при данном измерительном радиусе или измерительном расстоянии (при необходимости);
k) дату и время проведения измерений.
Указывают зарегистрированную в соответствии с
разделом 10 информацию, необходимость приведения которой в протоколе испытаний вытекает из целей измерений. В протокол включают также все положения, необходимость которых указана в разделах настоящего стандарта. Если значения уровней звуковой мощности или звуковой энергии были получены в полном соответствии с требованиями настоящего стандарта, то соответствующая запись должна быть сделана в протоколе испытаний. Если при проверке соблюдения условий настоящего стандарта одна или несколько проверяемых акустических характеристик выходят за установленные предельные значения, то в протокол вносят запись о том, что измерения были проведены в соответствии с требованиями настоящего стандарта, за рядом исключений, и указывают эти исключения. При этом в протоколе не допускается прямо или неявно указывать на то, что испытания проведены в полном соответствии с настоящим стандартом.
(обязательное)
ПРОВЕРКА ПРИГОДНОСТИ ИСПЫТАТЕЛЬНОГО ПРОСТРАНСТВА
A.1 Общие положения
В настоящем приложении устанавливаются два метода оценки влияния на результаты измерений отклонения условий распространения звука от условий свободного звукового поля над звукоотражающей плоскостью и расчета коррекции на свойства испытательного пространства K2. В соответствии с этими методами определяют, пригодна ли данная измерительная поверхность для испытаний данного источника шума в соответствии с требованиями настоящего стандарта.
Первый метод является методом сравнения (см.
раздел A.2), основан на использовании образцового источника шума и может применяться для оценки испытательного пространства как в помещении, так и на открытом воздухе. Он является предпочтительным, особенно если шум измеряют в полосах частот и имеется возможность удалить испытуемый источник шума из испытательного пространства.
Второй метод (см.
раздел A.3) основан на оценке звукопоглощающей способности испытательного помещения и требует определения эквивалентной площади звукопоглощения A. Данный метод применяют только для измерений в помещениях приблизительно кубической формы, внутри которых нет предметов, способных существенно повлиять на распространение звука и в которых поглощение звука осуществляется на их границах. Величина A может быть рассчитана четырьмя способами: по измерениям времени реверберации (см.
A.3.2), по измерениям эквивалентных уровней звукового давления испытуемого источника шума с использованием вспомогательной измерительной поверхности (см.
A.3.3), по измерениям с использованием образцового источника шума (см.
A.3.4) или на основе оценки среднего коэффициента звукопоглощения (см.
A.3.5). Данный метод является предпочтительным, если испытуемый источник шума имеет большие размеры и/или не может быть перемещен.
Примечание - В некоторых зданиях промышленного назначения с низким потолком и звукоотражающими поверхностями условия распространения звука сильно отличаются от требуемых настоящим стандартом. В этом случае второй метод неприменим, и следует использовать способ оценки пригодности испытательного пространства, указанный в соответствующем испытательном коде по шуму (при его наличии).
A.2.1 Общие положения
Если при испытаниях источника шума используют полусферическую измерительную поверхность, то образцовый источник шума, удовлетворяющий требованиям ISO 6926, помещают приблизительно в то же место, в которое устанавливают испытуемый источник. Определяют уровень звуковой мощности образцового источника шума методом, описанным в
разделе 8, без внесения поправки на свойства испытательного пространства
K2 (т.е.
K2 первоначально предполагают равным нулю). При этом используют ту же измерительную поверхность, что и для испытуемого источника шума.
Поправку на свойства испытательного пространства K2, дБ, рассчитывают по формуле

(A.1)
где

- уровень звуковой мощности образцового источника шума, измеренный в соответствии с
разделом 8, без внесения поправки на свойства испытательного пространства (
K2 = 0), дБ;
LW(RSS) - уровень звуковой мощности образцового источника шума, полученный при его калибровке и приведенный к атмосферным условиям испытаний, дБ.
Данный метод применим к измерениям как в полосах частот, так и в широкой полосе с использованием коррекции по частотной характеристике A. Если распределения мощности в спектрах шума испытуемого источника и образцового источника сильно различаются между собой, то коррекцию K2A рассчитывают по результатам измерений в полосах частот.
A.2.2 Расположение образцового источника шума
Если имеется возможность удалить испытуемый источник шума из испытательного пространства, то независимо от высоты этого источника образцовый источник шума устанавливают на его место на звукоотражающей плоскости, за исключением особых случаев, к которым относятся, например, ручные машины.
Примечание - Обычно при калибровке образцового источника шума его устанавливают в удаленности от стен помещения на полу или на специальном стенде на заданной высоте от пола. Если условия установки образцового источника шума в испытательном пространстве отличаются от условий его установки при калибровке, это может привести к появлению систематической погрешности на низких частотах.
Если испытуемый источник шума имеет малые размеры, так что длина каждого из ребер огибающего параллелепипеда (
lx,
ly и
lz) не превышает 2 м, а его длина
lx сопоставима с шириной
ly, то допускается устанавливать образцовый источник шума только в одном месте в испытательном пространстве. Для испытуемых источников

размеров, а также для имеющих соотношение
lx/
ly > 2 образцовый источник шума последовательно устанавливают в четырех точках пола, которые находятся в серединах сторон прямоугольника, образующего нижнюю грань огибающего параллелепипеда. Значение

рассчитывают по
формуле (12) на основе среднего по измерительной поверхности эквивалентного уровня звукового давления

, для получения которого определяют эквивалентный уровень звукового давления в каждой точке измерительной поверхности, усредненный (путем энергетического суммирования) по четырем значениям для каждого положения образцового источника шума в указанных точках.
Если источник шума не может быть удален из испытательного пространства, то образцовый источник шума располагают в одном или более местах, не совпадающих с местом установки испытуемого источника шума, про которые известно, что они по условиям звукоотражения эквивалентны месту установки испытуемого источника шума. Допускается устанавливать образцовый источник шума сверху на испытуемом источнике или вблизи него в соответствии с
[6].
Число точек измерений на измерительной поверхности должно удовлетворять требованиям
8.1.1,
8.1.2 или
8.1.3 в зависимости от формы измерительной поверхности.
A.3 Метод на основе оценки звукопоглощающих свойств помещения
A.3.1 Общие положения
В соответствии с данным методом коррекцию на свойства испытательного пространства K2, дБ, рассчитывают по формуле

(A.2)
где A - эквивалентная площадь звукопоглощения испытательного помещения, м2;
S - площадь измерительной поверхности, м2.
Оценку отношения
S/
A можно получить четырьмя разными способами (см.
A.3.2 -
A.3.5).
A.3.2 Оценка по времени реверберации
Данный способ оценки применим только для испытательных помещений, длина и ширина которых не превышают утроенную высоту потолка.
Эквивалентную площадь звукопоглощения A, м2, вычисляют по эмпирической формуле Сэбина, которая для температур помещения в интервале от 15 до 30 °C имеет вид

(A.3)
где V - объем испытательного помещения, м3;
Tn - полученное в соответствии с ISO 3382-2 время реверберации для данного помещения в узкой или широкой полосе частот, с.
Для определения коррекции K2A берут время реверберации для полосы со среднегеометрической частотой 1 кГц.
Способ неприменим для заглушенных камер с жестким полом и открытых площадок.
A.3.3 Оценка с использованием двух измерительных поверхностей
Данный способ оценки применим только для испытательных помещений, в которых K2 <= 2 дБ.
Выбирают две измерительные поверхности, охватывающие испытуемый источник шума. В качестве основной берут измерительную поверхность, удовлетворяющую требованиям
7.2 при определении уровня звуковой мощности. Площадь этой поверхности обозначают
S1. Вторую, вспомогательную, измерительную поверхность с площадью
S2 получают из первой гомотетией с центром в начале координат O и коэффициентом

, который должен быть не менее

(предпочтительно более 2). Точки измерений на обеих поверхностях лежат на одних и тех же лучах из точки O. Для обеих измерительных поверхностей должны быть соблюдены критерии по фоновому шуму согласно
4.2.
Отношение
S/
A, входящее в
формулу (A.2) [здесь
S =
S1], находят из уравнения

(A.4)
где

;

- средний по основной измерительной поверхности эквивалентный уровень звукового давления [см.
формулу (12)] с внесенной коррекцией на фоновый шум, но без поправки на свойства испытательного пространства, дБ;

- средний по вспомогательной измерительной поверхности эквивалентный уровень звукового давления [см.
формулу (12)] с внесенной поправкой на фоновый шум, но без коррекции на свойства испытательного пространства, дБ;
S1 - площадь основной измерительной поверхности, м2;
S2 - площадь вспомогательной измерительной поверхности, м2.
Коррекцию на свойства испытательного пространства
K2 для результатов измерений в полосах частот или в широкой полосе с коррекцией по частотной характеристике
A вычисляют по
формуле (A.2), подставляя в нее значение
S/
A, полученное из
уравнения (A.4).
A.3.4 Определение эквивалентной площади звукопоглощения A прямым методом с использованием образцового источника шума
Образцовый источник шума, удовлетворяющий требованиям ISO 6925, устанавливают в испытательном пространстве вблизи испытуемого источника шума. Измерительной поверхностью является полусфера, радиус r которой должен быть не менее 1 м и не менее удвоенного максимального габаритного размера образцового источника шума. Предпочтительным является значение r = 2 м. Расстояние от образцового источника шума до других отражающих поверхностей должно превышать r.
Примечание - Обычно при калибровке образцового источника шума его устанавливают в удалении от стен помещения на полу или на специальном стенде на заданной высоте от пола. Если условия установки образцового источника шума в испытательном пространстве отличаются от условий его установки при калибровке, то это может привести к появлению систематической погрешности на низких частотах.
Микрофоны устанавливают в фиксированных точках, координаты которых приведены в
таблице B.2.
Определяют в соответствии с
8.2.2 и
8.2.4 средний по полусферической измерительной поверхности эквивалентный уровень звукового давления образцового источника шума с коррекцией на фоновый шум

. После этого эквивалентную площадь звукопоглощения
A, м
2, рассчитывают по формуле

(A.5)
где S - площадь полусферической измерительной поверхности, м2;
S0 = 1 м2;

- средний по полусферической измерительной поверхности эквивалентный уровень звукового давления образцового источника шума с коррекцией на фоновый шум, но без коррекции на свойства испытательного пространства (см.
8.2.4), дБ;
LW(RSS) - уровень звуковой мощности образцового источника шума, полученный при его калибровке и приведенный к атмосферным условиям испытаний, дБ.
Если при калибровке образцового источника шума, в результате которой было получено значение LW(RSS), статическое давление или другие атмосферные характеристики существенно отличались от нормальных, то рекомендуется определить значение LW(RSS) для условий проводимых испытаний, руководствуясь рекомендациями изготовителя.
Если значение
LW(RSS) неизвестно или если невозможно рассчитать поправку к
LW(RSS) на атмосферные условия при испытаниях, то рекомендуется повторить вышеописанные измерения на открытом воздухе в условиях свободного звукового поля над звукоотражающей плоскостью для получения среднего по измерительной поверхности эквивалентного уровня звукового давления образцового источника шума

. Тогда эквивалентную площадь звукопоглощения
A, м
2, для помещения, в котором установлен испытуемый источник, рассчитывают по формуле

(A.6)
A.3.5 Приближенная оценка для измерений с коррекцией по частотной характеристике A
Данный способ оценки применим только для испытательных помещений, длина и ширина которых не превышают утроенную высоту потолка.
Чтобы учесть акустические свойства испытательного пространства, коррекцию
K2A вычисляют по
формуле (A.2), в которую подставляют значение эквивалентной площади звукопоглощения
A, м
2, рассчитанное по формуле

(A.7)
где

- средний коэффициент звукопоглощения, взятый из
таблицы A.1;
SV - общая площадь внутренних поверхностей испытательного помещения (пола, стен и потолка), м2.
Таблица A.1
Приближенные значения среднего
коэффициента звукопоглощения

Средний коэффициент звукопоглощения  | Описание помещения |
0,05 | Практически пустое помещение с гладкими жесткими стенами из бетона, кирпича, оштукатуренными или покрытыми облицовочной плиткой |
0,10 | Частично заполненное помещение; помещение с гладкими стенами |
0,15 | Помещение с обстановкой, машинный зал или производственное помещение почти кубической формы |
0,20 | Помещение с обстановкой, машинный зал или производственное помещение, форма которых значительно отличается от кубической |
0,25 | Помещение с мягкой мебелью, машинный зал или производственное помещение, потолок или стены которых частично покрыты звукопоглощающим материалом |
0,30 | Помещение со звукопоглощающим покрытием потолка, но не стен |
0,35 | Помещение со звукопоглощающими покрытиями потолка и стен |
0,50 | Помещение, потолок и стены которого покрыты с применением большого количества звукопоглощающего материала |
(обязательное)
ТОЧКИ ИЗМЕРЕНИЙ НА ПОЛУСФЕРИЧЕСКОЙ
ИЗМЕРИТЕЛЬНОЙ ПОВЕРХНОСТИ
B.1 Основные и дополнительные точки измерений
Предпочтительные точки установки микрофонов, пригодные для источников шума всех видов, в том числе излучающих шум на дискретных частотах, приведены в
таблице B.1 и показаны на
рисунке B.1. Для источников, излучение которых не содержит дискретных тонов, допускается использовать другие точки измерений, указанные в
таблице B.2 и на
рисунке B.2.
В таблицах приведены координаты (x, y, z) точек измерений, каждой из которых соответствует участок равной площади на полусферической измерительной поверхности радиуса r с центром в точке O.
Таблица B.1
Предпочтительные точки установки микрофонов
для источников шума всех видов
Номер точки | x/r | y/r | z/r |
1 | 0,16 | -0,96 | 0,22 |
2 | 0,78 | -0,60 | 0,20 |
3 | 0,78 | 0,55 | 0,31 |
4 | 0,16 | 0,90 | 0,41 |
5 | -0,83 | 0,32 | 0,45 |
6 | -0,83 | -0,40 | 0,38 |
7 | -0,26 | -0,65 | 0,71 |
8 | 0,74 | -0,07 | 0,67 |
9 | -0,26 | 0,50 | 0,83 |
10 | 0,10 | -0,10 | 0,99 |
11 | 0,91 | -0,34 | 0,22 |
12 | 0,91 | 0,38 | 0,20 |
13 | -0,09 | 0,95 | 0,31 |
14 | -0,70 | 0,59 | 0,41 |
15 | -0,69 | -0,56 | 0,45 |
16 | -0,07 | -0,92 | 0,38 |
17 | 0,43 | -0,55 | 0,71 |
18 | 0,43 | 0,61 | 0,67 |
19 | -0,56 | 0,02 | 0,83 |
20 | 0,14 | 0,04 | 0,99 |
Таблица B.2
Точки установки микрофонов для источников
широкополосного шума
Номер точки | x/r | y/r | z/r |
1 | -0,99 | 0 | 0,15 |
2 | 0,50 | -0,86 | 0,15 |
3 | 0,50 | 0,86 | 0,15 |
4 | -0,45 | 0,77 | 0,45 |
5 | -0,45 | -0,77 | 0,45 |
6 | 0,89 | 0 | 0,45 |
7 | 0,33 | 0,57 | 0,75 |
8 | -0,66 | 0 | 0,75 |
9 | 0,33 | -0,57 | 0,75 |
10 | 0 | 0 | 1,00 |
11 | 0,99 | 0 | 0,15 |
12 | -0,50 | 0,86 | 0,15 |
13 | -0,50 | -0,86 | 0,15 |
14 | 0,45 | -0,77 | 0,45 |
15 | 0,45 | 0,77 | 0,45 |
16 | -0,89 | 0 | 0,45 |
17 | -0,33 | -0,57 | 0,75 |
18 | 0,66 | 0 | 0,75 |
19 | -0,33 | 0,57 | 0,75 |
20 | 0 | 0 | 1,00 |

- основные точки установки микрофонов;

- дополнительные
точки установки микрофонов; A - измерительная поверхность;
B - огибающий параллелепипед
Рисунок B.1 - Предпочтительные точки установки микрофонов
на полусферической измерительной поверхности для испытаний
источников шума всех видов

- основные точки установки микрофонов;

- дополнительные
точки установки микрофонов; A - измерительная поверхность;
B - огибающий параллелепипед; r - радиус
измерительной поверхности
Рисунок B.2 - Точки установки микрофонов на полусферической
измерительной поверхности для испытаний источников
широкополосного шума
B.2 Точки измерений для источников шума, устанавливаемых рядом с двумя звукоотражающими плоскостями
Точки измерений на измерительной поверхности в случае установки источника шума рядом с двумя звукоотражающими плоскостями показаны на
рисунке B.3. Координаты этих точек - согласно
таблице B.2. Радиус
r измерительной поверхности должен быть не менее 3 м.

- основные точки установки микрофонов;

- дополнительные
точки установки микрофонов; A - измерительная поверхность;
B - огибающий параллелепипед; r - радиус
измерительной поверхности
Рисунок B.3 - Точки установки микрофонов на полусферической
измерительной поверхности в случае двух
звукоотражающих плоскостей
B.3 Точки измерений для источников шума, устанавливаемых рядом с тремя звукоотражающими плоскостями
Точки измерений на измерительной поверхности в случае установки источника шума рядом с тремя звукоотражающими плоскостями показаны на
рисунке B.4. Координаты этих точек указаны в
таблице B.3. Радиус
r измерительной поверхности должен быть не менее 3 м.

- основные точки установки микрофонов;

- дополнительные
точки установки микрофонов; A - измерительная поверхность;
B - огибающий параллелепипед; r - радиус
измерительной поверхности
Рисунок B.4 - Точки установки микрофонов на полусферической
измерительной поверхности в случае трех
звукоотражающих плоскостей
Таблица B.3
Точки установки микрофонов для источников, устанавливаемых
рядом с тремя звукоотражающими плоскостями
Номер точки | x/r | y/r | z/r |
1 | 0,86 | -0,50 | 0,15 |
2 | 0,45 | -0,77 | 0,45 |
3 | 0,47 | -0,47 | 0,75 |
4 | 0,50 | -0,86 | 0,15 |
5 | 0,77 | -0,45 | 0,45 |
6 | 0,47 | -0,47 | 0,75 |
B.4 Траектории сканирования
На
рисунке B.5 показаны круговые траектории сканирования микрофоном, расположенные в параллельных плоскостях с центрами на одной оси. Траектории построены таким образом, чтобы им соответствовали сферические пояса измерительной поверхности равной площади.
A - измерительная поверхность; B - огибающий параллелепипед;
r - радиус измерительной поверхности; e - высота траектории
над звукоотражающей плоскостью; h - высота сферического
пояса соответствующей круговой траектории; z - ось вращения
микрофона по круговой траектории
Рисунок B.5 - Круговые траектории сканирования микрофоном
(обязательное)
ТОЧКИ ИЗМЕРЕНИЙ НА ИЗМЕРИТЕЛЬНОЙ ПОВЕРХНОСТИ
В ФОРМЕ ПАРАЛЛЕЛЕПИПЕДА
C.1 Точки измерений в случае одной звукоотражающей плоскости
Каждую из пяти плоскостей измерительной поверхности (граней параллелепипеда) рассматривают по отдельности и разбивают на равные участки с максимальной длиной 3
d, где
d - измерительное расстояние по
3.12. На
рисунке C.1 показан пример разбиения на участки прямоугольной формы, а на
рисунке C.4 - на участки треугольной формы. Минимальное число точек измерений равно 9 при разбиении на участки прямоугольной формы [см.
рисунок C.1, a) и b)] и 10 при разбиении на участки треугольной формы [см.
рисунок C.4, a) и b)].

- основные точки установки микрофонов;
d - измерительное расстояние
Рисунок C.1 - Основные точки установки микрофонов
на измерительной поверхности в виде параллелепипеда
с разбиением на прямоугольные области
На
рисунке C.1 основные точки измерений находятся в центре каждого прямоугольного участка и в каждой его вершине, исключая вершины, попадающие на звукоотражающую плоскость. По такому принципу определены точки измерений для измерительных поверхностей, показанных на
рисунках C.7 -
C.11. Соседние точки измерений могут быть соединены между собой линиями, образующими траектории сканирования, как показано на
рисунках C.7 -
C.11.
a) при разбиении на участки прямоугольной формы - как показано на
рисунке C.2. При этом минимальное число точек измерений увеличивается с 9 до 19;
b) при разбиении на участки треугольной формы - как показано на
рисунке C.5. При этом минимальное число точек измерений увеличивается с 10 до 20.

- основные точки установки микрофонов;

- дополнительные
точки установки микрофонов; d - измерительное расстояние
Рисунок C.2 - Дополнительные точки установки микрофонов
по всей измерительной поверхности в виде параллелепипеда
с разбиением на прямоугольные области
Если в соответствии с
перечислением b) или
c) 8.1.2 в какой-либо части измерительной поверхности требуется увеличить число точек измерений для более детального описания звукового поля, то дополнительные точки выбирают, как показано в примерах на
рисунках C.3 и
C.6.
Примечание 1 - На
рисунках C.1 и
C.2 не показаны участки равной площади, ассоциированные с каждой точкой измерений, наличие которых предполагает процедура усреднения по
8.2.2.1 [см.
формулу (12)] для определения среднего по измерительной поверхности эквивалентного уровня звукового давления.
Примечание 2 - Способ выбора точек измерений, показанный на
рисунках C.4 -
C.6, исключает установку микрофонов на ребрах и в вершинах параллелепипеда измерительной поверхности. При таком расположении точек измерений видна ясная связь между точками и ассоциированными с ними участками равной площади, используемыми в процедуре усреднения в соответствии с
формулой (12) или
(14).

- основные точки установки микрофонов;

- дополнительные
точки установки микрофонов; d - измерительное расстояние
Примечание - Каждому прямоугольному участку, на которые разбита измерительная поверхность, номинально соответствуют две основные точки измерений. Дополнительные точки измерений на части измерительной поверхности приводят к образованию участков разной площади и к необходимости использовать процедуру усреднения согласно
8.2.2.2. В примере, показанном на данном рисунке, вместо одной основной появляются пять точек измерений, каждой из которых соответствует участок поверхности площадью в пять раз меньшей, чем для основных точек.
Рисунок C.3 - Пример дополнительных точек измерений на части
измерительной поверхности в виде параллелепипеда
с разбиением на прямоугольные области

- основные точки установки микрофонов;
d - измерительное
расстояние; la - длина треугольной области, la <= (3d)2;
lb - ширина треугольной области, lb <= (3d)2
Рисунок C.4 - Основные точки установки микрофонов
на измерительной поверхности в виде параллелепипеда
с разбиением на треугольные области

- основные точки установки микрофонов;

- дополнительные
точки установки микрофонов
Рисунок C.5 - Дополнительные точки установки микрофонов
по всей измерительной поверхности в виде параллелепипеда
с разбиением на треугольные области

- основные точки установки микрофонов;

- дополнительные
точки установки микрофонов
Рисунок C.6 - Пример дополнительных точек измерений на части
измерительной поверхности в виде параллелепипеда
с разбиением на треугольные области

- точки установки микрофонов; A - звукоотражающая
плоскость; B - огибающий параллелепипед; 2a - длина
параллелепипеда измерительной поверхности; 2b - ширина
параллелепипеда измерительной поверхности; c - высота
параллелепипеда измерительной поверхности; d - измерительное
расстояние; l1 - длина огибающего параллелепипеда;
l2 - ширина огибающего параллелепипеда; l3 - высота
огибающего параллелепипеда;
P1, P2, P3 - траектории сканирования
Рисунок C.7 - Пример измерительной поверхности, точек
установки микрофонов и траекторий сканирования
при испытаниях машин малых размеров
(l1 <= d, l2 <= d, l3 <= d)

- точки установки микрофонов; A - звукоотражающая
плоскость; B - огибающий параллелепипед; 2a - длина
параллелепипеда измерительной поверхности; 2b - ширина
параллелепипеда измерительной поверхности; c - высота
параллелепипеда измерительной поверхности; d - измерительное
расстояние; l1 - длина огибающего параллелепипеда;
l2 - ширина огибающего параллелепипеда; l3 - высота
огибающего параллелепипеда;
P1, P2, P3, P4, P5 - траектории сканирования
Рисунок C.8 - Пример измерительной поверхности, точек
установки микрофонов и траекторий сканирования
при испытаниях высоких машин с малой площадью основания
(l1 <= d, l2 <= d, 2d < l3 <= 5d)

- точки установки микрофонов; A - звукоотражающая
плоскость; B - огибающий параллелепипед; 2a - длина
параллелепипеда измерительной поверхности; 2b - ширина
параллелепипеда измерительной поверхности; c - высота
параллелепипеда измерительной поверхности; d - измерительное
расстояние; l1 - длина огибающего параллелепипеда;
l2 - ширина огибающего параллелепипеда; l3 - высота
огибающего параллелепипеда; P1, P2, P3 - траектории
сканирования
Рисунок C.9 - Пример измерительной поверхности, точек
установки микрофонов и траекторий сканирования
при испытаниях длинных машин
(4d < l1 <= 7d, l2 <= d, l3 <= 2d)

- точки установки микрофонов; A - звукоотражающая
плоскость; B - огибающий параллелепипед; 2a - длина
параллелепипеда измерительной поверхности; 2b - ширина
параллелепипеда измерительной поверхности; с - высота
параллелепипеда измерительной поверхности; d - измерительное
расстояние; l1 - длина огибающего параллелепипеда;
l2 - ширина огибающего параллелепипеда; l3 - высота
огибающего параллелепипеда; P1, P2, P3, P4, P5,
P6 - траектории сканирования
Рисунок C.10 - Пример измерительной поверхности, точек
установки микрофонов и траекторий сканирования
при испытаниях машин средних размеров
(d < l1 <= 4d, d < l2 <= 4d, 2d < l3 <= 5d)

- точки установки микрофонов; A - звукоотражающая
плоскость; B - огибающий параллелепипед; 2a - длина
параллелепипеда измерительной поверхности; 2b - ширина
параллелепипеда измерительной поверхности; c - высота
параллелепипеда измерительной поверхности; d - измерительное
расстояние; l1 - длина огибающего параллелепипеда;
l2 - ширина огибающего параллелепипеда; l3 - высота
огибающего параллелепипеда; P1, P2, P3, P4, P5,
P6 - траектории сканирования
Рисунок C.11 - Пример измерительной поверхности, точек
установки микрофонов и траекторий сканирования
при испытаниях машин больших размеров
(4d < l1 <= 7d, d < l2 <= 4d, 2d < l3 <= 5d)
C.2 Точки измерений в случае двух или трех звукоотражающих плоскостей
Для случая двух или трех звукоотражающих плоскостей точки установки микрофонов выбирают так, как показано на
рисунках C.12 и
C.13.

- точки установки микрофонов; B - огибающий
параллелепипед; 2a - длина параллелепипеда измерительной
поверхности; 2b - ширина параллелепипеда измерительной
поверхности; c - высота параллелепипеда измерительной
поверхности; d - измерительное расстояние; l1 - длина
огибающего параллелепипеда; l2 - ширина огибающего
параллелепипеда; l3 - высота огибающего параллелепипеда;
S - площадь измерительной поверхности,
S = 2(2ab + bc + 2ca)
Рисунок C.12 - Измерительная поверхность в виде
параллелепипеда с шестью точками установки микрофонов
при испытаниях устанавливаемых на полу источников шума
в случае двух звукоотражающих плоскостей

- точки установки микрофонов; B - огибающий
параллелепипед; 2a - длина параллелепипеда измерительной
поверхности; 2b - ширина параллелепипеда измерительной
поверхности; c - высота параллелепипеда измерительной
поверхности; d - измерительное расстояние; l1 - длина
огибающего параллелепипеда; l2 - ширина огибающего
параллелепипеда; l3 - высота огибающего параллелепипеда;
S - площадь измерительной поверхности,
S = 2(2ab + bc + ca)
Рисунок C.13 - Измерительная поверхность в виде
параллелепипеда с четырьмя точками установки микрофонов
при испытаниях устанавливаемых на полу источников шума
в случае трех звукоотражающих плоскостей
(рекомендуемое)
ТОЧКИ ИЗМЕРЕНИЙ НА ЦИЛИНДРИЧЕСКОЙ
ИЗМЕРИТЕЛЬНОЙ ПОВЕРХНОСТИ
На
рисунках D.1 и
D.2 показаны различные варианты расположения круговых траекторий сканирования на боковой поверхности и верхнем основании цилиндрической измерительной поверхности.
A - звукоотражающая плоскость; B - огибающий параллелепипед;
d1 - измерительное расстояние (по длине); d2 - измерительное
расстояние (по ширине); d3 - измерительное расстояние (по
высоте); hS - высота измерительной поверхности; l1 - длина
огибающего параллелепипеда; l2 - ширина огибающего
параллелепипеда; l3 - высота огибающего параллелепипеда; P1,
P2, P3, P4, P5, P6 - траектории сканирования на боковой
поверхности; P7, P8, P9 - траектории сканирования на верхнем
основании; 2R - диаметр измерительной поверхности
Рисунок D.1 - Пример цилиндрической измерительной
поверхности и расположения микрофонов (шесть траекторий
сканирования на боковой поверхности
и три - на верхнем основании)

- микрофоны на траекториях сканирования;
hS - высота
измерительной поверхности; R - радиус измерительной
поверхности; z - ось вращения микрофонов при сканировании
Рисунок D.2 - Пример расположения микрофонов в случае пяти
траекторий сканирования на боковой поверхности и четырех
на верхнем основании
Число траекторий сканирования и соответственно число поясов nS на боковой поверхности и число колец nT на верхнем основании цилиндра должно удовлетворять следующим требованиям:
a) nS >= hS/0,5, где hS - высота, м, цилиндрической поверхности (данное требование обеспечивает достаточное число траекторий на боковой поверхности, отстоящих друг от друга не более чем на 0,5 м);
b) nS должно быть не менее четырех;
c) nT >= nS/2.
Траектория сканирования по боковой поверхности i-м микрофоном лежит в горизонтальной плоскости на высоте hi, м, над звукоотражающей плоскостью, которую рассчитывают по формуле
hi = (i - 1/2)hS/nS. (D.1)
Этим траекториям соответствуют цилиндрические пояса равной площади на боковой поверхности.
Траектории сканирования на верхнем основании цилиндра разбивают его на кольцевые участки неравной площади. Разность между радиусами соседних траекторий постоянна. Радиус Ri, м, внешней окружности i-го кольцевого участка рассчитывают по формуле
Ri = iR/nT, (D.2)
где R - радиус верхнего основания цилиндрической измерительной поверхности, м.
Радиус ri, м, соответствующей этому кольцевому участку траектории сканирования, рассчитывают по формулам
ri = Ri-1 + (Ri - Ri-1)/2, 2 <= i <= nT, (D.3)
r1 = R1/2. (D.4)
Площадь Si, м2, i-го кольцевого участка рассчитывают по формулам

2 <=
i <=
nT, (D.5)

(D.6)
Сканирование может быть реализовано перемещением микрофона вокруг неподвижного источника шума либо вращением источника при стационарно установленных микрофонах.
Перемещение микрофонов по круговым траекториям особенно рекомендуется в случае источников постоянного шума. Если шум, излучаемый испытуемым источником, непостоянен, то измерения проводят при стационарно установленных микрофонах. В этом случае микрофоны располагают в точках круговой траектории по крайней мере в восьми одинаково отстоящих друг от друга угловых положениях.
При наличии двух звукоотражающих плоскостей измерительная поверхность представляет собой половину цилиндра (см.
рисунок D.3), а в случае трех звукоотражающих плоскостей - четверть цилиндра (см.
рисунок D.4). Для таких измерительных поверхностей применяют только стационарную установку микрофонов. В случае измерительной поверхности в виде половины цилиндра используют не менее трех равноотстоящих точек измерений на каждой полуокружности, а в случае измерительной поверхности в виде четверти цилиндра - не менее двух точек измерений для каждой четверти окружности. Эти полуокружности и четверти окружности совпадают с соответствующими частями траекторий сканирования, которые были бы построены в случае измерительной поверхности в виде полного цилиндра. Площади кольцевых секторов на верхнем основании при использовании измерительной поверхности в виде половины и четверти цилиндра будут равны соответственно
Si/2 и
Si/4. Аналогично площади поясов на боковой поверхности будут составлять соответственно 1/2 и 1/4 от площади пояса полного цилиндра.


- точки установки микрофонов
Рисунок D.3 - Пример расположения микрофонов на верхнем
основании измерительной поверхности в виде половины цилиндра
в случае двух звукоотражающих плоскостей

- точки установки микрофонов
Рисунок D.4 - Пример расположения микрофонов на верхнем
основании измерительной поверхности в виде четверти цилиндра
в случае трех звукоотражающих плоскостей
Расположение измерительной поверхности относительно огибающего параллелепипеда показано на
рисунке D.1. На
рисунке D.2 показан пример с другим числом траекторий сканирования на боковой поверхности и на верхнем основании цилиндра.
На
рисунках D.3 и
D.4 показан вид сверху на измерительные поверхности в виде половины и четверти цилиндра с указанием местоположения фиксированных точек измерений.
Примечание - Положение точек измерений на боковых поверхностях полуцилиндра и четверти цилиндра то же, что и на боковой поверхности полного цилиндра.
(обязательное)
РАСЧЕТ УРОВНЕЙ ЗВУКОВОЙ МОЩНОСТИ И ЗВУКОВОЙ ЭНЕРГИИ
С КОРРЕКЦИЕЙ ПО ЧАСТОТНОЙ ХАРАКТЕРИСТИКЕ A НА ОСНОВЕ
РЕЗУЛЬТАТОВ ИЗМЕРЕНИЙ В ПОЛОСАХ ЧАСТОТ
E.1 Уровни звуковой мощности с коррекцией по частотной характеристике A
Корректированный по A уровень звуковой мощности LWA, дБ, вычисляют по формуле

(E.1)
где LWk - уровень звуковой мощности в k-й полосе частот (третьоктавной или октавной), дБ;
Ck - поправка для
k-й третьоктавной полосы частот по
таблице E.1 или для
k-й октавной полосы частот по
таблице E.2;
kmin, kmax - значения k для соответственно низшей и высшей полосы диапазона частот измерений.
Таблица E.1
Значения
k и
Ck, соответствующие среднегеометрическим
частотам третьоктавных полос
k | Среднегеометрическая частота третьоктавной полосы, Гц | Ck |
1 | 50 | |
2 | 63 | |
3 | 80 | |
4 | 100 | -19,1 |
5 | 125 | -16,1 |
6 | 160 | -13,4 |
7 | 200 | -10,9 |
8 | 250 | -8,6 |
9 | 315 | -6,6 |
10 | 400 | -4,8 |
11 | 500 | -3,2 |
12 | 630 | -1,9 |
13 | 800 | -0,8 |
14 | 1000 | 0,0 |
15 | 1250 | 0,6 |
16 | 600 | 1,0 |
17 | 2000 | 1,2 |
18 | 2500 | 1,3 |
19 | 3150 | 1,2 |
20 | 4000 | 1,0 |
21 | 5000 | 0,5 |
22 | 6300 | -0,1 |
23 | 8000 | -1,1 |
24 | 10 000 | -2,5 |
<a> Значения поправок Ck используют только в случае, если для данной третьоктавной полосы частот выполнены требования к испытательному пространству и средствам измерений. |
Таблица E.2
Значения
k и
Ck, соответствующие среднегеометрическим
частотам октавных полос
k | Среднегеометрическая частота третьоктавной полосы, Гц | Ck |
2 | 63 | |
5 | 125 | -16,1 |
8 | 250 | -8,6 |
11 | 500 | -3,2 |
14 | 1000 | 0,0 |
17 | 2000 | 1,2 |
20 | 4000 | 1,0 |
23 | 8000 | -1,1 |
<a> Значение поправки Ck используют только в случае, если для данной октавной полосы частот выполнены требования к испытательному пространству и средствам измерений. |
E.2 Уровни звуковой энергии с коррекцией по частотной характеристике A
Корректированный по A уровень звуковой энергии LJA, дБ, вычисляют по формуле

(E.2)
где LJk - уровень звуковой энергии в k-й полосе частот (третьоктавной или октавной), дБ;
Ck - поправка для
k-й третьоктавной полосы частот по
таблице E.1 или для
k-й октавной полосы частот по
таблице E.2;
kmin, kmax - значения k для соответственно низшей и высшей полосы диапазона частот измерений.
E.3 Значения k и Ck
Для расчетов с использованием результатов измерений в третьоктавных и октавных полосах частот используют значения
k и
Ck, приведенные соответственно в
таблицах E.1 и
E.2.
Примечание - Если в шуме источника содержатся слышимые тоны на отдельных частотах, то для расчетов используют результаты измерений в третьоктавных полосах частот.
(обязательное)
АЛЬТЕРНАТИВНЫЙ СПОСОБ РАСПОЛОЖЕНИЯ МИКРОФОНОВ
НА ПОЛУСФЕРИЧЕСКОЙ ИЗМЕРИТЕЛЬНОЙ ПОВЕРХНОСТИ
ПРИ НЕПОСРЕДСТВЕННЫХ ИЗМЕРЕНИЯХ С КОРРЕКЦИЕЙ ПО ЧАСТОТНОЙ
ХАРАКТЕРИСТИКЕ A
F.1 Общие положения
В настоящем приложении рассматривается альтернативный способ установки микрофонов (см.
8.1.1), применяемый, когда целью измерений является определение корректированного по
A уровня звуковой мощности по результатам измерений уровней звука в точках на полусфере. Этот способ применим к источникам, работающим вне помещений, когда наиболее важным с точки воздействия шума является его распространение в горизонтальном направлении и когда наблюдаются значительные перепады в диаграмме направленности излучения источников вследствие их движения, их несимметричности, небольших отклонений в жесткости отражающей плоскости, наличия ветра или температурных градиентов.
F.2 Точки установки микрофонов на измерительной поверхности
Измерительная поверхность должна представлять собой полусферу с центром в начале координат O, с измерительным радиусом r, который по крайней мере вдвое превышает характеристический размер источника dO, округленный в большую сторону до одного из следующих значений: 4, 6, 8, 10, 12, 14 или 16 м.
В случае источников стационарного широкополосного шума и одной звукоотражающей плоскости микрофоны устанавливают в 10 точках с номерами от 1 до 10 согласно
таблице B.2 и
рисунку B.2 либо в 12 точках, приведенных в
таблице F.1 и показанных на
рисунке F.1. В соответствующем испытательном коде по шуму должно быть указано, какой из этих двух вариантов следует выбрать. В том же испытательном коде по шуму независимо от выбранного варианта может содержаться указание о возможном снижении числа точек измерений до шести, если предварительными исследованиями показано, что при таком снижении результат измерений изменяется не более чем на 0,5 дБ. В случае сокращения числа точек измерений используют точки 1, 11, 4, 14, 7, если выбран вариант размещения по
таблице B.2, и точки 2, 4, 6, 8, 10 и 12, если выбран вариант размещения по
таблице F.1.
При испытаниях источника шума, движущегося над звукоотражающей плоскостью, используют точки измерений 2, 4, 6, 8, 10 и 12 по
таблице F.1 (см.
рисунок F.1).
Таблица F.1
Точки установки микрофонов при альтернативном
способе их размещения
| | ИС МЕГАНОРМ: примечание. Сноски в таблице даны в соответствии с официальным текстом документа. | |
Номер точки | | y/r <aa> | z/r | z, м |
1 | 1,00a | 0 | - | 1,5 |
2 | 0,707a | 0,707a | - | 1,5 |
3 | 0 | 1,00a | - | 1,5 |
4 | -0,707a | 0,707a | - | 1,5 |
5 | -1,00a | 0 | - | 1,5 |
6 | -0,707a | -0,707a | - | 1,5 |
7 | 0 | -1,00a | - | 1,5 |
8 | 0,707a | -0,707a | - | 1,5 |
9 | 0,65 | 0,27 | 0,71 | - |
10 | -0,27 | 0,65 | 0,71 | - |
11 | -0,65 | -0,27 | 0,71 | - |
12 | 0,27 | -0,65 | 0,71 | - |
| | ИС МЕГАНОРМ: примечание. Текст дан в соответствии с официальным текстом документа. | |
|
<a> Постоянная a зависит из радиуса измерительной поверхности r и выбирается в соответствии с таблицей F.2. |
Таблица F.2
r, м | a |
4 | 0,927 |
6 | 0,968 |
8 | 0,982 |
10 | 0,989 |
12 | 0,992 |
14 | 0,994 |
16 | 0,996 |

- точки установки микрофонов; A - измерительная
поверхность; B - огибающий параллелепипед; r - радиус
измерительной поверхности
Рисунок F.1 - Альтернативный способ установки микрофонов
на полусферической измерительной поверхности
при непосредственных измерениях с коррекцией по частотной
характеристике A
(обязательное)
ПРИВЕДЕНИЕ УРОВНЯ ЗВУКОВОЙ МОЩНОСТИ И ЗВУКОВОЙ ЭНЕРГИИ
К НОРМАЛЬНЫМ АТМОСФЕРНЫМ УСЛОВИЯМ
Уровень звуковой мощности, приведенный к нормальным атмосферным условиям статического давления 101,325 кПа и температуры воздуха 23,0 °C, LWref,atm, дБ, рассчитывают по формуле
LWref,atm =
LW +
C1 +
C2, (G.1)
C1 - поправка, учитывающая разность опорных значений для определения эквивалентного уровня звукового давления и уровня звуковой мощности и зависящая от характеристического импеданса воздушной среды в испытательном пространстве во время испытаний, дБ,
Примечание - Поправку
C1 не применяют, если значение коррекции
K2 было определено методом сравнения в соответствии с
A.2;
C2 - поправка на импеданс излучения, использования для приведения к нормальным атмосферным условиям, дБ. Эта величина должна быть определена в соответствующем испытательном коде по шуму. Если такой документ отсутствует, то используют следующую формулу, полученную для источника шума в виде монополя и рассматриваемую как результат усреднения для источников другого вида (см.
[23] и
[29]):
ps - статическое давление в испытательном пространстве во время испытаний, кПа;
ps,0 - нормальное атмосферное давление, ps,0 = 101,325 кПа;

- температура воздуха в испытательном пространстве во время испытаний, °C;

.

.
Если испытания проводят на высоте Ha, м, над уровнем моря, то связанное с этим изменение в статическом давлении ps, кПа, можно учесть, используя формулу
ps = ps,0(1 - aHa)b, (G.2)
где a = 2,2560·10-5 м-1;
b = 5,2553.
Примечание - Температура

соответствует характеристическому импедансу воздуха 400 Н·с/м
2 при нормальном атмосферном давлении 101,325 кПа (см.
[23],
[24]). Эта величина не связана с какими-либо реальными атмосферными условиями, а является следствием принятых опорных значений для звукового давления и звуковой мощности:
Уровень звуковой энергии, приведенный к нормальным атмосферным условиям статического давления 101,325 кПа и температуры воздуха 23,0 °C, LJref,atm, дБ, рассчитывают по формуле
LJref,atm = LJ + C1 + C2, (G.3)
где
LJ - уровень звуковой энергии, полученный в условиях испытаний [см.
формулу (23)], дБ;
Если значение уровня звуковой мощности или уровня звуковой энергии приведено к нормальным атмосферным условиям, то это должно быть отражено в протоколе испытаний.
(рекомендуемое)
ПО ПРИМЕНЕНИЮ ИНФОРМАЦИИ ДЛЯ РАСЧЕТА
НЕОПРЕДЕЛЕННОСТИ ИЗМЕРЕНИЯ
H.1 Общие положения
Общий формат представления неопределенности измерения установлен ISO/IEC Guide 98-3. Он предполагает составление бюджета неопределенности, в котором идентифицированы основные источники неопределенности и их вклад в суммарную стандартную неопределенность.
В отношении шума, излучаемого машинами и оборудованием, целесообразно разделить все источники неопределенности на две группы:
a) присущие самому методу измерений;
b) обусловленные нестабильностью излучаемого шума.
В настоящем приложении приведены основанные на современном уровне знаний рекомендации по применению подхода ISO/IEC Guide 98-3 к измерениям, проводимым в соответствии с настоящим стандартом.
H.2 Стандартное отклонение 
Характеристикой неопределенности измерения, проводимого в соответствии с настоящим стандартом, является расширенная неопределенность
U, непосредственно получаемая из стандартного отклонения

[см.
формулу (26)], которое рассматривается как аппроксимация стандартной неопределенности
u(
LW).
В свою очередь,

определяется двумя составляющими,

и

[см.
формулу (25)], разными по своей природе.
Оценки

и

предполагаются статистически независимыми и определяемыми по отдельности.
Стандартное отклонение

, характеризующее шумоизлучение конкретной машины, не может быть рассчитано теоретически и поэтому определяется экспериментально (см.
раздел H.3). Другая составляющая,

, рассматривается в
разделе H.4.
H.3 Стандартное отклонение 
Стандартное отклонение

, дБ (см.
9.2), рассчитывают по формуле

(H.1)
где Lp,j - значение корректированного на фоновый шум эквивалентного уровня звукового давления, полученное в результате j-го повторного измерения в заданной точке при заданных условиях установки и работы источника шума, дБ;
Lpav - среднее арифметическое Lp,j по всем повторным измерениям.
Измерения для определения

проводят в точке установки микрофона, где эквивалентный уровень звукового давления максимален. Если используют усреднение по всем точкам измерения, то в
формуле (H.1) Lp,j и
Lpav заменяют на

и

соответственно.
В общем случае условия установки и работы машины при измерениях ее шумовой характеристики определяются испытательным кодом по шуму. При его отсутствии эти условия должны быть точно заданы до проведения испытаний и зафиксированы в протоколе испытаний. Ниже приводятся некоторые рекомендации в отношении определения таких условий и их возможного влияния на

.
Условия работы при испытаниях должны соответствовать нормальному применению машины согласно рекомендациям изготовителя и практике пользователя. Однако даже при заданных нормальных условиях работы машины возможны некоторые вариации в режимах работы, обрабатываемом, потребляемом или производимом материале, между различными циклами работы машины и пр. Стандартное отклонение

характеризует неопределенность, связанную как с изменчивостью долговременных условий работы (например, день ото дня), так и с изменением излучаемого шума после повторной установки и пуска машины.
Если машину в любых условиях ее применения устанавливают на податливых пружинах либо на тяжелый бетонный пол, то условия установки будут слабо влиять на результаты измерений. Однако если при испытаниях машину устанавливают на твердый массивный пол, а в условиях применения используют другую опору, то шум, создаваемый машиной, может различаться весьма сильно. Составляющая неопределенности, обусловленная установкой машины, будет наибольшей, если машина соединена со вспомогательным оборудованием. Также эта неопределенность будет велика в случае ручных машин. Необходимо исследовать, как перемещения машины или ее крепления влияют на создаваемый машиной шум. Если необходимо заявить шумовую характеристику машины для разных способов ее установки и крепления, то

оценивают по результатам измерений при всех возможных способах установки. Если влияние условий установки машины на создаваемый ею шум известно, то в испытательном коде по шуму или в методике, применяемой пользователем, должен быть определен рекомендуемый способ установки машины для измерений.
С точки зрения важности вклада тех или иных источников неопределенности в

исследования для определения

имеют больший приоритет, чем связанные с определением

[см.
формулу (25)]. Это связано с тем, что

может принимать существенно

значения, чем стандартное отклонение

, которое для технического метода измерений, как это следует из
таблицы 2, не превышает 1,5 дБ.
Если

, то проведение измерений с высокой точностью (т.е. с малым

) теряет практический смысл, поскольку это не способно привести к существенному снижению

. Примеры возможных соотношений между

и

приведены в
таблице H.1.
Таблица H.1
Примеры расчета

для разных соотношений между

и

Стандартное отклонение воспроизводимости метода  , дБ | Стандартное отклонение  , дБ, для разных условий установки и работы машины, характеризующихся разными значениями  , дБ |
Стабильные | Нестабильные | Очень нестабильные |
 , дБ |
0,5 | 2 | 4 |
0,5 (точный метод) | 0,7 | 2,1 | 4,0 |
1,5 (технический метод) | 1,6 | 2,5 | 4,3 |
3 (ориентировочный метод) | 3,0 | 3,6 | 5,0 |
Из этих примеров видно, что при нестабильных условиях установки и работы испытуемой машины излишне прилагать усилия в попытках обеспечить условия точного метода измерений.
Кроме того, в ситуации, когда

, у пользователя стандарта возможно формирование неправильного представления об общей неопределенности измерения, если он ориентируется на класс точности измерений, который в настоящем стандарте определяется только значением

.
H.4 Стандартное отклонение 
H.4.1 Общие положения
Оценки

сверху приведены в
таблице 2. Кроме того, в
9.3 приведены рекомендации по проведению исследований для получения более реалистичных оценок

для отдельных машин или семейств машин. Такие исследования включают в себя проведение измерений в условиях воспроизводимости согласно ISO 5725 или расчеты на основании математической модели измерения [см.
формулу (28)], требующие привлечения дополнительной информации.
Если некоторые источники неопределенности несущественны для конкретных измерительных задач или трудны для исследования, то в испытательном коде по шуму приводят значение

, полученное в результате межлабораторного эксперимента или рассчитанное аналитически на основе модели, которое не учитывает вариативность этих источников.
Расчет на основе бюджета неопределенности предполагает статистическую независимость отдельных источников неопределенности и, главное, наличие уравнений, используя которые можно было бы оценить вклад этих источников по результатам соответствующих измерений или на основе накопленного практического опыта. В настоящее время, однако, объема накопленной экспериментальной информации, которая могла бы быть использована в целях настоящего стандарта, недостаточно. Тем не менее ниже приводятся данные, которые нельзя рассматривать как окончательные, но которые могут быть использованы для ориентировочной оценки вкладов отдельных составляющих неопределенности.
H.4.2 Вклад разных источников в 
H.4.2.1 Общие положения
Предварительные исследования показали, что измеряемый уровень звуковой мощности LWref,atm, дБ, в который внесена поправка на атмосферные условия, может быть представлен следующей зависимостью от влияющих факторов (входных величин):

(H.2)
где

- входная величина, описывающая влияние применяемого метода измерений, дБ;

- входная величина, описывающая влияние условий установки и работы машины, дБ (эта величина не включена в расчеты

);

- средний по измерительной поверхности, корректированный на фоновый шум эквивалентный уровень звукового давления при работе испытуемого источника шума, дБ;
S - площадь измерительной поверхности, м2;
S0 = 1 м2;
K2 - коррекция на свойства испытательного пространства (см.
A.2 и
A.3), дБ;
C1 - поправка, учитывающая разность опорных значений для определения эквивалентного уровня звукового давления и уровня звуковой мощности и зависящая от характеристического импеданса воздушной среды при данных метеорологических условиях в данный момент и в данном месте измерений, дБ;
C2 - поправка на импеданс излучения, используемая для приведения к нормальным атмосферным условиям, дБ. Эта величина должна быть определена в соответствующем испытательном коде по шуму. Если такой документ отсутствует, то используют формулу, полученную для источника шума в виде монополя и рассматриваемую как результат усреднения для источников другого вида (см.
[23],
[29]);

- входная величина, описывающая влияние применяемых средств измерений, дБ;

- входная величина, описывающая влияние конечного числа точек измерений на измерительной поверхности, дБ;

- входная величина, учитывающая разность направления излучения источника шума и нормали к измерительной поверхности, дБ;

- входная величина, описывающая флуктуации температуры воздуха в испытательном пространстве, ДБ;

- входная величина, описывающая флуктуации относительной влажности воздуха, дБ.
Примечание 1 - Если измеряемой величиной является уровень звуковой энергии, то для нее модель измерения будет иметь вид, аналогичный
формуле (H.2).
Примечание 2 - Модель, описываемую
формулой (H.2), применяют при измерениях как в полосе частот, так и с коррекцией по частотной характеристике
A.
Примечание 3 - Входные величины, включенные в
формулу (H.2), отражают современное представление о факторах, способных оказать влияние на результат измерения уровня звуковой мощности при испытаниях по настоящему стандарту. Дальнейшие исследования могут показать необходимость модификации этой модели.
Каждой входной величине должно быть приписано соответствующее распределение вероятностей (нормальное, прямоугольное, Стьюдента и т.п.). Лучшей оценкой входной величины будет ее математическое ожидание. Стандартное отклонение распределения входной величины характеризует разброс ее возможных значений и принимается за ее стандартную неопределенность.
Составляющая неопределенности, связанная с условиями установки и работы источника шума, уже учтена в

. Остальные входные величины в совокупности характеризуются стандартным отклонением

.
Информация об ожидаемых значениях стандартных неопределенностей входных величин
ui и соответствующих им коэффициентах чувствительности
ci, необходимых для расчета

, дБ,

, приведена в
таблице H.2.
Таблица H.2
Бюджет неопределенности для расчета

для примера
измерения уровня звуковой мощности и звуковой энергии
на частотах от 500 Гц до 4 кГц или корректированного
по A источника шума с относительно плоским спектром
Входная величина (см. H.4.2) | Оценка входной величины, дБ | Стандартное отклонение <a> ui, дБ | Вид распределения | Коэффициент чувствительности <a> ci |
| 0 | 0,4 | Нормальное | 1 |
| | | Нормальное | |
S | | | Прямоугольное | 8,7/r |
K1 | K1 | | Нормальное | |
K2 | K2 | K2/4 | Нормальное | 1 |
C1 + C2 | C1 + C2 | 0,3 | Треугольное | 1 |
| 0 | 0,5 | Нормальное | 1 |
| 0 | | Нормальное | 1 |
| 0 | Параллелепипед: Полусфера: 0,25 | Прямоугольное | |
| 0 | | Прямоугольное | |
| 0 | | Прямоугольное | |
|
Расчет

выполнен в предположении, что все входные величины некоррелированы.
Для некоторых входных величин соответствующие стандартные неопределенности должны быть получены в результате дополнительных исследований.
Пример информации, необходимой для расчета суммарной стандартной неопределенности при прямом методе измерений, приведен в
таблице H.2 и в
H.4.2.2 -
H.4.2.12.
H.4.2.2 Метод измерений

Неопределенность, связанная с самим применяемым методом измерений, характеризуется смещением результата измерений, обусловленным применяемым методом, и стандартной неопределенностью оценки этого смещения
umethod. В предположении, что все необходимые поправки к полученному значению уровня звуковой мощности внесены должным образом, оставшееся смещение можно оценить только исходя из практического опыта измерений или по результатам межлабораторного эксперимента. В случае детально проработанной модели измерения, в которой учтены все основные влияющие величины и для них получены количественные оценки этого влияния, неопределенность, связанная с методом измерения, будет мала. Если же знаний о возможных влияющих величинах недостаточно, имеются трудности в оценке пределов этого влияния или проводить такую оценку нецелесообразно из практических соображений, то данная составляющая неопределенности может стать доминирующей в оценке

. Примером может служить применение метода измерений недостаточно квалифицированным или неопытным пользователем.
В предположении, что анализ модели измерения был выполнен правильно и в полном объеме, в качестве ориентировочной оценки можно принять umethod = 0,4 дБ.
Смещение, обусловленное методом измерения, непосредственно входит в качестве слагаемого в оценку измеряемой величины, поэтому коэффициент чувствительности cmethod = 1. Вклад cmethodumethod данного источника в суммарную стандартную неопределенность будет составлять 0,4 дБ.
H.4.2.3 Изменения звукового поля во время испытаний

Неопределенность, связанная с изменчивостью звукового поля, создаваемого испытуемым источником шума, характеризуется разбросом результатов последовательных измерений. Соответственно, стандартная неопределенность

, дБ, может быть выражена через выборочное стандартное отклонение результатов этих измерений и рассчитана по формуле
где

- некорректированный на фоновый шум результат
j-го повторного измерения в заданной точке эквивалентного уровня звукового давления в заданных условиях установки и работы испытуемого источника шума, дБ;

- арифметическое среднее по всем

, дБ;
N - число повторных измерений.
Повторные измерения выполнены в условиях повторяемости, т.е. за короткий промежуток времени в одном месте с использованием одного и того же метода измерений, включая средства измерений, одним и тем же оператором. При каждом повторном испытании включение и настройку средств измерений выполняют заново.
Коэффициент чувствительности

представляет собой производную функции измерения
LWref,atm по

и зависит от уровня фонового шума. Вычисление производной дает

.
Это выражение может быть упрощено до

.
Для наихудшего случая, когда уровень шума совпадает с предельно допустимым значением (см.
H.4.2.5), значение коэффициента чувствительности

. Если продолжительность измерений
T не позволит охватить достаточное число циклов работы машины, то суммарная стандартная неопределенность может стать недопустимо большой для технического метода измерений. Влияние данного источника неопределенности может быть уменьшено за счет лучшего контроля условий работы машины, увеличения продолжительности измерений или путем усреднения по многократным измерениям, выполненным в разных условиях, характерных для типичного применения машины. Уменьшить вклад данного источника можно также за счет увеличения числа точек измерений или увеличения измерительного расстояния (радиуса). В рассматриваемом примере вклад

в суммарную стандартную неопределенность предполагается равным 0,3 дБ.
H.4.2.4 Измерительная поверхность (S)
В настоящем примере рассматривается стандартная неопределенность
uS, связанная с измерительным радиусом
r (в случае измерительной поверхности в виде параллелепипеда расчеты будут аналогичны). Неопределенность размеров измерительной поверхности зависит от точности информации об измерительном радиусе, значение которого, как предполагается, находится в интервале

. Соответствующей случайной величине может быть приписано прямоугольное распределение на этом интервале со стандартным отклонением

.
Формула для расчета уровня звуковой мощности имеет вид

. Коэффициент чувствительности
cs вычисляется как производная
LW по
r, что дает
cs = 8,7/
r.
В качестве наихудшего варианта можно предположить, что

составляет 10% значения
r. Ему соответствует вклад
csus в суммарную стандартную неопределенность, равный 0,5 дБ. Более тщательные измерения расстояний при построении измерительной поверхности позволяют уменьшить влияние данного фактора, который в большинстве случаев не будет превышать 0,3 дБ.
H.4.2.5 Коррекция на фоновый шум (
K1)
Стандартная неопределенность
u(
K1), дБ, связанная с коррекцией на фоновый шум
K1, может быть выражена через выборочное стандартное отклонение

по серии повторных измерений фонового шума в одной точке измерений (установки микрофона) на измерительной поверхности.
Коэффициент чувствительности
c(
K1) получают, беря производную функции измерения
LWref,atm по

и используя
формулы (H.1) и
(16). Знак коэффициента чувствительности значения не имеет, поэтому его можно представить в виде

При

выражение для
c(
K1) может быть упрощено:

. В рассматриваемом примере
u(
K1) предполагается равным 3 дБ. В наихудшем случае разность

будет равна 6 дБ, что даст значение коэффициента чувствительности
c(
K1) = 0,3 и вклад
c(
K1)
u(
K1) в суммарную стандартную неопределенность, равный 1,0 дБ. В большинстве измерительных ситуаций за счет поддержания низкого уровня фонового шума данный вклад может быть уменьшен до 0,3 дБ. Уменьшение флуктуаций фонового шума уменьшает вклад данной составляющей неопределенности. Кроме того, можно ожидать, что
u(
K1) снизится примерно вдвое, если вчетверо увеличить продолжительность измерений
T. Существенного уменьшения коэффициента чувствительности можно добиться за счет снижения фонового шума посредством выявления его источников с последующим принятием мер по их звукоизоляции или звукопоглощению. Такие меры могут включать в себя устройство правильного заземления, изоляцию проводов, виброизоляцию, использование дополнительных масс и дополнительных поглощающих материалов и т.д. Отношение эквивалентного уровня звукового давления фонового шума к эквивалентному уровню звукового давления шума испытуемого источника уменьшается на 3 дБ при уменьшении площади измерительной поверхности вдвое.
H.4.2.6 Коррекция на свойства испытательного пространства (K2)
Практический опыт показывает, что расчетному значению коррекции на свойства испытательного пространства K2, дБ, можно поставить в соответствие стандартную неопределенность u(K2), приближенно определяемую по формуле u(K2) = K2/4. Так, при K2 = 4 дБ, u(K2) = 1 дБ.
Коэффициент чувствительности для данного фактора, c(K2), равен единице.
В наихудшем случае K2 = 4 дБ, u(K2) = 1 дБ и c(K2)u(K2) = 1 дБ. Вклад данной составляющей можно уменьшить, уменьшая измерительное расстояние (радиус), увеличивая звукопоглощение в испытательном помещении, проводя испытания в помещении с открытыми окнами и дверями или на открытом воздухе. В большинстве случаев можно принять c(K2)u(K2) = 0,5 дБ.
H.4.2.7 Поправки на атмосферные условия (C1 + C2)
В настоящем пункте рассматриваются поправки на атмосферные условия
C1 +
C2 и соответствующее им стандартное отклонение
u(
C1 +
C2), связанные с существенными изменениями постоянного давления
ps. Неопределенность, связанная с изменениями температуры, рассматривается в
H.4.2.11.
Если измерения проводят на высоте менее 500 м над уровнем моря, то поправку на атмосферные условия не учитывают (т.е. в данном примере
C1 +
C2 = 0 дБ). При этом на высоте 120 м при температуре воздуха 23 °C значение этой поправки равно нулю, а на высоте 500 м при той же температуре - 0,6 дБ. Приписывая распределению случайной величины, связанной с неучетом поправки, треугольное распределение, получим для него стандартное отклонение

. Данное значение принимают за
u(
C1 +
C2).
Коэффициент чувствительности для данного фактора, c(C1 + C2), равен единице.
Принимая, что испытания проводятся на высоте менее 500 м над уровнем моря, и не внося поправку на атмосферные условия, получим, что вклад данной составляющей неопределенности равен 0,3 дБ. Этот вклад можно уменьшить, изменив место проведения испытаний или внеся поправку на атмосферные условия.
H.4.2.8 Инструментальная неопределенность

При измерениях звуковой мощности с использованием шумомеров класса 1 стандартную неопределенность usim, обусловленную применяемым средством измерений, можно принять равной приблизительно 0,5 дБ.
Инструментальная неопределенность дает непосредственный вклад в неопределенность измеряемой величины, поэтому соответствующий коэффициент чувствительности равен единице, а вклад данного источника неопределенности в суммарную стандартную неопределенность составляет 0,5 дБ. Факторы, влияющие на инструментальную неопределенность при применении шумомеров, подробно рассматриваются в IEC 61672-1. Уменьшить значение коэффициента чувствительности
csim можно, если оценку коррекции
K2 выполнять методом сравнения (см.
A.2), но при этом необходимо будет учитывать дополнительную неопределенность, связанную с применяемым образцовым источником шума.
H.4.2.9 Неравномерность распределения эквивалентного уровня звукового давления по измерительной поверхности

Стандартную неопределенность umic, связанную с конечным числом точек измерений на измерительной поверхности, можно оценить, используя формулу
где

- кажущийся показатель неравномерности уровня звукового давления (см.
3.25);
NM - число точек измерений на измерительной поверхности.
Коэффициент чувствительности для данного фактора, cmic, равен единице.
Обычно разброс значений эквивалентного уровня звукового давления в разных точках измерительной поверхности не превышает 5 дБ. Предположив, что минимальное число точек измерений равно девяти, получим оценку
umic = 0,7 дБ. Как наихудший случай можно рассматривать ситуацию, когда разброс значений составляет 10 дБ, и при этом число точек измерений увеличено только на единицу, т.е. равно 10. Это будет соответствовать
umic = 1,8 дБ. Стандартная неопределенность
umic уменьшается в два раза при увеличении числа точек измерений вчетверо. Ее можно также уменьшить, увеличив измерительное расстояние. В ряде случаев можно попытаться уменьшить данную составляющую неопределенности, изменяя положение испытуемого источника шума. Если в испытательном пространстве частично присутствует диффузионное поле, то неопределенность измерения можно уменьшить за счет большей однородности этого поля, получаемой, например, при увеличении времени реверберации в испытательном помещении или при использовании акустических рассеивателей звука (см. также
[2]).
H.4.2.10 Отклонение угла падения звуковой волны от нормали к измерительной поверхности

Стандартную неопределенность, связанную с углом падения звуковой волны от испытуемого источника шума обозначим
uangle. Использование в настоящем стандарте измерений звукового давления для аппроксимации интенсивности звука ведет к завышенным оценкам уровня звуковой мощности. Если измерительная поверхность имеет вид параллелепипеда, то смещение оценки может лежать в диапазоне от нуля до 1,2lg(
S/
d2) (дБ) в зависимости от угла падения звуковой волны и импеданса среды (т.е. от интенсивности звука, создаваемого испытуемым источником, и когерентности звуковых волн, распространяющихся от разных частей этого источника). Величина смещения и, при необходимости, соответствующей поправки зависит от источника шума и должна быть указана в испытательном коде по шуму. Максимально завышенная оценка уровня звуковой мощности получается в случае, когда звук распространяется из точечного источника, расположенного вблизи середины ребра нижней грани параллелепипеда измерительной поверхности (примером может служить образцовый источник шума, размещенный рядом с машиной очень больших размеров). Для измерительной поверхности в виде параллелепипеда стандартную неопределенность
uangle, дБ, можно приближенно оценить по формуле (см.
[27])

где d - измерительное расстояние, м;
S - площадь измерительной поверхности, м2.
Для измерений в свободном звуковом поле над звукоотражающей плоскостью с использованием полусферической измерительной поверхности uangle = 0,25 дБ.
Примечание - На высоких частотах смещение, связанное с отклонением угла падения звуковой волны, может быть компенсировано направленностью микрофона.
Коэффициент чувствительности
cangle может быть рассчитан по формуле

, которую получают следующим образом. Отклонение угла падения звуковой волны от нормали к измерительной поверхности влияет только на эквивалентный уровень звукового давления для прямой волны,

, распространяющейся от испытуемого источника. Поэтому коэффициент чувствительности
cangle можно представить в виде производной

и преобразовать с учетом того, что
где

- вклад в эквивалентный уровень звукового давления на измерительной поверхности реверберационного звукового поля, и

(см.
A.2).
Наихудший случай имеет место, когда измерительная поверхность в виде параллелепипеда расположена максимально близко к испытуемому источнику шума больших размеров. Например, для машины, размеры которой в длину, ширину и высоту равны приблизительно 8 м, и измерительного расстояния 1 м (согласно
приложению C для такой измерительной поверхности потребуется более 100 точек измерений)
uangle = 1,6 дБ. Коэффициент чувствительности
cangle максимален, когда
K2 = 0 дБ (т.е. при измерениях на открытом воздухе). Для более типичного случая, когда достаточно девяти точек измерений
uangle уменьшается до 1,0 дБ. Если при этом принять
K2 = 2 дБ, то
cangle = 0,6 дБ, и вклад данной составляющей неопределенности
cangleuangle в суммарную стандартную неопределенность составит 0,6 дБ. Этот вклад будет тем меньше, чем больше
K2. Уменьшить его можно также за счет увеличения измерительного расстояния
d. Для больших значений
d и полусферической измерительной поверхности этот вклад может быть уменьшен до 0,25 дБ и менее.
H.4.2.11 Температура воздуха

Изменения температуры воздуха влияют на коррекцию
K2 через изменение звукопоглощающих свойств среды в испытательном помещении. В рассматриваемом примере предполагается, что изменения температуры

, °C, попадают в диапазон

и характеризуются прямоугольным распределением в пределах этого диапазона. Тогда стандартная неопределенность

будет равна стандартному отклонению данного распределения,

.
Коэффициент чувствительности

получают дифференцированием
LWref,atm по

. Основная формула для

получена из
[2] с заменой слагаемого
C2 на
K2. Взятие производной от
K2 было рассмотрено в
H.4.2.10. С учетом этого
где H - относительная влажность воздуха в испытательном пространстве, %;
f - максимальная частота, эквивалентный уровень звукового давления для которой оказывает существенное влияние на результат измерения уровня звуковой мощности с коррекцией по частотной характеристике A.
Коэффициент чувствительности

принимает максимальные значения при большой коррекции
K2, большом значении
f, если испытания проводят в сухом помещении при низкой температуре. Типичным неблагоприятным случаем можно считать, когда испытуемый источник шума изменяет температуру воздуха в помещении, например, на 10 °C, что дает

. В качестве наихудшего случая с точки зрения коэффициента чувствительности

можно рассмотреть ситуацию, когда источник излучает значительный шум на частоте 10 кГц при
K2 = 4 дБ, температуре окружающего воздуха 10 °C и относительной влажности 10%. В этом случае коэффициент чувствительности будет равен приблизительно 0,3 дБ/°C и вклад данного источника неопределенности,

, составит 0,8 дБ. Принятие специальных мер по обеспечению стабильной температуры в испытательном помещении и сохранению условий температурного равновесия или сокращение общего времени измерений позволит уменьшить составляющую неопределенности, связанную с изменениями температуры воздуха.
Коэффициент чувствительности может быть уменьшен при уменьшении
K2 в результате увеличения звукопоглощения в испытательном помещении, при проведении испытания в помещении с открытыми окнами и дверями. При повышении температуры и влажности воздуха коэффициент чувствительности

начинает слабее зависеть от изменений температуры. В
[2] рекомендуемыми диапазонами изменений являются +/- 1 °C для температуры и +/- 3% для влажности воздуха при температурах ниже 20 °C и при относительной влажности менее 30%. Для температуры выше 20 °C при относительной влажности выше 50% такими диапазонами являются соответственно +/- 5 °C и +/- 10%. Обычно если работа источника шума слабо влияет на температуру окружающего воздуха, а в производимом им шуме доминируют низкие частоты, то вклад данной составляющей неопределенности становится незначительным, например

.
H.4.2.12 Относительная влажность

В рассматриваемом примере предполагается, что изменения относительной влажности
H попадают в диапазон

, %, и характеризуются прямоугольным распределением в пределах этого диапазона. Тогда стандартная неопределенность
uH будет равна стандартному отклонению данного распределения,
.
Коэффициент чувствительности
cH получают дифференцированием
LWref,atm аналогично
H.4.2.11:
H > 10%,
где f - максимальная частота, эквивалентный уровень звукового давления для которой оказывает существенное влияние на результат измерения уровня звуковой мощности с коррекцией по частотной характеристике A.
Коэффициент чувствительности cH принимает максимальные значения при f, равном 10 кГц, если испытания проводят в сухом помещении. В качестве наихудшего случая с точки зрения коэффициента чувствительности cH можно рассмотреть ситуацию, когда источник излучает значительный шум на частоте 10 кГц при K2 = 4 дБ и относительной влажности 10%. В этом случае коэффициент чувствительности будет равен приблизительно 0,3. Если при этом относительная влажность изменяется в пределах +/- 5%, то вклад данного источника неопределенности cHuH составит 1,0 дБ. Принятие специальных мер по обеспечению стабильности влажности воздуха и сохранению условий ее равновесия в испытательном помещении или сокращение общего времени измерений позволит уменьшить составляющую неопределенности, связанную с изменением относительной влажности воздуха.
Коэффициент чувствительности может быть уменьшен при уменьшении
K2 в результате увеличения звукопоглощения в испытательном помещении, при проведении испытания в помещении с открытыми окнами и дверями. В
[2] рекомендуемыми диапазонами изменений относительной влажности воздуха являются от +/- 3% при
H < 30% до +/- 10% при
H > 50%. Обычно стабильность относительной влажности воздуха поддерживается в более узких пределах, и с учетом того, что в шуме большинства испытуемых источников доминируют низкие частоты, вклад данной составляющей неопределенности становится незначительным, например
cHuH = 0,1 дБ.
H.4.2.13 Типичное значение

H.5 Суммарная стандартная неопределенность
В случае незначительной корреляции между входными величинами суммарную стандартную неопределенность u(LWref,atm), дБ, рассчитывают по формуле

(H.3)
H.6 Использование результатов измерений в условиях воспроизводимости
При отсутствии информации о составляющих неопределенности и возможных корреляциях между входными величинами в качестве суммарной стандартной неопределенности
u(
LWref,atm) может быть использовано стандартное отклонение воспроизводимости (см.
раздел 9). Затем для получения расширенной неопределенности
U выбирают значение коэффициента охвата
k. По умолчанию интервал охвата определяют для вероятности охвата 95%. Тогда в предположении нормального распределения случайной величины, ассоциированной с измеряемой величиной
LWref,atm, значение коэффициента охвата будет
k = 2. Чтобы избежать неправильного толкования, вместе с расширенной неопределенностью в протоколе испытаний следует указывать примененное значение вероятности охвата.
(справочное)
СВЕДЕНИЯ О СООТВЕТСТВИИ ССЫЛОЧНЫХ МЕЖДУНАРОДНЫХ СТАНДАРТОВ
МЕЖГОСУДАРСТВЕННЫМ СТАНДАРТАМ
Таблица ДА.1
Обозначение ссылочного международного стандарта | Степень соответствия | Обозначение и наименование соответствующего межгосударственного стандарта |
ISO 3382-2 | - | |
ISO 3745 | IDT | ГОСТ ISO 3745-2014 "Акустика. Определение уровней звуковой мощности и звуковой энергии источников шума по звуковому давлению. Точные методы для заглушенных и полузаглушенных камер" |
| IDT | ГОСТ ИСО 5725-1-2003 "Точность (правильность и прецизионность) методов и результатов измерений. Часть 1. Основные положения и определения" ГОСТ ИСО 5725-2-2003 "Точность (правильность и прецизионность) методов и результатов измерений. Часть 2. Основной метод определения повторяемости и воспроизводимости стандартного метода измерений" ГОСТ ИСО 5725-3-2003 "Точность (правильность и прецизионность) методов и результатов измерений. Часть 3. Промежуточные показатели прецизионности стандартного метода измерений" ГОСТ ИСО 5725-4-2003 "Точность (правильность и прецизионность) методов и результатов измерений. Часть 4. Основные методы определения правильности стандартного метода измерений ГОСТ ИСО 5725-5-2003 "Точность (правильность и прецизионность) методов и результатов измерений. Часть 5. Альтернативные методы определения прецизионности стандартного метода измерений" ГОСТ ИСО 5725-6-2003 "Точность (правильность и прецизионность) методов и результатов измерений. Часть 6. Использование значений точности на практике" |
ISO 6926 | MOD | ГОСТ 35045-2023 (ISO 6926:2016) "Акустика. Образцовый источник шума для определения уровней звуковой мощности машин. Требования к характеристикам и калибровке" |
ISO 12001 | - | |
ISO/IEC Guide 98-3 | IDT | ГОСТ 34100.3-2017/ISO/IEC Guide 98-3:2008 "Неопределенность измерения. Часть 3. Руководство по выражению неопределенности измерения" |
IEC 60942 | - | |
IEC 61183 | - | |
IEC 61260-1 | - | |
IEC 61672-1 | - | |
<*> Соответствующий межгосударственный стандарт отсутствует. До его принятия рекомендуется использовать перевод на русский язык данного международного стандарта. Примечание - В настоящей таблице использованы следующие условные обозначения степени соответствия стандартов: - IDT - идентичные стандарты; - MOD - модифицированный стандарт. |
--------------------------------
<1> В Российской Федерации действуют национальные стандарты ГОСТ Р ИСО 5725-1-2002 - ГОСТ Р ИСО 5725-6-2002 с общим заголовком "Точность (правильность и прецизионность) методов и результатов измерений".
| ISO 3740, Acoustics - Determination of sound power levels of noise sources - Guidelines for the use of basic standards (Акустика. Определение уровней звуковой мощности источников шума. Руководство по применению базовых стандартов) |
| ISO 3741, Acoustics - Determination of sound power levels and sound energy levels of noise sources using sound pressure - Precision methods for reverberation test rooms (Акустика. Определение уровней звуковой мощности и звуковой энергии источников шума по звуковому давлению. Точные методы для реверберационных камер) |
| ISO 3743-1, Acoustics - Determination of sound power levels of noise sources using sound pressure - Engineering methods for small, movable sources in reverberant fields - Part 1: Comparison method for a hard-wall test room (Акустика. Определение уровней звуковой мощности и звуковой энергии источников шума по звуковому давлению. Технические методы для малых переносных источников шума в реверберационных полях. Часть 1. Метод сравнения для испытательного помещения с жесткими стенами) |
| ISO 3743-2, Acoustics - Determination of sound power levels of noise sources using sound pressure - Engineering methods for small, movable sources in reverberant fields - Part 2: Methods for special reverberation test rooms (Акустика. Определение уровней звуковой мощности источников шума по звуковому давлению. Технические методы для малых переносных источников шума в реверберационных полях. Часть 2. Методы для реверберационных камер) |
| ISO 3746, Acoustics - Determination of sound power levels and sound energy levels of noise sources using sound pressure - Survey method using an enveloping measurement surface over a reflecting plane (Акустика. Определение уровней звуковой мощности и звуковой энергии источников шума по звуковому давлению. Ориентировочный метод с использованием измерительной поверхности над звукоотражающей плоскостью) |
| ISO 3747, Acoustics - Determination of sound power levels and sound energy levels of noise sources using sound pressure - Engineering/survey methods for use in situ in a reverberant environment (Акустика. Определение уровней звуковой мощности и звуковой энергии источников шума по звуковому давлению. Технический/ориентировочный методы в реверберационном звуковом поле на месте установки) |
| ISO 4871, Acoustics - Declaration and verification of noise emission values of machinery and equipment (Акустика. Заявление и подтверждение характеристик излучения шума машинами и оборудованием) |
[8] | ISO 7574-1, Acoustics - Statistical methods for determining and verifying stated noise emission values of machinery and equipment - Part 1: General considerations and definitions (Акустика. Статистические методы определения и подтверждения заявленных шумовых характеристик машин и оборудования. Часть 1. Общие положения и определения) |
[9] | ISO 7574-2, Acoustics - Statistical methods for determining and verifying stated noise emission values of machinery and equipment - Part 2: Methods for stated values for individual machines (Акустика. Статистические методы определения и подтверждения заявленных шумовых характеристик машин и оборудования. Часть 2. Методы для заявленных характеристик отдельных машин) |
[10] | ISO 7574-3, Acoustics - Statistical methods for determining and verifying stated noise emission values of machinery and equipment - Part 3: Simple (transition) method for stated values for batches of machines [Акустика. Статистические методы определения и подтверждения заявленных шумовых характеристик машин и оборудования. Часть 3. Простой метод для заявленных характеристик партий машин (на переходный период)] |
[11] | ISO 7574-4, Acoustics - Statistical methods for determining and verifying stated noise emission values of machinery and equipment - Part 4: Methods for stated values for batches of machines (Акустика. Статистические методы определения и подтверждения заявленных шумовых характеристик машин и оборудования. Часть 4. Методы для заявленных характеристик партий машин) |
[12] | ISO 9296, Acoustics - Declared noise emission values of information technology and telecommunications equipment (Акустика. Заявленные значения шума, излучаемого оборудованием для информационных технологий и телекоммуникаций) |
| ISO 9614-1, Acoustics - Determination of sound power levels of noise sources using sound intensity - Part 1: Measurement at discrete points (Акустика. Определение уровней звуковой мощности источников шума по интенсивности звука. Измерения в дискретных точках) |
| ISO 9614-2, Acoustics - Determination of sound power levels of noise sources using sound intensity - Part 2: Measurement by scanning (Акустика. Определение уровней звуковой мощности источников шума по интенсивности звука. Часть 2. Измерения сканированием) |
[15] | ISO 9614-3, Acoustics - Determination of sound power levels of noise sources using sound intensity - Part 3: Precision method for measurement by scanning (Акустика. Определение уровней звуковой мощности источников шума по интенсивности звука. Часть 3. Точный метод для измерения сканированием) |
[16] | ISO 10534-1, Acoustics - Determination of sound absorption coefficient and impedance in impedance tubes - Part 1: Method using standing wave ratio (Акустика. Определение коэффициента звукопоглощения и импеданса в импедансных трубах. Часть 1. Метод стоячей волны) |
[17] | ISO 10534-2, Acoustics - Determination of sound absorption coefficient and impedance in impedance tubes - Part 2: Transfer-function method (Акустика. Определение коэффициента звукопоглощения и импеданса в импедансных трубах. Часть 2. Метод передаточной функции) |
| ISO 11201, Acoustics - Noise emitted by machinery and equipment - Determination of emission sound pressure levels at a work station and at other specified positions in an essentially free field over a reflecting plane with negligible environmental corrections (Акустика. Шум, излучаемый машинами и оборудованием. Определение уровней звукового давления излучения на рабочем месте и в других контрольных точках в существенно свободном звуковом поле над звукоотражающей плоскостью без коррекции на свойства испытательного пространства) |
[19] | ISO 13472-1, Acoustics - Measurement of sound absorption properties of road surfaces in situ - Part 1: Extended surface method (Акустика. Измерение на месте звукопоглощения дорожных покрытий. Часть 1. Метод вытянутой поверхности) |
| ISO/TR 25417:2007, Acoustics - Definitions of basic quantities and terms (Акустика. Определения основных величин и терминов) |
| ISO 80000-8:2007, Quantities and units - Part 8: Acoustics (Величины и единицы измерений. Часть 8. Акустика) |
[22] | Wittstock, V. On the uncertainty of meteorological corrections in sound power determination. Proceedings Inter-Noise 2004, CDROM, Prague, 2004 |
| Davies, R.S. Equation for the determination of the density of moist air. Metrologia 1992, 29, pp. 67 - 70 |
| Cramer, O. The variation of the specific heat ratio and the speed of sound in air with temperature, humidity and CO2 concentration. J. Acoust. Soc. Am. 1993, 93, pp. 2510 - 2516 |
|  , G. Final results of a round robin test determining the sound power of machine/equipment. Proceedings Inter-Noise 1997, Budapest, 1997, pp. 1317 - 1322 |
| Hellweg, R.D. International round robin test of ISO/DIS 7779. In: Proceedings Inter-Noise 1988, Avignon, 1988, pp. 1105 - 1108 |
| Probst, W. Checking of sound emission values. Bremerhaven: Wirtschaftsverlag NW, Verlag  Neue Wissenschaft, 1999. 102 p. (Schriftenreihe der Bundesanstalt  Arbeitsschutz und Arbeitsmedizin: Forschung, Special report 851) |
[28] | Wong, G.S.K. Comments on "The variation of the specific heat ratio and the speed of sound in air with temperature, pressure, humidity, and CO2 concentration", J. Acoust. Soc. Am. 93, 2510 - 2516 (1993). J. Acoust. Soc. Am. 1995, 97, pp. 3177 - 3179 |
|  , G. Accuracy consideration on the meteorological correction for a normalized sound power level. In: Proceedings Inter-Noise 2000, Nice, 2000 |
[30] |  , G. Analysis of errors in the measurement of machine noise. J. Acoust. Soc. Am. 1973, 54, pp. 967 - 977 |
УДК 534.322.3.08:006.354 | | IDT |
Ключевые слова: шум машин, уровень звуковой мощности, уровень звуковой энергии, эквивалентный уровень звукового давления, свободное звуковое поле, звукоотражающая поверхность, технический метод измерений |