Главная // Актуальные документы // Актуальные документы (обновление 2025.03.29-2025.04.26) // ГОСТ (Государственный стандарт)СПРАВКА
Источник публикации
М.: ФГБУ "Институт стандартизации", 2025
Примечание к документу
Документ
вводится в действие с 01.06.2025.
Название документа
"ГОСТ 30974-2024. Межгосударственный стандарт. Соединения угловые деревянных брусчатых и бревенчатых малоэтажных зданий. Классификация, конструкции, размеры"
(введен в действие Приказом Росстандарта от 28.12.2024 N 2049-ст)
"ГОСТ 30974-2024. Межгосударственный стандарт. Соединения угловые деревянных брусчатых и бревенчатых малоэтажных зданий. Классификация, конструкции, размеры"
(введен в действие Приказом Росстандарта от 28.12.2024 N 2049-ст)
агентства по техническому
регулированию и метрологии
от 28 декабря 2024 г. N 2049-ст
МЕЖГОСУДАРСТВЕННЫЙ СТАНДАРТ
СОЕДИНЕНИЯ УГЛОВЫЕ ДЕРЕВЯННЫХ БРУСЧАТЫХ
И БРЕВЕНЧАТЫХ МАЛОЭТАЖНЫХ ЗДАНИЙ
КЛАССИФИКАЦИЯ, КОНСТРУКЦИИ, РАЗМЕРЫ
Corner joins of wooden low rise buildings of bars and logs.
Classification, structures, dimensions
ГОСТ 30974-2024
Дата введения
1 июня 2025 года
Цели, основные принципы и общие правила проведения работ по межгосударственной стандартизации установлены
ГОСТ 1.0 "Межгосударственная система стандартизации. Основные положения" и
ГОСТ 1.2 "Межгосударственная система стандартизации. Стандарты межгосударственные, правила и рекомендации по межгосударственной стандартизации. Правила разработки, принятия, обновления и отмены"
1 РАЗРАБОТАН Акционерным обществом "Научно-исследовательский центр "Строительство" (АО "НИЦ "Строительство") - Центральным научно-исследовательским институтом строительных конструкций имени В.А. Кучеренко (ЦНИИСК им. В.А. Кучеренко) при участии ООО "Таежный Дом"
2 ВНЕСЕН Техническим комитетом по стандартизации ТК 465 "Строительство"
3 ПРИНЯТ Межгосударственным советом по стандартизации, метрологии и сертификации (протокол от 27 декабря 2024 г. N 180-П)
За принятие проголосовали:
Краткое наименование страны по МК (ИСО 3166) 004-97 | Код страны по МК (ИСО 3166) 004-97 | Сокращенное наименование национального органа по стандартизации |
Азербайджан | AZ | Азстандарт |
Армения | AM | ЗАО "Национальный орган по стандартизации и метрологии" Республики Армения |
Киргизия | KG | Кыргызстандарт |
Россия | RU | Росстандарт |
Таджикистан | TJ | Таджикстандарт |
Узбекистан | UZ | Узбекское агентство по техническому регулированию |
4
Приказом Федерального агентства по техническому регулированию и метрологии от 28 декабря 2024 г. N 2049-ст ГОСТ 30974-2024 введен в действие в качестве национального стандарта Российской Федерации с 1 июня 2025 г.
Информация о введении в действие (прекращении действия) настоящего стандарта и изменений к нему на территории указанных выше государств публикуется в указателях национальных стандартов, издаваемых в этих государствах, а также в сети Интернет на сайтах соответствующих национальных органов по стандартизации.
В случае пересмотра, изменения или отмены настоящего стандарта соответствующая информация будет опубликована на официальном интернет-сайте Межгосударственного совета по стандартизации, метрологии и сертификации в каталоге "Межгосударственные стандарты"
Целью настоящего стандарта является установление единых требований к классификации, конструкциям и размерам угловых и Т-образных соединений брусчатых и бревенчатых стен малоэтажных зданий различного назначения.
В настоящем стандарте приведены положения, отражающие достижения последних лет, а также учтен ряд положений технических условий на угловые и Т-образные соединения брусчатых и бревенчатых стен заводского (например, угловые соединения типовых деревянных домов, бань и др.) и построечного изготовления (в том числе при реставрационных работах).
Настоящий стандарт распространяется на угловые и Т-образные соединения брусчатых и бревенчатых малоэтажных зданий различного назначения (далее - угловые соединения).
Требования стандарта распространяются на угловые соединения заводского (например, угловые соединения типовых деревянных домов, бань и др.) и построечного изготовления (в том числе при реставрационных работах). В стандарте приведены также варианты соединений брусьев и бревен по длине.
В настоящем стандарте использованы нормативные ссылки на следующие межгосударственные стандарты:
ГОСТ 2140 Видимые пороки древесины. Классификация, термины и определения, способы измерения
ГОСТ 2292 Лесоматериалы круглые. Маркировка, сортировка, транспортирование, методы измерения и приемка
ГОСТ 6782.1 Пилопродукция из древесины хвойных пород. Величина усушки
ГОСТ 6782.2 Пилопродукция из древесины лиственных пород. Величина усушки
ГОСТ 9462 Лесоматериалы круглые лиственных пород. Технические условия
ГОСТ 9463 Лесоматериалы круглые хвойных пород. Технические условия
ГОСТ 19414 Конструкции деревянные клееные. Общие требования к зубчатым клеевым соединениям
ГОСТ 20850 Конструкции деревянные клееные несущие. Общие технические условия
ГОСТ 27751 Надежность строительных конструкций и оснований. Основные положения
ГОСТ 33080 Конструкции деревянные. Классы прочности конструкционных пиломатериалов и методы их определения
ГОСТ 33082 Конструкции деревянные. Методы определения несущей способности узловых соединений
ГОСТ 33122 Клеи для несущих деревянных конструкций. Общие технические условия
Примечание - При пользовании настоящим стандартом целесообразно проверить действие ссылочных стандартов и классификаторов на официальном интернет-сайте Межгосударственного совета по стандартизации, метрологии и сертификации (www.easc.by) или по указателям национальных стандартов, издаваемым в государствах, указанных в предисловии, или на официальных сайтах соответствующих национальных органов по стандартизации. Если на документ дана недатированная ссылка, то следует использовать документ, действующий на текущий момент, с учетом всех внесенных в него изменений. Если заменен ссылочный документ, на который дана датированная ссылка, то следует использовать указанную версию этого документа. Если после принятия настоящего стандарта в ссылочный документ, на который дана датированная ссылка, внесено изменение, затрагивающее положение, на которое дана ссылка, то это положение применяется без учета данного изменения. Если ссылочный документ отменен без замены, то положение, в котором дана ссылка на него, применяется в части, не затрагивающей эту ссылку.
3.1 соединение с остатком ("в обло"): Угловое соединение с выступом части бревна или бруса за пределы контура здания.
3.2 соединение "в чашу": Угловое соединение с остатком с врубками в бревне с двух сторон, выполняемое из сухой древесины.
3.3 соединение без остатка: Угловое соединение без выступа части бревна или бруса за пределы контура здания.
3.4 соединение встык: Угловое соединение двух брусьев, закрепленное скобами или стальными пластинами.
Примечание - Пазы отсутствуют.
3.5 соединение при помощи шпонки: Скрепление двух пазов, вырубленных на торце одного бруса и сбоку другого бруса.
Примечание - Самое надежное соединение - когда шпонка вставляется в паз, вырезанный под углом. В том числе при сильных нагрузках пиломатериал будет прочно соединять детали. Такое соединение рекомендуется использовать для обустройства наружных углов и внутренних стен. Данное соединение является трудоемким и требует профессионального подхода.
3.6 коренной шип: Угловое соединение брусьев, чередующихся по высоте, с дополнительной врезкой и установкой вертикальных связей (например, нагелей).
3.7 соединение "ласточкин хвост" ("в лапу"): Угловое соединение, в котором наклон спила бруса делается по всем плоскостям (со всех сторон он имеет форму конуса), благодаря чему под действием силы тяжести брус зажимает сам себя, образуя прочное герметичное соединение.
3.8 теплый угол: Угловое соединение "шип-паз".
Примечание - При соблюдении размеров стыковка элементов герметична, между ними нет зазоров, им не страшны мостики холода.
3.9 Т-образный узел: Узловое соединение, применяемое для соединения внутренних стен и простенков.
3.10 шпонка: Небольшой брусок, изготовленный из древесины твердых пород.
Примечание - Устанавливается горизонтально, вертикально или под углом (последнее - самое надежное, но трудоемкое соединение, рекомендуемое для обустройства наружных углов и внутренних стен).
4 Классификация и обозначения
4.1 Угловые соединения классифицируют по виду соединяемых стеновых элементов, а также по видам и типам конструктивных решений.
4.2 По виду соединяемых стеновых элементов угловые соединения подразделяют:
- на соединения круглых лесоматериалов (окоренных бревен) - К;
- соединения оцилиндрованных (профилированных) бревен - Ц;
- соединения двухкантных брусьев - Б2;
- соединения трехкантных брусьев - Б3;
- соединения четырехкантных брусьев - Б4.
4.3 По видам конструктивных решений угловые соединения подразделяют:
- на соединения с остатком;
- соединения без остатка.
4.4 К угловым соединениям без остатка относятся крепления:
- встык;
- при помощи шпонки;
- коренной шип;
- теплый угол;
- "ласточкин хвост";
- "в лапу";
- "в полдерева";
- Т-образные соединения стен и простенков.
4.5 По типам конструкций угловые соединения подразделяют следующим образом:
а) предназначенные для бревенчатых стен с соединением с остатком:
1) соединение "в чашу" - Ч;
2) соединение "в обло" (с замочным пазом) - О;
б) предназначенные для бревенчатых и брусчатых стен с соединением без остатка:
1) соединение "в лапу" - Л;
в) предназначенные для брусчатых стен с соединением встык:
1) соединение угла на шпонках - ВШ;
2) соединение угла с коренным шипом - ВК;
г) предназначенные для брусчатых стен с соединением с остатком:
1) соединение "в обло" (с замочным пазом) - О;
д) предназначенные для Т-образных соединений стен и простенков:
1) соединение "в обло" (с замочным пазом) - ТО;
2) соединение "в чашу" - ТЧ;
3) соединение симметричным трапециевидным шипом - ТСТШ;
4) соединение прямоугольным трапециевидным шипом - ТПТШ;
5) соединение прямым пазом - ТПП.
4.6 Примеры условного обозначения:
- углового соединения круглых лесоматериалов "в чашу" с толщиной бревна 240 мм:
К-Ч 24 ГОСТ 30974-2024
- углового соединения четырехкантных брусьев "в обло" с размерами по толщине (высоте) - 180 мм, по ширине - 140 мм:
Б4-О 18x14 ГОСТ 30974-2024
5.1 Конструкции и размеры угловых соединений устанавливают в проектной документации на строительство, а также в конструкторской и технологической документации. Примеры рекомендуемых типов и размеров угловых соединений приведены в
таблице 1.
5.2 Примеры основных типовых профилей брусчатых и бревенчатых элементов приведены в
приложении А.
Рекомендуемые размеры по толщине (диаметру) бревен - от 140 мм и выше. Рекомендуемые размеры брусьев по толщине (высоте) и ширине - от 100 до 260 мм для стен и 80 - 220 мм для простенков с градацией 10 мм.
Венцовые пазы брусьев и профилированных бревен могут иметь гребни, шпунты и канавки (в том числе под уплотнительные прокладки), предназначенные для повышения плотности и воздухонепроницаемости соединений.
Брусья должны иметь фаски или скругления с наружной стороны для отвода дождевой воды. Размер фасок - от 13 x 13 до 25 x 25 мм.
5.3 При назначении размеров сечений брусьев следует учитывать припуски на величину усушки, определяемые в соответствии с
ГОСТ 6782.1,
ГОСТ 6782.2, и усадки, вызванной уплотнением материалов для заделки швов.
5.4 Размеры толщины бревен принимают по
ГОСТ 9463,
ГОСТ 9462 с учетом требований
ГОСТ 2292. Припуски на величину усушки бревен допускается принимать по размеру их диаметров (за вычетом размера высоты чашечного паза) с учетом требований
ГОСТ 6782.1,
ГОСТ 6782.2.
5.5 Предельные допуски на отклонения от номинальных размеров сечений клееных брусьев не должны превышать:
- по высоте - +/- 5 мм;
- по толщине - +/- 2 мм;
- по длине - +/- 50 мм.
5.6 Геометрические размеры элементов и их соединений определяют с использованием методов, установленных в нормативных документах <1>, действующих на территории государства, принявшего настоящий стандарт.
--------------------------------
<1> В Российской Федерации действуют
ГОСТ Р 58939-2020 "Система обеспечения точности геометрических параметров в строительстве. Правила выполнения измерений. Элементы заводского изготовления",
ГОСТ Р 58941-2020 "Система обеспечения точности геометрических параметров в строительстве. Правила выполнения измерений. Общие положения".
5.7 Угловые и Т-образные соединения брусьев с коренным шипом и на шпонках укрепляют деревянными нагелями диаметром:
- для элементов шириной до 140 мм - 20 - 25 мм;
- для элементов шириной, равной и более 140 мм - 30 мм.
Нагель устанавливают в центр углового соединения. Отверстие под нагель должно быть равным диаметру нагеля.
Предельные отклонения диаметра нагеля - 0,5 мм.
Предельные отклонения диаметра отверстия - +/- 0,5 мм.
Нагели изготавливают из древесины дуба, ясеня, лиственницы, сосны, березы. Влажность древесины нагелей должна быть на 2% - 3% ниже влажности древесины элементов стен.
5.8 Отклонения от отвесной линии соединений по высоте стены не должны превышать величин, рекомендованных нормативными документами <2>, действующими на территории государства - участника Соглашения, принявшего настоящий стандарт. При измерении отклонения от отвесной линии угловых соединений, а также их угловых размеров следует учитывать правила измерений, установленные нормативными документами
<1>, действующими на территории государства, принявшего настоящий стандарт.
--------------------------------
<2> В Российской Федерации действует
ГОСТ Р 58945-2020 "Система обеспечения точности геометрических параметров в строительстве. Правила выполнения измерений параметров зданий и сооружений".
5.9 В местах сопряжения элементов следует предусматривать зазоры для установки изоляционных прокладок, компенсирующих изменения линейных размеров элементов стен от их усадки и усушки. В качестве изоляционных прокладок следует применять ленточные эластомерные и полимерные материалы, паклю, пенные утеплители-герметики, а также силиконовые (и аналогичные им) герметики по документам по стандартизации, утвержденным в установленном порядке.
5.10 Нормы ограничения пороков, порода и влажность древесины, требования к защитной обработке и клеевым соединениям, а также другие характеристики элементов стен должны отвечать требованиям нормативных документов <3>, действующих на территории государства, принявшего настоящий стандарт, конструкторской документации и условиям договора на поставку.
--------------------------------
<3> В Российской Федерации действует
ГОСТ Р 59655-2021 "Детали и изделия деревянные для малоэтажных жилых и общественных зданий. Технические условия".
5.11 Примеры соединений брусчатых и бревенчатых элементов по длине приведены в
приложении Б. Соединения по длине могут быть усилены металлическими зубчатыми пластинами, пластинами на гвоздях и др. В Т-образных соединениях брусчатых и бревенчатых элементов допускается производить их соединение по длине в месте замка. Соединение, как правило, должно быть невидимым. Сухие бревна и брусья допускается соединять по длине при помощи зубчатого клеевого соединения, размеры которого приводят в конструкторской документации.
5.12 В
приложении В приведены варианты угловых соединений деревянных брусчатых малоэтажных зданий, соединительные элементы которых идут на всю высоту сруба, что требует отсутствия их усадки, и, соответственно, эти варианты годятся только для сухих брусьев.
5.13 Элементы стен и простенков могут быть соединены по высоте при помощи винтовых тяг (компенсаторов). При этом конструкции тяг и размеры отверстий должны быть указаны в проектной и конструкторской документации.
Таблица 1
Рекомендуемые типы и размеры угловых соединений
Наименование показателя | Графическое изображение и размеры соединений |
Тип соединения "в чашу" |
Общий вид соединения | |
Элемент соединения | |
Соотношение размеров соединения | b >= 0,5d; L >= 1,4d; r = d/2 |
Тип соединения "в лапу" |
Общий вид соединения | |
Элемент соединения | |
Схема элемента соединения | |
Размеры соединений | Диаметр, см | Размеры, мм |
14 | 99 | 74 | 49 | 49 | 25 |
16 | 113 | 85 | 57 | 57 | 28 |
18 | 127 | 95 | 64 | 64 | 32 |
20 | 141 | 106 | 71 | 71 | 35 |
22 | 156 | 117 | 78 | 78 | 39 |
24 | 170 | 127 | 85 | 85 | 42 |
26 | 184 | 138 | 92 | 92 | 46 |
28 | 198 | 148 | 99 | 99 | 49 |
30 | 212 | 159 | 106 | 106 | 53 |
32 | 226 | 170 | 113 | 113 | 57 |
34 | 240 | 180 | 120 | 120 | 60 |
36 | 255 | 191 | 127 | 127 | 64 |
Тип соединения на прямоугольных шпонках |
Общий вид соединения | |
Элементы соединения | |
Соотношение размеров соединения | b = 0,2S; a = 0,8 |
Тип соединения на шпонках "ласточкин хвост" |
Общий вид соединения | |
Элементы соединения | |
Соотношение размеров соединения | b = 0,3S (но не менее 20 мм) |
Тип соединения с коренным шипом |
Общий вид соединения | |
Элементы соединения | |
Соотношение размеров соединения | b = 0,2 S; a = 0,8 b;  |
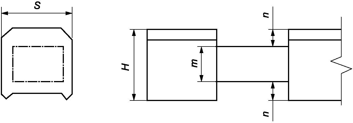
Тип соединения в односторонний замочный паз ("в обло") |
Общий вид соединения | |
Элементы соединения | |
Размеры, мм | m = 0,5H; n = 0,7 |
Тип соединения в двухсторонний замочный паз ("в обло") |
Общий вид соединения | |
Элемент соединения | |
Соотношение размеров соединения | |
Тип соединения в четырехсторонний замочный паз ("в обло") |
Общий вид соединения | |
Элемент соединения | |
Размеры | |
Тип соединения симметричным трапециевидным шипом (открытым "сковороднем") |
Общий вид соединения | |
Элемент соединения | |
Соотношение размеров соединения | |
Тип соединения прямоугольным трапециевидным шипом (открытым "полусковороднем") |
Общий вид соединения | |
Элемент соединения | |
Соотношение размеров соединения | |
Тип соединения симметричным трапециевидным шипом (глухим "сковороднем") |
Общий вид соединения | |
Элемент соединения | |
Соотношение размеров соединения | |
Тип соединения прямоугольным трапециевидным шипом (глухим "полусковороднем") |
Общий вид соединения | |
Элементы соединения | |
Соотношение размеров соединения | |
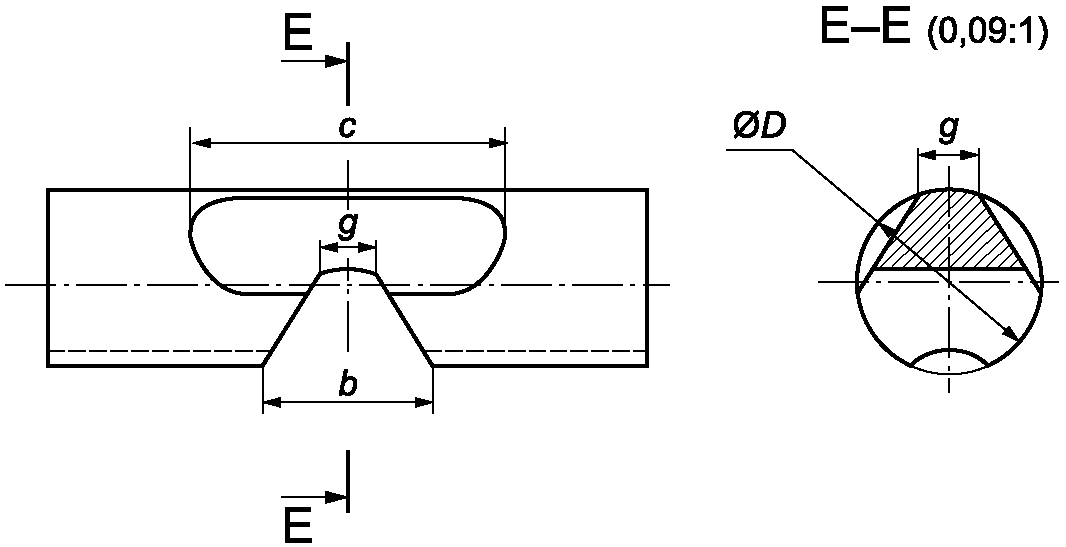
Самозаклинивающийся замок (тип 1) |
Общий вид соединения | |
Элемент соединения | |
|
Соотношение размеров соединения | |
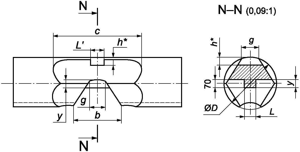
Размеры соединений | c = 2Dср.б, при D = 30 см <= Dср.б <= D = 42 см c = 2,2Dср.б, при D = 44 см <= Dср.б <= D = 58 см c = 2,3Dср.б, при D = 60 см <= Dср.б <= D = 100 см b = Dн g = 14 - 16 см Примечание - D - диаметр бревна фактический; Dср.б - средний диаметр вершины бревна |
Самозаклинивающийся замок с противоветровым шипом (тип 2) |
Общий вид соединения | |
Элемент соединения | |
|
Соотношение размеров соединения | |
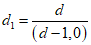
Размеры соединений | c = 2Dср.б, при D = 30 см <= Dср.б <= D = 42 см c = 2,2Dср.б, при D = 44 см <= Dср.б <= D = 58 см c = 2,3Dср.б, при D = 60 см <= Dср.б <= D = 100 см b = Dн g = 14 - 16 см y = 70 мм L = 100 мм L' = L + 20 мм Зазор с боков по 10 мм h* = y + 10 мм Зазор между пазом и шипом 10 мм Примечание - D - диаметр бревна фактический, Dср.б - средний диаметр вершины бревна |
Самозаклинивающийся замок двухсторонний с шипом (тип 4) |
Общий вид соединения | |
Элемент соединения | |
|
Соотношение размеров соединения | |
Размеры соединений | В месте расположения чашки c = 2Dср.б, при D = 30 см <= Dср.б <= D = 42 см c = 2,2Dср.б, при D = 44 см <= Dср.б <= D = 58 см c = 2,3Dср.б, при D = 60 см <= Dср.б <= D = 100 см b = Dн g = 14 - 16 см y = 70 мм L = 100 мм L' = L + 20 мм Зазор с боков по 10 мм h* = y + 10 мм Зазор между пазом и шипом 10 мм Примечание - D - диаметр бревна фактический, Dср.б - средний диаметр вершины бревна |
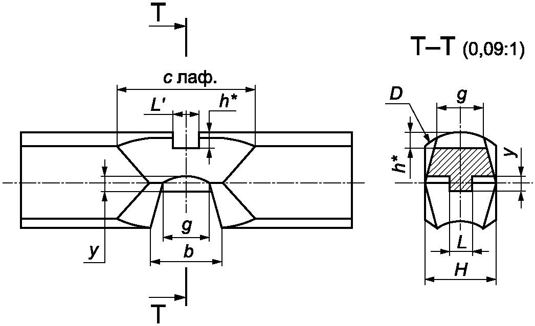
Самозаклинивающийся замок двусторонний в плоскости с противоветровым шипом |
Общий вид соединения | |
Элемент соединения | |
|
Соотношение размеров соединения | |
Размеры соединений | В месте расположения чашки c = 2Dср.б, при D = 30 см <= Dср.б <= D = 42 см c = 2,2Dср.б, при D = 44 см <= Dср.б <= D = 58 см c = 2,3Dср.б, при D = 60 см <= Dср.б <= D = 100 см cлаф = 1,35Dср.б b = Dн g = 14 - 16 см y = 70 мм L = 100 мм L' = L + 20 мм Зазор с боков по 10 мм h* = y + 10 мм Зазор между пазом и шипом 10 мм H = 2/3Dср.б при получении нечетного параметра H необходимо вычесть Примечание - D - диаметр бревна фактический, Dср.б - средний диаметр вершины бревна |
(рекомендуемое)
ТИПОВЫЕ ПРОФИЛИ БРУСЧАТЫХ И БРЕВЕНЧАТЫХ ЭЛЕМЕНТОВ
а - простой цилиндрический венцовый паз; б - трапецеидальный
венцовый паз; в - трапецеидальный венцовый паз с канавкой
для плоского уплотнителя; г - простой цилиндрический
венцовый паз с канавками для уплотнителя;
д - трапецеидальный венцовый паз с канавками
для уплотнителя; е, ж - трапецеидальный венцовый паз
с соединением "шпунт - гребень"; и - простой цилиндрический
венцовый паз для эллиптического бревна из клееной древесины
Рисунок А.1 - Типовые профили бревенчатых элементов
с различными вариантами венцовых пазов
а - трапецеидальный венцовый паз; б - трапецеидальный
венцовый паз с канавками для уплотнителя; в - соединение
"шпунт - гребень" с пазом для плоского уплотнителя;
г - трапецеидальный венцовый паз с уплотнителем в виде
сминаемых треугольных гребней древесины;
д, е - то же, для клееных брусьев
Рисунок А.2 - Типовые профили брусчатых элементов
с различными вариантами венцовых пазов
(справочное)
СОЕДИНЕНИЯ БРУСЧАТЫХ И БРЕВЕНЧАТЫХ ЭЛЕМЕНТОВ ПО ДЛИНЕ
Таблица Б.1
Наименование показателя | Графическое изображение и размеры соединений |
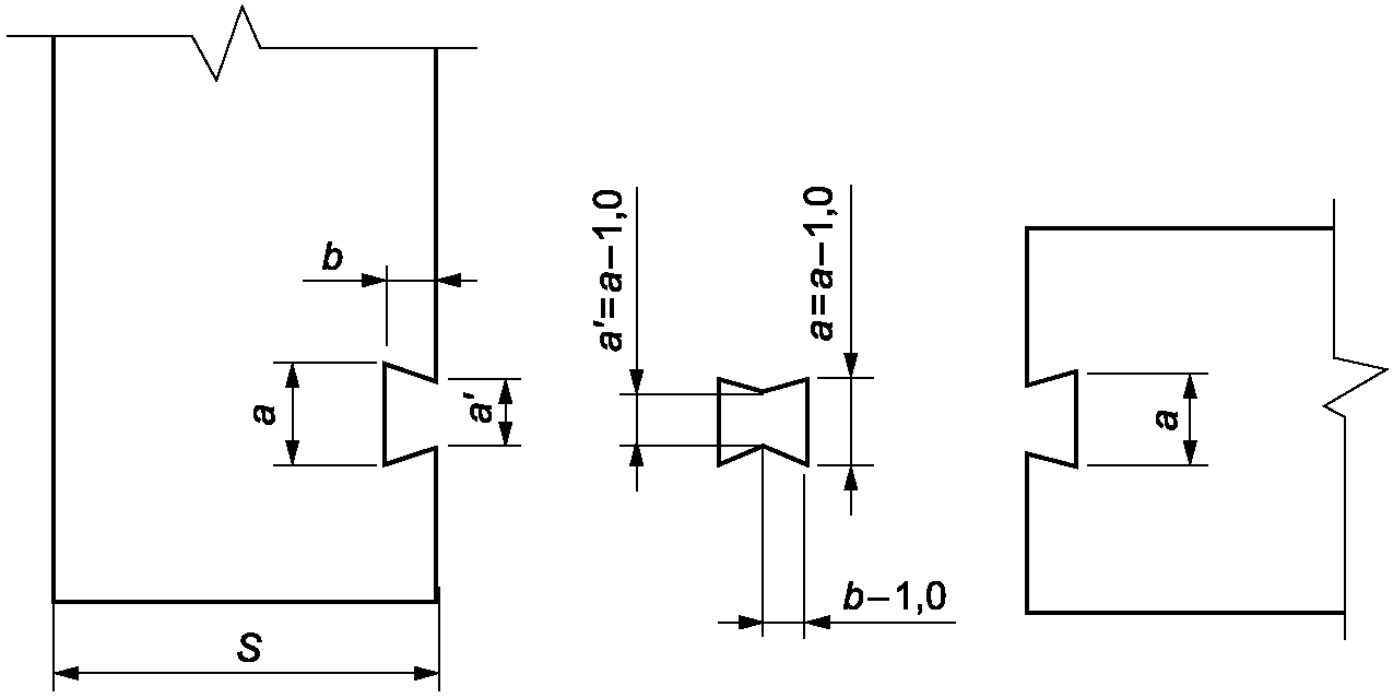
Тип продольного соединения с коренным шипом |
Общий вид соединения | |
Элементы соединения | |
Соотношение размеров соединения | a = 0,25S; b = 1,2 |
Тип продольного соединения на шпонках |
Общий вид соединения | |
Элементы соединения | |
Соотношение размеров соединения | a = 0,25S; b = 1,2 |
Тип продольного соединения "в полдерева" |
Общий вид соединения | |
Элементы соединения | |
Соотношение размеров соединения | |
Тип продольного соединения "на косой замок" |
Общий вид соединения | |
Элементы соединения | |
Соотношение размеров соединения | |
(справочное)
ВАРИАНТЫ УГЛОВЫХ СОЕДИНЕНИЙ НА ВСЮ ВЫСОТУ СРУБА
На рисунках В.1 -
В.4 представлены четыре варианта угловых соединений деревянных брусчатых малоэтажных зданий. Их особенностью является то, что они годятся для сухих брусьев, т.к. соединительные элементы идут на всю высоту сруба и не должно быть усадки.
Примечание - Нащельник крепят саморезами 4 x 100 мм к стеновому брусу.
1 - брус стеновой 100 x 140; 2 - шпонка на всю высоту стены
70 x 70; 3 - саморезы 4 x 100; 4 - нащельник 30 x 110
Рисунок В.1 - Брус стеновой 100 x 140 мм со шпонкой
70 x 70 мм и нащельником 30 x 110 мм
(оба на всю высоту стены)
Примечание - Нащельники крепят саморезами к стеновому брусу.
1 - брус стеновой 100 x 140;
2 - саморезы 4 x 100; 3 - нащельник 30 x 110;
4 - шпонка на всю высоту стены 70 x 70
Рисунок В.2 - Брус стеновой 100 x 140 мм со шпонкой
70 x 70 мм на всю высоту стены и двумя нащельниками
30 x 110 мм (оба на всю высоту стены)
Примечание - Нащельник крепят саморезами к стеновому брусу.
1 - брус стеновой 100 x 140; 2 - шпонка на всю высоту стены
70 x 70; 3 - саморезы 4 x 100; 4 - нащельник 30 x 110
Рисунок В.3 - Брус стеновой 100 x 140 мм
со шпонкой 70 x 70 мм и нащельником 30 x 110 мм
(оба на всю высоту стены)
Примечание - Нащельник крепят саморезами к стеновому брусу.
1 - брус стеновой 100 x 140; 2 - шпонка на всю высоту стены
70 x 70; 3 - саморезы 4 x 100; 4 - нащельник 30 x 110
Рисунок В.4 - Брус стеновой 100 x 140 мм со шпонкой
70 x 70 мм и нащельником 30 x 110 мм
(оба на всю высоту стены)
УДК 624.011.1:006.354 | |
Ключевые слова: соединения угловые, деревянные брусчатые и бревенчатые малоэтажные здания, классификация, конструкция, размеры |