Главная // Актуальные документы // Актуальные документы (обновление 2025.06.02-2025.07.05) // ГОСТ (Государственный стандарт)
СПРАВКА
Источник публикации
М.: ФГБУ "РСТ", 2021
Примечание к документу
Документ утрачивает силу с 01.09.2025 в связи с введением в действие ГОСТ IEC 61000-4-9-2022, утв. Приказом Росстандарта от 29.08.2024 N 1134-ст.

Документ включен в Перечень международных и региональных (межгосударственных) стандартов, а в случае их отсутствия - национальных (государственных) стандартов, содержащих правила и методы исследований (испытаний) и измерений, в том числе правила отбора образцов, необходимые для применения и исполнения требований технического регламента Таможенного союза "Электромагнитная совместимость технических средств" (ТР ТС 020/2011) и осуществления оценки соответствия объектов технического регулирования (Решение Коллегии Евразийской экономической комиссии от 29.06.2021 N 77).

Документ включен в Перечень стандартов, содержащих правила и методы исследований (испытаний) и измерений, в том числе правила отбора образцов, необходимые для применения и исполнения требований технического регламента Таможенного союза "Электромагнитная совместимость технических средств" (ТР ТС 020/2011) и осуществления оценки (подтверждения) соответствия продукции (Решение Комиссии Таможенного союза от 09.12.2011 N 879).

Документ введен в действие с 01.07.2023.

Взамен ГОСТ 30336-95 (МЭК 1000-4-9-93).
Название документа
"ГОСТ IEC 61000-4-9-2013. Межгосударственный стандарт. Электромагнитная совместимость. Часть 4-9. Методы испытаний и измерений. Испытания на устойчивость к импульсному магнитному полю"
(введен в действие Приказом Росстандарта от 01.09.2021 N 907-ст)

"ГОСТ IEC 61000-4-9-2013. Межгосударственный стандарт. Электромагнитная совместимость. Часть 4-9. Методы испытаний и измерений. Испытания на устойчивость к импульсному магнитному полю"
(введен в действие Приказом Росстандарта от 01.09.2021 N 907-ст)


Содержание


Введен в действие
Приказом Федерального
агентства по техническому
регулированию и метрологии
от 1 сентября 2021 г. N 907-ст
МЕЖГОСУДАРСТВЕННЫЙ СТАНДАРТ
ЭЛЕКТРОМАГНИТНАЯ СОВМЕСТИМОСТЬ
ЧАСТЬ 4-9
МЕТОДЫ ИСПЫТАНИЙ И ИЗМЕРЕНИЙ
ИСПЫТАНИЯ НА УСТОЙЧИВОСТЬ К ИМПУЛЬСНОМУ МАГНИТНОМУ ПОЛЮ
Electromagnetic compatibility (EMC). Part 4-9.
Testing and measurement techniques.
Pulse magnetic field immunity tests
(IEC 61000-4-9:2001, IDT)
ГОСТ IEC 61000-4-9-2013
МКС 33.100.20
Дата введения
1 июля 2023 года
Предисловие
Цели, основные принципы и общие правила проведения работ по межгосударственной стандартизации установлены ГОСТ 1.0 "Межгосударственная система стандартизации. Основные положения" и ГОСТ 1.2 "Межгосударственная система стандартизации. Стандарты межгосударственные, правила и рекомендации по межгосударственной стандартизации. Правила разработки, принятия, обновления и отмены"
Сведения о стандарте
1 ПОДГОТОВЛЕН Открытым акционерным обществом "Испытания и сертификация бытовой и промышленной продукции "БЕЛЛИС" (ОАО "БЕЛЛИС") на основе собственного перевода на русский язык англоязычной версии стандарта, указанного в пункте 5
2 ВНЕСЕН Государственным комитетом по стандартизации Республики Беларусь
3 ПРИНЯТ Межгосударственным советом по стандартизации, метрологии и сертификации (протокол от 14 ноября 2013 г. N 44)
За принятие проголосовали:
Краткое наименование страны по МК (ИСО 3166) 004-97
Код страны по МК (ИСО 3166) 004-97
Сокращенное наименование национального органа по стандартизации
Армения
AM
ЗАО "Национальный орган по стандартизации и метрологии" Республики Армения
Беларусь
BY
Госстандарт Республики Беларусь
Казахстан
KZ
Госстандарт Республики Казахстан
Киргизия
KG
Кыргызстандарт
Молдова
MD
Институт стандартизации Молдовы
Россия
RU
Росстандарт
Таджикистан
TJ
Таджикстандарт
4 Приказом Федерального агентства по техническому регулированию и метрологии от 1 сентября 2021 г. N 907-ст межгосударственный стандарт ГОСТ IEC 61000-4-9-2013 введен в действие в качестве национального стандарта Российской Федерации с 1 июля 2023 г.
5 Настоящий стандарт идентичен международному стандарту IEC 61000-4-9:2001 "Электромагнитная совместимость (EMC). Часть 4-9. Методы испытаний и измерений. Испытание на помехоустойчивость к импульсному магнитному полю" ("Electromagnetic compatibility (EMC) - Part 4-9: Testing and measurement techniques - Pulse magnetic field immunity test", IDT).
Идентификация текста изменения A1:2000 к международному стандарту IEC 61000-4-9:1993, выделенного в консолидированной версии международного стандарта IEC 61000-4-9:2001 одной вертикальной линией на полях напротив соответствующего текста, в настоящем стандарте не предусмотрена.
Международный стандарт разработан подкомитетом SC 77B "Высокочастотные явления" технического комитета по стандартизации IEC/TC 77 "Электромагнитная совместимость" Международной электротехнической комиссии (IEC).
При применении настоящего стандарта рекомендуется использовать вместо ссылочных международных стандартов соответствующие им межгосударственные стандарты, сведения о которых приведены в дополнительном приложении ДА
6 ВЗАМЕН ГОСТ 30336-95 (МЭК 1000-4-9-93)
Информация о введении в действие (прекращении действия) настоящего стандарта и изменений к нему на территории указанных выше государств публикуется в указателях национальных стандартов, издаваемых в этих государствах, а также в сети Интернет на сайтах соответствующих национальных органов по стандартизации.
В случае пересмотра, изменения или отмены настоящего стандарта соответствующая информация будет опубликована на официальном интернет-сайте Межгосударственного совета по стандартизации, метрологии и сертификации в каталоге "Межгосударственные стандарты"
Введение
Стандарты серии IEC 61000 публикуются отдельными частями в соответствии со следующей структурой:
- часть 1. Общие положения:
- Общее рассмотрение (введение, фундаментальные принципы);
- Определения, терминология;
- часть 2. Электромагнитная обстановка:
- Описание электромагнитной обстановки;
- Классификация электромагнитной обстановки;
- Уровни электромагнитной совместимости;
- часть 3. Нормы:
- Нормы помехоэмиссии;
- Нормы помехоустойчивости (в тех случаях, когда они не
являются предметом рассмотрения техническими комитетами, разрабатывающими
стандарты на продукцию);
- часть 4. Методы испытаний и измерений:
- Методы измерений;
- Методы испытаний;
- часть 5. Руководства по установке и помехоподавлению:
- Руководство по установке;
- Методы помехоподавления и устройства;
- часть 9. Разное.
Каждая часть состоит из разделов, которые могут быть опубликованы как международные стандарты или как технические отчеты.
Эти стандарты и отчеты будут опубликованы в хронологическом порядке и соответственно пронумерованы.
Настоящий стандарт, устанавливающий требования к помехоустойчивости и методам испытаний, распространяется на "импульсное магнитное поле".
1 Область применения
Настоящий стандарт устанавливает требования к устойчивости оборудования, подвергающегося в условиях эксплуатации воздействию импульсного магнитного поля, создаваемого:
- промышленными установками и электростанциями;
- подстанциями среднего и высокого напряжения.
Настоящий стандарт распространяется на оборудование, устанавливаемое в местах, определяемых условиями эксплуатации, как указано в разделе 3.
Настоящий стандарт не распространяется на помехи из-за емкостной или индуктивной связи в кабелях или других частях установки.
Другие стандарты IEC, распространяющиеся на кондуктивные помехи, покрывают эти аспекты.
Целью настоящего стандарта является установление общей и воспроизводимой базы для оценки качества функционирования электротехнического и электронного оборудования бытового, коммерческого и промышленного назначения при воздействии импульсных магнитных полей.
Настоящий стандарт устанавливает:
- рекомендуемые испытательные уровни;
- испытательное оборудование;
- организованное место для испытаний;
- метод проведения испытаний.
2 Нормативные ссылки
В настоящем стандарте использованы нормативные ссылки на следующие стандарты [для датированных ссылок применяют только указанное издание ссылочного стандарта, для недатированных - последнее издание (включая все изменения)]:
IEC 60060-2:2010, High-voltage test techniques - Part 2: Measuring systems (Методы испытаний высоким напряжением. Часть 2. Система измерений)
IEC 60068-1:1988, Environmental testing - Part 1: General and guidance (Испытания на воздействие внешних факторов. Часть 1. Общие положения и руководство)
Изменение 1 (1992)
IEC 60469-1:1987, Pulse techniques and apparatus - Part 1: Pulse terms and definitions (Техника и аппаратура импульсная. Часть 1. Термины и определения, относящиеся к импульсной технике и аппаратуре)
3 Общие положения
Магнитные поля, воздействующие на оборудование, могут влиять на надежность функционирования оборудования и систем.
Испытания, устанавливаемые настоящим стандартом, предназначены для подтверждения устойчивости оборудования к импульсному магнитному полю в определенных условиях эксплуатации и при определенном условии размещения (например, при размещении оборудования вблизи источника помех).
Импульсные магнитные поля образуются под воздействием молний на здания и другие металлические конструкции, включая антенные мачты, заземляющие проводники и системы заземления, а также в результате начальных переходных процессов при коротком замыкании в электрических сетях и установках низкого, среднего и высокого напряжения.
На высоковольтных подстанциях импульсное магнитное поле может также создаваться при переключении высоковольтных проводов и линий автоматическими переключателями.
Испытаниям на воздействие импульсного магнитного поля главным образом подвергается электронное оборудование, устанавливаемое на электростанциях, а также центрах телемеханики. Испытания оборудования, подключаемого к распределительной сети, не проводят.
Комитетами, разрабатывающими стандарты на продукцию, возможно рассмотрение применимости испытаний к другим видам продукции.
Форма сигнала испытательного магнитного поля - это форма кривой стандартного импульса тока, форма сигнала 6,4/16 мкс.
Примечание - Импульс тока 6,4/16 мкс согласно IEC 60469-1 соответствует импульсу тока 8/20 мкс согласно IEC 60060-2.
4 Термины и определения
В настоящем стандарте применены термины по IEC 60050-161, а также следующие термины с соответствующими определениями.
4.1 ИО (EUT): Испытуемое оборудование.
4.2 индукционная катушка (induction coil): Проводящая обмотка установленной формы и размеров, по которой протекает ток, создающий определенное стабильное магнитное поле в ее плоскости и окружающем объеме.
4.3 коэффициент индукционной катушки (inductive coil factor): Отношение напряженности магнитного поля, создаваемого индукционной катушкой заданных размеров, к соответствующему значению тока, причем магнитное поле измеряется в центре плоскости катушки при отсутствии испытуемого оборудования.
4.4 иммерсионный метод (immersion method): Метод воздействия магнитным полем на испытуемое оборудование, которое располагают в центре индукционной катушки (рисунок 1).
4.5 метод приближения (proximity method): Метод воздействия магнитным полем на испытуемое оборудование, при котором небольшая индукционная катушка перемещается вдоль стороны испытуемого оборудования, чтобы выявить особые зоны восприимчивости.
4.6 эталонная пластина заземления, GRP [ground (reference) plane (GRP)]: Плоская проводящая поверхность, используемая в качестве общего заземляющего проводника для испытательного генератора магнитного поля и вспомогательного оборудования (эталонная пластина заземления может использоваться в качестве проводника, замыкающего виток индукционной катушки, как показано на рисунке 5).
[IEV 161-04-36, измененная редакция].
4.7 цепь развязки, выходной фильтр (decoupling network, back filter): Электрическая схема, предназначенная для исключения нежелательного влияния имитируемых помех на другое оборудование, не подвергаемое испытанию на устойчивость к воздействию магнитного поля.
4.8 переходный процесс (transient): Представляет собой или характеризует явление или величину между двумя установившимися состояниями в течение короткого временного интервала по сравнению с интересующей шкалой времени.
[IEV 161-02-01].
(Последовательно установившиеся состояния в течение краткости временного интервала по сравнению с интересующей шкалой времени.)
5 Испытательные уровни
Предпочтительные испытательные уровни указаны в таблице 1.
Таблица 1
Испытательные уровни
Испытательный уровень
Напряженность импульсного магнитного поля, пиковое значение, А/м
1
-
2
-
3
100
4
300
5
1000
X <a>
Специальная
<a> X - открытый уровень. Этот уровень может быть установлен в стандарте на оборудование конкретного вида.
Напряженность магнитного поля выражена в амперах на метр (А/м); 1 А/м соответствует магнитной индукции в свободном пространстве, равной 1,26 мкТл.
Порядок выбора испытательных уровней приведен в приложении C.
Сведения об уровнях, встречающихся на практике, приведены в приложении D.
6 Испытательное оборудование
Испытательное магнитное поле создается током, протекающим в индукционной катушке. Воздействие испытательным полем на ИО осуществляется иммерсионным методом.
Пример реализации иммерсионного метода приведен на рисунке 1.
Рисунок 1 - Схема воздействия магнитным полем промышленной
частоты на испытуемое оборудование с использованием
иммерсионного метода
Испытательное оборудование включает в себя источник тока (испытательный генератор), индукционную катушку и вспомогательное испытательное оборудование.
6.1 Испытательный генератор (ИГ)
Генератор с соответствующим выходным сигналом, применяемый при испытании на устойчивость к магнитному полю, должен обеспечивать необходимый ток в индукционных катушках, описанных в 6.2.
Производительная мощность генератора рассчитывается с учетом импеданса катушки; индуктивность может варьироваться от 2,5 мкГн для стандартной 1-метровой катушки до нескольких мкГн (например, 6 мкГн) для прямоугольной индукционной катушки (1 м x 2,6 м, см. 6.2).
Технические требования к генератору:
- допустимая токовая нагрузка, определенная выбранным максимальным испытательным уровнем и коэффициентом индукционной катушки (см. 6.2.2 и приложение A), в пределах от 0,87 м-1 (стандартная 1-метровая катушка для проведения испытаний настольного или малогабаритного оборудования) до 0,66 м-1 (прямоугольная индукционная катушка с размерами 1 м x 2,6 м, для проведения испытаний напольного или крупногабаритного оборудования);
- работоспособность в короткозамкнутом состоянии;
- выходной зажим испытательного генератора соединяется с зажимом заземления (для подключения к заземляющему контуру лаборатории);
- должны быть соблюдены меры предосторожности для предотвращения излучения больших помех, которые могут наводиться в сеть питания или могут повлиять на результаты испытаний.
Характеристики и параметры источника тока или ИГ для поля, рассматриваемые в данном стандарте, приведены в 6.1.1.
6.1.1 Характеристики и параметры испытательного генератора
Испытательный генератор - отдельный генератор импульсного тока со следующими характеристиками:
Длительность фронта импульса - 6,4 мкс +/- 30%.
Длительность импульса - 16 мкс +/- 30%.
Диапазон выходного тока генератора, А - от 100 до 1000, деленный на коэффициент катушки.
Полярность импульса - положительная и отрицательная.
Сдвиг импульсов по фазе относительно напряжения сети электропитания, ° - от 0° до 360° с шагом 10°.
Синхронизация - запуск ИГ от внешнего сигнала.
При испытаниях может быть использован стандартный импульсный генератор, например генератор микросекундных импульсных помех (форма волны 1,2/50 - 6,4/16 мкс).
Примечание - Диапазон пиковых значений выходного тока для стандартной катушки составляет от 120 до 1200 А.
Форма волны выходного тока приведена на рисунке 2.
Рисунок 2 - Типовая форма импульса тока на выходе генератора
импульсного магнитного поля (6,4/16 мкс)
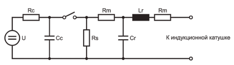
Принципиальная схема генератора приведена на рисунке 3.
U - источник высокого напряжения; Rc - зарядный резистор;
Cc - конденсатор накопительной энергии; Lr - резистор
формирования длительности фронта импульса; Rm - резистор
согласующей нагрузки; Rs1, Rs2 - резистор формирования
длительности импульса
Рисунок 3 - Схема испытательного генератора магнитного поля
промышленной частоты (6,4/16 мкс)
6.1.2 Проверка характеристик измерительного генератора
Для возможности сопоставления результатов испытаний, проведенных с использованием различных ИГ, должны быть проверены основные характеристики параметров выходного тока.
Выходной ток должен быть проверен при помощи генератора, подключенного к стандартной индукционной катушке, описанной в 6.2.1, перечисление a); соединение должно быть выполнено скрученным проводом или коаксиальным кабелем подходящего сечения длиной до 3 м.
Помехоэмиссия генератора должна быть проконтролирована (см. 6.1).
Проверке подлежат следующие характеристики:
- пиковое значение выходного тока;
- время нарастания импульса;
- длительность импульса.
При функционировании генератора в короткозамкнутом режиме используется провод диаметром 1,8 мм (площадью сечения 2,5 мм2); однако должна быть принята во внимание механическая жесткость.
Проверка характеристик должна осуществляться при помощи токового пробника и осциллографа или другого эквивалентного оборудования с минимальной шириной полосы 10 МГц.
Точность измерений должна быть +/- 10%.
6.2 Индукционная катушка
6.2.1 Характеристики индукционной катушки
Индукционная катушка, подсоединяемая к ИГ с характеристиками, определенными выше (см. 6.1.1), должна создавать напряженность поля определенной однородности, соответствующую выбранному испытательному уровню.
Индукционная катушка должна быть изготовлена из медного, алюминиевого или другого проводящего немагнитного материала; площадь ее поперечного сечения и конструктивное исполнение должны обеспечивать устойчивую установку при испытаниях.
Индукционная катушка, применяемая для создания магнитных полей, рассматриваемых в настоящем стандарте, может быть одновитковой; она должна иметь проводимость тока, достаточную для создания выбранного испытательного уровня.
Для обеспечения меньшего значения испытательного тока допускается использование других катушек, таких как многовитковые катушки.
Индукционная катушка должна соответствовать размерам ИО и иметь различные ориентации магнитного поля.
В зависимости от размера ИО могут быть использованы индукционные катушки различных размеров.
Размеры, рекомендованные ниже, являются подходящими для создания магнитных полей во всем объеме ИО (настольного или напольного оборудования) с допустимой погрешностью +/- 3 дБ.
Характеристики индукционных катушек относительно распространения магнитного поля указаны в приложении B.
a) Индукционная катушка для настольного оборудования
Индукционная катушка стандартных размеров для испытаний малогабаритного оборудования (например, компьютерных мониторов, счетчиков электрической энергии, устройств управления технологическими процессами и т.д.) имеет квадратную (или круглую) форму со стороной, равной 1 м (или диаметр), и сделана из проводника относительно малого поперечного сечения.
Рабочий объем стандартной квадратной катушки составляет 0,6 x 0,6 x 0,5 м (высота).
Двойная индукционная катушка (катушка Гельмгольца) может использоваться для достижения однородности поля более чем 3 дБ или для испытаний крупногабаритного оборудования и должна состоять из двух (или более) последовательно соединенных витков с достаточным расстоянием между ними (см. рисунок 7, B.4 и B.5).
Рабочий объем двойной индукционной катушки стандартного размера с расстоянием между витками 0,8 м при однородности 3 дБ составляет 0,6 x 0,6 x 1 м (высота).
Например, катушки Гельмгольца с однородностью 0,2 дБ имеют размеры и разделительные расстояния, как показано на рисунке 7.
b) Индукционная катушка для напольного оборудования
Индукционная катушка должна соответствовать размерам ИО и иметь различные ориентации магнитного поля.
Индукционная катушка должна окружать ИО; размеры катушки должны быть такими, чтобы минимальное расстояние от проводников катушки до ИО было равно 1/3 от размеров ИО.
Катушки должны быть сделаны из проводников относительно малого поперечного сечения.
Примечание - Из-за возможных больших размеров ИО катушки должны быть изготовлены из секций С-образной или Т-образной формы для обеспечения достаточной механической жесткости.
Испытательный объем определяется из испытательной области катушки (60% x 60% каждой стороны), умноженный на глубину, соответствующую 50% наиболее короткой стороны катушки.
6.2.2 Калибровка индукционной катушки. Измерение коэффициента индукционной катушки
Для обеспечения сопоставимости результатов испытаний, проводимых с применением различного испытательного оборудования, коэффициент индукционной катушки должен быть измерен без ИО в условиях свободного пространства.
Индукционная катушка, размеры которой соответствуют размерам ИО, должна быть установлена на расстоянии не менее 1 м от стены лаборатории и любого магнитного материала с помощью изолирующих опор и подключена к ИГ, как указано в 6.1.2.
Для контроля напряженности магнитного поля, создаваемого индукционной катушкой, должен использоваться подходящий датчик магнитного поля (с полосой пропускания > 10 МГц) с динамической и частотной характеристикой соответствующего импульса поля.
Датчик магнитного поля должен быть установлен в центре индукционной катушки (без ИО), его расположение должно обеспечивать определение максимальных значений напряженности поля.
Значение тока в индукционной катушке должно быть установлено таким образом, чтобы обеспечивалась напряженность поля, соответствующая испытательному уровню.
Измерение должно быть выполнено на частоте сети: значение тока должно быть установлено таким образом, чтобы обеспечивалась напряженность поля, соответствующая испытательному импульсу настоящего стандарта.
При выполнении измерения индукционная катушка должна быть подсоединена к ИГ.
Для определения (и проверки) коэффициента катушки применяют вышеуказанную процедуру.
Коэффициент катушки позволяет определить значение тока, который должен протекать в катушке для обеспечения необходимой напряженности испытательного магнитного поля в центре катушки (H/I).
Информация относительно измерения испытательного магнитного поля приведена в приложении A.
6.3 Измерительные приборы и вспомогательное оборудование
6.3.1 Измерительные приборы
Измерительные приборы включают:
- системы измерения тока (датчики и прибор) для установки и измерения тока в индукционной катушке;
- оконечные устройства, выходные фильтры (и т.д.) на источнике электропитания, цепи управления и сигнальные цепи.
Оконечные устройства создают установленный импеданс 50 Ом на землю для всех внешних устройств, подключаемых к клеммам ИО. Устройства могут быть представлены схемой стабилизации полного сопротивления линии для цепей питания, устройствами связи/развязки или резистивно-емкостными последовательностями для цепей сигнала и управления вводом/выводом. Эти устройства должны быть описаны в программе испытаний.
Оконечные устройства, выходные фильтры (и т.д.) должны быть совместимы с сигналами управления.
Выходные фильтры должны применяться при подключении имитатора (см. 6.3.2).
Система измерения тока представляет собой откалиброванный пробник тока или шунт; приборы измерения тока при переходном процессе должны работать в полосе пропускания частот 10 МГц.
Погрешность измерительного прибора должна быть не более +/- 10%.
6.3.2 Вспомогательное оборудование
К вспомогательному оборудованию относятся имитаторы или любое другое оборудование, необходимое для обеспечения функционирования оборудования и проверки его рабочих характеристик.
7 Организованное место для проведения испытаний
Организованное место для проведения испытаний включает в себя следующие компоненты:
- эталонную пластину заземления;
- ИО;
- ИГ;
- индукционную катушку;
- оконечное устройство, выходной фильтр.
Если испытательные магнитные поля могут создавать помехи для измерительного прибора и другого чувствительного к помехам оборудования, находящегося в непосредственной близости от организованного места для испытаний, то должны быть приняты соответствующие меры по подавлению помех.
Примеры организованных мест для испытаний приведены на рисунках 4 (для настольного оборудования) и 5 (для напольного оборудования).
GRP - эталонная пластина заземления; A - защитное заземление
лаборатории; S - изолирующая подставка; EUT - ИО;
Ic - катушка индуктивности; E - клемма заземления изделия;
C1 - кабель к источнику питания; C2 - сигнальный провод;
L - линия коммуникаций; B - к источнику питания;
D - к источнику сигналов (имитатору);
G - к испытательному генератору
Рисунок 4 - Пример организованного места для испытаний
настольного испытуемого оборудования
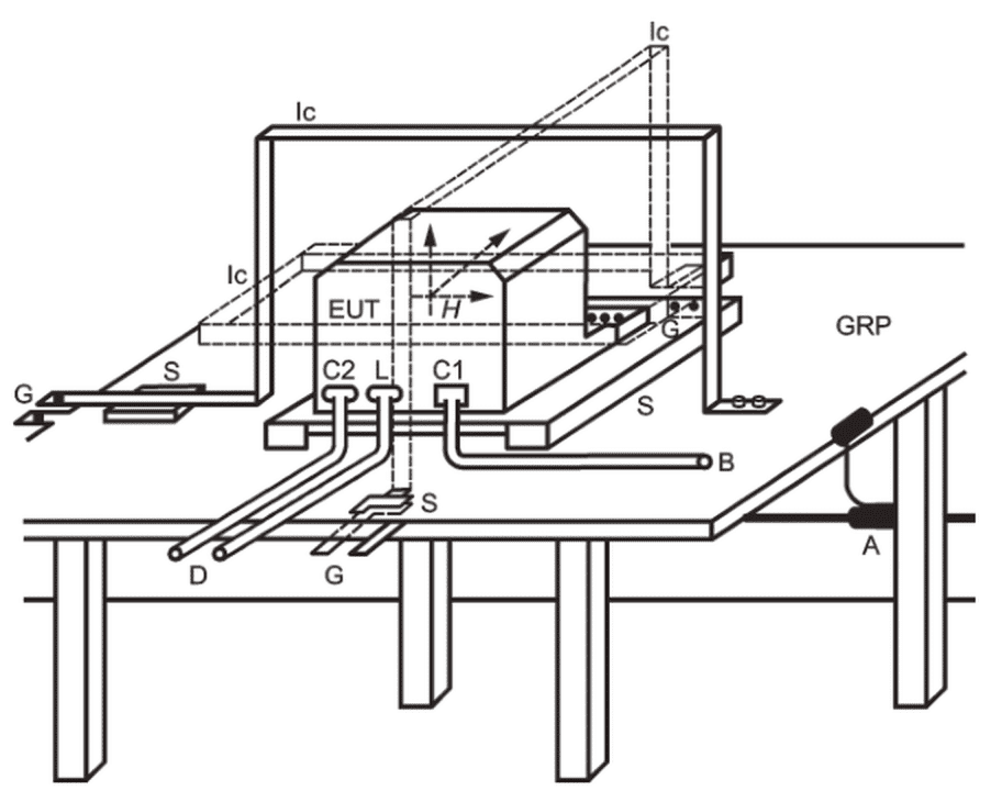
GRP - эталонная пластина заземления; A - защитное заземление
лаборатории; S - подставка; EUT - ИО; Ic - катушка
индуктивности; E - клемма заземления изделия; C1 - кабель
к источнику питания; C2 - сигнальный провод; L - линия
коммуникаций; B - к источнику питания; D - к источнику
сигналов (имитатору); G - к испытательному генератору
Рисунок 5 - Пример организованного места для испытаний
напольного испытуемого оборудования
7.1 Эталонная пластина заземления
Эталонная пластина заземления (GRP) должна находиться в лаборатории. ИО и вспомогательное испытательное оборудование должны размещаться на указанной пластине и соединяться с эталонной пластиной заземления.
Эталонная пластина заземления должна быть выполнена из немагнитного металлического листа (медного или алюминиевого) толщиной не менее 0,25 мм. Допускается использовать другие металлы, но в этом случае они должны иметь толщину не менее 0,65 мм.
Минимальный размер эталонной пластины заземления составляет 1 x 1 м.
Фактический размер зависит от размеров ИО.
Эталонная пластина заземления должна быть присоединена к системе защитного заземления лаборатории.
7.2 Испытуемое оборудование
Испытуемое оборудование устанавливается и подключается в соответствии с функциональными требованиями. Оборудование должно располагаться на изоляционной опоре толщиной 0,1 м (например, из сухого дерева) поверх эталонной пластины заземления.
Корпусы оборудования должны быть соединены непосредственно с защитным заземлением эталонной пластины заземления проводником минимальной длиной через зажим защитного заземления ИО.
Цепь электропитания, входные и выходные цепи должны быть подключены к соответствующим источникам питания, управления и сигнала при помощи выходных фильтров.
При испытаниях используют соединительные кабели, поставляемые вместе с ИО или рекомендуемые изготовителем. При отсутствии рекомендаций допускается применять кабели неэкранированного типа, соответствующие проходящим сигналам. Участок длины всех кабелей, на котором осуществляется воздействие магнитного поля, должен быть не более 1 м.
Выходные фильтры должны быть установлены на кабеле на расстоянии, равном 1 м от ИО, и подключены к эталонной пластине заземления.
Для того чтобы исключить влияние имитатора, входные и выходные цепи имитатора должны быть оснащены заградительными фильтрами.
Линии связи (линии передачи данных) должны быть соединены с ИО кабелями, указанными в технической документации или стандарте для данного оборудования. Каждый кабель, находящийся вблизи ИО, должен быть расположен на расстоянии 0,1 м от эталонной пластины заземления.
7.3 Испытательный генератор (ИГ)
ИГ должен быть расположен на расстоянии не более чем 3 м от индукционной катушки.
Один зажим генератора должен быть подключен к эталонной пластине заземления.
7.4 Индукционная катушка
Индукционная катушка, указанная в 6.2.1, должна вмещать ИО в своем центре.
Для испытаний ИО при воздействии магнитного поля в различных ортогональных плоскостях допускается применение различных индукционных катушек согласно общим критериям, приведенным в 6.2.1, перечисления a) и b).
Индукционные катушки, применяемые в вертикальной поляризации (горизонтальная поляризация поля), могут быть соединены (у подножия одного из вертикальных проводников) напрямую с эталонной пластиной заземления меньшей стороной катушки, которая является ее частью. В этом случае минимальным достаточным расстоянием от ИО до эталонной пластины заземления будет 0,1 м.
Подключение индукционной катушки к ИГ осуществляется тем же способом, как и при процедуре калибровки в соответствии с 6.2.2.
Выбираемая для проведения испытаний индукционная катушка должна быть указана в программе испытаний.
8 Порядок проведения испытаний
Процедура испытаний включает:
- проверку стандартных условий испытаний в лаборатории;
- предварительную проверку правильности функционирования оборудования;
- проведение испытаний;
- оценку результатов испытаний.
8.1 Стандартные условия испытаний в лаборатории
Для уменьшения влияния параметров окружающей среды на результаты испытаний испытания должны проводиться в климатических стандартных условиях и при электромагнитной обстановке, указанных в 8.1.1 и 8.1.2.
8.1.1 Климатические условия
Если иное не установлено в общем стандарте или стандарте на продукцию, климатические условия в лаборатории должны быть в пределах, установленных изготовителями ИО и испытательного оборудования для нормального их функционирования.
Испытания не должны проводиться, если уровень относительной влажности в лаборатории настолько высок, что это приводит к образованию конденсата на ИО или испытательном оборудовании.
Примечание - Если накоплено достаточно данных, доказывающих, что климатические условия оказывают влияние на явление, рассматриваемое в настоящем стандарте, то об этом необходимо проинформировать технический комитет, ответственный за разработку настоящего стандарта.
(IEC 61000-4-9-am1:2000)
8.1.2 Электромагнитная обстановка
Электромагнитная обстановка в испытательной лаборатории должна обеспечивать нормальное функционирование ИО и не влиять на результаты испытаний. Если указанные требования не выполняются, испытания проводят в камере Фарадея.
В частности, напряженность магнитного поля промышленной частоты в лаборатории должна быть не менее чем на 20 дБ ниже напряженности поля, соответствующей выбранному испытательному уровню.
8.2 Проведение испытаний
Испытания должны проводиться на основе программы испытаний, которая должна включать проверку параметров функционирования ИО в соответствии с технической документацией.
Значения напряжения питания, сигналов и других рабочих электрических параметров не должны выходить за рамки установленных диапазонов.
При отсутствии необходимых рабочих сигналов допускается их имитация.
Предварительная проверка эксплуатационных характеристик оборудования должна проводиться до начала воздействия испытательного магнитного поля.
Воздействие испытательного магнитного поля на ИО, установленного как указано в 7.2, должно осуществляться с применением иммерсионного метода.
Испытательный уровень не должен превышать значения, установленные в технической документации на изделие.
Примечание - Для обнаружения самой восприимчивой стороны/положения ИО главным образом стационарного типа в целях исследования может использоваться метод приближения. Этот метод не должен использоваться при сертификации. Пример применения испытательного поля методом приближения показан на рисунке 6.
1 - ИО; 2 - индукционная катушка;
3 - эталонная пластина заземления.
Рисунок 6 - Схема проверки восприимчивости испытуемого
оборудования на устойчивость к магнитному полю промышленной
частоты методом приближения
где n - количество витков в каждой катушке; a - расстояние
между разнесенными катушками; b - длина стороны катушки, м;
I - ток, А; H - напряженность магнитного поля, А/м;
H = 1,22 x n/b x I (для a = b/2,5 неоднородность
магнитного поля составляет +/- 0,2 дБ)
Рисунок 7 - Схема катушки Гельмгольца
При испытании выполняется по крайней мере 5 импульсов положительных и 5 импульсов отрицательной полярности.
Временной интервал между импульсами должен быть не менее 10 с.
a) Настольное ИО
Оборудование подвергают воздействию магнитного поля, создаваемого индукционной катушкой стандартных размеров 1 x 1 м, в соответствии с 6.2.1, перечисление a) (см. рисунок 4).
Затем плоскость индукционной катушки поворачивают на 90° так, чтобы обеспечить воздействие испытательного поля на ИО с разных направлений.
b) Напольное ИО
Оборудование подвергают воздействию магнитного поля, создаваемого индукционной катушкой подходящих размеров в соответствии с 6.2.1, перечисление b); испытание повторяют, при этом катушку перемещают и сдвигают таким образом, чтобы исследовать весь объем ИО для каждого ортогонального направления магнитного поля.
Испытание повторяют с перемещением катушки в различные положения с шагом, соответствующим не более 50% длины наименьшей стороны катушки.
Примечание - Перемещение индукционной катушки с шагом, соответствующим не более 50% длины ее наименьшей стороны, приводит к воздействию на ИО перекрывающихся магнитных полей.
Затем плоскость индукционной катушки поворачивают на 90° так, чтобы обеспечить воздействие испытательного поля на ИО с разных направлений.
9 Оценка результатов испытаний
Результаты испытаний классифицируют, исходя из прекращения функционирования ИО или ухудшения его рабочих характеристик, с учетом критериев качества функционирования, установленных изготовителем или заявителем на процедуру испытаний или согласованных между изготовителем и покупателем оборудования. Рекомендуемая классификация включает следующее:
a) нормальное функционирование в рамках предельных значений, установленных изготовителем, заявителем или потребителем;
b) временное прекращение функционирования или ухудшение рабочих характеристик, которые прекращаются после прекращения воздействия помехи и после которых нормальное функционирование ИО восстанавливается без вмешательства оператора;
c) временное прекращение функционирования или ухудшение рабочих характеристик, коррекция которых требует вмешательства оператора;
d) прекращение функционирования или ухудшение рабочих характеристик, восстановление которых невозможно из-за повреждения компонентов или программного обеспечения оборудования, или потери данных.
В технической документации на ИО могут быть указаны нарушения функционирования ИО, которые рассматриваются как незначительные и допустимые.
Приведенная классификация может использоваться в качестве руководства при определении критериев качества функционирования оборудования при разработке общих стандартов, стандартов на продукцию или группу продукции или как основание для согласования критериев качества функционирования между изготовителем и покупателем, например при отсутствии подходящего общего стандарта или стандарта на продукцию или группу продукции.
10 Оформление результатов испытаний
Протокол испытаний должен содержать полную информацию, необходимую для воспроизведения процедуры испытаний. В частности, протокол испытаний должен содержать следующие сведения:
- пункты программы испытаний, требуемые в соответствии с разделом 8;
- идентификационные признаки ИО и любого связанного с ним оборудования, например торговая марка, тип продукции, серийный номер;
- идентификационные признаки испытательного оборудования, например торговая марка, тип продукции, серийный номер;
- любые особые условия окружающей среды при испытаниях, например в случае использования экранированной камеры;
- любые особые условия, необходимые для проведения испытания;
- критерии качества функционирования, установленные изготовителем, заявителем или потребителем;
- критерии качества функционирования, установленные в общем стандарте, стандарте на продукцию или группу продукции;
- любые отклонения в функционировании ИО, наблюдаемые во время или после испытательного воздействия, а также продолжительность указанных отклонений;
- обоснование принятия решения о соответствии/несоответствии ИО (на основе критериев качества функционирования, указанных в общем стандарте, стандарте на продукцию или группу продукции либо согласованных между изготовителем и покупателем);
- любые особые условия эксплуатации, например длина или тип кабеля, экранирование или заземление, или какие-либо условия эксплуатации ИО, которые требовались для обеспечения соответствия.
Приложение A
(обязательное)
МЕТОД КАЛИБРОВКИ ИНДУКЦИОННОЙ КАТУШКИ
A.1 Измерение напряженности магнитного поля
Измерение напряженности магнитного поля проводят в свободном пространстве внутри индукционной катушки без ИО на расстоянии от стен лаборатории и любых магнитных материалов не менее 1 м.
Для измерения магнитного поля допускается применять измерительную систему, состоящую из датчиков магнитного поля широкого диапазона (минимальная полоса пропускания датчиков должна быть не менее 10 МГц) и регистрирующих приборов, например переходных регистраторов или запоминающих осциллографов.
A.2 Калибровка индукционной катушки
Калибровку осуществляют путем пропускания в индукционной катушке тока калибровки с частотой сети и измерения силы тока для стандартных индукционных катушек и напряженности магнитного поля для других индукционных катушек с помощью датчиков, установленных в ее геометрическом центре.
Расположение датчика выбирают таким образом, чтобы получить максимальное значение напряженности магнитного поля.
Коэффициент индукционной катушки определяют для каждой катушки как отношение напряженности магнитного поля к величине протекающего тока (H/A).
Коэффициент катушки, определяемый переменным током, не связан с формой кривой тока, поскольку представляет собой характеристический параметр индукционной катушки; поэтому указанный коэффициент может применяться для оценки магнитных полей промышленной частоты или других частот, установленных в настоящем стандарте.
Для катушки стандартных размеров коэффициент катушки определяется производителем катушки и может контролироваться измерительной лабораторией перед проведением испытаний.
Приложение B
(обязательное)
ХАРАКТЕРИСТИКИ ИНДУКЦИОННЫХ КАТУШЕК
B.1 Основные положения
В настоящем приложении рассматриваются аспекты, касающиеся генерации магнитных полей для испытаний на помехоустойчивость.
В первую очередь рассматриваются иммерсионный метод и метод приближения.
Чтобы определить нормы для применения таких методов, некоторым вопросам было уделено особое внимание.
Ниже приведены разъяснения относительно числовых значений характеристик различных типов индукционных катушек.
B.2 Требования к индукционной катушке
Основным требованием к индукционной катушке является требование к допустимым предельным значениям равномерности напряженности магнитного поля в объеме ИО, равным +/- 3 дБ; указанные предельные значения представляют собой технический компромисс относительно испытательных уровней с шагом в 10 дБ, обусловленный практическими возможностями при создании однородного поля в широком диапазоне значений.
Требование в отношении постоянства магнитного поля применяют при воздействии в одном направлении, ортогональном плоскости индукционной катушки. Испытательное магнитное поле в других направлениях создают путем проведения последовательных испытаний с поворотом индукционной катушки.
В.3 Характеристики индукционных катушек
Характеристики индукционных катушек различных размеров, предназначенных для проведения испытаний настольного и напольного ИО, приведены на прилагаемых диаграммах, показывающих:
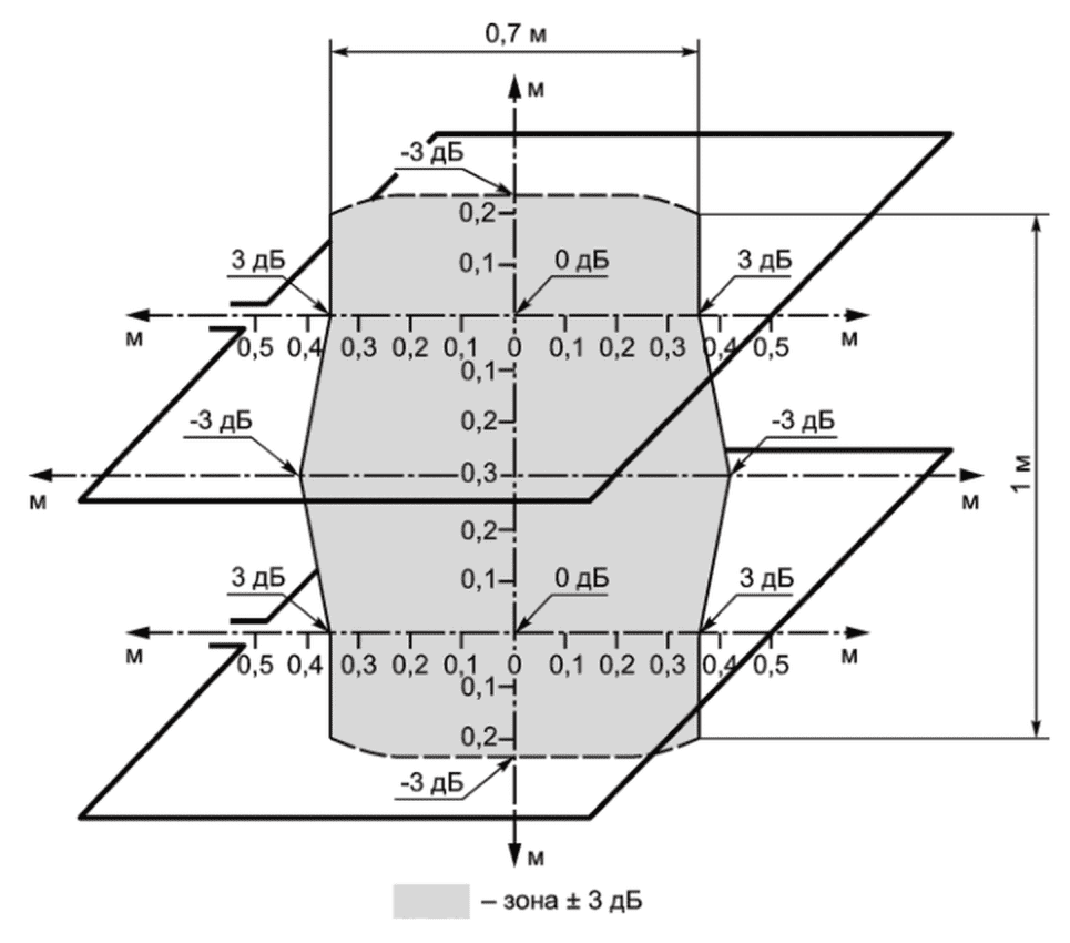
- профиль напряженности магнитного поля, создаваемого индукционной катушкой квадратной формы (с длиной стороны 1 м) в плоскости катушки (рисунок B.1);
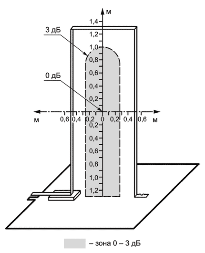
- зону +/- 3 дБ магнитного поля, создаваемого индукционной катушкой квадратной формы (с длиной стороны 1 м) в плоскости катушки (рисунок B.2);
- зону +/- 3 дБ магнитного поля, создаваемого индукционной катушкой квадратной формы (с длиной стороны 1 м) в центральной ортогональной плоскости (компонента, перпендикулярная плоскости катушки) (рисунок B.3);
- зону +/- 3 дБ магнитного поля, создаваемого двумя индукционными катушками квадратной формы (с длиной стороны 1 м), разнесенными на расстояние 0,6 м, в центральной ортогональной плоскости (компонента, перпендикулярная плоскости катушки) (рисунок B.4);
- зону +/- 3 дБ магнитного поля, создаваемого двумя индукционными катушками квадратной формы (с длиной стороны 1 м), разнесенными на расстояние 0,8 м, в центральной ортогональной плоскости (компонента, перпендикулярная плоскости катушки) (рисунок B.5);
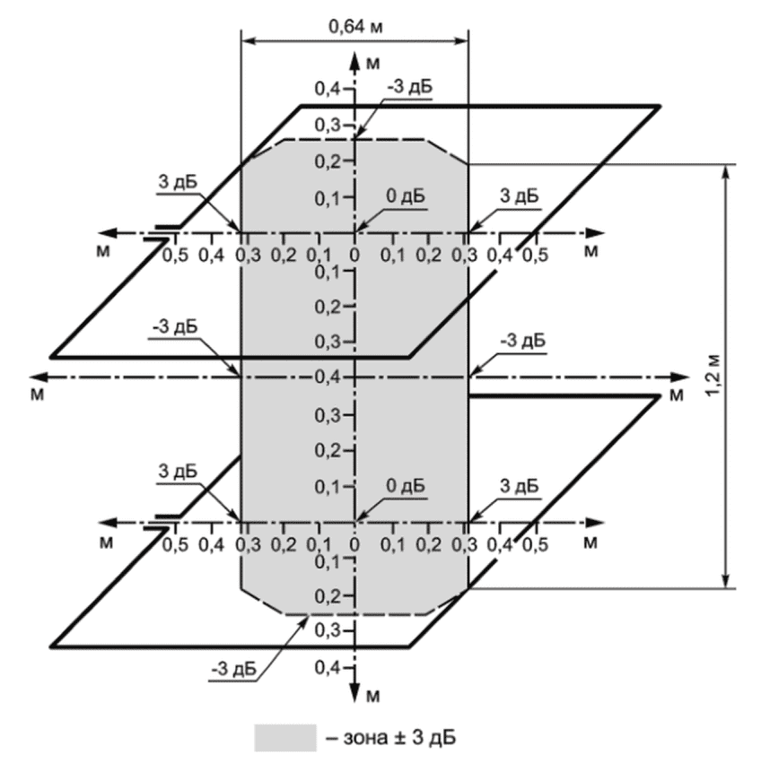
- зону +/- 3 дБ магнитного поля, создаваемого индукционной катушкой прямоугольной формы (с размерами сторон 1 x 2,6 м) в плоскости катушки (рисунок B.6);
- зону +/- 3 дБ магнитного поля, создаваемого индукционной катушкой прямоугольной формы (с размерами сторон 1 x 2,6 м) в плоскости катушки (нижней стороной индукционной катушки является эталонная пластина заземления) (рисунок B.7);
- зону +/- 3 дБ магнитного поля, создаваемого индукционной катушкой прямоугольной формы (с размерами сторон 1 x 2,6 м), нижней стороной которой является эталонная пластина заземления, в центральной ортогональной плоскости (компонента, перпендикулярная плоскости катушки) (рисунок B.8).
Рисунок B.1 - Профиль напряженности магнитного поля,
создаваемого индукционной катушкой квадратной формы
(с длиной стороны 1 м) в плоскости катушки
Рисунок B.2 - Зона +/- 3 дБ магнитного поля, создаваемого
индукционной катушкой квадратной формы
(с длиной стороны 1 м) в плоскости катушки
Рисунок B.3 - Зона +/- 3 дБ магнитного поля, создаваемого
индукционной катушкой квадратной формы (с длиной стороны
1 м) в центральной ортогональной плоскости (компонента,
перпендикулярная плоскости катушки)
Рисунок B.4 - Зона +/- 3 дБ магнитного поля, создаваемого
двумя индукционными катушками квадратной формы (с длиной
стороны 1 м), разнесенными на расстояние 0,6 м,
в центральной ортогональной плоскости (компонента,
перпендикулярная плоскости катушки)
Рисунок B.5 - Зона +/- 3 дБ магнитного поля, создаваемого
двумя индукционными катушками квадратной формы (с длиной
стороны 1 м), разнесенными на расстояние 0,8 м,
в центральной ортогональной плоскости (компонента,
перпендикулярная плоскости катушки)
Рисунок B.6 - Зона +/- 3 дБ магнитного поля, создаваемого
индукционной катушкой прямоугольной формы (с размерами
сторон 1 x 2,6 м) в плоскости катушки
Рисунок B.7 - Зона +/- 3 дБ магнитного поля, создаваемого
индукционной катушкой прямоугольной формы (с размерами
сторон 1 x 2,6 м) в плоскости катушки (нижней стороной
индукционной катушки является эталонная пластина заземления)
Рисунок B.8 - Зона +/- 3 дБ магнитного поля, создаваемого
индукционной катушкой прямоугольной формы (с размерами
сторон 1 x 2,6 м), нижней стороной которой является
эталонная пластина заземления, в центральной ортогональной
плоскости (компонента, перпендикулярная плоскости катушки)
При выборе формы, расположения и размеров индукционной катушки необходимо учитывать следующие условия:
- зона +/- 3 дБ магнитного поля внутри и снаружи индукционной катушки зависит от формы и размеров катушки;
- для заданного значения напряженности магнитного поля величина тока и мощность ИГ пропорциональны размерам индукционной катушки.
B.4 Обобщенная информация о характеристиках катушек индуктивности
На основе данных о распределении напряженности магнитного поля, создаваемого индукционными катушками различных размеров, и с учетом применения метода испытаний, установленного настоящим стандартом, к различным классам оборудования установлены следующие требования к характеристикам индукционных катушек:
- одиночная катушка квадратной формы с длиной стороны 1 м:
- рабочий объем 0,6 x 0,6 x 0,5 (высота) м;
- минимальное допустимое расстояние от ИО до катушки 0,2 м;
- две катушки квадратной формы с длиной стороны 1 м и разнесением на 0,6 м:
- рабочий объем 0,6 x 0,6 x 1 (высота) м;
- минимальное расстояние от ИО до катушки 0,2 м; при увеличении
расстояния между катушками до 0,8 м максимальная высота ИО увеличивается до
1,2 м (см. информацию в отношении зоны +/- 3 дБ магнитного поля,
создаваемого в центральной ортогональной плоскости);
- одиночная катушка прямоугольной формы с размерами сторон 1 x 2,6 м:
- рабочий объем 0,6 x 0,6 x 2 (высота) м;
- минимальное расстояние между ИО и горизонтальными и вертикальными
сторонами катушки 0,2 и 0,3 м соответственно. Если индукционная катушка
соединена с эталонной пластиной заземления, расстояние 0,1 м между ИО и
эталонной пластиной заземления считают достаточным.
Приложение C
(справочное)
ВЫБОР ИСПЫТАТЕЛЬНЫХ УРОВНЕЙ
Испытательные уровни выбирают, исходя из наиболее вероятных условий эксплуатации и окружающей среды.
Общая информация в отношении испытательных уровней приведена в разделе 5.
Указанные испытательные уровни при испытаниях на устойчивость к воздействию магнитного поля предназначены для установления критериев качества функционирования оборудования в условиях электромагнитной окружающей среды, при которых возможна эксплуатация оборудования.
При выборе испытательного уровня необходимо принимать во внимание:
- электромагнитную обстановку;
- близость расположения источников помех к оборудованию;
- допустимые отклонения измеряемых величин.
Выбор испытательного уровня при испытаниях оборудования на устойчивость к воздействию магнитного поля осуществляется с учетом общих условий установки и эксплуатации и может быть следующим:
Класс 1:
Испытания не проводятся для этой электромагнитной обстановки, так как в ней могут эксплуатироваться чувствительные приборы, использующие электронный луч.
Пример - Кинескопные мониторы, электронные микроскопы и другие типовые устройства, относящиеся к этому классу.
Класс 2:
Хорошо защищенная электромагнитная обстановка
Испытания не применяются для этой электромагнитной обстановки, так как соответствующие области не подвержены воздействию молний и начального переходного процесса при коротком замыкании.
Пример - Зоны бытового назначения, офисы, зоны в учреждениях здравоохранения, защищенные от электромагнитного воздействия, удаленные от электрических заземляющих проводников грозозащитных систем могут рассматриваться в этом классе оборудования.
Класс 3:
Защищенная электромагнитная обстановка
Электромагнитная обстановка характеризуется близким расположением заземляющих проводников грозозащитных систем и металлических структур.
Пример - Коммерческие зоны, центры управления, зоны предприятий, не относящихся к тяжелой промышленности, электромагнитная обстановка характеризуется близким расположением заземляющих проводников грозозащитных систем и металлических структур, компьютерные залы управления высоковольтных электрических подстанций.
Класс 4:
Типичная промышленная электромагнитная обстановка
Электромагнитная обстановка характеризуется наличием заземляющих проводников защитных систем или структур.
Пример - Зоны предприятий тяжелой промышленности и электростанций, компьютерные залы управления высоковольтных электрических подстанций.
Класс 5:
Неблагоприятная промышленная электромагнитная обстановка
Электромагнитная обстановка характеризуется следующими признаками:
- наличием проводников, шин, линий передачи высокого и среднего напряжения с токами порядка десятков кА;
- наличием заземляющих проводников системы молниезащиты или высоких конструкций, таких как линейные опоры, отводящие весь ток молнии.
Пример - Зоны коммутации электрических станций, подстанций среднего и высокого напряжения и предприятий тяжелой промышленности.
Класс X:
Специальная электромагнитная обстановка
В зависимости от большей или меньшей степени разделения источников помех и цепей оборудования, кабелей, линий и т.д., а также качества установок может потребоваться применение более высокого или более низкого уровня защищенности электромагнитной обстановки, чем указанные выше.
Следует учитывать, что цепи оборудования, эксплуатируемые в более жестких условиях электромагнитной обстановки, могут проходить сквозь среду с менее жесткими условиями электромагнитной обстановки.
Приложение D
(справочное)
ИНФОРМАЦИЯ О НАПРЯЖЕННОСТИ МАГНИТНОГО ПОЛЯ
Напряженность магнитного поля в диапазоне от нескольких сотен А/м (пиковое значение) до порядка 1 кА/м (пиковое значение) вблизи заземляющих проводников и металлических каркасов, предназначенных для грозозащиты вследствие возникновения переходных токов; значения низкой напряженности поля характерны для оборудования и систем, установленных внутри зданий.
Приложение ДА
(справочное)
СВЕДЕНИЯ О СООТВЕТСТВИИ ССЫЛОЧНЫХ МЕЖДУНАРОДНЫХ СТАНДАРТОВ
МЕЖГОСУДАРСТВЕННЫМ СТАНДАРТАМ
Таблица ДА.1
Обозначение ссылочного международного стандарта
Степень соответствия
Обозначение и наименование соответствующего межгосударственного стандарта
IEC 60060-2:2010
MOD
ГОСТ Р 55193-2012 "Электрооборудование и электроустановки переменного тока на напряжение 3 кВ и выше. Методы измерения при испытаниях высоким напряжением"
IEC 60068-1:1988
Изменение 1 (1992)
MOD
ГОСТ 28198-89 "Основные методы испытаний на воздействие внешних факторов. Часть 1. Общие положения и руководство"
IEC 60469-1:1987
-
<*> Соответствующий межгосударственный стандарт отсутствует. До его принятия рекомендуется использовать перевод на русский язык данного международного стандарта.
Примечание - В настоящей таблице использовано следующее условное обозначения степени соответствия стандартов:
- MOD - модифицированные стандарты.
УДК 621.391.827:621.317.42(083.74)(476)
МКС 33.100.20
КП 03
IDT
Ключевые слова: импульсное магнитное поле, помехоустойчивость, оборудование, испытательный генератор, индукционная катушка, электромагнитная совместимость, методы испытаний, оценка результатов испытаний