Главная // Актуальные документы // Актуальные документы (обновление 2025.07.05-2025.08.02) // ГрафикСПРАВКА
Источник публикации
М.: Стройиздат, 1978
Примечание к документу
Название документа
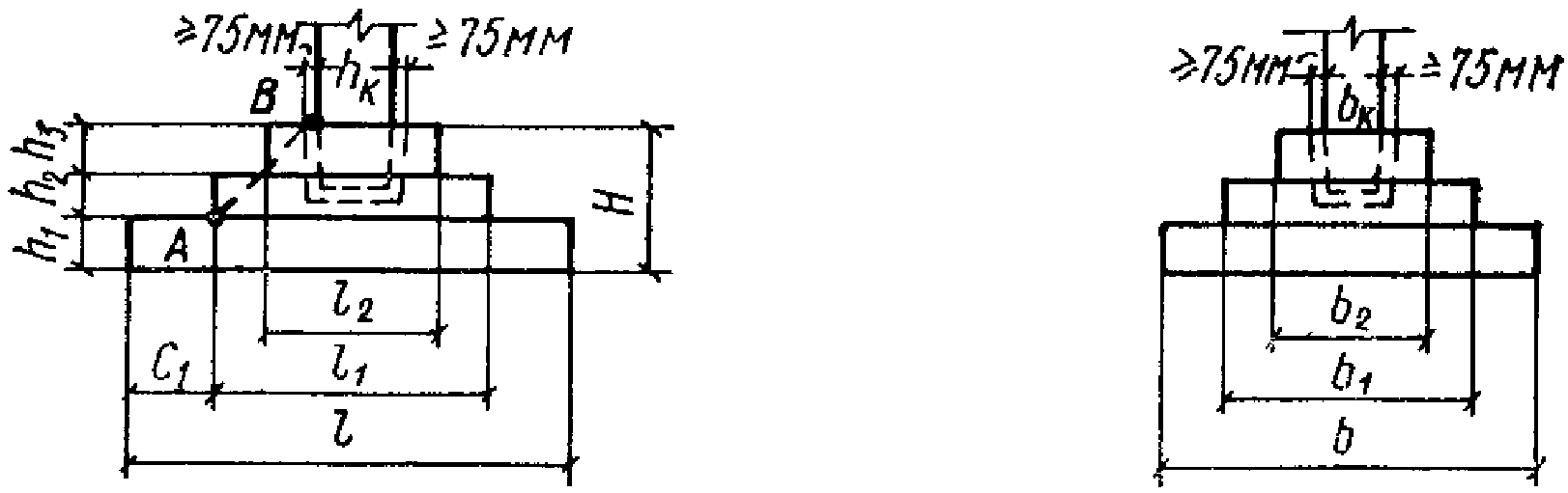
"Руководство по проектированию фундаментов на естественном основании под колонны зданий и сооружений промышленных предприятий"
"Руководство по проектированию фундаментов на естественном основании под колонны зданий и сооружений промышленных предприятий"
ПО ПРОЕКТИРОВАНИЮ ФУНДАМЕНТОВ НА ЕСТЕСТВЕННОМ ОСНОВАНИИ
ПОД КОЛОННЫ ЗДАНИЙ И СООРУЖЕНИЙ ПРОМЫШЛЕННЫХ ПРЕДПРИЯТИЙ
Рекомендовано к изданию решением технического совета ГПИ Ленинградского Промстройпроекта Госстроя СССР.
В Руководстве приведены рекомендации по проектированию монолитных и сборных отдельно стоящих железобетонных фундаментов под колонны промышленных зданий, а также графики и таблицы для расчета и конструирования фундаментов, примеры расчета.
Предназначено для инженеров и техников проектных институтов.
Табл. 27, ил. 63
Руководство предназначается в качестве вспомогательного материала для проектирования фундаментов под колонны промышленных зданий и сооружений на естественных основаниях.
В Руководстве приведены указания по проектированию монолитных и сборных отдельно стоящих фундаментов под колонны промышленных зданий, графики и таблицы для расчета и конструирования фундаментов с соответствующими пояснениями к ним и примеры расчета.
Руководство составлено в соответствии с требованиями:
| | ИС МЕГАНОРМ: примечание. В официальном тексте документа, видимо, допущена опечатка: имеется в виду СНиП II-6-74, а не СНиП II-6-75. | |
Руководство выполнено в ГПИ Ленинградский Промстройпроект (канд. техн. наук М.Е. Липницкий, инж. В.А. Егорова) при участии ЦНИИПромзданий (инж. Б.Ф. Васильев, инж. В.С. Балюков), НИИЖБ (канд. техн. наук Н.Н. Коровин), НИИ оснований и подземных сооружений (канд. техн. наук Ю.А. Рогатин, д-р техн. наук Е.А. Сорочан).
Для удобства пользования в Руководстве приведен текст некоторых пунктов главы
СНиП II-15-74, набранный полужирным шрифтом.
Нумерация формул и таблиц, помещенных в Руководстве, дается двойной: вначале следует номер Руководства, затем (в скобках) соответствующий номер СНиП.
Отзывы и предложения просьба направлять по адресу: 196190, Ленинград, Ленинский пр., 160, ГПИ Ленинградский Промстройпроект.
1.1. Настоящее Руководство распространяется на проектирование отдельных железобетонных фундаментов под колонны промышленных зданий и сооружений на естественных основаниях.
Проектирование отдельных фундаментов, находящихся в агрессивной среде, производится с учетом требований
СНиП II-28-73 "Защита строительных конструкций от коррозии".
1.2. Глубина заложения фундаментов должна определяться в соответствии с
пп. 3.27 -
3.41 СНиП II-15-74 и должна быть более толщины почвенного слоя и не менее 0,5 м от поверхности планировки.
Минимальное заглубление фундамента ниже пола подвала принимается равным 0,5 м.
1.3. Глубина заложения рядом стоящих фундаментов, установленных на разных отметках (например, в местах примыкания проектируемого сооружения к существующему или в случае расположения фундамента вблизи каналов, тоннелей и т.п.), должна назначаться с учетом следующего условия

(1)
где

- разность отметок заложения фундаментов
(рис. 1);
a - расстояние между фундаментами в плане (в свету).
Рис. 1. Глубина заложения рядом стоящих фундаментов,
установленных на разных отметках
Если котлован под нижерасположенный фундамент шире подошвы фундамента, величина a принимается с учетом зазора между котлованом и фундаментом;

- угол сдвига

(2)
где p - среднее давление на грунт под подошвой вышерасположенного фундамента от расчетной нагрузки, принимаемой с учетом коэффициентов перегрузки, соответствующих расчету оснований по несущей способности;

,
cI - расчетные значения соответственно угла внутреннего трения и удельного сцепления грунта, определяемые согласно требованиям
пп. 3.10 -
3.16 СНиП II-15-74.
Если
условие (1) не выполняется, необходимо предусматривать специальные меры по предотвращению возможной осадки и выпирания грунта (забивка шпунта, искусственное закрепление грунта и т.п.).
2. НАГРУЗКИ, УЧИТЫВАЕМЫЕ В РАСЧЕТАХ ОСНОВАНИЙ И КОНСТРУКЦИЙ ФУНДАМЕНТОВ
2.1. (3.7 СНиП II-15-74). Расчет оснований по деформациям должен производиться на основное сочетание нагрузок.
Расчет оснований по несущей способности выполняется на основное сочетание нагрузок и при наличии особых нагрузок и воздействий - на основное и особое сочетания.
При наличии нескольких кратковременных нагрузок последние должны вводиться с коэффициентами сочетаний, а кратковременные нагрузки на перекрытия многоэтажных зданий - с понижающими коэффициентами, учитывающими вероятность одновременного загружения перекрытий, в соответствии с требованиями главы СНиП по нагрузкам и воздействиям.
2.2. (1.12 СНиП II-6-74). При расчете конструкций и оснований на основные сочетания, включающие одну кратковременную нагрузку, величина последней должна учитываться без снижения, а при расчете на основные сочетания, включающие две или более кратковременных нагрузок, расчетные величины этих нагрузок или соответствующих им усилий должны умножаться на коэффициент сочетаний nс = 0,9.
2.3. Коэффициенты перегрузки
n должны приниматься при расчете оснований по деформациям равными единице, а при расчете по несущей способности - в соответствии с требованиями главы
СНиП II-6-74 "Нагрузки и воздействия".
2.4. При расчете оснований и конструкций фундаментов на нагрузки, возникающие в стадии возведения конструкций, расчетные значения кратковременных нагрузок следует снижать на 20%.
2.5. (3.8 СНиП II-15-74). В расчетах оснований необходимо учитывать нагрузки от складируемого материала и оборудования, размещаемых вблизи фундаментов на отмостках и полах, устраиваемых непосредственно на грунте. Эти нагрузки принимаются по всей фактической площади загружения.
2.6. (3.8 СНиП II-15-74). Усилия в конструкциях, вызываемые температурными воздействиями, при расчете оснований по деформациям, как правило, не должны учитываться.
При расчете фундаментов по прочности и по раскрытию трещин возникающие в них усилия от температурных и им подобных деформаций принимаются изменяющимися по вертикали по прямой от полного значения усилия у места заделки колонны в фундамент до половинного значения на уровне подошвы фундамента.
2.7. Расчет фундаментов по прочности (определение высоты плитной части фундамента, расчет стаканного фундамента на продавливание, определение размеров ступеней, арматуры фундамента) производится на основное или особое сочетание нагрузок в соответствии с требованиями главы
СНиП II-6-74.
3. РАСЧЕТ ОСНОВАНИЙ И ОПРЕДЕЛЕНИЕ РАЗМЕРОВ ПОДОШВЫ ФУНДАМЕНТОВ
3.1. Размеры подошвы фундаментов определяются из расчета оснований. При этом должна быть соблюдена одна из эпюр давления на грунт, приведенных на
рис. 2.
Рис. 2. Эпюры давления на грунт
3.2. (3.3 СНиП II-15-74). Основания должны рассчитываться по двум группам предельных состояний:
по первой группе - по несущей способности;
по второй группе - по деформациям (осадкам, прогибам и пр.), создающим препятствия для нормальной эксплуатации зданий и сооружений.
Расчет оснований по деформациям должен производиться, если основание сложено нескальными грунтами.
3.3. (3.4 СНиП II-15-74). Расчет оснований по несущей способности должен производиться в случаях, если:
а) на основание передаются значительные горизонтальные нагрузки (подпорные стены, фундаменты распорных конструкций и т.п.), в том числе сейсмические;
б) фундамент или сооружение в целом расположены на бровке откоса или вблизи крутопадающего слоя грунта;
в) основание сложено водонасыщенными глинистыми и заторфованными грунтами, указанными в п. 3.76 СНиП II-15-74;
г) основание сложено скальными грунтами.
3.4. Расчет оснований по деформациям, как правило, должен производиться из условия совместной работы здания (сооружения) и основания (в том числе с учетом перераспределения нагрузок надфундаментной конструкцией на основание).
Расчет оснований по деформациям производится без учета совместной работы здания и основания в следующих случаях:
а) при расчете зданий и сооружений III - IV классов;
б) для зданий и сооружений с гибкими системами конструкций, в которых не возникают усилия при взаимодействии основания с сооружением (например, различного рода шарнирные системы, одноэтажные производственные здания с шарнирным опиранием элементов покрытия на стойки и пр.);
в) для зданий и сооружений значительной жесткости, прочность которых заведомо достаточна для восприятия усилий, возникающих при взаимодействии основания с сооружением (например, зданий башенного типа, домен, дымовых труб и т.п.);
г) при определении неравномерных деформаций основания при привязке типовых проектов к местным геологическим условиям, если в этих проектах приведены условные величины предельно допустимых деформаций

;
д) при определении средних величин деформаций зданий и сооружений.
В этих случаях нагрузки на основание допускается определять без учета перераспределения надфундаментной конструкцией и принимать в соответствии со статической схемой здания или сооружения.
3.5. (3.46 СНиП II-15-74). Совместная деформация основания и здания (сооружения) может характеризоваться:
а) абсолютной осадкой основания отдельного фундамента S1;
б) средней осадкой основания здания или сооружения Sср;
в) относительной неравномерностью осадок
двух фундаментов, т.е. разностью их вертикальных перемещений, отнесенной к расстоянию между ними;
г) креном фундамента или сооружения в целом i, т.е. отношением разности осадок крайних точек фундамента к его ширине или длине;
д) относительным прогибом или выгибом f/L (отношением стрелы прогиба или выгиба к длине однозначно изгибаемого участка здания или сооружения);
е) кривизной изгибаемого участка здания или сооружения K;
ж) относительным углом закручивания здания или сооружения
;
з) горизонтальным перемещением фундамента или здания (сооружения) в целом U.
3.6. (3.47 СНиП II-15-74). Расчет оснований по деформациям производится исходя из условия
где S - величина совместной деформации основания и здания или сооружения, определяемая расчетом по указаниям прил. 3 СНиП II-15-74 "Расчет деформаций оснований";
Sпр - предельно допустимая величина совместной деформации основания и здания или сооружения, устанавливаемая по указаниям пп. 3.63 - 3.69 СНиП II-15-74.
3.7. Все расчеты оснований должны выполняться с использованием расчетных характеристик грунта (угла внутреннего трения

, удельного сцепления
c, модуля деформации
E, объемного веса грунта

).
Таблица 1 (
18 СНиП II-15-74)
Наименование и конструктивные особенности сооружений | Величина предельных деформаций оснований Sпр |
относительные деформации | максимальные и средние абсолютные осадки, см |
вид | величина | вид | величина |
1. Производственные и гражданские многоэтажные здания с полным каркасом: | | | | |
1.1. Железобетонные рамы без заполнения | Относительная разность осадок | 0,002 | Максимальная абсолютная осадка S1пр | 8 |
1.2. Стальные рамы без заполнения | То же | 0,004 | То же | 12 |
1.3. Железобетонные рамы с заполнением | " | 0,001 | " | 8 |
1.4. Стальные рамы с заполнением | " | 0,002 | " | 12 |
2. Здания и сооружения, в конструкциях которых не возникают дополнительные усилия от неравномерных осадок | " | 0,006 | " | 15 |
3. Многоэтажные бескаркасные здания с несущими стенами из: | | | | |
3.1. Крупных панелей | Относительный прогиб или выгиб | 0,0007 | Средняя осадка Sср пр | 10 |
3.2. Крупных блоков и кирпичной кладки без армирования | То же | 0,001 | То же | 10 |
3.3. Крупных блоков и кирпичной кладки с армированием или железобетонными поясами | Относительный прогиб или выгиб | 0,0012 | Средняя осадка Sср пр | 15 |
3.4. Независимо от материала стен | Крен в поперечном направлении iпр | 0,005 | - | - |
4. Высокие жесткие сооружения: | | | | |
4.1. Сооружения элеваторов из железобетонных конструкций: | | | | |
а) рабочее здание и силосный корпус монолитной конструкции, сблокированные на одной фундаментной плите | Поперечный и продольный крены iпр | 0,003 | Средняя осадка Sср пр | 40 |
б) то же, сборной конструкции | То же | 0,003 | То же | 30 |
в) отдельно стоящее рабочее здание | Поперечный крен iпр | 0,003 | " | 25 |
| Продольный крен iпр | 0,004 | " | 25 |
г) отдельно стоящий силосный корпус монолитной конструкции | Поперечный и продольный крены iпр | 0,004 | " | 40 |
д) то же, сборной конструкции | То же | 0,004 | " | 30 |
4.2. Дымовые трубы высотой H, м: | | | | |
а) H <= 100 м | Крен iпр | 0,005 | Средняя осадка Sср пр | 40 |
б) 100 < H <= 200 м | То же | 1 ---- 2H | То же | 30 |
в) 200 < H <= 300 м | " | 1 ---- 2H | " | 20 |
г) H > 300 м | " | 1 ---- 2H | " | 10 |
4.3. Прочие высокие до 100 м жесткие сооружения | Крен iпр | 0,004 | Средняя осадка Sср пр | 20 |
Расчетные значения характеристик грунта

,
c и

для расчетов по несущей способности обозначаются

,
cI и

, а для расчетов по деформациям -

,
cII и

. Определение расчетных характеристик грунта производится по методике, изложенной в
прил. 1 СНиП II-15-74.
В расчетах по деформациям оснований зданий и сооружений II - IV класса нормативные значения угла внутреннего трения

, удельного сцепления
cн и модуля деформации
Eн допускается принимать по
табл. 4,
5 и
6 (
табл. 1,
2 и
3 прил. 2 СНиП II-15-74), причем расчетные значения принимаются в этом случае равными нормативным, т.е.

;
cII =
cн;

. Модуль деформации
E принимается равным
Eн.
3.8. (3.50 СНиП II-15-74). При расчете деформаций основания с использованием расчетных схем, указанных в п. 3.49 СНиП II-15-74, среднее давление на основание под подошвой фундамента от нагрузок, подсчитанных в соответствии с требованиями п. 2.1 (3.7 СНиП II-15-74), не должно превышать расчетного давления на основание R, тс/м2, определяемого по формуле
где m1 и m2 - соответственно коэффициент условий работы грунтового основания и коэффициент условий работы здания или сооружения во взаимодействии с основанием, принимаемые по табл. 2 (17) и указаниям п. 3.51 СНиП II-15-74;
kн - коэффициент надежности, принимаемый в зависимости от метода определения расчетных характеристик грунта; по результатам непосредственных испытаний образцов грунта строительной площадки
kн = 1; по косвенным данным с использованием статистически обоснованных таблиц (например, приведенных в
прил. 2 СНиП II-15-74)
kн = 1,1;
A, B и D - безразмерные коэффициенты, принимаемые по табл. 3 (16 СНиП II-15-74) в зависимости от расчетного значения угла внутреннего трения
, определяемого по указаниям пп. 3.10 - 3.16 СНиП II-15-74;
b - меньшая сторона (ширина) подошвы фундамента, м;
h - глубина заложения фундамента от уровня планировки срезкой или подсыпкой, м;
- осредненное по слоям расчетное значение объемного веса грунта, залегающего выше отметки заложения фундамента, тс/м3;
- то же, но залегающего ниже подошвы фундамента, тс/м3;
cII - расчетное значение удельного сцепления грунта, залегающего непосредственно под подошвой фундамента, тс/м2;
h0 - глубина до пола подвала, м; при отсутствии подвала принимаемая h0 = 0;
h0 = h - hп, (5)
hп - приведенная глубина заложения фундамента от пола подвала в помещении с подвалом, определяемая по формуле
h1 - толщина слоя грунта выше подошвы фундамента, м;
h2 - толщина конструкции пола подвала, м;
- средневзвешенное расчетное значение объемного веса конструкции пола подвала, принимаемое равным нормативному значению, тс/м3.
Примечания: 1. Формулу 4 (17) допускается применять при любой форме фундаментов в плане. Для подошвы фундамента в форме круга или правильного многоугольника значение b принимается равным
, где F - площадь подошвы фундамента.
2. При глубине заложения фундамента менее 1 м для вычисления R в формулу 4 (17) подставляется h = 1 м, кроме случая, когда основанием являются водонасыщенные пылеватые пески и глинистые грунты с консистенцией IL > 0,5, при котором глубина заложения принимается фактическая, от уровня планировки.
3. При ширине подвала более 20 м и глубине более 2 м глубина заложения фундамента h принимается равной hп (глубине, исчисляемой от пола подвала).
4. Определение расчетного давления для оснований, сложенных рыхлыми песками, должно выполняться на основе специальных исследований.
Таблица 2 (
17 СНиП II-15-74)
Виды грунтов | Коэффициент m1 | Коэффициент m2 для зданий и сооружений с жесткой конструктивной схемой при отношении длины здания (сооружения) или его отсека к его высоте L/H, равном: |
4 и более | 1,5 и менее |
Крупнообломочные грунты с песчаным заполнителем и песчаные грунты, кроме мелких и пылеватых | 1,4 | 1,2 | 1,4 |
Пески мелкие: | | | |
сухие и маловлажные | 1,3 | 1,1 | 1,3 |
насыщенные водой | 1,2 | 1,1 | 1,3 |
Пески пылеватые: | | | |
сухие и маловлажные | 1,2 | 1 | 1,2 |
насыщенные водой | 1,1 | 1 | 1,2 |
Крупнообломочные грунты с глинистым заполнителем и глинистые грунты с консистенцией IL <= 0,5 | 1,2 | 1 | 1,1 |
То же, с консистенцией IL > 0,5 | 1,1 | 1 | 1 |
Примечания: 1. С жесткой конструктивной схемой считаются здания и сооружения, конструкции которых специально приспособлены к восприятию дополнительных усилий от деформаций основания путем применения мероприятий, указанных в п. 3.88 СНиП II-15-74.
2. Для зданий с гибкой конструктивной схемой значение коэффициента m2 принимается равным единице.
3. При промежуточных значениях отношения длины здания (сооружения) к его высоте значение коэффициента m2 определяется интерполяцией.
Таблица 3 (
16 СНиП II-15-74)
Расчетное значение угла внутреннего трения , град | Коэффициенты |
A | B | D |
0 | 0,00 | 1,00 | 3,14 |
2 | 0,03 | 1,12 | 3,32 |
4 | 0,06 | 1,25 | 3,51 |
6 | 0,10 | 1,39 | 3,71 |
8 | 0,14 | 1,55 | 3,93 |
10 | 0,18 | 1,73 | 4,17 |
12 | 0,23 | 1,94 | 4,42 |
14 | 0,29 | 2,17 | 4,69 |
16 | 0,36 | 2,43 | 5,00 |
18 | 0,43 | 2,72 | 5,31 |
20 | 0,51 | 3,06 | 5,66 |
22 | 0,61 | 3,44 | 6,04 |
24 | 0,72 | 3,87 | 6,45 |
26 | 0,84 | 4,37 | 6,90 |
28 | 0,98 | 4,93 | 7,40 |
30 | 1,15 | 5,59 | 7,95 |
32 | 1,34 | 6,35 | 8,55 |
34 | 1,55 | 7,21 | 9,21 |
36 | 1,81 | 8,25 | 9,98 |
38 | 2,11 | 9,44 | 10,80 |
40 | 2,46 | 10,84 | 11,73 |
42 | 2,87 | 12,50 | 12,77 |
44 | 3,37 | 14,48 | 13,96 |
45 | 3,66 | 15,64 | 14,64 |
3.9. (3.53 СНиП II-15-74). Если грунт, расположенный вокруг фундамента и пригружающий основание, является песчаным, то при уровне грунтовых вод выше подошвы фундамента расчетное давление R по формуле 4 (17) должно вычисляться при объемном весе этого грунта
с учетом взвешивающего действия воды.
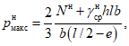
3.10. Наибольшее давление на грунт у края подошвы внецентренно нагруженного фундамента не должно быть более 1,2
R, наибольшее давление на грунт в угловой точке при действии изгибающих моментов в двух направлениях не должно быть более 1,5
R, где
R - расчетное давление на основание, определяемое в соответствии с требованиями
пп. 3.8 -
3.9.
3.11. При расчете центрально нагруженных фундаментов (
рис. 2,
а) давление на грунт под подошвой фундамента определяется, по формуле

(7)
При расчете внецентренно нагруженных фундаментов (
рис. 2,
б,
в) краевые давления на грунт под подошвой фундамента определяются по формулам

(8)

(9)
Для фундаментов зданий, оборудованных мостовыми кранами грузоподъемностью 75 т и выше, а также для фундаментов открытых крановых эстакад при кранах грузоподъемностью свыше 15 т или при расчетном давлении на основание
R < 1,5 кгс/см
2 рекомендуется принимать трапециевидную эпюру давлений на грунт с отношением

(
рис. 2,
б).
Таблица 4 (
табл. 1 прил. 2 СНиП II-15-74)
Нормативные значения удельных сцеплений cн, кгс/см2,
углов внутреннего трения
, град, и модулей деформации E,
кгс/см2, песчаных грунтов (независимо от происхождения,
возраста и влажности)
Виды песчаных грунтов | Обозначение характеристик грунтов | Характеристики грунтов при коэффициенте пористости e, равном |
0,45 | 0,55 | 0,65 | 0,75 |
Пески гравелистые и крупные | cн | 0,02 | 0,01 | - | - |
| 43 | 40 | 38 | - |
E | 500 | 400 | 300 | - |
Пески средней крупности | cн | 0,03 | 0,02 | 0,01 | - |
| 40 | 38 | 35 | - |
E | 500 | 400 | 300 | - |
Пески мелкие | cн | 0,06 | 0,04 | 0,02 | - |
| 38 | 36 | 32 | 28 |
E | 480 | 380 | 280 | 180 |
Пески пылеватые | cн | 0,08 | 0,06 | 0,04 | 0,02 |
| 36 | 34 | 30 | 26 |
E | 390 | 230 | 180 | 110 |
В остальных случаях для фундаментов зданий с мостовыми кранами допускается треугольная эпюра давления на грунт при
pмин = 0 (см.
рис. 2,
в).
Для фундаментов бескрановых зданий и зданий с подвесным транспортным оборудованием допускается треугольная эпюра давлений с нулевой ординатой на расстоянии
1/
4 размера подошвы фундамента от наименее нагруженного ребра (
рис. 2,
г). Требования, ограничивающие допустимую форму эпюры давления на грунт, относятся к любым основным сочетаниям нагрузок.
В случае неполного касания подошвы фундамента (см.
рис. 2,
г) величина наибольшего краевого давления вычисляется по формуле

(10)
где

(11)
при этом должно быть соблюдено условие

(12)
Таблица 5 (
табл. 2 прил. 2 СНиП II-15-74)
Нормативные значения удельных сцеплений cн, кгс/см2,
и углов внутреннего трения
, град, глинистых грунтов
четвертичных отложений
Виды глинистых грунтов и пределы нормативных значений их консистенции | Обозначения характеристик грунтов | Характеристики грунтов при коэффициенте пористости e, равном |
0,45 | 0,55 | 0,65 | 0,75 | 0,85 | 0,95 | 1,05 |
Супеси | 0 <= IL <= 0,25 | cн | 0,15 | 0,11 | 0,08 | - | - | - | - |
| 30 | 29 | 27 | - | - | - | - |
0,25 < IL <= 0,75 | cн | 0,13 | 0,09 | 0,06 | 0,03 | - | - | - |
| 28 | 26 | 24 | 21 | - | - | - |
Суглинки | 0 <= IL <= 0,25 | cн | 0,47 | 0,37 | 0,31 | 0,25 | 0,22 | 0,19 | - |
| 26 | 25 | 24 | 23 | 22 | 20 | - |
0,25 < IL <= 0,5 | cн | 0,39 | 0,34 | 0,28 | 0,23 | 0,18 | 0,15 | - |
| 24 | 23 | 22 | 21 | 19 | 17 | - |
0,5 < IL <= 0,75 | cн | - | - | 0,25 | 0,20 | 0,16 | 0,14 | 0,12 |
| - | - | 19 | 18 | 16 | 14 | 12 |
Глины | 0<= IL <= 0,25 | cн | - | 0,81 | 0,68 | 0,54 | 0,47 | 0,41 | 0,36 |
| - | 21 | 20 | 19 | 18 | 16 | 14 |
0,25 < IL <= 0,5 | cн | - | - | 0,57 | 0,50 | 0,43 | 0,37 | 0,32 |
| - | - | 18 | 17 | 16 | 14 | 11 |
0,5 < IL <= 0,75 | cн | - | - | 0,45 | 0,41 | 0,36 | 0,33 | 0,29 |
| - | - | 15 | 14 | 12 | 10 | 7 |
Таблица 6 (
табл. 3 прил. 2 СНиП II-15-74)
Нормативные значения модулей деформации
глинистых грунтов E, кгс/см2
Происхождение и возраст глинистых грунтов | Наименование видов глинистых грунтов и пределы нормативных значений их консистенции | Модули деформации грунтов E при коэффициенте пористости е, равном |
0,35 | 0,45 | 0,55 | 0,65 | 0,75 | 0,85 | 0,95 | 1,05 | 1,2 | 1,4 | 1,6 |
Четвертичные отложения | Аллювиальные | Супеси | 0 <= IL <= 0,75 | - | 320 | 240 | 160 | 100 | 70 | - | - | - | - | - |
Делювиальные | Суглинки | 0 <= IL <= 0,25 | - | 340 | 270 | 220 | 170 | 140 | 110 | - | - | - | - |
Озерные | 0,25 < IL <= 0,5 | - | 320 | 250 | 190 | 140 | 110 | 80 | - | - | - | - |
Озерно-аллювиальные | 0,50 < IL <= 0,75 | - | - | - | 170 | 120 | 80 | 60 | 50 | - | - | - |
| Глины | 0 <= IL <= 0,25 | - | - | 280 | 240 | 210 | 180 | 150 | 120 | - | - | - |
0,25 < IL <= 0,5 | - | - | - | 210 | 180 | 150 | 120 | 90 | - | - | - |
0,5 < IL <= 0,75 | - | - | - | - | 150 | 120 | 90 | 70 | - | - | - |
Флювиогляциальные | Супеси | 0 <= IL <= 0,75 | - | 330 | 240 | 170 | 110 | 70 | - | - | - | - | - |
Суглинки | 0 <= IL <= 0,25 | - | 400 | 330 | 270 | 210 | - | - | - | - | - | - |
0,25 < IL <= 0,5 | - | 350 | 280 | 220 | 170 | 140 | - | - | - | - | - |
0,5 < IL <= 0,75 | - | - | - | 170 | 130 | 100 | 70 | - | - | - | - |
Моренные | Супеси Суглинки | IL <= 0,5 | 750 | 550 | 450 | - | - | - | - | - | - | - | - |
Юрские отложения оксфордского яруса | Глины | -0,25 <= IL <= 0 | - | - | - | - | - | - | 270 | 250 | 220 | - | - |
0 < IL <= 0,25 | - | - | - | - | - | - | 240 | 220 | 190 | 150 | - |
0,25 < IL <= 0,5 | - | - | - | - | - | - | - | - | 160 | 120 | 100 |
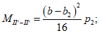
3.12. При расчете внецентренно нагруженных фундаментов с моментами в двух направлениях
(рис. 3) давление в угловой точке определяется по формуле

(13)
Рис. 3. Эпюры давления на грунт внецентренно нагруженного
фундамента с моментами в двух направлениях
3.13. При действии сплошной равномерно распределенной нагрузки на полы интенсивностью
q >= 0,2 кгс/см
2 (рис. 4) давление на грунт под подошвой фундамента определяется по следующим формулам
для центрально нагруженного фундамента

(14)
для внецентренно нагруженного фундамента краевые давления

(15)

(16)
Рис. 4. Расчетная схема фундамента при действии
сплошной равномерно распределенной нагрузки
3.14. При действии местной равномерно распределенной нагрузки интенсивностью
q >= 0,2 кгс/см
2 в виде полосы шириной
b0, м
(рис. 5), среднее давление на грунт под подошвой фундамента, а также краевые давления в точках
A и
B возрастают на величину
qkq. Коэффициент
kq принимается по
табл. 7 в зависимости от отношений
z1/
b0 и
y/
b0, где
z1 и
y - координаты рассматриваемой точки подошвы фундамента.
Рис. 5. Расчетная схема фундамента при действии
местной равномерно распределенной нагрузки в виде полосы
Отношение z1/b0 | Величина давления на грунт в долях от интенсивности равномерно распределенной нагрузки q при y/b0 |
0 | 0,25 | 0,5 | 1 | 1,5 | 2 |
0 | 1 | 1 | 0,5 | 0 | 0 | 0 |
0,25 | 0,96 | 0,9 | 0,5 | 0,02 | 0 | 0 |
0,5 | 0,82 | 0,74 | 0,48 | 0,08 | 0,02 | 0 |
0,75 | 0,67 | 0,61 | 0,45 | 0,15 | 0,04 | 0,02 |
1 | 0,55 | 0,51 | 0,41 | 0,19 | 0,07 | 0,03 |
1,25 | 0,46 | 0,44 | 0,37 | 0,2 | 0,1 | 0,04 |
1,5 | 0,4 | 0,38 | 0,33 | 0,21 | 0,11 | 0,06 |
1,75 | 0,35 | 0,34 | 0,30 | 0,21 | 0,13 | 0,07 |
2 | 0,31 | 0,31 | 0,28 | 0,20 | 0,13 | 0,08 |
3 | 0,21 | 0,21 | 0,2 | 0,17 | 0,135 | 0,1 |
4 | 0,16 | 0,16 | 0,15 | 0,14 | 0,12 | 0,1 |
5 | 0,13 | 0,13 | 0,12 | 0,12 | 0,11 | 0,09 |
6 | 0,11 | 0,1 | 0,1 | 0,1 | 0,1 | 0,09 |
3.15. При глубине заложения подошвы фундамента больше 3 м от уровня чистого пола при условии выполнения технических требований производства работ по обратной засыпке грунта допускается при расчете оснований и фундаментов учитывать боковой отпор грунта.
3.16. (3.70 СНиП II-15-74). Расчет оснований по деформациям считается удовлетворенным, если фактическое среднее давление на грунт под фундаментами проектируемых зданий или сооружений не превышает расчетного давления на основание и выполняется одно из следующих условий:
б) геологические условия площадки строительства отвечают области применения типового проекта по
подпункту "в" п. 3.67 СНиП II-15-74;
в) если здания, перечисленные в
табл. 8 (
19 СНиП II-15-74), возводятся на грунтах, указанных в этой же таблице и сгруппированных в семи вариантах грунтовых условий.
Таблица 8 (
19 СНиП II-15-74)
Виды зданий | Перечень вариантов грунтовых условий, когда допускается не выполнять расчет осадок для зданий, перечисленных в графе 1 |
1 | 2 |
А. Производственные здания промышленных предприятий 1. Одноэтажные с несущими конструкциями, малочувствительными к неравномерным осадкам (например, стальной или железобетонный каркас на отдельных фундаментах при шарнирном опирании ферм, ригелей и т.п.), и с мостовыми кранами грузоподъемностью до 50 т включительно 2. Многоэтажные до 6 этажей включительно с сеткой колонн не более 6 x 9 м Б. Жилые и общественные здания 1. Прямоугольной формы в плане без перепадов по высоте с полным каркасом и бескаркасные с несущими стенами из кирпича, крупных блоков или панелей: а) протяженные многосекционные высотой до 9 этажей включительно; б) несблокированные башенного типа высотой до 14 этажей включительно В. Сельскохозяйственные производственные здания и сооружения Одно- и многоэтажные независимо от конструктивной схемы и формы в плане | | 1. Крупнообломочные грунты при содержании песчаного заполнителя менее 40% и глинистого менее 30% 2. Пески любой крупности, кроме пылеватых, плотные и средней плотности 3. Пески любой крупности, только плотные 4. Пески любой крупности, только средней плотности 5. Супеси, суглинки и глины при консистенции IL < 0,5 и коэффициенте пористости e в диапазоне 0,4 - 0,9 6. То же, что в п. 5 при коэффициенте пористости e = 0,5 - 1 7. Песчаные грунты при e < 0,7 в сочетании с глинистыми грунтами моренного происхождения при e < 0,7 и IL < 0,5, независимо от порядка их залегания |
а) при горизонтальном, выдержанном по толщине, залегании в основании зданий и сооружений отдельных слоев, состоящих из грунтов, перечисленных в настоящей таблице (уклон не более 0,1);
б) если ширина отдельных ленточных фундаментов под несущие конструкции или площадь отдельных столбчатых фундаментов отличается не более, чем в 2 раза;
в) для зданий и сооружений иного назначения, чем указано в таблице, при аналогичных с ними конструкциях, нагрузках и грунтах, сжимаемость которых не превышает сжимаемости грунтов, приведенных в таблице.
2. Табл. 8 (19) не распространяется на производственные здания с нагрузками на полы более 2 тс/м2.
3.17. Размеры подошвы фундаментов для зданий и сооружений, оговоренных в
табл. 8 (
19 СНиП II-15-74), определяются в такой последовательности:
а) По данным результатов исследования грунтов или по
табл. 4,
5,
6 (
табл. 1,
2,
3 прил. 2 СНиП II-15-74) устанавливаются нормативные характеристики механических свойств грунтов основания

,
cн,
E. Расчетные значения

,
cII,
E принимаются равными нормативным.
б) В соответствии с
табл. 18,
19 (
табл. 1,
2 прил. 4 СНиП II-15-74) назначается условное расчетное давление на основание
R0.
Примечание. Для зданий III и IV класса сооружений при выполнении требований
п. 3.59 СНиП II-15-74 допускается использовать условное расчетное давление на основание
R0 для назначения окончательных размеров фундаментов. При этом необходимо учитывать положения
п. 2 прил. 4 СНиП II-15-74.
в) Для заданной глубины заложения фундамента, выбранной по таблицам условной величины расчетного давления на основание R0 и заданного отношения меньшей стороны фундамента к большей (величины m), определяются размеры подошвы фундамента b и l:
для центрально нагруженного фундамента

(17)
для внецентренно нагруженного фундамента, а также для внецентренно нагруженного фундамента с моментами в двух направлениях - по графикам
рис. 57 и
58.
г) Для полученного значения
b, заданной глубины заложения фундамента и механических свойств грунтов определяется величина расчетного давления на основание
R из
условия 4 (
17 СНиП II-15-74). Расчетное давление на основание
R можно найти также по графикам
рис. 56.
Имея величину R, определяют размеры подошвы фундамента b и l.
д) Проверяется величина
b: при разности между первоначальным значением и полученной величиной
b порядка 3%, размеры фундамента не пересчитываются.
В ином случае указанный расчет производится повторно. Для последующей подстановки задаются вычисленной из предыдущей подстановки величиной b. Обычно после второй подстановки получаем необходимые размеры подошвы фундамента.
Примечание. Для внецентренно нагруженного фундамента при малых значениях эксцентриситета, когда

(19)
размеры подошвы фундамента следует определять, как для центрально нагруженного фундамента по
формулам (17) и
(18).
3.18. Для фундаментов зданий и сооружений, на которые не распространяется
табл. 8 (
19 СНиП II-15-74), производится проверка совместной деформации основания и здания или сооружения в соответствии с
пп. 3.42 -
3.69 и
прил. 3 СНиП II-15-74. При этом глубина сжимаемой толщи основания для расчетной схемы основания в виде линейно деформируемого полупространства (при грунтах с модулем деформации
E < 1000 кгс/см
2 при фундаментах шириной
b <= 10 м) может быть определена по графику
рис. 59, дополнительное (к природному) давление в грунте
pоz в горизонтальном сечении, расположенном на глубине
z ниже подошвы фундамента, - по графику
рис. 60.
Полученные величины деформаций основания фундаментов зданий и сооружений не должны превышать предельных значений, указанных в
табл. 1 (
18 СНиП II-15-74).
3.19. При определении осадки фундамента с учетом действия сплошной равномерно распределенной нагрузки на полы интенсивностью
q (кгс/см
2) принимается расчетная схема распределения давления на горизонтальных сечениях в грунте ниже подошвы фундамента, как показано на
рис. 6.
Рис. 6. Расчетная схема распределения давления
на горизонтальных сечениях в грунте ниже подошвы
фундамента при действии сплошной равномерно
распределенной нагрузки
1 - отметка планировки,
2 - отметка поверхности природного рельефа,
3 - отметка основания, 4 - нижняя граница сжимаемой толщи
3.20. При определении осадки фундамента с учетом действия местной равномерно распределенной полосовой нагрузки на полы (см.
рис. 5) эпюра распределения напряжений от действия местной равномерно распределенной нагрузки на полы интенсивностью
q, кгс/см
2, в виде полосы шириной
bо изменяется по закону
qkq и суммируется с эпюрой распределения напряжений от нагрузки, передаваемой через фундамент и определяемой по
прил. 3 СНиП II-15-74.
3.21. Для уменьшения неравномерности эпюры давления на грунт под подошвой внецентренно нагруженного фундамента допускается осуществлять смещение оси фундамента с оси колонны. При расчетной величине смещения менее 100 мм фундамент проектируется симметричным.
3.22. При расчете оснований складов с высокими штабелями сыпучих или комковых материалов по несущей способности следует проверять устойчивость оснований штабелей сыпучих материалов. Расчет основания и штабеля производится совместно. При этом допускается принимать, что потеря устойчивости происходит в форме скольжения части тела штабеля и основания по круглоцилиндрической поверхности и определяется графоаналитическим методом.
(3.79 СНиП II-15-74). Для определения несущей способности оснований этим методом должны находиться положение центра и величина радиуса наиболее опасной окружности, объемлющей сдвигаемую часть грунта оснований. Несущая способность основания считается обеспеченной, если отношение момента сил, препятствующих сдвигу по выбранной поверхности скольжения, к моменту сдвигающих сил не менее 1,2.
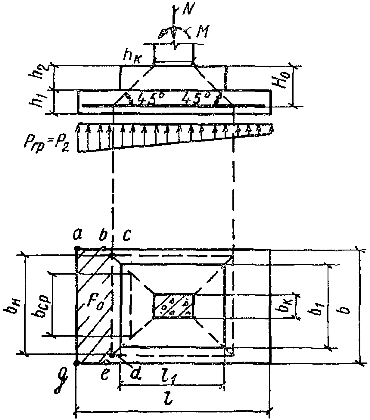
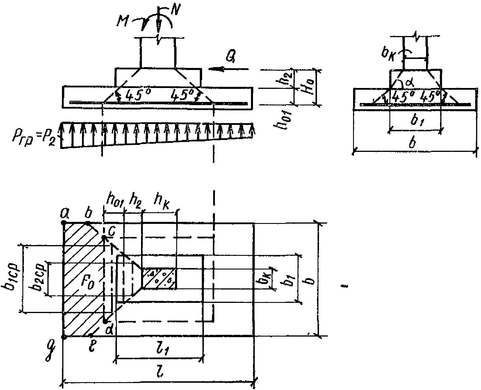
Расчет на продавливание при монолитном сопряжении колонны или подколонника с плитной частью фундамента
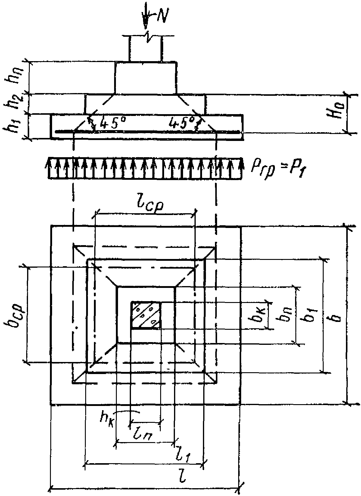
4.1. Расчет на продавливание плитной части центрально нагруженных квадратных железобетонных фундаментов производится из условия
где P - расчетная продавливающая сила;
k - коэффициент, принимаемый равным 1 при монолитном сопряжении колонны с плитной частью фундамента;
bср - среднее арифметическое величин периметров верхнего и нижнего основания пирамиды, образующейся при продавливании, в пределах рабочей высоты сечения H0
bср = 2(bк + hк + 2H0). (21)
При определении величин
bср и
P предполагается, что продавливание происходит по боковой поверхности пирамиды, боковые стороны которой наклонены под углом 45° к горизонтали
(рис. 7).
Рис. 7. Схема образования пирамиды продавливания
в центрально нагруженных квадратных
железобетонных фундаментах
Величина продавливающей силы
P принимается равной величине нормальной силы
N, действующей на пирамиду продавливания (в сечении колонны или подколонника у верха плитной части фундамента), за вычетом величины реактивного давления грунта, приложенного к

основанию пирамиды продавливания (считая до плоскости расположения растянутой арматуры).
4.2. Расчет на продавливание центрально нагруженных прямоугольных, а также внецентренно нагруженных квадратных и прямоугольных железобетонных фундаментов
(рис. 8) производится в соответствии с
п. 4.1; при этом величина силы
P и средний периметр пирамиды продавливания
bср в
формуле 20 принимаются равными:

(23)
где F0 - площадь, многоугольника abcdeg
F0 = 0,5b(l - hк - 2H0) - 0,25(b - bк - 2H0)2; (24)
если
b - bк < 2H0, то bср = 0,5(b + bк), (25)
F0 = 0,5
b(
l -
hк - 2
H0), (26)
где bк - размер сечения колонны, являющийся верхней стороной одной грани пирамиды продавливания;
bн - нижняя сторона одной грани пирамиды продавливания на уровне растянутой арматуры;
pгр - наибольшее краевое давление на грунт от расчетной нагрузки без учета веса фундамента и грунта на его уступах;
при центрально нагруженном фундаменте

(27)
при внецентренно нагруженном фундаменте

(28)
Рис. 8. Схема образования пирамиды продавливания
в центрально нагруженных прямоугольных, а также внецентренно
нагруженных квадратных и прямоугольных фундаментах
4.3. В центрально нагруженных, а также внецентренно нагруженных квадратных и прямоугольных фундаментах, когда высота подколонника

, проверку на продавливание следует производить от нижнего обреза подколонника (
рис. 9,
10).
Рис. 9. Схема образования пирамиды продавливания
в центрально нагруженных квадратных железобетонных
фундаментах при высоте подколонника

Рис. 10. Схема образования пирамиды продавливания
в центрально нагруженных прямоугольных, а также внецентренно
нагруженных квадратных и прямоугольных фундаментах
при высоте подколонника

4.4. Рабочую высоту
H0 центрально нагруженных, а также внецентренно нагруженных квадратных и прямоугольных фундаментов можно определить по графику
рис. 61, составленному на основании
формулы (20).
4.5. В прямоугольных железобетонных фундаментах с верхней ступенью, одна из сторон которой
l1 >
hк + 2
h2, а другая
b1 <
bк + 2
h2 (рис. 11), расчет на продавливание производится из условия
P <= Rр(h01b1 ср + h2b2 ср). (29)
Рис. 11. Схема образования пирамиды продавливания
в прямоугольных железобетонных фундаментах с верхней
ступенью с размерами, при которых одна из сторон ступени
l1 > hк + 2h2, а другая - b1 < bк + 2h2
Величина силы
P определяется по
формуле (22), величины
b1 ср и
b2 ср принимаются равными:
b1 ср = b1 + h01; (30)

(31)
здесь F0 - площадь многоугольника abcdeg, равна:
F0 = 0,5b(l - hк - 2H0) - 0,25(b - b1 - 2h01)2, (32)
где
h01 - рабочая высота нижней ступени фундамента. Если
b -
b1 < 2
h01, то
F0 определяется по
формуле (26).
4.6. Расчет на продавливание прямоугольных железобетонных фундаментов, имеющих в двух направлениях разное число ступеней
(рис. 12), производится из условия
P <= Rр[H0 - h3)b1 ср + h3bк]. (33)
Рис. 12. Схема образования пирамиды продавливания
в прямоугольных железобетонных фундаментах, имеющих
в двух направлениях разное число ступеней
Величина силы
P определяется по
формуле (22), величина
b1 ср принимается равной:
b1 ср = bк + (H0 - h3), (34)
где F0 - площадь многоугольника abcdeg, равная:
F0 = 0,5b(l - hк - 2H0) - 0,25[b - bк - 2(H0 - h3)]2. (35)
Если
b -
bк < 2(
H0 -
h3), то
F0 определяется по
формуле (26).
4.7. Высота ступеней назначается в зависимости от полной высоты плитной части фундамента в соответствии с
табл. 9.
Высота плитной части фундамента H, см | Высота ступени, см |
h1 | h2 | h3 |
30 | 30 | - | - |
45 | 45 | - | - |
60 | 30 | 30 | - |
75 | 30 | 45 | - |
90 | 30 | 30 | 30 |
105 | 30 | 30 | 45 |
120 | 30 | 45 | 45 |
150 | 45 | 45 | 60 |
Вынос нижней ступени фундамента
c1 (рис. 13) определяется расчетом на продавливание из условия
P <= Rрh01b1 ср. (36)
Рис. 13. Схема образования пирамиды продавливания в нижней
ступени прямоугольных железобетонных фундаментов
Величина силы P и величина b1 ср принимаются равными:
P = F01pгр; (37)
b1 ср = b1 + h01, (38)
где F01 - площадь многоугольника a1b1c1d1e1g1, равная:
F01 = 0,5b(l - l1 - 2h01) - 0,25(b - b1 - 2h01)2. (39)
Если b - b1 < 2h01, то F01 = 0,5b(l - l1 - 2h01). (40)
Вынос нижней ступени
c1 принимается не больше величин, указанных в
табл. 10.
Давление на грунт pгр, кгс/см2 | Величина коэффициента k при марке бетона |
| | | |
М 150 | М 200 | М 300 | М 150 | М 200 | М 300 | М 150 | М 200 | М 300 | М 150 | М 200 | М 300 |
1,5 | 3 | 3 | 3 | 3 | 3 | 3 | 3 | 3 | 3 | 3 | 3 | 3 |
2 | 3 | 3 | 3 | 3 | 3 | 3 | 3 | 3 | 3 | 2,9 ---- 3 | 3 | 3 |
2,5 | 3 | 3 | 3 | 3 | 3 | 3 | 3 | 3 | 3 | 2,5 ---- 2,6 | 2,8 ---- 3 | 3 |
3 | 3 | 3 | 3 | 3 | 3 | 3 | 2,7 ---- 2,8 | 3 | 3 | 2,3 ---- 2,4 | 2,5 ---- 2,6 | 3 |
3,5 | 2,8 ---- 3 | 3 | 3 | 2,7 ---- 2,9 | 3 | 3 | 2,4 ---- 2,6 | 2,9 ---- 2,7 | 3 | 2,1 ---- 2,2 | 2,3 ---- 2,4 | 2,7 ---- 2,9 |
4 | 2,6 ---- 2,7 | 2,9 ---- 3 | 3 | 2,5 ---- 2,7 | 2,8 ---- 3 | 3 | 2,3 ---- 2,4 | 2,5 ---- 2,7 | 3 | 2 | 2,1 ---- 2,2 | 2,5 ---- 2,6 |
4,5 | 2,4 ---- 2,5 | 2,7 ---- 2,8 | 3 | 2,3 ---- 2,5 | 2,6 ---- 2,7 | 3 | 2,1 ---- 2,2 | 2,3 ---- 2,5 | 2,8 ---- 3 | 1,9 | 2 ---- 2,1 | 2,3 ---- 2,5 |
5 | 2,3 ---- 2,4 | 2,5 ---- 2,7 | 3 | 2,2 ---- 2,3 | 2,4 ---- 2,6 | 3 | 2 ---- 2,1 | 2,2 ---- 2,3 | 2,6 ---- 2,8 | 1,8 | 1,9 ---- 2 | 2,2 ---- 2,3 |
5,5 | 2,2 ---- 2,3 | 2,4 ---- 2,5 | 2,8 ---- 3 | 2,1 ---- 2,2 | 2,3 ---- 2,4 | 2,7 ---- 2,9 | 1,9 ---- 2 | 2,1 ---- 2,2 | 2,5 ---- 2,6 | 1,7 | 1,8 ---- 1,9 | 2,1 ---- 2,2 |
6 | 2,1 ---- 2,2 | 2,3 ---- 2,4 | 2,7 ---- 2,8 | 2 ---- 2,1 | 2,2 ---- 2,3 | 2,6 ---- 2,8 | 1,8 ---- 1,9 | 2 ---- 2,1 | 2,3 ---- 2,5 | 1,6 ---- 1,7 | 1,7 ---- 1,8 | 2 ---- 2,1 |
Примечания: 1. Значение в знаменателе принимается при учете крановых и ветровых нагрузок при mб1 = 1,1.
2. Вынос нижней ступени фундамента c1 = k1h01.
4.8. Минимальные размеры остальных ступеней в плане определяются после установления выноса нижней ступени
c1 пересечениями линии
AB с линиями, ограничивающими высоты ступеней (
рис. 14 и
15).
Рис. 14. Минимальные размеры ступеней
при двухступенчатом фундаменте
Рис. 15. Минимальные размеры ступеней
при трехступенчатом фундаменте
Для двухступенчатого и трехступенчатого фундаментов они должны быть не менее

(43)
Окончательные размеры ступеней назначаются с учетом унификации размеров фундаментов
(п. 5.3).
Расчет на продавливание при стаканном сопряжении сборной колонны с фундаментом
4.9. Расчет на продавливание центрально и внецентренно нагруженных стаканных фундаментов квадратных и прямоугольных в плане при высоте фундамента от подошвы до дна стакана
(рис. 16), равной:

и

(45)
производится на действие только расчетной нормальной силы N в сечении колонны у обреза фундамента.
Рис. 16. Стаканный фундамент при высоте фундамента
от подошвы до дна стакана

и

Проверка фундамента по прочности на действие только нормальной силы N производится:
а) на продавливание фундамента колонной от дна стакана;
б) на раскалывание фундамента колонной.
4.10. Проверка фундамента по прочности на продавливание колонной от дна стакана от действия нормальной силы
N (рис. 17) производится из условия

(46)
где N - расчетная нормальная сила в сечении колонны у обреза фундамента;
F0 - площадь многоугольника
abcdeg (рис. 17), равная:
F0 = 0,5
b(
l -
hс - 2
h0 д) - 0,25(
b -
bс - 2
h0 д)
2; (47)
h0 д - рабочая высота дна стакана, принимаемая от дна стакана до плоскости расположения растянутой арматуры;
bс, hс - размеры меньшей и большей сторон дна стакана
Рис. 17. Схема образования пирамиды продавливания
в стаканном фундаменте от действия только нормальной силы
4.11. Проверка фундамента по прочности на раскалывание от действия нормальной силы
N (рис. 18) производится из условий:

(49)

(50)
Рис. 18. Площади вертикальных сечений
Fl и
Fb
при раскалывании стаканного фундамента от действия
только нормальной силы
где

- коэффициент трения бетона по бетону, принимаемый 0,75;
mф - коэффициент условия работы фундамента в грунте, принимаемый 1,3;
Fb,
Fl - площади вертикальных сечений фундамента в плоскостях, проходящих по осям сечения колонны параллельно соответственно сторонам
l и
b подошвы фундамента, за вычетом стакана фундамента (см.
рис. 18).
При определении величины
N по
формуле (49) 
не должна приниматься меньше 0,4, а по
формуле (50) 
не должна приниматься больше 2,5.
4.12. Из расчетов по
пп. 4.10 и
4.11 принимается

величина несущей способности фундамента.
В случае неармированного стакана фундамента
(п. 4.21) дополнительно производится расчет на продавливание внецентренно нагруженных стаканных фундаментов квадратных и прямоугольных в плане от верха стакана
(рис. 19) в соответствии с
п. 4.2. При этом значение коэффициента
k в
формуле (20) принимается равным 0,75.
Рис. 19. Схема образования пирамиды продавливания
в стаканном внецентренно нагруженном фундаменте
(квадратном и прямоугольном в плане)
в случае неармированного стакана
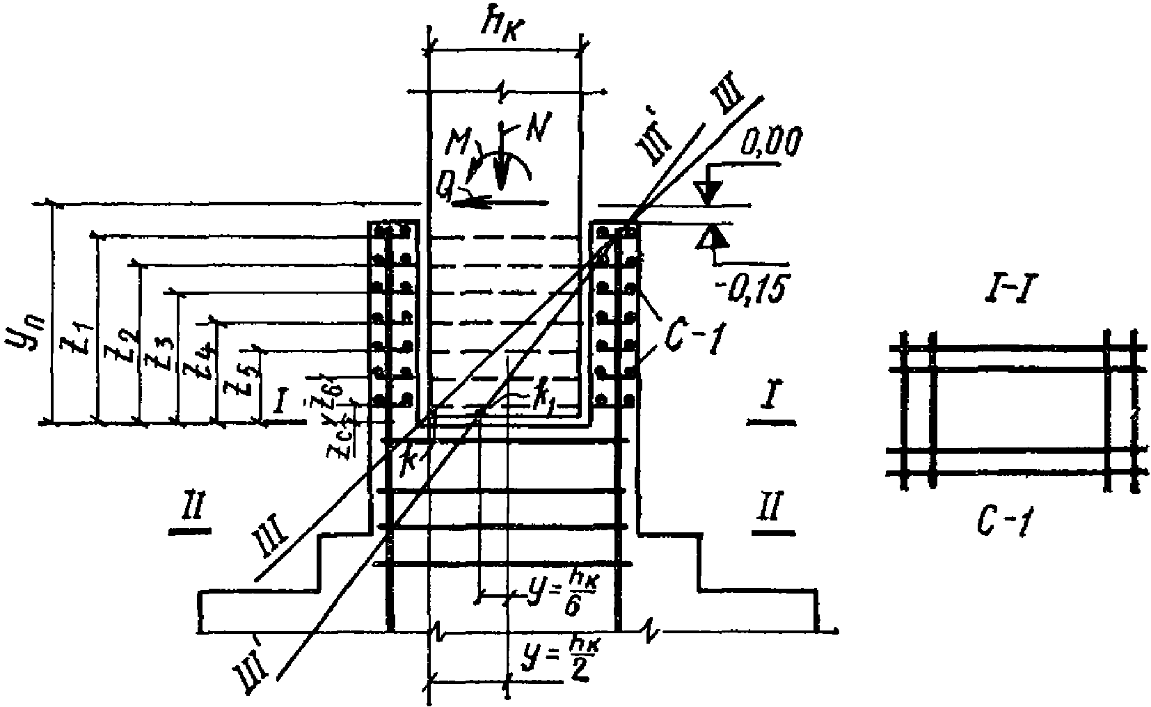
Определение сечения арматуры подошвы фундамента
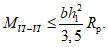
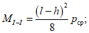
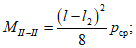
4.13. Течение рабочей арматуры определяется из расчета на изгиб консольного выступа фундамента в сечениях по грани колонны и по граням ступеней фундамента.
Сечение арматуры, параллельной стороне
l, в сечении по грани колонны
I-I (рис. 20) на 1 м ширины фундамента определяется по формуле

(51)
где

(52)
Рис. 20. Расчетные схемы для определения арматуры
подошвы фундамента
То же, по граням ступеней в сечениях
II-
II и
III-
III (см.
рис. 20) определяется по формулам

(53)
где

(54)

(55)
где

(56)
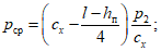
Давление на грунт p3 определяется по формуле

(57)
Коэффициент
k для сечения
I-
I по грани колонны (см.
рис. 20) равен:
Коэффициент k для сечения по граням ступеней равен:
для сечения
II-
II (см.
рис. 20)
k =
l2/
l;
для сечения
III-
III (см.
рис. 20)
k =
l1/
l.
Площадь сечения арматуры, параллельной стороне
b, в сечении по грани колонны
I'-
I' (см.
рис. 20) на 1 м длины фундамента определяется по формуле

(58)
где

(59)
То же, по граням ступеней в сечениях II'-II' и III'-III' определяется по формулам

(60)
где

(61)

(62)
где

(63)
MI-I, MII-II, MIII-III - изгибающие моменты на 1 м ширины фундамента соответственно в сечениях I-I, II-II, III-III в кгс·см; MI'-I', MII'-II', MIII'-III' - изгибающие моменты на 1 м длины фундамента соответственно в сечениях I'-I', II'-II', III'-III' в кгс·см; p1, p2, p3 - в кгс/см2; bк, hк - в см; b1, b2, l1, l2 - в см;
H0 - рабочая высота фундамента в сечении I-I в см;

- рабочая высота фундамента в сечении
I'-
I' в см;
h01 - рабочая высота нижней ступени в сечении III-III в см;

- рабочая высота нижней ступени в сечении
III'-
III' в см.
4.14. При армировании подошвы фундаментов в случае выполнения условия
анкеровка стержней рабочей арматуры не требуется; при несоблюдении
условия (64) требуется предусмотреть поперечные анкерующие стержни.
lан - длина анкеровки арматуры, равная:

(65)
где d - диаметр рабочей арматуры;
Fl треб - требуемое сечение арматуры по расчету нижней ступени на изгиб;
Fl факт - фактическое сечение арматуры на участке нижней ступени подошвы фундамента;
lб - длина участка нижней ступени, на котором прочность наклонных сечений обеспечивается бетоном, равная:

(66)
где h1 - высота нижней ступени фундамента;
pгр - краевое давление на грунт под подошвой фундамента, вычисленное по
формулам (27),
(28).
Анкерующие поперечные стержни диаметром не менее 0,5d стержней продольной арматуры должны быть приварены к стержням рабочей арматуры.
Анкеровка рабочей арматуры в подошве фундамента считается обеспеченной, если хотя бы один из поперечных стержней сетки, приваренный к рабочей продольной арматуре, располагается в пределах участка lб.
4.15. На графике
рис. 63 даны предельные значения длины участка нижней ступени фундамента
lб, на которой прочность наклонных сечений обеспечивается бетоном. График составлен по
формуле (66) для высот нижней ступени
h1 = 300, 450, 600 мм и для бетона марок М 150, М 200, М 300 кгс/см
2.
Таким образом, если имеющийся анкерующий поперечный стержень сетки расположен в пределах участка
lб, анкеровка рабочей арматуры считается обеспеченной, проверки выполнения
условия (64) не требуется. Например, для нижней ступени высотой
h1 = 300 мм при марке бетона М150 и давлении на грунт
pгр = 8 кгс/см
2 анкерующий стержень может располагаться в пределах участка
lб = 200 мм от грани подошвы фундамента.
4.16. При применении для армирования фундамента арматуры класса А-I и А-II не требуется производить проверку ширины раскрытия трещин.
Для арматуры класса А-III производится проверка ширины раскрытия трещин:
при расположении подошвы фундамента выше уровня грунтовых вод ширина кратковременного раскрытия трещин aт должна быть не более 0,4 мм, а длительного - не более 0,3 мм;
при расположении подошвы фундамента ниже уровня грунтовых вод для участков фундамента, расположенных в зоне грунтовых вод, ширина кратковременного раскрытия трещин aт должна быть не более 0,3 мм, а длительного - не более 0,2 мм.
Расчет подколонника и его стаканной части
4.17. Расчет продольной арматуры железобетонного подколонника производится по
СНиП II-21-75 на внецентренное сжатие коробчатого сечения стаканной части в плоскости заделанного торца колонны (сеч.
I-
I,
рис. 21) и на внецентренное сжатие прямоугольного сечения подколонника в сечении
II-
II (см.
рис. 21).
Рис. 21. Армирование подколонника и его стаканной части
В железобетонных внецентренно сжатых подколонниках площадь сечения арматуры с каждой стороны (A и A') должна быть не менее 0,05% от площади поперечного сечения подколонника.
Железобетонные подколонники армируются продольной и поперечной арматурой по
рис. 21.
Минимальный процент содержания арматуры A и A' во внецентренно сжатых подколонниках, несущая способность которых при расчетном эксцентриситете используется менее чем на 50%, независимо от гибкости принимается равным 0,05%.
4.18. В железобетонных подколонниках, где по расчету сжатая арматура не требуется, а количество растянутой арматуры не превышает 0,3%, допускается не устанавливать продольную и поперечную арматуру по граням, параллельным плоскости изгиба. При этом армирование по граням, перпендикулярным плоскости изгиба, производится сварными каркасами и сетками с толщиной защитного слоя бетона не менее 50 мм и не менее двух диаметров продольной арматуры (
рис. 22, б).
Рис. 22. Армирование фундаментов колонн сварными сетками
с навеской их на опалубку
а - при расчетной растянутой арматуре в одной плоскости,
б - то же, в двух плоскостях, 1 - под стальные колонны,
2 - под железобетонные колонны, 3 - анкерный болт
4.19. В бетонных подколонниках, если в сечении возникают растягивающие напряжения или сжимающие напряжения менее 10 кгс/см
2 при наибольших сжимающих напряжениях более 0,8
Rпр (напряжения определяются как для упругого тела), должно быть предусмотрено конструктивное армирование не менее 0,025% от площади поперечного сечения подколонника. В иных случаях конструктивную арматуру допускается не предусматривать.
4.20. При расчете бетонных подколонников по прочности расчетные сопротивления бетона следует умножать на коэффициенты условий работы согласно
табл. 15 СНиП II-21-75:
для бетонных конструкций mб5 = 0,9;
при бетонировании подколонников в вертикальном положении при высоте слоя бетонирования более 1,5 м mб7 = 0,85.
4.21. В фундаментах стаканного типа стенки стакана допускается не армировать при их толщине по верху более 200 мм и более 0,75 высоты верхней ступени (при глубине стакана большей, чем высота подколонника) или 0,75 глубины стакана (при глубине стакана меньшей, чем высота подколонника). При несоблюдении этих условий стенки стаканов следует армировать поперечной арматурой
(п. 5.19) в соответствии с расчетом.
Поперечная арматура подколонника
(рис. 23) в сечениях
III-
III или
III'-
III' определяется по расчету на момент от действующих сил относительно оси, проходящей через точку
k или
k' поворота колонны.
Рис. 23. Расчетная схема стаканной части подколонника
Моменты принимаются равными
при

(67)
при
Mk1 =
M +
Qyп - 0,7
Ne0. (68)
Поперечная арматура определяется из уравнений
При одинаковых диаметрах поперечной арматуры и одинаковой марке стали площадь сечения поперечной рабочей арматуры каждой сварной сетки равна
при

(69)
при

(70)
Если это необходимо по расчету, рекомендуется увеличивать диаметр стержней двух верхних сеток по сравнению с остальными сетками, диаметр стержней которых назначается в соответствии с
п. 5.19.
В случае заглубления стакана в плитную часть фундамента
(рис. 24) сечение поперечной рабочей арматуры сеток также определяется по
формулам (67),
(68), сетки поперечного армирования ставятся в пределах подколонника.
Рис. 24. Расчетная схема стаканной части подколонника
при заглублении стакана в плитную часть фундамента
В случае действия нормальной силы в пределах ядра сечения

поперечное армирование подколонника назначается конструктивно.
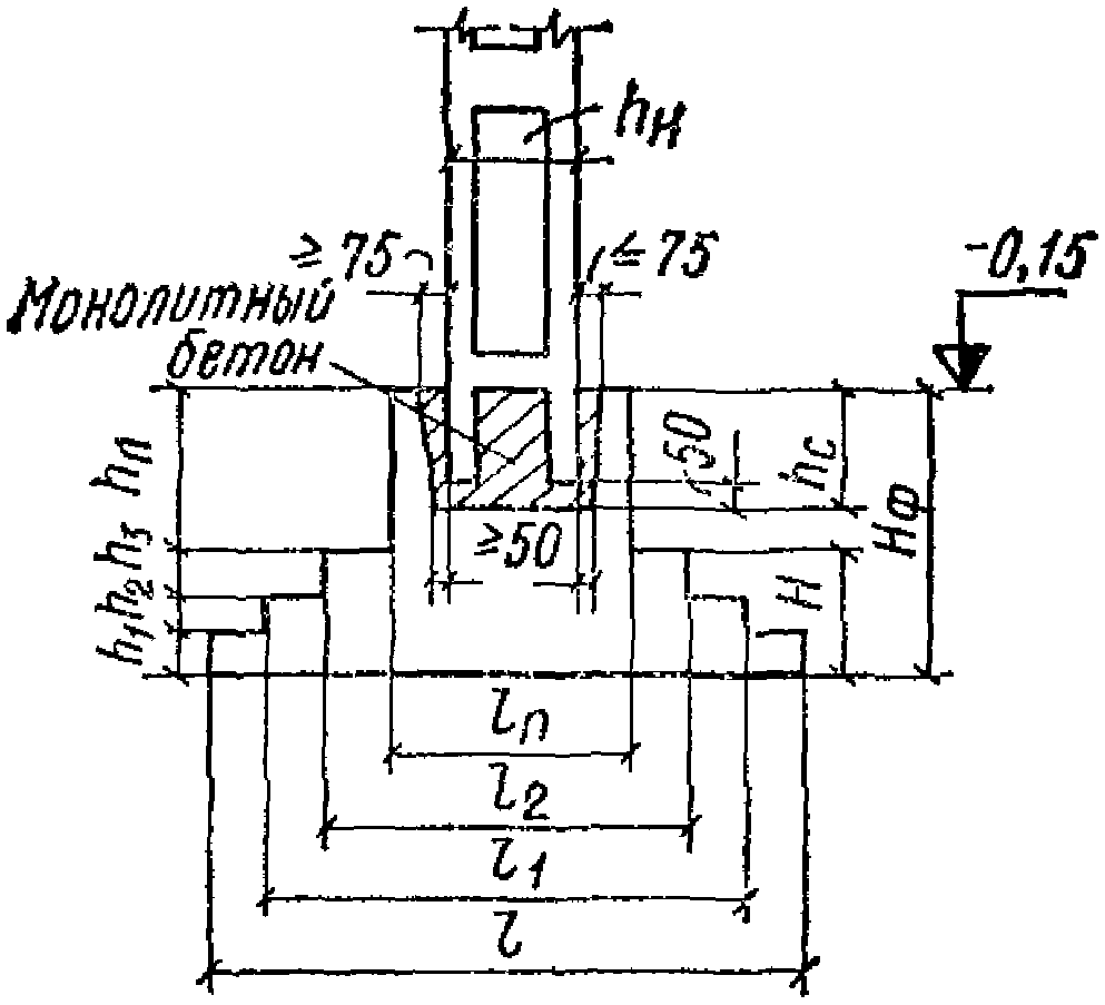
5. КОНСТРУКТИВНЫЕ УКАЗАНИЯ
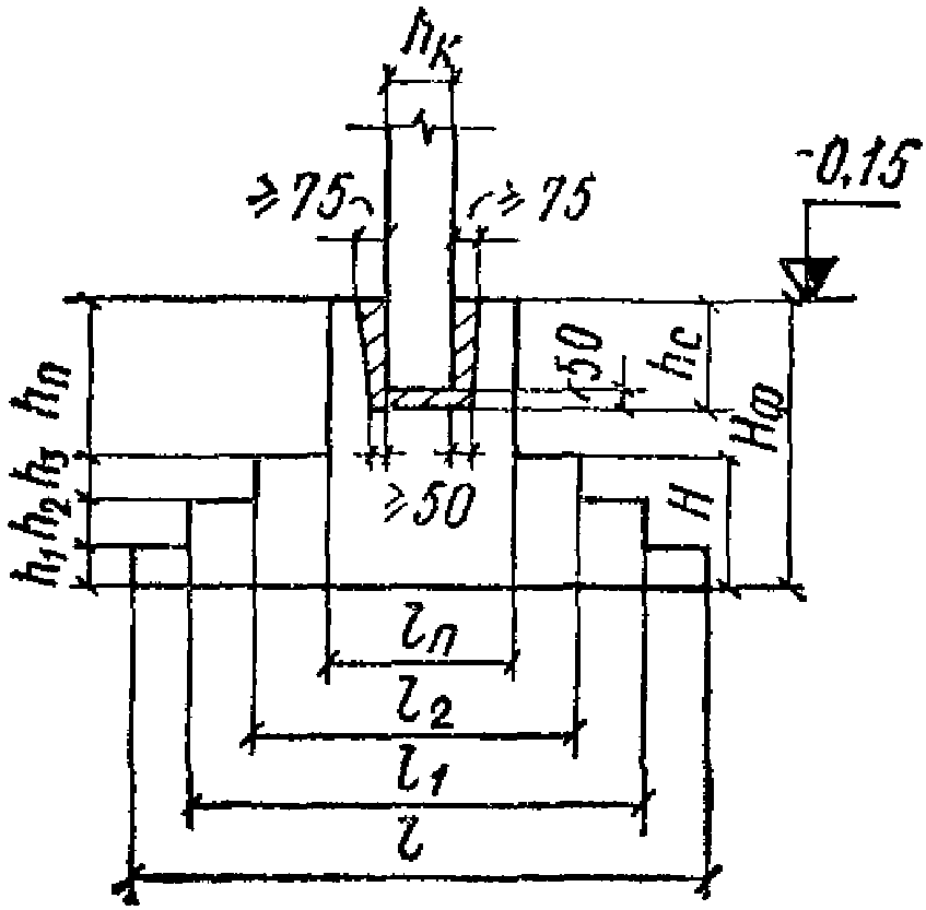
5.1. Фундаменты рекомендуется проектировать для условий выполнения работ нулевого цикла до монтажа колонн: отметка верха фундаментов принимается на 150 мм ниже отметки чистого пола зданий.
Высота фундамента
Hф назначается по условиям заглубления или условиям заделки колонн, высота плитной части фундамента
H назначается по расчету. Если высота фундамента
Hф получается больше высоты плитной части, требуемой по расчету, увеличение высоты фундамента производится за счет подколонника (
рис. 25,
26).
Рис. 25. Фундамент ступенчатого типа с подколонником
под сборную прямоугольную колонну
Рис. 26. Фундамент ступенчатого типа с подколонником
под сборную двухветвевую колонну
5.2. Форму отдельных фундаментов в плане при центральной нагрузке рекомендуется принимать квадратную, если этому не препятствуют фундаменты соседних зданий, подземные сооружения, фундаменты под оборудование и т.п.
При внецентренной нагрузке фундамент рекомендуется принимать прямоугольной формы с соотношением сторон прямоугольной подошвы фундамента от 0,6 до 0,85.
5.3. Монолитные фундаменты под сборные и монолитные железобетонные колонны рекомендуется проектировать с плитной частью ступенчатого типа (
рис. 25 -
27).
Рис. 27. Фундаменты ступенчатого типа в виде плитной части
под сборные железобетонные колонны
Размеры в плане подошвы фундамента, ступеней, подколонника рекомендуется принимать кратными 300 мм.
Высоту ступеней рекомендуется назначать равной 300, 450 и при большой высоте плитной части фундамента - 600 мм
(табл. 9).
Высоту фундамента рекомендуется назначать кратной 300 мм.
Модульные размеры фундаментов под сборные железобетонные колонны приведены в
табл. 11.
Эскиз фундамента | Модульные размеры фундамента при модуле, мм |
Hф | H | h1 h2 h3 | b | l | b1 b2 | l1 l2 | bп | hп |
300 | 150 | 150 | 300 | 300 | 300 | 300 | 300 | 300 |
| 1500 - 12 000 | 300 450 600 750 900 1050 1200 1500 1800 | 300 450 600 | 1500 - 6600 | 1500 - 8400 | 1500 - 6000 | 1500 - 7500 | 900 - 2400 | 900 - 3600 |
5.4. Для фундаментов под монолитные колонны при осуществлении стыка колонны на 150 мм ниже отметки чистого пола здания (по требованиям выполнения работ нулевого цикла) размер нижней части колонны принимается увеличенным на 50 мм в каждую сторону по сравнению с размером колонны
(рис. 28).
Рис. 28. Фундамент под монолитную колонну
5.5. Фундаменты под сборные двухветвевые колонны с расстоянием между наружными гранями ветвей колонны hн > 2,4 м (например, опоры галерей и пр.) рекомендуется выполнять с устройством отдельных стаканов под каждую ветвь.
5.6. Глубина заделки колонны в фундамент должна быть не менее величин, приведенных в
табл. 12.
Отношение толщины стенки стакана к высоте верхнего уступа фундамента dс/ hп или при hс < hb к глубине стакана dс/ hс (см. рис. 16) | Глубина заделки колонны прямоугольного сечения при эксцентриситете продольной силы |
e0 <= 2hк | e0 > 2hк |
> 0,5 | hк | hк |
<= 0,5 | hк |  , причем hк <= h3 <= 1,4 hк |
Глубина заделки двухветвевых колонн определяется из условия
h3 >= 0,5 + 0,33hH, (71)
где hH - расстояние между наружными гранями ветвей колонны в м. При hH >= 2,1 м глубина заделки двухветвевых колонн в фундамент принимается равной 1,2 м.
Глубина заделки колонн в фундамент, кроме того, должна удовлетворять требованию заделки рабочей арматуры колонн.
Заделка рабочей арматуры колонн при отсутствии каких-либо конструктивных мероприятий, улучшающих ее анкеровку, должна быть не менее величин, приведенных в
табл. 13.
Вид рабочей арматуры | Тип колонны | Глубина заделки рабочей арматуры колонн при проектной марке бетона колонн |
М 200 | М 300 и выше |
Горячекатаная периодического профиля класса А-II | Прямоугольного сечения | 25d (15d) | 20d (10d) |
Двухветвевая | 30d (15d) | 25d (10d) |
То же, А-III | Прямоугольного сечения | 30d (18d) | 25d (15d) |
Двухветвевая | 35d (18d) | 30d (15d) |
Примечания: 1. Если анкеруемые растянутые стержни поставлены с запасом по сравнению с расчетом по прочности, длину заделки допускается принимать равной

, но не менее, чем для стержней в сжатой зоне, где
Nа - усилие, которое должно быть воспринято анкеруемыми растянутыми стержнями;
RаFа - усилие, которое может быть воспринято анкеруемыми растянутыми стержнями.
2. Допускается уменьшать глубину заделки колонн до 15 диаметров продольной рабочей арматуры при условии приварки к концам продольных рабочих стержней дополнительных анкерующих стержней (
dа >= 0,5
d) или шайб (
dш >= 2,5
d,

)
(рис. 29). При этом шайбы должны рассчитываться на усилие, равное

.
3. Значения в скобках в
табл. 13 относятся к глубине заделки сжатой рабочей арматуры.
4. Для парных стержней колонны глубина заделки определяется в соответствии с приведенным (по площади сечения) диаметром.
Рис. 29. Анкеровка рабочей арматуры
5.7. Глубину заделки двухветвевых колонн необходимо проверять также по анкеровке растянутой ветви колонны в стакане фундамента.
Глубину заделки растянутой ветви двухветвевой колонны в стакане необходимо проверять по плоскостям контакта бетона замоноличивания:
с бетоном стенок стакана - по формуле

(72)
с бетоном ветви колонны - по формуле

(73)
где bв, hв - размеры сечения растянутой ветви, м;
h3 - глубина заделки двухветвевой колонны, м;

,

- величина сцепления бетона, принимаемая по
табл. 14, тс/м
2;
Nр - усилие растяжения в ветви колонны, тс.
Вид опалубки | Величина сцепления по плоскостям контакта бетона замоноличивания с |
бетоном стенок стакана  | бетоном ветви колонны  |
Деревянная | 0,35Rр | 0,40Rр |
Металлическая | 0,18Rр | 0,20Rр |
Примечание. Величина Rр относится к бетону замоноличивания.
5.8. Для возможности рихтовки колонны глубину стакана фундамента hс следует принимать равной указанной выше глубине заделки колонны плюс 50 мм.
5.9. Толщину дна стакана следует принимать по расчету на раскалывание и продавливание стаканного фундамента (
пп. 4.10 -
4.12), но не менее 200 мм.
5.10. Минимальную толщину стенок неармированного стакана поверху следует принимать не менее 0,75 высоты верхней ступени (подколонника) фундамента или 0,75 глубины стакана hс и не менее 200 мм.
В фундаментах с армированной стаканной частью толщина стенок стакана определяется расчетом по
п. 4.20 и принимается не менее величин, указанных в
табл. 15.
Направление усилия | Толщина стенок стакана |
колонны прямоугольного сечения с эксцентриситетом продольной силы | двухветвевые колонны |
e0 < 2hк | e0 > 2hк |
В плоскости изгибающего момента | 0,2hк, но не менее 150 мм | 0,3hк, но не менее 150 мм | 0,2hн, но не менее 150 мм |
Из плоскости изгибающего момента | >= 150 мм | >= 150 мм | >= 150 мм |
5.11. Зазоры между стенками стакана и колонной должны приниматься равными по низу не менее 50 мм и по верху не менее 75 мм (см.
рис. 25 -
27).
5.12. Бетон для замоноличивания колонны в стакане фундамента должен быть не ниже марки М150 и не ниже на одну ступень (50 кгс/см
2) марки бетона стакана.
5.13. Для монолитных железобетонных фундаментов следует назначать бетон марки М150, М200.
5.14. Армирование подошвы отдельных фундаментов рекомендуется осуществлять сварными сетками. Расстояние между осями стержней сеток должно приниматься равным 200 мм.
Диаметр рабочих стержней, укладываемых вдоль стороны фундамента размером 3 м и менее, должен быть не менее 10 мм; диаметр рабочих стержней, укладываемых вдоль стороны размером более 3 м, - не менее 12 мм.
Арматурные сетки должны быть сварены во всех точках пересечения стержней. Допускается часть пересечений связывать проволокой при условии обязательной сварки всех точек пересечения в двух крайних рядах по периметру сеток.
5.15. Для изготовления сварных сеток рекомендуется горячекатаная арматура периодического профиля класса А-II или А-III.
5.16. Подошвы фундаментов рекомендуется армировать узкими сварными сетками шириной не более 3000 мм, укладываемыми в двух плоскостях таким образом, чтобы рабочая арматура верхних и нижних сеток проходила в двух взаимно перпендикулярных направлениях. Сетки в каждой плоскости укладываются рядом друг с другом без нахлестки
(рис. 30).
Рис. 30. Расположение сварных сеток
при армировании фундамента узкими сетками
При возможности изготовления и транспортировании сеток

размеров допускается армировать подошвы фундаментов цельными сетками.
5.17. Подколонники фундаментов, если это необходимо по расчету, должны армироваться продольной и поперечной арматурой по принципу армирования колонн (см.
рис. 21) в соответствии со
СНиП II-21-75.
Диаметр продольных рабочих стержней подколонников должен быть не менее 12 мм.
В тех случаях когда удовлетворяются условия
пп. 4.18 и
4.19, армирование подколонников осуществляется сварными сетками, устанавливаемыми в зависимости от расчета по двум или четырем сторонам подколонника (см.
рис. 22,
а,
б). В этом случае соединение продольных стержней сеток хомутами или шпильками не производится, толщина защитного слоя бетона должна быть не менее 50 мм и не менее двух диаметров продольной арматуры.
5.18. Армирование подколонников рекомендуется осуществлять пространственными самонесущими каркасами, собираемыми из плоских сеток. Соединение сеток в пространственные каркасы показано на
рис. 31.
Рис. 31. Армирование фундаментов колонн
пространственными самонесущими арматурными каркасами,
собираемыми из плоских сеток
а - при высоте фундаментов до 4,5 м, б - при высоте
фундаментов от 4,5 до 7,2 м, 1 - шпильки (через 600 мм
по высоте), 2 - горизонтальные арматурные связи (через
1800 мм по высоте), 3 - анкерный болт под стальные колонны,
4 - крайние стержни сеток, соединенные дуговой
электросваркой (hшв = 6 мм; lшв = 40 мм) через 600 мм
5.19. Армирование стенок стакана производится поперечной и продольной арматурой (
рис. 21,
22,
31).
Поперечное армирование стенок стакана следует выполнять в виде сварных плоских сеток с расположением стержней у наружных и внутренних поверхностей стенок.
Диаметр стержней сеток следует принимать по расчету, но не менее чем 8 мм и не менее четверти диаметра продольных стержней подколонника.
Расстояние между сетками следует назначать не более четверти глубины стакана и не более 200 мм.
Подколонник ниже дна стакана армируется в соответствии с требованиями
п. 5.17, т.е. по общему принципу армирования подколонников. Продольная рабочая арматура подколонника, устанавливаемая по расчету, должна проходить внутри ячеек сеток поперечного армирования.
5.20. Соединение монолитных фундаментов с монолитными колоннами осуществляется посредством соединения арматуры колонны с выпусками из фундамента.
Заделка выпусков арматуры в фундамент и длина выпусков из фундамента должна быть не менее величин, приведенных в
табл. 16.
Вид рабочей арматуры | Заделка выпусков арматуры в фундамент и длина выпусков из фундамента при бетоне проектной марки |
М150 | М200 и выше |
Горячекатаная периодического профиля класса А-II и круглая (гладкая) класса А-I | 35d | 30d |
Горячекатаная периодического профиля класса А-III | 45d | 40d |
Выпуски арматуры должны быть соединены хомутами. Первый хомут ставится у нижних концов арматуры, второй - на расстоянии 100 мм от верхней грани плитной части фундамента
(рис. 32).
Рис. 32. Соединение монолитных фундаментов с монолитными
колоннами при армировании отдельными стержнями
При армировании колонн гладкими стержнями выпуски ставятся на нижнюю арматурную сетку фундамента и заканчиваются в нижней части прямыми крюками (см.
рис. 32).
При армировании колонн стержнями периодического профиля стержни ставятся непосредственно на бетонную подготовку.
Рекомендуется выпуски арматуры из фундаментов объединять в пространственный каркас.
Стыки арматуры монолитных колонн с выпусками из фундаментов рекомендуется устраивать выше верха фундаментных балок, а при отсутствии фундаментных балок - выше уровня пола.
5.21. При армировании колонн вязаными каркасами стыки арматуры монолитных колонн с выпусками из фундаментов рекомендуется выполнять внахлестку без сварки.
Стыки рабочей арматуры (диаметром до 32 мм), расположенной в растянутой зоне внецентренно сжатых элементов, должны иметь длину перепуска (нахлестки)
lн не менее величин, указанных в
табл. 16.
Стыки растянутых стержней вязаных каркасов должны располагаться вразбежку.
При арматуре периодического профиля независимо от числа выпусков у растянутой грани сечения стык делать в двух местах
(рис. 33).
Рис. 33. Расположение стыков вязаных каркасов
при арматуре периодического профиля
При круглой (гладкой) арматуре класса А-I (
рис. 34 -
36):
а) при трех или четырех выпусках у растянутой грани сечения стык делать в двух местах,
б) при пяти или шести выпусках у растянутой грани сечения стык делать в трех местах,
в) при числе выпусков у растянутой грани сечения более шести стык делать в четырех местах.
Рис. 34. Расположение стыков вязаных каркасов
при трех выпусках арматуры класса А-I
Рис. 35. Расположение стыков вязаных каркасов
при четырех выпусках арматуры А-I
Рис. 36. Расположение стыков вязаных каркасов
при шести выпусках арматуры А-I
Длина перепуска стержней, стыкуемых в сжатой зоне, может приниматься на 10
d меньше величины, определяемой по
табл. 16. При этом для сжатых стержней, выполняемых из круглой (гладкой) стали класса А-I без крюков на концах, длина перепуска должна составлять не менее 30
d.
Длину выпусков рабочей арматуры из фундаментов следует назначать с таким расчетом, чтобы выпуски

длины и

диаметров были поставлены по углам стойки (см.
рис. 34 -
36).
В центрально и внецентренно сжатых элементах в пределах стыка сжатой арматуры расстояния между хомутами должны составлять не более 10d.
5.22. Под монолитными фундаментами независимо от подстилающих грунтов (кроме скальных) рекомендуется предусматривать устройство бетонной подготовки толщиной 100 мм из бетона марки М50. Толщина защитного слоя бетона для рабочей арматуры подошвы фундаментов при этом принимается равной 35 мм. Толщина защитного слоя бетона для рабочей арматуры подколонников должна быть не менее 30 мм.
5.23. Сборные фундаменты рекомендуется выполнять в виде одного блока с плитной частью и подколонником
(рис. 37). Вес сборного фундамента определяется принятой грузоподъемностью монтажного механизма.
Рис. 37. Сборные фундаменты (размеры в числителе
при металлической опалубке, в знаменателе - при деревянной)
Размеры в плане подошвы фундамента и подколонника рекомендуется назначать в соответствии с
пп. 5.2 и
5.3.
Размеры стакана и глубина заделки колонны в фундамент принимаются в соответствии с
пп. 5.6 -
5.12.
Вынос нижней ступени сборного фундамента
c1 определяется по
табл. 10 в зависимости от высоты плитной части фундамента
H. Расчет на продавливание сборных железобетонных фундаментов производится в соответствии с
пп. 4.9 -
4.12.
Определение сечения арматуры подошвы сборного фундамента производится в соответствии с
п. 4.13 в сечениях
I-I,
II-II. Расчет подколонника и его стаканной части производится в соответствии с
пп. 4.16 -
4.20.
Для сборных железобетонных фундаментов следует назначать бетон марки М200 и М300.
Для монтажных (подъемных) петель сборных железобетонных фундаментов следует применять горячекатаную арматуру класса А-I марки стали ВСт3пс2. В случае монтажа конструкций при температуре минус 40 °C и ниже применяется сталь марки ВСт3сп2 (см.
СНиП II-21-75).
5.24. Под сборные фундаменты вместо подготовки из бетона (см.
п. 5.22) может применяться также песчаная подготовка толщиной 100 мм.
Фундаменты под стальные колонны
5.25. Определение основных размеров плитной части фундаментов под стальные колонны производится так же, как и для фундаментов под железобетонные колонны (см.
пп. 5.2,
5.3).
Отметка верха и размеры в плане подколонника устанавливаются в зависимости от размеров башмака колонн и принятого в проекте способа опирания башмака и метода монтажа стальной колонны. Модульные размеры фундаментов под стальные колонны
(рис. 38) принимаются по
табл. 11 (см.
п. 5.3).
Рис. 38. Фундаменты под стальную колонну
5.26. Для передачи усилия от стальной колонны на фундамент в фундаменте устанавливаются анкерные болты, к которым крепится башмак стальной колонны.
Анкерные болты должны быть установлены в проектное положение и забетонированы одновременно с фундаментом. Закрепление болтов в проектном положении следует выполнять при помощи кондукторов, исключающих возможность смещения болтов в процессе бетонирования. Диаметр анкерных болтов определяется расчетом. Тип анкерного болта принимается по
табл. 17 в зависимости от его диаметра.
Размеры фундаментных болтов |
Диаметр резьбы болта | Диаметр заготовки | Длины нарезных частей | Длина выступающей части | | | | Расчетная площадь сечения | Предельное расчетное усилие |
Длина отгибаемой части | Глубина заделки lа = 25d1 | Глубина заделки lа1 = 15d1 | Анкерная плита | Глубина заделки lа1 = 15d1 | Анкерная плита |
d, мм | d1, мм | l0, мм | l1, мм | h1, мм | l1, мм | lа, мм | lа1, мм | A1, мм |  , мм | d2, мм | lа1, мм | A1, мм |  , мм | Fнт, см2 | N1, тс |
М20 | 20 | 100 | 40 | 50 | 60 | 500 | 300 | 80 | 16 | 24 | | | | 2,25 | 3,15 |
М24 | 24 | 110 | 55 | 60 | 75 | 600 | 350 | 100 | 18 | 30 | | | | 3,24 | 4,05 |
М30 | 30 | 120 | 60 | 70 | 90 | 750 | 450 | 120 | 20 | 36 | | | | 5,19 | 7,25 |
М36 | 36 | 130 | 75 | 80 | 110 | 900 | 550 | 150 | 22 | 42 | | | | 7,59 | 10,6 |
М42 | 42 | 140 | 85 | 90 | 125 | 1050 | 650 | 170 | 25 | 48 | | | | 10,34 | 14,5 |
М48 | 48 | 150 | 100 | 100 | 150 | 1200 | 750 | 190 | 28 | 54 | | | | 13,8 | 19,3 |
М56 | 56 | 160 | 115 | 120 | 180 | 1400 | 850 | 220 | 32 | 64 | | | | 18,74 | 26,2 |
М64 | 65 | 170 | 125 | 130 | 200 | 1600 | 1000 | 260 | 36 | 72 | | | | 25,12 | 35 |
М72 x 6 | 75 | 180 | 135 | 140 | - | - | - | - | - | - | 1100 | 280 | 30 | 32,23 | 45 |
М80 x 6 | 85 | 190 | 145 | 150 | - | - | - | - | - | - | 1200 | 350 | 40 | 40,87 | 57,7 |
М90 x 6 | 95 | 200 | 150 | 160 | - | - | - | - | - | - | 1350 | 400 | 40 | 53,68 | 75 |
Примечание. Болты из стали марки ВСт3кп2 (ГОСТ 330-71*) применяются при расчетной температуре минус 40 °C и выше, болты из стали марок 09Г2С1 ГОСТ 5058-65* - при расчетной температуре от минус 40 до минус 65 °C.
Анкерные болты должны быть заделаны в фундамент на величину заделки
lа, равную 25
d1 анкера для болтов с отгибом, и
lа1, равную 15
d1 анкера для болтов с анкерной плитой (см.
табл. 17 и
рис. 38 и
39).
Рис. 39. Фундаменты под стальные колонны
при минимальной заделке анкерных болтов
В анкерах, снабженных шайбами, производится проверка бетона на выкалывание в соответствии с "Руководством по проектированию бетонных и железобетонных конструкций из тяжелого бетона (без предварительного напряжения)". При проверке на смятие под шайбой расчетное сопротивление бетона при местном сжатии Rсм принимается равным 1,5Rпр, где Rпр - призменная прочность бетона.
5.27. Армирование плитной части и подколонника фундаментов под стальные колонны производится так же, как и для фундаментов под железобетонные колонны.
5.28. Расстояние от грани стальной плиты башмака колонны до грани подколонника должно быть не менее 50 мм.
Расстояние
t от оси анкерного болта подколонника должно быть не менее 4
d и не менее 150 мм при диаметре анкерных болтов до 48 мм и не менее 200 мм при диаметре анкерных болтов более 48 мм
(рис. 40). Для болтов с анкерной плитой расстояние от грани анкерной плиты до грани подколонника должно быть не менее 70 мм.
Рис. 40. Минимальные размеры подколонника
в фундаментах под стальные колонны
1 - сетка косвенного армирования, 2 - анкерные болты
5.29. При проектировании фундаментов под стальные колонны должна быть произведена проверка прочности на местное сжатие (смятие) под стальным листом башмака колонны.
Расчет на местное сжатие при отсутствии косвенного армирования производится, как для бетонных элементов, по формуле

(74)
где

;
Fсм - площадь смятия;
Rсм - расчетное сопротивление бетона при местном сжатии, определяемое по формуле

,
где

, но не более 1,5;
Fр - площадь по верху фундамента (подколонника) при условии, что центр тяжести площади Fр совпадает с центром тяжести площади Fсм.
5.30. При больших усилиях в опорных частях колонн для уменьшения размеров баз допускается применять дополнительное местное армирование верхних частей фундаментов в виде сварных сеток. Расчет на местное сжатие (смятие) под стальным листом башмака колонны с учетом косвенного армирования в виде сварных сеток должен производиться как для железобетонных элементов согласно с
п. 3.46 СНиП II-21-75.
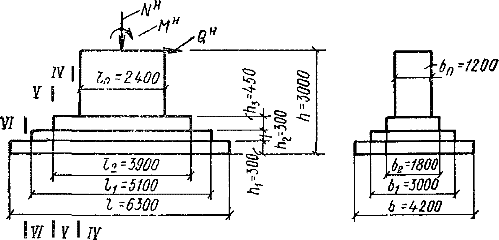
ПРИМЕРЫ РАСЧЕТА
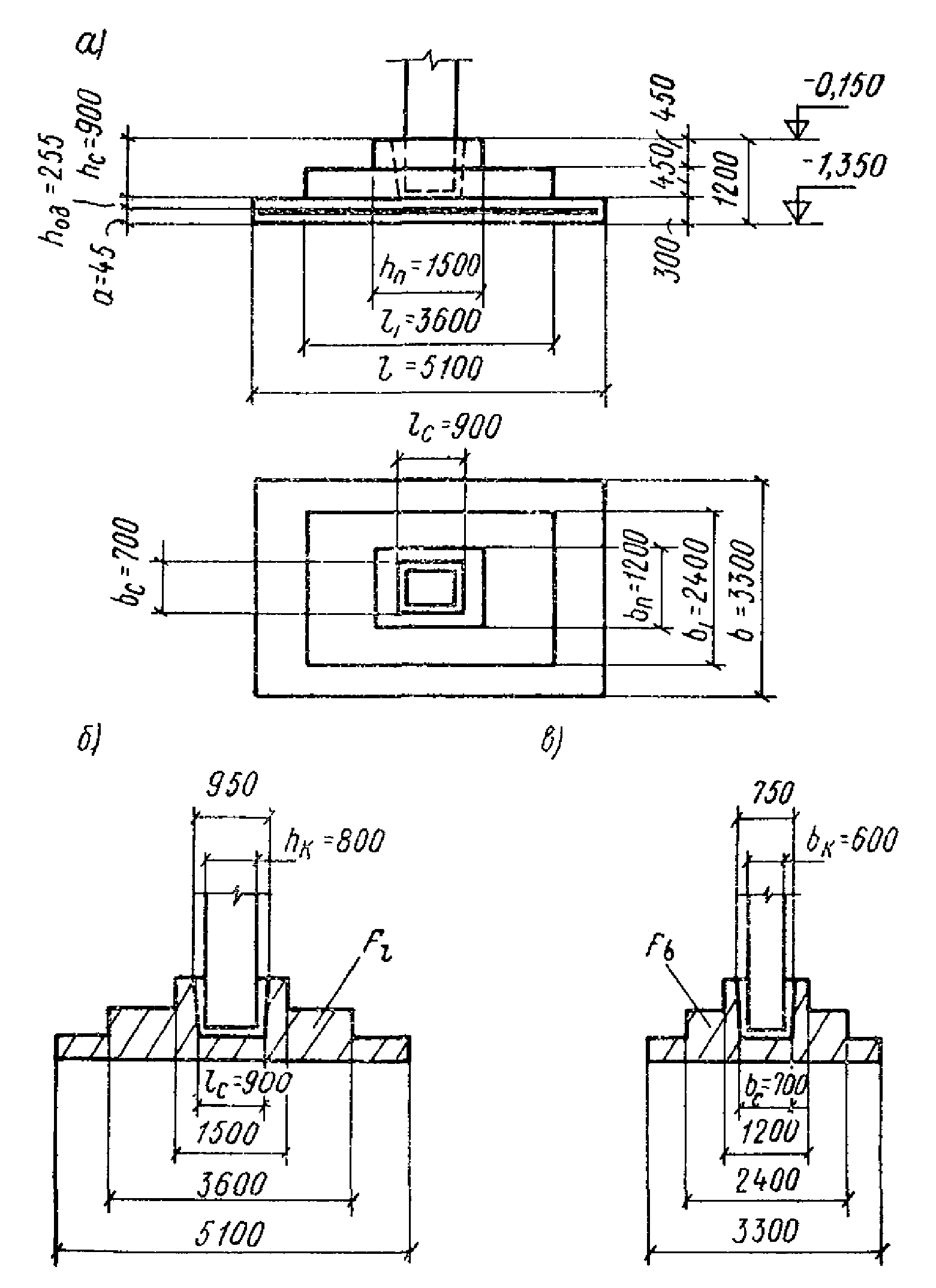
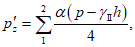
Пример 1 (рис. 41). Расчет центрально нагруженного фундамента в здании без подвала для случая, когда расчет оснований по деформациям считается удовлетворенным, если фактическое среднее давление на грунт под фундаментами здания не превышает расчетного давления на основание.
Рис. 41. Центрально нагруженный фундамент
Дано основное сочетание расчетных нагрузок на уровне подошвы фундамента без учета собственного веса фундамента и грунта на его уступах от постоянных и длительных нагрузок:
для расчета оснований по деформациям с коэффициентом перегрузки, равным 1, N = 275 тс;
для расчета фундамента на прочность с учетом коэффициентов перегрузки по
СНиП II-6-74 N = 320 тс.
Расчетные значения характеристик грунта приняты по
табл. 5,
6 (
2,
3 прил. 2 СНиП II-15-74): глинистые грунты с показателем консистенции
IL = 0,6,

;
cII = 0,06 кгс/см
2;
E = 160 кгс/см
2,

.
Глубина заложения фундамента
h = 2,5 м;

.
Бетон фундамента марки М200. Арматура горячекатаная класса А-II. Отношение меньшей стороны подошвы фундамента к большей m = b/l = 1.
Расчет фундамента по прочности производим для случая монолитного соединения колонны с фундаментом
(рис. 41).
Сечение колонны.
bк = 50 см,
hк = 60 см; арматура колонны

А-II.
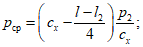
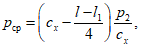
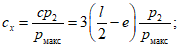
1. Определение размеров подошвы фундамента.
В соответствии с
табл. 18 и
19 (
1 и
2 прил. 4 СНиП II-15-74) для глин с консистенцией
IL = 0,6 и коэффициентом пористости
e = 0,8 назначаем условное расчетное давление на основание
R0 = 2,4 кгс/см
2.
Определяем ширину подошвы фундамента из
условия (6) при
R0 = 2,4 кгс/см
2:
Таблица 18 (
табл. 1 прил. 4 СНиП II-15-74)
Условные расчетные давления R0
на крупнообломочные и песчаные грунты
Вид грунта | R0, кгс/см2 |
Крупнообломочные | |
Галечниковый (щебенистый) с песчаным заполнителем | 6 |
Гравийный (древесный) из обломков | |
кристаллических пород | 5 |
осадочных пород | 3 |
Песчаные | Плотные | Средней плотности |
Пески крупные независимо от влажности | 6 | 5 |
Пески средней крупности независимо от влажности | 5 | 4 |
Пески мелкие: | | |
маловлажные | 4 | 3 |
влажные и насыщенные водой | 3 | 2 |
Пески пылеватые: | | |
маловлажные | 3 | 2,5 |
влажные | 2 | 1,5 |
насыщенные водой | 1,5 | 1 |
Таблица 19 (
табл. 2 прил. 4 СНиП II-15-74)
Условные расчетные давления R0
на глинистые (непросадочные) грунты
Виды глинистых грунтов | Коэффициент пористости грунта e | R0, кгс/см2, при консистенции грунта |
IL = 0 | IL = 1 |
Супеси | 0,5 | 3 | 3 |
0,7 | 2,5 | 2 |
Суглинки | 0,5 | 3 | 2,5 |
0,7 | 2,5 | 1,8 |
1 | 2 | 1 |
Глины | 0,5 | 6 | 4 |
0,6 | 5 | 3 |
0,8 | 3 | 2 |
1,1 | 2,5 | 1 |
Примечание. Для глинистых грунтов с промежуточными значениями e и IL допускается определять величину R0, пользуясь интерполяцией, вначале по e для значений IL = 0 и IL = 1, затем по IL между полученными значениями R0 для IL = 0 и IL = 1.
Принимаем b = 3,9 м.
Первая подстановка. Для полученного значения
b = 3,9 м, заданной глубины заложения и механических свойств грунтов определяем величину расчетного давления на основание
R по
формуле (4) (
17 СНиП II-15-74):
По
табл. 3 (
16 СНиП II-15-74) для

находим коэффициенты
A = 0,72;
B = 3,87;
D = 6,45.
При отсутствии подвала в здании
h0 = 0, по
табл. 2 (
17 СНиП II-15-74) для глинистых грунтов с
IL = 0,6,
m1 = 1,1; для зданий с гибкой конструктивной схемой
m2 = 1. Коэффициент
kн = 1,1 (см.
п. 3.8 (
3.52 СНиП II-15-74)), так как расчетные характеристики грунта приняты с использованием
табл. 5,
6 (
2,
3 прил. 2 СНиП II-15-74)
Расчетное давление на основание
R можно также определить по графику
рис. 56, ж.
Имея величину
R, определяем ширину подошвы фундамента из
условия (7)
Вторая подстановка. Для полученного значения
b = 3,6 м по
формуле (4) или по графику
рис. 56, ж при
b = 3,6 м,

,
cII = 0,6 тс/м
2,
h = 2,5 м вычисляем расчетное давление на основание
Имея величину
R, определяем ширину подошвы фундамента из
условия (7):
Полученное значение ширины подошвы фундамента
b = 3,62 м отличается от принятого
b = 3,6 м менее чем на 3% (см.
п. 3.17, д), что вполне допустимо.
Принимаем размеры подошвы фундамента b = l = 3,6 м.
Среднее давление, передаваемое фундаментом основанию,
следовательно, принятые размеры подошвы фундамента являются достаточными.
2. Определение высоты фундамента H.
Высота фундамента определяется из расчета на продавливание по графику
рис. 61.
Вычисляем
По
табл. 15 СНиП II-21-75 при учете постоянных и длительных нагрузок для тяжелого бетона естественного твердения во влажном грунте (глинистые грунты с
IL > 0,5) коэффициент
mб1 = 1.
Для найденных величин
F3 = 6,12 м
2;
bк = 50 см, по графику
рис. 61 находим
H0 = 65 см:
H = H0 + 3,5 + d/2 = 65 + 3,5 + 1 = 69,5 см,
где 3,5 см - защитный слой бетона;
d - диаметр продольной арматуры, принимаемый равным 2 см.
Окончательно для удобства разбивки ступеней по высоте
(п. 5.3) принимаем высоту фундамента
H = 75 см.
3. Определение размеров ступеней в плане и по высоте по
табл. 9 h1 = 30 см,
h2 = 45 см, по
табл. 10 при
b -
b1 > 2
h0, при марке бетона М200
pгр =
p = 2,47 кгс/см
2 определяем
c1 = 2,81
h0 = 2,81·25,5 = 72 см. Из
условия (41):
l1 >=
l - 2
c1 = 360 - 2·72 = 216 см;
b =
ml1 = 216 см. Принимаем
l1 =
b1 = 210 см.
4. Определение арматуры подошвы фундамента в сечении
I-I по грани колонны (см.
рис. 41) вычисляем:
l -
h0 = 360 - 60 = 300 см,
H0 = 75 - 3,5 - 1 = 70,5 см.
По графику
рис. 62 для
l -
h0 = 300 см и
H0 = 70,5 см находим площадь арматуры класса А-II на 1 м ширины фундамента:
Fl =
Fаp1 = 6,5·2,47 = 16,1 см
2.
В сечении
II-II по грани ступени фундамента (см.
рис. 41) вычисляем
l -
l1 = 360 - 210 = 150 см;
h01 = 30 - 3,5 - 1 = 25,5 см.
По графику
рис. 62 для
l -
l1 = 150 см и
h01 = 25,5 см находим площадь арматуры класса А-II на 1 м ширины фундамента:
Fl =
Fаp1 = 4,5·2,47 = 11,1 см
2. Определяющим является количество арматуры по грани колонны.
Принимаем

А-II = 19 см
2 на 1 м ширины фундамента.
В сечении
I'-I' по грани колонны (см.
рис. 41) вычисляем:
b -
bк = 360 - 50 = 310 см,

.
По графику
рис. 62 для
b -
bк = 310 см и

находим площадь арматуры класса А-II на 1 м длины фундамента:
Fb =
Fаp1 = 7,25·2,47 = 17,9 см
2; принимаем

А-II = 19 см
2 на 1 м длины фундамента.
5. Проверка анкеровки рабочей арматуры.
По графику
рис. 63 определяем величину
lб. Для бетона марки М200 при
h1 = 30 см и
pгр = 2,12 получаем
lб = 42 см. По
формуле (65)
Условие (64) выполнено, следовательно, анкеровка рабочей арматуры не требуется.
Пример 2 (рис. 42). Расчет внецентренно нагруженного фундамента и его осадки.
Рис. 42. Внецентренно нагруженный фундамент
Фундамент должен быть запроектирован с учетом выполнения работ нулевого цикла.
Дано: грунтовые условия характеризуются следующим напластованием грунтов: сверху залегают глинистые грунты с показателем консистенции
IL = 4, с объемным весом

; мощность слоя от отметки поверхности природного рельефа 7,2 м;
E = 80 кгс/см
2;

;
cн = 0,1 кгс/см
2; ниже залегают пески пылеватые значительной мощности с объемным весом

;
E = 100 кгс/см
2. Глубина уровня грунтовых вод 5 м. Глубина заложения фундамента
h = 3 м.
Требуется запроектировать фундамент под среднюю колонну одноэтажного двухпролетного здания с шарнирным опиранием железобетонных ферм на железобетонные сборные колонны, заделанные в монолитные фундаменты стаканного типа.
Бетон фундамента марки М200. Арматура горячекатаная класса А-II. Сечение сборной колонны 80 x 60 см, арматура колонны

А-II.
Усилия на уровне подошвы фундамента приведены в
табл. 20. В соответствии с
п. 2.6 усилия от температурных воздействий при расчете оснований по деформациям не учитываем.
Усилия | Постоянная нагрузка | Кратковременные нагрузки |
снеговая | от мостового крана | ветровая | температурные воздействия |
Нормативные усилия |
Nн, тс | 172,7 | 20 | 68,3 | - | - |
Mн, тс·м | +10 | +2,85 | +/- 58,3 | +/- 25 | +/- 35,8 |
Расчетные усилия для расчета оснований по деформациям с коэффициентом перегрузки, равным 1 ( п. 1.10 СНиП II-6-74) |
N, тс | 172,7 | 20 | 68,3 | - | - |
M, тс·м | +10 | +2,85 | +/- 58,3 | +/- 25 | - |
Расчетные усилия для расчета конструкций на прочность с коэффициентами перегрузки по пп. 2.2, 4.8, 5.7; 6.18 СНиП II-6-74 |
N, тс | 190 | 28 | 82 | - | - |
M, тс·м | +11 | +4 | +/- 70 | +/- 30 | +/- 35,8 |
1. Определение сочетаний расчетных нагрузок для расчета основания по деформациям и для расчета фундамента по прочности.
Расчет оснований по деформациям производится на основное сочетание нагрузок (см.
п. 2.1), расчет фундамента по прочности - на основные или особые сочетания нагрузок (см.
п. 2.7). При отсутствии особых нагрузок расчет оснований по деформации и расчет фундамента по прочности выполняем на основное сочетание нагрузок. В соответствии с
п. 1.12 СНиП II-6-74 при расчете конструкций и оснований на основное сочетание, включающее одну кратковременную нагрузку, величину последней учитываем без снижения, а при расчете на основное сочетание, включающее две или более кратковременных нагрузок, расчетные величины этих нагрузок умножаем на коэффициент сочетаний
nс = 0,9.
Сочетания расчетных нагрузок приведены в
табл. 21.
Усилия | Основные сочетания нагрузок |
для расчета основания фундамента по деформациям | для расчета по прочности |
постоянная, снеговая | постоянная, крановая | постоянная, ветровая | постоянная, снеговая, крановая, ветровая (nс = 0,9) | постоянная, снеговая | постоянная, крановая | постоянная, ветровая | постоянная, температурные воздействия | постоянная, снеговая, крановая, ветровая и температурные воздействия (nс = 0,9) |
N, тс | 192,7 | 241 | 172,7 | 252,2 | 218 | 272 | 190 | 190 | 289 |
M, тс·м | +12,85 | +68,3 ------ -48,3 | +35 ----- -15 | +87,5 ------ -62,4 | +15 | +81 ----- -59 | +41 ----- -19 | +46,8 ------- -24,8 | +136,8 -------- -107,6 |
2. Определение размеров подошвы фундамента.
Для расчета выбираем основное сочетание расчетных нагрузок N = 252,2 тс, M = 87,5 тс·м.
Расчетные характеристики грунтов.

,
E = 80 кгс/см
2,

;
cII = 0,07 кгс/см
2 = 0,7 тс/м
2.
Значения коэффициента условий работы грунтового основания
m1 и коэффициента условий работы здания во взаимодействии с основанием
m2 принимаем по
табл. 2 (
17 СНиП II-15-74). При глинистых грунтах с
IL < 0,5
m1 = 1,2, для здания с гибкой конструктивной схемой
m2 = 1. Коэффициент
kн = 1 при определении расчетных характеристик грунта по результатам непосредственных испытаний образцов (см.
п. 3.8).
Назначаем отношение сторон подошвы фундамента m = b/l = 0,65.
В соответствии с
табл. 19 (
2 прил. 4 СНиП II-15-74) для суглинков при консистенции грунта
IL = 0,4 и коэффициенте пористости
e = 0,7 назначаем условное расчетное давление на основание
R0 = 2,3 кгс/см
2 = 23 тс/м
2.

и

находим коэффициент
A = 32;
вес фундамента G = nAh = 1·32·3 = 96 тс.
определяем l = 5,03 м; b = ml = 0,65·5,03 = 3,27 м.
Первая подстановка. Задаемся шириной подошвы фундамента b = 3,3 м.
По графику
рис. 56, в при

,
cII = 0,7 тс/м
2,
b = 3,3 м и
h = 3 м определяем:

и
e1 = 0,347 находим
A = 36;
вес фундамента G = 1·36·3 = 108 тс.
определяем l = 5,2 м; b = ml = 0,65·5,2 = 3,38 м.
Полученное значение ширины подошвы фундамента
b = 3,38 м отличается от принятого значения
b = 3,3 м менее чем на 3% (см.
п. 3.17, д), что вполне допустимо.
Принимаем размеры подошвы фундамента в соответствии с
п. 5.3:
b = 3,3 м;
l = 5,1 м.
Определяем среднее давление на грунт под подошвой фундамента
Среднее давление на грунт под подошвой фундамента от расчетных нагрузок меньше расчетного давления на основание, следовательно, условие применения расчета по деформациям - по
формуле (3) (
16 СНиП II-15-74) выполнено.
3. Определение осадки фундамента.
Осадку фундамента определяем с помощью графиков
рис. 59 и
60. По графику
рис. 59 определяем глубину сжимаемой толщи основания. При
b = 3,3 м и
h = 3 м получаем
k = 1,285.
При

и
b = 3,3 м определяем

Глубина сжимаемой толщи основания z' = 1,7b = 1,7·3,3 = 5,6 м.
Разбиваем сжимаемую толщу основания на горизонтальные слои, однородные по сжимаемости высотой не более 0,4b, а именно: 1,05 м в пределах глинистых грунтов и 0,7 м в пределах слоя песков.
Дополнительные давления
p0z определяем по графику
рис. 60 в зависимости от величин
z/
b,

,
l/
b = 1,545.
Результаты вычислений приводим в
табл. 22.
z, м | z/b | p0z, кгс/см2 |
0 | 0 | 1,6 |
1,05 | 0,32 | 1,5 |
2,1 | 0,64 | 1,06 |
3,15 | 0,96 | 0,71 |
4,2 | 1,27 | 0,52 |
4,9 | 1,48 | 0,42 |
5,6 | 1,7 | 0,34 |
Определяем осадку фундамента по
формуле (5) прил. 3 СНиП II-15-74
где
Sпр - предельная величина максимальной осадки, определяемая по
табл. 1 (
18 СНиП II-15-74) для фундаментов зданий, в конструкциях которых не возникают дополнительные усилия от неравномерных осадок.
4. Определение высоты плитной части фундамента H.
Определяем высоту плитной части фундамента из расчета на продавливание от нижнего обреза подколонника для случая монолитного сопряжения подколонника с плитной частью фундамента в соответствии с
пп. 4.2,
4.3.
Вычисляем размеры подколонника в соответствии с
табл. 15:
hп =
hк + 2·75 + 2·200 = 800 + 150 + 400 = 1350 мм = 1,35 м;
bп =
bк + 2·75 + 2·200 = 600 + 150 + 400 = 1150 мм = 1,15 м. Принимаем размеры подколонника в соответствии с
п. 5.3:
hп = 1,5 м;
bп = 1,2 м.
Для расчета выбираем основное сочетание расчетных нагрузок:
N = 289 тс,
M = 136,8 тс·м (см.
табл. 21).
По
табл. 15 СНиП II-21-75 при учете крановой и ветровой нагрузок принимаем коэффициент условий работы бетона
mб1 = 1,1.
Высоту плитной части фундамента определяем из расчета на продавливание по
условию (20) с помощью графика
рис. 61.
По графику
рис. 61 для
F3 =
b(
l - 0,5
b +
bп -
hп) = 3,3(5,1 - 0,5·3,3 + 1,2 - 1,5) = 10,4 м
2;
bп = 120 см находим H0 = 67 см; H = H0 + 3,5 + d/2 = 67 + 3,5 + 1 = 71,5 см.
Проверяем высоту фундамента по основному сочетанию нагрузок при учете только постоянных и длительных нагрузок. N = 218 тс, M = 15 тс·м.
По
табл. 15 СНиП II-21-75 при учете постоянных и длительных нагрузок для тяжелого бетона в сухом грунте
mб1 = 0,85.
F3 = 10,4 м
2;

bп = 120 см находим H0 = 51 см.
Принимаем высоту плитной части фундамента в соответствии с
п. 5.3 и
табл. 9 H = 75 см.
5. Назначение ступеней в плане и по высоте.
В соответствии с
табл. 9 h1 = 30 см,
h2 = 45 см.
По
табл. 10 при
b -
b1 > 2
h0, при
p2 = 2,68 кгс/см
2, марка бетона М200 и
mб1 = 1,1, находим
k1 = 2,86;
c1 = 2,86,
h01 = 2,86·25,5 = 73 см. Принимаем
c1 = 75 см. По
формулам (41) -
(42) для двухступенчатого фундамента определяем
l1 =
l - 2
c1 = 510 - 2·75 = 360 см,
b1 = 0,65·360 = 234 см.
Принимаем l1 = 360 см; b1 = 240 см, b - b1 = 330 - 240 = 90 см, 2h0 = 2·25,5 = 51 см; b - b1 > 2h0, следовательно, величина c1 была найдена правильно.
6. Определение арматуры подошвы фундамента.
Определяем арматуру подошвы фундамента Fl. Для расчета выбираем основное сочетание расчетных нагрузок: N = 289 тс; M = 136,8 тс·м.
Определяем арматуру Fl в сечении I-I по грани подколонника.

, где

l - hп = 510 - 150 = 360 см; H0 = 75 - 3,5 - 1 = 70,5 см находим площадь арматуры класса А-II на 1 м ширины фундамента:
Проверяем арматуру
Fl по граням ступеней фундамента в сечении
II-II. Вычисляем
p3 по
формуле (57), где
k =
l1/
l = 360/510 = 0,705;
p3 = 1,72 + 0,96·0,705 = 2,4 кгс/см
2.
l - l1 = 510 - 360 = 150 см; H0 = h1 - 3,5 - 1 = 30 - 3,5 - 1 = 25,5 см находим площадь сечения арматуры класса А-II на 1 м ширины фундамента:
Определяющим является количество арматуры по грани подколонника. Принимаем

А-II (24,54 см
2) на 1 м ширины фундамента.
Определяем арматуру подошвы фундамента Fb.
Для расчета выбираем основное сочетание расчетных нагрузок: (постоянная + снеговая + крановая) 190 + 28 + 82 = 300 тс = 300 000 кгс.
Сечение
I'-I' по грани подколонника. Вычисляем по
формуле (27)
По графику
рис. 62 для
p1 = 1,79 кгс/см
2;
b -
bп = 330 - 120 = 210 см и

находим
Fb = 3,3·1,79 = 5,9 см
2/м.
Определяющим является количество арматуры по грани подколонника. Принимаем

А-II (7,69 см
2) на 1 м длины фундамента.
Пример 3 (рис. 43). Расчет на продавливание при стаканном сопряжении сборной колонны с фундаментом.
Рис. 43. Внецентренно нагруженный стаканный фундамент
Дано: грунтовые характеристики и расчетные нагрузки см. в
примере 2.
Глубина заложения фундамента h = 1,35 м.
Бетон фундамента марки М200. Сечение сборной колонны: bк = 60 см, hк = 80 см.
Размеры подколонника в плане: bп = 120 см, hп = 150 см.
Высота ступеней: h1 = 30 см; h2 = 45 см.
Размеры ступеней в плане: b = 330 см; l = 510 см; b1 = 240 см; l1 = 360 см.
Для расчета выбираем основное сочетание расчетных нагрузок: N = 289 тс; M = 136,8 тс·м.
По
табл. 15 СНиП II-21-75 при учете крановой и ветровой нагрузок (см.
табл. 21) принимаем коэффициент условий работы бетона
mб1 = 1,1.
Проверка прочности стаканного фундамента производится на действие только расчетной нормальной силы N = 289 тс на продавливание фундамента колонной от дна стакана и на раскалывание фундамента колонной.
Проверяем фундамент на продавливание колонной от дна стакана по
формуле (46)
Глубина стакана hс = 90 см; a = 4,5 см, h0д = Hф - hс - a = 120 - 90 - 4,5 = 25,5 см.
Размеры в плане дна стакана (см.
рис. 43)
bс =
bк + 10 = 60 + 10 = 70 см;
lс =
hк + 10 = 80 + 10 = 90 см. По
формуле (48):
bср =
bс +
h0д = 70 + 25,5 = 95,5 см. По
формуле (47):
F0 = 0,5
b(
l -
lс - 2
h0д) - 0,25(
b -
bс - 2
h0д)
2 = 0,5·330(510 - 90 - 2·25,5) - 0,25(330 - 70 - 2·25,5)
2 = 49 950,
N = 289 тс > 67,8 тс.
Проверяем фундамент по прочности на раскалывание от действия только нормальной силы
N = 289 тс из
условий (49) и
(50).
Определяем площадь
Fb (см.
рис. 43,
в):
Определяем площадь
Fl (см.
рис. 43,
б)
N = 289 тс < 374 тс. Прочность стаканного фундамента обеспечена, так как, согласно
п. 4.12, из расчетов на продавливание дна стакана и раскалывание фундамента принимается большая величина несущей способности фундамента.
Пример 4 (рис. 44). Определение размеров подошвы фундамента с учетом слабого подстилающего слоя грунта.
Рис. 44. Расчетная схема распределения давления
на горизонтальных сечениях в грунте
ниже подошвы фундамента
Дано: продольная сила от расчетных нагрузок в основном сочетании без учета собственного веса фундамента и грунта на его уступах N = 250 тс, изгибающий момент от расчетных нагрузок на уровне подошвы фундамента M = 70,8 тс·м.
Геологические условия характеризуются следующим напластованием грунтов: сверху залегают пески мелкие маловлажные с объемным весом

;
cн = 0,06 кгс/см
2 = 0,6 тс/м
2;

;
E = 370 кгс/см
2; мощность слоя от отметки поверхности природного рельефа 7,2 м. Ниже залегают пески пылеватые значительной мощности с объемным весом

;
cн = 0,04 кг/см
2 = 0,4 тс/см
2;

;
E = 100 кгс/см
2.
Глубина заложения фундамента h = 3 м.
Требуется запроектировать фундамент под колонну здания с гибкой конструктивной схемой.
1. Определение размеров подошвы фундамента.
Расчетные характеристики грунтов

;
E = 370 кгс/см
2;
cII = 0,1 тс/м
2;

.
Назначаем отношение сторон подошвы фундамента m = b/l = 0,75.
По
табл. 2 (
17 СНиП II-15-74) для песков мелких маловлажных
m1 = 1,3,
m2 = 1. Коэффициент надежности
kп = 1 (см.
п. 3.8).
В соответствии с
табл. 18 (
1 прил. 4 СНиП II-15-74) для песков мелких, маловлажных, плотных назначаем
R0 = 4 кгс/см
2.
и

определяем коэффициент A = 17, вес фундамента G = nAh = 17 x 3 = 51 тс.
и

определяем l = 3,4, b = ml = 0,75·3,4 = 2,55 м.
Первая подстановка. Задаемся шириной фундамента b = 2,5 м.
По графику
рис. 56, н при

,
cп = 0,1 тс/м
2,
b = 2,5 м и
h = 3 м получаем
R' = 58,6 тс/м
2 и определяем
и e1 = 0,28 определяем коэффициент A = 10, вес фундамента G = 10·3 = 30 тс.
и

определяем l = 2,6 м, b = ml = 0,75·2,6 = 1,95 м.
Вторая подстановка. Задаемся шириной подошвы фундамента b = 2 м.
По графику 56,
н при

;
cII = 0,1 тс/м
2,
b = 2 м и
h = 3 м получаем
R' = 57 тс/м
2 и определяем
и e1 = 0,28 определяем коэффициент A = 10; вес фундамента G = 10·3 = 30 тс.

и

определяем l = 2,6 м, b = ml = 0,75·2,6 = 1,95 м.
Принимаем размеры подошвы фундамента в соответствии с
п. 5.3 b = 2,1 м;
l = 2,7 м.
2. Проверка по слабому подстилающему слою.
Ниже
h = 7,2 м залегает слой слабого грунта. Расчет деформации такого слоя возможен при соблюдении условия
pбн +
pz <
R. Природное давление на кровлю слабого подстилающего слоя:

.
Дополнительное давление в грунте
pz на глубине
z = 4,2 м ниже подошвы фундамента определяем по графику
рис. 60.
При

получаем pz = 0,6 кгс/см2.
Определяем расчетное давление
R для условного фундамента, опирающегося на слабый подстилающий слой, залегающий на глубине 7,2 м. Расчетные характеристики грунтов:

;
E = 100 кгс/см
2;
cII = 0;

.
Площадь условного фундамента определяем по формуле

(75)
здесь Fу - площадь условного фундамента, м2, N - тс
Ширину условного фундамента определяем по формуле

(76)
где

- половина разности длины
l и ширины
b фундамента, м.
По
табл. 3 (
16 СНиП II-15-74) при

определяем
A = 0,98,
B = 4,93,
D = 7,4. По
табл. 2 (
17 СНиП II-15-74) для песков пылеватых
m1 = 1,2,
m2 = 1.
Условие pбн + pz < R выполнено: pбн + pz = 1,3 + 0,6 = 1,9 кгс/см2 < R = 8,4 кгс/см2.
3. Определение осадки фундамента. Среднее давление на грунт под подошвой фундамента
следовательно, условие применения расчета по деформациям по
формуле (3) (
16 СНиП II-15-74) выполнено.
Определяем глубину сжимаемой толщи основания по графику
рис. 59.
При h = 3 м и b = 2,1 м находим k = 1,39.
При
b = 2,1
определяем z'/b = 2,78.
Глубина сжимаемой толщи z' = 2,78·2,1 = 5,85 м.
Разбиваем сжимаемую толщу на горизонтальные слои, однородные по сжимаемости, высотой, меньшей 0,4b:0,6 и 0,55 м.
Дополнительные давления
p0z находим по графику
рис. 60 в зависимости от величин

;
z/
b = 2,78;
l/
b = 1,29.
Результаты вычислений приводим в
табл. 23.
z, м | z/b | p0z, кгс/см2 |
0 | 0 | 4,49 |
0,6 | 0,286 | 4,08 |
1,2 | 0,571 | 3,09 |
1,8 | 0,857 | 2 |
2,4 | 1,143 | 1,5 |
3 | 1,43 | 1,02 |
3,6 | 1,714 | 0,76 |
4,2 | 2 | 0,57 |
4,75 | 2,26 | 0,48 |
5,3 | 2,52 | 0,38 |
z' = 5,85 | 2,79 | 0,33 |
График
рис. 60 составлен для значения
pz <= 3 кгс/см
2. Для слоев
z = 0,6 и
z = 1,2 м вычисление
pz производится следующим образом. Для слоя
z = 0,6 при
l/
b = 1,29 по
табл. 1 прил. 3 СНиП II-15-74 определяем

;
pz = 0,912·4,49 = 4,08 кгс/см
2.
Для слоя z = 1,2 м при

и
l/
b = 1,29
по
табл. 1 прил. 3 СНиП II-15-74 определяем

;
pz = 0,69·4,49 = 3,09 кгс/см
2.
Определяем осадку фундамента по
формуле (5) прил. 3 СНиП II-15-74.
По
табл. 1 (
18 СНиП II-15-74) для фундаментов одноэтажных промышленных зданий, в конструкциях которых не возникают дополнительные усилия от неравномерных осадок,
Sпр ср = 15 см; S = 2,53 < Sпр ср = 15 см.
Пример 5 (рис. 45). Определение величины осадки фундамента многоэтажного двухпролетного здания с учетом влияния соседнего фундамента.
Рис. 45. Расчетные схемы распределения давления
на горизонтальных сечениях в грунте
ниже подошвы фундаментов по осям А и Б
Дано: грунтовые характеристики и глубину заложения см. в
примере 2.
Расчетные усилия для расчета оснований по деформациям на уровне подошвы фундамента по оси А: нормальная сила без учета собственного веса фундамента и грунта на его уступах N = 150 тс, изгибающий момент M = 45,8 тс·м.
По оси Б: N = 250 тс; M = 70,8 тс·м.
Размеры подошвы фундамента по оси А: l = 3,9 м, b = 2,7 м. Среднее фактическое давление на грунт под подошвой фундамента по оси
Размеры подошвы фундамента по оси Б: l = 5,1 м, b = 3,3 м. Среднее фактическое давление на грунт под подошвой фундамента по оси Б
Проверяем необходимость учета влияния нагрузки от соседнего фундамента из условия
где Lф - фактическое расстояние между осями фундаментов, см;
Lг - расстояние в см, получаемое по графикам
рис. 46, в зависимости от ширины фундамента и действующего по его подошве давления
p, кгс/см
2;
kг - коэффициент, определяемый по формуле

(78)
где b - ширина подошвы влияющего на осадку фундамента, см;
E - модуль деформации грунта, кгс/см2, принимаемый средним в пределах сжимаемой толщи;
0,6 - коэффициент, имеющий размерность см3/кгс.
Lф = 600 см;
Рис. 46. Графики для определения расстояния между осями
фундаментов, при котором учитывается
взаимное влияние осадок
а - для квадратного фундамента,
б - для прямоугольного фундамента
По графикам
рис. 46 при
b = 330 см и
p = 2,09 кгс/см
2 определяем
Lг = 750 см;
kгLф = 0,96·600 = 578 см <=
Lг = 750 см.
Условие (77) (
kгLф <=
Lг) выполнено, следовательно, при определении осадки фундамента по оси
А требуется учитывать влияние соседнего фундамента по оси
Б.
Определяем суммарные дополнительные давления в точке H фундамента по оси А. Суммарное дополнительное давление в точке H на глубине z определяется:
а) от нагрузки на фундамент по оси
А с использованием графиков
рис. 59 и
60.
При h = 3 м и b = 2,7 м определяем коэффициент k = 1,33.
b = 2,7 м получаем z'/b = 1,78; глубина сжимаемой толщи z' = 1,78·2,7 = 4,8 м. Разбиваем сжимаемую толщу на горизонтальные слои, однородные по сжимаемости высотой, меньшей 0,4b: 0,7 и 0,6 м.
По графику
рис. 60 определяем дополнительные давления в зависимости от величин
z/
b;
l/b = 1,44;
б) от нагрузки на фундамент по оси
Б как сумма угловых давлений от четырех загруженных прямоугольников
НАВГ,
НГДЖ со знаком "плюс" и
НАБС,
НСЕЖ со знаком "минус" (см.
п. 4 прил. 3 СНиП II-15-74) коэффициент

принимается по
табл. 1 прил. 3 СНиП II-15-74

.
z, м | Дополнительные давления от нагрузки на фундамент по оси А при  | Дополнительные давления от нагрузки соседнего фундамента по оси Б при  | Суммарные дополнительные давления в точке H |
прямоугольник НАВГ (НГДЖ) | прямоугольник НАБС (НСЕЖ) | | | |
n | z/b | | n | z/b | | n | z/b | |
0 | | 0 | 1,51 | | 0 | 1 | | 0 | 1 | 0 | 0 | 1,51 |
0,7 | 0,26 | 1,4 | 0,42 | 0,972 | 0,42 | 0,971 | 0,002 | 0,0008 | 1,4 |
1,4 | 0,52 | 1,12 | 0,85 | 0,866 | 0,85 | 0,853 | 0,026 | 0,0103 | 1,13 |
2,1 | 0,78 | 0,85 | 1,27 | 0,735 | 1,27 | 0,705 | 0,06 | 0,0237 | 0,83 |
2,8 | 1,04 | 0,61 | 1,7 | 0,615 | 1,7 | 0,566 | 0,098 | 0,0387 | 0,65 |
3,5 | 1,3 | 0,44 | 2,1 | 0,526 | 2,1 | 0,462 | 0,128 | 0,0505 | 0,49 |
4,2 | 1,56 | 0,33 | 2,54 | 0,447 | 2,55 | 0,37 | 0,154 | 0,0608 | 0,39 |
4,8 | 1,78 | 0,27 | 2,9 | 0,397 | 2,9 | 0,313 | 0,168 | 0,06 | 0,33 |
Проверяем условие
. Для
z = 4,8 м

: условие выполнено в пределах допускаемой точности

, следовательно, глубина сжимаемой зоны, вычисляемая по графику
рис. 59 от нагрузки на фундамент по оси
А, принимается
z = 4,8 м.
Определяем осадку фундамента по оси
А в точке
H по
формуле (5) прил. 3 СНиП II-15-74:
Осадка фундамента по оси
А в точке
H с учетом влияния соседнего фундамента по оси
Б Sн = 3,99 см <
Sпр = 8 см. Предельная величина деформации основания
Sпр = 8 см определена по
табл. 1 (
18 СНиП II-15-74).
Пример 6 (рис. 46). Определение крена фундамента по оси
А.
Дано: грунтовые характеристики и глубину заложения см.
пример 2; нагрузки и размеры подошвы фундаментов см.
пример 5. Крен отдельного прямоугольного фундамента по оси
А складывается из двух величин:
от эксцентричного загружения фундамента;
вследствие неравномерной осадки от влияния соседнего фундамента по оси Б.
Определяем крен продольной оси фундамента по оси
А от эксцентричного загружения по
формуле (8) прил. 3 СНиП II-15-74:
Коэффициент

для глинистых грунтов принимаем равным 0,42;
kl определяем по
табл. 4 прил. 3 СНиП II-15-74 при
kl = 0,73.
Крен фундамента, получаемый в результате влияния рядом стоящего фундамента, вычисляется по формуле
где S1 и S2 - осадки краев рассчитываемого фундамента, определяемые соответственно в точках О и М.
Определяем осадку фундамента в точке М.
Величина сжимаемой зоны в случае учета влияний соседних фундаментов определяется исходя из суммарных давлений.
Находим суммарные дополнительные давления в точке М.
Суммарное дополнительное давление в точке М на глубине z определяется:
а) от нагрузки на фундамент по оси А как сумма угловых давлений от двух загруженных прямоугольников МЛ'И'О, МОП'К' по формуле
б) от нагрузки на фундамент по оси Б как сумма угловых давлений от четырех загруженных прямоугольников МЛВГ, МГДК со знаком "плюс" и МЛБС, МСЕК со знаком "минус" по формуле
Вычисление

ведем в табличной форме
(табл. 25), коэффициент

определяем по
табл. 1 прил. 3 СНиП II-15-74. Сжимаемую толщу разбиваем на горизонтальные слои, однородные по сжимаемости, высотой, меньшей 0,4
b:
ht = 0,7 м.
z, м | Дополнительные давления от нагрузки на фундамент по оси А при  | Дополнительные давления от нагрузок на фундамент оси Б при  | Суммарные дополнительные давления в точке М |
прямоугольник МЛ'И'О (МОП'К') | | прямоугольник МЛВГ (МГДК) | прямоугольник МЛБС (МСЕК) | | | |
n | z/b | | | n | z/b | | n | z/b | |
0 | | 0 | 1 | 2 | 0,755 | | 0 | 1 | | 0 | 1 | 0 | 0 | 0,755 |
0,7 | 0,519 | 0,947 | 1,894 | 0,715 | 0,42 | 0,972 | 0,42 | 0,972 | 0 | 0 | 0,715 |
1,4 | 1,038 | 0,799 | 1,598 | 0,604 | 0,85 | 0,865 | 0,85 | 0,863 | 0,004 | 0,002 | 0,606 |
2,1 | 1,557 | 0,637 | 1,274 | 0,481 | 1,27 | 0,734 | 1,27 | 0,728 | 0,012 | 0,005 | 0,486 |
2,8 | 2,076 | 0,506 | 1,012 | 0,383 | 1,7 | 0,615 | 1,7 | 0,606 | 0,022 | 0,009 | 0,392 |
3,5 | 2,595 | 0,406 | 0,812 | 0,305 | 2,1 | 0,526 | 2,1 | 0,511 | 0,03 | 0,012 | 0,317 |
4,2 | 3,114 | 0,33 | 0,66 | 0,248 | 2,55 | 0,447 | 2,55 | 0,426 | 0,042 | 0,017 | 0,265 |
Глубину сжимаемой толщи определяем по условию

, для
z = 4,2 м

. Условие выполнено.
Вычисляем осадку фундамента по оси
А в точке
М по
формуле (5) прил. 3 СНиП II-15-74:
Определяем осадку фундамента по оси А в точке О.
Суммарные дополнительные давления в точке О на глубине z определяются:
1) от нагрузки на фундамент по оси А как сумма угловых давлений от двух нагруженных прямоугольников МЛ'И'О и МОП'К' по формуле
где

;
2) от нагрузки на фундамент по оси Б как сумма угловых давлений от четырех загруженных прямоугольников ОИВГ, ОГДП со знаком "плюс" и ОИБС, ОСЕП со знаком "минус" по формуле
где

. Коэффициент

определяем по
табл. 1 прил. 3 СНиП II-15-74.
Сжимаемую зону разбиваем на горизонтальные слои, однородные по сжимаемости, высотой, меньшей 0,4
b:
ht = 0,7 м. Вычисление

ведем в табличной форме
(табл. 26). Глубину сжимаемой толщи определяем по условию

;
для z = 5,6 м
Условие выполнено.
z, м | Дополнительные давления от нагрузки на фундамент по оси А при  | Дополнительные давления от нагрузки на фундамент по оси Б при  | Суммарные дополнительные давления в точке О |
прямоугольник МЛ'И'О (МОП'К') | | | прямоугольник ОИВГ (ОГДП) | прямоугольник ОИБС (ОСЕП) | | | |
n | z/b | | n | z/b | | n | z/b | |
0 | | 0 | 1 | 2 | 0,755 | | 0 | 1 | | 0 | 1 | 0 | 0 | 0,755 |
0,7 | 0,519 | 0,947 | 1,894 | 0,715 | 0,42 | 0,972 | 0,42 | 0,952 | 0,04 | 0,016 | 0,731 |
1,4 | 1,038 | 0,799 | 1,598 | 0,604 | 0,85 | 0,864 | 0,85 | 0,776 | 0,176 | 0,07 | 0,674 |
2,1 | 1,557 | 0,637 | 1,274 | 0,481 | 1,27 | 0,733 | 1,27 | 0,579 | 0,308 | 0,12 | 0,601 |
2,8 | 2,076 | 0,506 | 1,012 | 0,383 | 1,7 | 0,612 | 1,7 | 0,421 | 0,382 | 0,149 | 0,532 |
3,5 | 2,593 | 0,404 | 0,808 | 0,305 | 2,1 | 0,523 | 2,1 | 0,316 | 0,414 | 0,159 | 0,464 |
4,2 | 3,111 | 0,38 | 0,66 | 0,248 | 2,54 | 0,44 | 2,54 | 0,237 | 0,406 | 0,158 | 0,406 |
4,9 | 3,63 | 0,271 | 0,542 | 0,203 | 2,96 | 0,376 | 2,96 | 0,185 | 0,382 | 0,148 | 0,342 |
5,6 | 4,15 | 0,226 | 0,452 | 0,169 | 3,4 | 0,327 | 3,4 | 0,145 | 0,364 | 0,141 | 0,309 |
Вычисляем осадку фундамента по оси
А в точке
О по
формуле (5) прил. 3 СНиП II-15-74:
Крен фундамента по оси А с учетом влияния соседнего фундамента по оси Б
Суммарный крен фундамента il1 + il2 = 0,0047 + 0,002 = 0,0067.
Пример 7 (рис. 47). Определение размеров и арматуры подошвы внецентренно нагруженного фундамента с моментами в двух взаимно перпендикулярных направлениях.
Рис. 47. Схема образования пирамиды продавливания
двух нижних ступеней фундамента
Дано: основное сочетание нормативных нагрузок на уровне подошвы фундамента
Nн = 220 тс,

,

; основное сочетание расчетных нагрузок на уровне подошвы фундамента для расчета оснований по деформациям с коэффициентом перегрузки, равным 1;
N = 220 тс;
Mx = 68 тс·м;
My = 15 тс·м; основное сочетание расчетных нагрузок на уровне подошвы фундамента для расчета конструкций на прочность с коэффициентом перегрузки по
СНиП II-6-74 N = 264 тс;
Mx = 81,6 тс·м;
My = 18 тс·м.
Характеристики грунта: глинистый грунт с консистенцией
IL <= 0,5;

;
cII = 0,12 кгс/см
2 = 1,2 тс/м
2; глубина заложения фундамента
h = 3 м.
По
табл. 2 (
17 СНиП II-15-74) для глинистых грунтов с
IL <= 0,5 определяем
m1 = 1,2; для зданий с гибкой конструктивной схемой
m2 = 1. Коэффициент
kн = 1 при определении расчетных характеристик грунта по результатам непосредственных испытаний образцов (см.
п. 3.8).
Назначаем отношение сторон подошвы фундамента m = b/l = 0,75. Бетон фундамента марки М150; сечение монолитной колонны bк = 40 см; hк = 60 см.
1. Определение размеров подошвы фундамента. В соответствии с
табл. 19 (
2 прил. 4 СНиП II-15-74) для глин с консистенцией
IL = 0,3 и коэффициентом пористости
e = 0,8 назначаем условное расчетное давление на основание
R0 = 2,7 кгс/см
2 = 27 тс/м
2.
и

определяем коэффициент A = 20, вес фундамента G = nAh = 20·3 = 60 тс.

и
определяем l = 3,7 м, b = ml = 0,75·3,7 = 2,78 м.
Первая подстановка. Задаемся
b = 2,7 м. По графику
рис. 56, д при

,
cII = 1,2 тс/м
2,
b = 2,7 м,
h = 3 м.
Определяем R' = 25,8 тс/м2,
и e1 = 0,4 определяем A = 17,5, вес фундамента G = Ah = 17,5·3 = 52,5 тс.

и
определяем l = 3,5 м; b = ml = 0,75·3,5 = 2,63 м.
Полученное значение ширины подошвы фундамента
b = 2,63 отличается от принятого значения
b = 2,7 м менее чем на 3%, что вполне допустимо (см.
п. 3.17, д)
Определяем среднее давление под подошвой фундамента.
Определяем краевые давления под подошвой фундамента
Поскольку краевое давление под подошвой фундамента превышает допустимую величину, производим определение размеров подошвы фундамента исходя из
условия (8):
Первая подстановка: задаемся шириной подошвы фундамента b = 2,7 м.
По графику
рис. 56, д при

;
cII = 1,2 тс/м
2,
b = 2,7 м и
h = 3 м определяем
R' = 25,8 тс/м
2,

и

определяем коэффициент A = 20, вес фундамента G = 20·3 = 60 т.

и

определяем l = 3,7 м; b = 0,75·3,7 = 2,77 м.
Полученное значение b = 2,77 отличается от принятого значения b = 2,7 м менее чем на 3%, что вполне допустимо. Размеры подошвы b = 2,7 м, l = 3,9 м.
2. Определение высоты фундамента и разбивка ступеней в плане и по высоте
Для расчета по прочности в данном случае невыгодной комбинацией является основное сочетание нагрузок.
Определяем высоту фундамента по основному сочетанию нагрузок: при учете только постоянных и длительных нагрузок N = 264 тс, Mx = 81,6 тс·м, My = 18 тс·м.
По
табл. 15 СНиП II-21-75 при учете постоянных и длительных нагрузок для тяжелого бетона и глинистого грунта с
IL < 0,5 принимаем

.
Вычисляем
F3 = b(l - 0,5b + bк - hк) = 2,7(3,9 - 0,5·2,7 + 0,4 - 0,6) = 6,35 м2, bк = 40 см находим H0 = 95 см, H = 95 + 3,5 + 1 = 99,5 см.
В соответствии с
п. 5.3 и
табл. 9 принимаем
H = 105 см и разбиваем ступени по высоте:
h1 = 30 см,
h2 = 80 см,
h3 = 45 см.
По
табл. 10 b -
b1 > 2
h01 при
p2 = 3,7 кгс/см
2 и марке бетона М150 находим:
c1 = 2,04,
h01 = 2,04·25,5 = 52 см. Принимаем
c1 = 60 см.
По
формулам (41) -
(44) для трехступенчатого фундамента определяем
l1 =
l - 2
c1 = 390 - 2·60 = 270 см,
b1 =
ml1 = 0,75·270 = 202 см;
b2 = 0,75·186 = 140 см.
В соответствии с
п. 5.3 принимаем размеры ступеней фундамента в плане кратными 300 мм:
l1 = 270 см;
b1 = 210 см;
l2 = 180 см;
b2 = 150 см.
Размер
l2 = 180 см получен округлением в меньшую сторону, поэтому найденный консольный вынос ступеней должен быть проверен расчетом на продавливание. Этот расчет двух нижних ступеней фундамента производится из
условия (20), где
P =
F0p2 (рис. 47):
3. Определение арматуры подошвы фундамента

где

p3 = 2,51 + 1,19·0,154 = 2,69 кгс/см2.
l - hк = 390 - 60 = 330 см и H0 = 105 - 3,5 - 1 = 100,5 см
находим площадь арматуры класса А-II на 1 пог. м ширины фундамента,
Проверяем арматуру Fl по граням ступеней фундамента. В сечении II-II

где

p3 = 2,51 + 1,19·0,46 = 3,06 кгс/см2.
l - l1 = 390 - 180 = 210 см и H0 - h3 = 100,5 - 45 = 55,5 см
находим площадь арматуры класса А-II на 1 м ширины фундамента:
В сечении III-III
p3 = 2,51 + 1,19·0,692 = 3,33 кгс/см2.
l - l2 = 390 - 270 = 120 см, h01 = h1 - 3,5 - 1 = 25,5 см
находим площадь арматуры класса А-II на 1 м ширины фундамента.
Определяющим является количество арматуры по грани колонны.
Принимаем

22А-II (19 см
2/м ширины фундамента).
Определяем арматуру в сечении I'-I' по грани колонны.

где

p3 = 2,51 + 0,38·0,148 = 2,57 кгс/см2.
b -
bк = 270 - 40 = 230 см и

находим площадь арматуры класса А-II на 1 м длины фундамента
Определяющим является количество арматуры по грани колонны.
Принимаем

14А-II (7,69 см
2/м длины фундамента).
Пример 8 (рис. 48). Определение поперечной арматуры подколонника со стаканом
Рис. 48. Армирование стаканной части подколонника
Дано: расчетные усилия на уровне верха подколонника M = 60 тс·м; Q = 5 тс, N = 80 тс.
Марка бетона подколонника М200, арматура горячекатаная класса А-II. Сечение колонны 80 x 40 см, арматурные стержни

30А-III.
Требуется определить поперечную арматуру подколонника.
По
табл. 13 из условия анкеровки арматуры колонны принимаем глубину стакана 95 см.
Толщину стен стакана определяем по
табл. 15. При
(толщина стен должна быть не менее 0,2hк = 0,2·80 = 16 см и не менее 20 см).
В соответствии с
п. 5.3 для получения унифицированного размера подколонника назначаем толщину стен равной 27,5 см.
Сечение каждого рабочего стержня сварной сетки
Принимаем пять сварных сеток со стержнями

.
Пример 9 (рис. 49). Расчет фундамента в случае неполного касания подошвы фундамента с грунтом, когда
l/6 <
e <=
l/4,
где
Рис. 49. Расчетная схема фундамента в случае
неполного касания подошвы фундамента с грунтом

(79)
Высота плитной части фундамента определяется из расчета на продавливание по
условию (20) с помощью графика
рис. 61, причем
где n - средний коэффициент перегрузки от всех нагрузок.
Прочность бетона плитной части фундамента на "обратный" момент проверяется в сечениях по грани подколонника и по граням ступеней IV-IV, V-V, VI-VI:
В сечениях IV-IV и V-V:
MV-V <= RрWт. (81)
В сечении VI-VI:

(82)
Изгибающие моменты в сечениях определяются для консольных участков плитной части фундамента при ширине фундамента
b по эпюре давлений (см.
рис. 49).
При невыполнении
условий (80) -
(82) рекомендуется повысить марку бетона фундамента или увеличить габариты плитной части фундамента, уменьшая вынос нижней ступени и увеличивая высоту плитной части за счет верхних ступеней.
Сечение рабочей арматуры определяется из расчета на изгиб консольного выступа плитной части фундамента в сечениях по граням подколонника и по граням ступеней фундамента
I-I, II-II, III-III, I'-I', II'-II', III'-III' по
формулам (51),
(53),
(55),
(58),
(60),
(62); изгибающие моменты определяются по формулам:
в сечении I-I:

(83)
в сечении II-II:

(84)
в сечении III-III:

(85)
в
формулах (83) -
(85):
pср - усредненное давление на рассматриваемом консольном выступе:
в сечении I-I:

(86)
в сечении II-II:

(87)
в сечении III-III:

(88)
где

(89)
в сечении I'-I':

(90)
в сечении II'-II':

(91)
в сечении III'-III':

(92)
В
формулах (83) -
(92):
b,
b1,
b2,
l,
l1,
l2,
bп,
hп,
e в м;
p2,
pмакс в тс/м
2;
Nн в тс.
Дано: расчетные усилия на уровне отметки подошвы фундамента для расчета по деформациям: N = Nн = 70 тс; M = Mн = 218 тс·м.
Расчетные усилия на уровне отметки подошвы фундамента для расчета по прочности: N = 84 тс; M = 262 тс·м.
Глубина заложения подошвы фундамента
h = 3 м;

.
Размеры подошвы фундамента определены: b = 3,3 м, l = 5,1 м.
Бетон фундамента М200, арматура класса А-II.
Вычисляем давление на грунт под подошвой фундамента:
где
1. Определение размеров и арматуры фундамента
Высота плитной части фундамента определяется из расчета на продавливание по
условию (20) с помощью графика
рис. 61.
Размеры подколонника: hп = 1,5 м; bп = 1,2 м.
По
табл. 15 СНиП II-21-75 при учете постоянных и длительных нагрузок для тяжелого бетона и глинистого грунта с
IL < 0,5 принимает

.
F3 =
b(
l - 0,5
b +
bп -
hп) = 3,3(5,1 - 0,5·3,3 + 1,2 - 1,5) = 10,4 м
2,
bп = 120 см находим
H0 = 74 см.
H =
H0 + 3,5 +
d/2 = 74 + 3,5 + 1 = 78,5 см. Принимаем
H = 90 см. Ступени по высоте
h1 =
h2 =
h3 = 30 см. По
табл. 10 при
b -
b1 > 2
h01 при
pгр = 2,53 кгс/см
2 и марке бетона М200 находим
c1 = 2,65,
h01 = 2,65·25,5 = 68 см.
Принимаем
c1 = 60 см. По
формулам (41) -
(44) для трехступенчатого фундамента с учетом модуля 300 мм определяем:
l1 = 390 см; b1 = 270 см;
l2 = 270 см; b2 = 180 см.
Определяем арматуру фундамента Fl и Fb.
Эпюра давлений по подошве фундамента показана на
рис. 50:
Рис. 50. Размеры фундамента и расчетная схема в случае
неполного касания подошвы фундамента с грунтом
Сечение рабочей арматуры определяется из расчета на изгиб консольного выступа фундамента в сечениях по грани подколонника и по граням ступеней фундамента I-I, II-II, III-III.
В сечении I-I:
В сечении II-II:
В сечении III-III:
Определяющим является количество арматуры по грани подколонника.
Принимаем

20А-II (15,71 см
2) на 1 м ширины фундамента.
Арматура подошвы Fb в сечении I'-I' на 1 м длины:
Арматура подошвы Fb в сечении II'-II' на 1 м длины:
Арматура подошвы Fb в сечении III'-III' на 1 м длины:
Определяющим является количество арматуры по грани подколонника.
Принимаем

12А-II (5,65 см
2) на 1 м длины фундамента.
Проверяем прочность бетона в сечении VI-VI:

где
b = 1 м;
Прочность бетона в сечении VI-VI удовлетворена.
Пример 10 (рис. 51). Проверка прочности бетона плитной части фундамента на "обратный" момент в случае, когда

и
pмин < 0, где

Рис. 51. Расчетная схема фундамента при расчете
фундамента на "обратный момент"
Прочность бетона плитной части фундамента проверяется в сечениях по грани подколонника и по граням ступеней:
в сечении IV-IV:

(93)
в сечении V-V:

(94)
в сечении VI-VI:

(95)
коэффициент k для сечения IV-IV: k = hп/l;
для сечения V-V, k = l2/l;
для сечения VI-VI: k = l1/l,
При p3 > 0 проверка прочности в данном сечении не требуется.
В
формулах (93),
(94) Wт - момент сопротивления для растянутой грани бетонного сечения.
В целях экономии расхода бетона при невыполнении условия прочности для нижней ступени фундамента в сечении VI-VI следует уменьшить вынос нижней ступени; при невыполнении условия прочности в сечении IV-IV следует увеличить высоту плитной части прежде всего за счет высоты верхней ступени фундамента.
Дано: нагрузки на фундамент на отметке +/- 0,00 м:
Mн = 174,5 тс·м, Qн = 17 тс, Nн = 55,5 тс, qн = 0.
Глубина заложения подошвы фундамента h = 3 м.
Размеры фундамента
(рис. 52) определены с учетом проверки на продавливание
условие применения расчета выполнено:
Рис. 52. Размеры фундамента и расчетная схема при расчете
фундамента на "обратный момент"
Проверяем прочность бетона плитной части фундамента в сечении IV-IV:
p3 < 0 - проверка прочности в данном сечении требуется
Определяем величину Wт в сечении IV-IV.
F = 420·30 + 300·30+ 180·30 = 12 600 + 9000 + 5400 =
= 27 000 см2;
S = 12 600·15 + 9000·45 + 5400·75 = 999 000 см3;
yв = 90 - 37 = 53 см.
Рис. 53. Плитная часть фундамента в сечении
IV-IV
1 - растянутая часть сечения, 2 - сжатая часть сечения
Момент инерции сжатой части сечения относительно нулевой линии
Статический момент растянутой части сечения относительно нулевой линии
Sр = 300·23·11,5 + 180·30(53 - 15) = 284 500 см3.
При марке бетона М150: RрWт = 0,85·6,3·666 500 = 3 560 000 = 35,6 тс·м; MIV-IV = 41,6 тс·м > RрWт условие прочности не удовлетворено. Проверяем прочность бетона нижней ступени фундамента в сечении VI-VI:

- условие прочности не удовлетворено и для нижней ступени.
Изменяем габариты плитной части фундамента, уменьшив вынос нижней ступени и увеличив высоту верхней ступени
(рис. 54)
Рис. 54. Размеры фундамента при изменении габаритов
его плитной части
Проверяем прочность бетона нижней ступени фундамента в сечении VI-VI

- условие прочности нижней ступени выполнено.
Проверяем прочность бетона плитной части фундамента в сечении IV-IV.
Определяем величину
Wт в сечении
IV-IV (рис. 55):
F = 420·30 + 300·30 + 180·45 = 12 600 + 9000 + 8100 =
= 29 700 см2;
S = 12 600·15 + 9000·45 + 8100·82,5 = 1 262 000 см3;
yв = 105 - 42,5 = 62,5 см.
Рис. 55. Плитная часть фундамента в сечении
IV-IV
при изменении габаритов фундамента
Момент инерции сжатой части сечения относительно нулевой линии
Статический момент растянутой части сечения относительно нулевой линии:
Sр = 300·17,5·8,75 + 180·45(62,5 - 22,5) = 370 000 см3;
RрWт = 0,85·6,3·872 000 = 4 670 000 = 46,7 тс·м;
MIV-IV = 41,6 тс·м < RрWт = 46,7 тс·м - условие прочности выполнено.
Принимаем размеры плитной части фундамента по
рис. 54.
ГРАФИКИ ДЛЯ РАСЧЕТА ОСНОВАНИЙ И ФУНДАМЕНТОВ
1. Порядок определения расчетного давления на основание указан стрелками на графиках
рис. 56, в,
г,
з,
м. В частности, на графике 3 указан порядок определения
R для случаев

,
b = 2,8 м,
h = 2,8 м,
c = 2 т/м
2. Проследив за направлением стрелок, начинающихся от
b = 2,8 м, можно определить, что расчетное давление на основание
R = 24 тс/м
2.
2. Объемный вес грунта принят равным 1,8 т/м
3. Если фактический объемный вес грунта отличается от принятого, то при определении расчетного давления на основание по графикам следует значение при
c = 0 умножить на отношение

, где

- фактически установленный объемный вес грунта.
а)
б)
е)
и)
к)
л)
о)
п)
Рис. 56. Графики для определения
расчетного давления на основание
Рис. 57. График коэффициентов
A для определения веса
фундамента с весом грунта на его уступах

;

- для внецентренно нагруженного фундамента, м;
- для внецентренно нагруженного фундамента с моментами
в двух направлениях, м; 1,2R - наибольшее расчетное давление
на основание у края подошвы внецентренно нагруженного
фундамента; 1,5R - то же, в угловой точке подошвы
внецентренно нагруженного фундамента с моментами в двух
направлениях, т/м2; G - вес фундамента с весом грунта на
его уступах, т;
G =
Ah;
N, т;
M,
Mx,
My, тс·м,

, тс/м
3;
h, м. Порядок определения коэффициента A указан
на графике стрелками, в частности, для F1 = 8
и e1 = 0,83 находим A = 34
Рис. 58. График для определения размеров подошвы фундаментов

;

- для внецентренно нагруженного фундамента, м,

- для внецентренно нагруженного фундамента с моментами
в двух направлениях, м; 1,2R - наибольшее расчетное давление
на основание у края подошвы внецентренно нагруженного
фундамента; 1,5R - то же, в угловой точке подошвы
внецентренно нагруженного фундамента с моментами в двух
направлениях, тс/м
2,
N, т;
M,
Mx,
My, тс·м;

, тс/м
3;
h, м;
l, м. Порядок определения большего размера подошвы
фундамента l указан на графике стрелками. В частности,
для e2 = 0,33 и F2 = 22,4 находим l = 5,5 м
Рис. 59. График для определения глубины
z' сжимаемой толщи
основания. Порядок определения отношения

указан на графике
стрелками. В частности, для

;
b = 3,5 м
и l/b = 1,4 находим z'/b = 1,96; z' = 1,96; b = 6,9
b, м | Значения коэффициента k при h, м |
1 | 2 | 3 | 4 | 5 |
1 | 1 | 1,3 | 1,6 | 1,9 | 2,2 |
2 | 1 | 1,2 | 1,4 | 1,65 | 1,9 |
3 | 1 | 1,15 | 1,3 | 1,45 | 1,65 |
4 | 1 | 1,1 | 1,25 | 1,4 | 1,55 |
5 | 1 | 1,1 | 1,2 | 1,35 | 1,45 |
Рис. 60. График для определения дополнительного
(к природному) давления в грунте pz (на глубине z ниже
подошвы фундамента). Порядок определения pz указан
на графике стрелками. В частности, для z/b = 1,2, l/b = 1,4;

находим
pz = 0,83 кгс/см
2
ОСНОВНЫЕ БУКВЕННЫЕ ОБОЗНАЧЕНИЯ
Усилия от внешних нагрузок
N - нормальная сила на уровне подошвы фундамента от расчетных нагрузок без учета веса фундамента и грунта на его уступах;
M - изгибающий момент на уровне подошвы фундамента от расчетных нагрузок, передающихся на фундамент от колонны;
Q - поперечная сила на уровне верха фундамента от расчетных нагрузок, передающаяся на фундамент от колонны;
Nн - нормальная сила на уровне подошвы фундамента от нормативных нагрузок без учета веса фундамента и грунта на его уступах;
Mн - изгибающий момент на уровне подошвы фундамента от нормативных нагрузок;

- изгибающий момент на уровне подошвы фундамента от нормативных нагрузок, действующий в направлении большего размера фундамента
l;

- изгибающий момент на уровне подошвы фундамента от нормативных нагрузок, действующий в направлении меньшего размера
b фундамента.
Рис. 61. График для определения рабочей высоты фундамента
H0. Для центрально нагруженного фундамента

, кгс/см
2;
для внецентренно нагруженного фундамента

, кгс/см
2;
F3 = b(l - 0,5b + bк - hк), м2; Rр - расчетное сопротивление
бетона растяжению, кгс/см
2;

- коэффициент условий работы
бетона согласно
табл. 15 СНиП II-21-75. Порядок определения
высоты фундамента H0 показан стрелками на графике:
по найденным значениям
F3 = 16 м
2 и

по заданному
значению bк = 100 см находят рабочую высоту фундамента
H0 = 98,5 см. В случае когда проверка на продавливание
производится от нижнего обреза подколонника, величина
bк заменяется величиной bп, hк - величиной hп.
Характеристика материалов
R - проектная марка бетона фундамента по прочности на сжатие (кубиковая прочность бетона), кгс/см2;
Rр - расчетное сопротивление бетона растяжению, принимаемое как для железобетонных конструкций, кгс/см2;
Rа - расчетное сопротивление продольной растянутой арматуры, кгс/см2.
Характеристика грунта

и

- соответственно расчетный и нормативный угол внутреннего трения грунта;
c и cн - соответственно расчетное и нормативное удельное сцепление для глинистых грунтов или расчетный и нормативный параметр линейности для песчаных грунтов;
E - модуль деформации грунта;
R - расчетное давление на грунты основания;

- объемный вес грунта, залегающего выше отметки заложения фундамента;

- усредненный объемный вес фундамента с грунтом;
p - среднее фактическое давление на грунт под подошвой фундамента от расчетных нагрузок, кгс/см2, не превышающее расчетного давления R.
Рис. 62. График для определения арматуры подошвы фундамента
Fа на 1 м ширины для давления 1 кг/см2 арматуры класса А-II;
Fl - площадь сечения арматуры на 1 м ширины; Fb = Fаp1, см2;

, см
2;
p1,
p2,
p3 - давления на грунт от расчетных
определения арматуры подошвы фундамента Fа показан стрелками
на графике. В частности, для H0 = 126,5 см
и l - hк = 4,5 м находим Fа = 8,25 см2
Рис. 63. Предельные значения длины участка
lб нижней ступени
фундамента (высотой h1 = 30, 45, 60 см из бетона марок М150,
М200, М300, кгс/см2), на которой прочность наклонных сечений
обеспечивается бетоном. Для центрально нагруженного
фундамента

, кгс/см
2. Для внецентренно нагруженного
фундамента

, кгс/см
2. График составлен для коэффициента
условий работы бетона

, при других значениях

(см.
табл. 15 СНиП II-21-75) полученное значение
lб умножается на величину

Геометрические характеристики
F - площадь подошвы фундамента;
W - момент сопротивления подошвы фундамента в направлении действующего изгибающего момента;
Wx - момент сопротивления подошвы фундамента в направлении действия изгибающего момента Mx;
Wy - момент сопротивления подошвы фундамента в направлении действия изгибающего момента My;
b - меньшая сторона прямоугольной подошвы фундамента;
l - большая сторона прямоугольной подошвы фундамента;
bп - меньший размер сечения подколонника;
lп - больший размер сечения подколонника;
m - отношение меньшей стороны прямоугольной подошвы фундамента к большей;
hн - расстояние между наружными гранями двухветвевой колонны;
bк - меньший размер сечения прямоугольной колонны у обреза фундамента;
hк - больший размер сечения прямоугольной колонны у обреза фундамента;
Hф - полная высота фундамента;
H - высота плитной части фундамента;
H0 - рабочая высота плитной части фундамента;
hп - высота подколонника;
h1, h2, h3 - соответственно высота от подошвы фундамента первой, второй и третьей ступеней фундамента;
h01 - рабочая высота нижней ступени фундамента;
h - глубина заложения фундамента от природного уровня грунта или от планировки срезкой до подошвы фундамента.