Главная // Актуальные документы // Актуальные документы (обновление с 29.09.2025 по 01.11.2025) // ГОСТ (Государственный стандарт)СПРАВКА
Источник публикации
М.: ФГБУ "Институт стандартизации", 2025
Примечание к документу
Документ
вводится в действие с 01.12.2025.
Взамен ГОСТ 8995-75.
Название документа
"ГОСТ 8995-2025. Межгосударственный стандарт. Подшипники качения. Подшипники шариковые радиально-упорные однорядные с полукольцами. Классификация, указания по применению и эксплуатации"
(введен в действие Приказом Росстандарта от 15.08.2025 N 897-ст)
"ГОСТ 8995-2025. Межгосударственный стандарт. Подшипники качения. Подшипники шариковые радиально-упорные однорядные с полукольцами. Классификация, указания по применению и эксплуатации"
(введен в действие Приказом Росстандарта от 15.08.2025 N 897-ст)
Введен в действие
агентства по техническому
регулированию и метрологии
от 15 августа 2025 г. N 897-ст
МЕЖГОСУДАРСТВЕННЫЙ СТАНДАРТ
ПОДШИПНИКИ КАЧЕНИЯ
ПОДШИПНИКИ ШАРИКОВЫЕ РАДИАЛЬНО-УПОРНЫЕ
ОДНОРЯДНЫЕ С ПОЛУКОЛЬЦАМИ
КЛАССИФИКАЦИЯ, УКАЗАНИЯ ПО ПРИМЕНЕНИЮ И ЭКСПЛУАТАЦИИ
Rolling bearings. Single row angular contact
ball bearings with semi-rings. Classification, guidance
for application and exploitation
ГОСТ 8995-2025
Дата введения
1 декабря 2025 года
Цели, основные принципы и общие правила проведения работ по межгосударственной стандартизации установлены
ГОСТ 1.0 "Межгосударственная система стандартизации. Основные положения" и
ГОСТ 1.2 "Межгосударственная система стандартизации. Стандарты межгосударственные, правила и рекомендации по межгосударственной стандартизации. Правила разработки, принятия, обновления и отмены"
1 РАЗРАБОТАН Открытым акционерным обществом "Управляющая компания ЕПК" (ОАО "УК ЕПК")
2 ВНЕСЕН Межгосударственным техническим комитетом по стандартизации МТК 307 "Подшипники качения и скольжения"
3 ПРИНЯТ Межгосударственным советом по стандартизации, метрологии и сертификации (протокол от 31 июля 2025 г. N 187-П)
За принятие проголосовали:
Краткое наименование страны по МК (ИСО 3166) 004-97 | Код страны по МК (ИСО 3166) 004-97 | Сокращенное наименование национального органа по стандартизации |
Азербайджан | AZ | Азстандарт |
Армения | AM | ЗАО "Национальный орган по стандартизации и метрологии" Республики Армения |
Беларусь | BY | Госстандарт Республики Беларусь |
Россия | RU | Росстандарт |
Узбекистан | UZ | Узбекское агентство по техническому регулированию |
4
Приказом Федерального агентства по техническому регулированию и метрологии от 15 августа 2025 г. N 897-ст межгосударственный стандарт ГОСТ 8995-2025 введен в действие в качестве национального стандарта Российской Федерации с 1 декабря 2025 г.
5 ВЗАМЕН ГОСТ 8995-75
Информация о введении в действие (прекращении действия) настоящего стандарта и изменений к нему на территории указанных выше государств публикуется в указателях национальных стандартов, издаваемых в этих государствах, а также в сети Интернет на сайтах соответствующих национальных органов по стандартизации.
В случае пересмотра, изменения или отмены настоящего стандарта соответствующая информация будет опубликована на официальном интернет-сайте Межгосударственного совета по стандартизации, метрологии и сертификации в каталоге "Межгосударственные стандарты"
Настоящий стандарт распространяется на шариковые радиально-упорные однорядные подшипники с наружными или внутренними полукольцами (далее - подшипники), изготавливаемые по
ГОСТ 520, и устанавливает их классификацию по конструктивным исполнениям и присоединительным размерам, указания по применению и эксплуатации.
В настоящем стандарте использованы нормативные ссылки на следующие межгосударственные стандарты:
ГОСТ 520 Подшипники качения. Общие технические условия
ГОСТ 3189 Подшипники качения. Система условных обозначений
ГОСТ 3325 Подшипники качения. Поля допусков и технические требования к посадочным поверхностям валов и корпусов. Посадки
ГОСТ 3478 Подшипники качения. Присоединительные размеры
ГОСТ 24955 Подшипники качения. Термины и определения
ГОСТ 25256 Подшипники качения. Допуски. Термины и определения
Примечание - При пользовании настоящим стандартом целесообразно проверить действие ссылочных стандартов и классификаторов на официальном интернет-сайте Межгосударственного совета по стандартизации, метрологии и сертификации (www.easc.by) или по указателям национальных стандартов, издаваемым в государствах, указанных в предисловии, или на официальных сайтах соответствующих национальных органов по стандартизации. Если на документ дана недатированная ссылка, то следует использовать документ, действующий на текущий момент, с учетом всех внесенных в него изменений. Если заменен ссылочный документ, на который дана датированная ссылка, то следует использовать указанную версию этого документа. Если после принятия настоящего стандарта в ссылочный документ, на который дана датированная ссылка, внесено изменение, затрагивающее положение, на которое дана ссылка, то это положение применяется без учета данного изменения. Если ссылочный документ отменен без замены, то положение, в котором дана ссылка на него, применяется в части, не затрагивающей эту ссылку.
3 Термины, определения и обозначения
3.1 В настоящем стандарте применены термины по ГОСТ 24955 и ГОСТ 25256, а также следующие термины с соответствующими определениями:
3.1.1 номинальный угол контакта: Угол между радиальной плоскостью и номинальной линией действия силы, являющейся результирующей сил, передаваемых кольцом подшипника на тело качения.
3.1.2 полукольцо: Кольцеобразная деталь, содержащая часть дорожки качения и совмещаемая при сборке подшипника в пару с аналогичной кольцеобразной деталью для формирования единой дорожки качения.
3.1.3
радиально-упорный подшипник: Подшипник качения, предназначенный для восприятия преимущественно комбинации радиальной и осевой нагрузок, имеющий номинальный угол контакта свыше 0° до 45° включительно. |
3.1.4 трехконтактный подшипник: Шариковый радиально-упорный однорядный подшипник, в котором при чисто радиальной нагрузке каждый нагруженный шарик контактирует с одной из дорожек качения в двух точках, а с другой дорожкой качения в одной точке.
3.1.5 четырехконтактный подшипник: Шариковый радиально-упорный однорядный подшипник, в котором при чисто радиальной нагрузке каждый нагруженный шарик контактирует с каждой из двух дорожек качения в двух точках.
3.1.6 шарик: Тело качения со сферической поверхностью.
3.2 В настоящем стандарте применены следующие обозначения:
B - номинальная ширина подшипника;
D - номинальный наружный диаметр подшипника;
d - номинальный диаметр отверстия подшипника;
r - размер монтажной фаски;
rs min - наименьший единичный размер монтажной фаски;

- номинальный угол контакта.
4.1 Условное обозначение подшипника
4.1.1 Условное обозначение подшипника - по
ГОСТ 3189.
4.1.2 При заказе подшипников следует указывать: слово "Подшипник", условное обозначение подшипника и (через пробел)
ГОСТ 520-2011.
Пример - Подшипник с номинальным диаметром отверстия 20 мм (обозначение диаметра 04), с номинальным наружным диаметром 42 мм (серии диаметров 1), шариковый радиально-упорный (типа 6), трехконтактный с внутренними полукольцами (конструктивного исполнения 12), номинальной шириной 12 мм (серии ширин 0), класса точности 0, изготовленный по ГОСТ 520-2011:
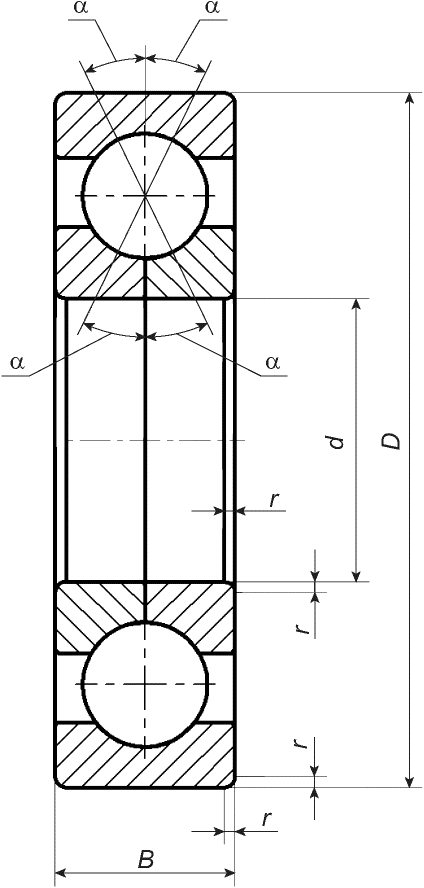
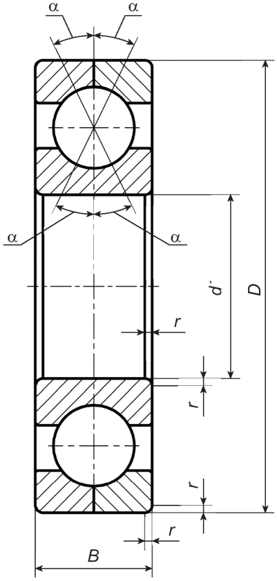
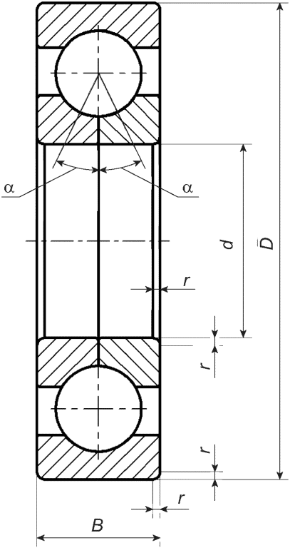
4.2 Конструктивные исполнения
Конструктивные исполнения подшипников - в соответствии с таблицей 1 и показаны на
рисунках 1 -
3.
Таблица 1
Конструктивные исполнения подшипников
Обозначение конструктивного исполнения | Номинальный угол контакта | Описание конструктивного исполнения | |
11 | 26° | Четырехконтактный с наружными полукольцами | |
12 | 26° | Трехконтактный с внутренними полукольцами | |
17 | 26° | Четырехконтактный с внутренними полукольцами | |
59 | 35° |
<*> Данные рисунки поясняют главные особенности конструктивного исполнения, но не определяют точную внутреннюю конструкцию подшипника. Изображения сепараторов на рисунках отсутствуют. |
| |
Рисунок 1 - Конструктивное исполнение 11 | Рисунок 2 - Конструктивное исполнение 12 |
|
Рисунок 3 - Конструктивные исполнения 17, 59 |
4.3 Класс точности
4.4 Присоединительные размеры
4.4.1 Номинальный диаметр отверстия подшипника, номинальный наружный диаметр подшипника, номинальная ширина подшипника и наименьший единичный размер монтажной фаски - в соответствии с
таблицами 2 -
6.
4.4.2 Наибольший единичный размер монтажных фасок - по
ГОСТ 3478.
Примечание - Наибольший единичный размер монтажных фасок определяют в соответствии с минимальным размером соответствующей монтажной фаски и диаметром отверстия подшипника.
Таблица 2
Серия диаметров 1, серия ширин 0
В миллиметрах
Основное условное обозначение подшипника конструктивного исполнения | d | D | B | rs min |
17 | 12 |
176100 | 126100 | 10 | 26 | 8 | 0,3 |
176101 | 126101 | 12 | 28 | 8 | 0,3 |
176102 | 126102 | 15 | 32 | 9 | 0,3 |
176103 | 126103 | 17 | 35 | 10 | 0,3 |
176104 | 126104 | 20 | 42 | 12 | 0,6 |
176105 | 126105 | 25 | 47 | 12 | 0,6 |
176106 | 126106 | 30 | 55 | 13 | 1,0 |
176107 | 126107 | 35 | 62 | 14 | 1,0 |
176108 | 126108 | 40 | 68 | 15 | 1,0 |
176109 | 126109 | 45 | 75 | 16 | 1,0 |
176110 | 126110 | 50 | 80 | 16 | 1,0 |
176111 | 126111 | 55 | 90 | 18 | 1,1 |
176112 | 126112 | 60 | 95 | 18 | 1,1 |
176113 | 126113 | 65 | 100 | 18 | 1,1 |
176114 | 126114 | 70 | 110 | 20 | 1,1 |
176115 | 126115 | 75 | 115 | 20 | 1,1 |
176116 | 126116 | 80 | 125 | 22 | 1,1 |
176117 | 126117 | 85 | 130 | 22 | 1,1 |
176118 | 126118 | 90 | 140 | 24 | 1,5 |
176119 | 126119 | 95 | 145 | 24 | 1,5 |
176120 | 126120 | 100 | 150 | 24 | 1,5 |
176122 | 126122 | 110 | 170 | 28 | 2,0 |
176124 | 126124 | 120 | 180 | 28 | 2,0 |
176126 | 126126 | 130 | 200 | 33 | 2,0 |
176128 | 126128 | 140 | 210 | 33 | 2,0 |
176130 | 126130 | 150 | 225 | 35 | 2,1 |
176132 | 126132 | 160 | 240 | 38 | 2,1 |
176134 | 126134 | 170 | 260 | 42 | 2,1 |
176136 | - | 180 | 280 | 46 | 2,1 |
176138 | - | 190 | 290 | 46 | 2,1 |
176140 | - | 200 | 310 | 51 | 2,1 |
176144 | - | 220 | 340 | 56 | 3,0 |
176148 | - | 240 | 360 | 56 | 3,0 |
176152 | - | 260 | 400 | 65 | 4,0 |
176156 | - | 280 | 420 | 65 | 4,0 |
176160 | - | 300 | 460 | 74 | 4,0 |
176164 | - | 320 | 480 | 74 | 4,0 |
176168 | - | 340 | 520 | 82 | 5,0 |
Таблица 3
Серия диаметров 7, серия ширин 1
В миллиметрах
Основное условное обозначение подшипника | d | D | B | rs min |
1176720 | 100 | 165 | 30 | 2,0 |
1176722 | 110 | 180 | 33 | 2,0 |
1176724 | 120 | 200 | 38 | 2,0 |
1176726 | 130 | 210 | 38 | 2,0 |
1176728 | 140 | 225 | 40 | 2,1 |
1176730 | 150 | 250 | 46 | 2,1 |
1176732 | 160 | 270 | 51 | 2,1 |
1176734 | 170 | 280 | 51 | 2,1 |
1176736 | 180 | 300 | 56 | 3,0 |
1176738 | 190 | 320 | 60 | 3,0 |
1176740 | 200 | 340 | 65 | 3,0 |
Таблица 4
Серия диаметров 2, серия ширин 0
В миллиметрах
Основное условное обозначение подшипника конструктивного исполнения | d | D | B | rs min |
59 | 17 | 12 | 11 |
596203 | - | - | - | 15 | 35 | 11 | 0,6 |
596203 | - | - | - | 17 | 40 | 12 | 0,6 |
- | 176204 | 126204 | 116204 | 20 | 47 | 14 | 1,0 |
596205 | 176205 | 126205 | 116205 | 25 | 52 | 15 | 1,0 |
596206 | 176206 | 126206 | 116206 | 30 | 62 | 16 | 1,0 |
596207 | 176207 | 126207 | 116207 | 35 | 72 | 17 | 1,1 |
596208 | 176208 | 126208 | 116208 | 40 | 80 | 18 | 1,1 |
596209 | 176209 | 126209 | 116209 | 45 | 85 | 19 | 1,1 |
596210 | 176210 | 126210 | 116210 | 50 | 90 | 20 | 1,1 |
596211 | 176211 | 126211 | 116211 | 55 | 100 | 21 | 1,5 |
596212 | 176212 | 126212 | 116212 | 60 | 110 | 22 | 1,5 |
596213 | 176213 | 126213 | 116213 | 65 | 120 | 23 | 1,5 |
596214 | 176214 | 126214 | 116214 | 70 | 125 | 24 | 1,5 |
596215 | 176215 | 126215 | 116215 | 75 | 130 | 25 | 1,5 |
596216 | 176216 | 126216 | 116216 | 80 | 140 | 26 | 2,0 |
596217 | 176217 | 126217 | 116217 | 85 | 150 | 28 | 2,0 |
596218 | 176218 | 126218 | 116218 | 90 | 160 | 30 | 2,0 |
596219 | 176219 | 126219 | 116219 | 95 | 170 | 32 | 2,1 |
596220 | 176220 | 126220 | 116220 | 100 | 180 | 34 | 2,1 |
596221 | - | - | - | 105 | 190 | 36 | 2,1 |
596222 | 176222 | 126222 | 116222 | 110 | 200 | 38 | 2,1 |
596224 | 176224 | 126224 | 116224 | 120 | 215 | 40 | 2,1 |
596226 | 176226 | 126226 | 116226 | 130 | 230 | 40 | 3,0 |
596228 | 176228 | - | 116228 | 140 | 250 | 42 | 3,0 |
596230 | 176230 | - | 116230 | 150 | 270 | 45 | 3,0 |
596232 | 176232 | - | 116232 | 160 | 290 | 48 | 3,0 |
596234 | 176234 | - | 116234 | 170 | 310 | 52 | 4,0 |
596236 | 176236 | - | 116236 | 180 | 320 | 52 | 4,0 |
596238 | 176238 | - | 116238 | 190 | 340 | 55 | 4,0 |
596240 | 176240 | - | 116240 | 200 | 360 | 58 | 4,0 |
596244 | 176244 | - | 116244 | 220 | 400 | 65 | 4,0 |
596248 | 176248 | - | 116248 | 240 | 440 | 72 | 4,0 |
- | 176252 | - | 116252 | 260 | 480 | 80 | 5,0 |
- | 176256 | - | 116256 | 280 | 500 | 80 | 5,0 |
- | 176260 | - | 116260 | 300 | 540 | 85 | 5,0 |
- | 176264 | - | 116264 | 320 | 580 | 92 | 5,0 |
Таблица 5
Серия диаметров 3, серия ширин 0
В миллиметрах
Основное условное обозначение подшипника конструктивного исполнения | d | D | B | rs min |
59 | 17 | 12 | 11 |
- | 176303 | - | 116303 | 17 | 47 | 14 | 1,0 |
596304 | 176304 | - | 116304 | 20 | 52 | 15 | 1,1 |
596305 | 176305 | 126305 | 116305 | 25 | 62 | 17 | 1,1 |
596306 | 176306 | - | 116306 | 30 | 72 | 19 | 1,1 |
596307 | 176307 | - | 116307 | 35 | 80 | 21 | 1,5 |
596308 | 176308 | 126308 | 116308 | 40 | 90 | 23 | 1,5 |
596309 | 176309 | - | 116309 | 45 | 100 | 25 | 1,5 |
596310 | 176310 | - | 176310 | 50 | 110 | 27 | 2,0 |
596311 | 176311 | - | 116311 | 55 | 120 | 29 | 2,0 |
596312 | 176312 | - | 176312 | 60 | 130 | 31 | 2,1 |
596313 | 176313 | - | 116313 | 65 | 140 | 33 | 2,1 |
596314 | 176314 | 126314 | 116314 | 70 | 150 | 35 | 2,1 |
596315 | - | - | - | 75 | 160 | 37 | 2,1 |
596316 | 176316 | - | 116316 | 80 | 170 | 39 | 2,1 |
596317 | 176317 | - | 116317 | 85 | 180 | 41 | 3,0 |
596318 | 176318 | 126318 | 116318 | 90 | 190 | 43 | 3,0 |
596319 | - | - | - | 95 | 200 | 45 | 3,0 |
596320 | 176320 | - | 116320 | 100 | 215 | 47 | 3,0 |
596322 | 176322 | - | 116322 | 110 | 240 | 50 | 3,0 |
596324 | 176324 | - | 116324 | 120 | 260 | 55 | 3,0 |
596326 | 176326 | - | 116326 | 130 | 280 | 58 | 4,0 |
596328 | 176328 | - | 116328 | 140 | 300 | 62 | 4,0 |
596330 | 176330 | - | 116330 | 150 | 320 | 65 | 4,0 |
596332 | 176332 | - | 116332 | 160 | 340 | 68 | 4,0 |
596334 | 176334 | - | 116334 | 170 | 360 | 72 | 4,0 |
596336 | 176336 | - | 116336 | 180 | 380 | 75 | 4,0 |
596338 | 176338 | - | 116338 | 190 | 400 | 78 | 5,0 |
- | 176340 | - | 116340 | 200 | 420 | 80 | 5,0 |
596344 | 176344 | - | 116344 | 220 | 460 | 88 | 5,0 |
596348 | 176348 | - | 116348 | 240 | 500 | 95 | 5,0 |
- | 176352 | - | 116352 | 260 | 540 | 102 | 6,0 |
- | 176356 | - | 116356 | 280 | 580 | 108 | 6,0 |
Таблица 6
Серия диаметров 9, серия ширин 1
В миллиметрах
Основное условное обозначение подшипника конструктивного исполнения | d | D | B | rs min |
17 | 12 |
1176920 | 1126920 | 100 | 140 | 20 | 1,1 |
1176922 | 1126922 | 110 | 150 | 20 | 1,1 |
1176924 | 1126924 | 120 | 165 | 22 | 1,1 |
1176926 | 1126926 | 130 | 180 | 24 | 1,5 |
1176928 | 1126928 | 140 | 190 | 24 | 1,5 |
1176930 | 1126930 | 150 | 210 | 28 | 2,0 |
1176932 | 1126932 | 160 | 220 | 28 | 2,0 |
1176934 | 1126934 | 170 | 230 | 28 | 2,0 |
1176936 | 1126936 | 180 | 250 | 33 | 2,0 |
1176938 | 1126938 | 190 | 260 | 33 | 2,0 |
1176940 | 1126940 | 200 | 280 | 38 | 2,1 |
1176944 | 1126944 | 220 | 300 | 38 | 2,1 |
1176948 | 1126948 | 240 | 320 | 38 | 2,1 |
1176952 | 1126952 | 260 | 360 | 46 | 2,1 |
1176956 | 1126956 | 280 | 380 | 46 | 2,1 |
1176960 | 1126960 | 300 | 420 | 56 | 3,0 |
1176964 | 1176964 | 320 | 440 | 56 | 3,0 |
5 Указания по применению и эксплуатации
5.1 Подшипники используют при комбинации радиальной и осевой нагрузок переменного направления.
5.2 Интервалы допусков и технические требования к посадочным поверхностям валов и корпусов, указания по выбору посадок и допустимые углы взаимного перекоса колец подшипников - по ГОСТ 3325.
5.3 Наибольшие радиусы галтелей валов и корпусов - по
ГОСТ 3478.
УДК 621.822.762:006.354 | |
Ключевые слова: подшипники качения, шариковый радиально-упорный однорядный подшипник с полукольцами, классификация, присоединительные размеры, технические требования, указания по применению и эксплуатации |