Главная // Актуальные документы // Актуальные документы (обновление с 29.09.2025 по 01.11.2025) // ГОСТ (Государственный стандарт)СПРАВКА
Источник публикации
М.: ФГБУ "Институт стандартизации", 2025
Примечание к документу
Документ
вводится в действие с 01.10.2026.
Название документа
"ГОСТ 17616-2025. Межгосударственный стандарт. Источники света электрические. Методы определения электрических и световых параметров"
(введен в действие Приказом Росстандарта от 14.08.2025 N 893-ст)
"ГОСТ 17616-2025. Межгосударственный стандарт. Источники света электрические. Методы определения электрических и световых параметров"
(введен в действие Приказом Росстандарта от 14.08.2025 N 893-ст)
агентства по техническому
регулированию и метрологии
от 14 августа 2025 г. N 893-ст
МЕЖГОСУДАРСТВЕННЫЙ СТАНДАРТ
ИСТОЧНИКИ СВЕТА ЭЛЕКТРИЧЕСКИЕ
МЕТОДЫ ОПРЕДЕЛЕНИЯ ЭЛЕКТРИЧЕСКИХ И СВЕТОВЫХ ПАРАМЕТРОВ
Electric light sources. Methods for determining
of electrical and luminous parameters
ГОСТ 17616-2025
Дата введения
1 октября 2026 года
Цели, основные принципы и общие правила проведения работ по межгосударственной стандартизации установлены
ГОСТ 1.0 "Межгосударственная система стандартизации. Основные положения" и
ГОСТ 1.2 "Межгосударственная система стандартизации. Стандарты межгосударственные, правила и рекомендации по межгосударственной стандартизации. Правила разработки, принятия, обновления и отмены"
1 РАЗРАБОТАН Обществом с ограниченной ответственностью "Научно-исследовательский институт источников света имени А.Н. Лодыгина" (ООО "НИИИС имени А.Н. Лодыгина")
2 ВНЕСЕН Межгосударственным техническим комитетом по стандартизации МТК 332 "Светотехнические изделия"
3 ПРИНЯТ Межгосударственным советом по стандартизации, метрологии и сертификации (протокол от 31 июля 2025 г. 187-П)
За принятие проголосовали:
Краткое наименование страны по МК (ИСО 3166) 004-97 | Код страны по МК (ИСО 3166) 004-97 | Сокращенное наименование национального органа по стандартизации |
Азербайджан | AZ | Азстандарт |
Армения | AM | ЗАО "Национальный орган по стандартизации и метрологии" Республики Армения |
Казахстан | KZ | Госстандарт Республики Казахстан |
Киргизия | KG | Кыргызстандарт |
Россия | RU | Росстандарт |
Узбекистан | UZ | Узбекское агентство по техническому регулированию |
4
Приказом Федерального агентства по техническому регулированию и метрологии от 14 августа 2025 г. N 893-ст межгосударственный стандарт ГОСТ 17616-2025 введен в действие в качестве национального стандарта Российской Федерации с 1 октября 2026 г.
5 ВВЕДЕН ВПЕРВЫЕ
Информация о введении в действие (прекращении действия) настоящего стандарта и изменений к нему на территории указанных выше государств публикуется в указателях национальных стандартов, издаваемых в этих государствах, а также в сети Интернет на сайтах соответствующих национальных органов по стандартизации.
В случае пересмотра, изменения или отмены настоящего стандарта соответствующая информация будет опубликована на официальном интернет-сайте Межгосударственного совета по стандартизации, метрологии и сертификации в каталоге "Межгосударственные стандарты"
Настоящий стандарт распространяется на электрические источники света (ИС): лампы накаливания, разрядные лампы, светодиодные лампы и модули (СД ИС), светодиоды (СД) и устанавливает методы определения электрических и следующих световых параметров:
- светового потока;
- силы света;
- пространственного распределения силы света;
- яркости и габаритной яркости.
Стандарт не распространяется на светоизмерительные лампы и лампы-фары.
Настоящий стандарт допускается применять для определения электрических и световых параметров ИС других типов, предназначенных для освещения.
В настоящем стандарте использованы нормативные ссылки на следующие стандарты:
ГОСТ 8.023 Государственная система обеспечения единства измерений. Государственная поверочная схема для средств измерений световых величин непрерывного и импульсного излучений
ГОСТ 8.332 Государственная система обеспечения единства измерений. Световые измерения. Значения относительной спектральной световой эффективности монохроматического излучения для дневного зрения. Общие положения
ГОСТ 3158 Реактивы. Барий сернокислый. Технические условия
ГОСТ 6709 <1> Вода дистиллированная. Технические условия
--------------------------------
ГОСТ 10771 Лампы накаливания светоизмерительные рабочие. Технические условия
ГОСТ 10779 Спирт поливиниловый. Технические условия
ГОСТ 15049 Источники света электрические. Термины и определения
ГОСТ 17333 Приборы фотоэлектронные. Методы измерения спектральной чувствительности фотокатодов
ГОСТ 18986.3 Диоды полупроводниковые. Метод измерения постоянного прямого напряжения и постоянного прямого тока
ГОСТ 27682 (IEC 60188:2001) Лампы ртутные высокого давления. Эксплуатационные требования
ГОСТ 34100.3/ISO/IEC Guide 98-3:2008 Неопределенность измерения. Часть 3. Руководство по выражению неопределенности измерения
ГОСТ 34819 Приборы осветительные. Светотехнические требования и методы испытаний
ГОСТ IEC 60155 Стартеры тлеющего разряда для люминесцентных ламп. Общие требования и требования безопасности. Методы испытаний
ГОСТ IEC 60901 Лампы люминесцентные одноцокольные. Эксплуатационные требования
ГОСТ IEC 60926 Устройства вспомогательные для ламп. Зажигающие устройства (кроме стартеров тлеющего разряда). Общие требования и требования безопасности
ГОСТ IEC 62384 Аппараты пускорегулирующие электронные с напряжением питания постоянного или переменного тока для модулей со светоизлучающими диодами. Требования к рабочим характеристикам
Примечание - При пользовании настоящим стандартом целесообразно проверить действие ссылочных стандартов и классификаторов на официальном интернет-сайте Межгосударственного совета по стандартизации, метрологии и сертификации (www.easc.by) или по указателям национальных стандартов, издаваемым в государствах, указанных в предисловии, или на официальных сайтах соответствующих национальных органов по стандартизации. Если на документ дана недатированная ссылка, то следует использовать документ, действующий на текущий момент, с учетом всех внесенных в него изменений. Если заменен ссылочный документ, на который дана датированная ссылка, то следует использовать указанную версию этого документа. Если после принятия настоящего стандарта в ссылочный документ, на который дана датированная ссылка, внесено изменение, затрагивающее положение, на которое дана ссылка, то это положение применяется без учета данного изменения. Если ссылочный документ отменен без замены, то положение, в котором дана ссылка на него, применяется в части, не затрагивающей эту ссылку.
В настоящем стандарте применены термины по
ГОСТ 15049, а также следующие термины с соответствующими определениями:
3.1 фотометрический шар: Полый шар с внутренней поверхностью, которая в большинстве случаев представляет собой практически неселективный и пространственно однородный диффузный отражатель.
Примечание - См.
[1], статья 845-25-028.
3.2 гониофотометр: Фотометр для измерения углового распределения световых параметров ИС, светильников, сред или поверхностей.
Примечание - См.
[1], статья 845-25-026.
3.3 пространственное распределение силы света: Значения силы света ИС в зависимости от направления в пространстве, представляемые с помощью кривых или таблиц.
Примечание - См.
[1], статья 845-29-037.
3.4 спектрорадиометр: Прибор для измерения радиометрических величин в узких интервалах длин волн данного спектрального диапазона.
Примечание - См.
[1], статья 845-25-007.
3.5 фотоприемное устройство: Прибор, в котором падающее оптическое излучение вызывает измеряемый физический эффект.
Примечание - См.
[1], статья 845-25-035.
3.6 светоизмерительная лампа: Лампа, предназначенная для точного воспроизведения световых, цветовых и электрических параметров при измерениях ИС и градуировке средств измерений (СИ).
3.7 светофильтр: Устройство, направленно пропускающее электромагнитное излучение, предназначенное для изменения потока излучения или светового потока относительного спектрального распределения излучения, проходящего через это устройство, или того и другого одновременно.
Примечание - См.
[1], статья 845-24-113.
3.8 средняя сила света светодиода; средняя сила света СД: Усредненная освещенность по круглой апертуре площадью 100 мм2, которая установлена перпендикулярно к механической оси СД на расстоянии 316 мм для стандартного условия МКО A или 100 мм для стандартного условия МКО B, при этом расстояние измеряют от вершины оптической части корпуса СД, а усредненную освещенность умножают на квадрат расстояния и делят на телесный угол.
Примечания
1 Описание метода измерений приведено в
[2].
2 Геометрические условия - стандартное условие МКО A и стандартное условие МКО B, которые соответствуют символам
ILED,A и
ILED,B, приведенным в
[2].
3 Среднюю силу света СД выражают в канделах (кд).
4 См.
[1], статья 845-21-114.
3.9 рабочая температура (СД модуля) tр: Температура, связанная с заданными характеристиками СД модуля.
Примечания
1 Рабочую температуру выражают в градусах Цельсия (°C).
2 Рабочую температуру измеряют в заданной точке СД модуля.
3 См.
[1], статья 845-27-112.
3.10
tр-точка: Обозначенное местоположение точки для измерения функциональных температур tр и tр,норм на поверхности СД модуля. |
3.11 отжиг: Период предварительной эксплуатации ИС перед измерением начальных значений параметров.
3.12 время стабилизации: Время, необходимое для получения стабильного значения фотометрической величины и потребления электроэнергии при постоянном входном напряжении.
Примечание - См.
[1], статья 845-27-109.
3.13
ресурс: Суммарная наработка ИС от начала его эксплуатации или ее возобновления после ремонта до перехода в предельное состояние. |
3.14
средний ресурс: Математическое ожидание ресурса. |
--------------------------------
<1> В Российской Федерации действует
ГОСТ Р 27.102-2021 "Надежность в технике. Надежность объекта. Термины и определения".
3.15 утомляемость (селенового фотоэлемента): Изменение свойств фотоэлемента под воздействием предшествующего освещения.
4 Общие требования к проведению испытаний
4.1 Требования к условиям проведения испытаний
4.1.1 Испытания проводят в помещении с неподвижным воздухом, при отсутствии дыма и пыли и при следующих условиях, если другие требования не установлены в стандартах и/или технических условиях (ТУ) на ИС конкретных типов:
- температура окружающей среды - (25 +/- 10) °C;
- относительная влажность - (65 +/- 20)%;
- атмосферное давление - (101 +/- 4) кПа.
4.1.2 Испытания люминесцентных ламп проводят при температуре окружающей среды от 20 °C до 27 °C.
4.1.3 Испытания СД и СД ИС проводят при температуре окружающей среды (25 +/- 1) °C. Если испытания должны быть проведены при другой температуре, то ее должен указать изготовитель, при этом значения параметров, измеренные при данной температуре, должны быть указаны в нормативной и технической документации, или изготовитель должен предоставить метод пересчета в виде таблицы или графика для этой температуры.
4.2 Требования к средствам измерений и испытательному оборудованию
4.2.1 Для испытаний разрядных ИС применяют соответствующие эталонные балласты с рабочими характеристиками:
- по
ГОСТ 27682 (см. также
[3],
[4]) - для разрядных ламп (кроме люминесцентных ламп);
Для испытаний СД модулей применяют устройства управления с рабочими характеристиками по ГОСТ IEC 62384.
Для испытаний ИС других типов применяют эталонные балласты с рабочими характеристиками, указанными изготовителем или ответственным поставщиком.
4.2.2 Для зажигания разрядных ламп используют зажигающие устройства по
ГОСТ IEC 60155,
ГОСТ IEC 60926 (см. также
[6]) или техническим условиям на ИС конкретных типов.
4.2.3 Испытания с использованием фотометрической скамьи и гониофотометра проводят в затемненных помещениях, стены, пол и потолок которых должны иметь глубокоматовое черное покрытие и должны быть диффузно отражающими, исключающими внешние засветки.
4.2.4 Допускается применять другие средства измерений (СИ) и испытательное оборудование, не установленные в настоящем стандарте, обеспечивающие достоверность и заданную точность результатов измерений.
4.2.5 Требования к фотометрическому шару
4.2.5.1 Размер фотометрического шара выбирают с учетом либо размеров, либо электрической мощности, либо светового потока испытуемых ИС.
Размер фотометрического шара должен быть достаточно большим относительно размера испытуемого ИС во избежание значительных ошибок из-за пространственной неоднородности чувствительности шара, вызванной экраном и ИС.
Диаметр фотометрического шара должен составлять не менее шестикратного значения длины ИС (без цоколя), но не менее 1 м для разрядных ламп высокого давления мощностью до 400 Вт и не менее 1,5 м для разрядных ламп мощностью свыше 400 Вт. Для трубчатых ламп накаливания и люминесцентных - не менее 1,2-кратного значения общей длины лампы.
При установке СД ИС кубической формы с длиной стороны 1/10 диаметра фотометрического шара в центре общая площадь поверхности ИС не должна превышать 2% от общей площади внутренней поверхности фотометрического шара.
Диаметр измерительного отверстия не должен превышать 1/10 диаметра фотометрического шара. Для фотометрических шаров, предназначенных для измерения светового потока сверхминиатюрных ламп, допускается диаметр измерительного отверстия, равный 1/4 диаметра фотометрического шара.
4.2.5.2 Экран фотометрического шара по своим размерам и местоположению по отношению к измерительному отверстию должен обеспечивать защиту измерительного отверстия от прямого излучения ИС (см.
рисунки А.1 и
А.2).
Экран должен быть таких размеров, чтобы обеспечить наименьшее затенение поверхности фотометрического шара. Диаметр тени не должен превышать двойного диаметра измерительного отверстия.
Экран располагают от ИС на 1/2 - 2/3 расстояния между ИС и измерительным отверстием перпендикулярно к оси, проходящей через центр измерительного отверстия и световой центр ИС. Размеры и форма экрана должны соответствовать типу испытуемых ИС.
4.2.5.3 Внутренняя поверхность фотометрического шара и приспособления для установки и включения ламп должны быть покрыты химически инертным материалом, обеспечивающим высокую отражательную способность и характеристики диффузного отражения во всем видимом спектральном диапазоне. Рекомендуется применять способ окраски фотометрического шара с использованием сернокислого бария, приведенный в
приложении Б.
Коэффициент отражения внутренней поверхности фотометрического шара должен быть не менее 0,9. Разница между коэффициентами отражения в разных частях фотометрического шара в процессе измерения должна быть не более 3%.
4.2.6 Требования к светоизмерительным и стандартным лампам
4.2.6.1 Для определения световых параметров применяют светоизмерительные лампы по
ГОСТ 10771, эталонные СД или другие калиброванные лампы со стабильными значениями световых параметров.
4.2.6.2 Для градуировки испытательных фотометрических установок допускается применять стандартные лампы того же типа, что и испытуемые лампы.
Стандартные лампы отбирают из серийно выпускаемых ламп со стабильными параметрами, и подвергают отжигу в течение времени, равного 10% среднего ресурса, контрольные разрядные - не менее 300 ч.
Сходимость световых параметров определяют как среднеквадратическое отклонение из пяти измерений, проведенных не менее чем через 24 ч. Предел сходимости световых параметров контрольных ламп после отжига должен быть +/- 1%.
Стандартные лампы проверяют по светоизмерительным лампам по
ГОСТ 8.023 не реже одного раза в год.
4.2.6.3 Для испытаний СД ИС рекомендуется использовать эталонные СД того же типа, что и испытуемый СД ИС, с аналогичными спектральными и пространственными характеристиками. Вместо эталонных СД допускается применять светоизмерительные лампы накаливания.
Оптическая и геометрическая оси эталонных СД должны совпадать, как показано на рисунке 1.
1 - геометрическая ось; 2 - оптическая ось
Рисунок 1 - Геометрическая и оптическая оси эталонного СД
4.2.7 Требования к фотоприемному устройству
4.2.7.1 В качестве фотоприемного устройства применяют фотометрическую головку, спектрорадиометр, люксметр или яркомер.
4.2.7.2 Фотометрическая головка должна быть корригирована под кривую относительной спектральной световой эффективности монохроматического излучения для дневного зрения

по
ГОСТ 8.332 и откалибрована. Рекомендуемый метод калибровки фотометрической головки приведен в
приложении В.
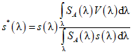
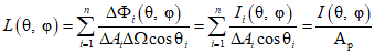
Показателем качества фотометрической головки является коэффициент

, определяющий качество коррекции относительной спектральной чувствительности фотометрической головки под функцию

. Коэффициент

вычисляют по формуле

, (1)
где

- нормализованная относительная спектральная чувствительность фотометрической головки, определяемая по формуле

, (2)
где

- относительная спектральная чувствительность фотометрической головки;

- относительное спектральное распределение стандартного ИС типа A.
Коэффициент

должен быть не более 3,5%.
Фотометрическая головка должна быть линейна во всем диапазоне длин волн. Рекомендуемый метод определения линейности фотометрической головки приведен в
приложении Г.
В качестве фотометрической головки рекомендуется применять кремниевые фотодиоды и другие устройства (см.
[7]).
Примечание - Допускается в качестве фотометрической головки применять селеновые фотоэлементы.
4.2.7.3 Спектрорадиометр, применяемый в качестве фотоприемного устройства, должен удовлетворять следующим требованиям:
- спектральный диапазон - от 380 до 780 нм;
- погрешность спектрального диапазона - не более 0,5 нм;
- ширина полосы пропускания (полная ширина на уровне половинной амплитуды) и интервал сканирования - не более 5 нм (см.
[8]).
Допускается в качестве фотоприемного устройства применять спектрорадиометры с другими характеристиками при условии, что будут обеспечены достоверность и заданная точность результатов измерений.
4.2.7.4 Люксметры и яркомеры должны измерять в диапазоне от 1 до 200 000 лк и кд/м
2 соответственно и быть корригированными под кривую относительной спектральной световой эффективности монохроматического излучения для дневного зрения

(см.
4.2.7.2).
4.2.8 Требования к гониофотометру
4.2.8.1 Угловое разрешение гониофотометра должно обеспечивать получение наиболее достоверного углового распределения измеряемой величины, что возможно при минимальном значении шага угла поворота ИС относительно фотоприемного устройства. Рекомендуемое угловое разрешение - 1°.
4.2.8.2 Гониофотометром должна быть обеспечена сетка углов измерения, полностью перекрывающая телесный угол, в котором происходит излучение ИС.
4.2.8.3 В гониофотометре должно быть предусмотрено приспособление (оснастка) для крепления ИС, положение которого должно соответствовать указанному в стандартах и/или ТУ на ИС конкретных типов и применяемой методике измерения пространственного распределения силы света.
4.2.8.4 Рекомендуется применять гониофотометр с неподвижным положением ИС. Если кинематической схемой гониофотометра предусмотрен поворот ИС и при этом реализуется несколько систем фотометрирования, то допускается выбирать такую систему, для которой изменения рабочего положения ИС будут минимальными.
Для газоразрядных ИС во время фотометрирования не допускается изменять положение разрядной трубки с горизонтального на вертикальное.
4.2.8.5 Для определения пространственного распределения силы света расстояние от фотоприемного устройства гониофотометра дальней зоны до испытуемого ИС
R (расстояние фотометрирования) должно быть:
- >= 5D - для ИС с косинусным светораспределением (угол излучения >= 90°) во всех меридиональных полуплоскостях C;
- >= 10D - для ИС с широким светораспределением (угол излучения >= 60°) в некоторых меридиональных полуплоскостях C;
- >= 15D - для ИС с узким светораспределением;
- >= 15(
D +
S) - для ИС с промежутками между светящими поверхностями, где
D - максимальный размер проекции излучающей поверхности ИС,
S - наибольшее расстояние между двумя соседними светящими поверхностями (см.
[8]).
Расстояния фотометрирования не обязательны:
- для измерения светового потока ИС на гониофотометре;
- при использовании гониофотометра ближнего поля.
4.2.8.6 Если конструкцией гониофотометра предусмотрено, что во время измерений затеняется более 0,1 ср пространства, в котором происходит излучение ИС (например, пространство перекрыто частями поворотного механизма гониофотометра или крепежом для ИС), то его не допускается применять для измерения светового потока ИС.
4.2.9 Требования к фотометрической скамье
4.2.9.1 Фотометрическая скамья должна быть такой длины, чтобы обеспечивалась возможность соблюдения расстояния между фотоприемным устройством и ИС в соответствии с
4.2.8.5. Освещенность на поверхности приемного устройства должна быть в пределах линейной зависимости его фототока от освещенности.
4.2.9.2 Измерительная шкала фотометрической скамьи и приспособления, предназначенные для отсчета расстояния, должны обеспечивать измерение расстояния между приемным устройством и ИС с погрешностью в пределах +/- 1,0 мм.
4.2.9.3 Каретки фотометрической скамьи должны обеспечивать прямолинейное передвижение ИС и фотоприемного устройства по направляющим фотометрической скамьи и их надежное крепление в определенном положении.
4.2.9.4 В диафрагмах (экранах) фотометрической скамьи должны быть отверстия, центры которых лежат на оси испытательной фотометрической установки, проходящей параллельно направляющим скамьи. Число и расположение диафрагм должны исключать влияние рассеянного света на результаты измерений.
4.2.9.5 Размеры отверстий в диафрагмах, расположенных перед ИС и фотоприемным устройством, должны быть как можно меньше, но не менее углового размера светящейся поверхности измеряемых ИС, определенного относительно положения фотоприемного устройства, и светочувствительной поверхности фотоприемного устройства.
4.2.9.6 Первую диафрагму, считая от фотоприемного устройства, устанавливают в непосредственной близости от него. Последующие диафрагмы размещают последовательно одна за другой таким образом, чтобы, приблизив глаз к краю устанавливаемой диафрагмы и смотря через отверстия в предыдущих диафрагмах, приемного устройства не было видно. Для исключения влияния постороннего света на концах скамьи устанавливают сплошные (без отверстий) концевые экраны.
4.3 Требования к времени отжига и времени стабилизации параметров испытуемых источников света
4.3.1 Перед проведением испытаний ИС подвергают предварительному отжигу, если другие требования не установлены в стандартах и/или ТУ на ИС конкретных типов:
- для разрядных ИС - в течение 100 ч;
- для ламп накаливания - в течение времени, указанного в таблице 1;
- для СД и СД ИС - требования не устанавливают.
Таблица 1
Средний ресурс, ч | Время отжига, мин | Отношение напряжения отжига к номинальному или расчетному напряжению, % |
До 10 | 5 | 100 |
Св. 10 до 30 включ. | 10 |
" 30 " 100 " | 20 |
" 100 " 300 " | 40 |
" 300 " 500 " | 60 |
" 500 | 80 |
Св. 100 до 300 включ. | 10 | 110 |
" 300 " 500 " | 15 |
" 500 | 20 |
4.3.2 Испытания проводят после непрерывной работы при установившемся электрическом режиме:
- разрядных ИС - в течение 15 мин;
- ламп накаливания - в течение 5 мин;
- СД ИС - после стабилизации, в течение не менее 1 мин.
4.3.3 СД ИС со встроенной системой теплоотвода должны работать не менее 30 мин до начала испытаний. Состояние СД ИС считают стабильным, если отношение максимальных и минимальных показаний световых и электрических параметров в течение последних 15 мин составляет менее 0,5% минимального значения.
Если выявлены большие отклонения и стабилизация не достигнута в течение 45 мин работы ИС, то наблюдаемые отклонения при измерениях должны быть занесены в протокол. Если вместо случайных отклонений наблюдают плавное и стабильное увеличение (или уменьшение) измеряемых значений, то измерения начинают проводить только после достижения СД ИС состояния, соответствующего критериям стабилизации.
Следует учитывать, что стабилизация связана с достижением теплового равновесия составными частями СД ИС. Предварительный отжиг (работа ИС до монтажа в измерительной системе) приводит к уменьшению времени стабилизации.
4.3.4 Тепловое состояние СД модулей без встроенного теплоотвода оценивают по рабочей температуре tр, измеренной в tр-точке СД модуля. Для достижения заданного значения tр в СД модулях используют внешнее устройство с контролем температуры, обеспечивающее теплоотвод или дополнительный нагрев.
СД модуль считают достигшим стабильного состояния, если значение tр соответствует заданному значению и поддерживается в пределах +/- 1 °C и не изменяется в течение 15 мин.
Для СД модулей со встроенным теплоотводом сначала проводят процедуру стабилизации по
4.3.3 при температуре окружающего воздуха 25 °C с записью значений
tр, после чего проводят испытания при дополнительных значениях
tр, указанных заказчиком.
Примечание - Если tр-точка недоступна, то изготовитель или заявитель указывает точку контроля температуры.
4.4 Требования к испытуемым светодиодам, светодиодным лампам и модулям
4.4.1 Параметры СД ИС допускается измерять как при переменном, так и при постоянном токе.
4.4.2 Для СД ИС с регулированием светового потока, цветности и иных рабочих характеристик и неизменяемым спектром белого излучения режим работы во время испытаний должен быть установлен на максимальное значение тока (напряжения) или на заранее определенные уровни по требованию заказчика. Для СД ИС с изменяемым спектром белого излучения настройки режима работы должны быть установлены в соответствии с требованиями изготовителя, заказчика или в соответствии со стандартами и/или ТУ на ИС конкретного типа.
4.4.3 У СД ИС, в конструкции которых используют СД разных цветов (например, RGB-ленты), сначала определяют световой поток каждого канала отдельно, а затем всех каналов в целом. Каждый канал должен работать в режиме номинальной электрической мощности.
4.4.4 Для СД модулей, поставляемых без встроенных устройств управления, заказчик должен предоставить рекомендации для дополнительного оборудования, необходимого для зажигания и стабильной работы.
4.4.5 При отсутствии теплоотводящих компонентов, необходимых для правильной работы СД и СД ИС, допускается применять специальные радиаторы с регулируемой температурой и соответствующие методы интерполяции (см.
[8]).
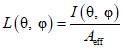
5 Методы определения электрических параметров
5.1 Требования к проведению испытаний
5.1.1 Схемы электрических систем питания постоянным и переменным током приведены в
приложении Д.
Система питания переменным током должна состоять из источника стабилизированного синусоидального напряжения и регулирующих устройств, обеспечивающих трансформирование напряжения.
Систему питания с добавочным трансформатором [см.
рисунок Д.2б), приложение Д] применяют при необходимости точной регулировки питающего напряжения в широких пределах.
Система питания постоянным током должна состоять из источника стабилизированного тока или напряжения, позволяющего задать и поддерживать требуемый ток или напряжение в процессе испытаний.
5.1.2 Схемы измерений для определения электрических параметров ИС приведены в
приложении А.
5.1.3 При проведении испытаний разрядных ИС зажигающее устройство отключают.
5.1.4 При проведении испытаний СД ИС внутреннее сопротивление цепи измерения напряжения должно быть не менее 1 МОм.
Пределы допускаемой относительной погрешности испытательного напряжения, силы тока или активной электрической мощности в течение времени стабилизации СД ИС не должны превышать +/- 0,5%, а в момент испытания - +/- 0,2%.
5.2 Проведение испытаний и обработка результатов
5.2.1 Электрические параметры ИС определяют при номинальном (расчетном или испытательном) напряжении, указанном изготовителем, с использованием цифровых или аналоговых СИ в соответствии с эксплуатационной документацией (ЭД) на них.
5.2.2 Электрические параметры ИС определяют с применением схем измерений, приведенных в
приложении А:
-
рисунке А.4 - для компактных люминесцентных ламп со встроенным пускорегулирующим аппаратом и СД ИС;
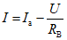
5.2.3 При использовании аналоговых СИ ток ИС I, А, вычисляют по формуле

, (3)
где Iа - измеренное значение силы тока, А;
U - напряжение, В;
RВ - входное сопротивление вольтметра, Ом.
Если значение тока, потребляемого вольтметром, более 0,5% значения номинального тока ИС, то вводят соответствующую поправку.
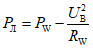
Значение активной электрической мощности PЛ, Вт, потребляемой ИС, вычисляют по формуле

, (4)
где PW - электрическая мощность ИС, измеряемая ваттметром, Вт;
UВ - рабочее напряжение на ИС, В;
RW - сопротивление параллельной цепи ваттметра, Ом.
5.3 Определение электрических параметров светодиодов
5.3.1 Основными электрическими параметрами СД являются напряжение постоянного прямого тока, сила постоянного прямого тока и активная электрическая мощность.
5.3.2 Напряжение постоянного прямого тока Uпр и силу постоянного прямого тока Iпр СД определяют по ГОСТ 18986.3.
5.3.3 Активную электрическую мощность, потребляемую СД, P, Вт, вычисляют по формуле
P = Uпр - Iпр, (5)
где Uпр - значение напряжения постоянного прямого тока, измеряемое на контактах СД, В;
Iпр - значение силы постоянного прямого тока СД, А.
5.3.4 Для получения точных результатов измерений применяют 4-контактный метод, в котором используют отдельные контакты для подведения тока к СД и измерения напряжения. Схема измерений приведена на
рисунке А.5 (приложение А).
6 Методы определения светового потока
Измерения проводят в соответствии с ЭД на СИ конкретного типа с дополнениями, установленными в настоящем разделе. Допускается применять методы (методики) измерений светового потока ИС по нормативным документам государств, принявших настоящий стандарт, обеспечивающие достоверность и заданную точность результатов измерений <1>.
--------------------------------
<1> В Российской Федерации действуют ФР.1.37.2018.31657 "Государственная система обеспечения единства измерений. Методика измерений силы света, угла излучения, светового потока, габаритной яркости и коррелированной цветовой температуры источников света полупроводниковых", ФР.1.37.2012.12298 N 02/12 "Методика измерений силы света, пространственного распределения силы света и светового потока электрических источников света линейным фотометром на базе фотометрической скамьи".
6.1 Испытания с использованием фотометрического шара
6.1.1 Сущность метода
Метод основан на сравнении освещенности, создаваемой испытуемым ИС, с освещенностью, создаваемой светоизмерительной или стандартной лампой (при испытании СД ИС - эталонным СД).
6.1.2 Подготовка к испытаниям
6.1.2.1 Для испытаний применяют фотометрический шар, фотометрическую головку, светоизмерительные или стандартные лампы, удовлетворяющие требованиям
4.2, и светофильтры.
6.1.2.2 Для установки ИС в фотометрический шар используют схемы, приведенные в
приложении Е:
- на
рисунке Е.1 - для ИС, излучающих как в нижнюю, так и верхнюю полусферу фотометрического шара;
-
рисунке Е.2 - для СД ИС, излучающих только в нижнюю полусферу фотометрического шара;
-
рисунке Е.3 - для определения частичного светового потока СД.
6.1.2.3 Для определения фототока применяют согласованные с фотометрической головкой электронные измерительные системы, обеспечивающие требуемую точность измерений контролируемых параметров.
Допускается применять СИ класса точности не ниже 1,0 с внутренним сопротивлением, обеспечивающим прямую пропорциональную зависимость между освещенностью фотометрической головки и фототоком в диапазоне измеряемых величин.
Допускается отклонение от прямой пропорциональной зависимости не более +/- 1%.
При использовании аналоговых СИ для измерения ИС с большим разбросом значений световых параметров допускается снимать показания, начиная с 1/3 шкалы прибора.
6.1.2.4 Для учета влияния на результаты измерений приспособлений (неактивных элементов), находящихся в фотометрическом шаре, внутри фотометрического шара устанавливают вспомогательный ИС, расположенный на противоположной стороне от измерительного отверстия. Допускается другое расположение вспомогательного ИС на стенке фотометрического шара.
Перед вспомогательным ИС устанавливают непрозрачный экран, препятствующий попаданию его излучения на испытуемый ИС, стандартную или светоизмерительную лампу и измерительное отверстие.
Электрические и световые параметры вспомогательного ИС должны быть стабильными. При проведении испытаний ламп одного типа допускается не устанавливать вспомогательный ИС в фотометрический шар.
6.1.2.5 В фотометрический шар устанавливают испытуемый ИС и экран, соответствующий размерам ИС. Положение экрана проверяют при открытом шаре и включенном ИС.
ИС располагают в следующем рабочем положении, если другое требование не установлено в стандартах и/или ТУ на ИС конкретного типа:
- в вертикальном положении, цоколем вверх - для одноцокольных ламп;
- в горизонтальном положении, в плоскости, параллельной плоскости измерительного отверстия фотометрического шара, - для двухцокольных ламп.
6.1.2.6 ИС, стандартные или светоизмерительные лампы устанавливают таким образом, чтобы их световые центры располагались в центре фотометрического шара.
При установленном экране ни один элемент ИС, стандартной или светоизмерительной лампы (кроме цоколя) не должен просматриваться из измерительного отверстия фотометрического шара.
6.1.2.7 Перед началом испытаний фотометрическую головку высвечивают, если это указано в ЭД.
6.1.2.8 Расположение приспособлений в фотометрическом шаре в пределах одной серии испытаний должно оставаться неизменным.
6.1.2.9 При изменении цветовой температуры светоизмерительной лампы более чем на 200 К для ламп накаливания и на 100 К - для разрядных ламп вводят поправочный коэффициент C1, учитывающий селективность окраски, вычисляемый по формуле

, (6)
где

,

- относительное спектральное распределение энергии излучения светоизмерительной лампы и испытуемого ИС соответственно;

- относительная спектральная световая эффективность монохроматического излучения для дневного зрения по
ГОСТ 8.332;

- функция влияния селективности окраски фотометрического шара, определяемая по формуле

,
где

- относительное спектральное распределение энергии излучения светоизмерительной лампы после многократных отражений в фотометрическом шаре.
Примечание - Справочные значения относительного спектрального распределения энергии излучения

стандартных ламп накаливания при различных цветовых температурах
Tц приведены в
приложении Ж. Справочные значения относительного спектрального распределения энергии излучения

стандартных люминесцентных ламп приведены в
приложении И;

- спектральный коэффициент отражения окраски фотометрического шара;

- выделяемый спектральный интервал измерения, нм.
Цветовую температуру светоизмерительной лампы определяют после ее установки в фотометрический шар измерением через измерительное отверстие со светорассеивающим (молочным) стеклом.
6.1.2.10 Если спектральное распределение излучения светоизмерительной или стандартной лампы (при измерении СД ИС - эталонного СД) отличается от спектрального распределения излучения испытуемого ИС, то вводят поправочный коэффициент спектрального несовпадения C2, вычисляемый по формуле

, (7)
где

- относительная спектральная чувствительность фотометрической головки.
Примечание - Если требования по
4.2.7.2 выполнено и коэффициент

менее 3,5%, то коэффициент
C2 не учитывают.
6.1.2.11 При проведении испытаний применяют светофильтры (интерференционные, нейтральные и т.п.).
Примечание - Коэффициент пропускания светофильтров определяют один раз в год и после обновления окраски фотометрического шара.
При использовании нейтральных светофильтров вводят поправочный коэффициент C3, учитывающий селективность нейтрального светофильтра, который вычисляют по формуле

, (8)
где

- спектральный коэффициент пропускания нейтрального светофильтра.
6.1.3 Проведение испытаний и обработка результатов
6.1.3.1 На ИС устанавливают номинальное (испытательное или расчетное) напряжение или ток, или электрическую мощность и снимают показание прибора, измеряющего фототок iиз.
6.1.3.2 Световой поток испытуемого ИС

, лм, вычисляют по формуле

, (9)
где Kср - средний градуировочный коэффициент;
iиз - показание прибора, измеряющего фототок, при включенном испытуемом ИС;
m - поправочный коэффициент, учитывающий влияние неактивных элементов и вычисляемый по формуле

,
где m1 - показание прибора, измеряющего фототок, при включенном вспомогательном ИС и выключенной светоизмерительной лампе;
m2 - показание прибора, измеряющего фототок, при включенном вспомогательном ИС и выключенном испытуемом ИС;
C1 - поправочный коэффициент, учитывающий селективность окраски фотометрического шара;
C2 - поправочный коэффициент спектрального несовпадения, учитывающий отличие спектрального распределения излучения светоизмерительной или стандартной лампы (при измерении СД ИС - эталонного СД) от спектрального распределения излучения испытуемого ИС;
C3 - поправочный коэффициент, учитывающий селективность нейтрального светофильтра.
Если светоизмерительная лампа и испытуемый ИС одинаковы или имеют очень близкие конфигурации, то m1 = m2.
Значения поправочных коэффициентов m, C1, C2, C3 определяют для ИС каждого типа: m, C1 - после каждой окраски фотометрического шара, но не реже одного раза в полугодие; C2, C3 - один раз в год.
6.1.3.3 При проведении испытаний ИС со световым потоком, значительно превышающим световой поток светоизмерительной лампы, при работе испытуемого ИС устанавливают нейтральный светофильтр и световой поток испытуемого ИС

вычисляют по формуле

, (10)
где

- коэффициент пропускания светофильтра.
6.1.3.4 При проведении испытаний ИС со световым потоком, значительно меньшим светового потока светоизмерительной лампы, нейтральный светофильтр устанавливают при работе светоизмерительной лампы и световой поток испытуемого ИС

вычисляют по формуле

. (11)
6.1.3.5 При градуировке фотометрического шара по стандартным лампам в соответствии с
4.2.6.2 световой поток испытуемого ИС

вычисляют по формуле

. (12)
6.1.4 Определение частичного светового потока индикаторных светодиодов
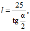
6.1.4.1 Частичный световой поток СД с использованием фотометрического шара измеряют в пространстве, ограниченном конусом с углом

(см.
рисунок 2). Основанием конуса является входное отверстие фотометрического шара диаметром 50 мм, высота конуса - расстояние
l между входным отверстием и вершиной корпуса СД. Геометрическая ось СД должна быть перпендикулярна к входному отверстию фотометрического шара и проходить через его центр.
Примечание - Вершина корпуса не является действительным оптическим центром СД, однако ее легче идентифицировать.
6.1.4.2 Расстояние
l, мм (см.
рисунок 2), от верхней точки купола СД до плоскости входного отверстия фотометрического шара вычисляют для заданного значения угла

по формуле

(13)
где

.
Значения угла

выбирают из ряда: 40°, 60°, 90° или 120° (см.
[2]).
6.1.4.3 Испытания проводят на установке, схема которой приведена на
рисунке Е.3 (приложение Е).
Для испытания применяют фотометрический шар с отверстием диаметром 50 мм, фотометрическую головку и эталонные СД.
Требования к фотометрическому шару, фотометрической головке и эталонным СД - по
4.2.5,
4.2.7.2,
4.2.6.3 соответственно.
На середине расстояния между фотометрической головкой и отверстием фотометрического шара устанавливают экран.
Перед испытанием проводят градуировку фотометрического шара с использованием эталонного СД.
Проведение испытаний и обработка результатов - по
6.1.3.
6.2 Испытание с использованием гониофотометра
6.2.1 Метод определения светового потока с использованием гониофотометра основан на пошаговой фиксации значений силы света или освещенности, создаваемой ИС, при его повороте на заданный угол. На
рисунке 3 представлена схема для определения пространственного распределения силы света ИС или освещенности.
6.2.2 Для испытания применяют гониофотометр и фотометрическую головку, соответствующие требованиям
4.2.8 и
4.2.7.2 соответственно. Фотометрическая головка должна быть экранирована от засветок.
Рисунок 2 - Схема для измерения
частичного светового потока СД
1 - испытуемый ИС; 2 - фотоприемное устройство
Рисунок 3 - Схема для определения пространственного
распределения силы света ИС или освещенности
Световой поток

определяют с использованием гониофотометра на основании измеренного пространственного распределения силы света и вычисляют по формуле

, (14)
где

- сила света в направлении

;

- меридиональный угол;

- экваториальный угол.
Примечания

.

.

.
Световой поток с использованием гониофотометра также можно определить, измерив распределение освещенности

по поверхности воображаемой сферы радиусом
R (расстояние фотометрирования). В этом случае световой поток вычисляют по формуле

, (15)
где

- освещенность участка, перпендикулярного направлению

, поверхности воображаемой сферы радиусом
R, лк.
Примечание - Определение светового потока с использованием гониофотометра возможно даже в том случае, если расстояние фотометрирования
R не удовлетворяет требованиям
4.2.8.5. В этом случае для расчета светового потока применяют только
формулу (15).
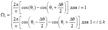
6.2.3 Частичный световой поток СД ИС с использованием гониофотометра определяют расчетным способом путем численного интегрирования силы света по пространству, ограниченному конусом с углом

(см.
рисунок 2).
Если угол

соответствует одному из узлов сетки углов измерения (например,

и

, 40°, 45°, 50°...), то суммирование проводят по формуле

, (16)
где |  , | (17) |
где
n - число экваториальных углов

;
k - число меридиональных углов

.
Если угол

находится в середине между соседними узлами сетки, т.е.

, (например,

и

, 50°...), то

. (18)
Для угла

пространственное распределение силы света в меридиональных плоскостях измеряют с шагом

(

в системе фотометрирования

), а в экваториальной плоскости с шагом

(

в системе фотометрирования

) (см.
[8]).
6.3 Испытание с использованием спектрорадиометра
6.3.1 Метод определения светового потока ИС с использованием спектрорадиометра основан на измерении спектрального распределения энергетического потока.
6.3.2 Для испытания применяют фотометрический шар, спектрорадиометр и испытательную установку, схема которой приведена на
рисунке Е.1 (приложение Е). Фотоприемное устройство заменяют на спектрорадиометр.
Фотометрический шар должен соответствовать требованиям
4.2.5, спектрорадиометр - требованиям
4.2.7.3.
6.3.3 Испытательную установку настраивают на измерение спектрального распределения энергетического потока

, Вт/нм. Световой поток

вычисляют по формуле

, (19)
где

- относительная спектральная световая эффективность монохроматического излучения для дневного зрения по
ГОСТ 8.332.
7 Методы определения силы света
Измерения проводят в соответствии с ЭД на СИ конкретного типа с дополнениями, установленными в настоящем разделе. Допускается применять методы (методики) измерений силы света ИС по нормативным документам государств, принявших настоящий стандарт, обеспечивающие достоверность и заданную точность результатов измерений <1>.
--------------------------------
<1> В Российской Федерации действуют ФР.1.37.2018.31657 "Государственная система обеспечения единства измерений. Методика измерений силы света, угла излучения, светового потока, габаритной яркости и коррелированной цветовой температуры источников света полупроводниковых", ФР.1.37.2012.12298 N 02/12 "Методика измерений силы света, пространственного распределения силы света и светового потока электрических источников света линейным фотометром на базе фотометрической скамьи".
7.1 Испытание с использованием гониофотометра
Испытания проводят в соответствии с
6.2.
7.2 Испытание с использованием фотометрической скамьи
7.2.1 Силу света ИС измеряют на испытательной установке, схема которой приведена на
рисунке Е.4 (приложение Е).
Для испытаний применяют фотометрическую скамью и фотоприемное устройство (люксметр, фотометрическую головку или спектрорадиометр), которые должны соответствовать требованиям
4.2.9 и
4.2.7 соответственно.
7.2.2 Подготовка к испытаниям
7.2.2.1 ИС располагают таким образом, чтобы заданное направление силы света совпадало с осью испытательной фотометрической установки.
7.2.2.2 Центр светочувствительной поверхности фотоприемного устройства, световой центр светящейся поверхности ИС должны находиться на оптической оси испытательной фотометрической установки. Оптическая ось фотометрической скамьи должна быть параллельна ее направляющим.
7.2.2.3 Поверхность фотоприемного устройства должна быть перпендикулярна к оси испытательной фотометрической установки.
7.2.2.4 Для устранения постороннего света между фотоприемным устройством и ИС располагают диафрагмы по
4.2.9.4 -
4.2.9.6.
7.2.2.5 На фотометрической скамье устанавливают ИС и фотоприемное устройство, как показано на
рисунке Е.4 (приложение Е).
7.2.2.6 Перед началом испытаний фотоприемное устройство высвечивают, если это указано в ЭД.
7.2.3 Проведение испытаний и обработка результатов
7.2.3.1 Если в качестве фотоприемного устройства используют люксметр, то силу света IV ИС вычисляют по формуле
IV = ER2, (20)
где E - освещенность, лк;
R - расстояние между ИС и люксметром, м.
7.2.3.2 Если в качестве фотоприемного устройства используют фотометрическую головку, то силу света ИС вычисляют по формуле

, (21)
где R - расстояние между ИС и фотометрической головкой, м;
iиз - показание прибора, измеряющего фототок при измерении ИС, мкА;
S - коэффициент преобразования, мкА/лк, который вычисляют по следующему выражению

, (22)
где iсв - показание прибора, измеряющего фототок при измерении светоизмерительной или стандартной лампы, мкА;
EV - освещенность, лк;

- спектральное распределение энергетической освещенности ИС, Вт·м
2·нм
-1;

- спектральная чувствительность фотометрической головки, мкА/(Вт·м
-2);

- относительная спектральная световая эффективность монохроматического излучения для дневного зрения по
ГОСТ 8.332;
Km = 683 лм/Вт - максимальная спектральная световая эффективность.
Формула (22) приведена в настоящем стандарте с целью пояснения физического смысла коэффициента преобразования и не является обязательной для применения при проведении калибровки фотометрической головки. Предпочтительнее коэффициент преобразования
S определять как отношение фототока
i к горизонтальной освещенности
EV, создаваемой источником типа A на поверхности фотометрической головки.
7.2.3.3 Метод испытания с использованием спектрорадиометра основан на измерении спектральной плотности энергетической освещенности

.
Испытание проводят на установке, схема которой приведена на
рисунке Е.4 (приложение Е), используя в качестве фотоприемного устройства спектрорадиометр, который должен быть градуирован по спектральному распределению энергетической освещенности.
Силу света IV ИС вычисляют по формуле

, (23)
где R - расстояние между ИС и плоскостью входной диафрагмы спектрорадиометра;

- относительная спектральная световая эффективность монохроматического излучения для дневного зрения по
ГОСТ 8.332.
7.3 Определение средней силы света светодиодов
Среднюю силу света СД определяют с использованием в качестве фотоприемного устройства фотометрической головки по
4.2.7.2 или спектрорадиометра по
4.2.7.3.
7.3.1 Испытание с использованием фотометрической головки
7.3.1.1 Метод основан на сравнении освещенности фотометрической головки, создаваемой испытуемым СД, с освещенностью фотометрической головки, создаваемой эталонным СД.
Требования к эталонным СД и фотометрической головке - по
4.2.6.3 и
4.2.7.2 соответственно.
7.3.1.2 Для испытаний применяют схему, приведенную на
рисунке 4.
Если телесный угол равен 0,001 ср, то расстояние R между СД и фотометрической головкой должно быть равно 316 мм (схема A); если телесный угол равен 0,01 ср, то расстояние R должно быть равно 100 мм (схема B).
Фотометрическая головка должна быть с круглым входным отверстием площадью 100 мм2 (диаметром приблизительно 11,3 мм).
1 - СД; 2 - круглое входное отверстие;
3 - фотометрическая головка; 4 - светофильтр
Рисунок 4 - Схема для определения средней силы света СД
7.3.1.3 Перед испытанием фотометрическую головку градуируют с использованием эталонного СД, поверенного по схеме A или B.
Если спектральное распределение излучения эталонного СД отличается от спектрального распределения излучения испытуемого СД, то вводят поправочный коэффициент спектрального несовпадения, который вычисляют по
формуле (7).
СД располагают излучающей частью к фотометрической головке и ориентируют таким образом, чтобы ось, проходящая через центр излучающей поверхности по направлению, перпендикулярному к излучающей поверхности, проходила через центр входного отверстия фотометрической головки.
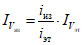
Среднюю силу света испытуемого СД

, кд, вычисляют по формуле

, (24)
где

- средняя сила света эталонного СД, кд;
iэт и iиз - сигналы фотометрической головки, соответствующие эталонному и испытуемому СД.
7.3.2 Испытание с использованием спектрорадиометра
7.3.2.1 Для данного испытания в качестве фотоприемного устройства применяют спектрорадиометр такой конструкции, которая обеспечивает возможность проведения измерений по этому методу.
Спектрорадиометр используют в режиме измерения энергетической освещенности по схеме A или B.
7.3.2.2 Измеряют абсолютную спектральную плотность энергетической освещенности

, Вт·м
-2·нм
-1, создаваемую СД. По измеренному значению и заданному расстоянию до СД 100 мм или 316 мм рассчитывают среднюю силу света СД
Iсд по
формуле (24).
8 Метод определения пространственного распределения силы света
8.1 Измерения проводят в соответствии с ЭД на СИ конкретного типа с дополнениями, установленными в настоящем разделе. Допускается применять другие методы (методики) измерений пространственного распределения силы света ИС, обеспечивающие достоверность и заданную точность результатов измерений, по нормативным документам государств, принявших настоящий стандарт <1>.
--------------------------------
<1> В Российской Федерации действует ФР.1.37.2012.12298 N 02/12 "Методика измерений силы света, пространственного распределения силы света и светового потока электрических источников света линейным фотометром на базе фотометрической скамьи".
8.2 Пространственное распределение силы света ИС определяют с использованием гониофотометра по
4.2.8 и фотометрической головки по
4.2.7.2.
8.3 Измерения проводят в одной из систем фотометрирования

,

или

по схеме, представленной на
рисунке 3, под различными углами (как правило, через каждые 5° или 10°) от оптической оси (при постоянном расстоянии
R между фотоприемным устройством и ИС), если другие требования не указаны в стандартах и/или ТУ на ИС конкретного типа.
8.4 Интервалы меридиональных

и экваториальных

углов должны обеспечивать достоверное описание пространственного распределения силы света, позволяющее осуществить в дальнейшем корректную интерполяцию значений силы света с приемлемой точностью.
При определении пространственного распределения силы света для ИС, в конструкции которых имеется диффузный рассеиватель или другие оптические элементы, способствующие равномерному распределению излучения по излучающей поверхности ИС, для газоразрядных ламп с горелкой, выполненной из поликора, и для люминесцентных ламп интервал меридиональных углов

,

,

не должен превышать 5°, а экваториальных

,

,

- 15°.
При определении пространственного распределения силы света ИС без диффузного рассеивателя или других оптических элементов, способствующих равномерному распределению излучения по излучающей поверхности ИС, интервал меридиональных углов

,

,

не должен превышать 2°, а экваториальных

,

,

- 5°.
9 Методы определения яркости и габаритной яркости
Измерения проводят в соответствии с ЭД на СИ конкретного типа с дополнениями, установленными в настоящем разделе. Допускается применять другие методы (методики) измерений яркости ИС, обеспечивающие достоверность и заданную точность результатов измерений, по нормативным документам государств, принявших настоящий стандарт <1>.
--------------------------------
<1> В Российской Федерации действует ФР.1.37.2018.31657 "Государственная система обеспечения единства измерений. Методика измерений силы света, угла излучения, светового потока, габаритной яркости и коррелированной цветовой температуры источников света полупроводниковых".
Яркость ИС в заданной точке излучающей поверхности и в заданном направлении измеряют яркомерами в соответствии с методикой, приведенной в ЭД.
Примечание - Допускается определять яркость ламп накаливания по результатам измерений силы света лампы и площади проекции спирали с применением установки, схема которой приведена на
рисунке Е.4 (приложение Е). В этом случае яркость ламп накаливания вычисляют по формуле

, (25)
где

- сила света лампы в направлении

, кд;
Aр - площадь проекции спирали, м2.
Площадь проекции спирали ламп накаливания измеряют с использованием проекционных или других оптических приборов в соответствии с методикой, приведенной в ЭД.
9.2 Определение габаритной яркости
9.2.1 Общие требования
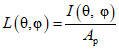
9.2.1.1 Габаритную яркость

, характеризуемую как яркость, усредненную по излучающей поверхности, вычисляют по формуле

, (26)
где

- угол между заданным направлением

и нормалью к элементу поверхности ИС;

- площадь проекции
i-го элемента излучающей поверхности ИС на плоскость, перпендикулярную к направлению

;

- световой поток, излучаемый
i-м элементом излучающей поверхности ИС в направлении

в телесном углу

, стягиваемым приемной поверхностью фотоприемного устройства;

- сила света
i-го элемента поверхности ИС в направлении

;

- сила света, формируемая всеми элементами излучающей поверхности в направлении

;
A
р - площадь проекции излучающей поверхности ИС на плоскость, перпендикулярную к направлению

.
Примечание - При определении площади излучающей поверхности учитывают только ту поверхность, яркость которой не менее 50% от максимальной.
9.2.1.2 Если излучающее тело (поверхность) ИС имеет вид спирали или упорядоченно (хаотично) расположенных излучающих элементов, то за площадь излучающей поверхности принимают не только площадь излучающих элементов, но и площади неизлучающих промежутков между ними. В этом случае площадь излучающей поверхности ИС называют эффективной площадью излучающей поверхности Aeff.
9.2.2 Определение габаритной яркости по значениям силы света и эффективной площади излучающей поверхности источников света
9.2.2.1 Габаритную яркость ИС, не содержащих в себе неизлучающих промежутков между излучающими элементами, вычисляют по
формуле (26).
Силу света определяют по
7.1 или
7.2. Подготовка к испытаниям - по
7.2.2, проведение испытаний - по
7.2.3.
9.2.2.2 Габаритную яркость ИС, содержащих в себе неизлучающие промежутки между излучающими элементами, вычисляют по формуле

, (27)
где

- сила света лампы в направлении

, кд;
Aeff - эффективная площадь излучающей поверхности, м2.
Эффективную площадь излучающей поверхности ламп накаливания определяют с использованием проекционных или других оптических приборов в соответствии с методикой, приведенной в ЭД.
В эффективную площадь излучающей поверхности СД модулей, в которых не содержатся рассеиватели, включают площадь многоугольника, стороны которого проходят через центры периферийных излучающих элементов СД модуля, и площадь полосы, примыкающей к указанному многоугольнику, ширина которой составляет
d/2, где
d - расстояние между центрами излучающих элементов (см. рисунок 5, один из способов определения эффективной площади приведен в
[9]).
1 - периферийный многоугольник;
2 - эффективная площадь излучающей поверхности
Рисунок 5 - Эффективная площадь
излучающей поверхности СД модуля
9.2.3 Определение габаритной яркости с использованием цифрового яркомера
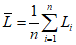
9.2.3.1 Метод определения габаритной яркости ИС с использованием цифрового яркомера основан на усреднении яркости ИС по площади проекции излучающей поверхности (или эффективной площади излучающей поверхности), т.е. в каждой точке изображения в пределах заданной площади определяют яркость ИС, а затем вычисляют габаритную яркость

по формуле

, (28)
где Li - яркость ИС в конкретной точке изображения;
n - число измеренных точек.
9.2.3.2 Габаритную яркость СД ИС, оснащенных диффузным рассеивателем или другими оптическими элементами, способствующими равномерному распределению излучения по излучающей поверхности, определяют с использованием цифрового яркомера по
ГОСТ 34819.
9.2.3.3 Габаритную яркость СД ИС, в конструкции которых отсутствует диффузный рассеиватель или другие оптические элементы, способствующие равномерному распределению излучения по излучающей поверхности ИС, определяют с использованием цифрового яркомера по
ГОСТ 34819, за исключением того, что при обработке цифрового изображения выделяют область, соответствующую эффективной площади излучающей поверхности (см.
рисунок 5), и находят среднюю яркость в пределах этой области.
10 Неопределенность измерений
Неопределенность результатов измерений оценивают и представляют согласно
ГОСТ 34100.3. Для всех результатов измерений рекомендуется использовать расширенную неопределенность с доверительной вероятностью 95%. Расширенную неопределенность определяют с точностью до двух значащих цифр.
При составлении перечня неопределенностей учитывают как общие факторы, свойственные для измерения всех указанных в настоящем стандарте фотометрических величин и не зависящие от метода, так и специфические, обусловленные методом.
10.1 Общие факторы
К общим факторам относят:
- точность установки температуры и неопределенность ее измерений;
- точность установки электрических параметров и неопределенность электрических измерений (электропитание, СИ);
- пульсация излучения ИС;
- данные из сертификата калибровки с указанием неопределенностей;
- линейность СИ;
- воспроизводимость и повторяемость.
10.2 Специфические факторы
10.2.1 Специфические факторы при определении светового потока с использованием гониофотометра, оснащенного фотометрической головкой:
- неравномерность толщины зеркала и эффекты поляризации (для зеркальных гониофотометров);
- спектральное отражение зеркал (для зеркальных гониофотометров);
- рассеянный свет;
- точность установки ИС;
- спектральное несоответствие (отклонение спектральной чувствительности системы "фотометрическая головка - зеркало" от

, отличие спектров испытуемого ИС от спектра светоизмерительной или стандартной лампы);
- площадь приемной поверхности фотоприемного устройства;
- косинусная погрешность фотоприемного устройства;
- неопределенность измерения расстояния фотометрирования.
10.2.2 Специфические факторы при определении светового потока с использованием гониофотометра, оснащенного спектрорадиометром:
- неравномерность толщины зеркала и эффекты поляризации (для зеркальных гониофотометров);
- спектральное отражение зеркал (для зеркальных гониофотометров);
- рассеянный свет;
- точность установки ИС;
- косинусная погрешность входа спектрорадиометра;
- погрешность установки длины волны;
- рассеянный свет в спектрорадиометре;
- спектральный интервал спектрорадиометра;
- неопределенность измерения расстояния фотометрирования.
10.2.3 Специфические факторы при определении светового потока с использованием фотометрического шара, оснащенного фотометрической головкой:
- самопоглощение излучения поверхностью ИС и крепежа;
- температура воздуха в шаре;
- неоднородность коэффициента отражения поверхности шара в разных его частях;
- интегральный коэффициент отражения шара;
- воспроизводимость измерений при открывании и закрывании шара;
- стабильность коэффициента преобразования шара между калибровками;
- косинусная погрешность фотометрической головки;
- люминесценция покрытия шара.
10.2.4 Специфические факторы при определении светового потока с использованием фотометрического шара, оснащенного спектрорадиометром:
- самопоглощение излучения поверхностью ИС и крепежа;
- температура воздуха в шаре;
- неоднородность коэффициента отражения поверхности шара в разных ее частях;
- интегральный коэффициент отражения шара;
- воспроизводимость измерений при открывании и закрывании шара;
- стабильность коэффициента преобразования шара между калибровками;
- косинусная погрешность входа спектрорадиометра;
- погрешность установки длины волны;
- рассеянный свет в спектрорадиометре;
- спектральный интервал спектрорадиометра;
- люминесценция покрытия шара.
(обязательное)
СХЕМЫ ИЗМЕРЕНИЙ ДЛЯ ОПРЕДЕЛЕНИЯ
ЭЛЕКТРИЧЕСКИХ ПАРАМЕТРОВ ИСТОЧНИКОВ СВЕТА
А.1 Для определения электрических параметров ИС применяют схемы измерений, приведенные в
А.2 -
А.5.
Примечание - Обозначения выводов
1 -
4 для подключения систем питания приведены на
рисунках Д.1 и
Д.2 (приложение Д).
А.2 Для определения электрических параметров ламп накаливания применяют схему измерений, приведенную на рисунке А.1.
1, 2 - выводы для подключения систем питания;
V - вольтметр для измерения напряжения лампы накаливания;
A - амперметр для измерения силы тока лампы накаливания
Рисунок А.1 - Схема измерений для определения
электрических параметров ламп накаливания
А.3 Для определения электрических параметров разрядных ламп применяют схему измерений, приведенную на рисунке А.2.
1, 2 - выводы для подключения систем питания;
V1 - вольтметр для измерения напряжения питания;
A - амперметр для измерения силы тока разрядной лампы;
W - ваттметр для измерения активной электрической мощности
разрядной лампы; V2 - вольтметр для измерения напряжения
разрядной лампы; SA1, SA2, SA3, SA4 - выключатели;
A, B, C, D - выводы для подключения испытуемой
разрядной лампы
Рисунок А.2 - Схема измерений для определения
электрических параметров разрядных ламп
Напряжение разрядных ламп измеряют непосредственно на контактах лампового патрона. Ток не должен проходить через провода, подсоединенные к вольтметру.
Схемы включения разрядных ламп приведены на
рисунке А.3.
А.4 Для определения электрических параметров компактных люминесцентных ламп со встроенными пускорегулирующими аппаратами и СД ИС применяют схему измерений, приведенную на
рисунке А.4.
А.5 Для определения электрических параметров СД 4-контактным методом применяют схему измерений, приведенную на
рисунке А.5
А.6 Электрические параметры ИС с использованием комбинированных средств измерений определяют в соответствии со схемой включения ИС.
| |
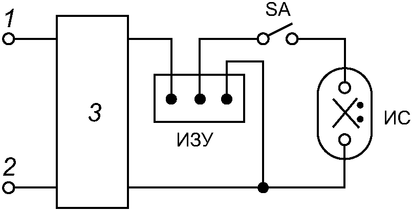
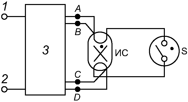
а) Схема включения люминесцентных ламп низкого давления и компактных люминесцентных ламп без встроенного пускорегулирующего аппарата | б) Схема включения дуговых ртутных ламп |
| |
в) Схема включения металлогалогенных и натриевых ламп с параллельно подключенным импульсным зажигающим устройством (ИЗУ) | г) Схема включения металлогалогенных и натриевых ламп с импульсным зажигающим устройством (ИЗУ), подключенным последовательно-параллельно |
1, 2 - выводы для подключения системы питания;
3 - система измерения электрических параметров
разрядных ламп; A, B, C, D - выводы для подключения
испытуемой разрядной лампы; S - стартер; SA - выключатель
Рисунок А.3 - Схемы включения разрядных ламп
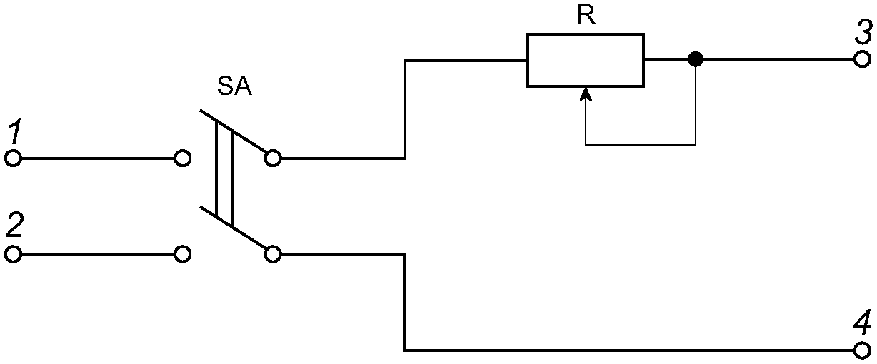
1, 2 - выводы для подключения системы питания;
V - вольтметр для измерения напряжения питания;
A - амперметр для измерения силы тока ИС;
W - ваттметр для измерения активной электрической
мощности ИС; SA1, SA2, SA3, SA4 - выключатели
Рисунок А.4 - Схема измерений для определения электрических
параметров компактных люминесцентных ламп со встроенными
пускорегулирующими аппаратами и СД ИС
1, 2 - выводы для подключения системы питания
питания; A - амперметр для измерения силы тока СД
Рисунок А.5 - Схема измерений для определения
электрических параметров СД 4-контактным методом
(справочное)
СПОСОБ ОКРАСКИ ФОТОМЕТРИЧЕСКОГО ШАРА
С ИСПОЛЬЗОВАНИЕМ СЕРНОКИСЛОГО БАРИЯ
Б.1 Перед окраской всю внутреннюю поверхность фотометрического шара очищают стеклянной или наждачной бумагой и промывают бензином.
Если на поверхности фотометрического шара имеются вмятины, щели и другие неровности, то их зашпаклевывают.
Шпаклевку подготавливают из сернокислого бария или окиси цинка, замешанного на копаловом или даммарном лаке, разбавленном скипидаром.
Зашпаклеванную поверхность фотометрического шара после просушки зачищают пемзой, стеклянной или наждачной бумагой и грунтуют.
Для грунтовки в качестве связующего используют копаловый или даммарный лак, добавляют пигмент (окись цинка или сернокислый барий) и замешивают до густоты обычных масляных красок.
Перед нанесением грунтовки с поверхности фотометрического шара удаляют пыль влажной тряпкой с последующей продувкой сжатым воздухом. Грунтовку наносят на поверхность фотометрического шара равномерным тонким слоем широкой мягкой кистью. После просушки слоя проводят зачистку неровностей наждачной или стеклянной бумагой. На поверхность фотометрического шара наносят три слоя грунтовки и после зачистки третьего слоя поверхность обдувают сжатым воздухом.
Б.2 Для окончательной окраски поверхности фотометрического шара площадью 1 м2 используют краску следующего состава:
- сернокислый барий по
ГОСТ 3158 массой 750 г;
- дистиллированная вода по
ГОСТ 6709 массой 750 г;
- ультрамарин массой 0,188 г.
Б.3 Для подготовки краски поливиниловый спирт заливают дистиллированной водой, при постоянном помешивании подогревают до температуры 35 °C и доводят до полного растворения.
Ультрамарин растворяют в дистиллированной воде и процеживают через слой марли. Сернокислый барий тщательно растирают. Все компоненты помещают в фарфоровый барабан и тщательно перемешивают в шаровой мельнице или деревянным пестиком.
Для окраски поверхности фотометрического шара допускается применять другие материалы, обеспечивающие требование
4.2.5.3.
Б.4 Через 1 - 2 сут на поверхность фотометрического шара наносят краску пульверизатором или кистью тонким слоем 5 - 6 раз после высыхания каждого нанесенного слоя. Последний слой рекомендуется наносить только пульверизатором.
После высыхания последнего слоя с окрашенной поверхности фотометрического шара удаляют неровности мелкой наждачной бумагой и обдувают ее сжатым воздухом.
Приспособления, находящиеся внутри фотометрического шара, окрашивают так же, как внутреннюю поверхность, шпаклевать их не требуется.
Б.5 Коэффициент отражения правильно окрашенной поверхности фотометрического шара должен быть не менее 0,9.
Для проверки значения коэффициента отражения фотометрического шара используют белую контрольную пластинку с коэффициентом отражения 0,9.
Качество внутренней поверхности фотометрического шара оценивают визуально и считают удовлетворительным, если яркость любого ее участка не менее яркости контрольной пластинки.
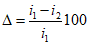
Отклонения значений коэффициентов отражения в разных частях фотометрического шара в процессе эксплуатации - не более 3%.
Отклонения значений коэффициентов отражения определяют измерением световых потоков ИС с концентрированным светораспределением при направлении максимального излучения в верхнюю и нижнюю полусферы фотометрического шара.
Б.6 Для испытаний используют ИС со стабильными электрическими и световыми параметрами, например, зеркальные лампы накаливания с концентрированным светораспределением или люминесцентные рефлекторные лампы. Отклонения коэффициентов отражения

, %, вычисляют по формуле

, (Б.1)
где

,

- световые потоки при направлении максимального излучения в верхнюю и нижнюю полусферы фотометрического шара соответственно.
Б.7 Селективность окраски фотометрического шара определяют прибором цветовой температуры методом цветных фильтров.
Перед началом испытаний прибор градуируют, вычисляя зависимость цветовой температуры TЦ от фототока по формуле

, (Б.2)
где iф1, iф2 - значения фототоков при освещении фотометрической головки прибора через первый и второй цветные светофильтры соответственно.
Градуировку проводят на фотометрической скамье по светоизмерительным лампам типа СИС по
ГОСТ 10771 или другим калиброванным лампам со стабильными параметрами и известной зависимостью цветовой температуры от напряжения.
По данным градуировки строят график зависимости

.
Б.8 При проведении испытаний рабочую светоизмерительную лампу типа СИП по
ГОСТ 10771 или другую калиброванную лампу со стабильными параметрами и известной зависимостью цветовой температуры от напряжения устанавливают в центре фотометрического шара.
На выходе измерительного отверстия устанавливают прибор цветовой температуры. Через измерительное отверстие совместно со светорассеивающим стеклом снимают показания фототоков iф1, iф2 и вычисляют их соотношение.
По градуировочному графику определяют цветовую температуру светоизмерительной лампы.
Требование неселективности считают выполненным, если цветовая температура, измеренная в фотометрическом шаре после многократных отражений, отличается от температуры светоизмерительной или другой калиброванной лампы не более чем на 200 К для ламп накаливания и не более чем на 100 К для разрядных ламп.
(рекомендуемое)
МЕТОД КАЛИБРОВКИ ФОТОМЕТРИЧЕСКОЙ ГОЛОВКИ
Калибровка фотометрической головки представляет собой проверку спектральной чувствительности, отклонения от прямой пропорциональной зависимости и утомляемости селеновых фотоэлементов.
В.1 Проверку спектральной чувствительности фотометрической головки проводят измерением относительной спектральной чувствительности по ГОСТ 17333.
В.2 Проверку утомляемости селеновых фотоэлементов проводят на испытательной установке, схема которой приведена на рисунке В.1.
1 - фотометрическая скамья;
2 - шторка; 3 - фотометрическая головка
Рисунок В.1 - Схема испытательной установки
для проверки утомляемости селеновых фотоэлементов
Изменение утомляемости не должно превышать 2% значения начального фототока при освещенности на поверхности корригирующего светофильтра, равной 800 лк.
В качестве источника излучения применяют светоизмерительные лампы типа СИС по
ГОСТ 10771 или другие калиброванные лампы со стабильными параметрами. Допускаемая погрешность воспроизведения абсолютного значения освещенности - +/- 10%, цветовой температуры источника излучения - +/- 100 К.
Перед проверкой утомляемости фотоэлемент выдерживают не менее 1 сут в темноте в нормальных климатических условиях и не засвечивают до начала испытаний.
При проведении калибровки через 5 - 10 с после открывания шторки
2 (см.
рисунок В.1) снимают показания
i1 по прибору, измеряющему фототок, через 10 мин -
i2 при непрерывном освещении фотоэлемента.
Утомляемость селеновых фотоэлементов

, %, вычисляют с точностью десятых долей по формуле

. (В.1)
В.3 Отклонение от прямой пропорциональной зависимости между освещенностью фотометрической головки и фототоком при изменении освещенности, указанной в
В.2, в два раза должно быть не более +/- 1%.
Пропорциональную зависимость проверяют на испытательной фотометрической установке для определения световых параметров ИС, показанной на
рисунке Е.4 (приложение Е).
В качестве ИС применяют светоизмерительные лампы типа СИС по
ГОСТ 10771.
Задавая значения отсчетов n = 50, 100 делений по прибору, измеряющему фототок, определяют расстояние между ИС и фотометрической головкой l50, l100 соответственно.
Систему, состоящую из фотометрической головки и прибора, измеряющего фототок, считают пропорциональной при

, (В.2)
где I - сила света ИС.
Отклонение от прямой пропорциональной зависимости считают допустимым, если выполнено условие

, (В.3)
где

и

- цена деления прибора, измеряющего фототок.
(рекомендуемое)
МЕТОД ОПРЕДЕЛЕНИЯ ЛИНЕЙНОСТИ ФОТОМЕТРИЧЕСКОЙ ГОЛОВКИ
Линейность фотометрической головки - это изменение значения выходного сигнала пропорционально изменению входного сигнала.
Линейность фотометрической головки определяют методом сравнения с эталонным фотометром с известной линейностью. Линейность эталонного фотометра определяют с максимальной точностью с использованием принципа аддитивности световых потоков с применением различных источников излучения или апертур.
Функцию отклонения от линейности f3(Y) вычисляют по формуле

, (Г.1)
где Y - выходной сигнал при освещении фотометрической головки излучением величиной X;
Xmax - входное значение, соответствующее максимальному выходному сигналу Ymax, то есть максимальному значению диапазона измерений;
Ymax - выходной сигнал при освещении фотометрической головки излучением величиной Xmax.
Коэффициент f3 применяют для определения характеристики отклонения от линейности фотометрической головки в каждом диапазоне измерений, который вычисляют по формуле
f3 = max[f3(Y)]. (Г.2)
Это соответствует максимальному значению функции f3(Y) при измерениях от 10% верхнего значения диапазона до верхнего значения - для всех диапазонов, кроме наиболее чувствительного диапазона. Для наиболее чувствительного диапазона - от минимального до максимального значения диапазона.
Коэффициент f3 учитывают для каждого диапазона измерений.
(обязательное)
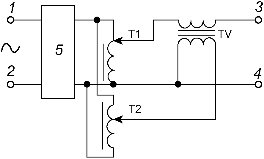
СХЕМЫ ЭЛЕКТРИЧЕСКИХ СИСТЕМ ПИТАНИЯ
Д.1 Схема системы питания постоянным током представлена на рисунке Д.1.
1, 2 - выводы для подключения источника постоянного тока;
3, 4 - выводы для подключения измерительной системы;
SA - выключатель; R - регулировочный резистор
Рисунок Д.1 - Схема системы питания постоянным током
Во время снятия показаний СИ напряжение на выводах 3, 4 не должно изменяться более чем на +/- 0,1% от установленного значения.
Д.2 Схемы систем питания переменным током представлены на рисунке Д.2 [а) и б)].
1, 2 - выводы для подключения источника переменного тока;
3, 4 - выводы для подключения измерительной системы;
5 - стабилизатор напряжения; T1, T2 - регулировочные
автотрансформаторы; TV - добавочный трансформатор напряжения
Рисунок Д.2 - Схемы систем питания переменным током
Система питания переменным током должна удовлетворять следующим требованиям:
- во время снятия показаний СИ напряжение питания на выводах 3, 4 не должно изменяться более чем на +/- 0,1%;
- форма питающего напряжения должна быть синусоидальной;
- содержание высших гармоник не должно превышать 3%, если их более высокое содержание влияет на результаты измерений.
(обязательное)
СХЕМЫ ИСПЫТАТЕЛЬНЫХ УСТАНОВОК
ДЛЯ ОПРЕДЕЛЕНИЯ СВЕТОВЫХ ПАРАМЕТРОВ ИСТОЧНИКОВ СВЕТА
Е.1 Схема испытательной установки для определения светового потока ИС, излучающих как в нижнюю, так и верхнюю полусферу фотометрического шара, приведена на рисунке Е.1.
1 - фотометрический шар; 2 - экраны; 3 - светорассеивающее
стекло; 4 - диафрагма; 5 - светофильтр; 6 - фотоприемное
устройство; ИС - испытуемый ИС; ИС1 - вспомогательный ИС
Рисунок Е.1 - Схема испытательной установки для определения
светового потока ИС, излучающих как в нижнюю,
так и верхнюю полусферу фотометрического шара
Е.2 Схема испытательной установки для определения светового потока СД ИС, излучающих только в нижнюю полусферу фотометрического шара, приведена на рисунке Е.2.
1 - фотометрический шар; 2 - экраны;
3 - светорассеивающее стекло; 4 - диафрагма;
5 - светофильтр; 6 - фотоприемное устройство;
ИС - испытуемый ИС (СД ИС); ИС1 - вспомогательный ИС
Рисунок Е.2 - Схема испытательной установки
для определения светового потока СД ИС, излучающих
только в нижнюю полусферу фотометрического шара
Е.3 Схема испытательной установки для измерения частичного светового потока СД приведена на
рисунке Е.3.
Е.4 Схема испытательной фотометрической установки для определения световых параметров ИС приведена на
рисунке Е.4.
1 - фотометрический шар; 2 - экраны;
3 - светорассеивающее стекло; 4 - диафрагма;
5 - светофильтр; 6 - фотоприемное устройство;
ИС - испытуемый СД; ИС1 - вспомогательный ИС
Рисунок Е.3 - Схема испытательной установки
для измерения частичного светового потока СД
1 - фотометрическая скамья; 2 - концевые экраны;
3 - диафрагма перед лампой; 4 - промежуточные диафрагмы;
5 - диафрагма перед фотоприемным устройством;
6 - светофильтр; 7 - светорассеивающее стекло;
8 - фотоприемное устройство; R - расстояние фотометрирования
Рисунок Е.4 - Схема испытательной фотометрической
установки для определения световых параметров ИС
(справочное)
СПРАВОЧНЫЕ ЗНАЧЕНИЯ ОТНОСИТЕЛЬНОГО СПЕКТРАЛЬНОГО
РАСПРЕДЕЛЕНИЯ ЭНЕРГИИ ИЗЛУЧЕНИЯ СТАНДАРТНЫХ ЛАМП НАКАЛИВАНИЯ
ПРИ РАЗЛИЧНЫХ ЦВЕТОВЫХ ТЕМПЕРАТУРАХ
Справочные значения относительного спектрального распределения энергии излучения

стандартных ламп накаливания при различных цветовых температурах
Tц приведены в таблице Ж.1.
Таблица Ж.1
Справочные значения относительного спектрального
распределения энергии излучения

стандартных ламп
накаливания при различных цветовых температурах Tц
Длина волны  , нм |  для Tц, К |
2800 | 2700 | 2600 | 2500 | 2400 | 2300 |
380 | 3,71 | 2,89 | 2,21 | 1,65 | 1,20 | 0,86 |
390 | 4,61 | 3,64 | 2,82 | 2,14 | 1,58 | 1,14 |
400 | 5,65 | 4,51 | 3,54 | 2,72 | 2,05 | 1,51 |
410 | 6,83 | 5,52 | 4,38 | 3,42 | 2,61 | 1,95 |
420 | 8,16 | 6,66 | 5,36 | 4,23 | 3,28 | 2,48 |
430 | 9,64 | 7,96 | 6,47 | 5,17 | 4,06 | 3,12 |
440 | 11,27 | 9,40 | 7,73 | 6,25 | 4,97 | 3,87 |
450 | 13,06 | 10,99 | 9,13 | 7,47 | 6,01 | 4,75 |
460 | 14,99 | 12,74 | 10,68 | 8,84 | 7,20 | 5,76 |
470 | 17,07 | 14,63 | 12,39 | 10,36 | 8,53 | 6,90 |
480 | 19,29 | 16,68 | 14,25 | 12,03 | 10,01 | 8,20 |
490 | 21,65 | 18,87 | 16,27 | 13,86 | 11,65 | 9,64 |
500 | 24,14 | 21,19 | 18,43 | 15,84 | 13,45 | 11,25 |
510 | 26,74 | 23,66 | 20,73 | 17,98 | 15,40 | 13,02 |
520 | 29,45 | 26,24 | 23,18 | 20,27 | 17,52 | 14,96 |
530 | 32,26 | 28,94 | 25,75 | 22,70 | 19,80 | 17,07 |
540 | 35,16 | 31,75 | 28,46 | 25,28 | 22,23 | 19,34 |
550 | 38,13 | 34,66 | 31,28 | 27,99 | 24,82 | 21,78 |
560 | 41,17 | 37,65 | 34,21 | 30,83 | 27,55 | 24,38 |
570 | 44,26 | 40,72 | 37,23 | 33,79 | 30,43 | 27,14 |
580 | 47,39 | 43,86 | 40,35 | 36,87 | 33,43 | 30,06 |
590 | 50,56 | 47,05 | 43,54 | 40,04 | 36,57 | 33,13 |
600 | 53,74 | 50,28 | 46,80 | 43,31 | 39,82 | 36,35 |
610 | 56,93 | 53,71 | 50,12 | 46,66 | 43,18 | 39,70 |
620 | 60,12 | 56,83 | 53,48 | 50,09 | 46,65 | 43,17 |
630 | 63,30 | 60,12 | 56,88 | 53,53 | 50,20 | 46,78 |
640 | 66,46 | 63,42 | 60,30 | 57,11 | 53,83 | 50,49 |
650 | 69,58 | 66,71 | 63,74 | 60,69 | 57,54 | 54,30 |
660 | 72,67 | 69,98 | 67,19 | 64,29 | 61,30 | 58,20 |
670 | 75,71 | 73,22 | 70,62 | 67,92 | 65,11 | 62,19 |
680 | 78,70 | 76,43 | 74,05 | 71,56 | 68,96 | 66,24 |
690 | 81,63 | 79,59 | 77,45 | 75,20 | 72,84 | 70,36 |
700 | 84,49 | 82,70 | 80,82 | 78,84 | 76,74 | 74,52 |
710 | 87,28 | 85,76 | 84,16 | 82,45 | 80,65 | 78,73 |
720 | 89,99 | 88,76 | 87,44 | 86,04 | 84,55 | 82,96 |
730 | 92,62 | 91,68 | 90,68 | 89,60 | 88,45 | 87,21 |
740 | 95,17 | 94,53 | 93,85 | 93,12 | 92,33 | 91,48 |
750 | 97,63 | 97,31 | 96,96 | 96,58 | 96,18 | 95,74 |
760 | 100,00 | 100,00 | 100,00 | 100,00 | 100,00 | 100,00 |
(справочное)
СПРАВОЧНЫЕ ЗНАЧЕНИЯ ОТНОСИТЕЛЬНОГО СПЕКТРАЛЬНОГО
РАСПРЕДЕЛЕНИЯ ЭНЕРГИИ ИЗЛУЧЕНИЯ СТАНДАРТНЫХ
ЛЮМИНЕСЦЕНТНЫХ ЛАМП
Справочные значения относительного спектрального распределения энергии излучения

стандартных люминесцентных ламп приведены в таблице И.1.
Таблица И.1
Справочные значения относительного спектрального
распределения энергии излучения

стандартных люминесцентных ламп
Длина волны  , нм |  для ламп типов |
ЛДЦ | ЛД | ЛХБ | ЛБ | ЛТБ |
400 | 49,0 | 28,7 | 12,0 | 7,5 | 5,7 |
410 | 41,6 | 39,7 | 15,4 | 10,2 | 6,6 |
420 | 46,2 | 52,5 | 19,5 | 12,5 | 6,5 |
430 | 53,6 | 64,5 | 24,0 | 15,2 | 7,5 |
440 | 63,4 | 75,0 | 24,7 | 17,0 | 8,8 |
450 | 74,2 | 84,0 | 31,2 | 13,4 | 9,7 |
460 | 84,3 | 92,0 | 34,4 | 21,2 | 11,0 |
470 | 91,0 | 98,0 | 36,3 | 22,3 | 12,2 |
480 | 96,5 | 100,0 | 37,0 | 22,5 | 12,8 |
490 | 100,0 | 98,3 | 37,0 | 22,9 | 13,2 |
500 | 99,5 | 94,0 | 36,0 | 21,8 | 13,5 |
510 | 97,0 | 89,6 | 34,7 | 21,7 | 14,0 |
520 | 94,0 | 85,0 | 35,7 | 23,4 | 16,3 |
530 | 92,0 | 81,0 | 40,6 | 29,0 | 22,2 |
540 | 91,0 | 82,0 | 51,3 | 40,5 | 33,0 |
550 | 90,5 | 90,0 | 70,0 | 58,0 | 51,5 |
560 | 93,4 | 95,2 | 85,5 | 77,2 | 70,5 |
570 | 94,5 | 97,0 | 98,4 | 93,4 | 88,6 |
580 | 95,7 | 95,0 | 99,2 | 100,0 | 98,0 |
590 | 96,0 | 92,5 | 100,0 | 99,0 | 100,0 |
600 | 94,5 | 82,0 | 88,6 | 89,2 | 92,2 |
610 | 91,3 | 70,3 | 74,5 | 74,2 | 79,4 |
620 | 83,7 | 56,0 | 58,8 | 58,6 | 66,5 |
630 | 81,0 | 45,2 | 45,6 | 45,0 | 52,5 |
640 | 73,3 | 34,3 | 34,5 | 33,4 | 46,2 |
650 | 61,2 | 26,4 | 25,4 | 24,7 | 32,0 |
660 | 58,8 | 21,0 | 18,6 | 17,6 | 24,7 |
670 | 51,0 | 16,7 | 13,6 | 13,2 | 19,2 |
680 | 44,4 | 13,5 | 10,8 | 9,7 | 14,8 |
690 | 37,5 | 11,4 | 8,0 | 7,2 | 11,5 |
700 | 30,6 | 9,5 | 6,3 | 5,4 | 8,2 |
710 | 25,4 | 8,2 | 5,2 | 3,9 | 6,7 |
720 | 20,5 | 7,0 | 4,0 | 3,4 | 5,5 |
730 | 17,0 | 6,0 | 3,0 | 2,9 | 11,5 |
740 | 13,0 | 5,0 | 2,0 | 2,3 | 3,5 |
|
404,7/7,8 | 73,7 | 55,0 | 41,5 | 35,0 | 38,0 |
435,8 | 207,5 | 159,0 | 119,0 | 92,7 | 111,0 |
546,1 | 110,0 | 79,0 | 61,3 | 45,5 | 66,0 |
577,0/9,0 | 31,2 | 24,2 | 18,2 | 13,4 | 15,4 |
<*> Интенсивность излучения в линиях отнесена к спектральному интервалу 10 нм. Примечание - Стандартные люминесцентные лампы типов: ЛДЦ - люминесцентная лампа дневного света с улучшенной цветопередачей; ЛД - люминесцентная лампа дневного света; ЛХБ - люминесцентная лампа холодно-белого света; ЛБ - люминесцентная лампа белого света; ЛТБ - люминесцентная лампа тепло-белого света. |
| | Международный электротехнический словарь (МЭС). Часть 845. Освещение |
| CIE 127:2007 | Измерение светодиодов |
| | Лампы натриевые высокого давления. Эксплуатационные требования |
| | Лампы металлогалогенные. Эксплуатационные требования |
| | Лампы люминесцентные двухцокольные. Эксплуатационные требования |
| IEC 60927:2007 | Устройства вспомогательные для ламп. Зажигающие устройства (кроме стартеров тлеющего разряда). Требования к рабочим характеристикам |
| CIE 210:2014 | Фотометрия с использованием корректирующих детекторов в качестве стандарта и эталона сравнения |
| CIE 025/E:2015 | Метод испытания светодиодных ламп, светодиодных светильников и светодиодных модулей |
| МКО 235:2019 | Оптическое измерение светодиодных модулей и световых двигателей |
--------------------------------
<2> В Российской Федерации действует
ГОСТ Р 53073-2008 (МЭК 60662:2002) "Лампы натриевые высокого давления. Эксплуатационные требования".
<3> В Российской Федерации действует
ГОСТ Р 53075-2008 (МЭК 61167:1992) "Лампы металлогалогенные. Эксплуатационные требования".
<4> В Российской Федерации действует
ГОСТ Р 59175-2020 (МЭК 60081:2002) "Лампы люминесцентные двухцокольные. Эксплуатационные требования".
УДК 621.326.083:006.354 | |
Ключевые слова: источники света электрические, световые и электрические параметры, световой поток, сила света, пространственное распределение силы света, яркость, методы определения параметров |