Главная // Актуальные документы // ГОСТ (Государственный стандарт)СПРАВКА
Источник публикации
М.: Стандартинформ, 2020
Примечание к документу
Текст данного документа приведен с учетом
поправки, опубликованной в "ИУС", N 6, 2022;
поправки, опубликованной в "ИУС", N 9, 2022.
Документ
введен в действие с 01.03.2021.
Название документа
"ГОСТ 27682-2020 (IEC 60188:2001). Межгосударственный стандарт. Лампы ртутные высокого давления. Эксплуатационные требования"
(введен в действие Приказом Росстандарта от 11.11.2020 N 1054-ст)
"ГОСТ 27682-2020 (IEC 60188:2001). Межгосударственный стандарт. Лампы ртутные высокого давления. Эксплуатационные требования"
(введен в действие Приказом Росстандарта от 11.11.2020 N 1054-ст)
агентства по техническому
регулированию и метрологии
от 11 ноября 2020 г. N 1054-ст
МЕЖГОСУДАРСТВЕННЫЙ СТАНДАРТ
ЛАМПЫ РТУТНЫЕ ВЫСОКОГО ДАВЛЕНИЯ
ЭКСПЛУАТАЦИОННЫЕ ТРЕБОВАНИЯ
High-pressure mercury vapour lamps.
Performance specifications
(IEC 60188:2001, MOD)
ГОСТ 27682-2020
(IEC 60188:2001)
Дата введения
1 марта 2021 года
Цели, основные принципы и общие правила проведения работ по межгосударственной стандартизации установлены
ГОСТ 1.0 "Межгосударственная система стандартизации. Основные положения" и
ГОСТ 1.2 "Межгосударственная система стандартизации. Стандарты межгосударственные, правила и рекомендации по межгосударственной стандартизации. Правила разработки, принятия, обновления и отмены"
1 ПОДГОТОВЛЕН Обществом с ограниченной ответственностью "Научно-исследовательский институт источников света имени А.Н. Лодыгина" (ООО "НИИИС имени А.Н. Лодыгина") на основе собственного перевода на русский язык англоязычной версии международного стандарта, указанного в
пункте 5
2 ВНЕСЕН Межгосударственным техническим комитетом по стандартизации МТК 332 "Светотехнические изделия, освещение искусственное"
3 ПРИНЯТ Межгосударственным советом по стандартизации, метрологии и сертификации (протокол от 30 октября 2020 г. N 134-П)
За принятие проголосовали:
Краткое наименование страны по МК (ИСО 3166) 004-97 | Код страны по МК (ИСО 3166) 004-97 | Сокращенное наименование национального органа по стандартизации |
Беларусь | BY | Госстандарт Республики Беларусь |
Казахстан | KZ | Госстандарт Республики Казахстан |
Киргизия | KG | Кыргызстандарт |
Россия | RU | Росстандарт |
Туркмения | TM | Главгосслужба "Туркменстандартлары" |
Узбекистан | UZ | Узстандарт |
4
Приказом Федерального агентства по техническому регулированию и метрологии от 11 ноября 2020 г. N 1054-ст межгосударственный стандарт ГОСТ 27682-2020 (IEC 60188:2001) введен в действие в качестве национального стандарта Российской Федерации с 1 марта 2021 г.
5 Настоящий стандарт является модифицированным по отношению к международному стандарту IEC 60188:2001 "Лампы ртутные высокого давления. Эксплуатационные требования" ("High-pressure mercury vapour lamps - Performance specifications", MOD), путем введения в стандарт дополнительных требований по отношению к IEC 60188, а также слов, значений показателей, ссылок, которые выделены в тексте стандарта курсивом.
Исключено примечание к пункту A.2 как относящееся к специальным требованиям Японии при проведении испытаний.
В элементе настоящего стандарта "Библиография", позиция
[1], IEC 60410 и его наименование заменены на ISO 2859-1:1999 "Процедуры выборочного контроля по качественным признакам. Часть 1. Планы выборочного контроля с указанием приемлемого уровня качества (AQL) для последовательного контроля партий" в связи с отменой IEC 60410.
Международный стандарт разработан подкомитетом 34A "Лампы" технического комитета по стандартизации IEC/TC 34 "Лампы и связанное с ними оборудование" Международной электротехнической комиссии (IEC).
Сведения о соответствии ссылочных межгосударственных стандартов международным стандартам, использованным в качестве ссылочных в примененном международном стандарте, приведены в дополнительном
приложении ДА.
Сопоставление структуры настоящего стандарта со структурой примененного международного стандарта приведено в дополнительном
приложении ДБ
6 ВВЕДЕН ВПЕРВЫЕ
Информация о введении в действие (прекращении действия) настоящего стандарта и изменений к нему на территории указанных выше государств публикуется в указателях национальных стандартов, издаваемых в этих государствах, а также в сети Интернет на сайтах соответствующих национальных органов по стандартизации.
В случае пересмотра, изменения или отмены настоящего стандарта соответствующая информация будет опубликована на официальном интернет-сайте Межгосударственного совета по стандартизации, метрологии и сертификации в каталоге "Межгосударственные стандарты"
Настоящий стандарт устанавливает эксплуатационные требования к ртутным лампам высокого давления (далее - лампа) для общего освещения с люминофорным покрытием, корректирующим красное отношение, или без него.
Ссылки на требования настоящего стандарта приведены в листах с параметрами лампы. Для ламп, входящих в область применения настоящего стандарта листы с параметрами приведены в настоящем стандарте, для ламп, не входящих в область применения настоящего стандарта, соответствующие листы с параметрами задает изготовитель или ответственный поставщик.
Требования настоящего стандарта относятся только к испытанию типа.
Примечание - Требования и допуски, указанные в настоящем стандарте, относятся к испытанию выборки для испытания типа, представленной изготовителем. Выборка для испытания типа должна включать лампы с характеристиками для продукции изготовителя и усредненными значениями характеристик этой продукции.
Допуски на лампы, установленные в стандарте и изготовленные в соответствии с выборкой для испытания типа, будут удовлетворять большей части продукции. Однако из-за разброса характеристик продукции характеристики ламп будут вне заданных допусков. Правила и планы выборочного контроля по качественным признакам - см.
[1].
В настоящем стандарте использованы нормативные ссылки на следующие стандарты. Для датированных ссылок применяют только указанное издание ссылочного стандарта, для недатированных - последнее издание (включая все изменения).
ГОСТ 31948-2012 (IEC 62035:1999) Лампы разрядные (кроме люминесцентных ламп). Требования безопасности
ГОСТ IEC 60061-1-2014 Цоколи и патроны для источников света с калибрами для проверки взаимозаменяемости и безопасности. Часть 1. Цоколи
Примечание - При пользовании настоящим стандартом целесообразно проверить действие ссылочных стандартов и классификаторов на официальном интернет-сайте Межгосударственного совета по стандартизации, метрологии и сертификации (www.easc.by) или по указателям национальных стандартов, издаваемым в государствах, указанных в предисловии, или на официальных сайтах соответствующих национальных органов по стандартизации. Если на документ дана недатированная ссылка, то следует использовать документ, действующий на текущий момент, с учетом всех внесенных в него изменений. Если заменен ссылочный документ, на который дана датированная ссылка, то следует использовать указанную версию этого документа. Если после принятия настоящего стандарта в ссылочный документ, на который дана датированная ссылка, внесено изменение, затрагивающее положение, на которое дана ссылка, то это положение применяется без учета данного изменения. Если ссылочный документ отменен без замены, то положение, в котором дана ссылка на него, применяется в части, не затрагивающей эту ссылку.
В настоящем стандарте применены следующие термины с соответствующими определениями (см. также
[2]).
3.1 лампа ртутная высокого давления (high-pressure mercury vapour lamp): Разрядная лампа высокой интенсивности, подавляющая часть света которой непосредственно или опосредованно обусловлена излучением паров ртути с превышающим 100 кПа парциальным давлением.
Примечание - Этот термин включает в себя лампы с прозрачным и покрытым люминофором колбами и лампы смешанного света. В люминесцентных ртутных разрядных лампах свет генерируется частично парами металла и частично слоем люминофора, возбуждаемого ультрафиолетовым излучением разряда.
3.2 номинальное значение (nominal value): Значение характеристики, используемое для обозначения или идентификации лампы.
3.3 расчетное значение (rated value): Значение характеристики лампы при заданных рабочих условиях.
Примечание - Значения характеристики лампы и рабочие условия установлены в настоящем стандарте.
3.4 напряжение зажигания лампы (lamp starting voltage): Значение напряжения, при котором лампа зажигается.
3.5 наименьшее напряжение холостого хода для стабильной работы (minimum open circuit voltage for stable operation): Значение наименьшего напряжения холостого хода, обеспечиваемого индуктивным пускорегулирующим аппаратом для стабильной работы лампы.
3.6 начальные значения (initial readings): Значения характеристик зажигания лампы, полученные в результате измерений до отжига, и значения электрических и световых параметров, полученные в результате измерений после отжига.
3.7 красное отношение (red ratio): Отношение светового потока лампы, излучаемого в красной области видимого спектра, к полному световому потоку.
Примечание - В соответствии с настоящим стандартом красная часть определяется областью видимого спектра с длиной волны свыше 600 нм.
3.8 эталонный балласт (reference ballast): Специальный пускорегулирующий аппарат индуктивного типа, являющийся элементом сравнения при испытании пускорегулирующего аппарата, а также предназначенный для испытаний ламп при стандартных условиях.
Примечание - Главная особенность этого пускорегулирующего аппарата состоит в том, что при расчетной частоте он имеет стабильное отношение напряжения к току, мало зависящее от колебаний тока, температуры и от внешних магнитных полей.
3.9 ток калибровки эталонного балласта (calibration current of a reference ballast): Значение тока, при котором проводят калибровку и проверку эталонного балласта.
3.10 испытание типа (type test): Испытание или серия испытаний, проведенное(ая) на выборке с целью проверки соответствия конструкции конкретного изделия требованиям соответствующего стандарта.
3.11 выборка для испытания типа (type test sample): Выборка, состоящая из одной или нескольких ламп одного типа, представленная изготовителем или ответственным поставщиком для испытания типа.
Лампа должна быть сконструирована таким образом, чтобы ее характеристики были стабильны при правильной эксплуатации, что обеспечивается соответствием лампы требованиям настоящего стандарта.
Настоящие требования дополняют требования ГОСТ 31948.
Требования настоящего стандарта применимы к 95% продукции.
Для классификации ламп по расчетному напряжению используют следующие обозначения:
ВН (HV) (высокое напряжение на лампе) - диапазон напряжений на лампе от 70 до 180 В;
СВН (EHV) (сверхвысокое напряжение на лампе) - напряжение на лампе более 180 В.
Размеры должны соответствовать указанным на соответствующем листе с параметрами лампы.
4.4 Характеристики зажигания и разгорания
4.4.1 Лампы должны зажигаться в течение времени зажигания, указанного в соответствующем листе с параметрами лампы, и оставаться зажженными не менее 1 мин.
Напряжение разгорания лампы должно быть достигнуто в течение времени разгорания, указанного в соответствующем листе с параметрами лампы.
Измерения выполняют до отжига методом, приведенным в
приложении A.
Примечание - При номинальном напряжении источника питания лампы должны стабильно зажигаться при температуре до минус 18 °C.
4.5 Электрические параметры
Начальное напряжение на лампе должно быть в пределах, указанных в соответствующем листе с параметрами лампы при измерении по методу, приведенному в
приложении B.
Начальная мощность, потребляемая лампой, не должна превышать наибольшей мощности, указанной в соответствующем листе с параметрами при измерении по методу, приведенному в
приложении B.
Начальный световой поток лампы должен быть не менее 90% расчетного значения при измерении по методу, приведенному в
приложении B.
4.7 Красное отношение (только для ламп с люминофорным покрытием)
Начальное красное отношение ламп должно быть в пределах
5% -
15%. Измерения выполняют методами, приведенными в
приложениях B и
C.
4.8 Стабильность работы лампы при быстром понижении напряжения источника питания
Лампы не должны гаснуть, если значение напряжения сети падает до 90% номинального значения в течение не более 0,5 с и сохранении этого значения не менее 5 с.
Контроль стабильности работы ламп при быстром снижении напряжения источника питания проводят при включении ламп по схеме, приведенной на рисунке 1.
EL - лампа; pV - вольтметр 0 - 300 В, класс 0,5;
pA - амперметр до 10 А, класс 0,5; LL - ПРА;
T - автотрансформатор
Рисунок 1 - Схема включения ламп при испытании
на стабильность работы при быстром снижении напряжения
источника питания
5 Информация для расчета светильника
Информация для расчета светильника приведена в
приложении D.
6.1 Общие принципы нумерации листов
Первое число - номер настоящего стандарта: 60188 с последующими буквами "IEC".
Второе число - номер листа с параметрами.
Третье число - издание страницы листа с параметрами. Если лист с параметрами состоит из нескольких страниц, то возможно, что страницы будут иметь разные номера изданий, а номер листа с параметрами не изменится.
6.2 Перечни листов с параметрами
6.2.1 Перечень листов с параметрами ламп
Перечень листов с параметрами ламп приведен в таблице 1.
Таблица 1
Номер листа | Номинальная мощность, Вт | Цоколь |
| 50 ВН | E27 |
| 80 ВН | E27 |
| 125 ВН | E27 |
| 250 ВН | E40 |
| 400 ВН | E40 |
| 700 ВН | E40 |
| 700 СВН | E40 |
| 1000 ВН | E40 |
| 1000 СВН | E40 |
| 2000 СВН | E40 |
| 50 ВН | E26 |
| 175 ВН | E39 |
| 250 ВН | E39 |
| 400 ВН | E39 |
| 700 СВН | E39 |
| 1000 ВН | E39 |
| 1000 СВН | E39 |
Схема нанесения размеров ламп приведена в листе с параметрами 60188-IEC-01.
6.2.2 Перечень листов с наибольшими контурами ламп
Перечень листов с наибольшими контурами ламп приведен в таблице 2.
Номер листа | Номинальная мощность, Вт | Цоколь |
| 50 ВН | E27 |
| 80 ВН | E27 |
| 125 ВН | E27 |
| 250 ВН | E40 |
| 400 ВН | E40 |
| 700 ВН и СВН | E40 |
| 1000 ВН и СВН | E40 |
| 2000 СВН | E40 |
| 50 ВН | E26 |
| 175 ВН | E39 |
| 250 ВН | E39 |
| 400 ВН | E39 |
| 700 СВН | E39 |
| 1000 ВН и СВН | E39 |
| ЛАМПА РТУТНАЯ ВЫСОКОГО ДАВЛЕНИЯ СХЕМА НАНЕСЕНИЯ РАЗМЕРОВ | |
Этот рисунок предназначен только для демонстрации проверяемых размеров и должен применяться совместно с соответствующим листом с параметрами лампы |
|
60188-IEC-01-1 |
| ЛАМПА РТУТНАЯ ВЫСОКОГО ДАВЛЕНИЯ ЛИСТ С ПАРАМЕТРАМИ | |
| | |
| Номинальная мощность, Вт | Цоколь | | |
50 ВН | E27 | QE-50-H-E27-56/130 |
| | |
| Размеры В миллиметрах | |
L, не более | D, не более |
130 | 56 |
| | |
| Характеристики зажигания и разгорания | |
| Расчетное значение | Не менее | Не более |
Напряжение зажигания (действующее значение), В | - | - | 180 |
Время зажигания, с | - | - | 10 |
Ток разгорания, А | 0,58 | - | - |
Напряжение разгорания (действующее значение) на лампе, В | - | 72 | - |
Время разгорания, мин | - | - | 12 |
| | |
| Электрические параметры | |
| Расчетное значение | Не менее | Не более |
Мощность, Вт | 50 | - | 53 |
Напряжение (действующее значение) на лампе, В | 95 | 85 | 105 |
Ток, А | 0,61 | - | - |
| | |
| Характеристики эталонного балласта | |
Частота, Гц | Расчетное напряжение, В | Ток калибровки, А | Отношение напряжения к току, Ом | Коэффициент мощности |
50 | 220 | 0,62 | 297 +/- 0,5% | 0,075 +/- 0,005 |
| | |
| Информация для расчета ПРА <**> | |
Наибольший ток короткого замыкания, А | Наименьшее напряжение холостого хода (действующее значение), В |
1,22 | 198 |
| | |
|
--------------------------------
<*> Коды МСОЛ приведены в соответствии с
[3].
<**> Пускорегулирующий аппарат.
| ЛАМПА РТУТНАЯ ВЫСОКОГО ДАВЛЕНИЯ ЛИСТ С ПАРАМЕТРАМИ | |
| | |
| Номинальная мощность, Вт | Цоколь | МСОЛ | |
80 ВН | E27 | QE-80-H-E27-71/166 |
| | |
| Размеры В миллиметрах | |
L, не более | D, не более |
166 | 71 |
| | |
| Характеристики зажигания и разгорания | |
| Расчетное значение | Не менее | Не более |
Напряжение зажигания (действующее значение), В | - | - | 180 |
Время зажигания, с | - | - | 10 |
Ток разгорания, А | 0,72 | - | - |
Напряжение разгорания (действующее значение) на лампе, В | - | 85 | - |
Время разгорания, мин | - | - | 12 |
| | |
| Электрические параметры | |
| Расчетное значение | Не менее | Не более |
Мощность, Вт | 80 | - | 84 |
Напряжение (действующее значение) на лампе, В | 115 | 100 | 130 |
Ток, А | 0,80 | - | - |
| | |
| Характеристики эталонного балласта | |
Частота, Гц | Расчетное напряжение, В | Ток калибровки, А | Отношение напряжения к току, Ом | Коэффициент мощности |
50 | 220 | 0,80 | 206 +/- 0,5% | 0,075 +/- 0,005 |
| | |
| Информация для расчета ПРА | |
Наибольший ток короткого замыкания, А | Наименьшее напряжение холостого хода (действующее значение), В |
1,60 | 198 |
| | |
|
| ЛАМПА РТУТНАЯ ВЫСОКОГО ДАВЛЕНИЯ ЛИСТ С ПАРАМЕТРАМИ | |
| | |
| Номинальная мощность, Вт | Цоколь | МСОЛ | |
125 ВН | E27 | QE-125-H-E27-76/178 |
| | |
| Размеры В миллиметрах | |
L, не более | D, не более |
178 | 76 |
| | |
| Характеристики зажигания и разгорания | |
| Расчетное значение | Не менее | Не более |
Напряжение зажигания (действующее значение), В | - | - | 180 |
Время зажигания, с | - | - | 10 |
Ток разгорания, А | 1,4 | - | - |
Напряжение разгорания (действующее значение) на лампе, В | - | 93 | - |
Время разгорания, мин | - | - | 12 |
| | |
| Электрические параметры | |
| Расчетное значение | Не менее | Не более |
Мощность, Вт | 125 | - | 132 |
Напряжение (действующее значение) на лампе, В | 125 | 110 | 140 |
Ток, А | 1,15 | - | - |
| | |
| Характеристики эталонного балласта | |
Частота, Гц | Расчетное напряжение, В | Ток калибровки, А | Отношение напряжения к току, Ом | Коэффициент мощности |
50 | 220 | 1,15 | 134 +/- 0,5% | 0,075 +/- 0,005 |
| | |
| Информация для расчета ПРА | |
Наибольший ток короткого замыкания, А | Наименьшее напряжение холостого хода (действующее значение), В |
2,30 | 198 |
| | |
|
| ЛАМПА РТУТНАЯ ВЫСОКОГО ДАВЛЕНИЯ ЛИСТ С ПАРАМЕТРАМИ | |
| | |
| Номинальная мощность, Вт | Цоколь | МСОЛ | |
250 ВН | E40 | QE-250-H-E40-91/228 |
| | |
| Размеры В миллиметрах | |
L, не более | D, не более |
228 | 91 |
| | |
| Характеристики зажигания и разгорания | |
| Расчетное значение | Не менее | Не более |
Напряжение зажигания (действующее значение), В | - | - | 180 |
Время зажигания, с | - | - | 10 |
Ток разгорания, А | 1,94 | - | - |
Напряжение разгорания (действующее значение) на лампе, В | - | 98 | - |
Время разгорания, мин | - | - | 12 |
| | |
| Электрические параметры | |
| Расчетное значение | Не менее | Не более |
Мощность, Вт | 250 | - | 263 |
Напряжение (действующее значение) на лампе, В | 130 | 115 | 145 |
Ток, А | 2,13 | - | - |
| | |
| Характеристики эталонного балласта | |
Частота, Гц | Расчетное напряжение, В | Ток калибровки, А | Отношение напряжения к току, Ом | Коэффициент мощности |
50 | 220 | 2,15 | 71 +/- 0,5% | 0,075 +/- 0,005 |
| | |
| Информация для расчета ПРА | |
Наибольший ток короткого замыкания, А | Наименьшее напряжение холостого хода (действующее значение), В |
4,26 | 198 |
| | |
|
| ЛАМПА РТУТНАЯ ВЫСОКОГО ДАВЛЕНИЯ ЛИСТ С ПАРАМЕТРАМИ | |
| | |
| Номинальная мощность, Вт | Цоколь | МСОЛ | |
400 ВН | E40 | QE-400-H-E40-122/292 |
| | |
| Размеры В миллиметрах | |
L, не более | D, не более |
292 | 122 |
| | |
| Характеристики зажигания и разгорания | |
| Расчетное значение | Не менее | Не более |
Напряжение зажигания (действующее значение), В | - | - | 180 |
Время зажигания, с | - | - | 10 |
Ток разгорания, А | 2,93 | - | - |
Напряжение разгорания (действующее значение) на лампе, В | - | 102 | - |
Время разгорания, мин | - | - | 12 |
| | |
| Электрические параметры | |
| Расчетное значение | Не менее | Не более |
Мощность, Вт | 400 | - | 420 |
Напряжение (действующее значение) на лампе, В | 135 | 120 | 150 |
Ток, А | 3,25 | - | - |
| | |
| Характеристики эталонного балласта | |
Частота, Гц | Расчетное напряжение, В | Ток калибровки, А | Отношение напряжения к току, Ом | Коэффициент мощности |
50 | 220 | 3,25 | 45 +/- 0,5% | 0,075 +/- 0,005 |
| | |
| Информация для расчета ПРА | |
Наибольший ток короткого замыкания, А | Наименьшее напряжение холостого хода (действующее значение), В |
6,83 | 198 |
| | |
|
| ЛАМПА РТУТНАЯ ВЫСОКОГО ДАВЛЕНИЯ ЛИСТ С ПАРАМЕТРАМИ | |
| | |
| Номинальная мощность, Вт | Цоколь | МСОЛ | |
700 ВН | E40 | QE-700-H-E40-152/357 |
| | |
| Размеры В миллиметрах | |
L, не более | D, не более |
357 | 152 |
| | |
| Характеристики зажигания и разгорания | |
| Расчетное значение | Не менее | Не более |
Напряжение зажигания (действующее значение), В | - | - | 180 |
Время зажигания, с | - | - | 10 |
Ток разгорания, А | 4,90 | - | - |
Напряжение разгорания (действующее значение) на лампе, В | - | 106 | - |
Время разгорания, мин | - | - | 12 |
| | |
| Электрические параметры | |
| Расчетное значение | Не менее | Не более |
Мощность, Вт | 700 | - | 735 |
Напряжение (действующее значение) на лампе, В | 140 | 125 | 155 |
Ток, А | 5,40 | - | - |
| | |
| Характеристики эталонного балласта | |
Частота, Гц | Расчетное напряжение, В | Ток калибровки, А | Отношение напряжения к току, Ом | Коэффициент мощности |
50 | 220 | 5,45 | 26,7 +/- 0,5% | 0,040 +/- 0,002 |
| | |
| Информация для расчета ПРА | |
Наибольший ток короткого замыкания, А | Наименьшее напряжение холостого хода (действующее значение), В |
11,34 | 198 |
| | |
|
| ЛАМПА РТУТНАЯ ВЫСОКОГО ДАВЛЕНИЯ ЛИСТ С ПАРАМЕТРАМИ | |
| | |
| Номинальная мощность, Вт | Цоколь | МСОЛ | |
700 СВН | E40 | QE-700-E-E40-152/357 |
| | |
| Размеры В миллиметрах | |
L, не более | D, не более |
357 | 152 |
| | |
| Характеристики зажигания и разгорания | |
| Расчетное значение | Не менее | Не более |
Напряжение зажигания (действующее значение), В | - | - | 290 |
Время зажигания, с | - | - | 10 |
Ток разгорания, А | 2,52 | - | - |
Напряжение разгорания (действующее значение) на лампе, В | - | 204 | - |
Время разгорания, мин | - | - | 12 |
| | |
| Электрические параметры | |
| Расчетное значение | Не менее | Не более |
Мощность, Вт | 700 | - | 735 |
Напряжение (действующее значение) на лампе, В | 265 | 240 | 290 |
Ток, А | 2,80 | - | - |
| | |
| Характеристики эталонного балласта | |
Частота, Гц | Расчетное напряжение, В | Ток калибровки, А | Отношение напряжения к току, Ом | Коэффициент мощности |
50 | 460 | 2,80 | 112 +/- 0,5% | 0,075 +/- 0,005 |
| | |
| Информация для расчета ПРА | |
Наибольший ток короткого замыкания, А | Наименьшее напряжение холостого хода (действующее значение), В |
5,88 | 342 |
| | |
|
| ЛАМПА РТУТНАЯ ВЫСОКОГО ДАВЛЕНИЯ ЛИСТ С ПАРАМЕТРАМИ | |
| | |
| Номинальная мощность, Вт | Цоколь | МСОЛ | |
1000 ВН | E40 | QE-1000-H-E40-167/411 |
| | |
| Размеры В миллиметрах | |
L, не более | D, не более |
411 | 167 |
| | |
| Характеристики зажигания и разгорания | |
| Расчетное значение | Не менее | Не более |
Напряжение зажигания (действующее значение), В | - | - | 180 |
Время зажигания, с | - | - | 10 |
Ток разгорания, А | 6,75 | - | - |
Напряжение разгорания (действующее значение) на лампе, В | - | 110 | - |
Время разгорания, мин | - | - | 12 |
| | |
| Электрические параметры | |
| Расчетное значение | Не менее | Не более |
Мощность, Вт | 1000 | - | 1050 |
Напряжение (действующее значение) на лампе, В | 145 | 130 | 160 |
Ток, А | 7,50 | - | - |
| | |
| Характеристики эталонного балласта | |
Частота, Гц | Расчетное напряжение, В | Ток калибровки, А | Отношение напряжения к току, Ом | Коэффициент мощности |
50 | 220 | 7,50 | 18,5 +/- 0,5% | 0,040 +/- 0,002 |
| | |
| Информация для расчета ПРА | |
Наибольший ток короткого замыкания, А | Наименьшее напряжение холостого хода (действующее значение), В |
15,75 | 198 |
| | |
|
| ЛАМПА РТУТНАЯ ВЫСОКОГО ДАВЛЕНИЯ ЛИСТ С ПАРАМЕТРАМИ | |
| | |
| Номинальная мощность, Вт | Цоколь | МСОЛ | |
1000 СВН | E40 | QE-1000-E40-167/411 |
| | |
| Размеры В миллиметрах | |
L, не более | D, не более |
411 | 167 |
| | |
| Характеристики зажигания и разгорания | |
| Расчетное значение | Не менее | Не более |
Напряжение зажигания (действующее значение), В | - | - | 290 |
Время зажигания, с | - | - | 10 |
Ток разгорания, А | 3,60 | - | - |
Напряжение разгорания (действующее значение) на лампе, В | - | 204 | - |
Время разгорания, мин | - | - | 12 |
| | |
| Электрические параметры | |
| Расчетное значение | Не менее | Не более |
Мощность, Вт | 1000 | - | 1050 |
Напряжение (действующее значение) на лампе, В | 265 | 240 | 290 |
Ток, А | 4,00 | - | - |
| | |
| Характеристики эталонного балласта | |
Частота, Гц | Расчетное напряжение, В | Ток калибровки, А | Отношение напряжения к току, Ом | Коэффициент мощности |
50 | 380 | 4,00 | 52 +/- 0,5% | 0,040 +/- 0,002 |
| | |
| Информация для расчета ПРА | |
Наибольший ток короткого замыкания, А | Наименьшее напряжение холостого хода (действующее значение), В |
8,40 | 342 |
| | |
|
| ЛАМПА РТУТНАЯ ВЫСОКОГО ДАВЛЕНИЯ ЛИСТ С ПАРАМЕТРАМИ | |
| | |
| Номинальная мощность, Вт | Цоколь | МСОЛ | |
2000 СВН | E40 | QE-2000-E-E40-187/446 |
| | |
| Размеры В миллиметрах | |
L, не более | D, не более |
446 | 187 |
| | |
| Характеристики зажигания и разгорания | |
| Расчетное значение | Не менее | Не более |
Напряжение зажигания (действующее значение), В | - | - | 310 |
Время зажигания, с | - | - | 10 |
Ток разгорания, А | 7,20 | - | - |
Напряжение разгорания (действующее значение) на лампе, В | - | 208 | - |
Время разгорания, мин | - | - | 12 |
| | |
| Электрические параметры | |
| Расчетное значение | Не менее | Не более |
Мощность, Вт | 2000 | - | 2100 |
Напряжение (действующее значение) на лампе, В | 270 | 245 | 295 |
Ток, А | 8,00 | - | - |
| | |
| Характеристики эталонного балласта | |
Частота, Гц | Расчетное напряжение, В | Ток калибровки, А | Отношение напряжения к току, Ом | Коэффициент мощности |
50 | 380 | 8,00 | 28 +/- 0,5% | 0,040 +/- 0,002 |
| | |
| Информация для расчета ПРА | |
Наибольший ток короткого замыкания, А | Наименьшее напряжение холостого хода (действующее значение), В |
16,80 | 342 |
| | |
|
| ЛАМПА РТУТНАЯ ВЫСОКОГО ДАВЛЕНИЯ ЛИСТ С ПАРАМЕТРАМИ | |
| | |
| Номинальная мощность | Цоколь | МСОЛ | |
50 Вт ВН | E26 | QE-50-H-E26-56/130 |
| | |
| Размеры В миллиметрах | |
L, не более | D, не более |
130 | 56 |
| | |
| Характеристики зажигания и разгорания | |
| Расчетное значение | Не менее | Не более |
Напряжение зажигания (действующее значение), В | - | - | 180 |
Время зажигания, с | - | - | 10 |
Ток разгорания, А | 0,58 | - | - |
Напряжение разгорания (действующее значение) на лампе, В | - | 72 | - |
Время разгорания, мин | - | - | 12 |
| | |
| Электрические параметры | |
| Расчетное значение | Не менее | Не более |
Мощность, Вт | 50 | - | 53 |
Напряжение (действующее значение) на лампе, В | 95 | 85 | 105 |
Ток, А | 0,61 | - | - |
| | |
| Характеристики эталонного балласта | |
Частота, ГЦ | Расчетное напряжение, В | Ток калибровки, А | Отношение напряжения к току, Ом | Коэффициент мощности |
60 | 220 | 0,62 | 297 +/- 0,5% | 0,075 +/- 0,005 |
| | |
| Информация для расчета ПРА | |
Наибольший ток короткого замыкания, А | Наименьшее напряжение холостого хода (действующее значение), В |
1,22 | 198 |
| | |
|
| ЛАМПА РТУТНАЯ ВЫСОКОГО ДАВЛЕНИЯ ЛИСТ С ПАРАМЕТРАМИ | |
| | |
| Номинальная мощность | Цоколь | МСОЛ | |
175 Вт ВН | E39 | QE-175-H-E39-91/211 |
| | |
| Размеры В миллиметрах | |
L, не более | D, не более |
211 | 91 |
| | |
| Характеристики зажигания и разгорания | |
| Расчетное значение | Не менее | Не более |
Напряжение зажигания (действующее значение), В | - | - | 190 |
Время зажигания, с | - | - | 10 |
Ток разгорания, А | 1,35 | - | - |
Напряжение разгорания (действующее значение) на лампе, В | - | 98 | - |
Время разгорания, мин | - | - | 12 |
| | |
| Электрические параметры | |
| Расчетное | Не менее | Не более |
Мощность, Вт | 175 | - | 184 |
Напряжение (действующее значение) на лампе, В | 130 | 115 | 145 |
Ток, А | 1,50 | - | - |
| | |
| Характеристики эталонного балласта | |
Частота, Гц | Расчетное напряжение, В | Ток калибровки, А | Отношение напряжения к току, Ом | Коэффициент мощности |
60 | 220 | 1,50 | 99,5 +/- 0,5% | 0,075 +/- 0,005 |
| | |
| Информация для расчета ПРА | |
Наибольший ток короткого замыкания, А | Наименьшее напряжение холостого хода (действующее значение), В |
3,00 | 210 |
| | |
|
| ЛАМПА РТУТНАЯ ВЫСОКОГО ДАВЛЕНИЯ ЛИСТ С ПАРАМЕТРАМИ | |
| | |
| Номинальная мощность | Цоколь | МСОЛ | |
250 Вт ВН | E39 | QE-250-H-E39-91/211 |
| | |
| Размеры В миллиметрах | |
L, не более | D, не более |
211 | 91 |
| | |
| Характеристики зажигания и разгорания | |
| Расчетное значение | Не менее | Не более |
Напряжение зажигания (действующее значение), В | - | - | 180 |
Время зажигания, с | - | - | 10 |
Ток разгорания, А | 1,94 | - | - |
Напряжение разгорания (действующее значение) на лампе, В | - | 98 | - |
Время разгорания, мин | - | - | 12 |
| | |
| Электрические параметры | |
| Расчетное значение | Не менее | Не более |
Мощность, Вт | 250 | - | 263 |
Напряжение (действующее значение) на лампе, В | 130 | 115 | 145 |
Ток, А | 2,13 | - | - |
| | |
| Характеристики эталонного балласта | |
Частота, ГЦ | Расчетное напряжение, В | Ток калибровки, А | Отношение напряжения к току, Ом | Коэффициент мощности |
60 | 220 | 2,15 | 71 +/- 0,5% | 0,075 +/- 0,005 |
| | |
| Информация для расчета ПРА | |
Наибольший ток короткого замыкания, А | Наименьшее напряжение холостого хода (действующее значение), В |
4,26 | 198 |
| | |
|
| ЛАМПА РТУТНАЯ ВЫСОКОГО ДАВЛЕНИЯ ЛИСТ С ПАРАМЕТРАМИ | |
| | |
| Номинальная мощность | Цоколь | МСОЛ | |
400 Вт ВН | E39 | QE-400-H-E39-122/292 |
| | |
| Размеры В миллиметрах | |
L, не более | D, не более |
292 | 122 |
| | |
| Характеристики зажигания и разгорания | |
| Расчетное значение | Не менее | Не более |
Напряжение зажигания (действующее значение), В | - | - | 180 |
Время зажигания, с | - | - | 10 |
Ток разгорания, А | 2,93 | - | - |
Напряжение разгорания (действующее значение) на лампе, В | - | 102 | - |
Время разгорания, мин | - | - | 12 |
| | |
| Электрические параметры | |
| Расчетное значение | Не менее | Не более |
Мощность, Вт | 400 | - | 420 |
Напряжение (действующее значение) на лампе, В | 135 | 120 | 150 |
Ток, А | 3,25 | - | - |
| | |
| Характеристики эталонного балласта | |
Частота, Гц | Расчетное напряжение, В | Ток калибровки, А | Отношение напряжения к току, Ом | Коэффициент мощности |
60 | 220 | 3,25 | 45 +/- 0,5% | 0,075 +/- 0,005 |
| | |
| Информация для расчета ПРА | |
Наибольший ток короткого замыкания, А | Наименьшее напряжение холостого хода (действующее значение), В |
6,83 | 198 |
| | |
|
| ЛАМПА РТУТНАЯ ВЫСОКОГО ДАВЛЕНИЯ ЛИСТ С ПАРАМЕТРАМИ | |
| | |
| Номинальная мощность | Цоколь | МСОЛ | |
700 Вт СВН | E39 | QE-700-E-E39-150/369 |
| | |
| Размеры В миллиметрах | |
L, не более | D, не более |
369 | 150 |
| | |
| Характеристики зажигания и разгорания | |
| Расчетное значение | Не менее | Не более |
Напряжение зажигания (действующее значение), В | - | - | 290 |
Время зажигания, с | - | - | 10 |
Ток разгорания, А | 2,52 | - | - |
Напряжение разгорания (действующее значение) на лампе, В | - | 204 | - |
Время разгорания, мин | - | - | 12 |
| | |
| Электрические параметры | |
| Расчетное значение | Не менее | Не более |
Мощность, Вт | 700 | - | 735 |
Напряжение (действующее значение) на лампе, В | 265 | 240 | 290 |
Ток, А | 2,80 | - | - |
| | |
| Характеристики эталонного балласта | |
Частота, Гц | Расчетное напряжение, В | Ток калибровки, А | Отношение напряжения к току, Ом | Коэффициент мощности |
60 | 460 | 2,80 | 112 +/- 0,5% | 0,075 +/- 0,005 |
| | |
| Информация для расчета ПРА | |
Наибольший ток короткого замыкания, А | Наименьшее напряжение холостого хода (действующее значение), В |
5,88 | 375 |
| | |
|
| ЛАМПА РТУТНАЯ ВЫСОКОГО ДАВЛЕНИЯ ЛИСТ С ПАРАМЕТРАМИ | |
| | |
| Номинальная мощность | Цоколь | МСОЛ | |
1000 Вт ВН | E39 | QE-1000-H-E39-182/391 |
| | |
| Размеры В миллиметрах | |
L, не более | D, не более |
391 | 182 |
| | |
| Характеристики зажигания и разгорания | |
| Расчетное значение | Не менее | Не более |
Напряжение зажигания (действующее значение), В | - | - | 180 |
Время зажигания, с | - | - | 10 |
Ток разгорания, А | 7,20 | - | - |
Напряжение разгорания (действующее значение) на лампе, В | - | 102 | - |
Время разгорания, мин | - | - | 12 |
| | |
| Электрические параметры | |
| Расчетное значение | Не менее | Не более |
Мощность, Вт | 1000 | - | 1050 |
Напряжение (действующее значение) на лампе, В | 135 | 120 | 150 |
Ток, А | 8,00 | - | - |
| | |
| Характеристики эталонного балласта | |
Частота, Гц | Расчетное напряжение, В | Ток калибровки, А | Отношение напряжения к току, Ом | Коэффициент мощности |
60 | 220 | 8,00 | 18,2 +/- 0,5% | 0,075 +/- 0,005 |
| | |
| Информация для расчета ПРА | |
Наибольший ток короткого замыкания, А | Наименьшее напряжение холостого хода (действующее значение), В |
16,80 | 198 |
| | |
|
| ЛАМПА РТУТНАЯ ВЫСОКОГО ДАВЛЕНИЯ ЛИСТ С ПАРАМЕТРАМИ | |
| | |
| Номинальная мощность | Цоколь | МСОЛ | |
1000 Вт СВН | E39 | QE-1000-E-E39-182/391 |
| | |
| Размеры В миллиметрах | |
L, не более | D, не более |
391 | 182 |
| | |
| Характеристики зажигания и разгорания | |
| Расчетное значение | Не менее | Не более |
Напряжение зажигания (действующее значение), В | - | - | 290 |
Время зажигания, с | - | - | 10 |
Ток разгорания, А | 3,60 | - | - |
Напряжение разгорания (действующее значение) на лампе, В | - | 204 | - |
Время разгорания, мин | - | - | 12 |
| | |
| Электрические параметры | |
| Расчетное значение | Не менее | Не более |
Мощность, Вт | 1000 | - | 1050 |
Напряжение (действующее значение) на лампе, В | 265 | 240 | 290 |
Ток, А | 4,00 | - | - |
| | |
| Характеристики эталонного балласта | |
Частота, ГЦ | Расчетное напряжение, В | Ток калибровки, А | Отношение напряжения к току, Ом | Коэффициент мощности |
60 | 460 | 4,00 | 80 +/- 0,5% | 0,075 +/- 0,005 |
| | |
| Информация для расчета ПРА | |
Наибольший ток короткого замыкания, А | Наименьшее напряжение холостого хода (действующее значение), В |
8,40 | 375 |
| | |
|
| ЛАМПА РТУТНАЯ ВЫСОКОГО ДАВЛЕНИЯ ЛИСТ С НАИБОЛЬШИМИ КОНТУРАМИ | |
| Размеры в миллиметрах | |
| Мощность, Вт | 50 | 80 | 125 | 250 | 400 | 700 | 1000 | 2000 | |
Цоколь | E27 | E40 |
A | 26,45 | 39,5 |
D | 64 | 81 | 85 | 104 | 140 | 170 | 190 | 207 |
E | 4,5 | 6 | 7 | 8 | 16 | 28 | 13 | 8 |
H | | 22 | 34 |
L | 130 | 166 | 178 | 228 | 292 | 357 | 411 | 446 |
N | 37 | 40 | 46 | 58 | 66 | 70 | 70 | 76 |
R1 | 22 | 37 | 14 | 41 | 51 | 40 | 39 | 63 |
R2 | 57 | 80 | 85 | 125 | 112 | 170 | 75 | 197 |
R3 | 57 | 80 | 85 | 104 | 140 | 170 | 190 | 197 |
R4 | 20 | 30 | 30 | 35 | 40 | 22 | 62 | 67 |
a | 33 | 33 | 47,5 | 50 | 55 | 60 | 70 | 79 |
b | 77 | 98 | 108 | 134 | 158 | 195 | 170 | 252,5 |
c | 87 | 114 | 124 | 159 | 200 | 242 | 281 | 300 |
d | 40,5 | 57 | 37 | 70 | 84 | 75 | 74 | 101 |
e | 25 | 39,5 | 42,5 | 73 | 42 | 85 | 20 | 93,5 |
f | 25 | 39,5 | 42,5 | 53 | 70 | 85 | 95 | 93,5 |
| 45° |
| | |
|
| ЛАМПА РТУТНАЯ ВЫСОКОГО ДАВЛЕНИЯ ЛИСТ С ПАРАМЕТРАМИ | |
| Размеры в миллиметрах | |
| Мощность, Вт | 50 | 175 | 250 Вт | 400 Вт | 700 Вт | 1000 Вт | |
Цоколь | E26 | E39 |
A | 26,45 | 39,5 |
D | 64 | 104 | 141,4 | 172,4 | 204,4 |
E | 4,5 | 8 | 16 | 28 | 24 |
H | 22 | 34 | 34 | 34 | 34 |
L | 130 | 211 | 292 | 369 | 391 |
N | 37 | 58 | 66 | 70 | 71 |
R1 | 22 | 41 | 51 | 45 | 20 |
R2 | 57 | 125 | 112 | 139,5 | 115 |
R3 | 57 | 104 | 140 | 170 | 250 |
R4 | 20 | 35 | 40 | 25 | 64 |
a | 33 | 50 | 55 | 60 | 70 |
b | 77 | 134 | 158 | 191 | 209 |
c | 87 | 159 | 200 | 249 | 243 |
d | 40,5 | 70 | 84 | 80 | 55,5 |
e | 25 | 73 | 41,3 | 53,3 | 12,5 |
f | 25 | 53 | 69,3 | 83,8 | 147,5 |
| 45° |
| | |
|
(обязательное)
МЕТОД ИЗМЕРЕНИЯ ХАРАКТЕРИСТИК ЗАЖИГАНИЯ И РАЗГОРАНИЯ ЛАМП
A.1 Общие положения
Лампы не должны работать в течение 5 ч непосредственно перед этими измерениями.
Измерения проводят при температуре окружающей среды от 20 °C до 30 °C при напряжении источника питания номинальной частотой 50 Гц с использованием эталонного балласта индуктивного типа, соответствующего требованиям
[4]. Схема цепи измерения характеристик зажигания и разгорания ламп приведена на рисунке A.1.
1 - источник питания; 2 - эталонный балласт; 3 - лампа
Рисунок A.1 - Схема цепи измерения характеристик
зажигания и разгорания ламп
Рабочее положение ламп - вертикальное, цоколем вверх.
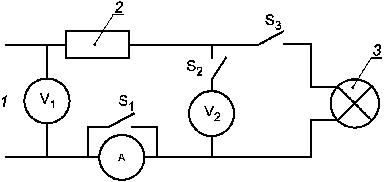
A.2 Измерения
Амперметр должен быть коротко замкнут выключателем S
1, а вольтметр V
2 отключен выключателем S
2. Напряжение источника питания, измеряемое вольтметром V
1, устанавливают равным напряжению зажигания, приведенному в
таблице 2, а затем включают выключатель S
3. Непосредственно после зажигания выключатель S
1 размыкают, а выключатель S
2 замыкают. Напряжение источника питания регулируют таким образом, чтобы ток лампы был равен току разгорания и в течение времени разгорания значение тока было постоянным.
(обязательное)
МЕТОДЫ ИЗМЕРЕНИЯ СВЕТОВЫХ И ЭЛЕКТРИЧЕСКИХ ПАРАМЕТРОВ
B.1 Общие положения
Лампы испытывают по схеме, приведенной на рисунке B.1, при температуре окружающей среды от 20 °C до 30 °C от источника питания номинальной частоты 50 или 60 Гц.
1 - источник питания; 2 - эталонный балласт; 3 - лампа
Рисунок B.1 - Схема измерения характеристик лампы
Для этих измерений используют эталонные балласты, отношение напряжения которых к току и коэффициент мощности соответствуют приведенным в соответствующих листах с параметрами лампы и удовлетворяют общим требованиям эталонных балластов (см.
[4]).
До измерения начальных параметров лампу отжигают в течение 100 ч с ПРА, удовлетворяющим требованиям
[4] при расчетных значениях напряжения и частоты ПРА. Напряжение источника питания не должно колебаться более чем на +/- 10%, а частота - не более чем на +/- 1 Гц.
Примечание - Допускаемые отклонения выбраны для того, чтобы использовать нормальный сетевой источник питания, а не стабилизированное напряжение.
Рабочее положение ламп - вертикальное, цоколем вверх.
B.2 Источник питания
Значения напряжения и частоты источника питания должны быть равны расчетным значениям эталонного балласта с допуском +/- 0,5%.
Форма волны напряжения источника питания должна быть синусоидальной. Полная гармоническая составляющая не должна превышать 3% основной. Полную гармоническую составляющую определяют как среднеквадратичную сумму отдельных гармонических составляющих, принимая основную за 100%.
Примечание - Под этим понимают, что источник питания должен иметь достаточную мощность, а цепь источника питания - достаточно низкое полное сопротивление по сравнению с полным сопротивлением ПРА с соблюдением всех условий, возможных при измерении.
В период стабилизации напряжение и частота источника питания должны быть стабильными в пределах +/- 0,5%, в момент измерения этот допуск уменьшают до +/- 0,2%.
B.3 Приборы
Приборы должны быть предназначены для измерения действующих значений с точностью, соответствующей необходимым требованиям, без искажений форм волны.
Цепи напряжений приборов, подключенные параллельно лампе, не должны потреблять более 3% расчетного тока лампы.
Для приборов, подключенных последовательно с лампой, полное сопротивление должно быть таким достаточно низким, чтобы падение напряжения не превышало 2% расчетного напряжения на лампе.
B.4 Измерение
При измерении напряжения на лампе цепь напряжения ваттметра должна быть разомкнута ПРА, а токовая цепь - закорочена, при необходимости.
При измерении мощности лампы цепь вольтметра, измеряющего напряжение лампы, должна быть разомкнута, а амперметр закорочен, при необходимости. Поправку на потребление мощности ваттметром не делают, т.к. цепь присоединена на ламповой стороне цепи, измеряющей ток.
При измерении светового потока цепь вольтметра, измеряющего напряжение лампы, и цепь измерения напряжения ваттметра должны быть разомкнуты, а амперметр и токовая цепь ваттметра - закорочены, при необходимости.
Примечание - Отказ от введения поправки на потребление цепью напряжения ваттметра основан на эмпирическом наблюдении, показывающим, что в большинстве случаев при том же напряжении источника питания вышеупомянутое потребление незначительно компенсируется уменьшением потребления мощности лампой из-за параллельного присоединения цепи напряжения ваттметра.
При сомнении можно подсчитать погрешность компенсации путем повторения измерений с другими значениями нагрузки, подключенной параллельно лампе.
Это достигают добавлением сопротивлений параллельно лампе и соответственно измерением мощности ваттметром. Затем можно экстраполировать результаты для получения реальной мощности при отсутствии параллельной нагрузки.
До измерения электрических параметров лампа должна работать до их стабилизации.
(обязательное)
МЕТОД ИЗМЕРЕНИЯ КРАСНОГО ОТНОШЕНИЯ
C.1 Требования к лампе и фильтру
При данном методе измерения используют:
a) ртутную лампу высокого давления с люминофорным покрытием с известным спектральным распределением энергии излучения.
Такую лампу обозначают буквой
N, а ее относительное спектральное распределение энергии излучения -

(включая энергию излучения в спектральных линиях). Спектральное распределение люминофора данной стандартной лампы
N должно быть аналогичное спектральному распределению испытуемой лампы;
b) красный фильтр с постоянным коэффициентом пропускания:
- не более 0,1% - при длине волны 580 нм;
- не менее 0,8% - при длине волны от 615 до 620 нм.
Примечания
1 Значение

принято, чтобы показать отсутствие пропускания желтого дублета

ртутного спектра.
2 Фильтр для измерений подбирают каждый раз в соответствии с указанными выше требованиями.
C.2 Метод измерения
Излучение испытуемой лампы X измеряют последовательно через красный фильтр и без фильтра. Отношение результата второго измерения к первому дает значение красного отношения без поправки ruX.
Затем используют лампу N для внесения поправки в результат этого измерения в соответствии со следующим методом.
Излучение лампы
N измеряют также с фильтром и без фильтра, а отношение результатов этих измерений дает значение
ruN. Известное значение спектрального распределения этой лампы даст возможность вычислить ее красное отношение (
rN). Красное отношение - это отношение двух интегралов типа

, пределы которых ограничены в красной области по всему видимому спектру.
Отношение c = rN/ruN дает поправочный коэффициент, необходимый для получения красного отношения для лампы X. Его можно выразить формулой rx = c·ruX.
Коэффициентом c определены две поправки:
a) зависимость между результатом измерения с фильтром и значением красного отношения, определенного двумя интегралами (это основная поправка для данного метода);
b) спектральная чувствительность приемника излучения, применяемого для измерений, может иметь отличие от относительной спектральной световой эффективности

.
| | ИС МЕГАНОРМ: примечание. В официальном тексте документа, видимо, допущена опечатка: имеется в виду п. 3.7, а не п. 1.3.7. | |
Данный метод дает возможность предположить, что пропорция между красным отношением, соответствующим определению (см.
1.3.7), и красным отношением, измеренным с фильтром без поправки, одинакова для обеих ламп
X и
N.
Этим предположением допускается, что люминофоры обеих ламп X и N излучают свет одинакового спектрального распределения.
Примечания
1 Использование данного метода дает возможность предположить, что спектральные характеристики фильтра остаются без изменений при измерении излучения обеих ламп X и N. Красные фильтры некоторых типов очень чувствительны к температуре, так как от ее колебаний зависит отклонение коэффициента спектрального распределения относительно длины волны. Это влияет на результаты всех измерений, связанных с данной областью кривой спектрального распределения, и имеет первостепенное значение при выборе многочисленных новых покрытий, применяемых в последнее время. В таких случаях следует контролировать температуру фильтра, поддерживая ее значение таким же, при котором проводят сравнительные измерения, избегая любого незначительного нагрева. Для этого необходимо размещать фильтр/приемник излучения на соответствующем расстоянии от источника света. Кроме того, если фильтр находится на очень близком расстоянии от приемника излучения, возможны взаимоотражения, которые не привносят никаких дополнительных ошибок, так как они равны для обоих сравнительных измерений. Следовательно, пока фильтр постоянно снимают и вставляют, необходимо удостовериться в том, что он находится всегда в одном и том же положении относительно приемника излучения.
2 Этот метод не требует определения спектральной чувствительности приемника излучения. Необходимо только проверять стабильность заданных характеристик фильтра. Данный метод допускается применять при измерениях с использованием интегрирующего фотометра (или шара Ульбрихта) или при прямом измерении в темной комнате. В последнем случае достаточно одного измерения, если люминофор является однородным, в противном случае выполняют несколько измерений в различных направлениях и используют среднее значение. При применении интегрирующего фотометра недопустима и незначительная селективность его внутренней поверхности, так как это равнозначно ослаблению спектральной чувствительности приемника излучения.
3 Рекомендуется проводить измерения относительного спектрального распределения энергии излучения ламп(ы) N после нескольких сот часов горения, чтобы убедиться, влияет ли процесс старения на спектральное распределение энергии излучения лампы.
(справочное)
ИНФОРМАЦИЯ ДЛЯ РАСЧЕТА СВЕТИЛЬНИКА
D.1 Наибольшие контуры ламп
Наибольшие контуры ламп, приведенные в
6.2.2, основанные на наибольших размерах ламп с учетом соосности колбы с цоколем, приведены для руководства разработчикам светильников при их конструировании.
Для механической установки ламп, соответствующих настоящему стандарту, в светильнике необходимо предусмотреть свободное пространство, основанное на наибольших контурах ламп.
(справочное)
СВЕДЕНИЯ О СООТВЕТСТВИИ ССЫЛОЧНЫХ МЕЖГОСУДАРСТВЕННЫХ
СТАНДАРТОВ МЕЖДУНАРОДНЫМ СТАНДАРТАМ, ИСПОЛЬЗОВАННЫМ
В КАЧЕСТВЕ ССЫЛОЧНЫХ В ПРИМЕНЕННОМ МЕЖДУНАРОДНОМ СТАНДАРТЕ
Таблица ДА.1
Обозначение ссылочного межгосударственного стандарта | Степень соответствия | Обозначение и наименование ссылочного международного документа |
ГОСТ 31948-2012 (IEC 62035:1999) | MOD | IEC 62035:1999 "Лампы разрядные (кроме люминесцентных ламп). Требования безопасности" |
| IDT | IEC 60061-1:1969 "Цоколи и патроны для источников света с калибрами для проверки взаимозаменяемости и безопасности. Часть 1. Цоколи" |
Примечание - В настоящей таблице использованы следующие условные обозначения степени соответствия стандартов: - IDT - идентичные стандарты; - MOD - модифицированные стандарты. |
(справочное)
СОПОСТАВЛЕНИЕ СТРУКТУРЫ НАСТОЯЩЕГО СТАНДАРТА СО СТРУКТУРОЙ
ПРИМЕНЕННОГО В НЕМ МЕЖДУНАРОДНОГО СТАНДАРТА
Таблица ДБ.1
Структурный элемент настоящего стандарта | Структурный элемент примененного международного стандарта |
1 Область применения (раздел 1) | |
| Область применения |
2 Нормативные ссылки (1.2) | 1.2 Нормативные ссылки |
3 Термины и определения (1.3) | 1.3 Определения |
4 Требования к лампам (1.4) | 1.4 Требования к лампе |
4.1 Общие положения (1.4.1) | 1.4.1 Общие положения |
| 1.4.2 Размеры |
| 1.4.3 Цоколи |
4.4 Характеристики зажигания и разгорания (1.4.4) | 1.4.4 Характеристики зажигания |
4.5 Электрические параметры (1.4.5) | 1.4.5 Электрические параметры |
4.6 Световые параметры (1.4.6) | 1.4.6 Световые параметры |
4.7 Красное отношение (только для ламп с люминофорным покрытием (1.4.7) | 1.4.7 Красное отношение (только для ламп с люминофорным покрытием) |
4.8 Стабильность работы лампы при быстром понижении напряжения источника питания (1.4.8) | 1.4.8 Стабильность работы лампы при быстром понижении напряжения источника питания |
5 Информация для расчета светильника (1.5) | 1.5 Информация для расчета светильника |
6 Листы с параметрами (раздел 2) | 2 Листы с параметрами |
6.1 Общие принципы нумерации листов (2.1) | 2.1 Общие принципы нумерации листов |
6.2 Перечни листов с параметрами (2.2) | 2.2 Перечни листов с параметрами |
6.2.1 Перечни листов с параметрами ламп (2.2.1) | 2.2.1 Перечни листов с параметрами ламп |
6.2.2 Перечни листов с наибольшими контурами ламп (2.2.2) | 2.2.2 Перечни листов с наибольшими контурами ламп |
Приложение ДА Сведения о соответствии ссылочных межгосударственных стандартов международным стандартам, использованным в качестве ссылочных в примененном международном стандарте | |
Приложение ДБ Сопоставление структуры настоящего стандарта со структурой примененного международного стандарта | |
<*> Данный подраздел исключен как не соответствующий требованиям ГОСТ 1.5. Приложение - В настоящую таблицу не включены приложения A - D т.к. эти структурные элементы идентичны. |
| ISO 2859-1:1999 | Sampling procedures for inspection by attributes - Part 1: Sampling schemes indexed by acceptance quality limit (AQL) for lot-by-lot inspection (Процедуры выборочного контроля по качественным признакам. Часть 1. Планы выборочного контроля с указанием приемлемого уровня качества (AQL) для последовательного контроля партий) |
| IEC 60050 (845):1987 | International Electrotechnical Vocabulary (IEV) - Chapter 845: Lighting (Международный электротехнический словарь (МЭС) - Глава 845. Освещение) |
| IEC/TS 61231:1999 | International lamp coding system (ILCOS) [Международная система обозначения ламп (МСОЛ)] |
| IEC 60923:2005 | Auxiliaries for lamps - Ballast for discharge lamps (excluding tubular fluorescent lamps) - Performance requirements [Устройства управления лампами. Аппараты пускорегулирующие для разрядных ламп (кроме люминесцентных ламп). Требования к рабочим характеристикам] |
УДК 621.327.534.25:006.354 | | MOD |
Ключевые слова: лампа ртутная высокого давления, эксплуатационные требования |