Главная // Актуальные документы // Актуальные документы (обновление 2024.12.02-2025.01.05) // ГОСТ (Государственный стандарт)
СПРАВКА
Источник публикации
М.: ФГБУ "РСТ", 2021
Примечание к документу
Документ включен в Перечень международных и региональных (межгосударственных) стандартов, а в случае их отсутствия - национальных (государственных) стандартов, в результате применения которых на добровольной основе обеспечивается соблюдение требований технического регламента Таможенного союза "О безопасности аппаратов, работающих на газообразном топливе" (ТР ТС 016/2011) и в Перечень международных и региональных (межгосударственных) стандартов, а в случае их отсутствия - национальных (государственных) стандартов, содержащих правила и методы исследований (испытаний) и измерений, в том числе правила отбора образцов, необходимые для применения и исполнения требований технического регламента Таможенного союза "О безопасности аппаратов, работающих на газообразном топливе" (ТР ТС 016/2011) и осуществления оценки соответствия объектов технического регулирования (Решение Коллегии Евразийской экономической комиссии от 13.07.2021 N 86).

Документ введен в действие с 01.07.2022.
Название документа
"ГОСТ ISO 23551-1-2015. Межгосударственный стандарт. Предохранители и регуляторы для газовых горелок и газосжигательного оборудования. Частные требования. Часть 1. Автоматические и полуавтоматические клапаны"
(введен в действие Приказом Росстандарта от 31.08.2021 N 881-ст)

"ГОСТ ISO 23551-1-2015. Межгосударственный стандарт. Предохранители и регуляторы для газовых горелок и газосжигательного оборудования. Частные требования. Часть 1. Автоматические и полуавтоматические клапаны"
(введен в действие Приказом Росстандарта от 31.08.2021 N 881-ст)


Содержание


Введен в действие
Приказом Федерального
агентства по техническому
регулированию и метрологии
от 31 августа 2021 г. N 881-ст
МЕЖГОСУДАРСТВЕННЫЙ СТАНДАРТ
ПРЕДОХРАНИТЕЛИ И РЕГУЛЯТОРЫ ДЛЯ ГАЗОВЫХ ГОРЕЛОК
И ГАЗОСЖИГАТЕЛЬНОГО ОБОРУДОВАНИЯ
ЧАСТНЫЕ ТРЕБОВАНИЯ
ЧАСТЬ 1
АВТОМАТИЧЕСКИЕ И ПОЛУАВТОМАТИЧЕСКИЕ КЛАПАНЫ
Safety and control devices for gas burners
and gas-burning appliances. Particular requirements.
Part 1. Automatic and semi-automatic valves
(ISO 23551-1:2012, IDT)
ГОСТ ISO 23551-1-2015
МКС 27.060.20
Дата введения
1 июля 2022 года
Предисловие
Цели, основные принципы и общие правила проведения работ по межгосударственной стандартизации установлены ГОСТ 1.0 "Межгосударственная система стандартизации. Основные положения" и ГОСТ 1.2 "Межгосударственная система стандартизации. Стандарты межгосударственные, правила и рекомендации по межгосударственной стандартизации. Правила разработки, принятия, обновления и отмены"
Сведения о стандарте
1 ПОДГОТОВЛЕН Республиканским государственным предприятием на праве хозяйственного ведения "Казахстанский институт метрологии" Комитета технического регулирования и метрологии Министерства по инвестициям и развитию Республики Казахстан и Техническим комитетом по стандартизации ТК 53 "Сертификация металлургической, машиностроительной, строительной продукции и услуг" на основе собственного перевода на русский язык англоязычной версии стандарта, указанного в пункте 5
2 ВНЕСЕН Комитетом технического регулирования и метрологии Министерства по инвестициям и развитию Республики Казахстан
3 ПРИНЯТ Межгосударственным советом по стандартизации, метрологии и сертификации по результатам голосования в АИС МГС (протокол от 29 сентября 2015 г. N 80-П)
За принятие проголосовали:
Краткое наименование страны по МК (ИСО 3166) 004-97
Код страны по МК (ИСО 3166) 004-97
Сокращенное наименование национального органа по стандартизации
Армения
AM
ЗАО "Национальный орган по стандартизации и метрологии" Республики Армения
Беларусь
BY
Госстандарт Республики Беларусь
Казахстан
KZ
Госстандарт Республики Казахстан
Киргизия
KG
Кыргызстандарт
Молдова
MD
Институт стандартизации Молдовы
Россия
RU
Росстандарт
Таджикистан
TJ
Таджикстандарт
4 Приказом Федерального агентства по техническому регулированию и метрологии от 31 августа 2021 г. N 881-ст межгосударственный стандарт ГОСТ ISO 23551-1-2015 введен в действие в качестве национального стандарта Российской Федерации с 1 июля 2022 г.
5 Настоящий стандарт идентичен международному стандарту ISO 23551-1:2012 "Предохранители и регуляторы для газовых горелок и газосжигательного оборудования. Частные требования. Часть 1. Автоматические и полуавтоматические клапаны" ("Safety and control devices for gas burners and gas-burning appliances. Particular requirements. Part 1. Automatic and semi-automatic valves", IDT).
Международный стандарт разработан Техническим комитетом по стандартизации ISO/TC 161 "Устройства управления и обеспечения безопасности для непромышленных газовых и нефтяных горелок и сопутствующего оборудования" Международной организации по стандартизации (ISO).
При применении настоящего стандарта рекомендуется использовать вместо ссылочных международных стандартов соответствующие им межгосударственные стандарты, сведения о которых приведены в дополнительном приложении ДА
6 ВВЕДЕН ВПЕРВЫЕ
Информация о введении в действие (прекращении действия) настоящего стандарта и изменений к нему на территории указанных выше государств публикуется в указателях национальных стандартов, издаваемых в этих государствах, а также в сети Интернет на сайтах соответствующих национальных органов по стандартизации.
В случае пересмотра, изменения или отмены настоящего стандарта соответствующая информация будет опубликована на официальном интернет-сайте Межгосударственного совета по стандартизации, метрологии и сертификации в каталоге "Межгосударственные стандарты"
Введение
Настоящий стандарт применяют совместно с международным стандартом ISO 23550. Настоящий стандарт устанавливает всесторонние требования, предъявляемые к продукции, на которую распространяется ISO 23550. Настоящий стандарт адаптирует ISO 23550, устанавливая для отдельных нормативных положений требования, отличающиеся от установленных в ISO 23550, при этом применяются следующие формулировки: "со следующим изменением", "со следующим дополнением", "заменяется следующим" или "не применяются". Для идентификации особых требований, которые специфичны для настоящего стандарта и которые не устанавливает ISO 23550, настоящий стандарт содержит разделы и подразделы, дополняющие структуру ISO 23550. Данные разделы нумеруются, начиная с 101, в случае приложений обозначаются как AA, BB, CC и т.д.
1 Область применения
Настоящий стандарт устанавливает требования к безопасности, конструкции и характеристикам, методы испытаний автоматических и полуавтоматических отсечных клапанов, предназначенных для газовых горелок, аппаратов, работающих на газообразном топливе и аналогичного назначения.
Настоящий стандарт распространяется на клапаны:
- нормально-закрытые;
- устанавливаемые на входе в газовые горелки и аппараты;
- с максимальным рабочим давлением до 500 кПа включительно, предназначенные для газовых горелок или приборов, применяющих природный, промышленный или сжиженный нефтяной газ (LPG);
- прямого или непрямого действия, приводимые в действие электрическим или механическим способами;
- приводимые в действие гидравлическим или пневматическим способами;
- управление расходом газа которых осуществляется внешними электрическими сигналами дискретно или пропорционально поданному сигналу;
- с указателем закрытого положения;
Настоящий стандарт устанавливает только типовые испытания.
2 Нормативные ссылки
В настоящем стандарте использованы нормативные ссылки на следующие стандарты [для датированных ссылок применяют только указанное издание ссылочного стандарта, для недатированных - последнее издание (включая все изменения)]:
ISO 7-1:1994, Pipe threads where pressure-tight joints are made on the threads - Part 1: Dimensions, tolerances and designation (Резьбы трубные, обеспечивающие герметичность соединения. Часть 1. Размеры, допуски и обозначение)
ISO 65:1981, Carbon steel tubes suitable for screwing in accordance with ISO 7/1 (Трубы из углеродистой стали для нарезки резьбы по ISO 7-1)
ISO 228-1:2000, Pipe threads where pressure-tight joints are not made on the threads - Part 1: Dimensions, tolerances and designation (Резьбы трубные, не обеспечивающие герметичность соединения. Часть 1. Размеры, допуски и обозначения)
ISO 262:1998, ISO general purpose metric screw threads - Selected sizes for screws, bolts and nuts (Резьбы метрические общего назначения по системе ISO. Выбор размеров для винтов, болтов и гаек)
ISO 301:2006, Zinc alloy ingots intended for castings (Слитки из цинкового сплава для литья)
ISO 1817:2005, Rubber, vulcanized - Determination of the effect of liquids (Резина. Определение стойкости к воздействию жидкостей)
ISO 4400:1994, Fluid power systems and components - Three-pin electrical plug connectors with earth contact - Characteristics and requirements (Системы гидравлические и их компоненты. Соединители электрические штепсельные трехштыревые с контактом заземления. Характеристики и требования)
ISO 6952:1994, Fluid power systems and components - Two-pin electrical plug connectors with earth contact - Characteristics and requirements (Приводы гидравлические и пневматические и их элементы. Штепсельные двухштырьковые электрические соединители с заземляющим контактом. Характеристики и технические требования)
ISO 7005 (all parts), Metallic flanges ((все части) Фланцы металлические)
ISO 23550:2011, Safety and control devices for gas burners and gas-burning appliances - General requirements (Устройства защиты и управления газовых горелок и аппаратов. Общие требования)
IEC 60079-11:2011, Explosive atmospheres - Part 11: Equipment protection by intrinsic safety "i" (Взрывоопасные среды. Часть 11. Оборудование с видом взрывозащиты "Искробезопасная электрическая сеть "i")
IEC 60529:2001, Degrees of protection provided by enclosures (IP code) (Степени защиты, обеспечиваемые корпусами (код IP))
IEC 60730-1:2013, Automatic electrical controls - Part 1: General requirements (Устройства автоматические электрические управляющие бытового и аналогичного назначения. Часть 1. Общие требования)
IEC 61000-4-2:2008, Electromagnetic compatibility (EMC) - Part 4-2: Testing and measurement techniques - Electrostatic discharge immunity test (Электромагнитная совместимость (ЭМС). Часть 4-2: Методы испытаний и измерений. Испытания на невосприимчивость к электростатическому разряду)
IEC 61000-4-3:2008, Electromagnetic compatibility (EMC) - Part 4-3: Testing and measurement techniques - Radiated, radio-frequency, electromagnetic field immunity test (Электромагнитная совместимость (ЭМС). Часть 4-3. Методы испытаний и измерений. Испытание на невосприимчивость к радиочастотному электромагнитному полю)
IEC 61000-4-4:2012, Electromagnetic compatibility (EMC) - Part 4-4: Testing and measurement techniques - Electrical fast transient/burst immunity test (Электромагнитная совместимость (ЭМС). Часть 4-4. Методы испытаний и измерений. Испытания на невосприимчивость к быстрым переходным процессам и всплескам)
IEC 61000-4-5:2014, Electromagnetic Compatibility (EMC) - Part 4-5: Testing and Measurement Techniques - Surge Immunity Test (Электромагнитная совместимость (ЭМС). Часть 4-5. Методы испытаний и измерений. Испытание на невосприимчивость к выбросу напряжения)
IEC 61000-4-6:2013, Electromagnetic compatibility (EMC) - Part 4-6: Testing and measurement techniques - Immunity to conducted disturbances, induced by radio-frequency fields (Электромагнитная совместимость (ЭМС). Часть 4-6. Методы испытаний и измерений. Защищенность от помех по цепи питания, наведенных радиочастотными полями)
IEC 61000-4-8:2009, Electromagnetic compatibility (EMC) - Part 4-8: Testing and measurement techniques - Power frequency magnetic field immunity test (Электромагнитная совместимость (ЭМС). Часть 4-8. Методы испытаний и измерений. Испытание на помехоустойчивость к магнитному полю тока промышленной частоты)
IEC 61000-4-11:2004, Electromagnetic compatibility (EMC) - Part 4-11: Testing and measurement techniques - Voltage dips, short interruptions (Электромагнитная совместимость (ЭМС). Часть 4-11. Методы испытаний и измерений. Кратковременные понижения напряжения, короткие отключения)
IEC 61058-1:2000, Switches for appliances - Part 1: General requirements (Выключатели для электроприборов. Часть 1. Общие требования и методы испытаний)
3 Термины и определения
В настоящем стандарте применены термины по ISO 23550, а также следующие термины с соответствующими определениями:
3.101 Клапаны
3.101.1 клапан (valve): Устройство, состоящее из корпуса клапана, запорного органа и исполнительного механизма, который осуществляет регулирование подачи газа.
Примечание - Срабатывание клапана может осуществляться путем воздействия давления газа, электрической, гидравлической, ручной или пневматической энергии.
3.101.2 полуавтоматический отсечной клапан (semi-automatic shut-off valve): Клапан, открывающийся вручную и возвращающийся в закрытое положение при отсутствии энергии привода исполнительного механизма.
3.101.3 автоматический отсечной клапан (automatic shut-off valve): Клапан, открывающийся при подаче энергии и автоматически закрывающийся при прекращении подачи энергии.
3.101.4 термоэлектрический клапан (thermoelectric valve): Автоматический отсечной клапан, энергия привода исполнительного механизма которого имеет термоэлектрический источник.
3.101.5 клапан диафрагменного типа (diaphragm type valve): Автоматический отсечной клапан, в котором запорный орган открывается давлением газа, приложенным к гибкой диафрагме.
3.102 клапан со ступенчатым управлением (valve with step control): Клапан, управляющий расходом ступенчато.
3.103 клапан с плавным управлением (valve with modulating control): Клапан, непрерывно управляющий расходом между двумя предельными значениями в ответ на внешние электрические сигналы.
3.104 исполнительный механизм (actuating mechanism): Деталь клапана, перемещающая запорный орган.
3.105 переключатель с указателем закрытого положения (closed position indicator switch): Переключатель, установленный на клапане и показывающий, что запорный орган находится в закрытом положении.
3.106 энергия привода исполнительного механизма (actuating energy): Энергия, необходимая исполнительному механизму для перемещения запорного органа в открытое положение. Энергия привода, преобразуемая внутри клапана, может иметь внешний источник (электрический, пневматический или гидравлический).
3.107 закрывающая сила (closing force): Сила, способная закрывать клапан независимо от значения силы, создаваемой давлением газа.
3.108 уплотняющая сила (sealing force): Сила, действующая на седло клапана, когда запорный орган находится в закрытом положении, независимо от значения силы, создаваемой давлением газа.
3.109 сила трения (frictional force): Наибольшее значение силы, необходимое для перемещения исполнительного механизма и запорного органа из открытого положения в закрытое, с учетом возврата запорной пружины в исходное положение, независимо от значения силы, создаваемой давлением газа.
3.110 давление привода исполнительного механизма (actuating pressure): Гидравлическое или пневматическое давление, подаваемое к исполнительному механизму клапана.
3.111 перепад давлений (pressure difference): Разность между давлениями на входе и на выходе клапана.
3.112 время открытия клапана (opening time): Интервал времени между подачей энергии на клапан и достижением максимального или определенного расхода.
3.113 время закрытия клапана (closing time): Интервал времени между прекращением подачи энергии на клапан и перемещением запорного органа в закрытое положение.
3.114 время задержки (delay time): Интервал времени между подачей энергии на клапан и появлением расхода.
3.115 управляющий клапан (control valve): Клапан, управляющий гидравлической или пневматической энергией, подаваемой на исполнительный механизм.
3.116 номинальное напряжение (rated voltage): Напряжение, указанное изготовителем, при котором клапан работоспособен.
3.117 номинальный ток (rated current): Ток, указанный изготовителем, при котором клапан работоспособен.
3.118 байпас (bypass): Проход в корпусе устройства или газовой линии вблизи корпуса, обеспечивающий прохождение газа от входного к выходному соединению устройства, независимо от работы клапана.
3.119 блокировка (interlock): Регулятор, или устройство для подтверждения необходимого состояния требуемого условия, и предоставления подтверждения системе автоматического зажигания газа или другой схеме контроля безопасности.
3.120 выключатель "подтверждение закрытия" (proof-of-closure switch): Электрический выключатель, который регистрирует нахождение запорного органа клапана в закрытом положении, используемый в качестве блокировки.
3.121 переключающее устройство (switching device): Электрический переключатель, приводимый в действие приводом клапана и используемый в качестве электрического выхода.
3.122 привод клапана (valve actuator): Электрический механизм (например, электродвигатель, или шаговый соленоид), электротермическое устройство (например, нагревательный элемент регулятора энергии) или механический накопитель (например, заводная пружина), применяемые для открытия клапана.
3.123 непромышленный/промышленный клапан (commercial/industrial valve) (C/I клапан [C/I Valve]): Нормально закрытый автоматический или полуавтоматический клапан, работающий при давлении, превышающем 3,5 кПа.
3.124 двухседельный балансировочный клапан (balanced valve with two ports): Автоматический отсечной клапан со сбалансированным запорным органом, двумя тарелками и седлами клапана, в котором давление на входе действует на запорный орган в направлении закрытия.
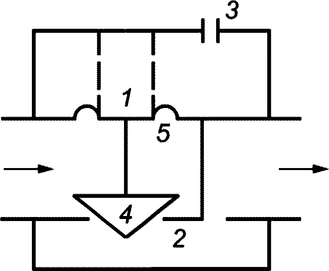
Примечание - Пример представлен на рисунке 1.
3.125 односедельный балансировочный клапан (balanced valve with one port): Автоматический отсечной клапан со сбалансированным запорным органом, одной тарелкой клапана и балансировочными средствами, в котором давление на входе действует на запорный орган в направлении закрытия.
Примечание - Пример представлен на рисунке 2.
4 Классификация
4.1 Классы клапанов
Классы клапанов должны соответствовать 4.1 ISO 23550:2011 со следующими дополнениями.
4.1.101 Классификация по уплотняющей силе
В тех случаях, когда автоматические отсечные клапаны классифицируют по уплотняющей силе, применяют следующие классы.
Клапаны классов A, B и C - клапаны, уплотняющая сила которых не уменьшается от давления газа на входе, подразделяют согласно требованиям к уплотняющей силе в соответствии с 7.6.107.1. Двухседельные балансировочные клапаны в соответствии с настоящим стандартом являются клапанами класса A.
Клапаны класса D - клапаны, для которых не предъявляют требования к уплотняющей силе.
Клапаны класса J - тарельчатые клапаны, уплотняющая сила которых не уменьшается давлением газа на входе, и соответствующие требованиям 7.6.107.1.
Примечание - Специфические региональные требования представлены в приложениях F и G.
4.1.102 Классификация по назначению
- C/I клапаны;
- автоматические отсечные клапаны;
- полуавтоматические отсечные клапаны;
- клапан с плавным управлением/клапан плавного (пропорционального) регулирования;
- клапан со ступенчатым управлением/многоступенчатый клапан.
4.2 Группы клапанов
Группы клапанов должны соответствовать 4.2 ISO 23550:2011.
5 Условия испытаний
Условия испытаний должны соответствовать 5 ISO 23550
6 Конструкция
6.1 Общие положения
Общие положения соответствуют 6.1 ISO 23550.
6.2 Конструктивные требования
6.2.1 Внешний вид
Внешний вид клапанов должен соответствовать требованиям, установленным в 6.2.1 ISO 23550:2011.
6.2.2 Отверстия
Отверстия клапанов должны соответствовать требованиям 6.2.2 ISO 23550.
6.2.3 Вентиляционные отверстия
Вентиляционные отверстия должны соответствовать требованиям 6.2.3 ISO 23550.
Примечание - Специфические региональные требования представлены в приложении F.
6.2.4 Резьбовые соединения
Резьбовые соединения должны соответствовать требованиям 6.2.4 ISO 23550.
6.2.5 Соединение деталей
Соединение деталей клапанов должно соответствовать 6.2.5 ISO 23550.
6.2.6 Движущиеся детали
Движущиеся детали должны соответствовать требованиям 6.2.6 ISO 23550 со следующими дополнениями:
Винты и гайки C/I клапанов:
Средства крепления рабочих частей к движущимся деталям должны предотвращать откручивание при эксплуатации.
6.2.7 Заглушки
Заглушки должны соответствовать требованиям 6.2.7 ISO 23550.
6.2.8 Демонтаж и повторная сборка при сервисном обслуживании/регулировании
Демонтаж и повторная сборка должны соответствовать требованиям 6.2.8 ISO 23550 со следующими дополнениями:
6.2.8.101 Общие положения
Детали клапана, не предназначенные для регулирования при эксплуатации, защищают средствами, обеспечивающими исключение возможности несанкционированного регулирования. Допускается декларировать требования по данной защите при использовании.
Примечание - К таким средствам, например, относятся:
- опломбирование с применением материалов, соответствующих температурному диапазону применения клапана, при этом данные средства должны указывать на очевидность вмешательства;
- возможность осуществления регулировки только с применением специального инструмента;
- указание в инструкции к клапану требований по монтажу изготовителем оборудования клапана таким образом, чтобы средства регулирования были недоступны.
Соблюдение установленных требований проверяется контролем. В тех случаях, когда в качестве таких средств применяется опломбирование, контроль проводят до и после испытания на долговечность.
6.2.8.102 Сохранение регулировок
Предусматривают соответствующие средства сохранения всех регулировок.
Примечание - Контргайки или регулировочные гайки, постоянное положение которых обеспечивается прижатием или усилием пружины, допускается применять только в тех случаях, при которых их регулировка не может быть случайным образом нарушена.
6.2.8.103 Регулировки, выполняемые при эксплуатации
Средства, необходимые для выполнения регулировок при эксплуатации, закрывают заглушками в соответствии с 6.2.7 или защищают таким образом, чтобы была исключена возможность несанкционированного регулирования или случайного нарушения регулировки.
6.2.9 Вспомогательные каналы
Применяются требования 6.2.9 ISO 23550:2011.
6.2.101 Переключатель с указателем закрытого положения
Переключатели с указателем закрытого положения, установленные на клапан, не должны мешать его правильной работе. Регулировочные элементы клапана после регулирования пломбируют с целью исключения несанкционированного регулирования. Любое смещение переключателя и исполнительного механизма от установленного положения не должно мешать правильной работе клапана.
В том случае, когда переключатель с указателем закрытого положения применяется в качестве выключателя "подтверждение закрытия", контакты переключателя должны замыкаться только после закрытия канала клапана и размыкаться после открытия канала клапана. Дополнительное перемещение при работе переключателя после закрытия канала клапана обеспечивают либо непосредственно запорным органом, перекрывающим канал, либо дополнительным перемещением исполнительного механизма клапана, зависящим от нахождения в закрытом положении запорного органа, перекрывающего канал клапана. Переключатель должен иметь заводскую настройку или быть опломбирован для предотвращения регулировки при эксплуатации.
6.2.102 Конструкция C/I клапана
Для закрытия C/I клапана не должно применяться давление топливного газа, проходящего через клапан потока или внешний источник энергии.
6.2.103 Визуальный индикатор положения
В конструкции C/I клапана предусматривают встроенный визуальный индикатор положения, указывающий на закрытое положение клапана. Индикатор положения соединяют с запорным органом клапана.
6.2.104 Расход газа
Расход газа через клапан с плавным управлением регулируют в диапазоне, указанном изготовителем. Если регулирование одного расхода влияет на настройку любого другого расхода, изготовитель указывает это в руководстве по регулировке клапана. Настройку расхода газа проводят с использованием инструментов, регулировочные элементы пломбируют с целью исключения возможности несанкционированного регулирования.
6.2.105 Предохранение механизма клапана
Механизмы клапанов защищают прочными корпусами для предотвращения помех, с целью обеспечения безопасной эксплуатации устройств.
6.2.106 Байпас
Конструкции клапанов классов A, B, C, D, J и C/I не должны содержать байпас.
Примечание - Специфические региональные требования представлены в приложении G.
6.2.107 Полуавтоматические C/I клапаны
Полуавтоматические C/I клапаны с ручным открытием при их открытии должны устанавливаться в полностью открытое положение.
6.2.108 Диафрагмовые клапаны
Детали клапана, соприкасающиеся с диафрагмой, не должны иметь острых кромок, которые могут привести к протиранию и износу диафрагмы.
6.2.109 Одно- или двухседельные балансировочные клапаны
Запорный орган одно- или двухседельного балансировочного клапана должен иметь результирующую силу в направлении закрытия, которая не уменьшается давлением газа на выходе.
Результирующая сила в направлении закрытия односедельного балансировочного клапана должна сохраняться при отсутствии балансирующей силы, при этом запорный орган должен иметь то же направление закрытия, что и направление потока, проходящего через клапан.
Примечание - Примеры балансировочных клапанов приведены на рисунках 1 и 2.
a) Пример 1
b) Пример 2
1 - пружина; 2 - большое седло клапана; 3 - малое седло
клапана; 4 - большая тарелка клапана;
5 - малая тарелка клапана
Рисунок 1 - Двухседельный балансировочный клапан
1 - пружина; 2 - большое седло клапана; 3 - вентиляционное
отверстие; 4 - большая тарелка клапана; 5 - компенсационная
диафрагма (размером меньшим, чем большое седло клапана)
Применение вентиляционного отверстия в качестве байпаса
канала клапана не допускается
Рисунок 2 - Односедельный балансировочный клапан
6.3 Материалы
6.3.1 Общие требования к материалам
Материалы, применяемые для изготовления клапанов, должны соответствовать требованиям 6.3.1 ISO 23550.
6.3.2 Корпус
6.3.2.1 Конструкция корпуса
Материалы, применяемые для изготовления корпуса, должны соответствовать требованиям 6.3.2.1 ISO 23550 со следующими дополнениями:
Детали корпуса, отделяющие газосодержащие полости от окружающей атмосферы, изготавливают из металла. Данное требование распространяется и на детали корпуса, отделенные от газосодержащих полостей диафрагмой.
Корпус и внутренние детали C/I клапанов, в том числе все мягкие детали тарелки клапана, прокладка, О-образные кольца и т.п., изготавливают из материала с точкой плавления не менее 427 °C.
Примечание - Специфические региональные требования представлены в приложении F.
6.3.2.2 Испытание на герметичность корпуса после удаления неметаллических частей
Испытание проводят в соответствии с требованиями 6.3.2.2 ISO 23550.
6.3.3 Пружины
6.3.3.1 Запорные пружины
Запорные пружины должны соответствовать требованиям 6.3.3.1 ISO 23550.
6.3.3.2 Пружины, обеспечивающие закрывающее и уплотняющее усилие
Пружины, обеспечивающие закрывающее и уплотняющее усилие, должны соответствовать требованиям 6.3.3.2 ISO 23550 со следующим дополнением:
Пружины защищают от абразивного износа и направляют или устанавливают таким образом, чтобы избежать сковывания, потери устойчивости или других препятствий свободному перемещению.
6.3.4 Стойкость к коррозии и защита поверхности
Стойкость к коррозии и защита поверхности должны соответствовать требованиям 6.3.4 ISO 23550.
6.3.5 Пропитывание
Пропитывание должно соответствовать требованиям 6.3.5 ISO 23550.
6.3.6 Сальниковые уплотнения для движущихся деталей
Сальниковые уплотнения для движущихся деталей должны соответствовать 6.3.6 ISO 23550.
6.3.101 Запорные органы
Запорные органы клапанов с проходным сечением более 25 мм должны иметь механическую опору (например, металлическую), чтобы воспринимать уплотняющую силу, или должны быть изготовлены из металла.
Указанное требование также распространяется на:
- все клапаны с максимальным рабочим давлением более 15 кПа;
- детали, передающие закрывающее усилие.
Соединения между:
- двумя тарелками двухседельного балансировочного клапана;
- одной тарелкой и балансировочными средствами односедельного балансировочного клапана,
должны обладать достаточной прочностью, чтобы выдерживать давление, по меньшей мере, в пять раз превышающее давление, на входе умноженное на:
- общую открытую площадь каналов двухседельного балансировочного клапана;
- открытую площадь канала клапана и площадь балансировочных средств односедельного балансировочного клапана.
6.4 Газовые соединения
6.4.1 Выполнение соединений
Выполнение соединений осуществляют в соответствии с требованиями 6.4.1 ISO 23550.
6.4.2 Размеры соединений
Размеры соединений принимают в соответствии с 6.4.2 ISO 23550.
6.4.3 Резьбовые соединения
Резьбовые соединения выполняют в соответствии с 6.4.3 ISO 23550 со следующими дополнениями:
Для C/I клапанов с проходным сечением до 80 мм может применяться как резьбовое, так и фланцевое соединение. В тех случаях, когда применяется резьбовое соединение, присоединительные части клапана должны иметь внутреннюю резьбу.
Примечание - Специфические региональные требования представлены в приложении F.
6.4.4 Муфтовые соединения
Муфтовые соединения выполняют в соответствии с 6.4.4 ISO 23550.
6.4.5 Фланцевые соединения
Фланцевые соединения выполняют в соответствии с 6.4.5 ISO 23550 со следующим дополнением:
Для C/I клапанов с проходным сечением свыше 80 мм должны применяться только фланцевые соединения.
Примечание - Специфические региональные требования представлены в приложении F.
6.4.6 Компрессионные фитинги
Соединения компрессионных фитингов выполняют в соответствии с 6.4.6 ISO 23550.
6.4.7 Штуцеры измерения давления
Штуцеры должны соответствовать требованиям 6.4.7 ISO 23550.
6.4.8 Фильтры
Установку фильтров выполняют в соответствии с 6.4.8 ISO 23550 со следующими дополнениями:
Клапаны класса J оборудуют на входе фильтром. Максимальный размер по диагонали ячейки фильтра не должен превышать 0,28 мм, что предотвращает попадание в клапан калиброванных частиц диаметром более 0,2 мм.
Фильтры, установленные на клапаны проходным сечением 25 мм и более, должны быть доступными для чистки или замены без отсоединения корпуса клапана от трубопроводной системы.
6.4.101 Гидравлические и пневматические исполнительные механизмы
Гидравлические или пневматические приводы клапанов обеспечивают защитой, гарантирующей от засорения жиклеры системы управления, не влияющей на способность клапана закрываться.
7 Характеристики
7.1 Общие положения
Общие положения соответствуют 7.1 ISO 23550 со следующими дополнениями:
Электрический управляющий клапан пневматических или гидравлических исполнительных механизмов газового клапана должен также соответствовать этим требованиям.
Закрытие клапана с пневматическим или гидравлическим приводом обеспечивают в диапазоне от 85% до 110% рабочего давления исполнительного механизма или в диапазоне давлений, указанных изготовителем.
Постоянную блокировку ручного привода полуавтоматических отсечных клапанов обеспечивают подходящими средствами.
Отклонение напряжения питания от максимального и минимального номинального напряжения не более чем на 20% устанавливается для следующих источников постоянного тока:
- систем автономных батарей;
- батарейных систем передвижных транспортных средств;
- систем, предназначенных для подключения к сетям постоянного тока.
Для источников постоянного тока других типов отклонение должно быть указано изготовителем.
7.2 Герметичность
7.2.1 Требования
Требования к герметичности устанавливаются в соответствии с 7.2.1 ISO 23550, со следующим дополнением:
Двухседельные балансировочные клапаны считают герметичными, если при испытании измеренные значения утечек воздуха не превышают приведенных в таблице 1.
Таблица 1
Испытательное давление
Давление на входе, кПа
Испытательное давление p в направлении потока, кПа
Максимальное значение утечки
0 <= p <= 50
pmax
По таблице 2 ISO 23550, графа "Внутренняя герметичность"
50 < p <= 500
p = pmax·[2 - (pmax - 50)/900]
7.2.2 Испытание на герметичность
Испытание на герметичность проводят в соответствии с требованиями 7.2.2 ISO 23550 со следующими дополнениями:
7.2.2.101 Импульсное испытание C/I клапана давлением газа
C/I клапан, находящийся в закрытом положении, должен оставаться в этом положении при внезапном повышении давления в диапазоне 0% до 150% максимального номинального давления на входе.
1) Максимальное давление при испытании на герметичность подают в течение 0,5 с.
2) Поддерживают давление и собирают утечки в течение 2 мин.
3) Полученное значение общей утечки преобразуют в эквивалентное часовое значение утечки.
4) Испытания повторяют пять раз, при этом наибольшее значение внутренней утечки, полученное в результате одного из испытаний, не должно превышать значений утечки, установленных 7.2.1 ISO 23550, при испытании по 7.2.2 ISO 23550.
7.2.2.102 Испытание на герметичность двухседельных балансировочных клапанов
На вход двухседельного балансировочного клапана подают испытательное давление по 7.2.1 и измеряют значение утечки.
7.3 Крутящий и изгибающий момент
Значения механических нагрузок, которые должен выдерживать клапан при испытании, выбирают в соответствии с 7.3 ISO 23550.
7.4 Номинальный расход
7.4.1 Требования
Номинальный расход должен соответствовать требованиям 7.4.1 ISO 23550 со следующими дополнениями:
Значения расхода газа открывания и закрывания клапанов с плавным управлением должны быть в пределах +/- 10% значений, указанных изготовителем.
Для клапанов со ступенчатым управлением (где применимо) изготовитель указывает максимальный расход для каждой ступени управления в процентах от расхода газа при полном открытии клапана. Для каждой ступени управления исключают возможность регулирования максимального расхода, значение которого в 1,1 раза превышает указанное значение для испытаний по 7.4.2.
Если при проведении испытаний по 7.4.2 расход газа увеличивается или уменьшается в ответ на внешние электрические сигналы при достижении нового значения, расход газа не должен отклоняться более чем на 20% значений, отрегулированных и указанных изготовителем для каждой конкретной точки.
7.4.2 Испытание на определение номинального расхода
Испытание выполняют в соответствии с 7.4.2 ISO 23550 со следующими дополнениями:
7.4.2.101 Характеристики клапанов с плавным или ступенчатым управлением
До и после испытания на долговечность проверяют характеристики открывания и закрывания клапана, указанные изготовителем, при номинальных напряжении и токе в соответствии с 7.4.1.
7.5 Надежность
Надежность клапанов должна соответствовать требованиям 7.5 ISO 23550.
7.6 Функциональные требования
Функциональные требования по 7.6 ISO 23550, со следующими дополнениями:
7.6.101 Функциональные требования к закрытию клапана
7.6.101.1 Требования
Автоматические отсечные клапаны должны закрываться автоматически при снижении напряжения или тока на 15% ниже минимального номинального значения. Автоматические отсечные клапаны с гидравлическими или пневматическими исполнительными механизмами должны закрываться автоматически при снижении напряжения или тока на 15% ниже минимального номинального напряжения для управляющего клапана. Автоматические отсечные клапаны должны закрываться автоматически при перепадах напряжения или тока между 15% минимального номинального значения и 110% максимального номинального значения.
Во всех перечисленных случаях время закрытия должно соответствовать 7.6.106.
Примечание - Специфические региональные требования представлены в приложениях F и G.
7.6.101.2 Испытание на соответствие функциональным требованиям к закрытию клапана
На клапан подают электричество при максимальном номинальном напряжении или токе и при максимальном давлении на исполнительный механизм (при его наличии). Медленно снижают напряжение или ток до 15% минимального номинального значения. Проверяют, закрылся ли клапан.
На клапан подают электричество при максимальном номинальном напряжении или токе и при максимальном давлении на исполнительный механизм (при его наличии). Повышают напряжение или увеличивают силу тока до 110% максимального номинального значения, сохраняя без каких-либо изменений давление на исполнительном механизме (при его наличии). Затем отключают подачу электричества на клапан и проверяют, закрылся ли он. Для клапанов переменного тока напряжение отключают при пике волны электрического тока.
На клапан подают электричество при максимальном номинальном напряжении или токе и максимальном давлении на исполнительном механизме (при его наличии). Снижают напряжение или уменьшают силу тока в пределах 15% минимального номинального значения и 85% максимального номинального значения, сохраняя давление на исполнительном механизме (при его наличии). Отключают подачу электроэнергии и проверяют, закрылся ли клапан. Испытание проводят при трех разных значениях напряжения или тока между 15% минимального номинального значения и 85% максимального номинального значения.
7.6.102 Функциональные требования к открытию и закрытию термоэлектрических клапанов
7.6.102.1 Требования
Токи втягивания, если применимо, и отпадения термоэлектрического клапана должны быть в пределах диапазона, указанного изготовителем.
7.6.102.2 Испытания термоэлектрических клапанов
При испытании применяют источник питания постоянного тока подходящего напряжения с последовательно включенным в цепь амперметром. Каждое устройство испытывают три раза при каждом из следующих условий испытаний, когда это применимо. Значение тока втягивания автоматических втягивающих устройств при испытании устанавливают ниже значения, указанного изготовителем. Ток при испытании медленно повышают. Значение тока, при котором устройство втягивается, не должно быть менее минимального или более максимального значения, указанного изготовителем. Значение тока устанавливают равным максимальному значению тока срабатывания, указанного изготовителем. Механизм возврата, при его наличии, должен функционировать в соответствии с руководствами изготовителя. Значение тока, при котором клапан отпадает, не должно быть менее минимального или более максимального значения, указанного изготовителем.
7.6.103 Функциональные требования к отсечке посредством диафрагмы
7.6.103.1 Общие положения
Функции отсечки посредством диафрагмы в сочетании с запорным органом для содействия функции отсечки, проектируют таким образом, чтобы при повреждении диафрагмы значение внутренней утечки не превышало 1 дм3/ч при максимальном давлении на входе. Соответствие данному требованию проверяют методом, установленным 7.6.103.2.
7.6.103.2 Испытание клапанов на герметичность
Удаляют или разрушают деталь(и), создающую(ие) балансирующую силу. Убеждаются в прекращении подачи энергии на обмотку, обеспечивающую запуск функции отсечки. Измеряют значение внутренней утечки при испытании по 7.2.2.
7.6.104 Закрывающая сила
7.6.104.1 Требования
Закрывающая сила клапанов с уплотняющей силой, не зависящей от закрывающей силы (например: шаровые, гильотинные клапаны и т.п.), должна быть:
- в 5 раз больше силы трения, если сила трения до 5 Н включительно;
- в 2,5 раза больше силы трения, но не менее 25 Н, если сила трения превышает 5 Н.
Силу трения измеряют при условии отсутствия смазки.
Данное требование распространяется на дисковые клапаны с рабочим давлением 50 кПа и выше.
7.6.104.2 Испытание на определение закрывающей силы
Испытание проводят при условии отсутствия смазки на ходовой части.
Измеряют значение минимальной закрывающей силы при перемещении запорного органа из открытого положения в закрытое.
Снимают пружину(ы), обеспечивающую(ие) закрывающую силу клапана, и измеряют максимальную силу, необходимую для перемещения запорного органа из открытого положения в закрытое.
7.6.105 Время задержки и время открытия клапана
7.6.105.1 Требования
Время задержки и время открытия должно быть:
- в пределах +/- 20% значения, указанного изготовителем, если время, указанное изготовителем, превышает 1 с;
- меньше 1 с, если время, указанное изготовителем, до 1 с включительно.
7.6.105.2 Испытание на определение времени задержки и времени открытия клапана
Время открытия: Измеряют интервал времени между подачей электроэнергии на клапан и достижением расхода газа, равного 80% номинального.
Время задержки: Измеряют интервал времени между подачей электроэнергии на клапан и началом открытия запорного органа.
Перед проведением испытаний обесточенный клапан должен достигнуть теплового равновесия с окружающей средой.
Испытания проводят при:
- температуре 60 °C (или при максимальной температуре окружающей среды, если она выше), максимальном рабочем давлении, напряжении или силе тока, равных 110% максимального номинального напряжения или тока, и максимальном давлении на исполнительном механизме (при его наличии);
- температуре 0 °C (или при минимальной температуре окружающей среды, если она ниже), рабочем давлении 0,6 кПа, напряжении или силе тока, равных 85% минимального номинального напряжения или тока, и минимальном давлении на исполнительном механизме (при его наличии).
Примечание - Специфические региональные требования представлены в приложении G.
7.6.106 Время закрытия клапана
7.6.106.1 Требования
Время закрытия для клапанов классов A, B и C не должно превышать 1 с при испытании по 7.6.106.3.
Время закрытия для клапанов класса D не должно превышать значение, указанное изготовителем.
Время закрытия для клапанов класса J не должно превышать 5 с или любое меньшее значение, указанное изготовителем.
Время закрытия C/I клапанов не должно превышать 2 с. Испытание по 7.6.106.3 повторяют в течение периода открытия клапана.
7.6.106.2 Время закрытия функции управления
Время закрытия любой функции управления должно быть в пределах +/- 10% значения, указанного изготовителем.
7.6.106.3 Испытание на определение времени закрытия клапана
Измеряют интервал времени между прекращением подачи электроэнергии на клапан и моментом, когда запорный орган достигнет закрытого положения:
- при максимальном рабочем давлении, перепаде давления, указанных изготовителем, напряжении или силе тока, равных 110% максимального номинального напряжения, или тока, и максимальном давлении на исполнительном механизме (при его наличии);
- рабочем давлении 0,6 кПа, минимальном перепаде давления, указанных изготовителем, напряжении или силе тока, равных 110% максимального номинального напряжения, или тока, и максимальном давлении на исполнительном механизме (при его наличии).
Для C/I клапанов применяют следующую методику испытания:
Испытания проводят при комнатной температуре для клапанов с указанной минимальной температурой 0 °C или минимальной для клапанов с более низкой указанной минимальной температурой окружающей среды. Клапан монтируют в наиболее критическом положении, указанном изготовителем. Устанавливают средства измерения падения давления и подают электроэнергию при номинальном напряжении. Если клапан оснащен выключателем "подтверждение закрытия", допускается применять данный выключатель для указания закрытия клапана. Затем отключают подачу энергии на клапан и определяют время закрытия. Испытание повторяют после возобновления подачи энергии на клапан.
7.6.107 Уплотняющая сила
7.6.107.1 Требования
Минимальная уплотняющая сила клапанов класса A, B и C должна зависеть от площади отверстия, перекрываемого запорным органом, и давления газа в соответствии с таблицей 2 и определяется при испытании по 7.6.107.2.
Таблица 2
Требования к уплотняющей силе
Класс клапана
Испытательное давление, кПа
Максимальное значение утечки
A
15
По таблице 2 ISO 23550 графа "Внутренняя герметичность"
B
5
C
1
Минимальная уплотняющая сила клапанов класса J должна быть 1 Н на каждый метр длины уплотнения. Уплотняющую силу рассчитывают делением силы пружины при закрытом положении клапана на длину уплотнения. Усилие сжатия пружины указывает изготовитель.
Силу запорной пружины двухседельных балансировочных клапанов определяют расчетным путем, умножая не менее 50% общей открытой площади на 15 кПа и на коэффициент 1,25. Давление при испытании двухседельных балансировочных клапанов должно действовать в направлении противоположном направлению потока и составлять 30 кПа.
Односедельные балансировочные клапаны должны иметь минимальную уплотняющую силу у канала, перекрываемого запорным органом, в соответствии с заявленным классом и настоящим разделом. Уплотняющую силу обеспечивают только действием запорной пружины и определяют в соответствии с 7.6.107.2.
В тех случаях, когда методы испытаний по 7.6.107.2 невозможно применить вследствие определенной конструкции некоторых клапанов, уплотняющую силу таких клапанов проверяют расчетом или комбинированным методом - испытанием и расчетом. Минимальную уплотняющую силу рассчитывают с применением давления, значение которого в 1,25 раза превышает значения, приведенные в таблице 1 для клапана конкретного класса.
7.6.107.2 Испытание на определение уплотняющей силы
7.6.107.2.1 Общие положения
К входному или выходному отверстиям клапана подводят через расходомер подачу воздуха так, чтобы давление воздуха действовало в направлении, противоположном направлению закрытия запорного органа. Дважды включают и отключают подачу электроэнергии на клапан.
7.6.107.2.2 Клапаны класса A, B, и C
Подают на клапан давление, увеличивая его со скоростью не более 0,1 кПа/с до значения, соответствующего приведенному в 7.6.107.1, и измеряют значение утечки.
7.6.107.2.3 Клапаны класса J
Снимают пружину(-ы), обеспечивающую(-ие) уплотняющую силу, и измеряют силу пружины при ее сжатии до размера, соответствующего закрытому положению клапана.
7.6.108 Переключатели с указателем закрытого положения
7.6.108.1 Требования
В тех случаях, когда в конструкции клапана предусмотрен переключатель с указателем закрытого положения, данный переключатель должен указывать на закрытое положение клапана в одном из следующих случаев:
- расход газа равен или меньше 10% расхода, эквивалентного полному открытию клапана, при одинаковом перепаде давления;
- запорный орган находится на расстоянии 1 мм от положения "закрыто".
В тех случаях, когда переключатель с указателем закрытого положения используется в качестве выключателя "подтверждение закрытия", канал клапана считается закрытым, если расход газа через клапан не превышает 0,028 м3/ч при давлении, превышающем максимальное рабочее давление в 1,5 раза.
7.6.108.2 Испытание переключателя с указателем закрытого положения
Дорабатывают клапан так, чтобы запорный орган мог перемещаться и останавливаться в частично открытом положении. Медленно перемещают запорный орган до тех пор, пока переключатель не укажет на закрытое положение клапана. Измеряют расход через клапан или, при необходимости, определяют его открытое положение в соответствии с 7.6.108.1.
7.6.109 Крекинг газа
7.6.109.1 Требования
Данные требования предъявляют к клапанам, приводимым в действие термическим воздействием и содержащим электрические компоненты в газовой линии.
На внутренней поверхности клапанов, приводимых в действие термическим воздействием и содержащих электрические компоненты в газовой линии, при работе на легко подвергающемся крекингу газе при повышенных температурах в течение 48 ч не должны образовываться отложения сажи.
7.6.109.2 Метод крекинга газа
Два клапана устанавливают в соответствующей испытанию термической камере при максимальной указанной изготовителем рабочей температуре (но не менее 60 °C) и при постоянно подключенном электропитании напряжением 110% от номинального. Чистый (99%) изобутилен пропускают через каждый клапан при значении приблизительно равном 879 Вт/ч. По истечении 48 ч клапаны извлекают из термической камеры, разбирают и проверяют на наличие отложений сажи.
На внутренней поверхности корпусов клапанов не допускаются видимые отложения сажи.
7.6.110 Клапаны, содержащие электрические компоненты в газовой линии
7.6.110.1 Требования
Применение открытых источников электроэнергии в газовой линии клапана создает риск взрыва в том случае, когда в газовой линии присутствует взрывоопасная смесь газа с воздухом.
Образование такой смеси может являться результатом проникновения воздуха в газовый клапан. Клапаны, содержащие электрические компоненты в газовой линии, должны соответствовать требованиям, предъявляемым к значениям утечек 7.2.1 после испытания по 7.6.110.2.
Термоэлектрические клапаны с напряжением менее 1 В испытанию не подвергают.
7.6.110.2 Испытание
Испытание на воспламеняемость проводят путем пробного воспламенения в тех точках, в которых токоведущие части контактируют с газом. Для проведения данного испытания может потребоваться специальная подготовка испытательного образца.
Испытание на воспламеняемость проводят с применением искрогенерирующего трансформатора, обеспечивающего получение электрических зарядов со значением не менее 10 мкКл и напряжением холостого хода 10 кВ.
Два участка прямой трубы, длиной 1,5 м, присоединяют к входному и выходному соединению клапана, при этом на каждом конце участков труб устанавливают ручные клапаны.
Последовательность проведения испытания:
- испытуемый клапан и два ручных клапана открывают;
- испытательную смесь газов, содержащую 5% пропана и 95% воздуха (по объему), подают на вход трубопроводной системы;
- после подачи испытательной смеси объемом, достаточным для обеспечения равномерного ее распределения в трубопроводной системе и испытуемом клапане, закрывают ручной клапан, установленный на входе;
- затем незамедлительно закрывают ручной клапан на выходе;
- испытуемый клапан оставляют открытым и воспламеняют газовоздушную смесь;
- после повторного наполнения трубопроводной системы и испытуемого клапана испытательной смесью ручной клапан на входе закрывают, после чего немедленно закрывают испытуемый клапан;
- ручной клапан, установленный на выходе, оставляют открытым, после воспламеняют газовоздушную смесь.
Два данных испытания выполняют три раза на каждом из двух испытуемых клапанах.
Находящиеся в эксплуатации клапаны проходят данное испытание пять раз.
По окончании испытания все клапаны как находящиеся, так и не находящиеся в эксплуатации, испытывают на герметичность по 7.2.2.
Испытаниям, установленным настоящим пунктом, не подвергают клапаны, соответствующие требованиям IEC 60079-11.
7.7 Долговечность
Долговечность клапана должна соответствовать требованиям 7.7 ISO 23550 со следующими дополнениями:
7.7.101 Требования
7.7.101.1 Требования к долговечности клапанов, не относящихся к C/I клапанам
После испытания на долговечность в соответствии с 7.7.102.1 клапан должен соответствовать требованиям установленным 7.2, 7.6.101, 7.6.105, 7.6.106, 7.6.107 и 7.6.108.
Для любой настройки по 7.4.1 в пределах диапазона регулирования, указанного изготовителем, расход газа в конце испытания на долговечность по 7.7.102 должен быть в пределах +/- 10% расхода газа перед испытанием, если измерения проведены при одинаковых условиях по 7.4.2.
7.7.101.2 Требования к долговечности C/I клапанов
После испытания по 7.7.102.2 клапан должен соответствовать требованиям 7.2 и 7.6.104.3. Переключатели должны соответствовать требованиям по диэлектрической прочности. Выключатель "подтверждение закрытия" должен соответствовать требованиям 6.2.101. Функционирование вспомогательного переключателя должно отвечать требованиям, указанным в руководстве изготовителя.
7.7.102 Испытание на долговечность
7.7.102.1 Испытание на долговечность клапанов, не относящихся к C/I клапанам
7.7.102.1.1 Общие положения
Испытания на герметичность проводят при температуре 20 °C.
На клапан подают электрическую энергию, превышающую в 1,1 раза максимальное номинальное напряжение или ток при максимальной окружающей температуре, на время не менее 24 ч, при условии отсутствия расхода воздуха. Без отключения клапана медленно уменьшают напряжение или ток до 15% минимального номинального значения. Проверяют, закрылся ли клапан.
К входному отверстию подсоединяют трубопровод подачи воздуха при максимальном рабочем давлении. Максимальный номинальный расход воздуха не должен превышать 10%.
Число рабочих циклов клапана должно соответствовать указанному в таблицах 3 и 4, при этом период цикла должен быть не менее указанного изготовителем. Во время каждого цикла клапан должен перемещаться из полностью открытого в полностью закрытое положение.
Таблица 3
Количество рабочих циклов клапана
Номинальный размер проходного сечения DN, мм
Количество рабочих циклов
при максимальной температуре окружающей среды по 7.1
при температуре (20 +/- 5) °C
DN <= 25 (время открытия клапана <= 1 с, максимальное рабочее давление <= 15 кПа)
100 000
400 000
DN <= 25 (время открытия клапана <= 1 с, максимальное рабочее давление > 15 кПа)
50 000
150 000
DN <= 25 (время открытия клапана > 1 с)
50 000
150 000
25 < DN <= 80
25 000
75 000
80 < DN <= 150
25 000
25 000
DN > 150
5 000
20 000
Таблица 4
Количество рабочих циклов автоматических отсечных клапанов
кухонных плит
Номинальный размер проходного сечения DN, мм
Количество рабочих циклов
при максимальной температуре окружающей среды по 7.1
при температуре (20 +/- 5) °C
DN <= 25 (время открытия клапана <= 1 с, максимальное рабочее давление <= 15 кПа)
800 000
200 000
Во время испытания при температуре 20 °C выполняют 50% рабочих циклов при максимальных номинальном напряжении или токе и 50% - при минимальных номинальном напряжении или токе.
В тех случаях, когда клапан имеет пневматический или гидравлический исполнительный механизм, испытание на долговечность проводят при максимальном давлении исполнительного механизма.
Во время проведения испытания клапана на долговечность проверяют рабочие параметры клапана, например, фиксируют давление на выходе или расход воздуха.
Далее проводят повторное испытание клапана в соответствии с 7.6.101.2.
7.7.102.1.2 Условия испытаний клапанов на цикличность
До и после испытания на долговечность проводят испытания на внешнюю и внутреннюю герметичность по 7.2.2. Испытания на внутреннюю и внешнюю герметичность, проводимые после испытания на долговечность, выполняют при температуре 60 °C и 20 °C.
Клапан устанавливают в камеру с регулируемой температурой в соответствии с руководствами изготовителя.
Выполняют часть испытания на выносливость при максимальной окружающей температуре, максимальных номинальном напряжении или токе.
При окружающей температуре ниже 0 °C проводят следующее испытание на долговечность при минимальных номинальном напряжении или токе:
- выполняют 25 000 циклов при температуре минус 15 °C - для клапанов с проходным сечением до 150 мм включительно. Число циклов для испытания при температуре 20 °C уменьшают до 25 000;
- выполняют 5 000 циклов при температуре минус 15 °C - для клапанов с проходным сечением более 150 мм. Число циклов для испытания при температуре 20 °C уменьшают до 5 000.
Количество рабочих циклов полуавтоматических отсечных клапанов составляет 12 000.
Примечание - Специфические региональные требования представлены в приложениях F и G.
7.7.102.2 Испытание на долговечность C/I клапанов
Испытанию подвергают один образец C/I клапана. При производстве изготовителем одной модели клапана для диапазона размеров труб, испытаниям подвергают клапан с наибольшим проходным сечением. Автоматический C/I клапан должен выдерживать 100 000 циклов. Полуавтоматический клапан должен выдерживать 20 000 циклов. Температуру C/I клапанов, оцениваемых при минимальной температуре окружающей среды, превышающей 0 °C, поддерживают при максимальном указанном изготовителем значении температуры окружающей среды. При испытании клапанов, оцениваемых при минимальной температуре окружающей среды, не превышающей 0 °C, выполняют:
- 90% циклов - при указанной изготовителем максимальной температуре окружающей среды;
- 10% - при указанной изготовителем минимальной температуре окружающей среды, при этом через клапан пропускают воздух или азот при температуре, равной указанной изготовителем минимальной температуре окружающей среды. Воздух или азот на вход клапана подают при давлении, равном максимальному номинальному давлению на входе, а перепад давления на клапане поддерживают равным 0,25 кПа, при этом клапан должен находиться в полностью открытом положении. Вспомогательные переключатели или выключатели "подтверждение закрытия", которыми оснащены C/I клапаны, присоединяют к электрической нагрузке, которая создает и прерывает на каждом цикле максимальные значения электрических характеристик. Скорость испытания выбирают из диапазона от 6 до 10 циклов в минуту, если изготовителем не указано более низкое значение. В любом случае, значение скорости не должно быть менее двух циклов в минуту, за исключением случаев, при которых специфика конструкции требует снижение данного значения. В тех случаях, когда специфика конструкции требует проводить испытания при скорости 10 циклов в минуту, испытание проводят при данной скорости. При испытании C/I клапан не должен заклинивать или выходить из строя.
7.7.102.3 Испытание на долговечность переключателей с указателем закрытого положения
Испытания на долговечность переключателей с указателем закрытого положения проводят в соответствии с 7.7.102 на недоработанном клапане при максимальной индуктивной или емкостной нагрузке на переключателе, указанной изготовителем.
Во время испытания следят за тем, чтобы индикатор переключателя показывал, что клапан закрыт, когда подача электроэнергии отключена, и открыт - при подаче электроэнергии.
После испытания на долговечность проводят испытания для проверки указания закрытого положения по 7.6.108.2.
В тех случаях, когда переключатель не был подвергнут предварительным испытаниям, проводят электрические испытания по методам, приведенным в IEC 61058-1.
7.7.102.4 Расходные характеристики
7.7.102.4.1 Клапаны с плавным управлением
В дополнение к 7.7.102.1 и 7.7.102.2 клапан испытывают по 7.4.2 в указанной изготовителем нижней точке для открытого положения и в средней точке по направлению к закрытому положению.
7.7.102.4.2 Клапаны со ступенчатым управлением
В дополнение к 7.7.102.1 и 7.7.102.2 клапан испытывают по 7.4.2, установив его при открывании и закрывании в среднюю точку диапазона регулирования; испытания проводят для каждой ступени управления.
8 Требования к электромагнитной совместимости (ЭМС)/электрическому оборудованию
8.1 Защита от воздействия окружающей среды
Применяются требования 8.1 ISO 23550 со следующим дополнением:
Критерий оценки II:
Клапан может закрыться, но после закрытия он должен оставаться в этом положении.
8.2 Колебания напряжения электропитания
Требования, установленные 8.2 ISO 23550, не применяются.
8.3 Кратковременные прерывания и падения напряжения
Требования, установленные 8.3 ISO 23550, не применяются.
8.4 Колебания частоты сети
Требования, установленные 8.4 ISO 23550, не применяются.
8.5 Устойчивость к динамическим изменениям напряжения электропитания
Применяются требования 8.5 ISO 23550.
8.6 Устойчивость к наносекундным импульсным помехам
Применяются требования 8.6 ISO 23550.
8.7 Устойчивость к кондуктивным помехам
Применяются требования 8.7 ISO 23550.
8.8 Устойчивость к электромагнитным полям
Применяются требования 8.8 ISO 23550.
8.9 Устойчивость к электростатическим разрядам
Применяются требования 8.9 ISO 23550.
8.10 Устойчивость к магнитному полю промышленной частоты
Требования, установленные 8.10 ISO 23550, не применяются.
8.11 Электротехнические требования
Вместо требований, установленных 8.11 ISO 23550, применяют следующие:
8.11.101 Требования к электрической части клапанов
Применяются требования 8.11 ISO 23550 со следующими изменением и дополнением:
Изменение:
Примечание 1 исключить.
Дополнение:
Электрическое оборудование должно соответствовать требованиям, изложенным в IEC 60730-1:2010 (разделы 8 - 10, 19 - 21, 24 и 28, подразделы 11.1, 11.2, 11.8 - 11.10, 11.12, 13.1, 13.2, 18.1, 18.2, 18.4, 18.9, 27.2, пункты 11.7.2, 11.11.1, 11.11.2, 11.11.4, 11.11.5, 11.11.7).
8.11.102 Электрическая прочность клапанов
Испытания по 13.3 IEC 60730-1 не проводят.
8.11.103 Нагрев
8.11.103.1 Общие положения
Применяются требования 14 IEC 60730-1 со следующими изменением и дополнениями:
Изменение:
В 14.6 и 14.7 IEC 60730-1 заменить слова: "переключающая головка" на "клапан".
Дополнение:
В тех случаях, когда блокирование приводного вала электрического привода является частью нормальной работы, приводной вал электрического привода блокируют. Измерения температуры выполняют после достижения стабильного состояния.
Значения температуры при испытаниях не должны превышать значений, установленных в таблице 13 IEC 60730-1. Кроме того, если любое защитное устройство не работает циклически при условиях блокирования, электрический привод также считается соответствующим требованиям 27.2.3 IEC 60730-1.
В тех случаях, когда блокирование приводного вала электрического привода не является частью нормальной работы, значения температур, установленные в таблице 13 IEC 60730-1 при блокировании не применяются. В этом случае электрический привод должен соответствовать требованиям 27.2.3 IEC 60730-1.
Испытания проводят в условиях, приведенных в 8.11.103.2.
8.11.103.2 Условия испытаний
Вместо требований к условиям испытаний, установленных 14.5 IEC 60730-1, применяют следующие:
- Температуру клапана поддерживают на уровне Tmax.
- Если клапан содержит устройства переключения или другие вспомогательные цепи, во время проведения температурного испытания данные цепи должны быть нагружены номинальным током.
- Клапан с плавным управлением должен выполнять полные циклы модуляции, на которые он рассчитан, до тех пор, пока не будет достигнута постоянная температура. Время между циклами выбирается в соответствии с руководствами изготовителя.
- Температура двигателя клапана с сервоприводом в условиях блокирования не должна превышать значений, установленных в таблице 13 IEC 60730-1, в тех случаях, когда блокирование является частью нормальной работы.
8.11.104 Испытание на перегорание
Применяются требования 27.2 IEC 60730-1.
Клапаны, имеющие отверстия на дне корпуса или содержащие электрические обмотки в газосодержащей полости, должны выдерживать воздействие блокировки механизма клапана в соответствии с 27.2.3 IEC 60730-1.
8.101 Электрическое оборудование
8.101.1 Степень защиты
Степень защиты клапана указывает изготовитель в соответствии с IEC 60529.
Примечание - Специфические региональные требования представлены в приложениях F и G.
Контакты независимо смонтированных автоматических запорных клапанов, работающих на низком напряжении, защищают в тех случаях, когда заземление или короткое замыкание электрической цепи могут привести к отказу при закрытии клапана.
8.101.2 Переключатели
Переключатели должны соответствовать IEC 61058-1. Число рабочих циклов клапана - по 7.7.102.
8.101.3 Штепсельные разъемы
Выводы и заземления клапанов, поставляемых в сборе с электрическими штепсельными разъемами по ISO 6952 или ISO 4400, должны быть:
- одноступенчатых:
PE
Заземление;
Вывод 1
N;
Вывод 2
L;
- двухступенчатых:
Вывод 4 (e)
Заземление;
Вывод 1
N;
Вывод 2
L ступень 1;
Вывод 3
L ступень 2;
- указателя закрытого положения
Вывод 4 (e)
Заземление;
Вывод 1
Общий;
Вывод 2
Клапан открыт;
Вывод 3
Клапан закрыт.
8.101.4 Энергосберегающие схемы
8.101.4.1 Закрытие клапана
Конструкция клапанов с энергосберегающими схемами должна предотвращать влияние любой неисправности в энергосберегающей схеме на закрытие клапана и его герметичность, обеспечивающую отсутствие утечек.
В тех случаях, когда энергосберегающая схема имеет независимый источник питания, для нее должны выполняться требования H.27.1 IEC 60730-1, установленные для функции управления класса C.
8.101.4.2 Перегрев
Если энергосберегающая схема соответствует требованиям H.27.1 IEC 60730-1, установленным для функции управления класса C, то испытание по 8.101.4.3 не проводят.
8.101.4.3 Проверка энергосберегающих цепей
На клапан с энергосберегающей схемой подают напряжение в соответствии с 7.1 настоящего стандарта при максимальных номинальном напряжении или токе и максимальной температуре окружающей среды на время не менее 24 ч, при условии отсутствия расхода и отключения энергосберегающей схемы. Испытания проводят по 7.6.101.2 на соответствие требованиям 7.6.101.1. Проверяют, закрылся ли клапан.
9 Маркировка, руководство по монтажу и эксплуатации
9.1 Маркировка
Маркировка должна соответствовать требованиям 9.1 ISO 23550 со следующими дополнениями.
На видном месте клапана наносят долговечную маркировку, которая должна содержать следующую информацию:
a) класс клапана (где применимо);
b) диапазон температуры окружающей среды;
c) максимальное рабочее давление, кПа;
d) группу 1 (где применимо).
Кроме того, маркировка клапана должна содержать следующую информацию:
e) направление потока газа (литьем или рельефной стрелкой);
f) маркировку заземления (если применяется);
g) давление для внешнего гидравлического или пневматического привода, кПа (если применяется).
На клапаны с электрическими исполнительными механизмами наносят дополнительную маркировку в соответствии с 7.2 IEC 60730-1;
h) на C/I клапаны наносят следующую маркировку: буквы "C/I" с минимальной высотой 2,4 мм и перечень газов, для применения с которыми данный клапан испытан и одобрен;
i) клапан, оснащенный выключателем "подтверждение закрытия" или блокировкой перебега уплотнения клапана, должен быть идентифицируем, т.е. иметь уникальное обозначение модели или маркировку, описывающую функцию;
j) руководство C/I клапана должно содержать информацию об особенностях эксплуатации вспомогательного переключателя, выключателя "подтверждение закрытия", блокировки перебега уплотнения клапана и других конструктивных особенностях, которые принимают во внимание для обеспечения правильной эксплуатации.
На дополнительные электрические устройства, являющиеся неотъемлемой частью клапана, наносят ту же информацию.
Примечание - Специфические региональные требования представлены в приложениях F и G.
9.2 Руководство по монтажу и эксплуатации
Руководство по монтажу и эксплуатации должно соответствовать требованиям 9.2 ISO 23550 со следующими дополнениями.
Руководство должно содержать всю необходимую информацию, касающуюся применения, монтажа, эксплуатации и сервисного обслуживания, в частности:
- класс клапана (A, B, C, D или J);
- группу 1 или 2;
- номинальный расход, м3/ч;
- электрические характеристики;
- диапазон температуры окружающей среды, °C;
- монтажное(ые) положение(я);
- диапазон рабочих давлений, кПа;
- газовое(ые) соединение(я);
- фильтрующие элементы;
- время открытия, с;
- время закрытия (и максимальное время задержки, где применимо);
- информацию о пригодности в качестве автоматического запорного клапана для кухонных плит (если применяется);
- примечания для установщиков, например, параметры давления на входе (превышение давления на входе в случае отказа компонентов на входе), загрязнения, продукты коррозии.
Идентификация любых частей, заявленных изготовителем как подлежащих замене при обслуживании, и руководство по монтажу данных частей.
9.3 Предупредительное уведомление
Предупредительное уведомление должно соответствовать требованиям 9.3 ISO 23550.
Приложение A
(справочное)
ИСПЫТАНИЕ НА ГЕРМЕТИЧНОСТЬ ВОЛЮМЕТРИЧЕСКИМ МЕТОДОМ
Испытание проводят в соответствии с методом, представленным в приложении A ISO 23550.
Приложение B
(справочное)
ИСПЫТАНИЕ НА ГЕРМЕТИЧНОСТЬ МЕТОДОМ ПАДЕНИЯ ДАВЛЕНИЯ
Испытание проводят в соответствии с методом, представленным в приложении B ISO 23550.
Приложение C
(обязательное)
ПРЕОБРАЗОВАНИЕ ПАДЕНИЯ ДАВЛЕНИЯ В ЗНАЧЕНИЕ УТЕЧКИ
Преобразование падения давления в значение утечки выполняют в соответствии с приложением C ISO 23550.
Приложение D
(обязательное)
ИСПЫТАНИЕ НА УСТОЙЧИВОСТЬ К МАГНИТНОМУ ПОЛЮ
ПРОМЫШЛЕННОЙ ЧАСТОТЫ
Испытание проводят в соответствии с методом, представленным в приложении D ISO 23550.
Приложение E
(обязательное)
СПЕЦИФИЧЕСКИЕ РЕГИОНАЛЬНЫЕ ТРЕБОВАНИЯ
ДЛЯ ЕВРОПЕЙСКИХ СТРАН
Применяются требования приложения E ISO 23550.
Приложение F
(справочное)
СПЕЦИФИЧЕСКИЕ РЕГИОНАЛЬНЫЕ ТРЕБОВАНИЯ
ДЛЯ КАНАДЫ И США
Применяются требования приложения F ISO 23550 со следующими дополнениями.
F.1 Общие положения
Требования, приведенные в F.2 настоящего стандарта, применяются только в США и Канаде. Приведены только подразделы, содержащие данные специфические требования, в связи с чем нумерация не является последовательной.
F.2 Дополнительные требования и изменения
F.4.1.101 Классификация по уплотняющей силе
Изменение 4.1.101:
Клапаны по уплотняющей силе не классифицируют.
F.6.2.3 Вентиляционные отверстия
Дополнение 6.2.3:
Для сжиженных нефтяных газов значение составляет 30 дм3/ч, для природного газа - 70 дм3/ч.
F.6.3.2.1 Корпус
Дополнение 6.3.2.1:
Применяют отдельный образец, испытание по 7.3 проводят в первую очередь, и затем герметизируют выход. С клапаном в открытом положении образец пять раз подвергают воздействию заявленного максимального рабочего давления на входе в течение 1 мин. По результатам испытаний образец должен соответствовать требованиям 7.2.2, предъявляемым к значениям внутренних утечек.
Для клапанов диафрагменного типа давление подают на обе стороны диафрагмы, при этом давление должно возрастать медленно, с тем, чтобы избежать ударного воздействия на диафрагму.
F.6.4.3 Резьбовые соединения
Дополнение 6.4.3.
Резьбовые соединения проектируют таким образом, чтобы труба с двумя нарезанными на ней резьбами, отличающимися (по размеру) от стандартной, ввинчивалась в резьбовую часть корпуса клапана без негативного влияния на его работу.
F.6.4.5 Фланцевые соединения
Дополнение 6.4.5:
Фланцевые соединения C/I клапанов должны соответствовать требованиям B16.1 ANSI/ASME или B16.5 ANSI/ASME.
F.7.6.101.1 Функциональные требования к закрытию клапана
Изменение 7.6.101.1:
Испытания проводят при отключенной подаче электроэнергии на клапан.
F.7.7.102.1 Испытание на долговечность клапанов, не относящихся к CZI клапанам
Изменение 7.7.102.1:
Число циклов при испытании составляет 100 000.
F.8.101.1 Степень защиты
Изменение 8.101.1:
Степень защиты указывается в соответствии с NEMA 250 или UL 50.
F.9.1 Маркировка
Изменение 9.1:
Требования перечисления c) не применяют.
На маркировку клапанов с рабочим давлением, не превышающим 34,47 кПа, наносят следующие значения давления: 3,45 кПа, 13,79 кПа или 34,47 кПа. На маркировку клапанов с рабочим давлением, превышающим 34,47 кПа, наносят значения давления с шагом 34,47 кПа.
Приложение G
(справочное)
СПЕЦИФИЧЕСКИЕ РЕГИОНАЛЬНЫЕ ТРЕБОВАНИЯ
ДЛЯ ЯПОНИИ
Применяются требования приложения G ISO 23550:2011 со следующими дополнениями.
G.1 Общие положения
Требования, приведенные в G.2 настоящего стандарта, применяются только в Японии. Приведены только подразделы, содержащие данные специфические требования, в связи с чем нумерация не является последовательной.
G.2 Дополнительные требования и изменения
G.4.1.101 Классификация по уплотняющей силе
Изменение 4.1.101:
Клапаны по уплотняющей силе не классифицируют.
G.6.2.106 Байпас
Изменение 6.2.106:
Конструкция всех автоматических и полуавтоматических отсечных клапанов не должна содержать байпас.
G.7.6.101.1 Функциональные требования к закрытию клапана
Изменения 7.6.101.1:
Для клапанов, предназначенных для работы с источниками постоянного тока, напряжение медленно снижают до 2% минимального номинального значения.
G.7.6.105.2 Испытание на определение времени задержки и времени открытия клапана
Изменение 7.6.105.2:
Испытания при минимальной температуре проводят при значении 90% минимального номинального напряжения или тока.
Для клапанов, предназначенных для работы с источниками переменного тока, напряжение медленно снижают до 15% минимального номинального значения.
Испытания проводят при температуре 55 °C или более высокой температуре, если это указано изготовителем.
G.7.7.102.1 Испытание на долговечность клапанов, не относящихся к C/I клапанам
Изменение 7.7.102.1:
Таблица G.1:
Таблица G.1
Количество рабочих циклов клапана
Номинальный размер проходного сечения DN, мм
Количество рабочих циклов при температуре (20 +/- 5) °C
DN <= 25
время открытия клапана <= 1 с
максимальное рабочее давление <= 15 кПа
100 000
Номинальный размер проходного сечения DN, мм
Количество рабочих циклов при температуре (20 +/- 5) °C
DN <= 25
время открытия клапана <= 1 с
максимальное рабочее давление > 15 кПа
100 000
DN <= 25
время открытия клапана > 1 с
100 000
25 < DN <= 80
75 000
80 < DN <= 150
25 000
DN > 150
20 000
G.9.1 Маркировка
Требования 9.1 заменяют следующими.
Маркировка должна содержать следующую информацию:
- наименование изготовителя и/или торговую марку;
- год изготовления.
Приложение ДА
(справочное)
СВЕДЕНИЯ О СООТВЕТСТВИИ ССЫЛОЧНЫХ МЕЖДУНАРОДНЫХ СТАНДАРТОВ
МЕЖГОСУДАРСТВЕННЫМ СТАНДАРТАМ
Таблица ДА.1
Обозначение ссылочного международного стандарта
Степень соответствия
Обозначение и наименование межгосударственного стандарта
ISO 7-1:1994
-
ISO 65:1981
-
ISO 228-1:2000
-
ISO 226:1998
-
ISO 301:2006
-
ISO 1817:2005
-
ISO 4400:1994
-
ISO 6952:1994
-
ISO 7005-1:2011
NEQ
ГОСТ 33259-2015 "Фланцы арматуры, соединительных частей и трубопровода на номинальное давление до PN 250. Конструкция, размеры и общие технические требования"
ISO 7005-2:1988
NEQ
ГОСТ 33259-2015 "Фланцы арматуры, соединительных частей и трубопровода на номинальное давление до PN 250. Конструкция, размеры и общие технические требования"
ISO 7005-3:1988
-
ISO 23550:2011
IDT
ГОСТ ISO 23550-2015 "Устройства защиты и управления газовых горелок и аппаратов. Общие требования"
IEC 60079-11:2011
IDT
ГОСТ 31610.11-2012/IEC 60079-11:2006 "Электрооборудование для взрывоопасных газовых сред. Часть 11. Искробезопасная электрическая цепь "i"
IEC 60529:2001
-
IEC 60730-1:2013
IDT
ГОСТ IEC 60730-1-2016 "Автоматические электрические управляющие устройства бытового и аналогичного назначения. Часть 1. Общие требования"
IEC 61000-4-2:2008
-
IEC 61000-4-3:2008
IDT
ГОСТ IEC 61000-4-3-2016 "Электромагнитная совместимость (ЭМС). Часть 4-3. Методы испытаний и измерений. Испытание на устойчивость к излучаемому радиочастотному электромагнитному полю"
IEC 61000-4-4:2012
-
ИС МЕГАНОРМ: примечание.
Приказом Росстандарта от 14.12.2017 N 1979-ст введен в действие ГОСТ IEC 61000-4-5-2017.
IEC 61000-4-5:2014
IDT
ГОСТ IEC 61000-4-5-2014 "Электромагнитная совместимость. Часть 4-5. Методы испытаний и измерений. Испытания на устойчивость к микросекундным импульсам большой энергии"
IEC 61000-4-6:2013
-
IEC 61000-4-8:2009
IDT
ГОСТ IEC 61000-4-8-2013 "Электромагнитная совместимость. Часть 4-8. Методы испытаний и измерений. Испытания на устойчивость к магнитному полю промышленной частоты"
IEC 61000-4-11:2004
-
IEC 61058-1:2000
IDT
ГОСТ IEC 61058-1-2012 "Выключатели для электроприборов. Часть 1. Общие требования"
<*> Соответствующий межгосударственный стандарт отсутствует.
Примечание - В настоящей таблице использованы следующие условные обозначения степени соответствия стандартов:
- IDT - идентичные стандарты;
- NEQ - неэквивалентные стандарты.
БИБЛИОГРАФИЯ
[1]
ISO 6708:1995, Pipework components - Definition and selection of DN (nominal size) (Компоненты трубопроводов. Описание и выбор номинального диаметра (DN))
[2]
ISO 8655-1:2002, Piston-operated volumetric apparatus - Part 1: Terminology, general requirements and user recommendations (Устройства мерные поршневые. Часть 1. Терминология, общие требования и рекомендации для пользователя)
[3]
ISO 23551 (все части) Safety and control devices for gas burners and gas-burning appliances - Particular requirements (Предохранители и регуляторы для газовых горелок и газоиспользующего оборудования. Частные требования)
[4]
ISO 23552-1, Safety and control devices for gas and/or oil burners and gas and/or oil appliances - Particular requirements - Part 1: Fuel/air ratio controls, electronic type (Устройства защиты и управления газовых и/или нефтяных горелок и газовых и/или нефтяных аппаратов. Дополнительные требования. Часть 1. Регуляторы соотношения топливо - воздух электронного типа)
[5]
ISO 23553-1, Safety and control devices for oil burners and oil-burning - Particular requirements - Part 1: Shut-off devices for oil burners (Устройства предохранительные и контрольные для мазутных форсунок и устройств, работающих на мазуте. Специальные требования. Часть 1. Устройства отключения для мазутных форсунок)
[6]
IEC 60335-2-102, Household and similar electric appliances - Safety - Part 2-102: Particular requirements for gas, oil and solid-fuel burning appliances having electrical connections (Бытовые и аналогичные электрические приборы. Безопасность. Часть 2-102. Дополнительные требования к приборам, работающим на газовом, жидком и твердом топливе и имеющим электрические соединения)
[7]
IEC 61010 (все части), Safety requirements for electrical equipment for measurement, control and laboratory use (Безопасность электрических контрольно-измерительных приборов и лабораторного оборудования)
[8]
IEC 61508 (все части), Functional safety of electrical/electronic/programmable electronic safety-related systems (Функциональная безопасность систем электрических, электронных, программируемых электронных, связанных с безопасностью)
[9]
ANSI/ASME B1.1:1989, Unified inch screw threads (UN and UNR thread form) (Унифицированные дюймовые крепежные резьбы (формы резьбы UN и UNR))
[10]
ANSI/ASME B1.20.1, Pipe threads, general purpose (inch) (Трубная резьба общего назначения (дюймовая))
[11]
ANSI/ASME B16.1, Gray Iron Pipe Flanges and Flanges Fittings (Чугунные трубные фланцы и фланцевые фитинги)
[12]
ANSI/ASME B16.5, Pipe Flanges and Flanged Fittings (Трубные фланцы и фланцевые фитинги)
[13]
ANSI/SAE J 512, Automotive tube fittings (Фитинги автомобильных трубок)
[14]
ANSI/SAE J 514, Hydraulic tube fittings (Фитинги гидравлических труб)
[15]
JIS B 0202, Parallel pipe threads (Цилиндрическая трубная резьба)
[16]
JIS B 0203, Taper pipe threads (Коническая трубная резьба)
[17]
JIS B 2220, Steel pipe flanges (Фланцы стальных труб)
[18]
JIS B 2239, Cast iron pipe flanges (Фланцы чугунных труб)
[19]
JIS B 2240, Copper alloy pipe flanges (Трубные фланцы из медных сплавов)
[20]
JIS B 2241, Aluminium alloy pipe flanges (Трубные фланцы из алюминиевых сплавов)
[21]
JIS B 2301, Screwed type malleable cast iron pipe fittings (Фитинги труб из ковкого чугуна резьбового типа)
[22]
JIS B 2302, Screwed type steel pipe fittings (Фитинги стальных труб резьбового типа)
[23]
JIS B 2311, Steel butt-welding pipe fittings for ordinary use (Фитинги стальных труб co стыковой сваркой для обычного применения)
[24]
JIS B 2312, Steel butt-welding pipe fittings (Фитинги стальных труб со стыковой сваркой)
[25]
JIS B 2316, Steel socket-welding pipe fittings (Стальные приварные фитинги для труб)
[26]
JIS H 3401, Pipe fittings of copper and copper alloys (Трубные фитинги из меди или медных сплавов)
[27]
NEMA 250, Enclosures for Electrical Equipment (1000 V Maximum) (Корпуса для электрооборудования (макс. 1000 В))
[28]
UL 50 UL, Standard for Safety (Стандарт безопасности)
УДК 662.951.6
МКС 27.060.20
IDT
Ключевые слова: предохранители, регуляторы для газовых горелок, оборудование газоиспользующее, клапаны автоматические и полуавтоматические, испытания, эксплуатация