Главная // Актуальные документы // Актуальные документы (обновление 01.03.2026 по 01.04.2026) // ГОСТ (Государственный стандарт)
СПРАВКА
Источник публикации
М.: ФГБУ "Институт стандартизации", 2026
Примечание к документу
Документ вводится в действие с 01.12.2026.
Название документа
"ГОСТ ISO 13856-3-2023. Межгосударственный стандарт. Безопасность машин. Сенсорные защитные устройства. Часть 3. Общие принципы расчета и испытания сенсорных амортизаторов, пластин, проводов и аналогичных изделий"
(введен в действие Приказом Росстандарта от 18.12.2025 N 1748-ст)

"ГОСТ ISO 13856-3-2023. Межгосударственный стандарт. Безопасность машин. Сенсорные защитные устройства. Часть 3. Общие принципы расчета и испытания сенсорных амортизаторов, пластин, проводов и аналогичных изделий"
(введен в действие Приказом Росстандарта от 18.12.2025 N 1748-ст)


Содержание


Введен в действие
Приказом Федерального
агентства по техническому
регулированию и метрологии
от 18 декабря 2025 г. N 1748-ст
МЕЖГОСУДАРСТВЕННЫЙ СТАНДАРТ
БЕЗОПАСНОСТЬ МАШИН. СЕНСОРНЫЕ ЗАЩИТНЫЕ УСТРОЙСТВА
ЧАСТЬ 3
ОБЩИЕ ПРИНЦИПЫ РАСЧЕТА И ИСПЫТАНИЯ СЕНСОРНЫХ АМОРТИЗАТОРОВ,
ПЛАСТИН, ПРОВОДОВ И АНАЛОГИЧНЫХ ИЗДЕЛИЙ
Safety of machinery. Pressure sensitive protective devices.
Part 3. General principles for design and testing
of pressure-sensitive bumpers, plates, wires
and similar devices
(ISO 13856-3-2013, IDT)
ГОСТ ISO 13856-3-2023
МКС 13.110
Дата введения
1 декабря 2026 года
Предисловие
Цели, основные принципы и общие правила проведения работ по межгосударственной стандартизации установлены ГОСТ 1.0 "Межгосударственная система стандартизации. Основные положения" и ГОСТ 1.2 "Межгосударственная система стандартизации. Стандарты межгосударственные, правила и рекомендации по межгосударственной стандартизации. Правила разработки, принятия, обновления и отмены"
Сведения о стандарте
1 ПОДГОТОВЛЕН Республиканским государственным предприятием на праве хозяйственного ведения "Казахстанский институт стандартизации и метрологии" Комитета технического регулирования и метрологии Министерства торговли и интеграции Республики Казахстан на основе собственного перевода на русский язык англоязычной версии стандарта, указанного в пункте 5
2 ВНЕСЕН Комитетом технического регулирования и метрологии Министерства торговли и интеграции Республики Казахстан
3 ПРИНЯТ Межгосударственным советом по стандартизации, метрологии и сертификации по результатам голосования в АИС МГС (протокол от 25 сентября 2023 г. N 165-П)
За принятие проголосовали:
Краткое наименование страны по МК (ИСО 3166) 004-97
Код страны по МК (ИСО 3166) 004-97
Сокращенное наименование национального органа по стандартизации
Армения
AM
ЗАО "Национальный орган по стандартизации и метрологии" Республики Армения
Беларусь
BY
Госстандарт Республики Беларусь
Казахстан
KZ
Госстандарт Республики Казахстан
Киргизия
KG
Кыргызстандарт
Россия
RU
Росстандарт
Таджикистан
TJ
Таджикстандарт
4 Приказом Федерального агентства по техническому регулированию и метрологии от 18 декабря 2025 г. N 1748-ст межгосударственный стандарт ГОСТ ISO 13856-3-2023 введен в действие в качестве национального стандарта Российской Федерации с 1 декабря 2026 г.
5 Настоящий стандарт идентичен международному стандарту ISO 13856-3:2013 "Безопасность машин. Сенсорные защитные устройства. Часть 3. Общие принципы расчета и испытания сенсорных амортизаторов, пластин, проводов и аналогичных изделий" ("Safety of machinery - Pressure sensitive protective devices - Part 3: General principles for design and testing of pressure-sensitive bumpers, plates, wires and similar devices", IDT).
Международный стандарт разработан Техническим комитетом по стандартизации ISO/TC 199 "Безопасность машин" совместно с Техническим комитетом CEN/TC 114 "Безопасность машин".
При применении настоящего стандарта рекомендуется использовать вместо ссылочных международных стандартов соответствующие им межгосударственные стандарты, сведения о которых приведены в дополнительном приложении ДА
6 ВВЕДЕН ВПЕРВЫЕ
Информация о введении в действие (прекращении действия) настоящего стандарта и изменений к нему на территории указанных выше государств публикуется в указателях национальных стандартов, издаваемых в этих государствах, а также в сети Интернет на сайтах соответствующих национальных органов по стандартизации.
В случае пересмотра, изменения или отмены настоящего стандарта соответствующая информация будет опубликована на официальном интернет-сайте Межгосударственного совета по стандартизации, метрологии и сертификации в каталоге "Межгосударственные стандарты"
Введение
Структура стандартов по безопасности в области машиностроения выглядит следующим образом:
a) стандарты типа A (основные стандарты безопасности), содержащие основные концепции, принципы проектирования и общие аспекты, применимые ко всем машинам;
b) стандарты типа B (общие стандарты безопасности), относящиеся к одному аспекту безопасности или одному типу защиты, которые могут использоваться в широком спектре машин:
- стандарты типа B1 по конкретным аспектам безопасности (например, безопасные расстояния, температура поверхности, шум);
- стандарты типа B2 по мерам безопасности (например, двуручное управление, блокирующие устройства, сенсорные устройства, ограждения);
c) стандарты типа C (стандарты безопасности машин), касающиеся подробных требований безопасности для конкретной машины или группы машин.
Настоящий стандарт является стандартом типа B2 в соответствии с ISO 12100.
Требования настоящего стандарта могут быть дополнены или изменены стандартом типа C.
Для машин, на которые распространяется действие стандарта типа C, которые были спроектированы и изготовлены в соответствии с требованиями настоящего стандарта, требования стандарта типа C имеют приоритет.
Защитные средства для машин (см. ISO 12100:2010, 3.21) могут быть обеспечены многими различными способами. К таким средствам относятся ограждения, препятствующие доступу в опасную зону с помощью физического барьера (например, блокирующие ограждения в соответствии с ISO 14119 или фиксированные ограждения в соответствии с ISO 14120) и защитные устройства (например, электросенсорное защитное оборудование в соответствии с IEC 61496-1 или защитные устройства в соответствии с настоящим стандартом).
Разработчики стандартов типа C и проектировщики машин/установок рассматривают наилучший способ достижения требуемого уровня безопасности с учетом предполагаемого применения и результатов оценки рисков (см. ISO 12100).
Требуемым решением также может быть объединение нескольких из этих средств. Поставщик оборудования/установки и пользователь вместе тщательно изучают существующие опасности и ограничения, прежде чем принимать решение о выборе обеспечения безопасности.
Защитные устройства широко применяются в различных условиях, например в условиях экстремальных нагрузок или воздействия электрических, физических и химических факторов. Они связаны с управлением машинами для обеспечения безопасности машины, если защитное устройство активировано.
Действие настоящего стандарта ограничивается конструкцией защитных устройств, чтобы они могли быть использованы при оценке риска, проводимой изготовителем машины и/или согласно соответствующему стандарту типа C, когда это уместно и для этого есть возможность.
Настоящий стандарт не касается размеров и конфигурации эффективной сенсорной поверхности защитных устройств по отношению к какому-либо конкретному применению. Однако существует требование к изготовителю любой защиты предоставить достаточную информацию, чтобы пользователь (т.е. изготовитель оборудования и/или пользователь оборудования) мог оценить надлежащее устройство.
Активирующие усилия для приведения в действие защитных устройств, рассматриваемые в настоящем стандарте, основаны на информации, доступной на момент публикации. Этот вопрос будет постоянно находиться в поле зрения, чтобы можно было принять во внимание результаты дальнейших исследований в области усилий, которые могут быть приложены к человеческому телу, не причиняя значительных повреждений. Несмотря на то, что эти усилия обеспечивают практические средства для проектирования и испытаний сенсорного устройства, они не могут предотвратить травмы во всех случаях применения. При определении активирующего усилия для конкретного устройства или применения следует учитывать множество факторов. К ним относятся площадь контакта, скорость контакта, используемый материал и пораженная часть тела.
1 Область применения
Настоящий стандарт устанавливает общие требования и принципы к конструированию и испытаниям защитных устройств, чувствительных к давлению (далее - защитные устройства) с внешним устройством сброса или без него, которые не указаны в ISO 13856-1 и в ISO 13856-2, большинство из которых изготавливаются для конкретных применений и не доступны в качестве готовых элементов.
Настоящий стандарт также устанавливает требования для следующих защитных устройств:
a) сенсорных амортизаторов;
b) сенсорных пластин;
c) сенсорных проводов.
Настоящий стандарт распространяется на проектирование защитных устройств с точки зрения безопасности и надежности, а не их пригодности для конкретных применений.
Примечания
1 Отношение между безопасностью и надежностью см. в 4.2 ISO 13849-1:2006.
2 Изготовитель и/или пользователь устройства несет ответственность за установку соответствующих типов защитных устройств на основе оценки риска.
Настоящий стандарт не применяется:
- к определению размеров или защитных устройств по отношению к любому конкретному применению;
- стопорным устройствам в соответствии с IEC 60204-1, используемым только для нормальной работы, в том числе аварийной остановки машин.
Примечание - Конкретные требования для конкретных применений должны быть изложены в соответствующих стандартах типа C (см. ISO 12100 и введение).
Если защитные устройства используются в местах, доступных для пожилых людей, людей с ограниченными возможностями или детей, необходимы дополнительные требования.
Примечание - Несмотря на то, что требования предъявляются к невосприимчивости устройства к электромагнитным помехам, они не предназначены для охвата всех аспектов электромагнитной совместимости (ЭМС).
2 Нормативные ссылки
В настоящем стандарте использованы нормативные ссылки на следующие стандарты [для датированных ссылок применяют только указанное издание ссылочного стандарта, для недатированных - последнее издание (включая все изменения):
ИС МЕГАНОРМ: примечание.
Текст дан в соответствии с официальным текстом документа.
ISO 4413, Hydraulic fluid power - General rules и safety requirements for systems и their components (Гидравлика. Общие правила и требования безопасности, касающиеся систем и их компонентов)
ISO 4414, Pneumatic fluid power - General rules и safety requirements for systems и their components (Пневматика. Общие правила и требования безопасности, касающиеся систем и их компонентов)
ISO 12100:2010, Safety of machinery - General principles for design - Risk assessment и risk reduction (Безопасность машин. Общие принципы конструирования. Оценка рисков и снижение рисков)
ISO 13849-1:2006, Safety of machinery - Safety-related parts of control systems - Part 1: General principles for design (Безопасность машин. Детали систем управления, связанные с обеспечением безопасности. Часть 1. Общие принципы проектирования)
ISO 13849-2, Safety of machinery - Safety-related parts of control systems - Part 2: Validation (Безопасность машин. Детали систем управления, связанные с обеспечением безопасности. Часть 2. Валидация)
ISO 13855:2010, Safety of machinery - Positioning of safeguards with respect to the approach speeds of parts of the human body (Безопасность машин. Позиционирование защитного оборудования с учетом скорости сближения частей человеческого тела)
IEC 60068-2-6, Environmental testing - Part 2-6: Tests - Test Fc: Vibration (sinusoidal) [Испытания на воздействие внешних факторов. Часть 2-6. Испытания. Испытание Fc: Вибрация (синусоидальная)]
IEC 60068-2-14, Environmental testing - Part 2-14: Tests - Test N: Change of temperature (Испытания на воздействие внешних факторов. Часть 2-14. Испытания. Испытание N: Изменение температуры)
IEC 60068-2-27, Environmental testing - Part 2-27: Tests - Test Ea и guidance: Shock (Испытания на воздействие внешних факторов. Испытания. Часть 2-27. Испытания. Испытание Ea и руководство: Удар)
IEC 60068-2-78, Environmental testing - Part 2-78: Tests - Test Cab: Damp heat, steady state (Испытание на воздействие внешних факторов. Часть 2-78. Испытания. Испытание Cab: Влажное тепло, установившийся режим)
IEC 60204-1:2005, Safety of machinery - Electrical equipment of machines - Part 1: General requirements (Безопасность машин. Электрооборудование машин и механизмов. Часть 1. Общие требования)
IEC 60529, Degrees of protection provided by enclosures (IP code) [Степени защиты, обеспечиваемые корпусами (Код IP)]
IEC 60664-1:2007, Insulation coordination for equipment within low-voltage systems - Part 1: Principles, requirements и tests (Координация изоляции для оборудования в низковольтных системах. Часть 1. Принципы, требования и испытания)
IEC 60947-5-1, Low-voltage switchgear и controlgear - Part 5-1: Control circuit devices и switching elements - Electromechanical control circuit devices (Аппаратура коммутационная и механизмы управления низковольтные. Часть 5-1. Устройства и коммутационные элементы цепей управления. Электромеханические устройства цепей управления)
IEC 60947-5-5:1997, Low-voltage switchgear and controlgear - Part 5-5: Control circuit devices and switching elements - Electrical emergency stop device with mechanical latching function (Аппаратура коммутационная и механизмы управления низковольтные комплектные. Часть 5-5. Устройства и коммутационные элементы цепей управления. Электрические устройства аварийной остановки с механической функцией фиксации)
IEC 61000-4-2, Electromagnetic compatibility (EMC) - Part 4-2: Testing и measuring techniques - Electrostatic discharge immunity test (Электромагнитная совместимость. Часть 4-2. Методики испытаний и измерений. Испытание на невосприимчивость к электростатическому разряду)
IEC 61000-4-3, Electromagnetic compatibility (EMC) - Part 4-3: Testing и measurement techniques - Radiated, radio-frequency, electromagnetic field immunity test (Электромагнитная совместимость. Часть 4-3. Методы испытаний и измерений. Испытание на устойчивость к излучаемому радиочастотному электромагнитному полю)
IEC 61000-4-4, Electromagnetic compatibility (EMC) - Part 4-4: Testing и measurement techniques - Electrical fast transient/burst immunity test (Электромагнитная совместимость (ЭМС). Часть 4-4. Методы испытаний и измерений. Испытание на невосприимчивость к быстрым переходным процессам и всплескам)
IEC 61000-4-5, Electromagnetic compatibility (EMC) - Part 4-5: Testing и measurement techniques - Surge immunity test (Электромагнитная совместимость (ЭМС). Часть 4-5. Методы испытаний и измерений. Испытание на устойчивость к выбросу напряжения)
IEC 61000-4-6, Electromagnetic compatibility (EMC) - Part 4-6: Testing и measurement techniques - Immunity to conducted disturbances, induced by radio-frequency fields (Электромагнитная совместимость. Часть 4-6. Методы испытаний и измерений. Испытания на устойчивость к кондуктивным помехам, наведенным радиочастотными электромагнитными полями)
IEC 61000-6-2, Electromagnetic compatibility (EMC) - Part 6-2: Generic stuards - Immunity for industrial environments (Электромагнитная совместимость (ЭМС). Часть 6-2. Общие стандарты. Стандарт помехоустойчивости для промышленных обстановок)
IEC 61439-1:2009, Low-voltage switchgear and controlgear assemblies - Part 1: General rules (Аппаратура коммутационная и механизмы управления низковольтные комплектные. Часть 1. Общие правила)
3 Термины и определения
В настоящем стандарте применены термины по ISO 12100, а также следующие термины с соответствующими определениями:
3.1 сенсорное защитное устройство (pressure-sensitive protective device): Защитное устройство типа "механическое расцепление", предназначенное для обнаружения контакта с человеком или частью тела человека, которое также действует в качестве препятствующего (блокирующего) устройства.
Примечания
1 Защитное устройство состоит из датчика или датчиков, формирующих сигнал при воздействии давления на часть его внешней поверхности, и блока управления, реагирующего на сигнал от датчика и формирующего выходной сигнал(ы) для системы управления машиной.
2 Защитные устройства могут использоваться как устройства отключения, а также датчики присутствия устройства, как указано в ISO 12100:2010, примечание к 3.28.5. Датчики присутствия - см. также 4.2.6.2.
3 Определение защитного устройства и препятствующего устройства см. в ISO 12100:2010, 3.28.5 и 3.29 соответственно.
3.1.1 сенсорный амортизатор (pressure-sensitive bumper) (далее - амортизатор): Защитное устройство (3.1) с датчиком (3.3) или датчиками, характеристики которых представляют собой поперечное сечение по всей сенсорной зоне, которая может быть правильной или неправильной формы, ширина поперечного сечения, как правило, больше 80 мм, а эффективная сенсорная поверхность (3.10) деформируется локально или может перемещаться как единое целое.
3.1.2 сенсорная пластина (pressure-sensitive plate) (далее - пластина): Защитное устройство (3.1) с датчиком (3.3) или датчиками, характеристики которых представлены эффективной сенсорной поверхностью (3.10), которая, как правило (но не обязательно), плоская; эффективная сенсорная поверхность, ширина, как правило, больше 80 мм, и эффективная сенсорная поверхность, которая движется как единое целое.
Примечание - См. рисунок C.5.
3.1.3 сенсорный провод (pressure-sensitive wire) (далее - провод): Защитное устройство (3.1) с датчиком (3.3) или датчиками, характеристики которых представляют собой провод, шнур, веревку или кабель, находящиеся в натяжении, при обнаружении изменения натяжения для подачи выходного сигнала.
3.2 датчик присутствия (presence-sensing device); PSD: Защитное устройство, создающее сенсорное поле, область или плоскость для обнаружения присутствия части тела или всего человека.
Примечания
1 Защитные устройства могут использоваться как устройства отключения, а также датчики присутствия, как указано в ISO 12100:2010, примечание к 3.28.5.
2 См. также 4.2.6.2.
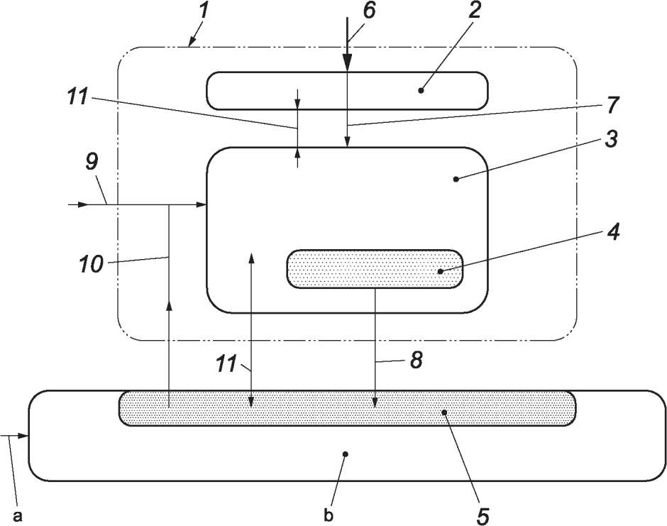
3.3 датчик (sensor): Часть защитного устройства (3.1), которое формирует ответный сигнал к достаточному давлению, приложенному к части его поверхности.
Примечание - Настоящее определение совместно с определением блока управления (3.4) распространяется на функциональные компоненты защитного устройства. Настоящие функции могут быть интегрированы в один узел или содержаться в любом количестве отдельных узлов. См. рисунок 1.
Условные обозначения:
1 - защитное устройство;
2 - датчик(и);
3 - блок управления <1>;
4 - устройство переключения выходных сигналов;
5 - часть системы управления машиной для обработки выходного сигнала защитного устройства;
6 - активирующее усилие;
7 - выход датчика;
8 - сигнал состояния "ВКЛ/ВЫКЛ";
9 - сигнал ручного сброса <2>;
10 - сигнал сброса от системы управления машиной (при необходимости);
11 - сигналы мониторинга (опционально);
a - сигнал ручного сброса в систему управления машиной <3>;
b - система(ы) управления машиной
--------------------------------
<1> Может быть расположен в системе управления машиной или как часть системы управления машиной, например, как логический блок.
<2> При необходимости может быть использовано в качестве альтернативы a.
<3> При необходимости можно использовать в качестве альтернативы 9.
Рисунок 1 - Схематическое изображение защитного устройства
применительно к машине
3.4 блок управления (control unit): Часть защитного устройства (3.1), которая отвечает состоянию датчика (3.3) и формирует выходные сигналы в систему управления машиной.
Примечание - Настоящее определение совместно с определением датчика (3.3) распространяется на функциональные компоненты защитного устройства. Эти функции могут быть интегрированы в один узел или содержаться в любом количестве отдельных узлов. См. рисунок 1.
3.5 устройство переключения выходного сигнала (output signal switching device): Часть блока управления (3.4) защитного устройства (3.1), которое соединено в систему управления машиной и передает выходные сигналы.
3.6 включенное состояние (ON state): Состояние, при котором выходная(ые) цепь(и) устройства переключения выходного сигнала (3.5) замкнута и позволяет течение тока или жидкости.
3.7 выключенное состояние (OFF state): Состояние, при котором выходная(ые) цепь(и) устройства переключения выходного сигнала (3.5) разомкнута и прерывает течение тока или жидкости.
3.8 активирующее усилие (actuating force): Любое усилие, приложенное к датчику (3.3), которое заставляет устройство переключения выходного сигнала (3.5) переходить в положение "ВЫКЛ" (3.7).
3.9 скорость приближения (approach speed): Относительная скорость, при которой происходит контакт между поверхностью датчика (3.3) и частью тела.
3.10 эффективная сенсорная поверхность (effective sensing surface): Часть поверхности датчика (3.3) или комбинации датчиков, в соответствии с заявлением изготовителя, в которой применение активирующего усилия (3.8) создает состояние "ВЫКЛ" (3.7) в устройстве переключения выходного сигнала (3.5).
3.11 эффективное сенсорное направление (effective sensing direction(s)): Направление активирующего усилия (3.8), от которого датчик (3.3) будет активирован.
3.12 нечувствительная (мертвая) поверхность (dead surface): Часть площади поверхности датчика (3.3) за пределами эффективной сенсорной поверхности (3.10).
3.13 активирующий ход (actuating travel): Расстояние, пройденное указанным объектом, движущимся в направлении приложенного активирующего усилия (3.8), и измеренное от точки, в которой настоящий объект касается эффективной сенсорной поверхности (3.10), до точки, в которой устройство переключения выходного сигнала (3.5) переходит в состояние "ВЫКЛ" (3.7) при заданных условиях.
Примечания
1 См. рисунок 2.
2 Активирующий ход может отличаться от предварительного хода, термина, относящегося к кромке или стержню (см. ISO 13856-2) и обозначающего перемещение в направлении, перпендикулярном к исходной оси; рабочий ход находится в направлении приложенного усилия.
Условные обозначения:
A - активирующая точка и активирующее усилие при максимальной рабочей скорости;
B - точки перемещения усилия, возникающие при усилии 250 Н (B1) или 400 Н (B2) при рабочей скорости <= 10 мм·с-1;
C - точка перемещения усилия, возникающая, например, при усилии 600 Н при рабочей скорости <= 10 мм·с-1;
1 - заданное усилие;
2 - самое низкое активирующее усилие;
a - усилие, Н;
b - ход, мм;
c - активирующий ход;
d - перебег при 250 Н;
e - рабочий ход при 250 Н;
f - перебег при 400 Н;
g - рабочий ход при 400 Н;
h - общий ход
Рисунок 2 - Схема соотношения усилия и хода. Образец
3.14 рабочий ход (working travel): Расстояние, пройденное конкретным объектом, движущимся в направлении применения активирующего усилия (3.8), и измеренное от точки, где этот объект касается эффективной сенсорной поверхности (3.10) при определенных условиях, до места, где на указанный объект действует конкретное усилие.
Примечание - См. рисунок 2 и приложение B.
3.15 перебег (overtravel): Разница между рабочим ходом (3.14) и активирующим ходом (3.13), когда эти расстояния измеряются одним и тем же объектом, применяемым в тех же условиях.
Примечание - См. рисунок 2.
3.16 соотношение усилие-ход (force-travel relationship): Зависимость между приложенным усилием и расстоянием, пройденным защитным устройством (3.1) в рабочих условиях.
Примечание - См. рисунок 2.
3.17 сброс (reset): Функция, которая допускает состояние ВКЛ (3.6) в устройстве переключения выходного сигнала (3.5) при условии выполнения определенных условий.
3.18 направление монтажа (mounting orientation): Направление датчика (3.3) в пространстве.
3.19 общий ход (total travel): Перемещение или деформация эффективной сенсорной поверхности (3.10) защитного устройства (3.1), измеренные в направлении активирующего усилия (3.8) от точки контакта до точки, в которой не происходит дальнейшей значительной деформации эффективной сенсорной поверхности.
4 Требования к расчету и испытаниям
4.1 Общие положения
Большинство защитных устройств, рассматриваемых в настоящем стандарте, предназначены для конкретных применений. В соответствующих случаях изготовитель устройства и изготовитель оборудования должны согласовать конкретные требования применения в соответствии с оценкой рисков и указать существенные данные об усилии хода для применения.
Защитное устройство должно иметь такие размеры и располагаться так, чтобы датчик обнаружил на ощупь приближение человека или части человека к опасной ситуации или опасной зоне.
Существует два следующих типа применений.
a) Устройство используется для остановки опасных частей механизмов, удаленных от датчика. В этом применении расстояние между датчиком и движущимися частями машины должно быть таким, чтобы машина останавливалась до того, как какая-либо часть тела достигнет опасной зоны. Расстояние должно быть рассчитано на основе принципов, представленных в ISO 13855. См. пример, приведенный в C.4.2.
b) Датчик монтируется на опасной части машины или рядом с ней так, чтобы машина остановилась или вернулась в безопасное положение после активации датчика и до того, как может произойти травма. См. пример, приведенный в C.3.10.
Следующие основные требования относятся ко всем защитным устройствам, рассматриваемым в настоящем стандарте. Дополнительные специальные требования приведены для амортизаторов, пластин и проводов. Настоящие конкретные требования согласно 4.3 - 4.5 являются приоритетными перед основными требованиями, приведенными в 4.2.
4.2 Основные требования
4.2.1 Активирующее усилие
Метод испытаний см. в 7.1.1 и 7.1.5.
Наименьшее активирующее усилие, необходимое для перевода устройства переключения выходного сигнала в состояние "ВЫКЛ", не должно превышать указанных в таблице 2 при применении:
- в заданном направлении;
- на эффективной сенсорной поверхности;
- при соответствующей скорости (скоростях) приближения;
- с датчиком в монтажных направлениях;
- с соответствующим испытательным образцом;
- в диапазоне температур, которые указал изготовитель защитного устройства или которые были согласованы между изготовителем защитного устройства и изготовителем(ями) машин.
Минимальное активирующее усилие может быть меньше, чем указано в таблице 2 для конкретных применений и расчета датчика. См. в 4.5.3 наименьшее активирующее усилие, необходимое для того, чтобы блок управления для проводов перешел в состояние "ВЫКЛ".
Примечания
1 Надлежащая оценка риска покажет, какие части тела следует рассматривать для конкретного случая применения, позволяющего использовать соответствующие испытательные образцы.
2 Усилия, указанные в настоящем разделе, в первую очередь предназначены для оценки сенсорных характеристик устройства. Настоящие усилия не следует рассматривать как безопасные усилия для всех применений (см. руководство во введении и приложении C).
3 Для некоторых применений, например, для защиты шеи, может потребоваться устройство с более высокой чувствительностью, т.е. активирующие усилия ниже указанных в таблице 2.
4.2.2 Активирующий ход
Метод испытаний см. в 7.1.1 и 7.1.6.
Активирующий ход не должен превышать указанный изготовителем защитного устройства. Для устройств, изготовленных для специального применения, активирующий ход должен соответствовать применению (см. приложение B для рекомендаций по соотношению усилие - перемещение конкретных устройств).
4.2.3 Перебег
Метод испытаний см. в 7.1.1 и 7.1.7.
Перебег должен быть не менее указанного изготовителем защитного устройства. Для устройств, изготовленных для конкретного применения, перебег должен соответствовать применению (см. приложение B для рекомендаций по соотношению усилие - ход конкретных устройств).
4.2.4 Скорость приближения
Методы испытаний см. в 7.1.1, 7.1.5, 7.1.6 и 7.1.7.
Датчик должен быть способен вызывать состояние "ВЫКЛ" в устройстве переключения выходного сигнала при активации с помощью предполагаемой скорости приближения, заявленной изготовителем защитного устройства. Для устройств, изготовленных для конкретного применения, скорость приближения должна соответствовать применению.
4.2.5 Количество операций
Метод испытаний см. в 7.1.1 и 7.1.8.
Защитное устройство должно продолжать работать в нормальном режиме, а датчик не должен иметь видимых признаков повреждения после количества операций, заявленного изготовителем устройства. Для устройств, изготовленных для конкретного применения, количество операций должно соответствовать настоящему применению.
4.2.6 Реакция устройства переключения выходного сигнала на активирующее усилие
4.2.6.1 Системы, в которых выходной сигнал датчика остается в измененном состоянии до тех пор, пока действует активирующее усилие.
Метод испытаний см. в 7.1.1 и 7.1.9.
Когда к сенсорной поверхности датчика приложено активирующее усилие, выходной сигнал датчика должен изменить состояние, в результате чего устройство переключения выходного сигнала переходит из состояния "ВКЛ" в состояние "ВЫКЛ". Такое изменение состояния выходного сигнала датчика является прямой функцией приложенного усилия. Это новое состояние выходного сигнала датчика должно сохраняться до тех пор, пока действует активирующее усилие.
Устройство переключения выходного сигнала должно вернуться в состояние "ВКЛ" в следующем случае:
- для систем со сбросом активирующее усилие снимается и подается сигнал сброса (см. рисунки A.1 и A.2);
- для систем без сброса активирующее усилие снимается (см. рисунок A.3).
4.2.6.2 Системы, в которых выход датчика не остается в измененном состоянии при воздействии активирующего усилия
Метод испытаний см. в 7.1.1 и 7.1.9.
Датчик должен подавать сигнал, когда к его сенсорной поверхности приложено активирующее усилие, вызывающее переход устройства переключения выходного сигнала из состояния "ВКЛ" в состояние "ВЫКЛ". Устройство переключения выходного сигнала должно возвращаться в состояние "ВКЛ" только при подаче сигнала сброса или при дополнительных мерах защиты, принятых для обеспечения отсутствия опасности, т.е. автоматический реверс опасного движения. Такие дополнительные защитные меры должны быть указаны в информации по применению, см. 6.3.1 a). Для некоторых устройств требуются дополнительные защитные меры. См. рисунок A.4, C.3.6 и C.3.7.
Некоторые устройства, например датчики импульса давления, которые не считаются проверенными компонентами, должны соответствовать требованиям категории 2 в соответствии с ISO 13849-1:2006.
4.2.6.3 Функция сброса
Метод испытаний см. в 7.1.1 и 7.1.10.
Функция сброса защитного устройства должна удовлетворять общим требованиям ISO 13849-1:2006, 6.2.2 и функциональным требованиям приложения A к настоящему стандарту.
Для сброса блокировки пуска или блокировки перезапуска защитного устройства сигнал сброса должен применяться:
- непосредственно к блоку управления защитным устройством;
- через систему управления машиной.
Если предусмотрен ручной сброс, он должен работать в соответствии с рисунками A.1 и A.2 и ISO 13849-1:2006, 5.2.
4.2.7 Условия окружающей среды
4.2.7.1 Требования для нормальной работы
Метод испытаний см. в 7.1.1 и 7.1.11.
Защитное устройство должно продолжать нормальную работу в окружающей среде в условиях, заявленных изготовителем, в соответствии с требованиями, приведенными в 4.2.7. При таких условиях нормальная работа достигается, когда:
- устройство переключения выходного сигнала остается во включенном состоянии до тех пор, пока не будет приложено активирующее усилие;
- состояние "ВКЛ" изменяется на состояние "ВЫКЛ" при приложении активирующего усилия.
4.2.7.2 Температура
Метод испытания см. в 7.1.1 и 7.1.11.3.
Система должна продолжать работать в нормальном режиме при минимальном диапазоне температур от 5 °C до 40 °C. Если изготовитель заявляет, что защитное устройство подходит для более широкого температурного диапазона, то оно должно продолжать нормальную работу в указанном диапазоне температур.
4.2.7.3 Влажность
Метод испытаний см. в 7.1.1 и 7.1.11.4.
Все оборудование должно соответствовать требованиям по влажности, установленным изготовителем.
Только для электрического оборудования: система должна продолжать работать в нормальном режиме, а целостность электрической изоляции должна сохраняться после хранения при относительной влажности 93% и температуре 40 °C в течение четырех дней.
4.2.7.4 Электромагнитная совместимость
Метод испытания см. в 7.1.1 и 7.1.11.5.
Если на защитное устройство могут воздействовать электромагнитные излучения, оно должно продолжать работать в нормальном режиме при условиях, указанных в IEC 61000-6-2 и в таблице 5. Изготовитель может рассчитать и впоследствии указать более высокий уровень (уровни), для которого требуется продолжение нормальной работы защитного устройства. Более высокий уровень защиты должен быть обеспечен, если это необходимо для безопасной работы защитного устройства в конкретном применении.
4.2.7.5 Вибрация
Метод испытания см. в 7.1.1 и 7.1.11.6.
Защитное устройство должно продолжать работать без активации при следующих условиях вибрации в соответствии с IEC 60068-2-6:
- диапазон частот: от 10 до 55 Гц;
- смещение: 0,15 мм;
- 10 циклов на ось;
- скорость развертки: 1 октава в минуту.
После этого испытания на вибрацию защитное устройство должно продолжать работать в нормальном режиме.
4.2.8 Изменение источника питания
4.2.8.1 Общие положения
Метод испытаний см. в 7.1.1 и 7.1.12.
Защитное устройство должно продолжать работать в нормальном режиме, как указано в 4.2.7.1, при изменении напряжения питания в соответствии с 4.2.8.2 и 4.2.8.3.
4.2.8.2 Изменения электропитания
Метод испытаний см. в 7.1.1 и 7.1.12.2.
Защитное устройство должно соответствовать требованиям к изменению электропитания IEC 60204-1:2005, 4.3.
4.2.8.3 Изменения неэлектрического питания
Метод испытаний см. в 7.1.1 и 7.1.12.3.
Защитное устройство должно продолжать работать в нормальном режиме, как указано в 4.2.7.1, при подвергании неэлектрическим изменениям источника питания, как указано изготовителем и в соответствии с требованиями ISO 4413 для гидравлических систем и ISO 4414 для пневматических систем.
Если устройства защиты от избыточного давления для этого источника питания не встроены, изменения избыточного давления за пределами указанного диапазона не должны приводить к опасному отказу.
Изменения электропитания за пределами указанного диапазона не должны приводить к возникновению опасности.
4.2.9 Электрооборудование
4.2.9.1 Общие положения
Метод испытаний см. в 7.1.1 и 7.1.13.1.
Электрооборудование (компоненты) защитных устройств должно:
- соответствовать международным стандартам;
- быть пригодным для предполагаемого использования;
- эксплуатироваться в пределах установленных для него номинальных значений.
4.2.9.2 Защита от поражения электрическим током
Защита от поражения электрическим током должна быть обеспечена в соответствии с IEC 60204-1:2005, 6.1, 6.2 и 6.3.
4.2.9.3 Защита от перегрузки по току
Защита от перегрузки по току должна быть обеспечена в соответствии с IEC 60204-1:2005, 7.2.1, 7.2.3, 7.2.7, 7.2.8 и 7.2.9.
4.2.9.4 Электромеханические устройства
Электромеханические блоки управления и устройства переключения выходного сигнала должны отвечать соответствующим требованиям IEC 60947-5-1.
4.2.9.5 Степень загрязнения
Электрооборудование должно соответствовать степени загрязнения 2 в соответствии с IEC 61439-1:2009, 7.1.3.
4.2.9.6 Воздушный зазор, пути утечки
Электрооборудование должно быть спроектировано и изготовлено в соответствии с IEC 61439-1:2009, 8.3 и 10.4.
4.2.9.7 Электропроводка
Электрооборудование должно иметь проводку и быть подключено в соответствии с IEC 61439-1:2009, 11.10.
4.2.10 Гидравлическое оборудование
Метод испытаний см. в 7.1.1 и 7.1.13.2.
Гидравлическое оборудование должно отвечать соответствующим требованиям ISO 4413 и ISO 13849-2.
4.2.11 Пневматическое оборудование
Метод испытаний см. в 7.1.1 и 7.1.13.3.
Пневматическое оборудование должно отвечать соответствующим требованиям ISO 4414 и ISO 13849-2.
4.2.12 Механическое оборудование
Метод испытания см. в 7.1.1 и 7.1.13.4.
Механическое оборудование должно отвечать соответствующим требованиям к защитным устройствам ISO 12100:2010, 6.3.3 и ISO 13849-2.
4.2.13 Корпус
Метод испытания см. в 7.1.1 и 7.1.14.
4.2.13.1 Датчик
Датчик должен подходить для конкретной среды, т.е. влажных или пыльных условий. Датчики должны быть указаны в соответствии со степенью защиты согласно IEC 60529. Детали датчика, содержащие электрические компоненты, должны иметь корпус, отвечающий как минимум требованиям IP 54. Если изготовитель указывает, что датчик можно погружать в воду, корпус датчика должен соответствовать как минимум требованиям IP 67.
4.2.13.2 Блок управления и устройство переключения выходного сигнала
Блок управления и любой внешний корпус устройства переключения выходного сигнала должны соответствовать как минимум требованиям IP 54. Если блок управления и устройство переключения выходного сигнала предназначены для монтажа в другой корпус аппаратуры управления, этот корпус должен отвечать требованиям стандарта по защите, относящимся к этому применению. В этих условиях блок управления и устройство переключения выходного сигнала должны соответствовать как минимум требованиям IP 2X.
4.2.14 Доступ
Метод испытаний см. в 7.1.1 и 7.1.15.
Если требуется доступ внутрь любой части защитного устройства, он должен быть возможен только с помощью ключа или инструмента.
4.2.15 Уровни и категории эффективности для связанных с безопасностью частей систем управления в соответствии с ISO 13849-1
4.2.15.1 Защитные устройства согласно настоящему стандарту должны соответствовать требованиям уровня эффективности (PL) и категории, для которой они указаны и отмечены. Уровни и категории эффективности указаны в ISO 13849-1.
Метод испытаний см. в 7.1.1 и 7.1.16.
4.2.15.2 Защитные устройства согласно настоящему стандарту должны соответствовать, по меньшей мере, требованиям уровня эффективности C в соответствии с ISO 13849-1 и требованиям настоящего стандарта.
Механические повреждения поверхности датчика, не влияющие на функцию безопасности (например, царапины стружкой), не считаются неисправностями.
4.2.15.3 Значения B10d для датчика должны определяться путем испытаний. Результаты испытаний должны документироваться протоколами испытаний. Они должны содержать как минимум следующую информацию:
- тип датчика;
- точки измерения;
- температура (окружающей среды);
- рабочее напряжение и рабочий ток;
- частота переключения;
- место испытаний;
- испытательная нагрузка;
- активирующая скорость;
- количество операций;
- значения B10d;
- виды неисправностей;
- испытатель, испытательная лаборатория, дата и подпись.
Примечание - Определение значений B10d осуществляет изготовитель.
4.2.15.4 Если защитное устройство соответствует категории 3, его конструкция может отличаться от назначенной архитектуры в соответствии с ISO 13849-1:2006, 6.2.
Исключения неисправностей должны быть перечислены и объяснены в руководстве по эксплуатации. Исключения неисправностей, которые недопустимы из-за обоснованно предсказуемого неправильного использования защитного устройства, производиться не будут.
Если для определения уровня эффективности PL используется исключение неисправностей, охват диагностикой рассчитывать не требуется, т.к. не будет учитываться при определении уровня эффективности. В этих условиях высокое ожидание среднего времени до опасного отказа (MTTFd) должно присутствовать для достижения уровня эффективности d.
4.2.16 Настройки
Метод испытаний см. в 7.1.1 и 7.1.17.
Защитные устройства не должны иметь средств ручной регулировки. Если это необходимо для внесения регулировок при вводе в эксплуатацию или при техническом обслуживании, изготовитель должен обеспечить руководство по эксплуатации, позволяющее внести коррективы, чтобы соответствовать требованиям настоящего стандарта. Должны быть предусмотрены меры для проверки правильности внесения таких корректировок. Доступ к регулируемым элементам должен осуществляться только с помощью ключа, кода безопасности или инструмента.
4.2.17 Крепление датчика и механическая прочность
Метод испытаний см. в 7.1.1 и 7.1.18.
Должны быть предусмотрены средства для надежной фиксации всех деталей датчика в указанном направлении крепления. Неподвижный датчик должен иметь достаточную механическую прочность, чтобы выдерживать максимальное усилие в указанных направлениях, как указано изготовителем.
4.2.18 Соединения
Метод испытаний см. в 7.1.1 и 7.1.19.
Если компоненты различных конфигураций внутри защитного устройства взаимозаменяемы с помощью штепсельных соединений, неправильное размещение или замена этих компонентов не должны вызывать неисправностей, приводящих к возникновению опасной ситуации.
Если датчик подключен через вилку и розетку, снятие или отсоединение датчика от вилки и розетки от блока управления должно привести к тому, что устройство переключения выходного сигнала перейдет в состояние "ВЫКЛ".
4.2.19 Запрет и блокировка
Метод испытаний см. в 7.1.1 и 7.1.20.
Датчики защитных устройств должны быть сконструированы таким образом, чтобы их срабатывание не могло быть намеренно запрещено или заблокировано простыми средствами.
4.2.20 Острые углы, острые кромки, шероховатые поверхности и захват
Методы испытаний см. в 7.1.1 и 7.1.21.
Открытые части защитных устройств не должны иметь острых углов, острых кромок, шероховатых поверхностей и т.д., которые могут привести к травмам людей, соприкасающихся с устройством (устройствами) (см. ISO 12100:2010, 6.2.2.1).
4.2.21 Удар
Метод испытаний см. в 7.1.1 и 7.1.22.
Защитное устройство должно продолжать работать без активации в условиях удара, ожидаемых для применения.
Примечание - Эффект ударов будет значительно различаться в зависимости от их размера и направления, а также от конструкции датчика защитного устройства. Дополнительные точные требования указаны только для пластин (см. 4.4.1).
4.3 Специальные требования для амортизаторов
4.3.1 Соотношение усилие - ход
Метод испытаний см. в 7.1.1 и 7.2.1.
Соотношение усилие - ход должно быть, как минимум, таким, как указано изготовителем. Изготовитель должен предоставить данные о соотношении усилия и хода с использованием рисунка 2 в качестве примера и должен указать условия, в которых были определены данные.
4.3.2 Дополнительные покрытия для датчиков
Метод испытаний см. в 7.1.1 и 7.2.2.
Если используются дополнительные покрытия, требования настоящего стандарта должны выполняться изготовителем датчика с покрытием.
4.3.3 Восстановление после деформации
Метод испытаний см. в 7.1.1 и 7.2.3.
После того, как эффективная сенсорная поверхность датчика была деформирована или перемещена рабочим ходом в течение 24 ч, эффективная сенсорная поверхность должна восстановиться в соответствии с таблицей 1.
Таблица 1
Восстановление после деформации
Время восстановления
Изменение по высоте процент рабочего хода при 10 мм·с-1 при 250 N
30 с
< 20
5 мин
< 10
30 мин
< 5
Если изготовитель заявляет, что амортизатор пригоден для непрерывной деформации в течение более 24 ч, то датчик должен восстановиться в соответствии с таблицей 1 после деформации в течение указанного времени. В качестве альтернативы датчик должен иметь достаточный перебег, чтобы компенсировать степень деформации для заявленного времени.
После того, как эффективная сенсорная поверхность датчика была деформирована или перемещена на рабочий ход в течение 24 ч, амортизатор должен нормально функционировать в течение 30 с.
4.3.4 Обнаружение на амортизаторах с полужесткими или жесткими поверхностями
Метод испытаний см. в 7.1.1 и 7.2.4.
На амортизаторах с открытой конструкцией, т.е. как показано на рисунках C.3 и C.4, нельзя стоять незаметно внутри конструкции амортизатора.
4.4 Специальные требования для пластин
4.4.1 Удар
Метод испытаний см. в 7.1.1 и 7.3.1.
Пластина должна продолжать работать без активации при следующих условиях. Требования распространяются только на датчик для пластин в заданном направлении и в противоположном направлении и должны соответствовать IEC 60068-2-27:
- пиковое ускорение: 100 м·с-2;
- длительность импульса: 16 мс;
- форма импульса: полусинусоида;
- количество импульсов в каждом направлении: 1000;
- частота: приблизительно 1 Гц.
После испытания на удар пластина должна продолжать работать в нормальном режиме.
Если изготовитель заявляет, что пластина подходит для более широкого диапазона ударов, то она должна соответствовать настоящему требованию в пределах указанного диапазона ударов.
4.4.2 Деформация, торможение и блокировка
Метод испытаний см. в 7.1.1 и 7.1.20.
Деформация пластин, предотвращение движения пластины (заклинивание, блокирование) и другие предсказуемые неисправности не должны приводить к потере функции безопасности.
4.5 Специальные требования для проводов (тяговых тросов)
4.5.1 Электрические выключатели
Метод испытаний см. в 7.1.1.
Электрические переключатели, используемые с проводами, должны соответствовать требованиям IEC 60947-5-5. Кроме того, они должны выполнять требования, приведенные в 4.5.2 - 4.5.5.
4.5.2 Обрыв или отсоединение провода
Метод испытания см. в 7.1.1 и 7.4.1.
Провод должен быть рассчитан таким образом, чтобы в случае ослабления, разрыва или при отсоединении провода формировалось состояние "ВЫКЛ" (см. рисунок C.6).
4.5.3 Активирующее усилие
Метод испытаний см. в 7.1.1 и 7.4.2.
Усилие, необходимое для применения к проводу для создания состояния "ВЫКЛ" в блоке управления, должно быть менее 100 Н при применении в эффективном сенсорном направлении (направлениях) измерения под углом 90° к любой точке и в любой точке эффективной сенсорной поверхности провода, используя испытуемый образец 5 (см. 7.1.5.1, таблица 2). Эффективная сенсорная поверхность провода должна быть указана изготовителем с учетом того, каким образом можно использовать провод.
4.5.4 Прочность датчика на растяжение
Метод испытаний см. в 7.1.1 и 7.4.3.
Датчик (включая любые соединения) должен выдерживать усилие натяжения 1000 Н без неисправности (отказа).
4.5.5 Активация отклонения провода
Метод испытаний см. в 7.1.1 и 7.4.4.
Смещение провода, необходимое для создания состояния "ВЫКЛ", должно быть менее 150 мм во всех указанных направлениях активации (см. рисунок C.6). Для специальных применений рабочий объем более 150 мм может быть приемлемым, если это указано в оценке риска.
5 Маркировка
5.1 Общие положения
Защитные устройства, поставляемые на рынок отдельно, должны быть маркированы согласно ISO 12100:2010, 6.4.4, и, как минимум, для электрооборудования с номинальным напряжением и током. См. также IEC 60204-1:2005, раздел 16.
5.2 Этикетки
Все этикетки должны быть надежно закреплены, а все маркировки должны быть прочными и разборчивыми в течение ожидаемого срока службы соответствующей детали защитного устройства, к которой они прикреплены.
5.3 Маркировка блока управления
Этикетка(и) блока управления должна(ы) также содержать следующую информацию или указывать, где эту информацию можно найти:
- уровень эффективности, категория и значение B10d по ISO 13849-1 для системы в целом;
- время отклика системы в целом;
- независимо от того, спроектированы ли они со сбросом или без него;
- номер детали.
5.4 Маркировка датчика
Этикетка датчика также должна содержать номер детали или указывать, где можно найти эту информацию.
6 Информация для выбора и использования
6.1 Общие положения
Информация и рекомендации по применению, вводу в эксплуатацию и регулярным проверкам для включения в информацию по использованию приведены в приложениях D и E.
Информация, которая должна быть предоставлена пользователю, и способ ее представления должны соответствовать ISO 12100:2010, 6.4. Она должна быть четко идентифицирована с продуктом, т.е. с защитным устройством.
6.2 Основные данные для выбора подходящего защитного устройства
Изготовитель должен предоставить соответствующую информацию из следующего, чтобы помочь в выборе подходящего защитного устройства:
a) пригодность защитного устройства только для функции отключения или также для комбинированной функции отключения и функции обнаружения присутствия;
b) ограничения по конфигурации, количеству и длине датчиков, подключаемых к одному блоку управления;
c) ограничения по длине и характеристики соединений между датчиком(ами) и блоком(ами) управления;
d) направление установки, в котором может использоваться датчик;
e) средства крепления датчика и блока управления;
f) усилие (усилия), которое может выдержать установленный датчик, и направление (направления), в котором они действуют;
g) размеры, определяющие эффективную сенсорную поверхность;
h) максимальные размеры датчика;
i) вес датчика на метр длины и вес блока управления;
j) дополнительные детали покрытия датчика (где применимо);
k) взаимосвязь(и) усилие - ход, показывающая активирующий ход и перебег в виде таблицы или схемы по рисунку 2;
l) заданное усилие после перебега;
m) заявленное количество операций;
n) таблица химической стойкости датчика;
o) диапазон рабочих температур;
p) требования к источнику питания;
q) спецификация корпуса блока управления в соответствии с IEC 60529;
r) спецификация корпуса датчика в соответствии с IEC 60529;
s) категория (или категории) и уровень(и) эффективности согласно ISO 13849-1;
t) методика отбора согласно приложению D;
u) критическая длина соединений между отдельными компонентами;
v) поведение деформации во времени;
w) переключающая способность устройства переключения выходного сигнала в соответствии с IEC 60947-5-1;
x) руководство по эксплуатации;
y) конфигурация(и) контактов устройства переключения выходного сигнала;
z) возможность обнаружения пальцев;
aa) минимальная рабочая скорость, если применимо (например, для пневматических систем);
bb) указание исключений ошибок (см. ISO 13849-1:2006, раздел 11);
cc) объяснение того, как был рассчитан уровень эффективности со ссылкой на среднее время работы переменных параметров (в часах в день и днях в году) и среднее время между началом двух последовательных циклов рассматриваемой детали (время цикла);
dd) отчет о том, что пользователь должен самостоятельно определять уровень эффективности своей программы.
6.3 Информация для использования
6.3.1 Информация по применению и вводу в эксплуатацию
Для проверки см. 7.1.4.
Изготовитель должен предоставить соответствующую информацию из следующего:
a) Информация о защитном устройстве:
1) подробное описание устройства;
2) ограничения по конфигурации, количеству и длине датчиков, подключаемых к одному блоку управления;
3) ограничения по длине и характеристикам соединений между датчиком(ами) и блоком(ами) управления;
4) методика определения перебега защитного устройства, которая должна включать примеры (см. приложение B);
5) диапазон применений и условий, для которых устройство (устройства) предназначено или одобрено, включая категорию, уровень эффективности и значения B10d в соответствии с ISO 13849-1;
6) принципиальные схемы, обеспечивающие схематическое представление функций безопасности и примеры интерфейса управления машиной;
7) дополнительные защитные меры по 4.2.6.2, необходимые для достижения требуемого уровня безопасности для конкретных применений;
8) номинальная мощность, характеристики и расположение всех терминалов ввода/вывода (например, максимальный режим работы предохранителей или установки устройства защиты от перегрузки по току);
9) тип и периодичность автоматической системы проверки, если применимо;
10) руководство по химической, физической и экологической устойчивости (например, устойчивость к растворителям, допустимая весовая нагрузка, диапазон рабочих температур, допустимое изменение мощности);
11) руководство по использованию устройства в альтернативных монтажных положениях;
12) указание на то, разработано ли устройство с функцией внешнего сброса или без нее в соответствии с рисунками A.1, A.2, A.3 или A.4.
b) Информация, касающаяся упаковки, транспортировки, обращения и хранения защитного устройства, в том числе:
1) размеры;
2) масса;
3) описание упаковки и способов распаковки во избежание повреждения устройства;
4) методы транспортировки и обработки для предотвращения повреждений или телесных повреждений;
5) требования к хранению (плоская укладка, прямо или в бухтах, диапазон температур и т.д.).
c) Информация по установке и вводу в эксплуатацию защитного устройства, в том числе:
1) предупреждение о том, что перед попыткой начать любые монтажные работы следует полностью прочитать информацию по использованию;
2) предупреждение о том, что может потребоваться функция сброса;
3) требования к поверхности, на которую будет устанавливаться датчик;
4) способы установки, включая необходимые инструменты;
5) конструктивные особенности эффективных сенсорных поверхностей, которые могут влиять на функцию безопасности и способы сведения к минимуму влияния нечувствительных (мертвых) поверхностей путем установки (включая чертеж, соответственно);
6) график испытаний, которые необходимо провести после монтажа, чтобы установить, что устройство работает, правильно установлено и подключено к системе управления машиной;
7) предупреждение о том, что общая безопасность машины и ее защита зависят от качества, надежности и правильности установки интерфейса между ними;
8) указание на то, что категория (категории) и уровень (уровни) эффективности, требуемые для устройства, должны соответствовать категории (категориям) и уровню (уровням) эффективности, установленными оценкой рисков;
9) лист регистрации, который должен быть заполнен установщиком, с указанием того, какой блок управления и датчик(и) установлены.
6.3.2 Информация по эксплуатации и техническому обслуживанию защитного устройства
Для проверки см. 7.1.4.
Изготовитель должен предоставить следующую соответствующую информацию. Поставщик или изготовитель машин должен сделать эту информацию доступной для пользователя машины.
a) Информация, касающаяся использования защитного устройства, в том числе:
1) назначение и способ работы блока управления и индикаторов;
2) сведения об ограничениях использования;
3) инструкции по выявлению неисправности и перезапуску после вмешательства;
4) указание исключений неисправности;
5) объяснение рассчитанного уровня эффективности со ссылкой на переменные параметры, среднее время работы, среднее время использования и время цикла;
6) указание на то, что пользователь самостоятельно определяет уровень эффективности своего применения.
b) Информация по техническому обслуживанию, включая следующее:
1) предупреждение о том, что инструкции по техническому обслуживанию следует прочитать перед попыткой любого технического обслуживания;
2) характер и периодичность испытаний, осмотров (проверок) и технического обслуживания;
3) инструкция по допустимой настройке, регулировке и очистке;
4) действия, которые требуют определенных технических знаний и/или определенных навыков и должны выполняться исключительно квалифицированными специалистами, прошедшими соответствующую подготовку;
5) информация (например, чертежи и электрические схемы), позволяющая обученному персоналу решать задачи по поиску неисправностей;
6) подробности испытаний, необходимых после замены деталей для подтверждения правильности функционирования устройства;
7) предупреждение о том, что все детали (например, крышки, зажимы, окантовочные планки или крепления) должны сниматься во время технического обслуживания и повторно устанавливаться после технического обслуживания, а также, если такие детали не установлены должным образом, эффективность устройства может быть нарушена;
8) перечень деталей, заменяемых пользователем;
9) предупреждение о том, что пользователем могут быть заменены только те детали, которые одобрены изготовителем, и что в случае использования неутвержденных запасных частей или внесения неутвержденных модификаций устройство может выйти из строя;
10) наименование и адрес изготовителя и/или компетентной сервисной организации;
11) указание максимального интервала испытаний (например, испытание не реже одного раза в три месяца).
c) Обучение: рекомендации по минимальным требованиям к обучению персонала, устанавливающего оборудование, обеспечивающие, чтобы защитное устройство было установлено в соответствии с настоящим стандартом.
d) Периодические функциональные испытания
Руководство по эксплуатации должно содержать информацию о том, как проводить функциональное испытание на датчике (например, ручная деформация поверхности датчика при наблюдении за изменением сигнала). Для этой цели необходимо следующее:
1) указание о том, что датчик должен испытываться через равные промежутки времени с помощью образца диаметром 80 мм в необязательных местоположениях испытаний;
2) указание о том, что интервал испытаний зависит от использования защитного устройства, и что он должен быть указан оператором в соответствии с требованиями национального законодательства.
Примечание - Дополнительные рекомендации по составлению руководства по эксплуатации, составлению и редактированию информации для использования приведены в ISO 12100:2010, 6.4.5.2 и 6.4.5.3.
7 Верификация требований
7.1 Верификация требований, применимых ко всем защитным устройствам, рассмотренным в настоящем стандарте
7.1.1 Общие положения
Все испытания в настоящем стандарте должны рассматриваться как типовые испытания для каждого типа защитных устройств.
Верификация (подтверждение) выполнения требований настоящего стандарта должна производиться осмотром и/или анализом. Испытания должны проводиться в тех случаях, когда верификация невозможна путем осмотра и анализа и когда испытание является более практичным вариантом или требованием настоящего стандарта. Во всех случаях изготовитель должен предоставить информацию, чтобы показать способ выполнения требований.
Для многих применений защитные устройства разрабатываются и изготавливаются как часть машины. Необходимые испытания могут быть проведены на устройствах при установлении (монтаже) на машину. В таких случаях испытательные образцы, скорости приближения, направления приближения и местоположения на датчике должны имитировать приближение частей тела, которые должны быть обнаружены в наихудших условиях безопасности.
7.1.2 Условия во время верификации
Испытания должны проводиться на готовых к применению защитных устройствах, в благоприятных условиях в пределах минимальных требований настоящего стандарта, с требованиями, указанными изготовителем, если они являются более строгими, или в соответствии с указаниями спецификации изготовителя, если это не указано в настоящем стандарте. Если не указано иное, эти испытания должны проводиться при температуре 20 °C. Применяются следующие допуски:
- температура: +/- 5 °C;
- скорость испытания: +/- 10%.
Если для конкретного испытания очевидно, что характеристики защитного устройства не зависят от температуры выше указанного диапазона температур, то испытания могут проводиться только при температуре окружающей среды.
Другие соответствующие условия окружающей среды, например, атмосферное давление и влажность должны быть зарегистрированы.
7.1.3 Образцы для испытаний
7.1.3.1 Датчик
Для проведения испытаний, указанных в настоящем разделе, потребуется один или несколько готовых к использованию датчиков.
Если защитное устройство имеет эффективную сенсорную поверхность, состоящую из комбинации датчиков, то должны быть предусмотрены датчики для подключения к одному блоку управления. При необходимости максимальное установленное количество комбинированных датчиков должно использоваться для проверки соответствующих требований.
Если размеры датчика влияют на характеристики выходного сигнала датчика, должен использоваться датчик с наименьшим эффективным сенсорным размером, указанный изготовителем.
7.1.3.2 Блоки управления с устройствами переключения выходного сигнала
Должен быть предусмотрен один блок управления с одним устройством переключения выходного сигнала, соответствующим для производственных блоков и, при необходимости, один блок управления с одним устройством переключения выходного сигнала, специально подготовленным для испытания в условиях неисправности.
7.1.4 Испытание N 1. Данные по безопасности для выбора, установки, ввода в эксплуатацию, эксплуатации и технического обслуживания подходящего защитного устройства
Необходимо проверить, содержит ли паспорт изготовителя все данные, связанные с безопасностью. См. 6.3.1 и 6.3.2.
7.1.5 Испытание N 2. Активирующее усилие и скорость приближения
7.1.5.1 Общие положения
Требования см. в 4.2.1 и 4.2.4.
Активирующее усилие должно быть приложено соответствующими испытательными образцами в соответствующем испытательном направлении и, по меньшей мере, на максимальной и минимальной скоростях приближения. Для каждого применения испытуемого образца должно быть проверено, что устройство переключения выходного сигнала переходит в состояние "ВЫКЛ" при активирующем усилии, менее или равном соответствующему значению, указанному в таблице 2.
Таблица 2
Испытуемые образцы, активирующие усилия
и направления испытаний
Размеры в миллиметрах
Испытуемый образец 1
Активирующее усилие: 150 Н
Испытуемый образец для имитации части тела: голова или рука
Испытуемый образец 2
Активирующее усилие: 400 Н
Часть тела: плечо
Испытуемый образец 3
Активирующее усилие: 50 Н
Часть тела: палец (сустав)
Испытуемый образец 4
Активирующее усилие: 50 Н
Часть тела: палец (кончик)
Размеры см. в IEC 61032:1997, зонд 11
Испытуемый образец 5
Активирующее усилие: 250 Н
Часть тела: рука или нога
Испытуемый образец 6
Активирующее усилие: 400 Н
Часть тела: все тело
1 - направление испытания
При определении максимальной скорости приближения общая максимальная скорость датчика указывается изготовителем или определяется для конкретного применения и предполагаемой скорости приближения человека или части его тела (см. ISO 13855).
7.1.5.2 Испытуемые местоположения на датчике
Испытания должны проводиться не менее чем в пяти различных точках на эффективной сенсорной поверхности датчика, где ожидается, что для срабатывания состояния "ВЫКЛ" требуется наибольшее активирующее усилие устройства переключения выходного сигнала. Эти точки могут определяться положением, геометрией, технологией и опытом. Если защитное устройство состоит из комбинации датчиков, необходимо учитывать соединение между датчиками.
7.1.5.3 Направление установки датчика для испытаний
Испытания должны проводиться:
a) с датчиком в наименее благоприятных из указанных монтажных направлений;
b) после того, как датчик стабилизируется до используемой испытательной температуры.
7.1.5.4 Испытуемые образцы для использования
Испытания должны проводиться с испытуемым образцом, относящимся к части тела, подлежащей обнаружению:
a) как указано изготовителем защитного устройства;
b) в соответствии с оценкой риска для конкретного применения.
Если очевидно, что один или несколько соответствующих образцов для испытаний дают наименее благоприятный результат, то испытания необходимо проводить только с использованием этих испытуемых образцов.
Испытуемые образцы показаны на рисунках 3 и 4 и в таблице 2.
a) Испытуемый образец 1
b) Испытуемый образец 2
c) Испытуемый образец 3
--------------------------------
<a> Рекомендации только по монтажным работам.
Рисунок 3 - Испытуемые образцы 1 - 3
a) Испытуемый образец 4
b) Испытуемый образец 5
c) Испытуемый образец 6
--------------------------------
<a> Рекомендации только по монтажным работам.
Рисунок 4 - Испытуемые образцы 4 - 6
7.1.6 Испытание N 3. Активирующее усилие
Требования см. в 4.2.2 и 4.2.4.
Испытание проводят с испытуемым образцом 1 или с образцом(ами) части(ей) тела, относящихся к применению (см. таблицу 2). Испытуемый образец должен быть приложен к датчику при минимальной и максимальной скорости приближения (см. 7.1.5.1) в месте на датчике, где обычно ожидается контакт. Активирующий ход должен находиться в пределах расстояния, указанного изготовителем. Для защитных устройств, изготовленных для специального применения, активирующий ход должен соответствовать применению.
7.1.7 Испытание N 4. Перебег
Требования см. в 4.2.3 и 4.2.4.
Испытание должно проводиться с образцом для испытаний 1 или с образцом(ами) части(ей) тела, относящимся к применению (см. таблицу 2). Образец прикладывается к датчику при скорости приближения <= 10 мм·с-1 в точке на датчике, где обычно ожидается контакт для применения. Перебег должен находиться в пределах расстояния и указанного усилия согласно заявлению изготовителя защитного устройства. Для устройств, изготовленных для конкретного применения, перебег должен быть приемлемым для применения.
7.1.8 Испытание N 5. Количество операций
Требования см. в 4.2.5.
Испытание должно проводиться путем применения испытательного образца 1 на скорости приближения, соответствующей применению и указанному количеству операций. После завершения испытаний испытуемый датчик не должен обнаруживать видимых признаков повреждения и требования к активирующему усилию, предварительному ходу и перебегу все еще должны выполняться.
Требуемое количество активаций должно соответствовать заявленному изготовителем или соответствовать применению, в зависимости от того, что больше. Образец для испытания 1 (или образец для испытания части(ей) тела, подлежащий обнаружению) должен применяться в точке на эффективной чувствительной поверхности датчика, где ожидаются наиболее частые применения активирующего усилия. Каждая активация защитного устройства должна вызывать состояние "ВЫКЛ" в устройстве переключения выходного сигнала. Параметры испытания (включая скорость) должны максимально имитировать условия применения в течение всего срока службы.
7.1.9 Испытание N 6. Состояние выхода датчика и устройства переключения выходного сигнала
Требования см. в 4.2.6.1 и 4.2.6.2.
Активирующее усилие должно применяться в случайной точке на эффективной сенсорной поверхности в заданном направлении через испытуемый образец 1 в течение 10 мин. Во время применения этого усилия значение выходного сигнала датчика и устройство переключения выходного сигнала должны перейти и поддерживаться в состоянии "ВЫКЛ" в соответствии с рисунками A.1, A.2, A.3 и A.4. При снятии усилия значение выходного сигнала датчика и состояние устройства переключения выходного сигнала должны изменяться в соответствии с рисунками A.1, A.2, A.3 и A.4.
Для систем по 4.2.6.1 изменение состояния датчика проверяют в соответствии с рисунками A.1, A.2 и A.3.
Для систем согласно 4.2.6.2 должны быть испытаны и/или оценены дополнительные меры защиты.
Для таких устройств, как датчики импульса давления, которые не считаются испытанными компонентами, должно быть проверено соответствие требованиям категории 2 в соответствии с ISO 13849-1:2006.
7.1.10 Испытание N 7. Реакция устройства переключения выходного сигнала на активирующее усилие, сброс и состояние источника питания
Требования см. в 4.2.6.3.
Взаимодействие отдельных функций, в соответствии с приложением A, должно испытываться с использованием образца 1 и активирующего усилия, приложенного в заданном направлении к эффективной сенсорной поверхности в одном случайном месте.
7.1.11 Испытание N 8. Условия окружающей среды
7.1.11.1 Общие положения
Требования см. в 4.2.7.
Требования к условиям окружающей среды должны быть проверены посредством анализа. Если это невозможно, должны быть проведены испытания в соответствии с 7.1.11.2 - 7.1.11.6.
7.1.11.2 Функциональное испытание
По завершении каждого из испытаний, указанных в 7.1.11.3 - 7.1.11.6, нормальная работа защитного устройства проверяется с помощью образца 1. Образец накладывают следующим образом:
- перпендикулярно к эффективной сенсорной поверхности;
- с соответствующим активирующим усилием, указанным в таблице 2;
- на максимальной рабочей скорости;
- в одной случайной точке.
Настоящее требование выполняется, если создается состояние "ВЫКЛ" устройства переключения выходного сигнала.
7.1.11.3 Испытание N 8.1. Диапазон рабочих температур
Требования см. в 4.2.7.2.
Требования к установленному диапазону рабочих температур должны быть проверены с помощью методики испытаний, приведенной в таблице 3.
Таблица 3
Диапазон рабочих температур
Методика испытания
Условия испытаний
IEC 60068-2-14
Испытание Nb
Защитное устройство подключено к электроэнергии
Скорость изменения температуры должна составлять (0,8 +/- 0,3) К·мин-1 во всем диапазоне температур для нагрева и охлаждения.
С интервалом в 1 мин во время настоящей процедуры испытания функционирование защитного устройства должно быть проверено с использованием образца 1 с соответствующим активирующим усилием, указанным в таблице 2. Испытуемый образец должен быть приложен перпендикулярно к эффективной сенсорной поверхности в 10 +/- 1 мм·с-1 в одном случайном месте. Применение испытательного образца должно привести к отключению устройства переключения выходного сигнала.
7.1.11.4 Испытание N 8.2. Влажность
Требования см. в 4.2.7.3.
Требования к влажности должны быть проверены по методике испытаний, приведенной в таблице 4.
Таблица 4
Влажность
Методика испытаний
Условия испытаний
IEC 60068-2-78, Исп. Cab
Температура (40 +/- 2) °C
Относительная влажность (93 +/- 3)%
Защитное устройство не подключено к электроэнергии. После настоящего испытания необходимо провести испытание высоким напряжением согласно IEC 60664-1:2007, таблицы F.1 и F.5, между цепями и доступными прикосновению токоведущими частями или доступными поверхностями блока управления/устройства переключения выходного сигнала
7.1.11.5 Испытание N 8.3. Электромагнитная совместимость
Требования см. в 4.2.7.4.
Требования безопасности должны быть проверены только с использованием IEC 61000-6-2. Устойчивость должна быть проверена для следующих состояний в соответствии с методиками испытаний с указанными характеристическими значениями в таблице 5 и при условиях, указанных в 7.1.11.2:
- защитное устройство с подачей энергии;
- защитное устройство с подводом энергии и прилагаемым активирующим усилием;
- защитное устройство с подводом энергии, после снятия активирующего усилия и до выполнения сброса.
Таблица 5
Электромагнитная совместимость
Испытания и характеристические значения
Методика испытания
Всплеск, монтаж класса 3
IEC 61000-4-5 Линии электропитания, заземления и каналы ввода/вывода
Электрические быстрые переходные процессы (серия импульсов), уровень 3
IEC 61000-4-4 Продолжительность испытания: 2 мин электропитание, заземление и каналы ввода/вывода
Электростатический разряд, уровень 3
IEC 61000-4-2
Лучистые, радиочастотные электромагнитные поля, уровень 3
IEC 61000-4-3
Кондуктивные помехи, под воздействием радиочастотного поля, уровень 3
IEC 61000-4-6
7.1.11.6 Испытание N 8.4. Вибрация
Требования см. в 4.2.7.5.
Настоящие требования должны проверяться в соответствии с таблицей 6. Во время этого испытания должно быть проверено, что устройство переключения выходного сигнала остается во включенном состоянии. После завершения вибрационных испытаний должно быть проверено нормальное функционирование защитного устройства.
Таблица 6
Вибрация
Методика испытания
Условия испытания
IEC 60068-2-6
Защитное устройство подключено к электроэнергии. Датчик может испытываться осмотром и/или анализом. Блок управления и устройство переключения выходного сигнала должны испытываться в трех осях перпендикулярно друг другу
7.1.12 Испытание N 9. Изменение источника питания
7.1.12.1 Общие положения
Требования см. в 4.2.8.
Защитное устройство подлежит анализу, осмотру и/или испытаниям, приведенным в 7.1.12.2 и 7.1.12.3.
7.1.12.2 Испытание N 9.1. Изменение источника электропитания
Требования см. в 4.2.8.2.
Нормальная работа защитного устройства должна быть проверена в соответствии с требованиями, приведенными в IEC 60204-1:2005, 4.3. Функционирование должно быть проверено с использованием испытательного образца 1, нанесенного на эффективную сенсорную поверхность с соответствующим активирующим усилием, указанным в таблице 2, в заданном направлении, на максимальной рабочей скорости в одной случайной точке. Каждое требование выполняется, если формируется выключенное состояние устройства переключения выходного сигнала.
7.1.12.3 Испытание N 9.2. Варианты неэлектрического источника питания
Требования см. в 4.2.8.3.
Функционирование защитного устройства должно быть проверено на предельных значениях изменения напряжения питания, заявленного изготовителем. Возможные отклонения за пределами указанного диапазона не должны вызывать опасного отказа защитного устройства.
7.1.13 Испытание N 10. Электрическое, гидравлическое, пневматическое и механическое оборудование
7.1.13.1 Испытание N 10.1. Электрооборудование
Требования см. в 4.2.9.
Верификация должна проводиться осмотром, анализом и, при необходимости, испытанием выполнения требований в 4.2.9.1 - 4.2.9.7.
7.1.13.2 Испытание N 10.2. Гидравлическое оборудование
Требования см. в 4.2.10.
Верификация должна проводиться осмотром, анализом и, при необходимости, испытанием на соответствие требованиям ISO 4413 и ISO 13849-2.
7.1.13.3 Испытание N 10.3. Пневматическое оборудование
Требования см. в 4.2.11.
Верификация должна проводиться осмотром, анализом и, при необходимости, испытанием на соответствие требованиям ISO 4414 и ISO 13849-2.
7.1.13.4 Испытание N 10.4. Механическое оборудование
Требования см. в 4.2.12.
Верификация должна проводиться осмотром, анализом и, при необходимости, испытанием на соответствие требованиям ISO 12100:2010, 6.3.3 и ISO 13849-2.
7.1.14 Испытание N 11. Корпус
Требования см. в 4.2.13.
Верификация должна проводиться осмотром, анализом и, при необходимости, испытанием выполнения требований 4.2.13.1 и 4.2.13.2.
7.1.15 Испытание N 12. Доступ
Требование 4.2.14
Верификация должна проводиться осмотром.
7.1.16 Испытание N 13. Уровень эффективности (PL) в соответствии с ISO 13849-1
7.1.16.1 Общие положения
Требования см. в 4.2.15.
Предусмотренные функции безопасности, PL и категории должны быть подтверждены в соответствии с ISO 13849-2.
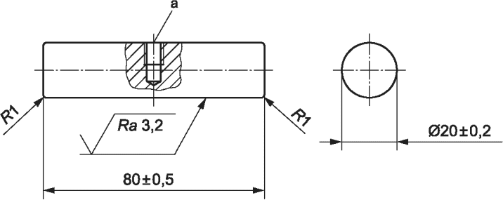
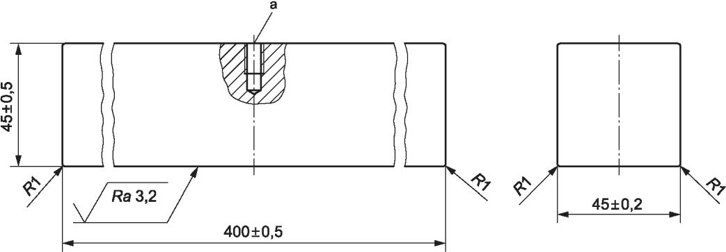
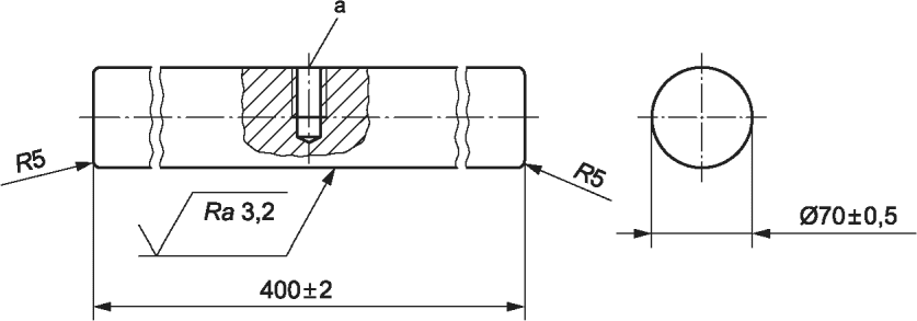
7.1.16.2 Значение B10d для датчика
При проведении испытания должны применяться следующие типовые условия:
a) длина образца для испытаний: не менее 500 мм;
b) испытуемый образец: N 1 по рисунку 5;
c) скорость испытания: выбирается в зависимости от применения;
d) рабочий ход: до замены датчика;
e) точки измерения: одна от C1 до C5 или более свободно выбираемых точек от C1 до C5;
f) минимальное количество операций: 10 000 (на место испытания в произвольно выбранных точках).
7.1.17 Испытание N 14. Регулировка
Требования 4.2.16 должны быть проверены визуально внешним осмотром и, при необходимости, испытанием.
7.1.18 Испытание N 15. Крепление датчика и механическая прочность
Требования 4.2.17 должны быть проверены визуально внешним осмотром и, при необходимости, испытанием.
7.1.19 Испытание N 16. Соединения
Требования 4.2.18 должны быть проверены визуально внешним осмотром.
7.1.20 Испытание N 17. Торможение и блокирование
Требования 4.2.19 и 4.4.2 должны быть проверены визуально внешним осмотром и функциональными испытаниями с помощью простых средств (например, вставив проволоку, булавку, клейкую ленту, клин или магнит).
7.1.21 Испытание N 18. Острые углы, острые кромки, шероховатые поверхности и захваты
Требования 4.2.20 должны быть проверены визуально внешним осмотром.
7.1.22 Испытание N 19. Удар
Требования 4.2.21 должны быть проверены визуально внешним осмотром, анализом и, при необходимости, испытанием в соответствии с 7.3.1.
7.2 Верификация требований только для амортизаторов
7.2.1 Испытание N 20. Зависимость усилия от хода
Требования 4.3.1 должны быть проверены визуально внешним осмотром, анализом и, при необходимости, испытанием.
Если необходимы испытания, взаимосвязь усилие - ход должна быть подтверждена в соответствии с рисунком 2, прикладывая образец 1 (см. рисунок 3 и таблицу 2) к датчику (см. рисунок 5) при максимальной скорости приближения к точке A на рисунке 2. Если другой образец на рисунке 3 или рисунке 4 больше подходит для конкретного приложения, следует использовать его. Сила реакции датчика и расстояние, пройденное образцом, должно непрерывно измеряться от точки, в которой образец касается рабочей чувствительной поверхности до тех пор, пока не будет достигнуто усилие срабатывания. Точки B1, B2 и C должны быть подтверждены в соответствии с рисунком 2 путем прикладывания образца 1 к датчику со скоростью <= 10 мм·с-1. Тогда отношение сила - перемещение можно показать, соединив точки A, B1, B2 с C прямыми линиями. Это испытание должно проводиться в репрезентативном месте, т.е. в центре эффективной чувствительной поверхности, и при температуре 20 °C.
Условные обозначения:
1 - направление испытания
Рисунок 5 - Место испытания и направление испытания
на поверхности амортизатора
7.2.2 Испытание N 21. Дополнительные покрытия для датчиков
Если изготовителем указаны дополнительные покрытия, то должно быть проверено, что требования 4.3.2 выполнены.
7.2.3 Испытание N 22. Восстановление после деформации
Требования 4.3.3 должны быть проверены визуально внешним осмотром, анализом и, при необходимости, испытанием.
После того, как эффективная сенсорная поверхность датчика была деформирована или перемещена рабочим ходом с использованием образца 1 (см. рисунок 5) в течение 24 ч, эффективная сенсорная поверхность должна восстановиться, как показано в таблице 1. Рабочий ход в данном случае берется из испытания N 4 со скоростью испытания 10 мм·с-1 при усилии 250 Н.
После того, как эффективная сенсорная поверхность датчика была деформирована или перемещена рабочим ходом при использовании образца 1 в течение 24 ч, амортизатор должен нормально функционировать в течение 30 с.
7.2.4 Испытание N 23. Выявление на амортизаторах с полужесткой и жесткой поверхностью
Требования см. в 4.3.4.
Осмотр должен подтвердить, что невозможно остаться незамеченным внутри конструкции амортизатора (см. рисунки C.3 и C.4). Настоящее требование выполняется, если нет отверстия больше диаметра 50 мм.
7.3 Верификация требований только для пластинок
7.3.1 Испытание N 24. Удар
Требования 4.4.1 должны быть проверены визуально внешним осмотром, анализом и, при необходимости, испытанием.
Должно быть проверено, что устройство переключения выходного сигнала остается во включенном состоянии во время испытания в соответствии с таблицей 7.
Таблица 7
Удар
Методика испытания
Условия испытаний
IEC 60068-2-27
Пластина подключена к электроэнергии. Датчик должен испытываться только в соответствующем заданном и в противоположном направлениях
После завершения испытания на удар должно быть подтверждено нормальное функционирование пластины. Пластина должна быть проверена также на наличие механических повреждений, незакрепленных частей и т.д.
7.3.2 Восстановление после деформации
Применяются требования 7.2.3.
7.4 Верификация требований только для проводов
7.4.1 Испытание N 25. Разрыв или отсоединение провода
Требования см. в 4.5.2.
Состояние "ВЫКЛ" должно формироваться, когда с провода снимается нормальное натяжение.
7.4.2 Испытание N 26. Активирующее усилие
Требования см. в 4.5.3.
Испытание проводят с образцом 5 при испытательной скорости 10 мм·с-1 или менее в указанном направлении в наименее благоприятном месте(ах) на эффективной поверхности обнаружения.
7.4.3 Испытание N 27. Прочность датчика на растяжение (включая любые соединения)
Требования см. в 4.5.4.
Испытание должно проводиться на образце датчика, гарантирующем целостность датчика при усилии растяжения 1000 Н в течение не менее 1 мин.
7.4.4 Испытание N 28. Отклонение троса при активации
Требования см. в 4.5.5.
Испытание должно проводиться с использованием образца датчика с максимальной длиной провода, указанной изготовителем.
7.5 Другие испытания
7.5.1 Испытание N 29. Маркировка
Требования раздела 5 должны быть проверены визуально внешним осмотром.
7.5.2 Испытание N 30. Информация для выбора и использования
Требования раздела 6 должны быть проверены визуально внешним осмотром.
Приложение A
(обязательное)
ВРЕМЕННЫЕ ДИАГРАММЫ ДЛЯ АМОРТИЗАТОРОВ, ПЛАСТИН, ПРОВОДОВ
И ПОДОБНЫХ УСТРОЙСТВ С ФУНКЦИЕЙ СБРОСА И БЕЗ НЕЕ
На рисунках с A.1 по A.4 показана взаимосвязь между активирующим усилием, сигналом сброса и выходом датчика и устройством переключения выходного сигнала (см. 4.2.6)
Условные обозначения:
a) - электроэнергия для защитного устройства;
b) - активирующее усилие;
c) - сигнал сброса;
d) - выход датчика;
e) - выход устройства переключения выходного сигнала;
t - время;
tr - время отклика;
A - электропитание для защитного устройства в состоянии "ВКЛ": выход устройства переключения выходного сигнала остается в выключенном состоянии, поскольку защитное устройство не сбрасывается;
B - сброс получен: выход устройства переключения выходного сигнала переходит в замкнутое состояние "ВКЛ" из-за срабатывания кнопки сброса, в то время как выход датчика включен без активирующего усилия на датчик;
C - выход устройства переключения выходного сигнала переходит в разомкнутое состояние "ВЫКЛ", потому что выход датчика выключен в результате активирующего усилия на датчик;
D - присутствует сигнал сброса: действие кнопки сброса не влияет на выход устройства переключения выходного сигнала, поскольку усилие все еще присутствует на датчике; выход устройства переключения выходного сигнала остается в выключенном состоянии;
E - активирующее усилие снято с датчика: выход устройства переключения выходного сигнала остается в выключенном состоянии, несмотря на то, что сигнал сброса все еще присутствует;
F - сигнал сброса снят: отпускание кнопки сброса не влияет на выход устройства переключения выходного сигнала, даже если усилие снято с датчика;
G - сброс достигнут: выход устройства переключения выходного сигнала переходит в замкнутое состояние "ВКЛ", поскольку выход датчика включен из-за срабатывания кнопки сброса без приложения активирующего усилия к датчику;
H - подача питания на защитное устройство переходит в разомкнутое состояние "ВЫКЛ": выход устройства переключения выходного сигнала переходит в состояние "ВЫКЛ", поскольку выход датчика выключен
Рисунок A.1 - Выход датчика инициирован функцией сброса
Условные обозначения:
a) - питание защитного устройства;
b) - активирующее усилие;
c) - сигнал сброса;
d) - выход датчика;
e) - выход устройства переключения выходного сигнала;
t - время;
tr - время отклика;
A - питание на защитное устройство включено: выход устройства переключения выходного сигнала остается в выключенном состоянии, поскольку защитное устройство не сбрасывается; выход датчика включается, когда питание включено;
B - сброс достигается без приложения активирующего усилия к датчику: выход устройства переключения выходного сигнала переходит в замкнутое состояние "ВКЛ" вследствие срабатывания кнопки сброса при включенном выходе датчика;
C - активирующее усилие на датчик: выход датчика отключен, также выход устройства переключения выходного сигнала переходит в выключенное состояние;
D - присутствует сигнал сброса: действие кнопки сброса не влияет на выход устройства переключения выходного сигнала, поскольку усилие на датчик еще присутствует; выход устройства переключения выходного сигнала остается в выключенном состоянии;
E - активирующее усилие снято с датчика: выход датчика включается, но выход устройства переключения выходного сигнала остается в разомкнутом выключенном состоянии, даже если сигнал сброса еще присутствует;
F - сигнал сброса снят: отпускание кнопки сброса не влияет на выход датчика, который остается включенным; выход устройства переключения выходного сигнала остается в разомкнутом состоянии "ВЫКЛ";
G - сброс достигается без приложения активирующего усилия к датчику: выход устройства переключения выходного сигнала переходит в замкнутое состояние "ВКЛ" из-за нажатия кнопки сброса при включенном выходе датчика;
H - питание на защитное устройство включено: выход устройства переключения выходного сигнала переходит в разомкнутое выключенное состояние, поскольку выход датчика отключен
Рисунок A.2 - Выход датчика не зависит от функции сброса
Условные обозначения:
a) - электропитание защитного устройства;
b) - активирующее усилие;
d) - выход датчика;
e) - выход устройства переключения выходного сигнала;
t - время;
tr - время отклика;
A - включение питания защитного устройства: выход датчика включается при включении питания;
B - выход устройства переключения выходного сигнала переходит в замкнутое состояние "ВКЛ", поскольку на датчик не действует активирующее усилие;
C - активирующее усилие на датчик: выход датчика отключается, переключая выход устройства переключения выходного сигнала в положение "ВЫКЛ";
G - выход устройства переключения выходного сигнала переходит в состояние "ВКЛ", так как выход датчика включается из-за снятия активирующего усилия с датчика;
H - подача питания на защитное устройство выключено: выход устройства переключения выходного сигнала переходит в состояние "ВЫКЛ", поскольку выход датчика выключен
Рисунок A.3 - Выход датчика без функции сброса
Условные обозначения:
a) - электропитание электрических цепей защитного устройства;
b) - активирующее усилие;
c) - сигнал сброса;
d) - электрический выход датчика (воздушно-импульсный переключатель);
e) - выход устройства переключения выходного сигнала;
x) - импульс давления в датчике;
t - время;
tr - время отклика;
A - подача питания на защитное устройство включено ("ВКЛ");
B - сигнал сброса присутствует: выход устройства переключения выходного сигнала переходит в состояние "ВКЛ";
C - активирующее усилие на датчик: электрический выход датчика выключен, выход устройства переключения выходного сигнала переключен в состояние "ВЫКЛ";
D - электрический выход датчика переходит в состояние "ВКЛ" из-за падения давления в датчике;
E - присутствует сигнал сброса: выход устройства переключения выходного сигнала переключается в состояние "ВКЛ", хотя активирующее усилие все еще применяется - может привести к опасной ситуации.
Точка, в которой появляется "D", будет зависеть от ряда факторов, например, от уровня применяемого усилия и контролируемой скорости утечки воздуха из системы. Согласно 4.2.6.2, системы импульса давления не отвечают требованиям категории 1 согласно ISO 13849-1:2006. См. C.3.6 для получения дополнительной информации об импульсных системах.
Необходимо, чтобы система управления машиной имела собственную систему безопасности, гарантирующую недопущение случаев опасного перезапуска. Например, на дверях с электроприводом это может быть автоматический или ручной возврат в исходное положение (сброс). Правильное функционирование таких средств управления должно быть описано в соответствующих стандартах типа C.
Как показано, настоящая система не имеет средств проверки работы датчика в ответ на импульс давления. На дверях, чтобы соответствовать категории 2 в соответствии с ISO 13849-1:2006, должна быть функция системы управления дверью.
Рисунок A.4 - Выход датчика для отключающих устройств,
в которых выход датчика не остается в выключенном состоянии,
когда активирующее усилие все еще приложено (например,
системы воздушного импульса или пьезоэлектрические системы)
Приложение B
(справочное)
ХАРАКТЕРИСТИКИ УСТРОЙСТВА.
ПОЯСНИТЕЛЬНЫЕ ПРИМЕЧАНИЯ И РЕКОМЕНДАЦИИ
На рисунке B.1 показан только принцип работы. Для некоторых защитных устройств, таких, как например, пластины, кривая может иметь различную форму в зависимости от конструкции.
Условные обозначения:
X - ход в миллиметрах (мм);
Y - усилие в ньютонах (Н);
1 - заданные усилия;
2 - самое низкое усилие;
3 - опасная скорость;
4 - датчик;
a - датчик перед контактом;
b - точка контакта;
c - точка активации;
d - деформация в точке B2;
e - деформация в точке C;
f - усилие реакции;
g - установленный ход останова машины;
h - активирующее усилие;
i - перебег;
j - рабочий ход;
k - полный ход
Усилия относятся к испытуемому образцу 1 в таблице 2 и являются только примерами.
Рисунок B.1 - Зависимость усилие - ход
для защитных устройств
a) Активирующий ход. Усилие увеличивается от точки контакта с препятствием. В заданный момент датчик сигнализирует блоку управления о переходе в состояние "ВЫКЛ". Затем сигнал отправляется в систему управления машиной для прекращения опасного движения. Расстояние, пройденное между этими двумя точками, называется активирующим ходом. Это расстояние может изменяться в зависимости от скорости приближения и условий окружающей среды.
b) Перебег и общий ход. Перебег - это расстояние, на котором скорость уменьшается, а применяемое усилие увеличивается. Максимально допустимое усилие, указанное поставщиком и выбранное пользователем для применения, должно быть меньше заданного усилия в соответствии со стандартом типа C или оценкой риска и должно происходить в пределах перебега. См. рисунок B.2.
Условные обозначения:
1 - направление хода;
a - активирующий ход;
b - перебег;
c - общий ход;
d - общая высота амортизатора
Рисунок B.2 - Образец амортизатора, установленного
на деревообрабатывающем станке
Превышение максимально допустимого усилия может быть вызвано рядом факторов, любое из них может привести к травме из-за чрезмерного усилия, действующего на соответствующую часть тела, когда дальнейшая деформация датчика невозможна.
Пример - Износ тормозов (старение), увеличенное время отклика, механический износ, повышенная опасная скорость.
Во всех случаях сила воздействия на человека должна быть сведена к минимуму. Максимально допустимое усилие может зависеть, например, от продолжительности применения усилия, размеров датчика, материала датчика и защищаемых частей тела. Особое внимание следует уделить тем применениям, где дети или пожилые люди должны быть защищены.
Подвижные элементы силовой передачи и инструменты защищены неподвижными ограждениями с блокировкой. Амортизаторы используются для защиты человека, который может оказаться на пути движущегося ограждения.
Приложение C
(справочное)
РУКОВОДСТВО ПО РАСЧЕТУ
C.1 Замечания по применению
В настоящем приложении приведены некоторые рекомендации по расчету защитных устройств. Однако игнорирование настоящего руководства по расчету не обязательно означает, что продукт в конечном итоге будет небезопасен.
C.2 Общие положения
C.2.1 Частота работы
Защитные устройства часто используются в применениях, где они не активируются в течение многих месяцев. При активации они должны работать безопасно.
И наоборот, некоторые защитные устройства используются в применениях, где они часто активируются. Иногда это может привести к изменению сенсорных характеристик с течением времени.
C.2.2 Компоненты
Компоненты защитных устройств должны быть полностью защищены от предвидимых повреждений, например, защитными чехлами.
C.2.3 Воздействие жидкости
Если компоненты могут контактировать с такими жидкостями, как масла, химикаты или вода, датчик должен быть изготовлен из подходящих материалов, которые не ухудшаются и не набухают.
C.2.4 Материал профиля
Материал профиля датчика должен выдерживать режим эксплуатации и условия окружающей среды.
C.2.5 Сенсорные характеристики датчика
Датчики могут иметь определенные сенсорные детали поверхности, которые менее чувствительны, чем другие, и также детали, которые могут быть повреждены легче, чем другие. Сенсорные характеристики могут быть снижены вблизи соединения точки с входными кабелями, трубками, волокнами или проводами, а также в точках, где контактные элементы раздвинуты.
C.2.6 Использование переключателей определения положения
Если используются переключатели определения положения, например, в составе датчика пластин или амортизаторов, следует учитывать следующие конструктивные характеристики:
- смещение или удаление датчика;
- постоянная (или остаточная) деформация верхней поверхности из-за перегрузок;
- залипание переключателей определения положения из-за нечастого использования;
- чрезмерный износ или перекос кулачков в кулачковых системах;
- переключатели определения положения расшатываются на кронштейнах, что приводит к смещению.
Если переключатели определения положения используются с жесткими датчиками, следует учитывать их надежность в связи с последствиями их отказа. Рекомендуется использование переключателей обнаружения положения, изготовленных в соответствии с IEC 60947-5-1.
C.2.7 Точки захвата
Следует уделить внимание конструкции защитных устройств с жесткими датчиками в отношении предотвращения ловушек. По возможности, зазоры, которые закрываются, когда датчик прогибается/смещается, должны быть устранены на этапе проектирования. Если есть зазор, который уменьшается, когда датчик перемещается или отклоняется/смещается, зазор должен оставаться достаточно большим, чтобы не стать угрозой захвата.
C.2.8 Результат активации датчика
После активации сенсорного датчика система управления машиной может быть разработана для того, чтобы:
- остановить машину или
- изменить направление движения машины.
Если машина была остановлена в результате срабатывания сенсорного датчика, автоматический сброс должен быть невозможным. Перезапуск машины должен быть возможен только после ручного сброса устройства. Сброс может быть обеспечен системой управления защитным устройством или системой управления машиной.
Автоматический сброс может быть возможен в зависимости от применения и оценки риска.
C.2.9 Использование защитных устройств в качестве комбинированных устройств отключения и присутствия
Когда защитное устройство используется в качестве комбинированного устройства отключения и датчика присутствия, оно должно выполнять функцию отключения. Сброс невозможен, пока в опасной зоне находится человек.
C.3 Амортизатор
C.3.1 Общие положения
Амортизаторы обычно изготавливаются в двух формах: либо из пенопласта, либо из жестких поверхностей. Их можно установить на передний край машины или обернуть вокруг, чтобы охватить стороны. Примеры пенопластовых амортизаторов показаны на рисунках C.1 и C.2.
Условные обозначения:
1 - монтажная поверхность
Рисунок C.1 - Амортизатор из пенопласта
Условные обозначения:
1 - монтажная поверхность
Рисунок C.2 - Амортизатор из пенопласта
Амортизаторы, разработанные в соответствии с рисунком C.1, обычно используются при прямолинейном движении линии. См. рисунок B.2.
Амортизатор, спроектированный в соответствии с рисунком C.2, применяют при разнонаправленном движении. Это тот случай с автомобилем, поворачивающим за угол.
C.3.2 Физические воздействия
Попадание материала (мелких или крупных частиц), паразитов или жидкости, которые могут находиться в зоне, где должно использоваться защитное устройство, может привести к повреждению датчика из гибкого пеноматериала или его потере сенсорных характеристик.
Вполне возможно, что очень маленькое отверстие на поверхности гибкого пенопласта останется незамеченным при регулярном осмотре. Однако отверстие может быть достаточно большим, чтобы обеспечить проникновение жидкости внутрь амортизатора. Чем больше амортизатор, тем больше жидкости или грязи может попасть в зазор и образовать барьер, препятствующий срабатыванию датчика. И наоборот, может быть желательно, чтобы жидкости могли выходить из амортизатора через подходящую пористую зону.
C.3.3 Амортизаторы с электрическими датчиками
В некоторых конструкциях используются электрические контактные элементы. Контактные элементы обычно разделены воздушным зазором, который закрывается при применении давления к поверхности. Воздушный зазор может поддерживаться пружинами, изолирующими прокладками или эластичной пеной. Следует учитывать последствия выхода из строя этих компонентов, т.е. отказ не должен быть результатом отламывания и перемещения частей внутри сенсорного датчика, что ухудшает чувствительность или препятствует работе.
Следует также учитывать способ электрических соединений с датчиком. Они должны быть высокой целостности. Провода должны быть подключены таким образом, чтобы можно было обнаружить любой обрыв цепи любого отдельного датчика.
C.3.4 Амортизатор с волоконно-оптическими датчиками
Настоящие амортизаторы обычно действуют на уменьшение света, проходящего через оптическое волокно. Следует учитывать долговременные изменения, которые могут произойти в излучателях и детекторах света, а также в оптическом волокне. Средства, с помощью которых механическая сила преобразуется в оптическое изменение, должны быть стабильными. Не должно быть возможности, чтобы свет от излучателя попал в детектор, минуя оптическое волокно - например, после обрыва волокна.
C.3.5 Амортизатор с датчиками обнаружения положения
Настоящие амортизаторы обычно работают, передавая активирующее усилие на переключатель обнаружения положения, который разрывает электрическую цепь. Конструкция должна гарантировать, что механический отказ, несоосность или другие предсказуемые ситуации не приведут к снижению уровня безопасности. Те же условия применяются, когда вместо переключателей определения положения используются световые лучи или бесконтактные переключатели.
C.3.6 Амортизатор с датчиками импульса давления
Разрыв/прокол, например разрыв или отверстие в датчике импульса давления или его соединительных элементах, может привести к мгновенной потере функции безопасности. В этом случае блок управления должен обнаруживать такой разрыв/прокол и поддерживать устройство переключения выходного сигнала в выключенном состоянии, пока существует разрыв/прокол. Этого можно достичь с помощью системы, которая регулярно проверяет целостность системы. Устройство переключения выходного сигнала должно оставаться в выключенном состоянии до ручного сброса уполномоченным персоналом.
В некоторых датчиках импульса давления деформация профиля датчика вызывает повышение давления, которое передается по трубке на реле давления воздуха. Если в системе нет постоянно поддерживаемого давления воздуха, могут возникнуть следующие неисправности:
- повреждения, такие как порезы или остаточная деформация профиля, не будут обнаруживаться;
- соединительная трубка может незаметно перерезаться, отсоединиться или перегнуться;
- переключатель давления воздуха не срабатывает при деформации датчика на малой скорости приближения;
- время реакции увеличивается, если между датчиком и переключателем давления воздуха используется длинная соединительная трубка;
- большинство переключателей давления воздуха имеют "сброс" воздуха для компенсации меняющихся условий окружающей среды. Если этот выпуск воздуха будет заблокирован, чувствительный к давлению амортизатор может не сработать;
- настройка выпуска воздуха будет зависеть от поперечного сечения профиля датчика, длины датчика, материала датчика и температурного диапазона применения. См. 4.2.16;
- если выпуск воздуха слишком велик, сенсорные характеристики амортизатора снижаются;
- если датчик сжат так, что большая часть внутреннего воздуха вытесняется, при освобождении датчика создается частичный вакуум. Этот вакуум может сильно снизить сенсорные характеристики датчика или предотвратить его немедленное повторное срабатывание.
C.3.7 Амортизатор с динамическими датчиками
В некоторых технологиях используются динамические датчики, такие как мониторинг воздушных или световых импульсов. Результатом является регулярная проверка состояния системы, чтобы любой сбой приводил к тому, что устройство переключения выходного сигнала переходило в состояние "ВЫКЛ". Устройство переключения выходного сигнала должно оставаться в выключенном состоянии до ручного сброса уполномоченным персоналом.
Систему также можно использовать для установки предварительно определенного уровня сенсорных характеристик, который переустанавливается при каждом цикле машины и может изменяться заранее заданным образом во время цикла машины.
C.3.8 Высокие ударные нагрузки
В некоторых ситуациях на датчик во время обслуживания могут воздействовать сильные ударные нагрузки (например, от вил погрузчиков с ручным управлением). Если это предсказуемо, требуются дополнительные меры.
C.3.9 Амортизаторы с полужесткими или жесткими поверхностями
Существует риск того, что движение полужесткой или жесткой поверхности амортизатора будет затруднено или заблокировано. Это может быть вызвано любой из следующих причин:
- выход из строя за счет блокировки или заклинивания;
- длительное накопление грязи;
- остаточная деформация жесткой активной поверхности;
- заедание направляющих.
C.3.10 Амортизаторы, установленные на движущихся и неподвижных деталях машин
C.3.10.1 Амортизаторы, установленные на движущихся деталях машин
Следующие замечания относятся ко всем применениям, в которых амортизаторы установлены на подвижной части машины, например, передней кромке двери с механическим приводом (см. рисунок C.3) или автоматизированного управляемого транспортного средства.
Рисунок C.3 - Амортизатор, установленный на двери
с механическим приводом
Существует несколько важных аспектов, которые необходимо учитывать при оценке риска машины и при выборе конструкции и применении амортизатора, при установлении на движущееся оборудование.
Поскольку амортизатор обнаруживает человека (или другое препятствие) только после того, как человек уже коснулся его, важно, чтобы:
- надежность амортизатора соответствовала оценке риска машинного оборудования;
- давление (усилие), приложенное к человеку, не причиняло вреда здоровью (т.е. допускается перебег амортизатора);
- эффективность останова механизма приемлема во всех прогнозируемых условиях.
При оценке эффективности торможения механизмов следует учитывать наихудший случай. Необходимо учитывать, по меньшей мере, следующие факторы:
- износ тормозов или снижение эффективности торможения по другим причинам;
- состояние основания (отделка пола, направляющие и т.д.);
- условия окружающей среды (вода, лед, масло или другой скользкий материал) на полу;
- потери или колебания в энергоснабжении.
C.3.10.2 Скорость приближения
Допустимая скорость приближения будет зависеть от оценки риска для машины, которая должна включать:
- комбинированную скорость сближения человека и машины;
- энергию, рассеиваемую при ударе;
- риск защемления;
- устойчивость любого груза, перевозимого машиной.
В некоторых случаях требуется отключить вторую (бесконтактную) защиту, которая снизит скорость приближения до приемлемого уровня до того, как произойдет контакт.
C.3.11 Стационарные амортизаторы
Когда стационарный амортизатор (см. рисунок C.4) приводится в действие, машина должна перейти в безопасное состояние до того, как может быть причинен вред в результате контакта с движущейся частью машины. Если это так, то руководство, приведенное в C.3.10, также применимо к стационарным амортизаторам.
Условные обозначения:
1 - вращение;
2 - амортизатор с ведущим импостом
Рисунок C.4 - Амортизатор на импосте (стойке) вращающейся
двери с механическим приводом
C.4 Пластины
C.4.1 Общие положения
Когда пластина используется на отверстии доступа в опасную зону, существует риск того, что подвижная часть датчика может быть заторможена или заблокирована. Это может быть вызвано любой из следующих причин:
- выходом из строя за счет блокировки или заклинивания;
- длительным накоплением грязи;
- короблением/изгибом подвижной части датчика;
- заеданием направляющих.
Датчик должен быть отрегулирован таким образом, чтобы он работал с правильной величиной перемещения пластины для достижения состояния "ВЫКЛ" в устройстве переключения выходного сигнала.
C.4.2 Минимальное разделительное расстояние
См. рисунок C.5.
Условные обозначения:
A - пластина;
B - фиксированная защита;
S - минимальное расстояние от зоны обнаружения (точка, линия или плоскость) до опасной зоны, мм <a>;
d - характеристики датчика защитного устройства, мм <b>
--------------------------------
<a> См. формулу (C.1).
<b> См. ISO 13855:2010, 6.2.3.1.
Рисунок C.5 - Пластина
Расстояние и размеры пластины определяются на основе принципов, представленных в ISO 13855.
Основное уравнение:
S = K·T + C, (C.1)
где S - минимальное расстояние от зоны обнаружения (точка, линия или плоскость) до опасной зоны, мм;
K - параметр, полученный из данных о скоростях приближения тела или частей тела (обычно 2000 мм·с-1 - см. примечание ниже);
T - общая эффективность остановки системы (интервал времени между активацией сенсорной функции пластины и прекращением опасной работы машины), в секундах;
C - расстояние вторжения (расстояние, на которое часть тела (обычно рука) может пройти мимо защитного ограждения в сторону опасной зоны до активации защитного устройства, т.е. насколько далеко в опасную зону можно протолкнуть руку до ее срабатывания определяется движением пластины), в миллиметрах.
Примечание - Для подробного расчета в ISO 13855 указаны следующие параметры для этого уравнения:
K = 2000 мм·с-1, для минимальных расстояний S <= 500 мм, в то время как S >= 100 мм;
K = 1600 мм·с-1, для минимальных расстояний S > 500 мм, в то время как S >= 500 мм.
Когда зазор между откидной пластиной и неподвижной частью составляет менее 40 мм в момент обнаружения изменения положения, защитное устройство способно обнаружить рычаг. Расстояние проникновения C зависит от фактического открытия (возможность обнаружения датчика d) в миллиметрах в точке обнаружения. C = 8(d - 14 мм), но не менее нуля.
Когда отверстие (d) составляет от 40 до 120 мм в точке активации, верхнюю конечность можно протолкнуть до плеча. В этом случае C = 850 мм.
Должна существовать возможность убрать руку из-под пластины независимо от ее положения.
C.5 Провода
Когда провода или канаты используются в качестве защитных устройств, они обеспечивают лишь частичную защиту, поскольку их нельзя использовать в качестве единственного средства предотвращения доступа в опасную зону. Кроме того, их следует проектировать и устанавливать таким образом, чтобы они удовлетворяли соответствующим требованиям к аварийным остановам (см. ISO 13850:2006, раздел 4, и IEC 60947-5-5:1997, 6.4).
См. пример принципа работы провода на рисунке C.6.
a)
b)
c)
Условные обозначения:
m - активирующее отклонение провода
Рисунок C.6 - Пример провода
На рисунке C.6 a) оба контакта блокировочного устройства замкнуты и работа машины возможна.
На рисунке C.6 b) провод отклонен на необходимую величину m. Одна пара контактов была разомкнута напрямую, был сформирован стоп-сигнал. В этом случае контакты также зафиксировались в разомкнутом положении.
На рисунке C.6 c) провод оборван. Пружина заставила другую пару контактов разомкнуться и был сформирован стоп-сигнал.
Примечание - Линейное отклонение провода обычно ограничивается физическими средствами, чтобы переключатель не мог быть поврежден чрезмерным отклонением провода при активации.
Приложение D
(справочное)
РУКОВОДСТВО ПО ЭКСПЛУАТАЦИИ
D.1 Примечание по применению
В настоящем приложении приведены общие рекомендации по применению защитных устройств, на которые распространяется настоящий стандарт.
D.2 Общие критерии выбора
Общие критерии выбора должны включать следующее.
Примечание - Настоящий перечень не является полным. К конкретным программам могут применяться особые условия, такие как комбинации критериев выбора.
a) Соответствующая категория, уровень эффективности и значения B10d в соответствии с ISO 13849-1 и оценка риска.
b) Скорость приближения: это скорость, с которой человек движется или приближается к опасной поверхности. Обычно одна поверхность движется, а другая неподвижна. Максимально возможную скорость следует рассматривать как скорость приближения. Если и человек, и опасная поверхность движутся, или две движущиеся поверхности образуют опасность защемления, необходимо будет оценить комбинированную скорость приближения.
c) Путь останова опасных деталей: это расстояние, пройденное опасными поверхностями после того, как устройство переключения выходного сигнала подает сигнал останова в систему управления машиной. Это перемещение зависит от опасной скорости, времени отклика системы управления машиной и эффективности тормозной системы машины. Это перемещение может быть рассчитано и/или измерено. При необходимости следует использовать соответствующий коэффициент безопасности для учета износа тормозов, допусков измерений и т.д.
d) Использование в качестве отдельного защитного устройства или в сочетании с другими средствами защиты.
e) Возможность комбинировать датчики.
f) Избегание "мертвых (нечувствительных)" поверхностей.
g) Частота рабочих циклов и срок службы системы.
h) Коммутационная способность устройства переключения выходного сигнала.
i) Температура и влажность вне установленного диапазона.
j) Лучистое тепло.
k) Быстрые колебания температуры и влажности.
l) Воздействие химических веществ, таких как масла, растворители, смазочно-охлаждающие жидкости и их комбинации.
m) Влияние инородных тел, таких как стружка, пыль и песок.
n) Дополнительное покрытие датчика.
o) Нагрузка из-за вибрации, ударов и т.д.
p) ЭМС.
q) Колебания напряжения питания за пределами спецификации (см. IEC 60204).
r) Сенсорные уровни, которые могут отличаться от требований настоящего стандарта.
s) Необходимость сброса и расположение кнопки сброса.
t) Необходимость специальных формулировок на знаках и маркировке.
u) Крепление датчика.
v) Изменение эффективности во времени.
w) Косвенные воздействия, такие как поверхность пола.
x) Время восстановления датчика после деформации: в некоторых применениях время между последовательными активациями датчика меньше, чем время восстановления датчика. В этом случае следует выбрать датчик, который восстановит нормальную работу в течение доступного времени.
y) Взаимодействие с системой управления машиной.
D.3 Применение датчика
D.3.1 Общие положения
Как правило, датчики используются в двух типах применений.
- Применение 1
Они используются для остановки механизмов, удаленных от датчика. В этом случае датчик устанавливается таким образом, что машина останавливается до того, как какая-либо часть тела достигнет опасной зоны. См. ISO 13855.
- Применение 2
Они устанавливаются на опасной части машины или рядом с ней, чтобы машина останавливалась или возвращалась в безопасное положение после активации датчика и до того, как может произойти травма.
D.3.2 Применение 1
Типовое применение показано на рисунке C.5. После принятия решения об уровне эффективности и категории в соответствии с ISO 13849-1 методика выглядит следующим образом.
a) Определить скорость приближения между источником опасности и защитным устройством в соответствии с ISO 13855.
b) Определить время отклика защитного устройства и системы управления машины.
c) Определить ход остановки машины.
d) При необходимости определить отверстие, необходимое для нормальной работы, и расстояние, которое должно быть разрешено до активации защитного устройства.
e) Рассчитать расстояние между защитным устройством и опасной частью машины.
f) Расстояние, указанное в e), умноженное на соответствующий коэффициент безопасности не менее 1,2, дает требуемое минимальное разделяющее расстояние для применения.
g) При наличии других обстоятельств, например, изношенная тормозная система, следует использовать более высокий коэффициент безопасности.
D.3.3 Применение 2
После принятия решения об уровне эффективности и категории в соответствии с ISO 13849-1 процедура выглядит следующим образом.
a) Определить требуемую рабочую скорость и определить максимальную опасную скорость.
Если максимальная опасная скорость не указана, ее следует измерить или рассчитать. Точка перемещения, в которой возникает максимальная скорость, будет зависеть от приводного механизма.
Максимальная рабочая скорость защитного устройства должна быть больше, чем максимальная опасная скорость.
b) Определить требуемый минимальный перебег.
Определить ход остановки опасных деталей. Если это не указано, его следует измерить и/или рассчитать. Путь остановки, умноженный на соответствующий коэффициент безопасности не менее 1,2, дает требуемый минимальный перебег для применения. При наличии других обстоятельств, т.е. изношенной тормозной системы, следует использовать более высокий коэффициент безопасности. См. рисунок B.1.
Простым способом измерения пути остановки является временная установка датчика положения в месте, близком к тому месту, где возникает максимальная опасная скорость. Как правило, замкнутые контакты этого датчика положения должны быть подключены к цепи останова управления машиной в месте подключения устройств переключения выходного сигнала. Машина должна запускаться несколько раз в наихудших ожидаемых условиях, и должно быть измерено расстояние, пройденное за точкой срабатывания датчика положения. Максимальное измеренное расстояние следует рассматривать как путь остановки.
c) Определить максимально допустимое усилие.
Максимально допустимое усилие должно быть указано в стандартах типа C или в соответствии с оценкой риска. При оценке риска следует учитывать части тела, которые, как ожидается, могут контактировать с устройством, а также типами лиц, подлежащих защите, например, детей или пожилых людей. Также следует учитывать скорость контакта, форму датчика, материал датчика, способность останавливать опасные механизмы и максимальное давление, создаваемое защитным устройством. Максимально допустимая сила должна быть как можно меньше.
d) Выбор устройства.
Используя данные или диаграммы соотношения усилия и хода, предоставленные изготовителем, выбрать защитное устройство с требуемой максимальной рабочей скоростью, которая обеспечивает, по меньшей мере, требуемый минимальный путь перебега перед достижением максимально допустимой силы.
Если не удается найти защитное устройство с достаточным перебегом, может потребоваться улучшить характеристики остановки машины.
D.4 Монтаж датчика
Монтажная поверхность должна подходить для датчика, который будет использоваться. Если монтажная поверхность недостаточно жесткая или имеет большие неровности, сенсорные характеристики и надежность защитного устройства могут быть снижены. Если датчик имеет регулярный или повторяющийся контакт с поверхностью, следует избегать острых кромок или неровностей, поскольку они могут привести к повреждению. Соединительные кабели, трубки и т.д. между датчиком и блоком управления должны быть спроектированы, расположены и закреплены так, чтобы:
a) они были способны выдерживать проектные условия;
b) были защищены от механических повреждений;
c) прочно закреплены, по меньшей мере, на каждом конце, чтобы предотвратить нагрузку на соединения.
Датчики могут быть установлены как на неподвижной, так и на подвижной части машины, например, на двери с электроприводом. На рисунке C.4 показан датчик, установленный на неподвижной части машины, т.е. на дверной стойке. Это особенно подходит для вращающихся дверей с несколькими створками.
На рисунке C.3 показан датчик, установленный для обнаружения только людей, но желательно, чтобы датчик охватывал всю высоту двери. Тогда он защитит дверь и препятствия, такие как транспортные средства.
Между датчиком и поверхностью, на которой он установлен, не должно быть возможности попадания части тела, например, движущаяся машина с датчиком типа "ограждение (юбка) 2" или проводом, который может защемить руку (см. рисунок C.5). При возможности следует предусмотреть дополнительные меры защиты.
D.5 Расположение датчика
Датчик должен иметь достаточную эффективную сенсорную поверхность и должен быть установлен таким образом, чтобы обеспечить наиболее эффективную монтажную ориентацию для прогнозируемого направления активации.
D.6 Усилие, действующее на датчик
Датчик часто устанавливается на движущейся поверхности, что может привести к столкновению, защемлению или раздавливанию, например, дверью с электроприводом. Очень важно, чтобы изготовитель/пользователь оборудования обеспечил торможение или реверсирование движущихся частей таким образом, чтобы усилие реакции сжатого датчика не превышала максимально допустимое усилие, указанное для конкретного применения.
Максимальное усилие, создаваемое человеком, вступающим в контакт с движущимся датчиком в свободном пространстве, как правило, будет ниже, чем усилие, создаваемое человеком, зажатым между движущимся датчиком и неподвижным препятствием.
При применении защитных устройств, необходимо учитывать следующие аспекты, чтобы предотвратить травмы людей:
- размеры датчика;
- остановочный ход опасной машины;
- сжимаемость (и другие свойства) материала датчика;
- подвижность и размеры человека в свободном пространстве;
- максимальное усилие, создаваемое при попадании человека между датчиком и неподвижным объектом.
Примечание - Значения максимально допустимых усилий, действующих на различные части тела, приведены в таблице 2. Однако максимально допустимые усилия (давления) сильно различаются на разных частях тела. Травмы могут различаться и на одной и той же части тела в зависимости от направления движения, формы и материала препятствия (или датчика) и т.д. Поэтому оценка риска или стандарт типа C могут указывать более низкие значения.
Приложение E
(справочное)
ВВОД В ЭКСПЛУАТАЦИЮ И ОСМОТР
E.1 Общие положения
Информация по использованию должна включать следующие примечания, касающиеся ввода в эксплуатацию, осмотра и рекомендации по рекомендуемому вводу в эксплуатацию и испытаниям после установки, чтобы обеспечить безопасную работу всей системы. Документацию, которая должна быть предоставлена для информации относительно выбора и использования защитного устройства см. в разделе 6.
E.2 Системная информация
Система должна устанавливаться, вводиться в эксплуатацию, испытываться и обслуживаться в соответствии с информацией, предоставленной изготовителем средства защиты.
E.3 Ввод в эксплуатацию
Специалист, выполняющий ввод в эксплуатацию, должен обеспечить выполнение следующих проверок.
a) Проверить, что защитное устройство подходит для условий окружающей среды.
b) Проверить, что защитное устройство надежно закреплено.
c) Проверить номинальные значения и характеристики на всех входах/выходах, например, номинальные значения предохранителей.
d) Проверить, что отключение питания защитного устройства предотвращает дальнейшую опасную эксплуатацию машины. Опасные части машины не должны повторно активироваться до тех пор, пока функция безопасности не будет восстановлена.
e) Не должно быть возможности привести в движение опасные части машины, когда к рабочей сенсорной поверхности приложено активирующее усилие.
f) Обеспечить, чтобы датчик был установлен таким образом, чтобы предоставить защиту от всех предвидимых направлений активации, и чтобы нечувствительные (мертвые) поверхности не увеличивали риск получения травмы.
g) Активация защитного устройства во время опасной фазы рабочего цикла должна приводить к остановке опасных движущихся частей или, при необходимости, переходу в безопасное состояние. Не должно быть возможности повторного приведения в движение опасных движущихся частей до тех пор, пока функция безопасности не будет восстановлена.
h) Проверить, что при необходимости предусмотрена возможность сброса и что опасная функция не может быть перезапущена после активации (срабатывания) сенсорного устройства до тех пор, пока система не будет сброшена.
i) Важным элементом безопасности машины является интерфейс между машиной и ее защитными устройствами. Следует проверить, что все части машины, включая средства защиты, цепь управления и соединения с средствами защиты, соответствуют результатам оценки риска, а также категориям и уровням эффективности в соответствии с ISO 13849-1, как указано в соответствующем(их) стандарте(ах).
j) Испытать устройства глушения (если они установлены) в соответствии с требованиями ISO 13849-1:2006, 5.2.
k) Проверить, что все индикаторные лампы работают правильно.
l) Проверить чувствительность защитного устройства по всей рабочей поверхности в соответствии с инструкциями изготовителя.
m) Убедиться, что при необходимости предусмотрены дополнительные средства защиты для предотвращения доступа к опасным частям машин с любого направления, не защищенного сенсорным устройством.
n) Проверить, чтобы при установке защитного устройства не образовались точки захвата.
Примечание - Кроме того, могут потребоваться другие проверки, указанные в соответствующих стандартах типа C.
E.4 Регулярный осмотр и испытания
Включить информацию, указанную в E.3. Кроме того, следует также указать следующее.
a) Проверить элементы управления машиной и убедиться, что они работают правильно и не требуют обслуживания и/или замены.
b) Осмотреть машину, чтобы убедиться в отсутствии других механических или конструктивных аспектов, которые могут помешать остановке машины или переходу в безопасное состояние при остановке защитным устройством.
c) Осмотреть органы управления машиной и соединения с защитным устройством, чтобы убедиться в отсутствии модификаций, отрицательно влияющих на систему, и в том, что соответствующие модификации должным образом зарегистрированы.
d) Осмотреть состояние поверхности датчика и его соединений, чтобы убедиться в отсутствии повреждений, которые могут помешать нормальной работе системы.
e) Проверить эффективность защитного устройства при включенном питании, но при остановленной машине. При необходимости изменить точку активации, чтобы убедиться, что вся эффективная сенсорная поверхность проверяется в течение определенного периода времени.
f) Если предусмотрен сброс, убедиться, что машина не может работать до тех пор, пока система не будет сброшена.
g) Осмотреть, что все корпуса блока управления закрыты и находятся в хорошем состоянии и могут быть открыты только ключом или инструментом. Убедиться, что ключи удалены для хранения назначенным персоналом.
E.5 Осмотр и испытания после технического обслуживания
После проведения технического обслуживания должны быть выполнены испытания функции безопасности, соответствующие уровню технического обслуживания, в соответствии с указаниями, приведенными в E.3.
Приложение ДА
(справочное)
СВЕДЕНИЯ О СООТВЕТСТВИИ ССЫЛОЧНЫХ МЕЖДУНАРОДНЫХ СТАНДАРТОВ
МЕЖГОСУДАРСТВЕННЫМ СТАНДАРТАМ
Таблица ДА.1
Обозначение ссылочного международного стандарта
Степень соответствия
Обозначение и наименование соответствующего межгосударственного стандарта
ISO 4413
IDT
ГОСТ ISO 4413-2016 "Гидроприводы. Общие правила и требования безопасности для систем и их компонентов"
ISO 4414
IDT
ГОСТ ISO 4414-2016 "Пневмоприводы. Общие правила и требования безопасности для систем и их компонентов"
ISO 12100:2010
IDT
ГОСТ ISO 12100-2013 "Безопасность машин. Основные принципы конструирования. Оценки риска и снижения риска"
ISO 13849-1:2006
IDT
ГОСТ ISO 13849-1-2014 "Безопасность оборудования. Элементы систем управления, связанные с безопасностью.
Часть 1. Общие принципы конструирования"
ISO 13849-2
IDT
ГОСТ ISO 13849-2-2023 "Безопасность оборудования. Элементы систем управления, связанные с безопасностью.
Часть 2. Общие принципы конструирования"
ISO 13855:2010
-
IEC 60068-2-6
-
IEC 60068-2-14
-
IEC 60068-2-27
-
IEC 60068-2-78
-
IEC 60204-1:2005
-
IEC 60529
MOD
ГОСТ 14254-2015 "Степени защиты, обеспечиваемые оболочками (Код IP)"
IEC 60664-1:2007
-
IEC 60947-5-1
IDT
ГОСТ IEC 60947-5-1-2014 "Аппаратура распределения и управления низковольтная. Часть 5-1. Аппараты и коммутационные элементы цепей управления. Электромеханические устройства цепей управления"
IEC 60947-5-5:1997
-
--------------------------------
<1> Действует ГОСТ ИСО 13855-2006 "Безопасность оборудования. Расположение защитных устройств с учетом скоростей приближения частей тела человека", идентичный ISO 13855:2002.
<2> В Российской Федерации действует ГОСТ Р МЭК 60068-2-78-2009 "Испытания на воздействия внешних факторов. Часть 2-78. Испытания. Испытание Cab: Влажное тепло, постоянный режим", идентичный IEC 60068-2-78:2001.
<3> В Российской Федерации действует ГОСТ Р МЭК 60204-1-2007 "Безопасность машин. Электрооборудование машин и механизмов. Часть 1. Общие требования", идентичный IEC 60204-1:2005.
<4> Действует ГОСТ IEC 60664-1-2023 "Координация изоляции для оборудования низковольтных систем питания. Часть 1. Принципы, требования и испытания", идентичный IEC 60664-1:2020.
<5> Действует ГОСТ IEC 60947-5-5-2017 "Аппаратура распределения и управления низковольтная. Часть 5-5. Устройства и коммутационные элементы цепей управления. Электрические устройства аварийной остановки с механической функцией фиксации", идентичный IEC 60947-5-5:2016.
Окончание таблицы ДА.1
Обозначение ссылочного международного стандарта
Степень соответствия
Обозначение и наименование соответствующего межгосударственного стандарта
IEC 61000-4-2
MOD
ГОСТ 30804.4.2-2013 "Совместимость технических средств электромагнитная. Устойчивость к электростатическим разрядам. Требования и методы испытаний"
IEC 61000-4-3
IDT
ГОСТ IEC 61000-4-3-2016 "Электромагнитная совместимость (ЭМС). Часть 4-3. Методы испытаний и измерений. Испытание на устойчивость к излучаемому радиочастотному электромагнитному полю"
IEC 61000-4-4
IDT
ГОСТ IEC 61000-4-4-2016 "Электромагнитная совместимость (ЭМС). Часть 4-4. Методы испытаний и измерений. Испытание на устойчивость к электрическим быстрым переходным процессам (пачкам)"
IEC 61000-4-5
IDT
ГОСТ IEC 61000-4-5-2017 "Электромагнитная совместимость (ЭМС). Часть 4-5. Методы испытаний и измерений. Испытание на устойчивость к выбросу напряжения"
IEC 61000-4-6
IDT
ГОСТ IEC 61000-4-6-2022 "Электромагнитная совместимость. Часть 4-6. Методы испытаний и измерений. Устойчивость к кондуктивным помехам, наведенным радиочастотными полями"
IEC 61000-6-2
MOD
ГОСТ 30804.6.2-2013 "Совместимость технических средств электромагнитная. Устойчивость к электромагнитным помехам технических средств, применяемых в промышленных зонах. Требования и методы испытаний"
IEC 61439-1:2009
-
<*> Соответствующий межгосударственный стандарт отсутствует. До его принятия рекомендуется использовать перевод на русский язык данного международного стандарта.
Примечание - В настоящей таблице использованы следующие условные обозначения степени соответствия стандартов:
- IDT - идентичные стандарты;
- MOD - модифицированные стандарты.
--------------------------------
<1> Действует ГОСТ IEC 61439-1-2024 "Устройства комплектные низковольтные распределения и управления. Часть 1. Общие требования", идентичный IEC 61439-1:2020.
БИБЛИОГРАФИЯ
[1]
ISO 13850:2006
Safety of machinery - Emergency stop - Principles for design (Безопасность машин. Аварийный останов. Принципы проектирования)
[2]
ISO 13856-1
Safety of machinery - Pressure-sensitive protective devices - Part 1: General principles for design and testing of pressure-sensitive mats and pressure-sensitive floors (Безопасность машин. Защитные устройства. Часть 1. Общие принципы расчета и испытания сенсорных ковриков и полов)
[3]
ISO 13856-2
Safety of machinery - Pressure-sensitive protective devices - Part 2: General principles for design and testing of pressure-sensitive edges and pressure-sensitive bars (Безопасность машин. Защитные устройства. Часть 2. Общие принципы расчета и испытания сенсорных кромок и штанг)
[4]
ISO 14119
Safety of machinery - Interlocking devices associated with guards - Principles for design and selection (Безопасность машин. Блокировочные устройства для ограждений. Принципы конструкции и выбора)
[5]
ISO 14120
Safety of machinery - Guards - General requirements for the design and construction of fixed and movable guards (Безопасность машин. Защитные ограждения. Общие требования к проектированию и конструированию стационарных и съемных защитных ограждений)
[6]
IEC 61032:1997
Protection of persons and equipment by enclosures - Probes for verification (Защита людей и оборудования, обеспечиваемая оболочками. Щупы испытательные)
[7]
IEC 61496 (all parts)
Safety of machinery - Electro-sensitive protective equipment (Безопасность механизмов. Защитная электрочувствительная аппаратура)
[8]
IEC 61508 (all parts)
Functional safety of electrical/electronic/programmable electronic safety related systems (Функциональная безопасность систем электрических, электронных, программируемых электронных, связанных с безопасностью)
[9]
IEC 62061
Safety of machinery - Functional safety of safety-related electrical, electronic and programmable electronic control systems (Безопасность машин и механизмов. Функциональная безопасность электрических, электронных и программируемых электронных систем контроля, связанных с безопасностью)
УДК 62.7:006.354
МКС 13.110
IDT
Ключевые слова: сенсорные защитные устройства, сенсорные амортизаторы, сенсорные пластины, сенсорный провод