Главная // Актуальные документы // Актуальные документы (обновление 29.11.2025 по 01.01.2026) // ГОСТ (Государственный стандарт)СПРАВКА
Источник публикации
М.: ФГБУ "Институт стандартизации", 2025
Примечание к документу
Документ
вводится в действие с 01.06.2026.
Название документа
"ГОСТ 35314-2025. Межгосударственный стандарт. Клеи термопластичные для деревянных изделий. Установление типов водостойкости по прочности клеевого соединения"
(введен в действие Приказом Росстандарта от 15.09.2025 N 1046-ст)
"ГОСТ 35314-2025. Межгосударственный стандарт. Клеи термопластичные для деревянных изделий. Установление типов водостойкости по прочности клеевого соединения"
(введен в действие Приказом Росстандарта от 15.09.2025 N 1046-ст)
Введен в действие
агентства по техническому
регулированию и метрологии
от 15 сентября 2025 г. N 1046-ст
МЕЖГОСУДАРСТВЕННЫЙ СТАНДАРТ
КЛЕИ ТЕРМОПЛАСТИЧНЫЕ ДЛЯ ДЕРЕВЯННЫХ ИЗДЕЛИЙ
УСТАНОВЛЕНИЕ ТИПОВ ВОДОСТОЙКОСТИ
ПО ПРОЧНОСТИ КЛЕЕВОГО СОЕДИНЕНИЯ
Thermoplastic adhesives for wooden products.
Establishing types of water resistance according
to the strength of the adhesive bond
ГОСТ 35314-2025
Дата введения
1 июня 2026 года
Цели, основные принципы и общие правила проведения работ по межгосударственной стандартизации установлены
ГОСТ 1.0 "Межгосударственная система стандартизации. Основные положения" и
ГОСТ 1.2 "Межгосударственная система стандартизации. Стандарты межгосударственные, правила и рекомендации по межгосударственной стандартизации. Правила разработки, принятия, обновления и отмены"
1 РАЗРАБОТАН Ассоциацией производителей клеев и герметиков (АПКГ) при участии ООО "Компания Хома"
2 ВНЕСЕН Техническим комитетом по стандартизации ТК 144 "Строительные материалы и изделия"
3 ПРИНЯТ Межгосударственным советом по стандартизации, метрологии и сертификации (протокол от 29 августа 2025 г. N 188-П)
За принятие проголосовали:
Краткое наименование страны по МК (ИСО 3166) 004-97 | Код страны по МК (ИСО 3166) 004-97 | Сокращенное наименование национального органа по стандартизации |
Армения | AM | ЗАО "Национальный орган по стандартизации и метрологии" Республики Армения |
Беларусь | BY | Госстандарт Республики Беларусь |
Киргизия | KG | Кыргызстандарт |
Россия | RU | Росстандарт |
Узбекистан | UZ | Узбекское агентство по техническому регулированию |
4
Приказом Федерального агентства по техническому регулированию и метрологии от 15 сентября 2025 г. N 1046-ст межгосударственный стандарт ГОСТ 35314-2025 введен в действие в качестве национального стандарта Российской Федерации с 1 июня 2026 г.
5 ВВЕДЕН ВПЕРВЫЕ
Информация о введении в действие (прекращении действия) настоящего стандарта и изменений к нему на территории указанных выше государств публикуется в указателях национальных стандартов, издаваемых в этих государствах, а также в сети Интернет на сайтах соответствующих национальных органов по стандартизации.
В случае пересмотра, изменения или отмены настоящего стандарта соответствующая информация будет опубликована на официальном интернет-сайте Межгосударственного совета по стандартизации, метрологии и сертификации в каталоге "Межгосударственные стандарты"
Настоящий стандарт устанавливает типы стойкости клеевых соединений в зависимости от их прочности при сдвиге при разных условиях эксплуатации и мест применения деревянных изделий и метод определения данной прочности.
Определенные в настоящем стандарте типы водостойкости клеев D1 - D4 помогают упростить потребителю процедуру выбора клея, используя обозначение типа водостойкости.
Каждому типу присвоены условия применения клеев: место применения (снаружи и/или внутри помещений) и условия эксплуатации в части температурно-влажностного режима.
Правильный выбор клея позволит гарантировать прочность клеевого соединения изделия и длительный срок его эксплуатации.
Настоящий стандарт распространяется на термопластичные клеи, предназначенные для скрепления деревянных изделий (мебели, предметов интерьера, облицовки, дверей, окон, лестниц и т.д.), эксплуатируемых при разных значениях относительной влажности воздуха, подвергающихся воздействию сточных вод внутри и снаружи помещений зданий (далее соответственно - клеи, изделия).
Настоящий стандарт не распространяется на клеи, предназначенные для деревянных конструкций или для производства древесно-стружечных плит (ДСП), древесноволокнистых плит (ДВП) и фанеры.
Настоящий стандарт устанавливает типы стойкости клеевых соединений в зависимости от их прочности при сдвиге при разных значениях влажности деревянных изделий (водостойкости) и метод определения данной прочности.
Примечания
1 Настоящий стандарт не заменяет других способов испытаний, предусмотренных для специальных областей применения.
2 В настоящем стандарте не определяется стойкость клеевых швов к температурным воздействиям.
В настоящем стандарте использованы нормативные ссылки на следующие межгосударственные стандарты:
ГОСТ 166 (ИСО 3599-76) Штангенциркули. Технические условия
ГОСТ 5378 Угломеры с нониусом. Технические условия
ГОСТ 20850 Конструкции деревянные клееные несущие. Общие технические условия
ГОСТ 28840 Машины для испытания материалов на растяжение, сжатие и изгиб. Общие технические требования
Примечание - При пользовании настоящим стандартом целесообразно проверить действие ссылочных стандартов и классификаторов на официальном интернет-сайте Межгосударственного совета по стандартизации, метрологии и сертификации (www.easc.by) или по указателям национальных стандартов, издаваемым в государствах, указанных в предисловии, или на официальных сайтах соответствующих национальных органов по стандартизации. Если на документ дана недатированная ссылка, то следует использовать документ, действующий на текущий момент, с учетом всех внесенных в него изменений. Если заменен ссылочный документ, на который дана датированная ссылка, то следует использовать указанную версию этого документа. Если после принятия настоящего стандарта в ссылочный документ, на который дана датированная ссылка, внесено изменение, затрагивающее положение, на которое дана ссылка, то это положение применяется без учета данного изменения. Если ссылочный документ отменен без замены, то положение, в котором дана ссылка на него, применяется в части, не затрагивающей эту ссылку.
В настоящем стандарте применены термины по
ГОСТ 20850,
ГОСТ 28780, а также следующие термины с соответствующими определениями:
3.1 тонкий клеевой шов (плотное соединение): Клеевой слой между поверхностями склеенных деревянных заготовок толщиной 0,1 мм.
Примечание - Во время склеивания деревянные заготовки плотно прижимают друг к другу и стягивают струбцинами, тисками или кладут под пресс.
3.2 толстый клеевой шов (соединение с зазором): Клеевой слой толщиной от 0,1 до 1,1 мм, полученные при склеивании деревянных заготовок с зазором между склеиваемыми поверхностями.
Для облегчения ориентации в многообразии клеев их подразделяют на четыре типа водостойкости в зависимости от места применения: внутри и/или снаружи помещений, условий эксплуатации, которые представлены в таблице 1.
Таблица 1
Описание типов водостойкости
Тип водостойкости | Примеры мест применения и условий эксплуатации |
D1 | Внутри помещения с постоянной положительной температурой и атмосферной влажностью не более 60%, при влажности изделия не более 15% |
D2 | Внутри помещения с постоянной положительной температурой и атмосферной влажностью не более 60%. Допускается кратковременное воздействие воды или конденсата на изделие, при влажности изделия не более 18% |
D3 | Внутри помещения при различных температурных режимах и атмосферной влажности. Допускается воздействие атмосферной влажности от 70% до 90%, кратковременное воздействие воды или конденсата на изделие. Открытая площадка, подверженная воздействию погодных условий, с защитой поверхности изделия |
D4 | Внутри помещения при различных температурных режимах и атмосферной влажности. Допускается воздействие атмосферной влажности до 100%, долговременное воздействие воды и/или конденсата на изделие. Открытая площадка, подверженная воздействию погодных условий, с защитой поверхности изделия |
Отнесение клея к типу водостойкости производится на основании результата определения прочности клеевого соединения изделия после выдержки клеевого соединения при различных условиях влажности и температуры в течение различных интервалов времени
(таблица 2).
Исходя из мест применения и условий эксплуатации изделия в соответствии с
таблицей 1 выбирают тип водостойкости, а из
таблицы 2 - последовательность выдержки и обработки клеевого соединения при испытании.
Примечание - Клей более высокого типа водостойкости удовлетворяет требованиям более низких типов (например, клей типа водостойкости D3 удовлетворяет требованиям типов водостойкости D1 и D2).
Таблица 2
Минимальные значения прочности клеевого соединения
для линейных образцов с тонким клеевым швом
Последовательность выдержки | Прочность клеевого соединения при сдвиге, Н/мм2 |
Тип водостойкости |
Номер | Условия выдержки образцов перед испытанием | D1 | D2 | D3 | D4 |
| 7 сут при стандартных атмосферных условиях | >= 10 | >= 10 | >= 10 | >= 10 |
2 | 7 сут при стандартных атмосферных условиях; 3 ч в воде при температуре (20 +/- 5) °C | - | >= 8 | - | - |
| 7 сут при стандартных атмосферных условиях; 4 сут в воде при температуре (20 +/- 5) °C | - | - | >= 2 | >= 4 |
4 | 7 сут при стандартных атмосферных условиях; 4 сут в воде при температуре (20 +/- 5) °C | - | - | >= 6 | - |
| 7 сут при стандартных атмосферных условиях; 6 ч в кипящей воде; 2 ч в воде при температуре (20 +/- 5) °C | - | - | - | >= 4 |
Примечания 1 Производитель клея может рекомендовать более продолжительный период выдержки. 2 Клей может соответствовать нескольким группам водостойкости одновременно. 4 Атмосферные условия окружающей среды, принятые в качестве стандартных - температура и относительная влажность воздуха соответственно (20 +/- 2) °C и (65 +/- 5)%. 5 Прочерк "-" означает, что испытание не требуется. 6 Для определения типа водостойкости клея по группам от D1 до D4 необходимо достичь всех минимальных показателей, указанных в соответствующей графе, как средние арифметические значения прочности (например, для группы D4: номера последовательностей выдержек - 1, 3 и 5). |
Среднее арифметическое значение прочности клеевого соединения испытанных образцов должно соответствовать:
- для тонкого клеевого шва на линейных образцах - значениям, указанным в
таблице 2;
- для толстого клеевого шва на линейных образцах - значениям (при необходимости) не менее 80% от значений, указанных в
таблице 2.
Примечание - Приведенные в
таблице 2 значения применяются только для определения типов водостойкости. Их не допускается сравнивать со значениями, полученными при испытаниях образцов других размеров.
Сущность метода определения предела прочности клеевых соединений при сдвиге заключается в определении величины разрушающей нагрузки при растяжении склеенного внахлест образца усилиями, стремящимися сдвинуть одну половину образца относительно другой.
Предварительно образец выдерживают в последовательности согласно
таблице 2.
Для испытаний используют достаточное количество образцов, чтобы обеспечить 10 результатов для каждой из выбранных последовательностей выдержек.
Вычисляют средние арифметические значения клеевого соединения испытанных образцов и сравнивают с минимальными показателями прочности, указанными в соответствующей графе
таблицы 2.
Если средние арифметические значения прочности клеевого соединения испытанных образцов удовлетворяют соответствующим минимальным показателям, то определяют тип водостойкости клея.
6 Средства испытаний и измерений
6.1 Для проведения испытаний необходимы:
- штангенциркуль по
ГОСТ 166 с погрешностью измерения не более 0,1 мм;
6.2 Все средства испытаний и измерений должны своевременно проходить поверку в соответствующих метрологических центрах.
7 Подготовка к проведению испытаний
7.1 Подготовка заготовок
Берут две деревянные плоские заготовки (см.
рисунок 1) из прямослойной доски со средней плотностью (700 +/- 50) кг/м
3 по
ГОСТ 16483.1 и влажностью (12 +/- 1)% по
ГОСТ 16483.7 (например, бук).
Допускается использовать заготовки из разных досок, если отсутствует необходимость минимизировать различия в древесине, чтобы произвести специальные сравнительные испытания.
При этом необходимо обеспечить угол между годичными кольцами роста дерева и подлежащей склеиванию поверхностью в диапазоне от 30° до 90°.
Примечание - Для определения угла между годичными кольцами и склеиваемой поверхностью применяют угломер с нониусом по
ГОСТ 5378.
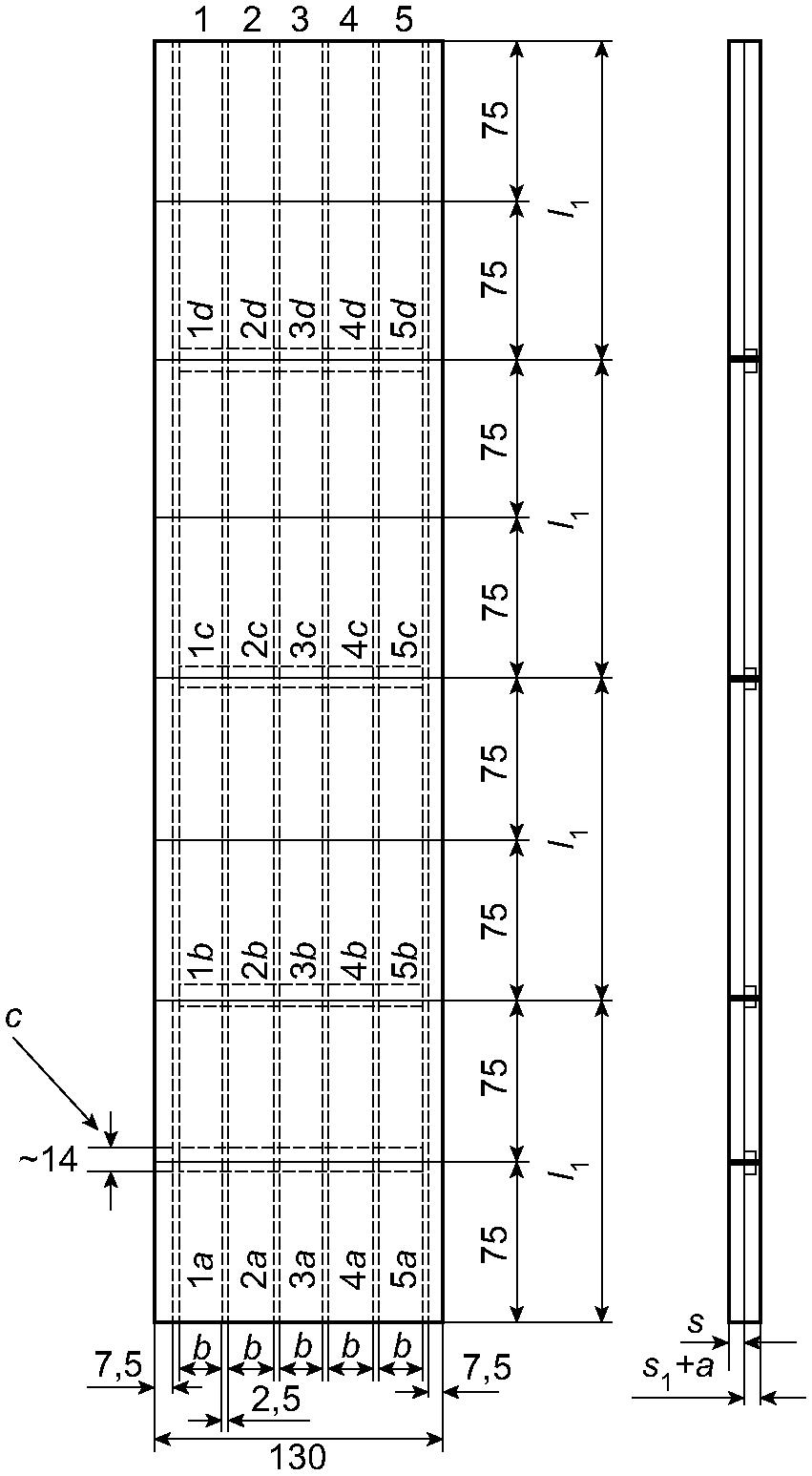
Длина заготовки вдоль волокон должна быть кратной 300 мм с необходимым допуском для выполнения оторцовки, а ширина поперек волокон - кратной 130 мм с допуском на ширину резания, как показано на
рисунке 1.
Для выполнения клеевого соединения:
- с тонким клеевым швом берут две заготовки толщиной (5,0 +/- 0,1) мм;
- с толстым клеевым швом берут одну заготовку толщиной (6,0 +/- 0,1) мм и одну заготовку толщиной (5,0 +/- 0,1) мм.
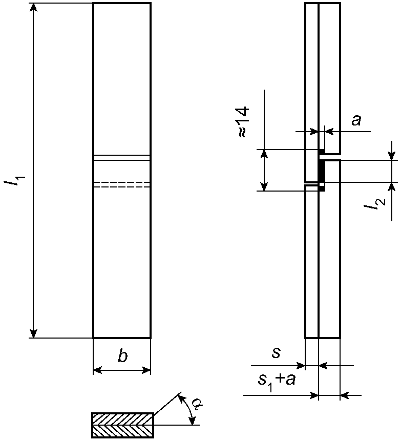
В заготовке толщиной 6 мм проделывают пазы глубиной (1,0 +/- 0,1) мм и шириной (14 +/- 1) мм, как показано на рисунке 1.
| |
а) С тонким клеевым швом | б) С толстым клеевым швом |
a - толщина клеевого шва мм; b - ширина образца
(20,0 +/- 0,2) мм; c - паз; l1 - длина образца
(150 +/- 5) мм; s - толщина заготовки (5,0 +/- 0,1) мм;
s1 - толщина заготовки (6,0 +/- 0,1) мм
Рисунок 1 - Склеенная заготовка, маркированная
для разделения на отдельные образцы
Примечание - При сравнении прочности клеевых соединений с толстыми и тонкими клеевыми швами разница в прочности, вызванная в применении разной древесины, должна быть сведена к минимуму. В таких случаях рекомендуется вырезать заготовки из одной доски по направлению волокон в следующем порядке:
- две заготовки толщиной 5 мм для клеевых соединений с тонкими клеевыми швами;
- одна заготовка толщиной 5 мм и одна заготовка толщиной 6 мм для клеевых соединений с толстыми клеевыми швами.
Как правило, заготовки вырезают с небольшим запасом по размеру и перед использованием подгоняют до требуемого размера.
Перед испытанием заготовки выдерживают не менее 7 сут при стандартных атмосферных условиях.
Примечание - По рекомендации производителя для специальных материалов или особых условий работы могут использоваться условия выдержки, отличающиеся от описанных в
таблице 2.
Подготавливают заготовки с тонкими клеевыми швами и, если указано, с толстыми клеевыми швами следующим образом:
- не более чем за 24 ч до склеивания каждую склеиваемую поверхность заготовки обрабатывают наждачной бумагой с зерновым составом абразивных зерен от 125 до 160 мкм в соответствии с нормативными документами, действующим на территории государства, принявшего настоящий стандарт <*>, а при необходимости строгают.
--------------------------------
<*> В Российской Федерации действует
ГОСТ Р 52381-2005 "Материалы абразивные. Зернистость и зерновой состав шлифовальных порошков. Контроль зернового состава".
Примечание - Заготовки с видимыми дефектами к выполнению клеевых соединений не используют;
- тщательно удаляют пыль, не прикасаясь к подготовленной к склеиванию поверхности, и не допуская ее загрязнения.
Выполняют указания производителя, относящиеся к подготовке заготовок, включая подготовку клея, количество его нанесения, в том числе на одну или обе поверхности, время сборки, продолжительность прессования и оказываемую при этом силу давления.
Склеивают панели.
7.2 Склеивание заготовок
Соединение заготовок выполняют при использовании клея.
При склеивании заготовок необходимо выполнять указания производителя клея, относящиеся к условиям склеивания, включая подготовку и количество наносимого клея, указания поверхностей, на которые необходимо наносить клей, время открытой и закрытой выдержки, величину и продолжительность прессования при соединении поверхностей.
Для получения тонкого клеевого шва две заготовки толщиной 5 мм соединяют, как показано на
рисунке 1.
Для получения толстого клеевого шва наносят достаточное количество клея в пазы заготовки толщиной 6 мм, чтобы избыточный клей выдавливался при прессовании, и соединяют с заготовкой толщиной 5 мм, как показано на
рисунке 1.
Склеивание двух заготовок происходит при равномерно распределенном по всем склеиваемым поверхностям прессовании.
7.3 Изготовление образцов
Склеенную заготовку, после прессования и перед вырезанием образцов и испытаниями, выдерживают в течение не менее 7 сут при стандартных атмосферных условиях.
Из каждой склеенной заготовки вырезают по пять полос шириной (20 +/- 0,2) мм вдоль волокон, не используя области шириной 7,5 мм от внешних продольных кромок заготовки, как показано на
рисунке 1.
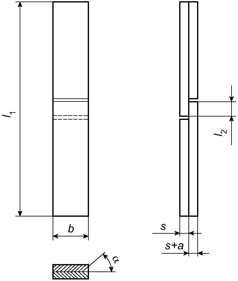
Вырезают из полос образцы длиной (150 +/- 5) мм, как показано на
рисунке 2.
На каждом образце делают неглубокие пропилы шириной (2,5 +/- 0,5) мм на склеенных участках поперек волокон таким образцом, чтобы посередине определить склеенные в длину перекрытия внахлестку полосы l2 (10 +/- 0,2) мм, как показано на рисунке 2. Пропилы должны разделять склеенную область древесины. При этом обращают внимание на то, чтобы пропилы полностью перерезали клеевой шов, не затрагивая другую, не пропиливаемую часть клеевого соединения.
| |
а) С тонким клеевым швом | б) С толстым клеевым швом |
l1 - общая длина образца (150 +/- 5) мм; s - толщина
заготовки (5,0 +/- 0,1) мм; s1 - толщина заготовки
(6,0 +/- 0,1) мм; b - ширина образца (ширина испытываемой
поверхности) (20,0 +/- 0,2) мм;

- угол между годичными
кольцами и склеиваемыми поверхностями от 30° до 90°;
l2 - длина перекрытия внахлестку (длина испытываемой
поверхности) (10 +/- 0,2) мм; a - толщина клеевого шва
Рисунок 2 - Образцы для испытаний
7.4 Количество образцов
Необходимо испытать 10 образцов, чтобы обеспечить достоверность результатов для каждой из выбранных последовательностей выдержек. Результаты испытаний, в которых произошло разрушение древесины при значениях нагрузки ниже минимальных, указанных для склеенных образцов, или в которых визуальная проверка показала, что клей был нанесен не в соответствии с указаниями производителя, должны быть признаны недостоверными.
7.5 Выдержка образцов перед определением предела прочности при сдвиге
Подготовленные образцы подвергают выдержкам в последовательности в соответствии с
таблицей 2 при условии, что испытуемые образцы находятся в горизонтальном положении, не соприкасаются друг с другом, и на них не действуют какие-либо усилия.
Примечание - Для определения типа водостойкости клея в
таблице 2 приведена соответствующая последовательность выдержек.
8 Проведение испытания и оформление их результатов
Для испытуемых образцов определяют предел прочности при сдвиге при растяжении с помощью разрывной машины по
ГОСТ 28840.
Образцы помещают в захваты испытательной машины на расстоянии с учетом размеров захватов 40 - 50 мм. Обеспечивают подачу усилия по середине образца и в плоскости склеивания до момента его разрушения. Фиксируют максимальное приложенное усилие Fmax.
Испытание выполняют при скорости растяжения приблизительно 50 мм/мин.
Результаты испытаний оформляют с указанием средних арифметических значений прочности клеевого соединения всех испытанных образцов с описанием особенностей разрушения прочности клеевого соединения, а также доли разрушения древесины в процентном выражении (например, 0%, 25%, 50%, 75%, 100%).
Примечание - Визуальным осмотром определяют характер разрушения испытанного образца:
- разрушение клеевого соединения по границе клей - древесина;
- разрушение клеевого соединения по клею или древесине.
Результаты, полученные при разрушении образца в любом другом месте, помимо клеевого соединения, не учитывают и должны быть отражены в протоколе испытаний.
9 Вычисление прочности клеевого соединения
Прочность клеевого соединения каждого образца при сдвиге

, Н/мм
2, вычисляют по формуле

, (1)
где Fmax - прилагаемое максимальное усилие, Н;
A - площадь испытываемой склеенной поверхности, мм2;
l2 - длина испытываемой склеенной поверхности, мм;
b - ширина испытываемой склеенной поверхности, мм.
Протокол испытаний должен содержать следующую информацию:
- ссылку на настоящий стандарт;
- наименование и адрес испытательной организации;
- наименование клея;
- наименование и адрес производителя клея;
- ботаническое наименование древесины, используемой в качестве заготовки;
- указание на испытание клеевого соединения: с тонким клеевым швом или толстым клеевым швом с размерами по толщине;
- примененную последовательность выдержек;
- среднее арифметическое значение прочности клеевого соединения испытанных образцов, Н/мм2, округленное до 0,1 Н/мм2;
- описание особенностей разрушения прочности клеевого соединения и доли разрушения древесины в процентном выражении;
- тип водостойкости клея, определенного в соответствии с настоящим стандартом;
- дату проведения испытаний.
УДК 674.028.92:620.171.2:006.354 | |
Ключевые слова: термопластичный клей для дерева, клеевое соединение, типы водостойкости D1 - D4, прочность клеевого соединения при сдвиге |