
Условное обозначение шва сварного соединения | Конструктивные элементы | S | e, не более | g (пред. откл. + 2) | |
подготовленных кромок свариваемых деталей | шва сварного соединения | ||||
У1 | ![]() | ![]() | 4 | 14 | 6 |
6 | 16 | 6 | |||
8 | 18 | ||||
10 | 20 | ||||
12 | 22 | ||||
14 | 24 | ||||
16 | 28 | ||||
18 | 30 | ||||
Условное обозначение шва сварного соединения | Конструктивные элементы | e, не более | k, не более | g (пред. откл. + 2) | ||
подготовленных кромок свариваемых деталей | шва сварного соединения | |||||
У2 | ![]() | ![]() | 4 | 10 | 4 | |
6 | 12 | 6 | ||||
8 | 14 | |||||
10 | ||||||
12 | 16 | |||||
14 | ||||||
16 | 20 | |||||
18 | ||||||
Условное обозначение шва сварного соединения | Конструктивные элементы | e, не более | k, не менее | g (пред. откл. + 2) | ||
подготовленных кромок свариваемых деталей | шва сварного соединения | |||||
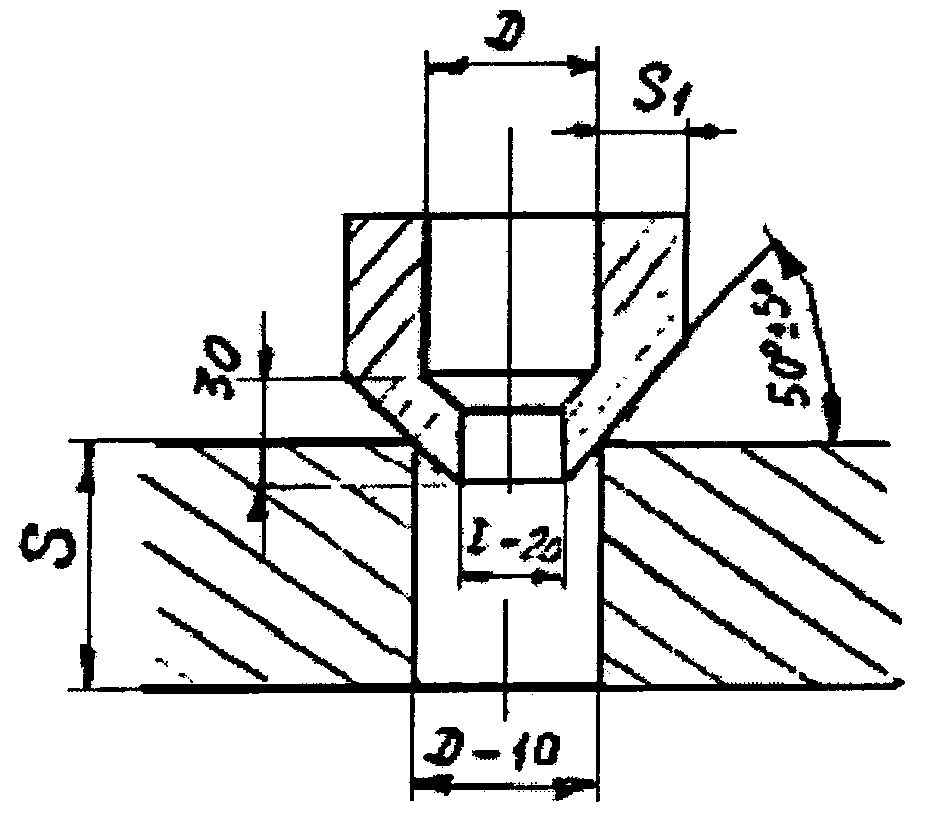
У3 | ![]() | Исполнение 1 | 4 - 6 | 16 | 4 | |
![]() | ||||||
Исполнение 2 | ||||||
![]() | ||||||
8 - 10 | 20 | 6 | ||||
12 - 14 | 24 | |||||
16 - 18 | 30 | |||||
20 - 22 | 34 | |||||
24 - 26 | 40 | |||||
28 - 30 | 44 | |||||
Условное обозначение шва сварного соединения | Конструктивные элементы | e, не более | g (пред. откл. + 2) | ||
подготовленных кромок свариваемых деталей | шва сварного соединения | ||||
У4 | ![]() | Исполнение 1 | 3 - 4 | 18 | 4 |
![]() | |||||
Исполнение 2 | |||||
![]() | |||||
5 - 8 | 20 | 6 | |||
10 - 14 | 26 | ||||
16 - 20 | 36 | ||||
22 - 26 | 42 | ||||
28 - 32 | 48 | ||||
34 - 36 | 52 | 8 | |||
Условное обозначение шва сварного соединения | Конструктивные элементы | e, не более | g (пред. откл. + 2) | ||
подготовленных кромок свариваемых деталей | шва сварного соединения | ||||
У5 | ![]() | Исполнение 1 | 7 - 8 | 18 | 6 |
![]() | |||||
Исполнение 2 | |||||
![]() | |||||
10 - 14 | 22 | ||||
16 - 20 | 30 | ||||
22 - 26 | 38 | ||||
28 - 32 | 42 | ||||
34 - 36 | 48 | 8 | |||
Условное обозначение шва сварного соединения | Конструктивные элементы | S | e, не более | g (пред. откл. + 2) | |
подготовленных кромок свариваемых деталей | шва сварного соединения | ||||
У6 | ![]() | Исполнение 1 | 4 - 6 | 20 | 4 |
![]() | |||||
Исполнение 2 | |||||
![]() | |||||
8 - 10 | 24 | ||||
12 - 14 | 28 | 6 | |||
16 - 18 | 34 | ||||
20 - 22 | 36 | ||||
24 - 26 | 40 | ||||
28 - 30 | 46 | ||||
32 - 34 | 52 | 8 | |||
36 - 38 | 58 | ||||
40 - 44 | 64 | ||||
46 - 50 | 70 | ||||
Условное обозначение шва сварного соединения | Конструктивные элементы | S | e, не более | g (пред. откл. + 2) | |
подготовленных кромок свариваемых деталей | шва сварного соединения | ||||
У7 | ![]() | Исполнение 1 | 4 - 6 | 16 | 4 |
![]() | |||||
Исполнение 2 | |||||
![]() | |||||
8 - 10 | 20 | 6 | |||
12 - 14 | 24 | ||||
16 - 18 | 30 | ||||
20 - 22 | 34 | ||||
24 - 26 | 38 | ||||
28 - 30 | 44 | ||||
32 - 34 | 50 | 8 | |||
36 - 38 | 56 | ||||
40 - 44 | 62 | ||||
46 - 50 | 68 | ||||
Условное обозначение шва сварного соединения | Конструктивные элементы | S | k, не менее | |
подготовленных кромок свариваемых деталей | шва сварного соединения | |||
У8 | ![]() | ![]() | 4 | 6 |
6 | ||||
8 | 8 | |||
Условное обозначение шва сварного соединения | Конструктивные элементы | S | e, не более | g (пред. откл. + 2) | |
подготовленных кромок свариваемых деталей | шва сварного соединения | ||||
У9 | ![]() | Исполнение 1 | 10 - 14 | 16 | 6 |
![]() | |||||
Исполнение 2 | |||||
![]() | |||||
16 - 20 | 20 | ||||
22 - 26 | 24 | ||||
28 - 32 | 26 | ||||
34 - 38 | 30 | 8 | |||
40 - 44 | 32 | ||||
46 - 50 | 36 | ||||
52 - 56 | 38 | ||||
58 - 62 | 42 | ||||
64 - 68 | 46 | 10 | |||
70 - 74 | 50 | ||||
76 - 80 | 52 | ||||
82 - 86 | 56 | ||||
88 - 92 | 58 | ||||
94 - 98 | 62 | ||||
100 - 104 | 64 | ||||
106 - 110 | 68 | ||||
112 - 116 | 72 | ||||
118 - 120 | 76 | ||||
Условное обозначение шва сварного соединения | Конструктивные элементы | S | e, не более | g (пред. откл. + 2) | |
подготовленных кромок свариваемых деталей | шва сварного соединения | ||||
У9а | ![]() | Исполнение 1 | 36 - 40 | 31 | 8 |
![]() | |||||
Исполнение 2 | |||||
![]() | |||||
42 - 46 | 33 | ||||
48 - 52 | 37 | ||||
54 - 58 | 39 | ||||
60 - 64 | 43 | 10 | |||
66 - 70 | 46 | ||||
72 - 76 | 50 | ||||
78 - 82 | 52 | ||||
84 - 88 | 56 | ||||
90 - 94 | 58 | ||||
69 - 98 | 62 | ||||
100 | 64 | ||||
Условное обозначение шва сварного соединения | Конструктивные элементы | S | e | g (пред. откл. + 2) | ||
подготовленных кромок свариваемых деталей | шва сварного соединения | не более | ||||
У10 | ![]() | ![]() | 10 - 14 | 16 | 18 | 6 |
16 - 20 | 20 | 22 | ||||
22 - 26 | 24 | 26 | ||||
28 - 32 | 30 | 32 | ||||
34 - 38 | 32 | 34 | 8 | |||
40 - 44 | 34 | 36 | ||||
46 - 50 | 36 | 38 | ||||
52 - 56 | 38 | 40 | ||||
58 - 62 | 40 | 42 | ||||
64 - 68 | 44 | 46 | 10 | |||
70 - 74 | 46 | 48 | ||||
76 - 80 | 50 | 52 | ||||
82 - 86 | 52 | 54 | ||||
88 - 92 | 54 | 56 | ||||
94 - 98 | 58 | 60 | ||||
100 - 104 | 62 | 64 | ||||
106 - 110 | 64 | 66 | ||||
112 - 116 | 66 | 68 | ||||
118 - 120 | 70 | 72 | ||||
Условное обозначение шва сварного соединения | Конструктивные элементы | S | e | g (пред. откл. + 2) | ||
подготовленных кромок свариваемых деталей | шва сварного соединения | не более | ||||
У10а | ![]() | ![]() | 36 - 40 | 32 | 34 | 8 |
42 - 46 | 34 | 36 | ||||
48 - 52 | 38 | 40 | ||||
54 - 58 | 40 | 42 | ||||
60 - 64 | 42 | 44 | ||||
66 - 70 | 46 | 48 | 10 | |||
72 - 76 | 50 | 52 | ||||
78 - 82 | 52 | 54 | ||||
84 - 88 | 56 | 58 | ||||
90 - 94 | 58 | 60 | ||||
96 - 100 | 62 | 64 | ||||
Условное обозначение шва сварного соединения | Конструктивные элементы | S | e, не более | k, не менее | g (пред. откл. + 2) | |
подготовленных кромок свариваемых деталей | шва сварного соединения | |||||
У11 | ![]() | Исполнение 1 | 4 - 6 | 16 | 3 | 4 |
![]() | ||||||
Исполнение 2 | ||||||
![]() | ||||||
8 - 10 | 20 | |||||
12 - 14 | 22 | 4 | 6 | |||
16 - 18 | 30 | |||||
20 - 22 | 34 | |||||
24 - 26 | 38 | 6 | ||||
28 - 30 | 44 | |||||
32 - 34 | 50 | 8 | 8 | |||
36 - 38 | 56 | |||||
40 - 44 | 62 | |||||
46 - 50 | 68 | 10 | ||||
52 - 56 | 74 | |||||
58 - 60 | 80 | |||||
Условное обозначение шва сварного соединения | Конструктивные элементы | S | e, не более | k, не менее | g (пред. откл. + 2) | |
подготовленных кромок свариваемых деталей | шва сварного соединения | |||||
У12 | ![]() | Исполнение 1 | 4 - 6 | 16 | 3 | 4 |
![]() | ||||||
Исполнение 2 | ||||||
![]() | ||||||
8 - 10 | 20 | |||||
12 - 14 | 24 | 4 | 6 | |||
16 - 18 | 30 | |||||
20 - 22 | 34 | |||||
24 - 26 | 38 | 6 | ||||
28 - 30 | 44 | |||||
32 - 34 | 50 | 8 | 8 | |||
36 - 38 | 56 | |||||
40 - 44 | 62 | |||||
46 - 50 | 68 | 10 | ||||
52 - 56 | 74 | |||||
58 - 60 | 80 | |||||
Условное обозначение шва сварного соединения | Конструктивные элементы | S | e | g (пред. откл. + 2) | ||
подготовленных кромок свариваемых деталей | шва сварного соединения | не более | ||||
У13 | ![]() | Исполнение 1 | 32 - 36 | 24 | 40 | 8 |
![]() | ||||||
Исполнение 2 | ||||||
![]() | ||||||
38 - 42 | 26 | 44 | ||||
44 - 48 | 28 | 48 | ||||
50 - 54 | 32 | 52 | ||||
56 - 60 | 34 | 56 | ||||
62 - 66 | 36 | 60 | 10 | |||
68 - 72 | 40 | 64 | ||||
74 - 78 | 44 | 68 | ||||
80 - 84 | 46 | 72 | ||||
86 - 90 | 48 | 76 | ||||
92 - 96 | 50 | 80 | ||||
98 - 102 | 54 | 84 | ||||
104 - 108 | 58 | 88 | ||||
110 - 114 | 62 | 92 | ||||
116 - 120 | 66 | 96 | ||||
Условное обозначение шва сварного соединения | Конструктивные элементы | S | e | a <*> | |||
подготовленных кромок свариваемых деталей | шва сварного соединения | не более | |||||
У14 | ![]() | Исполнение 1 | 32 - 36 | 40 | 24 | 22 | 12 |
![]() | |||||||
Исполнение 2 | |||||||
![]() | |||||||
38 - 42 | 44 | 26 | 28 | 14 | |||
44 - 48 | 48 | 28 | 32 | 14 | |||
50 - 54 | 52 | 32 | 36 | 16 | |||
56 - 60 | 56 | 34 | 38 | 20 | |||
62 - 66 | 60 | 36 | 42 | 22 | |||
68 - 72 | 64 | 40 | 46 | 24 | |||
74 - 78 | 68 | 44 | 50 | 26 | |||
80 - 84 | 72 | 46 | 54 | 28 | |||
86 - 90 | 76 | 48 | 60 | 30 | |||
92 - 96 | 80 | 50 | 62 | 32 | |||
98 - 102 | 84 | 54 | 66 | 34 | |||
104 - 108 | 88 | 58 | 70 | 36 | |||
110 - 114 | 92 | 62 | 74 | 38 | |||
116 - 120 | 96 | 66 | 80 | 40 | |||
Условное обозначение шва сварного соединения | Конструктивные элементы | S | e, не более | g (пред. откл. + 2) | |
подготовленных кромок свариваемых деталей | шва сварного соединения | ||||
У15 | ![]() | Исполнение 1 | 12 - 16 | 16 | 6 |
![]() | |||||
Исполнение 2 | |||||
![]() | |||||
18 - 22 | 20 | ||||
24 - 28 | 24 | ||||
30 - 34 | 28 | 8 | |||
36 - 38 | 32 | ||||
40 - 44 | 36 | ||||
46 - 50 | 40 | ||||
52 - 56 | 44 | ||||
58 - 62 | 48 | ||||
64 - 68 | 50 | 10 | |||
70 - 74 | 54 | ||||
76 - 80 | 58 | ||||
82 - 86 | 62 | ||||
88 - 92 | 66 | ||||
94 - 98 | 70 | ||||
100 - 104 | 74 | ||||
106 - 110 | 78 | ||||
112 - 120 | 82 | ||||
Условное обозначение шва сварного соединения | Конструктивные элементы | S | e | g (пред. откл. + 2) | ||
подготовленных кромок свариваемых деталей | шва сварного соединения | не более | ||||
У16 | ![]() | ![]() | 32 - 36 | 26 | 28 | 8 |
38 - 42 | 30 | 32 | ||||
44 - 48 | 32 | 34 | ||||
50 - 54 | 34 | 36 | ||||
56 - 60 | 36 | 38 | ||||
62 - 66 | 38 | 40 | 10 | |||
68 - 72 | 40 | 42 | ||||
74 - 78 | 42 | 44 | ||||
80 - 84 | 44 | 46 | ||||
86 - 90 | 46 | 48 | ||||
92 - 96 | 48 | 50 | ||||
98 - 102 | 50 | 52 | ||||
104 - 108 | 52 | 54 | ||||
110 - 120 | 58 | 60 | ||||
Условное обозначение шва сварного соединения | Конструктивные элементы | e | k, не менее | g (пред. откл. + 2) | |||
подготовленных кромок свариваемых деталей | шва сварного соединения | не более | |||||
У17 | ![]() | Исполнение 1 | 4 - 6 | 16 | 16 | 4 | |
![]() | |||||||
Исполнение 2 | |||||||
![]() | |||||||
8 - 10 | 22 | 20 | 6 | ||||
12 - 14 | 28 | 24 | |||||
16 - 18 | 34 | 30 | |||||
20 - 22 | 38 | 36 | |||||
24 - 26 | 44 | 40 | |||||
28 - 30 | 50 | 44 | |||||
Условное обозначение шва сварного соединения | Конструктивные элементы | e | k, не менее | g (пред. откл. + 2) | |||
подготовленных кромок свариваемых деталей | шва сварного соединения | не более | |||||
У18 | ![]() | Исполнение 1 | 12 - 14 | 24 | 16 | 6 | |
![]() | |||||||
Исполнение 2 | |||||||
![]() | |||||||
16 - 18 | 30 | 18 | |||||
20 - 22 | 34 | 20 | |||||
24 - 26 | 40 | 24 | |||||
28 - 30 | 44 | 26 | |||||
Условное обозначение шва сварного соединения | Конструктивные элементы | e | k | g (пред. откл. + 2) | |||
подготовленных кромок свариваемых деталей | шва сварного соединения | не более | |||||
У19 | ![]() | Исполнение 1 | 4 - 6 | 16 | 4 | 4 | |
![]() | |||||||
Исполнение 2 | |||||||
![]() | |||||||
8 - 10 | 20 | 6 | |||||
12 - 14 | 24 | 6 | |||||
16 - 18 | 30 | ||||||
20 - 22 | 34 | 8 | |||||
24 - 26 | 38 | ||||||
28 - 30 | 44 | ||||||
Условное обозначение шва сварного соединения | Конструктивные элементы | k, не менее | ||||
подготовленных кромок свариваемых деталей | шва сварного соединения | |||||
У20 | ![]() | Исполнение 1 | 4 - 6 | 16 | 4 | |
![]() | ||||||
Исполнение 2 | ||||||
![]() | ||||||
8 - 10 | 20 | |||||
12 - 14 | 24 | 6 | ||||
16 - 18 | 28 | |||||
20 - 22 | 34 | |||||
24 - 26 | 38 | |||||
28 - 30 | 42 | |||||
Условное обозначение шва сварного соединения | Конструктивные элементы | S | e | k | g (пред. откл. + 2) | |
подготовленных кромок свариваемых деталей | шва сварного соединения | не более | ||||
У21 | ![]() | Исполнение 1 | 60 - 62 | 40 | 14 | 10 |
![]() | ||||||
Исполнение 2 | ||||||
![]() | ||||||
64 - 66 | 42 | |||||
68 - 70 | 44 | |||||
72 - 74 | 46 | |||||
76 - 78 | 48 | |||||
80 | 50 | |||||
Условное обозначение шва сварного соединения | Конструктивные элементы | S | e | g (пред. откл. + 2) | ||
подготовленных кромок свариваемых деталей | шва сварного соединения | не более | ||||
У22 | ![]() | Исполнение 1 | 82 - 86 | 50 | 40 | 10 |
![]() | ||||||
Исполнение 2 | ||||||
![]() | ||||||
88 - 92 | 52 | |||||
94 - 98 | 54 | |||||
100 - 104 | 56 | |||||
106 - 110 | 58 | |||||
120 | 62 | |||||
Условное обозначение шва сварного соединения | Конструктивные элементы | e, не более | g (пред. откл. + 2) | ||
подготовленных кромок свариваемых деталей | шва сварного соединения | ||||
У23 | ![]() | ![]() | 10 - 14 | 25 | 6 |
![]() | 16 - 20 | 41 | |||
22 - 24 | 48 | ||||
26 - 30 | 50 | ||||
32 - 34 | 55 | 8 | |||
36 - 40 | 63 | ||||
42 - 44 | 68 | ||||
45 - 50 | 78 | ||||
51 - 54 | 85 | ||||
55 - 60 | 95 | ||||
61 - 65 | 100 | 10 | |||
66 - 70 | 105 | ||||
Условное обозначение шва сварного соединения | Конструктивные элементы | e, не более | g (пред. откл. + 2) | ||
подготовленных кромок свариваемых деталей | шва сварного соединения | ||||
У24 | ![]() | ![]() | 10 - 14 | 25 | 6 |
16 - 20 | 41 | ||||
![]() | 22 - 24 | 48 | |||
26 - 30 | 50 | ||||
32 - 34 | 55 | 8 | |||
36 - 40 | 63 | ||||
42 - 44 | 68 | ||||
45 - 50 | 78 | ||||
51 - 54 | 85 | ||||
55 - 60 | 95 | ||||
61 - 65 | 100 | 10 | |||
66 - 70 | 105 | ||||
.Условное обозначение шва сварного соединения | Конструктивные элементы | S | e | g (пред. откл. + 2) | ||
подготовленных кромок свариваемых деталей | шва сварного соединения | не более | ||||
У25 | ![]() | Исполнение 1 | 4 - 6 | 20 | 14 | 4 |
![]() | ||||||
Исполнение 1 | ||||||
![]() | ||||||
8 - 10 | ||||||
12 - 14 | 30 | 18 | 6 | |||
16 - 18 | ||||||
20 - 24 | 38 | 26 | ||||
26 - 28 | ||||||
30 - 32 | 46 | |||||
34 - 36 | 8 | |||||
38 - 40 | 54 | |||||
42 - 44 | ||||||
Условное обозначение шва сварного соединения | Конструктивные элементы | S | e, не более | g (пред. откл. + 2) | |
подготовленных кромок свариваемых деталей | шва сварного соединения | ||||
С1 | ![]() | ![]() | 70 - 74 | 52 | 2,5 |
76 - 80 | 56 | ||||
82 - 86 | 60 | ||||
88 - 92 | 64 | ||||
94 - 96 | 68 | ||||
98 - 102 | 72 | ||||
104 - 108 | 76 | ||||
110 - 114 | 80 | ||||
116 - 120 | 84 | ||||
Толщина стенки сосуда или аппарата, S | 4 | 6 | 8 - 10 | 12 - 14 | 16 - 18 | 20 - 24 | 26 - 38 | 40 - 70 | 75 - 80 | 85 - 90 | 95 - 100 | 110 - 120 |
Толщина стенки патрубка, | 3 | 4 | 5 | 6 | 8 | 10 | 12 | 14 | 16 | 18 | 20 | 24 |
Свариваемые элементы | |||||
Диаметр люков, штуцеров и муфт, мм | Исполнение приварки | Диаметр сосудов и аппаратов, мм | Днища | Трубопроводы | |
до 800 | 800 и более | ||||
до 100 вкл. | Без укрепления отверстия | У4, У5, У6, У7, У23, У24 | У4, У5, У8, У9, У10, У11, У12, У15 У16, У23, У24, У25, У9а, У10а | У4, У5, У8, У9, У10, У11, У12, У15, У16, У21, У22, У23, У24, У25, У9а, У10а | У4-1, У5-1, У23, У24 |
более 100 | Без укрепления отверстия | У4, У5, У6, У7 | У4, У5, У8, У9,У11,У12, У13, У14, У16 | У4, У5, У8, У9, У10, У11, У12, У13, У14, У16, У21, У22, С1 | У4-1, У5-1 |
С укреплением отверстия | У3, У20 | У17, У18, У19, У20 | У17, У18, У19, У20 | ||
Методы контроля | Условное обозначение типа сварного соединения |
Радиографический | У3, У4, У5, У6, У7, У11, У12, У13, У14, У16, У17, У18, У19, У21, У22, У23,У24, С1 |
Ультразвуковая дефектоскопия | У4, У6, У7, У11, У12, У13, У14, У15, У16, У21, У22, У23, С1 |
по РД 26-11-01-85 швов, неэффективных для контроля радиографией и ультразвуковой дефектоскопией | У1, У2, У8, У9а, У9, У10а, У10, У20, У25 |