Главная // Актуальные документы // ПНСТ (Предварительный национальный стандарт)СПРАВКА
Источник публикации
М.: Стандартинформ, 2017
Примечание к документу
Документ утратил силу в связи с истечением срока действия, установленного
Приказом Росстандарта от 24.10.2017 N 19-пнст.
Документ
введен в действие с 01.07.2018 на период по 01.07.2020 (
Приказ Росстандарта от 24.10.2017 N 19-пнст).
Название документа
"ПНСТ 218-2017. Предварительный национальный стандарт Российской Федерации. Техника авиационная. Системы гидравлические. Патрубки, наконечники с внешним конусом, для внутренней развальцовки"
(утв. и введен в действие Приказом Росстандарта от 24.10.2017 N 19-пнст)
"ПНСТ 218-2017. Предварительный национальный стандарт Российской Федерации. Техника авиационная. Системы гидравлические. Патрубки, наконечники с внешним конусом, для внутренней развальцовки"
(утв. и введен в действие Приказом Росстандарта от 24.10.2017 N 19-пнст)
Утвержден и введен в действие
по техническому регулированию
и метрологии
от 24 октября 2017 г. N 19-пнст
ПРЕДВАРИТЕЛЬНЫЙ НАЦИОНАЛЬНЫЙ СТАНДАРТ РОССИЙСКОЙ ФЕДЕРАЦИИ
ТЕХНИКА АВИАЦИОННАЯ
СИСТЕМЫ ГИДРАВЛИЧЕСКИЕ
ПАТРУБКИ, НАКОНЕЧНИКИ С ВНЕШНИМ КОНУСОМ,
ДЛЯ ВНУТРЕННЕЙ РАЗВАЛЬЦОВКИ
Aviation equipment. Hydraulic systems. Branch pipes, tips
with outer cone, for internal expansion
(SAE AS 5529, NEQ)
ПНСТ 218-2017
Срок действия
с 1 июля 2018 года
до 1 июля 2020 года
1 РАЗРАБОТАН Федеральным Государственным Бюджетным Учреждением "Национальный исследовательский центр "Институт имени Н.Е. Жуковского" (ФГБУ "НИЦ "Институт имени Н.Е. Жуковского")
2 ВНЕСЕН Техническим комитетом по стандартизации ТК 323 "Авиационная техника"
3 УТВЕРЖДЕН И ВВЕДЕН В ДЕЙСТВИЕ
Приказом Федерального агентства по техническому регулированию и метрологии от 24 октября 2017 г. N 19-пнст
4 Настоящий стандарт разработан с учетом основных нормативных положений международного документа SAE AS 5529 "Патрубки, наконечники с внешним конусом, для внутренней развальцовки" (SAE AS 5529 "Sleeve, Flareless Tube Fitting, Internally Swaged", NEQ)
Правила применения настоящего стандарта и проведения его мониторинга установлены в ГОСТ Р 1.16-2011 (разделы 5 и 6).
Федеральное агентство по техническому регулированию и метрологии собирает сведения о практическом применении настоящего стандарта. Данные сведения, а также замечания и предложения по содержанию стандарта можно направить не позднее чем за 4 мес. до истечения срока его действия разработчику настоящего стандарта по адресу: 125167, Москва, ул. Викторенко, 7 и/или в Федеральное агентство по техническому регулированию и метрологии по адресу: 109074 Москва, Китайгородский проезд, 7, стр. 1.
В случае отмены настоящего стандарта соответствующая информация будет опубликована в ежемесячном информационном указателе "Национальные стандарты" и также будет размещена на официальном сайте Федерального агентства по техническому регулированию и метрологии в сети Интернет (www.gost.ru)
В целях развития промышленного производства и увеличения доли участия на международном рынке российской авиационной техники гражданского назначения важным условием является обеспечение соответствия создаваемой продукции наилучшим принятым на международном уровне требованиям и нормам.
Настоящий предварительный национальный стандарт разработан с учетом основных нормативных положений SAE AS 5529. SAE AS 5529 наряду с другими стандартами Международного сообщества автомобильных инженеров (Society of Automotive Engineers, SAE International), устанавливающих требования к конструкции и размерам соединительных деталей трубопроводов гидравлических систем, применяемых в аэрокосмической отрасли, имеет положительный опыт успешного применения в международной практике авиастроения.
В целях приведения в соответствие с требованиями основополагающих стандартов национальной системы стандартизации Российской Федерации и российского законодательства текст настоящего стандарта по сравнению с исходным текстом SAE AS 5529 имеет технические отклонения и различия по форме представления, в том числе изменено графическое представление конструкции детали, значения величин выражены в единицах СИ (кроме случаев, установленных
Постановлением Правительства Российской Федерации от 31 октября 2009 г. N 879 "Об утверждении Положения о единицах величин, допускаемых к применению в Российской Федерации"), перечислены установленные в Российской Федерации технические условия, требования к маркировке, термообработке, покрытию деталей.
Учитывая объем изменений по сравнению с исходным текстом SAE AS 5529, настоящий стандарт разработан в целях предварительной апробации установленных в нем требований, накопления дополнительной информации об объекте стандартизации посредством производства и проведения необходимых испытаний данного объекта.
Настоящий стандарт устанавливает требования к патрубкам, наконечникам с внешним конусом, их термической обработке, защитным покрытиям, чистоте поверхности, маркировке.
В настоящем стандарте представлены таблицы типовых размеров труб.
В настоящем стандарте использованы нормативные ссылки на следующие стандарты:
ГОСТ 26.020 Шрифты для средств измерений и автоматизации. Начертания и основные размеры
ГОСТ 5949 Сталь сортовая и калиброванная коррозионно-стойкая, жаростойкая и жаропрочная. Технические условия
Примечание - При пользовании настоящим стандартом целесообразно проверить действие ссылочных стандартов в информационной системе общего пользования - на официальном сайте Федерального агентства по техническому регулированию и метрологии в сети Интернет или по ежегодному информационному указателю "Национальные стандарты", который опубликован по состоянию на 1 января текущего года, и по выпускам ежемесячного информационного указателя "Национальные стандарты" за текущий год. Если заменен ссылочный стандарт, на который дана недатированная ссылка, то рекомендуется использовать действующую версию этого стандарта с учетом всех внесенных в данную версию изменений. Если заменен ссылочный стандарт, на который дана датированная ссылка, то рекомендуется использовать версию этого стандарта с указанным выше годом утверждения (принятия). Если после утверждения настоящего стандарта в ссылочный стандарт, на который дана датированная ссылка, внесено изменение, затрагивающее положение, на которое дана ссылка, то это положение рекомендуется применять без учета данного изменения. Если ссылочный стандарт отменен без замены, то положение, в котором дана ссылка на него, рекомендуется применять в части, не затрагивающей эту ссылку.
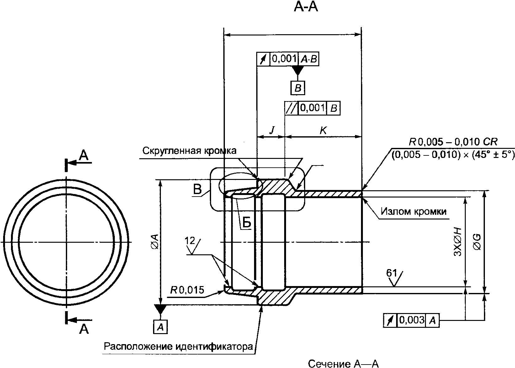
3.1 Конструкция и размеры наконечников должны соответствовать указанным на
рисунке 1 и в
таблицах 1 -
2.
Б
Увеличенное изображение
Увеличенное изображение (вид A)
В
Увеличенное изображение для размеров от 04 до 16
Увеличенное изображение (вид B, размеры от 04 до 16)
В
Увеличенное изображение для размеров от 20 до 24
Увеличенное изображение (вид B, размеры от 20 до 24)
Рисунок 1 - Конструкция наконечников
Таблица 1
Базовый размер детали (по размеру наибольшего наконечника) | Номинальный размер трубы, мм | A +0,025 -0,051, мм | B Базовый диаметр, мм | C +/- 0,063, мм | D +/- 0,051, мм | E +/- 0,051, мм | G +0,025 -0,051, мм | H +0,051 -0,025, мм | J +0,000 -0,127, мм | K +0,000 -0,127, мм | M, мм | N, мм |
04 | 6,350 | 9,423 | 7,4422 | 7,849 | 0,305 | 0,203 | 7,493 | 6,502 | 4,877 | 5,639 | 4,953 | 7,874 |
05 | 7,925 | 11,024 | 9,0424 | 9,449 | 0,305 | 0,203 | 9,169 | 8,077 | 5,258 | 7,366 | 4,953 | 7,874 |
06 | 9,525 | 12,446 | 10,5664 | 10,947 | 0,305 | 0,203 | 10,668 | 9,677 | 5,461 | 8,128 | 5,207 | 8,382 |
08 | 12,700 | 17,018 | 14,2240 | 15,011 | 0,305 | 0,203 | 13,894 | 12,878 | 4,166 | 10,668 | 5,334 | 8,636 |
10 | 15,875 | 19,964 | 17,4244 | 18,212 | 0,330 | 0,203 | 17,348 | 16,053 | 4,877 | 11,100 | 5,664 | 9,271 |
12 | 19,050 | 24,384 | 20,5739 | 21,387 | 0,381 | 0,254 | 20,777 | 19,228 | 3,734 | 10,338 | 4,953 | 8,382 |
16 | 25,400 | 30,734 | 26,9747 | 27,737 | 0,406 | 0,254 | 27,076 | 25,578 | 3,734 | 11,633 | 4,953 | 8,382 |
20 | 31,750 | 37,338 | 33,4263 | 34,265 | - | - | 33,503 | 31,953 | 3,353 | 11,684 | - | - |
24 | 38,100 | 43,434 | 39,7509 | 40,640 | - | - | 39,852 | 38,430 | 3,353 | 11,684 | - | - |
Таблица 2
Типоразмеры
L -
Z и масса
Базовый размер детали (по размеру наибольшего наконечника) | L град. реф. | P, мм | S +0,000 -0,254, мм | U, мм | Y +/- 0,127, мм | Z +0,000 -0,127, мм | Вес LB/EA приближ, кг | Масса 100 шт. LB/EA приближ, кг |
04 | 3,30 | 14,072 | 1,270 | 3,810 | 2,667 | 3,556 | 0,0023 | 0,2268 |
05 | 3,20 | 16,180 | 1,270 | 4,623 | 2,667 | 3,556 | 0,0027 | 0,2722 |
06 | 2,30 | 17,069 | 1,270 | 5,410 | 2,591 | 3,480 | 0,0032 | 0,3175 |
08 | 5,60 | 19,660 | 1,524 | 7,264 | 3,556 | 4,826 | 0,0064 | 0,6350 |
10 | 5,20 | 20,930 | 1,524 | 8,915 | 3,556 | 4,953 | 0,0086 | 0,8618 |
12 | 5,30 | 19,025 | 2,286 | 10,516 | 3,607 | 4,953 | 0,0113 | 1,1340 |
16 | 4,00 | 20,320 | 2,286 | 13,792 | 3,505 | 4,953 | 0,0150 | 1,4969 |
20 | - | 20,117 | 2,286 | 17,094 | 3,429 | 5,080 | 0,0150 | 1,4969 |
24 | - | 19,990 | 2,286 | 20,320 | 3,556 | 4,953 | 0,0200 | 1,9958 |
3.2 Для деталей следует применять следующий материал: сталь 07Х16Н6 по
ГОСТ 5949.
3.3 Для деталей следует применять покрытие Хим. Пас.
3.5 Допуски на линейные размеры составляют +/- 0,1 мм.
Допуски на угловые размеры составляют +/- 0,30°.
Острые кромки следует притупить на величину от 0,1 до 0,3 мм, если не указано иное.
Если не указано иное, шероховатость сферической части контактной поверхности не должна превышать Ra 0,32, шероховатость остальных поверхностей - Ra 1,25.
Условное обозначение наконечника типоразмера 08 из стали 07Х16Н6:
Пример - Наконечник 8-Н ГОСТ 5529-2016.