Главная // Актуальные документы // ПНСТ (Предварительный национальный стандарт)СПРАВКА
Источник публикации
М.: Стандартинформ, 2019
Примечание к документу
Документ утратил силу с 01.07.2022 в связи с истечением срока действия, установленного
Приказом Росстандарта от 16.05.2019 N 14-пнст. Взамен введен в действие
ГОСТ Р 70454-2022, утв. Приказом Росстандарта от 30.11.2022 N 1412-ст.
Документ
введен в действие с 01.07.2019 на период по 01.07.2022 (
Приказ Росстандарта от 16.05.2019 N 14-пнст).
Название документа
"ПНСТ 325-2019. Предварительный национальный стандарт Российской Федерации. Дороги автомобильные общего пользования. Смеси щебеночно-гравийно-песчаные, обработанные органическими вяжущими. Технические условия"
(утв. и введен в действие Приказом Росстандарта от 16.05.2019 N 14-пнст)
"ПНСТ 325-2019. Предварительный национальный стандарт Российской Федерации. Дороги автомобильные общего пользования. Смеси щебеночно-гравийно-песчаные, обработанные органическими вяжущими. Технические условия"
(утв. и введен в действие Приказом Росстандарта от 16.05.2019 N 14-пнст)
Утвержден и введен в действие
агентства по техническому
регулированию и метрологии
от 16 мая 2019 г. N 14-пнст
ПРЕДВАРИТЕЛЬНЫЙ НАЦИОНАЛЬНЫЙ СТАНДАРТ РОССИЙСКОЙ ФЕДЕРАЦИИ
ДОРОГИ АВТОМОБИЛЬНЫЕ ОБЩЕГО ПОЛЬЗОВАНИЯ
СМЕСИ ЩЕБЕНОЧНО-ГРАВИЙНО-ПЕСЧАНЫЕ,
ОБРАБОТАННЫЕ ОРГАНИЧЕСКИМИ ВЯЖУЩИМИ
ТЕХНИЧЕСКИЕ УСЛОВИЯ
Automobile roads of general use.
Mixtures of crushed stones, gravel and sand,
treated with organic binders. Specifications
ПНСТ 325-2019
Срок действия
с 1 июля 2019 года
до 1 июля 2022 года
1 РАЗРАБОТАН Обществом с ограниченной ответственностью "Центр метрологии, испытаний и стандартизации" (ООО "ЦМИиС")
2 ВНЕСЕН Техническим комитетом по стандартизации ТК 418 "Дорожное хозяйство"
3 УТВЕРЖДЕН И ВВЕДЕН В ДЕЙСТВИЕ
Приказом Федерального агентства по техническому регулированию и метрологии от 16 мая 2019 г. N 14-пнст
Правила применения настоящего стандарта и проведения его мониторинга установлены в ГОСТ Р 1.16-2011 (разделы 5 и 6).
Федеральное агентство по техническому регулированию и метрологии собирает сведения о практическом применении настоящего стандарта. Данные сведения, а также замечания и предложения по содержанию стандарта можно направить не позднее чем за 4 мес до истечения срока его действия разработчику настоящего стандарта по адресу: tk418@bk.ru и/или в Федеральное агентство по техническому регулированию и метрологии по адресу: 109074 Москва, Китайгородский проезд, д. 7, стр. 1.
В случае отмены настоящего стандарта соответствующая информация будет опубликована в ежемесячном информационном указателе "Национальные стандарты" и также будет размещена на официальном сайте Федерального агентства по техническому регулированию и метрологии в сети Интернет (www.gost.ru)
Настоящий стандарт распространяется на щебеночно-гравийно-песчаные смеси, обработанные органическими вяжущими, применяемые в конструктивных слоях при строительстве, ремонте и реконструкции автомобильных дорог общего пользования, и устанавливает технические требования к ним.
Применение смесей, обработанных органическим вяжущим, рекомендуется во II - V дорожно-климатических зонах.
В настоящем стандарте использованы нормативные ссылки на следующие стандарты:
ГОСТ 12.1.007 Система стандартов безопасности труда. Вредные вещества. Классификация и общие требования безопасности
ГОСТ 166 (ИСО 3599-76) Штангенциркули. Технические условия
ГОСТ 9179 Известь строительная. Технические условия
ГОСТ 11955 Битумы нефтяные дорожные жидкие. Технические условия
ГОСТ 30108 Материалы и изделия строительные. Определение удельной эффективной активности естественных радионуклидов
ГОСТ 32703 Дороги автомобильные общего пользования. Щебень и гравий из горных пород. Технические требования
ГОСТ 32730 Дороги автомобильные общего пользования. Песок дробленый. Технические требования
ГОСТ 32761 Дороги автомобильные общего пользования. Порошок минеральный. Технические требования
ГОСТ 32824 Дороги автомобильные общего пользования. Песок природный. Технические требования
ГОСТ 33029 Дороги автомобильные общего пользования. Щебень и гравий из горных пород. Определение гранулометрического состава
ГОСТ 33133 Дороги автомобильные общего пользования. Битумы нефтяные дорожные вязкие. Технические требования
ГОСТ 33174 Дороги автомобильные общего пользования. Цемент. Технические требования
ГОСТ Р 52128 Эмульсии битумные дорожные. Технические условия
ГОСТ Р 55420 Дороги автомобильные общего пользования. Эмульсии битумные дорожные катионные. Технические условия
ПНСТ 327-2019 Дороги автомобильные общего пользования. Смеси щебеночно-гравийно-песчаные. Технические условия
Примечание - При пользовании настоящим стандартом целесообразно проверить действие ссылочных стандартов в информационной системе общего пользования - на официальном сайте Федерального агентства по техническому регулированию и метрологии в сети Интернет или по ежегодному информационному указателю "Национальные стандарты", который опубликован по состоянию на 1 января текущего года, и по выпускам ежемесячного информационного указателя "Национальные стандарты" за текущий год. Если заменен ссылочный стандарт, на который дана недатированная ссылка, то рекомендуется использовать действующую версию этого стандарта с учетом всех внесенных в данную версию изменений. Если заменен ссылочный стандарт, на который дана датированная ссылка, то рекомендуется использовать версию этого стандарта с указанным выше годом утверждения (принятия). Если после утверждения настоящего стандарта в ссылочный стандарт, на который дана датированная ссылка, внесено изменение, затрагивающее положение, на которое дана ссылка, то это положение рекомендуется применять без учета данного изменения. Если ссылочный стандарт отменен без замены, то положение, в котором дана ссылка на него, рекомендуется применять в части, не затрагивающей эту ссылку.
В настоящем стандарте применены следующие термины с соответствующими определениями:
3.1 щебеночно-гравийно-песчаная смесь: Искусственно приготовленная смесь из щебня и песка (щебеночно-песчаная смесь), гравия и песка (гравийно-песчаная смесь) или щебня, гравия и песка.
3.2 щебеночно-гравийно-песчаная смесь, обработанная органическим вяжущим: Искусственный материал, получаемый смешением щебеночно-гравийно-песчаных смесей (с возможным добавлением щебня, песка или минерального порошка) с органическим вяжущим и активными добавками (или без них) или органическим вяжущим совместно с минеральным на дороге или в смесительных установках.
3.3 партия: Количество обработанной щебеночно-гравийно-песчаной смеси одного состава, изготовленное в течение одной смены на одной смесительной установке, но не более 3000 т.
4.1 Основные показатели
4.1.1 Максимальный размер частиц минерального заполнителя обработанных смесей, применяемых в покрытиях автомобильных дорог, не должен превышать 31,5 мм, при этом содержание частиц крупнее 22,4 мм не должно превышать 15%.
4.1.2 Максимальный размер частиц минерального заполнителя обработанных смесей, применяемых в основаниях автомобильных дорог, не должен превышать 45 мм, при этом содержание частиц крупнее 31,5 мм не должно превышать 15%.
4.1.3 Требования к показателям качества смесей, обработанных вяжущими, представлены в таблице 1.
Таблица 1
Показатель | Значение показателя |
для слоя основания | для слоя покрытия |
Предел прочности при непрямом растяжении S, МПа, не менее | 0,20 | 0,30 |
Водостойкость, не менее | 0,5 | 0,6 |
Водонасыщение, % об.: | | |
- для образцов, изготовленных в лаборатории | От 3 до 12 | От 2 до 8 |
- для вырубок (кернов), не более | 12 | 8 |
Набухание, % об., не более | 2 | 2 |
Слеживаемость (для смесей только с жидкими органическими вяжущими), число ударов, не более | 10 | 10 |
Примечание - Допускается в обрабатываемую смесь добавлять минеральный порошок или иные заменяющие порошок материалы для повышения качества физико-механических показателей. |
4.1.4 Значение суммарной удельной эффективной активности естественных радионуклидов Aэфф не должно превышать следующих значений:
- 740 Бк/кг - для дорожного строительства без ограничений;
- 1500 Бк/кг - для дорожного строительства вне населенных пунктов и зон перспективной застройки.
5 Требования к материалам
5.1 Требования к минеральным материалам
5.1.1 Для приготовления смесей применяют следующие материалы:
- смеси щебеночно-гравийно-песчаные, смеси щебеночно-песчаные, смеси гравийно-песчаные по ПНСТ 327-2019;
5.1.2 Содержание глинистых частиц в дробленом песке, входящем в состав смесей, определяемых методом набухания, не должно превышать 1% массы песка.
5.2 Требования к вяжущим материалам
В качестве вяжущих для приготовления щебеночно-гравийно-песчаных смесей, обработанных органическими вяжущими, применяют следующие материалы:
- битумы нефтяные дорожные жидкие по
ГОСТ 11955 с условной вязкостью не более 100 с;
- другие органические вяжущие (карбамидоформальдегидные смолы, битумные пасты, высокосмолистые нефти и др.), соответствующие требованиям нормативных документов и обеспечивающие получение обработанных смесей, соответствующих требованиям настоящего стандарта.
5.3 Требования к добавкам
5.3.1 В качестве минеральных активных добавок применяют цемент по
ГОСТ 33174 и известь по
ГОСТ 9179.
5.3.2 В качестве активных добавок применяют поверхностно-активные вещества (ПАВ) или продукты, содержащие ПАВ, соответствующие требованиям нормативных документов.
5.4 Материалы, применяемые при обработке смесей, по степени воздействия на организм человека (в зависимости от класса опасности) не должны превышать указанных значений по
ГОСТ 12.1.007.
6.1 Материалы, применяемые при обработке смесей, должны быть подвергнуты входному контролю изготовителем в соответствии с распространяющимися на них нормативными документами на соответствие требованиям, указанным в
разделе 5.
6.2 Обработанные смеси должны быть приняты техническим контролем изготовителя.
6.3 Приемку обработанных смесей проводят партиями.
6.4 Проверку соответствия обработанных смесей настоящему стандарту проводят путем осуществления приемо-сдаточных и периодических испытаний.
6.5 Приемо-сдаточные испытания
При приемо-сдаточных испытаниях определяют:
- водонасыщение;
- набухание.
6.6 Периодические испытания
При периодических испытаниях определяют:
- зерновой состав минеральной части смеси до обработки вяжущим - не менее одного раза в 15 сут;
- предел прочности при непрямом растяжении - не менее одного раза в 15 сут;
- водостойкость - не менее одного раза в месяц;
- слеживаемость (для смесей только с жидкими органическими вяжущими) - не менее одного раза в месяц;
- удельную эффективную активность естественных радионуклидов - один раз в полгода.
6.7 Каждую партию обработанной смеси необходимо сопровождать документом о качестве, который должен содержать:
- наименование изготовителя;
- номер и дату выдачи документа;
- назначение обработанной смеси;
- вид вяжущего (ПАВ, активные минеральные добавки);
- значение водонасыщения;
- значение набухания;
- значение предела прочности при непрямом растяжении;
- значение водостойкости;
- значение слеживаемости (для смесей только с жидкими органическими вяжущими, применяемых в слоях покрытия);
- значение удельной эффективной активности естественных радионуклидов;
- обозначение настоящего стандарта.
7.1 Изготовление образцов проводят в соответствии с
приложением А.
7.2 Водонасыщение и набухание определяют в соответствии с
приложением Б.
7.3 Предел прочности при непрямом растяжении и водостойкость определяют в соответствии с
приложением В.
7.5 Зерновой состав смеси определяют в соответствии с
ГОСТ 33029 с применением сит с размером ячеек 45; 31,5; 22,4; 16; 11,2; 8; 5,6; 4; 2; 1; 0,5 мм.
7.6 Удельную эффективную активность естественных радионуклидов определяют по
ГОСТ 30108. Значение удельной эффективной активности естественных радионуклидов принимают по максимальному значению удельной эффективной активности естественных радионуклидов материала, применяемого при обработке смеси.
7.7 В
приложении Д представлены рекомендации по применению щебеночно-гравийно-песчаных смесей, обработанных органическими вяжущими.
8 Транспортирование и хранение
8.1 Щебеночно-гравийно-песчаные смеси, обработанные органическими вяжущими, приготавливаемые в установках, транспортируют к месту укладки автомобильным транспортом.
8.2 Щебеночно-гравийно-песчаные смеси, обработанные жидкими или эмульгированными органическими вяжущими, следует хранить на закрытых складах или под навесом. Допустимый срок хранения определяют опытным путем.
8.3 Щебеночно-гравийно-песчаные смеси, обработанные органическими вяжущими с добавкой минеральных вяжущих, хранению не подлежат.
(обязательное)
А.1 Средства контроля и вспомогательное оборудование:
- сборная форма для уплотнения, состоящая из основания формы, цилиндрической части и удлинительного кольца в соответствии с
рисунком А.1, при изготовлении образцов с максимальным размером минерального материала 31,5 мм;
- сборная форма для уплотнения, состоящая из основания формы, цилиндрической части и удлинительного кольца в соответствии с
рисунком А.2, при изготовлении образцов с максимальным размером минерального материала 45 мм;
- устройство для извлечения образца (выжимное устройство), позволяющее извлечь образец из формы без повреждения;
- уплотнительный молот для уплотнения образцов со скользящим грузом, схема которого представлена на
рисунке А.3. Технические характеристики молота в зависимости от крупности частиц уплотняемой смеси представлены в
таблице А.1;
- держатель, позволяющий жестко закреплять и удерживать сборную форму в ходе всего цикла уплотнения образца. Держатель формы устанавливается на опорной стойке таким образом, чтобы центр сборной формы находился по центру стойки;
- сушильный шкаф, способный создавать и поддерживать температуру до 160 °C, с погрешностью не более 5 °C;
- смесительное оборудование с емкостью достаточного объема, обеспечивающее равномерное смешение требуемого количества материала;
- термометр диапазоном измерения температуры от 0 °C до 200 °C, с ценой деления не более 2 °C;
- лабораторные весы с ценой деления не более 0,1 г и максимальным пределом взвешивания не менее 2000 г;
- лабораторные весы с ценой деления 1 г и максимальным пределом взвешивания не менее 5000 г;
- вспомогательное оборудование.
1 - удлинительное кольцо; 2 - цилиндрическая часть формы;
3 - основание формы
Рисунок А.1 - Сборная форма для уплотнения образцов
с максимальным размером минерального материала 31,5 мм
1 - удлинительное кольцо; 2 - цилиндрическая часть формы;
3 - основание формы
Рисунок А.2 - Сборная форма для уплотнения образцов
с максимальным размером минерального материала 45 мм
1 - скользящий груз; 2 - стержень; 3 - пружина
Рисунок А.3 - Схема уплотнительного молота
Крупность зерен смеси, мм | Масса груза, г | Высота хода свободного падения, мм |
До 31,5 | 4535 +/- 15 | 457 +/- 2 |
До 45 | 10210 +/- 20 |
А.2 Порядок выполнения
А.2.1 Щебеночно-гравийно-песчаную смесь высушивают до достижения постоянной массы при температуре (110 +/- 5) °C.
А.2.2 Смесь и органическое вяжущее в отдельных емкостях разогревают в сушильном шкафу до температуры смешения.
Примечания
1 Температура смешения и уплотнения зависит от вида применяемого органического вяжущего:
- при применении эмульсии смесь и органическое вяжущее не нагревают;
- при применении жидкого битума смесь и органическое вяжущее нагревают до значений температур, указанных в
ГОСТ 11955;
- при применении вязкого битума смесь и органическое вяжущее нагревают до 140 °C - 160 °C.
2 Минеральный порошок, минеральные активные добавки не нагревают.
А.2.3 Помещают нагретую смесь в емкость смесительного оборудования, добавляют минеральный порошок и минеральные активные добавки (если это предусмотрено рецептом) и проводят перемешивание. Формируют лунку в сухой смеси и добавляют требуемое количество нагретого вяжущего. Проводят смешение до получения однородного состояния. Температура смешиваемых компонентов должна быть в пределах температуры смешения в процессе всего периода перемешивания.
А.2.4 Нагрев сборной формы для уплотнения образцов осуществляют до температуры смешения в зависимости от вида применения органического вяжущего.
А.2.5 В сборную форму для уплотнения образцов помещают лист неабсорбирующей бумаги, обрезанный до размеров внутреннего диаметра формы, после чего засыпают обработанную смесь. Ориентировочная масса навески для изготовления образца диаметром 100 мм - (1100 +/- 100) г, для изготовления образца диаметром 150 мм - (4600 +/- 200) г.
А.2.6 Штыкуют смесь штыковкой 15 раз по периметру и 10 раз по внутренней площади формы.
А.2.7 Помещают поверх смеси лист неабсорбирующей бумаги, обрезанный до размеров внутреннего диаметра формы.
А.2.8 Ставят сборную форму со смесью на стойку уплотнителя и фиксируют в держателе формы. Проводят уплотнение 50 ударами уплотнительного молота. В процессе уплотнения следует следить за тем, чтобы ось уплотнительного молота находилась перпендикулярно к основанию сборной формы.
А.2.9 По окончании уплотнения снимают форму со стойки уплотнителя, убирают удлинительное кольцо и основание формы. После этого переворачивают сборную форму, закрепляют в держателе и повторяют процедуру уплотнения с идентичным числом ударов уплотнительного молота.
А.2.10 Снимают основание формы и помещают в устройство для извлечения образца.
А.2.11 Высота извлеченных образцов должна соответствовать требованиям таблицы А.2.
Таблица А.2
В миллиметрах
Диаметр образца | Высота образца |
100 | 63,5 +/- 2,5 |
150 | 95,2 +/- 2,5 |
А.2.12 Образцы из смесей с вязкими и жидкими органическими вяжущими, не содержащими в своем составе воду и минеральные вяжущие, испытывают через сутки. Образцы из смесей с эмульгированными вяжущими (в том числе приготовленными совместно с минеральными вяжущими) испытывают через 14 сут.
Примечание - Образцы из обработанных смесей, не содержащих в своем составе добавку минеральных вяжущих, хранят при температуре (22 +/- 3) °C. Образцы из обработанных смесей, содержащих в своем составе добавку минеральных вяжущих, хранят при температуре (20 +/- 2) °C и относительной влажности не менее 95%.
(обязательное)
ОПРЕДЕЛЕНИЕ ВОДОНАСЫЩЕНИЯ И НАБУХАНИЯ
Б.1 Средства контроля и вспомогательное оборудование:
- лабораторные весы с возможностью гидростатического взвешивания, с ценой деления не более 0,1 г и максимальным пределом взвешивания не менее 2000 г (при испытаниях образцов диаметром 100 мм);
- лабораторные весы с возможностью гидростатического взвешивания, с ценой деления не более 1 г и максимальным пределом взвешивания не менее 5000 г (при испытаниях образцов диаметром 150 мм);
- вакуумная установка с возможностью создавать и поддерживать давление не более 2000 Па;
- термометр с погрешностью измерения не более 1 °C в диапазоне измеряемых температур от 10 °C до 35 °C;
- сетчатая (перфорированная) корзина для гидростатического взвешивания;
- емкость для воды объемом не менее 5 л и с решеткой на дне.
Б.2 Требования к условиям измерений
При выполнении измерений соблюдают следующие условия для помещений:
- температура - (22 +/- 3) °C;
- относительная влажность - (55 +/- 10)%.
Б.3 Подготовка к выполнению измерений
Изготовление испытуемых образцов осуществляют в соответствии с
приложением А.
Б.4 Проведение измерений
Б.4.1 Образец взвешивают на воздухе и записывают его массу как
m1.
Б.4.2 Погружают образец в емкость с водой, температура которой составляет (21 +/- 2) °C на (4 +/- 1) мин, взвешивают в воде и записывают его массу как m2.
Б.4.3 Извлекают испытуемый образец из емкости с водой, обтирают влажным полотенцем в течение не более 5 с, взвешивают на воздухе и записывают его массу как
m3. Вода, стекающая с образца во время взвешивания на весы, считается частью массы насыщенного водой образца.
Б.4.4 Повторяют операции в соответствии с
Б.4.1 -
Б.4.3 для остальных образцов.
Б.4.5 Испытуемые образцы снова помещают в емкость с водой температурой (21 +/- 2) °C таким образом, чтобы уровень воды над испытуемыми образцами был не менее 30 мм и испытуемые образцы не соприкасались друг с другом.
Б.4.6 Емкость с испытуемыми образцами устанавливают в вакуумную установку, где создают и поддерживают давление (2000 +/- 100) Па в течение:
- (60 +/- 5) мин - для образцов из смесей с вязкими органическими вяжущими;
- (30 +/- 5) мин - для образцов из остальных смесей.
Б.4.7 Давление доводят до атмосферного, испытуемые образцы выдерживают в той же емкости в воде температурой (21 +/- 2) °C в течение (30 +/- 5) мин.
Б.4.8 По истечении заданного времени каждый испытуемый образец взвешивают в воде и записывают массу как m5.
Б.4.9 Обтирают их влажным полотенцем в течение не более 5 с и взвешивают на воздухе, записывая массу каждого испытуемого образца как m4. Всю воду, стекающую с испытуемого образца во время взвешивания, считают частью массы образца.
Б.5 Обработка результатов измерений
Водонасыщение W, %, вычисляют по формуле

(Б.1)
где m4 - масса насыщенного водой образца, взвешенного на воздухе, г;
m1 - масса образца, взвешенного на воздухе, г;
m3 - масса образца, выдержанного в течение (4 +/- 1) мин в воде и взвешенного на воздухе, г;
m2 - масса образца, выдержанного в течение (4 +/- 1) мин в воде и взвешенного в воде, г.
За результат определения водонасыщения принимают (округленное до первого десятичного знака) среднеарифметическое значение трех определений.
Набухание H, %, вычисляют по формуле

(Б.2)
где m5 - масса насыщенного водой образца, взвешенного в воде, г.
За результат определения набухания принимают (округленное до первого десятичного знака) среднеарифметическое значение трех определений.
(обязательное)
ОПРЕДЕЛЕНИЕ ПРЕДЕЛА ПРОЧНОСТИ
ПРИ НЕПРЯМОМ РАСТЯЖЕНИИ И ВОДОСТОЙКОСТИ
В.1 Средства контроля и вспомогательное оборудование:
- водяной термостат, способный создавать и поддерживать температуру (60 +/- 1) °C;
- вакуумная установка с возможностью создавать и поддерживать давление не более 2000 Па;
- морозильная камера, способная создавать и поддерживать температуру минус (18 +/- 3) °C;
- пресс с максимальной нагрузкой не менее 50 кН, способный поддерживать постоянную скорость деформации (50 +/- 0,5) мм/мин, с автоматической регистрацией значений деформации и нагрузки;
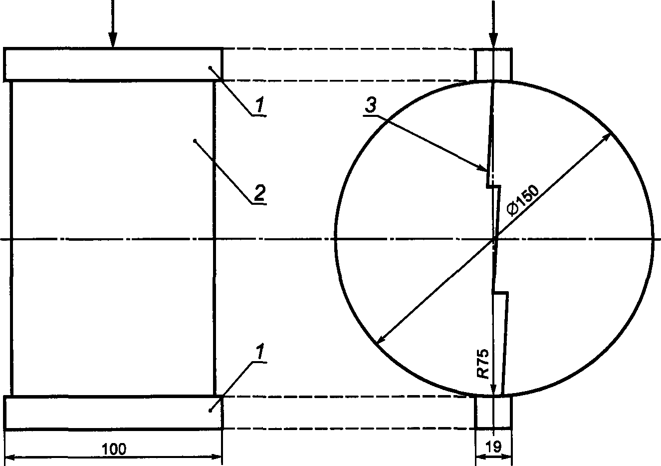
- нагрузочные пластины (см.
рисунок В.1), через которые передается нагрузка на образец, должны быть длиной не менее 100 мм, шириной (19,0 +/- 0,1) мм и радиусом кривизны рабочей поверхности (75,0 +/- 0,5) мм, если испытания проводят на образцах диаметром 150 мм. Если испытания проводят на образцах диаметром 100 мм, то необходимо применять нагрузочные пластины длиной не менее 70 мм, шириной (12,7 +/- 0,1) мм и радиусом кривизны рабочей поверхности (50,0 +/- 0,5) мм;
- герметичные полиэтиленовые пакеты, способные вместить испытуемые образцы;
- жидкостный термометр с пределом измерения не менее 30 °C и с ценой деления не более 1 °C.
1 - нагрузочная пластина; 2 - образец асфальтобетона;
3 - образующаяся после нагружения вертикальная трещина
Рисунок В.1 - Схема испытания на определение предела
прочности при непрямом растяжении
В.2 Требования к условиям измерений
При выполнении измерений соблюдают следующие условия для помещений:
- температура - (22 +/- 3) °C;
- относительная влажность - (55 +/- 10)%.
В.3 Подготовка к выполнению измерений
Изготовление испытуемых образцов осуществляют в соответствии с
приложением А.
В.4 Проведение испытания
В.4.1 Для проведения испытания шесть подготовленных образцов делят на две группы, по три в каждой группе.
В.4.2 Образцы первой группы выдерживают на воздухе при температуре (22 +/- 3) °C в течение (24 +/- 3) ч, а затем помещают в герметичный полиэтиленовый пакет.
В.4.3 Образцы второй группы водонасыщают в вакуумной установке в соответствии с
приложением Б. Насыщенные водой образцы помещают в полиэтиленовые пакеты, каждый отдельно, и добавляют (10 +/- 1) мл воды. Образцы в плотно закрытых полиэтиленовых пакетах помещают в морозильную камеру при температуре минус (18 +/- 3) °C на срок не менее 16 ч. По прошествии указанного времени вынимают образцы из морозильной камеры и полиэтиленовых пакетов и помещают в водяной термостат при температуре (60 +/- 1) °C на (24 +/- 1) ч.
Примечание - Образцы из смесей с вязкими органическими вяжущими выдерживают под давлением (10 +/- 1) мин, образцов из остальных смесей - (5 +/- 1) мин. После доведения давления до атмосферного образцы в воде не выдерживают.
В.4.4 Далее образцы из первой группы в герметичных пакетах и из второй группы без пакетов помещают в воду температурой (25 +/- 1) °C на (120 +/- 10) мин. Уровень воды над поверхностью образцов должен составлять не менее 25 мм.
В.4.5 После термостатирования измеряют толщину каждого образца t и определяют максимальную нагрузку при сжатии P с использованием пресса и нагрузочных пластин. Нагрузку прикладывают вертикально по диаметральной оси образца.
В.5 Обработка результатов испытания
В.5.1 Для каждого испытуемого образца вычисляют предел прочности при непрямом растяжении S, кПа, по формуле

(В.1)
где P - максимальная нагрузка, Н;
t - толщина образца, мм;
D - диаметр образца, мм.
За результат определения предела прочности при непрямом растяжении принимают среднеарифметическое значение трех определений образцов первой группы.
В.5.2 Коэффициент водостойкости TSR вычисляют как отношение среднеарифметических значений пределов прочности при непрямом растяжении между второй и первой группой образцов по формуле

(В.2)
где S2 - среднеарифметическое значение предела прочности при непрямом растяжении образцов из второй группы, кПа;
S1 - среднеарифметическое значение предела прочности при непрямом растяжении образцов из первой группы, кПа.
(обязательное)
ОПРЕДЕЛЕНИЕ СЛЕЖИВАЕМОСТИ
Г.1 Средства контроля и вспомогательное оборудование:
- лабораторные весы с ценой деления не более 0,1 г и с максимальным пределом взвешивания не менее 2000 г;
- шкаф сушильный с возможностью создавать и поддерживать температуру (100 +/- 5) °C;
- форма для изготовления образцов в соответствии с
рисунком Г.1;
- секундомер или часы песочные для измерения временного отрезка (3,0 +/- 0,1) мин;
- прибор для определения слеживаемости в соответствии с
рисунком Г.2. Прибор состоит из основания с подставкой
1 для образца
2, с отверстием
3, штанги
6 и направляющей втулки
8. Во втулке свободно перемещается штанга с навинченным на нее конусным наконечником
4. Масса штанги с наконечником - (500 +/- 5) г. Угол в вершине конуса - (15,0 +/- 0,5) °C. По штанге свободно перемещается цилиндрический груз
5 массой (500 +/- 5) г. Высота подъема груза на штанге ограничена вверху упорным кольцом
7 и составляет (200 +/- 2) мм. В центре основания имеется отверстие для предохранения острия конуса от затупления. Для фиксации момента касания острия конуса нижней подставки в верхней части штанги нанесена риска
9.
1 - подставки; 2 - нижний вкладыш формы; 3 - стальной
стержень; 4 - цилиндрическая форма; 5 - образец;
6 - верхний вкладыш формы; 7 - сквозное отверстие; 8 - груз
Рисунок Г.1 - Форма для изготовления образцов
при определении слеживаемости
1 - подставка; 2 - образец; 3 - отверстие; 4 - конусный
наконечник; 5 - цилиндрический груз; 6 - штанга;
7 - упорное кольцо; 8 - направляющая втулка; 9 - риска
Рисунок Г.2 - Прибор для определения слеживаемости
Г.2 Требования к условиям измерений
При выполнении измерений соблюдают следующие условия для помещений:
- температура - (22 +/- 3) °C;
- относительная влажность - (55 +/- 10)%.
Г.3 Подготовка к выполнению измерений
Г.3.1 Для испытаний на слеживаемость изготовляют три образца.
Г.3.2 Уплотнение проводят при температуре приготовления смеси.
Г.3.3 Форму, нагретую до температуры (80 +/- 2) °C, устанавливают на две подставки, а нижний вкладыш со стержнем опускают в форму, как показано на
рисунке Г.1.
Г.3.4 Смесь в количестве 440 - 460 г засыпают через воронку в форму. Верхний вкладыш вводят в форму таким образом, чтобы стержень, укрепленный в нижнем вкладыше, свободно вошел в отверстие в верхнем вкладыше.
Г.3.5 Убирают подставки и на верхний вкладыш устанавливают груз, масса которого вместе с массой верхнего вкладыша должна быть (20,0 +/- 0,5) кг.
Г.3.6 Выдерживают смесь под нагрузкой в течение (3,0 +/- 0,1) мин, после чего груз снимают, форму поднимают и снимают с образца. Затем снимают с образца верхний вкладыш, а образец осторожно (двумя руками) снимают со стержня и переносят к месту хранения, где выдерживают при температуре воздуха (20 +/- 5) °C не менее 4 ч.
Примечание - Если образец после уплотнения сразу рассыпается, то следующий образец после снятия нагрузки выдерживают в форме не менее 4 ч при температуре (20 +/- 5) °C.
Г.3.7 Высота образца должна составлять (60 +/- 1) мм. Если высота образца не соответствует указанному значению, то требуемую массу m, г, смеси для формования образца вычисляют по формуле

(Г.1)
где h - требуемая высота образца, мм;
h1 - высота пробного образца, мм;
m1 - масса пробного образца, г.
Г.4 Проведение испытания
Г.4.1 Образец устанавливают на основание, а острие конуса, осторожно направляя рукой, вводят в отверстие образца.
Г.4.2 Груз поднимают до упорного кольца и опускают его.
Г.4.3 Удары груза по конусу повторяют до полного разрушения образца или до тех пор, пока острие конуса не коснется подставки. При испытании необходимо следить за тем, чтобы при поднятии груза конус не двигался.
Г.5 Обработка результатов испытания
За условный показатель слеживаемости холодной смеси принимают количество ударов, необходимое для полного разрушения образца конусом.
Показатель слеживаемости вычисляют как среднеарифметическое значение результатов испытания трех образцов. Расхождение между наибольшим и наименьшим результатами испытаний не должно превышать четырех ударов.
(рекомендуемое)
ОБЛАСТЬ ПРИМЕНЕНИЯ ЩЕБЕНОЧНО-ГРАВИЙНО-ПЕСЧАНЫХ СМЕСЕЙ,
ОБРАБОТАННЫХ ОРГАНИЧЕСКИМИ ВЯЖУЩИМИ
Вид материала | Интенсивность воздействия расчетной нагрузки, ед./сут | Конструктивный слой дороги |
Покрытие | Основание | Дополнительный слой основания |
Смеси, обработанные жидкими органическими вяжущими | 350 и менее | + | + | + |
Смеси, обработанные жидкими органическими вяжущими совместно с минеральными | 1000 и менее | - | - | + |
350 и менее | + | + | + |
Смеси, обработанные вязкими органическими вяжущими | 2000 и менее | - | - | + |
1000 и менее | - | + | + |
500 и менее | + | + | + |
Смеси, обработанные вязкими органическими вяжущими совместно с минеральными | 2000 и менее | - | + | + |
500 и менее | + | + | + |