Главная // Актуальные документы // МетодикаСПРАВКА
Источник публикации
М.: Издательство стандартов, 1983
Примечание к документу
Название документа
"МИ 242-82. Приборы автоматические следящего уравновешивания КСМ4, КСМ4И, КСП4, КСП4И, КСУ4. Методы и средства поверки"
"МИ 242-82. Приборы автоматические следящего уравновешивания КСМ4, КСМ4И, КСП4, КСП4И, КСУ4. Методы и средства поверки"
ГОСУДАРСТВЕННЫЙ КОМИТЕТ СССР ПО СТАНДАРТАМ
ПРИБОРЫ АВТОМАТИЧЕСКИЕ СЛЕДЯЩЕГО УРАВНОВЕШИВАНИЯ
КСМ4, КСМ4И, КСП4, КСП4И, КСУ4
МЕТОДЫ И СРЕДСТВА ПОВЕРКИ
МИ 242-82
Группа П75
Настоящая методика поверки распространяется на приборы автоматические следящего уравновешивания КСМ4, КСМ4И, КСП4, КСП4И, КСУ4 (в дальнейшем - КСМ4, КСМ4И - мосты; КСП4, КСП4И, КСУ4 - потенциометры) Государственной системы промышленных приборов и средств автоматизации (ГСП), выпускаемые по
ГОСТ 7164-78, и устанавливает методы и средства их первичной и периодической поверок.
Методика поверки составлена в соответствии с ГОСТ 8.280-78 "Потенциометры и уравновешенные мосты автоматические. Методы и средства поверки".
Допускается применять настоящую методику поверки для приборов автоматических следящего уравновешивания с метрологическими характеристиками, аналогичными вышеуказанным приборам.
1. ОПЕРАЦИИ ПОВЕРКИ И СРЕДСТВА ПОВЕРКИ
При проведении поверки следует выполнять операции и применять средства поверки, указанные в табл. 1.
Операция | Номер пункта МИ | Средство поверки и его нормативно-техническая характеристика |
| | |
2. Проверка электрической прочности изоляции | | Установка для испытания электрической прочности изоляции, удовлетворяющая требованиям ГОСТ 21657-76, например, типа УПУ-1М (мощностью не менее 0,25 kV·A на стороне высокого напряжения, выходное напряжение 1500 V) |
3. Определение электрического сопротивления изоляции | | Мегаомметр с номинальным напряжением 100 и 500 V, например, типа М1101М по ГОСТ 23706-79 |
4. Проверка рабочего тока измерительной цепи потенциометров | | |
5. Определение соответствия времени прохождения указателем всей шкалы (быстродействия) допускаемым значениям | | |
| | |
7. Проверка характера успокоения | | То же, что в п. 6 настоящей таблицы |
8. Определение соответствия основной погрешности показаний прибора допускаемым значениям | | То же, что в п. 6 настоящей таблицы |
9. Определение соответствия вариации показаний прибора допускаемым значениям | | То же, что в п. 6 настоящей таблицы; микроскоп МБС-1 |
10. Определение соответствия основной погрешности регистрации прибора допускаемым значениям | | То же, что в п. 6 настоящей таблицы; штангенциркуль с ценой деления 0,1 mm по ГОСТ 166-80 |
11. Проверка качества регистрации | | То же, что в п. 6 настоящей таблицы; микроскоп МБС-1 |
12. Проверка отклонения скорости перемещения диаграммной ленты от номинальных значений | | Секундомер электронный синхронный СЭС-2П с пределами измерений 0 - 10000 s; часы МПБ-2 по ГОСТ 7412-77 |
13. Определение соответствия основной погрешности выходного сигнала по каналам преобразования 0 - 5 mA, 0 - 10 V устройств ДПИН, ДПИН-Л, ДПИТ, ДПИТ-Л (расшифровка кратких обозначений встроенных устройств см. в примечании 3 к табл. 1) допускаемым значениям | | Цифровой вольтметр типа Щ1516 класса 0,02; измерительная катушка электрического сопротивления по ГОСТ 23737-79 класса 0,01 с номинальным сопротивлением 1 и  (например, Р 321) и 100 и  (например, Р 331) |
14. Определение соответствия вариации выходного сигнала по каналам преобразования 0 - 5 mA, 0 - 10 V устройств ДПИН, ДПИН-Л, ДПИТ, ДПИТ-Л допускаемым значениям | | То же, что в п. 13 настоящей таблицы |
15. Определение соответствия погрешности по каналу преобразования устройства РУД допускаемым значениям | | |
16. Определение соответствия вариации по каналу преобразования устройства РУД допускаемым значениям | | То же, что в п. 15 настоящей таблицы |
17. Определение соответствия погрешности по каналу регулирования устройства РЗ допускаемым значениям | | То же, что п. 6 настоящей таблицы; цифровой вольтметр Щ1516 класса 0,2; элемент по ГОСТ 3316-81 |
18. Определение соответствия вариации по каналу регулирования устройства РЗ допускаемым значениям | | То же, что в п. 17 настоящей таблицы |
| | ИС МЕГАНОРМ: примечание. Взамен ГОСТ 10374-82 Постановлением Госстандарта России от 30.03.1995 N 187 с 1 января 1996 года введен в действие ГОСТ 10374-93. | |
|
19. Определение соответствия погрешности по каналу сигнализации и регулирования устройств РУ, РУ*, УАС, РУПРЗ* допускаемым значениям | | То же, что в п. 6 настоящей таблицы; лампа МН 6,3 - 0,22 V по ГОСТ 2204-80; или комбинированный прибор по ГОСТ 10374-82 (например, типа Ц 4341) |
20. Определение соответствия вариации по каналу сигнализации и регулирования устройств РУ, РУ*, УАС, РУПРЗ* | | То же, что в п. 19 настоящей таблицы |
21. Определение соответствия погрешности по каналу регулирования устройств РУПРЗ, РУПРДЗ допускаемым значениям | | |
22. Определение соответствия вариации по каналу регулирования устройств РУПРЗ, РУПРДЗ допускаемым значениям | | То же, что в п. 21 настоящей таблицы |
Примечания:
1. Все перечисленные в табл. 1 операции поверки обязательны при выпуске приборов из производства и ремонта. При эксплуатации и хранении приборов проверки по
пп. 1;
4;
5 -
11 табл. 1 проводятся обязательно, по остальным пунктам
табл. 1 - только по требованию потребителя.
2. Допускается применять другие средства поверки, в том числе автоматизированные, удовлетворяющие требованиям ГОСТ 8.280-78 и настоящей методики и обеспечивающие такую точность измерения, при которой абсолютная погрешность поверки

, вычисленная по формулам, приведенным в
Приложении 1, не превышает

, где

- предел допускаемого абсолютного значения основной погрешности поверяемого прибора (канала). Если погрешность поверки

не удовлетворяет вышеуказанному требованию, то необходимо исключить систематические составляющие погрешности поверки путем введения поправки в результаты поверки так, чтобы это требование выполнялось, или устанавливать в соответствии с
приложением 1 ГОСТ 7164-78.
3. В
табл. 1 приняты следующие условные обозначения устройств, встроенных в приборы и осуществляющих дополнительные функции регулирования, сигнализации и преобразования:
а) канал регулирования: РУ - двух- трехпозиционные в многоканальных приборах с общей задачей на все каналы и в одноканальных приборах; РУ* - позиционные в многоканальных приборах с общей задачей на все каналы в позициях "Мало", "Много" и "Авария"; РУПРЗ - двух- трехпозиционные в многоканальных приборах с раздельной задачей на каждый канал (встроенный блок задачи); РУПРЗ* - позиционное в многоканальных приборах с раздельной задачей на каждый канал в позициях "Мало", "Много" ("Много", "Авария"); РУПРДЗ - двух- трехпозиционные в многоканальных приборах с раздельной дистанционной задачей на каждый канал (выносной блок задачи); РЗ - 100% реостатный задатчик для регулирования по ПИД-закону; б) канал сигнализации: УАС - устройство аварийной сигнализации в многоканальных приборах с общей задачей и одноканальных приборах; в) канал преобразования - устройства преобразования входного сигнала для дистанционной передачи информации об измеряемой величине прямо пропорционально ее изменению (без линеаризации): РУД - в виде изменения сопротивления от 450 до

(реостатное); ДПИТ - в виде изменения постоянного тока 0 - 5 mA (с преобразователем ИП11); ДПИН - в виде изменения напряжения постоянного тока 0 - 10 V (с преобразователем ИП11); г) канал преобразования - устройства преобразования входного сигнала об измеряемой величине прямо пропорционально изменению температуры (с линеаризацией); ДПИТ-Л - в виде изменения постоянного тока 0 - 5 mA (с преобразователем ИП10); ДПИН-Л - в виде изменения напряжения постоянного тока 0 - 10 V (с преобразователем ИП10).
4. Примеры расчетов погрешности поверки приведены в
Приложении 1.
2. УСЛОВИЯ ПОВЕРКИ И ПОДГОТОВКА К НЕЙ
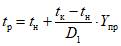
2.1. При проведении поверки необходимы следующие условия: температура окружающего воздуха (20 +/- 2) °C; относительная влажность воздуха 30 - 80%, атмосферное давление 83,8 - 106,4 kPa; напряжение питающей сети (220 +/- 4,4) V или (240 +/- 4,8) V, частота питающей сети (50 +/- 1) Hz или (60 +/- 1) Hz, максимальный коэффициент высших гармоник не более 5%; вибрация, тряска и удары, влияющие на работу прибора, должны отсутствовать; внешние электрические и магнитные поля, кроме земного, помехи нормального и общего вида, влияющие на работу прибора, должны отсутствовать; время выдержки во включенном состоянии перед испытанием при номинальном напряжении питания не менее 2 h.
2.2. При поверках применяют схемы, приведенные на
рис. 1 -
7.
2.2.1. Приборы, кроме потенциометров КСП4, КСП4И с компенсацией температуры свободных концов термоэлектрического преобразователя (типы ТХК, ТХА, ТПП, ТВР), подключают к схемам поверки в любое время перед началом определения соответствия основной погрешности допускаемым значениям.
2.2.2. При поверке моста собирают схему в соответствии с рис. 1. Ставят перемычки на клеммы 2Б - 3Б; 5Б - 6Б колодки внешнего подключения термопреобразователя сопротивления для одноканальных приборов (схемы внешних подключений поверяемых приборов приведены в техническом описании и инструкции по эксплуатации прибора).
Меру сопротивления МС подключают к поверяемому прибору ПП медными проводами к клеммам колодки внешнего подключения термопреобразователя сопротивления (для многоканальных приборов к клеммам первого канала). В качестве меры сопротивления МС применяют магазин сопротивления МСР-60 по ГОСТ 23737-79. В случае поверки мостов, указанных в табл. 2, МС (магазин сопротивления МСР-60) должен быть аттестован органами Госстандарта с поправками, позволяющими выдерживать соотношение между погрешностью поверки и пределами допускаемой погрешности по показаниям, указанными в
примечании 2 к табл. 1.
Таблица 2
Предел погрешности по показаниям, % | Условное обозначение номинальной статической характеристики преобразования | Предел измерения, °C |
нижний | верхний |
+/- 0,25 | (21) | -120 | +30 |
0 | 100 |
0 | 150 |
100П | 0 | 50 |
0 | 100 |
(23) | -50 | +50 |
100М | -50 | 0 |
-25 | +25 |
0 | 50 |
50 | 100 |
+/- 0,5 | (23) | -50 | 0 |
0 | 50 |
50 | 100 |
0 | 60,4 |
100М | 0 | 25 |
| | ИС МЕГАНОРМ: примечание. Абзац дан в соответствии с официальным текстом документа. | |
Сопротивление каждой манганиновой катушки сопротивления совместно с соединительными проводами

должно быть равно

. Разность сопротивлений

не должна превышать значения, равного

.
Катушки вместе с соединительными проводами должны быть аттестованы органами метрологической службы.
При поверке многоканального моста клеммы для подключения одноименных проводов термопреобразователей сопротивления соединяют между собой проводом с сопротивлением между клеммами, не превышающими

.
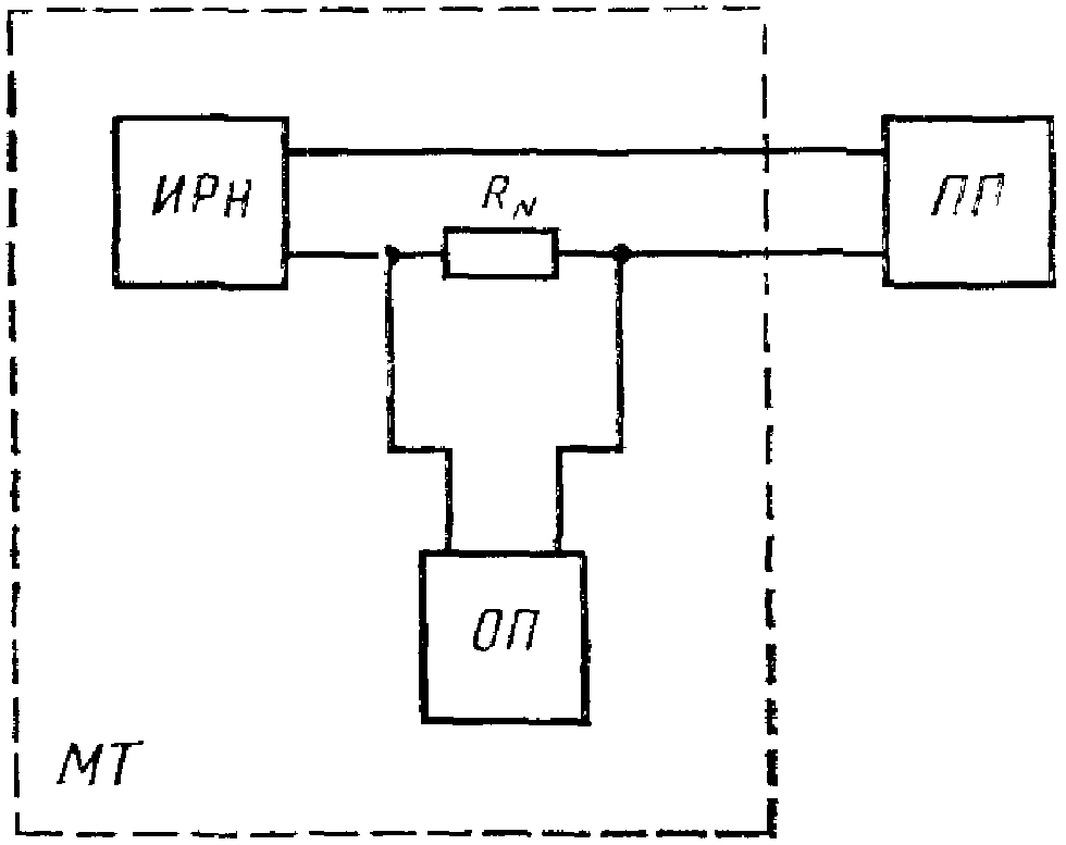
2.2.3. При поверке потенциометра КСУ4 собирают схему в соответствии с рис. 2. Меру тока МТ, состоящую из источника регулируемого потенциометра ОП (например, Р37-1 по
ГОСТ 9245-79) или цифрового вольтметра постоянного тока (например, Щ1516), образцовой катушки сопротивления

(например, Р32-1 по ГОСТ 23737-79), подключают к поверяемому прибору ПП медными проводами к клеммам колодки внешнего подключения первичного преобразователя (для многоканальных приборов к клеммам первого канала).
При поверке многоканального прибора клеммы для подключения одноименных проводов входных цепей соединяют между собой медным проводом.
Ток определяют измерением падения напряжения на образцовой катушке сопротивления

образцовым потенциометром ОП или цифровым вольтметром постоянного тока.
2.2.4. При поверке потенциометров КСП4, КСП4И без компенсации температуры свободных концов термоэлектрического преобразователя собирают схему в соответствии с рис. 3, а.
Меру напряжения МН (например, низкоомный потенциометр постоянного тока Р37-1 по
ГОСТ 9245-79) подключают к поверяемому прибору медными проводами к клеммам колодки внешнего подключения первичного преобразователя (для многоканальных приборов к клеммам первого канала).
2.2.5. При поверке потенциометров КСП4, КСП4И с компенсацией температуры свободных концов термоэлектрического преобразователя (типы ТХК, ТХА, ТПП, ТВР) собирают любую из схем
рис. 3, б или
рис. 3, в.
К клеммам колодки внешнего подключения термоэлектрического преобразователя (для многоканальных приборов к клеммам первого канала) подключают термоэлектродные провода ТП, аттестованные метрологической службой и соответствующие градуировочной характеристике термоэлектрического преобразователя, подключаемого к поверяемому прибору.
Допускаемое отклонение ТЭДС термоэлектродных проводов от градуировочной характеристики

приведено в
Приложении 1.
При поверке многоканальных потенциометров соединяют между собой одноименные клеммы (отдельно плюсовые и минусовые) колодки внешнего подключения термоэлектрических преобразователей термоэлектродным проводом, соответствующим градуировочной характеристике термоэлектрического преобразователя, подключаемого к поверяемому прибору. Концы термоэлектродных проводов (ТП1, ТП2 на
рис. 3, б; ТП1, ТП2 на
рис. 3, в) соединяют с медными проводами от меры напряжения МН. Не менее чем за 2 h до начала определения соответствия основной погрешности их спаи помещают в термостат Т, аттестованный органами метрологической службы предприятия, со стабильной температурой, измеряемой стеклянным ртутным термометром по ГОСТ 2045-71 для введения поправки по ТЭДС на температуру термостата. Допускается применять термостат Т с устройством, включаемым последовательно с мерой напряжения, обеспечивающим автоматическое введение указанной поправки.
Термостат в условиях поверки должен обеспечивать такое постоянство температуры, при котором за время поверки прибора изменение температуры, выраженное °C, не должно превышать значения, рассчитанного по формуле (1) для приборов с пределами допускаемой основной погрешности по показаниям +/- 0,25%, и по формуле (2) - для +/- 0,5%:

; (1)

, (2)
где

;

- изменение температуры термостата, °C; D - диапазон измерения температуры, °C.
При поверке по схеме
рис. 3, в концы термоэлектродных проводов ТП1" и ТП2" должны быть подключены к поверяемому прибору ПП1 с компенсацией свободных концов термоэлектрического преобразователя не менее чем за 2 h до определения соответствия основной погрешности. В этом случае концы термоэлектродных проводов ТП1' и ТП1", ТП2' и ТП2" допускается соединять между собой непосредственно перед определением соответствия основной погрешности.
2.3. Средства поверки и поверяемые приборы перед поверкой подготавливают в соответствии с их технической документацией.
2.4. При поверке приборов должны соблюдаться "
Правила технической эксплуатации электроустановок потребителей и правила техники безопасности при эксплуатации электроустановок потребителей", утвержденные Госэнергонадзором, и требования, установленные
ГОСТ 12.2.007.0-75.
3.1. При визуальном контроле должно быть установлено: наличие паспорта и технического описания и инструкции по эксплуатации; отсутствие повреждений, влияющих на работу прибора; отсутствие внутри прибора посторонних предметов или незакрепленных деталей; соответствие маркировки требованиям
ГОСТ 7164-78.
3.2. Электрическую прочность изоляции определяют при температуре (20 +/- 2) °C и относительной влажности от 30 до 80% на специальной установке, удовлетворяющей требованиям ГОСТ 21657-76 следующим образом:
вынимают из гнезда вилку усилителя УМР - для многоканальных потенциометров КСП4, КСП4И и мостов с регулирующим устройством с раздельной (РУПРЗ, РУПРЗ*) или дистанционной (РУПРДЗ) задачей на каждую точку;
вынимают разъем "Выход" преобразователя ИП;
ставят на контакты колодок внешних подключений перемычки, закорачивающие отдельно каждую проверяемую электрическую цепь (измерительную, силовую, ДПИТ, ДПИН, ДПИТ-Л, ДПИН-Л, РУД, РЗ, РУ, РУ*, УАС, блоков реле, блоков задачи);
переводят тумблеры "ПРИБОР" и "ДИАГРАММА" в положение "ВКЛ.";
свободные цепи присоединяют к корпусу;
плавно повышают испытательное напряжение, начиная с нуля или со значения, не превышающего номинальное рабочее напряжение до испытательного, со скоростью не менее 100 V/s;
испытательное напряжение, равное 1,5 kV, - для приборов КСП4И и КСМ4И и 1,2 kV - для приборов КСП4, КСМ4, КСУ4, прикладывают между цепями: силовой, РУ, РУПРЗ, УАС, а также между каждой из вышеуказанных цепей и корпусом, измерительной цепью, цепью РЗ, цепью РУД, цепями блоков задачи;
испытательное напряжение, равное 0,5 kV - для приборов КСП4И и КСМ4И и 0,25 kV - для приборов КСП4, КСМ4, КСУ4, прикладывают между цепями; измерительной, РЗ, блоков задачи, РУД, а также между каждой из вышеуказанных цепей и корпусом;
изоляцию выдерживают под действием испытательного напряжения в течение 1 min. Затем напряжение снижают до нуля или до значения, не превышающего номинальное рабочее, после чего установку отключают;
снимают после испытания все перемычки и восстанавливают в прежнем виде соединения прибора.
Прибор считают выдержавшим испытание на электрическую прочность, если во время испытания отсутствует пробой или поверхностный разряд.
Требование к электрической прочности изоляции указаны в разделе "Основные технические данные и характеристики" паспорта на поверяемый прибор.
3.3. Электрическое сопротивление изоляции определяют при температуре (20 +/- 2) °C и относительной влажности от 30 до 80% мегаомметром следующим образом:
на контакты колодок внешних подключений ставят перемычки, соединяющие отдельно каждую проверяемую электрическую цепь. При наличии устройств ДПИТ, ДПИН ставят перемычки на каждую выходную цепь и соединяют с корпусом. Устанавливают тумблеры "ПРИБОР" и "ДИАГРАММА" в положение "ВКЛ.".
Для одноканальных приборов прикладывают испытательное напряжение: 500 V - между силовой цепью и корпусом; силовой и цепями встроенных устройств (РЗ, РУД, РУ, УАС); встроенных устройств между собой; силовой цепью, соединенной с цепями встроенных устройств (РУ, РУПРЗ, УАС) и корпусом; 100 V - между цепями измерительной и корпусом; измерительной и силовой; измерительной и при наличии цепями встроенных устройств (РЗ, РУД, РУ, УАС); измерительной и силовой, соединенной при наличии с цепями встроенных устройств (РУ, РУПРЗ, РУПРДЗ, УАС);
производят отсчет показаний, определяющих электрическое сопротивление изоляции, после приложения напряжения к испытуемым цепям через 1 min или после установления показаний мегаомметра;
снимают после испытания все перемычки и восстанавливают в прежнем виде соединения прибора.
Электрическое сопротивление изоляции должно соответствовать указанному в паспорте на поверяемый прибор.
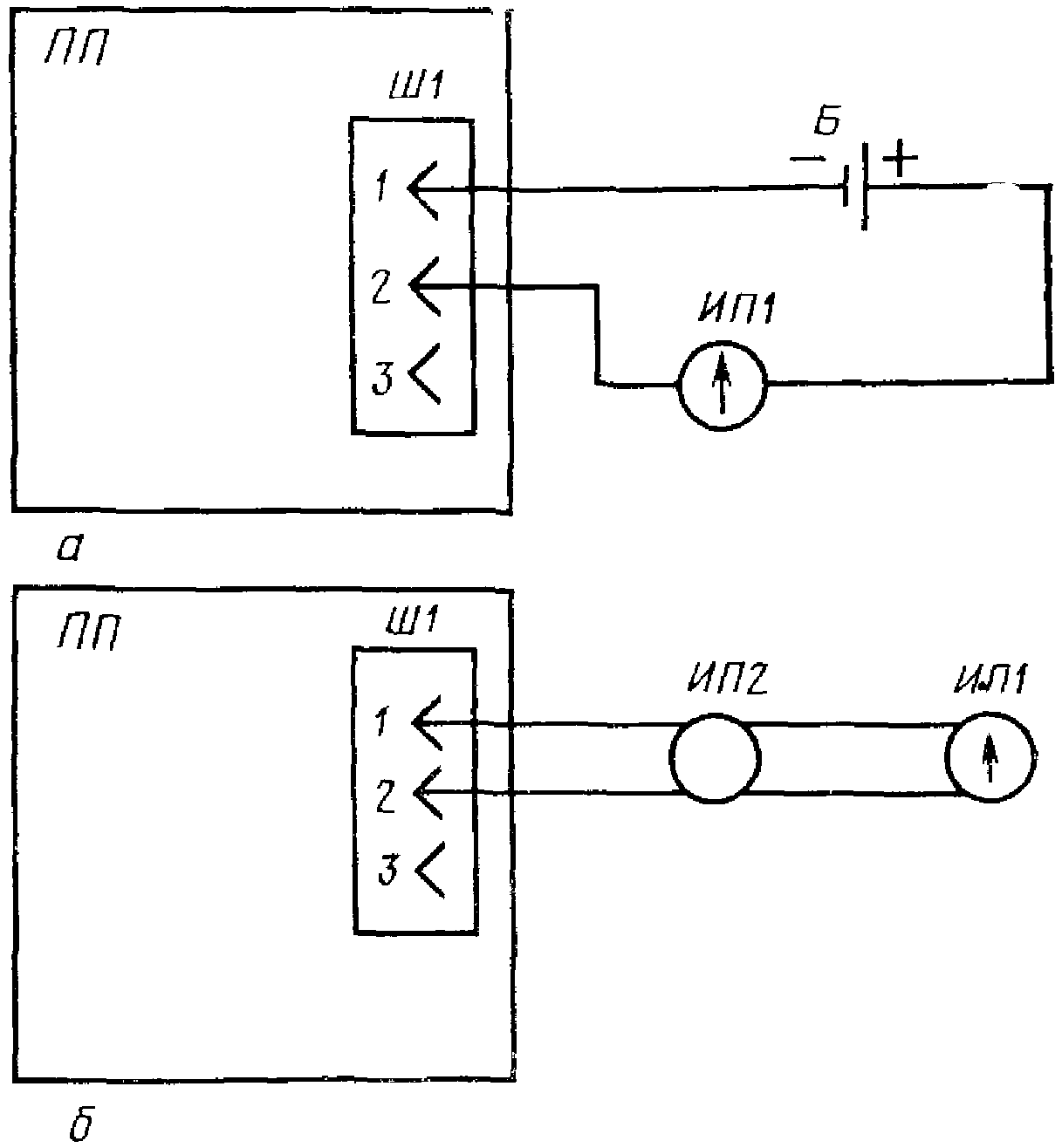
3.4. Рабочий ток измерительной цепи потенциометров проверяют по одной из схем, показанной на
рис. 4.
При проверке по
рис. 4, а с помощью переменного резистора, находящегося рядом с розеткой Ш1 поверяемого прибора ПП, добиваются установки индикатора ИП1 (например, гальванометр М195/1 по ГОСТ 7324-80 и нормальный элемент по ГОСТ 3316-81).
При проверке по
рис. 4, б меру напряжения ИП2 (потенциометр Р37-1 по
ГОСТ 9245-79) подключают к розетке Ш1, расположенной на левой боковой стенке кронштейна поверяемого прибора, и измеряют падение напряжения. Если падение напряжения отличается от (1,0186 +/- 0,0003) V, то рабочий ток в указанных пределах устанавливают переменным резистором, находящимся рядом с розеткой подключения меры напряжения.
Для потенциометров КСП4, работающих в комплекте с телескопами радиационных пирометров, перед установкой рабочего тока указатель поверяемого прибора с помощью корректора показаний, расположенного на левой боковой стенке кронштейна прибора, устанавливают на конечной отметке шкалы при входном сигнале, соответствующем этой отметке.
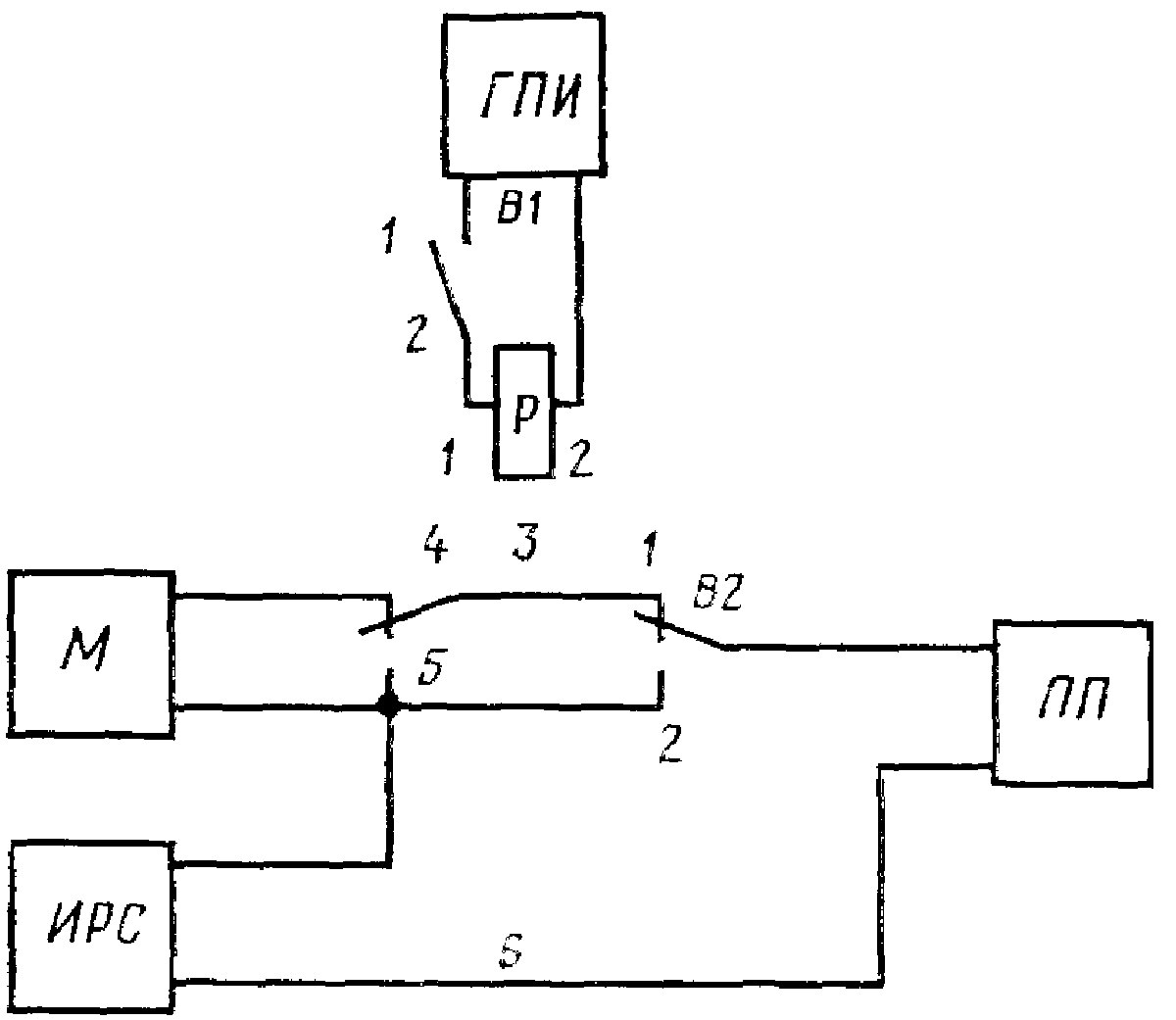
3.5. При проверке соответствия времени прохождения указателем всей шкалы (быстродействия) допускаемым значениям собирают схему в соответствии с рис. 5.
При поверке мостов провод цепи питания подсоединяют к ИРС (источник регулируемого сигнала):
для мостов КСМ4, КСМ4И - переменный резистор;
для потенциометров КСП4, КСП4И - (источник регулируемого напряжения ИРН-64). При поверке потенциометров КСУ4 провод 6 соединяют с контактом 5, так как отсутствует ИРН.
Допускается вместо генератора ГПИ (Г6-15 по ГОСТ 11113-74), переключателей однополюсного В1 и двухполюсного В2 и реле Р (РЭС-10) использовать устройства, обеспечивающие аналогичным образом переключение уровней входного сигнала.
Устанавливают переключатель В2 в положение 2 и мерой входного сигнала М (для потенциометров КСП4, КСП4И - потенциометр Р37-1 по
ГОСТ 9245-79; для мостов КСМ4, КСМ4И - магазин сопротивления МСР-60 по ГОСТ 23737-79, для потенциометров КСУ4-МТ по
рис. 2) совмещают указатель поверяемого прибора ПП с начальной отметкой.
Устанавливают переключатель В2 в положение 1 и при помощи меры М совмещают указатель поверяемого прибора с конечной отметкой.
На генераторе ГПИ устанавливают длительность импульсов и пауз между импульсами, равную предельному значению быстродействия, указанному в паспорте на поверяемый прибор. Замыкают переключатель В1 и наблюдают за перемещением указателя поверяемого прибора.
Указатель прибора должен перемещаться на всю длину шкалы от начальной до конечной отметки и обратно. При этом допускается недоход указателя до крайних отметок не более чем на значение, соответствующее пределу допускаемого значения приведенной основной погрешности показаний поверяемого прибора

.
3.6. Для проверки выброса регистрирующего устройства мерой входного сигнала устанавливают указатель поверяемого прибора на начальную отметку шкалы.
На вход прибора с помощью меры входного сигнала подают скачком сигнал, равный примерно 40, 60, 80% диапазона измерения, и определяют на движущейся со скоростью 5400 mm/h диаграммной ленте наибольшее отклонение линии регистрации от установившегося значения (выброс).
Устанавливают указатель поверяемого прибора на конечную отметку шкалы и проводят аналогичную поверку при подаче скачком сигнала, равного примерно 60, 40, 20% диапазона измерения.
Если выброс не соответствует значениям, указанным в паспорте на поверяемый прибор, нужное значение устанавливают регулятором чувствительности усилителя.
3.7. Успокоение указателя прибора проверяют по методике
п. 3.6 одновременно с проверкой выброса регистрирующего устройства. Число полуколебаний определяют по линии регистрации на диаграммной ленте.
Если число полуколебаний не соответствует требованию, указанному в паспорте на поверяемый прибор, то его устанавливают регулятором чувствительности усилителя и согласующего блока (БС) или резистором обратной связи БС.
3.8. Соответствие основной погрешности показаний прибора допускаемым значениям определяют не менее чем на пяти отметках шкалы, интервал между которыми не должен превышать 30% длины шкалы.
В число проверяемых отметок должны входить начальная и конечная отметки шкалы.
Соответствие основной погрешности в одноканальных приборах определяют при движущейся диаграммной ленте и опущенном шариковом наконечнике.
На вход поверяемого прибора с помощью меры входного сигнала подают скачкообразно такой сигнал, при котором указатель установится в середине шкалы. При этом следует убедиться в том, что нет автоколебаний и, в случае необходимости, отрегулировать чувствительность так, как изложено в
п. 3.7.
У многоканальных приборов допускается определять соответствие на указанных отметках только при двух положениях переключателя, при которых отпечатанные на диаграммной ленте значения неизменной измеряемой величины имеют наибольшую разность.
Для многоканальных приборов эти положения переключателя, при которых определяют соответствие основной погрешности, выбирают следующим образом:
устанавливают период регистрации равным 4 s, скорость перемещения диаграммной ленты равной 1800 mm/h;
подают на вход прибора сигнал, равный 50% диапазона измерения;
ставят тумблер "ДИАГРАММА" в положение "ВКЛ." и печатают 24 точки, начиная с точки первой "1", после чего тумблер "ДИАГРАММА" переставляют в положение "ОТКЛ.";
находят на диаграммной ленте крайние правую и левую отпечатанные точки и определяют их порядковые номера (положения переключателя), считая от первой точки, с которой начинали отсчет 24 точек;
печатают, начиная с первой точки, до точки с порядковым номером, определяющим крайнюю правую (левую) отпечатанную точку, т.е. то положение переключателя, в котором определяют значения основной погрешности показаний.
На мере входного сигнала (здесь и далее все устанавливаемые на мере входного сигнала значения X рассчитывают по
Приложению 3) устанавливают значение

, причем в интервале от

(

- предел допускаемого значения вариации показаний поверяемого прибора) до

входной сигнал плавно увеличивают. Интервал можно увеличить, т.е. взять

и до

. Указатель должен установиться на проверяемой отметке или справа от нее.
На мере входного сигнала устанавливают значение

, причем входной сигнал в интервале от

до

плавно уменьшают. Интервал можно увеличить, т.е. взять

до

. Указатель должен остановиться на проверяемой отметке или слева от нее.
Пример расчета значений

,

,

в соответствии с ГОСТ 8.280-78 приведен в
Приложении 3.
При необходимости значения основной погрешности показаний прибора определяют по ГОСТ 8.280-78.
| | ИС МЕГАНОРМ: примечание. Пункт 3.9 дан в соответствии с официальным текстом документа. | |
3.9. Соответствие вариации показаний прибора допускаемым значениям определяют не менее чем на трех отметках, примерно равномерно распределенных по шкале, причем две из них должны находиться вблизи начала и конца шкалы. Изменяя входной сигнал, устанавливают указатель в исходное положение, в котором определяют вариацию, например, на проверяемую отметку, и медленно плавно его увеличивают до значения

, при котором указатель начнет перемещаться из исходного положения. Затем медленно уменьшают входной сигнал до значения

, если

, или

, если

, где

- целое число,

- дискретность изменения входного сигнала, т.е. цена наименьшей декады, при помощи которой устанавливают значения X. Указатель при этом должен остановиться в исходном положении или слева от него.
При необходимости вариацию показаний определяют по ГОСТ 8.280-78.
3.10. Соответствие основной погрешности регистрации прибора допускаемым значениям определяют на трех линиях диаграммной ленты с отметками 0, 50, 100 для значения действительной ширины поля регистрации диаграммной ленты, равного (250 +/- 0,1) mm.
Устанавливают скорость перемещения диаграммной ленты равной 1800 mm/h, период регистрации точек для многоканальных приборов равным 4 s.
При поверке со стороны меньших (больших) значений на мере входного сигнала устанавливают значение

. В интервале от

до

входной сигнал плавно, как указано в
п. 3.8, увеличивают (уменьшают). Интервал можно увеличить так, как указано в
п. 3.8.
Примеры расчета значений

,

, рассчитанных по формулам ГОСТ 8.280-78, приведены в
Приложении 3.
Переводят тумблер "ДИАГРАММА" в положение "ВКЛ." и производят регистрацию на диаграммной ленте в течение 2 min для многоканальных приборов и в течение 10 - 30 s для одноканальных приборов. Значение, регистрируемое на диаграммной ленте, должно лежать на проверяемой линии или справа (слева) от нее.
3.11. Качество регистрации в одноканальных приборах проверяют следующим образом:
устанавливают шариковый наконечник проверяемого прибора с помощью меры входного сигнала примерно в районе линии отсчета движущейся диаграммной ленты с числовой отметкой 10. Затем резко увеличивают входной сигнал до такого значения, при котором шариковый наконечник установится на линию отсчета в районе числовой отметки 90. После этого устанавливают первоначальное значение входного сигнала. Эти переключения повторяют пять раз, при этом линия регистрации должна быть непрерывной. Для приборов с быстродействием 1 s допускаются отдельные разрывы линии регистрации, не приводящие к потере информации;
проверяют ширину линии регистрации любым методом, обеспечивающим точность измерения +/- 10% номинальной ширины, при этом ширина линии регистрации не должна превышать 1 mm.
Качество регистрации в многоканальных приборах проверяют визуально одновременно с проверкой основной погрешности регистрации
(п. 3.10). При этом цвет (номер) отметки, регистрируемой на диаграммной ленте, должен соответствовать цвету (номеру) отметки, указываемой механизмом переключателя до момента регистрации отметки.
Качество отпечатков должно позволять однозначно определять номер и цвет точки.
3.12. Определение отклонения средней скорости перемещения диаграммной ленты проводят для скоростей, указанных в табл. 3.
Характеристика | Значение характеристики для приборов |
одноканальных | многоканальных |
Номинальная средняя скорость перемещения диаграммной ленты, mm/h | 1800 | 180 | 2400 |
Номинальное время перемещения 500 mm диаграммной ленты | 16 min 40 s | 2 h 46 min 40 s | 12 min 30 s |
Допускаемое число делений времени диаграммной ленты  | 200 +/- 1 | 200 +/- 1 | 200 +/- 1 |
Примечание. При определении отклонения средней скорости перемещения диаграммной ленты от номинальных значений, не указанных в
табл. 3, номинальное время должно быть рассчитано для отрезка диаграммной ленты 500 mm, для скорости 54000 mm/h - 4500 mm при этом

.
Определение проводят следующим образом:
на испытуемый одноканальный прибор подают постоянный сигнал, при котором линия регистрации располагается в средней части диаграммной ленты, на многоканальный прибор - такой сигнал (сигналы) на контакты подключения первичных преобразователей, чтобы отпечатываемые точки располагались в пределах поля регистрации диаграммной ленты;
подключают электрические синхронные часы и электрический секундомер к контактам "ДИАГРАММА ВКЛ." колодки внешнего подключения поверяемого прибора, при этом тумблер секундомера должен быть установлен в положение "ОТКЛ.";
устанавливают одну из указанных в
табл. 3 скоростей перемещения диаграммной ленты;
устанавливают период регистрации многоканальных приборов 12 s;
наносят горизонтальные отметки на боковой стороне переднего щитка прибора и несколько выше - на диаграммной ленте;
ставят тумблер "ДИАГРАММА" в положение "ВКЛ.";
включают секундомер в момент совпадения горизонтальной отметки на диаграммной ленте с отметкой на щитке и фиксируют время начала испытаний на электрических часах. За 10 min до окончания испытаний время контролируют по секундомеру;
ставят по истечении времени перемещения диаграммной ленты, указанного в
табл. 3, тумблер "ДИАГРАММА" в положение "ОТКЛ." и наносят на диаграммной ленте горизонтальную отметку на уровне отметки на щитке, фиксируя таким образом время окончания испытаний;
подсчитывают по диаграммной ленте число делений времени между двумя отметками

, которое не должно превышать указанного в
табл. 3.
Допускается любой другой метод определения отклонения средней скорости перемещения диаграммной ленты от номинальных значений, обеспечивающий необходимую точность измерения.
3.13. Соответствие основной погрешности выходного сигнала по каналам преобразования 0 - 5 mA, 0 - 10 V устройств ДПИН, ДПИН-Л, ДПИТ, ДПИТ-Л допускаемым значениям определяют для значений выходного сигнала преобразования 0; 1; 3; 4; 5 mA или 0; 3; 6; 8; 10 V для приборов с преобразователями ИП10, ИП11 следующим образом:
подключают для приборов с преобразователями ИП10, ИП11 (с выходом по напряжению) к выходным контактам "Выход 0 - 10 V" вольтметр постоянного тока класса не ниже 0,1 (например, цифровой вольтметр Щ1516);
подключают для приборов с преобразователями ИП10, ИП11 (с выходом по току) к выходным контактам "Выход 0 - 5 mA" миллиамперметр постоянного тока класса не ниже 0,1 или токовые зажимы образцового сопротивления

или

, к потенциальным зажимам которого подключают цифровой вольтметр (в последнем случае выходной сигнал преобразования будет измеряться в V);
устанавливают для приборов с преобразователями ИП11 (без линеаризации) при проверке со стороны меньших (больших) значений на мере входного сигнала значение

. В интервале

входной сигнал плавно, как указано в
п. 3.8, увеличивают (уменьшают). Интервал можно увеличить так, как указано в
п. 3.8. Где

- предел допускаемого значения вариации преобразования; D - нормирующее значение, mV,

;

- верхний предел выходного сигнала преобразования, равный 5 mA для преобразователей с выходом по току и 10 V - с выходом по напряжению;
устанавливают для приборов с преобразователями ИП10 (с линеаризацией) при проверке со стороны меньших (больших) значений на мере входного сигнала значение

. В интервале

входной сигнал плавно, как указано в
п. 3.8, увеличивают (уменьшают). Интервал можно увеличить так, как указано в
п. 3.8.
В случае применения цифрового вольтметра или потенциометра, определяющих выходной сигнал преобразования, их показания должны быть равными расчетному значению напряжения или большему (меньшему) его. Аналогичные показания должен иметь миллиамперметр.
3.14. Соответствие вариации выходного сигнала по каналу преобразования допускаемым значениям определяют по
п. 3.13 для значений выходного сигнала преобразования 1 и 4 mA для приборов с преобразователями ИП10, ИП11 (с выходом по току) или 2 и 8 V для приборов с преобразователями ИП10, ИП11 (с выходом по напряжению) следующим образом:
изменяя с помощью меры входной сигнал, фиксируют значение

, при котором указатель прибора, определяющего выходной сигнал, установится на отметку, соответствующую проверяемому значению выходного сигнала преобразования (исходное положение), или на цифровом вольтметре появится значение напряжения, соответствующее проверяемому значению напряжения (исходное напряжение);
уменьшают плавно входной сигнал до значения

, при этом указатель прибора, определяющего выходной сигнал, должен остановиться в исходном положении или слева от него или на цифровом вольтметре должно появиться значение напряжения, равное исходному или меньше его.
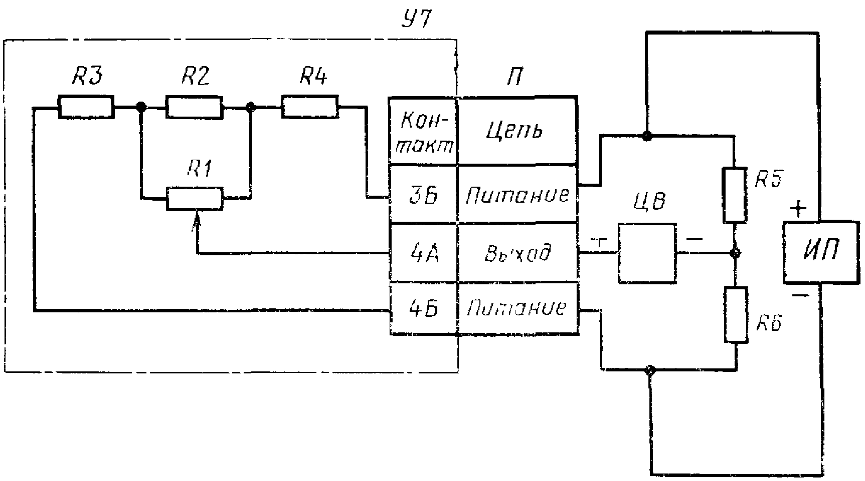
3.15. Соответствие погрешности по каналу преобразования реостатного устройства РУД допускаемым значениям определяют на трех числовых отметках нижней шкалы 30, 50 и 70 на установке, собранной по схеме, показанной на
рис. 6, следующим образом:
подключают установку к выходным контактам РУД;
устанавливают с помощью меры входного сигнала поочередно указатель поверяемого прибора на начальную и конечную отметки нижней шкалы и производят отсчеты напряжения на цифровом вольтметре

;
рассчитывают значения показаний цифрового вольтметра, соответствующие проверяемой отметке нижней шкалы

по формуле, приведенной в
п. 3.4 Приложения 3;
устанавливают при поверке со стороны меньших (больших) значений на мере входного сигнала значение

, затем плавно, как указано в
п. 3.8, уменьшают (увеличивают) входной сигнал до значения

и следят за показаниями цифрового вольтметра. При этом, если прибор годный, то показания цифрового вольтметра должны быть меньше (больше) или равны расчетному значению

.
Рис. 6. Схема поверки РУД:
ЦВ - цифровой вольтметр не хуже 0,02 (например, Щ1516);
ИП - источник напряжения постоянного тока (например, 165 Л)
напряжением питания (1,0 - 3,0) V; за время поверки
напряжение не должно изменяться не более чем на

,
где

- предел погрешности по каналу преобразования РУД;
R5, R6 - резисторы МЛТ = 0,125 по ГОСТ 7113-77 (430 +/- 5%);
У7 - устройство РУД; R1 - реохорд; R2 - шунт реохорда;
R3, R4 - резисторы; П - колодка внешних подключений
3.16. Соответствие вариации по каналу преобразования устройства РУД допускаемым значениям определяют на отметках, указанных в
п. 3.15, следующим образом:
изменяя с помощью меры входной сигнал, добиваются, чтобы показания цифрового вольтметра стали равными расчетному значению

(исходное значение);
увеличивают (плавно) входной сигнал до значения

, при котором показания цифрового вольтметра начнут изменяться;
плавно, как указано в
п. 3.8, уменьшают входной сигнал до значения

, где

- предел допускаемого значения вариации поверяемого устройства, при этом показания цифрового вольтметра должны быть меньше или равны

(исходное значение).
3.17. Соответствие погрешности по каналу регулирования устройства РЗ допускаемым значениям определяют на двух отметках шкалы (примерно 30 и 70%) следующим образом:
подают на контакты "Питание РЗ" напряжение постоянного тока 1,5 - 3 V;
подключают к контактам "Выход РЗ" цифровой вольтметр (например, Щ1516);
устанавливают указатель РЗ против проверяемой отметки шкалы;
устанавливают при поверке со стороны меньших (больших) значений на мере входного сигнала значение

, затем плавно, как указано в
п. 3.8, уменьшают (увеличивают) входной сигнал до значения

и следят за показаниями цифрового вольтметра. При этом, если прибор годный, то показания должны изменить знак или стать равными нулю. Пример расчета значений

и

приведен в
Приложении 3.
3.18. Соответствие вариации по каналу регулирования устройства РЗ допускаемым значениям определяют одновременно с определением погрешности по каналу регулирования устройства РЗ
(п. 3.17) на отметках, указанных в
п. 3.17, следующим образом:
изменяя с помощью меры входной сигнал, добиваются, чтобы показания цифрового вольтметра стали равными нулю (исходное значение);
увеличивают плавно входной сигнал до значения

, при котором показания цифрового вольтметра начнут изменяться;
плавно, как указано в
п. 3.8, уменьшают входной сигнал до значения

, где

- предел допускаемого значения вариации поверяемого устройства, при этом показания цифрового вольтметра должны либо изменить знак, либо стать равными нулю (исходное значение).
3.19. Соответствие погрешности по каналу сигнализации и регулирования устройств РУ, РУ*, РУПРЗ*, УАС допускаемым значениям определяют на двух отметках шкалы (примерно 30 и 70%) для каждой уставки устройства, для устройств РУ* и РУПРЗ* сначала в позициях "Мало", "Много", потом - "Много - Авария" (для многоканальных приборов - на двух каналах, на которых контролировалась погрешность по показаниям) следующим образом:
подключают к выходным контактам поверяемого устройства одноканального прибора (для многоканального прибора к выходным контактам первого канала поверяемого устройства) индикатор, позволяющий определить срабатывание или (замыкание или размыкание) контактов поверяемого устройства (например, омметр с источником питания - для одноканальных приборов, вольтметр или сигнальную лампу или сигнальные лампы с источником питания - для многоканальных приборов);
устанавливают указатель поверяемого устройства на проверяемую отметку шкалы;
устанавливают для многоканальных приборов период регистрации 12 s, ставят тумблер "ДИАГРАММА" в положение "ВКЛ." и в момент замыкания контактов исполнительного переключателя отключают тумблер;
устанавливают при поверке со стороны меньших (больших) значений на мере входного сигнала значение

, затем медленно (плавно) изменяют входной сигнал до значения

и следят за индикатором. Если при этом произойдет срабатывание индикатора, то прибор считают годным. Пример расчета значений

и

приведен в
Приложении 3.
3.20. Соответствие вариации по каналу сигнализации и регулирования устройств РУ, РУ*, РУПРЗ*, УАС допускаемым значениям определяют одновременно с определением погрешности по каналу сигнализации и регулирования устройств РУ, РУ*, РУПРЗ*, УАС
(п. 3.19) на отметках и в позициях, указанных в
п. 3.19, следующим образом:
изменяют с помощью меры входной сигнал до момента срабатывания и фиксируют его значение

для проверяемой отметки в момент срабатывания;
уменьшают плавно входной сигнал до значения

, где

- предел допускаемого значения вариации срабатывания поверяемого устройства. При этом, если произойдет обратное первоначальному срабатывание поверяемого устройства, прибор считают годным.
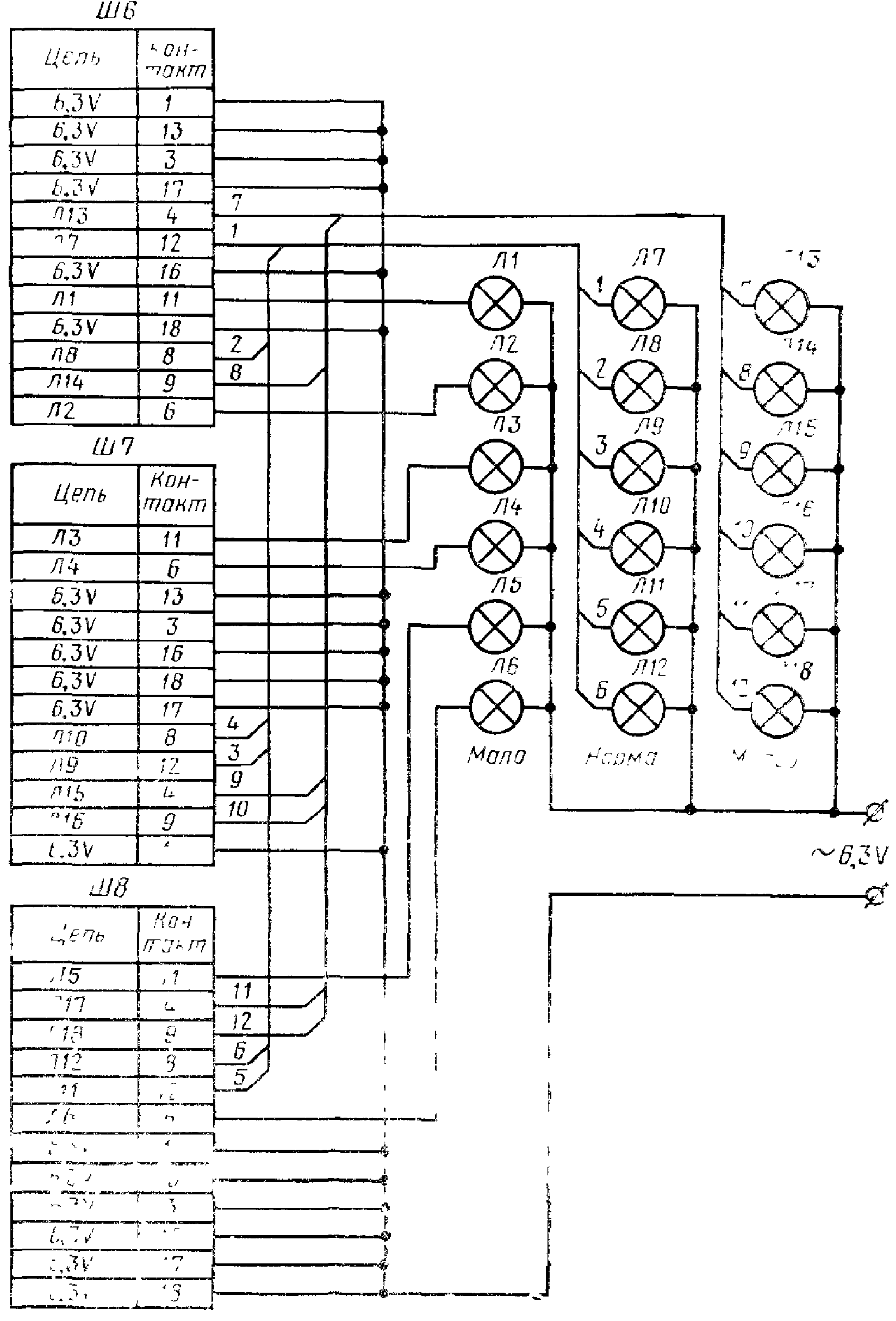
3.21. Соответствие погрешности по каналу регулирования устройств РУПРЗ, РУПРДЗ допускаемым значениям определяют при установке указателей "Мало" и "Много" всех каналов на отметки шкал устройства (примерно 30 и 70%) следующим образом:
подключают к выходным контактам "Реле" блок реле, например, БР-01 (БР-101), а к нему сигнальную установку по схеме
рис. 7;
устанавливают все указатели задачи устройства РУПРЗ на проверяемые отметки;
подключают к выходным контактам "БЗ" блок БЗ-01 (БЗ-02) (только для устройства РУПРДЗ);
устанавливают период регистрации 4 s;
кратковременно обесточивают установку, т.е. ставят поочередно тумблер "ПРИБОР" в положение "ОТКЛ.", затем "ВКЛ.";
устанавливают при поверке со стороны меньших (больших) значений на мере входного сигнала поочередно значения

и

(

и

);
ставят тумблер "ДИАГРАММА" в положение "ВКЛ." на время, достаточное для отпечатывания 12 точек (причем для трехканальных приборов производят кратковременное обесточивание установки после отпечатывания каждых трех точек, для шести и двенадцатиканальных приборов - после отпечатывания каждых шести точек); следят за лампами установки, на которой должны загореться соответственно только лампы "Норма" и "Мало" ("Много" и "Норма"). Примеры расчета значений

приведены в
Приложении 3.
Рис. 7. Схема поверки РУПРЗ, РУПРДЗ
Л1 - Л18 - сигнальные лампы; Ш6 - Ш8 - гнезда блока БР
3.22. Соответствие вариации по каналу регулирования устройств РУПРЗ, РУПРДЗ допускаемым значениям определяют одновременно с определением погрешности устройств РУПРЗ, РУПРДЗ
(п. 3.21) при установке указателей "Много" на отметки шкалы устройства, указанные в
п. 3.21, на первом канале регулирования следующим образом:
изменяя с помощью меры входной сигнал, фиксируют его значение

- для проверяемой отметки "Мало" (

- для проверяемой отметки "Много") в момент срабатывания устройства;
уменьшают плавно входной сигнал до значения

.
При этом, если произойдет обратное первоначальному срабатывание поверяемого устройства, то прибор считают годным.
4. ОФОРМЛЕНИЕ РЕЗУЛЬТАТОВ ПОВЕРКИ
4.1. Результаты первичной поверки предприятие-изготовитель оформляет записью в паспорте.
4.2. На поверенные приборы, признанные годными при государственной поверке органами Госстандарта, наносят оттиск поверительного клейма на корпусе или крышке.
4.3. Результаты периодической ведомственной поверки оформляют в порядке, установленном ведомственной метрологической службой.
4.4. Приборы, не удовлетворяющие требованиям настоящей методики, к выпуску в обращение и к применению не допускаются. Клеймо предыдущей поверки гасят.
РАСЧЕТОВ ПОГРЕШНОСТИ ПОВЕРКИ
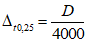
1.1 Поверка моста (см.
рис. 1). Пусть имеется мост КСМ4 с номинальной статической характеристикой преобразования 100П и пределами измерения (0 - 200) °C.
В соответствии с ГОСТ 8.280-78 (приложение 1, п. 1) абсолютную погрешность поверки

вычисляют по формуле

. (1)
По ГОСТ 6651-78 характеристике 100П при 0 °C соответствует сопротивление термопреобразователя сопротивления, равное

, а при 200 °C -

.
Диапазон измерения D в

.
D = R (200 °C) - R (0 °C), (2)
где R (t °C) - значение сопротивления термопреобразователя сопротивления при температуре t °C по ГОСТ 6651-78;

.
В качестве меры входного сигнала применяют магазин сопротивления МСР-60 по ГОСТ 23737-79, имеющий минимальную дискретность

, равную

.
В нашем случае значение входного сигнала X всегда можно выразить как

, где N - целое число, и поэтому в
формуле (1) 
можно не учитывать. Тогда под корнем остается только одно слагаемое, и поэтому K = 1,0.

. (3)
Погрешность магазина сопротивления

находят по формуле

(4)
где m - число декад магазина; K - значение включенного сопротивления.
Таким образом, максимальное значение

будет при максимальных значениях m и R.
У нас m = 5,

, тогда
Измерительная цепь (см.
рис. 1), при помощи которой поверяют прибор, должна обеспечивать такую точность измерения, когда

, (5)
где

- предел допускаемой погрешности по показаниям поверяемого прибора. Если

, то

. Следовательно, требования по поверке выполнены, так как действительно

.
1.2. Поверка потенциометров без компенсации температуры свободных концов термоэлектрических термометров
(рис. 3, а).
Пусть имеется потенциометр КСП4 с пределом измерения 0 - 10 mV и диапазоном измерения D = 10 mV.
В качестве меры входного сигнала используем низкоомный потенциометр постоянного тока Р37-1
ГОСТ 9245-79 класса 0,01.
В соответствии с ГОСТ 8.280-78 (приложение 1, п. 2) абсолютную погрешность поверки

вычисляют по формуле

. (6)
Потенциометр Р37-1 имеет минимальную дискретность

, равную 0,001 mV.
Значение входного сигнала

, где N - целое число, и поэтому в
формуле (6) 
можно не учитывать, тогда под корнем остается только одно слагаемое. Отсюда K = 1,0. Следовательно,
формулу (6) можно представить в виде

. (7)
Измерительная цепь (см.
рис. 3, а), при помощи которой поверяют прибор, должна обеспечивать такую точность измерения, когда

, (8)
где

- предел допускаемой погрешности по показаниям поверяемого прибора.
Если

, то
| | ИС МЕГАНОРМ: примечание. Формула приведена в соответствии с официальным текстом документа. | |

.
Следовательно, требования по поверке выполнены, так как действительно

.
1.3. Проверка потенциометра с компенсацией температуры свободных концов термоэлектрического термометра с применением термоэлектродных (компенсационных) проводов в случае, когда указанные провода являются одной частью
(рис. 3, б).
Пусть имеется потенциометр КСП4 с градуировочной характеристикой

, пределами измерения 0 - 200 °C и диапазоном измерения 14,57 mV.
В качестве меры входного сигнала используем низкоомный потенциометр постоянного тока типа Р37-1
ГОСТ 9245-79 класса 0,01, в качестве термостата сосуд Дьюара.
В соответствии с ГОСТ 8.280-78 (приложение 1, п. 5) абсолютную погрешность поверки

вычисляют по формуле

. (9)
Погрешность меры определяют по формуле

, (10)
где U - показание потенциометра, V;

- цена одной ступени младшей измерительной декады (дискретность), равная 0,001 mV.
Значение входного сигнала

, где N - целое число, и поэтому в
формуле (9) 
(цена младшей декады меры напряжения) можно не учитывать.
Погрешность термостата определяют по формуле

, (11)
где

и

- значения ТЭДС термоэлектродных проводов по
ГОСТ 3044-77, соответствующие температуре спаев термоэлектродных и медных проводов

и температуре термостата

. А так как в качестве термостата применен сосуд Дьюара, то это позволяет добиться равенства температур

и

, поэтому

. Тогда под корнем
формулы (9) остается только одно слагаемое, и поэтому K = 1,0.
Возможное отклонение температуры термостата от фактической температуры термостата определяют по формуле

, (12)
где

- значение напряжения, определяемое по
ГОСТ 3044-77 для фактической температуры термостата

.

, так как применен сосуд Дьюара.
Практически температура термостата находится в пределах от 0 до 0,1 °C, поэтому примем

, тогда

.

. (13)
При расчете абсолютной погрешности поверки по
формуле (13) рассмотрим два случая: первый - когда отклонение ТЭДС термоэлектродных проводов

от номинальной характеристики преобразования известно, второй - когда допустимое значение нужно определить.
I случай. Пусть

.
Погрешность меры напряжения

вычислим по
формуле (10):

;

при

;

.
Вычислим по
формуле (13) максимальное значение абсолютной погрешности поверки

.
Измерительная цепь (см.
рис. 3, б), при помощи которой поверяют прибор, должна обеспечивать такую точность измерения, когда

,
где

- предел допускаемой погрешности по показаниям поверяемого прибора.
Если

, то погрешность прибора

.
Следовательно, требование по поверке выполнено, так как действительно

.
II случай. Нужно определить

, так как необходимым условием для определения абсолютной погрешности поверки является соотношение

, то

.
Расчет показывает, что если отклонение ТЭДС термоэлектродных проводов

не превышает 4 mV, то при всех вышепринятых условиях поверки (использование сосуда Дьюара,

,

при

) погрешность поверки удовлетворяет условию

при

.
ЗНАЧЕНИЯ

ДОПУСКАЕМЫХ ОТКЛОНЕНИЙ ТЭДС ТЕРМОЭЛЕКТРОДНЫХ ПРОВОДОВ
ОТ ГРАДУИРОВОЧНОЙ ХАРАКТЕРИСТИКИ
Условное обозначение градуировочной характеристики | Предел измерения, °C | Градуировочное значение ТЭДС по ГОСТ 3044-77, соответствующее пределу измерения, mV | Диапазон измерения, mV | | |
| | | | | |
нижний | верхний | нижнему  | верхнему  |
| -50 | +50 | -3,110 | 3,350 | 6,460 | - | - | - | 32 | 11 | 4 |
-50 | +100 | -3,110 | 6,898 | 10,008 | 25 | 8 | 1 | 50 | 17 | 10 |
-50 | +150 | -3,110 | 10,625 | 13,734 | 34 | 11 | 3 | 69 | 23 | 15 |
-50 | +200 | -3,110 | 14,570 | 17,680 | 44 | 15 | 7 | 88 | 29 | 21 |
0 | 100 | 0 | 6,898 | 6,898 | - | - | - | 34 | 11 | 4 |
0 | 150 | 0 | 10,624 | 10,624 | 27 | 9 | 1 | 53 | 18 | 10 |
0 | 200 | 0 | 14,570 | 14,570 | 36 | 12 | 4 | 73 | 24 | 16 |
0 | 300 | 0 | 22,880 | 22,880 | 57 | 19 | 10 | 114 | 38 | 29 |
0 | 400 | 0 | 31,480 | 31,480 | 79 | 26 | 16 | 157 | 52 | 42 |
0 | 600 | 0 | 49,090 | 49,090 | 123 | 41 | 29 | 245 | 82 | 70 |
200 | 600 | 14,570 | 49,090 | 34,520 | 86 | 29 | 17 | 173 | 58 | 46 |
200 | 800 | 14,570 | 66,420 | 51,85 | 130 | 43 | 30 | 259 | 86 | 73 |
| 0 | 400 | 0 | 16,395 | 16,395 | 41 | 14 | 8 | 82 | 27 | 21 |
0 | 600 | 0 | 24,902 | 24,902 | 62 | 21 | 14 | 125 | 42 | 35 |
0 | 800 | 0 | 33,277 | 33,277 | 83 | 28 | 21 | 166 | 55 | 48 |
0 | 900 | 0 | 37,325 | 37,325 | 93 | 31 | 23 | 187 | 62 | 54 |
0 | 1100 | 0 | 45,108 | 45,108 | 113 | 38 | 29 | 226 | 75 | 66 |
0 | 1300 | 0 | 52,398 | 52,398 | 131 | 44 | 34 | 262 | 87 | 77 |
200 | 600 | 8,137 | 24,902 | 16,765 | 42 | 14 | 7 | 84 | 28 | 21 |
200 | 1200 | 8,137 | 48,288 | 40,151 | 100 | 33 | 24 | 201 | 67 | 58 |
400 | 900 | 16,395 | 37,325 | 20,930 | 52 | 17 | 9 | 105 | 35 | 27 |
600 | 1100 | 24,902 | 45,108 | 20,206 | 51 | 17 | 8 | 101 | 34 | 25 |
700 | 1300 | 29,128 | 52,398 | 23,270 | 58 | 19 | 9 | 116 | 39 | 29 |
| 0 | 1300 | 0 | 13,107 | 13,107 | 33 | 11 | 9 | 66 | 22 | 20 |
0 | 1600 | 0 | 16,685 | 16,685 | 42 | 14 | 11 | 83 | 28 | 25 |
500 | 1300 | 4,216 | 13,107 | 8,891 | 22 | 7 | 5 | 44 | 15 | 13 |
| 0 | 1800 | 0 | 26,999 | 26,999 | 67 | 22 | 18 | 135 | 45 | 41 |
1100 | 1800 | 17,666 | 26,999 | 9,333 | 23 | 8 | 4 | 47 | 16 | 12 |
--------------------------------
<*>

рассчитано по
формуле (13) Приложения 1 при использовании сосуда Дьюара;

;

при

;

.
РАСЧЕТА ЗНАЧЕНИЙ ВХОДНОГО СИГНАЛА ПРИ ПОВЕРКЕ ПРИБОРА
Пусть имеется прибор КСП4 с градуировочной характеристикой

; пределами измерения температуры 200 - 600 °C; пределом

основной погрешности по показаниям, равным +/- 0,5% от нормирующего значения.
3.1. Расчет значений входных сигналов меры напряжения при определении соответствия основной погрешности и вариации допускаемым значениям.
Выбираем пять оцифрованных отметок шкалы: 200; 300; 400; 500 и 600 °C (
пп. 3.8 -
3.9).
В соответствии с
ГОСТ 3044-77 каждой отметке соответствует номинальное значение

входного сигнала:
200 °C - 14,570 mV,
300 °C - 22,880 mV,
400 °C - 31,480 mV,
500 °C - 40,270 mV,
600 °C - 49,090 mV.
Будем считать при всех расчетах в дальнейшем, что температура термостата равна нулю; систематическая составляющая погрешности отсутствует; изменение входного сигнала, соответствующее шагу намотки

, равно нулю.
Тогда

,

,

,
где D - нормирующее значение входного сигнала прибора, mV;

.
Рассчитаем значения

и

для каждой отметки:
200 °C:

;
300 °C:

;
400 °C:

;
500 °C:

;
600 °C:

.
Рассчитаем для каждой отметки значения

;

:
200°C:

;
300 °C:

.
400 °C:

;
500 °C:

;
600 °C:

.
| | ИС МЕГАНОРМ: примечание. В официальном тексте документа, видимо, допущена опечатка: имеется в виду пункт 3.9, а не пункт 4.9. | |
Определим число N
(п. 4.9) при определении соответствия вариации. Если используется в качестве меры напряжения потенциометр Р37-1 с

, то

,
т.е. необходимо использовать формулу

.
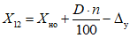
3.2. Расчет значений входных сигналов при определении соответствия основной погрешности регистрации допускаемым значениям.
Номинальное значение входного сигнала в mV для линии диаграммной ленты рассчитываем по формуле

,
где

- номинальное значение входного сигнала, соответствующее начальной отметке шкалы (т.е. 200 °C), mV;
D - нормирующее значение входного сигнала прибора, mV;
k - отметка выбранной линии диаграммной ленты.

;

;

.
Рассчитываем значения входного сигнала

и

по формулам:

;

,
где

- предел погрешности регистрации, равный 0,5% нормирующего значения;

;

.
Рассчитываем значения

и

для всех трех отметок диаграммной ленты
k = 0

;

;
k = 50

;

;
k = 100

.
Рассчитываем значения входного сигнала X по формулам:

;

.
3.3. Расчет значений входных сигналов при определении соответствия основной погрешности выходного сигнала по каналу преобразования допускаемым значениям.
3.3.1. Расчет значений входных сигналов для приборов с преобразователями ИП11 (преобразователь без линеаризации).
Значения входных сигналов рассчитываем для выходных сигналов 0; 1; 3; 4; 5 mA или 0; 2; 6; 8; 10 V по формулам:

;

,
где

- то же, что и в
п. 3.2; D - нормирующее значение входного сигнала прибора, mV;

- диапазон выходного сигнала преобразования, равный 5 mA для приборов с преобразователями по току и 10 V - для приборов с преобразователями по напряжению;

- проверяемое значение выходного сигнала преобразования, равное 0; 1; 3; 4; 5 mA для приборов с преобразователем по току и 0; 2; 6; 8; 10 V - для приборов с преобразователем по напряжению;

- предел допускаемого абсолютного значения погрешности выходного сигнала преобразования, mA (V).
Рассчитываем значения входных сигналов

,

при выходном сигнале преобразования 3 mA:

;

.
Рассчитаем значения входного сигнала по формулам:

;

,
где

- предел допускаемого значения вариации преобразования.
3.3.2. Расчет значений входных сигналов для приборов с преобразователями ИП10 (преобразователь с линеаризацией).
Значения входных сигналов рассчитываем для тех же выходных сигналов, что и в
п. 3.3.1, по формулам:

;

,
где

- градуировочное значение входного сигнала прибора, определяемое по
ГОСТ 3044-77 (для потенциометров КСП4, КСП4И) и по ГОСТ 6651-78 (для мостов) для расчетного значения температуры

, равного

,
где

,

- значения температуры, соответствующие начальной и конечной отметкам шкалы, °C;

,

- то же, что и в
п. 3.3.1;

- предел допускаемого абсолютного значения погрешности выходного сигнала преобразования, mA (V); D - нормирующее значение входного сигнала прибора, mV.
Рассчитаем значения

,

для значения выходного сигнала 3 mA:

;

по
ГОСТ 3044-77 для 440 °C равно 34,990 mV.

;

.
Рассчитываем значение входного сигнала по формулам:

;

,
где

- предел допускаемого значения вариации преобразования.
3.4. Расчет значений входных сигналов при определении соответствия погрешности по каналу регулирования для приборов с РУД.
Рассчитаем для проверяемой отметки 30% значения входного сигнала по формулам:

;

,
где

- то же, что в
п. 3.2; D - нормирующее значение входного сигнала прибора, mV; n - числовое значение проверяемой отметки, %;

- предел допускаемого абсолютного значения погрешности срабатывания, mV, рассчитанный по формуле

.

;

.
Пусть показания цифрового вольтметра, соответствующие начальной и конечной отметкам шкалы, равны:

,

. Тогда расчетное значение показаний цифрового вольтметра, соответствующее проверяемой отметке шкалы

, определяют по формуле

,
где

,

- показания цифрового вольтметра, соответствующие начальной и конечной отметкам шкалы, mV;
n - числовое значение проверяемой отметки, %.
Рассчитаем значение показания цифрового вольтметра, соответствующее проверяемой отметке 30%:

.
3.5. Расчет значений входного сигнала при определении соответствия погрешности по каналу регулирования РЗ.
Рассчитаем для проверяемой отметки 30% значения входного сигнала по формулам:

;

,
где

- то же, что в
п. 3.2; D - нормирующее значение входного сигнала прибора, mV; n - числовое значение проверяемой отметки, %;

- предел допускаемого абсолютного значения погрешности РЗ, mV:

.

;

.
3.6. Расчет входных сигналов при определении соответствия погрешности по каналу регулирования и сигнализации регулирующего устройства РУ, РУ*, РУПРЗ* и устройства аварийной сигнализации УАС
(п. 3.19).
Значения рассчитывают, как в
п. 3.5, только

в mV определяют по формуле

,
где D - нормирующее значение входного сигнала прибора, mV;

;

.
3.7. Расчет значений входных сигналов при определении соответствия погрешности по каналу регулирования регулирующих устройств РУПРЗ и РУПРДЗ
(п. 3.21).
Рассчитаем значения

для отметок (уставок) 30 и 70% шкалы.
Уставка 30% ("Мало" - "Норма"):

;

,
где

- то же, что и в
п. 3.2,

- предел допускаемого абсолютного значения погрешности по каналу регулирования РУПРЗ и РУПРДЗ, mV,

;

,

.
Уставка 70% ("Норма" - "Много"),

;

;

,

;

.
| | ИС МЕГАНОРМ: примечание. При публикации в официальном издании допущен типографский брак. Текст, не пропечатанный в официальном тексте документа, в электронной версии данного документа заменен символом "<...>". | |
3.8. Расчет значений входного сигнала в общем случае, когда

,

,

,

могут быть не равны нулю, проводят в соответствии с ГОСТ 8.280-78.