Главная // Актуальные документы // Методические рекомендацииСПРАВКА
Источник публикации
М., 2002
Примечание к документу
Документ утратил силу в связи с изданием
Распоряжения Росавтодора от 05.05.2022 N 1414-р.
Документ рекомендован к применению с 01.06.2002
Распоряжением Росавтодора от 17.06.2002 N ОС-542-р.
Название документа
"Отраслевой дорожный методический документ. Методические рекомендации по применению металлических гофрированных труб"
(утв. Распоряжением Росавтодора от 17.06.2002 N ОС-542-р)
"Отраслевой дорожный методический документ. Методические рекомендации по применению металлических гофрированных труб"
(утв. Распоряжением Росавтодора от 17.06.2002 N ОС-542-р)
от 17 июня 2002 г. N ОС-542-р
ОТРАСЛЕВОЙ ДОРОЖНЫЙ МЕТОДИЧЕСКИЙ ДОКУМЕНТ
МЕТОДИЧЕСКИЕ РЕКОМЕНДАЦИИ
ПО ПРИМЕНЕНИЮ МЕТАЛЛИЧЕСКИХ ГОФРИРОВАННЫХ ТРУБ
Методические рекомендации по применению металлических водопропускных труб разработаны ОАО ЦНИИС в соответствии с Техническим заданием Росавтодора применительно к использованию при строительстве автомобильной дороги Чита - Хабаровск. При разработке Методических рекомендаций использованы данные РосдорНИИ, СибЦНИИСа, проектных институтов (Мосгипротранса, Ленгипротранса, Сибгипротранса), а также техническая информация, представленная зарубежными фирмами. Рекомендации подготовлены специалистами ОАО ЦНИИС: Цернантом А.А. (общее руководство), Переселенковым Г.С., Казаркиной В.И., Кирилловым Г.А. и РосдорНИИ - Климешовым В.И.
Методические рекомендации по применению металлических гофрированных водопропускных труб разработаны в соответствии с Техническим заданием Росавтодора.
При подготовке методических рекомендаций были исследованы условия адаптации зарубежного опыта дорожного строительства с применением металлических гофрированных водопропускных труб к сложным инженерно-геологическим условиям районов строительства Сибири, Забайкалья и Дальнего Востока.
При разработке концепции обеспечения заданных потребительских свойств, позволяющих получить высокие эксплуатационные качества водопропускных сооружений с использованием современных ресурсосберегающих технологий применительно к строительству автомобильной дороги Чита - Хабаровск и других объектов дорожного хозяйства Сибири, Забайкалья и Дальнего Востока, этот опыт использован при строительстве водопропускных труб больших отверстий.
Отечественный опыт применения гофрированных металлических водопропускных труб, имеющийся в ЦНИИСе, СибЦНИИСе, СоюздорНИИ и РосдорНИИ, сконцентрирован в нормативных документах
ВСН 176-78 и Дополнениях к нему
N 1 от 1984 г. и
N 2 от 1985 г. С учетом данных обобщения зарубежного опыта эти нормативные документы положены в основу разработанных "Методических рекомендаций по применению металлических гофрированных водопропускных труб при строительстве автодороги Чита - Хабаровск".
В 1970 - 1975 гг. в ЦНИИСе проводились исследования и разрабатывались технические условия применения водопропускных гофрированных металлических и стеклопластиковых труб (первый нормативный документ ВСН 176-71 был утвержден в 1971 г.). В это же время было организовано производство металлических оцинкованных гофрированных элементов труб диаметром до 3 м на заводах бывшего Минтрансстроя и начато широкое применение их на строительстве железных дорог и подъездных железнодорожных путей в Западной Сибири и на БАМе. Нормативный документ по проектированию и постройке металлических гофрированных водопропускных труб
ВСН 176-78 был подготовлен ЦНИИСом, согласован и утвержден МПС и Минтрансстроем в 1978 г. Дополнения к этому документу были выпущены в 1984 - 1985 гг. и регламентировали применение гофрированных труб на вечной мерзлоте, а также включали некоторые корректировки по вопросам гидроизоляции и обеспечению устойчивости конструкции трубы при больших высотах насыпей.
К настоящему времени значительная часть рекомендаций, содержащихся в
ВСН 176-78, потребовала корректировки по современным требованиям ГОСТов на материалы и с учетом накопленного опыта строительства и эксплуатации сооружений в различных условиях и, прежде всего, в условиях вечной мерзлоты и сейсмики.
На отечественных заводах в г. Алексине Московской области, в г. Бийске на Алтае освоено производство комплектов гофрированных металлических труб отверстием от 1 до 3 м.
По трубам с отверстиями более чем 3 м, отличным по конструкции и технологии монтажа, отечественных нормативных документов и технических указаний применительно к водопропускным сооружениям на железных и автомобильных дорогах нет. В отечественной практике гражданского строительства такие водопропускные сооружения начали применяться, в основном, с середины девяностых годов с использованием импортных поставок конструктивных элементов при импортном же инженерном обеспечении монтажа. Нормативные требования, которыми руководствуются поставщики, не учитывают в полной мере условия России, в частности сочетания мерзлотных и сейсмических процессов. Отличия в требованиях кодов США и Канады с
ВСН 176-78 имеются и в требованиях по гидроизоляции, защите от коррозии, создании грунтовой обоймы. Зарубежная расчетная база остается на основе эмпирических подходов и формул.
Изготовление и массовая поставка отечественной промышленностью конструктивных элементов для водопропускных труб отверстием до 8 м ожидается в течение 2002 - 2003 гг. Изложенное поясняет необходимость разработки отечественных норм и правил на проектирование и строительство водопропускных сооружений из гофрированных металлических элементов, работающих в грунтовой обойме под автомобильные дороги. Настоящие рекомендации будут действовать вплоть до подготовки Свода правил в развитие
СНиП "Мосты и трубы", разрабатываемых в настоящее время, с включением в него специальных разделов по применению гофрированных металлических многолистовых конструкций для лавинозащитных и противоскальнообвальных галерей и путепроводов тоннельного типа.
В методические указания для возможного учета перечисленных обстоятельств для применения металлических гофрированных структур дополнительно включены следующие вопросы:
1. Уточнены требования к устройству грунтовых призм в обойме из геосинтетических материалов, так как работа металлических гофрированных структур эффективна только при их совместной работе с вмещающим грунтовым массивом. Рассмотрены и включены вопросы по конструированию обоймы с использованием армированного грунта современными геосинтетическими материалами.
2. Пересмотрены требования к расчетам прочностных показателей с усилением роли грунтовой обоймы как стабилизатора геометрических размеров при напряженно-деформированном состоянии.
3. Пересмотрены методы гидравлических расчетов для гарантированной работы труб больших диаметров.
4. Пересмотрены требования к гидроизоляции и к антикоррозийной защите с учетом возможности использования современных материалов.
5. Выделены в самостоятельный раздел вопросы по организации системы контроля качества.
6. Усилены требования по технике безопасности и охране труда.
7. Пересмотрены требования к конструированию, производству работ и выбору материалов в соответствии с действующей нормативной базой.
8. В разделе технологии выполнения работ на основе отечественного и зарубежного опыта предложены современные средства механизации и дан перечень используемых машин и механизмов.
В Приложении приведены:
Методические рекомендации составлены применительно к использованию при строительстве автомобильной дороги Чита - Хабаровск и после опытного применения будут переработаны в ведомственный нормативный документ.
Методические рекомендации для возможности последующей трансформации в СП подготовлены в виде нормативного документа, составленного по форме, соответствующей требованиям ОСТ 218-01-95.
1.1. Методические рекомендации распространяются на проектирование и постройку металлических гофрированных одно- и многоочковых водопропускных труб диаметром до 3 м и водопропускных сооружений из гофрированных структур комплектной отечественной и импортной поставки отверстием до 8 м на федеральной автомобильной дороге Чита - Хабаровск, включая примыкающие к ней автомобильные и железные дороги промышленных и сельскохозяйственных предприятий, а также на дорогах и на улицах городов и поселков, через которые проходит трасса.
При разработке проектов должны соблюдаться требования действующих нормативных документов и государственных стандартов.
1.2. Проектирование металлических гофрированных водопропускных сооружений следует осуществлять на основании технико-экономического обоснования применения в конкретных условиях строительства.
1.3. При проектировании и строительстве труб в районах с расчетной минимальной температурой (средней температурой воздуха наиболее холодной пятидневки) ниже минус 40 °C необходимо учитывать дополнительные требования, содержащиеся в настоящих Методических указаниях.
1.4. Конструкции водопропускных сооружений из гофрированного металла работают только совместно с грунтом засыпки (система "конструкция - грунтовая обойма"), что должно достигаться конструктивным решением по обоснованному расчетом армированию и достижению требуемого уровня плотности грунта засыпки и строгим соблюдением технологии.
1.5. Водопропускные металлические гофрированные трубы больших отверстий по технологии и из материалов зарубежных фирм следует использовать как для пропуска периодически действующих водотоков, так и для пропуска, при отсутствии наледей, постоянных водотоков (при строительстве новых дорог). Допускается удлинение гофрированных труб при уширении проезжей части и реконструкции дорог.
1.6. Применение гофрированных труб отверстиями менее 5 м на водотоках при наличии ледохода, карчехода, селевых потоков и наледеобразования не допускается. Водопропускные сооружения из гофрированного металла отверстиями 5 м и более по технологии и из материалов зарубежных фирм на подобных водотоках проектируются в комплексе с противоналедными мероприятиями по соответствующим требованиям и нормам проектирования мостов, при гарантии надежной эксплуатации.
Водопропускные сооружения из металлических гофрированных структур отверстием более 3 м арочной конструкции по технологии и из материалов зарубежных фирм проектируются без ограничения уклона по руслу под аркой.
1.7. Металлические гофрированные трубы отверстием до 3 м и под насыпями высотой 4 м и более на косогорах разрешается применять при условии устройства их с уклоном не более 0,05 и сооружения на входе и выходе из трубы гасящих конструкций (колодцев, быстротоков, скальных отсыпок и других гасителей) с обязательной проверкой гашения энергии при наличии бурного потока.
1.8. Из условий эксплуатационного обслуживания отверстия труб назначают не менее 1 м, а при длине трубы свыше 20 м - рекомендуется отверстие не менее 1,5 м.
На автомобильных дорогах III - V категорий и временных железнодорожных обходах допускается применять трубы с отверстием 1 м при длине их не более 30 м.
Отверстия труб в районах с расчетной минимальной температурой воздуха ниже минус 40 °C должны быть не менее 1,5 м.
1.9. Наименьшую толщину засыпки над звеньями труб следует принимать равной:
на автомобильных дорогах, а также на дорогах и на улицах городов и поселков - 0,5 м до низа дорожной одежды, но не менее 0,8 м до верха дорожного покрытия;
на железных дорогах - 1,2 м до подошвы рельса (0,5 м до бровки насыпи);
на внутренних железнодорожных путях промышленных и сельскохозяйственных предприятий - 1 м до подошвы рельса (0,5 м до бровки насыпи).
Минимальная толщина над сводом водопропускных сооружений больших отверстий из гофрированного металла, в том числе импортной поставки, должна проверяться расчетом.
При армировании грунтовой обоймы и устройстве мембраны из объемных георешеток над шелыгой свода трубы, а также при осуществлении других специальных конструктивно-технологических мероприятий толщина засыпки может быть уменьшена с проверкой достаточности расчетом. Толщина засыпки над трубой в период строительства должна обеспечивать возможность пропуска строительных машин и механизмов, а также подвижного состава.
1.10. Основные размеры труб и водопропускных сооружений из гофрированных металлических структур должны назначаться с учетом унификации металлоконструкций (гофрированных элементов, секций, крепежа).
1.11. Внутренняя и наружная поверхности труб и водопропускных сооружений из гофрированных металлических структур должны иметь основное защитное антикоррозионное покрытие, а в необходимых случаях (при агрессивных средах) и дополнительные защитные антикоррозионные покрытия. От механических повреждений антикоррозийного покрытия при засыпке грунтом в необходимых случаях должно применяться обертывание трубы геотекстилем.
1.12. При проектировании сопряжения трубы с насыпью, а также с подводящей и отводящей частями русла следует предусматривать укрепление откосов насыпи и русла, в том числе с использованием объемных георешеток, а также специальные ограждающие устройства при опасности засорения труб и в других необходимых случаях, специальные конструкции (водобойные колодцы, лотки), обеспечивающие устойчивость насыпей у труб и невозможность разрушения русла. Трубы отверстием до 3 м должны рассчитываться исходя из безнапорного режима работы сооружения.
Водопропускные сооружения из гофрированных металлических структур отверстием более 3 м рассчитываются на пропуск водного потока только в безнапорном режиме и проектируются по нормам проектирования мостов.
Возвышение высшей точки внутренней поверхности трубы над горизонтом воды в трубе при расчетном расходе и безнапорном режиме должно быть не менее 1/4 высоты трубы в свету. Заполнение входного сечения трубы при расчетном расходе и безнапорном режиме должно быть не более 0,9 от высоты трубы.
1.13. Расчет труб на воздействие водного потока следует производить по гидрографам расчетного и наибольшего паводков.
Вероятности превышения расходов паводков и соответствующих им уровней воды на пике паводков следует принимать:
для автомагистрали расчетные - 1:100 (1%);
для автодорог II и III категорий и городских улиц и для железных дорог III и VI категорий и подъездных путей - 1:50 (2%);
для автомагистралей наибольшие - 1:300 (0,33%).
Для труб на подъездных путях промышленных и сельскохозяйственных предприятий, не допускающих перерыва движения по условиям технологии производства, вероятность превышения расчетных расходов уровня воды следует принимать равной 1:100 (1%).
При пропуске наибольших расходов допускаемые скорости для расчета укреплений могут быть повышены на 35%.
При определении глубины размыва и размеров укреплений расчетные расходы (для учета возможных ошибок) увеличиваются на 30%.
1.14. Бровка земляного полотна на подходах к трубам должна быть не менее чем на 0,5 м выше отметки подпорного уровня, определяемого по наибольшему расходу для автомагистралей и для железных дорог.
1.15. До начала производства работ строительная организация должна получить от заказчика полную техническую документацию.
Рабочие чертежи сооружений должны содержать:
- физико-механические характеристики грунтов основания и грунтов засыпки (пластичность, максимальную стандартную плотность, оптимальную влажность, общий компрессионный модуль деформации, коррозионную активность воды и грунта), а для труб в районах с расчетной минимальной температурой воздуха ниже минус 40 °C также данные о мерзлотно-грунтовых условиях - глубину сезонного оттаивания-промерзания, температурный режим грунтов, в том числе температуру на уровне нулевых годовых амплитуд, данные о физико-механических свойствах грунтов в талом, мерзлом и оттаивающем состояниях (льдистость, теплофизические характеристики, просадочность при оттаивании и др.);
- полные физико-механические характеристики армирующих материалов грунтовой обоймы;
- полные физико-механические характеристики металлических гофрированных элементов и крепежа;
- полные геометрические характеристики металлических гофрированных элементов и их раскладку по сооружению;
- данные по типу и способу нанесения антикоррозийного покрытия;
- указания по технологии сборки водопропускного сооружения, включая устройство основания, фундаментов и формирование грунтовой (армогрунтовой) обоймы.
1.16. Характеристики грунтов для засыпки труб и оснований, перечисленные в
п. 1.15, должны быть получены по данным изысканий и лабораторных анализов образцов грунта из выработок по дну лога (если предполагается верхний слой грунта использовать в качестве основания), а также карьеров грунта для засыпки труб. При этом следует руководствоваться указаниями
СНиП 11-02-96 главы "Инженерные изыскания для строительства".
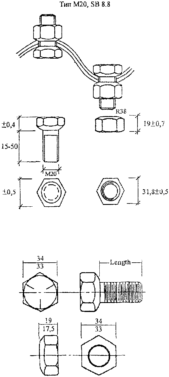
1.17. Изготовленные на заводе или приобретаемые по импорту элементы гофрированных водопропускных сооружений, включая болты, гайки и шайбы, должны иметь сертификаты качества с паспортами.
В период постройки гофрированных водопропускных сооружений акты приемки отдельных видов работ и в целом сооружения следует составлять по формам требований ИСО-9000.
1.18. Водопропускные сооружения из гофрированных металлических структур при больших отверстиях (d >= 3 м) представляют собой технические системы, взаимодействующие со сложными природными процессами. Поэтому расчет, конструирование, проектирование и строительство всего процесса при выборе их параметров должны выполняться при научном сопровождении.
2.1. Для элементов гофрированных труб диаметром до 3 м следует применять листовые волнистые профили из углеродистой качественной конструкционной медистой стали марки 15 по
ГОСТ 1050-88*, а для труб, применяемых в районах с расчетной минимальной температурой воздуха ниже минус 40 °C, - из стали марки 09Г2Д по
ГОСТ 17066-94 и
ГОСТ 19281-89.
Для водопропускных сооружений из гофрированных структур допускается применение элементов импортных поставок из сталей аналогичного качества по химическому составу и физико-механическим характеристикам.
Допускается при соответствующем обосновании и согласовании в установленном порядке применение сталей других марок.
При поставке гофрированных элементов зарубежных фирм каждая партия подлежит сертификации.
2.2. Болты, гайки и шайбы следует изготавливать из сталей марок 20, 30 и 35 по
ГОСТ 1050-88*; допускается изготовление шайб из стали марки Ст. 3 по
ГОСТ 380-94.
Для труб, эксплуатируемых в районах с расчетной минимальной температурой воздуха ниже минус 40 °C, болты следует применять из сталей 35Х и 38ХА по
ГОСТ 4543-71*; допускается применение болтов из сталей марок 20, 30 и 35 по
ГОСТ 1050-88*.
2.3. Болты, гайки и шайбы для сборки водопропускных сооружений из гофрированных структур импортной поставки, как правило, должны поставляться комплектно вместе с гофрированными элементами. Применение отечественных крепежных элементов в этом случае допускается при согласовании с заказчиком.
2.4. Основное расчетное сопротивление

при действии осевых сил должно приниматься: для стали марки 15 - 1900 кгс/см2, марки 09Г2Д - 2400 кгс/см2.
Расчетное сопротивление для болтовых соединений должно приниматься: на смятие кромок стыковых соединений для стали марки 15 - 3300 кгс/см2, для стали марки 09Г2Д - 4200 кгс/см2; на срез болта нормальной точности класса 4.6, 5.6 и 8.8 соответственно 1300; 1500 и 2500 кгс/см2.
2.5. Для устройства подушки под трубу следует применять пески средней крупности, крупные, гравелистые, щебенисто-галечниковые и дресвяно-гравийные грунты, не содержащие обломков размером более 50 мм. Перечисленные грунты не должны содержать более 10% частиц размером менее 0,1 мм, в том числе более 2% глинистых размером менее 0,005 мм.
2.6. Для устройства грунтовой обоймы вокруг труб, кроме перечисленных грунтов, допускается применять пески мелкие, не содержащие более 10% частиц размером меньше 0,1 мм, в том числе более 2% глинистых размером меньше 0,005 мм.
Отсыпка грунтовой обоймы с использованием глинистых грунтов, пригодных для возведения насыпей (при высотах последних до 8 м), допускается в районах, где исключается возможность процессов пучинообразования на автомобильных дорогах (кроме автомагистралей I - II категории), при соответствующем технико-экономическом обосновании.
2.7. Для устройства заполнителя армогрунтовых мембран из объемных георешеток в грунтовых обоймах на водопропускных сооружениях из гофрированных металлических структур допускается использовать грунтовую массу полускальных и скальных пород, получаемую при разработке скальных выработок взрывным способом.
2.8. Для основного антикоррозионного защитного покрытия металлических труб следует применять цинк марки ЦЗ по
ГОСТ 3640-94.
Для дополнительного антикоррозионного защитного покрытия труб, предназначенных для эксплуатации в районах с расчетной минимальной температурой воздуха ниже минус 40 °C, следует применять материалы на основе полиуретановых смол, в том числе импортной поставки (например, материалы с грунтовым покрытием из полиуретанового цинкнаполненного однокомпонентного материала "Steelpant-Pu-Zink" толщиной слоя 40 - 50 мкм; и в качестве покрывного слоя - однокомпонентной полиуретановой композиции "Steelpant-Pu-Combination-100" толщиной слоя 150 - 200 мкм), а также одноупаковочную мастику холодной сушки "Гермокрон" по ТУ 2513-001-20504464-99 в виде двух-трех слоев общей толщиной 0,5 - 1,0 мм.
2.9. Для бетонных и железобетонных оголовков труб следует применять бетон и арматуру, соответствующие требованиям
СНиП 2.05.03-84*.
2.10. Бетон лотка должен быть класса прочности (на сжатие) не ниже В25. Марка бетона лотка по морозостойкости должна быть не ниже F200 для труб, расположенных в районах со среднемесячной температурой воздуха наиболее холодного месяца выше минус 10 °C, и не ниже F300 в остальных районах.
В состав бетона лотка должны входить заполнители крупностью не более 10 мм, а также комплексные добавки для повышения морозостойкости.
2.11. Бетон лотка в трубах, пропускающих агрессивные воды, должен соответствовать требованиям
раздела 2 СНиП 2.03.11-85 "Защита строительных конструкций от коррозии".
2.12. Для устройства асфальтобетонного лотка в трубах следует применять литую песчаную асфальтобетонную смесь.
Для приготовления асфальтобетонных смесей следует применять битумы нефтяные дорожные вязкие марок БНД 40/60, БНД 60/90 и БНД 90/130 или БН 60/90 и БН 90/130 по
ГОСТ 22245-90*, а также строительные битумы марок IV и V по
ГОСТ 6617-76* (только для блоков), пески природные нефракционированные и фракционированные, отвечающие требованиям
ГОСТ 8736-93* (крупные, средние или мелкие), минеральные порошки активированные или неактивированные из карбонатных горных пород, удовлетворяющие требованиям
ГОСТ 16557-78.
2.13. Грунтовая обойма гофрированных водопропускных сооружений отверстиями более 3,0 м, как правило, армируется композитными комбинациями с геотекстильными материалами. При необходимости армирования грунтовой обоймы гофрированных труб отверстием до 3,0 м следует применять геотекстиль с характеристиками не ниже приведенных в таблице 1. Схема армирования во всех случаях определяется проектом.
Таблица 1
Технические характеристики рекомендуемого иглопробивного
геотекстильного полотна ТУ 63032-1989
┌───────────────────────────────────┬──────────┬──────────────────────────┐
│ Наименование показателей │Измеритель│ Норма по типам │
│ │ ├──────┬─────────┬─────────┤
│ │ │ 1 │ 2 │ 3 │
├───────────────────────────────────┼──────────┼──────┼─────────┼─────────┤
│Ширина │ см │ - │250 +/- 4│170 +/- 4│
├───────────────────────────────────┼──────────┼──────┼─────────┼─────────┤
│Разрывная нагрузка │ кН/м │ - │ 7 - 12 │ 6 - 10 │
├───────────────────────────────────┼──────────┼──────┼─────────┼─────────┤
│Удлинение при разрыве, не более: │ │ │ │ │
│в поперечном направлении │ % │ - │ 70 │ 80 │
│в продольном направлении │ │ │ 130 │ 110 │
├───────────────────────────────────┼──────────┼──────┼─────────┼─────────┤
│Поверхностная плотность материала │ г/м3 │ - │ 600 │ 600 │
└───────────────────────────────────┴──────────┴──────┴─────────┴─────────┘
Устройство жесткого слоя в армогрунтовых обоймах, а также устройство мембран в основании и над шелыгой свода трубы осуществляются с применением объемных георешеток с характеристиками согласно таблице 2.
Таблица 2
Физико-механические параметры решеток "Прудон 494"
┌───┬───────────────────────┬─────────────┬────────┬────────┬─────────────┐
│ N │ Наименование основных │ Нормативный │Норма- │Факти- │ Примечание │
│п/п│ показателей │ документ │тивное │ческое │ │
│ │ │ │значение│значение│ │
├───┼───────────────────────┼─────────────┼────────┼────────┼─────────────┤
│ 1 │Разрывная нагрузка │ГОСТ 15902.3 │ │ │Соответствует│
│ │полоски 50 x 100 мм; Н │ТУ 2246-002- │ │ │ТУ 2246-002- │
│ │По длине │-07859300-97 │Не менее│ 1533 │-07859300-97 │
│ │ │ │ 1250 │ │ │
│ │По ширине │ │Не менее│ 1424 │ │
│ │ │ │ 1250 │ │ │
├───┼───────────────────────┼─────────────┼────────┼────────┼─────────────┤
│ 2 │Удлинение │ГОСТ 15902.3 │Не более│ │Соответствует│
│ │на разрыв │ТУ 2246-002- │ │ │ТУ 2246-002- │
│ │По длине │-07859300-97 │ 30 │ 17 │-07859300-97 │
│ │По ширине │ │ 30 │ 17 │ │
├───┼───────────────────────┼─────────────┼────────┼────────┼─────────────┤
│ 3 │Жесткость полоски │ГОСТ 8977-74 │Не менее│ 100,0 │Соответствует│
│ │размером 160 x 20 мм; │ТУ 2246-002- │ 40000 │ │ТУ 2246-002- │
│ │кН │-07859300-97 │ │ │-07859300-97 │
├───┼───────────────────────┼─────────────┼────────┼────────┼─────────────┤
│ 4 │Прочность шва на отрыв,│ТУ 2246-002- │Не менее│ 64 │Соответствует│
│ │% от разрывной нагрузки│-07859300-97 │ 50 │ │ТУ 2246-002- │
│ │материала │ │ │ │-07859300-97 │
└───┴───────────────────────┴─────────────┴────────┴────────┴─────────────┘
2.14. Укрепление откосов насыпей у оголовков труб выполняется каменной наброской с применением геосеток с засыпкой растительным грунтом и посевом трав, объемных георешеток с засыпкой щебнем, самонесущих блочных одевающих стен и других видов покрытий, определенных проектом.
3.1. Прочность и устойчивость стальных гофрированных труб и их функциональная пригодность должны быть обеспечены как в процессе эксплуатации сооружения, так и в период строительства, что должно быть подтверждено расчетами.
3.2. При проектировании конструкций гофрированных труб необходимо:
- производить расчет конструкции по предельному статическому равновесию с учетом неодинаковых вертикального и бокового давления грунта по контуру трубы при возведении насыпи и степени уплотнения грунта в грунтовой обойме;
- проверять общую устойчивость формы поперечного сечения трубы;
- производить расчет стыковых соединений;
- предусматривать ограничение гибкости трубы с учетом требований транспортирования и монтажа конструкции;
- осуществлять гидравлические расчеты;
- проводить расчеты осадки труб с обоймой под насыпью в ходе строительства и при последующей эксплуатации для назначения строительного подъема и принятия решения о конструкции основания.
Расчет труб на прочность и устойчивость следует осуществлять согласно требованиям ограничения предельных деформаций поперечного сечения трубы (предельные относительные изменения горизонтального или вертикального размеров не должны превышать 5%).
| | ИС МЕГАНОРМ: примечание. В официальном тексте документа, видимо, допущена опечатка: не указан номер приложения. Возможно, имеется в виду Приложение 3. | |
Гидравлические расчеты труб выполняются по методике, изложенной в "Пособии по гидравлическим расчетам" (см.
Приложение).
3.3. При разработке рабочего проекта привязки металлических гофрированных труб к конкретным условиям строительства производят:
- гидравлические расчеты;
- расчет осадок и строительного подъема лотка трубы;
- конструирование и расчет грунтовой обоймы и приспособлений, обеспечивающих ограничение поперечных деформаций трубы на стадии формирования грунтовой обоймы, засыпки и уплотнения боковых призм грунта и возведения насыпи до проектных отметок.
3.4. Расчет осадок труб под насыпью при отсутствии вечномерзлых грунтов в основании следует производить с использованием исходных параметров - модуля деформации и объемной массы грунта, мощности геологических слоев в основании, а также высоты насыпи. Расчет осадок на оттаивающих вечномерзлых грунтах производится согласно прогнозу деградации мерзлоты по теплотехническим расчетам.
Расчет осадок труб, в основании которых сжимаемые грунты подстилаются несжимаемыми (например, скальными), следует производить в зависимости от высоты насыпи и глубины залегания несжимаемых грунтов.
При проектировании труб должны учитываться результаты проверки обеспечения стабильности насыпи, выполняемой при проектировании земляного полотна.
3.5. Величину строительного подъема проверяют расчетом исходя из расчетной осадки под осью насыпи, с учетом уклона и длины трубы. Наименьшее значение строительного подъема должно быть не менее 1/80H при песчаных, галечниковых и гравелистых грунтах основания, 1/50H при глинистых, суглинистых и супесчаных грунтах основания и 1/40H при грунтовых подушках из песчано-гравелистой или песчано-щебенистой смесей (H - высота насыпи). При расчете строительного подъема учитывают ограничения:
- во избежание застоя воды отметка лотка входного оголовка в начальный период эксплуатации и после стабилизации осадок основания должна быть выше отметки лотка среднего звена трубы;
- при укладке труб на промороженное основание отметки лотка должны быть увеличены с учетом дополнительной осадки, вызываемой оттаиванием мерзлого грунта;
- строительный подъем не устраивают для труб, сооружаемых на скальных и других несжимаемых грунтах.
3.6. В процессе отсыпки и уплотнения грунтовой обоймы без армирования по бокам конструкции относительное уменьшение наибольшего горизонтального размера не должно превышать 3% его номинального размера, при этом следует выполнять проверку необходимости устройства временных креплений на стадии отсыпки и уплотнения боковых призм грунта.
Проектировать крепление следует так, чтобы оно включалось в работу только после трехпроцентного уменьшения горизонтального диаметра трубы.
3.7. Технико-экономические расчеты выполняются для обоснования индивидуальных проектных решений по:
- увеличению водопропускной способности трубы за счет применения оголовков;
- увеличению уклона трубы свыше 0,03;
- выбору схем укладки трубы на косогорах;
- сравнению замены грунта в основании с искусственным основанием;
- втеканию потока в трубу (уменьшение вероятности размыва откосов на насыпи на входе);
- сопряжению трубы с насыпью.
Методика технико-экономических расчетов выбирается при проектировании.
4.1. Водопропускное сооружение из металлических гофрированных листов (труба) должно быть запроектировано одновременно с грунтовой засыпкой таким образом, чтобы была обеспечена совместная их работа с окружающим грунтом насыпи.
4.2. Конструкция водопропускного сооружения из гофрированной стали должна обеспечивать:
- эксплуатационную надежность сооружения из элементов с максимальной заводской готовностью при наименьших затратах на его содержание в течение всего срока службы;
- сборку на строительной площадке при наименьших затратах труда;
- удобство перевозки элементов сооружения различными видами транспорта, в том числе воздушным.
4.3. В качестве основного типа сооружений отверстием до 3 м следует применять трубы с вертикальным или скошенным параллельно откосу насыпи торцом концевого звена с устройством оголовков (см. рис. 1, б) или без них. Для сооружений с отверстием более 3 м на сопряжениях с откосами насыпи должны проектироваться оголовки.
Рис. 1. Схема конструкции трубы верховой стороны насыпи:
1 - подушка основания; 2 - укрепление откоса;
3 - противофильтрационный экран
4.4. В отдельных случаях при соответствующем технико-экономическом обосновании допускается (кроме районов с наличием вечномерзлых грунтов) применение оголовков для увеличения водопропускной способности трубы и на трубах диаметром до 3 м (вместо сооружения трубы с большим отверстием). Конструкция оголовков должна обеспечивать надежное сопряжение их с металлической частью сооружения, исключающее возможность неравномерных осадок.
Для сооружений, строящихся на скальных, крупнообломочных и других непучинистых грунтах, следует применять оголовки во всех строительно-климатических зонах.
4.5. Глубина заложения фундаментов оголовков водопропускных сооружений на скальных грунтах, на гальке и гравии, щебенистых, гравелистых песках и песках средней крупности не нормируется. Глубина заложения фундаментов оголовков при всех прочих грунтах должна быть не менее чем на 0,25 м ниже расчетной глубины сезонного промерзания с учетом местных условий.
4.6. Фундаменты оголовков на пучинистых грунтах следует рассчитывать с учетом воздействия касательных сил морозного пучения грунта в соответствии со
СНиП 2.02.01-83.
4.7. При решении вопроса о расположении водопропускных сооружений следует размещать их на прочных и устойчивых основаниях. Вынос сооружений на склон лога допускается только при специальном обосновании.
4.8. Металлические гофрированные трубы на косогорах надлежит укладывать на естественное основание с уклоном, близким уклону лога, либо на отсыпке земляного полотна из скального грунта, устойчивого против выветривания в теле насыпи с расположением выхода из трубы выше дна лога с устройством бермы.
Уклон лотка трубы должен быть больше критического (0.02) но не должен превышать 0.03. На основании технико-экономических расчетов допускается увеличить уклон трубы до 0.05. Применение более крутых уклонов допускается при индивидуальном проектировании со специальными мероприятиями гашения скорости потока в трубе и на выходе (лотки повышенной шероховатости, водобойные колодцы и др.). При уклоне менее критического пропускную способность трубы следует пересчитывать.
Под выходной частью трубы следует устраивать дренирующую отсыпку (обратный фильтр), препятствующую вымыванию (выносу) частиц грунта по подошве насыпи. При наличии заиления гасителей энергии устраивать не следует.
Тип и размеры укреплений откосов насыпи определяются в соответствии с гидравлическими расчетами.
Рис. 2. Схема размещения трубы на косогоре:
1 - входной оголовок (без скоса); 2 - укрепление русла;
3 - противофильтрационный экран; 4 - подушка;
5 - отсыпка камней рисбермы
4.9. Конструкция основания металлические гофрированных труб должна отвечать принципиальным схемам, приведенным на
рис. 3 а, б, в, г.
Рис. 3. Конструкция основания:
а - с устройством верхней части подушки после укладки
трубы; б - с предварительным устройством ложа;
в - с отсыпкой нулевого слоя и устройством ложа;
г - с заменой грунта; 1 - первый этап отсыпки подушки;
2 - второй этап отсыпки подушки; 3 - нулевой слой;
4 - замена грунта основания скальной отсыпкой;

при опирании на плоское основание;

при опирании на грунтовое ложе
Подушку под трубу необходимо устраивать в тех случаях, когда основание сложено глинистыми, скальными и песчаными пылеватыми грунтами. На слабых основаниях должна производиться замена слабого грунта либо устраиваться искусственное основание.
Толщина подушки для труб отверстием более 3,0 м должна быть равна 0,2D, но не менее 0,4 м (D - диаметр трубы, м) и не более 1,0 м.
4.10. При необходимости замены слабого грунта в основании глубину заменяемого грунта h-3 следует определять расчетом исходя из условия обеспечения несущей способности нижележащего грунта или по расчету осадок.
Ширина замены грунта основания или устройства искусственного основания должна назначаться по расчету, но не менее 2D.
Применение трубы с устройством замены грунта основания на глубину более 2 м должно сравниваться с искусственным основанием в виде мембраны из объемной георешетки и обосновываться технико-экономическими расчетами.
4.11. Гофрированные трубы следует укладывать в ложе того же очертания, как и у низа трубы, вырезанное либо вытрамбованное в нулевом слое грунта толщиной, обеспечивающей центральный угол опирания конструкции не менее 90 - 120° в зависимости от формы отверстия трубы. Нулевой слой грунта должен быть отсыпан из материала, которым засыпается труба или отсыпается подушка, и уплотнен до 0,95 максимальной стандартной плотности.
4.12. Нулевой слой грунта, в котором устраивается ложе, можно отсыпать непосредственно на естественное основание (удаляя только растительный покров), если оно сложено песчаными (кроме пылеватых) или крупнообломочными грунтами. В этом случае естественное основание под трубой должно быть уплотнено по всей длине конструкции и на ширине не менее 4 м в каждую сторону от трубы.
При устройстве искусственного основания и объемной георешетки (мембраны) нулевой слой грунта для устройства ложа отсыпается непосредственно на мембрану и армируется без замыкания армирующих полотнищ со стороны примыкания грунтовой обоймы к телу трубы. Замыкание армирующих полотнищ грунтовой обоймы со стороны примыкания к телу трубы начинается со второго слоя в трубах диаметром до 3 м и с третьего слоя - в трубах диаметром более 3 м. Уплотнение грунта в мембране и армированных слоях обоймы должно выполняться до уровня 0,95 максимальной стандартной плотности.
4.13. Для предотвращения подмыва основания трубы (при наличии подушки и без нее) следует предусматривать по концам конструкции противофильтрационные экраны из железобетона, бетона, цементно-грунтовой или глинощебеночной смесей либо из гофрированного металла. При этом должна быть предотвращена возможность скопления воды в подушке.
Железобетонные и бетонные экраны следует применять для труб, сооружаемых на мелкопесчаных основаниях. Глубина заложения железобетонных и бетонных экранов должна быть не менее чем на 0,25 м ниже расчетной глубины сезонного промерзания с учетом местных условий.
Противофильтрационные экраны из цементно-грунтовой или глинощебеночной смесей применяют для труб, сооружаемых на глинистых грунтах. Эти экраны должны укладываться на ширину подушки, иметь длину вдоль оси трубы не менее 2 м и глубину не менее 0,7 глубины сезонного промерзания.
При сооружении труб на основании из крупнопесчаных скальных и крупнообломочных грунтов применяют цементно-грунтовые, глинощебеночные или бетонные экраны с глубиной заложения, равной толщине подушки.
4.14. Грунтовая обойма вокруг гофрированных труб диаметром до 3 м, устраиваемая без армирования на ширине не менее 4 м с каждой стороны трубы и высотой не менее 0,5 м над верхом конструкции, должна быть отсыпана грунтами, соответствующими требованиям
п. 2.5.
Геометрические размеры армированной грунтовой обоймы назначаются по расчету в зависимости от принятого уровня снижения величины горизонтальных напряжений. При этом ширину по верху обоймы рекомендуется назначать не более 2D, а в уровне горизонтального диаметра 1,0D - 1,5D в каждую сторону.
Армирование грунтовой обоймы надлежит устраивать с учетом выполнения ею противофильтрационной функции в теле насыпи при паводках длительной продолжительности.
Для пропуска тяжелых строительных машин толщина засыпки над верхом трубы должна быть увеличена по расчету, но не менее чем до 1,0 м и заармирована, в том числе с применением объемной георешетки. Грунт засыпки следует отсыпать и тщательно уплотнять (коэффициент уплотнения не ниже 0,95).
4.15. Продольный профиль трубы следует устраивать со строительным подъемом.
При укладке песчано-гравийной подготовки под трубу на сезонно-мерзлый грунт с глубиной промерзания 1 м и более следует увеличивать строительный подъем лотка в расчете на дополнительную осадку при оттаивании грунта основания. Осадка определяется на основании данных об относительном сжатии грунтов.
4.16. В многоочковых трубах расстояние в свету между звеньями для труб диаметром до 3 м назначается равным 1 - 1,2 м (для удобства отсыпки и уплотнения грунта до требуемой плотности). Количество рядом уложенных труб не ограничивается. Для многоочковых труб диаметром более 3 м расстояние в свету между звеньями назначается по расчету, но не менее 2 м. Грунтовая обойма в пространстве между звеньями армируется с устройством распорки из объемной георешетки, мембраны в основании и над шелыгой сводов звеньев устраиваются без разрыва в промежутках между звеньями.
ОСОБЕННОСТИ КОНСТРУИРОВАНИЯ ТРУБ
НА ВЕЧНОМЕРЗЛЫХ И ПУЧИНИСТЫХ ГРУНТАХ
4.17. Водопропускные трубы на вечномерзлых и пучинистых грунтах следует проектировать, соблюдая нормы и требования действующих нормативных документов:
СНиП 2.02.01-83*,
СП 32-104-98 с учетом свойств грунтов слоя сезонного промерзания (оттаивания) и вечномерзлых грунтов при оттаивании.
4.18. Трубы следует проектировать с учетом степени относительного сжатия вечномерзлого грунта основания при оттаивании (табл. 3) и характеристик грунтов слоя сезонного промерзания (оттаивания).
Таблица 3
┌─────────┬────────────────────┬──────────────────────────────────────────┐
│Категория│ Тип основания, │ Виды грунтов основания │
│просадоч-│относительное сжатие│ │
│ности │ грунта дельта │ │
├─────────┼────────────────────┼──────────────────────────────────────────┤
│ I │ Слабосжимаемое │Основания, сложенные скальными породами, │
│ │ (прочное) │крупнообломочными и песчаными грунтами, │
│ │ дельта < 0,05 │а также глинистыми грунтами твердой и │
│ │ │полутвердой консистенции после оттаивания │
│ II │ Среднесжимаемое │Основания, сложенные глинистыми грунтами │
│ │0,05 < дельта < 0,1 │тугопластичной и мягкопластичной │
│ │ │консистенции, а также песчаными или │
│ │ │крупнообломочными грунтами при наличии │
│ │ │включений прослоев или линз льда │
│ III │ Сильносжимаемое │Основания, сложенные глинистыми грунтами │
│ │ (слабое) │текучепластичной и текучей консистенции, │
│ │ 0,1 < дельта < 0,4 │а также песчаными или крупнообломочными │
│ │ │грунтами с включением прослоев или линз │
│ │ │льда; мари с мощностью торфа до 1 м │
│ IV │ Просадочное │Участки с наличием подземного льда; │
│ │ дельта > 0,4 │мари с мощностью торфа более 1 м │
└─────────┴────────────────────┴──────────────────────────────────────────┘
4.19. Рекомендуется выполнять расчеты по прогнозу температурного режима в зоне теплового влияния трубы. Результаты расчетов используются при проектировании оснований труб и фундаментов оголовков (при расчете осадок и назначении строительного подъема).
4.20. На вечномерзлых грунтах трубы разрешается применять, как правило, при грунтах I и в отдельных случаях при низкотемпературных грунтах II категории просадочности при условии, что суммарная величина осадки грунтов основания в оттаявшем состоянии может быть компенсирована величиной строительного подъема.
4.21. При грунтах высокотемпературных II категории просадочности и высоко- и низкотемпературных грунтах III и IV категорий просадочности следует разрабатывать индивидуальные проекты труб с учетом величины расчетной осадки и обоснованием принятых решений технико-экономическими расчетами, грунты, имеющие температуру на глубине нулевых амплитуд (глубина, на которой температура вечномерзлого грунта в течение года остается постоянной) минус 1 °C и выше, относятся к высокотемпературным, ниже 1 °C - к низкотемпературным.
4.22. На слабых после оттаивания грунтах целесообразно производить замену грунта, в том числе с устройством подушки, армированной объемной георешеткой, - мембраны в обойме из дорнита. Толщина мембраны принимается по расчету. Если требуется устройство подушки под трубу, толщину подушки под трубой следует принимать равной 0,3D, но не менее 0,7 м. При песчаных грунтах основания (кроме пылеватых) специальная подушка не устраивается.
4.23. Проектировать трубы следует, как правило, исходя из условия наименьшего нарушения естественного состояния мерзлых грунтов.
Во всех случаях, когда это возможно, металлические гофрированные трубы должны укладываться в тело насыпи без устройства котлованов в мерзлых грунтах.
Следует, как правило, избегать устройства приемных колодцев, глубоких бетонных, железобетонных и других экранов, различных врезок в мерзлые грунты.
Трубы на косогорах при наличии вечномерзлых грунтов следует проектировать по индивидуальному расчету возможной деградации мерзлоты.
4.24. Строительный подъем назначают, определяя его ординату под осью насыпи по формуле

,
где 1,25 - коэффициент запаса, учитывающий возможную более значительную осадку оттаивающих грунтов;

- расчетная осадка;
i - уклон трубы;
L - длина трубы.

,
где

,

,

- осадки соответственно на входе, в средней части и на выходе.
Сопряжение лотка трубы с руслом проектируют с учетом осадок концевых участков.
4.25. При необходимости замены слабого грунта в основании и целесообразности устройства мембраны из объемной георешетки глубина заменяемого грунта определяется расчетом. Замену следует производить дренирующим грунтом. Если крупность частиц дренирующего грунта удовлетворяет требованиям
п. 2.5, то труба укладывается непосредственно на грунт замены.
4.26. Очертания и объем грунтовой обоймы вокруг труб, расположенных на вечномерзлых и пучинистых грунтах, устраивается по обычным нормам.
4.27. Оголовки труб, независимо от размера отверстия, как правило, следует применять бесфундаментных типов с выступающим из тела насыпи торцом трубы, срезанным вертикально или параллельно откосу насыпи. При необходимости увеличения водопропускной способности сооружения рекомендуется использовать трубы большего отверстия или многоочковые трубы.
4.28. Противофильтрационные экраны при всех грунтах основания следует применять из глинощебеночной или цементно-грунтовой смеси глубиной, равной толщине подушки.
4.29. В качестве дополнительных мероприятий по повышению прочности и устойчивости основания трубы и прилегающих участков насыпи в районах с высокотемпературными вечномерзлыми грунтами рекомендуется устраивать:
- на откосах насыпи каменную наброску толщиной 1 - 1,5 м на длине, равной высоте насыпи, но не менее четырех диаметров трубы в каждую сторону от оси трубы (для многоочковых труб - от оси крайнего очка) на высоту не менее 1 м над верхом трубы (либо до верха насыпи);
- теплоизолирующие прослойки из пенопласта под концевыми участками труб;
- комплексное применение каменной наброски.
4.30. В местах с местными понижениями (углублениями), заполненными водой и находящимися в непосредственной близости от зоны проектируемой трубы, необходимо предусматривать заполнение понижений местным глинистым грунтом с уплотнением до уровня максимальной плотности.
ЭЛЕМЕНТЫ КОНСТРУКЦИИ ТРУБЫ
4.31. Конструкция трубы должна состоять из отдельных элементов - гофрированных листов, изогнутых по заданному радиусу и образующих между собой при соединении продольные (вдоль оси трубы) и поперечные (кольцевые) стыки.
4.32. Для труб с отверстием до 3 м допускается применять волнистые листы толщиной 2,5 мм с гофром 130 x 32,5 мм. Для труб, строящихся на автодорогах I - III класса и на железных дорогах, минимальную толщину листа следует принимать 2,5 мм, а для труб, применяемых в районах с расчетной минимальной температурой воздуха ниже минус 40 °C и с вечной мерзлотой, - 2,75 мм.
Допускается при технико-экономическом обосновании и согласовании с заказчиком и поставщиком гофрированного листа и труб применение гофрированных листов других профилей и толщины листа, если они обеспечивают плотное соединение листов внахлестку и достаточную жесткость листа, гарантирующую требуемую прочность, устойчивость и стабильность гибкой конструкции трубы в проектируемой насыпи.
4.33. При проектировании водопропускных сооружений (труб) следует учитывать допуски в размерах гофрированного листа по длине и ширине, высоте и длине волны, а также допуски заводского изготовления элементов (на кривизну, диаметр отверстий, расстояние между ними и др.).
Отклонения действительных размеров изготовленных элементов конструкций от проектных для труб диаметром до 3,0 м не должны превышать значений, указанных в табл. 4.
Таблица 4
┌───────────────────────────────────────────────┬───────────────┐
│ Размеры │ Допускаемые │
│ │отклонения, мм │
├───────────────────────────────────────────────┼───────────────┤
│Длина гофрированного листа │ +/- 2 │
├───────────────────────────────────────────────┼───────────────┤
│Расстояния между центрами образованных │ │
│по шаблону со втулками отверстий: │ │
│ смежных │ +/- 0,7 │
│ крайних в ряду │ +/- 1,0; │
│Диаметры отверстий: │ │
│ до 17 мм │ +1; -0 │
│ более 17 мм │ +1,5; -0 │
│Просвет при подгибке между изделием │ 2 │
│и шаблоном │ │
│Радиус гибки элементов (просвет между │ │
│шаблоном длиной по дуге 1,5 м и поверхностью │ │
│свальцованного листа): │ │
│ в средней части │ 1 │
│ по концевым участкам │ 4 │
└───────────────────────────────────────────────┴───────────────┘
4.34. Основным типом соединения стандартных элементов между собой для труб отверстием 1,5 м и более является стык внахлестку на болтах.
Допускается применение стыков других типов при обеспечении равнопрочности с основной конструкцией в виде исключения, если это требуется по технологии производства монтажных работ.
Для труб диаметром 1 - 1,5 м на автомобильных дорогах рекомендуется на продольных стыках применять конструкции, обеспечивающие возможность постановки болтов на наружной поверхности трубы (например, фланцевые стыки).
4.35. Конструкция круглых труб отверстием до 3,0 м должна обеспечивать возможность их укрупненной сборки, транспортировки и последующего объединения отдельных блоков и секций на стройплощадке.
4.36. При индивидуальном проектировании труб полезная длина (расстояние между центрами крайних отверстий поперечного стыка) стандартного элемента должна обеспечивать надежное совпадение отверстий в поперечном стыке элементов при максимально возможном размере элемента.
Отверстия под болты поперечных стыков должны быть овальной формы, вытянутой вдоль длинной кромки листа.
При отверстиях поперечных стыков овальной формы стандартная длина элемента может быть увеличена по согласованию с заказчиком и поставщиком.
В гофрированном элементе с заданной кривизной гребни крайних волн должны быть расположены на его наружной поверхности элемента.
Поперечные стыки следует назначать конструктивно с однорядным расположением болтов и постоянным расстоянием (шагом) между отверстиями под болты.
4.37. Отверстия под болты продольных стыков должны располагаться или в два ряда в шахматном порядке, в каждом ряду по одному на всех гребнях, или во всех впадинах волн. Расстояние от оси первого ряда отверстий до кромки листа должно составлять 45 мм, от оси второго ряда - 115 мм. Для труб отверстием до 3,0 м отверстия под болты продольных стыков могут располагаться в один ряд.
Для труб импортной поставки схема расположения отверстий под болты может отличаться от указанной, что должно быть отмечено в сертификате.
Продольные стыки смежных звеньев следует располагать со взаимной сдвижкой на один - четыре шага, принятые для болтов поперечных стыков. Сдвижка должна быть постоянной для каждой отдельной трубы.
Характеристики крепежных элементов гофрированных труб отечественного производства должны соответствовать действующим ГОСТам. Для гофрированных труб импортной поставки крепежные элементы должны быть сертифицированы.
ЗАЩИТНЫЕ ПОКРЫТИЯ И ЛОТКИ
4.38. Основным средством защиты металлических гофрированных элементов труб от коррозии является цинковое покрытие с толщиной слоя не менее 80 мкм, наносимое на внутреннюю и наружную поверхности элементов.
4.39. Средства дополнительной защиты металлических труб от коррозии следует назначать на основе данных о коррозионной активности (агрессивности) грунтов основания, насыпи и протекающей через сооружение воды.
4.40. Степень коррозионной активности недренирующих грунтов основания и насыпи по отношению к трубам следует учитывать при выборе типа дополнительной защиты по данным лабораторного анализа и определять по величине удельного электросопротивления грунта (см. табл. 5). Удельное электросопротивление грунта насыпи измеряют в карьере, из которого намечено отсыпать земляное полотно (насыпь).
Таблица 5
Удельное сопротивление грунта, Ом x м | Более 100 | 100 - 10 | Менее 10 |
Степень коррозионной активности грунта | Слабо- агрессивная | Средне- агрессивная | Сильно- агрессивная |
Удельное электросопротивление поверхностного слоя грунта (если не предусмотрено отсыпать подушку основания) измеряется по оси трубы в местах расположения входного и выходного оголовков.
| | ИС МЕГАНОРМ: примечание. В официальном тексте документа, видимо, допущена опечатка: стандарт имеет номер ГОСТ 9.602-89, а не ГОСТ 9602-84. | |
Удельное электросопротивление грунтов определяется по методике, изложенной в
ГОСТ 9602-84.
4.41. Оценку степени коррозионной активности протекающей через сооружение воды можно производить на основании величины pH (концентрации водородных ионов) и суммарной концентрации сульфатов и хлоридов (табл. 6).
Таблица 6
┌───────────────────────┬──────────────────────┬───────────────┬──────────┐
│Концентрация водородных│ 8,1 - 11,0 │ 8,0 - 6,0 │Менее 6,0,│
│ионов (общекислотная │ │ 11,1 - 12,5 │более 12,5│
│агрессивность) │ │ │ │
├───────────────────────┼──────┬───────┬───────┼───────┬───────┼──────────┤
│Суммарная концентрация │Менее │0,5 - │ Более │ Менее │ 0,5 │ Любая │
│сульфатов и хлоридов, │ 0,5 │ 5,0│ 5,0 │ 0,5 │и более│ │
│г/л │ │ │ │ │ │ │
│Степень коррозионной │Слабо-│Средне-│Сильно-│Средне-│Сильно-│Сильно- │
│активности воды │агрес-│агрес- │агрес- │агрес- │агрес- │агрес- │
│ │сивная│сивная │сивная │сивная │сивная │сивная │
└───────────────────────┴──────┴───────┴───────┴───────┴───────┴──────────┘
Применение металлических труб на железных дорогах и автомагистралях в сильноагрессивных средах не разрешается, а в средах среднеагрессивных допускается по специальному проекту, согласованному с заказчиком.
4.42. Дополнительные защитные покрытия труб при слабой агрессивности среды на железных дорогах и на автомобильных дорогах следует наносить на наружную и внутреннюю поверхность элементов труб. Внутри трубы устраивается бетонный или асфальтобетонный лоток. Дополнительное защитное покрытие на трубах в районах с зимними температурами ниже минус 40 °C следует устраивать на основе полиуретановых материалов независимо от агрессивности среды.
5. ПРАВИЛА ПРОИЗВОДСТВА И ПРИЕМКИ РАБОТ
5.1. Строительно-монтажные работы по сооружению труб должны производиться по утвержденному проекту производства работ, составленному на основании рабочих чертежей специализированными бригадами, которые выполняют все работы по возведению сооружения.
Сооружение труб при отсутствии грунтоуплотняющих машин и ручных механизированных трамбовок не допускается.
5.2. Сооружение труб при отрицательной температуре воздуха, а также при положительной температуре воздуха и наличии вечномерзлых грунтов должно производиться в кратчайшие сроки без перерыва в выполнении следующих отдельных основных операций и всех работ в целом:
- рытье котлована;
- отсыпка подушки на полную ее высоту;
- установка смонтированной трубы;
- устройство грунтовой обоймы (призмы) до уровня горизонтального диаметра.
ТРАНСПОРТИРОВАНИЕ ЭЛЕМЕНТОВ И КОНСТРУКЦИЙ ТРУБ
5.3. Металлоконструкции с завода на притрассовое производственное предприятие (полигон) следует доставлять без промежуточных перегрузок.
На полигонах должны быть организованы площадки для складирования элементов, сборки секций труб, устройства лотков и дополнительного защитного покрытия, с которых конструкции доставляют на строительные площадки.
На перевозку секций тем или иным транспортом составляется проект.
5.4. Притрассовые производственные предприятия, на которых производится сборка секции труб, следует размещать из расчета доставки автотранспортом или тракторами на объекты готовых секций, укомплектованных элементами крепежа.
5.5. При перевозке металлоконструкций необходимо принимать меры против повреждения цинкового и дополнительного покрытий для предотвращения деформации элементов (см.
пп. 5.8 -
5.12).
Погрузку и разгрузку элементов конструкции и пакетов следует производить кранами (автомобильными КС-2571Б грузоподъемностью 7 т) с применением специальных стропов и траверс. Подъем элементов или пакетов со строповкой за отверстия запрещается.
Запрещается сбрасывать элементы или пакеты из них и секции труб с транспортных средств.
Звенья труб диаметром до 3 м разрешается перекатывать по горизонтальной площадке.
5.6. При погрузке на железнодорожный состав нормальной колеи и разгрузке с него пакетов элементов и секций труб должны выполняться требования "Технических условий погрузки и крепления грузов", Москва, 1990, "Транспорт".
5.7. Складирование пакетов гофрированных элементов должно обеспечивать удобство строповки и осмотра их. Пакеты элементов следует укладывать вертикально (на ребро) в штабеля с применением деревянных прокладок; в штабель укладывать не более трех рядов пакетов.
Замкнутые секции труб диаметром до 3 м следует укладывать по высоте не более чем в три ряда на деревянные подкладки.
5.8. Пакеты элементов в железнодорожный подвижной состав следует устанавливать в вертикальном положении (на ребро) не более чем в два ряда, применяя необходимое крепление и прокладки из досок.
При погрузке на бортовые машины типа ЗИЛ 4327/ЗИЛ 4331, Урал 4320, МАЗ 437940, КамАЗ 53208/КамАЗ 53218, МАЗ 6422 пакеты гофрированных элементов необходимо размещать в один ряд, устанавливая их на ребро, между пакетами укладывать прокладки из досок или брусьев.
Размещение пакетов гофрированных элементов на транспортных средствах должно при транспортировке исключать возможность неупругих деформаций гофров, повреждения защитного покрытия элементов и секций труб, а также их монтажных отверстий.
5.9. Погрузку секций на автомашины и разгрузку их следует осуществлять автомобильным краном (КС-2571Б). Строповку секций необходимо производить пеньковым канатом или тросом с прокладкой из брезента или другого материала, исключающего возможность повреждения цинкового и дополнительного защитного покрытия.
5.10. При погрузке на транспортные средства элементов и секций труб с нанесенным дополнительным защитным покрытием их следует укладывать на опорные брусья с прибитыми к ним жгутами гернита или прокладками, покрытыми разделительными прослойками парафинированной или битуминированной бумаги.
5.11. Устройство естественного основания, в том числе с заменой грунта, металлических гофрированных труб диаметром до 3 м должно включать комплекс работ, который необходимо выполнять для обеспечения равномерного и надежного опирания конструкции на грунт, уплотненный до 0,95 максимальной стандартной плотности.
При устройстве песчаной подушки на естественном основании или на подготовленном грунтовом основании (при замене грунта) до вырезки ложа под трубу грунт подушки также подлежит уплотнению до 0,95 максимальной стандартной плотности.
Для водопропускных сооружений и металлических гофрированных элементов (круглых труб диаметром более 3 м, труб пониженной высоты, эллипсовидных) кроме замены грунта основания может устраиваться мембрана из объемной георешетки в обойме из армирующих полотнищ геотекстиля. На скальных и полускальных основаниях мембраны не устраиваются.
5.12. Работы по подготовке основания включают:
- вырезку котлована на глубину замены кондиционным грунтом;
- транспортировку и укладку кондиционного грунта и грунта подушки;
- уплотнение грунта естественного основания и подушки под трубу грунтоуплотняющими машинами (виброкатками ДУ-47Б или ДУ-85);
- устройство мембраны и подушки с применением экскаваторов (типа ЭО-3323А, ЭО-4225А или экскаватора-планировщика EW-25V1.010);
- нарезку ложа под трубу приспособленным для этой цели автогрейдером ДЗ-122Б-7, оборудованным специальным профильным ножом, или бульдозером Б-170 с аналогичным оборудованием отвала.
5.13. Грунт подушки или грунт, укладываемый взамен слабого грунта основания, следует отсыпать в котлован и уплотнять слоями. Каждый слой толщиной не более 0,6 м должен быть уплотнен не менее, чем за два прохода по одному следу.
При уплотнении грунта пневмошинными катками, например ДУ-100 или ДУ-101, толщину слоя следует принимать 0,2 или 0,3 м.
После уплотнения подушки следует отсыпать нулевой слой грунта и уплотнить его, используя те же машины и ту же технологию, что и при устройстве подушки.
Если труба устанавливается непосредственно на подушку, то поверхности подушки придается требуемый строительный подъем.
Правильность строительного подъема (величиной согласно
п. 3.6) контролируется нивелировкой не менее чем в трех точках: под осью пути и концами трубы.
5.14. Если проектом предусмотрена отсыпка нулевого слоя грунта на предварительно уплотненное основание, то последнее в этом случае должно быть уплотнено на ширине не менее 4 м в каждую сторону от оси трубы для одноочковых труб и не менее Dn + (n - l)b + 4 для многоочковых труб по той же технологии, что и подушка (пп. 5.14 и
5.16), где D - диаметр труб, n - число очков, b - расстояние между осями труб.
5.15. При устройстве основания, когда в нем необходима вырезка ложа под трубу, ее следует производить автогрейдером марки ДЗ-122Б-7, оборудованным профилированным ножом (по предложению ЦНИИСа), или начерно бульдозером с последующей отделкой вручную по шаблону с радиусом криволинейной кромки, равным радиусу трубы по средней линии гофров. Отклонение профиля грунтового ложа от шаблона не должно превышать 2 - 3 см.
5.16. После установки трубы в проектное положение на профилированное ложе следует перед устройством грунтовой обоймы производить подсыпку грунта в зазоры между поверхностью нижней части трубы и грунтовым ложем и его уплотнение бензиновыми или дизельными трамбовками (например, типа AVS или ADS 70/DS 68) с подштыковкой во впадинах гофров. Трамбовки при уплотнении грунта размещаются на расстоянии 5 см от гребней гофров.
Нулевой слой грунтовой обоймы непосредственно возле трубы следует доуплотнять виброкатками ДУ-74 или ДУ-85 за один - два прохода машины вдоль стенок трубы. В случае использования для уплотнения грунта обоймы пневмокатков ДУ-100 или ДУ-101 доуплотнение нулевого слоя возле стенок трубы следует производить ручными трамбовками или виброплитами типа AT-12, AV-900.
Если трубу устанавливают на плоское основание, то подсыпка грунта в нижние четверти трубы с уплотнением трамбовками или виброплитами с подштыковкой производится до охвата трубы грунтом не менее чем на 120°. Последующее уплотнение грунта возле трубы производят так же, как при спрофилированном ложе.
Рис. 4. Вырезка грунтового ложа по шаблону:
1 - шаблон; 2 - подкладка из брусьев; 3 - нулевой слой;
4 - верх подушки
5.17. При устройстве основания в зимнее время для замены грунта основания и устройства подушки разрешается применять только талый (сухой, несмерзшийся) грунт и уплотнять его трамбующими машинами по мере отсыпки, не допуская смерзания в рыхлом состоянии.
5.18. Котлованы под противофильтрационные экраны следует отрывать параллельно с подготовкой котлована под подушку и после удаления воды заполнять (в зависимости от требований проекта) бетоном, глинощебеночной или цементно-грунтовой смесью с послойным уплотнением виброплитами.
5.19. В зависимости от местных условий монтировать трубы диаметром до 3 м с болтовыми стыками внахлестку на строительной площадке следует из секций, предварительно собираемых из отдельных элементов. Водопропускные сооружения арочного типа и трубы больших диаметров монтируют из отдельных элементов на стройплощадке. Рекомендуется в этом случае на полигонах проводить контрольную сборку и укрупнение элементов до габаритов, удобных к перевозке (2 - 4 листа).
Когда возможна доставка секций труб на объект автомобилями или тракторами и установка их краном, особенно в районах с расчетной минимальной температурой наружного воздуха ниже минус 40 °C, способ монтажа из секций и укрупненных элементов должен быть основным. При этом рекомендуется производить монтаж труб "с колес" сразу в проектное положение.
Длину секций следует назначать исходя из заданных проектных длин водопропускных труб и рекомендуется принимать не более 10 м. В промежуточных секциях число звеньев должно быть нечетным.
5.20. Сборку труб следует осуществлять согласно монтажной схеме, определяемой в проекте производства работ. Монтажная схема должна предусматривать: порядок установки гофрированных элементов при сборке и объединении секций, порядок перевозки секций, порядок установки болтов, схему специальных стяжек, оснастки и подмостей для крепления труб диаметром более 2 м в поперечном сечении во время сборки.
5.21. В комплект инструментов для монтажа труб должны входить торцевые ключи, ломики, крюки с кольцами, электрические или пневматические гайковерты, молотки, 10 монтажных болтов длиной 75 мм того же диаметра, что и рабочие болты. Эти болты следует применять для временной стяжки гофрированных листов, и они не должны оставаться в конструкции.
5.22. Проект производства работ должен учитывать особенности установки металлоконструкций в проектное положение в зависимости от верхнего очертания подушки под трубу. При основании, спланированном без устройства ложа для труб диаметром до 3 м, допускаются монтаж трубы рядом с проектной осью и последующая накатка ее в проектное положение. При спрофилированном основании ложа секции трубы следует устанавливать краном и объединять на месте.
5.23. Монтаж труб со скошенными оголовками должен начинаться со сборки фундаментной части низового оголовка с последующей укладкой металлических конструкций сооружения (секций, элементов) и завершением устройства оголовков.
Сборка секций и укрупнение элементов на полигоне
5.24. Перед сборкой секций труб диаметром до 3 м и укреплением элементов труб больших диаметров выполняются подготовительные работы: размещаются пакеты с гофрированными элементами, окаймляющие уголки, ящики с крепежом, необходимый инструмент и, если требуется, передвижная электростанция и компрессор.
5.25. Рекомендуемая последовательность установки элементов при сборке секций:
- собрать звенья в вертикальном положении (элементы устанавливают на ребро) с постановкой ограниченного числа болтов (3 - 4 болта) в середине продольных стыков. При этом один торец элемента должен находиться на наружной поверхности звена, а другой - на внутренней. Во втором ряду продольного стыка не должно быть отверстий на наружных гребнях волн, в правильно собранных звеньях труб все марки элементов должны быть видны;
- звенья последовательно устанавливать в горизонтальное положение на деревянные брусья, уложенные вдоль секций трубы так, чтобы продольные стыки в них были на одном уровне, а расположение нахлеста элементов в соединяемых звеньях было строго одинаково;
- в секцию звенья объединяют стандартными элементами. При установке этих элементов в местах стыковки трех листов не допускается соприкасание двух листов, входящих в одно звено. Поэтому каждый соединительный элемент одним торцом вводят в зазор между элементами ранее собранных звеньев. Продольные стыки в звеньях располагают с перевязкой - взаимной сдвижкой на величину, равную одному - четырем шагам отверстий поперечных стыков. Величину сдвижки для каждой отдельной трубы принимают постоянной;
- при установке соединительных элементов (сборке секций и их объединении) болты в количестве 3 - 4 шт. наживляют вначале в средних частях продольных и поперечных стыков;
- после объединения в секцию необходимого количества звеньев устанавливают остальные болты. Последними ставят болты в местах соединения трех элементов;
- затягивают болты электрическими гайковертами или пневматическими, обеспечивающими величину момента затяжки 15 - 20 кгс x м, а также торцевыми и накидными гаечными ключами. При затяжке болтов необходимо следить за правильностью положения плосковыпуклых и плосковогнутых шайб.
5.26. При сборке укрупненных элементов и секций труб болты в продольных стыках следует ставить на расстоянии не менее 15 см от торцов концевых звеньев секции. Поставленные в концевых звеньях болты не должны затягиваться, чем облегчается постановка стандартных элементов с заведением их в зазоры продольных стыков между элементами торцевых звеньев.
Монтаж труб диаметром до 3 м из секций
5.27. Монтаж трубы следует осуществлять на спланированном основании по оси трубы (либо рядом). Секции укладывают на деревянные брусья для беспрепятственной постановки болтов в нижней части.
5.28. Секции в проектное положение, как правило, следует устанавливать автомобильным краном типа КС-2571. При строповке секций должны быть приняты меры, исключающие возможность повреждения защитного покрытия. Стропы размещают на расстоянии четверти длины секции от их торцов. Рекомендуется строповку выполнять с прокладками из дорнита.
5.29. Объединение секции следует производить согласно схеме, приведенной на
рис. 6. Вначале торцы секций автомобильным краном ставят так, чтобы продольные стыки были расположены на одном уровне, затем устанавливают соединительные элементы.
Сборка труб из отдельных элементов
5.30. Сборку трубы рекомендуется осуществлять по одной из двух принципиальных схем.
- По первой схеме трубу наращивают стандартными элементами позвенно, соблюдая четкую последовательность их установки. Элементы переносят и удерживают в необходимом положении специальными крюками.
Центровку отверстий в элементах для установки болтов осуществляют оправками, вставляя их в отверстия, расположенные рядом с отверстиями, в которые вставляют болт. При установке элементов в местах нахлеста трех листов не допускается соприкасание двух листов, входящих в одно звено. Сборку следует производить с установкой минимального количества болтов: вначале ставят 2 - 3 болта на средних участках продольных и поперечных стыков, после чего производят стяжку в местах соединения трех элементов длинными монтажными болтами, которые затем заменяют обычными. После наживления болтов в очередном звене продолжают сборку следующего участка трубы, а в предыдущем звене производят установку и затяжку всех болтов.
Рис. 5. Сборка секции трубы из звеньев
(d = 1,5 м, вид с торца):
цифрами показан порядок установки элементов;
а - сдвижка (забег) продольных стыков
Рис. 6. Размещение болтов продольного стыка:
1, 2 - первый и второй ряд болтов внутреннего листа
- По второй схеме вначале выкладывают нижние элементы на всю длину трубы, объединяя их болтами в средней части. Затем устанавливают по два других элемента звеньев через одно звено. Далее последовательно монтируют оставшиеся элементы пропущенных звеньев, завершая монтаж постановкой и затяжкой всех болтов.
Между звеном, в котором затягивают все болты, и собираемым звеном должно быть не менее трех звеньев с наживленными болтами.
5.31. При монтаже труб на строительной площадке могут быть осуществлены также предварительная сборка звеньев и последующее их объединение. Для труб диаметром до 3 м такая технология сборки является предпочтительной.
Звенья собирают на специально подготовленной площадке с деревянным настилом в непосредственной близости от сооружаемой трубы. Собранные звенья устанавливают краном на основание, подкладывая под каждое звено деревянные брусья и ориентируя их вдоль трубы (после установки и затяжки всех болтов брусья из-под трубы удаляют), проектом должны быть предусмотрены переносные подмости.
При сборке труб диаметром более 3 м устраивают подмости внутри трубы высотой 1,3 м и размером в плане 2 x 2 м; при сборке труб диаметром 2 м подмости устраивают высотой 0,5 - 0,8 м.
5.32. Окаймляющие уголки устанавливают, когда в продольных стыках торцевых звеньев трубы болты, расположенные на расстоянии 0,3 - 0,5 м от торцов, не затянуты.
Рис. 7. Соединение двух секций:
1, 2, 3 - последовательность установки соединительных
элементов; А и Б - торцы секций;
а - сдвижка (забег) продольного стыка
УСТРОЙСТВО ДОПОЛНИТЕЛЬНОГО ЗАЩИТНОГО ПОКРЫТИЯ
5.33. Дополнительное защитное покрытие металлоконструкций труб выполняется с применением мастик, полимерных лакокрасочных материалов или эмалей в соответствии с требованиями проекта.
5.34. Для дополнительной защиты от коррозии оцинкованных и окрашенных гофрированных труб отверстием до 3 м рекомендуется нанесение покрытия на основе применения одноупаковочной мастики холодной сушки "Гермокрон", ТУ 2513-001-20504464-99. Завод-изготовитель и поставщик - ОАО "Кронос СПб", г. С.-Петербург.
Мастика применяется в виде двух, трех слоев - грунтовочного слоя и покрывных слоев общей толщиной 0,5 - 1,0 мм. Грунтовочный состав приготовляется разбавлением исходной мастики уайт-спиритом, низкокипящим бензином, бутилацетатом и другими растворителями. После нанесения мастика быстро сохнет и образует прочное антикоррозионное, устойчивое к колебаниям температур, износостойкое покрытие. Наносится при температуре воздуха до минус 10 °C.
5.35. Мастику наносят на секции труб на притрассовых производственных предприятиях (полигонах), где производится сборка секций. Нанесение покрытия на строительной площадке не рекомендуется. На строительной площадке мастикой покрывают только незащищенные концы секций, элементы и дефектные места, появившиеся в покрытии при транспортировании и сборке секций.
Рис. 8. Сборка труб из элементов на оси сооружения
(d = 1,5 м, вид с торца):
цифрами показан порядок установки элементов;
а - сдвижка (забег) продольных стыков
5.36. Нанесение мастики на соединительные элементы, незащищенные концы секций и дефектные места в зимних условиях допускается при температуре не ниже минус 20 °C. При этом поверхности следует подогревать до температуры 40 - 50 °C газовоздушными горелками типа ГВПИ или ГВПЛ (однофакельными или многофакельными), а очистку собранных труб, нанесение на них грунтовки и защитного покрытия следует производить под прикрытием переносных навесов.
Полимерные лакокрасочные материалы и эмали должны наноситься на элементы преимущественно в заводских условиях.
5.37. Дополнительное защитное покрытие металлических гофрированных труб больших диаметров выполняется с применением полимерных лакокрасочных материалов на полиуретановой основе.
Для дополнительного защитного покрытия следует применять однокомпонентные полиуретановые материалы. (Прототипом могут быть материалы Stelpaint-Pu-Zink и Stelpaint-Pu-Combination 100).
5.38. Работы по устройству защиты труб на монтажной площадке включают в себя последовательное выполнение операций: по подготовке оцинкованной поверхности, ремонту поврежденного цинкового покрытия, окрашиванию - нанесению грунтовочного покрытия, нанесению покрывных слоев, сушке каждого слоя покрытия.
Все операции по выполнению технологического процесса окрашивания должны производиться при температуре воздуха не ниже 0 °C и не выше +50 °C и относительной влажности воздуха от 30 до 98%.
Перед окрашиванием поверхности труб должны пройти тщательный контроль и освидетельствование состояния оцинковки.
5.39. Подготовка металлических поверхностей к нанесению полимерных лакокрасочных материалов включает:
- удаление грязи, пыли и жировых загрязнений с поверхности;
- пескоструйную очистку поврежденных поверхностей с примыкающими зонами, монтажных и сварных швов и зон болтовых соединений;
- легкую пескоструйную обработку металлизационного покрытия по всей поверхности;
- восстановление дефектных участков металлизационного покрытия;
- нанесение грунтовочного слоя на всю поверхность.
Следы жира должны удаляться с помощью щеток или ветоши, смоченных уайт-спиритом или растворителем; пыль удаляется обдувом сжатым воздухом.
5.40. Для более прочной адгезии металлическое покрытие (оцинковка) должно быть подвергнуто перед окрашиванием легкой пескоструйной обработке. В случае нарушения целостности оцинковки следует произвести местную очистку поверхности пескоструйным способом или металлическими щетками, предварительно удалив масляные загрязнения.
Очистка монтажных сварных швов и зон болтовых соединений производится пескоструйным способом. При малых зонах очистки и в труднодоступных местах допускается применение металлических щеток (как ручных, так и механических).
5.41. Для пескоструйной очистки следует применять просушенный кварцевый песок фракций 0,5 - 2,0 мм.
Давление сжатого воздуха при пескоструйной очистке должно быть равным 0,5 - 0,6 МПа, сопло установки располагают на расстоянии 15 - 30 см под углом 75 °C к очищаемой поверхности.
После очистки поверхность обеспыливают с помощью волосяных щеток или обдувкой сжатым воздухом.
Перед очисткой следует ежесменно проверять наличие влаги и масла в подаваемом воздухе. Качество очистки воздуха проверяют, направляя струю сжатого воздуха из сопла на лист белой бумаги. Чистоту воздуха считают достаточной, если при обдувке в течение одной минуты на бумаге не появляется следов масла и влаги. При неудовлетворительной очистке воздуха следует заменить набивку фильтра масловлагоотделителя.
5.42. После очистки дефектных участков и зол сварных швов и болтовых соединений необходимо полностью воспроизвести грунтовочное покрытие грунтом типа Stelpant-Pu-Zink толщиной 80 - 100 мкм не позже, чем через 6 ч после подготовки поверхности, затем нанести на всю поверхность грунтовку Stelpant-Pu-Zink толщиной ~ 40 мкм.
Приготовление рабочих составов Stelpant-Pu-Zink, Stelpant-Pu-Combination 100 заключается в тщательном перемешивании компонентов. При безвоздушном распылении лакокрасочные материалы применяются с вязкостью в состоянии поставки. При необходимости допускается добавление растворителя Stelpant-Pu-Thinner в количестве до 10%.
Не использованный в течение смены рабочий состав материалов следует залить небольшим количеством растворителя и плотно закрыть заводской крышкой во избежание повышения вязкости при хранении.
5.43. Нанесение лакокрасочных материалов следует производить методом безвоздушного распыления. На загрунтованную и подготовленную поверхность нанести полиуретановый материал Stelpant-Pu-Combination 100 толщиной слоя 150 - 200 мкм. В труднодоступных местах допускается нанесение лакокрасочных материалов с помощью кисти или валика.
Расход полиуретановой композиции "Stelpant-Pu-Zink, Stelpant-Pu-Combination 100" при толщине покрытия 150 мкм ~ 300 г/м2.
| | ИС МЕГАНОРМ: примечание. В официальном тексте документа, видимо, допущена опечатка: не указан номер приложения. Возможно, имеется в виду Приложение 4. | |
5.44. Оборудование, применяемое при производстве работ по подготовке поверхности гофрированных металлических труб и ее окрашивании, дано в
Приложении.
УСТРОЙСТВО ГРУНТОВЫХ ОБОЙМ И ЗАСЫПКА ТРУБ
5.45. Устройство грунтовой обоймы выполняется в едином технологическом процессе с засыпкой трубы до проектной отметки.
Труба должна быть засыпана не позже чем через трое суток после окончания работ по нанесению дополнительного защитного покрытия.
5.46. Устройство грунтовых обойм и засыпку труб следует вести с опережением возведения земляного полотна. Необходимость оставления в насыпях прогалов для строительства труб должна быть обоснована проектом, при этом ширину прогала (в свету) понизу следует назначать из расчета обеспечения расстояния между основанием откоса насыпи и стенкой трубы на уровне горизонтального диаметра не менее 4 м.
5.47. Устройство грунтовой обоймы труб следует производить грунтами, перечисленными в
пп. 2.5 и
2.6, с армированием геотекстилем и объемными георешетками, предусмотренными проектом.
Процесс устройства неармированной грунтовой обоймы у труб диаметром до 3 м должен включать следующие виды работ:
- транспортировку грунта из карьера или резерва к трубе автосамосвалами или скреперами типа ДЗ-11П;
- разравнивание грунта бульдозером Б-170 слоями заданной толщины;
- послойное уплотнение грунта виброкатками типа ДУ-74, ДУ-85 или пневмокатками типа ДУ-100, ДУ-101, а в непосредственной близости от трубы виброплитами типа AT-12, AV-900 или трамбовками типа AVS 70, ADS 70/DS 68 с подштыковкой грунта в гофрах трубы;
- контроль плотности засыпки.
Для уплотнения грунта в удалении более 1 м от стенки трубы в уровне ее горизонтального диаметра могут применяться все грунтоуплотняющие средства, использующиеся при уплотнении дорожных насыпей.
5.48. Засыпать трубы больших диаметров следует формируя грунтовую обойму армированными слоями (уклон не круче 1:5), толщина которых назначается по расчету и в зависимости от грунтоуплотняющих средств:
- 0,3 - 0,6 м - при применении виброкатков типа ДУ-74, ДУ-85;
- до 0,3 м - при использовании пневмокатков типа ДУ-100, ДУ-101 и ДУ-47Б.
Особое внимание следует уделять уплотнению грунта стенок трубы и в гофрах виброплитами или трамбовками, которые необходимо располагать на расстоянии 5 см от гребней гофров.
5.49. Отсыпку грунта следует производить с разворотом автомобиля-самосвала перед трубой и подачей его для разгрузки задним ходом вдоль оси насыпи или же с кольцевым движением автомобилей-самосвалов и скреперов с въездом со стороны откосов насыпи. Вторую схему целесообразно применять в случае засыпки труб в прогалах.
Для засыпки труб в прогалах можно использовать бульдозеры типа Б-170, перемещая ими грунт, специально доставленный для этой цели и уложенный с обеих сторон трубы на насыпи.
Отсыпку грунта слоями во всех случаях необходимо начинать от трубы по всей ее длине.
5.50. Засыпать трубы следует послойно, строго соблюдая последовательность:
- в грунт нулевого слоя укладывают одновременно с обеих сторон трубы и разравнивают бульдозером;
- после уплотнения слоя грунта с одной стороны трубы производят отсыпку второго слоя, а с другой стороны - уплотнение грунта;
- в таком же порядке осуществляются отсыпка и уплотнение всех последующих слоев до верха трубы.
Уплотнение каждого слоя грунта, если оно производится при движении машин вдоль трубы, следует начинать с удаленных от нее участков и с каждым последующим проходом приближаться к стенкам трубы. Уплотнение грунта непосредственно у трубы допускается только тогда, когда с противоположной ее стороны уже отсыпан слой грунта этого же горизонта по всей длине трубы.
Последовательность отсыпки приведена на рис. 9.
Рис. 9. Схемы движения автомобилей-самосвалов
и уплотняющих механизмов при устройстве обоймы:
а - при засыпке трубы в прогалах насыпи;
б - при свободном подъезде;
1, 2 и т.д. - последовательность сторонности отсыпки
5.51. Уплотнение грунта катками целесообразно производить вдоль трубы по кольцевой схеме. Приближение катков к трубе допускается на расстояние не ближе 0,3 м. Грунт у стенок трубы при данной технологии необходимо уплотнять виброплитами или трамбовками.
5.52. Уплотнение грунта в пазухах многоочковых труб рекомендуется производить виброплитами типа AT-12, AV-900 или трамбовками AVS 70, ADS 70/DS 68 с обязательным соблюдением последовательности отсыпки слоев. Толщина слоя в пазухе не должна превышать 0,15 м. Для засыпки пазух грунтом можно использовать универсальные экскаваторы-планировщики типа EW-25М1.010.
5.53. В зимних условиях трубы следует засыпать только талыми (сухими несмерзшимися) грунтами. Допустимое время рабочего цикла от момента разработки грунта до окончания его уплотнения не должно превышать времени, в течение которого грунт сохраняет способность к уплотнению.
5.54. Проезд над трубами диаметром до 3 м строительных машин с нагрузкой на ось до 10 тс допускается при толщине слоя над верхом конструкции не менее 0,5 м (в плотном теле), с нагрузкой на ось 11 - 20 тс - при толщине слоя не менее 0,8 м и с нагрузкой на ось 21 - 50 тс - при толщине слоя не менее 1 м. Если проектом предусмотрена меньшая толщина засыпки, то для пропуска машин через сооружение в месте их проезда требуется досыпать грунт до указанной толщины.
5.55. Устройство грунтовых обойм и засыпка труб должна производиться под контролем прораба или строительного мастера подразделения, сооружающего трубы, и оформляться актом. При отсыпке и уплотнении грунта грунтовых обойм следует вести контроль за поперечными деформациями труб, сопоставляя результаты контроля с замерами, произведенными до начала засыпки трубы. К моменту уплотнения слоя грунта на уровне верха трубы уменьшение горизонтального диаметра не должно превышать 3% его номинального диаметра.
5.56. Бетонный или асфальтобетонный лоток следует устраивать, как правило, после возведения насыпи над трубой до проектной отметки и при положительной температуре воздуха.
В трубах диаметром до 1,5 м включительно лоток устраивают в секциях труб на полигонах, где собирают секции, или непосредственно на строительной площадке перед монтажом трубы.
Укладку лотка при отрицательной температуре воздуха следует осуществлять по специальному проекту, предусматривающему мероприятия по обеспечению проектных характеристик материала лотка.
При устройстве лотков в секциях труб длина лотка должна быть меньше длины секции настолько, чтобы обеспечить возможность стыкования секций стандартными гофрированными элементами при монтаже труб. Устройство лотка на непокрытых участках в трубах диаметром 1,5 м осуществляется после установки очередной секции (длина секции в этом случае должна быть не более 5 м). Непокрытые участки в стыках секций труб заполняются бетоном, горячей асфальтобетонной смесью или блоками из этих материалов.
Лотки в трубах диаметром 1 и 1,25 м следует устраивать по мере установки очередного нижнего полукольца.
Устройство сборных и монолитных бетонных лотков
5.57. При устройстве лотков из сборных бетонных блоков их изготовление следует организовывать на полигонах. Размеры блоков и опалубки разрабатываются для труб различных диаметров по типу, приведенному на рис. 10.
Рис. 10. Типы сборных асфальтобетонных лотков:
а - нормальной высоты с полным заполнением гофра;
б - пониженной высоты для укладки над болтовыми
соединениями
Укладка блоков производится на очищенную внутреннюю поверхность трубы, предварительно покрытую защитным слоем.
В местах болтовых соединений применяют блоки пониженной высоты.
5.58. Устройство монолитных бетонных лотков должно включать следующие операции:
- очистку поверхности трубы;
- укладку бетона;
- уплотнение бетона по всей ширине лотка.
Устройство сборных и монолитных лотков
из битумно-минеральных материалов и лотков
из полимерных и битумно-полимерных материалов
5.59. Блоки следует изготавливать в стационарных условиях на асфальтовом заводе или на притрассовых производственных предприятиях, оборудованных необходимыми асфальтобетонными машинами для приготовления асфальтобетонной смеси.
5.60. Перед устройством лотка внутреннюю поверхность трубы, если это необходимо, покрывают защитным слоем из мастики "Гермокрон".
Перед укладкой блоков защитный слой обрабатывают 50 - 60%-ной катионной битумной эмульсией или горячим битумом, температура которой 120 - 140 °C. Предпочтение следует отдавать битумной эмульсии, так как это позволяет производить работы полностью холодным способом. Длина обработанной полосы в процессе укладки блоков не должна превышать 50 см, т.е. ширины двух уложенных блоков.
5.61. Сборные асфальтобетонные блоки по обработанном битумной эмульсией или битумом основанию укладывают вручную в направлении, противоположном подаче блоков ("на себя"). При устройстве сборных асфальтобетонных лотков в трубах на полигонах или непосредственно на строительной площадке блоки следует укладывать одновременно в направлениях от середины к торцам трубы или секции.
В местах болтовых соединений укладывают сборные элементы пониженной высоты.
5.62. При устройстве сборных лотков на строительной площадке в смонтированных секциях или трубах блоки к месту укладки подвозят в контейнерах с полками. Полки в контейнерах следует устраивать из плоских гофрированных листов. Укладка блоков на полки контейнеров допускается в два ряда. Второй ряд должен быть уложен плоской стороной вниз. При транспортировании в полевых условиях их укладывают в гофрированные элементы. Укладка элементов блоками друг на друга в количестве более 4 не разрешается.
5.63. После окончания работ по устройству сборного лотка поверхность его обрабатывается битумной эмульсией. Работы по устройству сборного лотка считаются законченными после полного распада битумной эмульсии на его поверхности. При этом поверхность лотка должна приобрести ярко выраженный гладкий черный цвет.
6. КОНТРОЛЬ КАЧЕСТВА И ПРИЕМКА РАБОТ
6.1. Контроль за производством работ должен осуществляться на всех стадиях технологического процесса.
6.2. Контроль качества и приемка работ должны обеспечивать:
- высокое качество выполняемых работ и полное соответствие их утвержденному проекту и действующим нормативным документам;
- соответствие качества материалов и конструкций требованиям утвержденного проекта и государственных стандартов;
- своевременное осуществление промежуточной приемки выполненных работ и правильное оформление соответствующей производственно-технической документации.
До приемки скрытых работ и ответственных конструкций запрещается проводить последующие работы (например, установку трубы на непринятую грунтовую подушку или засыпку трубы с непринятым дополнительным защитным покрытием).
6.3. Контроль плотности грунта естественного основания, а также контроль плотности грунтовой подушки, укладываемой взамен слабого грунта основания, осуществляются под осью пути через каждые 0,5 м высоты подушки. Количество проб должно быть не менее двух в каждой точке.
Плотность песчаных грунтов контролируется прибором Ковалева, а щебенисто-галечниковых и дресвяно-гравийных - методом лунок. По окончании подготовки основания трубы составляют акт по стандартной форме на скрытые работы.
Результаты контроля заносятся в акт на скрытые работы.
6.4. Перед началом работ по монтажу следует проверить наличие маркировки, отбраковать элементы, выправить погнутые места деревянным молотком и обеспечить комплектность элементов и крепежа.
При отбраковке элементов и крепежа следует проверять качество защитного покрытия, маркировку элементов, геометрические размеры элементов и крепежа.
На каждом гофрированном листе, на внутренней его поверхности, у второго ряда отверстий для продольного стыка на первом выпуклом гофре должны быть указаны марки стали, элемента и клеймо ОТК завода и инспектора по качеству. Марка элемента условно обозначает диаметр трубы и толщину листа. На каждом пакете гофрированных элементов должна быть бирка с указанием марки элемента, марки стали, толщины элемента, диаметра трубы, завода-изготовителя и года выпуска.
Поверхность цинкового защитного покрытия труб не должна иметь видимых трещин, забоин, наплывов на стыкуемых поверхностях и мест, не покрытых цинком. Использование элементов с указанными дефектами не допускается. Дефекты защитного покрытия устраняются заводом-изготовителем.
Качество дополнительного защитного полимерного покрытия, которое наносится в заводских условиях, должно отвечать требованиям проекта.
6.5. Перед началом монтажа трубы должны быть выполнены контрольная сборка и все подготовительные работы.
Если на месте строительства трубы рядом с подготовленным основанием отсутствует ровная площадка, то для сборки трубы следует подготавливать подмости, располагая их вблизи проектной оси трубы. В ходе монтажа и после его завершения осуществляется геодезический контроль.
6.6. Приемка смонтированной трубы перед устройством грунтовой обоймы должна быть оформлена актом.
6.7. При выполнении работ по защите от коррозии металлоконструкций должны контролироваться:
- температура окружающего воздуха;
- относительная влажность воздуха;
- обезжиренность и чистота сжатого воздуха, применяемого в процессе производства работ;
- степень очистки поверхности перед нанесением лакокрасочных материалов;
- гарантийный срок их пригодности;
- время технологической выдержки наносимых слоев защитного покрытия и время выдержки полного покрытия.
Контроль высыхания лакокрасочных покрытий следует осуществлять по
ГОСТ 19007-73*.
6.8. Контроль качества лакокрасочного покрытия должен производиться по внешнему виду, толщине и адгезии.
6.9. Контроль внешнего вида покрытия осуществляется согласно
ГОСТ 9.407-84* "Покрытия лакокрасочные. Методы оценки внешнего вида".
Покрытие не должно иметь пропусков, трещин, сколов, пузырей, кратеров, морщин и других дефектов, влияющих на защитные свойства.
6.10. Контроль толщины покрытия осуществляется с помощью толщиномеров электромагнитного типа.
Толщина покрытия на элементе определяется как средняя арифметическая величина из количества замеров, принятого для данной конструкции. Количество точек определяется в разных местах в зависимости от длины элемента: при длине элемента до 5 м - 5 точек, при длине элемента свыше 5 м - 11 точек.
Определение толщины покрытия в каждой точке производится по 5 контрольным замерам толщины в радиусе 5 мм, при этом максимальное и минимальное значения не учитываются. Толщина покрытия в каждой точке определяется как средняя арифметическая величина из трех оставшихся показаний.
6.11. Контроль адгезии покрытия должен осуществляться по методу решетчатого надреза в соответствии с
ГОСТ 15140-78*. Адгезия покрытия должна быть не более 2 баллов.
Испытание на адгезию следует производить методом параллельных надрезов по взаимно перпендикулярным направлениям. Надрезов должно быть не менее шести длиной не менее 20 мм.
Надрезы делают на расстоянии 1 мм друг от друга на покрытиях толщиной до 60 мкм, на расстояниях 2 мм при толщине покрытия от 60 до 120 мкм и расстоянии 3 мм на покрытиях толщиной более 120 мкм.
При прорезании слоя до металла может наблюдаться незначительное отслаивание покрытия в виде мелких чешуек в местах пересечения линий решетки. Нарушение допускается не более чем на 5% решетки.
На участках проверки адгезии покрытие должно быть восстановлено по принятой схеме окрашивания.
6.12. Устройство грунтовой обоймы ведется под постоянным геодезическим контролем.
6.13. Контроль плотности грунта следует осуществлять на протяжении всего процесса устройства обоймы и засыпки трубы путем отбора проб. Плотность проверяется на горизонтах 0,25, 0,5 и 0,75 высоты с обеих сторон трубы на расстоянии 0,1 и 1 м от боковых стенок в средней по ее длине части и на одной трети ее длины от оголовков. Количество проб должно быть не менее двух в каждой точке.
Результаты контроля заносятся в акт на скрытые работы.
6.14. Оценку качества выполнения работ по устройству лотка следует производить внешним осмотром (проверкой отсутствия трещин, бугров, впадин, расслоений) и контролем геометрических размеров.
По окончании работ составляется акт приемки лотка в трубе.
6.15. Укрепление русл и откосов насыпи следует производить в соответствии с проектами и нормами по изготовлению и постройке железобетонных водопропускных труб.
После завершения этих работ следует осуществлять приемку трубы в целом с оформлением акта.
6.16. При приемке построенного сооружения должна быть предъявлена следующая документация: чертежи трубы, на которые нанесены согласованные изменения; акты освидетельствования и акты промежуточной приемки ответственных конструкций и скрытых работ (устройство оснований, монтаж конструкций, устройство дополнительного защитного покрытия и лотков, грунтовая обсыпка труб); акт освидетельствования трубы в целом; паспорт (сертификат) на поставленные строительные стальные конструкции; паспорт (сертификат) на поставленные объемные решетки и геотекстиль для армогрунтовой обоймы; документы о согласовании допущенных при строительстве отступлений от проекта; сводная ведомость указанных документов.
7. ТРЕБОВАНИЯ БЕЗОПАСНОСТИ И ПРОИЗВОДСТВЕННАЯ САНИТАРИЯ
7.1. При производстве работ по постройке труб следует руководствоваться указаниями главы "Техника безопасности в строительстве" III части
СНиП, действующими правилами и нормами техники безопасности и охраны труда в строительстве по соответствующим видам работ, а также требованиями настоящих Методических указаний.
7.2. Все рабочие должны быть проинструктированы по технике безопасности и обучены работам, которые они должны выполнять. По окончании обучения каждый рабочий должен сдать экзамены комиссии по проверке знаний, организованной главным инженером строительно-монтажного поезда. Экзамен следует оформлять протоколом.
7.3. Запрещается осуществлять монтаж труб без полного комплекта необходимого инструмента.
7.4. Установку элементов при монтаже секций труб следует производить с помощью специальных крюков. Монтируемый элемент разрешается освобождать от крюков только после фиксации его положения болтами или оправками.
7.5. Запрещается находиться внутри трубы непосредственно под монтируемым элементом, а также устанавливать соединительные болты до тех пор, пока положение этого элемента не зафиксировано оправками не менее чем в двух точках.
7.6. При перекатке смонтированной трубы или отдельных секций следует находиться только позади них.
7.7. Подъем полностью смонтированной трубы краном допускается только после затяжки всех соединительных болтов.
7.8. Помещения с оборудованием для разогрева мастики должны быть удалены от огнеопасных строений, складов битума, гидроизоляционных материалов не менее чем на 50 м с учетом преобладающего направления ветра.
Емкости для разогрева мастики должны загружаться не более чем на 3/4 их объема, так чтобы уровень был всегда выше зоны обогрева.
7.9. В помещении с емкостями для разогрева и приготовления мастик должен быть комплект противопожарного оборудования (огнетушители, лопаты и сухой песок).
7.10. При изготовлении грунтовок исходные нефтяные битумы или компаунды с температурой 160 - 180 °C должны быть охлаждены до температуры 80 - 90 °C и влиты в бензин (а не наоборот). Эта операция должна сопровождаться тщательным перемешиванием грунтовки деревянными мешалками.
7.11. Загустевшие лаки допускается применять после их разжижения соответствующим неканцерогенным растворителем.
7.12. В случае воспламенения в емкостях для варки битума для гофрированных элементов лотков гасить пламя следует сухим песком или огнетушителями. Запрещается гасить воспламенившийся битум (мастику) водой.
7.13. В битумоварочном помещении должна быть аптечка с необходимыми медикаментами и перевязочным материалом.
7.14. При устройстве монолитного асфальтобетонного лотка в трубах диаметром до 2 м длиной более 20 м следует предусматривать вентиляцию. Рекомендуется применять осевые вентиляторы типа МЦ-7 с частотой вращения 1450 об/мин. При использовании вентиляторов других марок их подбор необходимо осуществлять из расчета обеспечения скорости движения воздуха не менее 1 м/с.
7.15. При производстве работ по защите элементов гофрированных труб полимерными материалами следует соблюдать изложенные ниже правила техники безопасности:
- процесс окраски должен производиться в соответствии с
ГОСТ 12.3.005-75*, а также "Санитарными правилами при окрасочных работах с применением ручных распылителей" N 991-72, утвержденными Минздравом СССР от 22.09.1972;
- при подготовке поверхности к окрашиванию необходимо соблюдать требования безопасности по
ГОСТ 9.402-80*;
- в складах и на участках по ведению окрасочных работ не допускается производство работ, связанных с применением открытого огня, искрообразования, курения и т.д. Участки необходимо снабдить пенными огнетушителями, ящиками с песком и другим противопожарным инвентарем;
- производственный персонал не должен допускаться к выполнению окрасочных работ без индивидуальной защиты, соответствующей требованиям
ГОСТ 12.4.011-89;
- рабочие, ведущие окрасочные работы, должны работать в спецодежде. Спецодежду, облитую растворителем или лакокрасочными материалами, следует немедленно заменить чистой;
- для предохранения органов дыхания от воздействия красочного тумана и паров растворителя рабочие должны пользоваться респираторами типа РУ-60А или РПГ-67, а также защитными очками;
- для защиты кожи рук необходимо применять резиновые перчатки или защитные мази и пасты по
ГОСТ 12.4.068-79* типа ИЭР-1, силиконовый крем и др.;
- тара, в которой находятся лакокрасочные материалы и растворители, должна иметь наклейки или бирки с точными наименованием и обозначением материалов. Тара должна быть исправной и иметь плотно закрывающиеся крышки;
- опилки, ветошь, обтирочные концы, тряпки, загрязненные лакокрасочными материалами и растворителями, следует складывать в металлические ящики и по окончании каждой смены выносить в специально отведенные места;
- около рабочего места должна быть чистая вода или свежеприготовленный физиологический раствор (0,6 - 0,9%-ный раствор хлористого натрия), чистое сухое полотенце, протирочный материал;
- при попадании в глаза растворителя или лакокрасочного материала необходимо немедленно обильно промыть глаза водой, затем физиологическим раствором, после чего обратиться к врачу;
- после окончания работы необходимо произвести уборку рабочего места, очистку спецодежды и защитных средств.
7.16. В каждой смене по строительству гофрированных труб должны быть выделены и обучены специальные лица для оказания первой помощи.
7.17. На каждом строящемся объекте должна быть организована постоянная связь с центральным прорабским пунктом, имеющим утвержденный приказом по строительству порядок организации медицинской помощи и эвакуации (в случае необходимости) травмированных или заболевших работников с объекта.
ПРИЛОЖЕНИЯ
Таблица 1
Механические свойства и химический состав сталей
Марка стали | Предел текучести, Н/мм2, не менее | Предел проч- ности, Н/мм2 | Удлине- ние, %, поперек, не менее | Покрытие цинком (в мик- ронах) | Химический состав в % |
C | Si | Mn | P | S |
15 (Россия) | 240 | 400 | 23 | 80 | 0,12 - 0,2 | 0,12 - 0,25 | 0,4 - 0,65 | <= 0,035 | <= 0,035 |
09Г2Д (Россия) | 310 | 450 | 22 | 80 | <= 0,12 | 0,17 - 0,37 | 1,4 - 1,8 | <= 0,035 | <= 0,04 |
S235JRG2 | 235 | 340 - 470 | 24 | 85 | 0,12 | 0,03 | 0,8 | 0,03 | 0,025 |
SAE J 403 | 230 | 360 | 30 | 60 - 90 | 0,03 - 0,09 | <= 0,020 | 0,17 - 0,40 | <= 0,020 | <= 0,020 |
HSLA | 300 | 380 | 25 | 90 | 0,05 - 0,09 | <= 0,030 | 0,30 - 0,40 | <= 0,020 | <= 0,020 |
Таблица 2
Физические характеристики многолистовых секций
┌────────────────┬────────┬────────────┬───────────┬────────────┬─────────┐
│ Поперечные │Толщина │ Площадь │ Момент │Статический │ Радиус │
│ размеры │ листа, │поперечного │ инерции, │ момент │инерции, │
│ гофрированного │ мм │ сечения, │ мм4/мм │ инерции, │ мм │
│ профиля, мм │ │ мм2/мм │ │ мм3/мм │ │
├────────────────┼────────┼────────────┼───────────┼────────────┼─────────┤
│ 150 x 50 │ 3,0 │ 3,77 │ 1176,6 │ 44,4 │ 17,7 │
│ │ 4,0 │ 5,04 │ 1581,9 │ 58,6 │ 17,7 │
│ │ 5,0 │ 6,30 │ 1995,2 │ 72,6 │ 17,8 │
│ │ 6,0 │ 7,57 │ 2417,5 │ 86,3 │ 17,9 │
│ │ 7,0 │ 8,85 │ 2849,7 │ 100,0 │ 17,9 │
├────────────────┼────────┼────────────┼───────────┼────────────┼─────────┤
│ 152 x 51 │ 3,0 │ 3,52 │ 1057,25 │ 39,42 │ 17,33 │
│ │ 4,0 │ 4,83 │ 1457,56 │ 53,30 │ 17,37 │
│ │ 5,0 │ 6,15 │ 1867,16 │ 66,98 │ 17,42 │
│ │ 6,0 │ 7,46 │ 2278,31 │ 80,22 │ 17,48 │
│ │ 7,0 │ 8,71 │ 2675,11 │ 92,56 │ 17,52 │
├────────────────┼────────┼────────────┼───────────┼────────────┼─────────┤
│ 380 x 140 │ 3,5 │ 4,78 │ 11710,74 │ 152,72 │ 49,50 │
│ │ 4,8 │ 6,54 │ 16038,98 │ 207,54 │ 49,52 │
│ │ 5,5 │ 7,63 │ 18743,25 │ 241,38 │ 49,56 │
│ │ 6,3 │ 8,72 │ 21445,89 │ 274,87 │ 49,59 │
│ │ 7,1 │ 9,81 │ 24164,64 │ 308,24 │ 49,63 │
├────────────────┼────────┼────────────┼───────────┼────────────┼─────────┤
│ 400 x 150 │ 3,0 │ 3,90 │ 10886 │ 136,01 │ 52,80 │
│ │ 4,0 │ 5,35 │ 14944 │ 185,50 │ 52,85 │
│ │ 5,0 │ 6,81 │ 19060 │ 235,04 │ 52,90 │
│ │ 6,0 │ 8,26 │ 23154 │ 283,71 │ 52,95 │
│ │ 7,0 │ 9,64 │ 27071 │ 329,69 │ 52,99 │
└────────────────┴────────┴────────────┴───────────┴────────────┴─────────┘
ПРОФИЛИ ГОФРИРОВАННЫХ ЛИСТОВ
Рис. 1. Профиль гофрированного листа:
H = 32,5 +/- 3 мм;

;
t = 32,5 +/- 7,5 мм
Рис. 2. Профиль гофрированного листа:
толщина листа 3,0 - 7 мм;
углы изгиба гофра 44,53° - 46,08°;
прямая вставка 43,24 - 47,88 мм
Рис. 3. Профиль гофрированного листа:
толщина листа 2,75 - 7,0 мм
Рис. 4. Профиль гофрированного листа:
толщина листа 3,5 - 7,1 мм;
углы изгиба гофра 49,75° - 50,43°;
прямая вставка 110,78 - 106,15 мм
КРЕПЕЖНЫЕ ИЗДЕЛИЯ ДЛЯ СБОРКИ
МЕТАЛЛИЧЕСКИХ ГОФРИРОВАННЫХ ТРУБ
Болты для продольных и поперечных стыков должны быть класса прочности 4.6 и класса 5.6 согласно требованиям
СНиП II-23-81. Для труб, применяемых в районах с расчетной минимальной температурой наружного воздуха ниже минус 40 °C, болты следует назначать класса прочности 8.8.
| | ИС МЕГАНОРМ: примечание. Взамен ГОСТ 24705-81 Приказом Ростехрегулирования от 02.03.2005 N 36-ст с 1 июля 2005 года введен в действие ГОСТ 24705-2004. | |
Резьба болтов и гаек метрическая с крупным шагом согласно ГОСТ 24705-81.
Длина болтов должна быть не менее 35 мм и назначаться исходя из количества и толщины соединяемых гофрированных листов.
Длина участка без нарезки (у головки болта) должна быть меньше суммарной толщины двух стыкуемых элементов и шайб на 2 - 3 мм.
Для болтов стыковых соединений следует применять шайбы специальной формы - квадратные плосковыпуклые, квадратные плосковогнутые (рис. 1) с цилиндрическими опорными поверхностями радиуса кривизны, обеспечивающие плотное прилегание шайб к поверхностям впадин и гребней волн стыкуемых гофрированных листов.
Рис. 1. Шайбы для болтов (размеры в мм):
а - плосковогнутые; б - плосковыпуклые;
d - диаметр отверстия в шайбе (согласно ГОСТ 11371-68*);
B - размер квадратной шайбы, принимаемый равным
наружному диаметру стандартной круглой шайбы
При сферических опорных плоскостях болтов и гаек шайбы не применяются.
| | ИС МЕГАНОРМ: примечание. Постановлением Госстандарта России от 27.06.1996 N 433 с 1 января 1997 года введен в действие ГОСТ 3640-94. | |
Болты, гайки и шайбы должны иметь антикоррозионное защитное покрытие (80 мкм) из цинка ЦЗ по ГОСТ 3640-75.
Болты и гайки зарубежных фирм, допускаемые к применению
Для сборки многолистовых гофрированных секций используются гальванизированные болты диаметром 19 мм, изготовленные из стали, подверженной специальной температурной обработке в соответствии со спецификацией А 449 (Американские Стандарты по Испытанию Материалов). Нижняя поверхность головки болта равномерно закруглена и не требует специальной подгонки. Все гайки устанавливаются либо изнутри, либо снаружи конструкции, за исключением случаев, когда сборочными чертежами предписано иначе.
Болты и гайки
────────────────────┬────────────────────┬─────────────────────
Длина* (мм) │ Цвет │ Вес (кг/100)
32 │ Гальв. │ 14,6
38 │ Зеленый │ 15,0
44 │ Красный │ 16,4
51 │ Черный │ 17,5
76 │ Гальв. │ 21,5
Гайки │ Гальв. │ 8,8
МЕТОДИЧЕСКИЕ РЕКОМЕНДАЦИИ
ПО ГИДРАВЛИЧЕСКИМ РАСЧЕТАМ МЕТАЛЛИЧЕСКИХ
ГОФРИРОВАННЫХ ВОДОПРОПУСКНЫХ ТРУБ
1.1. Согласно настоящим Методическим рекомендациям рассчитываются металлические гофрированные трубы с наиболее распространенным в отечественной практике типом гофра 130 x 32 мм. С некоторым приближением могут выполняться также расчеты труб с другими типами гофров.
1.2. Гофрированные трубы отличаются от "гладких" в гидравлическом отношении существенно большими критическими уклонами, величина которых при безнапорном режиме достигает 0,02 - 0,03. Для обеспечения максимальной водопропускной способности уклоны гофрированных труб должны быть не меньше указанных значений и в крайнем случае не меньше 0,01.
В каждом конкретном случае предварительно устанавливается критический уклон сооружения

. Учитывая критический уклон сооружения и уклон местности, назначают уклон трубы

с соблюдением условия
При несоблюдении условия пропускная способность трубы понижается, причем при

этим можно пренебречь, при

реальная пропускная способность сооружения должна устанавливаться в соответствии с "Руководством по гидравлическим расчетам малых искусственных сооружений", "
Пособием по гидравлическим расчетам малых водопропускных сооружений", а с некоторым приближением - "Методическими рекомендациями по гидравлическому расчету".
1.3. Пропускная способность металлических гофрированных труб определяется исходя из условий входа равнинного типа, при которой перед сооружением образуется емкость, характеризующаяся подпертой глубиной. При этом поток поступает в трубу в спокойном состоянии.
Вход указанного типа имеют все водопропускные трубы без подходных быстротоков, подводящих поток к сооружению в бурном состоянии.
Для труб, имеющих на входе быстротоки, проверяют возможность входа потока в трубу в бурном состоянии. Порядок расчета приводится в "Методических указаниях по гидравлическим расчетам косогорных труб", "Руководстве по гидравлическим расчетам малых искусственных сооружений" и книге "Косогорные водопропускные трубы".
Если в результате расчета окажется, что имеет место вход равнинного типа, то гидравлические расчеты производят согласно "
Пособию по гидравлическим расчетам малых водопропускных сооружений", как для равнинных труб. В противном случае трубы по условиям входа являются косогорными и их гидравлические расчеты производят в соответствии с требованиями "Руководства по гидравлическим расчетам малых искусственных сооружений" и "
Пособия по гидравлическим расчетам малых водопропускных сооружений".
1.4. Настоящими Методическими рекомендациями предусматривается выполнение гидравлических расчетов в двух вариантах: при наличии гладкого лотка и при его отсутствии.
1.5. Рекомендации разработаны для гофрированных труб без оголовков со срезом перпендикулярно оси трубы, с оголовком, срезанным параллельно откосу, с оголовком типов "капюшон" и раструбным с углом раструбности Q = 20°.
2. ГИДРАВЛИЧЕСКИЕ РАСЧЕТЫ
Металлические гофрированные трубы - гибкие бесфундаментные конструкции, работающие во взаимодействии с грунтом по системе "грунт-труба". В нашей стране приняты в настоящее время следующие типовые размеры гофров: 130 x 32 мм, 150 x 50 мм, а в зарубежной практике применяются следующие размеры: 67,77 x 12,7; 100 x 22; 152,4 x 50,8; 200 x 55 и 400 x 150 мм (длина и высота гофра).
Гофрированные трубы отличаются от технически гладких существенно большей шероховатостью, что связано с наличием на внутренней поверхности гофров. Среднее значение коэффициента шероховатости n = 0,025 - 0,03, а при наличии гофр больших размеров (более 152,4 x 50,8 мм) или наносов в лотковой части трубы коэффициент шероховатости может достигать 0,04.
Наличие повышенной шероховатости приводит к существенно большим критическим уклонам гофрированных труб по сравнению с технически гладкими, значение которых в гофрированных трубах достигает 0,02 - 0,03. Поэтому для предотвращения снижения водопропускной способности уклоны гофрированных труб должны быть более 0,02 - 0,03 и, в крайнем случае, не меньше 0,01, то есть необходимо назначать уклоны трубы равными или более критического уклона

. При уклоне трубы менее 0,01 необходимо учитывать снижение пропускной способности водопропускного сооружения.
2.2. ОПРЕДЕЛЕНИЕ ПРОПУСКНОЙ СПОСОБНОСТИ ТРУБ
"Длинные" и "короткие" трубы. Учет влияния нижнего бьефа
2.2.1. Трубы, на пропускную способность которых при безнапорном режиме оказывает влияние их длина, называют "длинными" в гидравлическом отношении. У "коротких" это влияние отсутствует.
2.2.2. "Короткими" считаются трубы, для которых соблюдается условие

.
2.2.3. Критический уклон для наиболее распространенных отверстий труб с гладкими лотками диаметром 1,5 или 2,0 м определяют по графику в функции параметра расхода:

,
где Q - расход в сооружении;
D - диаметр трубы;
g - ускорение силы тяжести.
Для остальных отверстий критический уклон вычисляют по формуле

,
где

и

соответственно критический уклон и диаметр трубы. Это может быть D = 1,5 или 2,0 м.
При

с некоторым приближением "короткими" можно считать трубы при соблюдении критерия относительной длины:

,
где

- длина трубы.
2.2.4. Производимые ниже в настоящей главе зависимости для определения пропускной способности труб при безнапорном режиме относятся к "коротким" трубам.
2.2.5. Глубины на входе и подпертые глубины перед "длинными" трубами определяют по формулам, полученным из аналогичных зависимостей для гладких труб, приведенных в "Руководстве по гидравлическим расчетам малых искусственных сооружений", с введением в них корректива для учета повышенной шероховатости гофрированных труб:

;

;
где

и

- соответственно относительная глубина на входе и относительная подпертая глубина для "коротких" труб;
n = 0,015 и

- коэффициенты шероховатости соответственно для гладких и гофрированных труб.
2.2.6. При значительной бытовой глубине водотока происходит затопление труб со стороны нижнего бьефа, что также снижает их пропускную способность.
С некоторым приближением можно считать, что критерии затопления труб со стороны нижнего бьефа, полученные для гладких труб, сохраняются и для гофрированных, т.е. незатопленными будут трубы при соблюдении условий:

и

,
где

- глубина в нижнем бьефе над нижней точкой дна трубы в выходном сечении;

- критическая глубина в трубе;

- высота трубы.
Критическую глубину в круглых трубах определяют по графику.
Более точно учет затопления производится согласно "Руководству по гидравлическим расчетам малых искусственных сооружений".
2.2.7. Для металлических гофрированных труб принимается безнапорный режим протекания, то есть когда входное сечение не затоплено и на всем протяжении трубы поток имеет свободную поверхность. Полунапорный, частичнонапорный и напорный режимы не рекомендуются из-за конструктивных особенностей гибких металлических труб.
2.2.8. Безнапорный режим протекания в трубах сохраняется до полного затопления входного сечения, что характеризуется условием

,
где

- глубина на входе в трубу;
D - диаметр входного сечения, считая по впадинам гофра (наименьший диаметр).
2.2.9. Возможность существования безнапорного режима и заполнение трубы на входе в "короткие" трубы определяют по графику, на котором приведена зависимость относительной глубины потока на входе в трубу

от параметра расхода

.
Этот же график позволяет по заданному заполнению установить соответствующую ему величину расхода.
2.2.10. Подпертую глубину перед безнапорными трубами определяют по формуле

,
где m - коэффициент расхода, определяемый по табл. 1 в зависимости от типа входного оголовка;

- средняя ширина потока при критической глубине, определяемая по
табл. 2.
Тип оголовка | Коэффициент расхода, m |
Без оголовка (вертикальный срез) | 0,33 |
Срезанный параллельно откосу | 0,33 |
"Капюшон" | 0,33 |
Раструбный Тета = 20° | 0,365 |
┌────────────────────┬──────────┬─────────────────────────────────────────┐
│ Q │ в │ в при диаметрах труб D, м │
│ П = ------- │ К │ К │
│ Q 2 __ │ -- ├──────┬──────┬──────┬──────┬──────┬──────┤
│ D \/QD │ D │ 1,0 │ 1,25 │ 1,5 │ 2,0 │ 3,0 │ 5,0 │
├────────────────────┼──────────┼──────┼──────┼──────┼──────┼──────┼──────┤
│ 0,02 │ 0,49 │ 0,49 │ 0,61 │ 0,73 │ 0,98 │ 1,47 │ 2,45 │
├────────────────────┼──────────┼──────┼──────┼──────┼──────┼──────┼──────┤
│ 0,03 │ 0,52 │ 0,52 │ 0,65 │ 0,78 │ 1,04 │ 1,56 │ 2,6 │
├────────────────────┼──────────┼──────┼──────┼──────┼──────┼──────┼──────┤
│ 0,04 │ 0,57 │ 0,57 │ 0,71 │ 0,85 │ 1,14 │ 1,71 │ 2,85 │
├────────────────────┼──────────┼──────┼──────┼──────┼──────┼──────┼──────┤
│ 0,05 │ 0,59 │ 0,59 │ 0,73 │ 0,88 │ 1,18 │ 1,77 │ 2,95 │
├────────────────────┼──────────┼──────┼──────┼──────┼──────┼──────┼──────┤
│ 0,06 │ 0,62 │ 0,62 │ 0,77 │ 0,93 │ 1,24 │ 1,86 │ 3,1 │
├────────────────────┼──────────┼──────┼──────┼──────┼──────┼──────┼──────┤
│ 0,07 │ 0,63 │ 0,63 │ 0,78 │ 0,94 │ 1,26 │ 1,89 │ 3,15 │
├────────────────────┼──────────┼──────┼──────┼──────┼──────┼──────┼──────┤
│ 0,08 │ 0,64 │ 0,64 │ 0,8 │ 0,96 │ 1,28 │ 1,92 │ 3,2 │
├────────────────────┼──────────┼──────┼──────┼──────┼──────┼──────┼──────┤
│ 0,09 │ 0,66 │ 0,66 │ 0,82 │ 0,99 │ 1,32 │ 1,98 │ 3,3 │
├────────────────────┼──────────┼──────┼──────┼──────┼──────┼──────┼──────┤
│ 0,1 │ 0,67 │ 0,67 │ 0,83 │ 1,00 │ 1,34 │ 2,01 │ 3,35 │
├────────────────────┼──────────┼──────┼──────┼──────┼──────┼──────┼──────┤
│ 0,12 │ 0,69 │ 0,69 │ 0,84 │ 1,03 │ 1,38 │ 2,07 │ 3,45 │
├────────────────────┼──────────┼──────┼──────┼──────┼──────┼──────┼──────┤
│ 0,14 │ 0,72 │ 0,72 │ 0,9 │ 1,08 │ 1,44 │ 2,16 │ 3,6 │
├────────────────────┼──────────┼──────┼──────┼──────┼──────┼──────┼──────┤
│ 0,16 │ 0,74 │ 0,74 │ 0,92 │ 1,1 │ 1,47 │ 2,2 │ 3,68 │
├────────────────────┼──────────┼──────┼──────┼──────┼──────┼──────┼──────┤
│ 0,18 │ 0,76 │ 0,76 │ 0,94 │ 1,13 │ 1,51 │ 2,26 │ 3,78 │
├────────────────────┼──────────┼──────┼──────┼──────┼──────┼──────┼──────┤
│ 0,2 │ 0,77 │ 0,77 │ 0,94 │ 1,15 │ 1,54 │ 2,31 │ 3,85 │
├────────────────────┼──────────┼──────┼──────┼──────┼──────┼──────┼──────┤
│ 0,25 │ 0,79 │ 0,79 │ 0,99 │ 1,18 │ 1,58 │ 2,37 │ 3,95 │
├────────────────────┼──────────┼──────┼──────┼──────┼──────┼──────┼──────┤
│ 0,3 │ 0,81 │ 0,81 │ 1,01 │ 1,21 │ 1,62 │ 2,43 │ 4,05 │
├────────────────────┼──────────┼──────┼──────┼──────┼──────┼──────┼──────┤
│ 0,35 │ 0,82 │ 0,82 │ 1,02 │ 1,23 │ 1,64 │ 2,46 │ 4,1 │
├────────────────────┼──────────┼──────┼──────┼──────┼──────┼──────┼──────┤
│ 0,4 │ 0,83 │ 0,83 │ 1,03 │ 1,24 │ 1,66 │ 2,49 │ 4,15 │
├────────────────────┼──────────┼──────┼──────┼──────┼──────┼──────┼──────┤
│ 0,45 │ 0,84 │ 0,84 │ 1,04 │ 1,25 │ 1,67 │ 2,5 │ 4,18 │
├────────────────────┼──────────┼──────┼──────┼──────┼──────┼──────┼──────┤
│ 0,5 │ 0,84 │ 0,84 │ 1,05 │ 1,26 │ 1,68 │ 2,52 │ 4,2 │
├────────────────────┼──────────┼──────┼──────┼──────┼──────┼──────┼──────┤
│ 0,55 │ 0,84 │ 0,84 │ 1,05 │ 1,26 │ 1,68 │ 2,52 │ 4,2 │
├────────────────────┼──────────┼──────┼──────┼──────┼──────┼──────┼──────┤
│ 0,6 │ 0,84 │ 0,84 │ 1,05 │ 1,26 │ 1,68 │ 2,52 │ 4,2 │
├────────────────────┼──────────┼──────┼──────┼──────┼──────┼──────┼──────┤
│ 0,65 │ 0,84 │ 0,84 │ 1,05 │ 1,26 │ 1,68 │ 2,52 │ 4,2 │
├────────────────────┼──────────┼──────┼──────┼──────┼──────┼──────┼──────┤
│ 0,7 │ 0,83 │ 0,83 │ 1,03 │ 1,24 │ 1,66 │ 2,49 │ 4,15 │
└────────────────────┴──────────┴──────┴──────┴──────┴──────┴──────┴──────┘
2.2.11. При несовершенном сжатии потока на входе в трубу (ширина по подпертому уровню высоких вод ПУВВ перед входом в трубу менее шести ее отверстий) коэффициент расхода определяют по формуле

,
где

- значение коэффициента расхода по
табл. 1;

- площадь поперечного сечения потока в подводящем русле;

- площадь поперечного сечения трубы до отметки подпертого уровня.
Согласно СНиП 2.05.03-84*,
п. 1.14 допускается проектировать трубы на пропуск расчетного расхода при полунапорном и напорном режимах. При этом под оголовками и звеньями следует устраивать фундаменты, а при необходимости - также противофильтрационные экраны. Кроме того, при напорном режиме следует предусматривать специальные входные оголовки и обеспечивать водонепроницаемость швов между торцами звеньев и секциями фундаментов, надежное укрепление русла, устойчивость насыпи против напора и фильтрации.
Для труб, расположенных в районах со средней температурой воздуха наиболее холодной пятидневки ниже минус 40 °C, не допускаются полунапорный и напорный режимы работы, за исключением случаев расположения труб на скальных грунтах.
Однако особенности конструкции гофрированных труб не позволяют обеспечить герметичность стыков, а условия работы гибкой трубы не предусматривают устройства фундамента. Отсутствие герметичности в стыках звеньев не позволяет обеспечить в металлических гофрированных трубах устойчивый напорный или полунапорный режимы протекания.
Гофрированные металлические водопропускные трубы следует проектировать на пропуск расчетного расхода только при безнапорном режиме.
2.4. БЕЗНАПОРНЫЙ РЕЖИМ ПРОТЕКАНИЯ
Гидравлический расчет гофрированных металлических труб, работающих в равнинных условиях, производится в соответствии с указаниями, изложенными в "
Пособии по гидравлическим расчетам малых водопропускных сооружений", со следующими коррективами:
1. Уклоны гофрированных труб должны быть равны или больше критических, но не менее i = 0,01.
2. Коэффициенты расхода при безнапорном режиме следует применять для безоголовочного типа входного оголовка (с вертикальным срезом и срезом параллельно откосу) m = 0,33, а для раструбных оголовков с углом раструбности 20° - m = 0,36.
Безнапорным называют режим работы, при котором поток на всем протяжении трубы имеет свободную поверхность, т.е. не касается верха трубы.
Возвышение высшей точки внутренней поверхности трубы в любом поперечном сечении над поверхностью воды в трубе при пропуске расчетного расхода должно быть в свету: в круглых и сводчатых трубах высотой до 3,0 м - не менее 1/4 высоты трубы, свыше 3,0 м - не менее 0,75 м.
Безнапорный режим протекания сохраняется вплоть до затопления входного сечения трубы

,
где H - глубина потока перед трубой;
h - высота трубы.
При безнапорном режиме труба гидравлически работает как водослив с широким порогом.
Расход воды, пропускаемой безнапорной "короткой" неподтопленной трубой
(рис. 1),

,
где m - коэффициент расхода;

- средняя ширина потока в сечении с критической глубиной

.

- площадь поперечного сечения потока при глубине

;

- критическая глубина потока в трубе.
Рис. 1. Схема протекания воды в равнинной трубе
при безнапорном режиме:
а - "короткая"; б - "длинная"; в - "незатопленная"

и "затопленная" с нижнего бьефа

При заданном типе входного оголовка расчетные расходы круглых, эллиптических и овоидальных труб определяют по параметру расхода

.
Значения параметра расхода труб при безоголовочных типах входного оголовка следует принимать:
с вертикальным срезом - 0,415;
со срезом параллельно откосу - 0,46;
для раструбного оголовка с углом раструбности 20° - 0,495.
В зависимости от влияния длины трубы на пропускную способность различают "короткие" и "длинные" трубы. У "коротких" труб поток сохраняет бурное состояние на всем протяжении трубы и общая длина не оказывает влияния на пропускную способность. В "длинных" трубах при наличии высокой шероховатости (гофров) сопротивления по длине трубы влияют на пропускную способность. При уклоне

трубы любой длины являются "короткими".
При безнапорном режиме некоторое увеличение расхода, поступающего к трубе, незначительно увеличивает глубину потока перед трубой. При полунапорном и напорном режимах небольшое увеличение расхода вызывает значительное увеличение глубины потока перед трубой.
Это преимущество безнапорных труб является очень существенным при их эксплуатации.
В "длинной" трубе энергии потока недостаточно для протекания в бурном состоянии и он перейдет в спокойное состояние. Этот переход осуществляется гидравлическим прыжком, глубина потока в трубе при этом резко возрастает и может произойти смена безнапорного режима на полунапорный, частично напорный или напорный режимы, что очень опасно для нормальной работы трубы.
Второе преимущество безнапорного режима - его устойчивость.
Полунапорный режим при некоторых условиях может переходить в напорный (зарядка трубы) и обратно (срыв вакуума). Такие смены режима сопровождаются резкими колебаниями уровня воды перед насыпью и вибрациями трубы. Напорный режим нежелателен еще и потому, что при наличии в трубе давления выше атмосферного вода стремится проникать через стыки звеньев и трещины в насыпь, что может нарушить ее устойчивость. А наличие в трубе вакуума создает опасность засасывания в нее мелких частиц грунта из насыпи, что может привести к просадке и промыву насыпи фильтрационными водами. Поэтому техническими нормами допускается напорный режим только для расчетного расхода и при обеспечении герметичности стыков.
По влиянию глубины воды в нижнем бьефе трубы делят на "затопленные" с нижнего бьефа и "незатопленные" (рис. 2, 3).
Рис. 2. Схема протекания воды в безнапорной трубе,
затопленной с нижнего бьефа
Рис. 3. Схема протекания воды в безнапорной трубе,
подтопленной с нижнего бьефа,
с незатопленным сжатым сечением
Затопленными с нижнего бьефа считают трубы, работающие в условиях, при которых уровень нижнего бьефа влияет на пропускную способность трубы (вследствие затопления сжатого сечения), в противном случае трубы считаются "незатопленными" с нижнего бьефа.
Пропускную способность "длинной" трубы определяют по формуле

,
где

- коэффициент подтопления, который определяется методом последовательного приближения, его значения меньше 1,0.
Напор перед круглыми "длинными" трубами

определяется по "
Пособию по гидравлическим расчетам малых водопропускных сооружений" или книге "Гидравлические расчеты водопропускных труб" Н.П. Розанова. Пропускную способность гофрированных многоочковых и многоярусных труб при условии их раздвижки на величину не менее 0,25D определяют как сумму отдельно работающих одноочковых труб. Расчет многоочковых труб аналогичен расчету одноочковых, при этом расход каждой трубы принимают

,
где

- количество труб.
Многоярусные трубы выше первого яруса целесообразно устраивать без оголовков. Расчет многоярусных труб начинают с определения подпора перед трубой в предположении, что весь расход проходит через трубы нижнего яруса, и производят расчет отдельной трубы согласно рекомендациям для одноочковых труб.
3. АЛГОРИТМЫ ВЫБОРА РАЦИОНАЛЬНОГО ТИПА
ВОДОПРОПУСКНОГО ТРАКТА ТРУБ
3.1. В основе алгоритма лежит методика расчета водопропускного тракта, предполагающая, что продольный профиль всего водопропускного тракта и его отдельных элементов задан.
3.2. Основные элементы алгоритма:
1) расчет размеров подходных быстротоков и гидравлических характеристик потока в них, в том числе с учетом переломов (изменения уклонов поверхности дна) и аэрации потока;
2) расчет сопряжений быстротока с трубой (сужений);
3) расчет глубин и скоростей на всей длине трубы, включая входной и выходной участки, с учетом условий сопряжения с быстротоком и аэрации;
4) расчет глубин и скоростей потока на укреплении без устройства гасителей;
5) расчет глубин размыва за укреплением нижнего бьефа с учетом гидрографа паводка, каменной наброски и возможности образования промоины (канавы) в выходном логе;
6) определение размеров укреплений нижнего бьефа;
7) выбор вариантов конструкций водопропускного тракта, удовлетворяющих всем требуемым ограничениям (по допускаемым скоростям, зазорам в трубе, глубинам воронок размыва в выходном логе и т.п.).
Определение наилучшего из допускаемых вариантов должно осуществляться на основе технико-экономического сравнения. Возможно также изменение (перепроектирование) продольного профиля водопропускного тракта с последующим повторением расчетов.
I.

.
Расчет водопропускного тракта ведется: для автомобильных дорог - на расчетный расход

. При наличии снегового и ливневого стока

и

выбирают как максимальные из соответствующих расходов. Аккумуляция при расчете косогорных труб не учитывается.
3.3. Последовательность расчета:
1) Назначают тип трубы с учетом величины расхода, характера водотока, шероховатости, а также начальное отверстие трубы (обычно d = 1,5 м или при других формах поперечного сечения b = 1,5 м).
2) Рассчитывают быстроток. Длину быстротока принимают от выхода из нагорной канавы до начала сужения при установлении в нем равномерного движения.
Начинают с быстротока шириной по дну

или в и трапецеидальной формы с наиболее слабым типом укреплений. Последовательно увеличивают ширину

с шагом 0,25 м до выполнения двух условий:
а)

, где

- критическая глубина на входе в быстроток;

- глубина воды в нагорной канаве в месте ее сопряжения с быстротоком (приближенно ее можно принимать равной глубине канавы);
б)

, где

- максимальная скорость воды в быстротоке;

- допускаемая скорость для материала и конструкции быстротока;
в) по глубине воды в конце быстротока определяют параметр кинетичности.
Затем определяют стоимость быстротока и переходят к расчету быстротока с более мощным типом укрепления, и на основе технико-экономического сравнения вариантов выбирают более экономичный.
3) Расчет сужения начинают с максимального угла сужения

. Задаваясь характером сопряжения сужающейся части быстротока с трубой и степенью сужения

, определяют глубины на входе в трубу. Если при пропуске расчетного расхода

зазор между верхом трубы и средней по сечению отметкой свободной поверхности на начальном участке трубы меньше допускаемого
СНиП 2.05.03-84* либо если высота максимального всплеска на стенке сужения

больше высоты трубы

, либо если глубина в гребне на оси трубы больше высоты трубы

, то уменьшают угол сужения на 5° и повторяют расчет сужения.
При этом необходимо учитывать, что при уменьшении угла сужения увеличивается длина участка сужения и в то же время уменьшается длина быстротока, поэтому на входе в сужение при изменении

будут меняться скорости и глубины потока, устанавливаемые при расчете быстротока.
Если при каком-либо угле

указанные выше ограничения выполнены, то расчет сужения заканчивают. Если и при этом не выполняются ограничения на величину зазора в трубе, то назначают следующее отверстие трубы и переходят к
п. 2 алгоритма.
4) Если по каким-либо причинам подходной быстроток и сужение отсутствуют, то расчет отверстия трубы производится, как для равнинных условий. При этом для расчетного расхода

допускается только безнапорный и только при выполнении требования о величине зазора в трубе согласно
СНиП 2.05.03-84*.
5) Рассчитывают среднюю часть трубы исходя из глубин и скоростей на входном участке трубы по уравнению неравномерного движения (Чарномский В.И.). Аналогично расчету быстротоков строят кривую свободной поверхности и проверяют условие, чтобы при расчетном расходе

оставался регламентируемый
СНиП 2.05.03-84* зазор между поверхностью воды и верхом трубы. При невыполнении этого условия переходят к следующему отверстию трубы и, если оно больше ширины быстротока

, возвращаются к
п. 2 алгоритма, принимая

, равной новому отверстию трубы, а если меньше - то к
п. 3 алгоритма. Для приближенных расчетов допускается вместо построения кривой свободной поверхности рассчитывать нормальную глубину в трубе (для труб с переломами - нормальную глубину для участка с максимальным уклоном).
6) Рассчитывают глубины и скорости на выходе из трубы.
7) Назначают начальный тип укрепления выходного русла (каменная наброска, плиты, монолитный бетон, сборные блоки и т.п.). Если

, то меняют тип укрепления на более мощный, и так до тех пор, пока не будет удовлетворено условие

либо не будут исчерпаны все возможные типы укреплений.
8) Назначают начальный тип выходного русла из числа приведенных в "
Пособии по гидравлическим расчетам малых водопропускных сооружений".
9) Рассчитывают глубины размыва в выходном русле заданного типа. Если максимальная глубина размыва (с учетом образования канала) больше 2,5 м, то переходят на следующий, более мощный тип выходного русла (в порядке возрастания номеров и индексов), и расчет повторяют. Если никакой из типов выходных русл не обеспечивает глубины размыва меньше допустимой, то увеличивают отверстие трубы и переходят к
п. 2.
10) Рассчитывают скорости и глубины потока на укреплении.
11) Рассчитывают ширину укрепления и глубину заделки его концевой части с учетом растекания потока на укреплении и глубины воронки размыва.
12) Если в результате расчетов осуществлен перебор всех допустимых отверстий труб и при этом не найден вариант, удовлетворяющий всем необходимым ограничениям, то водопропускной тракт необходимо перепроектировать. При этом необходимо:
а) изменить уклоны отдельных частей водопропускного тракта;
б) изменить ширину быстротока;
в) изменить угол сужения

или степень сжатия

.
После введения соответствующих корректив для п. 12, а - в повторяют расчеты, начиная с
п. 1 алгоритма. Если расчеты по перепроектированному варианту опять не удовлетворяют ограничениям, снова производят перепроектировку и т.д.
ОБОРУДОВАНИЕ, ПРИБОРЫ И ИНСТРУМЕНТЫ, РЕКОМЕНДУЕМЫЕ
ПРИ ПРОИЗВОДСТВЕ РАБОТ ПО АНТИКОРРОЗИОННОЙ
ОБРАБОТКЕ И ГИДРОИЗОЛЯЦИИ
1. Подготовка поверхности к окрашиванию
N п/п | Оборудование | Марка | Технические данные |
1 | Аппарат дробеструйный | АД-150М | Производительность 10 - 12 м2/ч Рабочее давление 0,6 МПа Габариты 936 x 775 x 1360 мм Масса 250 кг |
2 | Аппарат дробеструйный | Clemco SCWB-2452 | Объем 200 л, с дистанционным управлением и дозирующим вентилем |
3 | Машина шлифовальная электрическая | Э-2102 | Диаметр абразивного круга 180 мм Скорость вращения 8500 об/мин Габариты 438 x 175 x 270 мм Вес 6 кг |
4 | Машина шлифовальная пневматическая | УПШР N 1 | Диаметр проволочной щетки 100 мм Скорость вращения 8500 об/мин Габариты 870 x 70 x 119 мм Вес 3,8 кг |
2. Оборудование для окрашивания
N п/п | Оборудование | Марка | Технические данные |
1 | Установка безвоздушного распыления | GMMax 7900 | Производительность 7,9 л/мин Количество подключаемых пистолетов - 4 шт. Максимальная длина шлангов - 90 м Бензопривод фирмы Grace с КПД 90% (масса 80 кг) Максимальное рабочее давление - 210 атм |
2 | Установка высокого давления | 7000 H | Подача насосов без противодавления не менее 5,6 л/мин Давление нагнетания без подачи 24,4 + 0,5 МПа Электродвигатель специальный взрывозащищенный Мощность 2,0 кВт Габариты 975 x 500 x 610 мм Масса 80 кг |
3 | Установка для безвоздушного окрашивания | WIWA 18066 | Преобразователь давления 66:1 Максимальная мощность при свободном потоке 18,0 л/мин Максимальное входное давление воздуха 6,5 бар Максимальный размер сопла 1 x 1, 6/2 x 1,1 мм |
3. Инструменты и приборы контроля
N п/п | Оборудование | Марка | Технические данные |
1 | Пневмомиксер для размешивания | | |
2 | Вискозиметр | ВЗ-4 или ВЗ-246 | Диаметр сопла 4,0 мм Вместимость 100 мл |
3 | Магнитный толщиномер | МТ-50 НЦ | Диапазон измерений 50 - 2000 мкм Рабочая температура 5 - 40 °C |
4 | Толщиномер | Минитест 1001 | Диапазон измерений 0 - 1250 мкм Рабочая температура 0 - 50 °C |
РАСЧЕТ ОСАДОК ТРУБ И НАЗНАЧЕНИЕ СТРОИТЕЛЬНОГО ПОДЪЕМА
Расчет осадок труб для точек под осью насыпи следует производить по графику
(рис. 1), определяя расчетную осадку

по формуле

,
где

- осадка основания при модуле деформации грунта;
E = 100 кгс/см2 (см. рис. 1).
Рис. 1. Расчетный график для определения осадки трубы:

- осадка основания при модуле деформации грунта
100 кг/см2; H - высота насыпи; Z - расстояние от нижней
границы слоя до верха основания; 1, 2 - при однородном
основании и

; 3 - при неоднородном основании
Исходными параметрами для расчета осадок должны быть: модуль деформации, объемная масса грунта и мощность геологических слоев в основании, высота насыпи.
Осадка труб на многослойном основании рассчитывается путем суммирования осадок в пределах каждого слоя.
Расчетную осадку

под осью насыпи следует сравнить с предельно допустимой осадкой

, определяемой по формуле

,
где iL - разница отметок лотка трубы на входе и выходе (i - уклон, L - длина трубы).
Примечание. Формула применима для уклонов труб до 0,05, предусмотренных в
п. 1.7 настоящей Инструкции.
В случае, если расчетная осадка превышает величину

, необходимо принять меры по изменению проектного решения, в первую очередь рассматривая варианты увеличения уклона лотка трубы или толщины подушки, либо переходить к другой конструкции водопропускного сооружения.
Строительный подъем назначают, определяя ординату под осью насыпи по формуле

,
которая не должна превышать величины

.
РАСЧЕТ ОСАДОК ТРУБ НА ОТТАИВАЮЩИХ ГРУНТАХ
Осадку труб

на оттаивающих грунтах рассчитывают по формуле

,
где

- осадка предварительно оттаявшего слоя грунта толщиной

(см. рисунок);

- дополнительная осадка слоя грунта, оттаивающего в процессе эксплуатации трубы, для слоя

(

- полная глубина оттаивания, м).
Схема к расчету осадок труб на оттаивающих грунтах
Глубину оттаивания определяют теплотехническим расчетом, а также по данным натурных наблюдений за аналогичными сооружениями.
Примечание. При наличии на глубине, меньшей чем скальных или других несжимаемых грунтов (E > 1000 кгс/см2), осадку рассчитывают для толщи основания, ограниченной их верхней поверхностью. Допускается при этом принимать

при объемной массе грунта основания

и

при

.
Осадку

слоя грунта, оттаивающего в процессе эксплуатации сооружения, для слоя

определяют по формуле

, (1)
где k - безразмерный коэффициент, равный

;

- коэффициент сжимаемости i-го слоя оттаивающего грунта, см2/кгс;

- толщина i-го слоя оттаивающего грунта, см;

- разность между суммарной льдистостью i-го слоя грунта и суммарной льдистостью образца грунта, взятого из этого слоя;
n - число слоев, на которые разделяется при расчете толща оттаявшего (оттаивающего) грунта;

- коэффициент оттаивания (i-го слоя грунта, характеризующий осадку грунта при его оттаивании без нагрузки);

- давление в середине i-го слоя грунта, в кгс/см2 от собственного веса, равное

(здесь

- объемная масса грунта основания, кгс/см3;

,

- расстояние от подошвы насыпи соответственно до кровли и подошвы i-го слоя, см);

- коэффициент, учитывающий неполное смыкание макропор при оттаивании мерзлого грунта, принимаемый в зависимости от средней толщины ледяных включений

: при

; при

; при промежуточных значениях

коэффициент

определяется интерполяцией.
Осадку

слоя грунта, предварительно оттаявшего на глубину h, рассчитывают по формуле (2) при значениях

;

и значениях

, определяемых с учетом ожидаемой степени уплотнения оттаявшего грунта.
При этом формула имеет вид

. (2)
Расчет осадок производят для средней части трубы (высота насыпи H) и ее концевых участков (H = 0).
ОГРАНИЧЕНИЕ ПОПЕРЕЧНЫХ ДЕФОРМАЦИЙ ТРУБЫ
НА СТАДИИ ОТСЫПКИ И УПЛОТНЕНИЯ БОКОВЫХ ПРИЗМ ГРУНТА
Расчетную нагрузку на трубу от строительных машин и уплотняемого грунта боковых призм следует условно принимать действующей в горизонтальной диаметральной плоскости нормально к поверхности трубы с обеих сторон, равномерно распределенной по длине образующей трубы с интенсивностью

.
Интенсивность действующего горизонтального давления e не должна превышать предельно допускаемое на трубу давление


. (1)
Интенсивность предельно допускаемого (из условия трехпроцентной деформации номинального диаметра) давления

(в кгс/см) следует определять по формуле

,
где

- изгибающий момент (в кгс x см/см) в стенке трубы на единицу ее длины, соответствующий образованию пластического шарнира и равный

,
где

- пластический момент сопротивления продольного сечения стенки на единицу длины трубы, см3/см;

- предел текучести стали, кгс/см2 (см.
табл. 1 Приложения 1).
Если не удовлетворяется
условие (1), следует предусматривать установку внутри трубы временных инвентарных креплений, рассчитывая их на действие перемещающейся вдоль трубы горизонтальной нагрузки

(в кгс/см) интенсивностью

,
действующей так же, как и нагрузка e, но на ограниченной длине 0,5 м от поверхности трубы, симметрично относительно горизонтального диаметра.