Главная // Актуальные документы // Методические рекомендацииСПРАВКА
Источник публикации
М., 2021
Примечание к документу
Текст документа приведен в соответствии с публикацией на сайте https://rosavtodor.gov.ru/ по состоянию на 31.12.2021.
Документ рекомендован к применению с 14.12.2020
Распоряжением Росавтодора от 14.12.2020 N 3795-р.
Название документа
"ОДМ 218.6.2.001-2020. Отраслевой дорожный методический документ. Методические рекомендации по оснащению искусственных сооружений на автомобильных дорогах системами обеспечения противогололедной обстановки"
(издан на основании Распоряжения Росавтодора от 14.12.2020 N 3795-р)
"ОДМ 218.6.2.001-2020. Отраслевой дорожный методический документ. Методические рекомендации по оснащению искусственных сооружений на автомобильных дорогах системами обеспечения противогололедной обстановки"
(издан на основании Распоряжения Росавтодора от 14.12.2020 N 3795-р)
дорожного агентства
от 14 декабря 2020 г. N 3795-р
ОТРАСЛЕВОЙ ДОРОЖНЫЙ МЕТОДИЧЕСКИЙ ДОКУМЕНТ
МЕТОДИЧЕСКИЕ РЕКОМЕНДАЦИИ
ПО ОСНАЩЕНИЮ ИСКУССТВЕННЫХ СООРУЖЕНИЙ
НА АВТОМОБИЛЬНЫХ ДОРОГАХ СИСТЕМАМИ ОБЕСПЕЧЕНИЯ
ПРОТИВОГОЛОЛЕДНОЙ ОБСТАНОВКИ
ОДМ 218.6.2.001-2020
1 РАЗРАБОТАН акционерным обществом "Центр технического и сметного нормирования в строительстве" (АО "ЦНС").
Коллектив авторов: канд. техн. наук Д.М. Немчинов, инж. Ю.Н. Розов, д-р техн. наук Т.В. Самодурова, инж. С.Ю. Розов, канд. экон. наук Н.П. Кикава, канд. техн. наук Н.В. Борисюк, канд. техн. наук В.П. Сорока.
2 ВНЕСЕН Управлением научно-технических исследований и информационного обеспечения и Управлением строительства и эксплуатации автомобильных дорог Федерального дорожного агентства.
3 ИЗДАН на основании
распоряжения Федерального дорожного агентства от 14.12.2020 N 3795-р.
4 ИМЕЕТ РЕКОМЕНДАТЕЛЬНЫЙ ХАРАКТЕР.
5 ВВЕДЕН ВПЕРВЫЕ.
1.1 Настоящий отраслевой дорожный методический документ (далее - методический документ) определяет принципы, методы и состав оснащения искусственных сооружений на федеральных автомобильных дорогах системами обеспечения противогололедного состояния дорожных покрытий.
1.2 Настоящий методический документ предназначен для использования на автомобильных дорогах общего пользования федерального значения, а также может применяться на автомобильных дорогах регионального, муниципального и местного значения.
В настоящем методическом документе использованы нормативные ссылки на следующие документы:
Технический регламент Таможенного союза "Безопасность автомобильных дорог"
(ТР ТС 014/2011)
ГОСТ 33181-2014 Дороги автомобильные общего пользования. Требования к уровню зимнего содержания
ГОСТ 33220-2015 Дороги автомобильные общего пользования. Требования к эксплуатационному состоянию
ГОСТ 33387-2015 Дороги автомобильные общего пользования. Противогололедные материалы. Технические требования
ГОСТ Р 50597-2017 Дороги автомобильные и улицы. Требования к эксплуатационному состоянию, допустимому по условиям обеспечения безопасности дорожного движения. Методы контроля
ГОСТ Р 53195.2-2008 Безопасность функциональная связанных с безопасностью зданий и сооружений систем. Часть 2. Общие требования
3 Термины, определения и сокращения
В настоящем методическом документе применены следующие термины с соответствующими определениями, а также обозначения и сокращения:
3.1 зимнее содержание автомобильных дорог: Комплекс мероприятий по обеспечению бесперебойного и безопасного дорожного движения в зимний период, включающий защиту автомобильных дорог от снежных заносов, очистку дорог от снега, предупреждение и устранение зимней скользкости.
3.2 зимняя скользкость: Снежные отложения и ледяные образования на поверхности дорожного покрытия, приводящие к снижению коэффициента сцепления колеса автомобиля с поверхностью покрытия.
3.3 система обеспечения противогололедного состояния (СОПС): Стационарная система, обеспечивающая в автоматическом режиме обработку дорожных покрытий жидкими противогололедными реагентами при борьбе с зимней скользкостью, в том числе на искусственных сооружениях автомобильных дорог.
3.4 противогололедные материалы (ПГМ): Твердые (сыпучие) или жидкие дорожно-эксплуатационные материалы (фрикционные, химические) или их смеси, применяемые для борьбы с зимней скользкостью на автомобильных дорогах и улицах.
3.5 жидкие противогололедные реагенты (ПГР): Химические вещества в растворенном виде, способные плавить снежные, ледяные и снежно-ледяные образования на проезжей части дорог, укрепленных обочинах, площадках отдыха, остановках маршрутного транспорта, тротуарах и пешеходных (велосипедных) дорожках.
3.6 автоматическая дорожная метеостанция (АДМС): Техническое устройство, состоящее из набора датчиков для измерения в автоматическом режиме метеорологических и дорожных параметров.
3.7 дорожная шуга (слякоть): Пластическая смесь снега, льда, воды и ПГМ, образованная на дорожном покрытии под воздействием плавящей способности солей и динамической нагрузки транспортных средств.
3.8 АРМ: Автоматизированное рабочее место.
3.9 ДТП: Дорожно-транспортное происшествие.
3.10 ЦУП: Центр управления производством.
3.11 ЦНС: Центральная насосная станция.
4.1 Выпадение снега и образование гололеда в течение значительной части года на всей территории Российской Федерации вызывает необходимость применения специальных технологий борьбы с зимней скользкостью для выполнения требований к транспортно-эксплуатационному состоянию автомобильных дорог и искусственных сооружений на них.
4.2 Принятый на межгосударственном уровне
ТР ТС 014/2011 с комплексом межгосударственных стандартов создает все условия и предпосылки для формирования единых правил зимнего содержания автомобильных дорог. Введенные в действие документы по стандартизации устанавливают единые требования к зимнему содержанию автомобильных дорог и искусственных сооружений.
4.3 Системы мониторинга и прогнозирования изменения погодных условий в течение нескольких десятков лет успешно развиваются во всех странах, где в зимний период наблюдаются сложные условия движения из-за состояния дорожного покрытия (гололедные отложения, снежные заносы и т.д.). Основное назначение таких систем - мониторинг, прогноз и контроль состояния дорожного покрытия в осенне-зимне-весенний период года. Наличие такой информации позволяет своевременно выполнять комплекс работ по содержанию автомобильных дорог и искусственных сооружений на них, выбирать технологии проведения работ, соответствующие погодным и дорожным условиям, контролировать их качество. Все это в конечном итоге способствует повышению надежности функционирования автомобильных дорог и обеспечению безопасности дорожного движения.
Основная цель применения таких систем состоит в том, что они позволяют перейти от технологий ликвидации зимней скользкости к ее профилактике, что обеспечивает значительное сокращение количества используемых противогололедных материалов и времени работы техники. Внедрение таких технологий способствует получению большого социального и экономического эффекта за счет повышения безопасности дорожного движения, сокращения времени нахождения в пути пассажиров и грузов, снижения экологической нагрузки на окружающую среду вследствие уменьшения норм распределения ПГМ и общей потребности в материально-технических ресурсах.
В последние годы появился положительный опыт использования принципиально новых автоматических систем распределения ПГР, в которых не участвуют дорожная техника, а также персонал дорожно-эксплуатационной службы. Такие системы получили распространение в первую очередь на мостах и путепроводах - т.е. на наиболее опасных и стесненных участках с повышенным риском образования зимней скользкости.
4.4 При движении транспортных средств по искусственным сооружениям (мостам, путепроводам, эстакадам, тоннелям, виадукам и т.д.) вероятность ДТП повышается по сравнению с участками автомобильных дорог на земляном полотне. Особенно опасно дорожное движение на них становится в период быстрого охлаждения искусственных сооружений, из-за отрицательных температур воздуха. В этот период возможно образование на дорожном покрытии мостов, путепроводов и эстакад гололедоопасных условий при отсутствии их на прилегающих участках автомобильных дорог, что приводит к резкому и непредсказуемому для водителя изменению условий движения - снижению сцепления колес автомобиля с дорожным покрытием. Поэтому к первоочередной задаче дорожно-эксплуатационной службы в зимних условиях относится очистка проезжей части искусственных сооружений от снежно-ледяных отложений и обработка покрытий ПГР
[1].
4.5 Использование химических ПГМ является эффективным методом борьбы с зимней скользкостью на автомобильных дорогах России. Однако при высокой интенсивности движения, особенно на больших и внеклассных (уникальных) мостах, путепроводах, эстакадах, транспортных развязках и других подобных сооружениях, дорожно-эксплуатационная техника создает неудобства и ограничения движения для транспортных средств, снижает их скорость движения, а в некоторых случаях - приводит к образованию заторов и аварийных ситуаций.
Эта проблема может быть решена путем применения специальных стационарных автоматических систем распределения противогололедных реагентов, использующих ПГМ, отвечающих требованиям
ГОСТ 33387-2015.
4.6 Автоматическая система обеспечения противогололедного состояния дорожных покрытий позволяет своевременно выявлять и прогнозировать появление гололеда и других видов зимней скользкости на покрытии, в автоматическом режиме производить распределение жидких ПГР по проезжей части автомобильной дороги. Внедрение таких систем способствует уменьшению расхода ПГР, снижению затрат на зимнее содержание, повышению пропускной способности и безопасности дорожного движения, а также значительному сокращению времени на обработку покрытий жидкими ПГР, особенно при высокой интенсивности движения.
Применение настоящего методического документа дает возможность заказчику на достаточно высоком уровне организовать и проводить конкурсы, определять очередность и требования к объектам оснащения, составу и объему работ при устройстве и эксплуатации этих систем.
4.7 Внедрение СОПС на искусственных сооружениях федеральных автомобильных дорог позволит повысить безопасность дорожного движения, уменьшить экологическую нагрузку на окружающую природную среду, более эффективно использовать химические ПГМ, дорожную технику, а также денежные ресурсы, выделяемые на содержание автомобильных дорог и искусственных сооружений.
4.8 Жизненный цикл СОПС должен быть не меньше жизненного цикла искусственного сооружения с учетом реконструкции и ремонтов системы за время ее эксплуатации.
5 Основные требования к зимнему состоянию дорожного покрытия на искусственных сооружениях
5.1 На покрытии проезжей части искусственных сооружений не допускается наличие снега и других видов зимней скользкости после окончания работ по их устранению, осуществляемых в сроки, указанные в таблице 1
(ГОСТ Р 50597-2017), в том числе и при уборке дорожной шуги, образующейся после обработки ПГР с помощью СОПС.
Таблица 1
Сроки устранения снега и зимней скользкости на дорожных
покрытиях искусственных сооружений
Вид снежно-ледяных образований | Категория дороги | Срок устранения, ч, не более |
Рыхлый, уплотненный, талый снег | IА, IБ | 4 (3) |
IВ, II | 5 (4) |
III, IV | 6 |
V | 12 |
Гололед, гололедица и т.п. | IА, IБ, IВ | 4 (5) |
II, III | 5 |
IV | 6 |
V | 12 |
Примечания
1 Срок устранения рыхлого или талого снега (снегоочистки) отсчитывается с момента окончания снегопада и (или) метели до полного их устранения, а зимней скользкости - с момента ее обнаружения. Очередность работ по снегоочистке на искусственных сооружениях определяется проектами содержания автомобильных дорог.
2 В скобках указаны сроки устранения для искусственных сооружений, расположенных на дорогах и улицах городов и сельских поселений.
Образовавшиеся скопления снега у кромки проезжей части мостов должны быть убраны непосредственно после окончания снегопада (метели) и патрульной снегоочистки.
5.2 Формирование снежных валов на искусственных сооружениях и обочинах дорог (подходов к искусственным сооружениям) категории I не допускается.
5.3 При оснащении искусственных сооружений СОПС обработка покрытий на них производится в течение периодов времени от нескольких секунд до нескольких минут в зависимости от применяемых распределительных устройств. Использование СОПС позволяет уменьшить сроки устранения зимней скользкости без снижения качества зимнего содержания, безопасности дорожного движения и пропускной способности.
6 Способы борьбы с зимней скользкостью на искусственных сооружениях
6.1 При зимнем содержании искусственных сооружений (мостов, путепроводов, эстакад, виадуков, туннелей и т.п.) автомобильных дорог рекомендуется применять химический способ борьбы с зимней скользкостью в качестве основного.
Минимальный перечень критериев для автоматического срабатывания систем при опасности образования зимней скользкости на дорожных покрытиях приведен в таблице 2
[2].
Таблица 2
Минимальный перечень критериев образования зимней
скользкости на покрытиях искусственных сооружений,
при котором должно происходить срабатывание СОПС
Вид зимней скользкости | Наименование параметров | Значения параметров |
образования скользкости | для автоматической обработки <*> |
1 | 2 | 3 | 4 |
Гололед | Осадки | Наличие | Наличие |
Температура покрытия Tп | T п  0 °C | T п  0 °C |
Гололедица | Влага на покрытии | Наличие | Наличие |
Температура воздуха Tв | T в (T п)  T з | T в (T п) - T з  0,5 °C  2 °C |
Температура покрытия Tп |
Температура замерзания Tз |
Иней | Влага на покрытии | Отсутствие | Отсутствие |
Температура воздуха Tв | T в  T три T п  0 °C | T в - T тр  0,5 °C  2 °C T п  0 °C |
Температура точки росы Tтр |
Температура покрытия Tп |
Снежный накат | Снег | Наличие | Наличие |
Температура воздуха Tв | T в  0 °C | T в  0 °C |
Температура покрытия Tп | T п  0 °C | T п  0 °C |
--------------------------------
<*> Значения параметров, характеризующих опасность возникновения зимней скользкости и служащих сигналом для профилактической противогололедной обработки системой.
Наилучшие результаты борьбы с зимней скользкостью достигаются при предварительной обработке дорожных покрытий химическими ПГМ
[3].
6.2 Применение профилактического способа борьбы с зимней скользкостью на искусственных сооружениях является приоритетным методом повышения безопасности дорожного движения в зимних условиях эксплуатации автомобильных дорог.
Для предотвращения образования различных видов зимней скользкости выполняют предварительную обработку проезжей части ПГР. Современная технология предварительной обработки дорог позволяет предотвратить образование различных видов скользкости, что существенно экономит материально-технические ресурсы и уменьшает экологические последствия от воздействия химических ПГР.
Для успешного выполнения профилактических работ требуется своевременное предупреждение о возможности образования зимней скользкости. Оно может быть получено на основе анализа специализированной дорожной метеорологической информации: стандартных метеопараметров (температура, относительная влажность воздуха, скорость и направление ветра) и данных дорожных датчиков (температура и состояние дорожного покрытия), получаемых от АДМС и краткосрочных специализированных дорожных прогнозов погоды.
При прогнозировании на основе данных АДМС образования гололедных явлений дорожно-эксплуатационная служба в кратчайшие сроки в ручном и (или) автоматическом режиме проводит профилактическую обработку дорожных покрытий.
6.3 Использование стационарных автоматических СОПС для профилактической борьбы с зимней скользкостью на искусственных сооружениях автомобильных дорог позволяет:

получать:
- оперативные специализированные метеорологические данные,
- предупреждения о возможном образовании скользкости,
- сведения о текущем состоянии дорожного покрытия;

обеспечивать:
- в автоматическом режиме обработку поверхности покрытия жидкими ПГР с оптимальным расходом,
- значительное сокращение времени на обработку дорожного покрытия ПГР,
- снижение вероятности возникновения ДТП вследствие погодных условий на обслуживаемом объекте,
- дистанционное управление оборудованием и контроль его технического состояния,
- уменьшение количества специализированной техники для зимнего содержания искусственного сооружения,
- сбор и хранение метеорологических данных о состоянии покрытия.
7 Система обеспечения противогололедного состояния дорожных покрытий на искусственных сооружениях
7.1 Критерии выбора объектов оснащения
7.1.1 Системами обеспечения противогололедного состояния дорожных покрытий могут оснащаться:
- мосты;
- путепроводы;
- эстакады;
- транспортные развязки;
- тоннели.
Проезжая часть мостовых сооружений более часто (по сравнению с автомобильными дорогами) подвержена образованию гололеда и других видов зимней скользкости из-за высокой теплопроводности мостовых конструкций и повышенного воздействия ветрового потока. Использование СОПС позволяет оперативно проводить обработку дорожных покрытий ПГР, что предотвращает образование зимней скользкости, снижает риск возникновения ДТП, а также обеспечивает безопасное и удобное движение транспортных средств с заданными скоростями.
7.1.2 Основной целью внедрения СОПС являются повышение безопасности дорожного движения в зимний период. Для достижения указанной цели необходимо обеспечить: сокращение числа ДТП в зимний и переходный периоды как на искусственных сооружениях, так и на подходах к ним путем применения технологии профилактики образования зимней скользкости; ликвидацию зимней скользкости на дорожных покрытиях, в том числе в местах с высокой относительной влажностью и частыми переходами температуры воздуха через 0 °C. Использование СОПС позволяет решать указанные задачи в условиях удаления искусственного сооружения от баз дорожной техники, хранения и (или) приготовления жидких ПГР.
7.1.3 При выборе сооружения для оснащения автоматическими системами рекомендуется руководствоваться следующими критериями:
- социально-экономическая значимость сооружения для региона и страны в целом;
- условия безопасности дорожного движения на основании анализа ДТП за последние годы (в том числе в зимний период);
- соответствие технического состояния дорожного покрытия искусственного сооружения требованиям
ГОСТ Р 50597-2017;
- технико-эксплуатационные характеристики: геометрические параметры (длина, ширина, площадь), фактическая и перспективная интенсивность движения, пропускная способность, скорость движения и т.п.;
- возможность обеспечения электроэнергией, метеорологическими данными и связью;
- возможность закупки или приготовления дорожно-эксплуатационным предприятием собственными силами жидких экологически безопасных и не агрессивных к конструктивным элементам искусственных сооружений ПГР.
При выборе объекта для оснащения СОПС в первую очередь предпочтение отдают уникальным и большим сооружениям (мостам) с увеличенной интенсивностью движения (>= 14000 авт./сут) и частыми появлениями на покрытии гололедоопасных образований, способствующих возникновению заторов, снижению пропускной способности сооружения, ухудшению безопасности дорожного движения и росту количества ДТП. При этом выбранные объекты должны быть обеспечены электроэнергией и жидкими ПГР, не оказывающими вредного влияния на элементы искусственного сооружения и окружающую среду.
7.1.4 Эффективность от применения СОПС при различных погодных условиях приведена в таблице 3.
Таблица 3
Эффективность от применения СОПС при различных
погодных условиях
Погодные условия | Эффективность применения |
Образование инея, замерзание влаги, образование гололедицы | Предупреждающее распределение раствора реагента, отказ от обработки дорожными машинами |
Дождь, ледяной дождь на покрытии дороги с температурой ниже 0 °C | Быстрая реакция системы, распределение жидких реагентов, предупреждение обледенения |
Слабый снегопад при температурах около 0 °C | Предупреждение образования снежного наката исключает обработку покрытия солераспределителями |
Сильный снегопад | Предотвращает образование снежного наката, поддерживает снег в рыхлом, сыпучем состоянии или в виде дорожной шуги до прибытия уборочной техники |
Локальное образование гололеда, обледенение покрытия | Исключает необходимость применения специальной техники |
7.1.5 Особые условия для движения транспортных средств создают тоннели. Изменение сцепления колес автомобилей с покрытием проезжей частью происходит обычно во время дождя, снегопада или гололеда, когда дорожное покрытие на подходах к тоннелю мокрое или скользкое, а в тоннеле относительно сухое и шероховатое. Особенно резким такое изменение наблюдается в осенний, зимний, весенний периоды, когда погодно-климатические условия, а соответственно и состояние покрытия могут меняться по длине тоннеля и подходов к нему.
На основании анализа данных по перечисленным выше критериям при подготовке проектной и (или) предпроектной документации в разделе "Организация содержания сооружения" должно быть приведено технико-экономическое обоснование применения СОПС (срок окупаемости, стоимость строительства и строительно-монтажных работ, затраты на приобретение комплектующего оборудования и приборов, а также стоимость зимнего содержания искусственного сооружения в целом, на 1 пог. м и т.п.). На основании анализа зарубежного и отечественного опыта срок окупаемости СОПС, как правило, не превышает восьми лет.
7.1.6 Борьбу с зимней скользкостью на дорожных покрытиях искусственных сооружений с применением СОПС осуществляют с помощью жидких ПГР, требования к которым приведены в
разделе 12.
7.2 Структура и общие требования
7.2.1 Система обеспечения противогололедного состояния дорожных покрытий на искусственных сооружениях состоит из:
- автоматической дорожной метеорологической станции;
- центральной насосной станции;
- распределительной системы подачи жидких ПГР;
- контроля и управления системой.
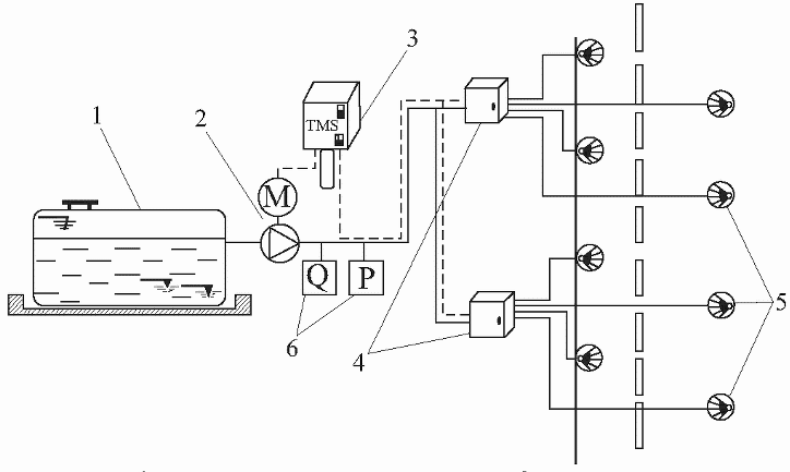
Схема взаимодействия структурных элементов при мониторинге и управлении системой приведена на рисунке 1.
Рисунок 1 - Структурная схема взаимодействия
подразделений системы
7.2.2 Основные технические требования, предъявляемые к системе:
а) фиксируемые метеоданные:
- температура воздуха от (-50 +/- 0,2) °C до (60 +/- 0,2) °C;
- температура точки росы от -10 °C до (10 +/- 0,3) °C;
- относительная влажность воздуха от 0 до 100%;
- скорость ветра 0,5 - 35 м/с;
- направление ветра 0 - 360°;
- вид (дождь/снег) и интенсивность осадков, дождь: 1 - 3 мм/ч, снег: 1 - 3 см/ч;
- атмосферное давление, 940 - 1000 ГПа (705 - 750 мм рт. ст.);
б) оценка состояния покрытия с помощью дорожного датчика:
- температура поверхности покрытия от -50 °C до 60 °C;
- температура замерзания жидкости от -30 °C до 0 °C;
- состояние покрытий (сухое, влажное (0,01 мм водяная пленка), мокрое (0,02 мм водяная пленка), вода (от 2 мм водяного слоя), скользко - замерзший раствор);
- толщина снежно-ледяных отложений;
- заблаговременность предупреждения об опасности образования гололедных явлений (30 мин);
в) запас жидких ПГР в ЦНС определяют в зависимости от площади обрабатываемого участка, расхода на одну обработку и количества гололедоопасных дней (рекомендуемый запас не менее 10000 л);
г) ширина обработки должна быть не менее одной полосы движения;
д) электрообеспечение: трехфазная система ~ 50 Гц, 220/380 В, потребляемая мощность - до 8 кВт;
е) условие эксплуатации: в районах с температурой воздуха от -50 °C до 60 °C;
ж) максимальная протяженность магистрального трубопровода должна соответствовать технической возможности по поддержанию рабочего давления применяемого насоса;
и) время струйного распределения одной форсункой не более 2 с;
к) гарантийный срок: не менее 12 месяцев после ввода в эксплуатацию, если иной срок не установлен контрактом.
7.3 Автоматическая дорожная метеорологическая станция
7.3.1 Автоматические дорожные метеорологические станции, входящие в состав СОПС, обеспечивают непрерывное измерение метеорологических параметров, используемых для автоматического расчета прогноза образования гололеда и других видов скользкости, сбор, хранение и передачу полученной информации в центральный терминал.
Обработка информации и формирование предупреждений о состоянии дорожного покрытия должны выполняться в автоматическом режиме после окончания каждого цикла передачи данных от АДМС. Получаемая от АДМС информация, как правило, обеспечивает достаточную для целей содержания искусственного сооружения точность и оправдываемость прогнозов образования гололедных явлений.
Возможно использование различных типов метеостанций, способных работать совместно с СОПС и выдавать необходимую информацию для функционирования системы. Но в любом случае тип (модель) применяемой метеостанции должен быть сертифицирован и внесен в государственный реестр средств измерения.
Прогноз параметров поверхности дорожного покрытия рассчитывают с использованием специального программного обеспечения на основе общих метеорологических данных и информации, полученной от АДМС и дистанционного дорожного датчика.
Более подробные сведения об определении прогноза состояния дорожного покрытия с применением данных АДМС приведены в
рекомендациях [3].
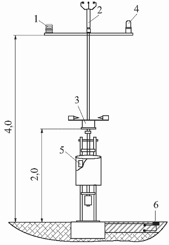
1 - датчик температуры и влажности воздуха; 2 - то же,
скорости и направления ветра; 3 - то же, горизонтальной
видимости; 4 - то же, вида и интенсивности осадков;
5 - то же, атмосферного давления;
6 - то же, многофункциональный дорожный
Рисунок 2 - Общий вид АДМС
7.3.2 В состав автоматической дорожной метеостанции входят следующие основные датчики:
- температуры и влажности воздуха;
- скорости и направления ветра;
- вида и интенсивности осадков;
- дорожный для измерения параметров покрытия.
При необходимости могут устанавливаться датчики для измерения атмосферного давления, солнечного излучения, высоты снежного покрова и других показателей.
7.3.3 Диагностика и прогноз состояния дорожного покрытия осуществляются с помощью дорожного датчика, установленного непосредственно в дорожном покрытии (встроенный дорожный датчик) или дистанционно.
7.3.4 Встроенный дорожный датчик должен определять на поверхности дорожного покрытия наличие воды, слякоти (дорожной шуги), снега, ПГР, а также толщину водяной пленки и температуру покрытия. Дорожный датчик устанавливают на искусственных сооружениях, подвергающихся максимальному воздействию метеорологических факторов и частому образованию гололедных явлений.
Встроенные датчики покрытия измеряют следующие параметры:
- температуру поверхности покрытия;
- температуру на глубине 5, 10 и 20 мм;
- толщину ледяной корки;
- толщину снега;
- температуру замерзания жидкости (активный датчик);
- концентрацию и количество ПГР.
7.3.5 Встроенные датчики покрытия имеют различные физические принципы измерения и точность. В основном различают несколько типов встроенных датчиков покрытия:
- активные датчики покрытия, использующие физический принцип термоэлектрического эффекта и фиксирующие температуру замерзания жидкости на поверхности;
- пассивные датчики покрытия, методы измерения которых основаны на электропроводности и оптических методах.
7.3.6 Преимуществом встроенных активных датчиков является измерение температуры замерзания в конкретной точке (при условии использования репрезентативного механизма фиксации межфазового перехода). Однако метод фиксации точки замерзания, основанный на температурных измерениях, может давать погрешность при применении ПГМ с различными свойствами (например, хлориды натрия при замерзании поглощают тепло, ацетаты, наоборот, выделяют), поскольку температурный принцип доказан только для хлорида натрия.
Также для активных датчиков покрытия необходимо учитывать влияние нагрева (охлаждения) при измерении температуры дорожного покрытия.
Помимо этого, активные датчики покрытия обладают низкой надежностью из-за постоянных переключений нагревательного (охлаждающего) элемента в разные режимы (чередуется нагрев и охлаждение).
Цикл измерения температуры замерзания длится не менее 15 мин, что также влияет на репрезентативность измерения (увеличивает ошибку), поскольку за это время жидкость перемещается под воздействием проезжающих транспортных средств и воздушного потока от них.
7.3.7 Преимущество встроенных пассивных датчиков состоит в получении моментальных измерений и возможности получения информации по толщине пленок, а также общей информации о наличии ПГР. Кроме того, пассивные датчики покрытия дают самую точную информацию по температуре покрытия (+/- 0,1 °C).
Однако встроенные пассивные датчики покрытия имеют некоторые недостатки: привязанность измерений, основанных на электропроводности, к определенным типам реагента (например, для измерения температуры жидкости); сложность при измерении толщины водяной пленки мутных жидкостей.
Основным недостатком всех встроенных датчиков покрытия является зависимость их работы от качества и износа верхнего слоя дорожного покрытия, а также необходимость установки на идеально ровную площадку (иначе нарушается репрезентативность данных относительно количества жидкости на поверхности - в углублениях будет скапливаться, а с возвышения стекать).
7.3.8 Дистанционные датчики могут измерять:
- температуру дорожного покрытия;
- толщину водяной пленки;
- толщину снежной пленки;
- толщину ледяной корки;
- процентное соотношение льда и снега в дорожной шуге на покрытии.
Бесконтактные (дистанционные) методы измерения основаны на методах оптической спектроскопии. Для проведения измерений этими методами используют генерацию пучка излучения (света). Наиболее надежными являются источники излучения лазерного (при условии выполнения обязательных требований по защите от воздействия на глаз человека при установке на дороге) и диодного типов.
Все измерительные средства бесконтактного типа должны иметь проверенный алгоритм нивелирования погрешности, вызванной транспортным потоком, и формулу усреднения показаний для исключения случайных погрешностей (которые могут быть вызваны вспышками света от проезжающих транспортных средств или отражением от поверхности дороги).
Дистанционные датчики состояния поверхности дорожного покрытия, работа которых основана на принципе спектроскопического измерения, позволяют определять наличие на поверхности дорожного покрытия воды, льда, дорожной шуги, снега.
Датчик определяет наличие первых кристаллов льда до того, как поверхность автомобильной дороги становится скользкой.
Датчик устанавливается на отдельной стойке рядом с автомобильной дорогой, проезжей частью искусственного сооружения или как дополнение к дорожной метеостанции.
Измерительные средства бесконтактного типа имеют преимущество перед встроенными датчиками покрытия по следующим показателям:
- надежность датчиков не зависит от износа верхнего слоя дорожного покрытия и работ по его замене (в том числе они не могут быть уничтожены снеговыми отвалами уборочной техники);
- могут предоставлять репрезентативные данные по толщинам пленок (разного типа) и агрегатному составу смеси на дороге (вода, лед, снег, снежная шуга, вода с ледяными кристаллами и пр.), в том числе мутного состава (в отличие от встроенных датчиков покрытия);
- измеряют большую площадь покрытия.
Устанавливаются дистанционные датчики покрытия либо сбоку от проезжей части (на расстоянии около 10 м от измеряемой поверхности), либо над проезжей частью.
В автоматических противогололедных комплексах дистанционные датчики могут применяться независимо от встроенных датчиков покрытия при наличии специализированного программного обеспечения.
В настоящее время как в зарубежной, так и в отечественной практике все чаще используют дистанционные дорожные датчики двух видов:
- для оценки состояния поверхности дорожного покрытия;
- определения его температуры.
7.3.9 Передача данных от датчиков в программу управления СОПС и далее к насосной станции производится, как правило, по проводным линиям связи. Данные поступают на компьютер в программу обработки ЦУП, которая формирует специальный сигнал для включения системы и передает его на насосную станцию.
Общий вид дистанционных дорожных датчиков представлен на
рисунках А.1,
А.2 приложения А.
7.4 Центральная насосная станция
7.4.1 Центральная насосная станция должна обеспечивать прием, фильтрацию и подачу жидких ПГР в магистраль для проведения обработки дорожных покрытий. В ее состав входит аппаратура управления насосом, системой настройки, сбора и передачи данных в ЦУП, а также электрический кабель для подключения питания и автоматического управления системой распределения жидких ПГР. Принципиальная схема СОПС приведена на рисунке 3.
1 - емкость для раствора; 2 - насос;
3 - управление системой; 4 - блок управления форсунками;
5 - распределительные устройства (форсунки);
6 - регистрация давления и расхода раствора
Рисунок 3 - Принципиальная схема СОПС
(пунктир - электрический кабель,
сплошная линия - гидравлический)
7.4.2 Оборудование центральной насосной станции должно включать:
- комплект гидравлического оборудования, в состав которого входят емкость для хранения реагента, насосное оборудование, заправочный узел, напорное и регулирующее оборудование, магистральная разводка (контрольно-измерительное оборудование, краны, клапаны и т.п.);
- аппаратуру управления насосным оборудованием, системой настройки, сбора и передачи диагностических и технологических данных в центральный терминал, а также место подключения кабеля электропитания;
- системы пожарной сигнализации, автоматического учета электроэнергии, автоматической работы дополнительного оборудования (при требовании заказчика, определяется проектом).
7.4.3 Емкости для ПГР применяются, как правило, из стеклопластика или сшитого полиэтилена высокого давления (для жидкостей плотностью не менее 1,3 г/см3), оборудованные датчиком уровня.
7.4.4 Для размещения ЦНС могут использоваться сборные конструкции, закрытые модули контейнерного типа или сборные здания. Предварительно для них устраивают фундамент.
Можно использовать также имеющиеся помещения или кирпичные постройки, которые возводятся по месту, исходя из потребности.
Площадь помещения для размещения оборудования ЦНС должна быть не менее 25 м2 и оснащена электроосвещением и вентиляцией.
7.5 Распределительная система подачи жидких противогололедных реагентов
7.5.1 Оборудование для подачи и распределения жидких ПГР состоит из магистральных трубопроводов, блока управления и разбрызгивающих форсунок.
7.5.2 Трубопроводы изготавливают из полиэтиленовых или полиамидных труб с номинальным давлением не менее 16 бар.
7.5.3 Распределительные форсунки обеспечивают распыление ПГР по поверхности дорожного покрытия по команде, поступающей из центрального терминала в насосную станцию. Крепят их преимущественно к барьерным ограждениям или на специальных кронштейнах на высоте 150 - 200 мм, но могут устанавливать и в покрытие.
Форсунка содержит от двух до пяти разбрызгивающих сопел. Установленная сбоку от проезжей части форсунка обрабатывает до трех полос движения (для большей плотности обработки рекомендуется обрабатывать три полосы движения с двух сторон в шахматном порядке).
Встроенная в дорожное покрытие форсунка имеет достаточную прочность, чтобы выдерживать нагрузки от движения большегрузных транспортных вредств, а также исключает возможность ее удаления из покрытия снегоуборочной техникой (снеговыми отвалами с металлическими ножами).
7.5.4 В качестве распределительных форсунок применяют:
- разбрызгивающие тарелки;
- разбрызгивающие головки;
- форсунки-микрофаст, общий вид которых представлен на
рисунке А.3 приложения А.
Разбрызгивающая тарелка может иметь от четырех до восьми сопел. Сопла монтируются на блоке, угол атаки регулируется до 15° в вертикальной и горизонтальной плоскостях. Сопла выбрасывают на поверхность покрытия раствор заданного объема под давлением 12 бар. Дальность выброса должна быть не менее 10 м.
Разбрызгивающие тарелки в разных системах располагаются на расстоянии от 10 до 20 м друг от друга в линейном или в шахматном порядке. После выброса раствора его дальнейшее распределение происходит под действием колес проезжающих транспортных средств, а также под влиянием продольного и поперечного уклонов. Процесс выброса длится 1,5 - 2,0 с, за это время распределяется 1,5 - 2,0 л раствора.
Преимуществом применения разбрызгивающих тарелок на проезжей части является возможность равномерного распределения и захвата покрытия большой площади проезжей части. Например, один ряд тарелок может распределять ПГР на трех полосах движения транспорта на дороге с высокой интенсивностью. Транспортные средства не создают проблем для распределения, так как струи выплескиваются из самого покрытия на небольшую высоту. К недостаткам разбрызгивающих тарелок можно отнести неудобство их обслуживания и ремонта, а также необходимость частой замены верхнего слоя асфальтобетонного покрытия на дорогах с высокой интенсивностью движения.
В связи с этим широкое распространение получили разбрызгивающие головки, которые крепятся в нишах бетонных барьерных ограждений или под металлическими барьерными ограждениями и располагаются сбоку от проезжей части.
В последнее время в качестве распределяющего устройства применяется форсунка-микрофаст. При этом выброс реагента происходит в виде тонкодисперсной струи и практически невидим участникам движения. Эта технология позволяет за один цикл распределять от 2 до 20 г/м2. Профиль форсунки-микрофаст монтируется в покрытие по кромке проезжей части на глубину 40 мм.
Профиль форсунки-микрофаст поставляют в бухтах длиной 100 м из полиамидной трубы внутренним диаметром 8 мм, наружным 10 мм. Расстояние между форсунками составляет 5 м, рабочее давление в системе - до 16 бар, время однократного действия (разбрызгивания) - от 30 с до 3 мин.
При применении СОПС в тоннелях без дорожных ограждений чаще всего используют пассивные форсунки, т.е. удаленные от распределительного блока (выносные форсунки). При этом блоки и трубопроводы крепят на стенах тоннеля, а выносные форсунки - в непосредственной близости от дорожного покрытия.
7.6 Контроль и управление системой
Система управления СОПС должна обеспечивать дистанционное управление и контроль технического состояния с центрального терминала всех элементов и узлов, осуществлять непрерывный круглосуточный сбор, обработку и хранение информации о метеорологических данных, состоянии дорожного покрытия и технологического оборудования.
Система управления состоит из аппаратуры связи, размещенной в ЦНС или центральном терминале, включающем в себя серверный пункт АРМ операторов, который может быть разделен по своей функциональной принадлежности на метеорологический, технологический и видеонаблюдения (при необходимости).
Структурная схема взаимодействия подразделений (блоков) системы приведена на
рисунке 1.
8 Эксплуатация системы обеспечения противогололедного состояния дорожных покрытий
8.1 Система может работать в следующих режимах:
- автоматическом. Является основным режимом работы системы. Анализ ситуации и предпринимаемые действия производятся автоматически;
- ручном. Предполагается возможность вмешательства оператора (диспетчера) в работу различных подсистем, т.е. оператор формирует управляющие команды непосредственно с диспетчерского пульта и управляет работой отдельного оборудования или всей системы;
- регламентном. Регламентный режим предназначен для проведения регламентных и ремонтных работ, в том числе работ по заправке реагентом системы. Во время регламентного (ремонтного) режима распределение реагента не осуществляется.
Работая в указанных режимах, ЦНС может выполнить следующие технологические процессы:
- дежурство;
- противогололедную обработку;
- регламентное техническое обслуживание.
В режиме работы "Дежурство" СОПС осуществляет измерение метеорологических параметров, их хранение и передачу данных в технологический терминал, барботирование реагента по команде с технологического терминала. При ухудшении метеорологической обстановки СОПС выполняет расчет оперативного метеопрогноза с опережением образования гололеда. После выполнения расчета СОПС переходит в режим работы "Противогололедная обработка".
Переход СОПС в режим работы "Противогололедная обработка" производится по команде аппаратуры управления технологического терминала, поступающей в ЦНС. При получении команды на обработку покрытий включается насос и в полости нагнетателя устанавливается давление 10 - 12 бар. При достижении требуемого давления открываются краны выходов в магистральные трубопроводы и жидкий ПГР поступает в блоки распределительных форсунок. Включение распределительных форсунок для нанесения реагента производится аппаратурой управления ЦНС через контрольно-управляющий модуль электроклапана.
Плотность обработки проезжей части ПГР определяется длительностью работы форсунок. Время нанесения ПГР определяется аппаратурой управления ЦНС в зависимости от метеорологических условий, типа распределительных устройств и состояния дорожного покрытия. Дорожный датчик регистрирует состояние дорожного покрытия и через контрольно-управляющий модуль дорожного датчика передает информацию в аппаратуру управления ЦНС.
Уровень реагента в емкостях контролирует аппаратура управления ЦНС. При достижении минимально допустимого уровня реагента аппаратура управления передает информацию на АРМ о необходимости дозаправки реагента, которая производится от автозаправщика. После обработки проезжей части ПГР СОПС переходит в режим "Дежурство".
В процессе регламентного технического обслуживания осуществляют:
- внешний осмотр - ежемесячно;
- консервацию - весной;
- расконсервацию - осенью;
- ремонт (при необходимости).
8.2 В зимне-весенний период при установившейся положительной среднесуточной температуре (в течение 10 дней) проводят очистку проезжей части, деформационных швов, опорных частей и других элементов от остатков ПГМ и других загрязняющих веществ с использованием различных моющих средств.
Смет, образовавшийся в лотковой части на искусственных сооружениях после очистки покрытий, вывозят на специально отведенные свалки для хранения и последующей утилизации.
8.3 В весенний период проводят регламентные работы по консервации и мойке оборудования всей системы.
Весной, при постоянной положительной температуре воздуха, все трубопроводы и емкости освобождают от ПГР и заполняют систему чистой водой. Затем при давлении около 4 бар осуществляют два - четыре полных цикла освобождения системы от воды до полной чистоты трубопроводов и распределительных блоков (форсунок). При необходимости для повышения эффективности мойки используют моющее средство. После этого давление в системе доводят до рабочего (10 - 12 бар) и оставляют его на весь период консервации.
Благодаря этому установка остается под автоматическим контролем и при соответствующих условиях может выдавать сигналы тревоги. В емкости все время должно быть достаточно воды, чтобы насос мог производить автоматически циклы контроля.
Один раз в неделю необходимо выполнять ручное разбрызгивание установки, чтобы избежать отложений в трубопроводах и клапанах, а также чтобы очистить разбрызгивающие сопла от грязи. Этот технологический процесс позволит очистить проезжую часть сооружения в весенне-летне-осенний период года от различных загрязнителей (пыль, грязь, остатки ПГР и т.д.).
Данные мероприятия рекомендуется проводить в ночное время при снижении интенсивности движения транспортных средств.
Осенью вода заблаговременно заменяется ПГР, чтобы не допустить промерзания системы.
8.4 Ежегодно в летне-осенний период при обслуживании системы в соответствии с графиком работ рекомендуется проводить планово-предупредительный ремонт, когда система еще заполнена водой (при давлении 10 - 12 бар).
При обслуживании системы осуществляют осмотр и контроль за работой:
- стыковочных узлов;
- распределительных блоков (форсунок, тарелок, головок);
- трубопроводов;
- кранов, вентилей, запорных узлов;
- клапанной панели;
- фильтров;
- насосов и других элементов системы.
При необходимости производят уход, замену и (или) ремонт отдельных узлов и элементов.
Обслуживание и ремонт оборудования системы в течение гарантийного срока осуществляет подрядная организация, а в процессе эксплуатации - сервисная служба на договорных условиях. Все работы оформляются актами.
Заменяемое оборудование, механизмы и приборы, монтируемые в системе и (или) применяемые при монтаже, должны быть сертифицированы или аттестованы в системе Федеральной службы сертификации (Ростехрегулирования).
Аварийный ремонт проводится по мере необходимости.
9 Особенности проектирования системы
9.1 Основные требования к выбору объекта оснащения противогололедной системой приведены в
разделе 7.
9.2 Определяющими факторами при размещении и монтаже оборудования СОПС на искусственных сооружениях являются:
- наличие и вид барьерных ограждений (металлические, бетонные);
- возможность размещения ЦНС (на мосту, под мостом, в отдельном помещении);
- место установки метеоприборов (на ЦНС, мосту, отдельной или совмещенной мачте и т.п.);
- наличие электроснабжения;
- наличие и состояние подъезда автоцистерны для заправки системы жидкими реагентами.
9.3 Распределительная система, магистральный трубопровод, кабель электропитания должны устанавливаться за барьерными ограждениями искусственных сооружений. При наличии более трех полос движения размещение распределяющих головок должно осуществляться по обе стороны обрабатываемого участка.
9.4 Электроснабжение СОПС должно производиться от трансформаторных подстанций напряжением 220 (380) В, 50 Гц.
9.5 Количество распределительных устройств определяется исходя из длины и ширины обрабатываемого участка искусственного сооружения. Распределительные устройства устанавливают с учетом веерного перекрытия соседних распределителей на расстоянии 10 - 20 м друг от друга при использовании разбрызгивающих тарелок и головок и 5 м - при использовании форсунок-микрофаст.
9.6 Для возможности проведения аварийных ремонтов при эксплуатации СОПС в проекте необходимо предусматривать возможность подачи жидких реагентов по дублирующему контуру с отключением отдельных аварийных участков.
10 Охрана труда и окружающей среды
10.1 При выполнении работ должны соблюдаться требования безопасности труда
[4] и пожарной обстановки
[5] на предприятии.
10.2 Правила эксплуатации и порядок технического обслуживания автоматизированной СОПС дорожных покрытий на искусственных сооружениях приведены в
разделе 7. При этом следует иметь в виду, что к работам при строительстве и эксплуатации этих систем допускаются лица, прошедшие обучение и получившие необходимый инструктаж по охране труда и пожарной безопасности.
В летне-осенний период до начала работ по зимнему содержанию дорог дорожная техника и оборудование должны быть проверены и аттестованы в соответствии с действующими в России законодательными актами и нормативно-техническими документами, действующими в дорожном хозяйстве, а также с учетом рекомендаций, предложенных в
разделе 7.
10.3 Пожарная безопасность на объекте должна удовлетворять требованиям действующего законодательства Российской Федерации.
10.4 Общие требования по охране окружающей среды при строительстве и эксплуатации СОПС должны удовлетворять требованиям
рекомендаций [6].
При зимнем содержании мостовых сооружений необходимо:
- обеспечить сохранение растительного и животного мира путем вывоза и складирования снежных масс на специально отведенные площади (снегосвалки), удовлетворяющие требованиям
рекомендаций [6];
- осуществить защиту поверхностных вод от загрязнения вредными ПГМ.
Все мероприятия, связанные с водными ресурсами (реки, озера и др.), осуществляются с соблюдением Водного
кодекса [7] и других нормативных документов.
При борьбе с зимней скользкостью на мостах следует отдавать предпочтение профилактическому способу, который позволяет снизить расход ПГР, повысить производительность труда, безопасность дорожного движения и т.п.
Экологическая безопасность достигается за счет правильного выбора сертифицированных ПГМ, исполнения технологических регламентов, соблюдения производственной дисциплины, выполнения организационных мероприятий и технических решений при борьбе с зимней скользкостью на искусственных сооружениях автомобильных дорог.
Основной задачей охраны природной среды при зимнем содержании мостовых сооружений является максимально возможное снижение ущерба, наносимого природной среде и инженерным сооружениям при борьбе с зимней скользкостью.
Снижение экологического ущерба на искусственных сооружениях в зимний период достигается путем:
- запрета применения однокомпонентных жидких ПГР на основе хлористых солей;
- увеличения выпуска и использования экологически безопасных ПГР на формиатной и ацетатной основах;
- широкомасштабного внедрения профилактического способа борьбы с зимней скользкостью;
- применения на уникальных и больших мостах исключительно сертифицированных ПГР, прошедших экспертизу в аккредитованных в системе Ростехрегулирования специализированных лабораториях;
- расширения внедрения инновационной отечественной СОПС преимущественно с использованием отечественного сертифицированного оборудования и приборов.
10.5 Комплектность и качество оборудования для монтажа СОПС должны быть приняты при техническом контроле предприятия-изготовителя (поставщика). Поставку оборудования, подготовку проектной документации и строительство осуществляют специализированные организации (предприятия), имеющие соответствующую для этого разрешительную документацию.
Поставщик сопровождает паспортом и инструкцией по эксплуатации на поставляемый тип комплекса каждый отгружаемый заказчику (покупателю) комплект оборудования.
В паспорте должно быть указано:
- наименование поставщика (производителя), адрес, телефон;
- номер и дата выдачи документа;
- наименование и тип комплекса;
- комплектность оборудования;
- отметка технического контроля поставщика о приеме;
- обозначение стандарта организации или технических условий на изготовление оборудования.
10.6 Потребитель имеет право проводить контрольную проверку соответствия комплектации и качества изготовления отгружаемого оборудования.
11 Гарантия безопасности дорожного движения при эксплуатации системы обеспечения противогололедных состояний дорожных покрытий
11.1 Основными элементами обеспечения безопасности дорожного движения на искусственных сооружениях, оборудованных СОПС, являются дорожные знаки. Размещение дорожных знаков рекомендуется осуществлять строго в соответствии с дислокацией, согласованной с ГИБДД.
11.2 При монтаже и техническом обслуживании (ремонте) системы СОПС на искусственных сооружениях ограждение места производства дорожных работ должно осуществляться в соответствии с
рекомендациями [8].
11.3 При эксплуатации искусственных сооружений, оборудованных СОПС, участки, обрабатываемые ПГР, должны быть обозначены дорожным
знаком 1.33 "Прочие опасности".
12 Жидкие противогололедные реагенты, приготовление и хранение
12.1 Требования к жидким противогололедным реагентам
12.1.1 Борьба с зимней скользкостью на искусственных сооружениях с применением СОПС проводится жидкими противогололедными экологически безопасными реагентами
[3].
К таким реагентам относят ПГР, выпускаемые на ацетатной (CH
3COOH), формиатной (HCOOH) и карбамидной (CO(NH
2)
3) основах. Хлорсодержащие жидкие ПГМ могут использоваться исключительно только с ингибиторами коррозии, модификаторами и биологическими добавками, которые уменьшают отрицательное воздействие на бетонные и металлические конструкции и окружающую природную среду до нормативных показателей. Нормы показателей качества жидких ПГР для дорожных покрытий искусственных сооружений приведены в
таблице 4 (ГОСТ 33387-2015).
Таблица 4
Нормы показателей качества жидких ПГР для дорожных
покрытий искусственных сооружений
Наименование показателя | Норма |
Внешний вид | Прозрачная жидкость без механических включений, осадка и взвеси (допускается слабый оттенок желтого или голубого цвета) |
Массовая доля растворимых солей, %, не менее | 20 |
Температура кристаллизации реагента, °C, не выше | -10 |
Плавящая способность при -5 °C, г/г, не менее | 2,5 |
Коррозионная активность (Ст.3) раствора с суммарным содержанием солей 5% по массе, мг/см2·сут, не более | 0,4 |
Показатель агрессивности к цементобетону, г/см3, не более | 0,07 |
Динамическая вязкость раствора при температуре 20 °C, сП, не более | 5 |
Плотность, г/см3, не более | 1,3 |
Водородный показатель pH | 6 - 9 |
Удельная эффективность естественных радионуклидов, Бк/кг, не более, для искусственных сооружений: | |
внегородских | 1500 |
городских | 730 |
В качестве сырья для приготовления жидких ПГР могут также использоваться природные рассолы, обогащенные и активированные различными модификаторами до нормативных показателей.
Химические жидкие ПГМ должны:
- понижать температуру замерзания раствора;
- ускорять плавление снежно-ледяных отложений на дорожном покрытии;
- проникать в слои снега и льда, разрушая межкристаллические связи, и снижать силы их смерзания с дорожным покрытием;
- не увеличивать скользкость дорожного покрытия;
- не вызывать повышения агрессивного воздействия на конструкции сооружения (металл, бетон), кожу, резину и другие материалы;
- не увеличивать экологическую нагрузку на окружающую природную среду (воздух, вода, почва) и не оказывать токсичного воздействия на человека и животных;
- быть технологичными при хранении, транспортировании и применении.
12.1.2 Органы управления дорожным хозяйством, выполняющие работы по содержанию федеральных автомобильных дорог, должны обеспечить применение ПГМ, имеющих сертификат соответствия качеству.
12.1.3 Противогололедные жидкие материалы, используемые для борьбы с зимней скользкостью на дорожных покрытиях автомобильных дорог с применением автоматических СОПС, должны удовлетворять требованиям, приведенным в
таблице 4.
12.2 Приготовление рабочих растворов противогололедных реагентов
12.2.1 Готовые растворы ПГР для борьбы с зимней скользкостью получают:
- на специализированных химических предприятиях;
- автоматических базах и притрассовых складах (скважины придорожных рассолов) дорожных предприятий.
12.2.2 Создание собственных баз (комплексов) жидких ПГР позволит осуществлять непрерывный технологический процесс по их приготовлению, обогащению, погрузке, транспортированию и распределению ПГР при борьбе с зимней скользкостью на дорожных покрытиях искусственных сооружений автомобильных дорог.
12.2.3 В настоящее время появилась возможность проектировать и строить комплексы ПГР собственными силами с использованием унифицированных и типовых узлов и оборудования отечественного и импортного производства.
В зависимости от назначения и объемов применения ПГР комплексы делят на три типа (А, Б, В), приведенные в таблице 5.
Таблица 5
Типы комплекса и их комплектность
Тип комплекса | Назначение | Основные узлы и оборудование |
А | Хранение, погрузка жидких ПГР | 1 Склад жидких ПГР 2 Система автоматической загрузки жидкими ПГР |
Б | Хранение, приготовление и погрузка жидких ПГР с установкой непрерывного действия | 1 Автоматическая установка для приготовления жидких ПГМ на основе NaCl 2 Склад жидких ПГР 3 Система автоматической загрузки автоцистерн жидкими ПГР |
В | Приготовление, хранение и погрузка жидких ПГР с установкой циклического действия | 1 Автоматическая установка для приготовления жидких ПГР на основе CaCl2 и других реагентов 2 Склад жидких ПГР 3 Система автоматической загрузки автоцистерн жидкими ПГР |
Принципиальные технологические схемы предложенных типов комплекса (см.
таблицу 5) приведены на рисунке 4.
тип А - склад ПГР; тип Б - база по приготовлению ПГР
непрерывного действия; тип В - то же, циклического действия;
1 - мешалка непрерывного действия; 2 - мешалка циклического
действия; 3 - шнековый транспорт; 4 - силосы для твердых
ПГМ; 5 - автомобили-самосвалы; 6 - пневмотранспортер;
7 - разгрузочный бункер; 8 - пульт управления
(операторская); 9 - автоцистерна; 10 - электронасос;
11 - солераспределитель ПГР; 12 - заправочная станция;
13 - накопительные емкости
Рисунок 4 - Принципиальные технологические схемы
баз приготовления и хранения жидких ПГР
12.2.4 Узел приготовления растворов ПГР оборудуется автоматическими станциями для приготовления растворов из твердых реагентов. Производство раствора, как правило, осуществляют в автоматическом режиме: подача твердых реагентов, воды, приготовление растворов требуемой концентрации, перекачка раствора в накопительные емкости, загрузка автоцистерн. Конструктивно установка, как правило, состоит из цилиндрической емкости-мешалки диаметром 2 - 3 м и шкафа управления. Приготовление растворов может производиться непрерывным и (или) порционным способом.
В случае приготовления растворов непрерывным способом (тип Б) твердая соль напрямую из склада через разгрузочный бункер поступает в мешалку непрерывного действия для растворения. Концентрацию раствора в процессе приготовления контролирует электронный плотномер. Автоматически управляемый регулирующий клапан поддерживает концентрацию раствора на заданном значении. Готовый раствор заданной концентрации автоматически перекачивается в накопительные емкости для длительного хранения жидких ПГР или через заправочную станцию в автоцистерну либо солераспределитель.
В случае приготовления раствора порционным (циклическим) способом (тип В) первая операция обеспечивает подачу необходимого количества твердого сырья в загрузочный бункер установки. Далее при помощи шнекового транспортера твердые реагенты подают в мешалку циклического действия для приготовления солевых растворов. Скорость вращения шнекового транспортера автоматически регулируется для равномерной, порционной подачи твердого сырья в установку для приготовления раствора заданной концентрации. Готовый раствор автоматически перекачивается в накопительные емкости, далее через заправочную станцию в автоцистерну или в солераспределитель.
12.2.5 Накопительные емкости рабочих растворов, как правило, изготовляют из высокопрочного стеклопластикового материала. Срок службы таких емкостей составляет не менее 50 лет.
Используя накопительные емкости, электронасосы и заправочные станции, можно устраивать притрассовые склады (тип А) в непосредственной близости от искусственных сооружений.
12.2.6 Система контроля уровня в накопительных емкостях осуществляется в каждой емкости путем включения дискретного сигнала с датчиков аварийного уровня. При заполнении накопительных емкостей приготовление раствора в мешалке автоматически приостанавливается до полного освобождения ее от жидких ПГР. После освобождения емкостей приготовление раствора автоматически возобновляется. Таким образом, установка для приготовления солевых растворов требует лишь запуска в начале сезона и отключение в конце его. Остальные операции приготовления и перекачки в накопительные и расходные емкости, загрузка в транспортные средства могут быть полностью автоматизированы.
ДИСТАНЦИОННЫЕ ДОРОЖНЫЕ ДАТЧИКИ И РАЗБРЫЗГИВАЮЩИЕ ФОРСУНКИ
А.1 Дистанционные дорожные датчики
А.1.1 Дистанционный датчик
(рисунок А.1) для оценки состояния поверхности дорожного покрытия должен производить измерения следующих параметров.
Толщина слоя, мм:

воды - 0 - 2;

льда - 0 - 2;

снега - 0 - 10.
Коэффициент сцепления - 0,01 - 1,00.
Состояние поверхности - сухое, влажное, мокрое, снег (изморозь),
лед, дорожная шуга.
Расстояние измерения, м - не менее 10.
Область измерения - пятно диаметром 200 мм на расстоянии 10 м.
Напряжение питания, В - 9 - 30 постоянного тока.
Условия эксплуатации - температура окружающей среды
от -40 °C до 60 °C,
относительная влажность 0 - 100%
Рисунок А.1 - Внешний вид датчика оценки
состояния дорожного покрытия
А.1.2 Дистанционный датчик определения температуры поверхности дорожных покрытий
(рисунок А.2) должен измерять следующие параметры.
Измеряемая температура
поверхности, °C - от -40 до +60.
Расстояние измерения, м - не менее 10.
Область измерения - пятно диаметром 80 см на 10 м.
Напряжение питания, В - 9 - 30 постоянного тока.
Условия эксплуатации - температура окружающей среды от -40 °C до +60 °C.
Рисунок А.2 - Датчик определения температуры
дорожного покрытия
Дистанционный датчик температуры обеспечивает измерение температуры поверхности, замеряя и обрабатывая инфракрасное излучение, полученное от покрытия.
А.2 Распределительные устройства
На рисунке А.3 показаны распределительные устройства жидких ПГР.
а) разбрызгивающая тарелка; б) разбрызгивающая головка;
в) форсунки-микрофаст
Рисунок А.3 - Распределительные устройства жидких ПГР
| ОДМ 218.3.023-2003 | Руководство по борьбе с зимней скользкостью на автомобильных дорогах |
| | Методические рекомендации по применению экологически чистых антигололедных материалов и технологий при содержании мостовых сооружений |
| | Методические рекомендации по специализированному прогнозу состояния дорожных покрытий |
| | Безопасность труда в строительстве. Часть 1. Общие требования |
| | Постановление Правительства Российской Федерации от 25 апреля 2012 г. N 390 "О противопожарном режиме" |
| | Методические рекомендации по охране окружающей среды при строительстве, ремонте и содержании автомобильных дорог |
| | Водный кодекс Российской Федерации от 3 июня 2006 г. N 74-ФЗ |
| | Рекомендации по организации движения и ограждения мест производства дорожных работ |
ОКС |
Ключевые слова: система обеспечения противогололедного состояния дорожных покрытий, зимняя скользкость, жидкие противогололедные реагенты, искусственные сооружения, зимнее содержание, гололед, гололедица, дорожная шуга, мосты, путепроводы |
Руководитель организации-разработчика
АО "ЦНС"
Генеральный директор ______________________________ М.Д. Тарасик