Главная // Актуальные документы // ИнструкцияСПРАВКА
Источник публикации
М., 2011
Примечание к документу
В соответствии с
Распоряжением ОАО "РЖД" от 30.12.2011 N 2864р данный документ введен в действие с 01.01.2012.
Название документа
"Инструкция по определению станционных и межпоездных интервалов"
(утв. Распоряжением ОАО "РЖД" от 30.12.2011 N 2864р)
"Инструкция по определению станционных и межпоездных интервалов"
(утв. Распоряжением ОАО "РЖД" от 30.12.2011 N 2864р)
Утверждена
от 30 декабря 2011 г. N 2864р
ИНСТРУКЦИЯ
ПО ОПРЕДЕЛЕНИЮ СТАНЦИОННЫХ И МЕЖПОЕЗДНЫХ ИНТЕРВАЛОВ
Настоящая Инструкция содержит порядок определения станционных и межпоездных интервалов для грузовых поездов при движении пассажирских поездов со скоростью до 250 км/ч.
Инструкция разработана отделением Взаимодействия транспортных систем Открытого акционерного общества "Научно-исследовательский и проектно-конструкторский институт информатизации, автоматизации и связи на железнодорожном транспорте".
Общую редакцию Инструкции осуществили Архангельский Е.В., Бородин А.Ф., Курбатова Н.В., Морозова Н.В., Смирнов А.Е., Капунов К.А., Биленко П.Г.
Настоящая Инструкция не может быть полностью или частично воспроизведена и распространена в качестве официального издания без разрешения ОАО "РЖД".
Инструкция предназначена для определения станционных и межпоездных интервалов на линиях с трехзначной системой автоматической блокировки, на пригородных линиях с трехзначной и четырехзначной системами автоматической блокировки, а также для расчета интервалов попутного следования поездов на линиях, не оборудованных автоматической блокировкой.
Положения, установленные настоящей инструкцией, обязательны для применения всеми дирекциями, входящими в состав ОАО "РЖД".
Правила технической эксплуатации железных дорог Российской Федерации. Утверждены приказом Минтранса России 21.12.2010 г., N 286.
Инструкция по разработке графика движения поездов в ОАО "РЖД". Утверждена распоряжением ОАО "РЖД" от 27.12.2006 г. N 2568р.
Инструкция по эксплуатации тормозов подвижного состава железных дорог. Утверждена Министерством путей сообщения 16.05.1994 г. N ЦТ-ЦВ-ЦЛ-ВНИИЖТ/277.
Правила тяговых расчетов для поездной работы. Утверждены Министерством транспорта 1985 г.
Методические указания по расчету норм времени на маневровые работы, выполняемые на железнодорожном транспорте. Утверждены Министерством путей сообщения 19.03.1998 г.
Типовой технологический процесс работы участковой станции. Утвержден Первым вице-президентом ОАО "РЖД" В.Н. Морозовым 27.12.2007 г.
Инструкция по расчету наличной пропускной способности железных дорог. Утверждена Министерством Транспорта Российской Федерации 2010 г.
Инструкция по техническому обслуживанию и эксплуатации сооружений, устройств, подвижного состава и организации движения на участках обращения скоростных пассажирских поездов. Утверждена Министерством путей сообщения 19.07.1996 г. N ЦРБ-393.
Инструкция по определению станционных и межпоездных интервалов. Утверждена ОАО "РЖД" 09.12.2008 г.
3.1. Станционные и межпоездные интервалы, наряду с перегонными временами хода и продолжительностью стоянок поездов для выполнения технических или технологических операций, являются основными элементами графика движения поездов, которые требуется рассчитывать на железных дорогах после утверждения ОАО "РЖД" допускаемых скоростей движения поездов по станциям и перегонам по состоянию пути и локомотивного парка, размеров пассажирского и грузового движения, норм веса и длины поездов, а также проведения тяговых расчетов и получения их результатов.
3.2. Станционный интервал - это минимальный промежуток времени, необходимый для выполнения операций по приему, отправлению или пропуску поездов через раздельный пункт с путевым развитием (железнодорожная станция, обгонный пункт или разъезд).
Блок-участок - часть межстанционного перегона при автоблокировке или при автоматической локомотивной сигнализации, применяемой как самостоятельное средство сигнализации и связи, ограниченная проходными светофорами (границами блок-участков) или проходным светофором (границей блок-участка) и входным светофором железнодорожной станции, а также выходным светофором и первым попутным проходным светофором (границей блок-участка);
Железнодорожная станция - пункт, который разделяет железнодорожную линию на перегоны или блок-участки, обеспечивает функционирование инфраструктуры железнодорожного транспорта, имеет путевое развитие, позволяющее выполнять операции по приему, отправлению и обгону поездов, обслуживанию пассажиров и приему, выдаче грузов, багажа и грузобагажа, а при развитых путевых устройствах - выполнять маневровые работы по расформированию и формированию поездов и технические операции с поездами;
Раздельный пункт - пункт, разделяющий железнодорожную линию на перегоны или блок-участки;
Примечание: Далее под термином "раздельный пункт" (РП) понимается раздельный пункт с путевым развитием.
Межпоездной интервал - это минимальное время, которым разграничивают поезда при следовании по перегонам на участках, оборудованных автоматической блокировкой;
Обгонный пункт - раздельный пункт на двухпутных железнодорожных линиях, имеющий путевое развитие, допускающее обгон поездов и в необходимых случаях перевод поезда с одного главного железнодорожного пути на другой;
Перегон - часть железнодорожной линии, ограниченная смежными железнодорожными станциями, разъездами, обгонными пунктами или путевыми постами;
Поезд - сформированный и сцепленный состав вагонов с одним или несколькими действующими локомотивами или моторными вагонами, имеющий установленные сигналы, а также отправляемые на перегон и находящиеся на перегоне локомотивы без вагонов и специальный самоходный железнодорожный подвижной состав;
Поезд грузовой длинносоставный - грузовой поезд, длина превышает норму длины, установленную графиком движения на участке следования этого поезда;
Поезд грузопассажирский - поезд, формируемый на малоинтенсивных линиях (участках) из грузовых и пассажирских вагонов, предназначенных для перевозки грузов и пассажиров;
Поезд грузовой повышенной длины - грузовой поезд, длина которого в условных единицах (осях) - 350 и более осей;
Поезд грузовой соединенный - грузовой поезд, составленный из двух и более сцепленных между собой грузовых поездов с действующими локомотивами в голове каждого поезда;
Поезд пассажирский - поезд для перевозки пассажиров, багажа и почты, сформированный из пассажирских вагонов;
Поезд пассажирский высокоскоростной - пассажирский поезд, который по участку (отдельным участкам) следования осуществляет движение со скоростью более 200 км/ч;
Поезд пассажирский длинносоставный - пассажирский поезд, длина которого превышает норму длины, установленную графиком движения на участке следования этого поезда;
Поезд пассажирский повышенной длины - пассажирский поезд, имеющий в составе более 20 вагонов;
Поезд одиночный - поезд, длина которого не превышает норму длины, установленную графиком движения на участке следования этого поезда;
Поезд пассажирский скоростной - пассажирский поезд, который по участку (отдельным участкам) следования осуществляет движение со скоростью от 141 до 200 км/ч включительно;
Поезд пассажирский соединенный - пассажирский поезд, составленный из двух пассажирских поездов, сцепленных между собой, с действующими локомотивами в голове каждого поезда;
Поезд почтово-багажный - поезд, формируемый из пассажирских вагонов, предназначенных для перевозки почты, багажа и грузобагажа, а также отдельных пассажирских вагонов для перевозки пассажиров;
Поезд хозяйственный - поезд, сформированный из локомотива или специального самоходного подвижного состава, используемого в качестве локомотива, вагонов, выделенных для специальных и технических нужд, специального самоходного и несамоходного подвижного состава, предназначенного для выполнения работ по содержанию, обслуживанию и ремонту сооружений и устройств железнодорожного транспорта;
Раздельный пункт - пункт, разделяющий железнодорожную линию на перегоны или блок-участки;
Расчетная пара поездов - поезда, для которых устанавливают станционный или поездной интервал.
Средняя скорость движения поезда - средняя скорость движения поезда на расчетном участке пути, зависящая от начальной и конечной скорости движения поезда и его веса, профиля пути, вида тяги и определяется тяговыми расчетами.
3.3. Станционные и межпоездные интервалы устанавливают исходя из обеспечения требований безопасности движения, недопущения остановок поездов у входных сигналов раздельных пунктов или замедления их хода, полного и рационального использования имеющихся технических средств, применения прогрессивной технологии и передового опыта работы.
3.4. Станционные интервалы определяют отдельно для каждой граничащей с перегонами горловины и каждого примыкающего к ней участка. Станционные интервалы, величина которых зависит от скоростей движения поездов, определяют для всех заданных сочетаний пассажирских и грузовых поездов, имеющих различные скорости движения. Для заданных категорий пассажирских и грузовых поездов, при всех случаях сочетания их приема, пропуска и отправления, станционные интервалы устанавливают относительно расчетной оси раздельного пункта или этой оси и осей его парков, по отношению к которым составляют график движения поездов (ГДП). Если через рассматриваемую горловину с одного подхода поезда одной и той же категории прибывают в разные парки (или отправляются из разных парков) и это отражается в ГДП, то станционные интервалы для этих парков определяют отдельно и в сводные формы записывают также отдельно.
3.5. Последовательность и максимально возможная параллельность выполнения операций по приему, отправлению и пропуску поездов, а также нормы времени на выполнение каждой операции определяют в соответствии с
Правилами технической эксплуатации железных дорог Российской Федерации (ПТЭ РФ), инструкциями и правилами ОАО "РЖД", техническо-распорядительными актами и технологическими процессами работы станций с учетом результатов хронометражных наблюдений. Учитывают возможность использования (по мере освобождения) изолированных стрелочных секций в одном маршруте для передвижений по другому маршруту.
3.6. Элементы станционных и межпоездных интервалов, которые определяют тяговыми расчетами, принимают по результатам расчета с точностью до 0,1 мин.
Станционные и межпоездные интервалы рассчитывают с точностью 0,05 мин.
Для графика движения поездов расчетные значения станционных и межпоездных интервалов округляют в большую сторону:
- для пассажирских поездов со скоростями 141 км/ч и более - до 0,5 мин;
- для пассажирских поездов со скоростями до 141 км/ч, а также для грузовых поездов - до 1 мин;
- для пригородных поездов - до 0,5 мин.
На начальных (конечных) станциях все операции, связанные с приготовлением маршрута для приема (отправления) скоростных и высокоскоростных поездов, завершаются не менее чем за 5 минут до отправления (прибытия) данных поездов.
На остальных станциях участка обращения скоростных и высокоскоростных поездов все операции, связанные с приготовлением маршрутов для пропуска скоростных и высокоскоростных поездов, должны быть завершены не менее чем за 10 минут до прохода поезда.
3.7. Величины станционных и межпоездных интервалов зависят от:
- технического оснащения прилегающих участков (число главных путей, средства сигнализации и связи при движении поездов);
- плана и профиля подходов;
- серии поездных локомотивов, обслуживающих грузовые и пассажирские поезда;
- категории поезда, его веса, длины и скорости движения;
- допустимых скоростей движения поездов;
- способа управления стрелками и сигналами (маршрутно-релейная централизация, микропроцессорная централизация, электрическая централизация, механическая централизация, ручное обслуживание стрелок с ключевой зависимостью и другие устройства станционной блокировки);
- типа стрелочных переводов;
- взаимного расположения путей, парков, размещения сигналов, стрелочных постов и служебного помещения дежурного по станции;
- длины станционных путей;
- порядка пропуска поездов через раздельный пункт (с остановкой или безостановочно);
- установленного порядка выдачи машинисту локомотива разрешения на право занятия перегона.
3.8. Если поезд можно принять на любой путь парка, то продолжительность его приема определяют для пути, время приема на который является наибольшим. Аналогично поступают, если поезд можно отправить с любого пути парка.
3.9. Когда подход к раздельному пункту расположен на таком подъеме, что не обеспечивается трогание с места поезда, остановившегося у входного сигнала (или у другого ближайшего к рассматриваемой горловине сигнала, ее ограждающего), то сигналом, ограждающим рассматриваемую горловину, считают тот, который находится перед упомянутым подъемом.
3.10. Если путь отправления пассажирского поезда находится на расстоянии более половины длины этого поезда от выходной со станции горловины, вблизи которой расположен выходной сигнал на перегон, то для недопущения остановки пассажирского поезда перед этим сигналом, расстояние, проходимое по станции отправляемым пассажирским поездом, надо считать от сигнала с пути отправления пассажирского поезда до выходного сигнала на перегон. Когда расстояние от расчетной оси раздельного пункта до выходного светофора более 2,5 км, то для отправления пассажирского поезда следует устанавливать дополнительный маршрутный светофор.
3.11. При достаточной длине приемо-отправочных путей моментом прибытия поезда на раздельный пункт или его проследования раздельного пункта является момент совмещения середины поезда с расчетной осью раздельного пункта либо осью его приемо-отправочного парка (например, на раздельном пункте продольного типа) при условии, что в графике движения, кроме расчетной оси раздельного пункта, ось парка выделяют в самостоятельную.
3.12. В соответствии с п.п. 1.4 и 2.3.3 Инструкции по составлению графика движения поездов на сети железных дорог Российской Федерации, при обращении длинносоставных или соединенных поездов (длина состава больше полезной длины приемо-отправочных путей) станционные интервалы увеличивают на время, необходимое для освобождения рассматриваемого перегона (горловины станции) хвостом длинносоставного или соединенного поезда. Станционные интервалы могут увеличиться за счет выполнения операций по разъединению и соединению поездов, перестановке составов или групп вагонов и других дополнительных маневровых передвижений. Для выделения в графике движения специальных расписаний пропуска длинносоставных и соединенных поездов, станционные интервалы определяют с учетом заданной последовательности движения одиночных, длинносоставных и соединенных поездов.
3.13. Рассчитывают следующие станционные и межпоездные интервалы.
3.13.1. Интервалы для встречных поездов.
Интервал неодновременного прибытия с остановкой обоих встречных поездов.
Интервал неодновременного прибытия поезда с остановкой и проследования без остановки встречного поезда.
Интервал скрещения поездов.
Интервал неодновременного отправления и встречного прибытия поездов при враждебных маршрутах.
Интервал безостановочного скрещения поездов на двухпутной вставке.
3.13.2. Интервалы для попутных поездов.
Интервал неодновременного прибытия и попутного отправления поездов.
Интервал неодновременного отправления и попутного прибытия поездов.
3.13.3. Интервал поездов противоположных направлений.
Интервал неодновременного отправления поездов противоположных направлений.
3.13.4. Интервалы попутного прибытия, отправления и проследования поездов.
Интервал попутного прибытия поездов при автоматической блокировке.
Интервал попутного отправления поездов при автоматической блокировке.
Интервал между поездами на перегонах при автоматической блокировке.
Примечания: 1. Интервалы безостановочного скрещения поездов и неодновременного отправления поездов противоположных направлений рассчитывают только для однопутных линий.
2. Для однопутных линий интервалы попутного прибытия и попутного отправления поездов рассчитывают при частично-пакетном графике, а попутного следования поездов - при непарном непакетном графике.
3.14. Примерные нормы времени на выполнение отдельных операций при приеме, отправлении и пропуске поездов приведены в
таблице 3.1. настоящей Инструкции. <*>
--------------------------------
<*> Далее, при отсутствии специального указания, номера пунктов, рисунков, таблиц и формул относятся к настоящей Инструкции
Таблица 3.1
Операции и их продолжительность
Наименование станционной операции | Время на операцию, мин. |
Переговоры о движении поездов между дежурными соседних станций: | |
при автоблокировке на однопутных линиях (в случаях неисправности поездной диспетчерской связи) | 0,1 |
при полуавтоматической блокировке на однопутных линиях | 0,2 |
при электрожезловой системе | 0,4 |
при телефонных средствах связи: | |
а) на однопутном участке | 1,5 |
б) на двухпутном участке | 1,0 |
Подготовка маршрута: | |
при диспетчерской централизации | 0,15...0,20 |
при микропроцессорной централизации | 0,10...0,15 |
при маршрутно-релейной централизации | 0,10...0,15 |
Приготовление одной стрелки при подготовке маршрута: | |
при электрической централизации | 0,05 |
при механической централизации | 0,10...0,15 |
при ручном обслуживании | 0,30...0,50 |
Подача дежурным по станции блокировочного сигнала при маршрутно-контрольных устройствах | 0,1 |
Подача ДСП блокировочного сигнала при электрической централизации | 0,1 |
Открытие входного или выходного сигнала: | |
при автоматической и полуавтоматической блокировке со светофорной сигнализацией | 0,05 |
при полуавтоматической блокировке с семафорной сигнализацией | 0,1 |
то же при размещении сигнальной лебедки вне помещения поста | 0,3 |
при электрожезловой системе блокировки при наличии семафорной сигнализации | 0,1 |
то же при размещении сигнальной лебедки вне помещения поста | 0,3 |
Контроль дежурным по станции прибытия поезда: | |
при наличии изоляции путей | 0,1 |
без изоляции путей | 0,3 |
Контроль дежурным по станции отправления или проследования поезда: | |
при наличии изоляции путей | 0,2 |
без изоляции путей | 0,5 |
Контроль прибытия поезда в полном составе на участках, не оборудованных автоблокировкой: | |
при наличии устройств автоматического контроля прибытия поезда на станцию в полном составе | 0,1 |
при отсутствии устройств автоматического контроля прибытия поезда на станцию в полном составе | 0,3 |
Распоряжение дежурного по станции старшим дежурным стрелочных постов о приготовлении маршрута приема, отправления или пропуска поезда при числе стрелочных постов П | 0,1П |
Доклады старших дежурных стрелочных постов о готовности маршрута приема, отправления или пропуска поезда и распоряжение дежурного по станции об открытии входного или выходного сигнала при числе стрелочных постов П | 0,1П |
Распоряжение старшего дежурного стрелочного поста дежурным стрелочных постов о приготовлении маршрута приема, отправления или пропуска поезда при числе стрелочных постов П | 0,1П |
Доклады дежурных стрелочных постов старшим дежурным стрелочных постов о при приготовлении маршрута приема, отправления или пропуска поезда при числе стрелочных постов П | 0,1П |
Доклады старших дежурных стрелочных постов о прибытии поезда в полном составе, установке его на пути приема и о готовности маршрута отправления для встречного поезда, о проследовании поездом выходной стрелки в полном составе | 0,2 |
Указания ДСП о выдаче разрешения на право занятия перегона или открытии выходного сигнала | 0,1 |
Проверка машинистом локомотива правильности разрешения на право занятия перегона, дача сигнала отправления поезда и приведение его в движение | 0,2 |
Восприятие машинистом показания открытого входного, выходного или проходного сигнала | 0,2 |
Проход дежурным стрелочного поста, дежурным по станции или другим работником расстояния 100 м | 1,0 |
Разъединение соединенного поезда | 1,5 |
Отпуск тормозов | 2 |
Закрепление групп вагонов и отцепка поездного локомотива | 2 |
Соединение головного и хвостового состава | 1,2 |
3.15. При отсутствии электрической изоляции путей проверку свободности пути приема поезда осуществляют, как правило, заблаговременно с соблюдением требований
п. 9.16 Инструкции по движению поездов и маневровой работе на железных дорогах Российской Федерации или параллельно с приготовлением маршрута (т.е. без включения дополнительного времени в станционный интервал) порядком, установленным техническо-распорядительным актом станции.
3.16. При ручном обслуживании стрелок и при наличии одного стрелочного поста время на проверку подготовленного маршрута старшим дежурным стрелочного поста в интервал не включают, так как эту проверку он осуществляет вслед за действиями постового. В тех случаях, когда в подготовке маршрута участвуют несколько постов, объединенных в одном стрелочном районе, время, необходимое на проверку всего маршрута старшим дежурным стрелочного поста, устанавливают в зависимости от местных условий.
3.17. При скрещениях и обгонах поездов, а также в случаях последовательного приема или отправления нескольких поездов, приготовление маршрута, как правило, должно начинаться немедленно при освобождении маршрута (или отдельных стрелок) предыдущим поездом.
3.18. Станционные и межпоездные интервалы пересчитывают при изменении путевого развития раздельных пунктов, их технической оснащенности или любого фактора, указанного в
п. 3.7. Рассчитанные интервалы округляют до ближайшего большего целого числа.
3.19. При определении станционных интервалов фиксируют положения середины одиночных, длинносоставных и соединенных поездов по отношению к осям станций поперечного, полупродольного, продольного типов и др.; эти положения необходимы для
"привязки" к данным тяговых расчетов. В случае нецентрального расположения пассажирского здания по отношению к парку путей, надо для правильного отражения середины поезда располагать расчетную ось центрально по отношению к полезной длине парка путей.
3.20. Станционные интервалы по каждому раздельному пункту утверждают в том же порядке, который установлен для утверждения техническо-распорядительных актов станций. Межпоездные интервалы рассчитывают в Дирекции управления движением железной дороги и их утверждает начальник Дирекции управления движением после согласования с региональными руководителями Дирекций инфраструктуры и тяги. Для направлений с интенсивным движением поездов станционные и межпоездные интервалы, имеющие для одиночных поездов продолжительность свыше 8
мин. и на пригородных участках - свыше 4
мин., утверждает начальник Дирекции управления движением при их согласовании в порядке, установленном для утверждения ТРА станций. Все интервалы, включающие линии хода пассажирских поездов со скоростями выше 200 км/ч, утверждает начальник Дирекции управления движением.
4.1. Интервал неодновременного прибытия с остановкой
обоих встречных поездов
(тип I)
4.1.1. Когда в соответствии с
Приложением N 6. п. 70 ПТЭ РФ запрещен одновременный прием на раздельный пункт встречных поездов, эти поезда принимают с интервалом неодновременного прибытия

, которым называют минимальный промежуток времени от момента прибытия на раздельный пункт грузового или пассажирского поезда до момента прибытия на этот раздельный пункт встречного грузового
(рис. 4.1.1, а) либо пассажирского поезда
(рис. 4.1.1, б).
Рис. 4.1.1. Интервалы неодновременного прибытия с остановкой встречных поездов:
а - грузового (или пассажирского) и грузового;
б - грузового (или пассажирского) и пассажирского
4.1.2. При достаточной длине приемо-отправочных путей, для раздельного пункта
поперечного типа на однопутной линии
(рис. 4.1.2, а) продолжительность интервала

включает время выполнения технологических операций по контролю прибытия первого поезда и приему встречного (операции
NN 1 - 3 на
рис. 4.1.3) и определяемое тяговыми расчетами время прохода встречным поездом расчетного расстояния
Lпр (операция
N 4 на
рис. 4.1.3).
Примечание: При электрожезловой системе, полуавтоматической блокировке, ручном обслуживании стрелок, кроме операций, указанных в графике на рис. 4.1.3, учитывают: распоряжение ДСП старшим дежурным стрелочных постов о приготовлении маршрута приема или отправления поезда и др. (см. табл. 3.1)
Рис. 4.1.2,
а. Схема расположения поездов при расчете интервалов

и

для раздельного пункта поперечного типа на однопутной линии.
Рис. 4.1.2,
б. Схема расположения поездов при расчете интервалов

и

для раздельного пункта поперечного типа на двухпутной линии при приеме пассажирского поезда к пассажирскому зданию с пересечением главного пути противоположного направления.
--------------------------------
<*> Продолжительность операции зависит от конкретных условий расчета
| | ИС МЕГАНОРМ: примечание. В официальном тексте документа, видимо, допущена опечатка: рисунки 4.3 и 4.4 отсутствуют. | |
Рис. 4.1.3. График расчета интервалов

и

при отсутствии отцепки частей длинносоставного поезда или составов соединенного поезда (здесь и далее все графики определения интервалов, за исключением на рис. 4.3 и 4.4, соответствуют условиям автоматической блокировки и электрической централизации стрелок и светофоров различных модификаций).
| | ИС МЕГАНОРМ: примечание. Здесь и далее в официальном тексте документа, видимо, допущена опечатка: имеется в виду п. 3.19, а не 1.19. | |
Расчетное расстояние
Lпр с учетом
п. 1.19 равно:
Lпр =
0,5l"п +
lв +
lбл +
lвх +
0,5lпол, (4.1.1)
где l"п - длина встречного поезда, м;
lв - расстояние, проходимое встречным поездом за время восприятия машинистом показания сигнала с момента его открытия,
м, которое определяют по
формуле (4.5.2);
lбл - длина блок-участка,
м (при отсутствии предупредительного сигнала перед входным вместо
lбл учитывают длину тормозного пути
lт, установленного для рассматриваемого подхода к данному раздельному пункту; см. также
п. 3.9) <*>;
--------------------------------
<*> Если для пассажирского поезда lт > lбл, то учитывают lТ.
lвх - расстояние от входного сигнала, или ближайшего к рассматриваемой горловине маршрутного, до предельного столбика, расположенного при входе на путь приема, либо до изолирующего стыка (с учетом
п. 3.7),
м;
lпол - полезная длина приемо-отправочного пути (с учетом
п. 3.7),
м.
Примечания: 1. В lпол учитывают длину пути приема или отправления поезда.
2. Для совмещения расчетной оси РП А с ей соответствующей горизонтальной линией ГДП, надо схему РП А (см.
рис. 4.1.2, а) мысленно развернуть против часовой стрелки на 90°.
3. В Инструкции порядок определения станционных интервалов изложен применительно к нечетной горловине (правой на рисунках); кроме
п.п. 4.4.2.1,
4.4.3.2.
4.1.2.1. Если встречным поездом является пассажирский, то при расчете интервала

учитывают его длину, место остановки и среднюю скорость движения при приеме на раздельный пункт.
4.1.2.2. На двухпутной (либо многопутной) линии
(рис. 4.1.2, б), когда при приеме нечетного пассажирского поезда
N 15 к пассажирскому зданию с пересечением главного пути II противоположного направления запрещен одновременный прием встречного поезда
N 2002 (либо
N 16), интервал

определяют по графику
рис. 4.1.3 при
lпр по
формуле (4.1.1).
4.1.3. При достаточной длине приемо-отправочных путей, для раздельного пункта
продольного или
полупродольного типа на однопутной линии и учете в графике движения поездов расчетной оси раздельного пункта и оси его приемо-отправочного парка
(рис. 4.1.4, а), необходимый для построения графика движения поездов промежуток времени между моментами остановок встречных поездов
N 2001 и
N 2002 равен

, (4.1.2)
где

- интервал неодновременного прибытия поездов по ближней оси (на
рис. 4.1.4, а - расчетная ось раздельного пункта
А), устанавливаемый по графику
рис. 4.1.3 при расчетном расстоянии
Lппр, определяемом по приводимой ниже
формуле (4.1.3);
t"мо - время, которое потребовалось бы на проход встречным грузовым поездом N 2002 расстояния lмо от оси приемо-отправочного парка (дальняя ось) до расчетной оси раздельного пункта (при условии, что lмо >= lт).
Lппр =
0,5l"п +
lв +
lвх +
0,5lпол +
lмо, (4.1.3)
lмо - расстояние между осью приемо-отправочного парка и расчетной осью раздельного пункта.
Если в ГДП учитывают две оси, но
lмо <
lт, то в
(4.1.3) вместо
lмо подставляют
lт.
Рис. 4.1.4,
а. Схема расположения поездов при расчете интервалов

и

для раздельного пункта продольного или полупродольного типа на однопутной линии и учете в графике движения поездов расчетной оси раздельного пункта и оси его парка
Рис. 4.1.4,
б. Схема расположения поездов при расчете интервалов

и

для раздельного пункта продольного или полупродольного типа на двухпутной линии при приеме пассажирского поезда к пассажирскому зданию с пересечением главного пути противоположного направления.
4.1.3.1. Если встречным поездом является пассажирский
N 16, который принимают на путь у пассажирского здания, расположенного на ближней оси (соответствующий этому фрагмент графика движения поездов представлен на
рис. 4.1.5, а), то интервал

по этой оси определяют по графику
рис. 4.1.3 при расчетном расстоянии
Lппр по
формуле (4.1.3), а промежуток времени
tдн устанавливают по
формуле (4.1.2) с учетом времени прохода расстояния
lмо и в целом
Lппр встречным пассажирским поездом
N 16.
4.1.3.2. В случае расположения пассажирского здания на дальней оси, при приеме первым грузового поезда
N 2001 и встречным грузового
N 2002 либо пассажирского
N 16
(рис. 4.1.5, б), интервал

по ближней оси (ось приемо-отправочного парка) определяется по графику
рис. 4.1.3 при
Lппр по
формуле (4.1.3), а промежуток времени
tдн устанавливают по формуле (4.1.2) с учетом средней скорости движения поезда
N 2002 либо
N 16.
4.1.3.3. Когда к пассажирскому зданию на дальней оси (расчетная ось раздельного пункта) первым принимают пассажирский поезд
N 15 и затем встречный грузовой
N 2002 либо пассажирский N 16
(рис. 4.1.5, в), то интервал

по дальней оси определяют по графику
рис. 4.1.3 при
Lпр по
формуле (4.1.1).
Рис. 4.1.5. Интервалы неодновременного прибытия на раздельный пункт продольного или полупродольного типа с остановкой обоих встречных поездов:
а - грузового (либо пассажирского) и встречного пассажирского при расположении пассажирского здания (ПЗ) на ближней оси;
б - грузового и встречного грузового (либо пассажирского) при расположении ПЗ на дальней оси;
в - пассажирского и встречного грузового (либо пассажирского) при расположении ПЗ на дальней оси.
4.1.3.4. На двухпутной (либо многопутной) линии и приеме нечетного пассажирского поезда к пассажирскому зданию на ближней оси с пересечением главного пути "II" противоположного направления, должен расчет выполняться как в
п. 4.1.3.
4.1.3.5. На двухпутной (либо многопутной) линии
(рис. 4.1.4, б) в случае приема пассажирского поезда
N 15 к пассажирскому зданию на дальней оси с пересечением главного пути II противоположного направления, интервал

по дальней оси должен определяться по графику
рис. 4.1.3 при
Lпр по
формуле (4.1.1).
4.1.4. При приеме
длинносоставных и
соединенных поездов, длина которых больше полезной длины приемо-отправочных путей, учитывают длину поездов принятого

на раздельный пункт и принимаемого встречного
l"п, а также полезную длину приемо-отправочных путей
lпол. В случае обращения длинносоставных пассажирских поездов интервалы определяют (за исключением случаев на
рис: 4.1.8, а1;
4.1.8, б1;
4.1.8, в) по приводимым ниже формулам для длинносоставных грузовых поездов, подставляя в них данные длинносоставных пассажирских поездов.
4.1.5. Для раздельного пункта
поперечного типа на однопутной линии (см.
рис. 4.1.2, а) возможны следующее случаи.
4.1.5.1.
Случай 1. Прием длинносоставного (или соединенного) поезда и последующий прием встречного грузового поезда одинарной длины (либо пассажирского поезда), т.е.
l'
п >
lпол и
l"
п <=
lпол.
При приеме нечетного длинносоставного поезда
N 2001 (или соединенного поезда, состоящего из составов головного
N 1901 и хвостового
N 1921) с занятием
входной горловины (см. фрагмент графика движения поездов на
рис. 4.1.6, а1), интервал

определяют по графику
рис. 4.1.3 при
Lпр по
формуле (4.1.1). На
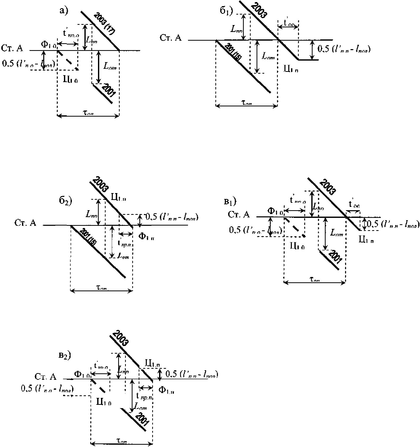
рис. 4.1.6, а1 точка
Ц1 показывает положение находящегося до расчетной оси раздельного пункта на расстоянии
0,5(l'п -
lпол) центра остановившегося нечетного поезда
N 2001 с занятием входной горловины, а точка
Ф1 - фиктивный момент его возможного совмещения с расчетной осью раздельного пункта (точка
Ф1 нужна для построения графика движения поездов).
Рис. 4.1.6. Интервалы неодновременного прибытия на раздельный пункт поперечного типа с остановкой обоих встречных поездов:
а1 - длинносоставного (или соединенного) с занятием входной горловины и встречного грузового одинарной длины (либо пассажирского);
а2 - то же с занятием выходной горловины;
б1 - грузового одинарной длины (либо пассажирского) и встречного длинносоставного (или соединенного) с занятием выходной горловины;
б2 - то же с занятием входной горловины;
в - длинносоставный (или соединенный) с занятием входных горловин.
Промежуток времени от точки Ф1 до момента остановки встречного четного поезда N 2002 (либо N 16) равен

, (4.1.4)
где

- время, которое потребовалось бы на проход центра поезда
N 2001 от точки
Ц1 до точки
Ф1.
4.1.5.1.1. При приеме нечетного длинносоставного поезда
N 2001 (или соединенного поезда) с занятием
выходной горловины
(рис. 4.1.6, а2) от него отцепляют не вместившуюся в границах полезной длины пути приема головную часть (или головной состав соединенного поезда) и переставляют на свободный путь. На
рис. 4.1.6, а2 точка
Ц1 показывает положение находящегося после расчетной оси раздельного пункта на расстоянии
0,5(l'п -
lпол) центра остановившегося нечетного поезда
N 2001 с освобождением входной горловины, но с занятием выходной горловины. Интервал неодновременного прибытия поездов

определяют по графику
рис. 4.1.7 при
Lпр по
формуле (4.1.1). Промежуток времени от момента совмещения центра длинносоставного поезда
N 2001 с расчетной осью раздельного пункта до момента остановки встречного поезда
N 2002 (либо
N 16) равен

, (4.1.5)
где t'ос - время прохода первым принимаемым длинносоставным поездом N 2001 расстояния 0,5(l'п - lпол) до освобождения им входной горловины.
| | ИС МЕГАНОРМ: примечание. Рисунок дан в соответствии с официальным текстом документа. | |
Рис. 4.1.7. График расчета интервалов

и

при отцепке головной части длинносоставного поезда или головного состава соединенного поезда и перестановке на свободный путь.
4.1.5.2.
Случай 2. Прием грузового поезда одинарной длины (либо пассажирского поезда) и последующий прием встречного длинносоставного (или соединенного) поезда, т.е.
l'п <=
lпол и
l"п >
lпол.
При приеме нечетного грузового поезда одинарной длины
N 2001 (либо пассажирского поезда
N 15) и последующем приеме встречного четного длинносоставного поезда
N 2002 (или соединенного поезда) с занятием последним
выходной горловины
(рис. 4.1.6, б1), интервал

определяют по графику
рис. 4.1.3 с учетом в
Lпр по
формуле (4.1.1) длины четного поезда
N 2002. На
рис. 4.1.6, б1 точка
Ц2 показывает положение находящегося после расчетной оси раздельного пункта на расстоянии
0,5(l"п -
lпол) центра остановившегося четного поезда
N 2002 с освобождением входной горловины, но занятием выходной горловины.
4.1.5.2.1. При занятии встречным четным поездом
N 2002
входной горловины
(рис. 4.1.6, б2) интервал

определяют по графику
рис. 4.1.3 при расчетном расстоянии, установленном по
формуле (4.1.1) за вычетом
0,5(l"п -
lпол) т.е.:
Lпр.вх =
lв +
lбл +
lвх +
lпол (4.1.6)
На
рис. 4.1.6, б2 точка
Ц2 показывает положение находящегося до расчетной оси раздельного пункта на расстоянии
0,5(l"п -
lпол) центра остановившегося четного поезда
N 2002 с занятием входной горловины, а точка
Ф2 - фиктивный момент его возможного совмещения с расчетной осью раздельного пункта. Промежуток времени от момента остановки на раздельном пункте первого нечетного поезда до точки
Ф2 равен

, (4.1.7)
| | ИС МЕГАНОРМ: примечание. В официальном тексте документа, видимо, допущена опечатка: имеется в виду рисунок 4.1.3, а не 2.1.3. | |
t"пр - время, которое потребовалось бы на проход центра поезда N 2002 от точки Ц2 до точки Ф2.
4.1.5.2.2. На двухпутной (либо многопутной) линии (см.
рис. 4.1.2, б) в случае приема нечетного пассажирского поезда
N 15 к пассажирскому зданию с пересечением главного пути II противоположного направления, фрагменты графиков движения поездов аналогичны изображенным на
рис. 4.1.6, б1 и
4.1.6, б2 и расчеты выполняют так же, как указано в
пунктах 4.1.5.2 и
4.1.5.2.1.
4.1.5.3.
Случай 3. Прием двух встречных длинносоставных (или соединенных) поездов с занятием каждым соответствующей
входной горловины, т.е.
l'п >
lпол и
l"п >
lпол.
На соответствующем этому случаю фрагменте графика движения поездов
(рис. 4.1.6, в) положение точек
Ц1 и
Ф1 такое же, как на
рис. 4.1.6, а1, а точек
Ц2 и
Ф2 - как на
рис. 4.1.6, б2. Промежуток времени от точки
Ф1 до точки
Ф2 равен

(4.1.8)
4.1.6. Для раздельного пункта
продольного или
полупродольного типа на однопутной линии и учете в графике движения поездов расчетной оси раздельного пункта и оси его приемо-отправочного парка (см.
рис. 4.1.4, а) возможны следующие случаи.
4.1.6.1.
Случай 1. l'п >
lпол и
l"п <=
lпол (см. характеристику случая 1 в начале
п. 4.1.5.1).
При приеме с остановкой нечетного длинносоставного поезда
N 2001 (или соединенного поезда) на путь 3 с занятием
центральной горловины и части пути I
а и последующем приеме с остановкой встречного грузового поезда одинарной длины
N 2002 в приемо-отправочный парк либо пассажирского
N 16 к пассажирскому зданию
(рис. 4.1.8, а1), интервал

по ближней оси со стороны первого принимаемого поезда
N 2001 определяют по графику
рис. 4.1.3 при
Lппр, рассчитанной по
формуле (4.1.3) с учетом средней скорости движения соответственно грузового либо пассажирского поезда. На
рис. 4.1.8, а1 точка
Ц1 показывает положение находящегося после расчетной оси раздельного пункта на расстоянии
0,5(l'п -
lпол) центра остановившегося нечетного поезда
N 2001 с освобождением этим поездом входной горловины, но с занятием центральной горловины;
Рис. 4.1.8. Интервалы неодновременного прибытия на раздельный пункт продольного или полупродольного типа с остановкой обоих встречных поездов:
а1 - длинносоставного (или соединенного) и грузового одинарной длины (либо пассажирского) при расположении пассажирского здания (ПЗ) на ближней оси;
а2 - то же при расположении ПЗ на дальней оси;
б1 - грузового одинарной длины (либо пассажирского) и длинносоставного (или соединенного) при расположении ПЗ на ближней оси;
б2 - пассажирского и длинносоставного (или соединенного) при расположении ПЗ на дальней оси;
в - обоих длинносоставных (или соединенных).
| | ИС МЕГАНОРМ: примечание. Текст дан в соответствии с официальным текстом документа. | |
t'
ос - время прохода первым принимаемым поездом
N 2001 расстояния
0,5(l'п -
lпол) до освобождения им входной горловины. Промежуток времени между моментом совмещения с ближней осью центра поезда
N 2001 и остановкой поезда
N 2002 определяют по
формуле (4.1.2) с заменой в ней
tдн на
tдна1д и добавлением
t'ос, а между указанным моментом и остановкой поезда
N 16.

(4.1.9)
4.1.6.1.1. При расположении пассажирского здания на дальней оси, приеме нечетного длинносоставного поезда
N 2001 (или соединенного поезда) с занятием
центральной горловины и части пути I
а и последующем приеме встречного грузового поезда одинарной длины
N 2002 либо пассажирского поезда
N 16
(рис. 4.1.8, а2), интервал

по ближней оси и промежуток времени между моментом совмещения с этой осью центра поезда
N 2001 и остановкой поезда
N 2002 (либо
N 16) определяют как в п. 4.1.6.1 с заменой
tдна1д на
tдна2д.
4.1.6.2.
Случай 2. l'п <=
lпол и
l"п >
lпол (см. характеристику случая 2 в начале
п. 4.1.5.2).
При приеме нечетного грузового поезда одинарной длины
N 2001 (либо пассажирского поезда
N 15) и последующем приеме встречного длинносоставного поезда
N 2002 (или соединенного поезда) с занятием последним
центральной горловины и части пути I
(рис. 4.1.8, б1), интервал

по ближней оси определяют по графику
рис. 4.1.3 при
Lппр по
формуле (4.1.3) с учетом длины поезда
N 2002. на
рис. 4.1.8, б1 точка
Ц2 показывает положение находящегося после оси приемо-отправочного парка на расстоянии
0,5(l"п -
lпол) центра остановившегося поезда
N 2002 в момент освобождения этим поездом входной горловины, но занятия центральной горловины и части пути I. Промежуток времени между моментами остановок встречных поездов
N 2001 (либо
N 15) и
N 2002 равен:

, (4.1.10)
где t"ос - время прохода встречным поездом N 2002 расстояния 0,5(l"п - lпол) до освобождения им входной горловины.
Промежуток времени от момента остановки поезда
N 2001 (либо
N 15) до момента совмещения центра пропускаемого встречного поезда
N 2002 с дальней осью (ось приемо-отправочного парка) определяют по
формуле (4.1.2) с заменой в ней
tдн на
tднб1д.
4.1.6.2.1. При расположении пассажирского здания на дальней оси со стороны первого принимаемого нечетного грузового поезда одинарной длины
N 2001, в случае приема встречного длинносоставного поезда
N 2002 (или соединенного поезда) с занятием им центральной горловины и части пути
I, интервал

и необходимые промежутки времени определяют как в п. 4.1.6.2.
4.1.6.2.2. Когда к пассажирскому зданию на дальней оси первым принимают пассажирский поезд
N 15 и затем встречный длинносоставный
N 2002 или соединенный поезд с занятием центральной горловины
(рис. 4.1.8, б2), то интервал

по дальней оси определяют по графику
рис. 4.1.3 при
Lпр по
формуле (4.1.1). Промежуток времени между моментами остановок встречных поездов
N 15 и
N 2002 (точка
Ц2) равен

(4.1.11)
4.1.6.2.3. На двухпутной (либо многопутной) линии (см.
рис. 4.1.4, б) в случае приема нечетного пассажирского поезда
N 15 к пассажирскому зданию с пересечением главного пути II противоположного направления и последующего приема встречного длинносоставного поезда
N 2002 (или соединенного поезда), фрагмент графика движения поездов аналогичен изображенному на
рис. 4.1.8, б2 и расчеты выполняют как в
п. 4.1.6.2.2.
4.1.6.3.
Случай 3. l'п >
lпол и
l"п >
lпол (см. характеристику случая 3 в начале
п. 4.1.5.3).
При приеме двух встречных длинносоставных (или соединенных) поездов с занятием
центральной горловины и частей путей I
а и I
(рис. 4.1.8, в), интервал

по ближней оси определяют по графику
рис. 4.1.3 при
Lппр по
формуле (4.1.3). На
рис. 4.1.8, в положение точки
Ц1 такое же, как на
рис. 4.1.8, а1, точки
Ц2 - как на
рис. 4.1.8, б1. Промежуток времени между моментами остановок встречных поездов (точки
Ц1 и
Ц2) определяют по
формуле (4.1.10) с заменой в ней
tонб1д на
tонвд. Промежуток времени от момента совмещения с ближней осью центра поезда
N 2001 до момента совмещения с дальней осью центра встречного поезда
N 2002 определяют по
формуле (4.1.2) с заменой в ней
tдн на
tднвд и добавлением
t'
ос.
4.2. Интервал неодновременного прибытия поезда с остановкой
и проследования без остановки встречного поезда
(тип II)
4.2.1. Интервалом

называют минимальное время от момента прибытия на раздельный пункт грузового или пассажирского поезда с остановкой до момента проследования без остановки встречного грузового
(рис. 4.2.1, а) либо пассажирского
(рис. 4.2.1, б).
Рис. 4.2.1. Интервалы неодновременного прибытия с остановкой и проследования встречного без остановки поездов:
а - грузового (или пассажирского) и грузового;
б - грузового (или пассажирского) и пассажирского.
4.2.2. При достаточной длине приемо-отправочных путей, для раздельного пункта
поперечного типа на однопутной линии
(рис. 4.1.2, а) продолжительность интервала

включает время выполнения технологических операций по контролю прибытия первого поезда и пропуску без остановки встречного поезда (операции
NN 1 - 3 на
рис. 4.1.3) <*> и определяемое тяговыми расчетами время прохода встречным поездом расчетного расстояния
Lпр (операция
N 4 на
рис. 4.1.3), которое устанавливают по
формуле (4.1.1).
--------------------------------
4.2.2.1. Если встречным поездом является пассажирский, то при расчете интервала

учитывают его длину и среднюю скорость движения при пропуске через раздельный пункт.
4.2.2.2. При разрешении одновременного приема поезда с остановкой и пропуска без остановки встречного поезда, эти поезда принимают так, чтобы после прибытия первого поезда встречный подходил к входному сигналу не раньше момента появления на нем показания, разрешающего сквозной пропуск через раздельный пункт. Поэтому при определении интервала

по графику
рис. 4.1.3 в расчете
Lпр по
формуле (4.1.1) не учитывают длину блок-участка
lбл или длину тормозного пути в случае отсутствия перед входным предупредительного сигнала. Если расстояние между входным и выходным сигналами меньше длины тормозного пути, то интервал

определяют по графику
рис. 4.1.3 при
Lпр по
формуле (4.1.1).
4.2.2.3. На двухпутной (либо многопутной) линии (см.
рис. 4.1.2, б), когда при приеме нечетного пассажирского поезда
N 15 к пассажирскому зданию с пересечением главного пути II противоположного направления запрещено одновременное проследование встречного поезда
N 2002, интервал

определяют по графику
рис. 4.1.3 при
Lпр по
формуле (4.1.1).
4.2.3. При достаточной длине приемо-отправочных путей, для раздельного пункта
продольного или
полупродольного типа на однопутной линии и учете в графике движения поездов расчетной оси раздельного пункта и оси его приемо-отправочного парка
(рис. 4.1.4, а), продолжительность интервала

по ближней оси со стороны первого принимаемого поезда
N 2001 (на
рис. 4.1.4, а - расчетная ось раздельного пункта
А) устанавливают по графику
рис. 4.1.3 при
Lппр по
формуле (4.1.3). Промежуток времени между моментом остановки поезда
N 2001 и моментом совмещения центра пропускаемого встречного поезда
N 2002 с осью приемо-отправочного парка (дальняя ось) равен:

, (4.2.1)
где t"мо - время прохода встречным поездом N 2002 расстояния lмо от оси приемо-отправочного парка до расчетной оси раздельного пункта (при условии, что lмо не менее длины тормозного пути lт).
Если в ГДП учитывают две оси, но
lмо <
lт, то в
(4.1.3) вместо
lмо подставляют
lт.
4.2.3.1. Если встречным поездом является пассажирский
N 16 (
рис. 4.2.2, а, то интервал

по ближней оси определяют по графику
рис. 4.1.3 при
Lппр по
формуле (4.1.3), а промежуток времени
tднп устанавливают по
формуле (4.2.1) с учетом времени прохода расстояния
lмо и в целом
Lппр встречным пассажирским поездом
N 16.
Рис. 4.2.2. Интервалы неодновременного прибытия на раздельный пункт продольного или полупродольного типа с остановкой и проследования встречного без остановки поездов:
а - грузового (либо пассажирского) и встречного пассажирского при расположении пассажирского здания (ПЗ) на ближней оси;
б - грузового и встречного грузового (либо пассажирского) при расположении ПЗ на дальней оси;
в - пассажирского и встречного грузового (либо пассажирского) при расположении ПЗ на дальней оси.
4.2.3.2. Когда разрешен одновременный прием встречных поездов, то при определении интервала

по ближней оси по графику
рис. 4.1.3 в расчете
Lппр по
формуле (4.1.3) не учитывают расстояние
lмо. Промежуток времени
tднп устанавливают по
формуле (4.2.1). Если расстояние между входным и выходным сигналами приемо-отправочного парка меньше длины тормозного пути, то интервал

определяют по графику
рис. 4.1.3 при
Lппр по
формуле (4.1.3).
4.2.3.3. В случае расположения пассажирского здания на дальней оси, при приеме первым грузового поезда
N 2001 и пропуске встречным грузового
N 2002 либо пассажирского
N 16
(рис. 4.2.2, б), интервал

по ближней оси определяют по графику
рис. 4.1.3 при
Lппр по
формуле (4.1.3), а промежуток времени
tднп устанавливают по
формуле (4.2.1) с учетом средней скорости движения поезда
N 2002 либо
N 16.
4.2.3.4. Когда к пассажирскому зданию на дальней оси первым принимают пассажирский поезд
N 15 и затем пропускают встречный грузовой
N 2002 либо пассажирский
N 16
(рис. 4.2.2, в), то интервал

по дальней оси определяют по графику
рис. 4.1.3 при
Lпр по
формуле (4.1.1). Промежуток времени по ближней оси между моментами совмещения с ней центров встречных поездов
N 15 и
N 2002 (либо
N 16) равен:

, (4.2.2)
где t'мо - время прохода поездом N 2001 расстояния lмо от оси приемо-отправочного парка до расчетной оси раздельного пункта.
4.2.3.5. На двухпутной (либо многопутной) линии и приеме нечетного пассажирского поезда к пассажирскому зданию на ближней оси с пересечением главного пути II противоположного направления, расчет выполняют как в п. 4.2.3.
4.2.3.6. На двухпутной (либо многопутной) линии
(рис. 4.1.4, б) в случае приема пассажирского поезда
N 15 к пассажирскому зданию на дальней оси с пересечением главного пути II противоположного направления, интервал

по дальней оси определяют по графику
рис. 4.1.3 при
Lпр по
формуле (4.1.1). Промежуток времени по ближней оси
tбнп устанавливают по
формуле (4.2.2).
4.2.4. При приеме и пропуске длинносоставных и соединенных поездов учитывают длину принятого l'п и пропускаемого через раздельный пункт без остановки встречного l"п, а также полезную длину приемо-отправочных путей lпол. В случае обращения длинносоставных пассажирских поездов интервалы определяют по приводимым ниже формулам для длинносоставных грузовых поездов, подставляя в них данные длинносоставных пассажирских поездов.
4.2.5. Для раздельного пункта
поперечного типа на однопутной линии (см.
рис. 4.1.2, а) возможны следующие случаи.
4.2.5.1.
Случай 1. Прием с остановкой длинносоставного (или соединенного) поезда и проследование без остановки встречного грузового поезда одинарной длины (либо пассажирского поезда), т.е.
l'
п >
lпол и
l"
п <=
lпол.
После остановки нечетного длинносоставного поезда
N 2001 (или соединенного поезда) на пути 3 с занятием
входной горловины (см. фрагмент графика движения поездов на
рис. 4.2.3, а1), не вместившуюся его хвостовую часть (или хвостовой состав соединенного поезда) переставляют на свободный путь и затем выполняют операции по пропуску встречного поезда. На
рис. 4.2.3, а1 точка
Ц1 показывает положение находящегося до расчетной оси раздельного пункта на расстоянии
0,5(l'п -
lпол) центра остановившегося нечетного поезда
N 2001 с занятием входной горловины, а точка
Ф1 - фиктивный момент его возможного совмещения с расчетной осью раздельного пункта. Интервал

определяют по графику
рис. 4.2.4. при расчетном расстоянии
Lпр, установленном по
формуле (4.1.1). Промежуток времени от точки
Ф1 до момента совмещения центра следующего без остановки встречного поезда
N 2002 (либо пассажирского
N 16) с расчетной осью раздельного пункта равен

, (4.2.3)
где t'пр - время, которое потребовалось бы на проход центра поезда N 2001 от точки Ц1 до точки Ф1.
Рис. 4.2.3. Интервалы неодновременного прибытия на раздельный пункт поперечного типа с остановкой и проследования встречного без остановки:
а1 - длинносоставного (или соединенного) поезда с занятием входной горловины и грузового поезда одинарной длины (либо пассажирского поезда);
а2 - то же с занятием выходной горловины;
б - грузового поезда одинарной длины (либо пассажирского) и длинносоставного (или соединенного) поезда;
в1 - длинносоставного (или соединенного) поезда с занятием входной горловины и длинносоставного (или соединенного) поезда;
в2 - то же с занятием выходной горловины.
--------------------------------
<x> Продолжительность операции зависит от конкретных условий расчета
Рис. 4.2.4. График расчета интервала

при отцепке хвостовой части длинносоставного поезда или хвостового состава соединенного поезда и перестановке на свободный путь.
4.2.5.1.1. При остановке нечетного длинносоставного поезда
N 2001 (или соединенного поезда) с занятием
выходной горловины
(рис. 4.2.3, а2) не вместившуюся его головную часть (или головной состав соединенного поезда) переставляют на свободный путь и затем выполняют операции по пропуску встречного поезда. На
рис. 4.2.3, а2 точка
Ц1 показывает положение находящегося за расчетной осью раздельного пункта на расстоянии
0,5(l'п -
lпол) центра остановившегося нечетного поезда
N 2001 после освобождения им входной горловины, но с занятием выходной горловины. Интервал

определяют по графику
рис. 4.1.7 при
Lпр по
формуле (4.1.1). Промежуток времени от момента совмещения центра прибывающего поезда
N 2001 с расчетной осью раздельного пункта до момента совмещения с ней центра пропускаемого без остановки поезда
N 2002 (либо
N 16) равен:

, (4.2.4)
где t'ос - время прохода первым принимаемым с остановкой нечетным поездом N 2001 расстояния 0,5(l'п - lпол) до освобождения им входной горловины.
4.2.5.2.
Случай 2. Прием с остановкой грузового поезда одинарной длины (либо пассажирского поезда) и проследование без остановки встречного длинносоставного (или соединенного) поезда, т.е.
l'
п <=
lпол и
l"
п >
lпол.
После остановки нечетного грузового поезда одинарной длины
N 2001 (либо пассажирского поезда
N 15) на пути 3, пропускают без остановки встречный длинносоставный поезд
N 2002 или соединенный поезд
(рис. 4.2.3, б). На
рис. 4.2.3, б точка
Ц2 соответствует положению центра поезда
N 2002 в момент освобождения им входной горловины. Интервал

определяют по графику
рис. 4.1.3 при
Lпр по
формуле (4.1.1) с учетом длины поезда
N 2002.
4.2.5.2.1. На двухпутной (либо многопутной) линии (см.
рис. 4.1.2, б) в случае приема нечетного пассажирского поезда
N 15 к пассажирскому зданию с пересечением главного пути II противоположного направления и проследования без остановки встречного длинносоставного поезда
N 2002 (или соединенного), фрагмент графика движения аналогичен изображенному на
рис. 4.2.3, б и интервал

определяют по графику
рис. 4.1.3 при
Lпр по
формуле (4.1.1) с учетом длины поезда
N 2002.
4.2.5.3.
Случай 3. Прием с остановкой длинносоставного (или соединенного) поезда и проследование без остановки встречного длинносоставного (или соединенного) поезда, т.е.
l'
п >
lпол и
l"
п >
lпол.
4.2.6. Для раздельного пункта
продольного или
полупродольного типа на однопутной линии и учете в графике движения поездов расчетной оси раздельного пункта и оси его приемо-отправочного парка (см.
рис. 4.1.4, а) возможны следующие случаи.
4.2.6.1.
Случай 1. l'
п >
lпол и
l"
п <=
lпол (см. характеристику случая 1 в начале
п. 4.2.5.1).
При приеме с остановкой нечетного длинносоставного поезда
N 2001 (или соединенного поезда) на путь 3 с занятием
центральной горловины и части пути I
а и проследовании без остановки встречного грузового поезда одинарной длины
N 2002 (либо пассажирского поезда
N 16) по путям 2 и 1
(рис. 4.2.5, а1), интервал

по ближней оси определяют по графику
рис. 4.1.3) при
Lппр по
формуле (4.1.3). На
рис. 4.2.5, а1 точка
Ц1 показывает положение находящегося после расчетной оси раздельного пункта на расстоянии
0,5(l'п -
lпол) центра остановившегося поезда
N 2001 с освобождением входной горловины;
t'
ос - время прохода поездом
N 2001 расстояния
0,5(l'п -
lпол) до освобождения им входной горловины. Промежуток времени между моментом совмещения с ближней осью центра поезда
N 2001 и моментом совмещения с дальней осью центра поезда
N 2002 (либо
N 16) определяют по
формуле (4.2.1) с заменой в ней на
tднп на
tднпа1д и добавлением
t'
ос, а между моментами совмещения с ближней осью центров поездов
N 2001 и
N 2002 (либо
N 16):

(4.2.5)
4.2.6.1.1. При расположении пассажирского здания на дальней оси, приеме нечетного длинносоставного поезда
N 2001 (или соединенного поезда) на путь 3 с занятием
центральной горловины и части пути I
а и проследовании без остановки встречного грузового поезда одинарной длины
N 2002 (либо пассажирского
N 16) по путям 2 и 1
рис. 4.2.5, а2, интервал

по ближней оси, промежуток времени между моментом совмещения с ближней осью центра поезда
N 2001 и моментом совмещения с дальней осью центра поезда
N 2002 (либо
N 16) и промежуток времени между моментами совмещения с ближней осью центров поездов
N 2001 и
N 2002 (либо
N 16) определяют как в п. 4.2.6.1 с заменой
tбнпа1д на
tбнпа2д и
tднпа1д на
tднпа2д.
4.2.6.2.
Случай 2. l'п <=
lпол и
l"п >
lпол (см. характеристику случая 2 в начале
п. 4.2.5.2). При приеме с остановкой нечетного грузового поезда одинарной длины
N 2001 (либо пассажирского поезда
N 15) и проследовании без остановки встречного длинносоставного поезда
N 2002 или соединенного поезда
(рис. 4.2.5, б1), интервал

по ближней оси определяют по графику
рис. 4.1.3 при
Lппр по
формуле (4.1.3) с учетом длины поезда N 2002.
Рис. 4.2.5. Интервалы неодновременного прибытия на раздельный пункт продольного или полупродольного типа с остановкой и проследования встречного без остановки поездов:
а1 - длинносоставного (или соединенного) и грузового одинарной длины (либо пассажирского) при расположении пассажирского здания (ПЗ) на ближней оси;
а2 - то же при расположении ПЗ на дальней оси;
б1 - грузового одинарной длины (либо пассажирского) и длинносоставного (или соединенного) при расположении ПЗ на ближней оси;
б2 - пассажирского и длинносоставного (или соединенного) при расположении ПЗ на дальней оси;
в - обоих длинносоставных (или соединенных).
На
рис. 4.2.5, б1 точка
Ц2 показывает положение находящегося после оси приемо-отправочного парка на расстоянии
0,5(l"
п -
lпол) центра пропускаемого без остановки поезда
N 2002 при освобождении этим поездом входной горловины. Промежуток времени между моментом остановки поезда
N 2001 (либо
N 15) и точкой
Ц2 равен

, (4.2.6)
где t"ос - время прохода встречным поездом N 2002 или соединенным поездом расстояния 0,5(l"п - lпол) до освобождения им входной горловины.
Промежуток времени от момента остановки поезда
N 2001 (либо
N 15) до момента совмещения центра пропускаемого встречного поезда
N 2002 с осью приемо-отправочного парка определяют по
формуле (4.2.1) с заменой в ней
tднп на
tднпб1д.
4.2.6.2.1. При расположении пассажирского здания на дальней оси со стороны первого принимаемого нечетного грузового поезда одинарной длины
N 2001, в случае проследовании без остановки встречного длинносоставного поезда
N 2002 (или соединенного поезда) интервал

и необходимые промежутки времени определяют как в п. 4.2.6.2.
4.2.6.2.2. Когда к пассажирскому зданию на дальней оси первым принимают пассажирский поезд
N 15 и затем пропускают без остановки встречный длинносоставный поезд
N 2002 или соединенный поезд
(рис. 4.2.5, б2), то интервал

по дальней оси определяют по графику
рис. 4.1.3 при
Lпр по
формуле (4.1.1). Промежуток времени от момента остановки поезда
N 15 до момента, соответствующего положению центра встречного поезда
N 2002 при освобождении этим поездом входной горловины (точка
Ц2) равен

(4.2.7)
По ближней оси промежуток времени между моментами совмещения с ней центров встречных поездов
N 15 и
N 2002 определяют по
формуле (4.2.2) с заменой
tбнп на t
бнпб2д.
4.2.6.2.3. На двухпутной (либо многопутной) линии (см.
рис. 4.1.4, б) в случае приема нечетного пассажирского поезда
N 15 к пассажирскому зданию с пересечением главного пути II противоположного направления и проследования без остановки встречного длинносоставного поезда
N 2002 или соединенного поезда, фрагмент графика движения аналогичен изображенному на
рис. 4.2.5, б2 и расчеты выполняют как в
п. 4.2.6.2.2.
4.2.6.3.
Случай 3. l'п >
lпол и
l"
п >
lпол (см. характеристику случая 3 в начале
п. 4.2.5.3).
При приеме с остановкой нечетного длинносоставного поезда
N 2001 (или соединенного поезда) на путь 3 с занятием
центральной горловины и части пути I
а и проследовании без остановки встречного длинносоставного поезда
N 2002 (или соединенного поезда) по путям 2 и 1
(рис. 4.2.5, в), интервал

по ближней оси определяют по графику
рис. 4.1.3 при
Lппр по
формуле (4.1.3). На
рис. 4.2.5, в положение точки
Ц1 такое же, как на
рис. 4.2.5, а1, точки
Ц2 - как на
рис. 4.2.5, б1. Промежуток времени от момента остановки поезда
N 2001 (точка
Ц1) до момента, соответствующего положению центра встречного поезда
N 2002 при освобождении этим поездом входной горловины (точка
Ц2) определяют по
формуле (4.2.6) с заменой в ней
tонпб1д на
tонпвд. Промежуток времени от момента совмещения с ближней осью центра поезда
N 2001 до момента совмещения с дальней осью центра встречного поезда
N 2002 определяют по
формуле (4.2.1) с заменой в ней
tднп на
tднпвд и добавлением
t'
ос. Промежуток времени между моментами совмещения с ближней осью центров поездов
N 2001 и
N 2002 определяют по
(4.2.5) с заменой в ней
tбнпа1д на
tбнпвд.
4.3. Интервал скрещения поездов
(тип III).
При определении Интервала скрещения необходимо выделять случаи запрещения одновременного приема на станцию поездов противоположных направлений (
Приложение N 6 пункт 70 ПТЭ РФ) - Одновременный прием на станцию поездов противоположных направлений не допускается, если подход к станции хотя бы с одной стороны расположен на затяжном спуске и при этом маршрут приема поезда со стороны, противоположной этому спуску, не изолирован от маршрута приема встречного поезда (предохранительным тупиком, улавливающим тупиком, полной взаимной изоляцией маршрутов).
4.3.1. Интервалом скрещения поездов называют минимальный промежуток времени от момента прибытия
(рис. 4.3.1, а) либо проследования
(рис. 4.3.1, б) раздельного пункта грузовым или пассажирским поездом до момента отправления на тот же перегон встречного грузового или пассажирского поезда. Интервал

включает время выполнения технологических операций по контролю прибытия первого поезда в расчетной паре поездов, время приготовления маршрута отправления поезда встречного направления и открытия выходного сигнала и время на восприятие сигнала машинистом и приведение им поезда в движение.
Рис. 4.3.1. Интервалы скрещения грузовых (пассажирских) поездов при:
а - остановке прибывающего поезда;
б - проследовании прибывающего поезда без остановки.
4.3.2.1. На двухпутной (либо многопутной) линии
(рис. 4.3.2, б) в случае приема, например, нечетного пассажирского поезда N 15 к пассажирскому зданию с пересечением главного пути II противоположного направления интервал

определяют по графику
рис. 4.3.3 с учетом
первого Примечания в п. 4.1.2. Аналогично интервал

определяют, если принимаемый нечетный грузовой поезд пересекает главный путь II противоположного направления и затем отправляют четный пассажирский поезд.
Рис. 4.3.2. Схемы расположения поездов при расчете интервалов скрещения для раздельных пунктов поперечного типа:
а - на однопутной линии;
б - на двухпутной линии при приеме пассажирского поезда к пассажирскому зданию с пересечением главного пути противоположного направления.
--------------------------------
<*> Продолжительность операции зависит от конкретных условий расчета
Рис. 4.3.3. График расчета интервала скрещения поездов

для всех случаев, кроме расчета интервала скрещения при необходимости объединения перед отправлением частей встречного длинносоставного поезда или головного и хвостового составов соединенного поезда.
4.3.2.2. Для электрожезловой системы блокировки при движении поездов интервал скрещения определяют с учетом обмена жезлов без пропуска их через жезловой аппарат (за исключением перегонов, где жезловые аппараты оборудованы ключами-жезлами) с соблюдением требований, установленных
Инструкцией по движению поездов и маневровой работе на железных дорогах Российской Федерации. При этом время на переговоры о движении поездов между
ДСП в интервал скрещения не включают.
4.3.3. При достаточной длине приемо-отправочных путей, для раздельного пункта
продольного или
полупродольного типа на однопутной линии и учете в графике движения поездов расчетной оси раздельного пункта и оси его приемо-отправочного парка
(рис. 4.3.4, а), продолжительность интервала скрещения

по дальней оси со стороны принимаемого или пропускаемого грузового поезда
N 2001 (на
рис. 4.3.4, а при расчете интервала по нечетной горловине - ось приемо-отправочного парка) определяют по графику
рис. 4.3.3. Промежуток времени по ближней оси (расчетная ось раздельного пункта) между моментом остановки или проследования поезда
N 2001 и моментом совмещения с этой осью центра встречного поезда
N 2002 равен

, (4.3.1)
где

- время прохода отправляемым встречным грузовым поездом
N 2002 расстояния
lмо от оси приемо-отправочного парка до расчетной оси раздельного пункта.
Рис. 4.3.4. Схемы расположения поездов при расчете интервалов скрещения для раздельных пунктов продольного или полупродольного типа:
а - на однопутной линии;
б - на двухпутной линии при приеме пассажирского поезда к пассажирскому зданию с пересечением главного пути противоположного направления.
4.3.3.1. Если встречным поездом является пассажирский, который отправляют с пути у пассажирского здания, расположенного на ближней оси, то интервал скрещения поездов

по этой оси определяют по графику
рис. 4.3.3.
4.3.3.2. При расположении пассажирского здания на дальней оси, когда встречным является пассажирский или грузовой поезд (см. фрагмент графика движения поездов на
рис. 4.3.5, а), то промежуток времени

по ближней оси определяют по
формуле (4.3.1) с заменой в ней

на

; при этом в

учитывают среднюю скорость движения встречного пассажирского или грузового поезда между расчетной осью раздельного пункта и осью приемо-отправочного парка.
Примечание: На
рис. 4.3.5, а пунктирное продолжение "нитки" поезда N 2001 соответствует проследованию его через раздельный пункт без остановки.
Рис. 4.3.5. Интервалы скрещения на раздельном пункте продольного или полупродольного типа при расположении пассажирского здания на дальней оси со стороны принимаемого или пропускаемого поезда:
а - грузового и встречного пассажирского или грузового;
б - пассажирского и встречного грузового или пассажирского.
4.3.3.3. Когда при расположении пассажирского здания на дальней оси, пассажирский поезд
N 15 принимают или пропускают по главному пути I
(рис. 4.3.5, б), то промежуток времени по ближней оси между моментами совмещения с ней центров встречных поездов
N 15 и
N 2002 (либо
N 16) равен:

, (4.3.2)
где

- время прохода принимаемым или пропускаемым без остановки пассажирским поездом
N 15 расстояния
lмо от оси приемо-отправочного парка до расчетной оси раздельного пункта.
4.3.3.4. На двухпутной (либо многопутной) линии
(рис. 4.3.4, б) в случае приема нечетного пассажирского поезда
N 15 к пассажирскому зданию с пересечением главного пути II противоположного направления промежуток времени по ближней оси между моментами совмещения с ней центров встречных поездов
N 15 и
N 2002 (либо
N 16) определяют по
формуле (4.3.2).
4.3.4. При скрещении
длинносоставных и
соединенных поездов учитывают длину принимаемого (или пропускаемого)

и отправляемого встречного

, а также полезную длину приемо-отправочных путей
lпол. При обращении длинносоставных пассажирских поездов интервалы определяют (за исключением приема пассажирского длинносоставного поезда к пассажирскому зданию, расположенному на дальней оси) по формулам для длинносоставных грузовых поездов, подставляя в них данные длинносоставных пассажирских поездов.
4.3.5. Для раздельного пункта
поперечного типа на однопутной линии (см.
рис. 4.3.2, а) возможны следующие случаи.
4.3.5.1.
Случай 1. Скрещение длинносоставного (или соединенного) поезда со встречным грузовым поездом одинарной длины (либо пассажирским), т.е.

и

.
Нечетный длинносоставный поезд
N 2001 (или соединенный поезд) принимают с занятием
выходной горловины и части перегона за ней и после освобождения поездом
N 2001 входной горловины отправляют четный встречный поезд
N 2002 (либо
N 16). Соответствующий этому случаю фрагмент графика движения поездов представлен на
рис. 4.3.6, а, на котором точка
Ц1 показывает положение центра остановившегося или пропускаемого без остановки поезда
N 2001 после освобождения им входной горловины. Промежуток времени от момента совмещения центра длинносоставного поезда
N 2001 с расчетной осью раздельного пункта до момента отправления встречного поезда
N 2002 (либо
N 16) равен:

, (4.3.3)
где

- время прохода принимаемым или пропускаемым поездом
N 2001 расстояния

до освобождения им входной горловины;

- интервал скрещения, определяемый по графику
рис. 4.3.3.
Рис. 4.3.6. Интервалы скрещения на раздельном пункте поперечного типа поездов:
а - длинносоставного (или соединенного) и одинарной длины;
бн - одинарной длины и длинносоставного (или соединенного) при условиях, соответствующих запрещению одновременного приема поездов;
бр - то же при условиях, соответствующих разрешению одновременного приема поездов;
в - двух длинносоставных (или соединенных).
4.3.5.2.
Случай 2. Скрещение грузового поезда одинарной длины (либо пассажирского поезда) со встречным длинносоставным (или соединенным) поездом, т.е.

,

.
При условии, соответствующем запрещению одновременного приема встречных поездов (
Приложение N 6 пункт 70 ПТЭ РФ), нечетный грузовой поезд одинарной длины
N 2001 (либо пассажирский
N 15) может быть принят на раздельный пункт, если части встречного длинносоставного поезда
N 2002 (или головной и хвостовой составы соединенного поезда) находятся на двух приемо-отправочных путях в границах их полезной длины. После прибытия поезда
N 2001 (либо
N 15), осуществляют соединение частей длинносоставного поезда
N 2002 (или составов соединенного поезда) и затем отправляют его
(рис. 4.3.6, бн); на этом рисунке точка
Ц2 показывает положение находящегося от оси раздельного пункта на расстоянии

(где
lг - длина выходной горловины пути отправления встречного поезда) центра подготовленного к отправлению длинносоставного поезда
N 2002 (или соединенного поезда), а точка
Ф2 - фиктивный момент его возможного совмещения с расчетной осью раздельного пункта (
ст. А). Интервал скрещения поездов

определяют по графику
рис. 4.3.7 (или
4.3.7, а). Промежуток времени от момента остановки поезда
N 2001 либо
N 15 (или его проследования) до точки
Ф2 равен:

, где (4.3.4)
t"пр - время, которое потребовалось бы на проход центра поезда N 2002 от точки Ф2 до точки Ц2.
--------------------------------
<*> Продолжительность операции зависит от конкретных условий расчета
Рис. 4.3.7. График расчета интервала скрещения поездов

при необходимости объединения перед отправлением головной и хвостовой частей встречного длинносоставного поезда.
--------------------------------
<*> Продолжительность операции зависит от конкретных условий расчета
Рис. 4.3.7 а. График расчета интервала скрещения поездов

при необходимости объединения перед отправлением головного и хвостового составов встречного соединенного поезда (автоблокировка, электрическая централизация стрелок).
4.3.5.2.1. Если при приеме поезда
N 2001 (либо
N 15) исключен его выход за
выходную горловину (например, при наличии на
рис. 4.3.2, а предохранительного тупика с пути 3), то подготовленный к отправлению встречный длинносоставный поезд
N 2002 (или соединенный поезд) может находиться на пути 2 с занятием упомянутой горловины и части перегона. В этом случае после остановки поезда
N 2001 (либо
N 15) на пути 3, на перегон отправляют встречный поезд
N 2002
(рис. 4.3.6, бр); на этом рисунке точка
Ц2 показывает положение центра поезда
N 2002 перед отправлением. Промежуток времени от момента остановки поезда
N 2001 (либо
N 15) до момента совмещения с расчетной осью раздельного пункта центра отправленного поезда
N 2002 равен:

, (4.3.5)
где

- интервал скрещения, определяемый по графику
рис. 4.3.3;

- время прохода отправляемым поездом
N 2002 расстояния

, т.е. до момента совмещения центра этого поезда с расчетной осью
ст. А.
4.3.5.2.2. На двухпутной (либо многопутной) линии (см.
рис. 4.3.2, б) в случае приема нечетного пассажирского поезда
N 15 к пассажирскому зданию с пересечением главного пути II противоположного направления фрагменты графиков движения поездов аналогичны изображенным на
рис. 4.3.6, бн и
4.3.6, бр и расчеты выполняют соответственно по
формулам (4.3.4) и
(4.3.5).
4.3.5.3.
Случай 3. Скрещение двух длинносоставных (или соединенных) поездов, т.е

и

.
Части встречного длинносоставного поезда
N 2002 (или головной и хвостовой составы соединенного поезда) находятся на двух приемо-отправочных путях в границах их полезной длины. Нечетный длинносоставный поезд
N 2001 (или соединенный поезд) принимают с занятием
выходной горловины и части перегона за ней, и после освобождения принимаемым или пропускаемым поездом
N 2001 входной горловины, соединяют и отправляют встречный поезд
N 2002
(рис. 4.3.6, в); на этом рисунке положение точки
Ц1 такое же, как на
рис. 4.3.6, а, точек
Ф2 и
Ц2 - как на
рис. 4.3.6, бн. Промежуток времени от момента совмещения центра длинносоставного поезда
N 2001 с расчетной осью раздельного пункта до точки
Ф2 равен:

(4.3.6)
4.3.6. Для раздельного пункта
продольного и
полупродольного типа на однопутной линии при учете в графике движения поездов расчетной оси раздельного пункта и оси его приемо-отправочного парка (см.
рис. 4.3.4, а) возможны следующие случаи:
4.3.6.1.
Случай 1. 
и

(см. характеристику случая 1 в начале
п. 4.3.5.1).
Грузовой поезд одинарной длины
N 2002 находится на пути 2. Длинносоставный поезд
N 2001 (или соединенный поезд) принимают или пропускают с занятием путей 3 и I
а и после освобождения им
входной горловины и отправляют встречный поезд
N 2002
(рис. 4.3.8, а); на этом рисунке точка
Ц1 показывает положение центра остановившегося или пропускаемого без остановки поезда
N 2001 после освобождения им входной горловины. Промежуток времени между моментами совмещения центров встречных поездов
N 2001 и
N 2002 с расчетной осью раздельного пункта (
ст. А) равен:

(4.3.7)
Рис. 4.3.8. Интервалы скрещения на раздельном пункте продольного или полупродольного типа поездов:
а - длинносоставного (или соединенного) и одинарной длины;
б1 - одинарной длины и длинносоставного (или соединенного);
б2 - пассажирского и длинносоставного (или соединенного) при расположении пассажирского здания на дальней оси;
в - двух длинносоставных (или соединенных).
4.3.6.1.1. При необходимости пропуска длинносоставного поезда
N 2001 (или соединенного поезда) по главному пути I, отправить встречный поезд
N 2002 можно только после освобождения поездом
N 2001 центральной горловины и поэтому промежуток времени между моментами совмещения центров встречных поездов
N 2001
и N 2002 с расчетной осью раздельного пункта будет больше рассчитанного по
формуле (4.3.7) на величину

- время прохода поездом
N 2001 расстояния
lмо от расчетной оси раздельного пункта до оси приемо-отправочного парка.
4.3.6.1.2. Если встречным поездом является пассажирский, который отправляют с пути у пассажирского здания, то промежуток времени от момента совмещения центра поезда
N 2001 с расчетной осью раздельного пункта до момента отправления встречного пассажирского поезда определяют по
формуле (4.3.3) с заменой в ней
tсад на
tбсад; при этом фрагмент графика движения поездов по ближней оси аналогичен, указанному на
рис. 4.3.6, а.
4.3.6.1.3. При расположении пассажирского здания на дальней оси со стороны принимаемого или пропускаемого грузового поезда
N 2001 и если встречным является грузовой поезд одинарной длины (либо пассажирский поезд), то при расчете промежутка времени по
формуле (4.3.7) для ближней оси (в этом случае - ось приемо-отправочного парка) в

учитывают среднюю скорость движения этого грузового (либо пассажирского) поезда между расчетной осью раздельного пункта и осью приемо-отправочного парка.
4.3.6.2.
Случай 2. 
и

(см. характеристику случая 2 в начале
п. 4.3.5.2).
Встречный длинносоставный поезд
N 2002 (или соединенный поезд) находится перед четным
выходным сигналом со станции с занятием (см.
рис. 4.3.4, а) путей I и 2 и отправляется после остановки грузового поезда одинарной длины
N 2001 (либо пассажирского поезда
N 15) на пути 3 или его проследования без остановки на станции
(рис. 4.3.8, б1); на этом рисунке точка
Ц2 показывает положение находящегося до оси раздельного пункта на расстоянии

центра длинносоставного поезда
N 2002 (или соединенного поезда) перед отправлением. В этом случае по ближней оси промежуток времени от момента остановки или проследования поезда
N 2001 (либо
N 15) до совмещения с этой осью центра встречного поезда
N 2002 определяют по
формуле (4.3.5) с заменой в ней
tсбрд на
tбсб1д.
4.3.6.2.1. При расположении пассажирского здания на дальней оси, после приема по главному пути I с остановкой пассажирского поезда
N 15, отправляют встречный длинносоставный поезд
N 2002 (или соединенный поезд), который находится перед выходным сигналом с пути 2, занимая входную горловину и часть перегона
(рис. 4.3.8, б2); точка
Ц2 - положение центра поезда
N 2002 перед отправлением. В этом случае по ближней оси (ось приемо-отправочного парка) промежуток времени между моментами совмещения с этой осью центров встречных поездов
N 15 и
N 2002 равен:

(4.3.8)
4.3.6.2.2. Для пропуска пассажирского поезда
N 15 по главному пути I без остановки надо, чтобы части встречного длинносоставного поезда
N 2002 (или головной и хвостовой составы соединенного поезда) находились на двух приемо-отправочных путях в границах их полезной длины и соединялись для отправления после проследования поездом
N 15 расчетной оси раздельного пункта. В этом случае интервал скрещения

по дальней оси (расчетная ось раздельного пункта) определяют по графику
рис. 4.3.7 (или
4.3.7, а). По ближней оси промежуток времени между моментом совмещения с этой осью центров встречных поездов
N 15 и
N 2002 определяют по
формуле (4.3.2) с заменой в ней

на

(см.
рис. 4.3.5, б).
4.3.6.2.3. Если пропуск пассажирского поезда
N 15 (или грузового поезда
N 2001) без остановки возможен по приемо-отправочному пути 3 и главному пути I
а, то встречный длинносоставный поезд
N 2002 (или соединенный поезд) может находиться перед четным выходным сигналом со станции, занимая пути I и 2, и отправляться после проследования поездом
N 15 (или
N 2001) оси приемо-отправочного парка. При этом центр поезда
N 2002 аналогично
рис. 4.3.8, б1 находится перед осью приемо-отправочного парка на расстоянии
0,5(l"
п -
lпол). По оси этого парка, которая при расположении пассажирского здания на дальней оси является ближней, промежуток времени между моментами совмещения с ней центров встречных поездов
N 15 (или
N 2001) и
N 2002 определяют по
формуле (4.3.5).
4.3.6.2.4. На двухпутной (либо многопутной) линии
(рис. 4.3.4, б) в случае приема нечетного пассажирского поезда
N 15 к пассажирскому зданию с пересечением главного пути II противоположного направления фрагмент графика движения поездов аналогичен изображенному на
рис. 4.3.8, б2 и расчет выполняют по
формуле (4.3.8).
4.3.6.3.
Случай 3. 
и

(см. характеристику случая 3 в начале
п. 4.3.5.3).
Встречный длинносоставный поезд
N 2002 (или соединенный поезд) находится перед четным выходным сигналом со станции с занятием путей I и 2 (см.
рис. 4.3.4, а) и отправляется после остановки либо проследования без остановки по путям 3 и I
а длинносоставного поезда
N 2001 (или соединенного поезда) когда он освободит входную горловину
(рис. 4.3.8, в). На
рис. 4.3.8, в положение точки
Ц1 такое же, как на
рис. 4.3.8, а, точки
Ц2 - как на
рис. 4.3.8, б1. По ближней оси (расчетная ось раздельного пункта) промежуток времени между моментами совмещения с этой осью центров встречных поездов
N 2001 и
N 2002 равен:

(4.3.9)
4.3.6.3.1. В случае расположения пассажирского здания на дальней оси и встречного отправления длинносоставного (или соединенного) поезда расчет выполняют по
формуле (4.3.9).
4.4. Интервал неодновременного отправления и встречного
прибытия поездов при враждебных маршрутах
(тип IV)
4.4.1. Интервалом

называется минимальный промежуток времени от момента отправления с раздельного пункта (проследования) грузового либо пассажирского поезда на одну линию (или одного направления движения) до момента прибытия на этот же раздельный пункт (проследования) грузового либо пассажирского поезда с другой линии (или встречного направления), маршруты следования которых пересекаются
(рис. 4.4.1).
Рис. 4.4.1. Интервалы неодновременного отправления и встречного прибытия поездов при враждебных маршрутах

:
а - раздельное изображение "ниток" графика движения поездов на линиях, примыкающих к раздельному пункту А;
б - совмещенное изображение для тех же условий;
Lот - расстояние от расчетной оси раздельного пункта А до положения центра поезда N 3002, отправляемого на линию Г, в момент освобождения последней выходной стрелки (второе положение поезда N 3002);
t - время выполнения технологических операций по отправлению и приему поездов;
Lпр - расстояние от центра принимаемого с линии Б поезда N 2001 в момент подхода его к предупредительному сигналу (второе положение поезда N 2001) до расчетной оси раздельного пункта А;
1 - первое положение поездов N 3002 и N 2001;
2 - то же второе;
3 - то же третье.
4.4.1.1. Интервалы

определяют для всех заданных сочетаний скоростей движения грузовых и пассажирских поездов, их приема (проследования) и отправления (проследования).
4.4.2. При достаточной длине приемо-отправочных путей, для раздельного пункта
поперечного типа на однопутной линии
(рис. 4.4.2) продолжительность интервала

включает определяемое тяговыми расчетами время прохода отправляемым поездом расчетного расстояния
Lот до освобождения им последней выходной стрелки в маршруте отправления или изолирующего стыка (операция
N 1 на
рис. 4.4.3), выполнение технологических операций по отправлению поезда на одну линию и по приему встречного поезда с другой линии <*> (операции
NN 2 - 4, а также время прохода встречным поездом расчетного расстояния
Lпр (операция
N 5).
--------------------------------
Рис. 4.4.2. Схема расположения поездов при расчете интервала

для раздельного пункта поперечного типа на однопутной линии.
--------------------------------
<*> Продолжительность операции зависит от конкретных условий расчета
Рис. 4.4.3. График расчета интервала

Расчетное расстояние
Lот с учетом
п. 3.20 равно:
Lот = 0,5
lпол +
lг + 0,5
l"п, (4.4.1)
где
lпол - полезная длина приемо-отправочного пути отправления поезда (с учетом
п. 3.7), м;
lг - расстояние от выходного сигнала до последней выходной стрелки в маршруте отправления или до изолирующего стыка, м;
l"п - длина отправляемого поезда, м.
В общем случае расстояние
lг может быть не равно
lвх, входящему в
формулу (4.1.1).
Аналогично представленному на
рис. 4.4.2 фрагменту графика движения поездов будет фрагмент при отправлении поезда
N 2002 на
Б и приеме встречного поезда
N 3003 из
Г.
4.4.2.1. На двухпутной (либо многопутной) линии (см.
рис. 4.1.2, б) при отправлении нечетного пассажирского поезда
N 15 на
В с пересечением главного пути II противоположного направления встречный поезд
N 2002 может быть принят через интервал

, определяемый по графику
рис. 4.4.3 при
Lот по
формуле (4.4.1) и
Lпр по
формуле (4.1.1).
Такая же ситуация имеет место, когда поезд N 15 отправляют на другую линию (например, Д) с пересечением главных путей I и II линии В.
4.4.2.2. При отправлении с пути II четного грузового либо пассажирского поезда на
Б (см.
рис. 4.1.2, б) встречный нечетный пассажирский поезд можно принять на путь 4 после освобождения отправленным четным поездом последней выходной стрелки, т.е. через интервал

. Аналогично интервал

определяют, если отправляют четный пассажирский поезд и затем принимают нечетный грузовой поезд с пересечением главного пути II противоположного направления.
4.4.3. При достаточной длине приемо-отправочных путей, для раздельного пункта
продольного или
полупродольного типа на однопутной линии и учете в графике движения поездов расчетной оси раздельного пункта и оси его приемо-отправочного парка
(рис. 4.4.4) промежуток времени от момента отправления поезда
N 3002 на
Г с пути 2 до момента остановки встречного поезда
N 2001 из
Б равен:

, (4.4.2)
где t"мо - время прохода отправляемым поездом N 3002 расстояния lмо от оси приемо-отправочного парка до расчетной оси раздельного пункта;
Рис. 4.4.4. Схема расположения поездов при расчете интервала

для раздельного пункта продольного или полупродольного типа на однопутной линии.
4.4.3.1. Если встречным поездом является пассажирский
N 15, который принимают на путь у пассажирского здания, расположенного на дальней оси (соответствующий этому случаю фрагмент графика движения поездов представлен на
рис. 4.4.5), то интервал

по ближней оси (ось приемо-отправочного парка) определяют по графику
рис. 4.4.3 при
Lот по
формуле (4.4.1) и
Lпр по
формуле (4.1.1). Промежуток времени между моментами отправления поезда
N 3002 (либо
N 16) и остановки встречного поезда
N 15 составляет:

, (4.4.3)
где t'мо - время прохода встречным пассажирским поездом N 15 расстояния lмо от оси приемо-отправочного парка до расчетной оси раздельного пункта.
Рис. 4.4.5. Интервал

для раздельного пункта продольного или полупродольного типа при расположении пассажирского здания на дальней оси и встречном пассажирском поезде.
4.4.3.2. На двухпутной (либо многопутной) линии (см.
рис. 4.1.4, б) при отправлении нечетного пассажирского поезда на
В (или Д) порядок определения интервала

такой же, как в
п. 4.4.2.1.
4.4.3.3. При отправлении с пути II четного грузового либо пассажирского поезда на
Б (см.
рис. 4.1.4, б) порядок определения интервала

такой же, как в
п. 4.4.2.2.
4.4.4. При отправлении и приеме длинносоставных и соединенных поездов (длина которых больше полезной длины приемо-отправочных путей) учитывают длину поездов отправленного с раздельного пункта l"п и принимаемого встречного l'п, а также полезную длину приемо-отправочных путей lпол. В случае обращения длинносоставных пассажирских поездов интервалы определяют порядком, аналогичным для грузовых поездов.
4.4.5. Для раздельного пункта
поперечного типа (см.
рис. 4.4.2) возможны следующие случаи.
4.4.5.1.
Случай 1. Отправление длинносоставного (или соединенного) поезда и последующий прием встречного грузового поезда одинарной длины (либо пассажирского поезда), т.е.
l"
п >
lпол и
l'
п <=
lпол.
Отправляемый длинносоставный поезд
N 3002 (или соединенный поезд) находится перед выходным сигналом, занимая
входную горловину и часть перегона, и после освобождения им последней выходной стрелки маршрута отправления осуществляется прием встречного грузового поезда одинарной длины
N 2001 либо пассажирского поезда
N 15
(рис. 4.4.6, а). Интервал

определяют по графику
рис. 4.4.3 при
Lот по
формуле (4.4.1) с учетом длины поезда
N 3002 и
Lпр по
формуле (4.1.1) с учетом длины поезда
N 2001 (либо
N 15). На
рис. 4.4.6, а точка
Ц2 показывает положение находящегося до расчетной оси раздельного пункта на расстоянии
0,5(l"
п -
lпол) центра отправляемого поезда
N 3002. Промежуток времени между моментами отправления поезда
N 3002 и остановки поезда
N 2001 (либо
N 15) равен:

, где (4.4.4)
t"ос - время прохода поездом N 3002 расстояния 0,5(l"п - lпол) до совмещения его центра с расчетной осью раздельного пункта.
Рис. 4.4.6. Интервалы

на раздельном пункте поперечного типа для поездов:
а - длинносоставного (или соединенного) и встречного одинарной длины (либо пассажирского);
б - грузового одинарной длины (либо пассажирского) и встречного длинносоставного (или соединенного);
в - обоих длинносоставных (или соединенных).
4.4.5.2.
Случай 2. Отправление грузового поезда одинарной длины (либо пассажирского поезда) и последующий прием встречного длинносоставного (или соединенного) поезда, т.е.
l"
п <=
lпол и
l'
п >
lпол.
После освобождения грузовым поездом одинарной длины
N 3002 (либо пассажирским поездом
N 16) последней выходной стрелки осуществляют прием встречного длинносоставного поезда
N 2001 (либо соединенного поезда) с занятием им
выходной горловины раздельного пункта и части перегона
(рис. 4.4.6, б). Интервал

определяют по графику
рис. 4.4.3. На
рис. 4.4.6, б точка
Ц1 показывает положение находящегося за расчетной осью раздельного пункта на расстоянии
0,5(l'
п -
lпол) центра остановившегося встречного поезда N 2001 после освобождения им входной горловины, но с занятием выходной горловины. Промежуток времени между моментами отправления поезда
N 3002 (либо
N 16) и остановки поезда
N 2001 равен:

, где (4.4.5)
t'ос - время прохода поездом N 2001 расстояния 0,5(l'п - lпол) до освобождения им входной горловины.
4.4.5.3.
Случай 3. Отправление длинносоставного (или соединенного) поезда и последующий прием встречного длинносоставного (или соединенного) поезда, т.е. l"п > lпол и l'п > lпол.
Отправляемый длинносоставный поезд N 3002 (или соединенный поезд) находится перед выходным сигналом, занимая
входную горловину и часть перегона, и после освобождения им последней выходной стрелки осуществляется прием встречного длинносоставного поезда
N 2001 (или соединенного поезда) с занятием им
выходной горловины и части перегона
(рис. 4.4.6, в). Интервал

определяют по графику
рис. 4.4.3. На
рис. 4.4.6, в положение точки
Ц2 такое же, как на
рис. 4.4.6, а, точки
Ц1 - как на
рис. 4.4.6, б. Промежуток времени между моментами отправления поезда
N 3002 и остановки поезда
N 2001 равен

(4.4.6)
4.4.6. Для раздельного пункта
продольного или
полупродольного типа и учете в графике движения поездов расчетной оси раздельного пункта и оси его приемо-отправочного парка (см.
рис. 4.4.4) возможны следующие случаи.
4.4.6.1.
Случай 1. l"
п >
lпол и
l'
п <=
lпол (см. характеристику случая 1 в начале
п. 4.4.5.1).
Отправляемый длинносоставный поезд
N 3002 (или соединенный поезд) находится перед выходным со станции сигналом, занимая пути I и 2, и после освобождения им последней выходной стрелки осуществляется прием встречного грузового поезда одинарной длины
N 2001 либо пассажирского поезда
N 15
(рис. 4.4.7, а). Интервал

по ближней оси (расчетная ось раздельного пункта) определяют по графику
рис. 4.4.3 при
Lот по
формуле (4.4.1) и
Lпр по
формуле (4.1.1). На
рис. 4.4.7, а, точка
Ц2 показывает положение находящегося до расчетной оси раздельного пункта на расстоянии
0,5(l"п -
lпол) центра отправляемого поезда
N 3002. Промежуток времени между моментом отправления поезда
N 3002 и остановки поезда
N 2001 (либо
N 15) определяют по
формуле (4.4.4), заменяя в ней
tовпад на
tопвпад.
Рис. 4.4.7. Интервалы

на раздельном пункте продольного или полупродольного типа для поездов:
а - длинносоставного (или соединенного) и встречного одинарной длины (либо пассажирского);
б - грузового одинарной длины (либо пассажирского) и встречного длинносоставного (или соединенного)
в - обоих длинносоставных (или соединенных).
4.4.6.2.
Случай 2. l"п <=
lпол и
l'п >
lпол (см. характеристику случая 2 в начале
п. 4.4.5.2).
Отправляемый грузовой поезд одинарной длины
N 3002 находится перед выходным сигналом с пути 2 и после освобождения им последней выходной стрелки осуществляется прием встречного длинносоставного поезда
N 2001 (или соединенного поезда) с занятием
центральной горловины и части пути I
а (рис. 4.4.7, б). Интервал

по ближней оси определяют по графику
рис. 4.4.3. На
рис. 4.4.7, б точка
Ц1 показывает положение находящегося за расчетной осью раздельного пункта на расстоянии
0,5(l'
п -
lпол) центра остановившегося поезда
N 2001 после освобождения им входной горловины. Промежуток времени между моментами отправления поезда
N 3002 и остановкой поезда
N 2001 равен:

(4.4.7)
4.4.6.2.1. При расположении пассажирского здания на дальней оси, отправлении грузового поезда одинарной длины (либо пассажирского поезда) и приеме встречного длинносоставного (или соединенного поезда), интервал

по ближней оси (ось приемо-отправочного парка) определяют по графику
рис. 4.4.3. Промежуток времени между моментами отправления поезда
N 3002 (либо
N 16) и остановки поезда
N 2001 определяют по
формуле (4.4.7).
4.4.6.3.
Случай 3. l"
п >
lпол и
l'
п >
lпол (см. характеристику случая 3 в начале
п. 4.4.5.3). Отправляемый длинносоставный поезд
N 3002 (или соединенный поезд) находится перед выходным со станции сигналом, занимая пути I и 2, и после освобождения им последней выходной стрелки осуществляется прием встречного длинносоставного поезда
N 2001 (или соединенного поезда) с занятием
центральной горловины и части пути I
а (рис. 4.4.7, в). Интервал

по ближней оси определяют по графику
рис. 4.4.3. На
рис. 4.4.7, в положение точки
Ц2 такое же, как на
рис. 4.4.7, а, точки
Ц1 - как на
рис. 4.4.7, б. Промежуток времени между моментами отправления поезда
N 3002 и остановки поезда
N 2001 определяют по
формуле (4.4.6) с заменой в ней
tовпвд на
tопвпвд.
4.5. Интервал безостановочного скрещения поездов
на двухпутной вставке
(тип V)
4.5.1. Безостановочное скрещение поездов осуществляется, как правило, при наличии двухпутных вставок.
4.5.2. Для эффективной реализации безостановочного скрещения поездов необходимо выполнение следующих основных условий:
достаточная длина двухпутной вставки;
наличие диспетчерской централизации, поездной радиосвязи и автоматической локомотивной сигнализации;
длина блок-участка не менее длины тормозного пути поездов, осуществляющих безостановочное скрещение;
идентичность перегонов на участке между осями безостановочного скрещения поездов;
возможность трогания с места поезда, остановившегося в конце двухпутной вставки (расположенной на подъеме) у выходного светофора;
изоляция на раздельном пункте (расположенном в пределах двухпутной вставки) местной работы от движения поездов;
желательно оборудование обоих путей двухпутной вставки автоблокировкой для двустороннего движения.
4.5.3. Для двухпутной вставки устанавливают расположение по ее концам двух расчетных осей (с нечетной стороны - РО-I и с четной - РО-II), а также оси безостановочного скрещения ОБС
(рис. 4.5.1).
Рис. 4.5.1. Схема расположения поездов при расчете интервала

на двухпутной вставке.
Расчетная ось определяется положением середины поезда, прибывшего первым с однопутного перегона на двухпутную вставку, непосредственно после освобождения им входной горловины вставки.
Ось безостановочного скрещения поездов располагается посередине двухпутной вставки на равном удалении по времени хода пары поездов от ее расчетных осей.
4.5.4. Минимально возможным интервалом безостановочного скрещения поездов

называют минимальный промежуток времени от момента проследования ближней расчетной оси двухпутной вставки первым поездом, прибывшим с однопутного перегона, до момента проследования той же оси встречным поездом, отправляющимся на однопутный перегон
(рис. 4.5.1).
4.5.5. Продолжительность интервала

включает затраты времени на выполнение технологических операций по обеспечению безостановочного отправления встречного поезда
N 2002 после освобождения первым поездом
N 2001 входной горловины вставки (операции
NN 1 и 2 на
рис. 4.5.2) и определяемое тяговыми расчетами время прохода встречным поездом
N 2002 расчетного расстояния
Lбс (операция
N 3 на
рис. 4.5.2).
--------------------------------
<*> Продолжительность операции зависит от конкретных условий расчета
Рис. 4.5.2. График расчета интервала

(диспетчерская централизация).

, (4.5.1)
где

- длина встречного поезда
N 2002, м;
lв - расстояние, проходимое встречным поездом N 2002 за время восприятия машинистом показания светофора перед первым блок-участком lбл.1 с момента его открытия, м;
lбл.1 и lбл.2 - длина блок-участка соответственно первого и второго в последовательности их занятия встречным поездом N 2002, м;

- длина первого поезда
N 2001, м.
Расстояние lв равно:
где 16,7 - коэффициент перевода км/ч в м/мин;
V - скорость движения встречного поезда N 2002 на подходе к светофору перед первым блок-участком lбл.1, км/ч;
tв - время восприятия машинистом показания открытого светофора, равное 0,05 мин (см.
табл. 3.1).
4.5.6. Кроме рассчитанной по графику
рис. 4.5.2 минимально возможной величины интервала безостановочного скрещения поездов

, определяют интервал безостановочного скрещения поездов

, равный полусумме времен хода нечетного и четного поездов между расчетными осями двухпутной вставки. В качестве расчетной величины интервала безостановочного скрещения поездов

принимается наибольшая из величин

и

.
4.6. Интервал неодновременного прибытия и попутного
отправления поездов
(тип VI)
4.6.1. Интервалом

называют минимальный промежуток времени от момента прибытия на раздельный пункт грузового или пассажирского поезда до момента отправления с него грузового или пассажирского поезда, следующего в том же направлении движения.
Интервал

определяют для раздельных пунктов, на которых одновременный прием и отправление поездов одного и того же направления движения запрещены, в том числе когда маршруты этих поездов не изолированы друг от друга и поезд прибывает с затяжного спуска.
4.6.1.1. Интервал

определяют для всех заданных сочетаний скоростей движения грузовых и пассажирских поездов.
4.6.2. При достаточной длине приемо-отправочных путей, на раздельном пункте
поперечного типа на однопутной линии
(рис. 4.6.1, а) продолжительность интервала
(рис. 4.6.2) включает время выполнения технологических операций по контролю прибытия поезда и отправлению другого поезда того же направления движения (операции
NN 1 - 4) с учетом
первого примечания в п. 4.1.2.
4.6.2.1. На двухпутной (либо многопутной) линии
(рис. 4.6.1, б) при указанных в п. 4.6.2 условиях интервал

определяют по графику
рис. 4.6.2.
Рис. 4.6.1. Схемы расположения поездов при расчете

для раздельных пунктов поперечного типа:
а - на однопутной линии;
б - на двухпутной линии.
--------------------------------
<*> Продолжительность операции зависит от конкретных условий расчета
<**> Если маршрут отправления готовят заблаговременно, то продолжительность операции N 2 не включают в интервал

Рис. 4.6.2. График расчета интервала

4.6.3. При достаточной длине приемо-отправочных путей, на раздельном пункте
продольного или
полупродольного типа на однопутной линии и учете в графике движения поездов расчетной оси раздельного пункта и оси его приемо-отправочного парка (см.
рис. 4.6.3, а), интервал

по ближней оси (на которой расположено пассажирское здание) определяют по графику
рис. 4.6.2.
4.6.3.1. В случае расположения пассажирского здания на дальней оси
(рис. 4.6.3, б), приема грузового поезда
N 2003 и отправления, например, ранее прибывшего грузового поезда
N 2001, интервал

по ближней оси (ось приемо-отправочного парка) определяют по графику
рис. 4.6.2.
Рис. 4.6.3. Схемы расположения поездов при расчете интервалов

для раздельных пунктов продольного или полупродольного типа:
а - на однопутной линии при расположении пассажирского здания (ПЗ) на ближней оси;
б - то же при расположении ПЗ на дальней оси;
в - на двухпутной линии при расположении ПЗ на дальней оси.
4.6.3.2. Если после приема грузового поезда
N 2003 отправляют пассажирский поезд
N 15
(рис. 4.6.4, а), то интервал

определяют по графику
рис. 4.6.2.
Рис. 4.6.4. Интервалы

на раздельном пункте продольного или полупродольного типа при расположении пассажирского здания на дальней оси для поездов:
а - грузового (N 2003) и пассажирского (N 15);
б - пассажирского (N 17) и грузового (N 2001);
в - обоих пассажирских (N 17 и N 15).
4.6.3.3. При приеме пассажирского поезда
N 17 и отправлении грузового поезда
N 2001
(рис. 4.6.4, б) промежуток времени по ближней оси от момента проследования ее поездом
N 17 до момента отправления поезда
N 2001 равен:

, (4.6.1)
где

- время прохода принимаемым пассажирским поездом
N 17 расстояния
lмо от оси приемо-отправочного парка до расчетной оси раздельного пункта.
Промежуток времени по дальней оси от момента прибытия поезда N 17 до момента проследования этой оси отправленным поездом N 2001 равен:

, где (4.6.2)

- время прохода отправленным грузовым поездом
N 2001 расстояния
lмо.
4.6.3.4. При приеме пассажирского поезда
N 17 и отправлении пассажирского поезда
N 15
(рис. 4.6.4, в) интервал

по дальней оси определяют по графику
рис. 4.6.2.
4.6.4. При приеме и отправлении
длинносоставных или
соединенных поездов (длина которых больше полезной длины приемо-отправочных путей) учитывают длину поездов принимаемого

и отправляемого в том же направлении

, а также полезную длину приемо-отправочных путей
lпол. В случае обращения длинносоставных пассажирских поездов интервалы определяют порядком, аналогичным для грузовых поездов.
4.6.5. Для раздельного пункта
поперечного типа на однопутной линии (см.
рис. 4.6.1, а) возможны следующие случаи.
4.6.5.1.
Случай 1. Прием длинносоставного (или соединенного) поезда и последующее отправление в том же направлении грузового поезда одинарной длины (либо пассажирского), т.е.

и

.
При приеме нечетного длинносоставного поезда
N 2003 (или соединенного поезда) с занятием
входной горловины и части перегона
(рис. 4.6.5, а) и последующем отправлении ранее принятого грузового поезда одинарной длины
N 2001 (либо
N 15), интервал

определяют по графику
рис. 4.6.2. На
рис. 4.6.5, а точка
Ц1.п показывает положение находящегося до расчетной оси раздельного пункта на расстоянии

центра остановившегося поезда
N 2003 с занятием входной горловины и части перегона, а точка
Ф1.п - фиктивный момент его возможного совмещения с расчетной осью раздельного пункта. Промежуток времени от момента отправления поезда
N 2001 (либо
N 15) до точки
Ф1.п равен

, (4.6.3)
где

- время, которое потребовалось бы на проход центра поезда
N 2003 от точки
Ц1.п до точки
Ф1.п.
Рис. 4.6.5. Интервалы на раздельном пункте поперечного типа для поездов:
а - длинносоставного (или соединенного) и одинарной длины;
б - одинарной длины и длинносоставного (или соединенного);
в - обоих длинносоставных (или соединенных).
4.6.5.2.
Случай 2. Прием грузового поезда одинарной длины (либо пассажирского поезда) и последующее отправление в том же направлении длинносоставного (или соединенного) поезда, т.е.

и

.
Ранее принятый длинносоставный поезд
N 2001 (или соединенный поезд) находится на пути I, занимая
выходную горловину и часть перегона
(рис. 4.6.5, б). Центр поезда
N 2001 (точка
Ц1.о) находится за расчетной осью раздельного пункта на расстоянии

; точка
Ф1.о - фиктивный момент возможного совмещения центра поезда N 2001 с расчетной осью раздельного пункта.
После приема на путь 3 грузового поезда одинарной длины
N 2003 (либо пассажирского поезда
N 17) отправляют поезд
N 2001; интервал

определяют по графику
рис. 4.6.2. Промежуток времени от точки
Ф1.о до момента прибытия поезда
N 2003 (либо
N 17) равен:

, (4.6.4)
где

- время, которое потребовалось бы на проход центра поезда
N 2001 от точки
Ф1.о до точки
Ц1.о.
4.6.5.3.
Случай 3. Прием и отправление двух длинносоставных (или соединенных) поездов одного и того же направления движения, т.е.

и

.
Ранее принятый длинносоставный поезд
N 2001 (или соединенный поезд) находится на пути I, занимая
выходную горловину и часть перегона
(рис. 4.6.5, в). Длинносоставный поезд
N 2003 (или соединенный поезд) принимают на путь 3 с занятием
входной горловины и части перегона и затем отправляют длинносоставный поезд
N 2001. Интервал

определяют по графику
рис. 4.6.2. На
рис. 4.6.5, в положение точек
Ф1.п и
Ц1.п такое же, как на
рис 4.6.5, а, точек
Ф1.о и
Ц1.о - как на
рис. 4.6.5, б. Промежуток времени между точками
Ф1.о и Ф
1.п равен:

(4.6.5)
4.6.6. Для раздельного пункта
продольного или
полупродольного типа, при расположении пассажирского здания на
ближней оси и учете в графике движения поездов расчетной оси раздельного пункта и оси его приемо-отправочного парка (см.
рис. 4.6.3, а) возможны следующие случаи.
4.6.6.1.
Случай 1. 
и

(см. характеристику случая 1 в начале
п. 4.6.5.1).
Ранее принятый грузовой поезд одинарной длины
N 2001 (либо пассажирский поезд
N 15) находится на пути 3. После приема длинносоставного поезда
N 2003 (или соединенного поезда) с занятием пути I и части пути 2, через определяемый по графику
рис. 4.6.2 интервал

определяют поезд
N 2001 либо
N 15
(рис. 4.6.6, а1). На этом
рисунке точка
Ц1.п показывает положение находящегося за расчетной осью раздельного пункта на расстоянии

центра остановившегося поезда
N 2003 с освобождением им входной горловины. Промежуток времени по ближней оси от момента совмещения с ней центра принимаемого поезда
N 2003 до момента отправления поезда
N 2001 (либо
N 15) равен:

, (4.6.6)
где

- время прохода поездом
N 2003 расстояния

до освобождения им входной горловины.
Рис. 4.6.6. Интервалы

на раздельном пункте продольного или полупродольного типа при расположении пассажирского здания на ближней оси для поездов:
а1 - длинносоставного (или соединенного) с занятием центральной горловины и одинарной длины;
а2 - то же с занятием входной горловины;
б - одинарной длины и длинносоставного (или соединенного);
в1 - обоих длинносоставных (или соединенных) с занятием центральной горловины;
в2 - то же с занятием входной и центральной горловин.
4.6.6.1.1. На двухпутной линии приемо-отправочные пути специализированы по направлениям движения (см.
рис. 4.6.3, в) и, следовательно, нечетным длинносоставным поездом
N 2003 нельзя занимать четный приемо-отправочный путь 4. Поэтому поезд
N 2003 принимают с занятием
входной горловины на пути I и после его остановки через интервал

отправляют ранее принятый поезд
N 2001 либо
N 15
(рис. 4.6.6, а2). На этом
рисунке точка
Ц1.п показывает положение находящегося до расчетной оси раздельного пункта на расстоянии

центра остановившегося поезда
N 2003 с занятием входной горловины, а точка
Ф1.п - фиктивный момент его возможного совмещения с расчетной осью раздельного пункта. Промежуток времени по ближней оси от момента отправления поезда
N 2001 (либо N 15) до точки
Ф1.п определяют по
формуле (4.6.3) с заменой в ней
tпоад на

.
4.6.6.2.
Случай 2. 
и

(см. характеристику случая 2 в начале
п. 4.6.5.2).
Ранее принятый длинносоставный поезд
N 2001 (или соединенный поезд) занимает путь I и часть пути I
а с освобождением входной горловины (см.
рис. 4.6.3, а). После приема на путь 3 грузового поезда одинарной длины
N 2003 (либо пассажирского поезда
N 17), через интервал

отправляют поезд
N 2001
(рис. 4.6.6, б). На этом
рисунке точка
Ц1.о показывает положение находящегося за расчетной осью раздельного пункта на расстоянии

центра поезда
N 2001 с освобождением им входной горловины, а точка
Ф1.о - фиктивный момент его возможного совмещения с расчетной осью раздельного пункта. Промежуток времени по ближней оси от точки
Ф1.о до момента остановки поезда
N 2003 (либо
N 17) определяют по
формуле (4.6.4) с заменой в ней
tпобд на

.
4.6.6.2.1. Для двухпутной линии порядок расчета такой же, как в п. 4.6.6.2.
4.6.6.3.
Случай 3. 
и

(см. характеристику случая 3 в начале
п. 4.6.5.3).
Ранее принятый длинносоставный поезд
N 2001 (или соединенный поезд) занимает путь 3 и часть пути I
а с освобождением входной горловины. После приема длинносоставного поезда
N 2003 (или соединенного поезда) с занятием пути I и части пути 2 с освобождением входной горловины, через интервал

отправляют поезд
N 2001
(рис. 4.6.6, в1). На этом
рисунке положение точки
Ц1.п такое же, как на
рис. 4.6.6, а1, точек
Ф1.о и
Ц1.о - как на
рис. 4.6.6, б. Промежуток времени по ближней оси от момента совмещения с ней центра принимаемого поезда
N 2003 до точки
Ф1.о равен:

(4.6.7)
4.6.6.3.1. На двухпутной линии ранее принятый длинносоставный поезд
N 2001 (или соединенный поезд) занимает путь 3 и часть пути I
а с освобождением входной горловины. После приема длинносоставного поезда
N 2003 с занятием
входной горловины и пути I, через интервал

отправляют поезд
N 2001
(рис. 4.6.6, в2). На этом
рисунке положение точек
Ц1.п и
Ф1.п такое же, как на
рис. 4.6.6, а2, а точек
Ф1.о и
Ц1.о - как на
рис. 4.6.6, б. Промежуток времени по ближней оси между точками
Ф1.о и
Ф1.п определяют по
формуле (4.6.5), заменяя в ней
tповд на

.
4.6.7. Для раздельного пункта
продольного или
полупродольного типа, при расположении пассажирского здания на
дальней оси и учете в графике движения поездов расчетной оси раздельного пункта и оси его приемо-отправочного парка (см.
рис. 4.6.3, б) возможны следующие случаи:
4.6.7.1.
Случай 1. 
и

(см. характеристику случая 1 в начале
п. 4.6.5.1).
Ранее принятый пассажирский поезд
N 15 находится у пассажирского здания на пути 2. после приема длинносоставного поезда
N 2003 (или соединенного поезда) с занятием пути I и части пути I
а с освобождением входной горловины, через интервал

отправляют поезд
N 15
(рис. 4.6.7, а1). На этом
рисунке точка
Ц1.п показывает положение находящегося за осью приемо-отправочного парка на расстоянии

центра остановившегося поезда
N 2003 с освобождением им входной горловины.
Рис. 4.6.7. Интервалы

на раздельном пункте продольного или полупродольного типа при расположении пассажирского здания на дальней оси для поездов:
а1 - длинносоставного (или соединенного) и пассажирского;
а2 - длинносоставного (или соединенного) и одинарной длины;
б1 - одинарной длины и длинносоставного (или соединенного);
б2 - пассажирского и длинносоставного (или соединенного);
в1 - обоих длинносоставных (или соединенных) с занятием центральной горловины;
в2 - то же с занятием входной и центральной горловин.
4.6.7.1.1. На двухпутной линии длинносоставный поезд
N 2003 принимают с занятием
входной горловины и после его остановки через интервал

отправляют ранее принятый грузовой поезд одинарной длины
N 2001
(рис. 4.6.7, а2). На этом
рисунке точка
Ц1.п показывает положение находящегося до оси приемо-отправочного парка на расстоянии

центра остановившегося поезда
N 2003 с занятием входной горловины, а точка
Ф1.п - фиктивный момент его возможного совмещения с осью приемо-отправочного парка (ближняя ось). Промежуток времени по ближней оси от момента отправления поезда
N 2001 до точки
Ф1.п определяют по
формуле (4.6.3) с заменой в ней
tпоад на

.
4.6.7.1.2. В случае приема длинносоставного поезда
N 2003 (или соединенного поезда) с занятием пути I и части пути 2 с освобождением входной горловины (см.
рис. 4.6.6, а1) и последующего отправления с пути 3 грузового поезда одинарной длины
N 2001 расчет выполняют как в
п. 4.6.6.1.
4.6.7.2.
Случай 2. 
и

(см. характеристику случая 2 в начале
п. 4.6.5.2).
Ранее принятый длинносоставный поезд
N 2001 (или соединенный поезд) занимает путь I и часть пути I
а с освобождением входной горловины. После приема на путь 3 грузового поезда одинарной длины
N 2003, через интервал

отправляют поезд
N 2001
(рис. 4.6.7, б1). Положение точек
Ф1.о и
Ц1.о и расчет аналогичны указанному в
п. 4.6.6.2.
4.6.7.2.1. Для двухпутной линии порядок расчета такой же, как в
п. 4.6.6.2.
4.6.7.2.2. В случае приема пассажирского поезда
N 17 и последующего отправления ранее прибывшего длинносоставного поезда
N 2001
(рис. 4.6.7, б2) промежуток времени по ближней оси между моментом проследования ее центром принимаемого поезда
N 17 и точкой
Ф1.о равен

(4.6.8)
Промежуток времени по дальней оси от момента прибытия поезда N 17 до момента ее проследования центром отправляемого поезда N 2001 равен

(4.6.9)
4.6.7.2.3. если на двухпутной линии после приема длинносоставного поезда
N 2001 имеется возможность принять пассажирский поезд
N 17 и затем отправить поезд
N 2001, то расчет выполняют как в
п. 4.6.7.2.2.
4.6.7.3.
Случай 3. 
и

(см. характеристику случая 3 в начале
п. 4.6.5.3).
Ранее принятый длинносоставный поезд
N 2001 (или соединенный поезд) занимает путь 3 и часть I
а с освобождением входной горловины. После приема длинносоставного поезда
N 2003 (или соединенного поезда) с занятием пути I и части пути 2 с освобождением входной горловины, через интервал

отправляют поезд
N 2001
(рис. 4.6.7, в1). На этом
рисунке положение точек
Ц1.п,
Ф1.о и
Ц1.о такое же, как в
п. 4.6.6.3. Необходимый промежуток времени по ближней оси определяют по
формуле (4.6.7) с заменой в ней

на

.
4.6.7.3.1. На двухпутной линии ранее принятый длинносоставный поезд
N 2001 (или соединенный поезд) занимает путь 3 и часть пути I
а с освобождением входной горловины. После приема длинносоставного поезда
N 2003 с занятием входной горловины и пути I, через интервал

отправляют поезд
N 2001
(рис. 4.6.7, в2). На этом
рисунке положение точек
Ц1.п и
Ф1.п такое же, как на
рис. 4.6.6, а2 (п. 4.6.6.1.1), точек
Ф1.о и
Ц1.о - как на
рис. 4.6.6, б (п. 4.6.6.2). Промежуток времени по ближней оси определяют по
формуле (4.6.5) с заменой в ней
tповд на

.
4.7. Интервал неодновременного отправления и попутного
прибытия поездов
(тип VII)
4.7.1. Интервалом

называется минимальный промежуток времени от момента отправления с раздельного пункта грузового либо пассажирского поезда до момента прибытия на этот же раздельный пункт грузового либо пассажирского поезда того же направления движения
(рис. 4.7.1).
| | ИС МЕГАНОРМ: примечание. Рисунок дан в соответствии с официальным текстом документа. | |
Рис. 4.7.1. Интервал одновременного отправления и попутного прибытия поездов

:
Lот - расстояние от расчетной оси раздельного пункта А до положения центра отправляемого поезда N 2001 (N 15) в момент освобождения последней выходной стрелки (второе положение поезда N 2001 либо N 15);
t - время выполнения технологических операций по отправлению и приему поездов расчетного ряда (на других рисунках это время для упрощения не указано);
Lот - расстояние от центра принимаемого поезда N 2003 (N 17) в момент подхода его к предупредительному светофору (первое положение поезда N 2003 либо N 17) до расчетной оси раздельного пункта А;
1 - первое положение поездов N 2001 (N 15) и N 2003 (N 17);
2 - то же второе;
3 - то же третье.
4.7.1.1. Интервалы

определяют для всех заданных сочетаний скоростей движения грузовых и пассажирских поездов.
4.7.2. При достаточной длине приемо-отправочных путей, на раздельном пункте
поперечного типа
(рис. 4.7.2) продолжительность интервала

включает определяемое тяговыми расчетами время прохода отправляемым поездом расчетного расстояния
Lот до освобождения им последней выходной стрелки в маршруте отправления или изолирующего стыка (операция
N 1 на
рис. 4.7.3), выполнение технологических операций по отправлению и приему поездов одного и того же направления движения
t (операции
NN 2 - 4), а также определяемое тяговыми расчетами время прохода принимаемым поездом расчетного расстояния
Lпр (операция
N 5). Расчетные расстояния
Lот и
Lпр определяют соответственно по
формулам (4.4.1) и
(4.1.1) первого примечания в п. 4.1.2.
Рис. 4.7.2. Схема расположения поездов при расчете интервала

для раздельного пункта поперечного типа.
--------------------------------
<*> Продолжительность операции зависит от конкретных условий расчета
<**> Если маршрут приема готовят заблаговременно, то продолжительность операции N 3 не включают в интервал

Рис. 4.7.3. График расчета интервала

(автоблокировка, электрическая централизация стрелок и сигналов).
4.7.2.1. На двухпутной (либо многопутной) линии при указанных в
п. 4.7.2 условиях интервал

определяют таким же порядком.
4.7.3. При достаточной длине приемо-отправочных путей, на раздельном пункте
продольного или
полупродольного типа и учете в графике движения поездов расчетной оси раздельного пункта и оси его приемо-отправочного парка
(рис. 4.7.4), интервал

по ближней оси (на которой расположено пассажирское здание) определяют по графику
рис. 4.7.3 при
Lот и
Lпр по
формулам (4.4.1) и
(4.1.1).
Рис. 4.7.4. Схема расположения поездов при расчете интервала

для раздельного пункта продольного или полупродольного типа.
4.7.3.1. В случае расположения пассажирского здания на дальней оси (см.
рис. 4.6.3, б), отправления пассажирского поезда
N 15 и последующего приема грузового поезда
N 2003
(рис. 4.7.5, а), интервал

определяют по графику
рис. 4.7.3 при
Lот по
формуле (4.4.1) и

по
формуле (4.1.3); расстояние

см. на
рис. 4.1.4, а. На
рис. 4.7.5, а lмо - расстояние между осью приемо-отправочного парка и расчетной осью раздельного пункта. Если в ГДП учитывают две оси, но
lмо <
lт, то в
(4.1.3) вместо
lмо подставляют
lт.
Рис. 4.7.5. Интервалы

на раздельном пункте продольного или полупродольного типа при расположении пассажирского здания на дальней оси для поездов:
а - пассажирского (N 15) и грузового (N 2003);
б - грузового (N 2001) и пассажирского (N 17);
в - обоих пассажирских (N 15 и N 17).
4.7.3.2. Если отправляют грузовой поезд
N 2001 и затем принимают пассажирский поезд
N 17
(рис. 4.7.5, б), то интервал

по дальней оси определяют по графику
рис. 4.7.3 при
Lот и

по
формулам (4.4.1) и
(4.1.3). Промежуток времени по ближней оси (ось приемо-отправочного парка) от момента отправления поезда
N 2001 до момента совмещения с этой осью центра принимаемого поезда
N 17 равен

, где (4.7.1)

- время прохода отправляемым грузовым поездом расстояния
lмо;

- то же принимаемым пассажирским поездом.
4.7.3.3. Когда после отправления пассажирского поезда
N 15 принимают пассажирский поезд
N 17
(рис. 4.7.5, в), то интервал

по дальней оси (на которой расположено пассажирское здание) определяют по графику
рис. 4.7.3 при:
| | ИС МЕГАНОРМ: примечание. В официальном тексте документа, видимо, допущена опечатка: имеется в виду п. 4.7.3.3, а не 4.3.3. | |
4.7.4. При отправлении и приеме
длинносоставных или
соединенных поездов (длина которых больше полезной длины приемо-отправочных путей) учитывают длину поездов отправляемого

и принимаемого того же направления движения

, а также полезную длину приемо-отправочных путей
lпол. В случае обращения длинносоставных пассажирских поездов интервалы определяют порядком, аналогичным для грузовых поездов.
4.7.5. Для раздельного пункта
поперечного типа (см.
рис. 4.7.2) возможны следующие случаи:
4.7.5.1.
Случай 1. Отправление длинносоставного (или соединенного) поезда и последующий прием с того же направления грузового поезда одинарной длины (либо пассажирского поезда), т.е.

и

.
При отправлении нечетного длинносоставного поезда
N 2001 (или соединенного поезда), который перед отправлением занимает
выходную горловину и часть перегона, и последующем приеме грузового поезда одинарной длины
N 2003 либо пассажирского поезда
N 17
(рис. 4.7.6, а), интервал

определяют по графику
рис. 4.7.3 при
Lот и
Lпр соответственно по
формулам (4.4.1) и
(4.1.1). На
рис. 4.7.6, а точка
Ц1.о показывает положение находящегося за расчетной осью раздельного пункта на расстоянии

центра отправляемого поезда
N 2001 с занятием выходной горловины и части перегона, а точка
Ф1.о - фиктивный момент его возможного совмещения с расчетной осью раздельного пункта;

- время, которое потребовалось бы на проход центра отправляемого поезда
N 2001 от точки
Ф1.о до точки
Ц1.о
Рис. 4.7.6. Интервалы

на раздельном поперечного типа для поездов:
а1 - длинносоставного (или соединенного) с занятием выходной горловины и грузового одинарной длины (либо пассажирского);
б1 - грузового одинарной длины (либо пассажирского) и длинносоставного (или соединенного) с занятием выходной горловины;
б2 - то же с занятием входной горловины;
в1 - обоих длинносоставных (или соединенных) с занятием обоими поездами выходной горловины;
в2 - то же с занятием выходной и входной горловин.
4.7.5.2.
Случай 2. Отправление грузового поезда одинарной длины (либо пассажирского поезда) и последующий прием длинносоставного (или соединенного) поезда, т.е.

и

.
После отправления грузового поезда одинарной длины
N 2001 (либо пассажирского поезда
N 15) принимают длинносоставный поезд
N 2003 (или соединенный поезд) с занятием
выходной горловины и части перегона
(рис. 4.7.6, б1); интервал

определяют по графику
рис. 4.7.3 при
Lот и
Lпр по
формулам (4.4.1) и
(4.1.1). На
рис. 4.7.6, б1 центр остановившегося поезда
N 2003 (точка
Ц1.п) находится после расчетной оси раздельного пункта на расстоянии

;

- время прохода принимаемым поездом
N 2003 расстояния

до освобождения им входной горловины.
4.7.5.2.1. После отправления грузового поезда одинарной длины
N 2001 (либо пассажирского поезда
N 15) принимают длинносоставный поезд
N 2003 (или соединенный поезд) с занятием им
входной горловины и части перегона (рис. 4.7.6, б2); интервал

определяют по графику
рис. 4.7.3 при
Lот и
Lпр по
формулам (4.4.1) и
(4.1.1). На
рис. 4.7.6, б2 центр поезда
N 2003 (точка
Ц1.п) находится до расчетной оси раздельного пункта на расстоянии

; точка
Ф1.п - фиктивный момент возможного совмещения центра поезда
N 2003 с расчетной осью раздельного пункта;

- время, которое потребовалось бы на проход принимаемому поезду
N 2003 от точки
Ц1.п до точки
Ф1.п.
4.7.5.3.
Случай 3. Отправление и прием двух длинносоставных (или соединенных) поездов одного и того же направления движения, т.е.

и

.
При отправлении длинносоставного поезда
N 2001 (или соединенного поезда), который перед отправлением занимает
выходную горловину и часть перегона, и последующем приеме длинносоставного поезда
N 2003 (или соединенного поезда) также с занятием
выходной горловины
(рис. 4.7.6, в1), интервал

определяют по графику
рис. 4.7.3 при
Lот и
Lпр по
формулам (4.4.1) и
(4.1.1). На
рис. 4.7.6, в1) положение точек
Ф1.о и
Ц1.о такое же, как на
рис. 4.7.6, а, точки
Ц1.п - как на
рис. 4.7.6, б1.
4.7.5.3.1. При отправлении длинносоставного поезда
N 2001 (или соединенного поезда) и последующем приеме длинносоставного поезда
N 2003 (или соединенного поезда) с занятием
входной горловины
(рис. 4.7.6, в2), интервал

определяют как в п. 4.7.5.3. На
рис. 4.7.6, в2 положение точек
Ф1.о и
Ц1.о такое же, как на
рис. 4.7.6, в1, точек
Ц1.п и
Ф1.п - как на
рис. 4.7.6, б2.
4.7.6. Для раздельного пункта
продольного или
полупродольного типа, при расположении пассажирского здания на
ближней оси и учете в графике движения поездов расчетной оси раздельного пункта и оси его приемо-отправочного парка (см.
рис. 4.7.4), интервал

по расчетной оси раздельного пункта (ближняя ось) определяют как в случаях 1 - 3 для раздельного пункта поперечного типа (см.
п.п. 4.7.5.1 -
4.7.5.4 и
рис. 4.7.6); при этом в соответствующих случаях поезда вместо выходной горловины занимают центральную горловину.
4.7.7. Для раздельного пункта
продольного или
полупродольного типа, при расположении пассажирского здания на
дальней оси и учете в графике движения поездов расчетной оси раздельного пункта и оси его приемо-отправочного парка (см.
рис. 4.6.3, б) возможны следующие случаи.
4.7.7.1.
Случай 1. 
и

(см. характеристику случая 1 в начале
п. 4.7.5.1).
При отправлении длинносоставного поезда
N 2001 (или соединенного поезда), который перед отправлением занимает
центральную горловину и часть пути I
а, и последующем приеме грузового поезда одинарной длины
N 2003
(рис. 4.7.7, а1), интервал

по ближней оси (ось приемо-отправочного парка) определяют по графику
рис. 4.7.3 при
Lот и
Lпр по
формулам (4.4.1) и
(4.1.1). На
рис. 4.7.7, а1 точка
Ц1.о показывает положение находящегося за осью приемо-отправочного парка на расстоянии

центра отправляемого поезда
N 2001 с занятием центральной горловины и части пути I
а, точка
Ф1.о - фиктивный момент его возможного совмещения с осью приемо-отправочного парка;
t 
- время, которое потребовалось бы на проход центра отправляемого поезда
N 2001 от точки
Ф1.о до точки
Ц1.о.
4.7.7.1.1. При отправлении длинносоставного поезда
N 2001 (или соединенного поезда) и последующем приеме пассажирского поезда 17 на путь у пассажирского здания
(рис. 4.7.7, а2), интервал

по дальней оси (расчетная ось раздельного пункта) определяют по графику
рис. 4.7.3 при
Lот и

по
формулам (4.4.1) и
(4.1.3).
Рис. 4.7.7. Интервалы

на раздельном пункте продольного или полупродольного типа при расположении пассажирского здания на дальней оси для поездов:
а1 - длинносоставного (или соединенного) с занятием центральной горловины и грузового одинарной длины;
а2 - то же и пассажирского;
б1 - грузового одинарной длины и длинносоставного (или соединенного) с занятием центральной горловины;
б2 - пассажирского и длинносоставного (или соединенного) с занятием входной горловины;
в1 - обоих длинносоставных (или соединенных) с занятием центральной горловины;
в2 - то же с занятием центральной и входной горловин.
На
рис. 4.7.7, а2 положение точек
Ф1.о и
Ц1.о такое же, как на
рис. 4.7.7, а1. Промежуток времени по ближней оси от точки
Ф1.о до момента совмещения с этой осью центра принимаемого поезда
N 17 определяют по
формуле (4.7.1) с заменой в ней

на

.
4.7.7.2.
Случай 2. 
и

(см. характеристику случая 2 в начале
п. 4.7.5.2).
После отправления грузового поезда одинарной длины
N 2001 принимают длинносоставный поезд
N 2003 (или соединенный поезд) с занятием
центральной горловины и части пути I
а (рис. 4.7.7, б1); интервал

по ближней оси определяют по графику
рис. 4.7.3 при
Lот и
Lпр по
формулам (4.4.1) и
(4.1.1). На
рис. 4.7.7, б1 центр остановившегося поезда
N 2003 (точка
Ц1.п) находится после оси приемо-отправочного парка на расстоянии

, которое поезд
N 2003 проходит за время

.
4.7.7.2.1. После отправления пассажирского поезда
N 15 принимают длинносоставный поезд
N 2003 (или соединенный поезд) с занятием
входной горловины и части перегона
(рис. 4.7.7, б2); интервал

определяют по графику
рис. 4.7.3 при
Lот и

по
формулам (4.4.1) и
(4.1.3). На
рис. 4.7.7, б2 центр остановившегося поезда
N 2003 (точка
Ц1.п) находится до оси приемо-отправочного парка на расстоянии

; точка
Ф1.п - фиктивный момент возможного совмещения центра поезда
N 2003 с осью приемо-отправочного парка;

- время, которое потребовалось бы на проход принимаемого поезда от точки
Ц1.п до точки
Ф1.п.
4.7.7.3.
Случай 3. 
и

(см. характеристику случая 3 в начале
п. 4.7.5.3).
При отправлении длинносоставного поезда
N 2001 (или соединенного поезда), который перед отправлением занимает
центральную горловину и часть пути I
а, и последующем приеме длинносоставного поезда
N 2003 (или соединенного поезда) также с занятием
центральной горловины и части пути I
а (рис. 4.7.7, в1), интервал

определяют по графику
рис. 4.7.3 при
Lот и
Lпр по
формулам (4.4.1) и
(4.1.1). На
рис. 4.7.7, в1 положение точек
Ф1.о и
Ц1.о такое же, как на
рис. 4.7.7, а1, а точки
Ц1.п - как на
рис. 4.7.7, б1.
4.7.7.3.1. При отправлении длинносоставного поезда
N 2001 (или соединенного поезда) и последующем приеме длинносоставного поезда
N 2003 (или соединенного поезда) с занятием
входной горловины
(рис. 4.7.7, в2), интервал

определяют как в
п. 4.7.7.3. На
рис. 4.7.7, в2 положение точек
Ф1.о и
Ц1.о такое же, как на
рис. 4.7.7, в1, точек
Ц1.п и
Ф1.п - как на
рис. 4.7.7, б2.
4.8. Интервал неодновременного отправления поездов
противоположных направлений
(тип VIII)
4.8.1. Интервалом

называется минимальный промежуток времени от момента отправления первого грузового либо пассажирского поезда до момента отправления второго грузового либо пассажирского поезда противоположного направления при враждебности их маршрутов отправления.
Интервал

определяют в узлах при расположении парков, исключающем одновременное отправление поездов противоположных направлений и учете в графике движения, кроме расчетной оси раздельного пункта, еще одной или более осей его приемо-отправочных парков
(рис. 4.8.1). Интервал

может быть определен в некоторых случаях на разъездах и промежуточных станциях продольного типа на однопутных линиях
(рис. 4.8.2).
Рис. 4.8.1. Схема расположения поездов при расчете интервала

в узле.
Рис. 4.8.2. Схемы расположения поездов при расчете интервалов

для раздельных пунктов продольного типа на однопутной линии:
а - пассажирское здание на ближней оси;
б - то же на дальней оси.
4.8.1.1. Интервал

определяют для всех заданных скоростей движения грузовых и пассажирских поездов, отправляемых первыми с данного раздельного пункта.
4.8.2. При достаточной длине приемо-отправочных путей узла, продолжительность интервала
(рис. 4.8.3) включает определяемое тяговыми расчетами время прохода первым отправляемым поездом расчетного расстояния
Lос до освобождения им последней выходной стрелки в маршруте отправления, которая затем будет использована в маршруте отправления второго поезда противоположного направления (операция
N 1), а также время выполнения технологических операций по отправлению поездов противоположных направлений
t (операции
NN 2 - 5).
--------------------------------
<*> Продолжительность операции зависит от конкретных условий расчета
Рис. 4.8.3. График расчета интервала

(автоблокировка, электрическая централизация стрелок и сигналов)
Lос = 0,5 lпол + lно + 0,5 lп.о, (4.8.1)
где
lпол - полезная длина пути отправления первого поезда (с учетом
п. 3.7), м;
lно - расстояние от выходного сигнала парка первого отправляемого поезда до последней стрелки в маршруте его отправления, которую затем используют в маршруте отправления второго поезда противоположного направления, м;
lп.о - длина первого отправляемого поезда, м.
Как видно на
рис. 4.8.1, промежуток времени по ближней оси от момента отправления первого поезда (
N 2001) до момента совмещения с этой осью центра поезда, отправленного вторым (
N 2002), равен

(4.8.2)
где

- время прохода вторым поездом (
N 2002) расстояния
lмо между осями приемо-отправочных парков (
Ч и
Н), из которых отправляют рассматриваемую пару поездов.
Промежуток времени по дальней оси от момента отправления второго поезда (N 2002) до момента совмещения с этой осью центра первого поезда (N 2001) равен:

, (4.8.3)
где

- время прохода первым поездом (
N 2001) расстояния
lм.о.
4.8.2.1. Для раздельного пункта продольного типа (см.
рис. 4.8.2) при отправлении поезда
N 2001 с пути 3 и поезда
N 2002 с пути 2 интервал

устанавливают по графику
рис. 4.8.3 при расстоянии
Lос =
Lот, которое определяют по
формуле (4.4.1).
Для раздельного пункта
рис. 4.8.2, б промежуток времени равен по оси
ближней |  ; (4.8.4) |
дальней |  ; (4.8.5) |
4.8.3. При отправлении
длинносоставных или
соединенных поездов (длина которых больше полезной длины приемо-отправочных путей) учитывают длину отправляемых поездов нечетного

и четного

, а также полезную длину приемо-отправочных путей, с которых отправляют поезда нечетный

и четный

. В случае обращения длинносоставных пассажирских поездов интервалы определяют порядком, аналогичным для грузовых поездов.
На раздельных пунктах продольного типа (см.
рис. 4.8.2) в каждой рассматриваемой паре отправляемых поездов противоположных направлений только один из них может быть длинносоставным или соединенным, который отправляют первым.
4.8.4. Для раздельного пункта продольного типа возможны следующие случаи.
4.8.4.1.
Случай 1. Отправление
нечетного длинносоставного или соединенного поезда и последующее отправление четного поезда одинарной длины, т.е

и

(см.
рис. 4.8.2, а).
При отправлении нечетного длинносоставного поезда
N 2001 (или соединенного поезда), который перед отправлением занимает путь 3,
центральную горловину и часть пути I
а, и последующем отправлении четного поезда одинарной длины
N 2002 с пути 2 (см.
рис. 4.8.4, а1) интервал

определяют по графику
рис. 4.8.3 при

по
формуле (4.4.1). На
рис. 4.8.4, а1 точка

показывает положение находящегося за ближней осью на расстоянии

центра отправляемого поезда
N 2001 с занятием центральной горловины, но с освобождением входной горловины, точка

- фиктивный момент его возможного совмещения с ближней осью;

- время, которое потребовалось бы на проход центра поезда
N 2001 от точки

до точки

. Промежуток времени по ближней оси от точки

до момента совмещения с этой осью центра отправленного поезда
N 2002 определяют по
формуле (4.8.2) с заменой в ней

на

. По дальней оси промежуток времени от момента отправления поезда
N 2002 до момента совмещения с этой осью центра отправленного поезда
N 2001 определяют по
формуле (4.8.3) с заменой в ней

на

.

Рис. 4.8.4. Интервалы

на раздельных пунктах продольного типа для поездов:
а1 и б1 - длинносоставного (или соединенного) с занятием центральной горловины и одинарной длины;
а2 и б2 - то же с занятием входной горловины.
4.8.4.1.1. Если перед отправлением нечетного длинносоставного поезда
N 2001 он занимал путь 3,
входную горловину и часть перегона, то последующее отправление четного поезда одинарной длины
N 2002 с пути 2 возможно через интервал
(рис. 4.8.4, а2), определяемый по графику
рис. 4.8.3 при

по
формуле (4.4.1). На
рис. 4.8.4, а2 точка

показывает положение находящегося до ближней оси на расстоянии

центра отправляемого поезда
N 2001 с занятием входной горловины;

- время прохода поездом
N 2001 расстояния

до совмещения его центра с ближней осью раздельного пункта. Промежуток времени по ближней оси между моментами совмещения с ней центров поездов
N 2001 и
N 2002 определяют по
формуле (4.8.2) с заменой в ней

на

, а по дальней оси между моментами отправления поезда
N 2002 и совмещения с этой осью центра поезда
N 2001 - по
формуле (4.8.3) с заменой в ней

на

.
4.8.4.2.
Случай 2. Отправление
четного длинносоставного или соединенного поезда и последующее отправление нечетного поезда одинарной длины, т.е.

и

(см.
рис. 4.8.2, б).
При отправлении четного длинносоставного поезда
N 2002 (или соединенного поезда), который перед отправлением занимает путь 2,
центральную горловину и часть пути I, и последующем отправлении нечетного поезда одинарной длины
N 2001 с пути 3 (см.
рис. 4.8.4, б1), интервал

определяют по графику
рис. 4.8.3 при

по
формуле (4.4.1). На
рис. 4.8.4, б1 положение точек

и

и значение величины

аналогично положению точек

и

и значению величины

на
рис. 4.8.4, а1. Необходимые промежутки времени по ближней и дальней осям определяют соответственно по
формулам (4.8.4) и
(4.8.5) с заменой в них

и

на

и

.
4.8.4.2.1. Если перед отправлением четного длинносоставного поезда
N 2002 он занимал путь 2,
входную горловину и часть перегона, то последующее отправление нечетного поезда одинарной длины
N 2001 с пути 3 возможно через интервал
(рис. 4.8.4, б2), определяемый по графику
рис. 4.8.3 при

по
формуле (4.4.1). На
рис. 4.8.4, б2 положение точки

и значение величины

аналогично положению

точки и значению величины

на
рис. 4.8.4, а2. Промежутки времени по ближней и дальней осям определяют соответственно по
формулам (4.8.4) и
(4.8.5) с заменой в них

и

на

и

4.8.5. При последовательном расположении парков (см.
рис. 4.8.1) порядок определения интервалов

и необходимых промежутков времени по осям парков
Н и
Ч аналогичен изложенному в
п.п. 4.8.4.1.1 и
4.8.4.2.1 с учетом возможности использования для размещения длинносоставных (или соединенных) поездов соединительных, вытяжных и других путей станции.
5. СТАНЦИОННЫЕ И МЕЖПОЕЗДНЫЕ ИНТЕРВАЛЫ НА ЛИНИЯХ,
ОБОРУДОВАННЫХ АВТОМАТИЧЕСКОЙ БЛОКИРОВКОЙ
С ТРЕХЗНАЧНОЙ СИСТЕМОЙ СИГНАЛИЗАЦИИ
5.1. Интервал попутного прибытия поездов Iпр (тип IX)
5.1.1. Интервалом Iпр называют минимальное время от момента прибытия на раздельный пункт (проследования через раздельный пункт) одного поезда до момента прибытия на этот же раздельный пункт (проследования через раздельный пункт) другого поезда того же направления движения.
Интервал Iпр при проследовании поездов через раздельный пункт без остановки определяют для условий отсутствия перевода на автоматическое действие входного и выходного светофоров (по главному пути).
5.1.1.1. В соответствии с п. 2.5.8 (ведомость ЦД
N 4
а) Инструкции по составлению графика движения поездов на сети ж.д. РФ определяют интервалы
Iпр для случаев, приведенных на
рис. 5.1.1.
Кроме двухпутных (или многопутных) линий, интервалы Iпр определяют для однопутных линий при частично-пакетном графике.
Рис. 5.1.1. Интервалы попутного прибытия поездов
Iпр:
а - прием с остановкой первого поезда (пассажирского или грузового) и проследование без остановки второго поезда (пассажирского или грузового);
б - проследование первого поезда без остановки и прием с остановкой второго поезда;
в - прием первого и второго поездов с остановкой;
t - время выполнения технологических операций по приему поездов;
Lпр - расстояние от центра принимаемого поезда N 2003 (N 17) в момент прохода его к предупредительному сигналу до расчетной оси раздельного пункта приема или пропуска этого поезда.
5.1.2. При достаточной длине приемо-отправочных путей
(рис. 5.1.2) продолжительность интервала
Iпр устанавливают по графику
рис. 5.1.3; расчетное расстояние
Lпр определяют по
формуле (4.1.1), а время его прохода - тяговыми расчетами.
Рис. 5.1.2. Схемы расположения поездов при расчете интервалов I
пр и I
от для раздельных пунктов типа:
а - поперечного;
б - продольного или полупродольного.
--------------------------------
<*> Продолжительность операции зависит от конкретных условий расчета
Рис. 5.1.3. График расчета интервала I
пр (автоматическая блокировка, электрическая централизация стрелок и сигналов).
5.1.3. Если в графике движения учитывают оси двух парков и поезда рассматриваемой пары принимают в разные парки (например, на
рис. 4.3.4, б пассажирский
N 15 на путь 4 и грузовой
N 2003 на путь 3), то интервал
Iпр определяют по оси ближнего парка, считая моментом прибытия первого поезда, следующего в дальний парк, совмещение его центра с осью ближнего парка, в который затем принимают второй поезд. Вообще всегда интервал
Iпр определяют по ближней оси.
5.1.4. При приеме (пропуске) длинносоставных или соединенных поездов (длина которых больше полезной длины приемо-отправочных путей) учитывают длину поездов первого (l'п.п.1) и второго (l'п.п.2), а также полезную длину приемо-отправочных путей lпол. В случае обращения длинносоставных пассажирских поездов интервалы определяют порядком, аналогичным для грузовых поездов.
Для условий отсутствия отцепок (разъединения) и прицепок (объединения) поездов возможны следующие случаи расчета.
5.1.4.1.
Случай 1. Прием (проследование) первым длинносоставного или соединенного поезда и последующий прием вторым грузового поезда одинарной длины либо пассажирского поезда (см.
рис. 5.1.1, б,
в), т.е.
l'
п.п.1 >
lпол и
l'
п.п.2 <=
lпол.
| | ИС МЕГАНОРМ: примечание. В официальном тексте документа, видимо, допущены опечатки: имеются в виду рисунок 5.1.3, а не 3.1.3; формула (4.1.1), а не (2.1.1). | |
Первым пропускают без остановки длинносоставный поезд
N 2001 (
рис. 5.1.4, а, пунктирное продолжение) и затем принимают с остановкой грузовой поезд одинарной длины
N 2003 (либо пассажирский
N 17). Интервал
Iпр определяют по графику
рис. 3.1.3. при
Lпр по
формуле (2.1.1) для
l'
п.п.2 <=
lпол. На
рис. 5.1.4, а точка
Ц1.п показывает положение находящегося после оси парка на расстояний
0,5 (l'
п.п.1 -
lпол) центра поезда
N 2001 в момент освобождения им входной горловины;
t"
ос.1 - время прохода поездом
N 2001 расстояния
0,5 (l'
п.п.1 -
lпол) до освобождения им входной горловины. Промежуток времени от момента совмещения центра поезда
N 2001 с осью парка до момента остановки поезда
N 2003 (
N 17) равен:
tпра =
t'
ос.1 +
Iпр (5.1.1)
Рис. 5.1.4. Интервалы
Iпр на раздельном пункте (РП) поперечного типа либо на ближней оси (БО) РП продольного или полупродольного типа для поездов первого и второго:
а - длинносоставного с остановкой с занятием выходной (центральной) горловины или без остановки и грузового одинарной длины либо пассажирского с остановкой;
б - грузового одинарной длины либо пассажирского с остановкой или без остановки и длинносоставного с занятием выходной (центральной) горловины или без остановки;
в1 - длинносоставного с остановкой с занятием выходной (центральной) горловины или без остановки и длинносоставного с остановкой с занятием выходной (центральной) горловины;
в2 - длинносоставного с остановкой с занятием выходной (центральной) горловины или без остановки и длинносоставного с остановкой с занятием входной горловины.
5.1.4.1.1. Первым принимают с остановкой длинносоставный поезд
N 2001 с занятием им
выходной горловины и затем принимают с остановкой грузовой поезд одинарной длины
N 2003 либо пассажирский
N 17 (см.
рис. 5.1.4, а).
Интервал Iпр и промежуток времени tпра определяют как в п. 5.1.4.1.
| | ИС МЕГАНОРМ: примечание. В официальном тексте документа, видимо, допущена опечатка: имеется в виду рисунок 5.1.1, а не 3.1.1. | |
5.1.4.2.
Случай 2. Прием (проследование) первым грузового поезда - одинарной длины либо пассажирского поезда и последующий прием (проследование) вторым длинносоставного или соединенного поезда (см.
рис. 3.1.1, а,
б,
в), т.е.
l'
п.п.1 <=
lпол и
l'
п.п.2 >
lпол.
Первым принимают с остановкой грузовой поезд одинарной длины
N 2001 (либо пассажирский
N 15) и затем пропускают без остановки длинносоставный поезд
N 2003 (см.
рис. 5.1.4, б, пунктирное продолжение). Интервал
Iпр определяют по графику
рис. 5.1.3 при
Lпр по
формуле (4.1.1) для
l'
п.п.2 >
lпол. На
рис. 5.1.4, б точка
Ц2.п показывает положение находящегося после оси парка на расстоянии
0,5 (l'
п.п.2 -
lпол) центра поезда
N 2003 в момент освобождения им входной горловины.
5.1.4.2.1. Первым пропускают без остановки грузовой поезд одинарной длины
N 2001 либо пассажирский
N 15 (см.
рис. 5.1.4, б, пунктирное продолжение) и затем принимают с остановкой длинносоставный поезд
N 2003 с занятием
выходной горловины. Интервал
Iпр определяют как в п. 5.1.4.2.
5.1.4.2.2. Первым принимают с остановкой грузовой поезд одинарной длины
N 2001 либо пассажирский
N 15 и затем принимают с остановкой длинносоставный поезд
N 2003 с занятием
выходной горловины (см.
рис. 5.1.4, б). Интервал
Iпр определяют как в п. 5.1.4.2.
5.1.4.3.
Случай 3. Прием (проследование) первым длинносоставного или соединенного поезда и последующий прием вторым длинносоставного или соединенного поезда (см.
рис. 5.1.1, б,
в), т.е.
l'
п.п.1 >
lпол и
l'
п.п.2 >
lпол.
Первым пропускают без остановки длинносоставный поезд
N 2001 (
рис. 5.1.4, в1, пунктирное продолжение) и затем принимают с остановкой длинносоставный поезд
N 2003 с занятием
выходной горловины. Интервал
Iпр определяют по графику
рис. 5.1.3 при
Lпр по
формуле (4.1.1) для
l'
п.п.2 >
lпол. На
рис. 5.1.4, в1 положение точки
Ц1.п такое же, как на
рис. 5.1.4, а, точки
Ц2.п - как на
рис. 5.1.4, б. Промежуток времени между моментами совмещения с осью парка центров поездов
N 2001 и
N 2003 определяют по
формуле (5.1.1) с заменой в ней
tпра на
tпрв.
5.1.4.3.1. Оба длинносоставных поезда принимают с остановкой с занятием ими (если это позволяет путевое развитие)
выходной горловины (см.
рис. 5.1.4, в1). Интервал
Iпр и промежуток времени
Iпрв определяют как в п. 5.1.4.3.
5.1.4.3.2. Оба длинносоставных поезда принимают с остановкой с занятием поездом
N 2001
выходной горловины и поездом
N 2003
входной (см.
рис. 5.1.4, в2). Интервал
Iпр и промежуток времени
tпрв определяют как в п. 5.1.4.3. На
рис. 5.1.4, в2 точка
Ц2.п показывает положение находящегося до оси парка на расстоянии
0,5 (l'
п.п.2 -
lпол) центра остановившегося поезда
N 2003, точка
Ф2.п - фиктивный момент его возможного совмещения с осью парка;
t'
пр.п - время, которое потребовалось бы на проход поезда
N 2003 от точки
Ц2.п до точки
Ф2.п.
5.1.5. Если в графике движения поездов учитывают оси двух парков и поезда рассматриваемой пары (включающей один или оба длинносоставных) принимают в разные парки, то интервал
Iпр определяют как в
п. 5.1.3.
5.1.6. Интервал прибытия грузового поезда за пассажирским равен
Iпгпр = (tг - tп) + Iпгот, (5.1.2)
где tг и tп - время нахождения на участке между раздельным пунктом (РП) отправления или обгона и рассматриваемым РП соответственно грузового и пассажирского поезда, мин;
| | ИС МЕГАНОРМ: примечание. Здесь и далее в официальном тексте документа, видимо, допущена опечатка: имеется в виду п. 5.2, а не 3.2. | |
Iпгот - интервал отправления грузового поезда за пассажирским, с расположенного позади
РП, определяемый как в
п. 3.2 при
Lвых по
формуле (5.2.1), мин.
Аналогично поступают в случае прибытия длинносоставного или соединенного поезда за пассажирским или грузовым поездом одинарной длины.
5.2. Интервал попутного отправления поездов Iот (тип X)
5.2.1. Интервалом Iот называют минимальное время от момента отправления с раздельного пункта (проследования через раздельный пункт) одного поезда до момента отправления (проследования через раздельный пункт) другого поезда того же направления движения.
Интервал Iот при проследовании поездов через раздельный пункт без остановки определяют для условий отсутствия перевода на автоматическое действие входного и выходного светофоров (по главному пути).
5.2.1.1. В соответствии с п. 2.5.8 (ведомость ЦД
N 4
а) Инструкции по составлению графика движения поездов на сети ж.д. РФ определяют интервалы
Iот для случаев, приведенных на
рис. 5.2.1.
Кроме двухпутных (или многопутных) линий, интервалы Iот определяют для однопутных линий при частично-пакетном графике.
Рис. 5.2.1. Интервалы попутного отправления поездов
Iот:
а - отправление после остановки первого поезда (пассажирского или грузового) и проследование без остановки второго поезда (пассажирского или грузового);
б - проследование без остановки первого поезда и отправление после остановки второго поезда;
в - отправление после остановки первого и второго поездов;
t - время выполнения части технологических операций по отправлению второго поезда;
Lвых (Lвыхп) - расстояние от оси раздельного пункта (расчетной, ближней или дальней) до положения центра первого поезда после освобождения им одного блок-участка (при отправлении грузового поезда за грузовым или за пассажирским - Lвых) или двух блок-участков (при отправлении пассажирского за грузовым или за пассажирским - Lвыхп).
5.2.2. При достаточной длине приемо-отправочных путей интервал
Iот устанавливают по графику
рис. 5.2.2.
--------------------------------
<*> Продолжительность операции зависит от конкретных условий расчета
<**> Если при ручном обслуживании стрелок продолжительность выполнения операций NN 1 - 3 больше продолжительности операции N 4, то операцию N 5 (и затем N 6) выполняют после окончания операции N 3
Рис. 5.2.2. График расчета интервала I
от (автоматическая блокировка, электрическая централизация стрелок и сигналов)
При РП поперечного типа (см.
рис. 5.1.2, а) расчетное расстояние
Lвых при отправлении грузового поезда за грузовым или за пассажирским равно:
Lвых =
0,5 lпол +
lбл.1 +
0,5 lп.о.1, (5.2.1)
| | ИС МЕГАНОРМ: примечание. В официальном тексте документа, видимо, допущена опечатка: имеется в виду п. 3.7, а не 1.7. | |
где
lпол - полезная длина приемо-отправочного пути отправления поезда (с учетом
п. 1.7), м;
lбл.1 - длина блок-участка между выходным и следующим за ним светофором, м;
lп.о.1 - длина поезда, отправляемого первым, м.
В случае РП продольного или полупродольного типа (см.
рис. 5.1.2, б) в
формуле (5.2.1) добавляют
lг - расстояние от сигнала до последней стрелки в маршруте отправления, м.
При отправлении пассажирского поезда за грузовым или за пассажирским должны быть свободными не менее двух блок-участков:
Lпвых =
0,5 lпол +
lбл.1 +
lбл.2 +
0,5 lп.о.1, (5.2.2)
где lбл.2 - длина второго блок-участка (в последовательности занятия отправленным поездом), м.
Расстояние
Lот, проходимое отправленным поездом до освобождения им последней выходной стрелки в маршруте отправления или до изолирующего стыка, определяют по
формуле (4.4.1).
Время прохода Lот, Lвых и Lпвых определяют тяговыми расчетами.
5.2.3. Если в графике движения учитывают оси двух парков и поезда рассматриваемой пары отправляют из разных парков (например, на
рис. 4.7.4 грузовой с пути 2 и пассажирский с пути 3), то интервал
Iот определяют в направлении отправления по оси дальнего парка, считая моментом отправления первого поезда, следующего из ближнего парка, совмещение его центра с осью дальнего парка, из которого затем отправляют второй поезд. Вообще всегда интервал
Iот определяют по дальней оси.
5.2.4. При отправлении (пропуске) длинносоставных или соединенных поездов (длина которых больше полезной длины приемоотправочных путей) учитывают длину поездов первого (l"п.о.1) и второго (l"п.о.2), а также полезную длину приемо-отправочных путей lпол. В случае обращения длинносоставных пассажирских поездов интервалы определяют порядком, аналогичным для грузовых поездов.
Для условий отсутствия отцепок (разъединения) и прицепок (объединения) поездов возможны следующие случаи расчета.
5.2.4.1.
Случай 1. Отправление (проследование) первым длинносоставного или соединенного поезда и последующее отправление (проследование) вторым грузового поезда одинарной длины либо пассажирского поезда (см.
рис. 5.2.1, а,
б,
в), т.е.
l"
п.о.1 >
lпол и
l"
п.о.2 <=
lпол.
Первым отправляют после остановки с занятием
выходной горловины длинносоставный поезд
N 2004 и затем пропускают без остановки грузовой поезд одинарной длины
N 2006 либо пассажирский поезд
N 20 (
рис. 5.2.3, а1, пунктирное продолжение). Интервал
Iот определяют по графику
рис. 5.2.2 при
Lвых по
формуле (5.2.1) и
l"
п.о.1 >
lпол в случае отправления вторым грузового поезда
N 2006, либо при
Lпвых по
формуле (5.2.2), если вторым отправляют пассажирский поезд
N 20. На
рис. 5.2.3, а1 точка
Ц1.о показывает положение находящегося после оси парка на расстоянии
0,5(l"
п.о.1 -
lпол) центра поезда
N 2004 с занятием им выходной горловины, точка
Ф1.о - фиктивный момент его возможного совмещения с осью парка;
t"
рп.о.1 - время, которое потребовалось бы на проход поезда
N 2004 от точки
Ф1.о до точки
Ц1.о.
Рис. 5.2.3. Интервалы Iот для поездов первого и второго:
а1 - длинносоставного после остановки с занятием выходной (центральной) горловины и грузового одинарной длины либо пассажирского, проходящего без остановки или после остановки;
а2 - проходящего без остановки длинносоставного и грузового одинарной длины либо пассажирского после остановки;
б - грузового одинарной длины либо пассажирского после остановки и длинносоставного, проходящего без остановки или после остановки с занятием выходной (центральной) горловины;
в - длинносоставного после остановки с занятием выходной (центральной) горловины и второго длинносоставного, проходящего без остановки или после остановки с занятием входной (центральной) горловины.
5.2.4.1.1. Первым отправляют после остановки с занятием
выходной горловины длинносоставный поезд
N 2004 и затем отправляют после остановки грузовой поезд одинарной длины
N 2006 либо пассажирский поезд
N 20 (см.
рис. 5.2.3, а1). Интервал
Iот определяют как в п. 5.2.4.1.
5.2.4.1.2. Первым пропускают без остановки длинносоставный поезд
N 2004 и затем отправляют после остановки грузовой поезд одинарной длины
N 2006 либо пассажирский поезд
N 20
(рис. 5.2.3, а2). Интервал
Iот определяют как в п. 5.2.4.1. На
рис. 5.2.3, а2 точка
Ц1.о показывает положение находящегося до оси парка на расстоянии
0,5(l"
п.о.1 -
lпол) центра поезда
N 2004 с занятием им входной горловины;
t"
ос.о.1 - время прохода поездом
N 2004 расстояния
0,5(l"
п.о.1 -
lпол) от точки
Ц1.о до совмещения центра этого поезда с осью парка.
5.2.4.2.
Случай 2. Отправление первым грузового поезда одинарной длины либо пассажирского поезда и последующее отправление (проследование) вторым длинносоставного или соединенного поезда (см.
рис. 5.2.1, а,
в), т.е.
l"
п.о.1 <=
lпол и
l"
п.о.2 >
lпол.
Первым отправляют после остановки грузовой поезд одинарной длины
N 2004 либо пассажирский поезд
N 18 и затем отправляют после остановки с занятием
входной горловины длинносоставный поезд
N 2006
(рис. 5.2.3, б).
Интервал
Iот определяют по графику
рис. 5.2.2 при
Lвых по
формуле (5.2.1) и
l"
п.о.1 <=
lпол. На
рис. 5.2.3, б точка
Ц2.о показывает положение находящегося до оси парка на расстоянии
0,5(l"
п.о.2 -
lпол) центра поезда
N 2006 с занятием им входной горловины;
t"ос.о.2 - время прохода поездом N 2006 расстояния 0,5(l"п.о.2 - lпол) от точки Ц2.о до совмещения центра этого поезда с осью парка. Промежуток времени от момента отправления поезда N 2004 (N 18) до момента совмещения с осью парка центра отправленного поезда N 2006 равен
tотб =
Iот +
t"
ос.о.2 (5.2.3)
5.2.4.2.1. Первым отправляют после остановки грузовой поезд одинарной длины
N 2004 либо пассажирский поезд
N 18 и затем пропускают без остановки длинносоставный поезд
N 2006 (см.
рис. 5.2.3, б, пунктирное продолжение). Интервал
Iот и промежуток времени
tпрб определяют как в п. 5.2.4.2.
5.2.4.3.
Случай 3. Отправление первым длинносоставного или соединенного поезда и последующее отправление (проследование) вторым длинносоставного или соединенного поезда (см.
рис. 5.2.1, а,
в), т.е.
l"
п.о.1 >
lпол и
l"
п.о.2 >
lпол.
Первым отправляют после остановки с занятием
выходной горловины длинносоставный поезд
N 2004 и затем отправляют после остановки с занятием
входной горловины длинносоставный поезд
N 2006
(рис. 5.2.3, в). Интервал
Iот определяют по графику
рис. 5.2.2 при
Lвых по
формуле (5.2.1) и
l"
п.о.1 >
lпол. На
рис. 5.2.3, в положение точек
Ф1.о и
Ц1.о такое же, как на
рис. 5.2.3, а1, точки
Ц2.о - как на
рис. 5.2.3, б. Промежуток времени от точки
Ф1.о до момента совмещения центра отправленного поезда
N 2006 с осью парка определяют по
формуле (5.2.3) с заменой в ней
tотб на
tотв.
5.2.4.3.1. Первым отправляют после остановки с занятием
выходной горловины длинносоставный поезд
N 2004 и затем пропускают без остановки длинносоставный поезд
N 2006 (см.
рис. 5.2.3, в, пунктирное продолжение). Интервал
Iот и промежуток времени
tотв определяют как в п. 5.2.4.3.
5.2.5. Если в графике движения учитывают оси двух парков и поезда рассматриваемой пары (включающей один или оба длинносоставных) отправляют из разных парков, то интервал
Iот определяют как в
п. 5.2.3.
5.2.6. Интервал отправления пассажирского поезда за грузовым равен:
Iгпот = Iгппр + (tг - tп), (5.2.4)
где
Iгппр - интервал прибытия пассажирского поезда за грузовым на расположенный впереди раздельный пункт (
РП), определяемый как в
пункте 3.1, мин;
tг и tп - время нахождения на участке между рассматриваемым РП и РП прибытия или обгона соответственно грузового и пассажирского поезда, мин.
Аналогично поступают в случае отправления пассажирского или грузового поезда одинарной длины за длинносоставным или соединенным поездом.
5.3. Интервал между поездами на перегонах I (тип XI)
5.3.1. Интервалом
I называют минимальное время, которым разграничивают поезда при следовании по перегонам так, чтобы поезд, идущий вторым в расчетной паре, не снижал скорость движения из-за несвоевременного освобождения блок-участков первым поездом, идущим впереди. Для этого необходимо, чтобы машинист второго поезда при подходе к сигналу, разрешающему вход на блок-участок, видел его на расстоянии не менее длины тормозного пути в положении, не требующем снижение скорости.
5.3.2. Нормальным является разграничение двух попутно следующих в пакете поездов расчетной пары тремя смежными блок-участками с ездой
под зеленый на зеленый огни проходных светофоров (
рис. 5.3.1, интервалы
I3,
I4,
I5,
I6). При этом расстояние между центрами поездов расчетной пары равно:
Lр.3 = 0,5 l"п + lбл.I + lбл.II + lбл.III + 0,5 l'п,
где l'п, l"п - длина соответственно первого и второго поездов расчетной пары, м;
lбл.I, lбл.II, lбл.III - длина последовательных блок-участков в порядке их занятия вторым поездом расчетной пары, м.
Разграничение поездов расчетной пары двумя смежными блок-участками с ездой
под зеленый на желтый огни светофоров применяют обычно при отправлении со станции после остановки (
рис. 5.3.1, интервалы
I1,
I2), на перегонах с крутыми затяжными подъемами при невозможности обеспечения на них следования поездов с минимальным интервалом при разграничении тремя блок-участками (интервалы
I7,
I8), а также при подходе к станции для остановки (интервал
I9,). В этом случае расстояние между центрами поездов расчетной пары равно:
Lр.2 = 0,5 l"п + lв + lбл.I + lбл.II + 0,5 l'п,
где
lв - определяемое по
формуле (4.5.2) расстояние, которое проходит второй поезд расчетной пары за время
tв, необходимое для восприятия машинистом смены огня ближнего светофора с желтого на зеленый (езда под зеленый на желтый).
Рис. 5.3.1. Графический расчет межпоездных интервалов в пакете при автоблокировке на участке А - Е.
5.3.3. Кроме получаемых тяговыми расчетами (с точностью 0,1 мин) времен прохода поездом каждого блок-участка
tбл (табл. 5.3.1, графа 3), определяют устанавливаемые также тяговыми расчетами следующие времена:
проход центра второго поезда расчетной пары от момента трогания после остановки на начальной станции участка до выходного светофора
рис. 5.3.1, светофор 1) -
tн, мин;
проход центра первого поезда расчетной пары от входного светофора конечной станции участка (светофор 11) до проследования этого светофора хвостом первого поезда tх, мин;
проход центра первого поезда от входного светофора до момента остановки на конечной станции участка tк, мин.
При тяговых расчетах скорость и время хода поезда должны устанавливаться с учетом осуществления проверки тормозов на эффективность в пределах первых блок-участков при отправлении поезда после остановки, всех постоянных ограничений скорости прохода нейтральных вставок контактной сети переменного тока с пониженной скоростью и по руководящим спускам крутизной более

.
5.3.4. Если скорости движения расчетной пары поездов примерно одинаковы и наибольшая разность времен хода по трем смежным блок-участкам не превышает 0,5 мин, то интервалы по перегонам
I определяют с учетом режимов:
разгона при отправлении поезда с начальной станции участка после остановки (
рис. 5.3.1, интервалы
I1,
I2);
следования поезда по участку по главному пути без остановок на промежуточных раздельных пунктах (интервалы I3...I8);
замедления при подходе к конечной станции участка для остановки (интервалы I9 = In-1, I10 = In).
Примечания: 1. Для упрощения на рис. 5.3.1 и в графе 1 табл. 5.3.1 вместо четырехзначных номеров светофоров использованы порядковые номера, начиная с 1.
2. В графе 4 табл. 5.3.1 указаны только порядковые номера формул в пункте 5.3 без указания номера самого пункта.
3. На рис. 5.3.1 и в графе 4 табл. 5.3.1 после номера интервала 1 первая цифра в скобке показывает, сколько свободных блок-участков учитывается при расчете интервала и после точки указаны номера этих блок-участков.
На
рис. 5.3.1, кроме уже указанных, использованы следующие величины:
lнпол и lкпол - полезная длина приемо-отправочных путей соответственно на начальной и конечной станциях участка, м;
lмв - расстояние, м, которое проходит второй поезд за время tмв, мин., необходимое для приготовления маршрута приема и восприятия машинистом показания открытого входного светофора конечной станции участка;
lвх - расстояние от входного светофора до контрольного столбика (изолирующего стыка), после проследования которого хвостом первого поезда может быть приготовлен маршрут приема и открыт сигнал для второго поезда расчетной пары, м.
Чтобы поезда расчетной пары при разном их положении на участке
А -
Е не накладывались друг на друга и не усложняли чертеж (как это имеет место с поездом
N 2002 в положении (7) и
N 2004 в положении (10), на
рис. 5.3.1 расположения расчетных пар поездов при разграничении их тремя блок-участками и длиной поезда вынесены на размещенные ниже на
рис. 5.3.1 схемы приемо-отправочных путей станций участка
А -
Е и на дополнительный главный путь участка.
5.3.4.2. При графическом методе расчета интервалов
I используют кривую времени хода поезда, построенную по тяговым расчетам
(рис. 5.3.1). В момент отправления второго поезда
N 2004 с начальной станции участка после остановки требуется, чтобы середина ранее отправленного первого поезда
N 2002 расчетной пары находилась за осью проходного светофора 3 на расстоянии
0,5 l'
п. Восстанавливая из этой точки перпендикуляр до пересечения его с кривой времени хода, получают отрезок, который определяет минимальную величину интервала
I при пакетном отправлении поездов с начальной станции участка Аналогично определяют величины интервалов
I при других возможных размещениях поездов расчетной пары. Так, для расчета величины интервала при трехблочном разграничении поездов между светофорами 3 и 6, надо восстанавливать перпендикуляры из центров поездов
N 2004 и
N 2002 в положение (3) до пересечения их с кривой времени хода. Разность отрезков перпендикуляров определяет величину интервала
I между этими блок-участками и т.д. Если при трехблочном разграничении какой-либо интервал
I будет больше интервалов режима разгона
I1 и
I2 или режима замедления
In-1 и
In, необходим дополнительный расчет при разграничении поездов расчетной пары двумя блок-участками, длиной поезда и
lв (см. например, интервал
I7 при двухблочном разграничении). Полученные интервалы
I округляют до большего целого числа. За расчетный интервал
I на рассматриваемом участке принимают наибольший из полученных.
5.3.4.3. Аналитически расчет интервалов
I выполняют по следующим формулам.
Первый интервал с двухблочным разграничением

(5.3.1)
Второй интервал с двухблочным разграничением

(5.3.2)
Промежуточный (i-ый) интервал с двухблочным разграничением

(5.3.3)
Промежуточный (i-ый) интервал с трехблочным разграничением, кроме случая, когда в конце третьего блок-участка находится входной светофор конечной станции участка

(5.3.4)
Промежуточный (i-ый) интервал с трехблочным разграничением, когда в конце третьего блок-участка есть входной светофор

(5.3.5)
Предпоследний интервал перед конечной станцией участка с двухблочным разграничением

(5.3.6)
Последний интервал перед конечной станцией участка

(5.3.7)
Если по
формуле (5.3.4) или
(5.3.5) при трехблочном разграничении какой-либо интервал
Ii(3) получается больше интервала
I1(2), I2(2), I(n-1)(2) или
In, то выполняют дополнительный расчет по
формуле (5.3.3).
Аналитический расчет интервалов
I выполняют заполнением
табл. 5.3.1.
Округление полученных дробных величин интервалов
I и установление расчетного интервала
I на рассматриваемом участке делают так же, как в
пункте 5.3.4.2.
5.3.4.4. В целом расчетный интервал на перегонах и станциях участка равен большей из величин
I (
пункты 5.3.4.2 или
5.3.4.3),
Iот (пункт 3.2) и
Iпр (пункт 5.1) между поездами той категории, для которой определяют интервал
I.
5.3.5. При различных скоростях движения поездов расчетной пары межпоездной интервал I не определяют.
5.3.6. Если расчетная пара состоит из двух длинносоставных поездов, скорости движения которых примерно одинаковы и наибольшая разность времен хода по трем смежным блок-участкам не превышает 0,5 мин, то расчет выполняют в соответствии с
пунктом 5.3.4. При этом расстояние от центра второго поезда расчетной пары на начальной станции участка до его расположения у выходного светофора равно 0,5(
l"
п -
lнпол), а от центра первого поезда у входного светофора конечной станции участка до расположения первого поезда при остановке на этой станции - 0,5(
l'
п -
lкпол).
5.3.7. Когда в расчетную пару входит только один длинносоставный поезд (первый или второй) и скорости движения поездов этой пары различны, то расчет выполняют в соответствии с
пунктами 5.1.6 и
5.2.6.
Таблица 5.3.1.
Расчет межпоездных интервалов на участке
А -
Е
Номер светофора, перед которым находится второй поезд пары | Длина блок-участка, м | Время прохода поездом блок-участка, мин | Расчетная формула, номер и продолжительность ( мин) интервала от рассматриваемого светофора |
1 | 2 | 3 | 4 |
1 | 1400 | 2,9 | |
2 | 1800 | 2,9 | |
3 | 1600 | 2,8 | |
4 | 1700 | 1,6 | |
5 | 1600 | 1,2 | |
6 | 1900 | 2,2 | |
7 | 1600 | 2,3 | |
8 | 1800 | 2,5 | |
9 | 1600 | 2,2 | |
10 | 1500 | 2,3 | |
Расчетный интервал на участке А - Е | I = 8 мин |
tн = 1,4 мин; tх = 1,3 мин; tк = 4,1 мин; tв = 0,05 мин; tмв = 0,2 мин; l"п = l'п = 800 м
6. ИНТЕРВАЛ ПОПУТНОГО СЛЕДОВАНИЯ ПОЕЗДОВ НА ЛИНИЯХ,
НЕ ОБОРУДОВАННЫХ АВТОМАТИЧЕСКОЙ БЛОКИРОВКОЙ
(ТИП XII)
6.1. Интервалом

называют минимальное время от момента прибытия на впередилежащий раздельный пункт (проследования через впередилежащий раздельный пункт) первого поезда до момента отправления с данного раздельного пункта (проследования через данный раздельный пункт) на освободившийся перегон второго поезда того же направления движения.
Интервалы

определяют на двухпутных (или многопутных) линиях, а также на однопутных линиях при непарном непакетном графике.
Интервалы

определяют для следующих условий пропуска поездов расчетной пары:
- проследование поездов через раздельные пункты без остановки;
- пропуск первого поезда с остановкой на втором раздельном пункте (РП-2) и проследование второго поезда по первому раздельному пункту (РП-1) без остановки;
- пропуск первого поезда по второму раздельному пункту без остановки и отправление второго поезда с первого раздельного пункта после остановки;
Г - пропуск первого поезда с остановкой на втором раздельном пункте и отправление второго поезда с первого раздельного пункта после остановки.
| | ИС МЕГАНОРМ: примечание. В официальном тексте документа, видимо, допущена опечатка: имеется в виду рисунок 6.1, а не 4.1. | |
6.1.1. В соответствии с п. 2.5.9 (ведомость ЦД
N 4
б) Инструкции по составлению графика движения поездов на сети ж.д. РФ, определяют интервалы

для случаев, приведенных на
рис. 4.1.
Кроме двухпутных (или многопутных) линий, интервалы

определяют на однопутных линиях при непарном непакетном графике.
Рис. 6.1. Интервалы попутного следования поездов

и

для раздельных пунктов поперечного типа
(рис. 6.2. а):
а - проследование без остановки первого поезда (N 2001 либо N 15) по второму раздельному пункту (ст. B) и проследование без остановки второго поезда (N 2003 либо N 17) по первому раздельному пункту (ст. A);
б - прибытие с остановкой первого поезда на второй раздельный пункт (РП) и проследование второго поезда по первому РП;
в - проследование без остановки первого поезда по второму РП и отправление после остановки второго поезда с первого РП;
г - прибытие с остановкой первого поезда на второй РП и отправление после остановки второго поезда с первого РП;
t - время выполнения технологических операций с рассматриваемой парой поездов;
Lпр - расстояние от центра второго поезда в момент подхода его к началу тормозного пути перед входным сигналом первого РП до расчетной оси первого РП.
| | ИС МЕГАНОРМ: примечание. В официальном тексте документа, видимо, допущена опечатка: имеется в виду график 6.3, а не 4.3. | |
6.2. В случае достаточной длины приемо-отправочных путей, для раздельных пунктов
поперечного типа
(рис. 6.2, а) при проследовании вторым поездом первого раздельного пункта (
ст. A) без остановки (см.
рис. 6.1, а,
б) продолжительность интервала

устанавливают по
графику 4.3 с учетом
первого Примечания к п. 4.1.2, для
Lпр по
формуле (4.1.1) с заменой
lбл на
lт при длине тормозного пути
lт второго поезда. Продолжительность прохода расстояния
Lпр вторым поездом определяют тяговыми расчетами. Промежуток времени по расчетной оси первого раздельного пункта (
ст. A) между моментами совмещения с ней центров проходящих поездов первого (
N 2001 либо
N 15) и второго (
N 2003 либо
N 17) равен:

, (6.1)
где t'мс.1 - время прохода первым поездом расстояния lмс между расчетными осями раздельных пунктов первого (ст. A) и второго (ст. B).
Промежуток времени по расчетной оси второго раздельного пункта (ст. B) от момента совмещения с ней центра первого проходящего поезда, или его остановки, до момента совмещения с этой осью центра второго проходящего поезда равен:

, (6.2)
где t'мс.2 - время прохода вторым поездом расстояния lмс.
Рис. 6.2. Схемы расположения поездов при расчете интервалов

для раздельных пунктов типа:
а - поперечного;
б - продольного или полупродольного и учете в графике движения поездов ближней оси (БО) и дальней оси (ДО) раздельных пунктов.
--------------------------------
<x> Продолжительность операции зависит от конкретных условий расчета
Рис. 6.3. График расчета интервала

в случае проследования вторым поездом первого раздельного пункта без остановки (полуавтоматическая блокировка, электрическая централизация стрелок и светофоров).
6.2.1. При отправлении второго поезда после остановки на первом раздельном пункте (см.
рис. 6.1, в,
г), продолжительность интервала

определяют по графику
рис. 6.4. Промежуток времени по расчетной оси первого раздельного пункта от момента совмещения с ней центра первого проходящего поезда до момента отправления с этой оси второго поезда после остановки определяют по
формуле (6.1) с заменой в ней
tAпа,
tAпб и

на
tAпв,
tAпг и

.
Промежуток времени по расчетной оси второго раздельного пункта от момента совмещения с ней центра первого проходящего поезда, или его остановки, до момента совмещения с этой осью центра второго проходящего поезда определяют по
формуле (6.2) с заменой в ней
tBпа,
tBпб и

на
tBпв,
tBпг и

.
--------------------------------
<x> Продолжительность операции зависит от конкретных условий расчета
<xx> Если маршрут отправления готовят заблаговременно, то продолжительность операции N 5 не включают в интервал

Рис. 6.4. График расчета интервала

в случае отправления второго поезда с первого раздельного пункта после остановки (полуавтоматическая блокировка, электрическая централизация стрелок и сигналов)
6.3. В случае достаточной длины приемо-отправочных путей, для раздельных пунктов
продольного или
полупродольного типа
(рис. 6.2, б) и учете в графике движения поездов ближней оси (
БО) и дальней оси (
ДО), на каждой из которых может находиться или пассажирское здание (ПЗ) или приемо-отправочный парк (
ПО), продолжительность интервалов

определяют по отношению к
ДО первого раздельного пункта и
БО второго раздельного пункта
(рис. 6.5).
Рис. 6.5. Интервалы

и

для раздельных пунктов (РП) продольного или полупродольного типа при учете в графике движения поездов ближней оси (БО) и дальней оси (ДО) РП:
а - проследование без остановки первого поезда (N 2001 либо N 15) по второму раздельному пункту (ст. B) или с остановкой на нем и проследование без остановки второго поезда (N 2003 либо N 17) по первому РП (ст. A);
б1 - проследование без остановки первого поезда по второму РП или с остановкой на нем и отправление после остановки второго поезда с первого РП при расположении пассажирского здания (ПЗ) на БО первого РП;
б2 - то же при расположении ПЗ на ДО первого РП;
t - время выполнения технологических операций с рассматриваемой парой поездов;
Lппр - расстояние от центра второго поезда в момент подхода его к входному сигналу первого РП до его ДО.
При проследовании вторым поездом первого раздельного пункта без остановки (см.
рис. 6.1, а,
б и
рис. 6.5, а) интервал

определяют по графику
рис. 6.3 при
Lппр по
формуле (4.1.3) для длины второго поезда. Если в ГДП учитывают две оси, но
lмо <
lт, то в
(4.1.3) вместо
lмо подставляют
lт.
Промежуток времени по БО первого раздельного пункта (ст. A) между моментами совмещения с БО центров проходящих поездов первого (N 2001 либо N 15) и второго (N 2003 либо N 17) равен:

, (6.3)
где t'мо.1 и t'мо.2 - время прохода расстояния lмо между БО и ДО первого раздельного пункта соответственно первым и вторым поездом.
| | ИС МЕГАНОРМ: примечание. В официальном тексте документа, видимо, допущена опечатка: имеется в виду формула (6.1), а не (4.1). | |
Промежуток времени по
ДО первого раздельного пункта между моментами совмещения с
ДО центров первого и второго поездов определяют по
формуле (4.1) с заменой в ней
tAпа на
tДОAпа. Промежуток времени по
БО второго раздельного пункта от момента прибытия или совмещения с
БО центра первого поезда до момента совмещения с ней центра второго поезда определяют по
формуле (6.2) с заменой в ней на
tBпа на
tБОBпа.
6.4. При длинносоставных или соединенных поездах (длина которых больше полезной длины приемо-отправочных путей) учитывают длину поездов первого (l'п.1) и второго (l'п.2), а также длину приемо-отправочных путей lпол.
На раздельных пунктах поперечного типа длинносоставные или соединенные поезда при остановках должны занимать, как правило, выходные горловины, на раздельных пунктах продольного или полупродольного типа - центральные, без отцепок (разъединения) и прицепок (объединения).
Интервалы

на

определяют:
на раздельных пунктах (РП) поперечного типа - по отношению к расчетным осям соседних первого и второго РП;
на РП продольного или полупродольного типа при учете в графике движения поездов осей двух парков - по отношению к дальней оси (ДО) на выходе с первого РП и ближней оси (БО) на входе во второй РП.
В случае обращения длинносоставных пассажирских поездов интервалы определяют порядком, аналогичным для грузовых поездов.
6.5. Для раздельных пунктов
поперечного типа (см.
рис. 6.2, а) возможны следующие случаи.
6.5.1.
Случай 1. Пропуск по первому
РП длинносоставного (либо соединенного) поезда и последующее отправление или пропуск попутного грузового поезда одинарной длины (либо пассажирского поезда), т.е.
l'
п.1 >
lпол и
l'
п.2 <=
lпол.
Первым пропускают без остановки через второй раздельный пункт (
рис. 6.6, а1. пунктирное продолжение) или с остановкой на нем с занятием выходной горловины длинносоставный поезд
N 2001 и затем пропускают без остановки через первый раздельный пункт (
ст. A) грузовой поезд одинарной длины
N 2003 (либо пассажирский поезд
N 17). Интервал

определяют по графику
рис. 6.3 при
Lпр как в
п. 4.2 с заменой
lбл на
lт для
l'
п.2 <=
lпол. На
рис. 6.6, а1 точка
Цп.1 показывает положение находящегося после расчетной оси второго раздельного пункта (
ст. B) на расстоянии
0,5(l'
п.1 -
lпол) центра поезда
N 2001 в момент освобождения им входной горловины;
t'
ос.1 - время прохода поездом
N 2001 расстояния
0,5(l'
п.1 -
lпол) до освобождения им входной горловины. Промежуток времени по расчетной оси первого раздельного пункта (
ст. A) между моментами совмещения с ней центров поездов первого (
N 2001) и второго (
N 2003 либо
N 17) равен:

, (6.4)
где t'мс.1 - время прохода первым поездом расстояния lмс между расчетными осями первого и второго раздельных пунктов.
Промежуток времени по расчетной оси второго раздельного пункта (ст. B) между моментами совмещения с ней центров поездов N 2001 и N 2003 (N 17) равен:

, (6.5)
где t'мс.2 - время прохода вторым поездом расстояния lмс.
Рис 6.6. Интервалы

и

для поездов первого и второго:
а1 - длинносоставного, проходящего без остановки второй раздельный пункт (РП) или с остановкой на нем с занятием выходной (или центральной) горловины, и грузового одинарной длины либо пассажирского, проходящего первый РП без остановки;
а2 - то же и грузового одинарной длины либо пассажирского при отправлении с первого РП после остановки.
| | ИС МЕГАНОРМ: примечание. В официальном тексте документа, видимо, допущена опечатка: имеется в виду формула (6.4), а не (4.4). | |
6.5.1.1. Первым пропускают без остановки через второй раздельный пункт или с остановкой на нем с занятием выходной горловины длинносоставный поезд
N 2001
(рис. 6.6, а2) и затем отправляют с первого раздельного пункта после остановки на нем грузовой поезд одинарной длины
N 2003 (либо пассажирский поезд
N 17). Интервал

определяют по графику
рис. 6.4. Промежуток времени по расчетной оси первого раздельного пункта (
РП) определяют по
формуле (4.4) с заменой в ней
tAпа1д на
tAпа2д и

на

, промежуток времени по расчетной оси второго
РП - по
формуле (6.5) с заменой
tBпа1д на
tBпа2д и

на

.
6.5.2.
Случай 2. Пропуск по первому
РП грузового поезда одинарной длины (либо пассажирского поезда) и последующее отправление или пропуск попутного длинносоставного (либо соединенного) поезда, т.е.
l'
п.1 <=
lпол и
l'
п.2 >
lпол.
| | ИС МЕГАНОРМ: примечание. Здесь и далее в официальном тексте документа, видимо, допущена опечатка: имеется в виду формула (4.1.6), а не (2.1.6). | |
Первым пропускают без остановки через второй
РП (
рис. 6.7, б1, пунктирное продолжение) или с остановкой на нем грузовой поезд одинарной длины
N 2001 (либо пассажирский поезд
N 15) и затем пропускают без остановки через первый
РП длинносоставный поезд
N 2003. Интервал

определяют по графику
рис. 6.3 при
Lпр.вх по
формуле (2.1.6) для
l'
п.2 >
lпол. На
рис. 6.7, б1 точка
Цп.2 показывает положение находящегося до расчетной оси первого
РП на расстоянии
0,5(l'
п.2 -
lпол) центра проходящего поезда
N 2003 в момент, предшествующий занятию им выходной горловины;
t'
ос.2 - время прохода поездом
N 2003 расстояния
0,5(l'п.2 -
lпол) до начала занятия им выходной горловины. Промежуток времени по расчетной оси первого
РП между моментами совмещения с ней центров поездов первого (
N 2001) и второго (
N 2003) равен:

(6.6)
Промежуток времени по расчетной оси второго РП от момента совмещения с ней центра проходящего поезда N 2002 (N 15) или его остановки до момента совмещения с этой осью центра проходящего поезда N 2003 равен
| | ИС МЕГАНОРМ: примечание. Повтор текста дан в соответствии с официальным текстом документа. | |

(6.6)
Промежуток времени по расчетной оси второго РП от момента совмещения с ней центра проходящего поезда N 2002 (N 15) или его остановки до момента совмещения с этой осью центра проходящего поезда N 2003 равен:

(6.7)
Рис. 6.7. Интервалы

и

для поездов первого и второго:
б1 - грузового одинарной длины либо пассажирского, проходящего без остановки второй раздельный пункт (РП) или с остановкой на нем, и длинносоставного, проходящего первый РП без остановки;
б2 - то же и длинносоставного при отправлении с первого РП после остановки с занятием выходной горловины.
6.5.2.1. Первым пропускают без остановки через второй
РП или с остановкой на нем грузовой поезд одинарной длины
N 2001 либо пассажирский поезд
N 15 (рис. 6.7, б2) и затем отправляют с первого
РП после остановки на нем с занятием выходной горловины длинносоставный поезд N 2003. Интервал

определяют по графику
рис. 6.4. На
рис. 6.7, б2 точка
Цо.2 показывает положение находящегося после расчетной оси первого
РП на расстоянии
0,5(l'
п.2 -
lпол) центра длинносоставного поезда
N 2003 с освобождением им входной горловины, точка
Фо.2 - фиктивный момент возможного совмещения того центра с расчетной осью. Промежуток времени по расчетной оси первого
РП от момента совмещения с ней центра поезда
N 2001 (
N 15) до точки
Фо.2 равен:

(6.8)
Промежуток времени пот расчетной оси второго РП от момента совмещения с ней центра проходящего поезда N 2001 (N 15) или его остановки до момента совмещения с этой осью центра проходящего поезда N 2003 равен

(6.9)
6.5.3.
Случай 3. Пропуск по первому
РП длинносоставного (либо соединенного) поезда и последующее отправление или пропуск попутного длинносоставного (либо соединенного) поезда, т.е
l'
п.1 >
lпол и
l'
п.2 >
lпол.
| | ИС МЕГАНОРМ: примечание. Здесь и далее в официальном тексте документа, видимо, допущена опечатка: имеется в виду рисунок 6.7, б1, а не 4.7, б1. | |
Первым пропускают без остановки через второй
РП (
рис. 6.8, в1, пунктирное продолжение) или с остановкой на нем с занятием выходной горловины длинносоставный поезд
N 2001 и затем пропускают без остановки через первый
РП длинносоставный поезд
N 2003. Интервал

определяют по графику
рис. 6.3 при
Lпр.вх по
формуле (4.1.6) для
l'
п.2 >
lпол. На
рис. 6.8, в1 положение точки
Цп.1 такое же, как на
рис. 6.6, а1, точки
Цп.2 - как на
рис. 4.7, б1. Промежуток времени по расчетной оси первого
РП между моментами совмещения с ней центров поездов
N 2001 и
N 2003 равен:

(6.10)
Промежуток времени по расчетной оси второго РП между моментами совмещения с ней центров поездов N 2001 и N 2003 равен:

(6.11)
| | ИС МЕГАНОРМ: примечание. Литерация рисунков дана в соответствии с официальным текстом документа. | |
Рис. 6.8. Интервалы

и

для поездов первого и второго:
в1 - длинносоставного, проходящего без остановки второй раздельный пункт (РП) или с остановкой на нем с занятием выходной (или центральной) горловины, и длинносоставного, проходящего первый РП без остановки;
в2 - то же и длинносоставного при отправлении с первого РП после остановки с занятием выходной горловины.
6.5.3.1. Первым пропускают без остановки через второй
РП или с остановкой на нем с занятием выходной горловины длинносоставный поезд
N 2001
(рис. 6.8, в2) и затем отправляют с первого
РП после остановки на нем с занятием выходной горловины длинносоставный поезд
N 2003. Интервал

определяют по графику
рис. 6.4. На
рис. 6.8, в2 положение точки
Цп.1 такое же, как на
рис. 6.8, в1, точек
Фо.2 и
Цо.2 - как на
рис. 6.7, б2. Промежуток времени по расчетной оси первого
РП от момента совмещения с ней центра поезда
N 2001 до точки
Фо.2 равен:

(6.12)
Промежуток времени по расчетной второго РП между моментами совмещения с ней центров поездов N 2001 и N 2003 равен:

(6.13)
6.6. Для раздельных пунктов (
РП)
продольного или
полупродольного типа (см.
рис. 6.2, б) и учете в графике движения поездов дальней оси (
ДО) и ближней оси (
БО) возможны следующие случаи.
6.6.1.
Случай 1. l'
п.1 >
lпол и
l'
п.2 <=
lпол (см. характеристику случая 1 в начале
п. 6.5.1 и значения
Цп.1 l'
п.1 >
lпол).
| | ИС МЕГАНОРМ: примечание. В официальном тексте документа, видимо, допущена опечатка: имеется в виду формула (4.1.3), а не (2.1.3). | |
Первым пропускают без остановки через
БО второго
РП (см.
рис. 6.6, а1, пунктирное продолжение) или с остановкой с занятием центральной горловины второго
РП длинносоставный поезд
N 2001 и затем пропускают без остановки через
ДО первого
РП грузовой поезд одинарной длины
N 2003 (либо пассажирский поезд
N 17). Интервал

определяют по графику
рис. 6.3 при
Lпр по
формуле (2.1.3) для
l'
п.2 <=
lпол.
Промежуток времени до
ДО первого
РП tДОAпа1д определяют по
формуле (4.4), в которой
t'
мс.1 устанавливают при
lмс - расстояние между
ДО первого
РП и
БО второго
РП.
Промежуток времени по
БО второго
РП tБОBпа1д определяют по
формуле (6.5) при упомянутом
lмс.
6.6.1.1. Первым пропускают без остановки через
БО второго
РП или с остановкой с занятием центральной горловины второго
РП длинносоставный поезд
N 2001
(рис. 6.9, а2) и затем отправляют после остановки на первом
РП грузовой поезд одинарной длины
N 2003 (либо пассажирский поезд
N 17). При этом до
ДО первого
РП через определяемый по графику
рис. 6.4 интервал

определяют пассажирский поезд
N 17 (если, как это показано на
рис. 6.2, б, пассажирское здание находится на
ДО первого
РП) или до
ДО первого
РП через интервал

пропускают грузовой поезд
N 2003 либо пассажирский поезд
N 17 (если пассажирское здание находится на
БО первого
РП).
Промежуток времени по
ДО первого
РП определяют по
формуле (6.4) с заменой в ней
tAпа1д на
tДОAпа2д и

на

, промежуток времени по
БО второго
РП - по
формуле (6.5) с заменой
tBпа1д на
tБОBпа2д и

на

.
Рис. 6.9. Интервалы

на раздельных пунктах продольного или полупродольного типа для поездов первого и второго:
а2 - длинносоставного, проходящего без остановки второй раздельный пункт (РП) или с остановкой на его БО с занятием центральной горловины, и грузового одинарной длины либо пассажирского при отправлении их с БО первого РП или пассажирского при отправлении с ДО первого РП;
б2 - грузового одинарной длины либо пассажирского, проходящего без остановки второй РП или с остановкой на нем, и длинносоставного при отправлении с БО первого РП после остановки с занятием центральной горловины;
в2 - длинносоставного, проходящего без остановки второй РП или с остановкой на его БО с занятием центральной горловины, и длинносоставного при отправлении с БО первого РП после остановки с занятием центральной горловины.
6.6.2.
Случай 2. l'
п.1 <=
lпол и
l'
п.2 >
lпол (см. характеристику случая 2 в начале
п. 6.5.2 и значения величин
Цп.2 и
t'
ос.2).
Первым пропускают без остановки через
БО второго
РП (см.
рис. 6.7, б1, пунктирное продолжение) или с остановкой грузовой поезд одинарной длины
N 2001 (либо пассажирский поезд
N 15) и затем пропускают без остановки через первый
РП длинносоставный поезд
N 2003. Интервал

определяют по графику
рис. 6.3 при
Lпр.вх по
формуле (2.1.6) с заменой
lбл на
lмо. Если
lмо <
lт, то в
(4.1.6) вместо
lбл подставляют
lт.
Промежуток времени по
ДО первого
РП tДОAпб1д определяют по
формуле (6.6), промежуток времени по
БО второго
РП tБОBпб1д - по
формуле (6.7).
6.6.2.1. Первым пропускают без остановки через
БО второго
РП или с остановкой грузовой поезд одинарной длины
N 2001 либо пассажирский поезд
N 15 (см.
рис. 6.9, б2) и затем отправляют после остановки на первом
РП с занятием центральной горловины длинносоставный поезд
N 2003. Интервал

определяют по графику
рис. 6.4. На
рис. 6.9, б2:
точка Цо.2 - показывает положение находящегося перед ДО первого РП на расстоянии lмо - 0,5(l'п.2 - lпол) центра длинносоставного поезда N 2003 с освобождением им входной горловины парка на БО первого РП, но с занятием его центральной горловины;
lмо - расстояние между БО и ДО первого РП;
(t'мо.2 - t'ос.2) - время прохода поездом N 2003 расстояния lмо - 0,5(l'п.2 - lпол);
t'мо.2 - время прохода поездом N 2003 расстояния lмо;
t'ос.2 - время прохода поездом N 2003 расстояния 0,5(l'п.2 - lпол) до освобождения им входной горловины парка на БО первого РП.
Промежуток времени по ДО первого РП между моментами совмещения с ДО центров поездов N 2001 (N 15) и N 2003 равен:

(6.14)
где t'мс.1 - время прохода первым поездом N 2001 (N 15) расстояния lмс между ДО первого РП и БО второго РП.
Промежуток времени по БО второго РП от момента совмещения с БО центра проходящего поезда N 2001 (N 15) или его остановки до момента совмещения с БО центра проходящего поезда N 2003 равен:

, (6.15)
где t'мс.2 - время прохода вторым поездом N 2003 расстояния lмс.
6.6.3.
Случай 3. l'
п.1 >
lпол и
l'
п.2 >
lпол (см. характеристику случая 3 в начале
п. 6.5.3 и значения величин
Цп.1 и
Цп.2).
Первым пропускают без остановки через
БО второго
РП (см.
рис. 6.8, в1, пунктирное продолжение) или с остановкой с занятием центральной горловины второго
РП длинносоставный поезд
N 2001 и затем пропускают без остановки через первый
РП длинносоставный поезд
N 2003. Интервал

определяют по графику
рис. 6.3 при
Lпр.вх по
формуле (2.1.6) с заменой
lбл на
lмо. Если
lмо <
lт, то в
(2.1.6) вместо
lбл подставляют
lт.
| | ИС МЕГАНОРМ: примечание. В официальном тексте документа, видимо, допущена опечатка: имеется в виду формула (6.11), а не (4.11). | |
Промежуток времени по
ДО первого
РП tДОAпв1д определяют по
формуле (6.10), промежуток времени по
БО второго
РП tБОBпв1д - по
формуле (4.11).
6.6.3.1. Первым пропускают без остановки через
БО второго
РП или с остановкой с занятием центральной горловины второго
РП длинносоставный поезд
N 2001 (см.
рис. 6.9, в2) и затем отправляют после остановки на первом
РП с занятием центральной горловины длинносоставный поезд
N 2003. Интервал

определяют по графику
рис. 6.4. На
рис. 6.9, в2 положение точки
Цп.1 такое же, как на
рис. 6.6, а1, точки
Цо.2 - как на
рис. 6.9, б2.
Промежуток времени по ДО первого РП между моментами совмещения с ДО центров поездов N 2001 и N 2003 равен:

, (6.16)
где t'ос.1 - время прохода поездом N 2001 расстояния 0,5(l'п.1 - lпол) до освобождения им входной горловины второго РП.
Промежуток времени по БО второго РП между моментами совмещения с БО центров поездов N 2001 и N 2003 равен:

(6.17)
7. СТАНЦИОННЫЕ И МЕЖПОЕЗДНЫЕ ИНТЕРВАЛЫ
НА ПРИГОРОДНЫХ УЧАСТКАХ
7.1. Интервал попутного прибытия поездов Iпр.п (тип XIII)
7.1.1. Пригородным "тихоходом" считают поезд, имеющий остановки на всех остановочных пунктах по пути его следования, пригородным "скороходом" - поезд, следующий без остановок на остановочных пунктах предшествующих зон (или с остановками только на зонных станциях) и с остановками на всех остановочных пунктах, расположенных в пределах зоны назначения "скорохода".
7.1.1.1. На головных пригородных участках крупных узлов на главных путях обращения пригородных поездов могут быть в графике движения еще пассажирские и грузовые поезда, которые по отношению к любым пригородным поездам являются "скороходами".
7.1.1.2. Если в графике движения для рассматриваемого раздельного пункта учитывают оси двух парков, то надо поступать в соответствии с
пунктом 5.1.3.
7.1.2. При автоблокировке с
трехзначной системой сигнализации минимальный интервал прибытия на станцию пригородного поезда "скорохода" за "тихоходом"
Iтспр.п ("скорохода" за "скороходом"
Iсспр.п или "тихохода" за "тихоходом"
Iттпр.п) определяют аналогично изложенному в
пункте 5.1. расчету интервала попутного прибытия поездов при автоблокировке. При этом расчетное расстояние между центрами расчетных пар упомянутых пригородных поездов вместо
формулы (4.1.1) устанавливают по следующей формуле:
Lтспр.п =
Lсспр.п =
Lттпр.п =
0,5 l"п.п +
lв +
lбл +
lвх +
+ 0,5 lкпол.п (7.1.1)
где l"п.п - длина второго пригородного поезда в расчетной паре, м;
lв - определяемое по
формуле (4.5.2) расстояние, м проходимое вторым пригородным поездом за время,
tв, мин, необходимое для восприятия машинистом смены огня предупредительного светофора перед входным;
lбл - длина блок-участка перед входным светофором, м;
lвх - расстояние от входного светофора до контрольного столбика (изолирующего стыка), после проследования которого может быть приготовлен маршрут приема и открыт входной сигнал следующему поезду, м;
lкпол.п - полезная длина приемо-отправочного пути станции, по отношению к которой определяют интервал прибытия, м.
Времена прохода всех расстояний в
формуле (7.1.1) определяют тяговыми расчетами. Если в пределах блок-участка второй пригородный поезд расчетной пары имеет остановку, то время замедления, стоянки и разгона учитывают во времени нахождения поезда на блок-участке
tбл.
7.1.2.1. Минимальный интервал прибытия на станцию пригородного поезда "тихохода" за "скороходом" равен:
Iстпр.п = (tтих - tск) + Iстот.п, (7.1.2)
где tтих - tск - время нахождения в пределах зоны пригородного поезда соответственно "тихохода" и "скорохода", мин;
Iстот.п - минимальный интервал отправления с начальной или зонной станции пригородного поезда "тихохода" за "скороходом", мин, который определяют аналогично изложенному в
пункте 3.2 расчету интервала попутного отправления поездов при автоблокировке. При этом расчетное расстояние между центрами этих пригородных поездов определяют по следующей формуле:
Lствых.п =
0,5 lнпол.п +
lбл.1 +
0,5 l'
п.п, (7.1.3)
где lнпол.п - полезная длина приемо-отправочного пути головной (или зонной) станции, м;
lбл.1 - длина блок-участка после выходного светофора, м;
l'п.п - длина первого пригородного поезда в расчетной паре, м.
7.1.2.2. Минимальный интервал прибытия (проследования) пассажирского поезда за пригородным "тихоходом" или "скороходом"
Iп.пспр определяют по
пункту 7.1.2 с заменой в
формуле (7.1.1) величины
l"п.п на
l"п.пс - длина пассажирского поезда, следующего вторым в расчетной паре, м, величины
lкпол.п на
lкпол.пс - полезная длина приемо-отправочного пути для пассажирского поезда, м, и подстановкой в
формулу (7.1.1) соответствующих величин
lв и
lвх. Если длина тормозного пути пассажирского поезда
lт больше
lбл, то в
формуле (7.1.1) вместо
lбл учитывают
lт.
7.1.2.3. Минимальный интервал прибытия на станцию пригородного поезда "тихохода" или "скорохода" за пассажирским поездом равен
Iпс.ппр = (tп - tпс) + Iпс.пот, (7.1.4)
где tп и tпс - время нахождения на участке между станцией головной или зонной и рассматриваемой станцией соответственно пригородного и пассажирского поезда, мин.
Iпс.пот - минимальный интервал отправления с головной или зонной станции пригородного поезда "тихохода" или "скорохода" за пассажирским, мин, который определяют как в
пункте 3.2 при
Lпс.пвых =
0,5 lнпол.пс +
lбл.1 +
0,5 l'
п.пс, (7.1.5)
где lнпол.пс - полезная длина приемо-отправочного пути головной или зонной станции для пассажирского поезда, м;
l'п.пс - длина пассажирского поезда, следующего первым в расчетной паре, м.
7.1.3. При автоблокировке с
четырехзначной системой сигнализации минимальный интервал прибытия на станцию пригородного поезда "скорохода" за "тихоходом"
Iтспр.п ("скорохода" за "скороходом"
Iсспр.п или "тихохода" за "тихоходом"
Iттпр.п) определяют как в
пункте 7.1.2 с учетом в
формуле (7.1.1) длины блок-участка при четырехзначной системе.
7.1.3.1. Минимальный интервал прибытия на станцию пригородного поезда "тихохода" за "скороходом"
Iстпр.п определяют как в
пункте 7.1.2.1 с учетом в
формуле (7.1.3) длины блок-участка при четырехзначной системе.
7.1.3.2. Минимальный интервал прибытия (проследования) пассажирского поезда за пригородным "тихоходом" или "скороходом"
Iп.пспр определяют как в
пункте 7.1.2.2. При этом расчетное расстояние между центрами пригородного и пассажирского поездов вместо
формулы (7.1.1) определяют по следующей формуле:
Lп.пспр =
0,5 l"п.пс +
lв +
lбл 1 +
lбл 2 +
lвх +
+ 0,5 lкпол.пс, (7.1.6)
где l"п.пс - длина второго пассажирского поезда, м;
lбл 1 и lбл 2 - длина первого и второго блок-участков (в последовательности их занятия при приеме) при четырехзначной системе, м.
Если
lт пассажирского поезда больше
lбл 1 +
lбл 2, то в
формуле (7.1.6) вместо
lбл 1 +
lбл 2 учитывают
lт.
Наличие на проходном светофоре горящих одновременно желтого и зеленого огней требует начала торможения пассажирского поезда.
7.1.3.3. Минимальный интервал прибытия на станцию пригородного поезда "тихохода" или "скорохода" за пассажирским поездом
Iпс.ппр.п определяют как в
пункте 7.1.2.3 с учетом в
формуле (7.1.5) длины блок-участка при четырехзначной системе.
7.2. Интервал попутного отправления поездов Iот.п (тип XIV)
7.2.1. Если в графике движения для рассматриваемого раздельного пункта учитывают оси двух парков, то надо поступать в соответствии с
пунктом 5.2.3.
7.2.2. При автоблокировке с
трехзначной системой сигнализации минимальный интервал отправления со станции пригородного поезда "тихохода" за "скороходом"
Iстот.п по желтому огню выходного светофора определяют как в
пункте 7.1.2.1. с подстановкой в
формулу (7.1.3) соответствующих величин.
7.2.2.1. Минимальный интервал отправления со станции пригородного поезда "скорохода" за "скороходом"
Iссот.п (или "тихохода" за "тихоходом"
Iттот.п по зеленому огню выходного светофора определяют аналогично изложенному в
пункте 5.2 расчету интервала попутного отправления поездов при автоблокировке. При этом расчетное расстояние между центрами расчетных пар упомянутых поездов вместо
формулы (5.2.2) определяют по следующей формуле:
Lссвых.п =
Lттвых.п =
0,5 lнпол.п +
lбл 1 +
lбл 2 +
+ 0,5 l'п.п, (7.2.1)
где lбл 2 - длина блок-участка между первой парой проходных светофоров, расположенных после выходного светофора, м.
7.2.2.2. Минимальный интервал отправления со станции пригородного поезда "скорохода" за "тихоходом"
Iтсот.п по зеленому огню выходного светофора равен:
Iтсот.п =
Iтспр.п + (
tтих -
tск), (7.2.2)
В
формуле (7.2.2) Iтспр.п определяют по
пункту 7.1.2,
tтих и
tск - время нахождения в пределах зоны пригородного поезда соответственно "тихохода" и "скорохода", мин.
7.2.2.3. Минимальный интервал отправления со станции пригородного поезда "тихохода" или "скорохода" за пассажирским поездом
Iпс.пот по желтому огню выходного светофора определяют как в
пункте 7.1.2.3.
7.2.2.4. Минимальный интервал отправления со станции пассажирского поезда за пригородным "тихоходом" или "скороходом Iп.псот по зеленому огню выходного светофора равен:
Iп.псот =
Iп.пспр + (
tп -
tпс), (7.2.3)
| | ИС МЕГАНОРМ: примечание. В официальном тексте документа, видимо, допущена опечатка: имеется в виду формула (7.2.3), а не (6.2.3). | |
В
формуле (6.2.3) Iп.пспр определяют по
пункту 7.1.2.2,
tп и
tпс - время нахождения на участке между станцией головной или зонной и рассматриваемой станцией соответственно пригородного и пассажирского поезда, мин.
7.2.3. При автоблокировке с
четырехзначной системой сигнализации минимальный интервал отправления со станции пригородного поезда "тихохода" за "скороходом"
Iстот.п по желтому огню выходного светофора определяют как в
пункте 7.1.2.1 с учетом в
формуле (7.1.3) соответствующих величин, в том числе длины блок-участка при четырехзначной системе.
7.2.3.1. Минимальный интервал отправления со станции пригородного поезда "скорохода" за "скороходом"
Iссот.п (или "тихохода" за "тихоходом"
Iттот.п) по горящим одновременно желтому и зеленому огням выходного светофора определяют как в
пункте 7.2.2.1 с учетом в
формуле (7.2.1) длин блок-участков при четырехзначной системе.
7.2.3.2. Минимальный интервал отправления со станции пригородного поезда "скорохода" за "тихоходом"
Iтсот.п по горящим одновременно желтому и зеленому огням выходного светофора определяют как в
пункте 7.2.2.2 (в том числе не менее
Iссот.п по
пункту 7.2.3.1) с учетом в
формуле (7.2.1) длин блок-участков при четырехзначной системе и соответствующих времен хода в пределах зоны пригородных поездов "тихохода" и "скорохода".
7.2.3.3. Минимальный интервал отправления со станции пригородного поезда "тихохода" или "скорохода" за пассажирским поездом
Iпс.пот по желтому огню выходного светофора определяют как в
пункте 7.1.2.3 с учетом в
формуле (7.1.5) длины блок-участка при четырехзначной системе. Для создания лучших, более безопасных, условий движения пригородный поезд "скороход" можно отправлять за пассажирским поездом по одновременно горящим желтому и зеленому огням выходного светофора, для чего в
формуле (7.1.5) добавляется длина второго блок-участка
lбл 2.
7.2.3.4. Минимальный интервал отправления со станции пассажирского поезда за пассажирским
Iпс.псот по зеленому огню выходного светофора определяют аналогично изложенному в
пункте 5.2 расчету интервала попутного отправления пассажирских поездов. При этом расчетное расстояние между центрами пассажирских поездов расчетной пары вместо
формулы (5.2.2) определяют по следующей формуле:
Lпс.псвых = 0,5 lнпол.пс + lбл 1 + lбл 2 + lбл 3 +
+ 0,5 l'п.пс, (7.2.4)
| | ИС МЕГАНОРМ: примечание. В официальном тексте документа, видимо, допущена опечатка: имеется в виду формула (7.1.5), а не (5.1.5). | |
где, кроме условных обозначений к
формуле (5.1.5),
lбл 1,
lбл 2 и
lбл.3 - длина первого, второго и третьего блок-участков после выходного светофора при четырехзначной системе, м.
7.2.3.5. Минимальный интервал отправления со станции пассажирского поезда за пригородным "тихоходом" или "скороходом"
Iп.псот по зеленому огню выходного светофора определяют по
формуле (7.2.3), в которой
Iп.пспр устанавливают по
пункту 7.1.3.2, но не менее
Iпс.псот по
пункту 7.2.3.4.
7.3. Интервал между поездами на перегонах Iп (тип XV)
7.3.1. При автоблокировке с
трехзначной системой сигнализации интервалы
Iп определяют как в
пунктах 5.3.1 ...
5.3.4.4 с учетом длин пригородных поездов, полезных длин приемо-отправочных путей для этих поездов и др.
Если в пределах блок-участка предусмотрена остановка пригородного поезда, то связанное с этим время замедления, стоянки и разгона учитывают при тяговых расчетах в продолжительности нахождения пригородного поезда на этом блок-участке tбл.
7.3.2. При автоблокировке с
четырехзначной системой сигнализации нормальным является разграничение двух попутно следующих в пакете пригородных поездов "тихоходов" (двух "скороходов") четырьмя смежными блок-участками с ездой
под зеленый на зеленый огни проходных светофоров.
При этом расстояние между центрами пригородных поездов расчетной пары равно:
Lр.п.4 = 0,5 l"п.п + lбл.I + lбл.II + lбл.III + lбл.IV +
+ 0,5 l'п.п,
где l"п.п и l'п.п - длина соответственно второго и первого пригородного поезда, м;
lбл.I, , lбл.IV - длина последовательных блок-участков в порядке их занятия вторым пригородным поездом расчетной пары, м.
Разграничение пригородных поездов расчетной пары тремя смежными блок-участками с ездой под зеленый на желтый с зеленым огни светофоров применяют при отправлении с головной (или зонной) станции после остановки, на перегонах с крутыми затяжными подъемами или с остановочными пунктами при невозможности обеспечения на этих перегонах следования пригородных поездов с минимальным интервалом при разграничении четырьмя блок-участками, а также при подходе к станции для остановки. В этом случае расстояние между центрами пригородных поездов расчетной пары равно
Lр.п.3 = 0,5 l"п.п + lбл.I + lбл.II + lбл.III + 0,5 l'п.п,
| | ИС МЕГАНОРМ: примечание. В официальном тексте документа, видимо, допущена опечатка: имеется в виду п. 5.3.3, а не 3.3.3. | |
7.3.3. Как в
пункте 3.3.3, кроме времени
tбл (с учетом остановок), тяговыми расчетами определяют величины
tн,
tх и
tк.
7.3.4. Если для расчетной пары пригородных поездов наибольшая разность времен нахождения на четырех смежных блок-участках (с учетом остановок) не превышает 0,5 мин, то интервалы по перегонам Iп определяют с учетом режимов:
разгона при отправлении пригородного поезда с головной (или зонной) станции;
следования пригородного поезда по участку по главному пути без остановок на остановочных платформах или с остановками на них и зонных станциях;
замедления при подходе пригородного поезда к конечной (или зонной) станции для остановки.
7.3.4.1. Расчет интервалов
Iп можно выполнять графически по кривой времени нахождения пригородных поездов на участке или аналитически по приводимым ниже
формулам (7.3.1) ...
(7.3.7).
7.3.4.2. Графический метод расчета для пригородных поездов интервалов
Iп аналогичен изложенному в
пункте 5.3.4.2.
7.3.4.3. Аналитически расчет для пригородных поездов интервалов
Iп выполняют по приводимым ниже формулам, в которых, кроме уже указанных обозначений (в том числе в
пункте 5.3.3),
tмв - время, необходимое для приготовления маршрута приема и восприятия машинистом второго пригородного поезда в расчетной паре показания открытого входного светофора конечной (или зонной) станции, мин.
Первый интервал с трехблочным разграничением равен

(7.3.1)
Второй интервал с трехблочным разграничением

(7.3.2)
Промежуточный (i-ый) интервал с трехблочным разграничением

(7.3.3)
Промежуточный (i-ый) интервал с четырехблочным разграничением, кроме случая, когда в конце четвертого блок-участка находится входной светофор зонной (или конечной) станции участка

(7.3.4)
Промежуточный (i-ый) интервал с четырехблочным разграничением, когда в конце четвертого блок-участка есть входной светофор

(7.3.5)
Предпоследний интервал перед зонной (конечной) станцией участка с трехблочным разграничением

(7.3.6)
Последний интервал перед зонной (конечной) станцией участка

(7.3.7)
Если по
формуле (7.3.4) или
(7.3.5) при четырехблочном разграничении какой-либо интервал
Iп.i(4) получается больше интервала
Iп.1(3),
Iп.2(3),
Iп.(n-1)(3) или
Iп.n, то выполняют дополнительный расчет по
формуле (7.3.3).
Аналитический расчет интервалов
Iп. выполняют заполнением таблицы, аналогичной
таблице 5.3.1.
Полученные интервалы Iп. округляют до большего целого числа. За расчетный интервал Iп. на рассматриваемом участке принимают наибольший из полученных.
7.3.4.5. С целью повышения пропускной способности пригородного участка при автоблокировке с четырехзначной системой для указанных в конце
пункта 7.3.2 условий разграничения расчетной пары пригородных поездов тремя смежными блок-участками, может быть использовано разграничение и двумя смежными блок-участками с ездой
под желтый с зеленым на желтый огни светофоров. В этом случае расстояние между центрами пригородных поездов расчетной пары равно
Lр.п.2 = 0,5 l"п.п + lв + lбл.I + lбл.II + 0,5 l'п.п,
| | ИС МЕГАНОРМ: примечание. В официальном тексте документа, видимо, допущена опечатка: имеется в виду формула (4.5.2), а не (2.5.2). | |
где
lв - определяемое по
формуле (2.5.2) расстояние, м, которое проходит второй пригородный поезд расчетной пары за время
tв, мин, необходимое для восприятия машинистом смены огня ближнего светофора с желтого на желтый с зеленым.
Интервалы определяют по
пункту 5.3.4.3 с учетом в
формулах (5.3.1) ...
(5.3.7) длин блок-участков при четырехзначной системе, полезных длин приемо-отправочных путей для пригородных поездов и др.
В целом для участка расчетный интервал по перегонам и станциям определяют как в
пункте 7.3.4.4.
7.3.4.6. Интервал между двумя пассажирскими поездами, имеющими наибольшую разность времен нахождения на четырех смежных блок-участках не более 0,5 мин, определяют аналогично изложенному в
пунктах 7.3.2 7.3.4.4 с учетом длин пассажирских поездов, полезных длин приемо-отправочных путей для этих поездов и др.
8. СТАНЦИОННЫЕ И МЕЖПОЕЗДНЫЕ ИНТЕРВАЛЫ ПРИ ОБРАЩЕНИИ
СКОРОСТНЫХ И ВЫСОКОСКОРОСТНЫХ ПАССАЖИРСКИХ ПОЕЗДОВ
НА ЛИНИЯХ С СОВМЕЩЕННЫМ ДВИЖЕНИЕМ
8.1. Интервал попутного прибытия (проследования) поездов
8.1.1. На железнодорожных магистралях с совмещенным движением скоростных (высокоскоростных) пассажирских поездов и различных категорий нескоростных пассажирских, пригородных и грузовых поездов возможны следующие интервалы попутного прибытия (проследования) поездов:
между двумя скоростными (высокоскоростными) пассажирскими поездами (см.
рис. 8.1.1, а,
б);
между нескоростным пассажирским, пригородным либо грузовым поездом и скоростным (высокоскоростным) пассажирским поездом (см.
рис. 8.1.1, в).
Рис. 8.1.1. Интервалы попутного прибытия (проследования) поездов
Iпр.ск и
Iпр:
а) - проследование без остановки двух скоростных (высокоскоростных) пассажирских поездов;
б) - прием с остановкой двух скоростных (высокоскоростных) пассажирских поездов;
в) - прием с остановкой нескоростного пассажирского или грузового поезда и проследование без остановки скоростного (высокоскоростного) пассажирского поезда;
t - время выполнения технологических операций по приему (проследованию) поездов;
Lпр.ск - расстояние от центра принимаемого скоростного (высокоскоростного) пассажирского поезда в момент подхода его к расчетному проходному светофору и до расчетной оси раздельного пункта приема (проследования) этого поезда;
Lпр - то же для нескоростного пассажирского или грузового поезда.
8.1.2. Изображенное на
рис. 8.1.2 расчетное расстояние от центра принимаемого скоростного (высокоскоростного) пассажирского поезда в момент подхода его к
расчетному проходному светофору и до расчетной оси раздельного пункта приема (проследования) этого поезда определяется по формуле:

, (8.1.1)
где lп.ск - длина скоростного (высокоскоростного) пассажирского поезда, следующего вторым в расчетной паре, м;
lв - определяемое по
формуле (8.1.2) расстояние, которое проходит скоростной (высокоскоростной) пассажирский поезд за время восприятия машинистом поездного локомотива разрешающего показания
расчетного проходного светофора, м;

- суммарная длина, м, соседних с входным светофором "
f" блок-участков, равная длине тормозного пути скоростного (высокоскоростного) пассажирского поезда для скорости начала торможения перед этими "
f" блок-участками при заданных типе тормозов, расчетном тормозном коэффициенте и крутизне спуска <x> (см.
Инструкцию по эксплуатации тормозов подвижного состава железных дорог);
--------------------------------
<*> При этом автоматическая локомотивная сигнализация обеспечивает предупреждение о закрытом светофоре на расстоянии не менее длины тормозного пути скоростного (высокоскоростного) пассажирского поезда)
lвх - расстояние от входного светофора до предельного столбика (изолирующего стыка), расположенного при входе на путь приема или проследования скоростного пассажирского поезда, м;
lпол - полезная длина пути приема или проследования скоростного (высокоскоростного) пассажирского поезда, м.
Расстояние lв равно:
где 16,7 - коэффициент перевода км/ч в м/мин;
v - скорость движения скоростного пассажирского поезда на подходе к расчетному проходному светофору, км/ч;
tв - время восприятия машинистом поездного локомотива показания открытого светофора, равное 0,05 мин.
--------------------------------
<*> Расчетный проходной светофор
Рис. 8.1.2. Схемы расположения поездов при расчете интервала
Iпр.ск для раздельных пунктов типа:
а - поперечного;
б - продольного или полупродольного.
8.1.3. Минимальный интервал проследования через раздельный пункт (прибытия на раздельный пункт) скоростного (высокоскоростного) пассажирского поезда за скоростным (высокоскоростным) пассажирским
lпр.ск (см.
рис. 8.1.1, а,
б) устанавливается по графику
рис. 8.1.3, расчетное расстояние между центрами поездов расчетной пары
Lпр.ск определяется по
формуле (8.1.1), а время его прохода - тяговыми расчетами,
но не менее 5 мин для начальных и конечных станций участка обращения скоростных (высокоскоростных) поездов,
и не менее 10 минут для остальных станций участка. Для повышения условий безопасности движения скоростных (высокоскоростных) пассажирских поездов в графике
рис. 8.1.3 указано вероятное время возможного опоздания проследования (прибытия) первого скоростного (высокоскоростного) пассажирского поезда (операция 1) и вероятное время опоздания второго скоростного (высокоскоростного) пассажирского поезда (операция 3). Для скоростных (высокоскоростных) пассажирских поездов без систем автоведения отклонения от расписания должны составлять не более +/- 1 мин; при применении систем автоведения возможные отклонения от перегонных времен хода можно не учитывать.

--------------------------------
<*> Для начальных и конечных станций расчетного участка
<*> Для остальных станций расчетного участка
Рис. 8.1.3. График расчета интервала проследования (прибытия) скоростного (высокоскоростного) пассажирского поезда за скоростным (высокоскоростным) пассажирским
Iпр.ск (
рис. 8.1.1, а,
б)
8.1.4. Когда после прибытия нескоростного пассажирского, пригородного либо грузового поезда через раздельный пункт проследует скоростной (высокоскоростной) пассажирский поезд (см.
рис. 8.1.1, в), то расчетное расстояние между центрами этой пары поездов
Lпр.ск определяется по
формуле (8.1.1), время его прохода - тяговыми расчетами, а минимальный интервал I
пр.ск устанавливается по графику на
рис. 8.1.4. (но не менее 5 мин для начальных и конечных станций участка обращения таких поездов и не менее 10 минут для остальных станций участка).
--------------------------------
<*> Для начальных и конечных станций расчетного участка
<*> Для остальных станций расчетного участка
Рис. 8.1.4. График расчета интервала проследования скоростного (высокоскоростного) пассажирского поезда за грузовым или нескоростным пассажирским
Iпр.ск (рис. 8.1.1, в)
8.1.5. Для раздельных пунктов продольного типа при учете в графике движения поездов оси раздельного пункта, проходящей через ось пассажирского здания, и оси приемо-отправочного парка с расположением пассажирского здания на дальней оси по направлению приема поездов, т.е. на оси раздельного пункта (см. в
пункте 8.2 рис. 8.2.2, б) поезда расчетных пар в случае на
рис. 8.1.1 принимают в разные парки.
В случае на
рис. 8.1.1, в грузовой поезд
N 2001 принимают на путь 3 ближнего парка по направлению приема поездов (расположенного на оси приемо-отправочного парка - ближняя ось), а скоростной (высокоскоростной) пассажирский поезд
N 151 - на путь 4 дальнего парка (ось раздельного пункта - дальняя ось) и интервал
Iпр.ск определяют по ближней оси, считая моментом прибытия скоростного (высокоскоростного) пассажирского поезда
N 151, следующего в дальний парк, совмещение его центра с осью ближнего парка, в который был принят грузовой поезд
N 2001. При этом расчетное расстояние для скоростного (высокоскоростного) пассажирского поезда
N 151
Lпр.ск до ближайшей оси определяют по
формуле (8.1.1).
Вообще интервал попутного
прибытия (проследования) расчетной пары поездов определяют всегда по
ближайшей оси, которой может быть или ось раздельного пункта (см.
рис. 8.1.2, б) или ось его приемо-отправочного парка (см.
рис. 8.2.2, б).
8.2. Интервал попутного отправления (проследования) поездов
8.2.1. На железнодорожных магистралях с совмещенным движением скоростных (высокоскоростных) пассажирских поездов и различных категорий нескоростных пассажирских, пригородных и грузовых поездов возможны следующие интервалы попутного отправления (проследования) поездов:
между двумя скоростными (высокоскоростными) пассажирскими поездами (см.
рис. 8.2.1, а,
б);
между нескоростным пассажирским, пригородным либо грузовым поездом и скоростным (высокоскоростным) пассажирским поездом (см.
рис. 8.2.1, в).
Рис. 8.2.1. Интервалы попутного отправления (проследования) поездов
Iот.ск и
Iот:
а) - проследование без остановки двух скоростных (высокоскоростных) пассажирских поездов;
б) - отправление после остановки двух скоростных (высокоскоростных) пассажирских поездов;
в) - отправление после остановки нескоростного пассажирского или грузового поезда и проследование без остановки скоростного (высокоскоростного) пассажирского поезда;
г) - проследование без остановки скоростного (высокоскоростного) пассажирского поезда и отправление после остановки грузового или нескоростного пассажирского поезда;
t - время выполнения части технологических операций по отправлению (проследованию) второго поезда;
Lвых.ск - расстояние от оси раздельного пункта до положения центра первого поезда после освобождения им "g" блок-участков;

- то же после освобождения двух блок-участков;
Lвых - то же после освобождения одного блок-участка.
8.2.2. Изображенное на
рис. 8.2.2 расчетное расстояние
Lвых.ск от оси раздельного пункта отправления скоростного (высокоскоростного) пассажирского поезда до положения центра отправленного первым скоростного (высокоскоростного) пассажирского поезда после освобождения им "g" блок-участков (длина которых обеспечивает предупреждение о закрытом светофоре на расстоянии не менее длины тормозного пути скоростного (высокоскоростного) пассажирского поезда) определяется по формуле:

, (8.2.1)
где lпол - полезная длина пути отправления скоростного (высокоскоростного) пассажирского поезда, м;

- суммарная длина, м, учитываемого числа "g" блок-участков, равная длине тормозного пути скоростного (высокоскоростного) пассажирского поезда для скорости начала торможения перед этими "g" блок-участками при заданных типе тормозов, расчетном тормозном коэффициенте и крутизне спуска;
lп.ск - длина скоростного (высокоскоростного) пассажирского поезда, отправляемого первым, м.
Рис. 8.2.2. Схемы расположения поездов при расчете интервала
Iот.сн для раздельных пунктов типа:
а) - поперечного;
б) - продольного или полупродольного.
8.2.3. Минимальный интервал проследования раздельного пункта скоростным (высокоскоростным) пассажирским поездом за скоростным
Iот.ск (см.
рис. 8.2.2, а) устанавливается по графику на
рис. 8.2.3, в котором расчетное расстояние между центрами поездов расчетной пары
Lвых.ск определяется по
формуле (8.2.1), а
Lот.ск - по формуле:
Lот.ск = 0,5
lпол +
lг + 0,5
lп.ск, (8.2.2)
lг - расстояние от выходного светофора до последней выходной стрелки в маршруте отправления или до изолирующего стыка, м.
Для повышения условий безопасности движения скоростных (высокоскоростных) пассажирских поездов в графике
рис. 8.2.3 указано вероятное время опоздания скоростного (высокоскоростного) пассажирского поезда, проходящего станцию без остановки (операция 1), которое при применении систем автоведения можно не учитывать.
--------------------------------
<*> Для начальных и конечных станций расчетного участка
<*> Для остальных станций расчетного участка
Рис. 8.2.3. График расчета интервала проследования скоростного (высокоскоростного) пассажирского поезда за скоростным (высокоскоростным) пассажирским, проследовавшим станцию без остановки
(рис. 8.2.1, а)
8.2.4. Для случая на
рис. 8.2.1, б минимальный интервал отправления скоростного (высокоскоростного) пассажирского за скоростным (высокоскоростного) пассажирским определяется по графику на
рис. 8.2.4 с использованием
формул (8.2.1) и
(8.2.2).
--------------------------------
<*> Продолжительность операции зависит от конкретных условий расчета
Рис. 8.2.4. График расчета интервала отправления скоростного (высокоскоростного) пассажирского поезда за скоростным (высокоскоростным) пассажирским, отправленным после остановки
(рис. 8.2.1, б)
8.2.5. При проследовании скоростного (высокоскоростного) пассажирского поезда за нескоростным пассажирским, пригородным либо грузовым поездом (см.
рис. 8.2.1, в) должны быть свободными не менее двух блок-участков:
Lпвых = 0,5lпол + lбл.1 + lбл.2 + 0,5lп.ск, (8.2.3)
lбл.1 - длина блок-участка между выходным и следующим за ним светофором, м;
lбл.2 - длина второго блок-участка (в последовательности занятия отправленным поездом) м.
Интервал
Iот.ск определяется по графику
рис. 8.2.5 с использованием
формулы (8.2.2), в которой
lп.ск, заменяется на
lп - длина нескоростного пассажирского, пригородного либо грузового поезда.
Для случая на
рис. 8.2.1, в минимальный интервал проследования рассматриваемого раздельного пункта скоростным (высокоскоростным) пассажирским поездом за нескоростным пассажирским, пригородным либо грузовым еще определяют по формуле:
Iот.ск.р = (
tп -
tск) +
Iпр, (8.2.4)
где tп - время нахождения на участке между рассматриваемым раздельным пунктом и ближайшим последующим раздельным пунктом прибытия нескоростного пассажирского, пригородного либо грузового поезда, мин;
tск - то же скоростного (высокоскоростного) пассажирского поезда, мин;
Iпр - минимальный интервал прибытия на последующий раздельный пункт скоростного (высокоскоростного) пассажирского поезда за нескоростным пассажирским, пригородным либо грузовым поездом, мин (см.
рис. 8.1.1, в и
8.2.2).
При построении графика движения поездов в случае на
рис. 8.2.1, в принимается та величина интервала проследования скоростного (высокоскоростного) пассажирского поезда за нескоростным пассажирским, пригородным либо грузовым поездом, которая является наибольшей из интервалов, определенных по графику на
рис. 8.2.5 и по
формуле (8.2.4).
--------------------------------
<*> Для начальных и конечных станций расчетного участка
<*> Для остальных станций расчетного участка
Рис. 8.2.5. График расчета интервала проследования скоростного (высокоскоростного) пассажирского поезда за грузовым или нескоростным пассажирским
(рис. 8.2.1, в)
8.2.6. Для случая на
рис. 8.2.1, г минимальный интервал отправления с рассматриваемого раздельного пункта грузового, пригородного либо нескоростного пассажирского поезда за скоростным (высокоскоростным) пассажирским
Iот определяется по графику
рис. 8.2.6 с использованием
формулы (8.2.2) и при расстоянии от оси раздельного пункта до положения центра первого поезда расчетной пары после освобождения им одного блок-участка:
Lвых = 0,5lпол + lбл.1 + 0,5lп..ск (8.2.5)
--------------------------------
<*> Продолжительность операции зависит от конкретных условий расчета
Рис. 8.2.6. График расчета интервала отправления грузового или нескоростного пассажирского поезда за скоростным (высокоскоростным) пассажирским, проследовавшим станцию без остановки
(рис. 8.2.1, г)
8.2.7. При последовательном расположении приемо-отправочных путей для грузовых поездов на ближней оси по направлению отправления поездов и путей для пассажирских (пригородных) поездов - на дальней оси (с учетом в ГДП обеих осей), интервал отправления грузовых поездов определяют по дальней оси, считая моментом отправления грузового поезда с РП совмещение его центра с дальней осью
Вообще интервал попутного отправления (проследования) расчетной пары поездов определяют всегда по дальней оси, которой может быть или ось раздельного пункта или ось его приемо-отправочного парка.
8.3. Интервал между поездами на перегонах
8.3.1. Интервалом между расчетной парой скоростных (высокоскоростных) пассажирских поездов на перегонах Iск называется минимальное время, которым разграничивают поезда при следовании их по перегонам так, чтобы поезд, идущий вторым в расчетной паре, не снижал скорость движения из-за несвоевременного освобождения блок-участков первым поездом, идущим впереди. Для этого необходимо, чтобы машинист второго поезда при подходе к светофору, разрешающему вход на блок-участок, видел его на расстоянии не менее длины тормозного пути в положении, не требующем снижения скорости.
8.3.2. Интервал между расчетной парой скоростных (высокоскоростных) пассажирских поездов Iск определяется при нормальном расстоянии между центрами расчетной пары скоростных (высокоскоростных) пассажирских поездов, составляющим:

, (8.3.1)
где

и

- длина скоростного (высокоскоростного) пассажирского поезда соответственно первого и второго в расчетной паре, м;

- суммарная длина, м, учитываемого числа "
q" блок-участков, принимаемая равной длине 5 блок-участков, но не менее длины тормозного пути скоростного (высокоскоростного) пассажирского поезда, которую определяют так же, как для
формулы (8.2.1), в том числе два блок-участка для создания условий, аналогичных езде "под зеленый на зеленый".
8.3.3. Кроме получаемых тяговыми расчетами (с точностью 0,1 мин) времен прохода поездом каждого блок-участка tбл.i, определяют устанавливаемые также тяговыми расчетами следующие времена:
- проход центра второго поезда расчетной пары от момента трогания после остановки на начальной станции участка до выходного светофора
tн, мин (т.е. проход расстояния

, где

- полезная длина приемо-отправочного пути начальной станции участка, м);
- проход центра первого скоростного (высокоскоростного) пассажирского поезда расстояния, необходимого для приготовления маршрута приема и восприятия машинистом поездного локомотива открытого входного светофора конечной станции участка tмв, мин;
- проход центра первого поезда от входного светофора до момента остановки на конечной станции участка
tк, мин (т.е. проход расстояния

, где
lвх - расстояние от входного светофора до предельного столбика, расположенного при входе на приемо-отправочный путь конечной станции участка,

- полезная длина приемо-отправочного пути конечной станции участка, м);
- проход центром второго скоростного пассажирского поезда половины его длины

, мин;
- то же первым скоростным пассажирским поездом

, мин.
8.3.4. При тяговых расчетах скорость и время хода поезда должны устанавливаться с учетом осуществления проверки тормозов на эффективность в пределах первых блок-участков при отправлении поезда после остановки, всех постоянных ограничений скорости прохода нейтральных вставок контактной сети переменного тока с пониженной скоростью и по руководящим спускам.
8.3.5. Межпоездные интервалы на перегонах для скоростных (высокоскоростных) пассажирских поездов Iск определяют последовательно от каждого светофора по направлению движения этих поездов для следующих режимов:
- разгон при отправлении поезда с начальной станции (промежуточных раздельных пунктов) участка после остановки;
- следование поезда по участку по главному пути без остановок на промежуточных раздельных пунктах;
- замедление при подходе поезда к конечной станции (промежуточному раздельному пункту) участка для остановки.
8.3.6. Расчет межпоездных интервалов Iск (мин) выполняют следующим образом. При отправлении скоростного (высокоскоростного) пассажирского поезда с начальной станции (промежуточного раздельного пункта) участка:

(8.3.2)
При следовании скоростного (высокоскоростного) пассажирского поезда по участку:

(8.3.3)
При прибытии скоростного (высокоскоростного) пассажирского поезда на конечную станцию (промежуточный раздельный пункт) участка:

(8.3.4)
Полученные межпоездные интервалы рассчитывают с точностью 0,05 мин и округляют до большего целого числа и за расчетный межпоездной интервал на перегонах Iск на рассматриваемом участке принимают наибольший из полученных.
| | ИС МЕГАНОРМ: примечание. В официальном тексте документа, видимо, допущена опечатка: имеется в виду рисунок 8.1.4, а не 8.1.5. | |
8.3.7. В целом для участка расчетный интервал на перегонах и станциях равен большей из величин
Iск,
Iот.ск (см.
рис. 8.2.3 -
8.2.6) и
Iпр.ск (см.
рис. 8.1.3 -
8.1.5).
8.4. Интервал неодновременного отправления и встречного
прибытия поездов при враждебных маршрутах 
8.4.1. Интервалы

определяют для всех заданных сочетаний скоростей движения пассажирских и пригородных поездов.
8.4.2. Продолжительность интервала

включает определяемое тяговыми расчетами время прохода отправляемым поездом расчетного расстояния
Lот.ск до освобождения им последней выходной стрелки в маршруте отправления или изолирующего стыка (операция
N 1 на
рис. 8.4.3), выполнение технологических операций по отправлению поезда и по приему встречного поезда (операции
NN 2 - 5), а также время прохода встречным поездом расчетного расстояния
Lпр.ск (операция
N 6).
8.4.3. Аналогично интервал

может быть определен при отправлении с промежуточного РП, например, четного скоростного пассажирского поезда и приеме нечетного скоростного пассажирского поезда к пассажирскому зданию с пересечением четного главного пути II.
Рис. 8.4.1. Интервал неодновременного отправления и встречного прибытия поездов при враждебных маршрутах

--------------------------------
<x> Расчетный проходной интервал
Рис. 8.4.2. Схемы расположения поездов при расчете интервала

--------------------------------
<*> Продолжительность операции зависит от конкретных условий расчета
Рис. 8.4.3. График расчета интервала

8.5. Интервал неодновременного прибытия и встречного
отправления поездов при враждебных маршрутах 
8.5.1. Интервалом

называют минимальное время от момента прибытия
(рис. 8.5.1) на головную станцию скоростного (высокоскоростного) пассажирского (нескоростного пассажирского, пригородного) поезда (см.
рис. 8.4.2) до момента отправления с этой же головной станции встречного скоростного (высокоскоростного) пассажирского (нескоростного пассажирского, пригородного) поезда.
Рис. 8.5.1. Интервал неодновременного прибытия и встречного отправления поездов при враждебных маршрутах

8.5.2. Интервалы

определяют для всех заданных сочетаний скоростей движения пассажирских и пригородных поездов.
8.5.3. Продолжительность интервала

определяют по графику
рис. 8.5.2.
--------------------------------
<*> Продолжительность операции зависит от конкретных условий
| | ИС МЕГАНОРМ: примечание. Нумерация рисунков дана в соответствии с официальным текстом документа. | |
Рис. 9.5.2. График расчета интервала

8.5.4. Аналогично интервал

(разновидность интервала скрещения) может быть определен при приеме на промежуточный РП например нечетного скоростного (высокоскоростного) пассажирского поезда к пассажирскому зданию с пересечением четного главного пути II и отправлении четного пассажирского поезда.
8.6. Интервал неодновременного отправления и попутного
прибытия поездов 
8.6.1. Интервалом

называют минимальное время от момента отправления с раздельного пункта скоростного (высокоскоростного) пассажирского (нескоростного пассажирского, пригородного) поезда до момента прибытия на этот раздельный пункт скоростного (высокоскоростного) пассажирского (нескоростного пассажирского, пригородного) поезда того же направления движения (
рис. 8.6.1 и
8.6.2).
Рис. 8.6.1. Интервал неодновременного отправления и попутного прибытия поездов

--------------------------------
<x> Расчетный проходной светофор
Рис. 8.6.2. Схемы расположения поездов при расчете интервала

8.6.2. Интервалы

определяют для всех заданных сочетаний скоростей движения пассажирских и пригородных поездов.
8.6.3. Продолжительность интервала

включает определяемое тяговыми расчетами время прохода отправляемым поездом расчетного расстояния
Lот.ск до освобождения им последней выходной стрелки в маршруте отправления или изолирующего стыка (операция N 1 на
рис. 8.6.3), выполнение технологических операций по отправлению и приему поездов одного и того же направления движения
t (операция NN 2 - 5), а также определяемое тяговыми расчетами время прохода принимаемым поездом расчетного расстояния
Lпр..ск (операция N 6). Расчетные расстояния
Lот.ск и
Lпр..ск определяют соответственно по
формулам (8.2.2) и
(8.1.1).
--------------------------------
<*> Продолжительность операции зависит от конкретных условий расчета
| | ИС МЕГАНОРМ: примечание. Нумерация рисунков дана в соответствии с официальным текстом документа. | |
Рис. 9.6.3. График расчета интервала

9. МЕРОПРИЯТИЯ ПО СОКРАЩЕНИЮ СТАНЦИОННЫХ
И МЕЖПОЕЗДНЫХ ИНТЕРВАЛОВ
9.1. При росте объема перевозок, выделении в графике движения поездов "окон" для текущего содержания, плановых видов ремонта и строительства и т.д. возникает потребность в увеличении пропускной способности расчетных участков по ограничивающим раздельным пунктам и перегонам за счет сокращения станционных и межпоездных интервалов.
9.2. Сокращение станционных и межпоездных интервалов с обеспечением безопасности движения поездов без больших капитальных вложений может быть осуществлено следующими организационно-техническими мероприятиями:
изменение способов управления стрелками и сигналами, зависимостей маршрутно-контрольных и других устройств станционной блокировки, позволяющих сократить время выполнения операций или осуществлять их параллельно;
изменение специализации приемо-отправочных путей, устройство дополнительных съездов и предохранительных тупиков для обеспечения возможности одновременного приема-отправления поездов;
дополнительное секционирование маршрутов приема-отправления поездов и использование (по мере освобождения) изолированных стрелочных секций в одном маршруте для передвижения по другому маршруту;
снятия ограничения скоростей движения при отклонении поездов на боковые пути укладкой стрелочных переводов с пологими марками крестовин
разукрупнение стрелочных постов при ручном обслуживании стрелок;
при электрожезловой системе или телефонном средстве связи и ручном обслуживании стрелок, ведение переговоров по движению поездов и подготовка маршрута второму поезду расчетной пары до момента фактической остановки первого поезда (если это позволяет схема путевого развития раздельного пункта);
одновременно с переговорами по движению поездов проверка свободности пути приема поезда и подготовка для него маршрута или, если это возможно, выполнение указанных операций заблаговременно;
передача жезла на путях от прибывшего поезда отправляемому на тот же перегон встречному поезду без пропуска через жезловой аппарат (за исключением перегонов, где жезловые аппараты оборудованы ключами-жезлами);
вынос жезловых аппаратов на стрелочные посты;
изменение существующей расстановки сигналов автоблокировки, приближение входных и предупредительных сигналов к горловинам;
уменьшение числа блок-участков, разграничивающих расчетную пару поездов, по сравнению с нормальной схемой их разграничения;
использование временной двусторонней автоблокировки при выполнении ремонтных работ.
9.3. Значительное сокращение станционных и межпоездных интервалов обеспечивает осуществление следующих основных реконструктивных мероприятий:
строительство автоблокировки, диспетчерской централизации и электрической централизации стрелок и сигналов в первую очередь в горловинах, примыкающих к перегонам;
дальнейшее развитие систем блокировки;
замена трехзначной автоблокировки четырехзначной;
переустройство горловин и удлинение приемо-отправочных путей;
сооружение путепроводных развязок;
повышение скоростей движения поездов за счет электрификации и введения более мощных локомотивов;
строительство дополнительных путевых постов и разъездов на линиях, не оборудованных автоблокировкой;
сооружение двухпутных вставок (повышение числа двухпутных вставок) для организации безостановочного скрещения поездов;
оборудование поездных локомотивов и моторвагонного подвижного состава автоведением.
9.4. Для обеспечения движения поездов без снижения скорости и полного использования пропускной способности расчетных участков по раздельным пунктам и перегонам, станционные и межпоездные интервалы при разработке графиков движения поездов должны быть увязаны между собой.