Главная // Актуальные документы // ИнструкцияСПРАВКА
Источник публикации
Документ опубликован не был
Примечание к документу
Документ введен в действие с 26.02.2021 (
Распоряжение ОАО "РЖД" от 16.02.2021 N 309/р).
Название документа
"Инструкция по обеспечению пожарной безопасности на моторвагонном подвижном составе"
(утв. Распоряжением ОАО "РЖД" от 16.02.2021 N 309/р)
"Инструкция по обеспечению пожарной безопасности на моторвагонном подвижном составе"
(утв. Распоряжением ОАО "РЖД" от 16.02.2021 N 309/р)
от 16 февраля 2021 г. N 309/р
ИНСТРУКЦИЯ ПО ОБЕСПЕЧЕНИЮ ПОЖАРНОЙ БЕЗОПАСНОСТИ
НА МОТОРВАГОННОМ ПОДВИЖНОМ СОСТАВЕ
1.1. Инструкция по обеспечению пожарной безопасности на моторвагонном подвижном составе (далее - Инструкция) устанавливает основные положения и требования пожарной безопасности, для моторвагонного подвижного состава ОАО "РЖД", находящегося в эксплуатации. Настоящая Инструкция является обязательной для всех работников Центральной дирекции моторвагонного подвижного состава - филиала ОАО "РЖД" (далее - ЦДМВ) и ее структурных подразделений, связанных с эксплуатацией, обслуживанием и ремонтом моторвагонного подвижного состава ОАО "РЖД".
1.2. Инструкция разработана в соответствии с требованиями Технического регламента Евразийского экономического союза
ТР ЕАЭС 043/2017 "О требованиях к средствам обеспечения пожарной безопасности и пожаротушения", Федерального
закона от 22 июля 2008 г. N 123-ФЗ "Технический регламент о требованиях пожарной безопасности" и
Правил противопожарного режима в Российской Федерации, утвержденных постановлением Правительства Российской Федерации от 16 сентября 2020 г. N 1479.
Настоящая Инструкция содержит основные сведения по эксплуатации, обслуживанию и ремонту установленных на моторвагонном подвижном составе средств обнаружения и тушения пожаров.
Внедрение новых средств обнаружения и тушения пожара осуществляется по технической документации разработчиков систем пожарной автоматики и изготовителей МВПС.
1.3. В Инструкции применены следующие сокращения:
МВПС - моторвагонный подвижной состав;
ФГП ВО ЖДТ России - Федеральное государственное предприятие Ведомственная охрана железнодорожного транспорта Российской Федерации";
ТО - техническое обслуживание;
ТР - текущий ремонт;
КР - капитальный ремонт;
КД - конструкторская документация;
РЭ - руководство по эксплуатации;
РА - рельсовый автобус;
ГОС - газовый огнетушащий состав;
ОС - оповещатель световой;
ЗПУ - запорно-пусковое устройство;
БКИ - блок клавиатуры и индикации
БМ2 - блок монтажный на 2 модуля;
ДО - дизельный отсек;
ЖКИ - жидкокристаллический индикатор;
КС - кнопочная станция;
СДУ - сигнализатор давления;
МПГ - модуль пожаротушения газовый;
ПКП - приемно-контрольный прибор;
СОТП - система обнаружения и тушения пожара;
ДНЦ - поездной диспетчер;
ДСП - дежурный по станции;
ТТ - технические требования "Системы сигнализации и пожаротушения для моторвагонного подвижного состава";
Ранг - Ранг тушения очага пожара;
Посильные меры - посильные меры по спасению людей, имущества и тушению пожаров (в соответствии с требованиями Федерального
закона от 21 декабря 1994 г. N 69-ФЗ "О пожарной безопасности").
1.4. В Инструкции использованы следующие нормативные ссылки:
Технический регламент Евразийского экономического союза
ТР ЕАЭС 043/2017 "О требованиях к средствам обеспечения пожарной безопасности и пожаротушения" (далее - ТР ЕАС 043/2017);
Технический регламент Таможенного союза
ТР ТС 032/2013 "О безопасности оборудования работающего под избыточным давлением", принят Решением Совета Евразийской экономической комиссии от 2 июля 2013 г. N 41 (далее - ТР ТС 032/2013);
Технический регламент Таможенного союза
ТР ТС 028/2012 "О безопасности взрывчатых веществ и изделий на их основе", принят Решением Совета Евразийской экономической комиссии от 20 июля 2012 г. N 57 (далее - ТР ТС 028/2012);
Федеральный
закон от 22 июля 2008 г. N 123-ФЗ "Технический регламент о требованиях пожарной безопасности" (далее - ФЗ-123);
Федеральный
закон от 21 декабря 1994 г. N 69-ФЗ "О пожарной безопасности".
Правила технической эксплуатации железных дорог Российской Федерации, утвержденные приказом Министерства транспорта Российской Федерации от 21 декабря 2010 г. N 286 (далее - ПТЭ);
Правила технической эксплуатации электроустановок потребителей, утвержденные приказом Министерства энергетики Российской Федерации от 13 января 2003 г. N 6 (далее - ПТЭЭП);
Правила противопожарного режима в Российской Федерации, утвержденные постановлением Правительства Российской Федерации от 16 сентября 2020 г. N 1479 (далее - Правила противопожарного режима в РФ);
СП 5.13130.2009 "Системы противопожарной защиты. Установки пожарной сигнализации и пожаротушения автоматические. Нормы и правила проектирования" (далее - СП 5.13130.2009);
СТО РЖД 1.15.009-2014 "Система управления пожарной безопасностью в ОАО "РЖД". Основные положения" (далее - СТО РЖД 1.15.009-2014).
1.5. Ответственность за пожарную безопасность эксплуатируемого МВПС несут:
машинисты - за принятый ими МВПС;
начальники депо (начальники участков) - за МВПС, приписанный к депо (дирекции);
начальники региональных дирекций МВПС - за состояние МВПС, находящегося на балансе.
Ответственность за пожарную безопасность МВПС, находящегося на территории ремонтных заводов, оговаривается в договорах (соглашениях) с ОАО "РЖД".
1.6. С учетом требований настоящей Инструкции и конструктивных особенностей применяемых средств обнаружения и тушения пожара на МВПС, разрабатываются инструкции о действии локомотивной бригады при возникновении пожара или загорания для каждого типа МВПС, которые согласовываются с ФГП ВО ЖДТ России (при необходимости) и утверждаются начальником региональной дирекции моторвагонного подвижного состава.
1.7. Требования Инструкции должны учитываться при разработке руководств по техническому обслуживанию, текущему и капитальному ремонту для каждого конкретного типа моторвагонного подвижного состава.
1.8. Начальники региональных дирекций МВПС (в случае отсутствия структурных подразделений) и начальники депо ежегодно занимаются реализацией мероприятий по снижению пожарной опасности МВПС (разработанных ЦДМВ), а также назначают приказами ответственных за проведение пожарно-профилактических мероприятий, предусмотренных Инструкцией, при технических обслуживаниях и ремонтах МВПС.
1.9. Начальники региональных дирекций МВПС и производственных участков (в случае отсутствия структурных подразделений), начальники депо разрабатывают и согласовывают (при необходимости) с подразделениями ФГП ВО ЖДТ России программы обучения машинистов и помощников машинистов, которые должны содержать:
основные пожароопасные узлы и причины возникновения пожаров на МВПС;
требования пожарной безопасности на МВПС;
обязанности локомотивной бригады при приемке, эксплуатации и сдаче МВПС в части пожарной безопасности;
меры и технические средства по предотвращению и своевременному обнаружению пожара;
действия при возникновении пожара, методы и приемы его тушения;
устройство и работу первичных средств пожаротушения, установок пожарной сигнализации и пожаротушения.
1.10. Начальники региональных дирекций МВПС (в случае отсутствия структурных подразделений) и начальники депо разрабатывают и согласовывают (при необходимости) с подразделениями ФГП ВО ЖДТ России программы обучения рабочих и служащих, связанных с техническим обслуживанием и ремонтом МВПС, которые должны содержать:
основные пожароопасные узлы и причины возникновения пожаров на МВПС;
требования пожарной безопасности на МВПС при производстве технического обслуживания и ремонта;
устройство и работу первичных средств пожаротушения, установок пожарной сигнализации и пожаротушения, порядок их обслуживания, ремонта и меры безопасности при их выполнении;
действия при возникновении пожара, методы и приемы его тушения.
1.11. Программы обучения должны отражать основные положения и требования пожарной безопасности с привязкой к фактически эксплуатируемым или ремонтируемым МВПС в эксплуатационных и ремонтных моторвагонных депо или заводе.
Для раскрытия тем, предусмотренных программой обучения, следует использовать натурные образцы, учебные модели и макеты, схемы, плакаты, планшеты с рисунками, фотографии, а также современные технические средства обучения.
1.12. Начальники региональных дирекций МВПС (в случае отсутствия структурных подразделений) и начальники депо согласовываю приказы (при необходимости) с подразделениями ФГП ВО ЖДТ России, которыми должны установить:
а) порядок и сроки занятий по программе пожарно-технического минимума;
б) список работников, связанных с техническим обслуживанием и ремонтом МВПС, которые должны проходить обучение. Машинисты и помощники машинистов проходят обучение все без исключения. Машинисты и помощники машинистов МВПС, ранее не работавшие в отопительный сезон, должны пройти обучение пожарно-технического минимуму до его начала;
в) место обучения по программе пожарно-технического минимума;
г) перечень должностных лиц, на которых возлагается проведение занятий.
1.13. По окончании изучения пожарной безопасности МВПС у машинистов и помощников машинистов, а также у работников, связанных с ремонтом МВПС, должны быть приняты зачеты.
Результаты зачетов оформляют протоколом.
Работники депо, не сдавшие зачеты, к работе не допускаются.
1.14. Периодичность проведения занятий с последующей проверкой знаний в моторвагонных депо с локомотивными бригадами, ремонтным персоналом, и с другими работниками, связанными с ремонтом и обслуживанием МВПС, установлена нормативными документами и стандартами Российской Федерации и ОАО "РЖД".
2.1. Требования пожарной безопасности при содержании МВПС.
2.1.1. МВПС обеспечивается огнетушителями, пожарным инвентарем, оборудованием и ручным инструментом в соответствии с требованиями
Правил противопожарного режима в РФ.
2.1.2. Смазочные материалы должны находиться только в металлических емкостях (бидонах, масленках) с узкими горловинами и плотно закрывающимися крышками, а обтирочные концы, как чистые, так и загрязненные - в металлических ящиках, ведрах с крышками. Хранение смазочных и обтирочных материалов допускается только в строго определенных местах, которые определенны заводом-изготовителем МВПС.
2.1.3. Все защитные устройства электрооборудования должны находиться в исправности.
Сечения токоведущих кабелей, проводов, а также устройств заземления должны соответствовать требованиям КД.
Вводы кабелей и проводов в электрические аппараты, клеммовые и переходные коробки, металлорукава и выходы из них должны быть оборудованы переходными уплотнителями и втулками из изоляционного материала, исключающих возможность повреждения изоляции проводов и кабелей в процессе монтажа и эксплуатации, и выполняться в соответствии с требованиями КД и руководств по ремонту и техническому обслуживанию.
Места электрических соединений должны иметь надежные контакты. Расстояние между токоведущими и заземленными частями должно быть в пределах, установленных КД соответствующего оборудования.
2.1.4. При обесточивании по каким-либо причинам отдельных участков электрической цепи, электрические провода должны быть отсоединены от клемм с обеих сторон. Отсоединенные концы следует тщательно заизолировать и подвязать для исключения соприкосновений с электрическими контактами и подвижными деталями МВПС.
2.1.5. Запрещается применять нетиповую аппаратуру защиты или несоответствующую данной цепи по току срабатывания.
2.1.6. Запрещается эксплуатировать электрооборудование без дугогасительных камер там, где они предусмотрены заводом, изготовителем, с нарушенной изоляцией электропроводки, не закрепленными контактами, соединять электрические провода между собой холодной скруткой, включать или отключать контакты реле принудительным способом.
2.1.7. Установленные электропечи должны быть только закрытого исполнения, с исправными кожухами, надежно укреплены и изолированы от примыкающих конструкций, изготовленных из горючих материалов.
Внутренние части тамбурных шкафов с электрооборудованием, камеры электрокалориферов и каналы калориферного отопления на длине 1,5 м от камер должны быть надежно изолированы от примыкающих конструкций, изготовленных из горючих материалов.
2.1.8. Следует обращать особое внимание на то, чтобы кожухи электропечей и места подвода к ним электрических проводов были очищены от посторонних предметов и мусора.
2.1.9. Электропечи, электрокалориферы, вентиляционные каналы, надпотолочные пространства тамбуров, шкафы с электроаппаратами и другое оборудование должны систематически очищаться от пыли, горючих материалов и мусора. Конкретные сроки очистки устанавливаются в каждом депо в зависимости от типа МВПС и требований РЭ.
2.1.10. Для изготовления гибких соединений вентиляционных каналов тяговых электродвигателей и других систем, а также защитных рукавов силовых кабелей следует применять материалы с показателями пожарной опасности в соответствии с требованиями
ГОСТ 34394-2018, которые сохраняют свои свойства в процессе эксплуатации.
2.1.11. В вагонах запрещается загромождать проходы и выходы и провозить опасные грузы (легковоспламеняющиеся жидкости, газы, взрывчатые и ядовитые вещества).
2.1.12. Не допускается подтекание масла или топлива из: трубопроводов, дизельных двигателей, компрессоров и редукторов.
2.1.13. Очистка от нефтепродуктов крыш, пространства под половицами дизельного помещения, поддонов и других емкостей, специально предназначенных для сбора нефтепродуктов, очистка глушителей и искрогасителей от нагара, проверка и очистка дренажных труб дизель-поездов, автомотрис и рельсовых автобусов, должны производиться согласно требованиям соответствующих руководств по ремонту и техническому обслуживанию.
2.1.14. Наполнение топливных баков дизель-поездов, автомотрис и рельсовых автобусов должно производиться ниже верхнего его уровня не менее чем на 50 мм, имея в виду свойство топлива, расширяться при повышении температуры наружного воздуха и при включении топливо подогревательных устройств. Заправочный пистолет отводится от горловины бака только после полного прекращения вытекания топлива.
Заправочный пистолет должен иметь устройства для наворачивания на горловину бака, снятия статического электричества и быстрого отключения подачи топлива.
После набора топлива пробки баков должны быть плотно закрыты.
Курить и пользоваться открытым источником огня при заправке топливных баков запрещается.
2.1.15. В дизельных отделениях (отсеках) дизель-поездов, автомотрис и рельсовых автобусов, запрещается:
а) пользоваться для освещения и других целей открытым огнем (факелами, свечами и паяльными лампами);
б) курить в дизельном помещении и вблизи аккумуляторных батарей;
в) сушить спецодежду и другие горючие материалы на дизелях, электродвигателях, генераторах, выхлопных трубах и других пожароопасных местах;
г) оставлять открытыми индикаторные краны дизелей;
д) промывать бензином и керосином кузов и агрегаты.
2.1.16. У дизель-поездов и автомотрис, где конструкцией выпускной системы дизеля предусмотрена установка искрогасительных устройств (согласно КД), последние должны быть исправны, а сетки не иметь прогаров. Должна производиться их очистка от несгоревших частиц и нагара, а также регулирование обеспечивающих эжекцию и зазоров, которые должны соответствовать КД.
2.1.17. Запрещается эксплуатировать МВПС:
а) с нарушением требований настоящего подраздела (2.1);
б) с неисправностями, перечисленными в
п. 24 приложения N 5 ПТЭ;
в) при наличии не устраненных замечаний в журнале
форма ТУ-152;
г) не оснащенный первичными средствами пожаротушения и установками пожарной сигнализации и пожаротушения;
д) не оснащенный первичными средствами пожаротушения и установками пожарной сигнализации и пожаротушения (предусмотренные заводом-изготовителем);
2.2. Оснащение первичными средствами пожаротушения и установками пожарной сигнализации и пожаротушения.
2.2.1. МВПС обеспечиваются огнетушителями согласно требованиям
приложения N 3 Правил противопожарного режима в РФ <1>, пожарным инвентарем, оборудованием и ручным инструментом.
--------------------------------
<1> Допускается использовать иные первичные средства пожаротушения, обеспечивающее тушение соответствующего класса пожара и ранг тушения модельного очага пожара.
2.2.2. При отсутствии в вагонах установок пожаротушения, МВПС, кроме огнетушителей, должен оснащаться генераторами огнетушащего аэрозоля оперативного применения для пожаротушения в пассажирских салонах после эвакуации пассажиров.
Нормы оснащения МВПС генераторами огнетушащего аэрозоля оперативного применения рассчитываются согласно методике расчета, указанной в
приложении К свода правил СП 5.13130.2009.
2.2.3. Вагоны МВПС, салоны которых переоборудованы для просмотра видеопрограмм (видеосалоны), оснащаются дополнительными средствами пожаротушения, которые согласовываются с начальником региональной дирекции МВПС и с пожарной охраной железнодорожного транспорта (при необходимости).
2.2.4. Основные типы огнетушителей, и их технические характеристики приведены в
приложении А к Инструкции.
Каждый огнетушитель, установленный на МВПС, должен иметь: сертификат соответствия требованиям
ФЗ-123,
ТР ЕАС 043/2017, паспорт завода-изготовителя и порядковый номер.
Запускающее или запорно-пусковое устройство огнетушителя должно быть опломбировано одноразовой пломбой.
Опломбирование огнетушителя осуществляется заводом-изготовителем при производстве огнетушителя или специализированными организациями при регламентном техническом обслуживании или перезарядке огнетушителя.
На одноразовую пломбу наносятся следующие обозначения:
а) индивидуальный номер пломбы;
б) дата зарядки огнетушителя с указанием месяца и года.
Руководители организаций, проводящих ТО, ТР и КР обеспечивают наличие и исправность огнетушителей, периодичность их осмотра и проверки, а также своевременную перезарядку огнетушителей.
Учет наличия, периодичности осмотра и сроков перезарядки огнетушителей ведется в специальном журнале произвольной формы.
2.2.5. На МВПС емкости для песка должны быть наполнены сухим песком.
2.2.6. На МВПС огнетушители и пожарный инвентарь размещаются в соответствии с требованиями завода-изготовителя МВПС.
2.2.7. На рельсовых автобусах огнетушители и пожарный инвентарь размещаются в служебных помещениях моторного вагона, а пожарный ручной инструмент - в соответствии с конструкцией рельсового автобуса.
2.2.8. При проведении КР-2 требуется производить замену устаревших установок пожарной сигнализации и пожаротушения (не соответствующие требованиям
ТР ЕАС 043/2017 или
ФЗ-123 и ТТ) на системы пожарной сигнализации и установки пожаротушения автоматические (соответствующие требованиям
ТР ЕАС 043/2017 или
ФЗ-123 и ТТ) по КД, утвержденной в установленном порядке.
Устройство и работа установок пожарной сигнализации и пожаротушения приведены в
приложении Б к Инструкции.
Перечень проектов по оборудованию МВПС установками пожарной сигнализации и пожаротушения приведен в
приложении Д к Инструкции.
2.2.9. В кабинах машинистов МВПС должны быть вывешены памятки с необходимыми сведениями о действиях при пожаре и правилами применения установок пожарной сигнализации и пожаротушения.
3. Обеспечение пожарной безопасности МВПС
при проведении ТО, ТР и КР
3.1. Пожарная профилактика осуществляется посредством выполнения организационных и технических мероприятий, направленных на предотвращение пожаров на МВПС, ограничения их распространения и создания условий для успешного тушения.
3.2. Основным средством обеспечения пожарной безопасности МВПС является выполнение в установленные сроки, в полном объеме и с высоким качеством работ, предусмотренных планово-предупредительной системой технического обслуживания и ремонта, а также инструкций, разработанных и утвержденных в соответствии с
п. 1.5 Инструкции.
3.3. Объем работ, производимых в депо (участке) при технических обслуживаниях и ремонтах, а также техническое состояние МВПС и его пожарная безопасность должны соответствовать требованиям, установленным КД, нормативных правовых актов Российской Федерации и нормативных документов ОАО "РЖД" для данного типа МВПС.
3.4. Объем работ при КР, а также техническое состояние МВПС и его пожарная безопасность должны соответствовать требованиям, установленным КД, организационно-распорядительным документам Российской Федерацией и ОАО "РЖД" в области пожарной безопасности для данного типа МВПС. Содержание и ремонт первичных средств пожаротушения, установок пожарной сигнализации и пожаротушения должны соответствовать требованиям
приложения В к Инструкции.
3.5. Содержание и ремонт установок пожарной сигнализации и пожаротушения МВПС в период гарантийного срока эксплуатации должны производиться в соответствии с КД предприятий-изготовителей. Изготовление, содержание, ремонт и эксплуатация резервуаров установок пожаротушения должны, соответствовать
ТР ТС 032/2013.
Изготовление, содержание, ремонт и эксплуатация резервуаров установок пожаротушения должны, соответствовать
ТР ТС 032/2013.
3.6. Запрещается выпуск в эксплуатацию из всех видов технического обслуживания и ремонта МВПС, не имеющих полного комплекта средств пожаротушения в соответствии с требованиями
приложения N 3 Правил противопожарного режима в РФ, с неисправными установками пожарной сигнализации и пожаротушения.
3.7. Запрещается отправка в КР на завод или пересылка на другие дороги МВПС, не имеющих полного комплекта средств пожаротушения в соответствии с требованиями
приложения N 3 Правил противопожарного режима в РФ.
При пересылке МВПС в недействующем состоянии водный раствор пенообразователя из резервуаров установок пенного пожаротушения должен быть слит, трубопровод продут, а огнетушители и другое пожарное оборудование должно находиться в помещениях для проводников.
3.8. После прохождения МВПС визуального технического обслуживания - VI, технических обслуживании (ТО-3, I1 - I6), текущих ремонтов (ТР-1, ТР-2, ТР-3) - должностным лицом, назначенным приказом начальника депо (начальником участка), в журнале технического состояния
(форма ТУ-152) должна быть сделана запись по типу: "Моторвагонный подвижной состав средствами пожаротушения укомплектован, пожарная сигнализация исправна, установка пожаротушения исправна", поставлена дата и подпись.
4. Требования пожарной безопасности в отстое
и при эксплуатации МВПС
4.1. Обязанности локомотивной бригады при приемке и сдаче.
4.1.1. Локомотивная бригада обязана просмотреть журнал
формы ТУ-152 принимаемого МВПС. При наличии в нем записей о неисправностях, проверить их устранение, обратив особое внимание на записи, касающиеся пожарной безопасности. Если такие неисправности не устранены, машинист не должен принимать МВПС в эксплуатацию.
4.1.2. При приемке МВПС, после технического обслуживания ТО-3 и всех видов текущего ремонта локомотивная бригада должна проверить наличие в журнале
формы ТУ-152 записи о полном укомплектовании и исправности средств пожаротушения, пожарной сигнализации и установки пожаротушения в соответствии с требованиями
п. 3.8 Инструкции. Если такая запись отсутствует, машинист обязан потребовать ее внесения и не должен принимать МВПС, пока такая запись не будет сделана.
4.1.3. Убедиться в том, что принимаемый МВПС соответствует требованиям
Правил противопожарного режима в РФ и требованиям Инструкции.
Произвести осмотр и проверку оборудования, предусмотренного руководствами по эксплуатации и обслуживанию, утвержденными для данного типа МВПС и другими нормативно-техническими документами. Особое внимание обратить на основные узлы, агрегаты и узлы конструкции, представляющие повышенную пожарную опасность.
4.1.4. Основные узлы, представляющие повышенную пожарную опасность, и возможные причины пожара приведены в
приложении Г к Инструкции. Принимая МВПС, бригада должна на основании внешнего осмотра пожароопасных узлов убедиться в их исправном состоянии. При обнаружении неисправностей они должны быть устранены.
Особое внимание следует обратить на чистоту пожароопасных мест
(приложение Г), наличие посторонних предметов, течей, скопление масла или дизельного топлива, неубранных концов, тряпок, ветоши.
4.1.5. Локомотивная бригада должна проверить наличие средств пожаротушения в соответствии с нормами
п. 2.2 и исправное их состояние. У огнетушителей проверяется наличие пломбы и дата освидетельствования. Огнетушитель, неопломбированный или не прошедший очередное освидетельствование в установленные сроки, считается неисправным и подлежит замене.
4.1.6. На МВПС, оборудованном установками порошкового пожаротушения, проверяются узлы и элементы на предмет:
их целостности;
отсутствия повреждений, загрязнения и пыли;
надежности крепления всех составных частей;
правильности подсоединения разъемов узлов пуска модулей пожаротушения.
4.1.7. На МВПС, оборудованном установками (системами) газового пожаротушения, проверяется:
давление в баллонах с огнетушащим составом, которое должно быть не менее установленного для данной температуры окружающего воздуха;
отсутствие механических повреждений баллонов установки (системы) и их запорно-пусковых устройств (вмятины, трещины);
надежность крепления всех составных частей.
4.1.8. На МВПС, оборудованном установками аэрозольного пожаротушения, проверяются генераторы на отсутствие на корпусе вмятин и трещин.
Автономные источники тока пуска генераторов огнетушащего аэрозоля являются одноразовыми.
Поэтому опробование установки не допустимо.
4.1.9. На МВПС, оборудованном Системой, проверяется ее исправность. Система считается исправной, если при подаче питания загорается световая сигнализация в соответствии с техническими условиями (на данную Систему).
4.1.10. МВПС, оборудованный системой "Сигнал" (или аналогичной системой) связи салонов с машинистом и видеонаблюдением, проверяется ее исправность в соответствии с инструкцией и РЭ (на данную систему).
4.1.11. При сдаче МВПС машинист обязан указать в журнале
формы ТУ-152:
а) случай загорания (пожара), указав, где и когда он произошел, какими средствами пожаротушения был ликвидирован;
б) о приведении в действие установки пожарной сигнализации и пожаротушения, при каких обстоятельствах она включалась, продолжительность действия и другие данные, необходимые для оценки ее результативности и технического состояния после пользования.
4.2. Обязанности в пути следования.
4.2.1. Порядок осмотра и обслуживания МВПС в пути следования должен устанавливаться организационно-распорядительным документом по региональной дирекции МВПС с учетом условий эксплуатации.
4.2.2. Локомотивная бригада должна осматривать дизельные и моторные помещения через двери в кабине машиниста и экипажную часть в открытые окна кабины.
4.2.3. На дизель-поездах, автомотрисах и рельсовых автобусах, дизельные отсеки и пожароопасные узлы должны быть осмотрены:
а) после запуска дизеля;
б) при прогреве дизелей при длительных стоянках на промежуточных станциях не реже чем через каждые 15 - 30 мин.;
в) при прогреве дизелей в оборотных и основных депо не реже чем через один час.
4.2.4. В пути следования дизель-поездов и автомотрис локомотивная бригада должна следить за разряжением в картере дизеля по дифманометру. В случае уменьшения разряжения против установленной нормы следует выяснить причины и принять необходимые меры согласно РЭ.
4.2.5. Обо всех случаях применения аварийной электрической схемы работы МВПС машинист обязан сделать запись в журнале
формы ТУ-152, с указанием причины применения и места подключений.
4.2.6. Плавкие вставки разборных предохранителей и неразборные предохранители должны заменяться только типовыми, соответствующими требованиям КД.
4.2.7. При срабатывании установки пожарной сигнализации и пожаротушения с выдачей сигнала "ПОЖАР" локомотивная бригада должна немедленно проверить правильность сигнала о возникновении пожара и приступить к оказанию посильных мер при его тушении в соответствии с правилами, изложенными в
п. 5 Инструкции.
4.2.8. Если сигнал оказался ложным, из-за ложного срабатывания пожарного извещателя или другой причины, необходимо принять меры для восстановления установки пожарной сигнализации и пожаротушения и приведения ее в исходное положение.
4.3. Обязанности при горячем отстое в депо.
4.3.1. При постановке дизель-поезда, автомотрисы или рельсового автобуса на отстой с работающим дизелем локомотивная бригада перед уходом обязана:
а) проверить исправность установки пожарной сигнализации и пожаротушения;
б) переключить установку пожарной сигнализации и пожаротушения в автоматический режим работы, обеспечив возможность передачи сигнала о пожаре посредством радиосвязи дежурному по депо (на конструктивно оборудованных поездах).
4.3.2. После окончания горячего отстоя или при нахождении локомотивной бригады на МВПС, необходимо произвести переключение установки пожарной сигнализации и пожаротушения с автоматического на ручной режим работы
4.3.3. Действия дежурного по депо при получении сигнала о пожаре:
а) направить рабочий персонал депо, при отсутствии должен убедиться сам в наличие пожара на МВПС;
б) при наличии пожара МВПС дежурный по депо должен сообщить о случившемся:
начальнику депо, начальнику региональной дирекции МВПС (при отсутствии структурного подразделения);
в ближайшую пожарную охрану МЧС России;
в ближайшее пожарное подразделение филиала ФГП ВО ЖДТ России по месту нахождения объекта ОАО "РЖД";
должностным лицам, согласно регламенту передачи информации о чрезвычайных ситуациях на полигоне железной дороги;
в) убедиться в том, что все токоприемники опущены (остановлен дизель) и что контактный провод, который может быть пережжен, не касается вагонов;
г) обеспечить закрытие кабин управления.
Дежурный персонал депо или дежурный по депо может приступить к принятию посильных мер по тушению пожаров используя имеющиеся огнетушители и песок только в случае отсутствия угрозы для их здоровья и жизни (применяя средства защиты). Если вагон оборудован установкой пожаротушения, то ее необходимо привести в действие.
Если пожар не может быть ликвидирован своими силами и имеющимися средствами, принять меры по организации к расцепке вагонов и отводу горящего вагона на расстояние, исключающее возможность перехода огня на соседние вагоны или находящиеся вблизи здания и сооружения, не менее 50 м с закреплением его тормозными башмаками.
5. Требования пожарной безопасности в части принятия посильных мер по тушению пожара
5.1. Действия локомотивной бригады при пожаре в поезде.
5.1.1. При обнаружении пожара машинист обязан принять меры к остановке МВПС, соблюдая следующие требования и условия: категорически запрещается останавливать МВПС на железнодорожных мостах, путепроводах, виадуках, эстакадах, в тоннелях, под мостами, вблизи трансформаторных подстанций, тяговых подстанций, сгораемых строений или других местах, создающих угрозу быстрого распространения огня или препятствующих организации тушения пожара и эвакуации пассажиров.
5.1.2. Одновременно с принятием мер по остановке МВПС, машинист должен подать сигнал пожарной тревоги (один длинный, два коротких) и, используя поездную радиосвязь или любой другой возможный в создавшейся ситуации вид связи, сообщить о пожаре поездному диспетчеру или дежурному по ближайшей станции для вызова пожарных подразделений.
5.1.3. Пожар на электрифицированных линиях железных дорог представляет особую опасность, так как провода и конструкции контактной сети находятся под номинальным напряжением 3 кВ (при постоянном токе) и 25 кВ (при переменном).
В случае пожара в МВПС на электрифицированном участке должны соблюдаться следующие требования:
а) если пожар возник на крыше МВПС и в других случаях, когда существует опасность поражения током во время тушения пожара, машинист обязан сообщить об этом поездному диспетчеру или дежурному по станции и одновременно с вызовом пожарного подразделения потребовать снятия напряжения с контактной сети на участке, где остановился МВПС;
б) локомотивной бригаде запрещено принятие посильных мер по тушению пожара на крыше МВПС, тушением пожара на крыше МВПС занимаются пожарные подразделения;
в) применение для тушения пожаров воды или пенных средств допускается только после снятия напряжения с контактной сети и воздушных линиях (далее - ВЛ) и их заземления установленным порядком.
Контактная сеть и ВЛ без заземления рассматриваются, как находящиеся под напряжением, если напряжение снято.
Напряжение считается снятым только в том случае, когда получено письменное разрешение электромонтера контактной сети на тушение пожара с указанием в нем номера приказа энергодиспетчера, устройств, с которых снято напряжение и время снятия напряжения.
В тех случаях, когда прибытие электромонтера и получение письменного разрешения требует времени, за которое может произойти значительное развитие пожара с опасными последствиями, допускается принятие разрешения по радио. В разрешении должен быть указан номер регистрируемого приказа энергодиспетчера, с каких устройств снято напряжение и время снятия напряжения. Получив разрешение, машинист МВПС должен по киловольтметру убедиться в отсутствии напряжения в контактной сети, заземлить ее установленным порядком и доложить об этом руководителю тушения пожара. Письменное разрешение электромонтера на тушение пожара обязательно в следующих случаях: если нельзя проконтролировать снятие напряжения в КС и отсутствует возможность заземлить КС.
На электрифицированных путях станций постоянного тока, оборудованных стационарными разъединителями контактной сети с заземляющим ножом, установка переносных заземляющих штанг не требуется. По регистрируемому приказу энергодиспетчера работником, имеющим на это право, производится отключение разъединителя и одновременное заземление контактной сети заземляющим ножом этого разъединителя. При переменном токе в ВЛ, должны быть установлены переносные заземляющие штанги на расстоянии между ними не более 200 м.
Разрешением на тушение пожара в этом случае является уведомление дежурного по станции об отключении разъединителя и заземлении контактной сети заземляющим ножом этого разъединителя, которое должно быть зарегистрировано в оперативном журнале с указанием номера приказа энергодиспетчера и времени отключения разъединителя.
Об отключении контактной сети и ВЛ дополнительно объявляется по громкоговорящей связи.
Отключенная контактная сеть постоянного или переменного тока заземляется с 2-х сторон от МВПС путем установки на контактную сеть 2-х заземляющих штанг, заранее подсоединенных к тяговому рельсу.
На участках постоянного тока заземляющие штанги устанавливают на контактной сети не ближе одного мачтового пролета на фиксаторе соседней опоры, но не более 300 метров.
На участках переменного тока устанавливаются заземляющие штанги с поворотной головкой, исключающей потерю контакта "провод-штанга" на контактный провод, расстояние не более 200 метров между этими двумя заземляющими штангами.
г) тушение горящих частей вагонов МВПС, расположенных на расстоянии менее 2 м от проводов и конструкций контактной сети и ВЛ, находящихся под напряжением, разрешается производить только углекислотными и порошковыми огнетушителями;
д) по окончании принятия посильных мер по тушению пожара машинист, обязан убедиться в том, что люди удалены от частей контактной сети на расстояние не менее 2 м, после чего отметить время окончания работ на копии письменного разрешения, находящегося у электромонтера контактной сети.
5.1.4. При обнаружении пожара в электропоезде машинист обязан:
а) перевести в нулевое положение рукоятку контроллера, отключить выключатель управления (на поездах постоянного тока), или главный выключатель (на поездах переменного тока), опустить все токоприемники, остановить поезд и принять меры к его удержанию на месте;
б) подать звуковой сигнал пожарной тревоги (один длинный, два коротких) и сообщить о пожаре ДНЦ или ДСП, ограничивающих перегон;
в) убедиться в том, что все токоприемники опущены и что контактный провод, который может быть пережжен, не касается вагонов;
г) оповестить пассажиров о случившемся по внутрисалонной связи;
д) перекрыть доступ пассажиров из соседних вагонов закрытием дверей, и принять меры к эвакуации пассажиров из горящего вагона - в соседние вагоны или через открытые двери на полевую сторону железнодорожного пути;
е) закрыть кабину, из которой производилось управление;
ж) локомотивная бригада может приступить к принятию посильных мер по тушению пожара используя имеющиеся огнетушители и песок только в случае отсутствия угрозы для их здоровья и жизни (применяя средства защиты). Если вагон оборудован установкой пожарной сигнализации и пожаротушения, то ее необходимо привести в действие;
и) одеть для покидания самоспасатели, фильтрующие
<*> в соответствии с требованиями
ГОСТ 34394-2018 и покинуть электропоезд на безопасное расстояние;
к) если пожар не может быть ликвидирован своими силами и имеющимися средствами, принять меры к расцепке вагонов и отводу горящего вагона на расстояние, исключающее возможность перехода огня на соседние вагоны или находящиеся вблизи здания и сооружения, не менее 50 м с закреплением его тормозными башмаками.
5.1.5. При обнаружении пожара на дизель-поезде, автомотрисе или рельсовом автобусе машинист обязан:
а) на дизель-поездах, автомотрисах и рельсовых автобусах - перевести в нулевое положение рукоятку контроллера и остановить дизель, выключить все приборы управления на пульте управления, остановить дизель-поезд (автомотрису, рельсовый автобус) и принять меры к его удержанию на месте;
б) подать звуковой сигнал пожарной тревоги (один длинный, два коротких) и сообщить о пожаре ДНЦ или ДСП, ограничивающих перегон;
в) при необходимости оповестить пассажиров о случившемся по внутрисалонной связи;
г) перекрыть доступ пассажиров из соседних вагонов закрытием дверей, и принять меры к эвакуации пассажиров из горящего вагона - в соседние вагоны или через открытые двери на полевую сторону железнодорожного пути;
| | ИС МЕГАНОРМ: примечание. Нумерация пунктов дана в соответствии с официальным текстом документа. | |
е) запереть кабину, из которой производилось управление;
ж) локомотивная бригада может приступить к принятию посильных мер по тушению пожара используя имеющиеся огнетушители и песок только в случае отсутствия угрозы для их здоровья и жизни (применяя средства защиты). Если вагон оборудован установкой пожарной сигнализации и пожаротушения, то ее необходимо привести в действие;
и) одеть для покидания самоспасатели, фильтрующие <2> в соответствии с требованиями
ГОСТ 34394-2018 и покинуть рельсовый автобус, дизель-поезд и автомотрису на безопасное расстояние;
--------------------------------
<2> Предназначены только для эвакуации.
к) если пожар не может быть ликвидирован своими силами и имеющимися средствами, принять меры к расцепке вагонов и отводу горящего вагона на расстояние, исключающее возможность перехода огня на соседние вагоны или находящиеся вблизи здания и сооружения, не менее 50 м с закреплением его тормозными башмаками.
5.1.6. Порядок действий локомотивной бригады при остановке поезда на перегоне должен соответствовать требованиям
ПТЭ.
5.1.7. После ликвидации пожара подача напряжения на электропоезд и запуск дизелей на дизель-поездах, автомотрисах и рельсовых автобусах, где имело место повреждение электрических аппаратов и проводов, запрещается.
Секции, поврежденные пожаром, должны следовать в депо с опущенными токоприемниками (перекрытой подачей топлива) и отключенными цепями управления.
СРЕДСТВА ПОЖАРОТУШЕНИЯ УСТРОЙСТВО И РАБОТА ОГНЕТУШИТЕЛЕЙ
Огнетушитель - переносное или передвижное устройство, предназначенное для тушения очага пожара за счет выпуска огнетушащего вещества, с ручным способом доставки к очагу пожара и приведения в действие (
ФЗ-123,
ТР ЕАЭС 043/2017).
А.1. Классификация переносных огнетушителей
1.1. Переносные огнетушители (далее - огнетушители) с полной массой не более 20 кг, предназначены для тушения пожаров классов A, B, C, E.
1.2. Огнетушители в зависимости от применяемого огнетушащего вещества (ОТВ), подразделяют на следующие виды:
водные (ОВ):
с распыленной струей - средний диаметр капель спектра распыления воды более 150 мкм (могут тушить только модельные очаги пожара класса A);
с тонкораспыленной струей - средний диаметр капель спектра распыления воды более 150 мкм и менее (могут тушить только модельные очаги пожара класса A и B);
воздушно-эмульсионные (ОВЭ);
воздушно-пенные (ОВП), в том числе: с фторсодержащим или другим зарядом, которые в зависимости от кратности образуемого ими потока воздушно-механической пены подразделяются на:
огнетушители с генератором пены низкой кратности - кратность пены не более 20;
огнетушители с генератором пены средней кратности - кратность пены свыше 20 до 200 включительно;
порошковые (ОП):
с порошком общего назначения, которым можно тушить очаги пожаров классов A, B, C, E;
с порошком общего назначения, которым можно тушить очаги пожаров классов B, C, E;
газовые, в том числе:
углекислотные (ОУ);
хладоновые (ОХ).
1.3. По принципу создания избыточного давления газа для вытеснения ОТВ огнетушители подразделяют на следующие типы:
закачные (з);
с баллоном высокого давления для хранения сжатого или сжиженного газа (б);
с газогенерирующим устройством (г).
1.4. По возможности перезарядки огнетушители подразделяют на:
перезаряжаемые;
не перезаряжаемые (однократного пользования).
1.5. По величине рабочего давления огнетушители подразделяют на:
низкого давления [Pраб <= 2,5 МПа при температуре окружающей среды (20 + 2) °C];
высокого давления [Pраб > 2,5 МПа при температуре окружающей среды (20 +/- 2) °C].
1.6. В зависимости от вида заряженного ОТВ, огнетушители используют для тушения одного или нескольких пожаров следующих классов:
A - горение твердых веществ;
B - горение жидких веществ;
C - горение газообразных веществ;
D - горение металлов или металлосодержащих веществ (огнетушители специального назначения);
E - пожары электрооборудования, находящегося под напряжением.
А.2. Огнетушители порошковые (основные средства защиты)
Порошковые огнетушители предназначены для тушения пожаров твердых веществ (класс A), жидких веществ (класс B), газообразных веществ (класс C) и электроустановок (класс E) находящихся под напряжением до 1000 В (в зависимости от применяемого огнетушащего порошка).
Порошковые огнетушители делятся на закачные и газогенераторные.
В зависимости от объема баллона порошковые огнетушители делятся на переносные и передвижные. Масса заряда переносных огнетушителей составляет 1, 2, 3, 4, 8 литров. У передвижных емкость баллона - 50, 100 литров.
Порошковые огнетушители являются изделиями многоразового использования. Устройство огнетушителей приведено на
рисунках А.1 -
А.3.
Огнетушители со встроенным газовым источником давления ОП-4(г) (ранг 2A, 55B, C, E), ОП-5(г) (ранг 2A, 70B, C, E).
1 - корпус; 2 - рукоятка запуска; 3 - чека; 4 - гибкий рукав; 5 - ручка пистолета-распылителя; 6 - пистолет-распылитель.
Рисунок А.1. Устройство газогенераторного порошкового огнетушителя ОП-4(г), ОП-5(г).
Принцип действия.
Принцип действия огнетушителя основан на использовании энергии сжатого газа для аэрирования и выброса огнетушащего порошка. Для приведения огнетушителя в действие необходимо:
а) выдернуть опломбированную чеку 3;
б) отвести вверх рукоятку запуска 2;
в) нажать кистью руки на ручку пистолета-распылителя 5 (при этом огнетушащий порошок через гибкий рукав 4 и пистолет-распылитель 6 подается на очаг пожара).
Тушение необходимо производить с наветренной стороны с расстояния не менее 3 - 4 метра.
После окончания тушения необходимо нажать на ручку и выбросить остаток порошка.
Огнетушители с баллонами сжатого газа ОП-4(б) (ранг 2A, 55B, C, E), ОП-5(б) (ранг 2A, 70B, C, E).
1 - корпус; 2 - чека; 3 - рукоятка пускового устройства; 4 - шланг; 5 - насадка; 6 - рычаг выпускного клапана.
Рисунок А.2. Устройство огнетушителей порошковых с баллонами сжатого газа П-4(б), ОП-5(б).
Принцип действия.
Работа огнетушителя основана на вытеснении огнетушащего порошкового состава под действием избыточного давления, создаваемого рабочим газом.
В качестве рабочего газа используется двуокись углерода. В огнетушителях ОП-4(б) вместимость баллончика для рабочего газа составляет 0,175 л, в ОП-8(б) - 0,350 л. Длина порошковой струи, при этом, составляет 3,5 и 4,5 м, соответственно.
Для приведения огнетушителя в действие необходимо:
а) выдернуть опломбированную чеку 2;
б) отвести вверх рукоятку запуска 3 (при этом боек приводит в действие источник газа, в результате чего рабочий газ через газоотводную трубку аэрирует порошок и создает внутри корпуса огнетушителя требуемое избыточное давление);
в) нажать кистью руки на рычаг выпускного клапана 6 насадки 5.
Огнетушители порошковые закачные ОП-4(з) (ранг 2A, 55B, C, E), ОП-5(з) (ранг 2A, 70B, C, E)
1 - корпус; 2 - рукоятка для переноса; 3 - чека; 4 - ручка запуска; 5 - индикатор давления (манометр); 6 - шланг гибкий.
Рисунок А.3. Устройство огнетушителей порошковых закачных ОП-4(з), ОП-5(з).
Принцип работы запорно-пусковой головки позволяет выпускать порошок порциями.
Закачные огнетушители относятся к группе огнетушителей, у которых внутри корпуса создано высокое давление сжатым воздухом. Такие огнетушители удобны в эксплуатации, менее сложные запорно-пусковые устройства, имеют визуальный индикатор давления, но требуют повышенной герметичности. При нормальном давлении стрелка манометра 5 должна находиться в рабочем диапазоне давления (зеленая зона шкалы).
Приведения огнетушителя в действие:
а) выдернуть чеку 3;
б) направить огнетушитель или сопло огнетушителя на очаг пожара;
в) нажать на ручку запуска 4.
Принцип действия огнетушителя.
После приведения огнетушителя в действие (нажатие на ручку запуска 4 порошок подается по гибкому шлангу 6 (для огнетушителей ОП-4(з), ОП-5(з)), далее происходит выброс порошка.
А.3. Огнетушители воздушно-эмульсионные
(основные средства защиты)
Новейший, высокоэффективный, экологически чистый и безопасный огнетушитель воздушно-эмульсионный закачной предназначен для тушения пожаров твердых горючих веществ (класс A), легковоспламеняющихся и горючих жидкостей (класс B), горючих газов (класс C) и электрооборудования, находящегося под напряжением (класс E).
Огнетушитель не предназначен для тушения пожаров класса D (горение металлов или металлоорганических веществ).
Огнетушители воздушно-эмульсионные ОВЭ-5(З)-ABCE-01 (ранг 6A, 233B, C, E).
1 - корпус огнетушителя; 2 - головка; 3 - сифонная трубка; 4 - фильтр; 5 - рычаг запорно-пускового механизма; 6 - индикатор давления; 7 - предохранительная чека; 8 - пломба; 9 - шланг; 10 - распылительное сопло.
Рисунок А.4. Огнетушители воздушно-эмульсионные ОВЭ-5(З)-ABCE-01.
Устройство и принцип действия огнетушителя.
Общий вид огнетушителя приведен на
рис. А.4. Огнетушитель состоит из корпуса 1, на горловине которого установлена головка 2, оснащенная запорно-пусковым клапаном с сифонной трубкой 3 и фильтром 4, рычагом запуска 5, индикатором давления 6 и предохранительной чекой 7 с пломбой 8. К выходному штуцеру головки 2 присоединен шланг 9 с распылительным соплом 10.
Принцип действия огнетушителя основан на использовании энергии сжатого воздуха для подачи огнетушащего вещества на очаг пожара. Контроль давления в огнетушителе - визуальный по показаниям индикатора давления. Стрелка индикатора должна находиться в зеленом секторе шкалы. Положение стрелки индикатора в красном секторе шкалы указывает на недостаточное или избыточное давление в корпусе огнетушителя. Огнетушитель работает следующим образом. После снятия пломбы необходимо извлечь чеку. Затем нажать на рычаг запуска 5. При этом подвижная часть запорно-пускового устройства переместится вниз, клапан подачи откроется и ОТВ, находящееся в корпусе огнетушителя под избыточным давлением сжатого газа, через сифонную трубку 3, шланг 9 и распылительное сопло 10 подается на тушение очага возгорания. На внешней поверхности корпуса огнетушителя размещены:
этикетка с предписывающими надписями и пиктограммами допустимого применения по классам пожаров;
идентификационный порядковый номер корпуса.
Указания по применению и эксплуатации огнетушителя.
К использованию огнетушителя допускаются лица, изучившие настоящее руководство по эксплуатации, а также руководящие надписи на корпусе огнетушителя. Огнетушитель рекомендуется размещать в местах наиболее вероятного возникновения пожара. Запрещается эксплуатировать огнетушитель:
при появлении любых деформаций на корпусе или запорно-пусковом устройстве;
при неисправном индикаторе давления;
без пломбы на чеке;
наносить удары по огнетушителю;
при температурах ниже минус 40 или выше плюс 50 °C.
Не допускается размещать огнетушитель вблизи нагревательных приборов, в зоне действия прямых солнечных лучей и атмосферных осадков. После применения огнетушитель следует отправить на перезарядку. Периодически, не менее одного раза в месяц, необходимо контролировать давление вытесняющего газа в корпусе огнетушителя. Стрелка индикатора давления должна находиться в зеленом секторе шкалы. В случае, если стрелка индикатора давления вышла за левую границу зеленого сектора шкалы (давление ниже предельно допустимого), огнетушитель необходимо отправить в ремонт и на перезарядку. Положение стрелки индикатора за правой границей зеленого сектора, показывающее избыточное давление в огнетушителе, не является нарушением, и огнетушители пригодны для эксплуатации в температурном режиме от минус 40 °C до плюс 50 °C. Перемещение стрелки в правый сектор может произойти, из-за повышения температуры окружающей среды по сравнению с температурой при зарядке огнетушителя и не является критичным, так как максимальное давление в этой зоне ниже пробного давления 3,0 МПа. Перезарядка и техническое обслуживание огнетушителя проводятся только специализированной организацией. При техническом обслуживании огнетушителя используются детали и огнетушащие вещества, применяемые производителем. Данные о техническом обслуживании, ремонте и перезарядке огнетушителей внести в паспорт. Срок эксплуатации огнетушителя 10 лет без перезарядки и переосвидетельствования. Для тушения пожара необходимо:
сорвать пломбу 8;
выдернуть предохранительную чеку 7;
поднести огнетушитель к месту загорания;
направить распылительное сопло 10 на очаг пожара и нажать рычаг запорно-пускового механизма 5. После окончания тушения необходимо убедиться, что отсутствуют непотушенные очаги горения или тления.
Меры безопасности.
Запрещается проводить любые виды ремонтных работ или разборку элементов конструкции огнетушителя, находящегося под давлением.
ВНИМАНИЕ! На выходе из сопла формируется тонкораспыленная струя ОТВ, что обеспечивает безопасность оператора при тушении пожаров без отключения электрооборудования под напряжением до 1000 В. Испытания проводятся по
п. 9.15 ГОСТ Р 51057-2001. В случае, когда невозможно обеспечить минимальное расстояние 1 м от оператора до токоведущего элемента, находящегося под напряжением, необходимо обесточить электрооборудование перед началом тушения очага загорания. Запрещается заступать за защитные ограждения или наступать в проливы ОТВ, соприкасающиеся с токоведущими элементами. Запрещается осуществлять тушение пожара в сильно задымленных помещениях и с ограниченной видимостью, без средств индивидуальной защиты органов дыхания и зрения. Огнетушители, поставляемые для использования на подвижном составе Российских железных дорог (РЖД), с напряжением сети электроснабжения: 110 В (постоянного тока), 220 В (переменного тока).
А.4. Огнетушители углекислотные
(дополнительные средства защиты)
Огнетушители углекислотные ОУ-5 (ранг 55B, C, E), ОУ-6 (ранг 70B, C, E).
Переносные углекислотные огнетушители ОУ-5 и ОУ-6 предназначены для тушения загораний различных веществ, кроме веществ, горение которых может происходить без доступа воздуха, электроустановок, находящихся под напряжением до 10 кВ с расстояния не менее 2 м.
На
рисунках А.5 приведено устройство огнетушителей. Они представляют собой стальной баллон, в горловину которого на конусной резьбе ввернуто запорно-пусковое устройство с сифонной трубкой. В корпус огнетушителя под давлением закачивают заряд двуокиси углерода.
1 - ручка (рычаг) запуска; 2 - ручка для переноски; 3 - корпус (баллон); 4 - раструб; 5 - предохранительная чека; 6 - гибкий шланг.
Рисунок А.5 Устройство огнетушителей углекислотных ОУ-5 (ранг 55B, C, E), ОУ-6 (ранг 70B, C, E).
Порядок приведения огнетушителя в действие:
а) выдернуть опломбированную предохранительную чеку 5;
б) направить раструб 4 на очаг пожара, не браться за раструб рукой, так как температура при работе понизится до минус 60 - 70 °C - можно получить ожог;
в) нажать на ручку (рычаг) 1, ручку (рычаг) позволяет прерывать подачу углекислоты.
Принцип действия огнетушителя.
После приведения огнетушителя в действие газ по гибкому шлангу 6 подается в раструб 4, через который происходит выброс газа. При этом происходит переход двуокиси углерода из сжиженного состояния в снегообразное (твердое) сопровождающийся резким понижением температуры до минус 70 °C.
На
рисунке А.6 приведено устройство ЗПУ нажимного типа.
1 - корпус; 2 - поршень; 3 - пружина; 4 - мембрана; 5 - гайка; 6 - шайба; 7 - шток; 8 - рычаг верхний; 9 - пластина; 10 - рычаг нижний; 11 - прокладка; 12 - ось.
Рисунок А.6. Запорно-пусковое устройство нажимного типа.
А.5. Генераторы огнетушащего аэрозоля оперативного
применения (дополнительные средства защиты)
Переносные забрасываемые генераторы огнетушащего аэрозоля (АГС-5 и АГС-5Р) предназначены для локализации и тушения пожаров твердых горючих материалов, легковоспламеняющихся и горючих жидкостей, электроизоляционных материалов и электрооборудования, в том числе под напряжением, в помещениях производственных, административных и жилых зданий и сооружений.
На
рисунке А.7 приведено устройство генератора АГС-5 с инициирующим устройством, снабженным шнуром с петлей (9). Для предотвращения случайного запуска генератора инициирующее устройство защищается съемным защитным колпачком (8).
1 - корпус; 2 - аэрозолеобразующий заряд; 3 - теплозащитный слой; 4 - втулка узла пуска; 5 - узел запуска; 6 - рукоятка; 7 - щелевое сопло; 8 - защитный колпачок.
Рисунок А.7. Устройство генератора огнетушащего аэрозоля АГС-5.
Генератор состоит из корпуса (1), в котором размещены два аэрозолеобразующих заряда (2), отделенных от корпуса теплозащитным слоем (3). На боковой поверхности корпуса имеется втулка узла пуска (4) с защитным колпачком на резьбе (8), под которым находится шнур с петлей (9). Для переноски и забрасывания генератора в горящее помещение к корпусу прикреплена рукоятка (6). Выход огнетушащего аэрозоля осуществляется через щелевое сопло (7), расположенное по всей боковой поверхности корпуса.
Для приведения генератора в действие необходимо:
одной рукой взять генератор за рукоятку;
опустить генератор вертикально вниз, свободной рукой снять (отвинтить по резьбе) защитный колпачок с втулки узла запуска;
освободить шнур и резко дернуть за петлю;
забросить генератор в горящее помещение.
Замедляющий состав в узле пуска обеспечивает задержку срабатывания генератора на 7 - 10 секунд, необходимую для его безопасного забрасывания в горящее помещение.
При срабатывании узла пуска раздается характерный звук, и из дренажного отверстия на его корпусе появляется струйка дыма.
Внимание! После выдергивания веревочной петли узла запуска обязательно должен быть произведен немедленный заброс генератора, даже если нет уверенности, что узел запуска сработал.
На
рисунке А.8 приведено устройство генератора АГС-5Р с инициирующим устройством, снабженным предохранительной чекой.
1 - корпус; 2 - рукоятка с резьбовым отверстием; 3 - узел запуска; 4 - пусковое кольцо.
Рисунок А.8. Устройство генератора огнетушащего аэрозоля АГС-5Р.
Подготовка генератора АГС-5Р к работе и приведение его в действие.
Для подготовки генератора к работе необходимо осторожно ввернуть узел запуска в посадочное отверстие с резьбой на рукояти. Для приведения генератора в действие необходимо:
одной рукой взять генератор за рукоятку 2;
опустить генератор вертикально вниз, свободной рукой выдернуть пусковое кольцо 4 из узла запуска 3;
забросить генератор в горящее помещение.
Рекомендации по применению.
Генераторы АГС-5Р рекомендуются для использования оперативными подразделениями пожарной охраны и другими лицами, прошедшими инструктаж по их применению и технике безопасности, в качестве объемного средства пожаротушения, при локализации и тушении пожаров в замкнутых помещениях, особенно в случаях затрудненного доступа или угрозы для жизни личного состава.
Техника безопасности при работе с генераторами АГС-5Р.
Время самозапуска генератора, снаряженного узлом запуска, составляет не более 10 сек.
Генераторы, не снаряженные узлами запуска, не требуют специальных мер безопасности. Температура воспламенения аэрозолеобразующего состава более 600 °C. При установке узла запуска в генератор необходимо исключить механические воздействия, способные привести к его случайному пуску. При запуске генератора необходимо исключить возможность направления щелевого сопла для выхода аэрозоля в сторону исполнителя и стоящих рядом людей.
После выдергивания предохранительной чеки узла запуска обязательно должен быть произведен немедленный заброс генератора, даже если нет уверенности, что узел запуска сработал. При случайном запуске генератора необходимо немедленно забросить его в безопасное для окружающих людей место.
Газоаэрозольная смесь, выделяющаяся при срабатывании генератора, не токсична, но оказывает раздражающее действие на слизистые оболочки органов дыхания, поэтому входить в помещение, в котором применялись генераторы, можно только после прекращения их работы и проветривания или в средствах защиты органов дыхания.
Запрещается:
применять генераторы в помещениях, которых находятся люди, и на путях эвакуации;
пытаться предотвратить дальнейшее срабатывание генератора после выдергивания предохранительной чеки узла запуска.
А.6 Правила работы с огнетушителями
Правила работы с огнетушителями | Правильно | Неправильно |
Тушить очаг пожара с наветренной стороны | | |
При проливе ЛВЖ тушение начинать с передней кромки, направляя струю порошка на горящую поверхность, а не на пламя | | |
Истекающую жидкость тушить сверху вниз | | |
Горящую вертикальную поверхность тушить сверху вниз | | |
При наличии нескольких огнетушителей необходимо применять их одновременно | | |
Следите, чтобы потушенный очаг не вспыхнул снова (никогда не поворачивайтесь к нему спиной) | | |
После использования огнетушители сразу необходимо отправить на перезарядку | | |
СРЕДСТВА ОБНАРУЖЕНИЯ И ТУШЕНИЯ ПОЖАРОВ
УСТРОЙСТВО И РАБОТА СИСТЕМ И УСТАНОВОК ОБНАРУЖЕНИЯ,
И ТУШЕНИЯ ПОЖАРОВ
Б.1. Установки пенного пожаротушения
В связи с тем, что существующие установки пенного пожаротушения на МВПС, малоэффективны и морально устарели, они заменяются на: системы пожарной сигнализации и установки пожаротушения автоматические (газового, аэрозольного или порошкового пожаротушения).
Б.2. Система газового пожаротушения
1. Назначение системы
1.1. Система обнаружения и тушения пожара (далее - СОТП) является отечественной автоматической системой газового пожаротушения и устанавливается на автомотрисах АЧ-2, дизель-поездах Д1 взамен ранее установленных чешских (на АЧ-2) и венгерских (на Д1) систем пожаротушения, а также на вновь строящихся дизель-поездах ДТ1 и рельсовых автобусах РА-1, РА-2.
1.2. СОТП на АЧ-2, Д1, ДТ1 и РА идентично по своему структурно-функциональному построению и предусматривает использование пожарного приемно-контрольного прибора "Гамма-01" и модулей пожаротушения газовых типа МПГ-150 в качестве исполнительных средств пожаротушения.
1.3. Отличия СОТП обусловлены числом защищаемых зон и заключаются в количестве устанавливаемых пожарных извещателей, количестве вытекающих отсюда электронных модулей (блоков БМ2 - БМ5) аппаратуры "Гамма-01" и конфигурацией разводки распределительного газового трубопровода.
1.4. СОТП предназначена для:
автоматического обнаружения загорания с сигнализацией и адресацией зоны пожара;
светового и звукового оповещения локомотивной бригады о пожаре;
хранения, распределения и выпуска в зоны пожара ГОС, обеспечивающего расчетную огнетушащую концентрацию.
1.5. СОТП обеспечивает (по необходимости) работу в любом из трех режимов:
полуавтоматический (ручной дистанционный), при котором обнаружение пожара осуществляется автоматически, а тушение - по команде машиниста;
автоматический, при котором обнаружение и тушение пожара осуществляется автоматически без вмешательства машиниста;
аварийный с ручным дистанционным включением газовых модулей пожаротушения от устанавливаемых в безопасных местах специальных устройств ручного пуска УРП-7 (автономный пиротехнический источник электрического импульса), работающих при полном отсутствии электропитания на дизель-поездах.
2. Технические характеристики
Таблица Б.2.1
Основные характеристики системы пожаротушения
Наименование показателя | Значение |
Тип системы | Установка газового пожаротушения |
Способ тушения пожара | Объемный |
Огнетушащее вещество | Двуокись углерода (CO2) сварочная |
Масса огнетушащего вещества, кг | 50, не более |
Время срабатывания, с | 1 |
Продолжительность подачи ГОС, с | 60, не более |
Режимы работы | Полуавтоматический: сигнализация автоматическая, подача CO2 - по команде машиниста; Автоматический: сигнализация автоматическая, подача CO2 автоматическая |
Тип сигнализации | Световая адресная; Звуковая: Внимание, Пожар, Неисправность (различной тональности) |
Защищаемые зоны | Дизельный отсек (ДО) |
Характер подачи ГОС | От МПГ через штатные распределительные трубопроводы с насадками |
Тип пожарных извещателей | Тепловой адресный максимального действия ИПТА |
Тип аварийного привода исполнительного устройства | Ручной дистанционный с автономным разовым пиротехническим источником тока УРП-7 |
Потребляемая мощность, Вт: | |
1) в дежурном режиме | 2, не более |
2) в режиме Пожар, при t = 0,2 с | 50, не более |
Электропитание от внутреннего источника: | Встроенные необслуживаемые аккумуляторы |
1) суммарное номинальное напряжение, В; | 24 (2 x 12) |
2) номинальная емкость, А ч; | 7 |
3) в дежурном режиме | 24, не более |
4) в режиме Пожар | 3, не менее |
От внешнего источника напряжением, В | 110 постоянного тока |
Условия эксплуатации: | |
температура окружающей среды, °C | от минус 40 до плюс 50 |
Срок службы, лет | 10, не менее |
3. Состав
3.1. В состав СОТП <3> входят:
--------------------------------
<3> Количественный состав СОТП зависит от вида МВПС.
1) модуль пожаротушения газовый МПГ-150-50-01;
2) автоматическая адресная система сигнализации о пожаре, включающая:
пожарный приемно-контрольный прибор "Гамма-01 ПКП" в составе:
блок питания и управления "Гамма-01 БПУ";
блок монтажный "Гамма-01 БМ2-1" с модулями МСЗ, МИ;
блок монтажный "Гамма-01 БМ2-2" с модулями МСЗ, МИУП;
извещатели пожарные тепловые адресные "Гамма-01 ИПТА";
блок клавиатуры и индикации "Гамма-01 БКИ";
кнопочную станцию "Гамма-01 КС";
оповещатель световой "Гамма-01 ОС";
оповещатель свето-звуковой "Гамма-01 ОСЗ";
оповещатель звуковой Оса-110;
3) извещатели для блокировки дверных проемов ИО-102-6;
4) устройство ручного пуска УРП-7;
5) рукав высокого давления РВД-16-20,0-850;
6) распределительный трубопровод с насадками;
7) кабельную сеть;
8) ЗИП одиночный.
4. Устройство и назначение составных частей СОТП
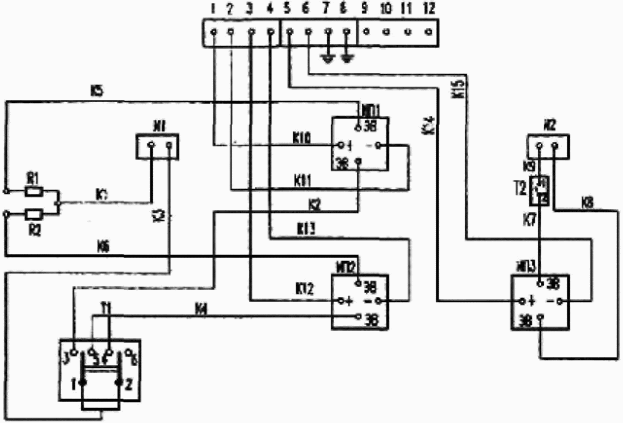
4.1. Структурно-функциональная схема СОТП представлена на
рисунке. Б.2.1.
1 - оповещатель звуковой Оса-110; 2 - извещатель для блокировки дверных проемов ИО-102-6; 3 - оповещатель светозвуковой "Гамма-01ОСЗ"; 4 - извещатель тепловой "Гамма-01ИПТА"; 5 - оповещатель световой "Гамма-01ОС"; 6 - пиропатрон ПУО-2; 7 - сигнализатор давления СДУ; 8 - индикатор давления; 9 - устройство ручного пуска УРП-7; 10 - распределительный трубопровод; 11 - кабельная сеть; 12 - запорно-пусковое устройство.
Рисунок Б.2.1. Структурно-функциональная схема СОТП.
4.2. СОТП обеспечивает защиту дизельного отсека, обозначенного на схеме ДО.
4.3. Дизельный отсек оборудован пожарными тепловыми адресными извещателями (4).
4.4. К двум модулям пожаротушения МПГ, с одним выходным штуцером в ЗПУ в каждом модуле, подсоединен распределительный трубопровод (10), обеспечивающий подачу ГОС в ДО.
4.5. Сбор информации от пожарных извещателей, ее обработка, накопление и передача для отображения на блоке клавиатуры и индикации (БКИ) производится модулем питания и управления блока БПУ.
4.6. Информация о состоянии системы пожаротушения отображается на жидкокристаллическом индикаторе (ЖКИ) и светодиодном табло БКИ.
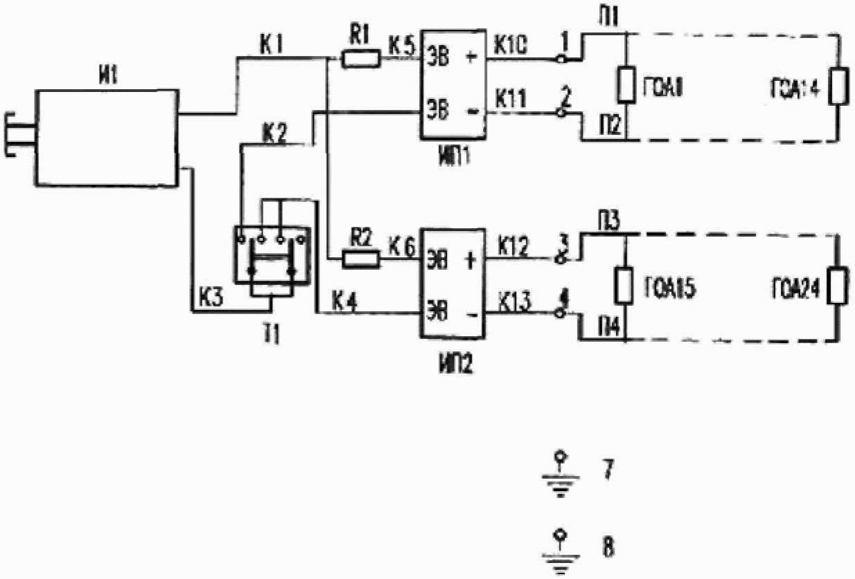
5. Модуль пожаротушения
| | ИС МЕГАНОРМ: примечание. Нумерация пунктов дана в соответствии с официальным текстом документа. | |
5.1.1. Модуль пожаротушения МПГ-150-50 предназначен для хранения под давлением и выпуска огнетушащего состава.
5.1.2. Модуль представляет собой баллон цилиндрической формы
(рисунок Б.2.2) с полусферическими днищами. К днищам баллона приварены цилиндрические обечайки, образующие верхний опорный узел и башмак.
1 - баллон; 2 - хомут; 3 - резиновое кольцо; 4 - ЗПУ; 5 - колпак
Рисунок Б.2.2. Модуль пожаротушения газовый МПГ-150-50.
5.1.3. Сверху в горловине баллона установлено запорно-пусковое устройство
(рисунок Б.2.3) для подачи ГОС в распределительный трубопровод.
1 - переходник; 2 - корпус; 3 - пробка; 4 - запорный элемент; 5 - накидная гайка; 6 - пиропатрон; 7 - электрический разъем пиропатрона; 8 - гайка с предохранительной мембраной; 9, 19 - футорка; 10 - корпус сигнализатора срабатывания предохранительной мембраны; 11 - сигнальный шток; 12 - зарядная гайка; 13 - заглушка; 14 - пробка обратного клапана; 15 - пружина; 16 - обратный клапан; 17 - уплотнительная шайба; 18 - втулка; 20 - индикатор давления; 21 - сигнализатор давления; 22 - выходной штуцер; 23 - гайка; 24 - винт.
Рисунок Б.2.3. Запорно-пусковое устройство.
5.1.4. Срабатывание модуля производится при подаче электрического импульса на пиропатрон (6)
(рисунок Б.2.3).
5.1.5. Более подробные данные о модуле приведены в его Руководстве по эксплуатации МПГ-6600-600 РЭ; о пиропатроне ПУ - в Техническом описании и Инструкции по эксплуатации УДП.000 ТО.
5.2. Блок питания и управления "Гамма-01 БПУ"
5.2.1. Блок питания и управления "Гамма-01 БПУ" предназначен для бесперебойного электропитания стабилизированным напряжением постоянного тока функциональных блоков и модулей приемно-контрольного прибора и выполнения функций управляющего устройства прибора за счет входящего в его состав модуля питания и управления МПУ.
5.3. Пожарный приемно-контрольный прибор
5.3.1. Пожарный приемно-контрольный прибор "Гамма-01 ПКП" предназначен для сбора информации от пожарных извещателей и передачи ее на модуль МПУ блока БПУ, а также включения модулей пожаротушения МПГ, световых и светозвуковых оповещателей по команде МПУ.
5.3.2. Прибор включает в себя 4 микропроцессорных электронных модуля, связанных между собой последовательным каналом с интерфейсом RS-485:
модуль исполнительных устройств пожаротушения (МИУП) предназначен для последовательного включения по команде МПУ исполнительных устройств пожаротушения. Включение производится импульсом тока до 1,5 А с длительностью 0,2 с. Модуль МИУП обеспечивает также прием сигналов обратной связи от сигнализаторов давления СДУ, установленных в ЗПУ модулей пожаротушения. МИУП обеспечивает постоянный контроль исправности всех элементов цепей пуска и контроля;
модуль интегральный (МИ) предназначен для подключения одного токового и двух цифровых шлейфов сигнализации, включения исполнительных устройств пожаротушения. МИ постоянно проводит контроль исправности всех цепей датчиков и исполнительных устройств;
модуль световых и звуковых оповещателей (МСЗ) предназначен для включения по команде МПУ одного светового оповещателя ОС, одного светозвукового оповещателя ОСЗ и контроля датчика двери.
5.4. Извещатель пожарный тепловой "Гамма-01 ИПТА"
5.4.1. Извещатель предназначен для обнаружения очага загорания по параметру повышения температуры в месте его установки и передачи измеренного значения температуры функциональному модулю аппаратуры "Гамма-01" для сравнения температуры с заданным порогом срабатывания и формирования модулем соответствующего сигнала "НОРМА", "ВНИМАНИЕ" ("сработал" 1 датчик) или "ПОЖАР" ("сработали" 2 датчика).
5.5. Блок клавиатуры и индикации "Гамма-01 БКИ"
5.5.1. Блок клавиатуры и индикации (БКИ) предназначены для отображения информации о состоянии СОТП на жидкокристаллическом индикаторе (ЖКИ), 7-ми разрядном светодиодном индикаторе и подачи звуковых сигналов при возникновении ситуаций, требующих внимания оператора.
5.5.2. Кнопки управления расположены на лицевой панели БКИ, и их функции приведены в
таблице Б.2.2.
Таблица Б.2.2
Кнопки управления расположены на лицевой панели
БКИ, и их функции
Наименование кнопки | Функция кнопки |
ТЕСТ | Контрольное включение на время нажатия кнопки световых и звуковых оповещателей |
РЕЖИМ | Переход в режим "Индикация неисправностей" повторное нажатие - установление режима индикации состояния датчиков, следующее нажатие - установление режима "Индикация состояния системы" |
ПАМЯТЬ | Не используется |
ЗВУК | Включение/выключение звукового сигнализатора БКИ |
При выключении сигнализатора зажигается светодиод ЗВУК ОТКЛ |
СБРОС | Выход из режима "Индикация установки времени и даты". Нажатие кнопки всегда приводит к переходу в режим "Индикация состояния системы". |
ФУНКЦИЯ | Переход в режим "Индикация установки времени и даты". Последовательное нажатие приводит к установке следующего изменяемого параметра. |
| Выбор параметра при установке времени и даты |
| Не используется |
5.5.3. БКИ обеспечивает выдачу звуковых сигналов в следующих режимах:
Дежурный | - молчание; |
Пуск прошел | - непрерывный; |
Пожар | - модулированный по частоте; |
Внимание | - прерывистый двухтональный; |
Неисправность | - прерывистый однотональный. |
Выключение звукового сигнализатора осуществляется кнопкой ЗВУК при этом на панели блока БКИ включается светодиод зеленого цвета Звук ОТКЛ.
5.6. Кнопочная станция
5.6.1. Кнопочная станция (КС) предназначена для подачи команды Пуск, Отмена и установления режима работы Ручной или Автоматический.
5.6.2. На лицевой панели КС располагаются:
кнопка Пуск;
кнопка Отмена;
контактное устройство, а также элементы световой индикации:
зеленого цвета: Авт., Отмена;
красного цвета: Пуск;
желтого цвета: Руч.
5.7. Оповещатель световой "Гамма - 01 ОС"
5.7.1. Оповещатель световой (ОС) представляет собой малопотребляющее электролюминесцентное табло с предупреждающей надписью "Газ! Не входить!"
5.8. Оповещатель светозвуковой "Гамма-01 ОСЗ"
5.8.1. Оповещатель светозвуковой (ОСЗ) представляет собой комбинацию в одном корпусе электролюминесцентного табло с предупреждающей надписью "Газ! Уходи!" и пьезокерамического звукового оповещателя типа Оса-110.
5.9. Оповещатель звуковой Оса-110
5.9.1. Пьезокерамический звуковой оповещатель Оса-110 предназначен для выдачи звукового сигнала в режиме Пожар - (непрерывный звуковой сигнал, меняющийся по частоте). Установлен оповещатель Оса-110 в кабине машиниста.
5.10. Устройство ручного пуска УРП-7
5.10.1. Устройство ручного пуска УРП-7 - автономное устройство для преобразования механического воздействия оператора (выдергивание за кольцо чеки) в электрический импульс, подаваемый на пиропатрон модуля МПГ.
5.10.2. УРП-7 установлен в защитный стакан. Предусмотрена инструкция по приведению устройства в действие.
5.10.3. Более подробно данные об УРП-7 приведены в его Инструкции по эксплуатации (УРП.00.000 ИЭ).
5.11. Извещатель ИО-102-6
5.11.1. Извещатель охранный предназначен для блокировки металлических дверных проемов.
5.12. Рукав высокого давления
5.12.1. Гибкий рукав высокого давления предназначен для направления потока огнетушащего вещества из баллона модуля в распределительный трубопровод, а также для удобства монтажа и (демонтажа) модуля при его техническом обслуживании.
5.13. Распределительный трубопровод
5.13.1. Распределительный трубопровод (трубная разводка) предназначен для направления потока огнетушащего вещества из модуля МПГ в зону загорания (возникновения пожара). На автомотрисе АЧ-2 используется существующая штатная трубная разводка.
5.14. Кабельная сеть
5.14.1. Кабельная сеть предназначена для электрической связи блоков и шлейфов системы между собой.
5.15. ЗИП одиночный.
5.15.1. ЗИП одиночный предназначен для замены сработавших элементов в процессе эксплуатации и технического обслуживания системы.
6. Подготовка системы к работе
6.1. Произвести внешний визуальный осмотр системы пожаротушения, его узлов и элементов на предмет:
их целостности;
отсутствия повреждений, загрязнений и пыли;
надежности креплений всех элементов СОТП.
6.2. Произвести контроль давления газа в модуле МПГ по показанию индикатора давления. По графику изменения давления газа в зависимости от температуры убедиться, что стрелка манометра находится в рекомендуемой рабочей зоне
(рисунок Б.2.4).
Рисунок Б.2.4. График изменения давления CO
2 в баллоне МПГ в зависимости от температуры.
6.3. Проверить положение сигнализатора предохранительной мембраны на ЗПУ модуля (см.
рисунок Б.2.3):
рабочее положение - сигнальный шток (11) не выступает из корпуса (10);
аварийное положение - сигнальный шток выдвигается из корпуса на 5 - 8 мм.
6.4. Проверить правильность подсоединения разъемов пиропатронов ПУО-2 модулей МПГ на соответствие схеме электрической принципиальной.
6.5. Проверить состояние системы СОТП - на блоке БКИ горит индикатор Питание и на ЖКИ выводится следующая информация: сообщение о состоянии системы - НОРМА (если система находится в нормальном состоянии) и текущее время.
6.6. При отображении на ЖКИ ситуации ВНИМАНИЕ или НЕИСПРАВНОСТЬ необходимо устранить причины появления данной информации, после чего электронным ключом Сброс перевести систему в нормальное состояние (приложить ключ Сброс к контактному устройству кнопочной станции).
6.7. Установить ручной или автоматический режим Авт/Руч работы СОТП. Перевод с одного режима на другой осуществляется автоматически с помощью электронного ключа РЕЖИМ на блоке КС.
6.8. При ручном режиме на КС включается (загорается) индикатор Руч, на БКИ появляется информация:
<время><время> Норма
Режим Руч., Дв.Откр./Закр.
6.9. При автоматическом режиме на КС включается (загорается) индикатор Авт, на БКИ также включается индикатор Авт Пуск и появляется информация:
<время><время> Норма.
Режим Авт Дв.Откр./Закр.
При этом контроль состояния дверей происходит с задержкой в 3 мин, при состоянии Дв.Закр. система сохраняет Авт режим, при состоянии Дв.Откр. система переходит в Руч. режим работы.
6.10. При установке Авт. режима в течение 3 мин. покинуть машинное отделение поезда, закрыв все двери.
7. Работа системы в дежурном режиме
7.1. Система пожаротушения включена - горит индикатор Питание на блоке БКИ.
7.2. Система пожаротушения установлена в ручном или автоматическом режиме работы - горит индикатор Авт или Руч на блоке КС. При автоматическом режиме на БКИ горит индикатор Авт. Пуск.
7.3. Пожарные извещатели непрерывно контролируют температуру среды в зонах их размещения.
7.4. Звуковой оповещатель БКИ выдает сигнал Молчание. На ЖКИ высвечивается информация:
в верхней строке: <dd : dd><tt : tt>, Норма в нижней строке: Режим Руч/Авт, Дв.Откр/Закр.,
где <dd : dd> - число, месяц; <tt : tt> - час, мин.
7.5. Прибор "Гамма-01 ПКП-АЧ-2" постоянно производит самоконтроль и контроль исправности всех цепей (цепей пуска пиропатронов, шлейфов и так далее) с выдачей информации о возникшей неисправности на блок БКИ.
7.6. При срабатывании одного пожарного извещателя на ЖКИ БКИ в верхней строке появляется информация: Внимание, в нижней строке - <режим>, <состояние двери>. Возникновение ситуации Внимание подтверждается включением встроенного в БКИ звукового сигнализатора - прерывистый двухтональный звуковой сигнал.
7.7. Действия машиниста при ситуации Внимание:
отключить звуковой сигнал, нажав кнопку Звук на БКИ;
перевести режим Авт пуска в режим Руч (если был установлен режим Авт) электронным ключом РЕЖИМ или открыв одну из дверей;
убедиться, что сигнал Внимание не ложный;
устранить причину возникновения ситуации Внимание;
электронным ключом СБРОС перевести систему пожаротушения в дежурный режим (состояние НОРМА).
7.8. При возникновении ситуации Неисправность (обрыв цепей, несрабатывание пожарных извещателей и др.) на БКИ загорается индикатор Неисправность. Для обнаружения причины неисправности нажать кнопку РЕЖИМ на блоке БКИ, при этом на ЖКИ блока в верхней и нижней строках появляется информация о виде и месте неисправности в части линий связи (ЛС), пожарного шлейфа, нитей 1 и 2 пиропатронов 1, 2, 3, 4 (ПП) и цепей подключения СДУ.
Для обнаружения неисправного извещателя повторно нажать кнопку РЕЖИМ, в верхней и нижней строках ЖКИ индицируются номера извещателей. Порядковые номера извещателей приведены в Руководстве по эксплуатации СОТП для конкретного типа МВПС.
При ситуации Неисправность звуковой оповещатель БКИ подает прерывистый однотональный сигнал.
7.9. При ситуации Неисправность машинист должен:
отключить звуковой сигнал;
направить поезд на ближайшее место "постановки" или в депо для устранения неисправности.
8. Работа системы при пожаре
8.1. При срабатывании двух пожарных извещателей в защищаемом отсеке на блоке БКИ формируется сигнал Пожар - включается индикатор Пожар, звуковая сигнализация блока БКИ, звукового оповещателя Оса-110 и всех оповещателей на ОСЗ. На ОСЗ включается световое оповещение "Газ! Уходи!" На ЖКИ появляется информация:
в верхней: строке <время><время> Пожар
в нижней: строке Руч/Авт Дв.Откр/Закр.
8.2. При пожаре машинист должен:
остановить поезд;
определить режим работы СОТП по индикатору на КС - Авт или Руч;
перевести систему в ручной режим работы, открыть дверь из кабины машиниста в дизельный отсек (если был установлен режим Авт);
убедиться в ситуации Пожар (полученная на ЖКИ блока БКИ информация неложная);
нажать кнопку Пуск - на КС, кнопка должна загораться красным цветом. На ЖКИ должна появиться надпись:
в верхней строке: <время><время> Пуск;
в нижней строке: Руч. Дв.Откр/Закр Tпуск = 30 с (время до пуска газовых баллонов МПГ);
покинуть за 30 с кабину машиниста и дизельный отсек, закрыв за собой двери;
по истечении этого времени запускаются средства пожаротушения и после интервала в 5 сек, при срабатывании соответствующего СДУ, формируется команда Пуск прошел;
убедиться, что Пуск прошел - включится световой оповещатель "Газ! Не входить!" на ОС, расположенном в пассажирском салоне;
при отсутствии надписи на оповещателе ОС, действовать в соответствии с
подразделом 9;
по истечении 10-ти минут, открыть двери в ДО для проветривания, убедиться, что пожар потушен;
при автоматическом режиме работы системы пожаротушения, после появления сигнала Пожар система автоматически начнет отсчет 30-ти секундного интервала времени, и по его истечении осуществит пуск модулей МПГ (средств пожаротушения). При этом вся информация о режиме работы на индикаторах и ЖКИ блока БКИ, вся звуковая и световая индикация будет аналогична режиму ручного пуска.
9. Действия в экстремальных условиях
9.1. При возникновении пожара и невозможности включения огнетушащего модуля МПГ с КС в ручном режиме или автоматическом режиме работы системы пожаротушения (при обрыве цепи пиропатронов или пропадании электропитания - индикатор Питание на блоке БКИ не горит или информация на оповещателе ОС отсутствует или газ не пошел - внешний осмотр) подачу ГОС из модуля можно обеспечить включением пиропатронов модулей МПГ с помощью УРП-7, установленного в кабине машиниста, а на РА - снаружи кузова.
9.2. При возникновении пожара и невозможности эвакуации людей в течение 30 с, с момента срабатывания пожарных извещателей и поступлений извещений Пожар и Газ! Не входить! машинист обязан отменить включение средств пожаротушения. Отмена производится с помощью кнопки ОТМЕНА, расположенной на блоке КС, при этом кнопка загорается зеленым цветом.
10. Эксплуатационные ограничения
10.1. Электропитание СОТП осуществляться от бортовой сети постоянного тока напряжением 110 В, 55 или 24 В.
10.2. Модуль МПГ устанавливаться вертикально, ЗПУ вверх и манометром наружу (от стены).
10.3. На модуль МПГ и пиропатроны ПУО-2 не допускается попадание прямых солнечных лучей, воздействие внешних источников тепла и попадание атмосферных осадков.
10.4. При такелажных работах и транспортировании заправленного модуля браться за ЗПУ запрещается во избежание разгерметизации модуля.
10.5. Диапазоны температуры эксплуатации блока "Гамма-01 БКИ", блока "Гамма-01 БПУ" и оповещателя "Гамма-01 ОСЗ" от -10 °C до +50 °C.
11. Меры безопасности
11.1. К работе с системой пожаротушения допускаются лица только после ознакомления с Инструкцией и с эксплуатационной документацией на модуль МПГ, устройство УРП-7 и пиропатроны ПУО-2.
11.3. Подключение пиропатронов модулей МПГ-150-50 к цепям пуска производиться только после проведения пуско-наладочных работ и сдачи-приемки системы пожаротушения в штатную эксплуатацию.
11.4. Все работы по монтажу и ремонту СОТП должны выполняться при отключенном питании системы и отстыкованных разъемах пиропатронов модулей МПГ.
11.5. После проведения технического обслуживания и текущего ремонта подключение разъемов пиропатронов ПУО-2 необходимо производить в соответствии со схемой электрической принципиальной приведенной в документации на систему пожаротушения для конкретного вида МВПС.
Б.3. Установки аэрозольного пожаротушения
Б.3.1. Установка аэрозольного пожаротушения вагонов электропоездов и прицепных вагонов дизель-поездов СОТ-УАП (ТУ 4254-211-36536331-97).
1. Назначение
1.1. Установка аэрозольного пожаротушения СОТ УАПВ (далее - УАПВ) предназначена для локализации и ликвидации пожаров на начальных стадиях ее развития в тамбурах (при необходимости), шкафах с электрооборудованием, вентиляционных каналах, чердаках тамбуров (при необходимости) и кабинах машиниста (при необходимости) моторных, прицепных и головных вагонов электропоездов и прицепных вагонов дизель-поездов.
2. Принцип действия
2.1. Принцип действия УАПВ основан на ингибирующем воздействии мелкодисперсного аэрозоля солей щелочных металлов на окислительно-восстановительные реакции горения органических веществ в кислороде воздуха.
Огнетушащий аэрозоль образуется при работе генераторов огнетушащего аэрозоля (далее - ГОА) в процессе горения специального аэрозолеобразующего состава (далее - АОС), заключенного в виде монолитного заряда, в корпусе генератора.
2.2. Производительность и количество генераторов выбирается таким образом, чтобы при их работе в защищаемом объеме создавалась необходимая огнетушащая концентрация аэрозоля с учетом его потерь через имеющиеся неплотности и проемы в ограждающих конструкциях.
2.3. При расчете количества генераторов в качестве исходных данных принято, что все имеющиеся двери плотно закрыты, остекление салона не нарушено, открыта 1/4 всех оконных форточек, внутренние перегородки вентиляционной системы, электрошкафов, чердачных помещений и так далее, выполнены в соответствии с конструкторской документацией на вагоны.
3. Устройство УАПВ
3.1. В состав УАПВ входят генераторы огнетушащего аэрозоля типа АГС-3 и АГС-2/4 и блок управления БУ-УАПВ, соединенные между собой кабельной сетью.
3.2. Генераторы АГС-3 предназначены для защиты электрошкафов, чердаков тамбуров и вентиляционного канала.
3.3. Генераторы АГС-2/4 предназначены для защиты салона, тамбуров и кабины машиниста.
3.4. БУ-УАПВ предназначены для управления установкой и вырабатывания электроэнергии для ее запуска.
3.5. УАПВ прицепных и моторных вагонов выполнены идентично и состоят из двух подсистем.
3.6. Подсистема защиты электрошкафов, чердаков тамбуров и вентканала (ПЗЭ) состоит из ГОА типа АГС-3, установленных в каждом электрошкафу, чердаке и в вентканале. Все ГОА ПЗЭ запускаются одновременно, что обусловлено единством объема всех этих помещений, не имеющих между собой достаточно герметичных перегородок.
3.7. Подсистема защиты салона и тамбуров (ПЗС) состоит из ГОА типа АГС-2/4, установленных в каждом тамбуре и в салоне вагона. Все ГОА ПЗС так же запускаются одновременно.
3.8. УАПВ головного вагона отличается от УАПВ прицепных и моторных вагонов тем, что кроме ПЗС и ПЗЭ имеет подсистему защиты кабины (ПЗК), состоящую из генератора АГС-2/4 и установленного в электрошкафу генератора АГС-3, запускающихся одновременно.
3.9. Генераторы приводятся в действие электрическим импульсом, вырабатываемым БУ-УАПВ
(рисунок Б.3.1).
Рисунок Б.3.1. Схема электрических соединений БУ-УАПВ для головного вагона.
3.10. Электрическая схема УАПВ не связана с электросистемами вагона и позволяет осуществить пуск от входящих в ее состав автономных источников электроэнергии, установленных в БУ-УАПВ (
рисунки Б.3.2 и
Б.3.3).
1. Схема изображена при нейтральном положении Т1 и закрытой крышке БУ;
2. Провода П1-П2, П3-П4 попарно экранированы;
3. Клеммы 7 и 8 предназначены для заземления экранов проводов.
Рисунок Б.3.2. Схема электрическая принципиальная УАПВ моторного и прицепного вагона.
1. Схема изображена при нейтральном положении Т1 и закрытой крышке БУ.
2. Провода П1-П2, П3-П4, П5-П6 попарно экранированы.
3. Клеммы 7 и 8 предназначены для заземления экранов проводов.
Рисунок Б.3.3. Схема электрическая принципиальная УАП СОТ головного вагона.
3.11. Комплектующие изделия УАПВ моторного и прицепного вагона представлены в
таблице Б.3.1.
Таблица Б.3.1
Комплектующие изделия УАПВ моторного и прицепного вагона
Обозначение | Наименование | Количество, шт. | Примечание |
И1 | Генератор импульсный МИГ-10 ХФЗ.119.013.ТУ | 1 | Гот. изд. |
Т1 | Тумблер П2Т-10В УСО.360.054 ТУ | 1 | Гот. изд. |
ИП1 - ИП2 | Автономный источник тока ФОО.350.136 ТУ | 2 | Гот. изд. |
ГОА1 - ГОА14 | Генератор огнетушащего аэрозоля АГС-2/4 ТУ 4854-015-36536331-97 | 14 | Гот. изд. |
ГОА15 - ГОА24 | Генератор огнетушащего аэрозоля АГС-3 ТУ 4854-013-36556331-97 | 10 | Гот. изд. |
R1, R2 | Резистор С5-37В-1-2 Ом +/- 10% ОЖО.457.571 ТУ | 2 | Гот. изд. |
К1, К3 | Провод из к-та И1 | | |
К2, К4 - К13 | Провод ПВ3 S = 0,5 мм2 | | |
ВК1 | Выключатель | 1 | Не входит в комплект |
3.12. Комплектующие изделия УАП СОТ головного вагона представлены в
таблице Б.3.2.
Таблица Б.3.2
Комплектующие изделия УАП СОТ головного вагона
Обозначение | Наименование | Количество, шт. | Примечание |
И1, И2 | Генератор импульсный МИГ-10 ЧФЗ.119.013 ТУ | 2 | Гот. изд. |
Т1 | Тумблер П2Т-10В УСО.360.054 ТУ | 1 | Гот. изд. |
ИП1 - ИП3 | Автономный источник тока ФОО.350.136 ТУ | 3 | Гот. изд. |
ГОА1 - ГОА12, ГОА26 | Генератор огнетушащего аэрозоля АГС-2/4 ТУ 4854-015-36536331-97 | 13 | Гот. изд. |
ГОА13 - ГОА25 ГОА27 | Генератор огнетушащего аэрозоля АГС-3 ТУ 4854-013-36556331-97 | 14 | Гот. изд. |
R1 - R2 | Резистор С5-37В-1-2 Ом +/- 10% ОЖО 467.571 ТУ | 2 | Гот. изд. |
К1, К3, К8, К9 | Провод из к-та И1, И2 | | |
К2, К4 - К7, К10 - К15 | Провод ПВ3 S = 0,5 мм2 | | |
ВК1 | Выключатель | 1 | Не входит в комплект |
| | ИС МЕГАНОРМ: примечание. Нумерация пунктов дана в соответствии с официальным текстом документа. | |
3.11. УАПВ имеет ручной автономный пуск, осуществляемый с БУ-УАПВ, установленного на каждом вагоне в специальном подвагонном ящике.
3.12. ПЗС и ПЗЭ имеют общее пусковое устройство, но индивидуальные источники энергии.
3.13. Имеющийся переключатель позволяет осуществлять либо пуск только ПЗЭ, либо одновременный пуск ПЗЭ и ПЗС. В случае необходимости после срабатывания ПЗЭ возможен пуск ПЗС. Пуск одной ПЗС невозможен.
3.14. ПЗК головного вагона не связана с ПЗЭ и ПЗС и имеет собственное пусковое устройство и источник энергии.
3.15. ГОА АГС-3 представляет собой цилиндр высотой 66 мм. и диаметром 122 мм., в котором размещен заряд АОС массой 0,32 кг. и блок охлаждения аэрозоля. По цилиндрической поверхности равномерно расположены отверстия для выхода аэрозоля в защищаемый объем.
3.16. На одной из торцевых поверхностей корпуса расположены узел запуска и клеммная колодка для подключения электрических проводов от БУ-УАПВ. На другой торцевой поверхности находятся лапки для крепления генератора.
3.17. ГОА АГС-2/4 выполнен в виде цилиндра высотой 152 мм. и диаметром 168 мм., в котором размещен заряд АОС массой 1,6 кг и блок охлаждения аэрозоля. Один из торцов цилиндра глухой, а второй закрыт крышкой, имеющей отверстия для выхода аэрозоля.
3.18. ГОА АГС-2/4 имеет две модификации, отличающиеся расположением и направлением осей сопловых отверстий.
3.18.1. Модификация АГС-2/4-1 имеет отверстия на плоской торцевой части крышки, направляющие поток аэрозоля вдоль оси генератора.
3.18.2. Модификация АГС-2/4-2 имеет отверстия на цилиндрической части крышки, направляющие поток аэрозоля в радиальном направлении под углом 90° к оси генератора.
3.19. В ГОА АГС-2/4 узлы запуска расположены внутри корпуса.
3.20. На цилиндрической поверхности корпуса размещена клеммная колодка для подключения проводов к электрической системе пуска УАПВ.
3.21. ГОА АГС-2/4 поставляются с крепежными узлами различной комплектации.
3.22. Крепление генератора АГС-2/4-1-1 и АГС-2/4-2-1 к конструктивным элементам вагона осуществляется с помощью специальных хомутов и фланцев - расположенных в сопловом торце корпуса. АГС-2/4-1-2 и АГС-2/4-2 крепятся с помощью кожуха, в котором закреплен генератор. На кожухе имеется окно для подключения электрических проводов.
3.23. Блоки управления выполняются в двух модификациях:
БУ-УАПВ-ПМ - для моторных и прицепных вагонов;
БУ-УАПВ-Г - для головных вагонов.
3.24. Элементы БУ-УАПВ смонтированы на вертикальной панели.
3.24.1. С лицевой стороны панели находятся пусковые кнопки импульсных генераторов МИГ-100 (по одной в БУ-УАПВ-ПМ, по две в БУ-УАПВ-Г), рукоятки переключателей (по одному в БУ-УАПВ-ПМ, по две в БУ-УАПВ-Г), клеммные колодки, пояснительные надписи.
3.24.2. С задней стороны панели размещены импульсные генераторы МИГ-10 (по одному в БУ-УАПВ-ПМ, по два в БУ-УАПВ-Г), переключатели, автономные источники тока Т-170М-А или их аналоги (по два в БУ-УАПВПМ, по три в БУ-УАПВ-Г), нагрузочные резисторы, коммутационные провода.
4. Действия в экстремальных условиях
4.1. На блоке БУ-УАП перевести тумблер из нейтрального положения в положение "пожар в шкафах" или в положение "пожар в салоне" (если не удается установить точно место очага пожара, тумблер следует установить в положение "пожар в салоне") и произвести нажатие кнопки "пуск вагона" до щелчка.
4.2. При необходимости, после пуска ПЗЭ, возможно, переключив тумблер в положение "пожар в салоне", повторным нажатием кнопки запустить ПЗС. Обратный порядок действий невозможен, так как при положении тумблера "пожар в салоне" сразу срабатывают обе подсистемы.
4.3. В случае пожара в кабине головного вагона соответствующий тумблер переводится из положения "выключено" в положение "включено" и нажимается кнопка "пуск кабины".
4.4. Последовательность пуска ПЗК в головном вагоне не регламентируется, так как она не связана с двумя другими подсистемами.
4.5. При нажатии кнопки "пуск" до щелчка, следует резкий хлопок срабатывающих источников тока и хлопки срабатывающих узлов запуска генераторов. В процессе работы генераторов происходит интенсивное выделение огнетушащего аэрозоля, заполняющего весь, объем защищаемых помещений.
5. Меры безопасности
5.1. При монтаже и эксплуатации установок следует соблюдать меры безопасности, указанные в инструкциях предприятия-изготовителя элементов УАПВ.
При подключении проводов управления к ГОА концы проводов, подключаемые к БУ, должны быть закорочены.
При контроле целостности цепей запуска с подключенными ГОА в тамбурах, салоне и кабине вагона не должны находиться люди.
Б.4. Установка аэрозольного пожаротушения вагонов
электропоездов пригородного сообщения постоянного
и переменного тока УАПВ "Экспресс"
(ТУ 4254-302-54876390-2004).
1. Установка аэрозольного пожаротушения вагонов электропоездов пригородного сообщения постоянного и переменного тока УАПВ "Экспресс" является модернизированной установкой СОТ-УАПВ.
2. УАПВ "Экспресс" оборудованы электропоезда серий: ЭР2, ЭР2Р, ЭР2Т, ЭР9, ЭР9П, ЭР9М, ЭД2, ЭД4в/и, ЭД9(М), ЭП2Д, 3Д ЭТ2Т, ЭГ2Тв.
3. Принцип действия УАПВ "Экспресс" аналогичен СОТ-УАПВ.
Более подробное описание УАПВ "Экспресс" приведено в руководстве по эксплуатации установки.
Б.5. Системы и установки порошкового пожаротушения
В связи с тем, что существующие установки порошкового пожаротушения на МВПС, согласно статистике, малоэффективны и морально устарели, они заменяются на современные системы и установки порошкового пожаротушения.
Б.5.1. Установка модульного порошкового пожаротушения
"УСП-Буран"
1. Назначение установки
1.1. Установка модульного порошкового пожаротушения "УСП-Буран" (далее - установка) устанавливается на вновь строящихся электропоездах ЭР9.
1.2. Установка является автономной и предназначена для автоматического обнаружения, локализации и тушения пожаров твердых горючих материалов, горючих жидкостей и электрооборудования до 5000 В.
1.3. Установкой оборудуются чердачные помещения и электрошкафы вагонов.
1.4. Состав:
модули порошкового пожаротушения:
МПП(р)-0,5 "Буран-0,5";
МПП(р)-2,5 "Буран-2,5";
устройство сигнально-пусковое УПС-101;
кабельная сеть.
1.5. Описание и работа составных частей установки.
| | ИС МЕГАНОРМ: примечание. В официальном тексте документа, видимо, допущена опечатка: имеется в виду рисунок Б.5.1, а не Б.54.1. | |
1.5.1. Модуль МПП(р)-0,5
(рисунок Б.54.1) состоит из корпуса, внутри которого находится огнетушащий порошок, газогенерирующий элемент и электроактиватор.
Рисунок Б.5.1. Внешний вид модуля МПП(р)-0,5.
Корпус модуля, с одной стороны, плотно закрыт разрывной мембраной с нанесенными определенным образом насечками, по которым мембрана разрывается. Для формирования облака огнетушащего порошка к модулю крепится специальный рассекатель.
При пожаре под действием электрического импульса УСП, в МПП срабатывает электрический активатор, внутри корпуса происходит интенсивное газовыделение, что приводит к нарастанию давления, разрушению мембраны и выбросу порошка в зону горения.
| | ИС МЕГАНОРМ: примечание. В официальном тексте документа, видимо, допущена опечатка: имеется в виду рисунок Б.5.2, а не Б.4.2. | |
1.5.2. Модуль МПП(р)-2,5 состоит из корпуса, выполненного из двух сферообразных металлических частей, плотно соединенных между собой, и предназначенных для хранения огнетушащего порошка, газообразователя и электрического активатора. Внешний вид и схема крепления модуля приведена на
рисунке Б.4.2.
Рисунок Б.5.2. Внешний вид и схема крепления модуля МПП(р)-2,5.
При пожаре под действием электрического импульса УСП, В МПП срабатывает электрический активатор, внутри корпуса происходит интенсивное газовыделение, что приводит к нарастанию давления, разрушению нижней части корпуса без образования осколков и выбросу порошка в зону горения.
1.5.3. Технические характеристики модулей приведены в
таблице Б.5.1.
Таблица Б.5.1
Технические характеристики модулей
Технические характеристики | МПП(р)-0,5 | МПП(р)-2,5 |
Масса заряда огнетушащего порошка, кг | 0,5 | 2,0 |
Полная масса заряженного модуля, кг | 1,6 | 2,9 |
Габаритные размеры, мм | 100x210 | 250x170 |
Огнетушащая способность модуля: | | |
защищаемая площадь (очагов класса A и B), м2, до | 2,0 | 7,0 |
защищаемый объем (очагов класса A и B), м3, до | 2,0 | 16,0 - 18,0 |
Пусковой ток, мА, не менее | 100 |
Безопасный ток проверки цепи электропуска, мА, не более | 20 |
Время быстродействия (в режиме электропуска), с | 2,0 |
Время действия, с | 0,5 |
Температурные условия эксплуатации | от -50 °C до +50 °C |
Коэффициент, характеризующий особенности распыления порошка К5 (НПБ 56-96) | 1,5 |
Срок службы, лет | 5 |
2. Устройство сигнально-пусковое УСП-101
2.1. УСП-101 предназначено для непрерывного контроля пожароопасного состояния окружающей среды и приведения в действие активатора запуска модуля МПП в случае превышения температуры окружающей среды в зоне защищаемого объекта. Устройство УСП-101 приведено на
рисунке Б.5.3.
1 - тепловой замок; 2 - пружина; 3 - шток; 4 - постоянный
магнит; 5 - индукционная катушка
Рисунок Б.5.3. Устройство УСП-101.
При повышении температуры окружающей среды происходит срабатывание теплового замка (1). Под воздействием усилия пружины (2) шток (3) на котором закреплен постоянный магнит (4) проходит через индукционную катушку (5) и вырабатывает в ней импульс электрического напряжения, поступающий по соединительным проводам к активатору запуска модуля.
2.2. Технические характеристики УСП-101 приведены в
таблице Б.5.2.
Таблица Б.5.2
Технические характеристики УСП-101
Технические характеристики | УСП-101-72-Э | УСП-101-93-Э |
Номинальная температура срабатывания, °C. | +72 (+/- 5) | +93 (+/- 5) |
Работоспособность в диапазоне температур, °C | от -60 до +55 | от -60 до +70 |
Принудительная система | электрического типа |
Электрическое сопротивление соединительных проводников, Ом | не более 4 |
Время срабатывания, с | 50 |
Устойчивость к воздействию одиночных ударов длительностью от 2 до 50 мс с пиковым ускорением, g | до 5 |
Устойчивость к воздействию вибрации частотой от 5 до 200 Гц с ускорением, g | до 4 |
Число срабатываний | не менее 100 |
Средняя наработка на отказ, ч | 50000 |
Средний срок службы, лет | 10 |
2.3. Устройство ручного пуска УСП-101Р предназначено для ручного пуска модуля МПП(р). По своему устройству оно аналогично УСП-101, только вместо теплового замка устанавливается предохранительное кольцо, за которое необходимо дернуть для приведения его в действие.
2.4. Указания мер безопасности.
2.4.1. УСП-101 является пожаробезопасным в соответствии с требованиями
ГОСТ 12.2.007.0-75 при условии правильности его монтажа и эксплуатации.
2.4.2. При монтаже УСП-101 необходимо вначале убедиться в том, что тепловой замок надежно закреплен, присоединить соединительные провода к винтовым зажимам, закрепить устройства в местах их установок, а затем провода присоединить к побудительной системе.
2.4.3. При эксплуатации УСП-101 необходимо исключать возможность повреждения теплового замка. Запрещается использовать в схемах не аттестованные УСП-101.
3. Кабельная сеть
3.1. Кабельная сеть предназначена для электрической связи МПП и УСП между собой.
3.2. Провода в цепи запуска модулей должны быть экранированные, сечением 0,5 мм2. Монтаж производится согласно схеме электрической принципиальной.
4. Эксплуатационные ограничения
4.1. Модули МПП устанавливаться согласно Инструкции на них.
4.2. На модуль МПП не допускается воздействие внешних источников тепла.
Б.5.2. Автоматическая система обнаружения и тушения пожаров
"ИГЛА-ТПС" (ТУ 4371-032-80700772-2007).
1. Автоматическая система обнаружения и тушения пожаров АСОТП "Игла-ТПС" предназначена для автоматического обнаружения и тушения пожара на рельсовом автобусе РА-2.
2. Назначение АСОТП "Игла-ТПС" (РА-2)
2.1. Система предназначена для:
автоматического обнаружения и тушения пожара в отсеках защищаемых объемов;
оповещения о месте пожара;
выдачи сигналов светового и звукового оповещения о пожароопасной ситуации в отсеках защищаемых объемов;
тушения пожара в автоматическом и ручном режимах;
контроля процесса тушения;
контроля состояния компонентов Системы.
2.2. Поблочный принцип комплекта оборудования и построения программного обеспечения АСОТП "Игла-ТПС" позволяет реализовать расширение функций контроля температурного режима работы в узлах и агрегатах РА-2.
3. Принцип действия
3.1. В пожароопасных местах, отсеков защищаемых объемов с оборудованием РА-2 и пассажирском салоне устанавливаются ПИ (пожарные извещатели):
ДТЦ (датчик температурный цифровой) для контроля и измерения температуры;
ДК (датчик комбинированный дым/тепло) для определения концентрации дыма и контроля температуры и выдачи сигнала о превышении температуры выше порогового, установленного конструктивно;
ДД (датчик дымовой) для определения концентрации дыма.
3.2. Сигнал от извещателей по кабелям линий связи поступает на ЛБК (локальный блок контроля), отвечающий за данный отсек, для предварительного анализа тревожной ситуации и дальнейшей его передачи.
3.3. От ЛБК, предварительно обработанный, сигнал поступает на БКУ (блок контроля и управления) для анализа полученной информации с последующим распределением команд управления на:
БУИ (блок управления и индикации) для отображения информации;
ИСТ (исполнительные средства тушения) по кабелям линий связи, через ЛБК.
3.4. Анализ результата АСОТП "Игла-ТПС" после выхода из нештатной ситуации на РА2 применения ИСТ и информация о состоянии компонентов отображается на БУИ.
4. Назначение компонентов системы
4.1. БУИ предназначен для отображения информации о:
текущем, пожароопасном состоянии объекта оборудованного АСОТП "Игла-ТПС";
текущем состоянии Системы в целом и отдельных ее компонентов;
событиях, происходящих в Системе в процессе эксплуатации.
4.2. При включении системы на БУИ отображается следующая информация:
номер вагона серийный (до 6 знаков);
состояние "норма" или "неисправность".
4.3. Проектное расположение БУИ - в кабине машиниста РА2.
4.4. БУИ оснащен энергонезависимой памятью (журнал событий) емкостью не менее 1000 сообщений. Каждое сообщение содержит информацию о типе события, номере вагона, зоне контроля, наименование элемента контроля.
4.5. Блок имеет встроенные часы. При выполнении в ручном режиме коррекции времени на БУИ одного головного вагона происходит автоматическая синхронизация часов всех, входящий в Систему БУИ, оборудованного АСОТП.
4.6. В БУИ предусмотрена встроенная звуковая сигнализация.
4.7. На лицевой панели БУИ, (см.
рис. Б.5.4), установлены кнопки управления:
1 - кнопка пуска ИСТ резерва; 2 - кнопка пуска ИСТ основной очереди; 3 - кнопка отключения звуковой сигнализации; 4 - кнопка переключения режима работы Системы "РУЧН./АВТ."; 5 - кнопки просмотра архива событий.
Рисунок Б.5.4. Лицевая панель Блока БУИ.
пуск ИСТ резервной очереди тушения "РЕЗ." (1) (не используется);
пуск ИСТ основной очереди тушения "ОСН." (2);
звуковой сигнализацией "ЗВУК", для отключения внутренней и внешней сирены (3);
переключения режимов работы Системы "РУЧН."/"АВТ.", ручной или автоматический (4);
просмотра содержимого архива событий - энергонезависимой памяти (5).
4.8. На нижней торцевой панели БУИ, (см.
рисунке Б.5.5) установлен сигнализатор звукового оповещения (1) и смонтированы разъемы для подключения:
1 - встроенный звуковой оповещатель; 2 - разъем для подключения ПЭВМ; 3 - разъем для подключения питания блока и связи основной межсекционной двухпроводной магистрали передачи данных; 4 - разъем для подключения резервной межсекционной двухпроводной магистрали передачи данных.
Рисунок Б.5.5. Нижняя торцевая панель Блока БУИ.
ПЭВМ, COM-порт RS-232 на 2 порта (2);
питания блока и связи с основной межсекционной двухпроводной магистралью передачи данных (3);
блока к резервной и дублирующей межсекционной двухпроводной магистрали передачи данных (4).
4.9. БКУ, предназначен для:
контроля за текущим, пожароопасным состоянием объекта оборудованного АСОТП "Игла-ТПС";
контроля состояния Системы в целом и отдельных ее компонентов;
контроля событий, происходящих в Системе в процессе эксплуатации;
сбора и анализа информации от блоков ЛБК;
приема/передачи информационных и управляющих сигналов на БУИ;
приема/передачи информационных и управляющих сигналов на ЛБК в секции;
формирования команды на адресный (по зонам тушения) пуск ИСТ;
включения/выключения функции автономного пуска ИСТ основной очереди.
4.10. БКУ устанавливается в кабине машиниста рельсового автобуса, согласно проекту монтажа АСОТП "Игла-ТПС" (РА-2).
4.11. На лицевой панели блока БКУ установлены следующие индикаторы:
зеленый светоизлучающий диод автоматического режима работы Системы;
желтый светоизлучающий диод наличия неисправностей в Системе;
красный светоизлучающий диод "ВНИМАНИЕ";
красный светоизлучающий диод "НАПРЯЖЕНИЕ СНЯТО" (не используется).
4.12. ЛБК предназначен для:
сбора и анализа текущей информации от датчиков в зоне контроля за пожароопасным состоянием объекта оборудованного АСОТП "Игла-ТПС";
контроля за состоянием компонентов Системы в (датчиков, ИСТ и кабелей их подключения) в зоне контроля;
передачи информации о пожароопасной ситуации в зоне контроля от датчиков по линиям связи на БКУ;
приема по линиям связи управляющих сигналов от БКУ;
коммутации импульса на адресный, по зонам тушения, пуск ИСТ.
4.13. Блоки ЛБК устанавливаются согласно проекту монтажа АСОТП "Игла-ТПС" (РА-2).
4.14. Все блоки ЛБК подключаются к БКУ посредством дублированных линий связи.
4.15. К каждому блоку ЛБК подключаются датчики (ДД, ДТЦ, ДК), ответственные за пожароопасное состояние определенной зоной контроля и ИСТ в ней.
4.16. На лицевой панели ЛБК установлен зеленый светоизлучающий диод индикации режимов функционирования блока:
постоянное свечение зеленого светоизлучающего диода соответствует штатному режиму работы;
мигающее свечение зеленого светоизлучающего диода соответствует режиму "НЕИСПРАВНОСТЬ".
4.17. На торцевых панелях ЛБК расположены разъемы обеспечения подключения для контроля и управления блока:
к основной вагонной линии связи с БКУ (1);
к дублирующей вагонной линии связи с БКУ (2);
к датчикам ДЦ, ДТЦ, ДК Датчики разных типов могут быть подключены к каждому из трех разъемов. Тип датчика определяет электромонтажную схему распайки разъема;
к ИСТ основной очереди тушения. Тип ИСТ определяет электромонтажную схему распайки разъема.
4.18. Пульт Ручного Пуска (ПРП), предназначен для подачи Импульса запуска в цепи ИСТ основной очередей.
4.19. ПРП установлены согласно проекту монтажа АСОТП "Игла-ТПС" (РА-2) на данный тип рельсового автобуса.
4.20. ПРП имеет следующие индикаторы с надписями рядом с ними:
индикатор наличия напряжения на блоке ПРП (основная линия) (зеленый светоизлучающий диод, зеленый - напряжение на входе есть);
индикатор наличия напряжения на блоке ПРП (резервная линия) (зеленый светоизлучающий диод, зеленый - напряжение на входе есть);
индикатор подтверждения подачи напряжения в основную линию запуска ИСТ (синий светоизлучающий диод);
индикатор подтверждения подачи напряжения в резервную линию запуска ИСТ (синий светоизлучающий диод).
4.21. ПРП имеет для управления два тумблера пуска основной очереди ИСТ.
4.22. ДД предназначен для определения концентрации дыма в защищаемом отсеке.
Устанавливается:
Головной вагон:
в пульте машиниста (2 шт.);
в шкафу КМ (2 шт.) за спиной машиниста;
в шкафу ЭРО (2 шт.);
в блоке распределительном (2 шт.).
Прицепной вагон:
в шкафу ЭРО (2 шт.);
в блоке распределительном (2 шт.).
4.23. ДТЦ предназначен для контроля и измерения температуры в защищаемом отсеке.
Устанавливается:
Головной вагон:
в зоне топливного бака N 1 (3 шт.);
в зоне топливного бака N 2 (3 шт.);
в ящике АКБ24 (3 шт.);
в ящике АКБ110 (3 шт.);
в контейнере подогревателя (2 шт.);
в зоне двигателя (9 шт.).
Прицепной вагон:
в зоне топливного бака N 1 (3 шт.);
в зоне топливного бака N 2 (3 шт.);
в ящике АКБ24 (3 шт.);
в контейнере подогревателя (2 шт.).
4.24. ДК предназначен для контроля температуры и выдачи сигнала о превышении температуры выше порогового (установленного) значения и для определения концентрации дыма в защищаемом отсеке.
ДК устанавливается на потолке пассажирского салона (5 шт. на каждый вагон).
4.25. ИСТ предназначены непосредственно для тушения очага пожара. В качестве ИСТ применяются модули порошкового пожаротушения "Буран 2,0", которые устанавливаются:
Головной вагон:
в контейнере подогревателя (2 шт.);
в зоне двигателя (7 шт.).
Прицепной вагон - в контейнере подогревателя (2 шт.).
4.26. Стабилизатор питания предназначен для предварительной стабилизации напряжения подающегося от аккумуляторной батареи рельсового автобуса и сглаживания импульсных помех в цепи питания Системы.
5. Основные значения индикации. Алгоритм работы Системы
В соответствии с блок-схемой АСОТП "Игла-ТПС" (РА-2) предлагается следующий алгоритм работы: В каждой кабине РА-2 установлен БУИ (Блок Управления и Индикации). Состояние системы на текущий момент времени отображается на всех БУИ Системы.
Включение Системы происходит при подключении ее к аккумуляторной батарее РА-2 (24 В) в каждом вагоне. Далее, установка пожаротушения переводится машинистом из автоматического в ручной режим управления нажатием на кнопку "Автомат" "Ручной" на БУИ. При этом включается индикация режима "Ручной" на всех БУИ, подключенных к Системе. При этом Система производит контроль состояния блоков, шлейфов, извещателей, исполнительных устройств (МПП) и других узлов.
Если тестирование прошло успешно, то Система переходит в дежурный режим с постоянным контролем состояния составляющих ее компонентов. На БУИ отразится следующая информация о состоянии системы
(рисунок Б.5.6).
Рисунок Б.5.6. Дежурный режим БУИ.
После этого Система переходит в дежурный режим с постоянным контролем состояния составляющих ее компонентов.
Если в процессе тестирования в системе обнаружится неисправность, то на БУИ отразится следующая информация о состоянии системы
(рисунок Б.5.7).
Рисунок Б.5.7. Неисправность Системы на БУИ.
5.1. Работа системы в режиме ручного управления.
5.1.1. При обнаружении в защищаемых зонах повышенной задымленности одним из ДД, ДК, определении одним из ДТЦ превышения температуры воздуха выше порогового значения на БКУ формируется сигнал - "Внимание".
На всех БУИ Системы отображается сообщение "Внимание", содержащее информацию о номере защищаемого вагона, наименовании защищаемой зоны, тип события, время и дата события. Кнопка "ОСН" - мигает
(рисунок Б.5.8).
Рисунок. Б.5.8. Сигнал "Внимание" на БУИ.
5.1.2. При обнаружении двумя и более датчиками ДТЦ в одной защищаемой зоне превышения температуры воздуха выше порогового значения на БКУ формируется сигнал "Пожар". На всех БУИ Системы отображается сообщение "Пожар", содержащее информацию о номере защищаемого вагона, наименовании защищаемой зоны, тип события, время и дата события.
Если происходит одновременно несколько событий в разных защищаемых зонах, то на БУИ каждые 5 секунд происходит смена текущих событий. Кнопка "ОСН" - мигает
(рисунок Б.5.9).
Рисунок Б.5.9. Сигнал "Пожар" на БУИ.
5.1.3. При приходе на БУИ любого из сигналов "Внимание" или "Пожар", машинист или его помощник, убедившись в наличии факта загорания или пожароопасной ситуации, могут приступить к тушению очага пожара. Если в защищаемых зонах отсутствуют ИСТ, то тушение производится штатными средствами тушения, расположенными в вагоне. Тушение очага пожара в зоне двигателя и подогревателя производится с БУИ расположенного в головной кабине машиниста по ходу движения.
5.1.4. Нажатием на кнопку "ОСН" дать команду на запуск ИСТ в вагоне, номер которого отображается на БУИ. По этой команде БКУ данного вагона производит запуск ИСТ в защищаемой зоне. После проведения запуска производится контроль ИСТ. При положительном тесте на запуск ИСТ формируется сигнал "Подтверждение пуска ИСТ", который отображается на всех БУИ Системы
(рисунок Б.5.10).
Рисунок Б.5.10. Подтверждение пуска ИСТ на БУИ.
5.1.5. Если температура воздуха в защищаемой зоне после запуска ИСТ или применения штатных средств тушения понизится ниже порогового значения, то система сформирует сигнал "Пожар потушен" с указанием номера вагона
(рисунок Б.5.11).
Рисунок Б.5.11. Сигнал "Пожар потушен" на БУИ.
5.1.6. Если температура воздуха в защищаемом зоне после запуска ИСТ или применения штатных средств тушения не понизится ниже порогового значения, то на БУИ Системы отразится следующая информация
(рисунок Б.5.12).
Рисунок Б.5.12. Сигнал "Пожар ИСТ из расход." на БУИ.
5.2. Запуск ИСТ с пульта ручного пуска (ПРП).
5.2.1. Для адресного запуска ИСТ (зона двигателя и подогревателя) необходимо:
открыть защитную крышку;
перевести тумблер вверх;
после загорания светодиода нажать кнопку.
При отключении от аккумуляторной батареи рельсового автобуса АСОТП сохраняет способность обеспечивать функции тушения пожара в режиме работы от пульта ручного пуска.
6. Меры безопасности
6.1. Запрещается монтаж и эксплуатация установки при повреждении корпусов МПП и УСП (трещины, сквозные отверстия, вмятины на мембране МПП более 15 мм).
6.2. К работе с установкой пожаротушения допускаются лица, ознакомленные с Инструкцией и эксплуатационной документацией на модули МПП устройства УСП-101.
6.3. После проведения технического обслуживания и текущего ремонта подключение разъемов в цепях пуска модулей производится в соответствии со схемой электрической принципиальной.
7. Подготовка к использованию
7.1. Произвести внешний визуальный осмотр установки пожаротушения, его узлов и элементов на предмет:
их целостности;
отсутствия повреждений, загрязнения и пыли;
надежности крепления всех составных частей.
7.2. Проверить правильность подключения разъемов узлов пуска модулей на соответствие схемы (электрической принципиальной)
7.3. Установка пожаротушения находится в рабочем дежурном режиме с момента подключения всех ее составных частей.
8. Устранение последствий срабатывания средств пожаротушения
8.1. После срабатывания модулей порошкового пожаротушения (МПП) необходимо провести работы по удалению огнетушащего порошка (продувка или уборка пылесосом) из мест распространения.
8.2. При проведении работ с Системой необходимо выполнить требования правил техники безопасности.
ВНИМАНИЕ! Работы по устранению последствий срабатывания средств пожаротушения провести не позднее 3-х часов с момента срабатывания.
9. Возможные неисправности и способы их устранения
9.1. Если в процессе самотестирования Система обнаружила неисправность, машинист обязан отключить Систему от аккумуляторной батареи рельсового автобуса и доложить об этом дежурному по депо. Дежурный по депо непосредственно вызывает представителя предприятия-изготовителя для устранения неисправности в Системе.
Б.5.3. Программно-аппаратный комплекс технических средств
пожарной автоматики АСОТП "ИГЛА-М.5К-Т.У"
1. Программно-аппаратный комплекс технических средств пожарной автоматики АСОТП "ИГЛА-М.5К-Т.У" (далее - ПАК) предназначена для автоматического обнаружения и тушения пожара на рельсовом автобусе РА-3.
| | ИС МЕГАНОРМ: примечание. Нумерация пунктов дана в соответствии с официальным текстом документа. | |
1. Общие сведения
ПАК предназначен для установки и использования на объектах, защита которых регламентируется требованиями ведомственных или специальных нормативных документов: ЭПС метрополитена и другие виды наземного и подземного транспорта, а также для обеспечения противопожарной защиты моторвагонного и тягового железнодорожного подвижного состава.
ПАК автоматически обнаруживает и оповещает о признаках пожара, передает сообщения на центральный блок контроля и индикации (далее - ЦБКИ) в следующем виде: номер вагона, название отсека и событие. ПАК автоматически отключает питание силовых цепей вагона, в котором обнаружен пожар, и производит запуск средств пожаротушения (далее - СП). Также ПАК предусматривает запуск СП в ручном режиме.
ПАК осуществляет автоматический контроль исправности цифровых ЛС на пропадание связи, исправности линии связи (далее - ЛС СП) на обрыв и КЗ, исправности шлейфа пожарной безопасности (далее - ШПС) на обрыв и КЗ.
В качестве СП используются модули порошкового пожаротушения с электрическим запуском и генераторы аэрозоля.
В зависимости от контролируемого фактора пожара ПАК работает с ИП типов: дымовые (далее - ИПД), тепловые линейные (далее - ИПТЛ), пламени (далее - ИПП), комбинированные (далее - ИПК), ручные (далее - ИПР). ПАК работает с любыми моделями ИП, соответствующими по
ГОСТ Р 53325-2012 перечисленным типам неадресных пороговых ИП.
Компоненты ПАК соединяются между собой посредством ЛС CAN, которые разделяются на межвагонные и внутривагонные.
Внутривагонная ЛС CAN представляет собой 4-х проводную ЛС (CAN и 24В питание ЛБК) и предназначена для передачи информации на ПЦБК со всех подключенных к нему ЛБК.
Межвагонная ЛС CAN представляет собой 2-х проводную ЛС (экранированная витая пара) и предназначена для передачи информации на ЦБКИ со всех подключенных к нему ПЦБК.
ПАК осуществляет автоматический контроль исправности цифровых ЛС на пропадание связи, исправности ЛС СП на обрыв и КЗ, исправности ШПС на обрыв и КЗ.
ЦБКИ предназначен для отображения на дисплее и выдачи оператору (машинисту) всей поступающей от компонентов ПАК информации с определением видов событий, места их возникновения с указанием номеров вагонов и защищаемых отсеков, занесения и хранения информации о событиях в ЭНП, светового и звукового оповещения оператора о нештатной ситуации, а также управления процессом запуска СП. ЦБКИ производит контроль и тестирование всех компонентов ПАК. ЦБКИ устанавливается в видимом для оператора (машиниста) месте.
ПЦБК производит прием и функциональный анализ сигналов об обстановке в защищаемых отсеках, контроль и тестирование подключенных компонентов системы, а также выдает команду на запуск СП на ЛБК. ПЦБК имеет дискретные выходы для выдачи обобщенных сигналов "Пожар", "Неисправность", "Пуск". ПЦБК осуществляет запись и хранение в ЭНП всех событий независимо от ЦБКИ. ПЦБК устанавливается в каждом вагоне состава.
ЛБК осуществляет прием и обработку сигналов с ШПС в защищаемом отсеке и передачу информации по ЛС CAN на ПЦБК. ЛБК принимает команды от ПЦБК и осуществляет запуск СП. ЛБК устанавливается в защищаемых отсеках.
2. Состав оборудования ПАК
Таблица Б.5.3
Наименование | Обозначение | Количество |
Компоненты ПАК, производимые ООО "ЭПОТОС-К" |
Центральный блок контроля и индикации | ЦБКИ | По числу головных вагонов в составе |
Промежуточный центральный блок контроля | ПЦБК | По числу вагонов в составе |
Локальный блок контроля | ЛБК | По числу защищаемых отсеков в составе |
Коммутатор интерфейса CAN ПТКЛ.465614.001 | | Один на комплект |
Коммутатор терминатора ПТКЛ.465614.002 | | Один на комплект |
Пульт выносной ПТКЛ.425532.019 | | Два на комплект |
Пульт выносной ПТКЛ.425532.020 | | Один на комплект |
Взаимодействующие технические средства (покупные) |
Средства пожаротушения | СП | В соответствии со схемой размещения |
Извещатели пожарные | ИПД, ИПК, ИПТЛ, ИПП, ИПР | В соответствии со схемой размещения |
3. Технические характеристики
ПАК соответствует требованиям
ГОСТ Р 53325, ТУ 4371-006-73591144-2016 и комплекту КД.
Основные технические характеристики ПАК представлены в
таблице Б.5.3.
| | ИС МЕГАНОРМ: примечание. Нумерация таблиц дана в соответствии с официальным текстом документа. | |
Таблица Б.5.3
Основные технические характеристики ПАК
Параметр | Значение |
Напряжение питания | от 9 В до 36 В, номинальное - 24 В |
Потребляемая мощность | ЦБКИ - не более 5 В (в дежурном режиме 2 Вт); ПЦБК - не более 2 Вт (в дежурном режиме 1 Вт); ЛБК - не более 1 Вт (в дежурном режиме 0,5 ватта), во время запуска СП не более 30 Вт |
Степень защиты | IP65 |
Диапазон рабочих температур | от -40 до 70 °C |
Габаритные размеры (ВxШxГ) | ЦБКИ - 123 x 215 x 73 мм ПЦБК - 147,2 x 201,7 x 55,3 мм; ЛБК - 136,7 x 201,7 x 55,3 мм |
4. Подготовка к использованию
4.1. Меры безопасности при подготовке ПАК.
Монтаж, установку и техническое обслуживание производить при отключенном напряжении питания системы лицами, имеющими соответствующую квалификацию.
ПАК соответствует требованиям безопасности в нормальных условиях и в условиях возможных неисправностей согласно требованиям
ГОСТ Р МЭК 60065-2002.
Все компоненты ПАК безопасны для обслуживающего персонала и окружающих людей при монтаже, эксплуатации, ремонте, регламентных работах и в аварийных режимах в соответствии с требованиями
ГОСТ 12.2.003 и
ГОСТ 12.2.007.0.
4.2. Монтаж ПАК.
Монтаж ПАК необходимо производить в соответствии с типовой структурной схемой, изображенной на
рисунке Б.5.13.
Рисунок Б.5.13. Структурная схема.
В зависимости от требований количество блоков в системе и их конфигурация могут изменяться.
Количество блоков ПЦБК подключаемых к одному ЦБКИ должно составлять от 1 до 16.
Количество блоков ЛБК подключаемых к одному ПЦБК должно составлять от 1 до 32.
Количество ШПС подключаемых к одному ЛБК должно составлять от 1 до 4.
Количество СП подключаемых к одному ЛБК должно составлять от 1 до 8. Конфигурация блоков задается при настройке ПАК.
ПАК автоматически обнаруживает новые блоки ПЦБК и ЦБКИ при подключении к межвагонной линии ЛС CAN и загружает конфигурацию блоков ЛБК. Для корректной работы ПАК адреса всех блоков в линии CAN должны быть уникальными.
4.3. Включение системы.
При включении аккумуляторных батарей на составе, происходит внутреннее тестирование всех компонентов системы. На экране ЦБКИ последовательно отображается информация о результатах проверки компонентов системы
(рисунок Б.5.14).
Рисунок Б.5.14. Включение питания ЦБКИ.
производит следующую самодиагностику:
тест питания;
тест индикаторов;
тест дисплея;
тест зуммера;
тест кнопок;
тест часовой батареи;
тест памяти.
Результаты самодиагностики кратковременно отображаются на экране ЦБКИ
(рисунок Б.5.15).
Рисунок Б.5.15. Результаты самодиагностики ЦБКИ.
При полностью исправных компонентах ПАК на каждом вагоне состава, ЦБКИ переходит в режим "НОРМА" - загорается светодиод на кнопке "1" и ЖК-индикатор отображает информацию о количестве охраняемых вагонов
(рисунок Б.5.16).
Рисунок Б.5.16. Режим "НОРМА" ЦБКИ.
5. Описание и работа ПАК
5.1. Режимы работы.
После включения питания и завершения тестов самодиагностики ЦБКИ переходит в один из 3 режимов, который задается конфигурацией:
1) А РЕЖИМ (автоматический режим);
2) Р РЕЖИМ (ручной режим);
3) А РЕЖИМ с возможностью перехода в Р РЕЖИМ.
В автоматическом режиме ЦБКИ игнорирует любые действия оператора при возникновении пожароопасной ситуации, и ПАК принимает решение о запуске СП автоматически. Переход в ручной режим невозможен.
В ручном режиме ЦБКИ решение о тушении пожара должен принимать оператор. Переход в автоматический режим невозможен.
В автоматическом режиме с возможностью перехода в ручной ПАК позволяет оператору остановить обратный отсчет запуска СП и вручную произвести пуск. Также возможен переход из автоматического режима в ручной или обратно путем нажатия и удерживания 2 секунды кнопки "1". Переход из ручного режима в автоматический при и после пожароопасной ситуации невозможен (до отключения питания).
5.2. Индикация пожароопасной ситуации.
Пожароопасная ситуация имеет наивысший приоритет очередности индикации. При возникновении состояния "ПОЖАР1" или "ПОЖАР2" ЦБКИ сохраняет это состояние до тех пор, пока ИП не перейдет в состояние "НОРМА".
Состояние "ПОЖАР1" возникает в случае, если отсек контролируют несколько извещателей и сработал только один из них, либо если отсек контролирует один извещатель, и он сработал.
Состояние "ПОЖАР2" возникает в случае, если отсек контролируют несколько извещателей и два из них сработали, либо при активации ручного ИП. При определении пожароопасной ситуации ИП не может перейти в состояние "НЕИСПРАВНОСТЬ".
| | ИС МЕГАНОРМ: примечание. Нумерация пунктов дана в соответствии с официальным текстом документа. | |
5.2.2. Работа ПАК в А РЕЖИМЕ.
Если в контролируемом отсеке находится несколько ИП и получен сигнал от одного извещателя, то ЦБКИ переходит в состояние "ПОЖАР1" и загорается светодиод "Пожар" и включается зуммер
(рисунок Б.5.17).
Рисунок Б.5.17. Состояние "ПОЖАР1" в А РЕЖИМЕ.
Если в контролируемом отсеке получен сигнал от второго извещателя, то ЦБКИ переходит в состояние "ПОЖАР2", загорается светодиод "Пуск" и начинается обратный отсчет запуска СП
(рисунок Б.5.18).
Рисунок Б.5.18 Состояние "ПОЖАР2" в А РЕЖИМЕ.
| | ИС МЕГАНОРМ: примечание. В официальном тексте документа, видимо, допущена опечатка: имеется в виду рисунок Б.5.19, а не Б.5.18. | |
После завершения обратного отсчета ЦБКИ производит автоматически запуск СП
(рисунок Б.5.18).
Рисунок Б.5.19 Состояние "СРАБОТАЛИ СП" в А РЕЖИМЕ.
После запуска СП светодиод "Пуск" гаснет. При нажатии на кнопку "4" отключается зуммер и загорается светодиод "звук откл.".
Если извещатель возвращается в состояние "НОРМА", то на ЦБКИ состояние "СРАБОТАЛИ СП" меняется на "ПОЖАР ПОТУШЕН", светодиод "Пожар" гаснет
(рисунок Б.5.20).
Рисунок Б.5.20 Состояние "ПОЖАР ПОТУШЕН" в А РЕЖИМЕ.
Для включения КВЦ необходимо нажать кнопку "4". После включения КВЦ состояние на ЦБКИ меняется на "НОРМА"
(рисунок Б.5.21).
Рисунок Б.5.21 Состояние "НОРМА" в А РЕЖИМЕ.
Если после пуска СП в контролируемом отсеке повторно срабатывает один или несколько извещателей, то на экране ЦБКИ отображается состояние "БЕЗ СП"
(рисунок Б.5.22).
Рисунок Б.5.22 Состояние "БЕЗ СП" в А РЕЖИМЕ.
1) Работа ПАК в Р РЕЖИМЕ
Если в контролируемом отсеке находится несколько ИП и от одного из них получен сигнал, то ЦБКИ переходит в состояние "ПОЖАР1", включается зуммер и загорается светодиод "Пожар"
(рисунок Б.5.23).
Рисунок Б.5.23 Состояние "ПОЖАР1" в Р РЕЖИМЕ.
Если в контролируемом отсеке получен сигнал от второго извещателя, то ЦБКИ переходит в состояние "ПОЖАР2"
(рисунок Б.5.24).
Рисунок Б.5.24 Состояние "ПОЖАР2" в Р РЕЖИМЕ.
При нажатии на кнопку "2" производится ручной запуск СП. При нажатии на кнопку "4" отключается зуммер и загорается светодиод "звук откл.". На экране ЦБКИ отображается состояние "СРАБОТАЛИ СП", загорается светодиод "ПУСК"
(рисунок Б.5.25).
Рисунок Б.5.25 Состояние "СРАБОТАЛИ СП" в Р РЕЖИМЕ.
После запуска СП светодиод "Пуск" гаснет. Если извещатель возвращается в состояние "НОРМА", то на ЦБКИ состояние "СРАБОТАЛИ СП" меняется на "ПОЖАР ПОТУШЕН", светодиод "Пожар" гаснет
(рисунок Б.5.26).
Рисунок Б.5.26 Состояние "ПОЖАР ПОТУШЕН" в Р РЕЖИМЕ.
Для включения КВЦ необходимо нажать кнопку "4". После включения КВЦ состояние на ЦБКИ меняется на "НОРМА"
(рисунок Б.5.27).
Рисунок Б.5.27 Состояние "НОРМА" в Р РЕЖИМЕ.
Если после пуска СП в контролируемом отсеке повторно срабатывает один или несколько извещателей, то на экране ЦБКИ отображается состояние "БЕЗ СП"
(рисунок Б.5.28).
Рисунок Б.5.28 Состояние "БЕЗ СП" в Р РЕЖИМЕ.
2) Работа ПАК в А РЕЖИМЕ/Р РЕЖИМЕ
| | ИС МЕГАНОРМ: примечание. В официальном тексте документа, видимо, допущена опечатка: имеется в виду рисунок Б.5.30, а не Б.5.29. | |
Если в контролируемом отсеке получен сигнал от двух извещателей, то ЦБКИ переходит в состояние "ПОЖАР2", загорается светодиод "Пуск" и начинается обратный отсчет запуска СП
(рисунок Б.5.29).
| | ИС МЕГАНОРМ: примечание. Нумерация рисунков дана в соответствии с официальным текстом документа. | |
Рисунок Б.5.30 Состояние "ПОЖАР2" в А РЕЖИМЕ/Р РЕЖИМЕ.
При нажатии на кнопку "3" происходит останов пуска. ЦБКИ переходит в Р РЕЖИМ, загораются светодиоды "Останов пуска" и "Автоматика откл.". Для запуска СП вручную необходимо нажать кнопку "2"
(рисунок Б.5.31).
Рисунок Б.5.31 Останов пуска в А РЕЖИМЕ/Р РЕЖИМЕ.
При нажатии на кнопку "4" отключается зуммер и загорается светодиод "звук откл.". После запуска СП на экране ЦБКИ отображается состояние "СРАБОТАЛИ СП", загорается светодиод "ПУСК"
(рисунок Б.5.32).
Рисунок Б.5.32 Состояние "СРАБОТАЛИ СП" в А РЕЖИМЕ/Р РЕЖИМЕ.
После отработки СП светодиод "Пуск" гаснет. Если извещатель возвращается в состояние "НОРМА", то на ЦБКИ состояние "СРАБОТАЛИ СП" меняется на "ПОЖАР ПОТУШЕН", светодиод "Пожар" гаснет
(рисунок Б.5.33).
Рисунок Б.5.33 Состояние "ПОЖАР ПОТУШЕН" в А РЕЖИМЕ/Р РЕЖИМЕ.
Для включения КВЦ необходимо нажать кнопку "4". После включения КВЦ состояние на ЦБКИ меняется на "НОРМА"
(рисунок Б.5.34).
Рисунок Б.5.34 Состояние "НОРМА".
Если после пуска СП в контролируемом отсеке повторно срабатывает один или несколько извещателей, то на экране ЦБКИ отображается состояние "БЕЗ СП"
(рисунок Б.5.35).
Рисунок Б.5.35 Состояние "БЕЗ СП" в А РЕЖИМЕ/Р РЕЖИМЕ.
5.3. Аварийный пуск
В случае необходимости аварийного запуска всех СП вагона нужно нажать кнопку "АП". Далее с помощью кнопки "1" нужно выбрать вагон, в котором будет производиться аварийный пуск
(рисунок Б.5.36).
Рисунок Б.5.36 Состояние "АВАРИЙНЫЙ ПУСК".
После выбора вагона для активации всех СП нужно повторно нажать на кнопку "АП". Перед запуском СП автоматически отключается КВЦ
(рисунок Б.5.37).
Рисунок Б.5.37 Состояние "АКТИВАЦИЯ СП".
После запуска всех СП состояние ЦБКИ меняется с "АКТИВАЦИЯ СП" на "СРАБОТАЛИ СП"
(рисунок Б.5.38).
Рисунок Б.5.38 Состояние "АКТИВАЦИЯ СП".
5.4. Индикация неисправностей
Рисунок Б.5.39 Состояние "Обрыв ШПС".
Для принятия отказа необходимо нажать кнопку "1". При нажатии на кнопку "4" отключается зуммер. Для блокировки отказа необходимо нажать еще раз кнопку "1"
(рисунок Б.5.40).
Рисунок Б.5.40 Блокировка неисправности "Обрыв ШПС".
Рисунок Б.5.41 Состояние "КЗ ШПС".
Для принятия отказа необходимо нажать кнопку "1". При нажатии на кнопку "4" отключается зуммер. Для блокировки отказа необходимо нажать еще раз кнопку "1"
(рисунок Б.5.42).
Рисунок Б.5.42 Блокировка неисправности "КЗ ШПС".
Рисунок Б.5.43 Состояние "Обрыв СП".
Для принятия отказа необходимо нажать кнопку "1". При нажатии на кнопку "4" отключается зуммер. Для блокировки отказа необходимо нажать еще раз кнопку "1"
(рисунок Б.5.44).
Рисунок Б.5.44 Блокировка неисправности "Обрыв СП".
Рисунок Б.5.45 Состояние "КЗ СП".
Для принятия отказа необходимо нажать кнопку "1". При нажатии на кнопку "4" отключается зуммер. Для блокировки отказа необходимо нажать еще раз кнопку "1"
(рисунок Б.5.46).
Рисунок Б.5.46 Блокировка неисправности "КЗ СП".
Рисунок Б.5.47 Состояние "ПОТЕРЯ СВЯЗИ".
Рисунок Б.5.48 Состояние "ОТКАЗ ЛБК".
При нажатии на кнопку "СБРОС" происходит сброс всех устройств ПАК.
Б.6. Системы пожарной сигнализации
Системы комплексной безопасности модельного ряда "ПРИЗ-И" (далее - СКБ) предназначены для оборудования моторвагонного подвижного состава и тягового подвижного состава.
В зависимости от комплектации и назначения СКБ устанавливаются на МВПС в составе, определяемом из
таблицы Б.6.1:
система пожарной сигнализации;
система пожарно-охранной сигнализации;
система информационного обеспечения;
подсистема видеонаблюдения.
Комплексные системы транспортной безопасности модельного ряда "ПРИЗ-И" соответствуют комплектам конструкторской документации согласно
таблице Б.6.1:
Таблица Б.6.1
Наименование и исполнение | Децимальный номер |
Система пожарно-охранной сигнализации: | |
"ПРИЗ-О" | ДАЛР 27.00.00 |
"ССЗН-И" | ИС2.00.01 |
Система пожарно-охранной сигнализации и пожаротушения: "ПРИЗ-О-Л" | ДАЛР 58.00.00 |
Система пожарной сигнализации: "ПРИЗ" | ИС1.00.00 |
Система информационного обеспечения: | |
Аппаратура связи и оповещения "АСО УПКУ" | ДАЛР 66.00.00 |
Система индикации маршрута "СИМ" | ИС 19.00.00 |
Бегущая информационная строка "БИС" | ДАЛР 30.00.00 |
Подсистема видеонаблюдения "ПСВН" | ИС50.00.00 |
Блок резервного питания "БРП" | ДАЛР 64.00.00 |
При комплектовании систем пожарно-охранной сигнализации "ПРИЗ-О", "ССЗН-И", "ПРИЗ-О-Л" подсистемой видеонаблюдения "ПСВН" названия систем приобретают вид "ПРИЗ-О-В", "ССЗН-И-В", "ПРИЗ-О-ЛВ".
При комплектовании системы пожарно-охранной сигнализации "ПРИЗ-О" системой индикации маршрута "СИМ" и бегущей информационной строкой "БИС" название системы приобретает вид "ПРИЗ-О-ИМ-БИС".
Системы пожарно-охранной сигнализации "ПРИЗ-О", "ССЗН-И", "ПРИЗ-О-Л" обеспечивают совместную работу:
с комплексным локомотивным устройством безопасности "КЛУБУ". В "Шлюз CAN" передается информация о состоянии системы и состоянии тревоги для записи в путевой накопитель и последующей расшифровки;
с локомотивными радиостанциями "РВ-1М", "РВ-1.1М", "РВС-1". Подключение системы к радиостанции производится в соответствии с проектом Л207.00.00;
с подсистемами мониторинга. Подсистема мониторинга состояния подвижного объекта для определения собственных координат использует системы спутниковой навигации GPS, ГЛОНАСС. Подсистема позволяет отслеживать состояние подвижного объекта в диспетчерском (ситуационном) центре путем передачи координат подвижного объекта, текущего времени, кодов состояния охранных, противопожарных, диагностических и других систем. Передача обеспечивается посредством цифровых сетей связи общего пользования GSM, GlobalStar.
Аппаратура связи и оповещения "АСО УПКУ" обеспечивает совместную работу с "УСАВП". "АСО УПКУ" устанавливается на МВПС, взамен морально устаревшего "У-100".
Условия эксплуатации
Аппаратура СКБ предназначена для использования в условиях умеренного климата (исполнение У, категория размещения 2 по
ГОСТ 15150-69) для работы при:
температуре окружающей среды от минус 40 °C до 55 °C;
относительной влажности воздуха до 98% при температуре 25 °C;
атмосферном давлении 84 - 107 кПа (630 - 800 мм рт. ст.).
Система рассчитана для работы при вибрационных и ударных нагрузках по группе М25
ГОСТ 17516.1-90.
Режим работы - продолжительный.
Электропитание аппаратуры СКБ осуществляется напряжением от 35 до 170 В выпрямленного пульсирующего тока с возможным снижением напряжения до нуля на время не более 0,15 с, повышением напряжения до 600 В на время не более 0,15 с или выбросом напряжения до 1000 В на время не более 5 мкс.
1. Система пожарно-охранной сигнализации "ПРИЗ-О"
1.1. Назначение и основные функции системы
1.1.1. Система предназначена для автоматического обнаружения пожара по срабатыванию извещателей пожарных дыма и пламени и своевременной доставки информации, в виде речевых и визуальных сообщений, об обнаруженном событии с указанием места его возникновения.
1.1.2. Система осуществляет самодиагностику с предоставлением информации в виде речевых и визуальных сообщений об обнаруженных неисправностях.
1.1.3. Система осуществляет охрану пассажирских дверей, дверей кабины машиниста и крышек ящиков устройств автоматического пожаротушения в вагонах электропоезда.
1.1.4. Система осуществляет запись и хранение в энергонезависимом запоминающем устройстве произошедших событий с указанием года, месяца, числа, времени с возможностью последующего считывания и расшифровки.
1.1.5. Система, в модификации "ПРИЗ-О-В", осуществляет управление подсистемой видеонаблюдения "ПСВН" при обнаружении тревожного события (пожар, вскрытие вагона, вскрытие кабины машиниста).
1.1.6. Система работает в следующих режимах:
"Маршрут" - речевое сообщение воспроизводится в кабину машиниста для оповещения поездной бригады о возникновении тревожного события (пожар, неисправности шлейфов пожарной сигнализации, неисправности контроллеров вагонных, вскрытие ящиков устройства автоматического пожаротушения) во время следования электропоезда на маршруте;
"Отстой внутренний" - речевое сообщение воспроизводится в кабину машиниста и в салоны электропоезда аппаратурой связи и оповещения "АСО УПКУ" (системами оповещения "ТОН", "СОНАТА-М" и так далее) для оповещения поездной бригады, обслуживающего персонала при возникновении тревожного события во время осмотра в депо, во время уборки и осмотра в пунктах оборота;
"Отстой внешний" - речевое сообщение о тревожном событии (пожар, разряд аккумуляторной батареи) доставляется через локомотивную радиостанцию электропоезда дежурному по депо в "УКВ-диапазоне" на установленной частоте;
"Охрана в отстое" - речевое сообщение о тревожном событии (пожар, несанкционированный доступ в дизель- и электропоезд, разряд аккумуляторной батареи) доставляется через локомотивную радиостанцию дизель- и электропоезда дежурному по депо в "УКВ-диапазоне" на установленной частоте;
"Хвостовой" - неактивный режим работы контроллера головного вагона в хвостовом вагоне;
"Технологический" - режим предназначен для задания и корректировки: даты, времени, номера поезда и для считывания информации, хранящейся в энергонезависимой памяти контроллера головного вагона.
Время в системе - "Московское".
Система выпускается в двух модификациях, различающихся конструктивным исполнением контроллеров головного вагона в соответствии с требованиями заказчика. Лицевые панели контроллеров приведены на
рисунке Б.6.1 и
Б.6.2.
1.2. Состав системы.
1.2.1. Контроллер головного вагона (далее - КГВ) устанавливается в каждом головном вагоне и предназначен для управления системой и внешними устройствами (аппаратурой связи и оповещения, локомотивной радиостанцией).
1.2.2. Контроллер вагона (далее - КВ) устанавливается в каждом вагоне и предназначен для контроля состояния шлейфа пожарной сигнализации (далее - ШПС), шлейфа охранной сигнализации (далее - ШОС), шлейфа ящика устройства автоматического пожаротушения (далее - ШУАП).
1.2.2.1. ШПС прокладывается в каждом вагоне. Выполнен по двухпроводной схеме с подключением извещателей пожарных (далее - ИП) дыма и пламени. Количество ИП и места их установки определяются проектной документацией на конкретный тип поезда. На розетке последнего ИП установлен резистор для контроля целостности шлейфа.
1.2.2.2. ШОС прокладывается в каждом вагоне с использованием свободной контактной пары концевых выключателей блокировок пассажирских дверей. Отдельно прокладывается ШОС для дверей кабины машиниста с установкой дополнительных концевых выключателей.
1.2.2.3. ШУАП прокладывается в каждом вагоне и предназначен для подключения концевого выключателя под крышкой ящика УАП к КВ.
1.2.3. Согласующее устройство (далее - СУ) включается между КГВ и локомотивной радиостанцией, обеспечивает гальваническую развязку по цепям управления и модуляции между выходом КГВ и разъемом "ТУ-ТС" радиостанции.
1.2.4. Кнопка "Сброс-Повтор" устанавливается в кабине машиниста и предназначена для проверки сообщения о состоянии ШПС, ШОС и ШУАП.
1.2.5. Автоматические выключатели напряжения питания КГВ и КВ устанавливаются для каждого КГВ и КВ.
1.2.6. Комплект кабелей предназначен для подключения КГВ и КВ к поездным электроцепям.
1.3. Работа системы.
1.3.1. Система работает непосредственно от аккумуляторных батарей электропоезда через собственные автоматические выключатели. На электропоездах выполнена посекционная схема организации питания: на моторные вагоны питание передается по межвагонному соединению с головных и прицепных вагонов. На дизель-поездах схема организации электропитания зависит от типа поезда и указывается в соответствующей проектной документации.
1.3.2. Система представляет собой локальную сеть на основе выделенной линии связи (экранированная "витая пара"), по которой происходит обмен информацией между КГВ и КВ. Управление системой осуществляется посредством КГВ в головном вагоне, включенном в один из активных режимов: "Маршрут", "Отстой внутренний", "Отстой внешний", "Охрана в отстое". КГВ в хвостовом вагоне должен быть установлен в режим работы "Хвостовой".
1.3.2.1. После включения питания КГВ автоматически устанавливается в режим "Хвостовой". Выбор режима работы осуществляется нажатием соответствующей кнопки на лицевой панели КГВ. При этом на лицевой панели КГВ включается индикация с отображением выбранного режима и звучит речевое сообщение в кабине машиниста, например: "Система готова к работе в режиме Маршрут".
1.3.2.2. После включения активного режима работы КГВ производит адресный опрос подключенных КВ. Результат опроса (последовательное отображение номеров ответивших КВ, соответствующих номерам вагонов в поезде, и затем их итоговое количество) высвечивается на индикаторной панели КГВ и запоминается в его памяти. В дальнейшем КГВ производит периодический опрос КВ о состоянии контролируемых цепей (ШПС, ШОС, ШУАП). При определении тревожного события ("пожар", "обрыв", "короткое замыкание", "вскрытие вагона", "вскрытие кабины машиниста", "вскрытие ящика УАП", "разряд АБ") КВ формирует соответствующую ответную посылку.
1.3.2.3. В режиме "Маршрут" при получении ответной посылки, содержащей информацию о тревожном событии ("пожар", "обрыв", "короткое замыкание", "вскрытие ящика УАП") КГВ формирует речевое сообщение для воспроизведения в кабине машиниста с отображением события световой индикацией на лицевой панели.
1.3.2.4. В режиме "Отстой внутренний" при получении ответной посылки, содержащей информацию о тревожном событии ("пожар", "обрыв", "короткое замыкание", "вскрытие ящика УАП"), КГВ формирует речевое сообщение и управляющий сигнал для включения аппаратуры связи и оповещения. Сообщение воспроизводится по громкоговорящему оповещению.
1.3.2.5. В режиме "Отстой внешний" при получении ответной посылки, содержащей информацию о тревожном событии ("пожар", "вскрытие вагона", "вскрытие кабины машиниста", "разряд АБ") КГВ формирует речевое сообщение, подает на радиостанцию аварийное электропитание и вместе с СУ формирует модуляционный и управляющие сигналы для включения радиостанции.
1.3.3. Условиями обнаружения тревожного сообщения считаются:
По ШПС (при напряжении питания ШПС (21 +/- 3) В ток в шлейфе от 1,2 до 4,0 мА, соответствует дежурному состоянию):
ток в шлейфе от 4 до 100 мА соответствует событию "пожар";
ток в шлейфе меньше 1,2 мА соответствует событию "обрыв";
ток в шлейфе больше 100 мА соответствует событию "короткое замыкание".
По ШОС - размыкание/замыкание нормально замкнутой/разомкнутой пары контактов на время не менее 1 секунды.
По ШУАП - размыкание/замыкание нормально замкнутой/разомкнутой пары контактов на время не менее 1 секунды.
По контролю разряда АБ - снижение напряжения батареи до уровня (35,0 +/- 2,5) В или (77 +/- 3) В в зависимости от величины номинального напряжения бортовой сети МВПС: 50 или 110 В соответственно.
1.3.4. В случае, если КВ не отвечает на запрос КГВ в течение заданного времени, КГВ формирует речевое сообщение об отказе КВ.
1.3.5. На боковой стенке КВ расположены светодиоды, индицирующие состояние контролируемых цепей вагона:
1.3.5.1. Светодиод "Шлейф" - индицирует состояние ШПС вагона:
1 секунду включен, 1 секунду выключен - дежурное состояние ШПС;
0,5 секунды включен, 0,5 секунды выключен - событие "пожар";
5 секунд включен, 1 секунду выключен - "короткое замыкание" ШПС;
1 секунду включен, 5 секунд выключен - событие "обрыв" ШПС.
1.3.5.2. Светодиод "Охрана" - индицирует состояние ШОС вагона:
включен постоянно - сработала охранная сигнализация;
выключен - охранная сигнализация в дежурном состоянии.
1.3.5.3. Светодиод "ОБМЕН" - индицирует обмен информацией между КГВ и КВ:
включен постоянно - прием - передача информации не производятся;
мигает - показывает осуществление приема - передачи информации.
1.3.5.4. Светодиод "УАП" - индицирует состояние ящика УАП вагона:
включен постоянно - открыт ящик УАП;
выключен - закрыт ящик УАП.
2. Система пожарно-охранной сигнализации "ССЗН-И"
2.1. Назначение и основные функции системы
2.1.1. Система предназначена для автоматического обнаружения пожара по срабатыванию извещателей пожарных дыма и пламени и своевременной доставки информации, в виде речевых и визуальных сообщений, об обнаруженном событии с указанием места его возникновения.
2.1.2. Система осуществляет самодиагностику с предоставлением информации в виде речевых и визуальных сообщений об обнаруженных неисправностях.
2.1.3. Система осуществляет охрану пассажирских дверей, дверей кабины машиниста и крышек ящиков устройств автоматического пожаротушения в вагонах электропоезда.
2.1.4. Система обеспечивает запись в энергонезависимое запоминающее устройство и хранение сообщений о зарегистрированных событиях с указанием даты и времени события и возможностью последующего считывания и расшифровки информации.
2.1.5. Система осуществляет контроль электрических цепей поездной диагностики с предоставлением информации, в виде речевых и визуальных сообщений по запросу поездной бригады.
2.1.6. Система, в модификации "ССЗН-И-В", осуществляет управление подсистемой видеонаблюдения "ПСВН" при обнаружении тревожного события (пожар, вскрытие вагона, вскрытие кабины машиниста, нажатие кнопки вызов переговорного устройства "пассажир-машинист", открывание дверей посадки-высадки).
2.1.7. Система обеспечивает управление системой индикации маршрута "СИМ", автоматизированную или по команде машиниста выдачу на бегущую информационную строку "БИС" текстовой информации и речевой информации через аппаратуру связи и оповещения "АСО УПКУ" (системы оповещения "ТОН", "СОНАТА-М" и так далее) пассажирам поезда.
2.1.8. Режимы работы система аналогичны системы "ПРИЗ-О" (см.
п. 1.1.6).
2.2. Состав системы
2.2.1. Блок контроля и управления (далее - БКУ) устанавливается в каждом головном вагоне. Предназначен для автоматического управления системой и внешними устройствами (аппаратурой связи и оповещения, локомотивной радиостанцией, системой индикации маршрута, бегущей информационной строкой, подсистемой видеонаблюдения, кондиционером).
2.2.2. Блок управления и индикации (далее - БУИ). Устанавливается в каждом головном вагоне вместе с БКУ. Предназначен для отображения информации о состоянии системы и обеспечивает управление системой оператором. Лицевая панель БУИ приведена на
рисунке Б.6.3.
"01", "02", "10" - количество ответивших ПКПИ; "01П" - знак
"П" показывает пожар в первом вагоне; "04о" - знак "о"
показывает обрыв ШПС в четвертом вагоне
Рисунок Б.6.3. Лицевая панель БУИ.
2.2.3. Прибор контроля и передачи информации (далее - ПКПИ) устанавливается в каждом вагоне. Предназначен для контроля за состоянием шлейфа пожарной сигнализации (далее - ШПС), шлейфа охранной сигнализации (далее - ШОС), шлейфа ящика устройства автоматического пожаротушения (далее - ШУАП), цепей поездной диагностики.
2.2.3.1. ШПС прокладывается в каждом вагоне и выполняется по двухпроводной схеме с подключением извещателей пожарных (далее - ИП) дыма и пламени. Количество ИП и места их установки определяются проектной документацией на конкретный тип поезда. На розетке последнего ИП установлен резистор для контроля целостности шлейфа.
2.2.3.2. ШОС прокладывается в каждом вагоне с использованием свободной контактной пары концевых выключателей блокировок пассажирских дверей. Отдельно прокладывается ШОС для дверей кабины машиниста с установкой дополнительных концевых выключателей.
2.2.3.3. ШУАП прокладывается в каждом вагоне и выполнен с подключением концевого выключателя под крышкой ящика УАП.
2.2.3.4. К цепям поездной диагностики ПКПИ подключается через отсекающие диодные шунты.
2.2.4. Согласующее устройство (далее - СУ). Включается между БУИ и локомотивной радиостанцией, обеспечивает гальваническую развязку по цепям управления и модуляции между выходом БУИ и разъемом "ТУ-ТС" радиостанции.
2.2.5. Кнопки "СИО", "Запрос", "Повтор". Устанавливаются в кабине машиниста.
2.2.5.1. Кнопка "СИО" предназначена для запуска информационного сообщения, хранящегося в памяти БКУ, для воспроизведения аппаратурой связи и оповещения и бегущей информационной строкой.
2.2.5.2. Кнопка "Запрос" предназначена для вывода на дисплей БУИ визуальных сообщений о состоянии цепей поездной диагностики, сопровождающихся речевыми сообщениями.
2.2.5.3. Кнопка "Повтор" предназначена для проверки сообщения о состоянии ШПС, ШОС, шлейфа ящика УАП.
2.2.6. Автоматические выключатели напряжения питания БКУ и ПКПИ. Устанавливаются для каждого БКУ и ПКПИ.
2.2.7. Комплект кабелей. Предназначен для подключения системы к поездным цепям, радиостанции, аппаратуре связи и оповещения и подключения БУИ к БКУ.
2.3. Работа системы
2.3.1. Система работает непосредственно от аккумуляторных батарей электропоезда через собственные автоматические выключатели. На электропоездах выполнена посекционная схема организации питания: на моторные вагоны питание передается по межвагонному соединению с головных и прицепных вагонов. На дизель-поездах схема организации электропитания зависит от типа поезда и указывается в соответствующей проектной документации.
2.3.2. Система представляет собой локальную сеть на основе выделенной линии связи (экранированная "витая пара"), по которой происходит обмен информацией между БКУ и ПКПИ. Управление системой осуществляется посредством БКУ и БУИ в головном вагоне, включенном в один из активных режимов: "Маршрут", "Отстой внутренний", "Отстой внешний", "Охрана в отстое". БКУ в хвостовом вагоне должен быть установлен в режим работы "Хвостовой".
2.3.2.1. После включения питания и начальной загрузки БКУ на дисплей БУИ выводится меню выбора режима работы. Выбор осуществляется нажатием соответствующей кнопки на клавиатуре БУИ. Дальнейшая работа с системой производится в диалоговом режиме. Оператору следует выполнять команды, отображаемые на дисплее БУИ, и руководствоваться эксплуатационной документацией.
2.3.2.2. После включения активного режима работы БУИ производит адресный опрос подключенных ПКПИ. Результат опроса (отображение номеров ответивших ПКПИ, соответствующих номерам вагонов в поезде) высвечивается на дисплее БУИ и запоминается в памяти БКУ. В дальнейшем БКУ производит периодический опрос ПКПИ о состоянии контролируемых цепей (ШПС, ШОС, шлейф ящика УАП). При определении тревожного события ("пожар", "обрыв", "короткое замыкание", "вскрытие вагона", "вскрытие кабины машиниста", "вскрытие ящика УАП", "разряд АБ") ПКПИ формирует соответствующую ответную посылку.
2.3.2.3. В режиме "Маршрут" при получении ответной посылки, содержащей информацию о тревожном событии ("пожар", "обрыв", "короткое замыкание", "вскрытие ящика УАП") БКУ формирует речевое сообщение для воспроизведения в кабине машиниста с отображением события на дисплее БУИ.
2.3.2.4. В режиме "Отстой внутренний" при получении ответной посылки, содержащей информацию о тревожном событии ("пожар", "обрыв", "короткое замыкание", "вскрытие ящика УАП"), БКУ формирует речевое сообщение и управляющий сигнал для включения аппаратуры связи и оповещения. Сообщение воспроизводится по громкоговорящему оповещению.
2.3.2.5. В режиме "Отстой внешний" при получении ответной посылки, содержащей информацию о тревожном событии ("пожар", "вскрытие вагона", "вскрытие кабины машиниста", "разряд АБ") БКУ формирует речевое сообщение, подает на локомотивную радиостанцию аварийное электропитание и вместе с СУ формирует модуляционный и управляющие сигналы для включения радиостанции.
2.3.3. Условиями обнаружения тревожного сообщения считаются:
По ШПС (при напряжении питания ШПС (21 +/- 3) В ток в шлейфе от 1,2 до 4,0 мА, соответствует дежурному состоянию):
ток в шлейфе от 4 до 100 мА соответствует событию "пожар";
ток в шлейфе меньше 1,2 мА соответствует событию "обрыв";
ток в шлейфе больше 100 мА соответствует событию "короткое замыкание".
По ШОС - размыкание/замыкание нормально замкнутой/разомкнутой пары контактов на время не менее 1 секунды.
По ШУАП - размыкание/замыкание нормально замкнутой/разомкнутой пары контактов на время не менее 1 секунды.
По контролю разряда АБ - снижение напряжения батареи МВПС до 30% от номинального.
По цепям поездной диагностики - наличие сигнала неисправности цепи в течение времени не менее 3 секунд.
2.3.4. В случае, если ПКПИ не отвечает на запрос БКУ в течение заданного времени, БКУ формирует речевое сообщение об отказе ПКПИ.
2.3.5. На лицевой панели ПКПИ расположены светодиоды, индицирующие состояние контролируемых цепей вагона:
2.3.5.1. Светодиод "Шлейф" - индицирует состояние ШПС вагона:
1 секунду включен, 1 секунду выключен - дежурное состояние ШПС;
0,5 секунды включен, 0,5 секунды выключен - событие "пожар";
5 секунд включен, 1 секунду выключен - "короткое замыкание" ШПС;
1 секунду включен, 5 секунд выключен - событие "обрыв" ШПС.
2.3.5.2. Светодиод "ОБМЕН" - индицирует обмен информацией между БКУ и ПКПИ:
выключен постоянно - прием - передача информации не производятся;
мигает - показывает осуществление приема - передачи информации.
3. Система пожарно-охранной сигнализации и пожаротушения
"ПРИЗ-О-Л" для головных вагонов дизель-поездов
3.1. Назначение и основные функции системы
3.1.1. Система предназначена для автоматического обнаружения пожара по срабатыванию извещателей пожарных дыма и тепловых и своевременной доставки информации, в виде речевых и визуальных сообщений, об обнаруженном событии с указанием места его возникновения.
3.1.2. Система осуществляет самодиагностику с предоставлением информации в виде речевых и визуальных сообщений об обнаруженных неисправностях.
3.1.3. Система обеспечивает управление быстродействующим выключателем, установкой автоматического пожаротушения с включением световых предупредительных табло при обнаружении пожара в отстое.
3.1.4. Система осуществляет охрану дверей дизель-поезда (далее - ДП) и крышек ящиков установки автоматического пожаротушения.
3.1.5. Система обеспечивает запись в энергонезависимое запоминающее устройство и хранение сообщений о зарегистрированных событиях с указанием даты и времени события и возможностью последующего считывания и расшифровки информации.
3.1.6. Система, в модификации "ПРИЗ-О-Л-В" осуществляет управление подсистемой видеонаблюдения "ПСВН" при обнаружении тревожного события (пожар, вскрытие ДП).
3.1.7. Система осуществляет контроль за состоянием датчиков перегрева колесных букс.
3.1.8. Система работает в следующих режимах:
"Маршрут" - речевое сообщение воспроизводится в кабину машиниста для оповещения бригады о возникновении тревожного события ("пожар", неисправности шлейфов пожарной сигнализации, неисправности шлейфов генераторов огнетушащего аэрозоля, вскрытие ящиков установки автоматического пожаротушения) во время следования ДП на маршруте;
"Отстой" - речевое сообщение о тревожном событии ("пожар", "разряд аккумуляторной батареи", "включение установки автоматического пожаротушения") доставляется через локомотивную радиостанцию ДП дежурному по депо в "УКВ-диапазоне" на установленной частоте.
Система работает с локомотивными радиостанциями "РВ-1М", "РВ1.1М", "РВС-1". Подключение системы к радиостанции производится в соответствии с проектом Л207.00.00.
"Охрана в отстое" - речевое сообщение о тревожном событии ("пожар", "вскрытие ДП", "разряд аккумуляторной батареи", "включение установки автоматического пожаротушения") доставляется через локомотивную радиостанцию ДП дежурному по депо в "УКВ-диапазоне" на установленной частоте.
"Технологический" - режим предназначен для инициализации системы, корректировки: даты, времени, номера ДП и для считывания информации, хранящейся в энергонезависимой памяти блока управления и информации.
Время в системе - "Московское".
3.2. Состав системы
3.2.1. Блок управления и информации (далее - БУИ) устанавливается в каждой кабине ДП. Предназначен для:
управления системой и внешними устройствами (локомотивной радиостанцией, быстродействующим выключателем, установкой автоматического пожаротушения (далее - УАП), световыми предупредительными табло подсистемой видеонаблюдения);
контроля за состоянием шлейфов пожарной сигнализации (далее - ШПС), шлейфа охранной сигнализации (далее - ШОС), шлейфов генераторов огнетушащего аэрозоля (далее - ГОА), шлейфа крышек ящиков установки автоматического пожаротушения, датчиков перегрева колесных букс.
3.2.2. ШПС прокладывается в каждом защищаемом помещении ДП: кабине машиниста, машинном отделении, высоковольтной камере, технологическом проходе. ШПС выполнены по двухпроводной схеме с подключением извещателей пожарных (далее ИП) дыма и тепловых. Количество ИП и места их установки определяются проектной документацией на конкретный тип ДП. На розетке последнего ИП каждого ШПС установлен оконечный резистор для контроля целостности шлейфа.
3.2.3. ШОС прокладывается для всех входных дверей ДП с установкой дополнительных концевых выключателей.
3.2.4. ШУАП предназначен для соединения концевого выключателя под крышкой ящика УАП с БУИ.
3.2.5. Согласующее устройство (далее СУ) включается между БУИ и локомотивной радиостанцией, обеспечивает гальваническую развязку по цепям управления и модуляции между выходом БУИ и разъемом "ТУ-ТС" радиостанции.
3.2.6. Кнопка "Повтор" предназначена для проверки речевого сообщения при обнаружении тревожного события ("пожар", неисправности шлейфов пожарной сигнализации, неисправности шлейфов генераторов огнетушащего аэрозоля, вскрытие ящиков установки автоматического пожаротушения). Устанавливается в кабине машиниста.
3.2.7. Выносной громкоговоритель предназначен для воспроизведения речевого сообщения, сформированного БУИ. Устанавливается в кабине машиниста.
3.2.8. Автоматический выключатель напряжения питания БУИ предназначен для переключения питания с бортовой сети на автономное питание.
3.2.9. Комплект кабелей предназначен для подключения БУИ к электроцепям, радиостанции и УАП.
3.3. Работа системы
3.3.1. Система работает непосредственно от аккумуляторных батарей ДП через собственный автоматический выключатель.
3.3.2. При работе в системе более одного БУИ, система представляет собой локальную сеть на основе выделенной линии связи (экранированная "витая пара"), по которой происходит обмен информацией между БУИ, подключенными к сети.
3.3.3. При нарушении связи между БУИ и сетью, БУИ автоматически переключаются в автономный режим работы. При этом каждый БУИ функционирует в полном объеме по контролируемым цепям. На дисплее БУИ, потерявшего связь, периодически высвечивается предупреждение "НЕТ СВЯЗИ".
3.3.4. Выбор режима работы "Маршрут" производится установкой переключателя "МАРШРУТ"/"ОТСТОЙ" на лицевой панели БУИ в положение "МАРШРУТ". Если один из БУИ, подключенных к сети, не установлен в режим "Маршрут", то на дисплеях БУИ отображается признак "Я НЕ ОДИН", предупреждающий о необходимости переключения режима работы всех БУИ в требуемый режим.
3.3.4.1. После получения сигнала об аварийном событии по любому контролируемому каналу БУИ выдает речевое (посредством выносного громкоговорителя) и визуальное (на встроенном дисплее) сообщения с указанием характера события и места его обнаружения: номера дизельного вагона (1-ый или 2-ой) и наименования помещения (кабина машиниста, машинное отделение, высоковольтная камера);
Речевое и визуальное сообщения дублируются каждым БУИ, подключенным к сети.
После выдачи сообщения БУИ блокируется по данному сообщению до нажатия кнопки выносной ПОВТОР.
3.3.4.2. При нажатии и удержании кнопки "ПОВТОР", на время не менее 1,5 секунд, БУИ проводит повторный анализ состояния контролируемых цепей и, в случае подтверждения тревожного события, повторяет речевое сообщение. Сообщение на дисплее сохраняется до устранения события.
3.3.5. Выбор режима работы "ОТСТОЙ" производится установкой переключателя "МАРШРУТ"/"ОТСТОЙ" на лицевой панели всех, подключенных к сети БУИ в положение "ОТСТОЙ". Если все двери МВПС закрыты и шлейфы охранной сигнализации в рабочем состоянии, то на дисплее высвечивается предложение ввести пароль в виде: ПАРОЛЬ 0000. Нажатие кнопки "ВВОД" без набора кода пароля включает заданный режим.
3.3.5.1. Включение режима работы "Охрана в отстое". После высвечивания признака ПАРОЛЬ 0000 кнопками "вправо" и "вверх" БУИ набирается 4-значная кодовая комбинация (пароль), набираемое значение отображается на дисплее. После набора пароля кнопкой "ВВОД" производится его запись.
Для постановки на охрану и снятия с охраны необходимо пользоваться эксплуатационной документацией.
3.3.5.2. В режиме "Отстой" ("Охрана в отстое") при определении тревожного события ("пожар", "вскрытие ДП", "включение автоматического пожаротушения", "разряд АБ") БУИ формирует речевое сообщение, подает на локомотивную радиостанцию аварийное электропитание и вместе с СУ формирует модуляционный и управляющие сигналы для включения радиостанции.
3.3.5.3. В режиме "Отстой" ("Охрана в отстое") при определении события "пожар" по срабатыванию двух или более дымовых ИП или одного теплового ИП, БУИ включает предупредительные табло: "ГАЗ - УХОДИ", "ПОЖАР, ГАЗ - НЕ ВХОДИТЬ" и выдает команду на управление БВ. Через 30 секунд БУИ автоматически включает УАП и одновременно включает табло "АВТОПУСК ВКЛЮЧЕН". По радиоканалу передается речевое сообщение типа: "Внимание! В дизель-поезде два-три-пять включено автоматическое пожаротушение!".
3.3.5.4. При нарушении связи между БУИ и сетью информация в радиоканал поступает только с того БУИ, к которому подключена локомотивная радиостанция.
3.3.6. Условиями обнаружения тревожного сообщения считаются:
3.3.6.1. По ШПС (при напряжении питания ШПС (21 +/- 3) В ток в шлейфе от 1,2 до 4,0 мА, соответствует дежурному состоянию):
ток в шлейфе от 4 до 100 мА соответствует событию "пожар";
ток в шлейфе меньше 1,2 мА соответствует событию "обрыв";
ток в шлейфе больше 100 мА соответствует событию "короткое замыкание".
3.3.6.2. По ШОС - размыкание нормально замкнутой пары контактов на время не менее 1,5 секунды.
3.3.6.3. По ШУАП - размыкание нормально замкнутой пары контактов на время не менее 1,5 секунды.
3.3.6.4. По контролю разряда АБ - снижение напряжения батареи ДП до 30% от номинального.
4. Аппаратура связи и оповещения "АСО УПКУ"
4.1. Назначение аппаратуры.
Аппаратура связи и оповещения (далее - УПКУ) предназначена для организации в дизель- и электропоездах:
громкоговорящего оповещения пассажиров;
оперативной связи пассажир - машинист;
служебных переговоров машиниста с удаленной кабиной.
4.2. Состав аппаратуры.
4.2.1. Усилитель и переговорно-коммутационное устройство УПКУ предназначен для организации переговоров машиниста с пассажирами и удаленной кабиной, дизель и электропоезда (далее - поезда). УПКУ включает в себя: источник питания; коммутатор внешних источников и микрофонов; усилитель оповещения для передачи звуковых сигналов в трансляционную линию поезда; усилитель связи для приема сигналов от переговорного устройства и удаленной кабины.
4.2.2. Манипулятор кабины электропоезда (далее - МНП) предназначен для передачи оперативных сообщений машиниста. МНП включает в себя микрофон и коммутатор, предназначенный для включения микрофона и изменения направления передачи в трансляционную линию или в удаленную кабину.
4.2.3. Переговорное устройство вагона (далее - ПУ) предназначено для передачи оперативных сообщений пассажиров машинисту поезда. ПУ включает в себя микрофон и коммутатор - для подключения ПУ к УПКУ.
4.2.4. Пульт предназначен для подключения МНП в кабине машиниста и в шкафу служебного тамбура.
4.2.5. Устройство подключения предназначено для соединения составных частей аппаратуры и подключения к цепям электропоезда.
4.3. Работа аппаратуры.
4.3.1. На блок УПКУ подается напряжения питания постоянного тока от бортовой сети поезда. Наличие поданного напряжения индицируется светодиодами около соответствующего разъема УПКУ.
4.3.2. Для передачи сообщений пассажирам поезда необходимо нажать кнопку "О" (оповещение) на МНП. УПКУ имеет регулятор уровня громкости оповещения пассажиров, который выведен на боковую панель УПКУ с обозначением "О".
4.3.3. Для передачи сообщений машиниста в удаленную кабину необходимо нажать кнопку "С" (связь) на МНП. УПКУ имеет регулятор уровня громкости связи, который выведен на боковую панель УПКУ с обозначением "С".
4.3.4. Для передачи сообщений пассажиров машинисту поезда служат ПУ, установленные в каждом вагоне. Ответ машиниста может быть передан на громкоговорители оповещения при нажатии кнопки "О" МНП. Таким образом, обеспечивается возможность ведения переговоров пассажир - машинист.
5. Система индикации маршрута "СИМ"
5.1. Назначение системы.
Система предназначена для использования в качестве маршрутных указателей на дизель- и электропоездах для замены морально устаревших маршрутных транспарантов.
5.2. Состав системы:
информационное табло поезда (далее ИТП), устанавливаются за лобовыми или боковыми стеклами кабины машиниста;
пульт управления ИТП (далее ПУ-ИТП);
комплект кабелей.
5.3. Работа системы.
5.3.1. На ИТП выводится название пункта прибытия (отправления) с ПУ-ИТП, из долговременного банка надписей, хранящегося в ПУ-ИТП, или набранного на клавиатуре ПУ-ИТП нового названия станции прибытия (отправления).
5.3.2. При включении освещения салонов поезда (в темное время суток) на ИТП включается подсветка для функционирования светоотражающих покрытий элементов (пикселей), формирующих знакоместа ИТП.
6. Бегущая информационная строка "БИС".
6.1. Назначение.
Бегущая информационная строка предназначена для предоставления пассажирам текстовой информации (маршрутной, служебной, рекламной и другой).
6.2. Состав:
информационное табло вагона (далее ИТВ), устанавливаются в салонах вагонов;
пульт управления ИТВ (далее ПУ-ИТВ);
кабель ПУ-ИТВ.
6.3. Работа.
6.3.1. На ИТВ выводится информация, хранящаяся в памяти ПУ-ИТВ, в автоматическом или по командам оператора режимах.
6.3.2. Информация для воспроизведения "БИС" подготавливается на персональном компьютере в любом текстовом редакторе и переносится в память ПУ-ИТВ.
6.3.3. При использовании "БИС" с системой пожарно-охранной сигнализации "ССЗН-И" поставка ПУ-ИТВ не требуется.
7. Подсистема видеонаблюдения "ПСВН"
7.1. Назначение подсистемы.
7.1.1. Подсистема предназначена для оперативного наблюдения за обстановкой в контролируемых помещениях МВПС и зонах вне помещений.
7.2. Основные функции подсистемы.
7.2.1. Подсистема обеспечивает вывод на монитор текущего изображения от видеокамер до 8-ми штук на вагон. Изображение на монитор выводится в автоматическом, ручном режимах и по тревожным событиям.
7.2.2. Подсистема обеспечивает запись и хранение видеоинформации в объеме, определяемым видеонакопителем (видеорегистратором). Запись в видеонакопитель производится по кольцу, линейно, с предзаписью по событиям.
7.2.3. Подсистема обеспечивает просмотр записанной информации с различными скоростями и сохранением фрагментов и фото.
7.2.4. Подсистема обеспечивает разграничение доступа по трем уровням: просмотр, доступ к архиву, доступ к настройкам.
8. Блок резервного питания "БРП"
8.1. Назначение блока.
БРП предназначен для обеспечения электропитания систем пожарно-охранной сигнализации от встроенной в БРП аккумуляторной батареи в случае аварийного отключении бортового питания.
8.2. Основные характеристики блока.
8.2.1. БРП работает при номинальном значении бортовой сети: 50В, 75В, 110В. Условием переключения на резервную аккумуляторную батарею считается снижение бортового напряжения питания до предельно-допустимого уровня:
(35 +/- 2,5) В, при номинальном напряжении бортовой сети 50 В;
(53 +/- 3) В, при номинальном напряжении бортовой сети 75 В;
(90 +/- 5) В, при номинальном напряжении бортовой сети 110 В.
8.2.2. Номинальное выходное напряжение резервной аккумуляторной батареи БРП 48 В.
8.2.3. При переключении подключенной системы на электропитание от резервной аккумуляторной батареи БРП обеспечивает бесперебойную работу систем в течение 24 ч.
8.2.4. БРП имеет защиту по выходу и входу от короткого замыкания и режима холостого хода.
9. Меры безопасности
9.1. Работы должны осуществляться в полном соответствии с
ПТЭЭП, с напряжением до 1000 В.
9.2. Все работы по монтажу и ремонту систем должны выполняться при отключенном питании и отключенных разъемах.
9.3. Техническое обслуживание и ремонт систем должно выполняться подготовленным (обученным) персоналом.
9.4. Внимание! Включение в состав электропоезда, оборудованного определенной модификацией системы "ПРИЗ-И", вагонов, не оборудованных системой пожарной сигнализации, или оборудованных системами других модификаций, может приводить к неработоспособности системы или выходу из строя отдельных агрегатов системы.
Б.7. "Система автоматического обнаружения и тушения пожара"
ТЯИЛ.425358.021
"Система автоматического обнаружения и тушения пожара" ТЯИЛ.425358.021, предназначенное для оснащения электропоездов производства ООО "Уральские локомотивы".
| | ИС МЕГАНОРМ: примечание. Нумерация пунктов дана в соответствии с официальным текстом документа. | |
1.1. Принятые сокращения
САОТП - Система автоматического обнаружения и тушения пожара;
ПКИ - Панель контроля и индикации ТЯИЛ.466210.003 и ее исполнения;
КВ - Контроллер вагона;
МАП - Модуль автономного питания ТЯИЛ.563341.001 и его исполнения;
ИЛТ - Извещатель линейный тепловой ТЯИЛ.425212.003 и его исполнения;
ИП - Извещатели пожарные адресно-аналоговые;
УПТ - Установки пожаротушения;
МПСУиД - Микропроцессорная поездная система управления и диагностики;
ТО - Техническое обслуживание;
1.2. Назначение САОТП:
автоматическое обнаружение признаков пожара в местах размещения ИП и ИЛТ;
автоматическое включение УПТ в зонах, в которых отсутствуют пассажиры и обслуживающий персонал (технические зоны);
звуковое и световое оповещение поездной бригады о наличии признаков пожара и неисправностях;
передача информации о наличии признаков пожара и неисправностях в МПСУиД.
1.3. Состав САОТП.
В состав САОТП должны входить следующие составные части:
КВ;
ПКИ и ее исполнения, отличающиеся цветом лицевой панели;
ИП: ИП212-200, ИП212/101-200-A1R, ИП101-201-A1, ИП101-202-B, ИП101-200-A1R и их исполнения, отличающиеся цветом;
Базовое основание В501АР для установки ИП и его исполнения (далее - базовое основание), отличающиеся цветом;
ИЛТ и его исполнения, отличающиеся длиной;
МАП и его исполнение, отличающееся способом крепления;
УПТ: МЭЗ-1191.000, МЭЗ-1192.000, МЭЗ-1193.000, МЭЗ-1194.000 и их исполнения, отличающиеся комплектом монтажных частей УПТ;
Кронштейн для крепления ИП и его исполнения, отличающиеся цветом.
1.4. Требования к параметрам и характеристикам.
1.4.1. Конструкция САОТП должна обеспечивать:
работоспособность при формировании электропоезда по системе многих единиц, при этом: количество электропоездов - не более двух, количество вагонов в каждом из электропоездов - не более 10;
обнаружение признаков пожара (на ИП, ИЛТ) по превышению предельно допустимых
параметров среды: оптической плотности, температуры и скорости ее нарастания;
световую и акустическую (на ПКИ) сигнализацию о наличии признаков пожара;
определение и указание (на ПКИ) места обнаружения признаков пожара в символьном виде;
световую и акустическую (на ПКИ) сигнализацию о наличии неисправностей;
определение и указание (на ПКИ) места обнаружения ошибок и неисправностей в символьном виде;
сохранение сообщений о наличии признаков пожара и неисправностях;
передачу сигнала о наличии признаков пожара, неисправностей, включении САОТП на МПСУиД и электрооборудование электропоезда;
включение УПТ;
конфигурирование САОТП;
просмотр на ПКИ информации о наличии признаков пожара и неисправностях САОТП;
отключение сигнализации наличия признаков пожара с ПКИ по всему поезду или отдельно по каждому из вагонов;
отключение САОТП в каждом из вагонов по отдельности в случае ее неисправности (при этом отключение сигнализации по одному вагону не должно нарушать работоспособность САОТП в остальных вагонах электропоезда);
переключение между режимами работы САОТП.
1.5. Режимы работы САОТП.
1.5.1. САОТП функционирует в одном из трех режимов: "ИНДИКАЦИЯ", "ТЕСТ ИП", "УПРАВЛЕНИЕ".
1.5.1.1. Режим "ИНДИКАЦИЯ".
В режиме "ИНДИКАЦИЯ" осуществляется вывод на ПКИ информации о наличии признаков пожара, неисправностях, необходимости технического обслуживания ИП в текстовом, звуковом, электрическом видах.
Вывод на дисплей сообщений о наличии признаков пожара осуществляется по следующим причинам:
повышение температуры окружающей среды в месте размещения ИП выше предельного значения;
повышение скорости нарастания температуры окружающей среды в месте размещения ИП выше предельного значения;
повышение оптической плотности среды окружающей среды в месте размещения ИП выше предельного значения;
повышение температуры окружающей среды в месте размещения ИЛТ выше предельного значения;
комбинация вышеперечисленных состояний в произвольном количестве и порядке.
При наличии УПТ в защищаемой зоне и регистрацией в ней признаков пожара, САОТП осуществляет автоматический запуск УПТ и контроль выпуска ГОТВ.
Вывод на дисплей сообщений о наличии неисправностей осуществляется по следующим причинам:
неисправность ИП;
наличие двух ИП с одинаковыми адресами, подключенных к одному КВ;
подключение к КВ ИП с кодом изготовителя САОТП, отличным от кода изготовителя;
подключение к КВ ИП с адресом, расположенным за пределами допустимого адресного пространства ИП;
обрыв или КЗ линии связи подключения ИП, ИЛТ, датчика давления, цепи управления УПТ;
неисправность датчика давления УПТ;
снижение давления УПТ ниже нормы;
отсутствие связи между ПКИ;
отсутствие связи ПКИ и одним или несколькими КВ;
внутренний отказ КВ, ПКИ;
отсутствие подключения МАП к КВ или ПКИ;
неисправность аккумуляторной батареи МАП;
комбинация вышеперечисленных состояний в произвольном количестве и порядке.
Вывод на дисплей сообщений о необходимости проведения технического обслуживания осуществляется по причине запыленности дымовой камеры ИП выше предельного значения (80%).
1.5.1.2. Режим "ТЕСТ ИП".
Режим "ТЕСТ ИП" предназначен для проверки работоспособности ИП без изменения параметров окружающей среды, путем искусственного (поднесением магнита к определенной зоне ИП) перевода ИП в состояние регистрации признаков пожара. Запуск режима "ТЕСТ ИП" возможен только на отдельно взятом КВ посредством WEB-страницы.
1.5.1.3. Режим "УПРАВЛЕНИЕ".
Режим "УПРАВЛЕНИЕ" предназначен для просмотра состояния САОТП и управления ее настройками. Переход в режим "УПРАВЛЕНИЕ" осуществляется переходом из главного меню в любое из подчиненных меню.
1.5.2. Сигнализация устройств САОТП.
1.5.2.1. Сигнализация ПКИ.
Сигнализация ПКИ отображает информацию о режимах работы САОТП посредством:
световой индикации;
речевых сообщений;
реле;
Ethernet;
WEB-страницы.
Органы управления и сигнализация ПКИ для сигнализации режимов САОТП имеет следующие органы управления и сигнализации:
панель управления
(рисунок Б.7.1) с дисплеем, клавишами и единичными световыми индикаторами;
три реле (выход типа "сухой контакт") "Пожар", "Неисправность", "САОТП вкл.";
WEB-страницу, доступ к которой обеспечивается при подключении через интерфейс Ethernet.
Панель управления содержит:
дисплей (поз. 1) с контекстно-зависимой клавиатурой (поз. 2) для вывода информации о состоянии САОТП и меню САОТП в текстовом виде, навигации по меню САОТП, ввода команд управления;
клавиши с фиксированными функциями (поз. 5): "ИНФО" (отображение информации о состоянии САОТП), "ТЕСТ" (тестирование работоспособности САОТП), "ДВИЖЕНИЕ"/"ОТСТОЙ" (переключение между режимами "ДВИЖЕНИЕ", "ОТСТОЙ");
единичные индикаторы (поз. 6): "АКБ" (индикация питания от МАП (включен если хотя бы одна из составных частей САОТП питается от МАП)), "ВЕДУЩИЙ" (индикация работы в режимах "ВЕДУЩИЙ" (включен), "ВЕДОМЫЙ" (выключен)), "ДВИЖЕНИЕ" (индикация работы в режимах "ДВИЖЕНИЕ" (включен), "ОТСТОЙ" (выключен));
секцию "Пожар" (поз. 4) с клавиатурой и единичными световыми индикаторами для отображения наличия признаков пожара в вагонах поезда или в вагонах поездов, соединенных по системе многих единиц;
секцию "Неисправность" (поз. 3) с клавиатурой и единичными световыми индикаторами для отображения неисправностей в вагонах поезда или вагонах поездов, соединенных по системе многих единиц;
громкоговоритель (поз. 7) для вывода информации о состоянии САОТП в речевом виде.
Рисунок Б.7.1. Панель управления ПКИ.
1.5.2.2. Дисплей.
Дисплей с контекстно-зависимой клавиатурой представляет собой 4-х строчный 80-ти символьный текстовый ЖКИ индикатор по обеим коротким сторонам которого расположены по четыре и (напротив каждой из строк ЖКИ индикатора) назначение которых определяется функцией, отображаемой на ЖКИ индикаторе рядом с ней.
Клавиша "ИНФО".
Клавиша "Инфо" предназначена для быстрого просмотра состояния САОТП:
перечня неисправностей, ИП требующих технического обслуживания, ИП, ИЛТ с наличием признаков пожара.
Клавиша "ТЕСТ".
Клавиша "ТЕСТ" предназначена для включения принудительной проверки работоспособности громкоговорителя, всех единичных световых индикаторов текущего ПКИ, диагностики состояния шлейфов с ИП, ИЛТ, УПТ по всем КВ из состава.
САОТП в соответствии с их конфигурациями.
САОТП, после каждого включения, непрерывно в автоматическом режиме проводит диагностику работоспособности ИП, ИЛТ, УПТ в соответствии с установленными конфигурациями КВ.
Диагностика каждого из ИП, ИЛТ, УПТ может быть принудительно отключена с ПКИ посредством меню. Это необходимо для отключения, например, индикации о наличии признаков пожара и речевых сообщений, если какой-то из ИП, ИЛТ вследствие внутренней ошибки периодически формирует информацию о наличии неисправности. Или для отключения речевых сообщений о периодически возникающей неисправности, например, о потере давления в баллоне УПТ из-за неисправности датчика давления.
Отключение диагностики запрещает САОТП вывод речевой информации о наличии признаков пожара, неисправностях, однако, при этом, отключенные ИП, ИЛТ, УПТ считаются неисправными с соответствующей индикацией наличия неисправности на ПКИ.
Запуск принудительной проверки работоспособности сбрасывает все настройки по отключению диагностики и переводит САОТП в режим диагностики полного объема ИП, ИЛТ, УПТ в соответствии с установленными конфигурациями КВ.
Клавиша "ДВИЖЕНИЕ/ОТСТОЙ".
Нажатие и "ДВИЖЕНИЕ/ОТСТОЙ" и выключение единичного светового индикатора.
"ДВИЖЕНИЕ", дает команду САОТП о ее переводе в режим "ОТСТОЙ" и вывод информации о наличии признаков пожара и неисправностей в МПСУиД для последующей передачи на радиостанцию.
Секция "Пожар".
Секция "Пожар" панели управления ПКИ приведена на
рисунке Б.7.2. Секция "Пожар" включает следующие элементы:
область индикации (поз. 1) номеров вагонов в поезде, в котором обнаружены признаки пожара;
4-х клавиш выбора номера поезда в последовательности поездов, соединенных по системе многих единиц (поз. 2);
единичные световые индикаторы (поз. 4) наличия признаков пожара в поезде или поездах, соединенных по системе многих единиц;
единичные световые индикаторы (поз. 3) выбора номера поезда, соединенных по системе многих единиц, для отображения повагонной пожарной ситуации в области индикации (поз. 1); переключение номера поезда для отображения повагонной пожарной ситуации возможно только при одновременном наличии признаков пожара в нескольких поездах;
клавишу "Сброс" (поз. 1) для сброса световой индикации и очереди речевых сообщений о наличии признаков пожара.
Рисунок Б.7.2. Секция "Пожар".
Все световые индикаторы секции "Пожар" красного цвета и включаются в режиме мигания с периодом около 1 с и скважностью 2. При отсутствии признаков пожара все индикаторы выключены.
Если поезд не соединен по системе многих единиц, то обнаружение признаков пожара в одном или нескольких вагонах поезда приводит к включению единичных индикаторов (поз. 3, 4) и N 1, и единичных индикаторов области индикации (поз. 1) с номерами вагонов поезда, где обнаружены признаки пожара.
Если поезд соединен по системе многих единиц, то обнаружение признаков пожара в одном или нескольких вагонах поезда приводит к включению единичных индикаторов (поз. 3, 4) с номером поезда, и единичных индикаторов области индикации (поз. 1) соответствующих номерам вагонов поезда, где обнаружены признаки пожара.
При одновременной регистрации признаков пожара в нескольких поездах, соединенных по системе многих единиц, включаются:
единичные индикаторы (поз. 3) клавиш с номерами поездов в последовательности, где обнаружены признаки пожара;
единичный индикатор (поз. 4) клавиши с номером, соответствующей поезду с младшим номером в последовательности;
единичные индикаторы области индикации (поз. 1) номеров вагонов поезда с младшим номером в последовательности, где обнаружены признаки пожара.
Для просмотра информации о пожарной ситуации в поезде с другим номером, где обнаружены признаки пожара, необходимо нажать клавишу с номером, соответствующим номеру поезда. Нажатие клавиши приведет к включению рядом с клавишей индикатора (поз. 3) и выводу в область индикации (поз. 1) пожарной ситуации в запрашиваемом поезде.
Секция "Неисправность".
Секция "Неисправность" из состава панели управления ПКИ приведена на
рисунке Б.7.3. Секция "Неисправность" включает следующие элементы:
область индикации (поз. 1) номеров вагонов в поезде, в котором обнаружены неисправности;
4-х клавиш выбора номера поезда в последовательности поездов, соединенных по системе многих единиц (поз. 2);
единичные световые индикаторы (поз. 4) наличия неисправностей в поезде или поездах, соединенных по системе многих единиц;
единичные световые индикаторы (поз. 3) выбора номера поезда, соединенных по системе многих единиц, для отображения повагонной ситуации о неисправностях в области индикации (поз. 1); переключение номера поезда для отображения повагонной ситуации о неисправностях возможно только при одновременном наличии неисправностей в нескольких поездах;
клавишу "Сброс" (поз. 5) для сброса очереди речевых сообщений о неисправностях.
Рисунок Б.7.3. Секция "Неисправность".
Все световые индикаторы секции "Неисправность" желтого цвета и включаются в непрерывном режиме. При отсутствии неисправностей все индикаторы выключены.
Если поезд не соединен по системе многих единиц, то обнаружение неисправностей в одном или нескольких вагонах поезда приводит к включению единичных индикаторов (поз. 3, 4) клавиши N 1, и единичных индикаторов области индикации (поз. 1) с номерами вагонов поезда, где обнаружены неисправности.
Если поезд соединен по системе многих единиц, то обнаружение неисправностей в одном или нескольких вагонах поезда приводит к включению единичных индикаторов (поз. 3, 4) клавиши с номером поезда, и единичных индикаторов области индикации (поз. 1) соответствующих номерам вагонов поезда, где обнаружены неисправности.
При одновременной регистрации неисправности в нескольких поездах, соединенных по системе многих единиц, включаются:
единичные индикаторы (поз. 3) клавиш с номерами поездов в последовательности, где обнаружены неисправности;
единичный индикатор (поз. 4) клавиши с номером, соответствующей поезду с младшим номером в последовательности;
единичные индикаторы области индикации (поз. 1) номеров вагонов поезда с младшим номером в последовательности, где обнаружены признаки пожара.
Для просмотра информации о неисправностях в поезде с другим номером, где обнаружены неисправности, необходимо нажать клавишу с номером, соответствующим номеру поезда. Нажатие клавиши приведет к включению рядом с клавишей индикатора (поз. 3) и выводу в область индикации (поз. 1) информации о неисправностях в запрашиваемом поезде.
1.6. Меры безопасности.
Все работы по ТО САОТП выполнять в соответствии с "
Правилами по охране труда при эксплуатации электроустановок" и
ПТЭЭП.
Б.8. Комплекс технических средств пожарной и охранной
сигнализации, оповещения и диагностики КТС-ПОС-ОД, КТС-ПОС
Комплекс технических средств пожарной и охранной сигнализации, оповещения и диагностики КТС-ПОС-ОД (далее - КТС-ПОС-ОД), предназначен для оснащения электропоездов ЭП2Д, ЭП3Д, ЭГ2Тв и РА-3 (КТС-ПОС, подробно можно ознакомиться в руководстве по эксплуатации ПМИЯ 002.01.0000.00 РЭ).
| | ИС МЕГАНОРМ: примечание. Нумерация пунктов дана в соответствии с официальным текстом документа. | |
1.1. Назначение КТС-ПОС-ОД, КТС-ПОС:
1.1.1. Комплекс технических средств пожарной и охранной сигнализации, оповещения и диагностики КТС-ПОС-ОД, КТС-ПОС в дальнейшем именуемый комплекс, предназначен для:
оперативного обнаружения пожарной ситуации в вагонах электропоезда и своевременного оповещения, в заданном виде, локомотивной бригады на маршруте или дежурного по депо и на приемно-регистрирующее устройство по радиоканалу через поездную радиостанцию в отстое с указанием номера поезда и номера вагона;
контроля параметров пожарной, охранной сигнализации, поездной аккумуляторной батареи, электрических цепей поездной диагностики с предоставлением в заданном виде речевого извещения о неисправностях локомотивной бригаде или на приемно-регистрирующее устройство, дежурному по депо по радиоканалу через поездную радиостанцию в отстое;
о трансляции пассажирам маршрутной, служебной, рекламной и другой дополнительной информации в речевом и текстовом виде;
хранения данных о событиях в энергонезависимом запоминающем устройстве ("черном ящике");
1.1.2. Комплекс обеспечивает управление маршрутными указателями.
1.1.3. Комплекс предназначен для круглосуточной непрерывной работы.
1.1.4. В комплексе предусмотрена диагностика всех составных блоков, линии связи, а также состояния двухпроводной линии подключения извещателей пожарных (далее - ИП).
1.2. Состав КТС-ПОС-ОД.
1.2.1. В комплект поставки на один головной вагон электропоезда входят:
извещатель пожарный ИП 332-1/3 (извещатель пламени) - 3 шт.;
извещатель пожарный типа ИП 212-44 СВ (извещатель дымовой) - 11 шт.;
извещатель пожарный ручной ИП 513-10 исп. 1 - 1 шт.;
контроллер вагонный с БДД (КВ) - 1 шт.;
контроллер головной (КГ) - 1 шт.;
информационное табло вагона (ИТВ-7) - 2 шт.;
информационное табло поезда (ИТП) - 1 шт.;
пульт управления совмещенный (ПС) - 1 шт.;
согласующее устройство (СУ) - 1 шт.;
шунт - 2 шт.;
кабели соединительные - 9 шт.;
усилитель УТ-100 - 1 шт.;
манипулятор (МНП) - 3 шт.;
пульт связи "Пассажир-Машинист" - 4 шт.;
устройство коммутации (УК) - 1 шт.;
пульт МНП (П МНП) - 2 шт.;
рама усилителя - 1 шт.
1.2.2. В комплект поставки на один моторный вагон электропоезда входят:
извещатель пожарный ИП 332-1/3 (извещатель пламени) - 3 шт.;
извещатель пожарный типа ИП 212-44 СВ (извещатель дымовой) - 8 шт.;
извещатель пожарный ИП 101-10М/Ш BR - 2 шт.;
извещатель пожарный ручной ИП 513-10 исп. 1 - 1 шт.;
контроллер вагонный с БДД (КВ) - 1 шт.;
информационное табло вагона (ИТВ-7) - 2 шт.;
пульт связи "Пассажир-Машинист" - 2 шт.;
шунт - 5 шт.;
кабели соединительные - 2 шт.
1.2.3. В комплект поставки на один прицепной вагон электропоезда входят:
извещатель пожарный ИП 332-1/3 (извещатель пламени) - 3 шт.;
извещатель пожарный типа ИП 212-44 СВ (извещатель дымовой) - 7 шт.;
извещатель пожарный ручной ИП 513-10 исп. 1 - 1 шт.;
контроллер вагонный с БДД (КВ) - 1 шт.;
информационное табло вагона (ИТВ-7) - 2 шт.;
пульт связи "Пассажир-Машинист" - 2 шт.;
шунт - 2 шт.;
кабели соединительные - 2 шт.
1.3. Основные технические данные и характеристики.
1.3.1. Монтаж комплекса на вагонах электропоезда осуществляется в соответствии с проектной документацией на электропоезд.
1.3.2. Питание комплекса осуществляется от аккумуляторной батареи постоянного тока с допустимыми изменениями напряжения в пределах от 35 до 170 В. Питание ИТВ осуществляется от сети постоянного тока 50 В или 110 В.
1.3.3. Комплекс предназначен для работы при предельной температуре окружающей среды от минус 40 °C до плюс 50 °C и верхнем значении относительной влажности воздуха не более 95% при температуре не более 25 °C.
1.3.4. Речевое сообщение о пожаре и неисправностях на маршруте транслируется в дополнительный громкоговоритель в кабине машиниста. Речевое сообщение о пожаре в режиме "отстой внешний" передается через поездную радиостанцию по радиоканалу в диапазоне УКВ дежурному по депо. Речевое сообщение о пожаре в режиме "отстой внутренний" в систему оповещения электропоезда и дополнительный громкоговоритель в кабине машиниста.
1.3.5. Речевая служебная, маршрутная и другая дополнительная информация выдается в систему оповещения электропоезда.
1.3.6. Текстовая служебная, маршрутная и другая информация выводится в виде "бегущей строки" на информационные табло вагона (далее - ИТВ), расположенные над входными дверями салона.
1.3.7. Готовая к выдаче речевая и текстовая информация индицируется в сокращенном виде на дисплее пульта контроллера головного (далее - КГ), установленного в кабине машиниста.
1.3.8. Комплекс обеспечивает:
обнаружение превышения предельно-допустимого уровня задымленности или наличия открытого пламени в вагонах электропоезда и передачу речевого сообщения об этом в кабину машиниста с указанием номера вагона или с указанием номера поезда и номера вагона дежурному по депо, в котором произошло возгорание;
самодиагностику с выдачей сообщения машинисту о собственном состоянии;
выбор и выдачу по команде машиниста заранее запрограммированной речевой и текстовой информации о маршруте следования в систему оповещения и ИТВ;
выдачу в автоматическом режиме заранее запрограммированной речевой и текстовой служебной информации в систему оповещения и ИТВ;
возможность записи необходимой текстовой и речевой информации в КГ в условиях депо;
вывод текстовой информации о станции назначения в маршрутный указатель информационное табло поезда (далее - ИТП).
1.3.9. Выбор информации и ее вывод на ИТП осуществляется посредством программного обеспечения КГ через клавиатуру пульта КГ или с помощью пульта управления ИТП (далее - ПУ ИТП).
1.3.10. Критериями обнаружения пожара являются задымленность окружающей среды с оптической плотностью более 0,05 дБ/м или наличие открытого очага пламенного горения площадью, не менее 0,1 м2.
1.3.11. Инерционность срабатывания комплекса на пожар - не более 40 сек.
1.3.12. Мощность, потребляемая КГ с подключенными 10-ю контроллерами вагона (далее - КВ) не превышает 50 Вт в дежурном режиме и 100 Вт в режиме выдачи сообщения по радиоканалу.
Мощность, потребляемая ИТВ, не более 30 Вт.
Мощность, потребляемая КВ в режиме "КЗ", не более 6 Вт.
Мощность, потребляемая ИТП в момент вывода информации, не более 30 Вт.
1.4. Устройство и принцип работы.
1.4.1. Комплекс представляет собой комплекс технических средств, осуществляющий акустическую и оптическую сигнализацию о превышении допустимого уровня задымленности, наличии открытого очага пламени в вагонах электропоезда, а также о наличии неисправностей по цепям вагонной сигнализации и открытии ящика управления автоматическим пожаротушением (далее - УАП).
В функции комплекса входит также передача текстовой и речевой информации о маршруте следования, служебной и другой дополнительной информации на информационное табло вагонов и в систему оповещения.
Комплекс сохраняет данные о событиях и неисправностях в энергонезависимом запоминающем устройстве.
Комплекс работает в пяти режимах:
"Маршрут";
"Отстой внутренний";
"Отстой внешний";
"Хвостовой".
"Тестовый".
Вход в "Меню выбора режимов" осуществляется нажатием клавиши "MENU" на клавиатуре пульта КГ, при этом на дисплее пульта КГ отображается на
рисунке Б.8.1.
Рисунок Б.8.1. Отображение информации на дисплее пульта КГ.
Примечание
1. Режим 5 - "Тестовый" на дисплее пульта КГ не отображается.
2. Во 2-й строке дисплея отображается название режима, в котором комплекс находится до выключения питания.
3. При нажатии клавиши "ENTER" комплекс остается в режиме, указанном во 2-й строке, а на дисплее отображается "Меню просмотра состояния КВ".
4. Если в течение 30 секунд клавиши не нажимались, комплекс остается в режиме, указанном во 2-й строке, а на дисплее отображается "Меню просмотра состояния КВ".
5. При необходимости изменения режима работы требуемый режим выбирается нажатием одной из клавиш клавиатуры пульта КГ: "1", "2", "3", "4", "5".
1.4.2. Чувствительным элементом комплекса по обнаружению избыточного дыма являются извещатели пожарные (далее - ИП) типа ИП212 (или аналогичные им по техническим характеристикам). Дымовой ИП представляет собой оптоэлектронное устройство, осуществляющее электрическую и оптическую сигнализацию о превышении допустимой концентрации дыма в месте его установки. При появлении дыма в дымовой камере ИП, импульсное инфракрасное излучение, генерируемое излучателем извещателя, отражается от частиц дыма и, попадая на фотоприемник, преобразуется в последовательность электрических импульсов. Далее электронная схема ИП обрабатывает приходящую информацию и формирует сигнал "Пожар" в виде уменьшения внутреннего сопротивления извещателя. Оптическая сигнализация осуществляется включением светодиода на корпусе ИП.
Рисунок Б.8.2. Внешний вид извещателя пожарного типа ИП212.
1.4.3. Чувствительным элементом комплекса по обнаружению открытого пламени являются извещатели пожарные типа ИП332-1/3 (или аналогичные по техническим характеристикам). Данный извещатель представляет собой оптоэлектронное устройство, осуществляющее электрическую и оптическую сигнализацию о наличии очага открытого пламени в зоне обзора. Извещатели реагируют на электромагнитное излучение пламени, спектр которого находится в диапазоне от 1,5 мкм до 4,5 мкм. Далее электронная схема ИП обрабатывает приходящую информацию и формирует сигнал "Пожар" в виде уменьшения внутреннего сопротивления извещателя. Оптическая сигнализация осуществляется включением светодиода на корпусе ИП.
Рисунок Б.8.3. Внешний вид извещателя пожарного типа ИП332-1/3.
1.4.4. Чувствительным элементом комплекса по обнаружению превышения предельно допустимой температуры являются извещатели пожарные типа ИП101-10М/Ш BR (или аналогичные по техническим характеристикам). Данный ИП представляет собой электронное устройство, осуществляющее электрическую и оптическую сигнализацию о наличии повышенной температуры в зоне размещения. Для измерения температуры используется термосопротивление. Термосопротивление является NTC термистором (с отрицательным температурным коэффициентом). При увеличении температуры сопротивление термистора уменьшается. В результате увеличения температуры уменьшается постоянная времени. Между температурой среды и постоянной времени существует однозначное соответствие. Этим определяется принцип измерения температуры. Измерение времени осуществляется с помощью временных меток, вырабатываемых микроконтроллером. Далее электронная схема ИП обрабатывает приходящую информацию и формирует сигнал "Пожар" в виде уменьшения внутреннего сопротивления извещателя. Оптическая сигнализация осуществляется включением светодиода на корпусе ИП. Внешний вид извещателя показан на
рисунке Б.8.4.

Рисунок Б.8.4. Внешний вид извещателя пожарного типа ИП101-10М/Ш BR.
| | ИС МЕГАНОРМ: примечание. В официальном тексте документа, видимо, допущена опечатка: имеется в виду рисунок Б.8.5, а не Б.4.87.5. | |
1.4.5. Устройством комплекса, предназначенным для ручного включения сигнала "Пожар", являются извещатели пожарные ручные типа ИП513-10 исп. 1. Данный ИП посылает тревожный сигнал в ШПС при переводе приводного элемента (кнопки) извещателя во включенное состояние. После снятия усилия извещатель остается во включенном состоянии и формирует сигнал "Пожар" в виде уменьшения внутреннего сопротивления извещателя. Перевод извещателя в дежурный режим осуществляется возвратом кнопки в исходное состояние с помощью экстрактора, входящего в комплект поставки. Подтверждением подачи тревожного сигнала служит включение светодиода на лицевой поверхности извещателя. Внешний вид извещателя показан на
рисунке Б.4.87.5.
Рисунок Б.8.5. Внешний вид извещателя пожарного ручного типа ИП513-10.
1.4.6. Пожарные извещатели, установленные в вагоне электропоезда, подключаются двухпроводным шлейфом пожарной сигнализации (ШПС) к контроллеру вагона. ШПС служит для подачи на извещатели питающего напряжения 20 +/- 5 В. Все извещатели, установленные в одном вагоне, подключены к шлейфу параллельно. На розетке последнего ИП параллельно шлейфу подключен резистор величиной 15 кОм. Резистор предназначен для контроля целостности шлейфа.
1.4.7. КВ представляет собой электронное микропроцессорное устройство, осуществляющее питание ШПС, контроль и анализ величины его электрического сопротивления, контроль состояния подключенных цепей вагонной диагностики и формирование по запросу кодовой посылки, содержащей информацию о своей работоспособности и состоянии подключенных цепей.
Алгоритм работы КВ и тип речевых сообщений обеспечиваются программируемым микропроцессором. На КВ установлен четырехпозиционный микропереключатель, который позволяет установить номер вагона от 01 до 14 в соответствии с таблицей на странице 9. Внешний вид блока КВ и органы управления показаны на
рисунках Б.8.6.
Рисунок Б.8.6. Внешний вид блока КВ и органы управления.
1.4.8. В дежурном режиме сопротивление ШПС обусловлено суммой дежурных токов подключенных ИП при напряжении 20 +/- 5 В и оконечным резистором величиной 15 кОм. При этом режиме в линию связи выдается кодовая посылка, соответствующая сигналу "норма" по цепи пожарной сигнализации.
1.4.9. В случае срабатывания одного или нескольких ИП, сопротивление шлейфа падает до величины 1 - 5 кОм. При этом микропроцессор формирует кодовую посылку, соответствующую сигналу "пожар". С целью исключения влияния наводок формирование посылки производится только в том случае, если сигнал срабатывания ИП продолжался не менее трех секунд. С целью исключения ложного сообщения о пожаре кодовая посылка "пожар" выдается в линию связи только в том случае, если сигнал срабатывания ИП повторяется в течение более трех секунд после снятия, на время 5 - 7 сек., питания с ШПС с последующим его восстановлением.
1.4.10. В случае полного или частичного обрыва ШПС его сопротивление превышает 15 кОм. При этом формируется и передается в линию связи кодовая посылка, соответствующая сигналу "Обрыв шлейфа пожарной сигнализации". Посылка формируется в случае, если сигнал неисправности продолжается не менее 3 секунд.
1.4.11. В случае короткого замыкания в ШПС его сопротивление падает ниже 50 Ом. При этом КВ отключает питание шлейфа, формирует и передает в линию связи кодовую посылку "Короткое замыкание шлейфа пожарной сигнализации". Восстановление питания на шлейфе происходит циклически на время, необходимое для контроля состояния шлейфа.
1.4.12. В случае, когда на соответствующем входе (подключение цепей поездной диагностики) КВ появляется сигнал от электрического шунта, формируется и передается в линию связи кодовая посылка, соответствующая сигналу "неисправность ММ", где ММ - соответствующая позиция по цепям поездной диагностики: ВЦ, РН ... др.
Кодовая посылка вырабатывается при условии, что сигнал неисправности продолжается:
"Неисправность ВЦ" не менее 3,0 сек.;
"Неисправность РН" не менее 3,0 сек.;
"Неисправность ПР" не менее 3,0 сек.;
"Неисправность СОТ" не менее 3,0 сек.;
"Неисправность БВ" не менее 5,0 сек.;
"Неисправность РБ" не менее 10,0 сек;
"Неисправность ДУКС" не менее 10,0 сек.;
"Неисправность ЛКиТ" не менее 10,0 сек.
Для подтверждения и получения речевого сообщения о данных неисправностях необходимо нажимать кнопку "Запрос" и через дополнительный громкоговоритель кабины машиниста воспроизведется речевое сообщение о соответствующей неисправности.
1.4.13. В случае, когда между двумя входами "двери" КВ напряжение достигает уровня от 50 до 110 В, формируется и передается в линию связи кодовая посылка, соответствующая сигналу "неисправность двери". Кодовая посылка формируется при условии, что сигнал неисправности продолжается не менее 3 секунд.
1.4.14. В случае, когда сопротивление шлейфа "УАП", подключенного к входу КВ падает до значения менее 100 Ом, формируется и передается в линию связи кодовая посылка, соответствующая сигналу "Вскрыт ящик УАП", при условии, что сигнал неисправности продолжается не менее 3 секунд.
1.4.15. КГ и пульт управления, совмещенный ПС представляют собой электронные микропроцессорные устройства. КГ осуществляет циклический опрос подключенных КВ для получения информации об их работоспособности и состоянии подключенных к ним цепей, формирование и выдачу в громкоговоритель, систему оповещения, радиоканал, речевых сообщений (в дальнейшем сообщений), соответствующих полученной от КВ кодированной информации, запись сообщений во внутреннюю память с указанием даты и времени. Управление режимами работы комплекса, выбор управляющих сигналов для формирования текста на ИТВ и речевой информации в систему оповещения производится в диалоговом режиме посредством пульта КГ в кабине машиниста. Внешний вид и органы управления блоков КГ и пульт КГ показаны на
рисунках Б.8.7.
Рисунок Б.8.7. Внешний вид и органы управления блоков КГ и пульт КГ.
1.4.16. При включении КГ в левом верхнем углу дисплея пульта КГ мигает курсор в течение времени не более 20 сек. После на дисплее пульта КГ появляется сообщение о текущем режиме работы. Нажмите "1". После нажатия клавиши на дисплее пульта КГ высвечивается окно выбора маршрута (поезда). Машинист при помощи клавиатуры пульта КГ задает номер поезда и подтверждает его нажатием клавиши "ENTER".
При этом в оперативную память КГ загружается соответствующий файл из внутреннего запоминающего устройства (далее - ЗУ), содержащий тексты объявлений по маршруту следования и информацию об очередности их выдачи. Затем КГ переходит в режим первичного опроса блоков КВ. На дисплее отображаются (меню просмотра состояния КВ) работающие КГ (Г1, Г9), ответившие КВ (их номера 01...14) и состояние ШПС, индицируемое символами:
"О" - обрыв;
"П" - пожар;
"К" - короткое замыкание;
"Н" - неисправность;
"У" - вскрытие ящика УАП, а также номер вагона, в котором на текущий момент включена видеокамера.
1.4.17. Просмотр состояния цепей поездной диагностики (ЦПД).
Нажать на пульте КГ кнопку

или

.
Возврат в "меню просмотра КВ" производится автоматически за время 7 - 10 секунд (без нажатия клавиш клавиатуры).
1.4.18. Меню отображения выбора режима.
Выход в меню отображения выбора режима производится нажатием на клавиатуре пульта КГ клавиши "MENU".
На дисплее пульта КГ появляется режим работы КГ и возможность перехода КГ в один из четырех режимов.
Для перехода КГ в любой режим необходимо на клавиатуре пульта КГ нажать на выбор одну из клавиш, соответствующую режиму работы КГ:
клавиша 1 - переход в режим "Маршрут";
клавиша 2 - переход в режим "Отстой внутренний";
клавиша 3 - переход в режим "Отстой внешний";
клавиша 4 - переход в режим "Хвостовой".
После перехода КГ в режимы "Отстой внутренний", "Отстой внешний", "Хвостовой" дисплей погаснет через время не менее 10 секунд.
1.4.19. При появлении событий (пожар, неисправность ШПС, неисправность УАП, отказ блока КВ на дисплее пульта КГ появляется "Меню просмотра состояния КВ", отображаются номер КВ и символ, соответствующий аварийной ситуации (пожар, неисправность ШПС, неисправность УАП, отказ блока КВ).
1.4.20. При возникновении в "Отстое внешнем" события пожар в радиостанцию передается следующее сообщение: "Внимание... Внимание... Внимание. Прекратите разговоры.... В поезде N... В вагоне NN... Пожар... в поезде N... В вагоне NN... Пожар", где NN - двухзначный номер вагона, N - четырехзначный номер электропоезда.
1.4.21. При возникновении в режиме "маршрут" и "отстой внутренний" события пожар, вырабатывается сообщение: "сработала пожарная сигнализация в вагоне NN! Пожар в вагоне NN! Пожар в вагоне NN!", где NN - двухзначный номер вагона.
1.4.22. При получении от КВ кодовой посылки, соответствующей сигналу "короткое замыкание шлейфа пожарной сигнализации" вырабатывается сообщение: "Короткое замыкание шлейфа пожарной сигнализации в вагоне NN!. Короткое замыкание шлейфа пожарной сигнализации в вагоне NN!. Короткое замыкание шлейфа пожарной сигнализации в вагоне NN!", где NN - двухзначный номер вагона.
1.4.23. При получении от КВ кодовой посылки, соответствующей сигналу "обрыв шлейфа пожарной сигнализации" вырабатывается сообщение: "Обрыв шлейфа пожарной сигнализации в вагоне NN!. Обрыв шлейфа пожарной сигнализации в вагоне NN!. Обрыв шлейфа пожарной сигнализации в вагоне NN!", где NN - двухзначный номер вагона.
1.4.24. При получении от КВ кодовой посылки, соответствующей сигналу "Вскрыт ящик УАП", вырабатывается сообщение: "Вскрыт ящик УАП в вагоне NNL, Вскрыт ящик УАП в вагоне NN!", где NN - двухзначный номер вагона. Одновременно производится запись на ВР данного события за время не менее 30 секунд.
| | ИС МЕГАНОРМ: примечание. В официальном тексте документа, видимо, допущена опечатка: п. 4.10 отсутствует. | |
1.4.25. При нажатии на кнопку "Запрос" в громкоговоритель кабины машиниста, при получении от КВ кодовой посылки, соответствующей сигналу "неисправность ММ", выдается сообщение: "Неисправность ММ в вагоне NN", где ММ - цепи поездной диагностики (см. п. 4.10 настоящего РЭ).
1.4.26. При неполучении от КВ ответ, а в течение определенного времени (задается в "меню настроек") от КГ, вырабатывается сообщение - "Отказ блока КВ в вагоне NN".
1.4.27. После передачи сообщений в режиме "маршрут", "отстой внутренний" комплекс блокируется по выдаче данного типа сообщения по данному вагону. При нажатии кнопки "Повтор" в кабине машиниста, блокировка снимается, и сообщение повторяется при условии продолжения ситуации его инициировавшей.
1.4.28. В "Меню просмотра ЦПД" на дисплей выводится номер просматриваемого вагона и список контролируемых цепей с отметками об их состоянии. Мигающий символ "Н" соответствует неисправности ЦПД.
1.4.29. Все сообщения о пожаре, неисправностях пожарной сигнализации, результатах самотестирования, переходе в любой режим работы комплекса, неисправностям запоминаются во внутреннем ЗУ. Сообщения о неисправностях ЦПД записываются при условии, что была нажата кнопка "Запрос" в кабине машиниста. Все сообщения записываются с указанием время и даты выдачи.
1.4.30. Информационное табло поезда представляет автономное устройство для выдачи текстовой информации. Основной особенностью табло является энергонезависимость при сохранении введенной информации. Внешний вид и органы управления информационного табло поезда показаны на
рисунке Б.8.8.
Рисунок Б.8.8. Внешний вид и органы управления информационного табло.
На задней стенке корпуса расположены два разъема, колодка подключения и гнездо предохранителя.
Вывод информации на ИТП производится из "меню работы с информационным табло поезда". Клавишами "1" и "2" производится выбор переднего и заднего табло соответственно, клавишами

и

производится выбор названия станции.
Внимание! Информация, выводимая на ИТП, программируется на персональном компьютере при формировании маршрута.
1.5. Меры безопасности.
1.5.1. Все работы по ТО и ТРКТС-ПОС-ОД выполнять в соответствии с "
Правилами по охране труда при эксплуатации электроустановок"
ПТЭЭП.
СОДЕРЖАНИЕ И РЕМОНТ СРЕДСТВ ПОЖАРОТУШЕНИЯ
И ПОЖАРНОЙ СИГНАЛИЗАЦИИ
Внимание! Техническое обслуживание и ремонт средств пожаротушения, пожарной сигнализации и пожаротушения приурочиваются к ТО, ТР, СР и КР моторвагонного подвижного состава.
В.1. Огнетушители
1.1. Содержание огнетушителей должно отвечать требованиям:
Правил противопожарного режима в РФ, инструкций по эксплуатации руководств или паспортов предприятий-изготовителей и другой действующей нормативно-технической документации.
1.2. К введению в эксплуатацию на МВПС допускаются только полностью заряженные, запускающее или запорно-пусковое устройство огнетушителя должно быть опломбировано одноразовой пломбой. Опломбирование огнетушителя осуществляется заводом-изготовителем при производстве огнетушителя или специализированными организациями при регламентном техническом обслуживании или перезарядке огнетушителя.
1.3. Контроль и техническое освидетельствование огнетушители проходят в сроки, установленные для данного типа огнетушителя.
1.3.1. Огнетушители порошковые (основные средства защиты):
проверка крепления огнетушителя в кронштейне, плотности закрытия отверстия для засыпки порошка и крепления насадка-пистолета производится не реже одного раза в месяц;
проверять наличие давления в пределах зеленой шкалы индикатора не реже 1 раза в квартал;
контроль качества порошка, массы заряда в баллончике и состояния лакокрасочных покрытий - один раз в год;
переосвидетельствование корпуса с гидравлическими испытаниями на прочность - через пять лет эксплуатации.
1.3.2. Огнетушители воздушно-эмульсионные (основные средства защиты):
проверка целостности мембраны спрыска производится не реже одного раза в месяц;
контроль состояния заряда и антикоррозийных покрытий - один раз в год;
переосвидетельствование корпуса с гидравлическими испытаниями на прочность:
25% - через 1,5 года после начала эксплуатации;
50% через 2 года после начала эксплуатации;
100% - один раз в год при дальнейшей эксплуатации.
1.3.3. Огнетушители углекислотные переносные (дополнительные средства защиты):
Контроль массы-заряда огнетушителей с запорно-пусковым устройством вентильного типа осуществляется не реже одного раза в три месяца;
То же - огнетушителей с запорно-пусковым устройством пистолетного типа - не реже одного раза в год;
Переосвидетельствование баллонов с гидравлическими испытаниями на прочность - через пять лет эксплуатации.
1.4. Запрещается:
укомплектование МВПС огнетушителями с истекшими сроками технического освидетельствования;
несвоевременное переосвидетельствование огнетушителей, находящихся в эксплуатации;
допускать в эксплуатацию огнетушители с глубокими выбоинами, вмятинами и ржавчиной на корпусе.
1.5. Техническое освидетельствование, а также ремонт огнетушителей должны выполняться специализированными организациями, имеющими соответствующее разрешение органов Госгортехнадзора.
1.6. Лица, имеющие непосредственное отношение к огнетушителям, должны быть обучены обращению с ними, знать и соблюдать правила техники безопасности при работе со сжатыми газами.
1.7. Руководитель организации, производящей ремонт МВПС, обеспечивает наличие и исправность огнетушителей, периодичность их осмотра и проверки, а также своевременную перезарядку огнетушителей.
В.2. Аэрозольные генераторы оперативного применения
(дополнительные средства защиты)
2.1. При эксплуатации генераторов следует руководствоваться требованиями безопасности, приведенными в руководствах по эксплуатации на переносные забрасываемые генераторы огнетушащего аэрозоля (АГС-5 и АГС-5Р).
2.2. Складское хранение генераторов осуществляется в заводской упаковке в закрытых помещениях при температуре от плюс 5 °C до плюс 40 °C и относительной влажности воздуха до 80% в отсутствие агрессивных сред.
2.3. Штабелировать упакованные генераторы допускается не более 5-ти ярусов друг на друга в соответствии с указаниями на заводской упаковке.
2.4. Узлы запуска хранятся в заводской упаковке отдельно от генераторов.
2.5. Генераторы, снаряженные узлами запуска, должны храниться отдельно от остальных генераторов в специально отведенном помещении.
2.6. Снаряженные генераторы должны быть защищены от механических воздействий на узел запуска.
В.3. Системы газового пожаротушения
| | ИС МЕГАНОРМ: примечание. Здесь и далее нумерация пунктов дана в соответствии с официальным текстом документа. | |
Б.3.1. СОТП
Техническое обслуживание.
3.1. Проведение работ по техническому обслуживанию является одной из основных мер по поддержанию работоспособности системы пожаротушения, предупреждению поломок, аварий и несчастных случаев. Своевременное и правильное техническое обслуживание предупреждает появление неисправностей, увеличивает срок службы и надежность системы.
3.2. Техническое обслуживание и ремонт СОТП должно проводиться подготовленным персоналом.
3.3. При проведении плановых технических обслуживаний и ремонтов в сроки, определенные Руководством по эксплуатации на дизель - поезд выполнить работы по обслуживанию и ремонту СОТП, указанные в
таблице В.3.1.
Таблица В.3.1.
Работы по обслуживанию и ремонту СОТП
Наименование работ | ТО1 | ТО2 | ТО3 | ТР1 | ТР2 | ТР3 | КР1 | Примечание |
1 | 2 | 3 | 4 | 5 | 6 | 7 | 8 | 9 |
1. Контроль давления в сосуде по показанию индикатора давления | + | + | + | + | + | + | + | |
2. Контроль положения сигнализатора | + | + | + | + | + | + | + | |
3. Визуальный контроль внешнего состояния сосуда, его узлов и элементов на предмет: их целостности; Отсутствия повреждений, загрязнений и пыли; надежности крепления сосуда в хомутах | - | + | + | + | + | + | + | |
4. Проверка отсутствия напряжения (тестером или сигнальной лампой) на клеммах 1 - 3 и 2 - 4 кабельных разъемах пиропатронов ЗПУ при не включенных командах управления | - | - | - | + | + | + | + | |
5. Проверка наличия напряжения подрыва пиропатронов ЗПУ на клеммах 1 - 3 кабельных разъемов при включении сосуда (команда ПОЖАР) с обеих пультов машиниста и отсутствие при этом напряжения на клеммах 2 - 4 разъемов 2РМ14К ПЭ4Г1В1 | - | - | - | + | + | + | + | |
6. Проверка сохранности огнетушащего вещества, при этом баллоны с огнетушащим веществом снимаются, осматриваются на отсутствие механических повреждений и взвешиваются (в случае падения веса заряда более, чем на 10%, заряд пополнить) | - | - | - | - | + | + | + | В соответствии с приказом Федеральной службы по экологическому, техническому и атомному надзору от 25 марта 2014 года N 116, с отметкой в паспорте |
7. Контроль срока годности сосуда | - | - | - | - | + | + | + | По бирке на баллоне и данным паспорта |
8. Проверка индикатора давления (манометра). щш: При проведении проверки манометра, на ЗПУ установить манометр из обменного фонда. Допускается установка заглушки | - | - | - | - | + | + | + | |
| | ИС МЕГАНОРМ: примечание. В официальном тексте документа, видимо, допущена опечатка: п. 5.2.7.7 отсутствует. | |
|
9. Проверка цепей управления по методике в соответствии с п. 5.2.7.7. | - | - | - | - | + | + | + | |
10. Произвести переосвидетельствование баллона с заменой уплотнительных колец на разъемных элементах ЗПУ | В соответствии с требованиями приказа Федеральной службы по экологическому, техническому и атомному надзору от 25 марта 2014 года N 116 |
11. Произвести в соответствии с отметкой в паспорте сосуда: | |
замену пиропатронов; | 1 раз в 20 лет +/- 20% |
замену УРП-7; | 1 раз в 10 лет +/- 20% |
замену гайки с предохранительной мембраной; | 1 раз в 4 года +/- 20% (при переосвидетельствовании сосуда) |
замену корпуса с разрывным элементом; | 1 раз в 10 лет +/- 20% (приурочить к переосвидетельствованию сосуда) |
замену рукава РВД | 1 раз в 10 лет +/- 20% (при переосвидетельствовании) |
3.4. Контроль давления в сосуде (наличие огнетушащего состава) производится по показаниям индикатора давления, установленного на сосуде.
3.5. Проверка массы CO2 в сосуде производится взвешиванием. Взвешивание сосуда следует производить на весах для статического взвешивания погрешностью не более 1%. Результат взвешивания следует занести в специальный журнал и паспорт сосуда. Масса CO2 в сосуде определяется как разность результата взвешивания и массы не заправленного сосуда с ЗПУ, которая указана в паспорте на зарядку. Сосуд подлежит заправке при уменьшении массы ГОС в нем ниже первоначальной на 10%.
3.6. Срок годности сосуда контролируется по трафарету. При необходимости следует произвести переосвидетельствование сосуда в установленном порядке.
3.7. Проверка функционирования системы.
3.7.1. При контроле наличия питающего напряжения: на блоке БКИ должен гореть светодиод зеленого цвета Питание.
3.7.2. Контроль функционирования оповещателей ОС, ОСЗ и Оса-110.
3.7.2.1. Нажать кнопку ТЕСТ на блоке БКИ, при этом включаются электролюминесцентные табло. На оповещателях отчетливо видны предупреждающие надписи "Газ! Не входить!" и "Газ! Уходи!", а звуковые оповещатели издают звуковой сигнал ситуации Пожар - непрерывный сигнал, модулированный по частоте.
3.7.2.2. Отпустить кнопку: подсветка и звуковой сигнал оповещателей отключаются.
3.7.3. Проверка установки режима Авт/Руч и контроль датчиков дверей.
3.7.3.1. Перед началом проверки система должна быть в следующем исходном состоянии:
на блоке КС горит светодиод желтого цвета Руч;
на ЖКИ блока БКИ имеется информация:
в верхней строке: <время><время>Норма;
в нижней строке: Режим Руч Дв. Откр/Закр.
3.7.3.2. Закрыть все двери (кабина - ДО, МО - пассажирский салон, ДО - улица с 2-х сторон поезда), на ЖКИ изменится информация в нижней строке:
Руч Дв. Закр.
3.7.3.3. Установить электронный ключ РЕЖИМ на контактное устройство КС, при этом на ЖКИ в нижней строке появляется информация:
Режим Авт Дв. Закр.
На БКИ включается светодиод желтого цвета Авт. пуск, на КС - светодиод зеленого цвета Авт.
3.7.3.4. Открыть одну дверь, при этом система перейдет в режим ручного пуска, на ЖКИ в нижней строке появится информация:
Режим Руч/Дв. Откр. Светодиоды Авт на БКИ и КС погаснут, на КС включится светодиод желтого цвета Руч.
3.7.3.5. Закрыть все двери. Информация, указанная в
п. 3.7.3.4, не изменится.
Примечания.
1. Переход системы СОТП из Авт режима в Руч происходит автоматически при открывании дверей, по истечении времени задержки контроля состояния дверей (3 мин) или с помощью электронного ключа РЕЖИМ.
2. Переход системы Руч в Авт режим возможен только при использовании электронного ключа РЕЖИМ.
3.7.4. Проверка функционирования системы в ситуации Внимание (контроль работы кнопки Звук на блоке БКИ, проверка сигнала СБРОС).
3.7.4.1. Перед началом проверки система должна быть в следующем исходном состоянии:
на блоке КС горит светодиод желтого цвета Руч;
на ЖКИ блока БКИ имеется информация:
в верхней строке: <время><время>Норма;
в нижней строке: Руч. Дв.Откр/Закр.
3.7.4.2. Нагреть (феном) один пожарный извещатель в шлейфе до появления на ЖКИ информации:
в верхней строке: <время><время>Внимание;
в нижней строке: Руч.Дв.Откр/Закр,
при этом на БКИ загорается светодиод желтого цвета Внимание и появится однотональный прерывистый звуковой сигнал в блоке БКИ.
3.7.4.3. Нажать кнопку Звук на панели блока БКИ, звук должен прекратиться и включится светодиод зеленого цвета Звук Откл.
3.7.4.4. Установить электронный ключ "СБРОС" на контактное устройство КС, система вернется в исходное положение (см.
п. 3.7.4.1).
Операцию выполнить после 10-ти минутного, естественного охлаждения пожарного извещателя.
3.7.5. Проверка выдачи извещения Неисправность.
3.7.5.1. Перед началом проверки система должна быть в исходном состоянии, приведенном в
п. 3.7.4.1.
Внимание! Вместо пиропатронов должны быть подключены к отсоединенным кабельным разъемам их имитаторы (лампочки или предохранители).
3.7.5.2. При обрыве цепи пиропатронов:
1) отсоединить нить 1 пиропатрона 2 (см.
схему электрическую принципиальную СОТП в РЭ);
2) на лицевой панели БКИ включится светодиод желтого цвета "Неисправность", сопровождаемый однотональным прерывистым звуковым сигналом;
3) нажать кнопку "Звук", звуковой сигнал должен отключиться и включиться светодиод Звук ОТКЛ;
4) на ЖКИ индицируется сообщение:
в верхней строке: <время><время> Неисправность;
в нижней строке: Руч Дв.Откр/Закр.
Нажать кнопку РЕЖИМ на панели блока БКИ, на ЖКИ при этом изменится информация:
в верхней строке: | ЛС = 00000 | Шлейф = 00 |
в нижней строке: | ПП = 01 | СДУ = 00, |
где цифра 1 указывает на обрыв цепи нити 1 пиропатрона 2;
цифра 0 свидетельствует об исправности остальных цепей пиропатронов;
5) восстановить связь с имитатором пиропатрона, при этом информация на ЖКИ возвратится в исходное положение:
в верхней строке: | <время> | <время> | Норма |
в нижней строке: | Руч | Дв.Откр/Закр. |
повторить проверки для всех остальных цепей пиропатронов.
3.7.6. Проверка функционирования СОТП при ситуации Пожар.
3.7.6.1. Перед началом проверки система должна быть в исходном состоянии - горит индикатор Питание на блоке БКИ.
Внимание! Вместо пиропатронов должны быть подключены к кабельным разъемам их имитаторы - лампочки или предохранители.
3.7.6.2. Нагреть (феном) два пожарных извещателя в шлейфе до появления на ЖКИ информации:
в верхней строке: | <время> | <время> | Пожар, |
в нижней строке: | Руч. | Дв. Откр/Закр. |
На панели БКИ должен загореться светодиод красного цвета Пожар и включиться звуковой сигнал блока БКИ и оповещателя Оса-110, установленного в кабине машиниста. Такой же звуковой сигнал должен появиться на всех ОСЗ вместе с надписью: "Газ! Уходи!".
3.7.6.3. Отключив звук (см.
п. 3.7.4.3), ключом "СБРОС" (см.
п. 3.7.4.4) перевести систему в исходное состояние.
3.7.7. Проверка функционирования СОТП в режиме ручного пуска.
3.7.7.1. Перед началом проверки система должна быть в состоянии, приведенном
п. 3.7.4.1.
Внимание! Вместо пиропатронов должны быть подключены их имитаторы - лампочки.
3.7.7.3. Нажать кнопку Пуск на панели КС, при этом кнопка должна загореться красным светом.
3.7.7.4. На блоке БКИ на ЖКИ появится информация:
в верхней строке: | <время> | <время> | Пуск, |
в нижней строке: | Руч Дв | Откр/Закр.<T, время до пуска модулей МПГ, равное 30с>. |
3.7.7.5. По истечении этого времени должны включиться (вспыхнуть) лампочки имитаторы пиропатрона ПП1.
3.7.7.6. В течение <= 5 с разомкнуть контакты СДУ на линии, где включились лампочки. При этом проходит команда Пуск прошел и на ЖКИ появится надпись Пуск прошел, над входной дверью в двигательный отсек из пассажирского салона должен загореться световой оповещатель: "Газ! Не входить!".
3.7.7.7. Оповещатель БКИ должен выдавать непрерывный звуковой сигнал Пуск прошел.
3.7.7.8. Отключить Звук и ключом "СБРОС" перевести систему в исходное состояние.
3.8. Порядок проведения текущего ремонта.
3.8.1. Текущий ремонт проводится с целью восстановления работоспособности системы пожаротушения на месте эксплуатации.
3.8.2. Самоконтроль системы и выдача извещения "Неисправность" производятся автоматически прибором "Гамма-01 ПКП".
3.8.3. Возможные неисправности и указания по их устранению приведены в
таблице В.3.2.
Таблица В.3.2.
Неисправности и указания по их устранению
Внешние проявления неисправности | Вероятная причина | Метод устранения |
Выключен индикатор "ПИТАНИЕ" на блоке БКИ. | Обрыв цепи питания, пропало напряжение сетевого питания | Устранить обрыв. Восстановить напряжение сетевого питания |
При закрытых дверях на ЖКИ имеется информация: ДВ.ОТКР. | Обрыв шлейфа контроля, дверей, неисправен или неправильно установлен датчик контроля дверей. | Устранить обрыв. Отрегулировать положение датчика. Заменить датчик. |
На ЖКИ имеется информация "НЕИСПР" Шлейф = 0100 или Шлейф = 0010 | Обрыв или короткое замыкание шлейфов пожарных извещателей. | Устранить обрыв. Устранить короткое замыкание. Заменить модуль МИ. |
На ЖКИ имеется информация "НЕИСПР" ПП = 00001000 | Обрыв цепи пиропатрона | Устранить обрыв |
На ЖКИ имеется информация "НЕИСПР" СДУ = 0001 | Обрыв цепи СДУ | Устранить обрыв линии связи |
На ЖКИ имеется информация "НЕИСПР" ЛС = 000100 | Обрыв линии связи между электронными модулями, неисправность модуля | Устранить обрыв. Заменить неисправный модуль. |
При контроле световых и звуковых оповещателей они не включаются | Обрыв линии связи с оповещателями. Неисправный звуковой оповещатель. | Устранить обрыв. Заменить звуковой оповещатель. |
Падение давления в блоке МПГ (выдвинут сигнальный шток). | Негерметичность резьбовых соединений. Неисправный индикатор давления. Сработала предохранительная мембрана. | Устранить негерметичность. Заменить индикатор давления. Заменить гайку с предохранительной мембраной в ЗПУ модуля |
Сработал модуль МПГ | Несанкционированное срабатывание. | Заменить корпус в сборе в ЗПУ модуля. Перезарядить модуль. Заменить пиропатрон Заменить УРП-7 |
Более подробное описание проведения всех видов ремонтов системы пожаротушения приведено в РЭ на СОТП для конкретного вида МВПС.
Б.3.2. САОТП
Техническое обслуживание в процессе эксплуатации.
3.1. Общие указания.
Техническое обслуживание (далее по тексту - ТО) САОТП является профилактическим мероприятием и предназначено для поддержания САОТП в технически исправном состоянии.
ТО САОТП выполнять совместно и в сроки с ТО электропоезда.
ТО САОТП должно выполняться обученным персоналом, ознакомленным с конструкцией и принципом работы САОТП.
3.2. Меры безопасности.
Все работы по ТО САОТП выполнять в соответствии с "
Правилами по охране труда при эксплуатации электроустановок" и "
Правилами технической эксплуатации электроустановок потребителей".
3.3. Виды и сроки ТО и ремонтов электропоезда.
Виды и сроки ТО и ремонтов электропоезда приведены в
таблице В.3.3.
Таблица В.3.3.
Виды и сроки ТО и ремонтов электропоезда
Вид технического | Вид технического | Вид технического |
VI | Визуальный технический осмотр | 25 000 +/- 20% |
I1 | Техническое обслуживание 1 | 50 000 +/- 20% |
I2 | Техническое обслуживание 2 | 100 000 +/- 20% |
I3 | Техническое обслуживание 3 | 200 000 +/- 20% |
I4 | Техническое обслуживание 4 | 400 000 +/- 20% |
I5 | Техническое обслуживание 5 | 600 000 +/- 20% |
I6 | Техническое обслуживание 6 | 800 000 +/- 20% |
R1 | Ремонт 1 | 1 600 000 +/- 20% |
R2 | Ремонт 2 | 2 000 000 +/- 20% |
R3 | Ремонт 3 | 2 800 000 +/- 20% |
R4 | Ремонт 4 | 3 200 000 +/- 20% |
3.3.1. Работы, проводимые при ТО и ремонтах САОТП приведены в
таблице В.3.4.
| | ИС МЕГАНОРМ: примечание. Нумерация таблиц дана в соответствии с официальным текстом документа. | |
Таблица В.3.3.
Работы, проводимые при ТО и ремонтах САОТП
Объект ТО | Вид работы по ТО | Виды ТО и ремонта |
| | VI | I1 | I2 | I3 | I4 | I5 | I6 | R1 | R2 | R3 | R4 | Прим. |
ПКИ, КВ, МАП, ИП | | | | |
| | ИС МЕГАНОРМ: примечание. В официальном тексте документа, видимо, допущена опечатка: имеется в виду п. 3.3.3, а не 9.3.3. | |
|
| | - | - | + | - | - | - | - | - | - | - | - | - |
УПТ | | | | |
| освидетельствование модуля газового пожаротушения (п. 9.3.5) | - | - | - | - | - | - | - | + | - | - | - | - |
Замену УПТ через 20 лет, замену ИЛТ, ИП, узла датчика давления УПТ через 10 лет, замену батареи аккумуляторной МАП каждые 4 года выполнять на ближайшем плановом ТО электропоезда.
3.3.2. Очистка дымовой камеры ИП от пыли.
3.3.2.1. Очистка дымовой камеры ИП выполняется на ближайшем плановом ТО электропоезда при выдаче САОТП информационного сообщения о запыленности дымовой камеры.
3.3.2.2. Очистка дымовой камеры ИП проводится в несколько этапов:
Рисунок В.3.1. Составные части ИП.
ИП состоит из: крышки 1, крышки дымовой камеры 2, основания с дымовой камерой 3, базового основания 4. В основании с дымовой камерой установлен датчик температуры 5.
1. Извлечение из базового основания и разборка ИП.
Для извлечения ИП из базового основания необходимо:
разблокировать отверткой с плоским шлицем по
ГОСТ 17199-88 (далее по тексту - отвертка) фиксирующий механизм базового основания, установив ее в окно базового основания, как показано на
Рисунке В.3.2, а затем повернуть ее вокруг своей оси на 90°;
удерживая отвертку в этом положении, извлечь ИП из базового основания повернув ИП за крышку в направлении по ходу часовой стрелки до упора.
Рисунок В.3.2. Схема извлечения ИП из базового основания.
Рисунок В.3.3. Основание с дымовой камерой (вид со стороны основания).
Для снятия крышки ИП необходимо:
взять ИП одной рукой таким образом, чтобы обеспечить доступ к карабинам крышки ИП для второй руки;
вывести из зацепления последовательно 4-е карабина крышки ИП оказывая на них давление в направлении от центра (направление усилия показано стрелками на
рисунке В.3.3);
разъединить крышку и основание с дымовой камерой.
3. Снятие крышки дымовой камеры.
Для снятия крышки дымовой камеры необходимо:
одной рукой взять основание с дымовой камерой, так чтобы дымовая камера была ориентирована вверх.
удерживая второй рукой крышку дымовой камеры, потянуть их в противоположных направлениях. При выполнении операций с крышкой дымовой камеры необходимо осторожно обращаться с температурным датчиком (поз. 5,
рисунок В.3.1), не допускать его изгибов.
4. Чистка ИП.
При проведении чистки дымовой камеры ИП необходимо:
4.1. чистить от пыли и грязи с помощью сжатого воздуха, давлением не более 3 атм. и чистой кисти, смоченной в спирте:
внутренние и наружные поверхности крышки дымовой камеры (поз. 2,
рисунок В.3.1); - внутренние и наружные поверхности дымовой камеры
(рисунок В.3.4);
Рисунок В.3.4. Элементы основания с дымовой камерой.
Рисунок В.3.5. Элементы ИП.
4.2. очистить от грязи с применением спирта:
внутренние и наружные поверхности крышки ИП (поз. 1,
рисунок В.3.1);
внутренние и наружные поверхности основания ИП (поз. 4,
рисунок В.3.1);
Разжать контакты базового основания путем приподнимания контакта на (4...5) мм
(рисунок В.3.6) относительно текущего положения.
Рисунок В.3.6. Контакты базового основания.
5. Сборка ИП.
Сборка ИП проводится в обратной последовательности по отношению к его разборке. Для сборки ИП необходимо:
а) установить крышку дымовой камеры на дымовую камеру, для этого:
продеть термочувствительный элемент дымовой камеры (поз. 5,
рисунок В.3.1) сквозь отверстие для термочувствительного элемента в крышке дымовой камеры
(рисунок В.3.5), совмещая при этом два треугольных указателя расположенных на крышке дымовой камеры и на дымовой камере (
рисунок В.3.4, или более укрупнено
рисунок В.3.5);
зафиксировать крышку дымовой камеры на основании с дымовой камерой, совместив направляющие на основании дымовой камеры
(рисунок В.3.4) с соответствующими отверстиями в крышке дымовой камеры
(рисунок В.3.5).
б) надеть крышку ИП, для этого:
вращая крышку ИП вокруг его оси совместить направляющие для карабинов основания с дымовой камерой ИП
(рисунок В.3.3) с соответствующими карабинами крышки ИП
(рисунок В.3.1), добиваясь равенства ширины карабина и направляющей для него (карабины, как и направляющие для них, имеют разную ширину);
сдавить основание и крышку ИП до защелкивания всех четырех карабинов крышки ИП
(рисунок В.3.1).
в) установить ИП в базовое основание, для этого:
вращая ИП вокруг его оси совместить выступы на ИП
(рисунок В.3.7) соответствующими пазами на базовом основании
(рисунок В.3.7) (комбинация выступов на ИП и пазов на базовом основании однозначно определяет положение, в котором ИП устанавливается в базовое основание);
установить ИП в базовое основание так, чтобы выступы основания зашли в пазы базового основания, и повернуть ИП по часовой стрелке до упора
(рисунок В.3.7).
Рисунок В.3.7. Установка ИП в базовое основание и проверка магнитом.
ВНИМАНИЕ! При установке ИП в базовое основание необходимо помнить о необходимости соблюдения соответствия адреса ИП схеме расположения ИП в вагоне электропоезда!
3.3.2.3. Проверка работоспособности САОТП после проведения ТО.
Проверка работоспособности САОТП состоит во включении питания и контроле прохождения начального теста. При успешном прохождении теста (на ПКИ отсутствуют сообщения о неисправностях) считать САОТП работоспособной.
После снятия ИП и обратной их установки в базовые основания необходимо убедиться в соответствии адресов ИП схеме их расположения.
Для этого необходимо с ПКИ перевести САОТП в соответствующий режим и последовательно размещая магнит рядом с каждым из ИП (на расстоянии около 20 мм от светодиода 1, который маркирован риской длиной около 2 мм
(рисунок В.3.7), контролировать на ПКИ соответствие адреса ИП схеме расположения ИП в вагоне электропоезда.
3.3.3. Очистка наружных поверхностей ПКИ, КВ, МАП, ИП от пыли.
Очистку наружных поверхностей ПКИ, КВ, МАП, ИП от пыли проводить в соответствии с рекомендациями
ГОСТ Р 54612-2011.
3.3.4. Замена аккумулятора МАП.
Замену аккумулятора МАП производить в следующем порядке:
1) Снять крышку МАП, для этого отвернуть 6 винтов крепления крышки с помощью отвертки с крестообразным шлицем
(рисунок В.3.7).
| | ИС МЕГАНОРМ: примечание. Нумерация рисунков дана в соответствии с официальным текстом документа. | |
Рисунок В.3.7. Снятие крышки МАП, отключение соединителя платы подключения.
2) Отсоединить кабель от платы подключения, для этого отвернуть винты крепления, расположенные на кабельной части соединителя и потянуть кабельную часть соединителя в направлении, указанном на
рисунке В.3.7.
3) Извлечь аккумуляторную батарею с установленной на ней платой подключения, для этого потянуть вверх за ленту, техническую капроновую, охватывающую аккумуляторную батарею
(рисунок В.3.8).
Рисунок В.3.8. Извлечение аккумуляторной батареи с платой подключении.
4) Снять ленту с аккумуляторной батареи.
5) Снять плату подключения, для этого отвернуть 3 винта крепления с помощью отвертки с крестообразным шлицем по
ГОСТ 17199-88 (рисунок В.3.9).
Рисунок В.3.9. Снятие платы подключения и скоб с аккумуляторной батареи.
6) Заменить аккумуляторную батарею на новую, предварительно сняв со старой скобы для крепления платы подключения
(рисунок В.3.9).
7) Собрать МАП.
Сборка МАП проводится в обратной последовательности относительно его разборки.
Для сборки МАП необходимо:
установить на новую аккумуляторную батарею на штатные места скобы для крепления платы подключения
(рисунок В.3.9);
установить на штатное место плату подключения с помощью винтов с шайбами
(рисунок В.3.9);
разместить ленту, техническую капроновую ориентировочно на середине аккумуляторной батареи и установить аккумуляторную батарею с платой подключения в корпус МАП с использованием ленты
(рисунок В.3.8);
установить на штатное место крышку МАП, закрепив ее шестью винтами с шайбами
(рисунок В.3.7).
| | ИС МЕГАНОРМ: примечание. Здесь и далее нумерация пунктов дана в соответствии с официальным текстом документа. | |
ТО УПТ (освидетельствование модуля газового пожаротушения, замену узла датчика давления, замену РВД, замену предохранительной мембраны, замену УПТ) проводить в соответствии с эксплуатационной документацией на УПТ: МЭЗ-1161.000РЭ и МЭЗ-1149.00.000РЭ (из комплекта эксплуатационной документации, поставляемой с САОТП).
3.3.5. Замена ИП.
Замену ИП производить установкой в базовое основание нового ИП с назначением ему адреса заменяемого ИП.
9.3.6. Замена ИЛТ.
Замену ИЛТ производить установкой нового ИЛТ с назначением ему номера в соответствии с электросхемой вагона.
В.4. Установки аэрозольного пожаротушения
1. Техническое обслуживание и ремонт.
1.1. Техническое обслуживание УАПВ необходимо проводить в соответствии с требованиями руководства по эксплуатации на данную установку.
1.2. При осмотре контролируется целостность и сохранность изделий, надежность их крепления, а также целостность подключения электрических проводов и защитных скоб на переключателях БУ-УАПВ.
Внимание! При проведении уборочных работ не допускается попадание влаги в ГОА и БУ-УАПВ.
В.5. Установки порошкового пожаротушения
1. Техническое обслуживание.
1.1. Проведение работ по техническому обслуживанию является одной из основных мер по поддержанию работоспособности установки пожаротушения, предупреждению поломок, аварий и несчастных случаев. Своевременное и правильное техническое обслуживание предупреждает появление неисправностей, увеличивает срок службы и надежность установки.
1.2. Техническое обслуживание и ремонт установки приурочивается к ТО и ТР электропоездов.
1.3. При проведении плановых технических обслуживании и ремонтов электропоездов выполняются работы по обслуживанию установки пожаротушения, указанные в
таблице В.5.1.
Таблица В.5.1.
Работы, проводимые при проведении плановых технических
обслуживании и ремонтов электропоездов, выполняются работы
по обслуживанию установки пожаротушения.
Наименование работ | Ежедневно | ТО2 | СТО | КР |
Визуальный контроль внешнего состояния составных частей установки | + | - | - | - |
Проверка правильности подсоединения разъемов пусковых узлов МПП | - | + | + | + |
Контроль срока годности МПП (р) | По бирке на МПП и данным паспорта |
Произвести замену в соответствии с отметкой в паспорте: | 1 раз в 10 лет +/- 20% |
УСП-101 | 1 раз в 10 лет +/- 20% (при переосвидетельствовании модуля) |
МПП | 1 раз в 10 лет +/- 20% (приурочить к переосвидетельствованию модуля) |
В.6. Системы пожарной сигнализации
1. Техническое обслуживание систем.
1.1. Проведение работ по техническому обслуживанию является одной из основных мер по поддержания работоспособности системы пожарной сигнализации, диагностики и информационного обеспечения. Своевременное и правильное техническое обслуживание предупреждает появление неисправностей, увеличивает срок службы и надежность системы.
1.2. Техническое обслуживание систем производится в соответствии с "Руководством по техническому обслуживанию систем пожарной сигнализации ПРИЗ-И (в модификациях ПРИЗ, ПРИЗ-О, ССЗН-И и других) моторвагонного подвижного состава", утвержденного Начальником Управления пассажирских перевозок Департамента пассажирских сообщений ОАО "РЖД" 20.11.2006 г N ЦЛПр-9/12, и руководством
ЛВ2.0015 СО "Электропоезда. Общее руководство по техническому обслуживанию и текущему ремонту", утвержденного
распоряжением ОАО РЖД от 03 декабря 2018 г. N 2548/р.
| | ИС МЕГАНОРМ: примечание. Нумерация пунктов дана в соответствии с официальным текстом документа. | |
13. Проверка работы системы "ПРИЗ-О" на электропоезде производится в соответствии с "Техническим описанием и инструкцией по эксплуатации" ДАЛР 27.00.00 ТО и ИЭ.
1.4. Проверка работы системы "ССЗН-И" на дизель- и электропоезде производится в соответствии с техническим описанием и инструкцией по эксплуатации ИС 2.00.01 ТО и ИЭ.
1.5. Проверка работы системы "ПРИЗ-О-Л" на дизель-поезде производится в соответствии с руководством по эксплуатации ДАЛР 58.00.00 РЭ.
1.6. Проверка работы системы "ПРИЗ" на электропоезде производится в соответствии с инструкцией по эксплуатации ИС1.00.00 ИЭ.
1.7. Проверка работы аппаратуры "АСО УПКУ" на дизель- и электропоезде производится в соответствии с руководством по эксплуатации ДАЛР 66.00.000 РЭ.
1.8. Проверка работы системы "СИМ" на дизель- и электропоезде производится в соответствии с техническим описанием и инструкцией по эксплуатации ДАЛР 52.00.000 ТО и ИЭ.
1.9. Проверка работы системы "БИС" на дизель- и электропоезде производится в соответствии с техническим описанием и инструкцией по эксплуатации ДАЛР 30.00.000 ТО и ИЭ ИС 2.00.01 ТО и ИЭ.
1.10. Проверка работы подсистемы "ПСВН" на дизель- и электропоезде производится в соответствии с инструкцией по эксплуатации ИС 50.00.00 ИЭ.
1.11. Проверка работы блока резервного питания "БРП" на дизель- и электропоезде производится в соответствии с руководством по эксплуатации ДАЛР 64.00.00 РЭ.
В.7. КТС-ПОС-ОД
1.1. Техническое обслуживание.
Техническое обслуживание (ТО) комплекса состоит из ТО извещателей и ТО оборудования систем комплекса КТС-ПОС-ОД. ТО проводится при плановых видах технического обслуживания электропоезда в соответствии с графиком, утвержденным начальником депо.
Виды ТО:
ТО-1 - техническое обслуживание - ежедневное;
ТО-2 - техническое обслуживание - от 72 до 96 часов;
ТО-3 - техническое обслуживание - пробег до 4000 км, но не более 7 дней.
Техническое обслуживание и необходимый ремонт комплекса должны проводиться с соблюдением предусмотренных мер безопасности.
Техническое обслуживание комплекса проводится при плановых видах технического обслуживания головного вагона электропоезда в соответствии с графиком, утвержденным начальником депо.
Техническое обслуживание ТО-1, ТО-2, ТО-3 предназначено для предупреждения неисправностей, поддержания изделия в работоспособном и санитарно-гигиеническом состоянии, обеспечивающем устойчивую безаварийную работу изделия и пожарную безопасность.
Выполнение в плановом порядке организационных и технических мероприятий по ТО регулируется
Положением о планово-предупредительном ремонте моторвагонного подвижного состава ОАО "РЖД, утвержденным распоряжением ОАО "РЖД" от 19 декабря 2016 г. N 2585р и контролируется начальником железной дороги.
Ответственность за исправное состояние комплекса возлагается на предприятии изготовитель в период действия гарантийного срока или на причастных работников депо по окончании действия гарантии.
ТО-1 изделия проводится локомотивными бригадами при приемке-сдаче электропоезда в пунктах смены локомотивных бригад, в пунктах отстоя электропоездов.
ТО-2 изделия проводится в пунктах отстоя электропоездов специалистами депо с участием локомотивной бригады.
ТО-3 проводится в депо специализированными и комплексными бригадами депо на основании схем и монтажного чертежа, входящих в комплект поставки.
При выявлении неисправностей комплекса, которые не могут быть устранены за время технического обслуживания, необходимо информировать дежурного по депо для решения вопроса об устранении неисправности или выделения другого электропоезда. Все замечания локомотивных бригад к состоянию и работе комплекса должны быть зафиксированы в журнале электропоезда.
ВНИМАНИЕ!
УСТРАНЕНИЕ НЕИСПРАВНОСТЕЙ И МОНТАЖ/ДЕМОНТАЖ ОБОРУДОВАНИЯ ПРОВОДИТЬ ПРИ ПОЛНОМ ОТСУТСТВИИ НАПРЯЖЕНИЯ ПИТАНИЯ В ЭЛЕКТРОПОЕЗДЕ ПРИ ОПУЩЕННЫХ ТОКОПРИЕМНИКАХ И ОТКЛЮЧЕННОЙ АККУМУЛЯТОРНОЙ БАТАРЕЕ.
Все работы по замене неисправного блока, составной части комплекса проводит персонал обслуживающей организации. При обращении на предприятие-изготовитель необходимо приложить соответствующую заполненную карту предварительной диагностики.
ВНИМАНИЕ!
ДЛЯ ОЧИСТКИ ПОВЕРХНОСТИ ЭКРАНА ДИСПЛЕЯ ПУЛЬТА КГ НЕ ДОПУСКАЕТСЯ ИСПОЛЬЗОВАНИЕ МОЮЩИХ ВОДНЫХ РАСТВОРОВ, ВЕТОШИ И ЧИСТЯЩИХ СРЕДСТВ.
1.2. Организация технического обслуживания.
Объем работ для различных видов технического обслуживания комплекса КТС-ПОС-ОД приведен в
таблице В.7.1.
Таблица В.7.1.
Объем работ для различных видов технического обслуживания
комплекса КТС-ПОС-ОД
Содержание работ | Вид обслуживания |
ТО-1 | ТО-2 | ТО-3 |
1 Техническое обслуживание КТС-ПОС-ОД | | | |
1.1. Произвести проверку на несанкционированное открытие дверей салона, кабины машиниста, служебного тамбура, а также открытие крышки ящика УАП | - | - | + |
1.2. Произвести проверку работы цепей диагностики ВЦ, СОТ, РБ, РН, ВВ | - | - | + |
1.3. Проверить наличие связи КГ с УПУ | - | - | + |
1.4. Проверить наличие связи КГ с радиостанцией | - | - | + |
1.5. Произвести проверку даты и времени, установленных в комплексе, при необходимости провести корректировку | - | - | + |
1.6. Произвести проверку работы комплекса на определение события "пожар" по срабатыванию последнего в шлейфе ИП (сокращенная проверка) в тестовом режиме в каждом вагоне | - | - | + |
1.7. Запустить ИТП в тестовом режиме | - | - | + |
1.8. Проверить работоспособность ИТВ-7 | - | - | + |
1.9. Проверить работоспособность пультов "пассажир-машинист" | - | - | + |
1.10. Проверить работоспособность усилителя УТ-100 | - | - | + |
1.11. Проверить работоспособность манипулятора (МНП) | - | - | + |
1.12. Проверить работоспособность пульта МНП (П МНП) | - | - | + |
1.13. При необходимости заменить неисправные блоки | - | - | + |
2. Техническое обслуживание ИТВ-8 | - | - | + |
2.1. Проверить работоспособность ИТВ-8 | - | - | + |
2.2. Проверить работоспособность блока питания ИТВ-8 | - | - | + |
2.3. Заменить неработоспособные ИТВ-8 и блоки питания ИТВ-8 | - | - | + |
1.3. Текущий ремонт.
1.3.1. Виды технического ремонта изделия:
ТР-1 - текущий ремонт - пробег до 40 тыс. км;
ТР-2 - текущий ремонт - пробег до 240 тыс. км;
ТР-3 - текущий ремонт - пробег до 480 тыс. км;
КР-1 - капитальный ремонт первого объема - пробег до 960 тыс. км;
КР-2 - капитальный ремонт второго объема - пробег до 2000 тыс. км.
1.3.2. Выполнение в плановом порядке организационных и технических мероприятий по ТР регулируется
Положением о планово-предупредительном ремонте моторвагонного подвижного состава ОАО "РЖД, утвержденным распоряжением ОАО "РЖД" от 19 декабря 2016 г. N 2585р и контролируется начальником железной дороги.
К работам по текущему ремонту допускается персонал предприятия-изготовителя, персонал предприятия-изготовителя покупных блоков или персонал обслуживающей организации, обученный на предприятии-изготовителе и имеющий сертификат.
С целью сокращения простоя изделия в неисправном состоянии ТР осуществляется преимущественно агрегатным методом, при котором производится замена неисправных или требующих капитального ремонта блоков и модулей на исправные из оборотного фонда. Оборотный фонд создается и поддерживается за счет поступления новых и отремонтированных блоков и модулей.
Объем работ для различных видов текущего ремонта приведен в
таблице В.7.2.
Таблица В.7.2
Объем работ для различных видов технического обслуживания
комплекса КТС-ПОС-ОД
Содержание работ | Вид обслуживания |
ТР-1 | ТР-2 | ТР-3 |
1 | 2 | 3 | 4 |
1. Техническое обслуживание КТС-ПОС-ОД | | | |
1.1. Проверить целостность кабелей системы (кабель К 1 "Кабель КГ", кабель К 2 "Радиостанция", кабель К 3 "КГ-ПС" (Пульт КГ), кабель К 4 "КГ-ПС" (Пульт ИТП), кабель К 5 "ПС - табло ИТП", кабель К 8 "УПУ", кабель К 9 "КООС") | + | + | + |
1.2. Проверить надежность крепления соединителей КГ, ПС, КВ, УТ-100, ИТП, УТ-100, ПС ПМ, УК, СУ, ИТВ-7 | + | + | + |
1.3. Проверить надежность крепления проводов электропоезда к клеммной колодке П95 (расположена на КВ в сборе) | + | + | + |
1.4. Проверить надежность крепления проводов электропоезда к клеммным колодкам П2 и П3 (кабель К1 "Кабель КГ") | + | + | + |
1.5. Проверить надежность крепления проводов УАЭП к источнику питания радиостанции (кабель К2 "Радиостанция") | + | + | + |
1.6. Проверить надежность крепления проводов (110В) к цепям электропоезда (кабель К5 "ПС-ИТП") | + | + | + |
1.7. Проверить надежность крепления проводов подсветки к цепям электропоезда (кабель К5 "ПС-ИТП") | + | + | + |
1.8. Проверить целостность предохранителей на всех КГ, КВ, ИТП, ИТВ-7 | + | + | + |
1.9. Проверить целостность линии связи (485 интерфейс) между КГ и контроллерами вагона | + | + | + |
1.10. Проверить наличие питания на контактах соединителя ХВ1 контроллеров вагона, наличие индикации "Питание" и "Линия" | + | + | + |
1.11. Проверить наличие оконечной R-цепочки в шлейфе | + | + | + |
1.12. Проверить номинал резистора в R-цепочке | + | + | + |
1.13. Проверить охранные и пожарные шлейфы на отсутствие короткого замыкания | + | + | + |
| + | + | + |
1.15. Произвести проверку на несанкционированное открытие дверей салона, кабины машиниста, служебного тамбура, а также открытие крышки ящика УАП | + | + | + |
1.16. Произвести проверку работы цепей диагностики ВЦ, СОТ, РБ, РН, ВВ | + | + | + |
1.17. Проверить наличие питания на контактах соединителя Х6 КГ, а также наличие индикации "Питание" | + | + | + |
1.18. Проверить наличие связи КГ с УПУ | + | + | + |
1.19. Проверить наличие связи КГ с радиостанцией | + | + | + |
1.20. Произвести проверку даты и времени, установленных в комплексе, при необходимости провести корректировку | + | + | + |
1.21. Произвести проверку работы комплекса на определение события "пожар" по срабатыванию последнего в шлейфе ИП (сокращенная проверка) в тестовом режиме в каждом вагоне | + | + | + |
1.22. Произвести проверку работы противопожарного клапана | + | + | + |
1.23. Запустить ИТП в тестовом режиме | + | + | + |
1.24. Проверить работоспособность ИТВ-7 | + | + | + |
1.25. Проверить работоспособность пультов "пассажир-машинист" | + | + | + |
1.26. Проверить работоспособность усилителя УТ-100 | + | + | + |
1.27. Проверить работоспособность манипулятора (МНП) | + | + | + |
1.28. Проверить работоспособность пульта МНП (П МНП) | + | + | + |
1.29. Проверить надежность крепления всех блоков системы | + | + | + |
1.30. Проверить целостность гарантийных наклеек на всех блоках системы | + | + | + |
1.31. Очистить наружные поверхности всех блоков системы | + | + | + |
1.32. Заменить неисправные блоки | + | + | + |
2. Техническое обслуживание ИТВ-8 | | | |
2.1. Проверить целостность кабелей соединения | + | + | + |
2.2. Проверить надежность крепления соединителей | + | + | + |
2.3. Проверить целостность гарантийных наклеек | + | + | + |
2.4. Очистить наружные поверхности ИТВ-8 | + | + | + |
2.5. Проверить работоспособность ИТВ-8 | + | + | + |
2.6. Проверить работоспособность блока питания ИТВ-8 | + | + | + |
2.7. Заменить неработоспособные ИТВ-8 и блоки питания ИТВ-8 | + | + | + |
1.3.3. Проверка работоспособности извещателей.
| | ИС МЕГАНОРМ: примечание. В официальном тексте документа, видимо, допущена опечатка: имеется в виду таблица В.7.3, а не 9. | |
Объем работ и рекомендуемая изготовителем периодичность технического обслуживания для проверки работоспособности извещателей приведен в
таблице 9. В связи с принятым на железнодорожном транспорте регламентом проведения технического обслуживания и технического ремонта, привязанным не к временным показателям, а к расстоянию, пройденному подвижной единицей с последнего ТО или ТР, рекомендуемые изготовителем периодичности:
1 раз в 6 месяцев проводить при ТО-3;
1 раз в 12 месяцев проводить при ТР-1.
Таблица В.7.3.
Проверка работоспособности извещателей
Наименование извещателя | Рекомендуемая изготовителем периодичность проверки | Объем работ |
Извещатель Пожарный ИП 332-1/3 (извещатель пламени) | 1 раз в 6 месяцев | Внешний осмотр извещателя, выявление механических повреждений на корпусе и входном окне фотоприемника, сохранение направления оси извещателя согласно проекту, очистку окна фотоприемника мягкой кистью |
1 раз в 12 месяцев | Внешний осмотр извещателя, выявление механических повреждений на корпусе и входном окне фотоприемника, сохранение направления оси извещателя согласно проекту, протирку входного окна фотоприемника или входного окна извещателя фланелью, смоченной ректификованным спиртом, проверку работоспособности и срабатывания извещателей. Для проверки срабатывания необходимо поднести источник огня (например, зажигалка) на расстояние 15 - 20 см в поле зрения извещателя. |
Извещатель пожарный типа ИП 212 - 44 СВ (извещатель дымовой) | 1 раз в 6 месяцев | Техническое обслуживание в процессе эксплуатации состоит из очистки узлов извещателя и проверки работоспособности. Чистку производить в следующей последовательности: 1) отсоединить извещатель от розетки; 2) очистить сетку извещателя от грязи и пыли с помощью пылесоса (отсосом воздуха) в течение одной минуты; 3) контакты извещателя и розетки протереть бязью, пропитанной спиртом по ГОСТ 18300. Проверку работоспособности извещателя проводить согласно п. 3.4 "Шм2.402.001 РЭ. Извещатели пожарные дымовые оптико-электронные. Руководство по эксплуатации". |
Извещатель пожарный ИП 101-10М/Ш BR (извещатель тепловой максимально-дифференциальный) | 1 раз в 12 месяцев | Внешний осмотр и чистку извещателя проводить в следующей последовательности: 1. Отключить извещатель и удалить с поверхности пыль и грязь. 2. Проверить надежность подключения внешних цепей к клеммным колодкам ППКП. 3. Подтянуть винты на клеммах, где крепление ослабло. 4. Ручной контроль извещателя осуществляется с помощью магнита, прикладываемого на время 3 - 5 сек. к голографической наклейке. При этом извещатель переходит из дежурного режима в режим "Пожар". |
Извещатель ИП 513-10 исп. 1 (извещатель пожарный ручной) | 1 раз в 6 месяцев | Проверку работоспособности извещателя проводить в следующей последовательности: 1) убедиться, что извещатель работает в дежурном режиме (зеленый сигнал); 2) снять пломбу с прозрачной крышки извещателя; 3) открыть прозрачную крышку извещателя; 4) нажать на кнопку; 5) убедиться, что появился тревожный сигнал (красный проблесковый сигнал); 6) убедиться, что тревожный сигнал сохраняется после снятия усилия, приложенного к кнопке; 7) вернуть кнопку в исходное состояние с помощью экстрактора; 8) убедиться, что появился зеленый проблесковый сигнал дежурного режима. |
В.8. Программно-аппаратный комплекс технических средств пожарной автоматики АСОТП "ИГЛА-М.5К-Т.У"
1. Проверка работоспособности блоков АСОТП
Для проверки работоспособности блоков системы необходимо убедиться, что электропитание приборов включено.
После включения питания ЦБКИ должен пройти проверку всех компонентов системы без ошибок и перейти в дежурный режим.
В состоянии "Норма" должен гореть зеленый светодиод на кнопке "1". Это состояние означает, что все блоки, подключенные к ЦБКИ, работают исправно.
2. Техническое обслуживание
Оперативные формы технического обслуживания должны проводиться не реже одного раза в месяц и включать в себя:
проведение внешнего осмотра состояния всех блоков;
проверка надежности крепления разъемов кабелей;
удаление пыли и грязи с наружных поверхностей.
Основные пожароопасные узлы моторвагонного подвижного
состава, причины пожаров и меры их предотвращения
Пожароопасные узлы | Причины пожара | Меры по предотвращению пожара, или требования к техническому состоянию | Примечания |
1 | 2 | 3 | 4 |
Цилиндры дизеля | Взрыв в картере и выброс пламени в дизельное помещение при прогарах днища поршня, обрыве головки, изломе тронковой части (юбки), поломке поршневых колец. | После запуска дизеля проверить отсутствие посторонних шумов и стуков. Перед началом работы дизеля под нагрузкой закрыть вентиль дренажной трубы, так как работа с открытым вентилем ведет к снижению количества воздуха, поступающего в цилиндры, и перегреву поршней. В пути следования следить по дифманометру за разряжением в картере, не допуская его снижения меньше установленного. | |
Коллекторы выпускные | Скопление топлива в коллекторе с последующим его воспламенением. Пробой газов через уплотнения смотровых крышек. | Не нарушать правил запуска и прогрева дизеля. Не допускать длительной работы дизеля на малых нагрузках. После запуска дизеля пропусков газов не должно быть. Затянуть гайки крепления крышек. | |
Дренажная система | Пропуск газов и несгоревших частиц продуктов сгорания через неплотности соединений дренажных труб с выпускными патрубками, запорным вентилем и других резьбовых соединений. Попадание их на поддон и другие промасленные поверхности. Засорение и прогар дренажных труб. | Проверить резьбовые соединения, при необходимости подтянуть. Проверить чистоту и протереть поверхность поддонов и другие, не допуская скоплений масла, топлива, а также неубранных концов, тряпок и так далее. После запуска дизеля убедиться в отсутствии пробоев газов. В установленные сроки дренажные трубы должны сниматься, отжигаться и очищаться. | |
Турбокомпрессор | Выброс искр от масла и несгоревшего топлива на крышу тепловоза. | Осуществлять промывку турбокомпрессора без съема с тепловоза. | |
Воздушный ресивер дизелей | Скопление масла в воздушном ресивере с последующим его воспламенением. | Не допускать длительной работы дизеля на малых нагрузках. | |
Трубопроводы топлива и масла | При неплотностях соединений трубопроводов или обрывах труб подвода масла к смазываемым узлам и агрегатам, топливных труб высокого давления и других, масло или топливо воспламеняются от попадания на горячие узлы дизеля, в особенности при попадании на выпускные коллекторы, выпускные патрубки, дренажные трубы и др. | После пуска дизеля убедиться в отсутствии течи через все виды соединений топливного и масляного трубопроводов и особенно в районе выпускного коллектора и дренажных труб. Обратить внимание на состояние масляных резинотканевых рукавов, не допуская эксплуатации с рукавами, имеющими выпучивание или трещины до корда. При обнаружении течи в пути следования на поврежденное место установить специальный хомут | Разработана замена резинотканевых рукавов упругими компенсирующими соединениями телескопического типа |
Топливный бак | Вытекание топлива по резьбе горловины, облив бака и попадание на него искр. Попадание искр в топливный бак при открытых горловинах. | При наборе топлива не переполнять бак. Уровень топлива должен быть на 50 мм ниже верхнего листа бака. После набора топлива или замера его уровня завинтить пробки, которые должны быть прикреплены к горловине цепочкой. | |
Аккумуляторная батарея | Искрение, выброс электролита, замыкания на корпус при повреждении резиновых чехлов. | Проверить состояние и исправность аккумуляторных батарей, отсутствие окислов и солей, отсутствие течи электролита. Все перемычки должны быть целы и надежно закреплены на выводах элементов. | |
Провода, подводящие ток к электрооборудованию агрегатов, механизмов и так далее. | Искрения и короткие замыкания в местах подвода проводов, особенно к электродвигателю топливоподкачивающего агрегата, электропневматическим вентилям, распределительным коробкам и так далее | Проверить целостность изоляции, надежность крепления проводов, наличие защиты от перетирания и дополнительной изоляции проводов на выходах из кондуитов, кожухов, клеммных коробок, штепсельных разъемов, от перетирания об острые кромки элементов конструкции. | |
Высоковольтные камеры | Несоответствие плавких вставок и предохранителей установленным характеристикам. Плохое состояние силовых и низковольтовых проводов и их изоляции. Плохое соединение проводов с аппаратами, приборами и др. узлами. Плохое состояние контакторов, реле и других контактных аппаратов. Отсутствие дугогасительных камер или не правильная их установка. Неисправность резисторов. | Проверить соответствие плавких вставок и предохранителей предусмотренным электрической схемой. Проверить плотность контактов в зажимах, состояние изоляционной поверхности вставки. Следов механических повреждений не должно быть. Не должно быть оплавлений, поджогов, изломов или трещин токоведущих деталей, выплавления припоя в месте контакта с кабельными наконечниками. Изоляция должна быть целой, чистой и сухой. Проверить плотность контакта, затяжку болтов, гаек, винтов, убедиться в наличии стопорящих деталей (шплинтов, шайб, контргаек) и правильности их установки. Провода, по той или иной причине, отключенные от схемы, должны быть тщательно заизолированы и закреплены в положении, исключающем возможность их соприкосновения с элементами и корпусом МВПС. | |
| | Контактные поверхности не должны иметь подгаров и оплавлений, прилегание их друг к другу должно обеспечивать плотный контакт. Износ, разрыв и нажатие контактов должны соответствовать установленным нормам. При уменьшении усилия нажатия против установленного значения производится регулировка аппарата или его замена. Проверить наличие дугогасительных камер и правильность их установки. Дугогасительная камера должна быть надежно закреплена на кронштейне контактора, а ее магнитные полюсы плотно прилегать к магнитным полюсам дугогасительной катушки. Зазоры между краями подвижного контакта и внутренними поверхностями стенок дугогасительной камеры должны допускать свободное движение подвижной части контактора при включении и выключении. Все детали камер должны быть чистыми, не иметь изломов, нагара, следов металлизации, копоти, мест, выгоревших более чем на половину толщины стенок, ослабления крепежных деталей. | |
| | Резисторы не должны иметь перегоревших витков, изоляторы должны быть чистыми, а подводящие провода и перемычки не иметь подгаров, оплавлений и механических повреждений. | |
Чердачные помещения вагонов дизель- и электропоездов | Короткое замыкание проводов к электродвигателям вентиляторов, не исправность нагревательных элементов электрокалориферов, неисправность электродвигателя вентилятора. | При ТО-1 осмотреть состояние электрокалориферов и подводящих проводов. Проверять работу вентиляторов на слух. Не допускать работы электрокалориферов с неработающим вентилятором. | |
Межвагонные соединения дизель- и электропоездов | Возникновение дуги и коротких замыканий при слабом контакте высоковольтных межвагонных соединений. | Проверить плотность установки и отсутствие подгаров контактов. | |
Тяговые электродвигатели | Ослабление контактов в коннекторных коробках, нарушения изоляции выводных проводов от перетирания или от воздействия влаги и пыли при утере крышек коннекторных коробок или неплотной их установке. Загорание вентиляционных брезентовых патрубков при возникновении кругового огня или коротких замыканий в тяговом электродвигателе. | Осмотреть состояние крепления контактов, удостовериться в наличии и плотной установке крышек коннекторных коробок. Осмотреть патрубки и убедиться в отсутствии подгаров, неплотностей и так далее | |
Нерабочая кабина машиниста | Загорания при включенном отоплении. | Не допускать работу отопления без постоянного наблюдения. | |
Перечень проектов по оборудованию МВПС установками пожарной
сигнализации и пожаротушения, разработанных ПКБ ЦТ
П.н. | Обозначение | Наименование | Серия МВПС |
Системы газового пожаротушения |
1 | ДП266.00.00 | Система газового пожаротушения | Д1 |
Системы аэрозольного пожаротушения |
2 | С844.00.00 | Оборудование электропоезда системой аэрозольного пожаротушения | ЭР2 до N 1027 |
3 | С847.00.00 | Оборудование электропоезда системой аэрозольного пожаротушения | ЭР2 с N 1028 |
4 | С853.00.00 | Оборудование электропоезда системой аэрозольного пожаротушения | ЭР2Р, ЭР2Т, ЭТ2 |
5 | С878.00.00 | Оборудование электропоезда системой аэрозольного пожаротушения | ЭР9П до N 344 |
6 | С881.00.00 | Оборудование электропоезда системой аэрозольного пожаротушения | ЭР9П с N 345, ЭР9М, ЭР9Е, ЭР9Т |
7 | С919.00.00 | Оборудование электропоезда системой аэрозольного пожаротушения | ЭД2Т |
Системы порошкового пожаротушения |
8 | С908.00.00 | Оборудование электропоезда системой порошкового пожаротушения | ЭР2 с N 1028 |
9 | С950.00.00 | Оборудование электропоезда системой порошкового пожаротушения | ЭР2Р, ЭР2Т, ЭД2Т |
10 | С951.00.00 | Оборудование электропоезда системой порошкового пожаротушения | ЭР9, ЭР9П до N 345 |
11 | С952.00.00 | Оборудование электропоезда системой порошкового пожаротушения | ЭР9П с N 345, ЭР9М, ЭР9Е, ЭР9Т |
Системы пожарной сигнализации |
12 | С836.00.00 | Система пожарной сигнализации "Приз-О" | ЭР2 |
13 | С948.00.00 | Система пожарной сигнализации "Приз-О" | ЭР2Р, ЭР2Т, ЭД2Т, ЭТ2 |
14 | С949.00.00 | Система пожарной сигнализации "Приз-О" | ЭР9, ЭР9П до N 345 |
15 | С953.00.00 | Система пожарной сигнализации "Приз-О" | ЭР9П с N 345, ЭР9М, ЭР9Е, ЭР9Т |
16 | С959.00.00 | Система пожарной сигнализации и видеонаблюдения "ССЗН-И-В" | ЭР2 до N 1028, ЭР9, ЭР9П до N 345 |
17 | С997.00.00 | Система пожарной сигнализации "Приз-И" | ЭД4М, ЭД4МК, ЭД9М, ЭД9МК |
НОРМАТИВНЫЕ ССЫЛКИ
В настоящих ТТ использованы ссылки на следующие документы:
Технический регламент Евразийского экономического союза "О требованиях к средствам обеспечения пожарной безопасности и пожаротушения"
(ТР ЕАС 043/2017).
Федеральный
закон от 22 июля 2008 г. N 123-ФЗ "Технический регламент о требованиях пожарной безопасности".
Правила противопожарного режима в Российской Федерации, утвержденные постановлением Правительства Российской Федерации от 16 сентября 2020 г. N 1479.
Правила технической эксплуатации железных дорог Российской Федерации, утвержденные приказом Министерства транспорта Российской Федерации от 21 декабря 2010 г. N 286.
Правила технической эксплуатации электроустановок потребителей, утвержденные приказом Министерства энергетики Российской Федерации от 13 января 2003 г. N 6.
Технический регламент Таможенного союза
ТР ТС 032/2013 "О безопасности оборудования, работающего под избыточным давлением".
Технический регламент Таможенного союза
ТР ТС 028/2012 "О безопасности взрывчатых веществ и изделий на их основе".
ГОСТ 8050-85 "Двуокись углерода газообразная и жидкая. Технические условия".
ГОСТ 12.2.007.0-75 "Система стандартов безопасности труда (ССБТ). Изделия электротехнические. Общие требования безопасности".
ГОСТ 15150-69 "Машины, приборы и другие технические изделия. Исполнения для различных климатических районов. Категории, условия эксплуатации, хранения и транспортирования в части воздействия климатических факторов внешней среды".
ГОСТ 17516.1-90 "Изделия электротехнические. Общие требования в части стойкости к механическим внешним воздействующим факторам".
ГОСТ 34394-2018 "Локомотивы и моторвагонный подвижной состав. Требования пожарной безопасности".
ГОСТ 34056-2017 "Транспорт железнодорожный. Состав подвижной. Термины и определения".
СП 5.13130.2009 "Системы противопожарной защиты. Установки пожарной сигнализации и пожаротушения автоматические. Нормы и правила проектирования".
Положение о планово-предупредительном ремонте моторвагонного подвижного состава ОАО "РЖД, утвержденное распоряжением ОАО "РЖД" от 19 декабря 2016 г. N 2585р.
Руководство
ЛВ2.0015 СО "Электропоезда. Общее руководство по техническому обслуживанию и текущему ремонту", утвержденное
распоряжением ОАО "РЖД" от 3 декабря 2018 г. N 2548/р.