Главная // Актуальные документы // ГрафикСПРАВКА
Источник публикации
М.: ЦИТП Госстроя СССР, 1987
Примечание к документу
Текст документа приведен с учетом
Изменения, опубликованного в "БСТ", N 5, 1990.
Название документа
"Пособие по проектированию фундаментов на естественном основании под колонны зданий и сооружений (к СНиП 2.03.01-84 и СНиП 2.02.01-83)"
(утв. Приказом Ленпромстройпроекта Госстроя СССР от 14.12.1984)
"Пособие по проектированию фундаментов на естественном основании под колонны зданий и сооружений (к СНиП 2.03.01-84 и СНиП 2.02.01-83)"
(утв. Приказом Ленпромстройпроекта Госстроя СССР от 14.12.1984)
Приказом Ленпромстройпроекта
Госстроя СССР
от 14 декабря 1984 года
ПОСОБИЕ
ПО ПРОЕКТИРОВАНИЮ ФУНДАМЕНТОВ НА ЕСТЕСТВЕННОМ
ОСНОВАНИИ ПОД КОЛОННЫ ЗДАНИЙ И СООРУЖЕНИЙ
(К СНиП 2.03.01-84 И СНиП 2.02.01-83)
Рекомендовано к изданию решением технического совета Ленпромстройпроекта Госстроя СССР.
Приведены указания по проектированию различных типов фундаментов и их расчет с помощью ЭВМ.
Для инженерно-технических работников проектных организаций.
При пользовании Пособием необходимо учитывать утвержденные изменения строительных норм и правил и государственных стандартов, публикуемые в журнале "Бюллетень строительной техники" Госстроя СССР, "Сборнике изменений к строительным нормам и правилам" и информационном указателе "Государственные стандарты СССР" Госстандарта СССР.
В Пособии содержатся основные положения по проектированию монолитных и сборных фундаментов под железобетонные и стальные колонны, их расчет и конструирование; приводятся указания по выбору оптимального варианта проектирования фундаментов, расчет и проектирование анкерных болтов и приемы армирования фундаментов.
Для облегчения труда проектировщиков приведены графики и таблицы для определения размеров фундаментов, примеры расчета и конструирования различных типов фундаментов.
Пособие разработано Ленпромстройпроектом - канд. техн. наук М.Е. Липницкий, В.А. Егорова; совместно с ЦНИИпромзданий - кандидаты техн. наук Н.А. Ушаков, А.М. Туголуков, Ю.В. Фролов; ПИ-1 - канд. техн. наук А.Л. Шехтман, А.В. Шапиро; НИИЖБом - кандидаты техн. наук Н.Н. Коровин, М.Б. Краковский; НИИОснований - д-р техн. наук Е.А. Сорочан.
1.1. Настоящее Пособие, разработанное к
СНиП 2.03.01-84 и
СНиП 2.02.01-83, распространяется на проектирование отдельных железобетонных фундаментов на естественном основании под колонны зданий и сооружений.
1.2. Проектирование оснований зданий и сооружений, то есть подбор размеров подошвы фундамента из расчета оснований, рекомендуется выполнять в соответствии со
СНиП 2.02.01-83 и "
Пособием по проектированию оснований зданий и сооружений (к СНиП 2.02.01-83)".
1.3. Нагрузки и воздействия на основания, передаваемые фундаментами сооружений, должны устанавливаться расчетом, как правило, исходя из рассмотрения совместной работы сооружения и основания или фундамента и основания. Учет нагрузок и воздействий в расчетах оснований рекомендуется выполнять в соответствии со
СНиП 2.02.01-83 и "
Пособием по проектированию оснований зданий и сооружений".
1.4. Проектирование фундаментов, эксплуатирующихся в агрессивной среде, производится с учетом требований
СНиП 2.03.11-85.
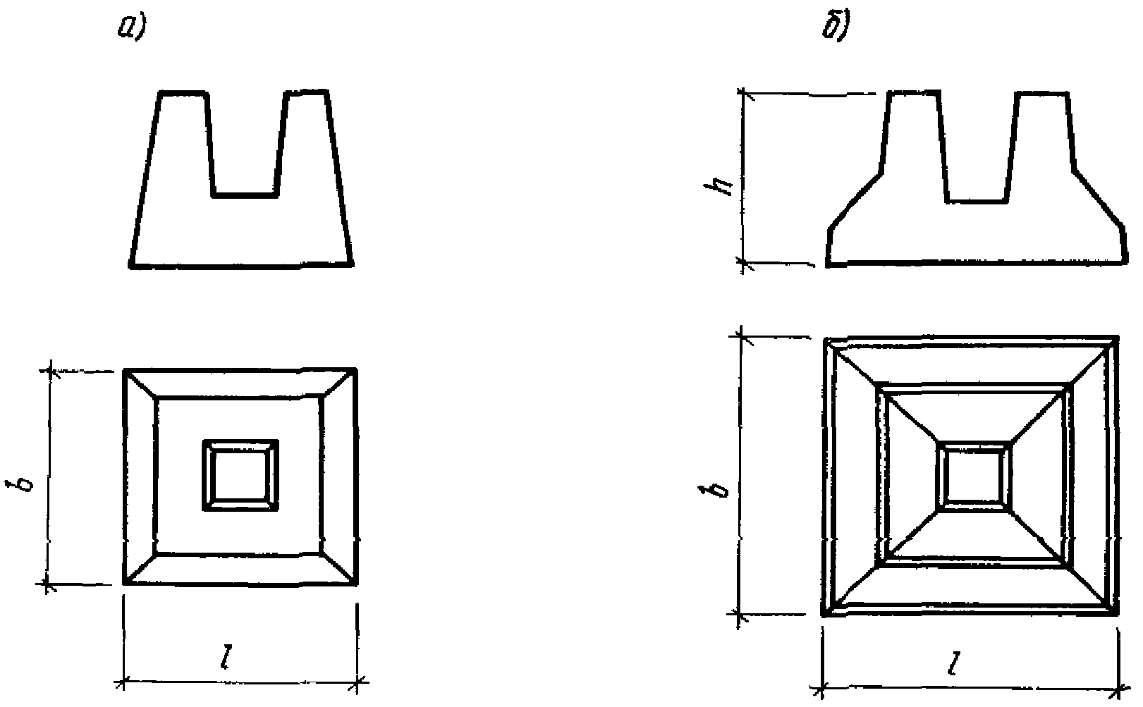
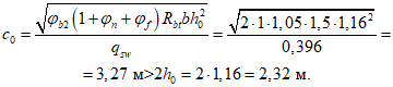
1.5. Применяемые в строительстве железобетонные фундаменты могут быть представлены следующими типами:
монолитные с применением многооборачиваемой инвентарной опалубки (черт. 1,
2);
сборные железобетонные из одного блока
(черт. 3);
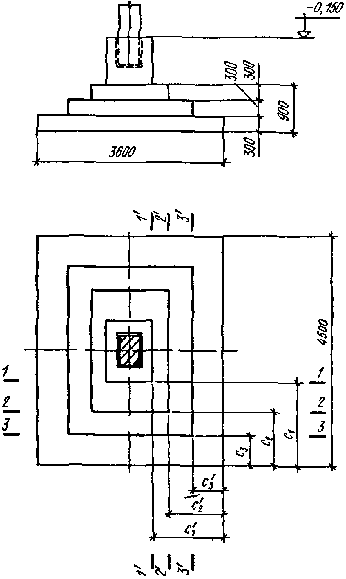
Черт. 1. Монолитные фундаменты стаканного типа
со ступенчатой плитной частью
Черт. 2. Монолитные фундаменты с пирамидальной
плитной частью
Черт. 3. Сборные железобетонные фундаменты
а - пирамидальные; б - с уширением плитной части
Черт. 4. Сборно-монолитные фундаменты с подколонниками
рамного типа
а - для зданий без подвала; б - для зданий с подвалом
Черт. 5. Сборно-монолитные фундаменты с подколонником,
состоящим из сборных плит и монолитного бетона
1 - сборные железобетонные плиты; 2 - монолитный бетон;
3 - металлические скрутки; 4 - петлевые выпуски
При этом рекомендуется расширять область применения монолитных конструкций фундаментов с учетом повышения технического уровня монолитного фундаментостроения. Сборные и сборно-монолитные фундаменты рекомендуется применять при технико-экономическом обосновании, подтверждающем целесообразность их применения, в соответствии с "Руководством по выбору проектных решений фундаментов".
2. РАСЧЕТ ОТДЕЛЬНО СТОЯЩИХ ФУНДАМЕНТОВ
ПОД ЖЕЛЕЗОБЕТОННЫЕ КОЛОННЫ
2.1. Расчет прочности фундаментов и определение ширины раскрытия трещин производится в соответствии с требованиями
СНиП 2.02.01-83 "Основания зданий и сооружений",
СНиП 2.03.01-84 "Бетонные и железобетонные конструкции",
СНиП 2.01.07-85 "Нагрузки и воздействия", а также "
Пособия по проектированию бетонных и железобетонных конструкций из тяжелых и легких бетонов без предварительного напряжения арматуры".
2.2. Расчет фундаментов по прочности включает определение высоты плитной части фундамента, размеров ступеней, арматуры плитной части, расчет поперечных сечений подколонника и его стаканной части и производится на основное или особое сочетание расчетных нагрузок, вводимых в расчет с коэффициентом надежности по нагрузке

.
2.3. Расчет элементов фундамента (плитной части и подколонника) по образованию и раскрытию трещин производится на основное или особое сочетание расчетных нагрузок при

.
2.4. Исходными данными для расчета фундаментов по прочности, кроме сочетаний расчетных нагрузок, являются:
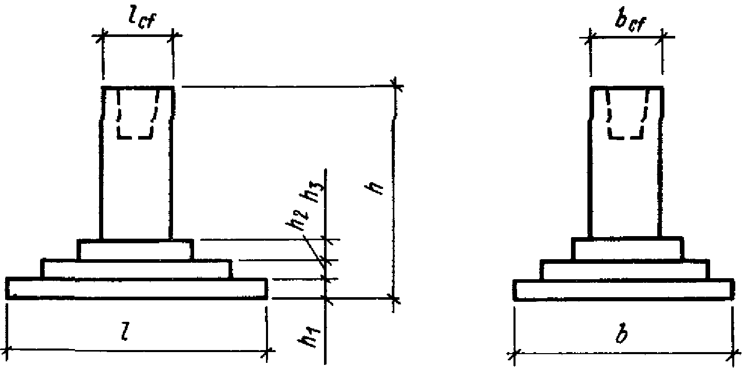
размеры в плане b и l подошвы плитной части фундамента, определяемые в соответствии с
п. 1.2;
полная высота фундамента h, определяемая глубиной заложения и отметкой обреза фундамента;
сечения колонны

,

и подколонника в плане

,

.
ОПРЕДЕЛЕНИЕ ВЫСОТЫ ПЛИТНОЙ ЧАСТИ ФУНДАМЕНТА
И РАЗМЕРОВ СТУПЕНЕЙ РАСЧЕТОМ НА ПРОДАВЛИВАНИЕ
2.5. Минимальная высота плитной части фундамента при соотношении сторон его подошвы b/l >= 0,5 определяется из расчета на продавливание. При этом продавливающая сила должна быть воспринята бетонным сечением плитной части фундамента, как правило, без постановки поперечной арматуры. В стесненных условиях (при ограничении высоты фундамента) допускается поперечная арматура.
2.6. Следует различать две схемы расчета на продавливание в зависимости от вида сопряжения фундамента с колонной:
1-я - при монолитном сопряжении колонны с фундаментом (
черт. 6, а) или подколонника с плитной частью фундамента при высоте подколонника

(
черт. 6, б), а также при стаканном сопряжении сборной колонны с высоким фундаментом - при высоте подколонника, удовлетворяющей условию

(
черт. 6, в). В этом случае продавливание плитной части рассматривается от низа монолитной колонны или подколонника на действие продольной силы N и изгибающего момента M;
2-я - при стаканном сопряжении сборной колонны с низким фундаментом - при высоте подколонника, удовлетворяющей условию
(черт. 7). В этом случае фундаменты рассчитываются на продавливание колонной от дна стакана и на раскалывание от действия только продольной силы
(п. 2.20).
Черт. 6. Виды сопряжений фундамента с колонной по 1-й схеме
расчета на продавливание
а - монолитное сопряжение колонны с плитной частью
фундамента; б - то же, при высоте подколонника

;
в - стаканное сопряжение колонны с высоким фундаментом
при

Черт. 7. Сопряжение сборной колонны с низким фундаментом
при

2.7. При опирании на фундамент двух или более колонн, а также двухветвевых колонн продавливание рассматривается при воздействии на фундамент условной колонны, размеры которой равны габаритам по наружным граням колонн, а глубина стакана принимается в уровне наиболее заглубленной колонны (черт. 8).
Черт. 8. Схемы продавливания фундамента
при опирании на него двух колонн
а - расположение колонн в одном уровне; б - расположение
колонн в разных уровнях; 1 - внутренняя грань стакана;
2 - наружная грань условной колонны
Расчет на продавливание по схеме 1 (см.
черт. 6)
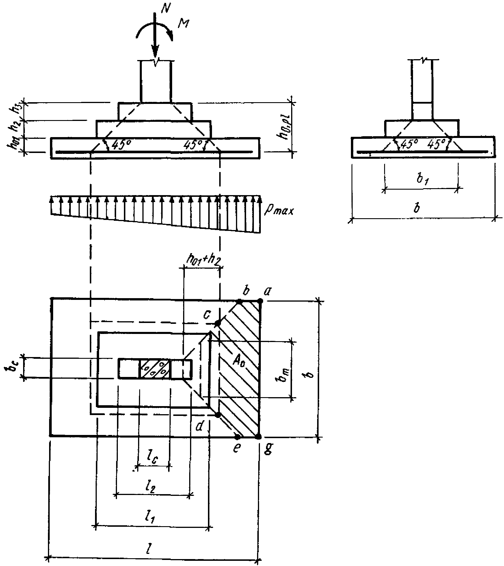
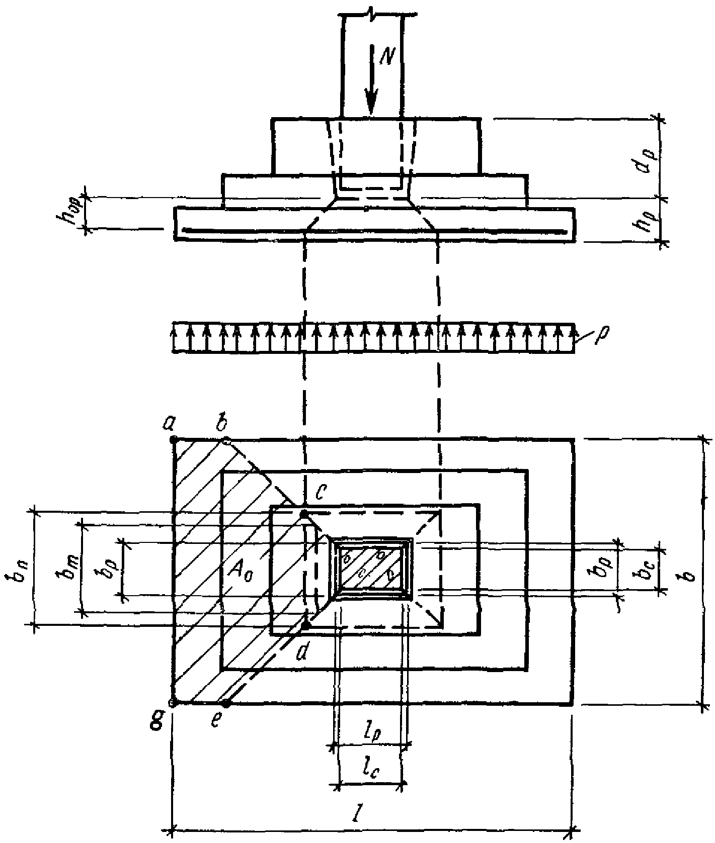
2.8. Расчет на продавливание плитной части центрально-нагруженных квадратных железобетонных фундаментов производится из условия

, (1)
где F - продавливающая сила;

- расчетное сопротивление бетона осевому растяжению, принимаемое с необходимыми коэффициентами условий работы

и

в соответствии с
табл. 15 СНиП 2.03.01-84 как для железобетонных сечений;

- среднеарифметическое значение периметров верхнего и нижнего оснований пирамиды, образующейся при продавливании в пределах рабочей высоты сечения


. (2)
При определении величин

и F предполагается, что продавливание происходит по боковой поверхности пирамиды, меньшим основанием которой служит площадь действия продавливающей силы (площадь сечения колонны или подколонника), а боковые грани наклонены под углом 45° к горизонтали
(черт. 9).
Черт. 9. Схема образования пирамиды продавливания
в центрально-нагруженных квадратных
железобетонных фундаментах
В
формуле (2) и последующих формулах раздела величины

,

заменяются размерами в плане сечения подколонника

,

, если продавливание происходит из нижнего обреза подколонника.
Величина продавливающей силы F принимается равной величине продольной силы N, действующей на пирамиду продавливания, за вычетом величины реактивного давления грунта, приложенного к большему основанию пирамиды продавливания (считая до плоскости расположения растянутой арматуры).
2.9. Расчет на продавливание центрально-нагруженных прямоугольных, внецентренно нагруженных квадратных и прямоугольных фундаментов
(черт. 10) также производится в соответствии с
п. 2.8 и
условием (1). При этом рассматривается условие прочности на продавливание только одной наиболее нагруженной грани пирамиды продавливания.
Величина продавливающей силы F в
формуле (1) принимается равной

, (3)
где

- часть площади основания фундамента, ограниченная нижним основанием рассматриваемой грани пирамиды продавливания и продолжением в плане соответствующих ребер (многоугольник abcdeg, см. черт. 10).
Черт. 10. Схема образования пирамиды продавливания
в центрально-нагруженных прямоугольных, а также
внецентренно нагруженных квадратных
и прямоугольных фундаментах

, (4)
при
(черт. 11) последний член в формуле (4) не учитывается;

- максимальное краевое давление на грунт от расчетной нагрузки, приложенной на уровне верхнего обреза фундамента (без учета веса фундамента и грунта на его уступах);
при расчете внецентренно нагруженного фундамента в плоскости эксцентриситета

, (5)
при расчете в перпендикулярной плоскости, а также для центрально-нагруженного фундамента

. (6)
Черт. 11. Схема образования пирамиды продавливания
во внецентренно нагруженных прямоугольных фундаментах
при

Средний периметр пирамиды продавливания

в
формуле (1) заменяется средним размером проверяемой грани

и вычисляется по формулам:
где

- размер сечения колонны или подколонника, являющийся верхней стороной рассматриваемой грани пирамиды продавливания.
2.10. При действии на фундамент изгибающих моментов в двух направлениях расчет на продавливание выполняется раздельно для каждого направления.
2.11. Рабочую высоту

центрально-нагруженных, внецентренно нагруженных квадратных и прямоугольных фундаментов можно определить по графику
Прил. 1, составленному на основании
условия 1.
2.12. Рабочую высоту

внецентренно нагруженных фундаментов можно определить также по формулам:

, (9)
где безразмерная величина

;

,

;

. (10)
2.13. Высота ступеней назначается в зависимости от полной высоты плитной части фундамента, которую можно получить добавлением толщины защитного слоя к рабочей высоте плитной части фундамента

и приведением полной высоты h к модульному размеру.
Высоту ступеней рекомендуется назначать в соответствии с
табл. 4 (см.
п. 4.7).
2.14. Вылеты ступеней фундамента определяются расчетом но продавливание в соответствии с положениями
п. 2.9. Вылет нижней ступени
(черт. 12) можно определить, предварительно задавшись шириной второй ступени

из условия

. (11)
Черт. 12. Схема образования пирамиды продавливания
в нижней ступени прямоугольных железобетонных
фундаментов
Величина силы F и величина среднего размера грани пирамиды продавливания первой ступени

принимаются равными:

; (12)
при

; (13)
при

, (14)
где

- площадь многоугольника

, равная

; (15)
при

последний член формулы (15) не учитывается.
2.15. Вылет нижней ступени

можно получить при условии равенства вылетов

(см.
черт. 12) по формуле

. (16)
Вылеты ступеней, при условии их равенства в двух направлениях (например,

), рекомендуется определять с помощью
Прил. 2, где приведены модульные размеры вылетов ступеней c для фундаментов из бетона класса В15

. При бетоне других марок и других значений

величины максимальных давлений грунта

умножаются на отношение

, где величина

- в МПа.
2.16. Вылет нижней ступени

принимается не более величин, указанных в
Прил. 3.
2.17. Вылет второй ступени фундамента определяется расчетом на продавливание аналогично вылету нижней ступени (
пп. 2.14,
2.15). При этом можно предварительно задаться размерами в плане третьей ступени пересечением линии AB (см.
черт. 12) с линией, ограничивающей высоту второй ступени, по формулам:

; (17)

. (18)
Окончательные размеры ступеней назначают с учетом модульности размеров фундаментов в соответствии с
табл. 4 и
пп. 4.4,
4.7.
2.18. Для некоторых частных случаев соотношений размеров ступеней проверка несущей способности плитной части производится следующим образом:
а) центрально- и внецентренно нагруженные прямоугольные фундаменты с верхней ступенью, одна из сторон которой

, а другая

(черт. 13).
Черт. 13. Схема образования пирамиды продавливания
в прямоугольных железобетонных фундаментах с верхней
ступенью размерами, при которых одна из сторон ступени

, а другая

Расчет на продавливание производится из условия

. (19)
Величина F вычисляется по
формуле (3), величины

и

принимаются равными:

; (20)

; (21)

- площадь многоугольника abcdeg, равна

, (22)
где

- рабочая высота нижней ступени фундамента.
Если

, то последний член формулы (22) не учитывается;
б) центрально- и внецентренно нагруженные прямоугольные фундаменты, имеющие в двух направлениях разное число ступеней (черт. 14).
Черт. 14. Схема образования пирамиды продавливания
в прямоугольных железобетонных фундаментах, имеющих в двух
направлениях разное число ступеней
Расчет на продавливание производится из условия

. (23)
Величина силы F определяется по
формуле (3). Величина среднего размера грани пирамиды продавливания

принимается равной

; (24)

- площадь многоугольника abcdeg, равна

. (25)
Если

, то последний член формулы (25) не учитывается.
Расчет на продавливание по схеме 2
2.19. Расчет на продавливание центрально- и внецентренно нагруженных стаканных фундаментов (низких) квадратных и прямоугольных в плане при высоте подколонника, удовлетворяющей условию

(см.
черт. 7), производится на действие только расчетной продольной силы

, действующей в уровне торца колонны:
на продавливание фундамента колонной от дна стакана;
на раскалывание фундамента колонной.
2.20. Расчетная продольная сила

, действующая в уровне торца колонны, определяется из условия

, (26)
где

- коэффициент, учитывающий частичную передачу продольной силы N на плитную часть фундамента через стенки стакана и принимаемый равным

, но не менее 0,85, (27)
где

- расчетное сопротивление бетона замоноличивания стакана принимается с учетом коэффициентов условий работы

,

по
табл. 15 СНиП 2.03.01-84;

- площадь боковой поверхности колонны, заделанной в стакан фундамента.
2.21. Проверка фундамента по прочности на продавливание колонной от дна стакана при действии продольной силы
(черт. 15) производится из условия

, (28)

- площадь многоугольника abcdeg (см.
черт. 15), равная

; (29)

. (30)
В формулах (29) и (30):

- рабочая высота пирамиды продавливания от дна стакана до плоскости расположения растянутой арматуры;

,

- размеры по низу меньшей и большей сторон стакана (см. черт. 15).
Черт. 15. Схема образования пирамиды продавливания
в стаканном фундаменте от действия только
продольной силы
2.22. Проверка фундамента по прочности на раскалывание от действия продольной силы
(черт. 16) производится из условий:
при

; (31)
при

; (32)
где

- коэффициент трения бетона по бетону, принимаемый равным 0,75;

- коэффициент, учитывающий совместную работу фундамента с грунтом и принимаемый равным 1,3; при отсутствии засыпки фундамента грунтом (например, в подвалах) коэффициент принимается равным 1;

,

- площади вертикальных сечений фундамента в плоскостях, проходящих по осям сечения колонны параллельно соответственно сторонам l и b подошвы фундамента, за вычетом площади стакана фундамента (см. черт. 16).
Черт. 16. Площади вертикальных сечений

и

при раскалывании стаканного фундамента
от действия только продольной силы
2.23. Из расчетов на продавливание и раскалывание по
пп. 2.21 и
2.22 принимается большая величина несущей способности фундамента.
В случае неармированного стакана фундамента дополнительно производится расчет на продавливание внецентренно нагруженных стаканных фундаментов квадратных и прямоугольных в плане от верха стакана по схеме 1 (см.
черт. 9,
10) из
условия (1). При этом величина расчетного сопротивления бетона осевому растяжению принимается с коэффициентом, равным 0,75.
РАСЧЕТ ПЛИТНОЙ ЧАСТИ ФУНДАМЕНТА НА ПОПЕРЕЧНУЮ СИЛУ
2.24. Для фундаментов при соотношении сторон подошвы b/l <= 0,5 дополнительно к проверке на продавливание следует выполнять проверку на действие поперечной силы. При вылете фундаментной плиты (или ступени)

проверка на действие поперечной силы выполняется из условия

; (33)
при

; (34)
где

- поперечная сила в расчетном сечении;

- средняя ширина в рассматриваемом i-м сечении;

- рабочая высота сечения.
Величина

определяется по эпюре давлений под подошвой фундамента, вычисляемых без учета собственного веса фундамента и грунта на его уступах.
2.25. При проектировании несимметричных фундаментов с малым вылетом фундаментной плиты или ступени, когда отношение рабочей высоты фундамента (или его ступени) превышает 0,6 вылета соответствующей консоли, при краевом давлении под подошвой фундамента

(10 кгс/см
2), следует провести расчет консоли фундаментной плиты (или его ступени) на действие поперечной силы из
условия (33).
РАСЧЕТ ПЛИТНОЙ ЧАСТИ ФУНДАМЕНТА НА ОБРАТНЫЙ МОМЕНТ
2.26. В ряде случаев - при неполном касании подошвы фундамента с грунтом или при треугольной эпюре давления на грунт и наличии к тому же значительных полезных нагрузок на пол, необходимо выполнять проверку прочности плитной части на обратный момент, возникающий от действия веса фундамента и грунта на его уступах и от размещенного на полу над фундаментом складируемого материала.
Обратный момент рекомендуется воспринимать бетонным сечением тела плитной части без постановки горизонтальной арматуры в растянутом сечении. В необходимых случаях, при соответствующем обосновании, может быть предусмотрено армирование растянутой зоны сечения.
При действии на фундамент обратных изгибающих моментов в двух направлениях проверка прочности плитной части производится раздельно для каждого направления.
2.27. Условие прочности при восприятии обратного момента бетонным сечением имеет вид

, (35)
где

- изгибающий обратный момент в рассматриваемом i-м сечении консольного выступа (по грани колонны или по граням ступеней);

- момент сопротивления для крайнего растянутого волокна i-го бетонного сечения.
Момент сопротивления

для крайнего растянутого волокна бетонного сечения определяется из условий:
для прямоугольных сечений (нижняя ступень)

; (36)
для тавровых сечений

, (37)
где

- момент инерции площади сечения сжатой зоны бетона относительно нулевой линии;

- статический момент площади сечения растянутой зоны бетона относительно нулевой линии.
Положение нулевой линии определяется из условия:

, где

- площадь растянутой зоны бетона.
2.28. Величина обратного изгибающего момента

определяется как сумма изгибающих моментов в рассматриваемом сечении от действия усредненного веса фундамента и грунта на его уступах и полезной нагрузки на пол q за вычетом момента от реактивного давления грунта по подошве фундамента

, (38)
где

- усредненный удельный вес фундамента и грунта на его уступах, принимаемый равным 20 кН/м
3 (2,0 тс/м
3);
d - глубина заложения фундамента от уровня планировки;

- расстояние от наименее нагруженного края фундамента до рассматриваемого сечения (по грани колонны или подколонника и по граням ступеней);

- изгибающий момент в рассматриваемом сечении от реактивного давления грунта по подошве фундамента.
2.29. Изгибающие моменты

в расчетных сечениях определяются от действия реактивного давления грунта по подошве фундамента, вычисляемого с учетом нагрузки от собственного веса фундамента, грунта на его уступах и полезной нагрузки на пол на всю ширину или длину фундамента.
В зависимости от вида эпюры давления грунта изгибающие моменты

в сечении i на расстоянии

от наименее нагруженного края фундамента можно вычислить по формулам:
при трапециевидной или треугольной эпюре давления грунта (при

) в направлении действия момента

(
черт. 17, а)

, (39)
где эксцентриситет продольной силы

; (40)
при неполном касании подошвы фундамента и грунта при

, для

(
черт. 17, б) в направлении действия момента


. (41)
Черт. 17. Расчетные схемы и сечения при проверке прочности
на обратный момент внецентренно нагруженного фундамента
а - при

; б - при

Аналогично вычисляются моменты

с заменой величин

, l соответственно на

, b;
при неполном касании подошвы фундамента и грунта при

, для

изгибающие моменты

.
2.30. При невыполнении
условия (35) сечение горизонтальной арматуры в растянутой зоне от действия обратного момента определяется по
формуле (43) для прямоугольного (для нижней ступени) или таврового сечений.
ОПРЕДЕЛЕНИЕ СЕЧЕНИЙ АРМАТУРЫ ПЛИТНОЙ ЧАСТИ ФУНДАМЕНТА
2.31. Сечение рабочей арматуры подошвы фундамента (

и

- соответственно вдоль сторон l и b) определяется из расчета на изгиб консольного вылета плитной части фундамента на действие отпора грунта под подошвой в сечениях по грани колонны или подколонника и по граням ступеней фундамента. Подбор арматуры

рекомендуется вести на ширину (длину) фундамента.
При действии на фундамент изгибающих моментов в двух направлениях расчет прочности плитной части производится раздельно для каждого направления.
Определение площади сечения арматуры в i-м расчетном сечении плитной части производится следующим образом: вычисляется значение

, (42)
где

- расчетный момент в расчетном сечении i;

- ширина сжатой зоны (в верхней части) рассматриваемого сечения;

- рабочая высота рассматриваемого сечения.
По
табл. 20 "Пособия по проектированию бетонных и железобетонных конструкций из тяжелых и легких бетонов без предварительного напряжения арматуры" в зависимости от значения

определяется величина v, площадь сечения арматуры вычисляется по формуле

, (43)
где

- расчетное сопротивление арматуры.
2.32. Изгибающие моменты в расчетных сечениях плитной части определяются от действия реактивного давления грунта по подошве фундамента без учета нагрузки от собственного веса фундамента и грунта на его уступах. В зависимости от вида эпюры давления грунта изгибающие моменты в i-м сечении на расстоянии

от наиболее нагруженного края фундамента вычисляются по формулам:
при трапециевидной и треугольной эпюрах давления грунта

в направлении действия момента

(
черт. 18, а, б)

; (44)
при неполном касании подошвы фундамента с грунтом

в направлении действия момента

(
черт. 18, в)

. (45)
Аналогично вычисляются моменты

с заменой величин

, l соответственно на

, b.
Черт. 18. Расчетные схемы для определения арматуры
внецентренно нагруженного фундамента
а - трапециевидная эпюра; б - треугольная эпюра;
в - треугольная эпюра с отрывом при

2.33. Определение сечений арматуры подошвы в наиболее распространенном случае - для внецентренно нагруженного фундамента при действии изгибающего момента в одном направлении, показано на черт. 19 и в
формулах (46) -
(57).
Черт. 19. Расчетные схемы и сечения при определении
арматуры внецентренно нагруженного фундамента при действии
изгибающего момента в одном направлении
Сечение арматуры, параллельной стороне l, в сечении 1-1 по грани колонны (см. черт. 19) на всю ширину фундамента определяется следующим образом:
вычисляется значение

, (46)
где

;
в зависимости от значения

определяется величина v; площадь сечения арматуры принимают по формуле

, (47)
то же, по граням ступеней в сечении 2-2 (см.
черт. 19):

, (48)
где

;

; (49)

, (50)
где

;

. (51)
Сечение арматуры, параллельное стороне b, в сечении по грани колонны 1'-1' (см.
черт. 19) на всю длину фундамента определяется следующим образом: вычисляется значение

, (52)
где

;
в зависимости от значения

определяется величина v; площадь сечения арматуры вычисляется по формуле

, (53)
то же, по граням ступеней в сечении 2'-2' (см.
черт. 19):

, (54)
где

;

; (55)

, (56)
где

;

. (57)

,

,

- изгибающие моменты на ширину фундаментов соответственно в сечениях 1-1, 2-2, 3-3;

,

,

- изгибающие моменты на длину фундамента соответственно в сечениях 1'-1', 2'-2', 3'-3'.
Армирование подошвы фундамента производится по наибольшей площади сечения арматуры, определяемой по
формулам (47),
(49),
(51) в одном направлении и
(53),
(55),
(57) - в другом.
Допускается обрыв стержней арматуры на консольных участках фундаментной плиты на расстоянии от грани подколонника (колонны) не ближе

при выполнении условия

, где

,

,

- максимальная поперечная сила, средняя ширина и рабочая высота i-го уступа на участке с уменьшенным армированием.
Обрываемая арматура должна быть заведена на длину не менее

за сечение, где она полностью используется.
При этом допускается обрыв менее 50% стержней, требуемых в сечении по грани подколонника (колонны).
РАСЧЕТ ПОПЕРЕЧНЫХ СЕЧЕНИЙ ПОДКОЛОННИКА
2.34. Проверка прочности бетонных и железобетонных подколонников производится по двум сечениям по их высоте:
прямоугольного сечения в уровне плитной части (сечение 1-1, черт. 20);
коробчатого сечения стаканной части в уровне заделанного торца колонны (сечение 2-2, см. черт. 20).
Черт. 20. Расчетные сечения бетонных
и железобетонных подколонников
2.35. Расчет прямоугольных сечений 1-1 производится на следующие величины расчетных усилий (вычисленных с учетом веса подколонника и нагрузок от опирающихся на него фундаментных балок): продольную силу N, изгибающие моменты

и

.
Расчет коробчатого сечения 2-2 производится на продольную силу

и изгибающие моменты

,

(в уровне заделанного торца колонны).
Величина продольной силы

принимается согласно указаниям
п. 2.20.
2.36. В общем случае расчет прямоугольного сечения 1-1 производится на косое внецентренное сжатие. В связи со сложностью вычислений рекомендуется производить его с использованием стандартных программ на ЭВМ или с помощью графиков несущей способности (см.
Прил. 5) - для железобетонных сечений, по формулам
Прил. 4 - для бетонных сечений.
2.37. В случае, если величина приведенного момента в одном направлении составляет не более 0,1 момента в другом, меньший момент допускается не учитывать, и сечение рассчитывается как внецентренно сжатое в одной плоскости.
2.38. При вычислении изгибающих моментов для прямоугольного сечения 1-1 должен учитываться случайный эксцентриситет

, как для элементов статически определяемых конструкций в соответствии с указаниями
п. 1.21 СНиП 2.03.01-84.
2.39. Для подколонников, находящихся в грунте, при соотношении

, а также подколонников с

при отсутствии засыпки грунтом коэффициент

принимается равным 1. В остальных случаях величину коэффициента

следует определять в соответствии с
пп. 3.6 и
3.24 СНиП 2.03.01-84. В этом случае расчетная длина подколонника принимается равной

(при наличии засыпки),

(при отсутствии засыпки).
2.40. Для выявления необходимости расчетного армирования подколонника в зоне прямоугольного сечения первоначально производится проверка его прочности как внецентренно сжатого бетонного сечения согласно
п. 3.5 СНиП 2.03.01-84.
Размеры сжатой зоны и ее площадь

для бетонных неармированных подколонников рекомендуется определять по формулам, приведенным в
Прил. 4 для четырех форм сжатой зоны в зависимости от величины эксцентриситетов.
Для форм сжатой зоны 1, 3 и 4 определяются размеры, площадь сечения сжатой зоны

и проверяется прочность бетона из условия

.
Для 2-й формы сжатия определяются размеры x и y и положение центра тяжести сжатой зоны

и

. Бетонное сечение удовлетворяет условиям прочности при выполнении условий:

,

.
При расчете бетонных подколонников по прочности расчетные сопротивления бетона следует принимать с необходимыми коэффициентами условий работы согласно
табл. 15 СНиП 2.03.01-84 (для бетонных конструкций

; при бетонировании подколонников в вертикальном положении при высоте слоя бетонирования более 1,5 м

).
При выполнении бетонных подколонников должны быть выполнены конструктивные требования
п. 4.23.
2.41. Проверка прочности прямоугольного железобетонного сечения 1-1 (см.
черт. 20) при действии момента в одной плоскости производится по
формулам (36) -
(39) СНиП 2.03.01-84.
При расчете прочности прямоугольных сечений железобетонных подколонников сжатую арматуру рекомендуется не учитывать. В этом случае армирование подколонника выполняется в соответствии с
п. 4.21.
Продольная арматура железобетонных подколонников должна быть подобрана с учетом требований по ширине раскрытия трещин (см.
разд. 2).
2.42. Расчет коробчатых сечений 2-2 (см.
черт. 20) производится как внецентренно сжатых железобетонных сечений на усилия, указанные в
п. 2.35 без учета величин

,

.
Для коробчатых сечений стаканной части подколонника продольную арматуру допускается определять на действие условных изгибающих моментов

,

без учета нормальной силы, раздельно для каждого направления изгиба.
Изгибающие моменты

,

определяют от действующих сил относительно точек k, k'
(черт. 21) поворота колонны. Моменты в плоскости x принимают равными:
при

; (58)
при

. (59)
Аналогично вычисляют изгибающие моменты

,

с заменой

,

,

соответственно на

,

,

.
Черт. 21. Расчетная схема стаканной части подколонника
1 - горизонтальные сетки
2.43. При расчете железобетонных подколонников расчетные сопротивления бетона следует принимать с необходимыми коэффициентами условий работы

в зависимости от характера учитываемых нагрузок (см.
табл. 15 СНиП 2.03.01-84).
2.44. Поперечная арматура стаканной части подколонника, выполняемая в виде горизонтальных сварных сеток, определяется в сечении 1-1 (см. черт. 21) по расчету на условные изгибающие моменты

,

, определяемые по
формулам (58) и
(59).
Площадь поперечной арматуры сеток (суммарная площадь стержней в одном направлении) определяется из уравнений:

;

, (60)
где

- площадь сечения всех стержней арматуры в одном направлении на i-м уровне;

- привязка сеток поперечной арматуры к торцу колонны.
2.45. При одинаковых диаметрах стержней арматуры сеток и одинаковой марке стали площадь сечения рабочей арматуры сварной сетки равна:
при

; (61)
при

. (62)
Аналогично определяется арматура

от изгибающих моментов

,

.
2.46. В случае действия продольной силы в пределах ядра сечения

поперечное армирование подколонника назначается конструктивно.
РАСЧЕТ ПОДКОЛОННИКА НА МЕСТНОЕ СЖАТИЕ
2.47. Расчет подколонника на местное сжатие (смятие) под торцом колонны (или ветви двухветвевой колонны) выполняется в соответствии с
пп. 3.39,
3.41 СНиП 2.03.01-84.
2.48. При расчете на местное сжатие дна стакана подколонника без поперечного (косвенного) армирования должно удовлетворяться условие

, (63)
где

- расчетная продольная сила в уровне торца колонны или ветви двухветвевой колонны, определяемая по
п. 2.20;

- коэффициент, равный при

- 1,0, при

- 0,75;

- расчетное сопротивление бетона смятию, определяемое по формуле

, (64)
где

, но не более 2,5, (65)
здесь

- призменная прочность бетона подколонника, принимаемая как для бетонных конструкций с учетом необходимых коэффициентов условий работы

,

по
табл. 15 СНиП 2.03.01-84;

- площадь поперечного сечения подколонника;

- площадь торца колонны или ветви двухветвевой колонны.
2.49. При невыполнении
условия (63) ниже дна стакана должны быть установлены сетки косвенного армирования, сечение арматуры которых и шаг стержней определяются по п. 2.50.
2.50. Несущая способность сечения при наличии сеток косвенного армирования определяется из условия

, (66)

- приведенная призменная прочность бетона при работе на местное сжатие, определяемая по формуле

, (67)
где

, но не более 3,5;

- расчетное сопротивление арматуры сеток.

; (68)

, (69)
где

- площадь сечения бетона внутри контура сеток;

,

,

- соответственно число стержней, площадь поперечного сечения и длина стержня в одном направлении (считая в осях крайних стержней);

,

,

- то же в другом направлении;
S - расстояние между сетками.

, (70)
где

; (71)

,

- в МПа.
2.51. Минимальное число сеток принимается равным 2 (см.
п. 4.28). При этом выполняется проверка на местное сжатие бетона в уровне нижней сетки по
условию (63). Площадь смятия

в
формуле (63) определяют как

, (72)
где z - расстояние от дна стакана до нижней сетки.
При невыполнении
условия прочности (63) следует увеличить число сеток до трех или четырех с соответствующей проверкой.
РАСЧЕТ ФУНДАМЕНТОВ ПО ОБРАЗОВАНИЮ И РАСКРЫТИЮ ТРЕЩИН
2.52. Расчет по образованию и раскрытию трещин плитной части фундамента и подколонника производится в соответствии со
СНиП 2.03.01-84.
Для коробчатого сечения подколонника 2-2 (по
черт. 20), а также для прямоугольного сечения 1-1 в подколонниках, процент армирования которых по одной стороне не превышает 0,008, или растягивающие напряжения

по наименее сжатой грани не превышают

, расчет по образованию и раскрытию трещин не производится.
Величина растягивающего напряжения определяется по формуле

. (73)
2.53. Расчет по образованию и раскрытию трещин плитной части фундамента производится для сечения, в котором требуется максимальное количество арматуры из расчета по прочности.
2.54. Проверка ширины раскрытия трещин не требуется, если от действия постоянных, длительных и кратковременных нагрузок, вводимых в расчет с коэффициентом надежности по нагрузке

, трещины не образуются. Расчет по образованию трещин, нормальных к продольной оси элемента, выполняется в соответствии с
пп. 4.5 -
4.7 СНиП 2.03.01-84.
2.55. Определение ширины

раскрытия трещин, нормальных к продольной оси элементов фундамента, производится в соответствии с указаниями
пп. 4.14 -
4.16 СНиП 2.03.01-84 и рекомендациями пп. 2.56 -
2.60 настоящего Пособия.
2.56. Проверка ширины раскрытия трещин для изгибаемой плитной части и внецентренно сжатого подколонника при однорядном армировании не производится в следующих случаях:
если коэффициент армирования сечения

, равный отношению площади сечения арматуры

или

к площади соответствующего сечения бетона при рабочей высоте

, для арматуры классов А-II и А-III более 0,02;
если при любом коэффициенте армирования сечения диаметр арматуры класса А-II не превышает 22 мм.
2.57. Расчет ширины раскрытия трещин, нормальных к продольной оси элемента, производится только один раз:
если

, то проверяется продолжительное раскрытие трещин от длительного действия постоянных и длительных нагрузок;
если

, то проверяется непродолжительное раскрытие трещин от действия полной нагрузки,
здесь

- изгибающий момент

от постоянных и длительных нагрузок;

- суммарный момент

от полной нагрузки, включающей и кратковременные нагрузки.
2.58. Ширина раскрытия трещин

, мм, определяется по формуле

, (74)
где

- коэффициент, принимаемый равным: при учете кратковременных нагрузок и непродолжительного действия постоянных и длительных нагрузок - 1, при учете продолжительного действия постоянных и длительных нагрузок для фундаментов, расположенных выше уровня грунтовых вод, и при переменном уровне грунтовых вод

; (75)
для фундаментов, расположенных ниже уровня грунтовых вод, - 1,2;

- коэффициент, принимаемый равным 1 при стержневой арматуре периодического профиля, при гладкой - 1,3;

- коэффициент армирования сечения, принимаемый равным отношению площади сечения арматуры к площади сечения бетона (при рабочей высоте

и без учета сжатых свесов полок), но не более 0,02;
d - диаметр арматуры, в мм, принимаемый при различных диаметрах стержней из условия

. (76)
Для слабоармированных элементов при

и

ширину раскрытия трещин от непродолжительного действия всех нагрузок допускается определять линейной интерполяцией между значением

при моментах:

; (77)
где

(78)

, но не более 0,6; (79)
b, h - ширина и высота сечения сжатой грани.
При этом ширина продолжительного раскрытия трещин от действия постоянных и длительных нагрузок определяется умножением

от действия всех нагрузок на отношение

, (80)
где

, но не менее

.
Момент сопротивления приведенного сечения для крайнего растянутого волокна

рекомендуется определять по формулам:
при расчете подколонников и плитной части фундамента (нижняя ступень) прямоугольного сечения

; (81)
при расчете плитной части ступенчатого фундамента таврового сечения

, (82)
где

,

- моменты инерции соответственно площади сечения сжатой зоны бетона и растянутой арматуры относительно нулевой линии.
2.59. Величину

допускается определять упрощенным способом по формуле

, (83)
где

- предельный момент по прочности, равный

,
где

- момент от действия полной нагрузки с коэффициентом надежности по нагрузке

;

- фактическая площадь принятой арматуры;

- площадь арматуры, требуемая по расчету прочности.
2.60. Ширина непродолжительного раскрытия трещин от действия полной нагрузки определяется как сумма ширины раскрытия от длительного действия постоянных и длительных нагрузок и приращения ширины раскрытия от действия кратковременных нагрузок, определяемого при коэффициенте

по формуле

, (84)
где

- ширина раскрытия трещин от кратковременного действия полной нагрузки;

- начальная ширина раскрытия трещин от постоянных и длительных нагрузок (при их кратковременном действии);

- ширина продолжительного раскрытия трещин от действия постоянных и длительных нагрузок.
2.61. Для фундаментов, находящихся в неагрессивной среде, при расположении элемента выше или ниже расчетного уровня грунтовых вод ширина непродолжительного раскрытия трещин

должна быть не более 0,4 мм, продолжительного - не более 0,3 мм. При расположении элемента в грунте при переменном уровне грунтовых вод ширина непродолжительного раскрытия трещин

должна быть не более 0,3 мм, продолжительного - не более 0,2 мм.
2.62. При наличии агрессивной среды предельно допустимая ширина раскрытия трещин принимается по
СНиП 2.03.11-85.
3. РАСЧЕТ ОТДЕЛЬНО СТОЯЩИХ ФУНДАМЕНТОВ ПОД СТАЛЬНЫЕ КОЛОННЫ
3.1. Основные размеры плитной части фундамента и подколонника по прочности и раскрытию трещин определяют так же, как и для фундаментов под железобетонные колонны (см.
разд. 2).
3.2. Отметка верха подколонника и размеры его в плане определяются в зависимости от размеров и принятого способа опирания башмака и метода монтажа стальных колонн (см.
п. 3.14).
Минимальные размеры подколонников стальных колонн определяются расположением анкерных болтов для крепления колонн, расстоянием от оси болта до края фундамента (см.
табл. 1 и
п. 3.13) и размерами опорных плит башмаков.
ФУНДАМЕНТНЫЕ БОЛТЫ, КОНСТРУКТИВНЫЕ УКАЗАНИЯ
3.3. Фундаментные болты для крепления строительных конструкций должны проектироваться в соответствии со
СНиП 2.09.03-85.
3.4. По конструктивному решению болты могут быть с отгибом, с анкерной плитой, прямые и конические (табл. 1).
Болты | С отгибом | С анкерной плитой | Прямые | Конические |
Диаметр (по резьбе) d, мм | 12 - 48 | 12 - 90 | 12 - 48 | 12 - 48 |
Эскиз | | | | |
Глубина заделки H | 25d | 15d | 10d | 10d |
Расстояние между осями болтов C | 6d | 8d | 5d | 10d |
Расстояние от оси болта до грани l | 4d | 6d | 5d | 10d |
3.5. По способу установки болты подразделяются на устанавливаемые до бетонирования фундаментов, в которые они заделываются (с отгибом и с анкерной плитой), и устанавливаемые на готовые фундаменты в колодцы или скважины (прямые, изогнутые и конические).
3.6. По условиям эксплуатации болты подразделяются на расчетные и конструктивные:
к расчетным относятся болты, воспринимающие нагрузки, возникающие при эксплуатации строительных конструкций;
к конструктивным относятся болты, предусматриваемые для крепления строительных конструкций, устойчивость которых против опрокидывания или сдвига обеспечивается собственным весом конструкции.
3.7. Болты с отгибом и анкерной плитой могут применяться для крепления строительных конструкций без ограничений.
Болты, устанавливаемые в скважины, не следует применять для крепления несущих колонн зданий и сооружений, оборудованных мостовыми кранами, а также для высотных зданий и сооружений, ветровая нагрузка для которых является основной.
3.8. Марку сталей расчетных болтов, эксплуатируемых при расчетной зимней температуре наружного воздуха до минус 65 °C включ., следует назначать согласно табл. 2.
Таблица 2
Расчетная зимняя температура наружного воздуха, °C | Минус 40 °C и выше | От минус 40 до минус 50 °C | От минус 51 до минус 65 °C включ. |
| | ИС МЕГАНОРМ: примечание. Приказом Ростехрегулирования от 20.07.2007 N 185-ст с 1 января 2008 года введен в действие ГОСТ 380-2005. | |
|
| | ИС МЕГАНОРМ: примечание. Взамен ГОСТ 19281-73 Постановлением Госстандарта СССР от 28.09.1989 N 2972 с 1 января 1991 года введен в действие ГОСТ 19281-89. | |
|
Марка стали | Вст3кп2 по ГОСТ 380-71 | 09Г2С-6 10Г2С1-6 по ГОСТ 19281-73 | 09Г2С-8 10Г2С1-8 по ГОСТ 19281-73 |
Примечание. Болты допускается изготавливать из других марок стали, механические свойства которых не ниже свойств марок сталей, указанных в таблице.
3.9. Для болтов диаметром 56 мм и более при расчетной зимней температуре минус 40 °C и выше допускается применять низколегированную сталь марок 09Г2С-2 и 10Г2С1-2 (ГОСТ 19281-73).
3.10. При расчетной зимней температуре наружного воздуха до минус 65 °C низколегированные стали марок 09Г2С-8 и 10Г2С1-8 должны иметь ударную вязкость не ниже 30 Дж/см2 (3 кгс x м/см2) при температуре испытания минус 60 °C.
3.11. Конструктивные болты во всех случаях (при расчетной зимней температуре до минус 65 °C) допускается изготавливать из стали марки Вст3кп2 по ГОСТ 380-71.
3.12. Минимальную глубину заделки болтов в бетон H для бетона класса В12,5 и стали марки Вст3кп2 следует принимать по
табл. 1.
Для других марок сталей болтов или классов бетона глубину заделки болтов H' следует определять по формуле

, (85)
где

- отношение расчетного сопротивления растяжению бетона класса В12,5 к расчетному сопротивлению бетона принятого класса;

- отношение расчетного сопротивления растяжению металла болтов принятой марки стали к расчетному сопротивлению стали марки Вст3кп2.
Для болтов диаметром 24 мм и более, устанавливаемых в скважинах готовых фундаментов, коэффициент

следует принимать равным 1.
3.13. Для конструктивных болтов с отгибами глубину заделки в бетон допускается принимать равной 15d, для болтов с анкерными плитами - 10d, для болтов, устанавливаемых в скважины, - 5d.
Минимальные допускаемые расстояния между осями болтов C и от оси крайних болтов до граней фундамента l приведены в
табл. 1.
Расстояния между болтами, а также от оси болтов до грани фундамента допускается уменьшать на 2d при соответствующем увеличении глубины заделки на 5d.
Кроме того, расстояние от оси болта до грани фундамента допускается уменьшать на один диаметр при наличии армирования вертикальной грани фундамента в месте установки болта.
Во всех случаях расстояние от оси болта до грани фундамента должно быть не свыше, мм:
100 для болтов диаметром до 30 мм включ.
150 " " " 48 " "
200 " " св. 48 " "
3.14. В зависимости от способа монтажа стальных колонн определяются отметка верха фундамента и дополнительные требования при его возведении.
При безвыверочном монтаже стальных колонн, имеющих фрезерованный торец и строганую плиту башмака, требуется устройство подливки под плитой башмака толщиной 50 - 70 мм, что и определяет отметку верха фундамента.
При монтаже стальных колонн с башмаком в виде плиты, приваренной к стержню колонны, выполняется выверка колонны, для этого анкерные болты должны иметь дополнительные гайки и шайбы, располагаемые под опорной плитой башмака, на которые устанавливается колонна во время монтажа.
При таком способе монтажа стальных колонн требуется устройство подливки под плитой башмака толщиной 100 - 150 мм; анкерные болты при этом снабжены гайками и шайбами, расположенными выше и ниже плиты башмака.
Монтаж стальных колонн с облегченной выверкой обеспечивает точность установки колонн при уменьшении сложности их изготовления.
3.15. Установка анкерных болтов при возведении фундаментов требует наличия специальных кондукторов.
Рекомендуется анкерные болты выполнять объединенными в жесткие блоки, установка которых строго фиксируется при бетонировании фундаментов.
3.16. Расчетные сопротивления металла болтов растяжению

следует принимать по
табл. 60 прил. 2 СНиП II-23-81.
3.17. Диаметры, площади сечения болтов по резьбе и расчетные сопротивления разрыву следует принимать по табл. 3.
Таблица 3
Диаметр резьбы болтов d, мм | Площадь сечения резьбы Asa, см2 | Расчетное усилие на болт, МН (тс), при марке стали |
Вст3кп2 | 09Г2С | 10Г2С |
М10 | 0,523 | 0,00722 | 0,72 | 0,00920 | 0,94 | 0,00947 | 0,97 |
М12 | 0,768 | 0,01061 | 1,10 | 0,0135 | 1,39 | 0,0139 | 1,43 |
М16 | 1,44 | 0,0199 | 2,06 | 0,0253 | 2,61 | 0,0261 | 2,68 |
М20 | 2,25 | 0,0310 | 3,22 | 0,0396 | 4,08 | 0,0408 | 4,18 |
М24 | 3,24 | 0,0448 | 4,63 | 0,0541 | 5,87 | 0,0587 | 6,02 |
М30 | 5,19 | 0,0717 | 7,42 | 0,0914 | 9,39 | 0,0939 | 9,64 |
М36 | 7,59 | 0,1048 | 10,85 | 0,1301 | 13,33 | 0,1301 | 13,33 |
М42 | 10,34 | 0,1428 | 14,76 | 0,1772 | 18,19 | 0,1772 | 18,19 |
М48 | 13,80 | 0,1905 | 19,71 | 0,2366 | 24,26 | 0,2366 | 24,26 |
М56 | 18,74 | 0,2588 | 26,76 | 0,3212 | 33,05 | 0,3212 | 33,05 |
М64 | 25,12 | 0,3468 | 35,90 | 0,4187 | 43,05 | 0,4067 | 41,90 |
М72 | 32,23 | 0,4450 | 46,00 | 0,5371 | 55,24 | 0,5218 | 53,71 |
М80 | 40,87 | 0,5644 | 58,38 | 0,6811 | 70,10 | 0,6617 | 68,10 |
М90 | 53,68 | 0,7413 | 76,67 | 0,8691 | 89,43 | 0,8691 | 89,43 |
Примечание. Расчетные площади определены по СТ СЭВ 182-75.
3.18. Площадь поперечного сечения болтов по резьбе

следует определять по формуле

, (86)
где P - расчетная нагрузка, действующая на болт;

- расчетное сопротивление материала болта.
3.19. Для сквозных стальных колонн, имеющих раздельные базы
(черт. 22), величина расчетной нагрузки P, приходящаяся на один болт, определяется по формуле

, (87)
где N, M - соответственно продольная сила и изгибающий момент в сквозной колонне;
h - расстояние между осями ветвей сквозной стальной колонны;
n - число болтов крепления ветви.
Черт. 22. Схема сквозной стальной колонны
1 - анкерный болт
3.20. Для баз стальных колонн сплошного типа
(черт. 23) величина расчетной нагрузки, приходящаяся на растянутые болты, определяется в соответствии с указаниями
п. 3.20, с
формулами (38),
(39) СНиП 2.03.01-84 для внецентренно сжатых железобетонных элементов прямоугольного сечения.
Черт. 23. Расчетная схема для определения усилий
в анкерных болтах стальной колонны сплошного типа
1 - анкерный болт
Расчетное усилие P в анкерном болте рекомендуется определять по формуле

, (88)
где

- расчетное сопротивление бетона осевому сжатию с учетом коэффициентов

,

,

;

- ширина опорной плиты базы колонны;
N - продольная сила в колонне;
n - число растянутых болтов, расположенных с одной стороны базы колонны;
x - высота сжатой зоны бетона под опорной плитой базы колонны, определяемая по формуле

, (89)
где

- расстояние между анкерами (см.
черт. 23);

,

- соответственно длина и ширина опорной плиты;

- эксцентриситет продольной силы.
Высота сжатой зоны x ограничивается условием

, (90)
где

. (91)
При расчете коэффициента условий работы

в формуле (91) вместо 400 подставляется 500 МПа.
3.21. Все болты должны быть затянуты на величину предварительной затяжки V, которую необходимо принимать равной V = 0,75P.
3.22. Болты следует затягивать, как правило, с контролем величины крутящего момента M, значение которого следует определять по формуле

, (92)
где V - усилие затяжки, определяемое по
п. 3.21;

- коэффициент, учитывающий геометрические размеры резьбы, трение на торце гайки и в резьбе, принимается по
Прил. 6.
3.23. Сдвигающую силу от стальной колонны на фундамент допускается передавать через силу трения, возникающую под опорной плитой базы колонны от действия сжимающей продольной силы с учетом усилий затяжки болтов.
Для сквозных стальных колонн, имеющих раздельные базы под ветви колонны, сдвигающая сила Q, действующая в плоскости изгибающего момента, воспринимается силой трения под сжатой ветвью колонны и определяется по формуле
Q <= f(0,5N + M/h), (93)
где f - коэффициент трения, равный 0,25.
Для стальных колонн сплошного типа, а также для сквозных колонн при действии сдвигающей силы из плоскости изгибающего момента, сдвигающая сила воспринимается трением от силы затяжки болтов и определяется по формуле

, (94)
где n - число болтов крепления сжатой ветви для сквозной колонны или (для колонны сплошного типа) число сжатых болтов, расположенных с одной стороны базы колонны;
N - минимальная продольная сжимающая сила, соответствующая нагрузкам, по которым определяется сдвигающая сила.
Если
условия (91) и
(92) не удовлетворяются, требуется предусмотреть передачу сдвигающей силы от стальной колонны на фундамент с помощью упорных элементов, заделанных в тело фундамента.
СБОРНО-МОНОЛИТНЫЕ ФУНДАМЕНТЫ СТАЛЬНЫХ КОЛОНН
3.24. Сборно-монолитные фундаменты, рекомендуемые для применения в строительстве, показаны на
черт. 4,
5 (см.
п. 1.4).
Эти фундаменты могут быть использованы под стальные колонны прокатных цехов.
3.25. Особенностью рамных двухветвевых подколонников (см.
черт. 4) является способ сопряжения стоек с оголовком.
Для зданий без подвала рамные двухветвевые подколонники рекомендуется выполнять с жестким сопряжением стоек с оголовком. В зданиях с подвалом (при увеличенном разносе стоек подколонника для опирания на них конструкций подвала без консолей, см.
черт. 4, б) оголовок подколонника не полностью опирается на стойки подколонника, образуя с ними условное шарнирное соединение, и включается в работу на поперечную силу и изгиб.
Расчет рамного двухветвевого подколонника дан в
примере 3.
3.26. Особенностями сборно-монолитных фундаментов, состоящих из монолитной плитной части, сборных вертикальных плит, устанавливаемых по коротким, наиболее нагруженным сторонам фундамента, и бетонного заполнения между плитами (см.
черт. 5), являются:
применение сборных плит, включающих всю вертикальную арматуру подколонника и являющихся элементами несъемной опалубки и опорами кондукторов для установки анкерных болтов;
обеспечение совместной работы сборного и монолитного бетонов.
3.27. Сборные элементы подколонника могут выполняться в виде плоских или ребристых плит, устанавливаемых в стаканы плитной части фундамента.
При необходимости армирования всех граней подколонника арматурные сетки устанавливаются в монолитном бетоне.
3.28. Совместная работа сборных элементов с монолитным бетоном подколонника обеспечивается петлевыми арматурными выпусками, шероховатостью поверхности, поперечными и продольными ребрами (при наличии).
Для связи плоских сборных элементов с плитной частью фундамента в сборных элементах в пределах стакана предусматриваются шпонки (черт. 24).
Черт. 24. Сопряжение сборных элементов с монолитной частью
сборно-монолитного фундамента
3.29. Расчет сборно-монолитных подколонников на эксплуатационные нагрузки рекомендуется производить как для внецентренно сжатых бетонных или железобетонных элементов без учета сжатой арматуры.
Проверка прочности внецентренно сжатого бетонного подколонника, когда растянутая арматура для расчета не требуется, выполняется из условия

, (95)
где t - толщина сборной плиты;

,
здесь

,

- расчетные сопротивления бетона соответственно сборной и монолитной частям сечения.
Высота сжатой зоны определяется по формуле

, (96)
где

.
Если

, то

.
Площадь сечения необходимой растянутой арматуры во внецентренно сжатом железобетонном подколоннике

определяется по формуле

, (97)
откуда

. (98)
Высота сжатой зоны определяется по формуле

, (99)
где

;

.
Если x < t, то

. (100)
3.30. Сборные элементы, кроме того, необходимо рассчитывать на монтажные нагрузки, а также на случай транспортировки.
3.31. Для обеспечения совместной работы сборных плит с монолитным бетоном количество поперечной арматуры (выпусков) необходимо назначать из условия

, (101)
где

- площадь сечения одного ряда арматурных выпусков (петель или стержней) в горизонтальной плоскости;

- коэффициент условия работы, принимается равным 0,35 для необработанной (незаглаженной) поверхности и 0,3 - для поверхности, специально обработанной щетками, с втопленным щебнем, имеющей насечки или шпонки. Для поверхности сборных плит, формуемых на металлическом поддоне,

, на деревянном поддоне

;
b - ширина сборной плиты;
S - расстояние между рядами выпусков но высоте, принимается не более 8t;

- расчетное сопротивление монолитного бетона растяжению;

- расчетное сопротивление металла выпусков растяжению принимается равным 147 МПа (1500 кгс/см
2) для арматуры класса А-I и 176 МПа (1800 кгс/см
2) для арматуры класса А-II.
Минимальный процент поперечного армирования (число выпусков) должен быть равен 0,15, т.е.

. (102)
В верхней части сборных плит необходимо предусматривать не менее двух рядов стержневых или один ряд петлевых выпусков, объединенных горизонтальными сетками (не менее двух) косвенного армирования, размещенными в монолитном бетоне.
3.32. Глубина заделки

сборных элементов в стаканы монолитной плитной части фундамента определяется по конструктивным соображениям исходя из выполнения длины анкеровки растянутых стержней арматуры (см.
п. 4.10), а также из условий сцепления бетона замоноличивания с бетоном стенок стакана и с бетоном сборных плит с учетом шпонок в плитах:

; (103)

. (104)
В формулах (103) и (104):

,

,

- соответственно глубина, ширина и длина стакана;

; (105)

, (106)
где

- расчетное сопротивление бетона замоноличивания осевому растяжению;
T - сдвигающая сила, воспринимаемая шпонками, принимаемая по наименьшему из значений:

; (107)

, (108)
где

, l, h - соответственно глубина, длина и высота шпонки;

- расчетное сопротивление бетона замоноличивания осевому сжатию;
n - число шпонок (не более трех).
4. КОНСТРУКТИВНЫЕ УКАЗАНИЯ ПО ПРОЕКТИРОВАНИЮ ФУНДАМЕНТОВ
4.1. Для монолитных железобетонных фундаментов следует применять тяжелый бетон классов по прочности В12,5 и В15 на сжатие, при соответствующем обосновании допускается применение бетона класса В20.
Для замоноличивания колонн в стакане применяется бетон класса не ниже В12,5. Бетон подготовки под подошвой фундамента принимается класса В3,5.
4.2. Для армирования фундаментов рекомендуется применять горячекатаную арматуру периодического профиля класса А-III по
ГОСТ 5781-82. Для слабонагруженных сечений, где прочность арматуры используется не полностью (конструктивные сетки армирования подколонника, сетки косвенного армирования дна стакана и т.п.), а также в тех случаях, когда прочность арматуры класса А-III не используется полностью из-за ограничения по раскрытию трещин, допускается применять арматуру классов А-II по
ГОСТ 5781-82 и Вр-I по
ГОСТ 6727-80.
ГЕОМЕТРИЧЕСКИЕ РАЗМЕРЫ ФУНДАМЕНТОВ
4.3. Монолитные фундаменты рекомендуется проектировать ступенчатого типа, плитная часть которых имеет от одной до трех ступеней.
4.4. Все размеры фундамента следует принимать кратными 300 мм (3 М в соответствии с
ГОСТ 23478-79) из условия их изготовления с применением инвентарной щитовой опалубки.
При соответствующем обосновании в случае массового применения или для отдельных индивидуальных фундаментов разрешается принимать размеры, кратные 100 мм в соответствии с
ГОСТ 23477-79.
4.5. При центральной нагрузке подошву фундамента следует принимать квадратной.
При внецентренной нагрузке, соответствующей основному варианту нагружения, подошву рекомендуется принимать прямоугольной с соотношением сторон не менее 0,6.
4.6. Высота фундамента h назначается с учетом глубины заложения подошвы и уровня обреза фундамента. Обрез фундамента железобетонных колонн зданий следует принимать, как правило, на отметке 0,15 для обеспечения условий выполнения работ нулевого цикла.
4.7. Рекомендуемые размеры сечений подколонников, высот фундаментов и плитной части, а также подошвы приведены в табл. 4.
Эскиз фундамента | Модульные размеры фундамента, м, при модуле, равном 0,3 |
h | hpl | соответственно hpl | подошвы | подколонника |
h1 | h2 | h3 | квадратной b x l | прямоугольной b x l | под рядовые колонны bcf x lcf | под колонны в температурных швах bcf x lcf |
| 1,5 | 0,3 | 0,3 | - | - | 1,5 x 1,5 | 1,5 x 1,8 | 0,6 x 0,6 | 0,6 x 1,8 |
1,8 | 0,6 | 0,3 | 0,3 | - | 1,8 x 1,8 | 1,8 x 2,1 | 0,6 x 0,9 | 0,9 x 2,1 |
2,1 | 0,9 | 0,3 | 0,3 | 0,3 | 2,1 x 2,1 | 1,8 x 2,4 | 0,9 x 0,9 | 1,2 x 2,1 |
2,4 | 1,2 | 0,3 | 0,3 | 0,6 | 2,4 x 2,4 | 2,1 x 2,7 | 0,9 x 1,2 | 1,5 x 2,1 |
2,7 | 1,5 | 0,3 | 0,6 | 0,6 | 2,7 x 2,7 | 2,4 x 3,0 | 0,9 x 1,5 | 1,8 x 2,1 |
3,0 | 1,8 | 0,6 | 0,6 | 0,6 | 3,0 x 3,0 | 2,7 x 3,3 | 1,2 x 1,2 | 2,1 x 2,1 |
3,6 | - | - | - | - | 3,6 x 3,6 | 3,0 x 3,6 | 1,2 x 1,5 | 2,1 x 2,4 |
4,2 | - | - | - | - | 4,2 x 4,2 | 3,3 x 3,9 | 1,2 x 1,8 | 2,1 x 2,7 |
Далее с шагом 0,3 м или 0,6 м | - | - | - | - | 4,8 x 4,8 | 3,6 x 4,2 | 1,2 x 2,1 | - |
- | - | - | - | 5,4 x 5,4 | 3,9 x 4,5 | 1,2 x 2,4 | - |
- | - | - | - | - | 4,2 x 4,8 | 1,2 x 2,7 | - |
- | - | - | - | - | 4,5 x 5,1 | - | - |
- | - | - | - | - | 4,8 x 5,4 | - | - |
- | - | - | - | - | 5,1 x 5,7 | - | - |
- | - | - | - | - | 5,4 x 6,0 | - | - |
4.8. Сопряжение фундамента с колонной выполняется монолитным для фундаментов под монолитные колонны (черт. 25, а) и стаканным для сборных или монолитных фундаментов под сборные колонны (черт. 25, б, в).
Черт. 25. Сопряжение фундамента с колонной
а - монолитной; б и в - сборной; 1 - колонна;
2 - подколонник; 3 - плитная часть фундамента
4.9. Стакан под двухветвевые колонны с расстоянием между наружными гранями ветвей не более 2400 мм выполняется общим под обе ветви, с расстоянием более 2400 мм - раздельно под каждую ветвь. Под колонны в температурных швах также рекомендуется выполнять раздельные стаканы.
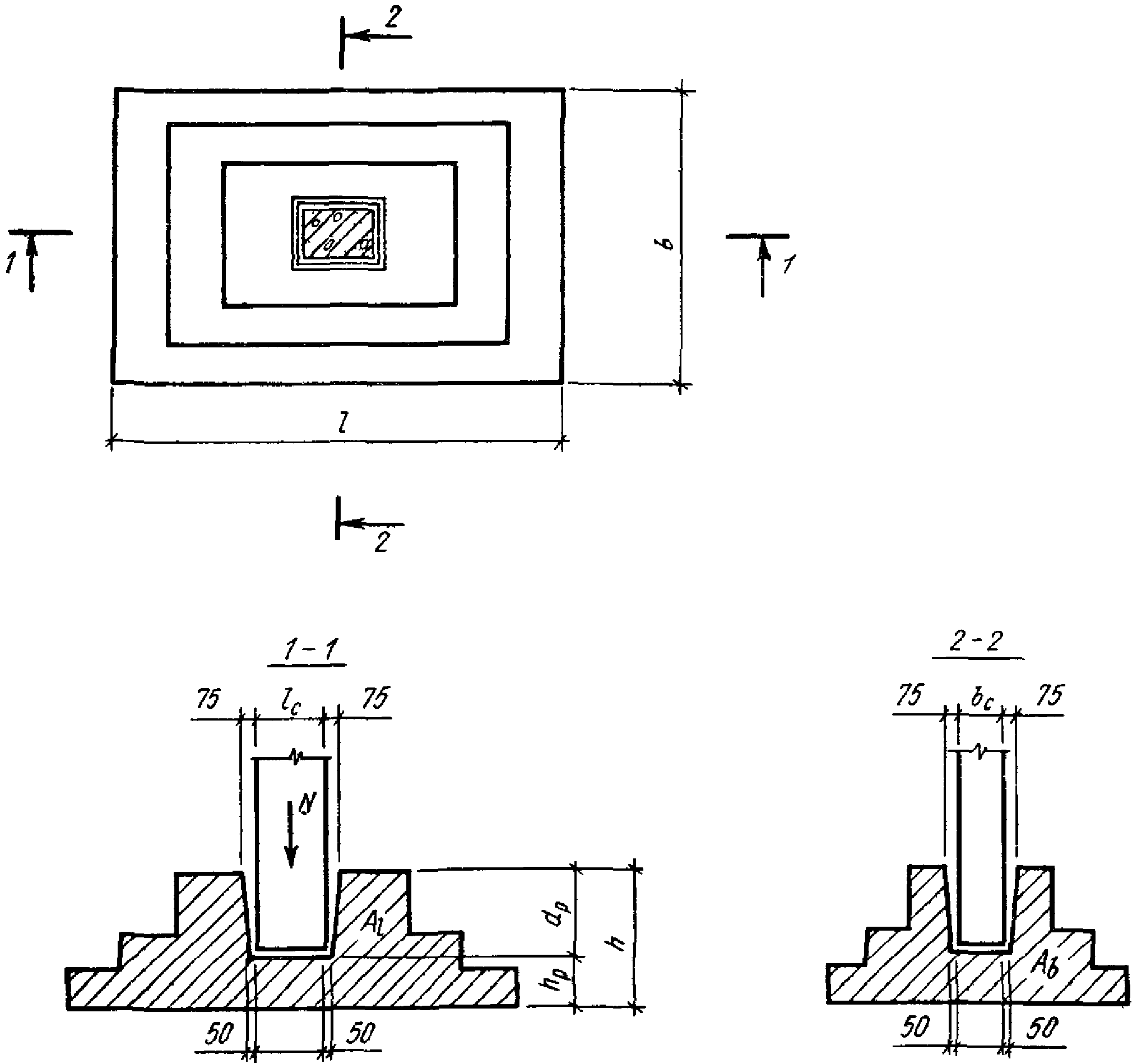
Размеры стакана для колонн следует назначать из условия обеспечения необходимой глубины заделки колонны в фундамент и обеспечения зазоров, равных 75 мм по верху и 50 мм по низу стакана с каждой стороны колонны (см.
черт. 25).
4.10. Глубина стакана

принимается на 50 мм больше глубины заделки колонны

, которая назначается из следующих условий:
для типовых колонн - по данным рабочей документации;
для индивидуальных прямоугольных колонн - по
табл. 5, но не менее, чем по условиям заделки рабочей арматуры колонн, указанным в
табл. 6;
для двухветвевых колонн:
при

, (109)
но не более 1,2 м,
где

- ширина двухветвевой колонны по наружным граням;
при

как для прямоугольных колонн, с большим размером сечения

, равно:

, (110)
но во всех случаях не менее величин, указанных в
табл. 6, и не более 1,2 м.
Отношение толщины стенки стакана к высоте верхнего уступа фундамента t/ hcf или глубине стакана t/ dp (см. черт. 7) | Глубина заделки колонн прямоугольного сечения dc при эксцентриситете продольной силы |
e0 <= 2lc | e0 > 2lc |
> 0,5 | lc | lc |
<= 0,5 | lc | lc + 0,33(lc - 2t)(e0/lc - 2), причем lc <= dc <= 1,4lc |
Класс рабочей арматуры | Колонна | Глубина заделки рабочей арматуры dc при проектном классе бетона |
В15 | В20 |
А-III | Прямоугольного сечения | 30d (18d) | 25d (15d) |
| Двухветвевая | 35d (18d) | 30d (15d) |
А-II | Прямоугольного сечения | 25d (15d) | 20d (10d) |
| Двухветвевая | 30d (15d) | 25d (10d) |
Примечания. 1. d - диаметр рабочей арматуры.
2. Значения в скобках относятся к глубине заделки сжатой рабочей арматуры.
3. Длина заделки может быть уменьшена в случаях:
а) неполного использования расчетного сечения арматуры длину заделки допускается принимать

, но не менее чем для стержней в сжатой зоне, где N - усилие, которое должно быть воспринято анкеруемыми растянутыми стержнями, а

- усилие, которое может быть воспринято;
б) приварки к концам рабочих стержней анкерных стержней или шайб (черт. 26).
Черт. 26. Детали анкеровки рабочей арматуры
а - анкеровка дополнительным стержнем; б - анкеровка шайбой
При этом шайбы должны рассчитываться на усилие, равное

. (111)
4.11. Глубину заделки двухветвевых колонн необходимо проверять также по анкеровке растянутой ветви колонны в стакане фундамента.
Глубину заделки растянутой ветви двухветвевой колонны в стакане необходимо проверять по плоскостям контакта бетона замоноличивания:
с бетонной поверхностью стакана - по формуле

; (112)
с бетонной поверхностью ветви колонны - по формуле

. (113)
В формулах (112), (113):

- глубина заделки двухветвевой колонны, м;

- усилие растяжения в ветви колонны, тс;

,

- размеры сечения растянутой ветви, м;

,

- величина сцепления бетона, принимаемая по табл. 7, тс/м
2.
Таблица 7
Опалубка | Величина сцепления по плоскостям контакта бетона замоноличивания с бетоном |
стенок стакана  | ветви колонны  |
Деревянная | 0,35Rbt | 0,40Rbt |
Металлическая | 0,18Rbt | 0,20Rbt |
Примечание. Величина

относится к бетону замоноличивания.
4.12. Минимальную толщину стенок неармированного стакана поверху следует принимать не менее 0,75 высоты верхней ступени (подколонника) фундамента или 0,75 глубины стакана

и не менее 200 мм.
В фундаментах с армированной стаканной частью толщина стенок стакана определяется расчетом по
пп. 2.34,
2.35 и принимается не менее величин, указанных в табл. 8.
Таблица 8
Направление усилия | Толщина стенок стакана t, мм |
колонны прямоугольного сечения с эксцентриситетом продольной силы | двухветвевой колонны |
e0 <= 2lc | e0 > 2lc |
В плоскости изгибающего момента | 0,2lc, но не менее 150 | 0,3lc, но не менее 150 | 0,2ld, но не менее 150 |
Из плоскости изгибающего момента | 150 | 150 | 150 |
4.13. Толщину дна стакана фундаментов следует принимать не менее 200 мм.
4.14. Для опирания фундаментных балок на фундаментах следует предусматривать столбчатые набетонки, которые выполняются на готовом фундаменте. Крепление набетонок к фундаменту рекомендуется осуществлять за счет сцепления бетона с предварительно подготовленной поверхностью бетона фундамента (насечки) или приваркой анкеров к закладным изделиям, или с помощью выпусков арматуры, предусмотренных в теле фундамента (при отношении высоты набетонки к ее меньшему размеру в плане >= 15).
| | ИС МЕГАНОРМ: примечание. В официальном тексте документа, видимо, допущена опечатка: стандарт имеет номер ГОСТ 23279-85, а не ГОСТ 23279-84. | |
4.15. Армирование подошвы фундаментов следует производить сварными сетками по серии 1.410-3 и
ГОСТ 23279-84.
4.16. В случае, когда меньшая из сторон подошвы в фундаменте имеет размер b <= 3 м, следует применять сетки с рабочей арматурой в двух направлениях (черт. 27, а).
Черт. 27. Армирование подошвы фундамента
а - при b <= 3 м; б - при b > 3 м;
1 - нижние сетки; 2 - верхние сетки
При b > 3 м применяются отдельные сетки с рабочей арматурой в одном направлении, укладываемые в двух плоскостях. При этом рабочая арматура, параллельная большей стороне подошвы l, укладывается снизу. Сетки в каждой из плоскостей укладываются без нахлестки с расстоянием между крайними стержнями не более 200 мм (черт. 27, б).
Минимальный диаметр рабочей арматуры сеток подошв принимается равным 10 мм вдоль стороны l <= 3 м и 12 мм при l > 3 м.
4.17. При выполнении условия

(114)
анкеровка продольной рабочей арматуры сеток подошв считается обеспеченной,

- длина участка нижней ступени, на котором прочность наклонных сечений обеспечивается бетоном, определяемая по формуле

, (115)
где

- высота нижней ступени фундамента;

- максимальное краевое давление на грунт, вычисляемое по
формулам (5),
(6);

- длина анкеровки арматуры, определяемая по формуле

, (116)
где

,

- обозначения те же, что в
п. 2.59;
d - диаметр продольной арматуры.
При невыполнении
условия (114) в сетках необходимо предусмотреть приварку поперечных анкерующих стержней на расстоянии не более

от края продольного стержня. Диаметр анкерующего стержня рекомендуется принимать не менее 0,5d продольной арматуры.
Анкеровка рабочей арматуры в подошве фундамента считается обеспеченной, если хотя бы один из поперечных стержней сетки, приваренный к рабочей продольной арматуре, располагается в пределах участка

.
4.18. Подколонники рекомендуется армировать, если это необходимо по расчету, вертикальными сварными плоскими сетками по
ГОСТ 23279-85.
4.19. Минимальный процент содержания арматуры s и s' во внецентренно сжатом железобетонном подколоннике должен составлять не менее 0,04% площади его поперечного сечения.
В подколонниках с продольной арматурой, расположенной равномерно по периметру сечения, минимальная площадь сечения всей продольной арматуры должна приниматься не менее 0,08%.
4.20. Железобетонные подколонники рекомендуется армировать вертикальными сварными плоскими сетками, объединяемыми в пространственный каркас. Сетки рекомендуется устанавливать по четырем сторонам сечения подколонника (черт. 28).
Черт. 28. Армирование железобетонного подколонника
пространственными каркасами, собираемыми
из плоских сеток
1 - сетка
4.21. В железобетонных подколонниках, где по расчету сжатая арматура не требуется, а количество растянутой арматуры не превышает 0,3%, допускается не ставить продольную и поперечную арматуру по граням, параллельным плоскости изгиба. В этих случаях допускается:
установка сеток только по двум противоположным сторонам сечения подколонника, как правило, в плоскостях, перпендикулярных плоскости действия большего из двух воздействующих на фундамент изгибающих моментов;
соединение плоских сеток в пространственный каркас без соединения продольных стержней хомутами и шпильками. Толщина защитного слоя бетона (см.
п. 5.19 СНиП 2.03.01-84) в этом случае должна быть не менее 50 мм и не менее двух диаметров продольной арматуры
(черт. 29);
сетки устанавливаются на всю высоту подколонника.
Черт. 29. Армирование железобетонного подколонника
двумя сетками
1 - арматурная сетка
4.22. В случаях, когда по расчету принято бетонное сечение подколонника, пространственный каркас устанавливается только в пределах стаканной части с заглублением ниже дна стакана на величину не менее 35 диаметров продольной арматуры (черт. 30).
Черт. 30. Армирование бетонного подколонника,
имеющего стакан под сборную колонку
1 - сетка
4.23. Если в сечении бетонного подколонника возникают растягивающие или сжимающие напряжения менее 10 кгс/см
2, то при максимальных сжимающих напряжениях более

(напряжения определяются как для упругого тела) необходимо выполнять конструктивное армирование на всю высоту подколонника. При этом площадь сечения арматуры с каждой стороны подколонника должна быть не менее 0,02% площади его поперечного сечения, а в случае расположения арматуры по периметру сечения - не менее 0,04%.
4.24. При расчетном или конструктивном армировании подколонника диаметр продольных стержней вертикальной арматуры принимается не менее 12 мм. В бетонном подколоннике минимальный диаметр продольной арматуры принимается равным 10 мм.
4.25. Горизонтальное армирование стаканной части подколонника осуществляется сварными плоскими сетками с расположением стержней у наружных и внутренних поверхностей стенок стакана. Продольная вертикальная арматура должна размещаться внутри горизонтальных сеток. Диаметр стержней сеток принимается не менее 8 мм и не менее четверти диаметра продольной арматуры вертикального армирования подколонника.
4.26. Расположение горизонтальных сеток следует принимать по черт. 31.
Черт. 31. Схема расположения горизонтальных сеток
армирования подколонника:
а - при

; б - при

4.27. Толщина защитного слоя бетона для рабочей арматуры подколонника должна быть не менее 30 мм, а для подошвы фундамента при условии устройства под ним бетонной подготовки принимается равной 35 мм.
4.28. При необходимости косвенного армирования дна стакана устанавливают сварные сетки (от двух до четырех).
5. ПРОЕКТИРОВАНИЕ ФУНДАМЕНТОВ С ПОМОЩЬЮ ЭВМ
5.1. Для подбора типовых (например, из номенклатуры серии 1.412) или проектирования нетиповых фундаментов имеется ряд программ, в которых реализованы алгоритмы расчета оснований под фундаменты и расчета прочности конструктивных элементов фундаментов.
5.2. Алгоритмы расчета грунтового основания по различным программам включают следующие нормируемые проверки, в результате удовлетворения которых определяют размеры подошвы:
по деформациям:
по величинам средних, краевых и угловых давлений под подошвой;
по форме эпюры давлений и величине отрыва;
по величине давления на кровлю слабого слоя;
по величинам осадки и крена;
по несущей способности:
по прочности скального основания;
по прочности и устойчивости нескального основания;
на сдвиг по подошве;
на сдвиг по слабому слою.
5.3. Алгоритмы расчета прочности конструктивных элементов фундамента включают следующие нормируемые проверки, в результате удовлетворения которых определяют размеры ступеней и армирование:
плитной части:
по продавливанию и раскалыванию;
по поперечной силе;
по обратному моменту;
на изгиб;
на трещиностойкость;
подколонника:
на косое внецентренное сжатие сплошного бетонного и железобетонного сечения;
на изгиб стаканной части;
на смятие под торцом колонны.
5.4. В табл. 9 приведены общие данные о специализированных программах, рекомендуемых при проектировании фундаментов на естественном основании под колонны зданий и сооружений.
Таблица 9
Программы | Характеристики программ |
Тип ЭВМ | Организация-разработчик | Номенклатура фундаментов | Грунты | Расчетные проверки | Учет влияния соседних фундаментов | Унификация фундаментов | Выборка материалов |
грунтового основания | фундамента |
плитной части | подколонника |
ТЛПТЖБФ | ЕС-ЭВМ | ПИ-1 (Ленинград) | Типовые по серии 1.412 | Нескальные, непросадочные, сухие и водонасыщенные | 1.1 - 1.4 | 3.1 - 3.5 | 4.1 - 4.3 | Выполнен | Выполнена | Выполнена |
АСПФ-ЕС | ЕС-ЭВМ | ПИ-3 (Одесса) | Типовые по серии 1.412 и нетиповые, в том числе глубокого заложения | Скальные и нескальные, включая просадочные и водонасыщенные | 1.1 - 1.4; 2.1 - 2.3 | 3.1; 3.4; 3.5 | 4.1 - 4.3 | То же | То же | То же |
FUND-CM | СМ-4 | ЛенПСП | Нетиповые, в том числе глубокого заложения | Нескальные, непросадочные, сухие | 1.1; 1.2 | 3.1; 3.3 - 3.5 | - | - | - | - |
ФОК-ЕС-80 | ЕС-ЭВМ | КиевПСП | Нетиповые | Нескальные, включая просадочные и водонасыщенные | 1.1 - 1.4 | 3.1 - 3.4 | 4.1 - 4.3 | - | - | Выполнена |
Примечание. Все материалы по программам для расчета фундаментов публикуются в информационных выпусках фонда алгоритмов и программ отрасли "Строительство" Госстроя СССР.
Пример 1. Расчет внецентренно нагруженного фундамента под сборную колонну
| | ИС МЕГАНОРМ: примечание. В официальном тексте документа, видимо, допущена опечатка: правильный номер СНиП 2.02.01-83, а не СНиП 2.02.01-84. | |
Дано: фундамент со ступенчатой плитной частью и стаканным сопряжением с колонной серии 1.423-3 сечением
(черт. 32); глубина заделки колонны

; отметка обреза фундамента - 0,15 м; глубина заложения - 2,55 м; размер подошвы, определенный из расчета основания по деформациям в соответствии с указаниями
СНиП 2.02.01-84, l x b = 3,3 x 2,7 м. Расчетные нагрузки на уровне обреза фундамента приведены в табл. 10.
Таблица 10
N комбинаций расчетных сочетаний | | |
N, МН (тс) | Mx, МН·м (тс·м) | Qx, МН (тс) | N, МН (тс) | Mx, МН·м (тс·м) | Qx, МН (тс) |
1 | 2,0 (200) | 0,08 (8) | 0,03 (3) | 2,4 (240) | 0,096 (9,6) | 0,036 (3,6) |
2 | 0,8 (80) | 0,11 (11) | 0,05 (5) | 0,96 (96) | 0,132 (13,2) | 0,06 (6) |
| 1,75 (175) | 0,28 (28) | 0,06 (6) | 2,1 (210) | 0,336 (33,6) | 0,072 (7,2) |
Обозначения, принятые в таблице:

- коэффициент надежности по нагрузке;
x - направление вдоль большего размера подошвы фундамента.
Примечание. Материал - сталь класса А-III.
Черт 32. Внецентренно нагруженный фундамент
под сборную колонну

;

;

.
Бетон тяжелый класса В12,5 по прочности на сжатие:

;

;

;

.
Коэффициенты условий работы бетона:

;

(для бетонных сечений).
НАЗНАЧЕНИЕ ГЕОМЕТРИЧЕСКИХ РАЗМЕРОВ ФУНДАМЕНТА
ОПРЕДЕЛЕНИЕ РАЗМЕРОВ ПОДКОЛОННИКА В ПЛАНЕ

, т.е.

.
При

толщина стенок стакана принимается не менее

и не менее 0,15 м. Тогда при

минимальные размеры подколонника

.
С учетом рекомендуемых модульных размеров подколонников, приведенных в
табл. 4, принимаем

; глубину стакана под колонну

; площадь подошвы фундамента A = l x b = 3,3 x 2,7 = 8,91 м
2; момент сопротивления подошвы фундамента в направлении большего размера

.
РАСЧЕТ ПЛИТНОЙ ЧАСТИ ФУНДАМЕНТА НА ПРОДАВЛИВАНИЕ
ОПРЕДЕЛЕНИЕ ВЫСОТЫ ПЛИТНОЙ ЧАСТИ ФУНДАМЕНТА

Высота фундамента h = 2,55 - 0,15 = 2,4 м.
Ориентировочная минимальная высота подколонника при трехступенчатом фундаменте

.
В соответствии с указаниями
п. 2.6 при

. Высота плитной части определяется проверкой на продавливание по схеме 1 от низа подколонника.
Определяем необходимую рабочую высоту плитной части по
черт. 11.
Найдем максимальное краевое давление на основание при:
сочетании 1: p = 2,4/8,91 + (0,096 + 0,036 x 2,4)/4,9 = 0,268 + 0,038 = 0,306 МПа;
сочетании 3: p = 2,1/8,91 + (0,336 + 0,072 x 2,4)/4,9 = 0,235 + 0,104 = 0,339 МПа.
Принимаем максимальное значение

.
По найденным значениям

и

необходимая рабочая высота плитной части фундамента

. Следовательно,

.
В соответствии с указаниями
п. 4.4 и
табл. 4 высоту плитной части принимаем равной 0,9 м. Для случая индивидуального фундамента допускается принимать высоту 0,7 м (кратной 100 мм) с высотой нижней ступени 0,3 м и верхней 0,4 м.
Укажем, что с учетом принятых в дальнейшем размеров ступеней (см.
черт. 32) объем бетона плитной части в обоих случаях будет практически одинаков: 4,4 м
3 при высоте плитной части 0,7 м и 4,38 м
3 - при высоте плитной части 0,9 м. Вместе с тем

высота плитной части позволяет снизить сечение рабочей арматуры подошвы фундамента, что отражается и на общей его стоимости (см.
табл. 3 Прил. 7).
При

рабочую высоту

можно определить также по
формуле (9) с заменой

на

,

на

.
Вычислим значения

и

:

;

;
r = 1,75 (см. выше);
Высота ступеней назначается по
табл. 4 в зависимости от полной высоты плитной части фундамента: при

.
ОПРЕДЕЛЕНИЕ РАЗМЕРОВ ВТОРОЙ СТУПЕНИ ФУНДАМЕНТА
Первоначально определяем предельный вылет нижней ступени по
формуле (16), приняв его одинаковым в двух направлениях (по x и по y):
Назначаем вылеты нижней ступени

и соответственно размеры второй ступени фундамента:

;

.
ОПРЕДЕЛЕНИЕ РАЗМЕРОВ ТРЕТЬЕЙ СТУПЕНИ ФУНДАМЕНТА
Назначаем размеры третьей (верхней) ступени

.
Выполним проверку на продавливание двух нижних ступеней от третьей ступени, так как назначенные размеры

,

меньше значений, полученных по
формулам (17) и
(18).
Проверку производим по указаниям
п. 2.9 с заменой

и

на

и

и

на

, принимая рабочую высоту сечения

;

.
Проверяем условие прочности по продавливанию

, то есть условие прочности по продавливанию выполнено. Размеры фундаментов показаны на
черт. 32.
ОПРЕДЕЛЕНИЕ СЕЧЕНИЙ АРМАТУРЫ ПЛИТНОЙ ЧАСТИ ФУНДАМЕНТА
Определяем изгибающие моменты и площадь рабочей арматуры подошвы фундамента

по
формулам (46) -
(57) в сечениях по граням ступеней 1-1, 2-2 и по грани подколонника 3-3, 4-4.
Расчетные усилия на уровне подошвы принимаем без учета веса фундамента по 3-му сочетанию нагрузок, определяющему

,
N = 2,1 МН;
M = 0,336 + 0,072 x 2,4 = 0,509 МН x м;

.
Изгибающие моменты в сечениях приведены в табл. 11.
Таблица 11
Сечение | ci, м |  , м 2 |  , МН·м | 1 + 6e0/l | 4e0ci/l2 | 1 + 6e0/l - 4e0ci/l2 | M, МН·м |
1-1 | 0,45 | 0,203 | 0,065 | 1,44 | 0,04 | 1,40 | 0,091 |
2-2 | 0,90 | 0,81 | 0,258 | 1,44 | 0,08 | 1,36 | 0,351 |
3-3 | 1,20 | 1,44 | 0,458 | 1,44 | 0,107 | 1,333 | 0,611 |
4-4 <*> | 0,90 | 0,81 | 0,315 | 1,00 | 0 | 1,00 | 0,315 |
--------------------------------
<*> При вычислении

по сечению 4-4

, величина l заменяется на b.
Определяем площадь сечения арматуры

из стали класса А-III

(минимальный допускаемый диаметр - 10 мм).
Сечение 1-1:

.
Сечение 2-2:

;
v = 0,955;

.
Сечение 3-3:

;
v = 0,932;

.
Принимаем по максимальному значению

в направлении большего размера подошвы

А-III

.
Сечение 4-4:

;
v = 0,98;

.
Принимаем в направлении меньшего размера подошвы

А-III

.
Окончательно сечение арматуры по сечению 3-3 принимаем с учетом проверки ширины раскрытия трещин, определяемой по
п. 2.55. При этом в соответствии с
п. 2.57 для рассматриваемого случая условно принимаем, что

, и выполняем проверку только продолжительного раскрытия трещин от длительного действия постоянных и длительных нагрузок.
Принимаем также, что подошва фундамента находится в условиях переменного уровня грунтовых вод и
(п. 2.61).
Находим величины действующих моментов при расчете по предельному состоянию второй группы, уменьшив на коэффициент

:

;

.

,
где

(рассматривается полное сечение фундамента);

;

;

;

.
Определяем предельный момент, воспринимаемый арматурой:

,
тогда

;

.
В соответствии с
п. 4.14 б СНиП 2.03.01-84 при

найденную выше величину

следует скорректировать как для слабоармированного сечения.
Для этого найдем предварительно интерполированное значение величины непродолжительного раскрытия трещин от действия всех нагрузок.

;

,
где

.
(138) СНиП 2.03.01-84
Положение нулевой линии найдем из выражения

.
Положение нулевой линии показано на
черт. 33:

;

;

,
тогда

или 15054,7x = 828425.
Черт. 33. Положение нулевой линии сечения плитной
части фундамента
Следовательно, x = 55,0 см, h - x = 35,0 см.
Определим значение

:

;

;

;

.
Далее, следуя указаниям
п. 4.14 б СНиП 2.03.01-84, определим:

;

;
(ширину b принимаем по ширине сжатой грани сечения).
Определим ширину раскрытия трещин

от непродолжительного действия всех нагрузок при моменте

:

;

.
Найдем интерполяционное значение ширины раскрытия трещин от непродолжительного действия всех нагрузок при
(черт. 34):

,
тогда ширина продолжительного раскрытия трещин от действия длительных нагрузок определяется из условия

,
где

;

,
то есть при рекомендуемом
СНиП 2.03.01-84 учете специфической работы малоармированных

элементов ширина раскрытия трещин существенно уменьшается.
Черт. 34. Нахождение интерполяционного значения ширины
раскрытия трещин
Принимаем арматуру подошвы фундамента

класса А-III:

А-III (21,55 см
2).
Аналогично выполняется проверка ширины раскрытия трещин по сечению 4-4.
РАСЧЕТ ПОПЕРЕЧНОГО СЕЧЕНИЯ ПОДКОЛОННИКА
ПОДБОР АРМАТУРЫ ПРЯМОУГОЛЬНОГО СЕЧЕНИЯ
Определим действующие усилия в сечении по низу подколонника в уровне плитной части (сечение 1-1,
черт. 20) по табл. 12. Высота подколонника

.
Таблица 12
N комбинаций расчетных сочетаний | N1, МН | Mx + Qx hcf, МН·м |
1 | 2,4 | 0,096 + 0,036·1,5 = 0,150 |
2 | 0,96 | 0,132 + 0,060·1,5 = 0,222 |
3 | 2,1 | 0,336 + 0,072·1,5 = 0,444 |
Принимаем армирование подколонника стержнями

А-III с шагом 200 по периметру (

А-III,

).
Так как

, то в соответствии с
п. 2.39 коэффициент

принимается равным 1,0 и учет продольного изгиба не производится.
По комбинации 3 проверим сечение при внецентренном сжатии.
Определяем высоту сжатой зоны из
формулы (37) СНиП 2.03.01-84:

,
сжатую арматуру в соответствии с
п. 2.41 не учитываем.

,
здесь

- рабочая высота сечения;

;

;

;

;

.
Так как

и

равны нулю (предварительное натяжение арматуры отсутствует), то

;

при

.
Тогда

.
Следовательно, расчет должен быть произведен по
формуле (36) СНиП 2.03.01-84 без учета сжатой арматуры
(п. 2.41):

.
Случайный начальный эксцентриситет

;

; Ne = 2,1 x 0,64 = 1,34 МН x м.
Правая часть в
формуле (36) СНиП 2.03.01-84 равна 6,75 x 0,9 x 0,38 x (0,85 - 0,5 x 0,38) = 1,52 МН x м; Ne = 1,34 МН x м < 1,52 МН x м, то есть прямоугольное сечение подколонника удовлетворяет условию прочности.
ПОДБОР АРМАТУРЫ КОРОБЧАТОГО СЕЧЕНИЯ
Подбор арматуры коробчатого сечения подколонника производим как для изгибаемого элемента на условный изгибающий момент

, определяемый по
формулам (58) или
(59).
Для комбинации 3:

;
l/6 = 0,4/6 = 0,067 м;

.

;

;
v = 0,986;

,
то есть принятое сечение арматуры

А-III достаточно по прочности.
ПРОВЕРКА ШИРИНЫ РАСКРЫТИЯ ТРЕЩИН
В НИЖНЕМ СЕЧЕНИИ ПОДКОЛОННИКА
Установим необходимость проверки ширины трещин в нижнем сечении подколонника по условиям, указанным в
п. 2.52.
Напряжение по минимально сжатой грани составляет

.
Растягивающие напряжения в бетоне, равные 1,06 МПа и определенные как в упругом теле, меньше

.
Следовательно, проверка ширины раскрытия трещин в подколоннике не производится.
РАСЧЕТ ГОРИЗОНТАЛЬНЫХ СЕТОК АРМИРОВАНИЯ СТАКАНА
Рекомендуемое расположение горизонтальных сеток показано на
черт. 31.
Для комбинации 3:

,
поэтому расположение сеток принято как для случая малых эксцентриситетов и их число при глубине стакана 800 мм равно 5.
Требуемую площадь стержней одной сетки вычисляем по
формуле (62):

.
Принимаем

А-III

. Убираем вторую сетку сверху, тогда:

.
Принимаем четыре сетки из

А-III, расположение которых дано на черт. 35.
Черт. 35. Расположение горизонтальных сеток
армирования стакана фундамента
1 - горизонтальная сварная сетка;
2 - вертикальная сварная сетка
РАСЧЕТ ПОДКОЛОННИКА НА СМЯТИЕ ПОД ТОРЦОМ КОЛОННЫ
Определим необходимость постановки сеток, для чего проверим прочность бетонного сечения по
условию (63)

.
Величину продольной сжимающей силы

принимаем по
формуле (26) с учетом понижения ее расчетной величины вследствие сцепления со стенками стакана:

. Так как распределение местной нагрузки неравномерно и

, то

.

;

,
где

- площадь сечения подколонника;

- площадь дна стакана.

, но не менее 0,85;

;

;

.
Тогда условие прочности принимает вид
0,75 x 8,99 x 0,25 = 1,69 МН < N = 2,11 МН.
Следовательно, бетонное сечение но прочности не проходит и требуется постановка сеток косвенного армирования. Принимаем сетки размером 0,8 x 0,8 м из стержней

А-III с шагом 100 мм. Условие прочности по
формуле (66) принимает вид

;

,

,

;

;

;

;

.
Отсюда

.
Тогда условие прочности принимает вид

,
следовательно, сечение по прочности проходит.
Произведем проверку необходимого числа сеток из условия
п. 2.51:

,
где

,
z - расстояние от дна стакана до нижней сетки (при двух сетках z = 15 см);

;

.
Следовательно, достаточно двух сеток косвенного армирования.
Пример 2. Расчет внецентренно нагруженного фундамента с моментами в двух направлениях
Дано: фундамент со ступенчатой плитной частью и монолитным сопряжением подколонника с железобетонной колонной
(черт. 36). Размеры подошвы, определенные из расчета основания по деформациям l x b = 4,5 x 3,6 м, подколонника в плане

. Высота подколонника

, следовательно, проверка на продавливание выполняется от нижнего обреза подколонника (см.
п. 2.6, 1-ю схему).
Черт. 36. Внецентренно нагруженный фундамент
с моментами в двух направлениях
Расчетные нагрузки на уровне подошвы фундамента, полученные из статического расчета надфундаментной конструкции с учетом коэффициента надежности по назначению

:
N = 4,8 МН (480 тс);

;

;

;

;
A = 16,2 м;

;

.
Максимальные краевые давления на грунт без учета собственного веса фундамента и грунта на его обрезах определяем по
формуле (6)

;

.
Материалы: сталь класса А-III,

(3750 кгс/см
2), класс бетона по прочности на сжатие В15,

(7,65 кгс/см
2),

(см.
табл. 15 СНиП 2.03.01-84),

(86,7 кгс/см
2).
РАСЧЕТ ПЛИТНОЙ ЧАСТИ ФУНДАМЕНТА НА ПРОДАВЛИВАНИЕ
Рабочую высоту плитной части

определяем по
формуле (9):

,

,

.
Вычисляем:

.
Принимаем

с тремя ступенями высотой по 0,3 м;

.
Размеры ступеней определим по
Прил. 3 (принимая

и

).
Учитывая, что таблица составлена при

, а в нашем случае

, расчетные значения

снижаем:

;

.
Вылет ступеней вдоль оси x:
для 1-й ступени при

,

(4,13 кгс/см
2), b = 3,6 м находим

при p = 0,45 МПа (4,5 кгс/см
2) > 0,413 МПа (4,13 кгс/см
2);
для 2-й ступени при

и b = 3,6 м находим

при p = 0,56 МПа (5,6 кгс/см
2) > 0,413 МПа (4,13 кгс/см
2);

при p = 0,38 МПа < 0,413 МПа - то есть вылет, равный 1,2 м, не проходит;

- прочность на продавливание проверена при определении

.
Вылет ступеней вдоль оси y:

при p = 0,475 МПа (4,75 кгс/см
2) > 0,382 МПа (3,82 кгс/см
2);

;

.
ОПРЕДЕЛЕНИЕ СЕЧЕНИЯ АРМАТУРЫ ПОДОШВЫ ФУНДАМЕНТА
Моменты, действующие по граням ступеней в направлении оси x, определим по
формуле (44)
N = 4,8 МН (480 тс),

,

,
l = 4,5 м.
В сечении 1-1:

;

;
в сечении 2-2:

;

;
в сечении 3-3:

;

.
В сечении 1-1:

,
по
табл. 18 "Пособия по проектированию бетонных и железобетонных конструкций из тяжелых и легких бетонов без предварительного напряжения арматуры"
v = 0,875;

;
в сечении 2-2:

;
v = 0,9267;

;
в сечении 3-3:

;
v = 0,9225;

.
Определяющим является число арматуры по грани подколонника. Принимаем

А-III (88,4 см
2).
Моменты, действующие по граням ступеней в направлении оси y, определим по
формуле (44), заменяя величины

,

, l соответственно на

,

, b
N = 4,8 МН (480 тс),

,

;
b = 3,6 м.
В сечении 1-1:

;

;
в сечении 2-2:

;

;
в сечении 3-3:

;

.
Определим площадь сечения арматуры на всю длину фундамента по
формуле (43).
В сечении 1'-1':

;
v = 0,94;

;
в сечении 2'-2':

;
v = 0,935;

;
в сечении 3'-3':

;
v = 0,915;

.
Определяющим является число арматуры по грани подколонника. Принимаем

А-III (56 см
2).
Проверяем подколонник как бетонный элемент с помощью
Прил. 4.
При

и

- бетонное сечение подколонника рассчитывается по 4-й форме сжатой зоны
(Прил. 4)

,

, x = 3(1,2/2 - 0,44) = 0,48 м, y = 3(0,9/2 - 0,28) = 0,51 м,

.
Проверяем прочность бетона из условия

с учетом коэффициента условий работы согласно
табл. 15 СНиП 2.03.01-84 для бетонных конструкций

0,9 x 8,5 x 0,12 = 0,92 МН (92 тс) < N = 4,8 МН (480 тс).
Следовательно, подколонник должен быть выполнен железобетонным с постановкой арматуры по расчету железобетонных элементов.
Пример 3. Расчет сборного железобетонного подколонника рамного типа для здания с подвалом
Дано: кран грузоподъемностью Q = 1230 кН (125 тс) и полезной нагрузкой на перекрытии на отм. +/- 0,00p = 98 кПа (10 тс/м
2). Расчетная схема и нагрузки на сборный подколонник указаны на черт. 37 и в
табл. 13.
Черт. 37. Расчетная схема и нагрузки на сборный подколонник
Вариант нагрузки | Расчетные нагрузки |
постоянные | временные длительные |
g + g1, кН/м (тс/м) | G1, кН (тс) | G2, кН (тс) | p, кН/м (тс/м) | P1, кН (тс) | P2, кН (тс) | P3, кН (тс) |
1 | 180 (18,2) | 290 (29,7) | 150 (15,7) | 710 (72) | 1590 (162) | 4480 (456,5) | 6900 (703,5) |
2 | 180 (18,2) | 290 (29,7) | 150 (15,7) | 710 (72) | 1590 (162) | 3020 (308) | -1350 (-138) |
Обозначения, принятые в таблице:
g - постоянная равномерно распределенная нагрузка от перекрытия подвала;

- собственный вес оголовка;
p - временная нагрузка от перекрытия;

,

- постоянная и временная нагрузки от перекрытия;

- собственный вес стойки подколонника;

,

- усилия от ветвей стальной колонны.
Силы

и

действуют одновременно.
Класс бетона по прочности на сжатие В25;

(148 кгс/м
2);

(10,7 кгс/см
2).

,

.
Коэффициент надежности по назначению

принимаем равным 1.
В результате статического расчета на ЭВМ получены усилия в стойках и промежуточном ригеле подколонника. Подбор сечения арматуры в стойках подколонника осуществлен с помощью ЭВМ.
Расчет оголовка подколонника произведен для свободно опертого элемента. Схема нагрузки, расчетная схема и эпюра перерезывающих сил приведены на черт. 38.
Черт. 38. Схема нагрузки на оголовок подколонника,
эпюры M и N
Опорная реакция
A = 890 x 3 + 4480 + 6900 - 8077 = 5973 кН (609 тс);
B = 890 x 1,5 + (6900 x 2,15 + 4480 x 0,15)/2,3 =
= 8077 кН (823 тс).
Максимальный изгибающий момент в оголовке определяем на расстоянии
x = (8077 - 6900)/890 = 1,32 м;

.
Расчет оголовка подколонника на действие поперечной силы по грани стойки Q = 2470 кН (252 тс) и изгибающего момента в пролете M = 1,4 МН x м (143 тс x м).
Ширина оголовка 1500 мм, высота принята равной 1200 мм из учета заделки анкерных болтов диаметром 72 - 1100 мм.
Принимаем поперечную арматуру

А-I, шаг 300 мм

,

,

.
Проверяем прочность оголовка по сжатому бетону между наклонными трещинами из
условия (72) СНиП 2.03.01-84.

;

;

.

;

.
Тогда
Условие выполнено.
Проверяем
условие (75) СНиП 2.03.01-84, обеспечивающее прочность элемента по наклонным сечениям, проходящим по наклонной трещине, на действие поперечной силы

.

;
Принимаем c = 2,32 м, тогда
Прочность обеспечена.
Продольную арматуру оголовка определяем по изгибающему моменту M = 1,4 МН (143 тс).
Принимаем

А-III

,

(3750 кгс/см
2).
Пользуясь
формулой (29) СНиП 2.03.01-84, при

определяем

, получаем

.

.
При

прочность сечения проверяем по
формуле (28) СНиП 2.03.01-84 при

Прочность сечения обеспечена.
Расчет на местное сжатие в месте опирания ригеля перекрытия на подколонник.
Расчетная нагрузка от ригеля

.
Необходимость косвенного армирования при сжатии проверяем из
условия (101) СНиП 2.03.01-84:

;

(b ригеля - 50 см);

;

;

;

.

;

.
В месте опирания ригеля на подколонник ставим 4 сетки косвенного армирования

А-I с ячейкой размером 100 x 100 мм и шагом 100 мм.
Прочность на местное сжатие подколонника с косвенным армированием проверяем из
условия (103) СНиП 2.03.01-84:

.

;

;

.

;

.
Прочность сечения обеспечена.
Пример 4. Расчет сборно-монолитного железобетонного фундамента стальной колонны
Дано: фундамент с монолитной плитной частью и сборно-монолитным подколонником высотой

, размерами в плане

,

. Сборные элементы подколонника в виде плоских плит t = 0,2 м (черт. 39).
Черт. 39. Сборно-монолитный железобетонный фундамент
Расчетные нагрузки на уровне верха подколонника с учетом ветровых и крановых нагрузок: N = 6 МН (600 тс), M = 8 МН x м (800 тс x м), Q = 0,42 МН (42 тс). С учетом коэффициента надежности по назначению для сооружений II класса

:
N = 6 x 0,95 = 5,7 МН (570 тс);
M = 8 x 0,95 = 7,6 МН x м (760 тс x м);
Q = 0,42 x 0,95 = 0,4 МН (40 тс).
Расчетные усилия по низу подколонника:
N + G = 5,7 + 1,1 x 0,022 x 3 x 1,5 x 6 = 6,35 МН (635 тс);
M = 7,6 + 0,4 x 6 = 10,0 МН x м (1000 тс x м).
Материалы: бетон монолитной части класса В12,5,

(76,5 кгс/см
2),

(6,75 кгс/см
2), бетон сборных плит класса В25,

(148 кгс/см
2).
При учете в данном сочетании кратковременных нагрузок (ветровых и крановых) принимаем

(см.
табл. 15 СНиП 2.03.01-84).
Для бетона монолитной части также учитываем коэффициенты

и

.
Тогда:

;

;

.
Продольная арматура сборных плит класса А-III

;
арматурные петлевые выпуски из плит класса А-I
ПРОВЕРКА ПРОЧНОСТИ ВНЕЦЕНТРЕННО СЖАТОГО
ЖЕЛЕЗОБЕТОННОГО ПОДКОЛОННИКА

;

;

,

.

;

.
Принимаем

А-III;

.
ОПРЕДЕЛЕНИЕ ПЛОЩАДИ СЕЧЕНИЯ ПЕТЛЕВЫХ АРМАТУРНЫХ ВЫПУСКОВ
Петлевые арматурные выпуски установим с шагом s = 1,2 м по высоте плит.

.
Принимаем в каждом ряду 7 петлевых выпусков

А-I,

, при этом процент армирования составит по
формуле (102)

.
ПРОВЕРКА ПРОЧНОСТИ ЗАДЕЛКИ СБОРНЫХ ПЛИТ
В СТАКАНАХ ПОДКОЛОННИКА
Глубина заделки плит в стакан принимается 700 мм, глубина стакана 750 мм, размеры в плане по низу 300 x 1600 мм, по верху 350 x 1650 мм.
Бетон замоноличивания стаканов класса В25

.
Сила, выдергивающая плиту из стакана:

.

.
Условия (103) сцепления бетона замоноличивания с бетоном стенок стакана и
(104) - с бетоном сборных плит без учета шпонок в плитах - удовлетворены.
ОПРЕДЕЛЕНИЕ РАБОЧЕЙ ВЫСОТЫ

ФУНДАМЕНТА
Для центрально-нагруженного фундамента
p = N/lb - кгс/см2;
для внецентренно нагруженного фундамента

;

.
Порядок определения высоты фундамента

показан стрелками на графике: по найденным значениям

,
здесь

- расчетное сопротивление бетона растяжению, кгс/см
2;

- коэффициент условий работы бетона согласно
табл. 15 СНиП 2.03.01-84.
По заданному значению

находят рабочую высоту фундамента

.
Примечание. В случае, когда проверка на продавливание производится от нижнего обреза подколонника, величина

заменяется величиной

,

- величиной

.
МАКСИМАЛЬНОЕ ДАВЛЕНИЕ ГРУНТА НА ПОДОШВУ ФУНДАМЕНТА
ИЗ БЕТОНА В15
h1; h1 + h2; H, м | h01; h01 + h2; H0, м | c, м | Максимальное давление грунта на подошву фундамента из бетона В15, pmax, МПа (при условии равенства вылетов ступеней фундамента), для b, м |
1,8 | 2,4 | 3,0 | 3,6 | 4,2 | 4,8 | 5,4 | 6,0 |
0,30 | 0,255 | 0,75 | 0,16 | 0,23 | 0,27 | 0,29 | 0,31 | 0,32 | 0,33 | 0,33 |
0,60 | 0,32 | 0,39 | 0,43 | 0,45 | 0,47 | 0,48 | 0,49 | 0,50 |
0,45 | 0,70 | 0,78 | 0,82 | 0,85 | 0,87 | 0,89 | 0,90 | 0,90 |
0,60 | 0,555 | 1,50 | - | - | - | 0,19 | 0,23 | 0,27 | 0,29 | 0,30 |
1,35 | - | - | - | 0,27 | 0,31 | 0,34 | 0,36 | 0,38 |
1,20 | - | - | 0,32 | 0,38 | 0,43 | 0,46 | 0,48 | 0,50 |
1,05 | - | 0,38 | 0,49 | 0,56 | 0,60 | 0,64 | 0,66 | 0,68 |
0,90 | 0,46 | 0,68 | 0,80 | 0,87 | 0,92 | 0,96 | 0,99 | 1,01 |
0,90 | 0,855 | 2,10 | - | - | - | - | 0,15 | 0,21 | 0,25 | 0,28 |
1,95 | - | - | - | - | 0,22 | 0,27 | 0,32 | 0,35 |
1,89 | - | - | - | 0,22 | 0,30 | 0,36 | 0,40 | 0,44 |
1,65 | - | - | - | 0,33 | 0,41 | 0,47 | 0,51 | 0,55 |
1,50 | - | - | 0,36 | 0,49 | 0,57 | 0,63 | 0,68 | 0,72 |
1,35 | - | - | 0,59 | 0,72 | 0,81 | 0,88 | 0,92 | 0,96 |
1,20 | - | 0,77 | 1,02 | 1,17 | 1,28 | 1,36 | 1,42 | 1,46 |
1,20 | 1,155 | 2,40 | - | - | - | - | 0,13 | 0,22 | 0,29 | 0,34 |
2,10 | - | - | - | 0,19 | 0,32 | 0,41 | 0,48 | 0,53 |
1,80 | - | - | 0,32 | 0,53 | 0,66 | 0,76 | 0,83 | 0,89 |
ОПРЕДЕЛЕНИЕ ВЫЛЕТОВ НИЖНЕЙ СТУПЕНИ ФУНДАМЕНТА
Давление на грунт pgr, МПа (кгс/см2) | Допускаемые вылеты нижней ступени фундамента kh01 |
Величина коэффициента k при классе бетона по прочности на сжатие |
| | | |
В12,5 | В15 | В20 | В12,5 | В15 | В20 | В12,5 | В15 | В20 | В12,5 | В15 | В20 |
0,15 (1,5) | 3 | 3 | 3 | 3 | 3 | 3 | 3 | 3 | 3 | 3 | 3 | 3 |
0,2 (2) | 3 | 3 | 3 | 3 | 3 | 3 | 3 | 3 | 3 | 2,9 ---- 3 | 3 | 3 |
0,25 (2,5) | 3 | 3 | 3 | 3 | 3 | 3 | 3 | 3 | 3 | 2,5 ---- 2,6 | 2,8 ---- 3 | 3 |
0,3 (3) | 3 | 3 | 3 | 3 | 3 | 3 | 2,7 ---- 2,8 | 3 | 3 | 2,3 ---- 2,4 | 2,5 ---- 2,6 | 3 |
0,35 (3,5) | 2,8 ---- 3 | 3 | 3 | 2,7 ---- 2,9 | 3 | 3 | 2,4 ---- 2,6 | 2,9 ---- 2,7 | 3 | 2,1 ---- 2,2 | 2,3 ---- 2,4 | 2,7 ---- 2,9 |
0,4 (4) | 2,6 ---- 2,7 | 2,9 ---- 3 | 3 | 2,5 ---- 2,7 | 2,8 ---- 3 | 3 | 2,3 ---- 2,4 | 2,5 ---- 2,7 | 3 | 2 | 2,1 ---- 2,2 | 2,5 ---- 2,6 |
0,45 (4,5) | 2,4 ---- 2,5 | 2,7 ---- 2,8 | 3 | 2,3 ---- 2,5 | 2,6 ---- 2,7 | 3 | 2,1 ---- 2,2 | 2,3 ---- 2,5 | 2,8 ---- 3 | 1,9 ---- | 2 ---- 2,1 | 2,3 ---- 2,5 |
0,5 (5) | 2,3 ---- 2,4 | 2,5 ---- 2,7 | 3 | 2,2 ---- 2,3 | 2,4 ---- 2,6 | 3 | 2 ---- 2,1 | 2,2 ---- 2,3 | 2,6 ---- 2,8 | 1,8 ---- | 1,9 ---- 2 | 2,2 ---- 2,3 |
0,55 (5,5) | 2,2 ---- 2,3 | 2,4 ---- 2,5 | 2,8 ---- 3 | 2,1 ---- 2,2 | 2,3 ---- 2,4 | 2,7 ---- 2,9 | 1,9 ---- 2 | 2,1 ---- 2,2 | 2,5 ---- 2,6 | 1,7 | 1,8 ---- 1,9 | 2,1 ---- 2,2 |
0,6 (6) | 2,1 ---- 2,2 | 2,3 ---- 2,4 | 2,7 ---- 2,8 | 2 ---- 2,1 | 2,2 ---- 2,3 | 2,6 ---- 2,8 | 1,8 ---- 1,9 | 2 ---- 2,1 | 2,3 ---- 2,5 | 1,6 ---- 1,7 | 1,7 ---- 1,8 | 2 ---- 2,1 |
Примечания. 1. Значение в знаменателе принимается при учете крановых и ветровых нагрузок

.
2. Вынос нижней ступени фундамента

.
ВСПОМОГАТЕЛЬНЫЕ ФОРМУЛЫ ДЛЯ РАСЧЕТА
ПРОЧНОСТИ БЕТОННЫХ ПОДКОЛОННИКОВ
Зоны | Сжатая зона | Размеры сжатой зоны бетонных подколонников | | | |
1 | | | | | 0 |
2 | | | | | |
3 | |  ; | | | |
4 | |  ; | 0,5xy |  ;  |  ;  |
ДЛЯ ОПРЕДЕЛЕНИЯ НЕСУЩЕЙ СПОСОБНОСТИ ЖЕЛЕЗОБЕТОННЫХ
ПОДКОЛОННИКОВ ПРЯМОУГОЛЬНОГО СЕЧЕНИЯ
Подколонник сечением 0,9 x 0,9 м
N, тс | Mx/My |
0,151 | 0,325 | 0,509 | 0,726 | 1,0 | 1,376 | 1,963 | 3,078 | 6,61 |
50 | 1,0 | 1,0 | 0,98 | 0,98 | 0,96 | 0,96 | 0,97 | 0,99 | 1,0 |
100 | 1,0 | 1,0 | 0,97 | 0,96 | 0,94 | 0,95 | 0,97 | 0,99 | 1,0 |
150 | 1,0 | 0,99 | 0,96 | 0,94 | 0,93 | 0,94 | 0,96 | 0,98 | 1,0 |
200 | 1,0 | 0,98 | 0,95 | 0,93 | 0,92 | 0,93 | 0,95 | 0,98 | 1,0 |
250 | 1,0 | 0,98 | 0,94 | 0,92 | 0,91 | 0,92 | 0,95 | 0,98 | 1,0 |
300 | 1,0 | 0,98 | 0,95 | 0,95 | 0,94 | 0,94 | 0,96 | 0,98 | 1,0 |
350 | 1,0 | 1,0 | 0,97 | 0,97 | 0,97 | 0,96 | 0,97 | 0,98 | 1,0 |
400 | 1,0 | 1,01 | 1,02 | 1,01 | 0,99 | 1,02 | 1,0 | 1,0 | 1,0 |
450 | 1,0 | 1,02 | 1,04 | 1,05 | 1,03 | 1,04 | 1,02 | 1,02 | 1,0 |
500 | 1,0 | 1,02 | 1,05 | 1,06 | 1,05 | 1,06 | 1,03 | 1,02 | 1,0 |
Подколонник сечением 1,2 x 0,9 м
N, тс | Mx/My |
0,151 | 0,325 | 0,509 | 0,726 | 1,0 | 1,376 | 1,963 | 3,078 | 6,61 |
50 | 1,0 | 1,01 | 1,03 | 1,05 | 1,10 | 1,17 | 1,20 | 1,26 | 1,29 |
100 | 1,0 | 1,01 | 1,02 | 1,04 | 1,07 | 1,13 | 1,17 | 1,24 | 1,28 |
150 | 1,0 | 1,0 | 1,01 | 1,03 | 1,05 | 1,10 | 1,15 | 1,21 | 1,28 |
200, 250 | 1,0 | 1,0 | 1,0 | 1,01 | 1,03 | 1,08 | 1,14 | 1,20 | 1,27 |
300, 350 | 1,0 | 1,0 | 0,99 | 1,0 | 1,02 | 1,05 | 1,12 | 1,19 | 1,27 |
400, 450 | 1,0 | 0,99 | 1,0 | 1,01 | 1,05 | 1,09 | 1,15 | 1,21 | 1,28 |
500 | 1,0 | 1,0 | 1,02 | 1,04 | 1,08 | 1,13 | 1,18 | 1,24 | 1,30 |
550 | 1,0 | 1,01 | 1,04 | 1,08 | 1,12 | 1,17 | 1,23 | 1,28 | 1,32 |
600 | 1,0 | 1,02 | 1,05 | 1,08 | 1,14 | 1,20 | 1,25 | 1,29 | 1,32 |
650, 700 | 1,0 | 1,02 | 1,05 | 1,11 | 1,17 | 1,23 | 1,27 | 1,30 | 1,31 |
Подколонник сечением 1,5 x 0,9 м
N, тс | Mx/My |
0,151 | 0,325 | 0,509 | 0,726 | 1,0 | 1,376 | 1,963 | 3,078 | 6,61 |
50 | 1,0 | 1,02 | 1,06 | 1,13 | 1,2 | 1,3 | 1,4 | 1,52 | 1,57 |
100 | 1,0 | 1,02 | 1,05 | 1,10 | 1,17 | 1,25 | 1,36 | 1,45 | 1,55 |
150 | 1,0 | 1,01 | 1,05 | 1,09 | 1,15 | 1,23 | 1,33 | 1,43 | 1,54 |
200 | 1,0 | 1,01 | 1,04 | 1,08 | 1,14 | 1,23 | 1,31 | 1,42 | 1,53 |
250 | 1,0 | 1,01 | 1,04 | 1,07 | 1,13 | 1,21 | 1,31 | 1,41 | 1,53 |
300 | 1,0 | 1,01 | 1,04 | 1,07 | 1,12 | 1,19 | 1,29 | 1,41 | 1,53 |
350 | 1,0 | 1,01 | 1,03 | 1,06 | 1,10 | 1,18 | 1,28 | 1,40 | 1,53 |
400 | 1,0 | 1,01 | 1,03 | 1,06 | 1,10 | 1,17 | 1,27 | 1,39 | 1,52 |
450 | 1,0 | 1,01 | 1,02 | 1,06 | 1,10 | 1,16 | 1,26 | 1,39 | 1,52 |
500 | 1,0 | 1,01 | 1,02 | 1,05 | 1,10 | 1,18 | 1,28 | 1,41 | 1,52 |
Подколонник сечением 1,2 x 1,2 м
N, тс | Mx/My |
0,151 | 0,325 | 0,509 | 0,726 | 1,0 | 1,376 | 1,963 | 3,078 | 6,61 |
50 | 1,0 | 1,0 | 1,0 | 1,02 | 1,0 | 1,0 | 1,0 | 1,0 | 1,0 |
100, 150 | 1,0 | 0,99 | 0,99 | 0,97 | 0,97 | 0,97 | 0,98 | 0,99 | 1,0 |
200, 250 | 1,0 | 0,98 | 0,97 | 0,95 | 0,95 | 0,95 | 0,96 | 0,98 | 1,0 |
300, 350 | 1,0 | 0,98 | 0,96 | 0,93 | 0,92 | 0,94 | 0,95 | 0,98 | 1,0 |
400, 450 | 1,0 | 0,98 | 0,95 | 0,93 | 0,92 | 0,93 | 0,95 | 0,98 | 1,0 |
500, 550 | 1,0 | 0,97 | 0,95 | 0,93 | 0,92 | 0,93 | 0,95 | 0,97 | 1,0 |
600, 650 | 1,0 | 0,97 | 0,96 | 0,95 | 0,95 | 0,95 | 0,96 | 0,97 | 1,0 |
700, 750 | 1,0 | 0,99 | 0,99 | 0,98 | 0,98 | 0,98 | 0,98 | 0,99 | 1,0 |
800 | 1,0 | 1,02 | 1,02 | 1,03 | 1,01 | 1,02 | 1,01 | 1,01 | 1,0 |
850 | 1,0 | 1,02 | 1,04 | 1,04 | 1,03 | 1,04 | 1,03 | 1,03 | 1,0 |
Подколонник сечением 1,5 x 1,2 м
N, тс | Mx/My |
0,151 | 0,325 | 0,509 | 0,726 | 1,0 | 1,376 | 1,963 | 3,078 | 6,61 |
50 | 1,0 | 1,02 | 1,05 | 1,07 | 1,12 | 1,17 | 1,17 | 1,2 | 1,22 |
100 | 1,0 | 1,01 | 1,04 | 1,07 | 1,09 | 1,14 | 1,16 | 1,19 | 1,21 |
150 | 1,0 | 1,01 | 1,03 | 1,06 | 1,08 | 1,11 | 1,15 | 1,19 | 1,21 |
200 | 1,0 | 1,01 | 1,03 | 1,05 | 1,07 | 1,11 | 1,14 | 1,18 | 1,21 |
250 | 1,0 | 1,01 | 1,02 | 1,04 | 1,06 | 1,09 | 1,13 | 1,18 | 1,20 |
300 | 1,0 | 1,0 | 1,01 | 1,03 | 1,05 | 1,08 | 1,12 | 1,17 | 1,20 |
350 | 1,0 | 1,0 | 1,01 | 1,02 | 1,04 | 1,07 | 1,12 | 1,16 | 1,20 |
400 | 1,0 | 1,0 | 1,0 | 1,01 | 1,03 | 1,06 | 1,10 | 1,16 | 1,20 |
450 | 1,0 | 1,0 | 1,0 | 1,0 | 1,02 | 1,05 | 1,10 | 1,15 | 1,20 |
500 | 1,0 | 1,0 | 1,0 | 1,0 | 1,02 | 1,05 | 1,09 | 1,15 | 1,20 |
Подколонник сечением 1,8 x 1,2 м
N, тс | Mx/My |
0,151 | 0,325 | 0,509 | 0,726 | 1,0 | 1,376 | 1,963 | 3,078 | 6,61 |
50 | 1,0 | 1,02 | 1,06 | 1,13 | 1,20 | 1,27 | 1,35 | 1,42 | 1,45 |
100 | 1,0 | 1,02 | 1,06 | 1,12 | 1,16 | 1,24 | 1,32 | 1,40 | 1,45 |
150 | 1,0 | 1,02 | 1,05 | 1,09 | 1,15 | 1,22 | 1,30 | 1,38 | 1,44 |
200 | 1,0 | 1,02 | 1,04 | 1,08 | 1,14 | 1,21 | 1,28 | 1,37 | 1,42 |
250 | 1,0 | 1,01 | 1,04 | 1,08 | 1,13 | 1,20 | 1,28 | 1,36 | 1,42 |
300 | 1,0 | 1,01 | 1,04 | 1,07 | 1,13 | 1,19 | 1,27 | 1,35 | 1,40 |
350 | 1,0 | 1,01 | 1,04 | 1,07 | 1,12 | 1,18 | 1,26 | 1,33 | 1,40 |
400 | 1,0 | 1,01 | 1,03 | 1,06 | 1,12 | 1,17 | 1,25 | 1,33 | 1,40 |
450 | 1,0 | 1,01 | 1,03 | 1,06 | 1,11 | 1,17 | 1,25 | 1,33 | 1,40 |
Подколонник сечением 2,1 x 1,2 м
N, тс | Mx/My |
0,151 | 0,325 | 0,509 | 0,726 | 1,0 | 1,376 | 1,963 | 3,078 | 6,61 |
50 | 1,0 | 1,03 | 1,08 | 1,15 | 1,26 | 1,37 | 1,50 | 1,60 | 1,70 |
100 | 1,0 | 1,03 | 1,07 | 1,15 | 1,24 | 1,34 | 1,50 | 1,60 | 1,68 |
150 | 1,0 | 1,03 | 1,07 | 1,14 | 1,22 | 1,31 | 1,45 | 1,55 | 1,66 |
200 | 1,0 | 1,02 | 1,06 | 1,13 | 1,21 | 1,31 | 1,42 | 1,55 | 1,64 |
250 | 1,0 | 1,02 | 1,06 | 1,12 | 1,20 | 1,30 | 1,40 | 1,53 | 1,64 |
300 | 1,0 | 1,02 | 1,06 | 1,12 | 1,19 | 1,28 | 1,40 | 1,52 | 1,62 |
350 | 1,0 | 1,02 | 1,06 | 1,11 | 1,17 | 1,27 | 1,38 | 1,51 | 1,62 |
400 | 1,0 | 1,02 | 1,06 | 1,11 | 1,17 | 1,27 | 1,38 | 1,50 | 1,60 |
450 | 1,0 | 1,02 | 1,05 | 1,10 | 1,16 | 1,26 | 1,36 | 1,50 | 1,60 |
500 | 1,0 | 1,02 | 1,05 | 1,09 | 1,16 | 1,26 | 1,36 | 1,48 | 1,60 |
550 | 1,0 | 1,02 | 1,05 | 1,09 | 1,16 | 1,25 | 1,35 | 1,48 | 1,60 |
600 | 1,0 | 1,02 | 1,05 | 1,09 | 1,16 | 1,24 | 1,35 | 1,46 | 1,58 |
650 | 1,0 | 1,02 | 1,04 | 1,08 | 1,14 | 1,22 | 1,33 | 1,46 | 1,58 |
Подколонник сечением 2,7 x 1,2 м
N, тс | Mx/My |
0,151 | 0,325 | 0,509 | 0,726 | 1,0 | 1,376 | 1,963 | 3,078 | 6,61 |
50 | 1,0 | 1,03 | 1,09 | 1,18 | 1,32 | 1,45 | 1,72 | 2,05 | 2,13 |
100 | 1,0 | 1,03 | 1,09 | 1,17 | 1,30 | 1,45 | 1,70 | 1,96 | 2,10 |
150 | 1,0 | 1,03 | 1,09 | 1,17 | 1,28 | 1,45 | 1,65 | 1,92 | 2,10 |
200 | 1,0 | 1,03 | 1,09 | 1,16 | 1,27 | 1,42 | 1,63 | 1,90 | 2,08 |
250 | 1,0 | 1,03 | 1,08 | 1,16 | 1,26 | 1,42 | 1,63 | 1,85 | 2,06 |
300 | 1,0 | 1,03 | 1,08 | 1,15 | 1,26 | 1,42 | 1,60 | 1,82 | 2,04 |
350 | 1,0 | 1,03 | 1,08 | 1,15 | 1,26 | 1,40 | 1,60 | 1,80 | 2,02 |
400 | 1,0 | 1,03 | 1,08 | 1,15 | 1,25 | 1,40 | 1,60 | 1,78 | 2,00 |
450 | 1,0 | 1,03 | 1,08 | 1,15 | 1,25 | 1,38 | 1,55 | 1,76 | 2,00 |
500 | 1,0 | 1,03 | 1,07 | 1,14 | 1,24 | 1,38 | 1,55 | 1,74 | 1,98 |
550 | 1,0 | 1,03 | 1,07 | 1,14 | 1,24 | 1,38 | 1,54 | 1,72 | 1,95 |
600 | 1,0 | 1,03 | 1,07 | 1,14 | 1,23 | 1,36 | 1,54 | 1,72 | 1,93 |
650 | 1,0 | 1,02 | 1,07 | 1,14 | 1,23 | 1,36 | 1,52 | 1,72 | 1,93 |
700 | 1,0 | 1,02 | 1,07 | 1,14 | 1,23 | 1,36 | 1,52 | 1,70 | 1,92 |
750 | 1,0 | 1,02 | 1,07 | 1,14 | 1,23 | 1,36 | 1,50 | 1,70 | 1,92 |
800 | 1,0 | 1,02 | 1,07 | 1,14 | 1,23 | 1,36 | 1,50 | 1,70 | 1,92 |
ЗНАЧЕНИЯ КОЭФФИЦИЕНТА

Диаметр болта, мм |  , м |
10 | 2·10-3 |
12 | 2,4·10-3 |
16 | 3,2·10-3 |
20 | 4,4·10-3 |
24 | 5,8·10-3 |
30 | 7,5·10-3 |
36 | 9·10-3 |
42 | 1,1·10-2 |
48 | 1,2·10-2 |
56 | 1,4·10-2 |
64 | 1,7·10-2 |
72 | 1,9·10-2 |
80 | 2,1·10-2 |
90 | 2,3·10-2 |
100 | 2,5·10-2 |
110 | 2,8·10-2 |
125 | 3,2·10-2 |
140 | 3,5·10-2 |
ОПТИМАЛЬНОЕ ПРОЕКТИРОВАНИЕ ФУНДАМЕНТОВ
1. При конкретных исходных данных (нагрузках, характеристиках основания, размерах колонны) проектирование фундамента выполняется так, чтобы соблюдались следующие требования: прочность и трещиностойкость плитной части и подколонника, несущая способность грунтового основания и ограничение деформаций.
Указанным требованиям, как правило, удовлетворяет множество вариантов конструкции фундамента. В проекте рекомендуется использовать вариант, имеющий наилучшие технико-экономические показатели. При этом варианте рекомендуется выполнять оптимизацию на основе принципа разделения параметров (см. Рекомендации по оптимальному проектированию железобетонных конструкций. - М., НИИЖБ, 1981).
2. Задачу оптимизации рекомендуется решать как многокритериальную, оценивая технико-экономические показатели конструкций в каждом из рассматриваемых вариантов одновременно тремя основными критериями качества - расходами металла и цемента, приведенными затратами. Допускается также рассматривать дополнительные критерии качества - трудоемкость, энергоемкость, стоимость земляных работ и пр.
При надлежащем обосновании допускается решать задачу оптимизации и как однокритериальную, рассматривая только один критерий качества.
При решении задач оптимизации рекомендуется согласно указаниям Руководства по выбору проектных решений фундаментов (М., Стройиздат, 1984) показатели расхода стали определять, приводя арматуру различных классов к арматуре класса А-I, а показатели расхода цемента различных марок, приводя к цементу марки 400.
3. Переменными параметрами при оптимизации рекомендуется принимать размеры подошвы, сечения подколонника, число ступеней плитной части, размеры каждой ступени в плане, армирование плитной части и подколонника, класс бетона и стали.
Однокритериальная задача оптимизации состоит в выборе таких значений переменных параметров, при которых удовлетворяются предъявляемые к конструкции требования (см.
п. 1, Прил. 7), а рассматриваемый критерий качества принимает минимальное значение. В многокритериальной задаче оптимизации качества принимают минимальные (условно) значения (см.
п. 9 настоящего приложения).
4. Решение однокритериальных и многокритериальных задач оптимизации рекомендуется выполнять поэтапно в следующем порядке:
а) выбрать варианты подошв фундаментов так, чтобы удовлетворялись условия по несущей способности и деформациям грунтового основания;
б) выбрать варианты размеров сечения подколонника, учитывая заданный размер колонны;
в) при всех возможных сочетаниях размеров подошвы и подколонника назначить возможные геометрические размеры 1-, 2-, 3- и 4-ступенчатого фундамента, а также класс бетона так, чтобы удовлетворялись условия продавливания;
г) во всех полученных на этапе трех вариантах назначить класс арматуры и подобрать минимальное армирование из условий обеспечения прочности фундамента и ограничения ширины раскрытия трещин.
В каждом варианте вычислить все рассматриваемые критерии качества. Сопоставив варианты, выбрать оптимальный.
В пп. 5 -
9 настоящего приложения более подробно рассматривается каждый из этапов оптимизации.
5. Первый этап оптимизации. При выборе вариантов подошв использовать табл. 1, где

и

- число модулей размером 300 мм, содержащихся соответственно в ширине и длине фундамента, то есть фундамент имеет размеры

. В таблице знаком "+" отмечены подошвы, которые рекомендуются при конструировании фундаментов.
m1 | n1 |
5 | 6 | 7 | 8 | 9 | 10 | 11 | 12 | 13 | 14 | 15 | 16 | 17 | 20 | 21 | 22 |
5 | + | | | | | | | | | | | | | | | |
6 | + | + | | | | | | | | | | | | | | |
7 | + | + | + | | | | | | | | | | | | | |
8 | + | + | + | + | | | | | | | | | | | | |
9 | | + | + | + | + | | | | | | | | | | | |
10 | | + | + | + | + | + | | | | | | | | | | |
11 | | | + | + | + | + | + | | | | | | | | | |
12 | | | | + | + | + | + | + | | | | | | | | |
13 | | | | + | + | + | + | + | + | | | | | | | |
14 | | | | | + | + | + | + | + | + | | | | | | |
15 | | | | | + | + | + | + | + | + | + | | | | | |
16 | | | | | | + | + | + | + | + | + | + | | | | |
17 | | | | | | | + | + | + | + | + | + | + | | | |
18 | | | | | | | + | + | + | + | + | + | + | + | | |
19 | | | | | | | | + | + | + | + | + | + | + | + | |
20 | | | | | | | | + | + | + | + | + | + | + | + | + |
21 | | | | | | | | | + | + | + | + | + | + | + | + |
22 | | | | | | | | | | + | + | + | + | + | + | + |
23 | | | | | | | | | | + | + | + | + | + | + | + |
24 | | | | | | | | | | | + | + | + | + | + | + |
25 | | | | | | | | | | | + | + | + | + | + | + |
26 | | | | | | | | | | | | + | + | + | + | + |
27 | | | | | | | | | | | | | + | + | + | + |
Выбор вариантов подошв рекомендуется начинать с подошвы (квадратной в плане), при этом определяется значение минимальное

, при котором выполняются требования, предъявляемые к несущей способности и деформациям основания.
Затем принимается ширина

и находится допустимая по
табл. 1 минимальная длина

, при которой выполняются необходимые требования. После этого принимается ширина

и вновь находится минимальная длина

, при которой выполняются необходимые требования, и так далее до тех пор, пока при принятой ширине никакое значение длины из приведенных в
табл. 1 не обеспечивает выполнения необходимых требований.
Если для двух вариантов подошв (например, 2- и 3-й) окажется, что

, а

, то 3-й вариант исключается.
Подошвы размерами

,

,..., при которых выполняются сформулированные требования, образуют множество вариантов подошв, которые рассматриваются на следующих этапах оптимизации.
6. Второй этап оптимизации. Выбор вариантов сечения подколонника при заданных размерах сечения колонны рекомендуется проводить по табл. 2, в которой указан набор соответствующих сечений подколонников, через

и

обозначено число модулей (размером 300 мм), содержащихся соответственно в ширине и длине подколонника.
Таблица 2
nn | mn |
3 | 4 | 5 | 6 | 7 | 8 | 9 | 10 | 11 | 12 |
3 | + | + | + | + | | | | | | |
4 | | + | + | + | + | | | | | |
5 | | | + | + | + | + | + | | | |
6 | | | | + | + | + | + | + | | |
7 | | | | | + | + | + | + | + | |
8 | | | | | | + | + | + | + | + |
7. Третий этап оптимизации. Рекомендуется составить все возможные по конструктивным соображениям сочетания подошв и подколонников, выбранных соответственно на первом и втором этапах оптимизации.
При каждом сочетании рекомендуется составить все возможные по конструктивным соображениям конфигурации 1-, 2-, 3-ступенчатых фундаментов.
Высота ступени принимается равной 300 мм. Размеры ступеней в плане принимаются так, чтобы удовлетворялись следующие соотношения:

;

;

;

;

;

,
где

,

,

,

- число модулей размером 300 мм, содержащихся в длине соответственно 2-, 3-, 4-й ступени фундаментов и подколонника;

,

,

,

- аналогичные значения для ширины ступеней и подколонника.
В каждом из полученных таким образом вариантов проверяются условия продавливания.
Вначале условия продавливания проверяются при классе бетона В12,5. Если условия не выполняются, класс бетона увеличивается и принимается В15. Если при классе бетона В15 условия продавливания не удовлетворяются, вариант из дальнейшего рассмотрения исключается.
Если в каком-либо из вариантов условия продавливания удовлетворяются при классе бетона В12,5, то в дальнейшем этот вариант рассматривается при двух классах бетона - В12,5, В15.
8. Четвертый этап оптимизации. В каждом из вариантов, оставленных для рассмотрения на третьем этапе, проводится подбор площади сечения арматуры и конструирование арматурных изделий так, чтобы удовлетворялись условия прочности и трещиностойкости плитной части и подколонника, а расход арматуры был минимален. Подбор площади сечения арматуры рекомендуется проводить согласно указаниям настоящего Пособия. Выбор классов стали для рабочей и монтажной арматуры, а также конструирование арматурных изделий рекомендуется выполнять согласно указаниям
разд. 4 настоящего Пособия.
Рабочую арматуру рекомендуется вначале принимать из стали класса А-III, подобрав сечения стержней из условий прочности. При выполнении этих условий трещиностойкости подобранное армирование принимается окончательно. Если же условия трещиностойкости не выполняются, то есть прочностные свойства арматуры используются не полностью (см.
разд. 4 настоящего Пособия), рекомендуется принять армирование из стали классов А-II и А-III и подобрать сечения арматурных стержней так, чтобы выполнялись условия прочности и трещиностойкости. Окончательно принимается тот класс стали, при котором расход арматуры оказывается меньше.
9. Пятый этап оптимизации. В каждом из вариантов определяются все рассматриваемые показатели качества (см.
п. 2 настоящего приложения).
Оптимальным вариантом однокритериальной задачи является тот, в котором рассматриваемый критерий качества имеет минимальное значение.
Оптимальный вариант многокритериальной задачи рекомендуется выбирать следующим образом. Отобрать те варианты, в которых хотя бы один из критериев качества имеет минимальное значение. При l-х критериях качества получаются

вариантов. Эти k вариантов являются решениями l однокритериальных задач оптимизации.
Затем, согласно указаниям Рекомендаций по оптимальному проектированию железобетонных конструкций, формируется множество Парето и выбираются еще три варианта, оптимальные по чебышевскому, дифференциальному и интегральному принципам.
Таким образом, общее число вариантов многокритериальной задачи, оптимальных хотя бы по одному признаку, составляет k + 3. Из них вариант с наилучшими технико-экономическими показателями (оптимальный сразу по всем критериям качества) рекомендуется выбирать по инженерным соображениям.
10. Оптимальное проектирование фундаментов может проводиться в автоматизированном режиме на ЭВМ, в диалоговом режиме "человек-машина" (проектировщик задает варианты, рассчитываемые на ЭВМ, а процесс оптимизации выполняется вручную) и в ручном режиме.
При выполнении оптимизации в ручном режиме рассмотрение всех вариантов, предусмотренных
п. 9, может оказаться затруднительным. В этом случае допускается рассмотреть меньшее число вариантов, оставляя их выбор на усмотрение проектировщика.
В частности, допускается назначить два варианта подошв. При этом вначале подбирается прямоугольная подошва, а затем подошва с меньшим отношением длины к ширине, если моменты

и

близки по величине, или подошва с большим значением указанного отношения, если моменты

и

существенно различны.
Затем назначаются два варианта подколонников - минимального (по конструктивным требованиям) и ближайшего большего сечений.
Для всех возможных четырех вариантов сочетания размеров подошвы и подколонников при бетоне класса В15 из условия продавливания выбирается конфигурация плитной части и подбирается арматура из стали класса А-III.
Выбор оптимального варианта рекомендуется выполнять по
п. 9 настоящего приложения.
11. При проектировании типовых фундаментов необходимо решать две основные задачи:
а) разработать оптимальную конструкцию входящих в номенклатурный ряд фундаментов, удовлетворяющих требованиям прочности и трещиностойкости;
б) сформировать оптимальный номенклатурный ряд серии, то есть с учетом заданной области сочетания нагрузок, геометрических параметров и грунтовых условий определить последовательный количественный состав элементов серии.
Для решения задач могут быть использованы методы и алгоритмы, приведенные в Рекомендациях по оптимальному проектированию железобетонных конструкций.
12. Примеры 1 и
2 иллюстрируют применение методов оптимизации фундаментов.
Пример 1. Требуется выбрать для типовой серии очертание двухступенчатого фундамента с размерами подошвы

и подколонника

, обеспечивающее минимальную стоимость при максимальной несущей способности.
Дано: несущая способность фундамента характеризуется значением центрально-приложенной вертикальной силы

(или эквивалентной ей по краевым давлениям под подошвой при наличии эксцентриситетов), которая воспринимается из условий прочности по продавливанию (раскалыванию).
Поскольку фундамент двухступенчатый, то варьироваться могут только размеры второй ступени

.
В рассматриваемом фундаменте возможны 12 вариантов размеров второй ступени кратных модулю (0,3 м).
В
табл. 3 приведены все варианты размеров и относящиеся к решению оптимизационной задачи вычисления. Для каждого варианта

и

вычисления выполняются в следующем порядке:
1. Находим предельную центрально-приложенную вертикальную силу

, которую может воспринять фундамент из условий продавливания (раскалывания).
2. Находим эквивалентную расчетную вертикальную силу

, не превышающую

, при действии которой давление под подошвой не более 600 кПа (максимальное расчетное давление на основание, предусматривающееся типовой серией).
3. Находим вертикальную силу

, при действии которой давление под подошвой достигает 100 кПа (минимальное расчетное давление на основание, предусматривающееся типовой серией). Для рассматриваемого фундамента из бетона класса В15

.
4. Подбираем арматуру плитной части при действии на фундамент соответственно сил

и

.
5. Вычисляем стоимости фундаментов

и

при действии сил

и

соответственно. В примере приняты стоимости:
бетона класса В15

;
арматуры класса А-III

;
арматуры класса А-I

.
На стоимость арматуры вводится коэффициент K = 3.
6. Находим среднюю стоимость фундамента, считая, что на интервале (

,

) вертикальные силы, действующие на фундамент, встречаются одинаково часто:

.
7. Задача является двухкритериальной, так как качество фундамента характеризуется двумя критериями - несущей способностью

и стоимостью (С).
Для поиска оптимального решения выделяем множество Парето, то есть множество таких вариантов, среди которых найдется хотя бы один, лучший любого другого варианта, не входящего в это множество, сразу по двум критериям (минимуму С и максимуму

). Для рассматриваемого фундамента множество Парето состоит из вариантов 1, 2, 3, 5, 6, 9, 12. Например, вариант 7 в множество Парето не входит, так как вариант 9, входящий в это множество, при той же несущей способности имеет меньшую стоимость.
8. Для определения оптимального варианта используем оптимизацию на множество Парето по интегральному принципу.
Нормируем критерии, разделив значение

на

(из варианта 1), а значения С на

(из варианта 12).
9. Вычисляем разность полученных нормированных критериев

и

.
Оптимальным считается тот вариант, в котором эта разность минимальна. Как видно из табл. 3, оптимальным оказался вариант 5.
N варианта | Размеры 2-й ступени, м | Ner, кН | Cf1, руб. | Cf2, руб. | C, руб. | | | |
l2 | b2 |
1 | 3,9 | 3,3 | 1025 | 758,51 | 353,61 | 556,06 | 1 | 1,57 | 0,57 |
2 | 3,6 | 3,3 | 982 | 750,39 | 345,49 | 547,94 | 0,965 | 1,50 | 0,535 |
3 | 3,3 | 3,3 | 743 | 610,53 | 337,38 | 473,95 | 0,725 | 1,29 | 0,565 |
4 | 3,9 | 3,0 | 933 | 722,23 | 344,02 | 533,12 | - | - | - |
5 | 3,6 | 3,0 | 933 | 714,85 | 336,64 | 525,75 | 0,912 | 1,44 | 0,528 |
6 | 3,3 | 3,0 | 700 | 602,41 | 329,26 | 465,84 | 0,683 | 1,28 | 0,595 |
7 | 3,9 | 2,7 | 528 | 543,33 | 334,43 | 438,88 | - | - | - |
8 | 3,6 | 2,7 | 528 | 536,69 | 327,79 | 432,24 | - | - | - |
9 | 3,3 | 2,7 | 528 | 530,06 | 321,15 | 425,60 | 0,515 | 1,16 | 0,645 |
10 | 3,9 | 2,4 | 357 | 431,23 | 324,86 | 378,04 | - | - | - |
11 | 3,6 | 2,4 | 357 | 425,33 | 318,94 | 372,13 | - | - | - |
12 | 3,3 | 2,4 | 357 | 418,43 | 313,04 | 366,23 | 0,348 | 1 | 0,652 |
Все расчеты выполнялись на ЭВМ ЕС-1033 по специальной программе.
Пример 2. Требуется выбрать оптимальный вариант фундамента под сборную железобетонную колонну сечением

с глубиной заделки

.
Дано: отметка обреза фундамента - 0,15 м; отметка подошвы - 3,15 м.
Грунтовые условия: сверху под подошвой залегает суглинок с удельным весом

, мощностью слоя 4,5 м, модулем деформации E = 11 МПа (110 кгс/см
2), углом внутреннего трения

и удельным сцеплением C = 9 кПа (0,09 кгс/см
2); ниже залегает песок с

, мощностью слоя 10 м, E = 18 МПа (180 кгс/см
2),

, C = 0.
Расчетные нагрузки на уровне обреза фундамента приведены в табл. 4.
Таблица 4
| |
N, кН | Mx, кН·м | Qx, кН | My, кН·м | Qy, кН | N, кН | Mx, кН·м | Qx, кН | My, кН·м | Qy, кН |
280 | 85 | 10 | 25 | 8 | 336 | 102 | 12 | 30 | 9,6 |
Обозначения, принятые в таблице:

- коэффициент надежности по нагрузке;
x - направление вдоль большего размера подошвы фундамента.
Допустимая форма эпюры давления под подошвой - трапециевидная, осадка не должна быть более 0,15 м.
В соответствии с указанными в
пп. 5 -
9 этапами назначаем варианты размеров подошвы и подколонника, классы бетона и арматурной стали.
Условиям работы основания удовлетворяют следующие варианты подошв: 1-й - 4,2 x 4,2 м; 2-й - 3,9 x 4,8 м; 3-й - 3,6 x 4,8 м.
Второй вариант исключен из дальнейшего рассмотрения, так как

при

.
Подколонники выбраны от минимального до максимально приемлемого для заданной колонны - всего пять вариантов.
Число и размеры ступеней выбраны по условиям продавливания при двух классах бетона.
Для армирования фундамента назначена сталь класса А-III (класс А-II не рассматривался).
Расчет всех вариантов фундамента выполнен по программе АСПФ-ЕС.
| | ИС МЕГАНОРМ: примечание. В официальном тексте документа, видимо, допущена опечатка: имеется в виду таблица 1 Приложения 7, а не таблица 11. | |
Результаты расчета всех вариантов представлены в
табл. 11. Расход цемента различных марок приведен к марке 400, а расход арматурной стали различных классов приведен к классу А-I.
В примере приняты стоимости:
бетона класса В12,5 -

;
" " В15 -

;
арматуры класса А-I -

;
" " А-II -

;
" " А-III -

.
На стоимость арматуры введен коэффициент K = 3.
Задача является трехкритериальной, так как качество фундамента характеризуется тремя критериями:
расходом цемента марки 400 (Ц);
расходом стали класса А-I (А);
стоимостью (С).
Из представленных в табл. 5 расчетных вариантов выделяем множество Парето, то есть исключаем из дальнейшего рассмотрения те варианты (они не входят в множество Парето), для которых есть хотя бы один вариант, лучший сразу по всем трем критериям качества. Так, например, во 2-м варианте (все три критерия) больше, чем в 3-м. Поэтому вариант 2 в множество Парето не входит.
Таблица 5
N варианта | Размеры подошвы, м | Размеры подколонника, м | Высота плитной части, м, hpl | Число ступеней | Класс бетона | Расход бетона, м3 | Расход арматуры по классам | Расход цемента марки 400, кгс | Расход стали класса А-I, кгс | Стоимость, руб. | Нормированные значения критериев | Целевая функция по принципам |
l | b | lcf | bcf | по l | по b | А-I | А-III | | | | чебышевскому | интегральному | дифференциальному |
1 | 2 | 3 | 4 | 5 | 6 | 7 | 8 | 9 | 10 | 11 | 12 | 13 | 14 | 15 | 16 | 17 | 18 | 19 | 20 | 21 |
1 | 4,2 | 4,2 | 0,9 | 0,9 | 0,9 | 3 | 3 | В12,5 | 10,0 | 78 | 691 | 2020 | 1066 | 697 | 1 | 1,95 | 1,33 | 1,95 | 4,28 | 1 |
2 | 4,2 | 4,2 | 0,9 | 0,9 | 0,9 | 3 | 3 | В15 | 10,0 | 78 | 602 | 2370 | 939 | 657 | - | - | - | - | - | - |
3 | 4,2 | 4,2 | 1,2 | 0,9 | 0,9 | 3 | 3 | В12,5 | 10,57 | 82 | 477 | 2135 | 764 | 589 | 1,06 | 1,39 | 1,13 | 1,39 | 3,58 | 1,06 |
4 | 4,2 | 4,2 | 1,2 | 1,2 | 0,9 | 3 | 3 | В12,5 | 11,49 | 76 | 374 | 2321 | 611 | 549 | - | - | - | - | - | - |
5 | 4,2 | 4,2 | 1,2 | 1,2 | 0,75 | 2 | 2 | В15 | 12,08 | 63 | 374 | 2863 | 597 | 574 | - | - | - | - | - | - |
6 | 4,2 | 4,2 | 1,5 | 1,2 | 0,75 | 2 | 2 | В12,5 | 12,89 | 72 | 343 | 2604 | 562 | 564 | 1,29 | 1,03 | 1,08 | 1,29 | 3,40 | 1,03 |
7 | 4,2 | 4,2 | 1,5 | 1,2 | 0,75 | 2 | 2 | В15 | 12,89 | 58 | 343 | 3055 | 548 | 574 | 1,51 | 1 | 1,10 | 1,51 | 3,61 | 1 |
8 | 4,8 | 3,6 | 0,9 | 0,9 | 1,05 | 3 | 2 | В15 | 9,83 | 78 | 634 | 2330 | 985 | 673 | - | - | - | - | - | - |
9 | 4,8 | 3,6 | 1,2 | 0,9 | 1,05 | 3 | 2 | В15 | 10,35 | 79 | 425 | 2453 | 687 | 565 | - | - | - | - | - | - |
10 | 4,8 | 3,6 | 1,5 | 0,9 | 0,9 | 3 | 3 | В12,5 | 11,19 | 73 | 344 | 2260 | 565 | 523 | 1,12 | 1,03 | 1 | 1,12 | 3,15 | 1 |
11 | 4,8 | 3,6 | 1,5 | 0,9 | 0,9 | 3 | 2 | В15 | 10,76 | 68 | 438 | 2550 | 694 | 578 | - | - | - | - | - | - |
12 | 4,8 | 3,6 | 1,2 | 1,2 | 1,05 | 3 | 2 | В12,5 | 11,38 | 75 | 368 | 2299 | 601 | 542 | - | - | - | - | - | - |
13 | 4,8 | 3,6 | 1,2 | 1,2 | 0,9 | 3 | 2 | В15 | 11,16 | 63 | 408 | 2645 | 646 | 569 | - | - | - | - | - | - |
14 | 4,8 | 3,6 | 1,5 | 1,2 | 0,9 | 3 | 2 | В12,5 | 11,92 | 78 | 413 | 2408 | 669 | 584 | - | - | - | - | - | - |
15 | 4,8 | 3,6 | 1,5 | 1,2 | 0,9 | 3 | 2 | В15 | 11,92 | 63 | 373 | 2825 | 596 | 569 | - | - | - | - | - | - |
Рассмотрев остальные варианты, установили, что в множество Парето входят варианты 1, 3, 6, 7, 10.
Далее проводим оптимизацию на множество Парето по чебышевскому, интегральному и дифференциальному принципам. Нормируем критерии качества, то есть приводим их к безразмерному виду (делим на минимальные значения соответствующих критериев).
Для оптимизации по чебышевскому принципу в гр. 19 записываем для каждого варианта целевую функцию, представляющую максимальное значение их трех нормированных критериев

. Так, например, для варианта 3 записывается значение А = 1,39, так как

.
Для оптимизации по интегральному и дифференциальному принципам в гр. 20 и 21 записываем для каждого варианта целевые функции, представляющие соответственно сумму нормированных критериев

и минимальный из критериев.
Оптимальным по каждому из принципов считается вариант с минимальным значением целевой функции. Из таблицы видно, что по чебышевскому, интегральному и дифференциальному принципам оптимальным оказался 10-й вариант.
ОСНОВНЫЕ БУКВЕННЫЕ ОБОЗНАЧЕНИЯ
Усилия от внешних нагрузок, напряжения
N - продольная сила на уровне подошвы фундамента (нормальная к подошве) от расчетных нагрузок без учета веса фундамента и грунта на его уступах;
M - изгибающий момент на уровне подошвы фундамента от расчетных нагрузок;

,

- изгибающие моменты на уровне подошвы фундамента от расчетных нагрузок, действующих соответственно в направлении большего l и меньшего b размеров фундамента;
Q - поперечная сила на уровне верха фундамента от расчетных нагрузок, передающаяся на фундамент от колонны;
G - собственный вес фундамента;
q - равномерно распределенная вертикальная пригрузка;
p - среднее давление под подошвой фундамента.
Коэффициенты надежности

- по нагрузке;

- по материалу;

- по назначению сооружения;

- коэффициент условий работы.
Характеристики материалов

,

- расчетные сопротивления бетона осевому сжатию соответственно для предельных состояний первой и второй групп;

,

- расчетные сопротивления бетона осевому растяжению соответственно для предельных состояний первой и второй групп;

- расчетное сопротивление арматуры растяжению для предельных состояний первой группы;

- расчетное сопротивление арматуры растяжению для предельных состояний второй группы.
Характеристики положения продольной арматуры
в поперечных сечениях элементов фундамента

,

- растянутая арматура подошвы фундамента, расположенная соответственно вдоль l - длины подошвы и b - ширины;
S - продольная арматура подколонника:
а) при наличии сжатой и растянутой от действия внешней нагрузки зон сечения - расположенная в растянутой зоне;
б) при полностью сжатом от действия внешней нагрузки сечении - расположенная у менее сжатой грани сечения;
в) при полностью растянутом от действия внешней нагрузки сечении внецентренно растянутых элементов - расположенная у более растянутой грани сечения;

- продольная арматура подколонника:
а) при наличии сжатой и растянутой от действия внешней нагрузки зон сечения - расположенная в сжатой зоне;
б) при полностью сжатом от действия внешней нагрузки сечении - расположенная у более сжатой грани сечения;
в) при полностью растянутом от действия внешней нагрузки сечении внецентренно растянутых элементов - расположенная у менее растянутой грани сечения;

- начальный модуль упругости бетона при сжатии и растяжении;

- модуль упругости арматуры;

- отношение соответствующих модулей упругости арматуры

и бетона

.
Геометрические характеристики
A - площадь подошвы фундамента;
b - ширина подошвы фундамента;
l - длина подошвы фундамента;

- соотношение сторон подошвы фундамента;

- меньший размер сечения подколонника;

- больший размер сечения подколонника;

- меньший размер сечения колонны у обреза фундамента;

- больший размер сечения колонны у обреза фундамента;
h - полная высота фундамента;

- высота плитной части фундамента;

- рабочая высота плитной части фундамента;

,

,

- соответственно высота первой (нижней), второй и третьей ступеней фундамента;

- рабочая высота нижней ступени фундамента;

- глубина стакана;

- глубина заделки колонны;
t - толщина стенки стакана поверху;

- эксцентриситет продольной силы N относительно центра тяжести приведенного сечения, определяемый в соответствии с указаниями
п. 1.21 СНиП 2.03.01-84;
d - номинальный диаметр стержней арматуры стали;

,

- площадь сечения арматуры соответственно S и S';
I - момент инерции сечения бетона относительно центра тяжести сечения.