Главная // Актуальные документы // ГОСТ (Государственный стандарт)СПРАВКА
Источник публикации
М.: ИПК Издательство стандартов, 2003
Примечание к документу
С 1 июля 2003 года до вступления в силу технических регламентов акты федеральных органов исполнительной власти в сфере технического регулирования носят рекомендательный характер и подлежат обязательному исполнению только в части, соответствующей целям, указанным в
пункте 1 статьи 46 Федерального закона от 27.12.2002 N 184-ФЗ.
Документ
введен в действие с 1 июля 1982 года.
Взамен ГОСТ 3.1107-73.
Название документа
"ГОСТ 3.1107-81. Межгосударственный стандарт. Единая система технологической документации. Опоры, зажимы и установочные устройства. Графические обозначения"
(введен в действие Постановлением Госстандарта СССР от 31.12.1981 N 5943)
"ГОСТ 3.1107-81. Межгосударственный стандарт. Единая система технологической документации. Опоры, зажимы и установочные устройства. Графические обозначения"
(введен в действие Постановлением Госстандарта СССР от 31.12.1981 N 5943)
Постановлением
Государственного комитета СССР
по стандартам
от 31 декабря 1981 г. N 5943
МЕЖГОСУДАРСТВЕННЫЙ СТАНДАРТ
ЕДИНАЯ СИСТЕМА ТЕХНОЛОГИЧЕСКОЙ ДОКУМЕНТАЦИИ
ОПОРЫ, ЗАЖИМЫ И УСТАНОВОЧНЫЕ УСТРОЙСТВА
ГРАФИЧЕСКИЕ ОБОЗНАЧЕНИЯ
Unified system of technological documentation.
Bases, clamps and installing arrangements.
Symbolic representation
ГОСТ 3.1107-81
Группа Т53
Взамен
ГОСТ 3.1107-73
Постановлением Государственного комитета СССР по стандартам от 31 декабря 1981 г. N 5943 дата введения установлена
1 июля 1982 года
Переиздание. Июль 2003 г.
1. Настоящий стандарт устанавливает графические обозначения опор, зажимов и установочных устройств, применяемых в технологической документации.
2. Для изображения обозначения опор, зажимов и установочных устройств следует применять сплошную тонкую линию по
ГОСТ 2.303-68.
3. Обозначения опор (условные) приведены в табл. 1.
Наименование опоры | Обозначение опоры на видах |
спереди, сзади | сверху | снизу |
1. Неподвижная | | | |
2. Подвижная | | | |
3. Плавающая | | | |
4. Регулируемая | | | |
4. Допускается обозначение подвижной, плавающей и регулируемой опор на видах сверху и снизу изображать как обозначение неподвижной опоры на аналогичных видах.
5. Обозначения зажимов приведены в табл. 2.
Таблица 2
Наименование зажима | Обозначение зажима на видах |
спереди, сзади | сверху | снизу |
1. Одиночный | | | |
2. Двойной | | | |
Примечание. Для двойных зажимов длина плеча устанавливается разработчиком в зависимости от расстояния между точками приложения сил. Допускается упрощенное графическое обозначение двойного зажима:
6. Обозначение двойного зажима на виде спереди или сзади при совпадении точек приложения силы допускается изображать как обозначение одиночного зажима на аналогичных видах.
7. Обозначения установочных устройств приведены в табл. 3.
Таблица 3
Наименование установочного устройства | Обозначение установочного устройства на видах |
спереди, сзади, сверху, снизу | слева | справа |
1. Центр неподвижный | | Без обозначения | Без обозначения |
2. Центр вращающийся | | То же | То же |
3. Центр плавающий | | " | " |
4. Оправка цилиндрическая | | | |
5. Оправка шариковая (роликовая) | | | |
6. Патрон поводковый | | | |
Примечания.
1. Обозначение обратных центров следует выполнять в зеркальном изображении.
2. Для базовых установочных поверхностей допускается применять обозначение

.
8. Установочно-зажимные устройства следует обозначать как сочетание обозначений установочных устройств и зажимов
(Приложение 2).
Примечание. Для цанговых оправок (патронов) следует применять обозначение

.
9. Допускается обозначение опор и установочных устройств, кроме центров, наносить на выносных линиях соответствующих поверхностей (
Приложения 1 и
2).
10. Для указания формы рабочей поверхности опор, зажимов и установочных устройств следует применять обозначения в соответствии с табл. 4.
Наименование формы рабочей поверхности | Обозначение формы рабочей поверхности на всех видах |
1. Плоская | |
2. Сферическая | |
3. Цилиндрическая (шариковая) | |
4. Призматическая | |
5. Коническая | |
6. Ромбическая | |
7. Трехгранная | |
Примечание. Указание прочих форм рабочей поверхности опор, зажимов и установочных устройств следует выполнять в соответствии с требованиями, установленными отраслевыми НТД.
11. Обозначение форм рабочих поверхностей наносят слева от обозначения опоры, зажима или установочного устройства (
Приложения 1 и
2).
12. Для указания рельефа рабочих поверхностей (рифленая, резьбовая, шлицевая и т.д.) опор, зажимов и установочных устройств следует применять обозначение в соответствии с чертежом.
13. Обозначение рельефа рабочей поверхности наносят на обозначение соответствующей опоры зажима или установочного устройства
(Приложение 1).
14. Для указания устройств зажимов следует применять обозначения в соответствии с табл. 5.
Таблица 5
Наименование устройства зажима | Обозначение устройства зажима на всех видах |
1. Пневматическое | Р |
2. Гидравлическое | Н |
3. Электрическое | Е |
4. Магнитное | М |
5. Электромагнитное | ЕМ |
6. Прочее | Без обозначения |
15. Обозначение видов устройств зажимов наносят слева от обозначения зажимов (
Приложения 1 и
2).
Примечание. Для гидропластовых оправок допускается применять обозначение

.
16. Количество точек приложения силы зажима к изделию, при необходимости, следует записывать справа от обозначения зажима (Приложение 2,
поз. 3).
17. На схемах, имеющих несколько проекций, допускается на отдельных проекциях не указывать обозначения опор, зажимов и установочных устройств относительно изделия, если их положение однозначно определяется на одной проекции (Приложение 2,
поз. 2).
18. На схемах допускается несколько обозначений одноименных опор на каждом виде заменять одним, с обозначением их количества справа (Приложение 2,
поз. 2).
19. Допускаются отклонения от размеров графических обозначений, указанных в
табл. 1 -
4 и на чертеже.
Справочное
ПРИМЕРЫ НАНЕСЕНИЯ ОБОЗНАЧЕНИЙ ОПОР, ЗАЖИМОВ
И УСТАНОВОЧНЫХ УСТРОЙСТВ НА СХЕМАХ
Наименование | Пример нанесения обозначений опор, зажимов и установочных устройств |
1. Центр неподвижный (гладкий) | |
2. Центр рифленый | |
3. Центр плавающий | |
4. Центр вращающийся | |
5. Центр обратный вращающийся с рифленой поверхностью | |
6. Патрон поводковый | |
7. Люнет подвижный | |
8. Люнет неподвижный | |
9. Оправка цилиндрическая | |
10. Оправка коническая, роликовая | |
11. Оправка резьбовая, цилиндрическая с наружной резьбой | |
12. Оправка шлицевая | |
13. Оправка цанговая | |
14. Опора регулируемая со сферической выпуклой рабочей поверхностью | |
15. Зажим пневматический с цилиндрической рифленой рабочей поверхностью | |
Справочное
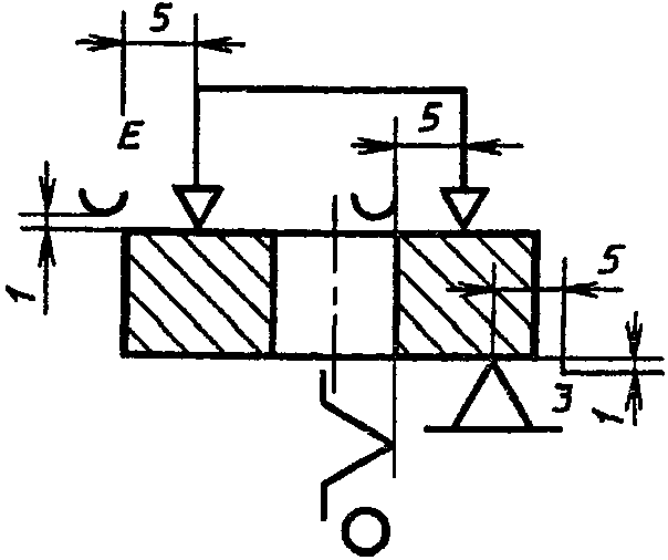
ПРИМЕРЫ СХЕМ УСТАНОВОВ ИЗДЕЛИЙ
Описание способа установа | Схема обозначения |
1. В тисках с призматическими губками и пневматическим зажимом | |
2. В кондукторе с центрированием на цилиндрический палец, с упором на три неподвижные опоры и с применением электрического устройства двойного зажима, имеющего сферические рабочие поверхности | |
3. В трехкулачковом патроне с механическим устройством зажима, с упором в торец, с поджимом вращающимся центром и с креплением в подвижном люнете | |
4. На конической оправке с гидропластовым устройством зажима, с упором в торец на рифленую поверхность и с поджимом вращающимся центром | |