Главная // Актуальные документы // ГОСТ (Государственный стандарт)СПРАВКА
Источник публикации
М.: Издательство стандартов, 1994
Примечание к документу
С 1 июля 2003 года до вступления в силу технических регламентов акты федеральных органов исполнительной власти в сфере технического регулирования носят рекомендательный характер и подлежат обязательному исполнению только в части, соответствующей целям, указанным в
пункте 1 статьи 46 Федерального закона от 27.12.2002 N 184-ФЗ.
Ограничение срока действия снято по Протоколу N 5-94 Межгосударственного совета по стандартизации, метрологии и сертификации ("ИУС", N 11 - 12, 1994).
Документ
введен в действие с 1 января 1975 года.
Взамен ОСТ НКТМ 6813-39.
Название документа
"ГОСТ 18981-73*. Государственный стандарт Союза ССР. Ключи трубные рычажные. Технические условия"
(введен в действие Постановлением Госстандарта СССР от 09.07.1973 N 1675)
(ред. от 01.11.1989)
"ГОСТ 18981-73*. Государственный стандарт Союза ССР. Ключи трубные рычажные. Технические условия"
(введен в действие Постановлением Госстандарта СССР от 09.07.1973 N 1675)
(ред. от 01.11.1989)
Постановлением Государственного
комитета стандартов
Совета Министров СССР
от 9 июля 1973 г. N 1675
ГОСУДАРСТВЕННЫЙ СТАНДАРТ СОЮЗА ССР
КЛЮЧИ ТРУБНЫЕ РЫЧАЖНЫЕ
ТЕХНИЧЕСКИЕ УСЛОВИЯ
Pipe toggle wrenches. Specifications
ГОСТ 18981-73*
| | Список изменяющих документов (в ред. Изменения N 1, утв. в мае 1977 г., Изменения N 2, утв. в октябре 1980 г., Изменения N 3, утв. в октябре 1983 г., Изменения N 4, утв. в ноябре 1989 г.) | |
Взамен
ОСТ НКТМ 6813-39
Постановлением Государственного комитета стандартов Совета Министров СССР от 9 июля 1973 г. N 1675 срок введения установлен
с 1 января 1975 года
Проверен в 1983 г. Постановлением Госстандарта от 29.11.89 N 3520 срок действия продлен
до 1 января 1996 года
Переиздание (ноябрь 1993 г.) с Изменениями N 1, 2, 3, 4, утвержденными в мае 1977 г., октябре 1980 г., октябре 1983 г., ноябре 1989 г. (ИУС 6-77, 1-81, 1-84, 2-90).
Настоящий стандарт распространяется на трубные рычажные ключи, предназначенные для захватывания и вращения труб и соединительных частей трубопроводов, изготовляемые для нужд народного хозяйства и экспорта.
Стандарт не распространяется на ключи, изготовляемые из материалов, применяемых для работы во взрывоопасных условиях.
(Измененная редакция, Изм. N 4).
1.1. Основные размеры ключей должны соответствовать указанным на
чертеже и в
табл. 1.
1 - подвижной рычаг; 2 - губка; 3 - неподвижный рычаг;
4 - поводок; 5 - гайка; 6 - рукоятка подвижного рычага;
Примечание. Чертеж не определяет конструкцию.
Обозначение ключа | Применяемость | Диаметр трубы, зажимаемой ключом D | L | L1 | H | h, не менее | B (пред. откл.  | Масса, кг, не более |
Пред. откл.  |
7813-0001 | | От 10 до 36 | 300 | 280 | 45 | 25 | 18 | 0,8 |
7813-0002 | | От 20 до 50 | 400 | 360 | 60 | 36 | 22 | 1,3 |
7813-0003 | | От 20 до 63 | 500 | 450 | 71 | 45 | 26 | 1,9 |
7813-0004 | | От 25 до 90 | 630 | 560 | 85 | 56 | 30 | 3,5 |
7813-0005 | | От 32 до 120 | 800 | 710 | 110 | 71 | 34 | 5,8 |
Пример условного обозначения трубного рычажного ключа для труб с наружными диаметрами D от 10 до 36 мм и покрытием Кд 21.хр:
Ключ 7813-0001 Кд 21.хр ГОСТ 18981-73
(Измененная редакция, Изм. N 1, 2, 3, 4).
(Измененная редакция, Изм. N 4).
2. ТЕХНИЧЕСКИЕ ТРЕБОВАНИЯ
2.1. Ключи должны изготовляться в соответствии с требованиями настоящего стандарта по чертежам, утвержденным в установленном порядке. Ключи, предназначенные для продажи через розничную торговую сеть, должны соответствовать образцам, утвержденным в установленном порядке.
| | ИС МЕГАНОРМ: примечание. Взамен ГОСТ 1435-90 Постановлением Госстандарта России от 09.02.2001 N 64-ст с 1 сентября 2001 года введен в действие ГОСТ 1435-99. | |
Детали, имеющие зубцы для захвата трубы, должны быть изготовлены из стали марок У7, У7А по ГОСТ 1435-90.
Допускается применять сталь других марок с физико-механическими свойствами в термически обработанном состоянии не ниже, чем у сталей, указанных выше.
2.2. Твердость зубцов на рабочей части ключа - 53... 59 HRCэ.
2.3. Ключи должны иметь прочность, определяемую испытательными крутящими моментами, приведенными в
табл. 2.
Диаметры труб, зажимаемых ключами, D, мм | Испытательные крутящие моменты, Н·м (кгс·м), не менее |
От 10 до 36 | 196 (20) |
" 20 " 50 | 304 (31) |
" 20 " 63 | 331 (44) |
" 25 " 90 | 607 (62) |
" 32 " 120 | 833 (85) |
2.4. Вершины зубцов рабочей части ключей должны быть острыми. Притупление вершин зубцов не должно быть более 0,2 мм.
2.1 - 2.4. (Измененная редакция, Изм. N 4).
2.5. На рукоятке подвижного рычага должна быть круглая резьба, изготовленная по чертежам, утвержденным в установленном порядке.
2.6. Гайка должна иметь накатку по ГОСТ 21474-75.
2.7. Шарнирное соединение рычагов должно обеспечивать их плавное вращение вокруг оси без заеданий.
Усилие для полного раскрытия рычагов ключа не должно превышать 9,81 Н (1 кгс).
2.8. Параметры шероховатости наружных поверхностей ключей должны быть по
ГОСТ 2789-73 не более, мкм:
боковые поверхности губок, поверхности контура горячештампованных деталей - Rz 20;
(Измененная редакция, Изм. N 4).
2.9. (Исключен, Изм. N 4).
2.10. Ключи должны иметь одно из защитно-декоративных покрытий, указанных в
табл. 3.
2.10, 2.11. (Измененная редакция, Изм. N 4).
2.12. (Исключен, Изм. N 4).
2.13. Надежность ключей определяется 15000 нагружений с приложением нагрузки, соответствующей крутящим моментам, указанным в
табл. 2 при условиях испытаний, указанных в
п. 4.3.
Критерием предельного состояния ключей является появление радиуса (притупления) вершин зубцов рабочей части более 0,4 мм или появление одного из критических дефектов по
ГОСТ 26810-86.
Вводится в действие с 01.07.91.
| Покрытия | |
1 | Окисное с промасливанием Фосфатное с промасливанием Окисное с последующей окраской нитроэмалью НЦ-25 (или нитроглифталевой эмалью НЦ-132) разных цветов по IV классу и нанесением лака на осветленную головку | |
2 - 4 | Цинковое толщиной 15 мкм, хроматированное Фосфатное с последующей окраской нитроглифталевой эмалью НЦ-132 (или пентафталевой эмалью ПФ-115) разных цветов по IV классу и нанесением лака на осветленную головку | Ц15.хр |
5 - 8 | Кадмиевое толщиной 21 мкм, хроматированное | Кд21.хр |
Примечания:
1. Допускается по согласованию с потребителем (торгующими организациями) применять другие защитно-декоративные металлические и неметаллические покрытия по
ГОСТ 9.306-85,
ГОСТ 9.303-84 и
ГОСТ 9.032-74, не уступающие указанным в
табл. 3.
2. Ключи, выпускаемые для продажи через розничную торговую сеть, должны иметь защитно-декоративные покрытия не ниже 2 - 4 группы условий эксплуатации по
ГОСТ 9.303-84.
2.14. На ключе должны быть четко нанесены:
товарный знак предприятия-изготовителя;
обозначение ключа (последние четыре цифры), исключая ключи, предназначенные для розничной продажи;
цена (для розничной продажи).
| | ИС МЕГАНОРМ: примечание. Взамен ГОСТ 11516-79 Постановлением Госстандарта России от 20.12.1995 N 621 с 1 января 1997 года введен в действие ГОСТ 11516-94. | |
Маркировка изолирующих рукояток - по ГОСТ 11516-79.
2.15. Остальные требования к маркировке и упаковке - по
ГОСТ 18088-83.
2.13 - 2.15. (Введены дополнительно, Изм. N 4).
3.2. Периодические испытания ключей - по
ГОСТ 26810-86. Испытания ключей на надежность должны проводиться не менее, чем у трех ключей каждого типоразмера.
Разд. 3. (Измененная редакция, Изм. N 4).
4.1. Размеры должны контролироваться универсальными и специальными измерительными средствами.
(Измененная редакция, Изм. N 4).
4.2. Контроль твердости ключей должен проводиться по
ГОСТ 9013-59.
4.3. Испытание ключей проводят на испытательном стенде или приспособлении.
Ключом захватывается стальной стержень твердостью не менее 207 HB диаметром, соответствующим наибольшему диаметру трубы для испытуемого типоразмера и поворачивается в одну сторону с приложением нагрузки, соответствующей крутящему моменту, указанному в
табл. 2. Нагрузка должна прилагаться к неподвижному рычагу на расстоянии 50 мм от его конца.
Во время испытаний значение крутящего момента должно плавно возрастать до значений, указанных в
табл. 2.
(Измененная редакция, Изм. N 4).
4.3а. При испытании на работоспособность ключи должны выдерживать не менее трех нагружений и после испытаний должны быть пригодны для дальнейшей работы.
4.3б. Испытания ключей на надежность должны проводиться при условиях испытаний, указанных в
пп. 2.14 и
4.3.
Результаты испытаний считаются удовлетворительными, если каждый из испытуемых ключей не достигает предельного состояния.
4.3а, 4.3б. (Введены дополнительно, Изм. N 4).
| | ИС МЕГАНОРМ: примечание. Взамен ГОСТ 4380-86 с 1 января 1995 года введен в действие ГОСТ 4380-93, принятый Межгосударственным Советом по стандартизации, метрологии и сертификации 21.10.1993 г. | |
4.4. Контроль резьбы должен производиться микрометром по ГОСТ 4380-86 или резьбовыми калибрами.
4.5. Подвижность деталей ключей в шарнирном соединении должна проверяться неподвижным закреплением одного из рычагов и приложением усилия величиной 9,81 Н (1 кгс) к концу рукоятки другого рычага, при этом ключ должен полностью раскрыться.
4.6. Шероховатость поверхностей ключей должна проверяться по образцам шероховатости по
ГОСТ 9378-75 или сравнением с образцовыми инструментами, имеющими параметры шероховатости не более установленных в
п. 2.8.
4.4 - 4.7. (Измененная редакция, Изм. N 4).
4.8. (Исключен, Изм. N 4).
5. ТРАНСПОРТИРОВАНИЕ И ХРАНЕНИЕ
При эксплуатации ключей не допускается использование дополнительных рычагов для увеличения усилия затяжки.
Разд. 5, 6. (Измененная редакция, Изм. N 4).
7.1. Изготовитель гарантирует соответствие ключей требованиям настоящего стандарта при соблюдении потребителем условий эксплуатации, хранения, транспортирования.
Гарантийный срок - 9 мес. со дня продажи через розничную торговую сеть, а для внерыночного применения - с момента получения товара потребителем.
(Измененная редакция, Изм. N 4).
Справочное
КОНСТРУКЦИЯ И РАЗМЕРЫ ДЕТАЛЕЙ РЫЧАЖНЫХ КЛЮЧЕЙ
--------------------------------
<*> Размер для справок.
Размеры, мм
Диаметры трубы, зажимаемой ключом, D | b | b1 | b2 | b3 | l | l1 | l2 | l3 | l4 | l5 | l6 | h | h1 | h2 | h3 | h4 | c |
От 10 до 36 | 12 | 6 | 20 | - | 60 | 113 | 75 | 25 | 18 | 78 | 14 | 22 | 7 | 15,0 | 32 | 3,5 | 0,5 |
От 20 до 50 | 14 | 24 | 14 | 70 | 162 | 100 | 38 | 23 | 107 | 21 | 30 | 11 | 18,0 | 40 | 5,0 | 1,0 |
От 20 до 63 | 16 | 26 | 95 | 200 | 137 | 25 | 142 | 23 | 40 | 12 | 24,5 | 45 | 7,0 |
От 25 до 90 | 20 | 8 | 29 | 20 | 125 | 260 | 165 | 55 | 32 | 173 | 30 | 42 | 15 | 28,0 | 55 | 8,0 | 1,6 |
От 32 до 120 | 22 | 39 | 30 | 155 | 315 | 230 | 55 | 35 | 235 | 31 | 55 | 25 | 36,0 | 72 | 11,0 |
Продолжение табл. 1
Размеры, мм
Диаметры трубы, зажимаемой ключом, D | d (пред. откл. h14) | d1 | d2 | d3 | r | r1 | r2 | r3 | r4 |
Номин. | Пред. откл. | Номин. | Пред. откл. | Номин. | Пред. откл. |
От 10 до 36 | 9 | 12,0 | -0,40 | 10,730 | -0,27 | 9,460 | -0,55 | 3 | 6 | 6 | 40 | 6 |
От 20 до 50 | 10 | 14,0 | -0,45 | 12,412 | -0,30 | 10,825 | -0,60 | 7 | 10 | 7 |
От 20 до 63 | 12 | 15,6 | 14,012 | 12,425 | 4 | 8 | 50 |
От 25 до 90 | 15 | 19,7 | 18,112 | 16,525 | 10 | 14 | 60 | 9 |
От 32 до 120 | 17 | 21,7 | 20,112 | 18,525 | 11 | 20 | 80 | 10 |
Продолжение табл. 1
Размеры, мм
Диаметры трубы, зажимаемой ключом, D | r5 | r6 | r7 | r8 | r9 | r10 | r11 | r12 | r13 | r14 | Число ниток на 1" | Число полных зубцов z, не менее | S | S1 |
От 10 до 36 | 30 | 20 | 5 | 7 | 15 | 0,606 | 15 | 5 | 2 | 2 | 10 | 6 | 2,540 | 2,5 |
От 20 до 50 | 50 | 25 | 10 | 12 | 0,757 | 20 | 3 | 8 | 3,175 | 3,0 |
20 |
От 20 до 63 | 30 | 12 | 14 | 7 | 3,5 |
30 |
От 25 до 90 | 60 | 35 | 16 | 13 | 4 | 4,0 |
От 32 до 120 | 100 | 50 | 18 | 20 | 5 | 4 | 9 |
Неуказанные предельные отклонения размеров для обрабатываемых поверхностей -

, необрабатываемых поверхностей - по 2-му классу точности
ГОСТ 7505-89.
Предельные отклонения размера
b по h12 - на длине сопряжения с
деталью 3.
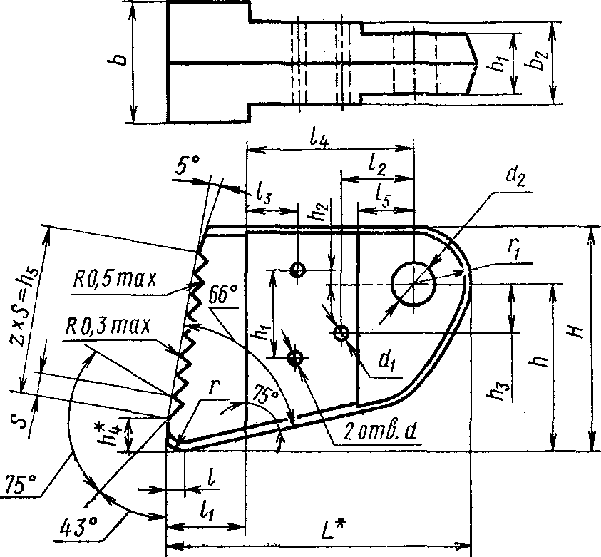
Дет. 2. Губка
--------------------------------
<*> Размер для справок.
Размеры, мм
Диаметры трубы, зажимаемой ключом, D | b | b1 | b2 | L | l | l1 | l2 | l3 | l4 | l5 | H | h | h1 | h2 | h3 | h4 | h5 | r | r1 | S | Число зубцов z, не менее | d | d1 | d2 |
(пред. откл. +/- 0,1) | (пред. откл. +/- 0,1 | Пред. откл. по H12 |
От 10 до 36 | 18 | 7,6 | 12 | 36 | 2 | 9 | - | 6 | 20 | 9 | 24 | 17 | 10 | - | - | 4 | 17,5 | 3,5 | 7 | 2,5 | 6 | 4,1 | - | 8,5 |
От 20 до 50 | 22 | 9,0 | 14 | 46 | 3 | 13 | 9 | 24 | 10 | 34 | 25 | 12 | 5 | 21,0 | 6,0 | 9 | 3,0 | 7 |
От 20 до 63 | 26 | 12,0 | 17 | 61 | 4 | 16 | 35 | 13 | 40 | 30 | 16 | 8 | 28,0 | 7,0 | 10 | 3,5 | 8 | 5,1 |
От 25 до 90 | 30 | 15,0 | 21 | 66 | 5 | 18 | 16 | 52 | 39 | 25 | 3 | 10 | 32,0 | 8,0 | 13 | 4,0 | 10,5 |
От 32 до 120 | 34 | 17,0 | 23 | 96 | 25 | 28 | 10 | 55 | 20 | 65 | 49 | 30 | 5 | 22 | 11 | 40,0 | 9,0 | 16 | 10 | 5,1 | 12,5 |
Неуказанные предельные отклонения размеров -

.
Дет. 3. Неподвижный рычаг
--------------------------------
<*> Размеры для справок.
мм
Диаметр трубы, зажимаемой ключом, D | b | b1 | b2 | b3 | b4 | b5 | b6 | L | l | l1 | l2 | l3 | l4 | H | h |
(пред. откл. +/- 0,1) |
От 10 до 36 | 16,4 | 12 | 2,2 | 5 | 3,0 | 28 | 20 | 271 | 165 | 16,2 | - | 6 | 20 | 50 | 22 |
От 20 до 50 | 19,0 | 14 | 2,5 | 32 | 26 | 347 | 220 | 18,4 | 9 | 24 | 60 | 30 |
От 20 до 63 | 22,0 | 17 | 7 | 4,0 | 45 | 30 | 434 | 245 | 20,8 | 35 | 72 | 36 |
От 25 до 90 | 27,0 | 21 | 3,0 | 48 | 35 | 542 | 320 | 23,7 | 85 | 45 |
От 32 до 120 | 29,0 | 23 | 65 | 46 | 685 | 425 | 31,2 | 28 | 10 | 55 | 110 | 56 |
Продолжение табл. 3
мм
Диаметр трубы, зажимаемой ключом, D | h1 | h2 | h3 | h4 | d | d1 | d2 | d3 | d4 | r | r1 | r2 | c |
(пред. откл. +/- 0,1) | (пред. откл. H12) |
От 10 до 36 | 10 | - | - | 15 | 4,1 | - | 8,5 | 16,4 | 10 | 12 | 3 | 5 | 1,0 |
От 20 до 50 | 12 | 20 | 19,0 | 12 | 20 | 5 |
От 20 до 63 | 16 | 27 | 5,1 | 22,0 | 16 | 1,6 |
От 25 до 90 | 25 | 3 | 32 | 10,5 | 27,0 | 20 | 10 |
От 32 до 120 | 30 | 5 | 22 | 40 | 5,1 | 12,5 | 29,0 | 22 | 25 |
Неуказанные предельные отклонения размеров до 500 мм -

, свыше 500 мм -

Предельное отклонение размера
b1 по H12 - на длине сопряжения с
дет. 1.
Дет. 4. Поводок
Размеры, мм
Диаметр трубы, зажимаемой ключом, D | L | l | l1 | l2 | H | h | h1 | h2 | b | b1 | b2 | d (пред. откл. по H12) | r | r1 | r2 | r3 | r4 | r5 | | |
От 10 до 36 | 85 | 62 | 11 | 68 | 24 | 22 | 14 | 11 | 2,2 | 7,6 | 17,4 | 8,5 | 7,5 | 3 | 9 | 4 | 9,0 | 5 | 16° | 5° |
От 20 до 50 | 108 | 80 | 12 | 86 | 25 | 23 | 14 | 2,5 | 9,0 | 20,0 | 9,0 | 11 | 11,0 | 6 | 15° | 3° |
От 20 до 63 | 138 | 102 | 16 | 110 | 28 | 25 | 18 | 17 | 3,0 | 12,0 | 22,5 | 10,0 | 12 | 5 | 11,5 | 8 | 10° |
От 25 до 90 | 180 | 132 | 20 | 148 | 35 | 32 | 20 | 22 | 15,0 | 27,0 | 10,5 | 12,5 | 15 | 6 | 15,0 | 10 | 18° |
От 32 до 120 | 230 | 172 | 25 | 184 | 38 | 35 | 23 | 25 | 17,0 | 29,0 | 12,5 | 16,0 | 5 | 8 | 12° |
Неуказанные предельные отклонения размеров -

.
Дет. 5. Гайка
Размеры, мм
Диаметр трубы, зажимаемой ключом, D | S | b | b1 | d | d1 | d2 | d3 | d4 | r | r1 | r2 | Число ниток на 1" | c |
Номин. | Пред. откл. | Номин. | Пред. откл. | Номин. | Пред. откл. |
От 10 до 36 | 2,540 | 12 | 6 | 9,714 | +0,40 | 10,730 | +0,27 | 12,254 | +0,55 | 20 | 17 | 24 | 0,650 | 0,561 | 10 | 1,0 |
От 20 до 50 | 3,175 | 15 | 8 | 11,142 | +0,45 | 12,412 | +0,30 | 14,318 | +0,60 | 24 | 22 | 0,813 | 0,702 | 8 |
От 20 до 63 | 20 | 10 | 12,742 | 14,012 | 15,918 | 27 | 26 | 29 |
От 25 до 90 | 16,842 | 18,112 | 20,018 | 32 | 29 | 49 |
От 32 до 120 | 24 | 14 | 18,842 | 20,112 | 22,018 | 36 | 35 | 1,8 |
Неуказанные предельные отклонения размеров -

.
(Измененная редакция, Изм. N 1, 2).