Главная // Актуальные документы // ГОСТ (Государственный стандарт)СПРАВКА
Источник публикации
М.: Издательство стандартов, 1992
Примечание к документу
С 1 июля 2003 года до вступления в силу технических регламентов акты федеральных органов исполнительной власти в сфере технического регулирования носят рекомендательный характер и подлежат обязательному исполнению только в части, соответствующей целям, указанным в
пункте 1 статьи 46 Федерального закона от 27.12.2002 N 184-ФЗ.
Введен в действие с 1 января 1993 года; для СИ, разработанных до 1 января 1993 года, - с 1 января 1996 года.
Взамен ГОСТ 14014-82, ГОСТ 4.300-85.
Название документа
"ГОСТ 14014-91. Приборы и преобразователи измерительные цифровые напряжения, тока, сопротивления. Общие технические требования и методы испытаний"
(утв. Постановлением Госстандарта СССР от 29.12.1991 N 2380)
"ГОСТ 14014-91. Приборы и преобразователи измерительные цифровые напряжения, тока, сопротивления. Общие технические требования и методы испытаний"
(утв. Постановлением Госстандарта СССР от 29.12.1991 N 2380)
Утвержден и введен в действие
Постановлением Госстандарта СССР
от 29 декабря 1991 г. N 2380
ГОСУДАРСТВЕННЫЙ СТАНДАРТ СОЮЗА ССР
ПРИБОРЫ И ПРЕОБРАЗОВАТЕЛИ ИЗМЕРИТЕЛЬНЫЕ ЦИФРОВЫЕ
НАПРЯЖЕНИЯ, ТОКА, СОПРОТИВЛЕНИЯ
ОБЩИЕ ТЕХНИЧЕСКИЕ ТРЕБОВАНИЯ И МЕТОДЫ ИСПЫТАНИЙ
Digital instruments and measuring transducers of voltage,
current and resistance. General technical requirements
and methods of tests
ГОСТ 14014-91
(кроме 42 2199)
Дата введения
1 января 1993 года
для СИ, разработанных до 1 января 1993 года,
1 января 1996 года
1. Разработан и внесен Техническим комитетом по стандартизации измерительной аппаратуры для основных электрических величин (ТК 233).
Разработчики: Г.Г. Степаненков (руководитель темы); Н.С. Трушина.
2. Утвержден и введен в действие Постановлением Комитета стандартизации и метрологии СССР от 29.12.1991 N 2380.
3. Срок первой проверки - 1996 г., периодичность проверки - 5 лет.
4. Взамен ГОСТ 14014-82, ГОСТ 4.300-85.
5. Ссылочные нормативно-технические документы
──────────────────────────────┬───────────────────────────────────
Обозначение НТД, на который │ Номер пункта, подпункта
дана ссылка │
──────────────────────────────┼───────────────────────────────────
ИС МЕГАНОРМ: примечание.
Взамен ГОСТ 8711-78 Постановлением Госстандарта РФ от
10.03.1995 N 182 с 1 января 1996 года введен в действие
ИС МЕГАНОРМ: примечание.
Взамен ГОСТ 13109-87 Постановлением Госстандарта РФ от
28.08.1998 N 338 с 1 января 1999 года введен в действие
ИС МЕГАНОРМ: примечание.
Взамен ГОСТ 22261-82 Постановлением Госстандарта РФ от
15.05.1995 N 250 с 1 января 1996 года введен в действие
Настоящий стандарт распространяется на средства измерений общего применения (в дальнейшем - СИ):
цифровые измерительные приборы (ЦИП), предназначенные для измерения постоянного напряжения и (или) силы постоянного тока, и (или) переменного напряжения и (или) силы переменного тока (средневыпрямленные и среднеквадратические значения), и (или) сопротивления постоянному току, а также на мультиметры (универсальные вольтметры, комбинированные приборы) в части, касающейся измерения указанных выше физических величин;
измерительные аналого-цифровые преобразователи (АЦП), преобразующие электрические непрерывные сигналы постоянного напряжения или тока в кодированные сигналы;
блоки (составные части) измерительных систем общего применения, предназначенные для выполнения функций, указанных выше, и являющиеся средствами измерений.
| | ИС МЕГАНОРМ: примечание. Взамен ГОСТ 13109-87 Постановлением Госстандарта РФ от 28.08.1998 N 338 с 1 января 1999 года введен в действие ГОСТ 13109-97. | |
Стандарт не распространяется на ЦИП, предназначенные для измерения амплитудного значения напряжения, электрометрические ЦИП, изготавливаемые по
ГОСТ 23913; ЦИП, измеряющие сопротивление мостовым методом, изготавливаемые по
ГОСТ 19876; ЦИП, предназначенные для измерения показателей качества электроэнергии по ГОСТ 13109 у приемников, присоединенных к электрическим сетям общего назначения, и на ЦИП, выполненные в виде микросхем и не являющиеся средствами измерений.
Стандарт не содержит всех требований к защите от воздействия окружающей среды и к проведению соответствующих испытаний, т.к. при необходимости они могут быть установлены по ГОСТ 28199 - ГОСТ 28236.
1. ТЕХНИЧЕСКИЕ ТРЕБОВАНИЯ
| | ИС МЕГАНОРМ: примечание. Взамен ГОСТ 22261-82 Постановлением Госстандарта РФ от 15.05.1995 N 250 с 1 января 1996 года введен в действие ГОСТ 22261-94. | |
1.1. СИ должны быть изготовлены в соответствии с требованиями настоящего стандарта, ГОСТ 22261 по техническим условиям на СИ конкретного типа и рабочим чертежам, утвержденным в установленном порядке.
СИ, предназначенные для применения в составе автоматических и автоматизированных систем управления технологическими процессами (АСУ ТП), должны соответствовать требованиям настоящего стандарта и ГОСТ 22261 в части нормирования метрологических характеристик и методов их проверки и
ГОСТ 12997 в части остальных требований.
1.2. Нормирование метрологических характеристик
1.2.1. Комплексы нормируемых метрологических характеристик СИ должны соответствовать ГОСТ 22261 и должны быть установлены в технических условиях на СИ конкретного типа.
1.2.2. Метрологические характеристики нормируют для нормальных и (или) рабочих условий применения в соответствии с ГОСТ 22261.
1.2.3. Комплексы нормируемых метрологических характеристик СИ конкретного типа устанавливают на основании принятой для СИ конкретного типа модели погрешности (с разделением основной погрешности на составляющие или без разделения). Применение модели погрешности без разделения основной погрешности на составляющие допускается только для таких СИ, у которых для любого (с погрешностью не более 0,1 ступени квантования) значения входного сигнала при практическом отсутствии помех на входе СИ при десяти следующих друг за другом измерениях выходной сигнал принимает не более трех различных значений.
1.2.4. Предел допускаемой вариации нормируют для СИ конкретного типа, у которых по принципу действия значение основной погрешности или ее систематической составляющей может изменяться в зависимости от направления изменения информативного параметра входного сигнала более чем на 20% предела допускаемой основной погрешности или предела допускаемого значения систематической составляющей основной погрешности.
1.2.5. Номинальная цена единицы наименьшего разряда выходного кода (номинальная ступень квантования), разрешающая способность должны быть установлены в технических условиях на СИ конкретного типа для каждого диапазона измерений.
1.3. Конечные значения диапазонов измерений (преобразований) должны быть установлены в технических условиях на СИ конкретного типа.
1.4. Формы выражения пределов допускаемых основных погрешностей СИ (при нормировании основной погрешности без разделения на составляющие) или пределов допускаемых систематических составляющих основной погрешности (при нормировании основной погрешности с разделением на составляющие) должны соответствовать
ГОСТ 8.401.
В технически обоснованных случаях допускается использовать другие формы выражения пределов допускаемых основных погрешностей или пределов допускаемых систематических составляющих основной погрешности.
При выражении пределов допускаемых основных погрешностей в виде приведенных погрешностей по формуле (1) или относительных погрешностей по
формуле (2) в соответствии с
ГОСТ 8.401.

, (1)
причем

,

, (2)
где

,

- пределы допускаемой основной погрешности в процентах от измеряемой (преобразуемой) величины или соответственно от

;
c, d - постоянные числа;

- конечное значение установленного диапазона измерений (преобразования);
X - значение измеряемой величины на входе (выходе);

- предел допускаемой абсолютной основной погрешности, выраженной в единицах измеряемой величин, значение постоянных чисел c и d рекомендуется выбирать из ряда:

, где n = 0; -1; -2 и т.д., при этом значения c и d, кратные 3, 7, 8 рекомендуются только для СИ постоянного тока при n <= -2, для ЦИП переменного тока при n <= -1 и для ЦИП, предназначенных для измерения сопротивления постоянному току, при n <= -2.
Для ЦИП переменного тока допускается не нормировать пределы допускаемых относительных погрешностей в диапазоне от 0 до

.
Пределы допускаемых значений среднего квадратического отклонения случайной составляющей основной погрешности и вариации допускается выражать в единицах младшего разряда или единицах (долях) номинальной ступени квантования.
Значения предела допускаемой основной погрешности или пределов допускаемой систематической составляющей основной погрешности и среднего квадратического отклонения случайной составляющей основной погрешности устанавливают в технических условиях на СИ конкретного типа.
1.5. Для многодиапазонных ЦИП и мультиметров допускается устанавливать два и более предела допускаемой основной погрешности. ЦИП переменного тока могут иметь различные пределы допускаемой основной погрешности в зависимости от диапазона частот входного сигнала.
1.6. Нормальные условия применения должны соответствовать установленным в
табл. 1, при этом нормальные значения (области значений) влияющих величин могут быть различными при различных значениях нормируемых метрологических характеристик; нормальные условия применения мультиметров могут быть различными при измерении различных физических величин.
───────────────────────────┬───────────────────────┬───────────────────────
Влияющая величина │ Нормальное значение │ Допустимое отклонение
│ (нормальная область │от нормального значения
│ значений) │ (если оно не любое)
───────────────────────────┼───────────────────────┼───────────────────────
Температура окружающей │ 20; 23; 25; 27 │ 1; 2; 5
среды, °C │ │
Относительная влажность, %│ 30 - 80 │ -
Атмосферное давление, кПа │ 84 - 106,7 (630 - 800)│ -
(мм рт. ст.) │ │
Внешнее магнитное поле │Практически отсутствует│Магнитное поле Земли
Частота питающей сети, Гц │ 50 │ +/- 0,5
│ 400 │ +/- 10
Напряжение питающей сети │Номинальное значение │ +/- 10%
Напряжение питания для │Номинальное значение │ +/- 10%
питания │ │
Форма кривой переменного │Синусоидальная │Коэффициент
напряжения питающей сети │ │несинусоидальности
│ │кривой напряжения
│ │не превышает 5%
Пульсация питания от сети │Неизмеряемая пульсация │0,1% напряжения питания
постоянного тока или │ │
источников постоянного │ │
тока, кроме батарей │ │
Примечания. 1. Допускается для ЦИП с верхним пределом измерения

и более устанавливать нормальную область значений относительной влажности окружающей среды (40 - 60)%.
2. Для СИ системного применения, не имеющих встроенных источников питания, номинального значения напряжения питания и допускаемое отклонение от него должны соответствовать установленным в нормативно-технической документации на систему, в которой СИ применяются.
| | ИС МЕГАНОРМ: примечание. Взамен ГОСТ 22261-82 Постановлением Госстандарта РФ от 15.05.1995 N 250 с 1 января 1996 года введен в действие ГОСТ 22261-94. | |
1.7. Климатические воздействия в рабочих условиях применения СИ должны соответствовать установленным в табл. 2 или ГОСТ 22261.
Таблица 2
──────────────────────────┬───────────────────────────────────────
Влияющая величина │Значение влияющей величины для СИ групп
├────────────┬─────────────┬────────────
│ I │ II │ III
──────────────────────────┼────────────┼─────────────┼────────────
Температура окружающей │ │ │
среды, °C │ │ │
нижнее значение │ 5 │ -10 │ -25
верхнее значение │ 40 │ 55 │ 70
──────────────────────────┼────────────┼─────────────┼────────────
Относительная влажность, %│ │ │
нижнее значение │20 (исключая│ 10 │ 5
│конденсацию)│ (включая конденсацию)
верхнее значение │ 80 │ 90 │ 95
──────────────────────────┼────────────┼─────────────┴────────────
Атмосферное давление, кПа │ │
(мм рт. ст.) │ │
нижнее значение │ 70 (525) │ 53,3 (400)
верхнее значение │106,7 (800) │ 106,7 (800)
1.8. Механические воздействия в рабочих условиях применения СИ должны соответствовать ГОСТ 22261.
1.9. Пределы допускаемых дополнительных погрешностей или пределы допускаемых изменений систематических составляющих основных погрешностей при изменении температуры окружающего воздуха в интервале рабочих температур на каждые 10 °C должны быть равны:
пределу допускаемой основной погрешности или пределу допускаемой систематической составляющей основной погрешности для СИ постоянного тока с постоянной c <= 0,02 или с

или с

и ЦИП переменного тока с постоянной c <= 0,02 или с

;
половине предела допускаемой основной погрешности или половине предела допускаемой систематической составляющей основной погрешности для остальных СИ.
Пределы допускаемых изменений средних квадратических отклонений случайных составляющих основной погрешности при изменении температуры окружающего воздуха в интервале рабочих температур на каждые 10 °C должны быть равны половине предела допускаемого среднего квадратического отклонения случайной составляющей основной погрешности.
1.10. Пределы допускаемых дополнительных погрешностей или пределы допускаемых изменений систематических составляющих основных погрешностей, вызванных воздействием внешнего однородного магнитного поля с индукцией 0,5 мТл, синусоидально изменяющегося во времени, с частотой сети питания, должны быть равны половине предела допускаемой основной погрешности или соответственно половине предела допускаемой систематической составляющей основной погрешности.
Пределы допускаемых изменений средних квадратических отклонений случайных составляющих основных погрешностей, вызванных воздействием внешнего однородного магнитного поля с индукцией 0,5 мТл, синусоидально изменяющегося во времени, с частотой сети питания, должны быть равны половине предела допускаемого среднего квадратического отклонения случайной составляющей основной погрешности.
1.11. Пределы допускаемых дополнительных погрешностей или пределы допускаемых изменений систематических составляющих основных погрешностей и пределы допускаемых изменений средних квадратических отклонений случайных составляющих основных погрешностей, вызванных воздействием повышенной влажности в рабочих условиях применения и других влияющих величин, кроме указанных, должны быть установлены в технических условиях на СИ конкретного типа.
1.12. В технических условиях на ЦИП переменного тока конкретного типа должны быть установлены нормальная и рабочая области значений неинформативного параметра формы кривой измеряемого напряжения (тока).
1.12.1. Для ЦИП, предназначенных для измерений среднеквадратического значения напряжения переменного тока, реагирующих на среднеквадратическое значение измеряемого напряжения, в технических условиях на ЦИП конкретного типа должны быть установлены предельные значения коэффициента амплитуды

и (или) коэффициента гармоник

, при которых сохраняются установленные значения метрологических характеристик или конкретные функциональные зависимости между метрологическими характеристиками и коэффициентами амплитуды и (или) гармоник.
Допускается устанавливать различные значения метрологических характеристик для различных диапазонов значений коэффициента амплитуды и (или) коэффициента гармоник.
1.12.2. Для ЦИП, предназначенных для измерения среднеквадратического значения напряжения переменного тока, реагирующих на средневыпрямленное значение измеряемого напряжения, в технических условиях на ЦИП конкретного типа должно быть установлено предельное значение коэффициента гармоник

, при котором сохраняются установленные значения метрологических характеристик.
Допускается устанавливать различные значения метрологических характеристик для различных диапазонов значений коэффициента гармоник.
1.12.3. Для ЦИП, предназначенных для измерения средневыпрямленного значения напряжения переменного тока, реагирующих на средневыпрямленное значение измеряемого напряжения, в технических условиях на ЦИП конкретного типа должно быть установлено предельное значение коэффициента усреднения

, при котором сохраняются установленные значения метрологических характеристик или конкретная функциональная зависимость между метрологическими характеристиками и коэффициентом усреднения.
Допускается устанавливать различные метрологические характеристики для различных диапазонов значений коэффициента усреднения.
1.12.4. Для ЦИП переменного тока конкретного типа в технических условиях должны быть установлены диапазон частот основной гармоники и диапазон высших гармонических составляющих входного сигнала и, при необходимости, максимально возможный период повторения входного сигнала, при которых сохраняются установленные значения метрологических характеристик.
1.13. Параметры входной (выходной) цепи следует устанавливать в технических условиях на СИ конкретного типа.
Для СИ, предназначенных для измерения (преобразования) постоянного напряжения, рекомендуется устанавливать значения входного сопротивления и входного тока смещения.
Для ЦИП, предназначенных для измерений переменного напряжения, рекомендуется устанавливать минимальное значение входного сопротивления и максимальное значение входной емкости.
Для СИ, предназначенных для измерения (преобразования) силы постоянного или переменного тока, рекомендуется устанавливать максимальное значение падения напряжения на входе (напряжение нагрузки).
Для ЦИП, предназначенных для измерения сопротивления постоянному току, рекомендуется устанавливать максимальное значение тока, протекающего через измеряемое сопротивление, и максимальное значение напряжения на разомкнутых измерительных входах для каждого диапазона измерений.
| | ИС МЕГАНОРМ: примечание. Взамен ГОСТ 22261-82 Постановлением Госстандарта РФ от 15.05.1995 N 250 с 1 января 1996 года введен в действие ГОСТ 22261-94. | |
1.14. Входные сопротивления СИ, работающих в согласованных цепях, должны соответствовать ГОСТ 22261.
1.15. Время установления рабочего режима и продолжительность работы СИ без выключения устанавливают в технических условиях на СИ конкретного типа в соответствии с ГОСТ 22261. Кроме того, должно быть установлено время, на которое СИ должно быть отключено от цепи питания.
1.16. В технических условиях и эксплуатационной документации на СИ конкретного типа должны быть установлены режимы работы.
1.17. Периодичность ручной калибровки СИ рекомендуется выбирать из ряда: 1, 2, 4, 8, 24 ч; 10, 30, 90, 180, 360 сут; при этом для ЦИП оно должно быть не менее значений, установленных в табл. 3.
─────────────────────────────────────────────────────────────┬─────────────
ЦИП, измеряющие │Периодичность
──────────────────────────────────┬──────────────────────────┤калибровки, ч
постоянное напряжение и (или) │ переменное напряжение и │
силу постоянного тока, и (или) │ (или) силу переменного │
сопротивление постоянному току │ тока │
──────────────────────────────────┼──────────────────────────┼─────────────
c <= 0,002 или │c <= 0,1 или │
дельта <= 0,002% │дельта <= 0,1% │ 1
п │ п │
0,002 < c <= 0,01 или │0,1 < c <= 0,2 или │
0,002% < дельта <= 0,01% │0,1 < дельта <= 0,2% │ 2
п │ п │
│0,2 < c <= 0,5 или │
│0,2% < дельта <= 0,5% │ 4
│ п │
c > 0,01 или │ c > 0,5 или │
дельта > 0,01% │ дельта > 0,5% │ 8
п │ п │
Периодичность калибровки СИ, у которых при измерении (преобразовании) постоянного напряжения

, может отличаться от значений, установленных в
табл. 3, и должна быть установлена в технических условиях на СИ конкретного типа.
Периодичность ручной установки нуля рекомендуется выбирать из ряда: 0,5; 1; 2; 4; 8 ч; 30; 90; 180; 360 сут.
Значение 0,5 ч следует устанавливать для диапазонов со ступенью квантования 1 мкВ и менее.
Допускается устанавливать несколько значений периодичности ручной калибровки и установки нуля с указанием метрологических характеристик для каждой периодичности.
1.18. Время реакции (время измерения) ЦИП при включенном входном фильтре и без него для всех способов выбора диапазона измерений должно быть установлено в технических условиях на ЦИП конкретного типа.
Кроме того, рекомендуется устанавливать длительность цикла преобразования (время от момента запуска ЦИП до момента появления сигнала на его выходе) в случаях, когда время одного измерения превышает длительность цикла преобразования.
Для ЦИП, у которых время преобразования связано с частотой сети, время реакции допускается устанавливать с учетом допуска на погрешность частоты сети.
Допускается иная форма представления динамических характеристик ЦИП (частота преобразования, скорость измерений и т.п.).
1.19. Время реакции (время преобразования) и другие частные динамические характеристики АЦП устанавливают в соответствии с
ГОСТ 8.009 в технических условиях на АЦП конкретного типа.
1.20. Коды выходных сигналов измеряемой величины, если они не предназначены для использования в стандартных интерфейсах, должны соответствовать ГОСТ 26.014.
1.21. Параметры выходных кодированных сигналов и сигналов управления, если они не предназначены для использования в стандартных интерфейсах, должны соответствовать ГОСТ 26.013.
| | ИС МЕГАНОРМ: примечание. Взамен ГОСТ 22261-82 Постановлением Госстандарта РФ от 15.05.1995 N 250 с 1 января 1996 года введен в действие ГОСТ 22261-94. | |
1.22. Требования к электропитанию СИ общего применения - по ГОСТ 22261, СИ, предназначенных для применения в АСУ ТП - по ГОСТ 13033.
1.23. Мощность, потребляемая СИ, должна быть установлена в технических условиях на СИ конкретного типа.
1.24. ЦИП с одним диапазоном измерений, предназначенные для измерения напряжения, должны выдерживать в течение 1 мин напряжение, равное 1,5 конечного значения диапазона измерений.
Многодиапазонные ЦИП, предназначенные для измерения напряжения, должны выдерживать в течение 1 мин:
напряжение, равное 1,2 конечного значения диапазона, в режиме автоматического выбора диапазона измерений;
напряжение, равное конечному значению ближайшего большего диапазона, а на остальных диапазонах - напряжение, равное 1,2 конечного значения этих диапазонов, в режимах ручного и дистанционного выбора диапазона измерений на всех диапазонах, кроме наибольшего и совпадающего с наибольшим диапазоном, выбираемым автоматически.
Для ЦИП, имеющих два и более входов, требования к перегрузкам устанавливают по каждому входу.
1.25. В технических условиях на ЦИП и АЦП конкретного типа, предназначенных для измерений (преобразования) постоянного напряжения, должны быть установлены коэффициенты подавления помех нормального вида, общего вида (когда ни один из зажимов не соединен с корпусом), а также допустимый уровень этих помех. Если ЦИП и АЦП снабжены фильтром, полоса пропускания которого может изменяться, то коэффициент подавления помех должен быть установлен для фиксированных частот в каждой полосе пропускания.
1.25.1. Значение коэффициента подавления помех нормального вида устанавливают для частоты сети питания и удвоенной частоты питания с нормированными допусками в технических условиях на ЦИП и АЦП конкретного типа.
Допускается устанавливать коэффициент подавления помех нормального вида в виде функции частоты. Допустимая амплитуда помехи нормального вида должна быть не менее 0,1 конечного значения диапазона измерений (преобразования).
1.25.2. Коэффициент подавления помех общего вида должен нормироваться для ЦИП и АЦП с дифференциальными и (или) плавающими входными цепями, а также имеющими изолированную общую точку входов. Значение коэффициента подавления помех общего вида устанавливают в технических условиях на ЦИП и АЦП конкретного типа при разбалансе сопротивлений внешних измерительных цепей, равном 1 кОм, если не установлено иное, для постоянного и переменного напряжения с частотой сети питания с установленными допусками. Допустимый уровень помех в виде постоянного и переменного (амплитудное значение) напряжения должен быть не менее 100 В. Если коэффициент подавления помех общего вида является функцией испытательного напряжения или измеряемого напряжения, то должен быть указан самый неблагоприятный случай для напряжений вплоть до верхнего предела каждого диапазона измерений.
Для ЦИП в пластмассовых корпусах с автономным питанием коэффициент подавления помех общего вида допускается не устанавливать.
1.26. В технических условиях на СИ конкретного типа, измеряющие (преобразовывающие) постоянное напряжение, по требованию потребителя (заказчика) должны быть установлены характеристики шума или паразитной обратной связи.
Среднеквадратическое значение шума должно быть не менее чем в 5 раз меньше наименьшего значения диапазона измерений (преобразования), если иное значение не установлено изготовителем.
1.27. СИ должны быть тепло-, холодо- и влагопрочными при температуре от минус 40 до плюс 70 °C, если иные значения не установлены в технических условиях на СИ конкретного типа.
| | ИС МЕГАНОРМ: примечание. Взамен ГОСТ 22261-82 Постановлением Госстандарта РФ от 15.05.1995 N 250 с 1 января 1996 года введен в действие ГОСТ 22261-94. | |
1.28. СИ в транспортной таре должны обладать прочностью при транспортировании по ГОСТ 22261.
1.29. Требования к конструкции СИ - по ГОСТ 22261.
1.30. Требования безопасности - по ГОСТ 26104.
1.31. Требования к надежности
1.31.1. Номенклатура показателей надежности - по ГОСТ 22261. По согласованию с потребителем (заказчиком) допускается устанавливать и другие показатели надежности по
ГОСТ 27883.
1.31.2. Значения показателей надежности устанавливают в технических условиях на СИ конкретного типа для нормальных условий применения, установленных в
табл. 1, но при температуре от 10 до 30 °C. Допускается устанавливать значения показателей надежности для рабочих условий применения.
1.32. Требования к комплектности устанавливают в технических условиях на СИ конкретного типа.
Перечень и число комплектующих элементов ЗИП, необходимых для поддержания СИ в работоспособном состоянии на период гарантийного срока, устанавливают в технических условиях на СИ конкретного типа.
1.33. Маркировка СИ - по ГОСТ 22261 и ГОСТ 26104.
1.34. Упаковка СИ - по ГОСТ 9181.
1.35. Транспортирование и хранение СИ - по ГОСТ 22261.
Температура транспортирования и хранения от минус 40 до плюс 70 °C, если иные значения не установлены в технических условиях на СИ конкретного типа.
2.1. Испытуемые СИ должны быть подготовлены к работе и испытаниям в соответствии с эксплуатационной документацией и техническими условиями на СИ конкретного типа.
СИ необходимо включить и выдержать в нормальных условиях в течение времени установления рабочего режима, установленного в технических условиях на СИ конкретного типа.
Провести необходимые настройки в соответствии с эксплуатационной документацией на СИ конкретного типа.
| | ИС МЕГАНОРМ: примечание. Взамен ГОСТ 22261-82 Постановлением Госстандарта РФ от 15.05.1995 N 250 с 1 января 1996 года введен в действие ГОСТ 22261-94. | |
2.2. Методы испытаний - по ГОСТ 22261 и настоящему стандарту.
2.3. Схемы подключения испытуемого СИ со средствами контроля при отсутствии стандартных методов должны быть приведены в технических условиях и эксплуатационной документации на СИ конкретного типа.
2.4. Методику контроля метрологических характеристик устанавливают в технических условиях на СИ конкретного типа в соответствии с методическими указаниями, инструкциями по проверке метрологических характеристик и типовыми программами, утвержденными в установленном порядке.
Основную погрешность в основном диапазоне измерений (диапазон с наименьшей нормированной погрешностью) для СИ с непрерывной зависимостью систематической составляющей погрешности от измеряемой величины рекомендуется проверять на точках
X1 = (0,1 - 0,15) x X ; X2 = (0,2 - 0,3) x X ;
к к
X3 = (0,4 - 0,6) x X ; X4 = (0,7 - 0,8) x X ;
к к
X5 = (0,9 - 1,1) x X .
к
Для СИ, у которых ограничено минимальное значение

, погрешность в точках

не проверяют, при этом дополнительно к указанным точкам погрешность следует проверять в точке

.
В случае, когда зависимость систематической составляющей погрешности от измеряемой величины может иметь разрывы, основную погрешность в основном диапазоне следует проверять на точках, устанавливаемых в зависимости от кода, в котором производится преобразование измеряемой величины.
Основную погрешность в основном диапазоне измерений (преобразования) постоянного напряжения и силы постоянного тока следует проверять при обеих полярностях входного сигнала.
Основную погрешность в остальных диапазонах измерений рекомендуется проверять или в тех же точках, что в основном диапазоне - X1, X2, X3, X4 и X5 или в следующих точках: 1 - X1, 2 - X5, 3 - при том же выходном коде (показании), при котором на основном диапазоне получена наиболее близкая к пределу допускаемых значений положительная погрешность; 4 - при том же выходном коде (показании), при котором на основном диапазоне получена наиболее близкая к пределу допускаемых значений отрицательная погрешность.
Если на основном диапазоне измерений (преобразований) погрешности во всех точках положительные (отрицательные), то на остальных диапазонах измерений (преобразований) погрешность в точках X4 и 3 допускается не проверять.
Если многодиапазонное СИ может работать более чем в одном режиме, измерения погрешностей должны быть едины для каждого диапазона в каждом режиме. После переключения на другой диапазон не допускается никакая повторная ручная регулировка, если она не предусмотрена эксплуатационной документацией.
| | ИС МЕГАНОРМ: примечание. Взамен ГОСТ 22261-82 Постановлением Госстандарта РФ от 15.05.1995 N 250 с 1 января 1996 года введен в действие ГОСТ 22261-94. | |
2.5. Требования к значению соотношения пределов допускаемых значений характеристик погрешности образцового и испытуемого СИ устанавливают в зависимости от допускаемых критериев проверки в соответствии с ГОСТ 22261 и методическими указаниями, утвержденными в установленном порядке.
2.6. Дополнительные погрешности СИ следует определять для каждой влияющей величины в отдельности по истечении времени установления рабочего режима в нормальных условиях применения, кроме величины, влияние которой определяют.
Дополнительные погрешности рекомендуется определять не менее чем в трех точках основного диапазона:

;

;

и в точке

остальных диапазонов, если иные не установлены в методике испытаний влияющей величины.
Дополнительные погрешности или изменения составляющих основной погрешности проверяют определением погрешности или ее составляющих при двух, установленных в технических условиях значениях влияющей величины или неинформативного параметра входного сигнала для одной и той же точки диапазона измерений (преобразования), подсчитывают изменение погрешности (разность погрешностей) и сравнивают это изменение с пределом допускаемой дополнительной погрешности или пределом допускаемых изменений составляющих основной погрешности.
СИ считают выдержавшими испытания, если получившиеся изменения погрешности не превышают предела допускаемого значения дополнительной погрешности (при нормировании погрешности без разделения на составляющие) или предела допускаемых изменений систематической составляющей основной погрешности и предела допускаемых изменений средних квадратических отклонений случайной составляющей основной погрешности.
2.7. Определение дополнительной погрешности или изменения составляющих основной погрешности от изменения температуры и влажности (
пп. 1.9;
1.11) при проверке тепло-, холодо- и влагоустойчивости проводят по
ГОСТ 28199,
ГОСТ 28200,
ГОСТ 28201 и ГОСТ 28214; при нормировании климатических воздействий в рабочих условиях применения - по ГОСТ 22261.
Время выдержки СИ после испытаний для измерений характеристик в нормальных условиях применения должно быть не менее 4 ч.
| | ИС МЕГАНОРМ: примечание. Взамен ГОСТ 8711-78 Постановлением Госстандарта РФ от 10.03.1995 N 182 с 1 января 1996 года введен в действие ГОСТ 8711-93. | |
2.8. Испытание СИ на влияние магнитного поля
(п. 1.10) проводят по методике ГОСТ 8711. Контролируемые точки:

основного диапазона измерений (преобразования) и при отсутствии сигнала на нижнем диапазоне (при замкнутом виде для вольтметров и омметров).
2.9. Предельные значения коэффициента амплитуды, коэффициента гармоник, коэффициента усреднения, диапазон частот и максимально возможный период входного сигнала ЦИП переменного тока
(п. 1.12) следует определять методами, установленными в технических условиях на ЦИП конкретного типа.
Допускается использовать расчетно-экспериментальные методы.
2.10. Входные и выходные параметры СИ (
пп. 1.13;
1.14) проверяют методом, обеспечивающим погрешность оценок не более 20%. Падение напряжения определяют на измеряемом сопротивлении, равном

. Рекомендуемые методики приведены в справочном
Приложении 1.
| | ИС МЕГАНОРМ: примечание. Взамен ГОСТ 22261-82 Постановлением Госстандарта РФ от 15.05.1995 N 250 с 1 января 1996 года введен в действие ГОСТ 22261-94. | |
2.11. Проверку времени установления рабочего режима, продолжительности непрерывной работы без калибровки и установки нуля (
пп. 1.15;
1.17) проводят по ГОСТ 22261.
Основную погрешность следует определять после установления рабочего режима и в конце испытаний в точках, указанных в
п. 2.6.
Для СИ, имеющих периодичность калибровки или продолжительность непрерывной работы 30 сут и более, допускается совмещать данные испытания с испытаниями на безотказность. При этом на стадии государственных испытаний время непрерывной работы без калибровки и установки нуля должно быть подтверждено результатами предварительных испытаний и (или) расчетами.
2.12. Методика контроля динамических характеристик (
пп. 1.18;
1.19) и вариации
(п. 1.2.4) должна быть установлена в технических условиях на СИ конкретного типа.
Для СИ, не имеющих выхода на цифропечатающее устройство или другие устройства контроля и управления, время реакции и длительность цикла преобразования допускается не определять, если их значения не превышают 1,5 с. В этом случае проверку динамических характеристик проводят анализом работы схемы и алгоритма работы СИ.
2.13. Методика контроля режима работы
(п. 1.16), кодов выходных сигналов измеряемой величины
(п. 1.20), параметров выходных сигналов и сигналов управления
(п. 1.21) должны быть установлены в технических условиях на СИ конкретного типа.
Параметры кодированных сигналов и сигналов управления рекомендуется проверять при предельных значениях нагрузки, установленной в технических условиях на СИ конкретного типа.
2.14. Мощность, потребляемую СИ
(п. 1.23), определяют методом амперметра и вольтметра или измеряют ваттметром с погрешностью не более 5% при максимальном значении напряжения питания.
2.15. После воздействия перегрузок по
п. 1.24 и выдержки СИ в нормальных условиях применения не более 15 мин проверяют основную погрешность или ее составляющие на каждом диапазоне измерений в точке

. Калибровка и установка нуля после снятия перегрузки не допускаются.
2.16. Для проверки коэффициента подавления помех
(п. 1.25) сигнал помехи напряжения переменного тока рекомендуется подавать через разделительный трансформатор. Амплитуда и уровень помех должны соответствовать максимально допустимым значениям, установленным в технических условиях на СИ конкретного типа. Фаза переменного напряжения должна быть установлена так, чтобы получить максимальное влияние.
В СИ с автоматической синхронизацией периода преобразования с периодом питающей сети подавление помех проверяют только на частоте питающей сети.
Испытания СИ на влияние помех общего вида рекомендуется проводить постоянным и переменным напряжением общего вида для трех конфигураций входа, приведенных на чертежах в справочном
Приложении 2.
Для определения значения коэффициента подавления помех испытуемого СИ подготавливают к работе, включают и прогревают в течение времени, установленного в технических условиях на СИ конкретного типа. При необходимости проводят калибровку и установку нуля и регистрируют показания СИ. Затем подают сигналы помехи постоянного и (или) переменного напряжения. Вновь регистрируют показания испытуемого СИ. Коэффициент подавления помех K вычисляют по формуле (3)

, (3)
где E - амплитудное значение напряжения помехи, В;

- максимальная разность между показаниями СИ с помехой и без помехи, В.
2.17. Входной шум
(п. 1.26) рекомендуется определять осциллографом с зондом с входным сопротивлением

, подключенным на вход испытуемого СИ. Осциллограф и СИ должны быть заземлены. Шум определяют на каждом диапазоне измерений (преобразования). При наличии отключаемого входного фильтра шум определяют как с фильтром, так и без него. Шум определяют для всех режимов работы СИ.
| | ИС МЕГАНОРМ: примечание. Взамен ГОСТ 22261-82 Постановлением Госстандарта РФ от 15.05.1995 N 250 с 1 января 1996 года введен в действие ГОСТ 22261-94. | |
2.18. Проверку тепло-, холодо- и влагопрочности при транспортировании СИ (
пп. 1.27;
1.28) проводят по ГОСТ 22261.
После испытаний и выдержки в нормальных условиях применения СИ должны быть проверены на соответствие
п. 1.4.
2.19. Проверку требований безопасности
(п. 1.30) проводят по ГОСТ 26104.
2.20. Соответствие СИ требованиям
пп. 1.1;
1.29;
1.32;
1.33;
1.34 проверяют визуально или с помощью мерительного инструмента требуемой точности.
2.21. Испытания СИ на надежность
(п. 1.31) следует проводить по стандартам и (или) техническим условиям на СИ конкретного типа.
Устранение отказов СИ, обусловленных выходом из строя комплектующих компонентов, используемых в режимах, установленных в стандартах или технических условиях на эти компоненты, и замену таких компонентов осуществляют в соответствии с требованиями, установленными в технических условиях на СИ конкретного типа.
Справочное
МЕТОДИКИ ОПРЕДЕЛЕНИЯ ПАРАМЕТРОВ ВХОДНОЙ ЦЕПИ
1. Определение входного сопротивления СИ, измеряющих постоянное напряжение
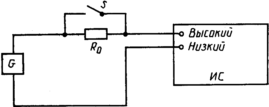
1.1. Собрать схему, как показано на черт. 1.
G1 - источник постоянного напряжения; ИС - испытуемое СИ;
S1, S2 - переключатели; G2 - батарея;

- резистор,
сопротивление которого должно составлять от 10 до 50%
значения входного сопротивления испытуемого СИ;

- потенциометр, сопротивление которого
должно быть приблизительно 1/100 от

;
C - конденсатор, 0,1 мкФ; Высокий, Низкий - импедансы
Черт. 1
1.2. Откалибровать ИС.
1.3. Переключатель S1 установить в положение 1.
1.4. Установить нуль на ИС с помощью потенциометра

и переключателя полярности S2.
1.5. Переключатель S1 установить в положение 2.
1.6. Подать на ИС входной сигнал U1, равный 90% конечного значения диапазона измерений.
1.7. Записать показания (U2) испытуемого СИ.
1.8. Рассчитать входное сопротивление (

) по формуле

. (1)
Рассчитанное значение должно находиться в пределах, установленных в технических условиях на СИ конкретного типа.
2. Определение входного сопротивления и входной емкости ЦИП, измеряющих переменное напряжение
2.1. Собрать схему, как показано на черт. 2, используя экранированные максимально короткие проводники для уменьшения влияния паразитной емкости и шумовой помехи.
G - источник переменного напряжения (переменная частота,
постоянная амплитуда); ИС - испытуемый ЦИП;
S - переключатель;

- резистор, сопротивление
которого должно быть приблизительно равно 10%
значения входного сопротивления ИС;
Высокий, Низкий - импедансы
Черт. 2
2.2. Замкнуть переключатель S и откалибровать ИС, подав сигнал от источника G частотой 100 Гц напряжением 0 и 60% конечного значения диапазона измерений.
2.3. При замкнутом S подать от источника G на ИС входной сигнал частотой 200 Гц, равный 90% конечного значения диапазона измерений. Записать показания ИС - U1.
2.4. Разомкнуть переключатель S и записать показания ИС - U2.
2.5. Увеличивать частоту входного сигнала до тех пор, пока показания ИС будут равны 0,707 U2. Записать частоту f. Если значение f выходит за пределы рабочего диапазона частот ИС, увеличить значение сопротивление

на один порядок и повторить испытания.
2.6. Рассчитать значение входного сопротивления по
формуле (1). Входную емкость

рассчитать по формуле

. (2)
Рассчитанные значения

и

должны находиться в пределах, установленных в технических условиях на СИ конкретного типа.
3. Определение входного тока смещения
3.1. Собрать схему, как показано на черт. 3.
G - батарея; PV - вольтметр;

- резистор,
сопротивление которого выбирают от 1 до 100 МОм
в зависимости от тока смещения;

- потенциометр,
сопротивление которого приблизительно равно 1/100 от

;
C - конденсатор 1 мкФ; S - двухполюсный переключатель;
Высокий, Низкий - импедансы
Черт. 3
3.2. Установить

в положение, при котором показание вольтметра равно нулю. Сопротивление

должно быть достаточно большим для того, чтобы ток смещения создавал показания ИС приблизительно равные десятикратному значению цены единицы младшего разряда выходного кода (ступени квантования).
3.3. Изменить полярность с помощью переключателя S и регулировкой потенциометра

добиться нулевой индикации ИС.
3.4. Записать показания вольтметра - U.
Ток смещения

определяют по формуле (3)

. (3)
Рассчитанное значение тока смещения не должно превышать установленного в технических условиях на СИ конкретного типа.
4. Определение напряжения нагрузки СИ, измеряющих силу постоянного тока
4.1. Собрать схему, как показано на черт. 4.
G - источник постоянного тока; ИС - испытуемое СИ;
PV - вольтметр постоянного тока с входным
сопротивлением >= 1 МОм; Высокий, Низкий - импедансы
Черт. 4
4.2. Подать на ИС входной сигнал, значение которого равно 100% конечного значения диапазона измерений (преобразования).
4.3. Записать значение напряжения U, показанное вольтметром PV.
Измеренное значение напряжения должно находиться в пределах, установленных в технических условиях на СИ конкретного типа.
5. Определение напряжения нагрузки ЦИП, измеряющих силу переменного тока
5.1. Собрать схему, как показано на черт. 5, используя экранированные максимально короткие проводники.
G - источник переменного тока; ИС - испытуемый ЦИП;
PV - вольтметр переменного тока с входным
сопротивлением >= 1 МОм; Высокий, Низкий - импедансы
Черт. 5
5.2. Подать на ИС входной сигнал, равный 100% конечного значения диапазона измерений, частоты 100 Гц или номинальной частоты внутри рабочей полосы частот.
5.3. Записать значение напряжения U, показанное вольтметром PV.
Измеренное напряжение нагрузки U должно находиться в пределах, установленных в технических условиях на СИ конкретного типа.
6. Определение максимального тока, протекающего через измеряемое сопротивление
6.1. Собрать схему, как показано на черт. 6.
PA - амперметр постоянного тока;

- переменное сопротивление; ИС - испытуемый ЦИП;
Высокий, Низкий - импедансы
Черт. 6
6.2. Изменять сопротивление

для получения максимальной силы тока по показаниям амперметра PA.
6.3. Записать максимальное показание амперметра PA.
6.4. Провести измерение тока для каждого диапазона измерений.
Измеренный ток не должен превышать значения, установленного в технических условиях на СИ конкретного типа.
7. Определение максимального напряжения на разомкнутых измерительных входах ЦИП, измеряющих сопротивление
7.1. Собрать схему, как показано на черт. 7, и замкнуть выключатель S.
PV - вольтметр постоянного тока с входным сопротивлением
не менее чем в 50 раз больше конечного значения наибольшего
диапазона измерений (для уменьшения ошибки,
обусловленной нагрузкой); S - выключатель;
ИС - испытуемый ЦИП; Высокий, Низкий - импедансы
Черт. 7
7.2. Разомкнуть выключатель S и измерить напряжение с помощью вольтметра PV.
7.3. Повторить операцию для каждого диапазона измерений.
Измеренные напряжения не должны превышать значений, установленных в технических условиях на СИ конкретного типа.
Справочное
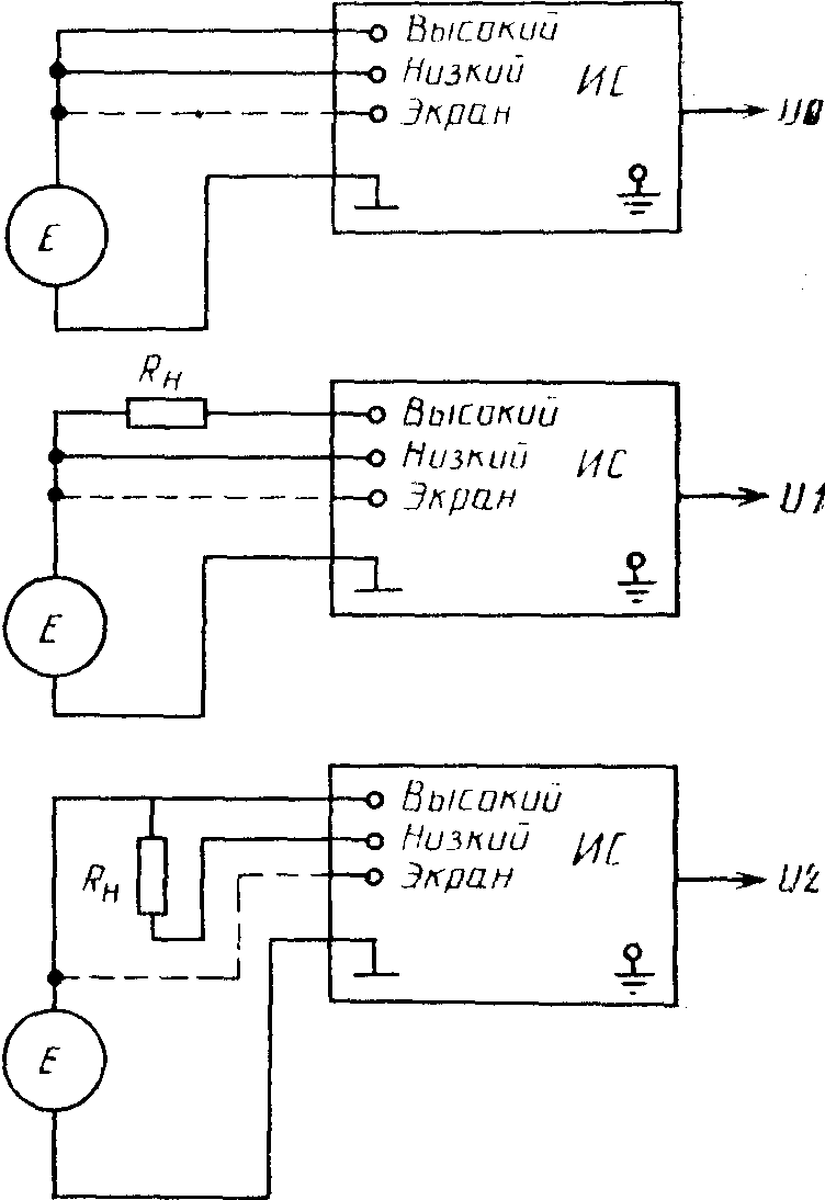
СХЕМЫ ОПРЕДЕЛЕНИЯ ВЛИЯНИЯ ПОМЕХ ОБЩЕГО ВИДА
U0, U1, U2 - аналоговые (входные) эквиваленты
выходной информации;

- сопротивление разбаланса;
E - источник сигнала помехи; ИС - испытуемое СИ;
Высокий, Низкий - импедансы
Черт. 8