Главная // Актуальные документы // ГОСТ (Государственный стандарт)
СПРАВКА
Источник публикации
М.: Стандартинформ, 2009
Примечание к документу
Документ введен в действие 01.07.2009.

Взамен ГОСТ 27672-88 в части смазочных отверстий, канавок и углублений.
Название документа
"ГОСТ ИСО 3547-3-2006. Межгосударственный стандарт. Подшипники скольжения. Втулки свертные. Часть 3. Смазочные отверстия, канавки и углубления"
(введен в действие Приказом Ростехрегулирования от 25.12.2008 N 682-ст)


"ГОСТ ИСО 3547-3-2006. Межгосударственный стандарт. Подшипники скольжения. Втулки свертные. Часть 3. Смазочные отверстия, канавки и углубления"
(введен в действие Приказом Ростехрегулирования от 25.12.2008 N 682-ст)


Содержание


Введен в действие
Приказом Федерального агентства
по техническому регулированию
и метрологии
от 25 декабря 2008 г. N 682-ст
МЕЖГОСУДАРСТВЕННЫЙ СТАНДАРТ
ПОДШИПНИКИ СКОЛЬЖЕНИЯ
ВТУЛКИ СВЕРТНЫЕ
ЧАСТЬ 3
СМАЗОЧНЫЕ ОТВЕРСТИЯ, КАНАВКИ И УГЛУБЛЕНИЯ
ISO 3547-3:1999
Plain bearings - Wrapped bushes -
Part 3: Lubrication holes, lubrication grooves
and lubrication indentations
(IDT)
Plain bearings. Wrapped bushes. Part 3.
Lubrication holes, lubrication grooves
and lubrication indentations
ГОСТ ИСО 3547-3-2006
Группа Г16
МКС 21.100.10
ОКП 41 8210
Дата введения
1 июля 2009 года
Предисловие
Цели, основные принципы и основной порядок проведения работ по межгосударственной стандартизации установлены ГОСТ 1.0-92 "Межгосударственная система стандартизации. Основные положения" и ГОСТ 1.2-97 "Межгосударственная система стандартизации. Стандарты межгосударственные, правила и рекомендации по межгосударственной стандартизации. Порядок разработки, принятия, применения, обновления и отмены"
Сведения о стандарте
1 ПОДГОТОВЛЕН Всероссийским научно-исследовательским институтом стандартизации и сертификации в машиностроении (ВНИИНМАШ) Федерального агентства по техническому регулированию и метрологии на основе собственного аутентичного перевода стандарта, указанного в пункте 4
2 ВНЕСЕН Межгосударственным техническим комитетом по стандартизации МТК 344 "Подшипники скольжения"
3 ПРИНЯТ Межгосударственным советом по стандартизации, метрологии и сертификации (Протокол N 29 от 24 июня 2006 г.)
За принятие проголосовали:
Краткое наименование страны по МК (ИСО 3166) 004-97
Код страны по МК (ИСО 3166) 004-97
Сокращенное наименование национального органа по стандартизации
Азербайджан
AZ
Азстандарт
Армения
AM
Минторгэкономразвития
Беларусь
BY
Госстандарт Республики Беларусь
Грузия
GE
Грузстандарт
Казахстан
KZ
Госстандарт Республики Казахстан
Киргизия
KG
Кыргызстандарт
Молдова
MD
Молдова-Стандарт
Российская Федерация
RU
Федеральное агентство по техническому регулированию и метрологии
Таджикистан
TJ
Таджикстандарт
Туркменистан
TM
Главгосслужба "Туркменстандартлары"
Узбекистан
UZ
Узстандарт
Украина
UA
Госпотребстандарт Украины
4 Настоящий стандарт является модифицированным по отношению к международному стандарту ИСО 3547:1999 "Подшипники скольжения. Втулки свертные. Часть 3. Смазочные отверстия, канавки и углубления" (ISO 3547-3:1999 "Plain bearings - Wrapped bushes - Part 3: Lubrication holes, lubrication, grooves and lubrication indentations, IDT)
5 Приказом Федерального агентства по техническому регулированию и метрологии от 25 декабря 2008 г. N 682-ст межгосударственный стандарт ГОСТ ИСО 3547-3-2006 введен в действие в качестве национального стандарта Российской Федерации с 1 июля 2009 г.
6 ВЗАМЕН ГОСТ 27672-88 в части смазочных отверстий, канавок и углублений
Информация о введении в действие (прекращении действия) настоящего стандарта публикуется в указателе "Национальные стандарты".
Информация об изменениях к настоящему стандарту публикуется в указателе "Национальные стандарты", а текст изменений - в информационных указателях "Национальные стандарты". В случае пересмотра или отмены настоящего стандарта соответствующая информация будет опубликована в информационном указателе "Национальные стандарты"
1 Область применения
Настоящий стандарт устанавливает размеры смазочных отверстий, канавок и углублений на свертных втулках, изготовленных из сплошного и многослойного подшипникового материала.
Свертные втулки со смазочными отверстиями, канавками и углублениями в соответствии с настоящим стандартом могут быть поставлены размерами согласно ИСО 3547-1 и изготовлены из материалов согласно ИСО 3547-4.
Смазочные отверстия, канавки и углубления могут быть получены на гладкой полосе металла до операции прокатки. Допустимы размерные изменения, вызванные прокаткой полосы металла. На подложке втулки могут проявляться следы смазочных канавок и рельефа отверстия, производимых штамповкой. Допустимы незначительные трещины в подшипниковом материале смазочных канавок и углублений при условии отсутствия отделения небольших частиц.
Втулки серии C в соответствии с ИСО 3547-1 могут быть с утолщением вдоль любой стороны смазочных канавок, вызванное операцией штамповки.
Особенности данных контроля наружного и внутреннего диаметров - по ИСО 3547-2.
Размеры без допусков приведены только для справок и могут быть наряду с размерами, которые не оговорены, выполнены по усмотрению изготовителя.
2 Нормативные ссылки
В настоящем стандарте использованы нормативные ссылки на следующие стандарты:
ИСО 3547-1:1999 Подшипники скольжения. Втулки свертные. Часть 1. Размеры (ГОСТ ИСО 3547-1:2006, IDT)
ИСО 3547-2:1999 Подшипники скольжения. Втулки свертные. Часть 2. Данные для контроля наружного и внутреннего диаметров (ГОСТ ИСО 3547-2-2006, IDT)
ИСО 3547-4:1999 Подшипники скольжения. Втулки свертные. Часть 4. Материалы (ГОСТ ИСО 3547-4-2006, IDT)
ИСО 4378-1:1997 Подшипники скольжения. Термины, определения и классификация. Часть 1. Конструкция, подшипниковые материалы и их свойства (ГОСТ ИСО 4378-1-2006, IDT)
3 Термины и определения
В настоящем стандарте применены термины по ИСО 4378-1.
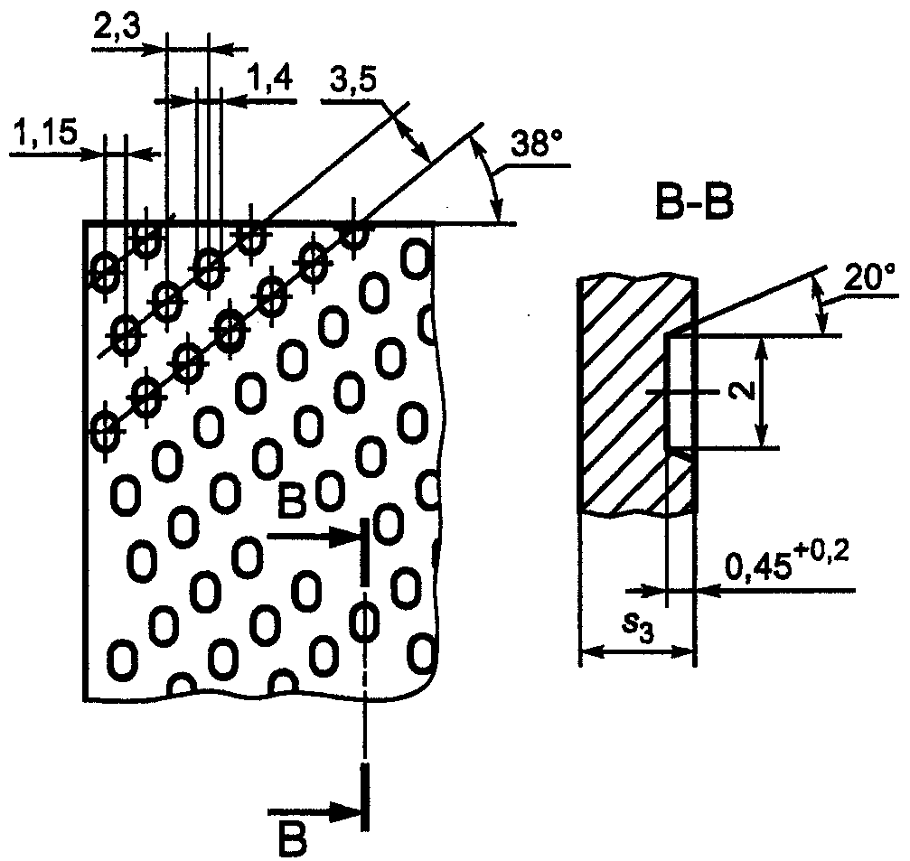
4 Смазочные отверстия
Расположение и номинальные размеры смазочного отверстия типа L приведены на рисунках 1 и 2 и в таблице 1. Смазочные отверстия не должны располагаться в заштрихованных участках, указанных на рисунке 2.
1 - разъем
Рисунок 1
1 - разъем
Рисунок 2
Таблица 1
В миллиметрах
Di
dL <1>
n1 +/- 0,5
Серии A, B, D, W по ИСО 3547-1
Серия C по ИСО 3547-1
Св. 14 до 22 включ.
3
4
5
" 22 " 40 "
4
5
6
" 40 " 50 "
5
6
7
" 50 " 100 "
6
7
8
" 100
7
8
9
<1> Минимальный размер после штамповки.
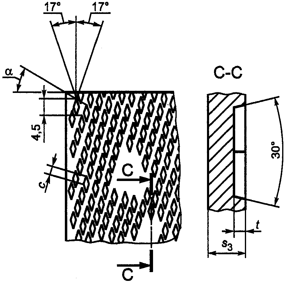
5 Смазочные канавки
Расположение, форма и размеры смазочных канавок типов М1 и М2, используемых для жидкой смазки, приведены на рисунках 3 - 6 и в таблицах 1 - 3.
Рисунок 3 - Смазочная канавка типа М1
Рисунок 4 - Смазочная канавка типа М2
Рисунок 5 - Смазочная канавка типа М1(2)A
Рисунок 6 - Смазочная канавка типа М1(2)B
Таблица 2
В миллиметрах
Di
n2 +/- 0,5
e
Серии A, B, D, W по ИСО 3547-1
Серия C по ИСО 3547-1
Св. 18 до 26 включ.
3
4
32
" 26 " 36 "
3
4
45
" 36 " 50 "
5
6
70
" 50 " 70 "
5
6
100
" 70 " 100 "
6
7
130
" 100
7
8
140
Таблица 3
В миллиметрах
s3
0,75
1
1,5
2
2,5
М1(2)A
0,65
0,85
1,3
1,7
2,2
М1(2)B
-
0,7
1,1
1,6
2,1
R
-
6
8
10
12
Допускается расширение смазочных канавок в зонах смазочных отверстий, разъема и на торцевых поверхностях втулок.
Смазочные канавки представлены на металлической полосе.
Примечание - Для облегчения измерения размеры толщины втулки, оставшейся в основании канавки, могут быть указаны на рисунке как контрольный размер.
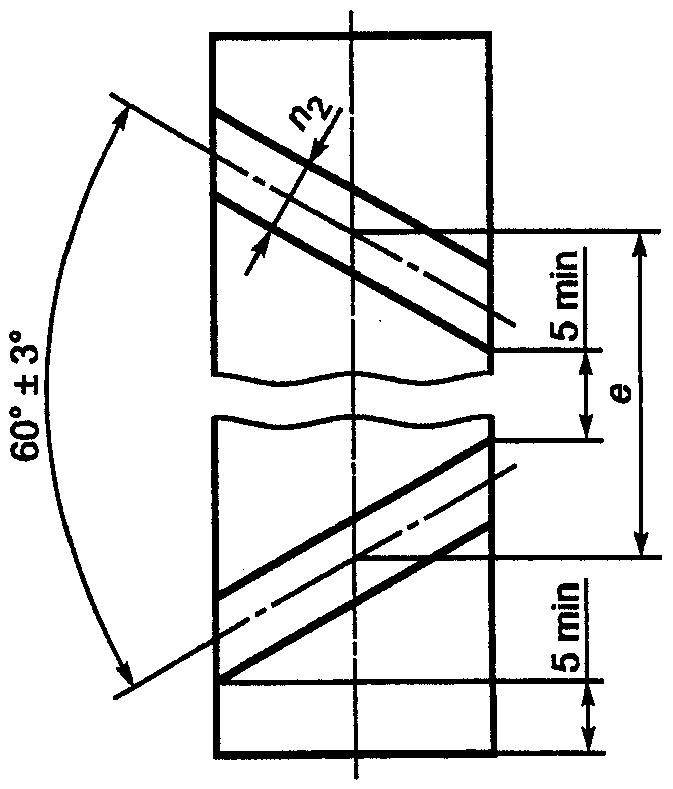
6 Смазочные углубления
Расположение, форма и размеры смазочных углублений приведены на рисунках 7 - 9 и в таблицах 4 и 5.
Рисунок 7
Рисунок 8
Рисунок 9
Таблица 4
В миллиметрах
Втулки по ИСО 3547-1
db
t
Серии A, B, D, W
1,5 - 3,0
0,40
Серия C
0,55
Таблица 5
В миллиметрах
Di
c
t +/- 0,2
До 22
1,9
0,4
20°
Св. 22
2,4
0,6
23°
Смазочные углубления применяют для втулок при значениях s3 >= 1 мм (углубления представлены на металлической полосе).
Смазочные углубления применяют отдельно или совместно со смазочными отверстиями и/или канавками.
Примечание - На рисунках 7 - 9 приведены примеры схемы расположения углублений, которая может изменяться по усмотрению изготовителя.
Смазочные углубления типов N1A и N1B используют в случае жидкой или консистентной смазки (см. рисунок 7).
Смазочные углубления типов N2A и N2B используют в случае твердой или консистентной смазки (см. рисунки 8 и 9) для втулок серий A, B, D и W согласно ИСО 3547-1.
Смазочные углубления овальной формы N2A (рисунок 8) или ромбовидной формы N2B (рисунок 2) изготовляют по усмотрению изготовителя.