Главная // Актуальные документы // ГОСТ (Государственный стандарт)СПРАВКА
Источник публикации
М.: ИПК Издательство стандартов, 1999
Примечание к документу
С 1 июля 2003 года до вступления в силу технических регламентов акты федеральных органов исполнительной власти в сфере технического регулирования носят рекомендательный характер и подлежат обязательному исполнению только в части, соответствующей целям, указанным в
пункте 1 статьи 46 Федерального закона от 27.12.2002 г. N 184-ФЗ.
Ограничение срока действия снято Постановлением Госстандарта РФ от 10.09.1992 N 1156.
Введен в действие с 1 января 1980 года.
Взамен ГОСТ 17100-71 и ГОСТ 17101-71.
Название документа
"ГОСТ 17100-79. Цоколи для источников света. Технические условия"
(утв. Постановлением Госстандарта СССР от 25.01.1979 N 226)
(ред. от 01.07.1997)
"ГОСТ 17100-79. Цоколи для источников света. Технические условия"
(утв. Постановлением Госстандарта СССР от 25.01.1979 N 226)
(ред. от 01.07.1997)
Утвержден и введен в действие
Постановлением Госстандарта СССР
от 25 января 1979 г. N 226
МЕЖГОСУДАРСТВЕННЫЙ СТАНДАРТ
ЦОКОЛИ ДЛЯ ИСТОЧНИКОВ СВЕТА
ТЕХНИЧЕСКИЕ УСЛОВИЯ
Caps for light sources. Specifications
ГОСТ 17100-79
| | Список изменяющих документов (в ред. Изменения N 1, утв. в марте 1982 г., Изменения N 2, утв. в ноябре 1983 г., Изменения N 3, утв. в июне 1987 г., Изменения N 4, утв. в феврале 1990 г., Изменения N 5, утв. в сентябре 1991 г., Изменения N 6, утв. в июле 1997 г.) | |
Дата введения
1 января 1980 года
1. Разработан и внесен Министерством электротехнической промышленности СССР.
Разработчики: А.М. Кокинов, Л.М. Макушкин (руководитель темы), Т.М. Бикбулатова.
2. Утвержден и введен в действие Постановлением Государственного комитета стандартов Совета Министров СССР от 25.01.1979 N 226.
Изменение N 6 принято Межгосударственным советом по стандартизации, метрологии и сертификации (Протокол N 11 от 25.04.1997).
Зарегистрировано Техническим секретариатом МГС N 2486.
За принятие изменения проголосовали:
──────────────────────────────┬───────────────────────────────────
Наименование государства │ Наименование национального органа
│ по стандартизации
──────────────────────────────┼───────────────────────────────────
Азербайджанская Республика │Азгосстандарт
Республика Армения │Армгосстандарт
Республика Беларусь │Госстандарт Беларуси
Грузия │Грузстандарт
Республика Казахстан │Госстандарт Республики Казахстан
Киргизская Республика │Киргизстандарт
Республика Молдова │Молдовастандарт
Российская Федерация │Госстандарт России
Республика Таджикистан │Таджикгосстандарт
Туркменистан │Главная государственная инспекция
│Туркменистана
Республика Узбекистан │Узгосстандарт
Украина │Госстандарт Украины
3. Взамен ГОСТ 17100-71 и ГОСТ 17101-71.
4. Ссылочные нормативно-технические документы
─────────────────────────────┬────────────────────────────────────
Обозначение НТД, на который │ Номер пункта, приложения
дана ссылка │
─────────────────────────────┼────────────────────────────────────
ИС МЕГАНОРМ: примечание.
В официальном тексте документа, видимо, допущена опечатка:
ссылка на ГОСТ 21474-75 в Приложении 2 отсутствует.
5. Ограничение срока действия снято Постановлением Госстандарта от 10.09.1992 N 1156.
6. Переиздание (июнь 1999 г.) с Изменениями N 1, 2, 3, 4, 5, 6, утвержденными в марте 1982 г., ноябре 1983 г., июне 1987 г., феврале 1990 г., сентябре 1991 г., июле 1997 г. (ИУС 6-82, 2-84, 10-87, 5-90, 12-91, 10-97).
Настоящий стандарт распространяется на резьбовые, штифтовые, фокусирующие, штырьковые и цилиндрические цоколи для источников света.
Требования настоящего стандарта являются обязательными.
(Измененная редакция, Изм. N 4, 5).
1. ТИПЫ И ОСНОВНЫЕ РАЗМЕРЫ
1.1. Типы цоколей в зависимости от конструктивного исполнения и размеров должны соответствовать указанным в
ГОСТ 28108 и в табл. 1 настоящего стандарта.
Таблица 1
───────────────────────┬──────────────────────┬───────────────────
Тип цоколя │ Конструктивное │ Номер чертежа
│ исполнение цоколя │
───────────────────────┼──────────────────────┼───────────────────
───────────────────────┤ ├───────────────────
В15d/17 │ │
───────────────────────┤ │
В15s/18 │ │
В15d/18 │ │
───────────────────────┼──────────────────────┼───────────────────
Р15s/14 │ Фокусирующий │
3
───────────────────────┤ ├───────────────────
───────────────────────┤ ├───────────────────
───────────────────────┤ ├───────────────────
───────────────────────┤ ├───────────────────
───────────────────────┤ ├───────────────────
Р30s/10,3-1 │ │
Р30d/10,3 │ │
Р30d/10,3-1 │ │
───────────────────────┤ ├───────────────────
───────────────────────┤ ├───────────────────
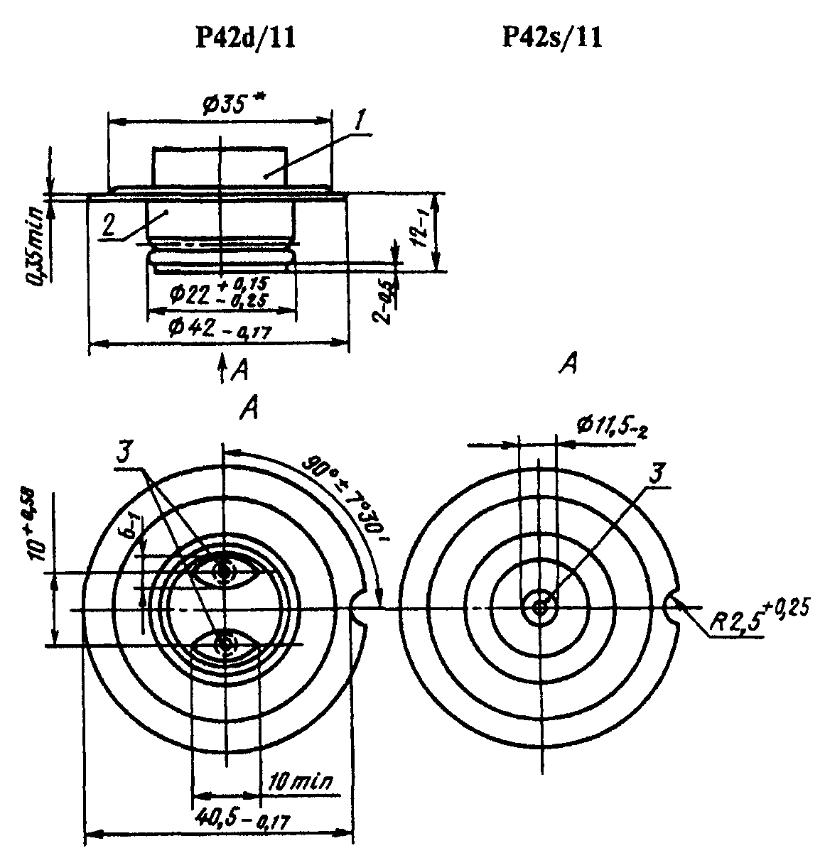
Р42d/11 │ │
───────────────────────┼──────────────────────┼───────────────────
S6s/10 │ Цилиндрический │
11
Примечание. Цоколи типов В15, Р30s/10,3-1 и Р30d/10,3-1 в новых разработках не применять.
Соответствие типов цоколей, установленных настоящим стандартом, типам цоколей, установленным в ранее принятых стандартах, приведено в
Приложении 1.
Чертежи цоколей приводятся только для того, чтобы показать контролируемые размеры.
(Измененная редакция, Изм. N 4).
1.2. Основные размеры цоколей должны соответствовать указанным в
ГОСТ 28108, на
черт. 1 -
11 и в
табл. 2 -
4 настоящего стандарта. На верхней части цоколя типа Е10/13 допускается отбортованный край, увеличивающий диаметр и высоту не более, чем на 1 мм; допуск на размер "С" должен быть равным +/- 0,3 мм.
--------------------------------
<*> Проверяется на готовой лампе.
<**> Минимальная длина, на которой должен выдерживаться диаметр

мм.
Примечание. Допускается изготовление цоколя с круглыми штифтами диаметром

мм.
Черт. 1
Цоколи типов В15s/17, В15d/17, В15s/18 и В15d/18
Черт. 2
1 - внутренний стакан; 2 - корпус;
3 - контактная пластинка
Черт. 3
--------------------------------
<*> Проверяется на готовой лампе.
<**> Размер для справок.
1 - внутренний стакан; 2 - корпус; 3 - контактная пластинка
Черт. 4
--------------------------------
<*> Проверяется на готовой лампе.
<**> Минимальная длина, на которой должен выдерживаться диаметр

мм.
<***> Размер для справок.
1 - внутренний стакан; 2 - корпус;
3 - контактные пластинки; 4 - основной штифт
Черт. 5
--------------------------------
<*> Размер для справок.
1 - внутренний стакан; 2 - корпус; 3 - контактная пластинка
Черт. 6
--------------------------------
<*> Проверяется на готовой лампе.
<**> Размер для справок.
1 - внутренний стакан; 2 - корпус; 3 - контактная пластинка
Черт. 7
Цоколи типов Р30/10,3 и Р30/10,3-1
1 - корпус; 2 - диск; 3 - контактные пластинки;
4 - основные отверстия
Черт. 8
--------------------------------
<1> Проверяется на готовой лампе.
<2> Размеры для справок.
<3> Минимальная длина, на которой должен выдерживаться диаметр

мм.
<4> Максимальный диаметр цоколя на готовой лампе - 39,6 мм.
Примечание. Для готовых ламп путь утечки по поверхности изоляции должен быть не менее 5 мм.
1 - внутренний стакан; 2 - корпус; 3 - контактная пластинка
Черт. 9
--------------------------------
<*> Размер для справок.
1 - внутренний стакан; 2 - корпус; 3 - контактные пластинки
Черт. 10
--------------------------------
<*> Проверяется на готовой лампе.
Черт. 11
─────────────┬────────────────────────────────────────────────────
Обозначение │ Размеры, мм, цоколей типа
размера ├─────────────────────────┬──────────────────────────
│ В15/17 │ В15/18
├────────────┬────────────┼────────────┬─────────────
│ номин. │пред. откл. │ номин. │ пред. откл.
─────────────┼────────────┼────────────┼────────────┼─────────────
D │ 15,25 │ -0,25 │ 15,25 │ -0,25
Н │ 17,50 │ -0,50 │ 18,50 │ -1,00
d │ 6,00 │ -1,00 │ 6,00 │ -1,00
d │ 2,20 │ -0,40 │ 2,20 │ -0,40
1 │ │ │ │
h │ 7,00 │ -1,00 │ 7,00 │ -1,00
h
<*> │ 8,00 │ - │ 8,00 │ -
1max │ │ │ │
c │ 1,50 │ - │ 1,50 │ -
min │ │ │ │
l │ 1,10 │ -0,20 │ 1,10 │ -0,20
l │ 9,00 │ - │ 9,00 │ -
1max │ │ │ │
I │ 3,00 │ - │ 3,00 │ -
min │ │ │ │
К │ 8,00 │ -1,00 │ 8,00 │ -1,00
Н <**> │ 7,00 │ - │ 7,00 │ -
1min │ │ │ │
альфа │ 90° │ +/- 7°30' │ 90° │ +/- 7°30'
бета │ 180° │ +/- 1°30' │ 180° │ +/- 1°30'
--------------------------------
<*> Проверяется на готовой лампе.
<**> Минимальная длина, на которой должен выдерживаться размер D.
Примечания. 1. На верхней части цоколя допускается отбортованный край, увеличивающий диаметр и высоту не более чем на 1 мм.
2. Допускается изготовление штифтов методом вытяжки из корпуса цоколя, при этом диаметр цоколя, измеряемый в направлении, перпендикулярном оси штифтов, должен быть в пределах

мм.
3. Для готовых ламп расстояние между контактными пластинками должно быть не менее 3 мм и не менее 2 мм между каждой контактной пластинкой и металлическим корпусом; измерять это расстояние следует по поверхности изоляционного материала.
Таблица 3
─────────────┬────────────────────────────────────────────────────
Обозначение │ Размеры, мм, цоколей типа
размеров ├─────────────────────────┬──────────────────────────
│ Р30s/10,3; Р30d/10,3 │ Р30s/10,3-1; Р30d/10,3-1
├────────────┬────────────┼────────────┬─────────────
│ номин. │пред. откл. │ номин. │ пред. откл.
─────────────┼────────────┼────────────┼────────────┼─────────────
D │ 15,25 │ -0,25 │ 15,25 │ -0,25
H │ 19,50 │ -2,00 │ 19,50 │ -2,00
D │ 30,10 │ -0,05 │ 30,10 │ -0,20
1 │ │ │ │
D │ 15,30 │ +0,10 │ 15,40 │ -0,10
2 │ │ │ │
D
<**> │ 17,30 │ - │ 17,00 │ -
3 │ │ │ │
h │ 0,30 │ -0,15 │ 0,30 │ -0,15
d │ 6,00 │ -1,00 │ 6,00 │ -1,00
s │ 0,80 │ -0,07 │ 0,80 │ -0,07
Н │ 3,00 │ - │ 3,00 │ -
1min │ │ │ │
Н
<*> │ 10,30 │ +/- 1,30 │ - │ -
2 │ │ │ │
R
<**> │ 0,40 │ - │ 0,40 │ -
R
<**> │ 2,40 │ - │ 2,00 │ -
1 │ │ │ │
d │ 2,18 │ +0,21 │ 2,40 │ -0,15
1 │ │ │ │
d │ 3,07 │ +0,10 │ 3,20 │ -0,10
2 │ │ │ │
d │ 5,15 │ -0,30 │ 5,15 │ -0,30
3 │ │ │ │
d │ 22,81 │ -0,08 │ 22,81 │ -0,16
4 │ │ │ │
h
<**> │ 0,80 │ - │ - │ -
1 │ │ │ │
b │ 4,75 │ -0,75 │ 4,75 │ -0,75
альфа
<**> │ 87° │ - │ - │ -
бета │ 115° │ - │ 115° │ -
min │ │ │ │
гамма │ 83°30' │ - │ 83°30' │ -
min │ │ │ │
дельта │ 46°30' │ - │ 46°30' │ -
min │ │ │ │
V │ 100° │ - │ 100° │ -
min │ │ │ │
фи │ 130° │ - │ 130° │ -
min │ │ │ │
фи │ 90° │ +/- 10° │ 90° │ +/- 10°
1 │ │ │ │
l <**> │ 9,00 │ - │ 9,00 │ -
k │ 8,00 │ -1,00 │ 7,75 │ -0,75
--------------------------------
<*> Проверяется на готовой лампе.
Примечание. Допускается изготовление цоколей типов Р30d/10,3 и Р30d/10,3-1 с круглыми контактными пластинками диаметром

мм.
Таблица 4
Построение отверстий в диске цоколей
──────────────┬───────────────────────────────────────────────────
Углы, град. │ Диаметр отверстий, мм, цоколей типа
├────────────────────────┬──────────────────────────
│ Р30s/10,3; Р30d/10,3 │ Р30s/10,3-1; Р30d/10,3-1
──────────────┼────────────────────────┼──────────────────────────
10 │ 2,29 │ 2,35
13 │ 2,59 │ 2,65
16 │ 2,90 │ 2,96
19 │ 3,20 │ 3,26
22 │ 3,51 │ 3,57
25 │ 3,81 │ 3,87
28 │ 4,11 │ 4,18
31 │ 4,42 │ 4,48
34 │ 4,72 │ 4,70
37 │ 5,05 │ 5,10
Допускается изготовление цоколя с круглыми контактными пластинками диаметром

мм.
Отклонение оси малого штифта относительно оси основного штифта, которая совпадает с осью цоколя, допускается равным +/- 0,15 мм.
На верхней части корпуса цоколя допускается отбортованный край, увеличивающий диаметр и высоту не более чем на 1 мм.
На верхней части цоколя допускается отбортованный край, увеличивающий диаметр не более чем на 0,5 мм.
Допускается изготовление цоколей с круглыми контактными пластинками диаметром

мм.
Диаметр условной окружности (12 мм - черт. 4; 23 мм - черт. 5, 6; 34 мм -
черт. 7 ГОСТ 28108) контролируется проходным калибром.
(Измененная редакция, Изм. N 1, 2, 3, 4).
1.3. Условные обозначения цоколей - по
ГОСТ 28108. При этом в условное обозначение добавляется обозначение настоящего стандарта.
(Измененная редакция, Изм. N 1, 4).
2. ТЕХНИЧЕСКИЕ ТРЕБОВАНИЯ
2.1. Цоколи должны изготовляться в соответствии с требованиями настоящего стандарта по технической документации, утвержденной в установленном порядке.
2.2. Корпусы цоколей, штифты штифтового цоколя и диски фокусирующего цоколя должны изготовляться из стали по
ГОСТ 503, ленты алюминиевой по
ГОСТ 13726, ленты стальной, плакированной цветным металлом, или латуни по
ГОСТ 2208, корпус цоколя S6s/10 - из латунного прутка по
ГОСТ 2060, контактные пластинки цоколей и штырьки должны изготовляться из латуни по
ГОСТ 2208.
Допускается изготовление корпусов цоколей типов G5 и G13 из пластмасс и керамического материала, контактных пластин и штырьков - из стали, плакированной цветным металлом, штифтов штифтового цоколя - из меди, контактных пластинок для цоколя типа S6s/10 - из латунной трубки по
ГОСТ 11383.
(Измененная редакция, Изм. N 6).
2.3. В качестве изоляционного материала должны применяться стекло, керамика или пластмасса, эбонит.
(Измененная редакция, Изм. N 3).
2.4. Корпуса стальных цоколей, кроме цоколей, имеющих корпус из ленты стальной, плакированной цветным металлом, должны иметь цинковое покрытие толщиной не менее 6 мкм на верхней части цоколя.
Допускается пассивирование стальных цоколей.
(Измененная редакция, Изм. N 4, 6).
2.5. Корпуса латунных (и алюминиевых типа Е27) цоколей или из ленты стальной, плакированной латунью должны подвергаться осветлению (травлению), кроме корпуса цоколя типа S6s/10.
Допускается по требованию заказчика пассивирование или никелирование толщиной не менее 3 мкм на верхней части цоколя.
(Измененная редакция, Изм. N 1, 4, 5, 6).
2.6. Штырьки цоколей должны иметь никелевое покрытие толщиной не менее 6 мкм.
Допускается никелевое покрытие не наносить в случае соединения штырьков с токовыми вводами лампы методом сварки.
(Измененная редакция, Изм. N 4).
2.7. Покрытия не должны иметь дефектов, понижающих их защитную способность и препятствующих нормальному вхождению цоколя в соответствующий калибр. Покрытия должны быть прочными и не отслаиваться от основного металла. Покрытия могут быть блестящими или матовыми.
Допускается разнотонность цинкового покрытия на поверхности цоколя.
2.8. Штырьки и контактные пластинки должны быть прочно соединены с изоляционным материалом.
Штифты цоколя должны быть прочно соединены с корпусом цоколя. Вращение штифтов не допускается.
2.9. Штырьки должны выдерживать плавно возрастающий крутящий момент не менее 1,0 Н х м, приложенный одновременно к обоим штырькам.
2.10. Штырьки не должны иметь задиров, складок и других дефектов, препятствующих нормальному вхождению цоколя в соответствующий калибр. Отверстие в штырьке после сборки цоколя должно быть не менее 0,7 мм.
2.11. Изоляционный материал должен быть прочно соединен с корпусом и не должен иметь трещин и сколов, влияющих на его механическую и электрическую прочность.
2.12. Резьбовые, штифтовые, цилиндрические и фокусирующие цоколи должны выдерживать сдавливающие усилия, приложенные к контакту (контактам) и корпусу цоколя, указанные в табл. 5.
─────────────────────────────────────────┬────────────────────────
Внешний диаметр сопрягаемой с патроном │ Сдавливающее усилие, Н
части цоколя, мм │
─────────────────────────────────────────┼────────────────────────
До 7,5 включ. │ 10
Св. 7,5 " 11 " │ 40
" 11 " 16 " │ 80
" 16 " 35 " │ 100
" 35 │ 150
2.13. Штифты цоколей и места их соединения с корпусом цоколя должны выдерживать без деформаций и повреждений срезывающие усилия, указанные в табл. 6.
────────────────────────────────────────┬─────────────────────────
Внешний диаметр сопрягаемой с патроном │ Срезывающее усилие, Н
части цоколя, мм │
────────────────────────────────────────┼─────────────────────────
До 7,5 включ. │ 10
Св. 7,5 " 11 " │ 40
" 11 " 16 " │ 80
" 16 │ 100
2.13а. Цоколи в зависимости от типов предназначены для использования при номинальном напряжении, указанном в табл. 6а.
Таблица 6а
─────────────────────┬───────────────────┬────────────────────────
Конструктивное │ Тип │Номинальное напряжение,
исполнение цоколя │ │ В, не более
─────────────────────┼───────────────────┼────────────────────────
Резьбовое │ Е5 │ 24
├───────────────────┼────────────────────────
│ Е10 │ 50
├───────────────────┼────────────────────────
│ Е14 │ 250
│ Е27 │
├───────────────────┼────────────────────────
│ Е40 │ 380
─────────────────────┼───────────────────┼────────────────────────
Штифтовое │ В15 │ 250
│ В22 │
│ В22d-3(90°)135° │
├───────────────────┼────────────────────────
│ ВА7s │ 42
│ ВА9s │
│ ВА15 │
│ ВАУ15d │
│ ВА20 │
─────────────────────┼───────────────────┼────────────────────────
Фокусирующее │ Р14,5s │ 42
│ РК22s │
├───────────────────┼────────────────────────
│ Р28s │ 250
├───────────────────┼────────────────────────
│ Р43t-38 │ 42
│ Р45t-41 │
├───────────────────┼────────────────────────
│ Р15s │ 250
│ Р19s │
│ Р42 │
─────────────────────┼───────────────────┼────────────────────────
Цилиндрическое │ SV7 │ 42
с коническим концом │ SV8,5 │
─────────────────────┼───────────────────┼────────────────────────
Цилиндрическое │ S15s │ 250
│ S19s │
─────────────────────┼───────────────────┼────────────────────────
Штырьковое │ G5 │ 250
│ G13 │
│ G20 │
│ G10q │
Примечание. Допускается производство цоколей Е10, ВА9s и ВА15 на номинальное напряжение до 250 В.
(Измененная редакция, Изм. N 1, 2).
2.14. Электрическое сопротивление изоляции между каждым из контактов и корпусом цоколя у двухконтактных штифтовых, фокусирующих и штырьковых цоколей должно быть не менее 50 МОм в нормальных климатических условиях или соответствовать значениям, указанным в табл. 6б, после проверки на воздействие повышенной влажности воздуха.
Таблица 6б
───────────────────────────────┬──────────────────────────────────
Номинальное напряжение, В │ Электрическое сопротивление
│ изоляции, МОм, не менее
───────────────────────────────┼──────────────────────────────────
До 24 включ. │ 0,5
Св. 24 " 50 " │ 1,0
" 50 " 250 " │ 2,0
" 250 │ 5,0
(Измененная редакция, Изм. N 1, 3).
2.15. Изоляция цоколей должна быть прочной и выдерживать в течение 1 мин без пробоя испытательное напряжение переменного тока частоты 50 Гц, указанное в табл. 7.
Таблица 7
────────────────────────────────┬─────────────────────────────────
Номинальное напряжение, В │ Испытательное напряжение, В
────────────────────────────────┼─────────────────────────────────
До 24 включ. │ 500
Св. 24 " 50 " │ 1000
" 50 " 250 " │ 1500
" 250 │ 2000
(Измененная редакция, Изм. N 1).
2.16. Изоляционный материал резьбовых, штифтовых, цилиндрических и фокусирующих цоколей должен быть термостойким и выдерживать воздействие повышенной температуры 100 °С для пластмассового материала и 300 °С - для остальных материалов.
(Измененная редакция, Изм. N 3).
2.17. Поверхности корпусов цоколей, штифтов и штырьков не должны иметь дефектов, понижающих механическую прочность и препятствующих нормальному вхождению цоколя в соответствующий калибр.
2.18. Цоколи должны быть устойчивыми к воздействию относительной влажности 91 - 95% при температуре окружающей среды (25 +/- 3) °С.
(Измененная редакция, Изм. N 3).
2.19. Цоколи должны быть устойчивыми к коррозии.
(Введен дополнительно, Изм. N 3).
3.1. Для проверки соответствия цоколей требованиям настоящего стандарта предприятие-изготовитель должно проводить приемосдаточные, периодические и типовые испытания.
3.2. Приемосдаточным испытаниям должна быть подвергнута каждая партия цоколей в объеме и последовательности, указанных в табл. 8.
Таблица 8
─────────────┬──────────────┬─────────────────────────────────────
Вид проверки│ Номер пункта │ План контроля
и испытания ├──────┬───────┼──────────────┬─────────┬────────────
│техни-│методов│ объем партии │ объем │ приемочные
│ческих│контро-│ │ выборки │ (С , С ) и
│требо-│ля │ │ │ 1 3
│ваний │ │ │ │браковочные
│ │ │ │ │ (С , С )
│ │ │ │ │ 2 4
│ │ │ │ │ числа
│ │ │ ├────┬────┼──┬──┬──┬───
│ │ │ │n │n │С │С │С │С
│ │ │ │ 1 │ 2 │ 1│ 2│ 3│ 4
│ │ ├──────────────┴────┴────┴──┴──┴──┴───
│ │ │ шт.
─────────────┼──────┼───────┼──────────────┬────┬────┬──┬──┬──┬───
1. Проверка │
2.2 - │
4.3 │ 281 - 3200 │ 32 │ 32 │1 │3 │ 3│ 4
внешнего вида│
2.7;│ │ 3201 - 10000 │ 50 │ 50 │3 │5 │ 5│ 6
│
2.10; │ │10001 - 35000 │ 80 │ 80 │3 │7 │ 8│ 9
│
2.11; │ │35001 - 150000│125 │125 │5 │9 │12│13
─────────────┼──────┼───────┼──────────────┼────┼────┼──┼──┼──┼───
2. Измерение│
1.2 │
4.1 │ 281 - 3200 │ 32 │ 32 │1 │3 │ 3│ 4
размеров │ │ │ 3201 - 10000 │ 50 │ 50 │3 │5 │ 5│ 6
(кроме разме-│ │ │10001 - 35000 │ 80 │ 80 │3 │7 │ 8│ 9
ров, контро- │ │ │35001 - 150000│125 │125 │5 │9 │12│13
лируемых │ │ │ │ │ │ │ │ │
калибрами) │ │ │ │ │ │ │ │ │
─────────────┼──────┼───────┤ │ │ │ │ │ │
3. Испытание│
2.8; │
4.4 │ │ │ │ │ │ │
на прочность │
2.9 │ │ │ │ │ │ │ │
соединения │ │ │ │ │ │ │ │ │
штырьков с │ │ │ │ │ │ │ │ │
изоляционным │ │ │ │ │ │ │ │ │
материалом │ │ │ │ │ │ │ │ │
─────────────┴──────┴───────┴──────────────┴────┴────┴──┴──┴──┴───
─────────────┬──────┬───────┬──────────────┬────┬────┬──┬──┬──┬───
5. Контроль │
1.2; │
4.1.1 -│ 281 - 3200 │ 32 │ 32 │0 │1 │ │
размеров │
2.10 │
4.1.4;│ 3201 - 10000 │ 50 │ 50 │0 │2 │ 1│ 2
калибрами │ │
4.5 │10001 - 35000 │ 80 │ 80 │0 │3 │ 3│ 4
│ │ │35001 - 150000│125 │125 │1 │4 │ 4│ 5
─────────────┼──────┼───────┼──────────────┼────┼────┼──┼──┼──┼───
6. Проверка │
2.4 - │
4.2 │ - │ 20 │ 20 │1 │4 │ 4│ 5
и толщины │ │ │ │ 20 │ 20 │1 │4 │ 4│ 5
│ │ │ │ 32 │ 32 │2 │5 │ 6│ 7
│ │ │ │ 50 │ 50 │3 │7 │ 8│ 9
─────────────┼──────┼───────┼──────────────┼────┴────┼──┼──┼──┼───
7. Проверка │
5.1 - │
4.3 │ До 150000 │ 100% │0 │- │ -│ -
правильности │
5.3│ │ включ. │ │ │ │ │
упаковки и │ │ │ │ │ │ │ │
транспортной │ │ │ │ │ │ │ │
маркировки │ │ │ │ │ │ │ │
--------------------------------
<*>

,

- объем первой и второй выборок.
<**> Отбираются из числа цоколей, выдержавших предыдущие испытания.
При этом за партию должны быть приняты цоколи одного типа, предъявленные одновременно к приемке по одному сопроводительному документу.
Результаты испытаний считаются удовлетворительными, если количество дефектных цоколей в первой выборке

меньше или равно приемочному числу

и неудовлетворительными, если количество дефектных цоколей в первой выборке больше или равно браковочному числу

. Если количество дефектных цоколей в выборке больше приемочного числа

и меньше браковочного числа

, то извлекается вторая выборка

. Допускается проводить испытания только по тем требованиям, по которым получены неудовлетворительные результаты.
По результатам контроля второй выборки результаты испытаний цоколей считаются удовлетворительными, если количество дефектных цоколей в двух выборках меньше или равно приемочному числу

и неудовлетворительными, если количество дефектных цоколей в двух выборках больше или равно браковочному числу

.
В случае выборочного контроля план контроля соответствует
ГОСТ 18242, при этом:
- вид контроля - нормальный;
- тип плана контроля - двухступенчатый;
- уровень контроля - 1;
- приемочный уровень дефектности для проверок по
пп. 1 -
4 табл. 8 - 2,5%, для проверки по
п. 5 - 0,65%.
(Измененная редакция, Изм. N 3, 4).
3.3. Периодические испытания должны проводиться один раз в квартал.
Испытаниям должны подвергаться отобранные равномерно в течение квартала цоколи разных дней и смен выработки и выдержавшие приемосдаточные испытания.
Последовательность проведения испытаний и план контроля приведены в табл. 9.
Таблица 9
───────────────────────┬────────────┬───────────────┬─────────────
Вид проверки │Номер пункта│ Объем выборки │ Приемочные
и испытания │ │ │ (С , С )
│ │ │ 1 3
│ │ │и браковочные
│ │ │ (С , С )
│ │ │ 2 4
│ │ │ числа
├──────┬─────┼───────────┬───┼───┬──┬───┬──
│техни-│мето-│ n
<*> │n │С │С │С │С
│ческих│дов │ 1 │ 2 │ 1 │ 2│ 3 │ 4
│требо-│конт-│ │
<*>│ │ │ │
│ваний │роля ├───────────┴───┴───┴──┴───┴──
│ │ │ шт.
───────────────────────┼──────┼─────┼───────────┬───┬───┬──┬───┬──
1. Испытание на воз- │
2.12 │
4.6 │ 13 │13 │ 0 │1 │ 1 │2
действие сдавливающего │ │ │ │ │ │ │ │
усилия │ │ │ │ │ │ │ │
───────────────────────┼──────┼─────┤ │ │ │ │ │
2. Испытание на │
2.8, │
4.6 │ │ │ │ │ │
прочность соединения │
2.11, │ │ │ │ │ │ │
штифтов с корпусом │
2.13 │ │ │ │ │ │ │
цоколя, изоляционного │ │ │ │ │ │ │ │
материала с контактной │ │ │ │ │ │ │ │
пластинкой (пластин- │ │ │ │ │ │ │ │
ками) и корпусом цоколя│ │ │ │ │ │ │ │
───────────────────────┼──────┼─────┤ │ │ │ │ │
3. Испытание на воз- │
2.18 │
4.6а │ │ │ │ │ │
действие повышенной │ │ │ │ │ │ │ │
влажности воздуха │ │ │ │ │ │ │ │
───────────────────────┼──────┼─────┤ │ │ │ │ │
4. Измерение элект- │
2.14 │
4.7 │ │ │ │ │ │
рического сопротивления│ │ │ │ │ │ │ │
изоляции │ │ │ │ │ │ │ │
───────────────────────┼──────┼─────┤ │ │ │ │ │
5. Испытание изоляции │
2.15 │
4.8 │ │ │ │ │ │
на электрическую │ │ │ │ │ │ │ │
прочность │ │ │ │ │ │ │ │
───────────────────────┼──────┼─────┤ │ │ │ │ │
6. Испытание на │
2.16 │
4.9 │ │ │ │ │ │
термостойкость │ │ │ │ │ │ │ │
───────────────────────┼──────┼─────┼───────────┼───┼───┼──┼───┼──
7. Испытание на защиту│
2.19 │
4.2 │ 20 │20 │ 1 │4 │ 4 │5
от коррозии │ │ │ │ │ │ │ │
───────────────────────┼──────┼─────┼───────────┼───┼───┼──┼───┼──
8. Испытание цоколей │
5.4 │
4.10 │ 1 ящик │ - │ 1 │2 │ - │-
на механическую проч- │ │ │упакованных│ │ │ │ │
ность при транспорти- │ │ │ насыпью │ │ │ │ │
ровании <**> │ │ │ цоколей │ │ │ │ │
│ │ │ (не более │ │ │ │ │
│ │ │ 50 шт.) │ │ │ │ │
--------------------------------
<*>

,

- объем первой и второй выборок.
<**> Проводится при типовых испытаниях.
Примечание. Испытания по
пп. 1 -
6 табл. 9 проводят на одной выборке.
Результаты испытаний считаются удовлетворительными, если количество дефектных цоколей в первой выборке

меньше или равно приемочному числу

и неудовлетворительными, если количество дефектных цоколей в первой выборке больше или равно браковочному числу

.
Если количество дефектных цоколей в выборке больше приемочного числа

и меньше браковочного числа

, то извлекается вторая выборка

. Допускается проводить испытания только по тем требованиям, по которым получены неудовлетворительные результаты.
По результатам контроля второй выборки результаты испытаний цоколей считаются удовлетворительными, если количество дефектных цоколей в двух выборках меньше или равно приемочному числу

и неудовлетворительными, если количество дефектных цоколей в двух выборках больше или равно браковочному числу

.
Если результаты периодических испытаний окажутся неудовлетворительными, то приемку цоколей останавливают до приведения параметров цоколей в соответствие с требованиями настоящего стандарта и получения удовлетворительных результатов периодических испытаний.
Протоколы периодических испытаний должны быть предъявлены потребителю по его требованию.
(Измененная редакция, Изм. N 1, 3, 4).
3.4. Типовые испытания проводят для оценки целесообразности и (или) эффективности изменений, вносимых в процессе производства цоколей в конструкцию, технологию или применяемые материалы и полуфабрикаты и для проверки соответствия цоколей, изготовленных с изменениями, требованиям настоящего стандарта.
Программа испытаний разрабатывается предприятием-изготовителем по согласованию с разработчиком цоколей.
Протоколы типовых испытаний цоколей должны быть предъявлены потребителю по его требованию.
(Измененная редакция, Изм. N 3).
3.5. Для проверки потребителем соответствия качества поступивших к нему цоколей требованиям настоящего стандарта должны применяться правила приемки и методы испытаний, указанные в настоящем стандарте.
За партию должны быть приняты цоколи одного типа, полученные потребителем по одному документу о качестве.
4.1. Контроль размеров цоколей (
п. 1.2) производится с помощью предельных калибров, соответствующих чертежам, приведенным в
Приложении 2, а также универсальным измерительным инструментом.
Порядок контроля цоколей с помощью калибра указан в пп. 4.1.1 -
4.1.4.
(Измененная редакция, Изм. N 1, 3).
При полностью ввернутом резьбовом цоколе в калибр (
черт. 1 Приложения 2) контактная пластинка должна выступать над поверхностью I (либо находиться на уровне поверхности I), но не должна выступать над поверхностью II, а на готовой лампе пайка не должна выступать над поверхностью III.
Размеры элементов резьбы должны контролироваться калибрами по
ГОСТ 28108.
Штифтовой цоколь вводится в калибр (
черт. 2,
3 Приложения 2) до тех пор, пока штифты войдут в проточку s, после чего цоколь поворачивается и прижимается таким образом, чтобы штифты плотно лежали на поверхности I.
В этом положении контактные пластинки должны выступать над поверхностью II, но не должны выступать над поверхностью III.
На готовой лампе пайка цоколя не должна выступать над поверхностью IV.
Размером Н контролируется диаметр цоколя D на длине, достаточной для обеспечения взаимозаменяемости цоколей по отношению к патронам.
Цоколь на готовой лампе контролируется непроходным калибром по
ГОСТ 28108.
4.1.1, 4.1.2. (Измененная редакция, Изм. N 1, 3, 4).
Контроль цоколей производится калибрами по
ГОСТ 28108.
(Измененная редакция, Изм. N 3, 4).
4.1.4. Фокусирующий цоколь
Цоколи типов Р20d/21, Р24s/17 должны контролироваться калибром (
черт. 3 Приложения 2).
Цоколи типов Р30s/10,3 и Р30d/10,3 должны контролироваться калибрами (
черт. 4,
5,
6 Приложения 2).
Диск цоколя должен входить в отверстие I и не должен входить в отверстие II калибра (
черт. 4 Приложения 2). Калибр (
черт. 5 Приложения 2) должен входить проходной стороной ПР и не должен входить непроходной стороной НЕ в основное отверстие диска цоколя.
Положение основного отверстия на диске считается правильным, если с обеих сторон калибра (
черт. 6 Приложения 2) в него входят штыри, а диск при этом входит в калибр.
Цоколь типа Р40s/41 должен контролироваться калибром (
черт. 7 Приложения 2). Цоколь вводится в проходную сторону калибра через секторные пазы, поворачивается на угол 90° и плотно прижимается диском к поверхности I. В этом положении контактные пластины должны выступать над поверхностью II, а на готовой лампе пайка не должна выступать над поверхностью III.
Цоколь типа Р26s/31 должен контролироваться калибром (
черт. 8 Приложения 2). Цоколь вводится в калибр через пазы, поворачивается и плотно прижимается диском к поверхности I. В этом положении контактная пластинка должна выступать над поверхностью II, а на готовой лампе пайка не должна выступать над поверхностью III.
(Измененная редакция, Изм. N 1, 3).
4.2. Контроль толщины цинкового и никелевого покрытия (
пп. 2.4 -
2.6) должен производиться по
ГОСТ 9.302.
Прочность покрытия (
п. 2.7) контролируется нанесением на цоколь стальным острием взаимно пересекающихся царапин (в продольном и поперечном направлениях) глубиной до основного металла, при этом в месте пересечения покрытия не должны отслаиваться от основного металла.
Испытание на защиту от коррозии производится следующим образом. Цоколи, обработанные в течение 10 мин в растворе тетрахлорметана или тетрахлорэтилена, помещают в 10%-ный раствор хлорида аммония с температурой (25 +/- 3) °С. После этого цоколи вынимают, не стряхивая оставшихся на поверхности капель раствора, и подвешивают на 10 мин в камеру тепла и влаги при температуре (25 +/- 3) °С и относительной влажности 91 - 95%.
Защита от коррозии считается соответствующей, если после окончания проверки нет следов коррозии, видимых невооруженным глазом. Налет на острых кромках, удаляемый посредством протирания, не является браковочным признаком.
(Измененная редакция, Изм. N 1, 3, 5).
4.3. Проверка внешнего вида, покрытия цоколей, отсутствия на цоколях трещин, складок и других дефектов, правильности транспортной маркировки и упаковки (
пп. 2.2 -
2.7,
2.10,
2.11,
2.17,
5.1 -
5.3) должна производиться внешним осмотром по образцам внешнего вида (
п. 2.11), утвержденным в установленном порядке и калибрами.
(Измененная редакция, Изм. N 3, 4).
4.4. Испытание на прочность соединения штырьков с изоляционным материалом (
пп. 2.8,
2.9) должно проводиться при помощи прибора, обеспечивающего плавно нарастающий крутящий момент, приложенный к обоим штырькам, до величины, указанной в
п. 2.9.
4.5. Контроль диаметра отверстия в штырьке (
п. 2.10) должен осуществляться при помощи проходного калибра (
черт. 9 Приложения 2).
4.4, 4.5. (Измененная редакция, Изм. N 3).
4.6. Испытание на прочность соединения изоляционного материала с контактной пластинкой (пластинками) (
п. 2.8) и с корпусом цоколя (
п. 2.11), на прочность соединения штифтов с корпусом цоколя (
пп. 2.8,
2.13); механической прочности изоляционного материала (
пп. 2.12,
2.13) производится при помощи приспособлений, обеспечивающих создание усилий, указанных в
пп. 2.12,
2.13.
Цоколи считают выдержавшими испытания, если при усилиях, указанных в
табл. 5,
6, не нарушается соединение изоляционного материала с контактами и корпусом цоколя, соединение штифтов с корпусом и не произойдет их деформирование.
(Измененная редакция, Изм. N 3, 4).
4.6а. Испытание цоколей на воздействие повышенной влажности воздуха (
п. 2.18), проводится в камере тепла и влаги при температуре (25 +/- 3) °С и относительной влажности 91 - 95%. Время выдержки - 48 ч.
Цоколи считают выдержавшими испытание, если после извлечения цоколей из камеры сопротивление изоляции соответствует указанному в
п. 2.14 и не наблюдаются сильно выраженные явления коррозии или нарушения качества изоляционного материала.
(Измененная редакция, Изм. N 1, 3).
4.7. Измерение электрического сопротивления изоляции цоколей (
п. 2.14) между каждым из контактов и корпусом цоколя у двухконтактных штифтовых и фокусирующих цоколей проводится в нормальных климатических условиях по
ГОСТ 20.57.406 или непосредственно после испытания на воздействие повышенной влажности воздуха мегомметром после воздействия в течение 1 мин постоянного напряжения (500 +/- 50) В.
Измерение проводят не позднее чем через 10 мин после извлечения цоколей из камеры тепла и влаги.
(Измененная редакция, Изм. N 1, 3, 4).
4.8. Испытание изоляции цоколей на электрическую прочность (
п. 2.15) должно проводиться с помощью установки на пробой при напряжении переменного тока частоты 50 Гц от источника тока мощностью не менее 0,5 кВ х А после окончания испытаний по
п. 4.7 не позднее чем через 10 мин.
При испытании изоляции на электрическую прочность напряжение следует повышать постепенно от 500 В до полной величины испытательного напряжения, указанного в
п. 2.15, со скоростью, допускающей возможность отсчета показателей вольтметра.
После 1 мин действия испытательного напряжения его плавно снижают до 500 В и отключают.
Цоколь считают выдержавшим испытание, если не произошло пробоя изоляции.
4.9. Испытание изоляционного материала цоколей на воздействие повышенной температуры должно проводиться в термостате, в котором температура повышается постепенно в течение 1 ч до 100 °С (373 К) и в течение 2 ч - до 300 °С (573 К). Температура и время выдержки различных типов цоколей в термостате должны соответствовать указанным в табл. 10.
Таблица 10
─────────────────────────────┬───────────────────┬────────────────
Вид изоляционного материала │ Время выдержки, ч │ Температура, К
цоколя │ │
─────────────────────────────┼───────────────────┼────────────────
Пластмассовый │ 2 │ 373 +/- 5
─────────────────────────────┤ ├────────────────
Прочие материалы │ │ 573 +/- 5
Время выдержки цоколей в термостате должно отсчитываться с момента достижения заданной температуры.
Цоколи считаются выдержавшими испытание на теплостойкость, если после 2 ч пребывания их в термостате при указанных выше температурах и естественном охлаждении при нормальных климатических условиях на цоколях, остывших до нормальной температуры, не будет трещин изоляционного материала, влияющих на его механическую прочность, а также вспучиваний, расслоений, вытекания изоляционного материала и каких-либо изменений формы и размеров цоколей.
4.8, 4.9. (Измененная редакция, Изм. N 1, 3).
4.10. Испытания цоколей на прочность при транспортировании проводят по
ГОСТ 23216 для условий транспортирования группы Л.
Допускается проводить испытания в упаковке, имитирующей транспортную упаковку.
(Введен дополнительно, Изм. N 3).
5. МАРКИРОВКА, УПАКОВКА, ТРАНСПОРТИРОВАНИЕ И ХРАНЕНИЕ
5.1. Цоколи, предназначенные для транспортирования, должны быть упакованы в деревянные ящики или картонные коробки, выстланные внутри толем или упаковочной бумагой марки Б по
ГОСТ 515 с заполнением свободных промежутков упаковочным материалом для предохранения цоколей от механических повреждений.
Масса, брутто, деревянного ящика должна быть не более 50 кг, а картонных коробок - 20 кг.
По согласованию с потребителем допускаются иные виды упаковки.
5.2. Маркировка транспортной тары - по
ГОСТ 14192 с нанесением манипуляционных знаков "Беречь от влаги" и "Хрупкое. Осторожно!".
5.3. Каждый ящик (коробка) с цоколями должен снабжаться этикеткой по
ГОСТ 2.601 с указанием:
а) товарного знака предприятия-изготовителя;
б) наименования и типа цоколей;
в) количества упакованных цоколей;
г) даты упаковывания;
д) обозначения настоящего стандарта;
е) штампа технического контроля.
(Измененная редакция, Изм. N 4).
5.4. Условия транспортирования цоколей в части воздействия климатических факторов должны соответствовать группе 5 (ОЖ4) по
ГОСТ 15150.
Условия транспортирования цоколей в части воздействия механических факторов должны соответствовать группе Л
ГОСТ 23216.
(Измененная редакция, Изм. N 3).
5.5. Условия хранения цоколей должны соответствовать группе Л
ГОСТ 15150.
6.1. Изготовитель должен гарантировать соответствие цоколей требованиям настоящего стандарта при соблюдении условий эксплуатации и хранения.
Гарантийный срок хранения цоколей в упаковке предприятия-изготовителя - три месяца с момента изготовления.
(Измененная редакция, Изм. N 3, 4).
Справочное
──────────────────────────────┬───────────────────────────────────
Тип цоколя │ Старое обозначение цоколя
──────────────────────────────┼───────────────────────────────────
В9s/14 │ -
В15s/17 │ -
В15d/17 │ -
В15s/18 │ -
В15d/18 │ -
Р15s/14 │ 1Ф-Ш15-2
Р19s/13 │ -
Р20d/21 │ -
Р24s/17 │ -
Р26s/31 │ -
Р30s/10,3 │ -
Р30s/10,3-1 │ 1Ф-Д30-1
Р30d/10,3 │ -
Р30d/10,3-1 │ 2Ф-Д30-1
Р40s/41 │ -
Р42s/11 │ -
Р42d/11 │ -
S6s/10 │ 1Ц6-1
Приложение 1. (Введено дополнительно, Изм. N 1).
Обязательное
Проходной калибр для проверки размеров цоколей
типов Е14, Е27, Е40
Черт. 1
Примечания. 1. Допускается расположение ступени плоскости III под углом 90° вместо 45°.
2. Допускается для проверки размера s цоколей без припоя применять калибр с двумя плоскостями (I и II), при этом размер h должен соответствовать размеру

без припоя (
табл. 4, 5,
7 ГОСТ 28108), а размер

(и остальные размеры) - указанным в табл. 1 настоящего приложения.
Таблица 1
Размеры, мм
───────────────┬───────────┬──────────┬───────────┬───────────────
Обозначения │ Е14 │ Е27 │ Е40 │ Пред. откл.
размеров ├───────────┴──────────┴───────────┤
│ номин. │
───────────────┼──────────────────────────────────┴───────────────
d │ 9,0 │ 16,5 │ 27 │ +/- 0,10
d │ 12,0 │ 23,0 │ 34 │ +/- 0,03
1 │ │ │ │
h │ 3,5 │ 7,0 │ 8 │ -0,03
h │ 3,7 │ 7,8 │ 9 │ -0,03
1 │ │ │ │
h │ 4,5 │ 8,5 │ 10 │ +0,03
2 │ │ │ │
Н │ 16,0 │ 22,0 │ 34 │ -0,03
s │ 1,0 │ 2,0 │ 2 │ +/- 0,10
Таблица 1а
Предельные отклонения на шаг резьбы Р
и радиус кривизны r, мм
────────────────────┬─────────────────────────────────────────────
├──────────────────────┬──────────────────────
│ Р │ r
────────────────────┼──────────────────────┼──────────────────────
Е10 │ +/- 0,015 │ +/- 0,04 <*>
Е14 │ +/- 0,015 │ +/- 0,04 <*>
Е27 │ +/- 0,020 │ +/- 0,06 <*>
Е40 │ +/- 0,020 │ +/- 0,10 <*>
--------------------------------
<*> Относится к внутреннему диаметру.
Непроходной калибр для проверки размеров цоколей типов Е10, Е40 должен соответствовать
ГОСТ 28108, при этом размеры f и е являются справочными.
Проходной калибр для проверки размеров цоколей
типов В9 и В15
Черт. 2
Таблица 2
Размеры, мм
─────────────────────────┬────────────┬────────────┬──────────────
Обозначение размеров │ В9 │ В15 │ Пред. откл.
├────────────┴────────────┤
│ номин. │
─────────────────────────┼────────────┬────────────┼──────────────
D │ 9,25 │ 15,25 │ +0,01
D │ 12,80 │ 20,50 │ -1,00
1 │ │ │
h │ 4,80 │ 6,00 │ -0,01
h │ 5,80 │ 7,00 │ -0,01
1 │ │ │
h │ 6,50 │ 7,98 │ +0,02
2 │ │ │
Н │ 4,50 │ 7,00 │ -0,01
l │ 2,10 │ 2,50 │ -0,04
s │ 2,50 │ 3,05 │ -0,05
Непроходной калибр для проверки размеров
цоколей типов В9 и В15
Черт. 2а
Таблица 2а
Размеры, мм
─────────────────────────┬────────────┬────────────┬──────────────
Обозначение размеров │ В9 │ В15 │ Пред. откл.
├────────────┴────────────┤
│ номин. │
─────────────────────────┼────────────┬────────────┼──────────────
D │ 9,1 │ 15,0 │ -0,01
D <*> │ 25,4 │ 37,0 │ -
1 │ │ │
l │ 2,5 │ 3,5 │ +/- 0,50
l │ 3,5 │ 3,5 │ +/- 0,50
1 │ │ │
s │ 6,0 │ 7,0 │ +/- 0,10
--------------------------------
<*> Размер для справок.
Проходной калибр для проверки размеров
цоколей типов Р20d/21 и Р24s/17
Черт. 3
Примечание. Допускается иное расположение ступени плоскости II (III).
Таблица 3
Размеры, мм
────────────────┬────────────────────────┬────────────────────────
Обозначение │ Р20d/21 │ Р24s/17
размеров ├───────────┬────────────┼──────────┬─────────────
│ номин. │пред. откл. │ номин. │пред. откл.
────────────────┼───────────┼────────────┼──────────┼─────────────
D │ 20,1 │ +0,01 │ 23,73 │ +0,02
h │ 15,5 │ -0,01 │ 10,50 │ -0,12
h │ 16,5 │ -0,01 │ 13,50 │ -0,12
1 │ │ │ │
h │ 17,0 │ +0,02 │ - │ -
2 │ │ │ │
b │ 3,3 │ +0,02 │ 0,70 │ -0,01
b │ 4,5 │ +0,02 │ 2,40 │ +0,05
1 │ │ │ │
b │ 3,0 │ +/- 0,10 │ 2,50 │ +0,10
2 │ │ │ │
Н │ 5,0 │ -0,01 │ 3,00 │ -0,01
s │ 1,5 │ +0,10 │ 4,00 │ +0,10
Калибр для проверки наружного диаметра диска
цоколей типов Р30s/10,3 и Р30d/10,3
Черт. 4
Калибр для проверки диаметра отверстия

в диске
цоколей типов Р30s/10,3 и Р30d/10,3
Черт. 5
Калибр для проверки положения основного отверстия
относительно наружного диаметра в диске цоколей
типов Р30s/10,3 и Р30d/10,3
Черт. 6
Калибр для проверки размеров цоколей типов Р40s/41
Черт. 7
Допустимая несоосность проходных пазов - не более +/- 30'.
Калибр для проверки размеров и расположения
выступов цоколя типа Р26s/31
Черт. 8
Проходной калибр для проверки диаметра отверстий
в штырьке цоколей типов G5 и G13
Черт. 9
Контрольные калибры для проверки круглой резьбы
типов Е10, Е14, Е27, Е40
Черт. 10
Таблица 4
Размеры, мм
─────┬─────────────┬─────────────┬─────────────┬───────────────────────────────
Обо- │ КПР-ПР │ КПР-НЕ │ К-И │ КПР-ПР, КПР-НЕ, К-И
зна- ├─────────────┴─────────────┴─────────────┼─────┬────────────────┬────┬───
чение│ d │ d , │ Р │r, │ а
резь-├──────┬──────┬──────┬──────┬──────┬──────┤ 1 ├──────┬─────────┤не │
бы │номин.│пред. │номин.│пред. │номин.│пред. │ не │номин.│ пред. │бо- │
│ │откл. │ │откл. │ │ откл.│более│ │ откл. │лее │
─────┼──────┼──────┼──────┼──────┼──────┼──────┼─────┼──────┼─────────┼────┼───
Е10 │ 9,532│-0,006│ 9,563│-0,006│ 9,573│-0,006│ 8,49│1,814 │+/- 0,01 │0,45│1,0
Е14 │13,892│-0,006│13,923│-0,006│13,933│-0,006│12,26│2,822 │+/- 0,01 │0,75│1,4
Е27 │26,453│-0,008│26,484│-0,008│26,504│-0,008│24,20│3,629 │+/- 0,015│0,90│1,9
Е40 │39,504│-0,010│39,535│-0,010│39,555│-0,010│35,83│6,350 │+/- 0,015│1,70│3,2
Приложение 2. (Измененная редакция, Изм. N 1, 2, 3, 5).