Главная // Актуальные документы // ГОСТ (Государственный стандарт)СПРАВКА
Источник публикации
М.: Стандартинформ, 2014
Примечание к документу
Документ
введен в действие с 1 июля 2014 года.
Взамен
ГОСТ 25941-83 (МЭК 34-2-72, МЭК 34-2A-74) в части измерения потерь калориметрическим методом).
Название документа
"ГОСТ IEC 60034-2A-2012. Межгосударственный стандарт. Машины электрические вращающиеся. Часть 2. Методы определения потерь и коэффициента полезного действия вращающихся электрических машин при испытаниях (исключая машины для тяговых транспортных средств). Измерение потерь калориметрическим методом"
(введен в действие Приказом Росстандарта от 06.09.2013 N 972-ст)
"ГОСТ IEC 60034-2A-2012. Межгосударственный стандарт. Машины электрические вращающиеся. Часть 2. Методы определения потерь и коэффициента полезного действия вращающихся электрических машин при испытаниях (исключая машины для тяговых транспортных средств). Измерение потерь калориметрическим методом"
(введен в действие Приказом Росстандарта от 06.09.2013 N 972-ст)
Введен в действие
агентства по техническому
регулированию и метрологии
от 6 сентября 2013 г. N 972-ст
МЕЖГОСУДАРСТВЕННЫЙ СТАНДАРТ
МАШИНЫ ЭЛЕКТРИЧЕСКИЕ ВРАЩАЮЩИЕСЯ
ЧАСТЬ 2
МЕТОДЫ ОПРЕДЕЛЕНИЯ ПОТЕРЬ И КОЭФФИЦИЕНТА ПОЛЕЗНОГО ДЕЙСТВИЯ
ВРАЩАЮЩИХСЯ ЭЛЕКТРИЧЕСКИХ МАШИН ПРИ ИСПЫТАНИЯХ
(ИСКЛЮЧАЯ МАШИНЫ ДЛЯ ТЯГОВЫХ ТРАНСПОРТНЫХ СРЕДСТВ)
ИЗМЕРЕНИЕ ПОТЕРЬ КАЛОРИМЕТРИЧЕСКИМ МЕТОДОМ
Rotating electrical machines. Part 2.
Methods for determining losses and efficiency of rotating
electrical machinery from tests (excluding machines
for fraction vehicles). Measurement of losses
by the calorimetric method
(IEC 60034-2A:1974, IDT)
ГОСТ IEC 60034-2A-2012
Дата введения
1 июля 2014 года
Цели, основные принципы и основной порядок проведения работ по межгосударственной стандартизации установлены
ГОСТ 1.0-92 "Межгосударственная система стандартизации. Основные положения" и
ГОСТ 1.2-2009 "Межгосударственная система стандартизации. Стандарты межгосударственные, правила и рекомендации по межгосударственной стандартизации. Правила разработки, принятия, применения, обновления и отмены".
1. Подготовлен научно-производственным республиканским унитарным предприятием "Белорусский государственный институт стандартизации и сертификации" (БелГИСС) на основе собственного аутентичного перевода на русский язык международного стандарта, указанного в
пункте 4.
2. Внесен Федеральным агентством по техническому регулированию и метрологии.
3. Принят Межгосударственным советом по стандартизации, метрологии и сертификации (Протокол от 3 декабря 2012 г. N 54-П).
За принятие проголосовали:
Краткое наименование страны по МК (ИСО 3166) 004-97 | Код страны по МК (ИСО 3166) 004-97 | Сокращенное наименование национального органа по стандартизации |
Беларусь | BY | Госстандарт Республики Беларусь |
Казахстан | KZ | Госстандарт Республики Казахстан |
Киргизия | KG | Кыргызстандарт |
Молдова | MD | Молдова-Стандарт |
Россия | RU | Росстандарт |
Узбекистан | UZ | Узстандарт |
4.
Приказом Федерального агентства по техническому регулированию и метрологии от 6 сентября 2013 г. N 972-ст межгосударственный стандарт ГОСТ IEC 60034-2A-2012 введен в действие в качестве национального стандарта Российской Федерации с 1 июля 2014 г.
5. Настоящий стандарт идентичен международному стандарту IEC 60034-2A:1974 Rotating electrical machines - Part 2: Methods for determining losses and efficiency of rotating electrical machinery from tests (excluding machines for fraction vehicles) - Measurement of losses by the calorimetric method (Машины электрические вращающиеся. Часть 2. Методы определения потерь и коэффициент полезного действия вращающихся электрических машин при испытаниях (исключая машины для тяговых транспортных средств). Измерение потерь калориметрическим методом).
Международный стандарт разработан подкомитетом 2D "Потери и КПД" технического комитета по стандартизации IEC/TC 2 "Электрические машины" Международной электротехнической комиссии (IEC).
Перевод с английского языка (en).
Степень соответствия - идентичная (IDT).
6. Взамен
ГОСТ 25941-83 (МЭК 34-2-72, МЭК 34-2A-74) в части измерения потерь калориметрическим методом).
Информация об изменениях к настоящему стандарту публикуется в ежегодном информационном указателе "Национальные стандарты", а текст изменений и поправок - в ежемесячном информационном указателе "Национальные стандарты". В случае пересмотра (замены) или отмены настоящего стандарта соответствующее уведомление будет опубликовано в ежемесячном информационном указателе "Национальные стандарты". Соответствующая информация, уведомление и тексты размещаются также в информационной системе общего пользования - на официальном сайте Федерального агентства по техническому регулированию и метрологии в сети Интернет.
Международный стандарт IEC 60034-2A:1974, которому идентичен настоящий стандарт, является дополнением к IEC 60034-2 с изменением 1:1995 и заменяет содержание раздела 17.
Калориметрический метод может быть использован для определения коэффициента полезного действия (КПД) вращающихся электрических машин:
- при определении полных потерь под нагрузкой;
- при определении отдельных потерь и, следовательно, стандартных полных потерь суммированием отдельных потерь.
Калориметрические измерения могут быть сделаны двумя способами:
- измерением величины и превышения температуры охлаждающей среды (прямой метод);
- калибровкой превышения температуры охлаждающей среды.
Калориметрические измерения следует проводить отдельно для каждого контура охлаждения - или первичного, или вторичного.
Методы определения потерь, приведенные в настоящем стандарте, были разработаны главным образом для больших генераторов, но могут быть применены и для других машин.
Условные обозначения
В настоящем стандарте применены условные обозначения, принятые в IEC 60034-2 (подраздел 3.1), а также следующие:
Pi - потери на контролируемой поверхности;
Pe - потери вне контролируемой поверхности;
P1 - потери, которые рассеиваются в охлаждающих контурах в виде теплоты и которые могут быть измерены калориметрическим методом;
P2 - потери, не передающиеся в охлаждающую среду, но которые рассеиваются через проводящую контролируемую поверхность путем конвекции, излучения, утечки и т.д.;
cP - удельная теплоемкость охлаждающей среды;
Q - значение подачи охлаждающей среды;

- плотность охлаждающей среды;

- превышение температуры охлаждающей среды или разность температур между контролируемой поверхностью машины и внешней температурой окружающей среды;
v - скорость на выходе охлаждающей среды;

- коэффициент расхода;
e - погрешность при измерении потерь;
h - коэффициент теплопередачи;

- разность между статическим давлением во впускном сопле и окружающим давлением;
A - площадь поперечного сечения впускного сопла;
t - температура;
t1 - температура на входе охлаждающей среды;
t2 - температура на выходе охлаждающей среды;
b - барометрическое давление.
Раздел 1. Общие положения
1. Для классификации полных потерь необходимо определить, что такое "контролируемая поверхность" для машины. Это поверхность, полностью окружающая машину, так что все потери, полученные внутри этой поверхности P
i, рассеиваются сквозь нее к внешней стороне (см.
рисунок 1).
Полные потери машины состоят из:
- потерь внутри контролируемой поверхности Pi;
- потерь вне контролируемой поверхности Pe.
Потери внутри контролируемой поверхности Pi могут быть представлены в виде двух категорий:
Pi = P1 + P2,
где P1 - потери, которые могут быть измерены калориметрическим методом и которые рассеиваются в виде теплоты охлаждающими контурами. Они составляют большую часть потерь (внутренние потери, которые могут быть измерены);
P2 - потери, которые не передаются охлаждающей среде и которые рассеиваются сквозь проводимую контролируемую поверхность путем конвекции, излучения, утечки и т.д. Они составляют малую часть полных потерь и могут быть рассчитаны (внутренние потери, которые не могут быть измерены).
Примечание. Значение P2 может быть отрицательным и поэтому вычитается, когда тепловой поток поступает внутрь контролируемой поверхности.
Потери, внешние к контролируемой поверхности Pe, могут составлять часть установленных потерь и тогда должны быть измерены отдельно.
Примечание. Потери в подшипниках внутри контролируемой поверхности включены в потери Pi.
2. Определение потерь P
1 измерением скорости изменения
потока и превышения температуры охлаждающей среды
В установившихся рабочих условиях, когда достигнуто тепловое равновесие, потери, рассеиваемые охлаждающей средой, составляют:
где cp - удельная теплоемкость охлаждающей среды при давлении p, кДж/(кг·К);
Q - подача охлаждающей среды, м3/с;
| | ИС МЕГАНОРМ: примечание. Текст дан в соответствии с официальным текстом документа. | |

- плотность охлаждающей среды при температуре в точке измерения параметров потока, кг/м
3;

- превышение температуры охлаждающей среды, К.
Если охлаждающей средой является вода, то применяют метод измерения, описанный в
разделе 2. Если охлаждающая среда - воздух, то применяют метод измерения, описанный в
разделе 3.
Примечание. Потери в подшипниках могут быть измерены при использовании масла как охлаждающей среды, но предпочтительно использовать масляно-водяной охладитель, потому что тепловые характеристики воды лучше известны.
3. Потери P
i, измеренные с использованием
калориметрического калибровочного метода
3.1. Общие положения
В данном методе кривая поправок, связывающая превышение температуры охлаждающей среды с потерями, рассеиваемыми в машине, определена с помощью испытаний, выполненных при таких условиях, что потери Pi могут быть измерены непосредственно электрическими методами. Данный метод не требует вычисления потерь P2, обеспечиваемых правильно отрегулированными условиями в течение испытаний, и может быть использован, когда прямое калориметрическое измерение охлаждающего контура невозможно или вызывает трудности при его проведении.
3.2. Создание потерь для калибровки
Потери машины должны быть получены от электрического источника мощности для того, чтобы быть измеренными точно. Они могут быть произведены в машине: или a) - в форме нормальных потерь машины, то есть при использовании машины при нормальных условиях и при управлении в ненагруженном или нагруженном состоянии в зависимости от заданных потерь, или b) - в форме тепловых потерь от специального сопротивления, вмонтированного в машину для испытания таким методом, что потери производят тепловой поток, подобный тому, который появляется в машине при нормальных условиях.
Существенно, что при максимальной точности амплитуда потерь используется для получения кривой поправок, охватывающей величины, которые необходимо измерить калориметрическим калибровочным методом. Где это не может быть достигнуто, экстраполяция кривой поправок должна быть предметом соглашения.
3.3. Измерение фактических потерь
Когда кривая поправок получена, машина работает при тех же самых условиях, но с потерями, которые получаются при этом и которые необходимо измерить. Измерение превышения температуры охладителя и начальной точки на кривой поправок позволяет это сделать.
3.4. Условия, которые должны быть выполнены в процессе калибровки и испытания
Машина должна быть в одинаковых физических условиях во время этих процессов, то есть с тем же самым кожухом, охлаждением и схемой расположения узлов. Окружающая температура и окружающие условия должны также сохраняться насколько возможно одинаковыми. Поток хладагента должен сохраняться насколько возможно одинаковым с его "охлаждающими" температурами.
| | ИС МЕГАНОРМ: примечание. В официальном тексте документа, видимо, допущена опечатка: возможно, имеются в виду пункты 1 - 2 и 4, а не разделы 1 - 2 и 4 соответственно. | |
Измерение конечных величин по данному методу должно проводиться в условиях, определенных в
разделах 1 -
2, после достижения установившегося состояния, как описано в разделе 4.
4. Установившееся состояние
Если условия эксплуатации и температура охлаждающей среды на входе достаточно устойчивы, тепловое равновесие может быть достигнуто, когда значения превышения температуры и величины интенсивности потока охлаждающей среды указывают, что потери постоянны в пределах +/- 1% в течение 2 ч, или когда превышение температуры охлаждающей среды не изменяется более чем на +/- 1% через 1 ч, а величина интенсивности потока является постоянной.
Если температура охлаждающей среды на входе или температура обмоток изменяется более чем на +/- 0,3 °C в час, очень сложно достигнуть теплового равновесия. В таких случаях нужно стремиться к более низкой величине. Для калориметрического измерения воздуха это условие может быть расценено как критерий термической устойчивости. Для определения полных потерь или когда при измерении не требуются жесткие допуски, допустимы изменения +/- 0,5 °C в час.
Если температура охлаждающей среды на входе не соответствует условиям, установленным выше, может быть необходимым отложить испытания, пока не будут преобладать соответствующие условия.
Для сведения: продолжительность испытания изменяется в зависимости от метода измерения потерь и может быть от 10 до 20 ч для определения потерь при предельной нагрузке и приблизительно от 15 до 30 ч при определении потерь без нагрузки.
5. Потери P
2, не передаваемые в охлаждающую среду
Эти потери состоят из:
- потерь, рассеиваемых в станинах и на оси токопровода; они обычно незначительны, и их очень трудно измерить;
- потерь, вызванных контактом внешних поверхностей машины с окружающей атмосферой (конвекция) и с кожухом (излучение);
- потерь в результате изменения кинетической энергии охлаждающего воздуха, циркулирующего в машине, имеющей разомкнутую систему охлаждения. Эти потери малы, но могут быть рассчитаны по формуле
где Q - подача воздуха, м3/с;

- плотность воздуха, кг/м
3;
v - скорость выхода воздуха, м/с.
Уменьшая потери P2 (включая полученные в результате утечки) до минимума, условия испытаний могут быть улучшены, изменяя или величину подачи потока, или температуру охлаждающей среды, чтобы уменьшить разность температур между системой и окружающим воздухом. Должны быть приняты меры предосторожности для гарантии того, что на точность измерения температуры не оказывает воздействие температура окружающей среды. Эти предосторожности существенны при измерении отдельных потерь.
Потери P2 могут быть уменьшены соответствующей изоляцией излучающих поверхностей или частей машины с известными свойствами теплопередачи материала обшивки, принимаемыми во внимание при вычислениях. Этот метод особенно подходит для мест, где трудно подавить внешний поток воздуха или сохранить относительно постоянные значения температуры окружающей среды.
Проводя испытания таким способом, что потери P2 составляют меньше 2,5% потерь Pi, измеренных при предельной нагрузке, и меньше 5% потерь Pi, определенных методом отдельных измерений потерь, учитывают только потери, рассеиваемые на поверхности машины. Эти потери могут быть рассчитаны по формуле
где

- разность между температурой контролируемой поверхности машины и внешней температурой окружающей среды.
Определено, что h для потерь, рассеиваемых поверхностью, находится между 10 Вт и 20 Вт/(м2·К), наиболее приемлемое число составляет 15 Вт/(м2·К) в случае, когда приняты меры для устранения воздушных потоков по проводящим поверхностям. Коэффициент, который используют, должен быть согласован между изготовителем и потребителем.
Примеры для определения h для потерь, рассеиваемых через поверхности, находящиеся в контакте с воздухом:
- для внешних поверхностей
h = 11 + 3v, Вт/(м2·К),
где v - скорость окружающего потока, м/с;
- для поверхностей, полностью находящихся в пределах внешней поверхности машины:
h = 5 + 3v, Вт/(м2·К),
где v - скорость охлаждающего воздуха, м/с (см.
рисунок 1).
6. Внешние потери контролируемой поверхности P
e
Потери Pe состоят главным образом из следующих:
- потери в реостате в главной цепи возбуждения, в регуляторе напряжения, токоотводах и цепях возбуждения, независимых от возбудителя;
- потери в возбудителе и контактных кольцах, когда их контуры охлаждения независимы от главной машины;
- потери на трение в подшипниках, полностью или частично зависимые от того, полностью ли они или частично находятся вне контролируемой поверхности.
Вышеупомянутые потери, оцененные отдельно, должны быть добавлены к внутренним потерям Pi.
Раздел 2. Вода в качестве охлаждающей среды
7. Прикладная и основная зависимость
Этот метод применим только к машинам, оснащенным закрытой первичной системой охлаждения и использующим воду как вторичный хладагент, но на практике это требует точного метода измерения. Типичные схемы соединений для параллельного и последовательного присоединения охладителя приведены на
рисунках 2 и
3.
Потери, рассеиваемые в воде, определяются по следующей формуле:
где c
p - удельная теплоемкость воды (при постоянном давлении p = 0,1 МН/м
2), кДж/(кг·К), определенная из
рисунка 4 как комплексная средняя величина c
p между температурой воды на входе t
1 и температурой воды на выходе t
2;

- плотность воды, кг/м
3, показанная на кривой на
рисунке 4 в точке, где измерена подача Q, м
3/с;

- превышение температуры воды, К.
Когда есть какая-либо неопределенность относительно точности коэффициентов, используемых для c
p и

, особенно если охлаждающая вода содержит соли, то возникает необходимость измерения c
p и

.
Точность, с которой измерения будут сделаны, вместе с калибровкой измерительных приборов является решающим фактором в получении точных результатов.
Чтобы получить легко измеряемое превышение температуры, поток воды должен управляться клапаном, помещенным за расходомером.
Подача воды может быть измерена посредством:
- калиброванных резервуаров;
- водосливов и водосливов со стандартизированными затворами;
- калиброванных счетчиков объема;
- электромагнитных или лопастных расходомеров;
- измерительной диафрагмы, трубки Вентури или сопла в соответствии с рекомендацией ISO Recommendation R541.
8.1. Рекомендации для измерения количества воды
8.1.1. Измерение калиброванными резервуарами
Объем резервуара должен быть таким, чтобы время заполнения было не менее 1 мин.
Размеры резервуара, когда его объем определяется только вычислением, должны быть такими, чтобы изменения значений в результате давления воды были менее 0,02%.
Значение подачи воды в систему охлаждения нельзя изменять во время измерения. Время необходимо измерять, используя или два хронометра одновременно, или электрическое реле времени.
8.1.2. Измерения с использованием расходомеров объемного или скоростного типа
Установка расходомеров объемного или скоростного типа в трубах должна быть в соответствии с инструкциями изготовителя (на прямом участке трубы вверх или вниз по течению, положение и т.д.) и должны быть приняты меры предосторожности, чтобы предотвратить образование в воде воздушных пузырей.
Рекомендуется использовать калиброванные до и после измерений измерительные приборы в условиях, подобных тем, которые преобладают в течение измерений, особенно если невозможно выполнить метод установки, рекомендованный изготовителем прибора.
В случае объемных измерений время должно быть измерено двумя хронометрами одновременно или посредством электрического реле времени. Время измерения должно быть достаточно продолжительным, чтобы гарантировать достаточную точность, и должно быть не менее 5 мин.
Если измерение выполнено расходомером прямого отсчета, должно быть сделано приблизительно 20 замеров и принято среднее значение.
Примечание. Желательно определить в соответствии с соглашением между изготовителем и покупателем различные точки измерения, когда определена схема энергетической установки.
При некоторых условиях можно включить метод для установки и перемещения измерительного прибора, не прерывая работы машины (см.
рисунок 9).
9. Измерение превышения температуры воды
Измерение может быть сделано одним из следующих методов:
- термопары или резистивные датчики температуры, предпочтительно платиновые, помещают прямо в воду или в маслонаполненные гильзы термометров и противоположно относительно друг друга, чтобы получить непосредственно данные превышения температуры воды. Большая точность получается при использовании платиновых резистивных датчиков температуры;
- прецизионные термометры помещают в маслонаполненные гильзы термометров. Чтобы уменьшить погрешность, термометры должны заменяться после каждого измерения и масло должно поддерживаться на заданном уровне.
Измерительные приборы должны быть калиброваны до и после испытаний.
Измерение температуры включает разность температур в результате потерь в охладителях и связанной системе трубопроводов между точками замера и должно быть 1 °C для падения давления 4,2 МН/м2. Потери, соответствующие падению давления, следует вычитать из полных потерь, измеренных с использованием данного метода.
Рекомендуется использование самопишущего прибора, если позволяет метод измерения.
9.1. Расположение гильз термометров (см.
рисунок 5)
Гильзы термометров должны быть расположены насколько возможно близко к шахте гидрогенератора, но на таком расстоянии от шахты, чтобы можно было установить стабилизирующий экран, упомянутый ниже.
Где необходимо, должны находиться трубы с водой, чтобы избежать теплопередачи к внешней стороне.
Температура воды в месте расположения гильз термометров должна быть постоянной. Стабилизирующий экран должен быть установлен для получения однородного потока. Он должен иметь один или два коленчатых патрубка, согнутых под углом 90° вместе с трубой длиной приблизительно в 20 раз большей, чем ее диаметр. Когда имеется больше одного охладителя, водный поток от каждого охладителя должен регулироваться, чтобы обеспечить одинаковую температуру на выходе; кроме того, параметры охладителей могут быть измерены отдельно.
Высота гильзы термометра должна быть от 0,6 до 0,8 диаметра трубы. Стенки гильзы должны быть насколько возможно тонкие и из материала, имеющего высокоудельную теплопроводность.
9.2. Установка измерительного устройства в гильзе термометра
Измерительное устройство должно быть помещено насколько возможно близко к стенке гильзы, которая должна быть частично заполнена маслом для улучшения термоконтакта. Для избежания теплообмена с воздухом гильза должна быть снабжена штепселем.
Когда температура измеряется посредством термопар или резистивных датчиков температуры, проводники должны быть помещены в контакте с внешней поверхностью трубы на расстоянии 25 см и теплоизолированы (см.
рисунок 5).
Точность при определении потерь калориметрическим методом зависит от погрешности используемого метода измерения, типа использованных приборов и других погрешностей при оценке потерь P2. Две категории погрешностей измерения приведены в таблице 1:
- категория A является целесообразной для самой высокой достижимой точности;
- категория B является целесообразной для приемлемой степени точности, соответствующей большинству случаев.
Таблица 1
Погрешность измерения при калориметрировании водой
Пункт | Наименование параметра | Значение погрешности e, выраженной в % от Pi |
Категория A | Категория B |
4 | | <= 1 | |
7 | Удельная теплоемкость x плотность воды | <= 1 | |
8 | Значение подачи | <= 1 | |
9 | Превышение температуры | <= 1 | |
| | | <= 3 |
| Потери Pi с доверительной вероятностью 95% | <= 2,5 | <= 5 |
Пределы погрешности =  |
<1> Если тепловое равновесие не было достигнуто, погрешность может быть существенной. <2> Меньшее число действительно, если приняты все меры, описанные в пункте 5. Большее число для категорий действительно при условии, что P 2 меньше, чем 5% от P i. |
Если есть вероятность, что относительная погрешность Pi, вызванная погрешностью в P2, будет более чем 1,5% в случае для категории A или более чем 3% для категории B, использовать калориметрический метод не рекомендуется.
Некоторые погрешности являются общими для всех методов измерения, например относительные размерности при измерении скорости, напряжения, интенсивности и т.д.
Примечание. Измерения, выполненные при калориметрировании водой, дают более точные результаты, чем сделанные с использованием воздуха. Если в воде присутствуют пузыри газа (они могут быть обнаружены через окно наблюдения), предпочтительно устранить их, с тем чтобы использовать калориметрический метод с водой, а не с воздухом.
Раздел 3. Воздух в качестве охлаждающей среды.
Измерения, сделанные в первичном контуре
11. Прикладная и основная зависимость
Измерение в первичном контуре требует опыта в прикладной аэродинамике. Метод измерения, который используется, изменяется согласно размеру установки и типу применяемой вентиляции.
Калориметрирование воздухом имеет преимущество в том, что может быть применимо ко всем системам вентиляции в открытом или замкнутом контуре. Нет необходимости встраивать специальный измерительный прибор в машину в процессе монтажа. По этой причине измерения, сделанные с помощью калориметрирования воздухом, могут также быть приняты на машинах, уже установленных на месте эксплуатации и которые не были специально разработаны для этого типа измерения. Следует подчеркнуть, что некоторые трудности при измерении могут возникнуть из-за неравных скоростей воздушных потоков сквозь измеряемое сечение или из-за неравных температур.
Калориметрический метод с использованием воздуха рекомендуется использовать:
- если машина полностью открыта, контур охлажден и как следствие вторичный водяной контур не активирован;
- если вторичный водяной контур содержит пузыри или газы, невозможно произвести точное измерение водного потока и неприменим никакой метод измерения водного потока;
- если никакое устройство не подходит для вторичного водяного контура, чтобы измерить количество воды и температуру, и если последовательная установка такого прибора будет невозможна.
Как с калориметрированием водой, это необходимо для достижения теплового равновесия.
Воздушные потоки в первичном контуре между горячим и холодным воздухом не воздействуют на калориметрическое измерение при условии, что происходит полный воздухообмен внутри контролируемой поверхности.
| | ИС МЕГАНОРМ: примечание. В официальном тексте документа, видимо, допущена опечатка: возможно, имеется в виду пункт 1, а не раздел 1. | |
Целью калориметрирования воздухом является измерение потерь P
1 (раздел 1). Чтобы достичь этого, необходимо определить:
- массовый расход воздуха

;
- превышение температуры воздуха

;
- удельную теплоемкость cp воздуха при постоянном давлении.
12. Определение массовой подачи воздуха
Чтобы определять массовый расход воздуха, следует измерить объемную подачу воздуха Q, а плотность воздуха выбрать из диаграммы на
рисунке 7 в точке, где производится измерение.
12.1. Измерение подачи воздуха
Подача воздуха Q может быть определена путем ввода в воздушный контур калиброванного аэродинамического сопротивления, например, калиброванного дроссельного экрана (12.1.1) путем измерения скорости воздуха на участке, сквозь который проходит полный воздушный поток, или методом сравнения.
12.1.1. Правило измерения калиброванным аэродинамическим сопротивлением
Для применения этого правила дроссельный экран помещают в первичном контуре и определяют перепад давления. Посредством калибровки, соотнося объемный воздушный поток с перепадом давления, замеряют падения давления, позволяющие определить массовую подачу воздуха. Калибровка действительна только для данной плотности воздуха. Это необходимо для подачи, полученной экстраполяцией от исправленной кривой, расчет которой скорректирован для плотности воздуха, преобладающей на момент измерения.
Экран, состоящий из перфорированного листа, используется как измерительный дроссель (см.
рисунок 6). Листы, которые должны иметь равные размеры и быть калиброваны, должны быть расположены перпендикулярно к воздушному потоку и использоваться в достаточных количествах так, чтобы перепад давления при номинальном воздушном потоке был измеряемой величиной (100 Н/м
2 = 10,2 кг/м
2 = 10,2 мм вод. ст.).
Чтобы избежать чрезмерного уменьшения вентиляции машины, перепад давления должен быть не больше величины, приведенной выше.
Этот метод является особенно подходящим для машин с открытым вентиляционным контуром. Для того чтобы рассчитать подачу воздуха Q при других значениях плотности воздуха, следует использовать формулу
Правило включения аэродинамического сопротивления в воздушный контур требует измерения перепада давления. Для этой цели следует использовать манометр со встроенной трубкой или манометр, отградуированный на Н/м2 с достаточно растянутой шкалой (+/- 1 Н/м2).
В замкнутой цепи охладители подходят для этой цели, но их трудно откалибровать.
12.1.2. Измерения с помощью впускного сопла
Для машин с воздушным охлаждением подача воздуха может быть также измерена в отверстии для впуска воздуха с помощью впускного сопла.
В этом случае для расчетов применяют следующую формулу:
где A - поперечное сечение впускного сопла, м2;

- локальная плотность воздуха, кг/м
3;

- разность между статическим давлением во впускном сопле и окружающим давлением, Н/м
2.
Коэффициент

для стандартного впускного сопла и не зависит от воздушного потока.
Площадь поперечного сечения сопла и заданное число стандартных сопел зависят от перепада давления, которое будет измерено, оптимальная величина которого находится в пределах 100 Н/м2.
12.1.3. Метод сравнения
В этом методе устройство помещено в охлаждающем контуре машины, чтобы дать возможность ввести известные потери P, кВт, которые соответствуют измеряемому превышению температуры

, К, охлаждающей среды. Когда удельная теплоемкость c
p, кДж/кг·К, в процессе измерения известна, подача воздуха может быть рассчитана по формуле
12.2. Измерение плотности воздуха
Плотность воздуха

- функция фактического атмосферного давления b, температуры t и относительной влажности воздуха в месте, для которого сделано измерение массового расхода.
Атмосферное давление в месте измерения массового расхода значительно не отличается от атмосферного давления вблизи установки, которое может быть измерено барометром или получено от локальной метеорологической станции. Атмосферное давление должно быть действительным значением, а не величиной, приведенной к уровню моря. Температура в месте измерения массового расхода может быть определена достаточно точно посредством колбового термометра.
Для определения плотности воздуха, когда охладители используют для измерения потока, необходимо взять величину среднего арифметического между входной и выходной температурой охладителя.
Следует использовать специальный гигрометр для измерения влажности.
На
рисунке 7 показана плотность сухого воздуха и влажного воздуха в зависимости от температуры.
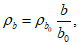
Влияние атмосферного давления может быть рассчитано по следующей формуле:
где b0 = 1,013 x 105 Н/м2.
13. Измерение превышения температуры воздуха
Измерение температуры может быть сделано посредством электрических измерительных детекторов (термометры сопротивления, термопары или термисторы). Если разность температур находится в пределах 10 °C, достаточная точность может быть получена с ртутными термометрами с ценой деления в десятых долях градуса.
13.1. Измерение с открытым вентиляционным контуром
Для машин, охлаждаемых окружающим воздухом, температура воздуха на входе и выходе должна быть измерена. Распределение температуры может значительно изменяться. Для большей точности выходное отверстие должно разделяться, например, проволочной сеткой с ячейками размером приблизительно 0,1 x 0,1 м. Температура воздуха должна быть измерена в каждой ячейке методом, описанным в 13.
Должны быть предприняты меры предосторожности для обеспечения гарантий того, что скорость воздуха на измеряемом участке постоянна. Когда скорость воздуха непостоянна, экран должен быть приспособлен, чтобы уравнивать скорости воздуха; только тогда должны быть сделаны измерения и определена средняя величина. Экран можно рассматривать как усредняющий тепловой экран, и это должно быть обеспечено посредством теплоизолированных опор.
13.2. Измерение с замкнутым вентиляционным контуром
Для машин с замкнутым вентиляционным контуром потери, поглощенные охладителем, определены как разность между температурой теплого воздуха и температурой холодного воздуха на выходе охладителя.
Когда сторона теплого воздуха охладителя доступна, температура может быть измерена ртутными термометрами. Температура на выходе должна быть измерена в нескольких точках, поскольку температура воздуха может изменяться на различных участках из-за превышения температуры воды.
Когда сторона теплого воздуха охладителя недоступна, температура теплого воздуха должна быть измерена посредством электрических датчиков температуры, помещенных между охлаждающими ребрами охладителя, но не в контакте с ними.
14. Определение удельной теплоемкости воздуха
Удельная теплоемкость воздуха cp при постоянном давлении практически постоянна для температур от 7 °C до 70 °C и для сухого воздуха имеет следующее значение:
cp = 1,01 кДж/(кг·К).
Для влажного воздуха значения более высокие (см.
рисунок 8).
Точность при определении потерь калориметрическим методом зависит от используемого метода измерения.
Погрешность измерения для каждой категории метода измерения в зависимости от использованного метода и величины разности температур дана в таблице 2.
Таблица 2
Погрешность измерения при калориметрировании воздухом
Наименование параметра | Погрешность, % |
Удельная теплоемкость cp | +/- 0,5 |
Плотность воздуха  | +/- 0,5 |
Поток воздуха, измеряемый: | |
- дроссельным экраном | +/- 2,5 |
- анемометром или электрическим прибором | +/- 3,0 |
- трубкой Пито | +/- 3,0 |
- впускным соплом | +/- 1,5 |
Превышение температуры  для ртутных или электрических термометров в интервале температур: | |
| | +/- 2,0 |
| | +/- 1,0 |
| | +/- 0,8 |
Метод, который будет отобран для целей испытания, должен позволять достигать точности измерения в пределах 2,5% для категории A и в пределах 5% для категории B (см.
10), если не согласовано иное.
Раздел 4. Практические аспекты
16. Подготовка к калориметрическим измерениям
с жидкими хладагентами
Калориметрические измерения должны быть выполнены отдельно для каждого контура охлаждения. С хладагентом однородной среды необходимы один или более калориметров для масляных подшипников, одного калориметра достаточно для охлаждающей воды для воздушных или газовых охладителей (см.
рисунок 2). Использование двух первичных хладагентов, например водорода и чистой воды, требует одного или нескольких калориметров в зависимости от соединения охладителей и возможности измерения (см.
рисунок 3).
Желательно установить пути для измерения потоков масла и воды и точек измерения температуры при проектировании расположения труб, так как дополнения или изменения в конструкции установки в дальнейшем являются не только дорогостоящими, но и могут привести к загрязнению масляных подшипников и контуров с водой высокой чистоты.
Из-за того, что устройства измерения параметров потока, например измерители турбинного типа или дроссельные устройства в контуре с технической водой быстро теряют точность из-за примесей песка или коррозии, они должны быть установлены только на период измерения. Чтобы была возможность перемещать установку, не прерывая работы, используют две параллельные трубы, как показано на
рисунке 9, которые могут быть изолированы с обоих концов. Они должны учесть длины свободного хода между золотниковым клапаном и расходомером и имеют следующие минимальные размеры:
- на входе S1: >= 10-кратная номинальная ширина;
- на выходе S2: >= 5-кратная номинальная ширина.
Малый клапан S5 должен осуществлять контроль того, чтобы никакая охлаждающая вода не проходила мимо расходомера Q, то есть что золотниковые клапаны S3 и S4 плотно закрыты.
Необходимо расходомерные устройства, включающие смежный поток, воздействующий на фитинги и связанные импульсные передатчики, усилители и измерители, если таковые вообще имеются, калибровать перед испытанием. Труба по всей длине между точками замера температуры для определения превышения температуры должна снабжаться теплоизоляцией. Не отвечающая требованиям теплоизоляция может быть причиной погрешностей в обоих случаях.
Если охладители являются внешними по отношению к кожуху машины, калориметрическое измерение первичного хладагента может быть сделано, если воздушные каналы позволяют разместить приборы, необходимые для правильного измерения. Иначе говоря, должна обеспечиваться удовлетворительная теплоизоляция воздушных каналов между машиной и охладителями для получения правильного измерения во вторичном контуре охлаждения. Трубы и кожух должны быть тщательно герметизированы, чтобы избежать утечки воздуха.
17. Соединения и оборудование для калориметрических
измерений с жидкими хладагентами
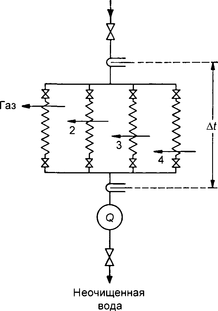
На
рисунке 2 показаны четыре газоводяных охладителя, соединенные параллельно на стороне воды. Полные потери мощности, рассеиваемые охлаждающей водой, получены путем измерения значения подачи воды Q и превышения температуры

.
Результат не зависит от распространения воды в параллельно соединенных охладителях, распространения газа и распространения потерь в отдельных потоках газа от одного до четырех. Необходима теплоизоляция водяных труб между точками замера температуры (см. также
9.1).
На
рисунке 3 показано последовательное соединение охладителей для использования с охладителями с двумя средами. Сумма рассеиваемых потерь может быть определена при измерении значения подачи охлаждающей воды и суммарного превышения температуры. Необходима теплоизоляция водяных труб.
Если способы теплоизоляции неэкономичны, можно обойтись без последовательного соединения охладителей, измеряя фактическое значение подачи охлаждающей воды Q, но индивидуально определяя частичные превышения температуры

и

, или измеряя непосредственно потерю мощности, рассеиваемую водой высокой чистоты в охлаждающем контуре. Подобные методы требуются для охладителей, соединенных параллельно.
Чтобы увеличивать точность измерения превышения температуры хладагента, испытание должно быть сделано с максимально возможным превышением температуры. Для этой цели поток хладагента можно уменьшить насколько возможно максимально, не превышая допустимые пределы температуры. Это более реально с холодной охлаждающей водой, чем при использовании конденсата в качестве хладагента.
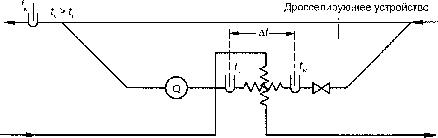
Когда превышение температуры охлаждающей среды слишком мало и невозможно изменить значение подачи (например, масляный подшипник), имеет смысл при измерении выделять потери в обводных частях циркулирующего потока жидкости в соответствии с
рисунком 10 и заменять хладагент частичным потоком, охлаждаемым вплоть до низкой температуры t
u. Это предполагает достаточно низкую температуру вторичного хладагента.
Эта обводная калориметрия делает возможной большую разность температур

и, следовательно, увеличивает точность измерений. Дросселирующее устройство позволяет рационально распределить поток на параллельных линиях.
Если физически правильное выполнение соединения, как показано на
рисунке 2, является невыполнимым из-за локального расположения трубы и теплоизоляции, комбинированная калориметрия может быть использована, когда измеренный полный поток умножен на среднюю величину измеренных индивидуальных превышений температур каждого охладителя (см.
рисунок 11). В этом случае необходимо отрегулировать частичные потоки до измерения посредством находящихся ниже по течению клапанов так, чтобы превышения температуры от

и

были почти одинаковы. Чем больше точность, с которой это сделано, тем меньше погрешность в оценке потерь посредством среднего превышения температур. Максимально допустимая разность между величинами

должна быть предметом соглашения. Можно обойтись без теплоизоляции трубы.
Рисунок 1. Контролируемая поверхность
Рисунок 2. Параллельное соединение охладителей
Рисунок 3. Последовательное соединение охладителей
Рисунок 4. Характерные значения для чистой воды
как функции температуры
Рисунок 5. Расположение гильзы с термометром в водопроводе
Рисунок 6. Измерительные дроссели, расположенные
в охлаждающем контуре на месте эксплуатации
Рисунок 7. Плотность воздуха в зависимости
от температуры и влажности
Рисунок 8. Удельная теплоемкость c
p воздуха для различных
значений влажности и температуры
Q - измеритель потока;
tw - температура холодного охладителя;
tu - температура, при которой часть потока хладагента находится внутри обводной части;
tk - комбинированная температура из tu и tw.