Главная // Актуальные документы // ГОСТ (Государственный стандарт)СПРАВКА
Источник публикации
М.: Стандартинформ, 2014
Примечание к документу
Документ
введен в действие с 1 января 2015 года.
Название документа
"ГОСТ 32614-2012 (EN 520:2009). Межгосударственный стандарт. Плиты гипсовые строительные. Технические условия"
(введен в действие Приказом Росстандарта от 05.05.2014 N 429-ст)
"ГОСТ 32614-2012 (EN 520:2009). Межгосударственный стандарт. Плиты гипсовые строительные. Технические условия"
(введен в действие Приказом Росстандарта от 05.05.2014 N 429-ст)
агентства по техническому
регулированию и метрологии
от 5 мая 2014 г. N 429-ст
МЕЖГОСУДАРСТВЕННЫЙ СТАНДАРТ
ПЛИТЫ ГИПСОВЫЕ СТРОИТЕЛЬНЫЕ
ТЕХНИЧЕСКИЕ УСЛОВИЯ
Gypsum plasterboards buildings. Specifications
(EN 520:2009, MOD)
ГОСТ 32614-2012
(EN 520:2009)
Дата введения
1 января 2015 года
Цели, основные принципы и основной порядок работ по межгосударственной стандартизации установлены
ГОСТ 1.0-92 "Межгосударственная система стандартизации. Основные положения" и
ГОСТ 1.2-2009 "Межгосударственная система стандартизации. Стандарты межгосударственные, правила и рекомендации по межгосударственной стандартизации. Правила разработки, принятия, применения, обновления и отмены".
1. Подготовлен ООО "Кнауф Сервис" на основе аутентичного перевода на русский язык европейского регионального стандарта, указанного в
пункте 4.
2. Внесен Техническим комитетом по стандартизации ТК 465 "Строительство".
3. Принят Межгосударственной научно-технической комиссией по стандартизации, техническому нормированию и оценке соответствия в строительстве (МНТКС) (Протокол от 4 июня 2012 г. N 40).
За принятие проголосовали:
Краткое наименование страны по МК (ИСО 3166) 004-97 | Код страны по МК (ИСО 3166) 004-97 | Сокращенное наименование национального органа государственного управления строительством |
Азербайджан | AZ | Государственный комитет градостроительства и архитектуры |
Армения | AM | Министерство градостроительства |
Киргизия | KG | Госстрой |
Молдова | MD | Министерство строительства и регионального развития |
Россия | RU | Министерство регионального развития |
Таджикистан | TJ | Агентство по строительству и архитектуре при правительстве |
Узбекистан | UZ | Госархитектстрой |
4. Настоящий стандарт модифицирован по отношению к европейскому региональному стандарту EN 520:2009 Gypsum plasterboards - Definitions, requirements and test methods (Гипсокартонные плиты. Термины, требования и методы испытаний) путем внесения изменений, информация о которых приведена во
введении.
Наименование настоящего стандарта изменено по отношению к наименованию европейского регионального стандарта для приведения в соответствие с ГОСТ 1.5-2001
(подраздел 3.6).
Перевод с английского языка (en).
Степень соответствия - модифицированная (MOD).
5.
Приказом Федерального агентства по техническому регулированию и метрологии от 5 мая 2014 г. N 429-ст межгосударственный стандарт ГОСТ 32614-2012 (EN 520:2009) введен в действие в качестве национального стандарта Российской Федерации с января 2015 г.
6. Введен впервые.
Информация об изменениях к настоящему стандарту публикуется в ежегодном информационном указателе "Национальные стандарты", а текст изменений и поправок - в ежемесячном информационном указателе "Национальные стандарты". В случае пересмотра (замены) или отмены настоящего стандарта соответствующее уведомление будет опубликовано в ежемесячном информационном указателе "Национальные стандарты". Соответствующая информация, уведомление и тексты размещаются также в информационной системе общего пользования - на официальном сайте Федерального агентства по техническому регулированию и метрологии в сети Интернет.
В настоящий стандарт внесены следующие изменения по отношению к европейскому региональному стандарту:
1. Из текста и
раздела "Нормативные ссылки" исключены ссылки на европейские региональные стандарты, не принятые в качестве межгосударственных стандартов.
2. Исключен подраздел 3.4, т.к. обозначения и сокращения, приведенные в данном подразделе, не применяются предприятиями-изготовителями гипсовых плит.
3. Требования пожарной безопасности
(подраздел 4.2) и к количеству выделяемых вредных веществ
(подраздел 4.6) приведены в соответствие с требованиями межгосударственных стандартов.
4. Настоящий стандарт дополнен требованием к содержанию естественных радионуклидов
(подраздел 4.6), выделенным в тексте курсивом.
5. Требования к прямоугольности и метод определения прямоугольности гипсовых плит приведены в соответствие с действующими межгосударственными стандартами и выделены в тексте курсивом.
6. Исключен метод определения массы картона, т.к. данный показатель контролируется при входном контроле материалов, применяемых для изготовления гипсовых плит, в соответствии с технологическим регламентом.
7. Исключены методы испытания систем, включающих в себя гипсовые плиты, Приложение ZА, содержащее сведения о пунктах европейского регионального стандарта, соответствующих положениям Директивы ЕС в части строительных материалов.
8.
Раздел 6 дополнен общими положениями в части правил приемки гипсовых плит (см.
6.4), выделенными в тексте курсивом.
10. Стандарт дополнен справочным
Приложением ДА, в котором приведены сведения о соответствии обозначений типов плит, принятых в
ГОСТ 6266 и настоящем стандарте.
Настоящий стандарт распространяется на гипсовые плиты, применяемые в строительстве для обшивки стен, устройства перегородок, потолков и др. конструкций с последующим нанесением на них декоративного покрытия или гипсовой шпаклевки, или штукатурки, для обшивки строительных конструкций с целью их огнезащиты, в тепло- и звукоизоляционных системах, и устанавливает требования к следующим характеристикам плит: прочность при изгибе (разрушающая нагрузка при изгибе), стойкость против воздействия ударных нагрузок, пожарно-технические характеристики, паропроницаемость, теплопроводность и другие дополнительные характеристики, необходимые для оценки качества плит в зависимости от целей их применения, а также методы определения характеристик и процедуру оценки соответствия.
В настоящем стандарте использованы нормативные ссылки на следующие межгосударственные стандарты:
ГОСТ 12.1.044-89 Система стандартов безопасности труда. Пожаровзрывоопасность веществ и материалов. Номенклатура показателей и методы их определения
ГОСТ 3560-73 Лента стальная упаковочная. Технические условия
ГОСТ 7076-99 Материалы и изделия строительные. Метод определения теплопроводности и термического сопротивления при стационарном тепловом режиме
ГОСТ 12605-97 (ИСО 535-91) Бумага и картон. Метод определения поверхностной впитываемости воды при одностороннем смачивании (метод Кобба)
ГОСТ 25898-2012 Материалы и изделия строительные. Методы определения паропроницаемости и сопротивления паропроницанию
ГОСТ 25951-83 Пленка полиэтиленовая термоусадочная. Технические условия
ГОСТ 30108-94 Материалы и изделия строительные. Определение удельной эффективной активности естественных радионуклидов
ГОСТ 30244-94 Материалы строительные. Методы испытаний на горючесть
ГОСТ 30402-96 Материалы строительные. Метод испытания на воспламеняемость
ГОСТ 31704-2011 (EN ISO 354:2003) Материалы звукопоглощающие. Метод измерения звукопоглощения в реверберационной камере.
Примечание. При пользовании настоящим стандартом целесообразно проверить действие ссылочных стандартов по указателю "Национальные стандарты", составленному по состоянию на 1 января текущего года, и по соответствующим информационным указателям, опубликованным в текущем году. Если ссылочный стандарт заменен (изменен), то при пользовании настоящим стандартом следует руководствоваться заменяющим (измененным) стандартом. Если ссылочный стандарт отменен без замены, то положение, в котором дана ссылка на него, применяется в части, не затрагивающей эту ссылку.
3. Термины и определения. Типы
3.1. Термины и определения
В настоящем стандарте применены следующие термины с соответствующими определениями:
3.1.1. Гипсовая плита: прямоугольное изделие, состоящее из гипсового сердечника и оболочки из приклеенного плотного, способного к сопротивлению, картона.
Примечание. Поверхности картона могут быть различными в зависимости от области применения каждого типа плит, а гипсовый сердечник может содержать добавки, придающие плите дополнительные свойства. Продольные кромки плит покрыты картоном и имеют профили в соответствии с целью их применения.
3.1.2. Продольная кромка: кромка, покрытая картоном в продольном направлении плиты.
3.1.3. Поперечная кромка: кромка с видимым гипсовым сердечником, перпендикулярная продольной кромке.
3.1.4. Лицевая сторона: сторона плиты, поверхность и продольные кромки которой покрыты одним и тем же картоном.
3.1.5. Тыльная сторона: сторона плиты, противоположная лицевой стороне.
3.1.6. Ширина: кратчайшее расстояние между продольными кромками плиты.
3.1.7. Номинальная ширина w: ширина, указываемая изготовителем.
3.1.8. Длина: кратчайшее расстояние между поперечными кромками плиты.
3.1.9. Номинальная длина l: длина, указываемая изготовителем.
3.1.10. Толщина: расстояние между лицевой и тыльной сторонами плиты.
3.1.11. Номинальная толщина t: толщина, указываемая изготовителем.
3.2.1. Общие положения
Гипсовые плиты в зависимости от свойств и области применения подразделяют на типы, приведенные ниже.
Буквы, указывающие на принадлежность плит к конкретному типу, должны быть включены в маркировку.
3.2.2. Гипсовые плиты типа A: плиты, на лицевую сторону которых может быть нанесена гипсовая шпаклевка или декоративное покрытие.
Для целей маркировки плиты обозначают: "Тип A".
3.2.3. Гипсовые плиты типа H (влагостойкие плиты): плиты, гипсовый сердечник которых содержит добавки, снижающие водопоглощение.
Для целей маркировки плиты в зависимости от их водопоглощения обозначают: "Тип H1", "Тип H2" и "Тип H3".
Примечание. Плиты применяют в условиях, при которых необходимо низкое водопоглощение.
3.2.4. Гипсовые плиты типа E: плиты, имеющие пониженное водопоглощение и минимальную паропроницаемость и применяемые в основном в качестве обшивки элементов наружных стен.
Для целей маркировки плиты обозначают: "Тип E".
Примечание. Плиты не применяют в условиях длительного воздействия внешних атмосферных факторов. Нанесение декоративного покрытия на плиты не предусмотрено.
3.2.5. Гипсовые плиты типа F (плиты с повышенной стойкостью гипсового сердечника при воздействии открытого пламени): плиты, гипсовый сердечник которых содержит минеральные волокна и/или другие добавки для улучшения структуры и повышения стойкости при воздействии высоких температур при пожаре.
Для целей маркировки плиты обозначают: "Тип F".
Примечание. На лицевую сторону плит может быть нанесена шпаклевка или декоративное покрытие.
3.2.6. Гипсовые плиты типа P: плиты, на лицевую сторону которых наносят гипсовую штукатурку или приклеивают другие материалы, например, гипсовые или другие плиточные материалы.
Для целей маркировки плиты обозначают: "Тип P".
Примечание. Форма кромок плит, для которых предусмотрено нанесение гипсовой штукатурки, должна быть прямой или закругленной.
3.2.7. Гипсовые плиты типа D (плиты заданной плотности): плиты, гипсовый сердечник которых имеет плотность, обеспечивающую оптимальные свойства плит при определенных условиях применения.
Для целей маркировки плиты обозначают: "Тип D".
Примечание. На лицевую сторону плит может быть нанесена гипсовая шпаклевка или декоративное покрытие.
3.2.8. Гипсовые плиты типа R (плиты повышенной прочности): плиты, предназначенные для применения в условиях, при которых требуется повышенная прочность при изгибе в продольном и поперечном направлениях.
Для целей маркировки плиты обозначают: "Тип R".
Примечание. На лицевую сторону плит может быть нанесена гипсовая шпаклевка или декоративное покрытие.
3.2.9. Гипсовые плиты типа I (плиты с повышенной твердостью поверхности): плиты, предназначенные для применения в условиях, при которых предъявляется требование к повышенной твердости поверхности.
Для целей маркировки плиты обозначают: "Тип I".
Примечание. На лицевую сторону плит может быть нанесена гипсовая шпаклевка или декоративное покрытие.
3.3. Виды профиля продольных и поперечных кромок
Покрытая картоном продольная кромка гипсовых плит может быть прямой, со срезанным углом, утоненной, полукруглой, полукруглой утоненной, закругленной (см. рисунки 1 -
6).
1 - лицевая сторона, 2 - тыльная сторона
Рисунок 1. Прямая кромка (ПК)
1 - лицевая сторона; 2 - тыльная сторона
Рисунок 2. Кромка со срезанным углом (СК)
1 - лицевая сторона; 2 - тыльная сторона
Рисунок 3. Утоненная кромка (УК)
1 - лицевая сторона; 2 - тыльная сторона
Рисунок 4. Полукруглая кромка (ПЛК)
1 - лицевая сторона; 2 - тыльная сторона
Рисунок 5. Полукруглая утоненная кромка (ПЛУК)
1 - лицевая сторона; 2 - тыльная сторона
Рисунок 6. Закругленная кромка (ЗК)
Поперечные кромки плит могут быть прямыми или со срезанным углом (см.
рисунки 1 -
2).
4. Технические требования
4.1. Механические свойства
4.1.1. Сопротивление срезу (прочность соединения плит с основанием)
Сопротивление срезу гипсовых плит типа E, применяемых для обшивки деревянных строительных элементов (стен, перегородок и др.), определяют методом, приведенным в
5.13.
Примечание. Указанным методом не определяют сопротивление срезу отдельной гипсовой плиты.
4.1.2. Прочность при изгибе (разрушающая нагрузка при изгибе)
4.1.2.1. Разрушающая нагрузка гипсовых плит типов A, D, E, F, H и I, определяемая методом, приведенным в
5.7, не должна быть ниже значений, указанных в таблице 2.
| | ИС МЕГАНОРМ: примечание. Нумерация таблиц дана в соответствии с официальным текстом документа. | |
Таблица 2
Разрушающая нагрузка при изгибе гипсовых плит
типов A, D, E, F, H, I
Толщина, мм | Разрушающая нагрузка при изгибе, Н |
в поперечном направлении | в продольном направлении |
9,5 | 160 | 400 |
12,5 | 210 | 550 |
15,0 | 250 | 650 |
t | 16,8t | 43t |
Все единичные значения разрушающей нагрузки не должны быть ниже указанных в
таблице 2 значений более чем на 10%.
4.1.2.2. Разрушающая нагрузка при изгибе гипсовых плит повышенной прочности (плиты типа R), определяемая методом, приведенным в
5.7, не должна быть ниже значений, указанных в таблице 3.
Таблица 3
Разрушающая нагрузка при изгибе гипсовых плит типа R
Толщина, мм | Разрушающая нагрузка при изгибе, Н |
в поперечном направлении | в продольном направлении |
12,5 | 300 | 725 |
15,0 | 360 | 870 |
t | 24t | 58t |
Все единичные значения разрушающей нагрузки не должны быть ниже указанных в
таблице 3 значений более чем на 10%.
4.1.2.3. Разрушающая нагрузка при изгибе гипсовых плит типа P, определяемая методом, приведенным в
5.7, не должна быть ниже значений, указанных в таблице 4.
Таблица 4
Разрушающая нагрузка при изгибе гипсовых плит типа P
Толщина, мм | Разрушающая нагрузка при изгибе, Н |
в поперечном направлении | в продольном направлении |
9,5 | 125 | 180 |
12,5 | 165 | 235 |
Все единичные значения разрушающей нагрузки не должны быть ниже указанных в
таблице 4 значений более чем на 10%.
4.1.3. Прогиб под нагрузкой
Прогиб гипсовых плит под нагрузкой, если необходимо, определяют методом, указанным в
5.8.
4.2. Пожарно-технические характеристики
Гипсовые плиты всех типов относятся к группе горючести Г1 по ГОСТ 30244, группе воспламеняемости В2 по ГОСТ 30402, группе дымообразующей способности Д1 и группе токсичности Т1 по ГОСТ 12.1.044.
4.3. Паропроницаемость
Паропроницаемость гипсовых плит определяют по просьбе потребителя, если плиты применяют в условиях, в которых необходимо учитывать данный показатель.
4.4. Звукопоглощение
Звукопоглощение гипсовых плит, применяемых для создания условий акустического комфорта в помещениях, определяют по
ГОСТ 31704 по просьбе потребителя.
4.5. Теплопроводность
Теплопроводность определяют по просьбе потребителя для гипсовых плит, применяемых в теплоизоляционных конструкциях.
Теплопроводность плит определяют по
ГОСТ 7076.
4.6. Экологическая безопасность
4.6.1. Количество вредных веществ, выделяющихся при применении гипсовых плит, не должно превышать предельно допустимых концентраций, установленных национальными органами санитарно-эпидемиологического надзора.
4.6.2. Удельная эффективная активность естественных радионуклидов в гипсовых плитах не должна превышать 370 Бк/кг. Удельную эффективную активность естественных радионуклидов определяют по ГОСТ 30108.
4.7. Размеры и предельные отклонения
4.7.1. Гипсовые плиты типа P
4.7.1.1. Ширина
Гипсовые плиты типа P изготовляют номинальной шириной 400, 600, 900 и 1200 мм. Допускается изготовлять плиты типа P другой ширины.
Ширину плит измеряют в соответствии с
5.2 и сравнивают с номинальной шириной.
Предельное отклонение каждого единичного результата измерения ширины не должно превышать 0; минус 8 мм.
4.7.1.2. Длина
Гипсовые плиты типа P изготовляют номинальной длиной 1200, 1500, 1800 и 2000 мм. Допускается изготовлять плиты типа P другой длины.
Длину плит измеряют в соответствии с
5.3 и сравнивают с номинальной длиной.
Предельное отклонение каждого единичного результата измерения длины не должно превышать 0; минус 6 мм.
4.7.1.3. Толщина
Гипсовые плиты типа P изготовляют номинальной толщиной 9,5 и 12,5 мм. Допускается изготавливать плиты другой толщины.
Толщину плит измеряют в соответствии с
5.4 и сравнивают с номинальной толщиной.
Предельное отклонение каждого единичного результата измерения толщины не должно превышать +/- 0,6 мм.
4.7.2. Гипсовые плиты типов A, H, D, E, F, I, R
4.7.2.1. Ширина
Гипсовые плиты типов A, H, D, E, F, I, R изготовляют номинальной шириной 600, 625, 900, 1200 и 1250 мм. Допускается изготовлять плиты типов A, H, D, E, F, I, R другой ширины.
Ширину плит измеряют в соответствии с
5.2 и сравнивают с номинальной шириной.
Предельное отклонение каждого единичного результата измерения ширины не должно превышать 0; минус 4 мм.
4.7.2.2. Длина
Гипсовые плиты типов A, H, D, E, F, I, R изготовляют номинальной длиной 1200, 1500, 1800, 2000 и 2500 мм. Допускается изготовлять плиты типов A, H, D, E, F, I, R другой длины.
Длину плит измеряют в соответствии с
5.3 и сравнивают с номинальной длиной.
Предельное отклонение каждого единичного результата измерения длины не должно превышать 0; минус 5 мм.
4.7.2.3. Толщина
Гипсовые плиты типов A, H, D, E, F, I, R изготовляют номинальной толщиной 9,5; 12,5 и 15 мм. Допускается изготовлять плиты другой толщины, при этом номинальная толщина плит должна быть не менее 6,0 мм.
Толщину плит измеряют в соответствии с
5.4 и сравнивают с номинальной толщиной.
Предельное отклонение каждого единичного результата измерения толщины до 18 мм не должно превышать +/- 0,5 мм.
Предельное отклонение от номинальной толщины более или равной 18 мм, определенное с точностью до 0,1 мм, должно быть равно +/- 0,04, умноженное на толщину плиты и округленное до 0,1 мм.
Результаты измерений толщины отдельных плит не должны отличаться друг от друга более чем на 0,8 мм.
Гипсовые плиты должны иметь прямоугольную форму в плане. Отклонение от прямоугольности плит, измеренное в соответствии с 5.5, не должно быть более 3 мм.
4.7.2.5. Профили продольных и поперечных кромок
Настоящий стандарт не устанавливает размеры профилей продольных и поперечных кромок плит (кроме размеров профилей утоненных и утоненных полукруглых кромок), так как в зависимости от вида шпаклевочного слоя швов и эстетических и декоративных решений указанные размеры могут значительно отличаться.
При измерении утоненных и утоненных полукруглых кромок в соответствии с
5.6 каждый единичный результат измерения должен быть в следующих пределах:
- глубина утонения - от 0,6 до 2,5 мм;
- ширина утонения - от 40 до 80 мм.
4.8. Дополнительные требования к гипсовым плитам типов H1, H2, H3
Водопоглощение поверхности
(поверхностное водопоглощение) лицевой стороны гипсовых плит типов H1, H2, H3, определяемое в соответствии с
5.9.1, и объемное водопоглощение, определяемое в соответствии с
5.9.2, не должны превышать значений, приведенных в таблице 5.
Таблица 5
Значения для классов водопоглощения
Класс водопоглощения | Поверхностное водопоглощение, г/м2 | Объемное водопоглощение, % |
H1 | 180 | <= 5 |
H2 | 220 | <= 10 |
H3 | 300 | <= 25 |
4.9. Дополнительные требования к гипсовым плитам типа E
Гипсовые плиты типа E должны соответствовать требованиям, предъявляемым к плитам типов H1, H2 или H3.
Паропроницаемость гипсовых плит типа E, определенная по
ГОСТ 25898, не должна превышать 0,025 мг/(м·ч·Па).
4.10. Дополнительные требования к гипсовым плитам типа F
При испытании на стойкость шести образцов гипсовых плит типа F при воздействии высоких температур в соответствии с
5.10 ни один образец не должен разрушиться.
4.11. Дополнительные требования к гипсовым плитам типа D
Плотность гипсовых плит типа D, определяемая в соответствии с
5.11, должна быть не менее 800 кг/м
3.
4.12. Дополнительные требования к гипсовым плитам типа I
Твердость поверхности гипсовых плит типа I оценивают по диаметру отпечатка, образовавшегося на поверхности образца при испытании в соответствии с
5.12.
Диаметр углубления не должен превышать 15 мм.
Для испытания в соответствии с 5.2 -
5.6 отбирают по три гипсовых плиты каждого типа и толщины в соответствии с требованиями
Приложения А.
Испытания в соответствии с
5.7 -
5.12 должны проводиться на образцах, вырезанных из каждой из трех плит.
5.2.1. Сущность метода
Ширину измеряют в трех местах по длине плиты.
5.2.2. Средства измерения
Металлическая линейка или рулетка, обеспечивающие измерение с точностью до 1 мм.
5.2.3. Проведение измерения
Проводят три измерения между продольными кромками плиты с точностью до 1 мм: по одному измерению рядом с поперечными кромками и одно измерение примерно по середине плиты (см. рисунок 7).
Рисунок 7. Схема измерения ширины
5.2.4. Представление результатов
Результат каждого измерения в миллиметрах записывают в протокол испытаний и сравнивают с номинальной шириной плиты.
5.3.1. Сущность метода
Длину измеряют в трех местах перпендикулярно ширине плиты.
5.3.2. Средства измерения
Металлическая линейка или рулетка, обеспечивающие измерение с точностью до 1 мм.
5.3.3. Проведение измерения
Проводят три измерения между поперечными кромками плиты с точностью до 1 мм: по одному измерению рядом с продольными кромками и одно измерение примерно по середине плиты (см. рисунок 8).
Рисунок 8. Схема измерения длины
5.3.4. Представление результатов
Результат каждого измерения в миллиметрах записывают в протокол испытаний и сравнивают с номинальной длиной плиты.
5.4.1. Сущность метода
Толщину плиты измеряют в шести местах на одной из поперечных кромок.
5.4.2. Средства измерения
Микрометр, толщиномер или штангенциркуль, обеспечивающие измерение с точностью до 0,1 мм.
5.4.3. Проведение измерения
Проводят шесть измерений по ширине плиты с точностью до 0,1 мм на одинаковом расстоянии друг от друга (см. рисунок 9). Измерения проводят на расстоянии не менее 25 мм от поперечной кромки и не менее 100 мм от продольных кромок. Для плит номинальной шириной не более 600 мм проводят три измерения.
Размеры в миллиметрах
Рисунок 9. Схема измерения толщины
5.4.4. Представление результатов
Для каждой плиты вычисляют среднее значение толщины с точностью до 0,1 мм и результат записывают в протокол испытаний.
5.5. Определение прямоугольности
5.5.1. Сущность метода
Прямоугольность гипсовых плит определяют по разности длин диагоналей.
5.5.2. Средства измерения
Металлическая рулетка, обеспечивающая измерение с точностью до 1 мм.
5.5.3. Проведение измерения
Измеряют диагонали (расстояние между углами противоположных кромок) с точностью до 1 мм. Длину каждой диагонали измеряют рулеткой один раз.
5.5.4. Представление результатов
Отклонение от прямоугольности вычисляют по разности длин измеренных диагоналей. Полученный результат должен соответствовать требованиям 4.7.2.4.
5.6. Определение размеров утоненного профиля продольных кромок
5.6.1. Ширина утонения
5.6.1.1. Сущность метода
Лекальную линейку помещают на лицевую сторону плиты так, чтобы она накрывала область утонения.
5.6.1.2. Средство измерения
Лекальная линейка длиной не менее 250 мм, обеспечивающая измерение с точностью до 1 мм.
5.6.1.3. Проведение измерения
Ширину утонения измеряют на каждой продольной кромке плиты на расстоянии (300 +/- 50) мм от каждой поперечной кромки.
Ширину утонения (AB) измеряют лекальной линейкой, помещенной на лицевую сторону плиты параллельно поперечной кромке, как показано на рисунке 11 для плит с полукруглыми утоненными продольными кромками и на рисунке 12 - для плит с утоненными продольными кромками.
1 - лицевая сторона; 2 - тыльная сторона
| | ИС МЕГАНОРМ: примечание. Нумерация рисунков дана в соответствии с официальным текстом документа. | |
Рисунок 11. Схема определения ширины утонения
полукруглой утоненной кромки
1 - лицевая сторона; 2 - тыльная сторона
Рисунок 12. Схема определения ширины утонения
утоненной кромки
5.6.1.4. Представление результатов
За ширину утонения принимают расстояние в миллиметрах между продольной кромкой плиты (точка A) и точкой B, в которой лекальная линейка касается лицевой стороны плиты (на каждой плите проводят два измерения - на каждой кромке по одному измерению).
5.6.2. Глубина утонения
5.6.2.1. Сущность метода
Глубину утонения измеряют с помощью индикатора.
5.6.2.2. Средство измерения
Индикатор, установленный на специальном измерительном устройстве (см. рисунок 13) и обеспечивающий измерение с точностью до 0,01 мм.
Размеры в миллиметрах
1 - ширина измерительного устройства не менее 25 мм;
2 - ручка; 3 - измерительный стержень индикатора
с полукруглым концом диаметром от 2 до 5 мм
Рисунок 13. Измерительное устройство
для измерения глубины утонения
5.6.2.3. Проведение измерения
Глубину утонения измеряют на каждой продольной кромке плиты на расстоянии (300 +/- 50) мм от каждой поперечной кромки. Плиту укладывают на ровную поверхность. Измерительное устройство устанавливают на лицевую сторону плиты так, чтобы индикатор был удален от продольной кромки на 150 мм; шкалу микрометра устанавливают на ноль. Измерительное устройство перемещают к продольной кромке. У плит с утоненными продольными кромками измерения проводят на расстоянии (10 +/- 1) мм от продольной кромки, у плит с полукруглыми утоненными кромками - на расстоянии (20 +/- 1) мм от продольной кромки.
5.6.2.4. Представление результатов
Результат каждого измерения глубины утонения с точностью до 0,1 мм записывают в протокол испытаний.
5.7. Определение прочности при изгибе
5.7.1. Сущность метода
Прочность при изгибе гипсовых плит характеризуют разрушающей нагрузкой при изгибе.
Образцы для испытания размером 400 x 300 мм, вырезанные из гипсовых плит, подвергают воздействию нагрузки, увеличивающейся с регулируемой скоростью до тех пор, пока образец не разрушится.
5.7.2. Средство испытания
Нагружающее устройство, обеспечивающее скорость нарастания нагрузки (250 +/- 125) Н/мин и измерение нагрузки с погрешностью не более 2%.
5.7.3. Проведение испытания
5.7.3.1. Изготовление образцов для испытания
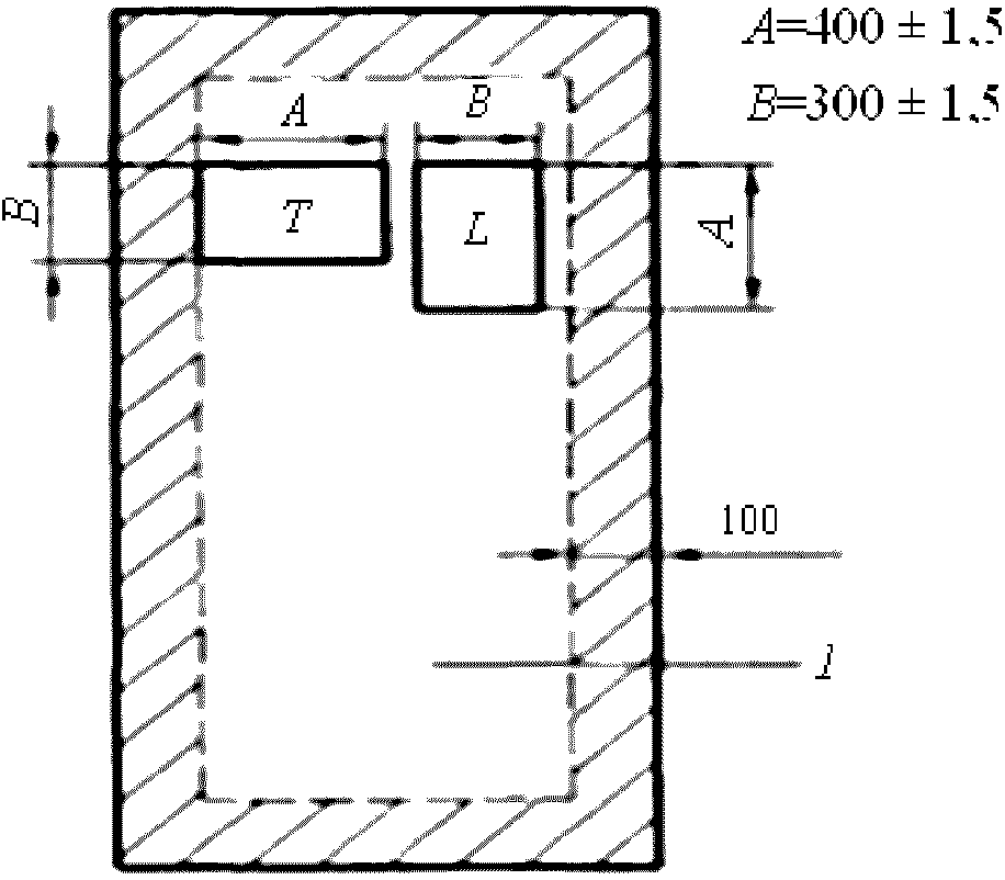
Из каждой отобранной для проведения испытаний гипсовой плиты вырезают два образца прямоугольной формы размерами [(400 x 300) +/- 1,5)] мм (как показано на рисунке 14): один образец в продольном направлении (обозначение L), второй - в поперечном направлении плиты (обозначение T).
1 - зона взятия остальных образцов
Рисунок 14. Отбор образцов для определения разрушающей
нагрузки при изгибе (пример для плиты шириной 1200 мм)
Образцы для испытания вырезают на расстоянии не менее 100 мм от продольной и поперечной кромок плиты. Для плит шириной менее 600 мм расстояние от продольной кромки может быть уменьшено, но оно должно быть одинаковым от обеих кромок плиты.
Образцы высушивают при температуре (40 +/- 2) °C до постоянной массы <1>.
--------------------------------
<1> Массу образца считают постоянной, если результаты двух последовательных взвешиваний, проведенных с интервалом 24 ч, отличаются друг от друга менее чем на 0,1%.
Испытание проводят не позднее чем через 10 мин после того как образец был извлечен из сушильного шкафа.
5.7.3.2. Проведение испытания
Каждый образец помещают в нагружающее устройство на две параллельные опоры радиусом скругления от 3 до 15 мм и длиной не менее ширины образца, расстояние между центрами которых (350 +/- 1) мм. Образцы, вырезанные в продольном направлении плит, помещают на опоры лицевой стороной вниз, вырезанные в поперечном направлении - лицевой стороной вверх.
Нагрузку прикладывают по середине между опорами с отклонением не более +/- 2 мм и параллельно им со скоростью (250 +/- 125) Н/мин через скругленную деталь радиусом от 3 до 15 мм.
Каждое значение нагрузки, при которой происходит разрушение образца, регистрируют с точностью до 1 Н.
5.7.4. Представление результатов
За результат испытания принимают среднеарифметическое значение результатов испытаний трех образцов, вырезанных в продольном направлении (L), или результатов испытаний трех образцов, вырезанных в поперечном направлении (T).
5.8. Определение прогиба под нагрузкой
При определении разрушающей нагрузки при изгибе фиксируют и записывают в протокол испытания значение прогиба образцов в момент разрушения, вызванного воздействием нагрузки.
Значение прогиба под нагрузкой трех вырезанных в продольном направлении образцов (L) и трех вырезанных в поперечном направлении образцов (T) рассчитывают как среднеарифметическое зарегистрированных значений при каждом нагружении.
5.9. Определение водопоглощения
5.9.1. Поверхностное водопоглощение
5.9.1.1. Сущность метода
Поверхность подготовленного для испытания образца плиты подвергают в течение заданного времени воздействию воды температурой (23 +/- 2) °C и определяют увеличение массы образца.
5.9.1.2. Средства испытания
a) весы с пределом погрешности взвешивания не более 0,01 г;
b) часы с пределом погрешности измерения 1 мин;
c) прибор для определения впитываемости поверхности по ГОСТ 12605 (прибор Кобба) со следующим уточнением параметров прибора: высота цилиндра для воды должна быть не менее 25 мм.
5.9.1.3. Проведение испытания
Из каждой отобранной плиты вырезают два образца размерами [(125 x 125) +/- 1,5] мм, один из которых испытывают лицевой стороной, второй - тыльной стороной.
Образцы перед испытанием выдерживают до постоянной массы
<1> при температуре (23 +/- 2) °C и относительной влажности воздуха (50 +/- 5)%.
Образец взвешивают с точностью до 0,01 г, после чего на образец помещают цилиндр (прибор Кобба). Цилиндр полностью наполняют водой температурой (23 +/- 2) °C. Уровень воды над поверхностью испытуемого образца должен быть 25 мм.
Образец с цилиндром выдерживают в течение 2 ч +/- 2 мин, после чего воду сливают и снимают цилиндр с образца.
С поверхности образца промокательной бумагой немедленно удаляют излишнюю воду. Образец взвешивают с точностью до 0,01 г.
5.9.1.4. Представление результатов
Определяют разность в граммах между массой образца в сухом состоянии и массой образца после испытания.
Рассчитывают среднее значение разности масс образца до испытания и после него для лицевой и тыльной сторон и умножают на 100. Полученное значение принимают за поверхностное водопоглощение лицевой или тыльной стороны гипсовых плит в г/м2.
5.9.2. Объемное водопоглощение
5.9.2.1. Сущность метода
Выдержанные в соответствии с
5.9.1.3 образцы помещают в воду температурой (23 +/- 2) °C и определяют увеличение их массы в процентах.
5.9.2.2. Средства испытаний
a) весы с пределом погрешности взвешивания 0,1 г;
b) емкость с водой температурой (23 +/- 2) °C вместимостью, достаточной для размещения образца.
5.9.2.3. Проведение испытания
Из каждой плиты посередине между продольными кромками на расстоянии не менее 150 мм от поперечных кромок вырезают образцы размерами [(300 +/- 1,5) x (300 +/- 1,5)] мм.
Образцы перед испытанием выдерживают до постоянной массы <1> при температуре (23 +/- 2) °C и относительной влажности воздуха (50 +/- 5)%, затем взвешивают с точностью до 0,1 г, после чего образцы испытывают.
--------------------------------
<1> Массу образца считают постоянной, если результаты двух последовательных взвешиваний, проведенных с интервалом 24 ч, отличаются друг от друга менее чем на 0,1%.
Образец для испытания помещают на 2 ч +/- 2 мин в емкость с водой температурой (23 +/- 2) °C так, чтобы уровень воды был выше поверхности образца на 25 - 35 мм. При этом испытуемый образец размещают в емкости горизонтально, исключая его контакт с основанием емкости. После извлечения из емкости с образца удаляют излишнюю влагу и немедленно взвешивают его с точностью до 0,1 г.
5.9.2.4. Представление результатов
Для каждого образца определяют увеличение массы относительно исходной массы в процентах. За результат испытания принимают среднеарифметическое значение результатов испытания всех образцов в процентах.
5.10. Определение стойкости гипсового сердечника при воздействии высокой температуры
5.10.1. Сущность метода
Образец для испытания, расположенный между двумя горелками, подвергают при нагревании воздействию изгибающего момента, при котором нагретый образец деформируется. После окончания испытания образец визуально осматривают.
5.10.2. Средства испытания
5.10.2.1. Горелки Мекера
Диаметр отверстий горелок должен быть (29 +/- 1) мм, диаметр газового сопла - (0,75 +/- 0,05) мм.
5.10.2.2. Термопара
Изолированный хромель-алюмель (тип K) диаметром 1,5 мм.
5.10.2.3. Устройство для крепления образца
Устройство, расположенное параллельно горизонтальной поверхности и позволяющее закрепить образец с грузом горизонтально.
5.10.2.4. Крепление образца
Образец для испытания устанавливают между горелками. При этом длинная кромка образца должна располагаться горизонтально, короткая - вертикально.
Нижняя продольная кромка образца и нижние точки горелок должны располагаться на одной линии (см. рисунок 15).
1 - горелки; 2 - образец для испытаний;
3 - линия выравнивания
Рисунок 15. Выравнивание образца по отношению к горелкам
Расстояние между осью горелок и границей крепления образца должно быть (100 +/- 1) мм. К образцу плиты номинальной толщиной 12,5 мм подвешивают груз массой (300 +/- 10) г на расстоянии (260 +/- 1) мм от границы крепления. Пространство, в котором находящийся между горелками образец может прогнуться, должно быть не более (10 +/- 1) мм (см. рисунки 16,
17). Для образцов большей номинальной толщиной t массу груза увеличивают пропорционально толщине (до

) и округляют до 50 г.
1 - крепление; 2 - горелка; 3 - груз; 4 - подставка
Рисунок 16. Вид испытательного устройства сбоку
1 - крепление; 2 - термопара; 3 - горелка; 4 - груз
Рисунок 17. Вид испытательного устройства сверху
5.10.2.5. Нагревательное оборудование
Две пропановые горелки Мекера располагают так, чтобы отверстия горелок находились напротив друг друга, а каждое отверстие было удалено от образца на расстояние (25 +/- 1) мм. Оси горелок не должны смещаться относительно прямой линии более чем на 1 мм. Термопары должны располагаться на расстоянии (10 +/- 1) мм от каждой горелки так, чтобы они находились на прямой линии с верхними краями горелок (см. рисунок 17). Обе горелки должны питаться пропаном от общего источника. Между источником газа и распределителем на горелки устанавливают регулятор давления газа с манометром. Каждый газовый шланг необходимо оборудовать регулятором расхода газа (см. рисунок 18). Горелки должны эксплуатироваться при наличии вытяжной вентиляции в помещении.
1 - подача газа; 2 - регулятор давления газа;
3 - манометр; 4 - распределитель; 5 - горелка;
6 - регулятор расхода газа
Рисунок 18. Схема подвода газа
5.10.3. Проведение испытания
Из отобранных плит вырезают шесть образцов длиной (300 +/- 5) мм и шириной (45 +/- 1) мм. При этом продольная кромка образцов должна проходить параллельно продольной кромке плит (из каждой плиты вырезают два образца, см.
5.1). Образец закрепляют в испытательном устройстве так, чтобы поперечная кромка располагалась вертикально. Расстояние между нижним краем груза и подставкой должно быть (10 +/- 1) мм. Незакрепленный конец образца нагружают. Груз устанавливают на расстоянии (260 +/- 1) мм от края крепежного устройства.
Горелки зажигают и регулируют расход газа так, чтобы температура на каждой термопаре составляла (1000 +/- 50) °C.
Испытание прекращают в момент касания грузом подставки или через 15 мин после начала испытания, после чего образец осматривают визуально для определения степени повреждения.
Испытание проводят с каждым из отобранных образцов.
5.10.4. Представление результатов
Если хотя бы один из испытанных образцов сломается на две или более частей, испытание для гипсовой плиты считают неудовлетворительным и партия плит не может быть принята как партия плит типа F.
5.11. Определение плотности
5.11.1. Сущность метода
Плотность вычисляют по измеренным значениям массы и размеров образца гипсовой плиты.
5.11.2. Средства испытания
Металлическая линейка или рулетка, обеспечивающие измерение с точностью до 1 мм.
Микрометр, толщиномер или штангенциркуль, обеспечивающие измерение с точностью до 0,1 мм.
Весы с пределом погрешности взвешивания 0,1 г.
5.11.3. Проведение испытания
Изготовляют шесть образцов в соответствии с
5.7.3.1 и взвешивают с точностью до 0,1 г.
Размеры образцов определяют в соответствии с
5.2 -
5.4.
5.11.4. Представление результатов
Плотность каждого образца вычисляют делением массы образца в килограммах на объем образца в кубических метрах. Плотность вычисляют как среднеарифметическое значение плотности шести образцов, округленное до 10 кг/м3.
5.12. Определение твердости поверхности плит
5.12.1. Сущность метода
Измеряют диаметр отпечатка на образце, образованного от удара стального шарика, падающего с заданной высоты.
5.12.2. Средства испытания
Стальной шарик диаметром 50 мм и массой (510 +/- 10) г.
Неподвижный, ровный и горизонтальный стол с достаточной для приема удара инерционностью (например, стальной стол толщиной столешницы 20 мм).
Копировальная бумага.
Линейка, обеспечивающая измерение с точностью до 0,5 мм.
Крепление для стального шарика.
5.12.3. Проведение испытания
5.12.3.1. Изготовление образцов
Из плиты вырезают образцы размерами 300 x 400 мм. Образцы перед испытанием высушивают до постоянной массы <1> при температуре (40 +/- 2) °C.
--------------------------------
<1> Массу образца считают постоянной, если результаты двух последовательных взвешиваний, проведенных с интервалом 24 ч, отличаются друг от друга менее чем на 0,1%.
5.12.3.2. Испытание
Образец помещают лицевой стороной вверх на неподвижный стол и накрывают копировальной бумагой (см. рисунок 19). Стальной шарик закрепляют между зажимными колодками крепления на расстоянии (500 +/- 5) мм между поверхностью образца и нижней точкой шарика (см. рисунок 19).
1 - неподвижный стол; 2 - испытуемый образец;
3 - лицевая сторона плиты; 4 - копировальная бумага;
5 - стальной шарик; 6 - цветной отпечаток
Рисунок 19. Схема испытания для определения
твердости поверхности
Шарик сбрасывают на образец, освобождая его от крепления, после чего удаляют копировальную бумагу и измеряют диаметр цветного отпечатка на образце с точностью до 1 мм (см. рисунок 19).
Испытание повторяют три раза для каждого образца.
5.12.4. Представление результатов
Для каждого образца рассчитывают среднее значение результатов трех измерений диаметров отпечатков с точностью до 1 мм.
За результат испытания принимают среднеарифметическое значение результатов определения твердости поверхности всех образцов.
5.13. Определение сопротивления срезу (прочности соединения плиты с основанием)
5.13.1. Сущность метода
Два образца испытуемой плиты прикрепляют к двум деревянным брусьям, как показано на рисунке 20.
1 - образы гипсовой плиты; 2 - деревянные брусья
Рисунок 20. Испытуемый образец
для определения сопротивления срезу
Деревянные брусья растягивают с помощью растягивающего устройства и определяют силу, при которой образцы разрушатся.
5.13.2. Средства испытания
Растягивающее устройство, обеспечивающее создание растягивающей силы до 5 кН и погрешность считывания 10 Н.
Металлическая линейка или рулетка, обеспечивающие измерение с точностью 1 мм.
Деревянные брусья плотностью не более 500 кг/м3, прочностью на изгиб не менее 16 Н/мм2 и влажностью не более 14%.
Шурупы диаметром (3,8 +/- 0,2) мм (внешний диаметр, включая резьбу) с конической головкой диаметром (8,0 +/- 0,2) мм, длиной, равной толщине плиты плюс не менее 20 мм.
5.13.3. Проведение испытания
Испытание проводят в помещении лаборатории при температуре (23 +/- 2) °C и относительной влажности воздуха (50 +/- 5)%.
Из каждой плиты в продольном направлении L вырезают четыре образца размерами 600 x 70 мм (12 образцов, см.
рисунок 14). Образцы выдерживают до постоянной массы <1> в помещении при температуре (23 +/- 2) °C и относительной влажности воздуха (50 +/- 5)%.
--------------------------------
<1> Массу образца считают постоянной, если результаты двух последовательных взвешиваний, проведенных с интервалом 24 ч, отличаются друг от друга менее чем на 0,1%.
Для изготовления испытуемого образца шурупами закрепляют на каждой стороне двух деревянных брусьев по одному образцу плиты. Расстояние между осями шурупов и продольными кромками образцов должно быть (15 +/- 1) мм, расстояние между осями шурупов и поперечными кромками образцов - (50 +/- 1) мм (см.
рисунок 20).
При закреплении образцов гипсовой плиты к деревянным брусьям шурупами появление преждевременных трещин на образцах не допускается. Верхняя поверхность головки шурупа должна находиться в одной плоскости с поверхностью образца плиты.
Испытуемый образец устанавливают в растягивающее устройство.
К испытуемому образцу прикладывают нагрузку со скоростью нарастания 10 мм/мин +/- 20% до тех пор, пока не будет достигнута разрушающая нагрузка.
При испытании регистрируют:
- тип и толщину плиты;
- разрушающую нагрузку B, Н.
Испытания повторяют для всех образцов.
5.13.4. Представление результатов
Разрушающую нагрузку b, H, приходящуюся на каждый соединительный шуруп для каждого из шести образцов, вычисляют по формуле

(1)
Сопротивление срезу плиты в ньютонах определяют как среднеарифметическое шести значений разрушающей нагрузки b, рассчитанных по формуле (1).
6.1. Оценка соответствия
6.1.1. Соответствие гипсовых плит требованиям настоящего стандарта подтверждают:
a) проведением первичных испытаний гипсовых плит (ITT);
b) заводским производственным контролем (FPC).
Для испытания гипсовые плиты могут быть разбиты на группы. Все плиты в пределах одной группы должны быть одинаковыми в отношении определяемой характеристики.
Решение по плитам, входящим в одну группу, или по определяемым характеристикам принимает предприятие-изготовитель.
6.2. Испытания
6.2.1. Общие положения
Отбор образцов и испытания проводят в соответствии с разделом 5
(подраздел 5.1).
Результаты всех испытаний заносят в протокол, который предприятие-изготовитель должен хранить не менее 5 лет.
6.2.2. Первичное испытание (ITT)
Первичное испытание проводят при постановке на производство нового типа гипсовых плит (кроме случаев, когда плита относится к ранее испытанной группе) или в начале производства с применением новой технологии (если новая технология может существенно влиять на установленные показатели). Допускается учитывать ранее проведенные испытания в соответствии с настоящим стандартом (та же продукция, те же показатели, методы испытаний, методы отбора проб, та же система оценки соответствия и т.д.).
Плиты подвергают первичным испытаниям по определению всех характеристик, указанных в
разделе 4, за следующим исключением:
- выделение вредных веществ допускается оценивать косвенно посредством контроля их содержания в конкретном материале, применяемом для изготовления плит;
- при применении расчетных значений.
6.2.3. Дополнительные испытания
При изменениях плит или сырьевых материалов, или поставщика компонентов, или технологического процесса (что может существенно изменить один или несколько показателей) повторно проводят испытания по определению соответствующих показателей.
6.3. Заводской производственный контроль (FPC)
6.3.1. Общие положения
Предприятие-изготовитель должен создать, задокументировать и сопровождать систему заводского производственного контроля, которая позволяет ему обеспечивать соответствие поступающих в продажу изделий установленным показателям.
Система заводского производственного контроля должна включать в себя процедуры регулярных поверок оборудования, испытания и/или оценку с соответствующими результатами, позволяющими контролировать сырьевые, а также другие входящие материалы или компоненты, оборудование, технологию производства и готовую продукцию.
Результаты поверок, испытаний или оценок, а также предпринимаемые и выполненные меры должны заноситься в протокол. Меры, проводимые при несоответствии показателей или критериев требованиям настоящего стандарта, должны заноситься в протокол и храниться в течение времени, установленного в процедуре заводского производственного контроля предприятия-изготовителя.
6.3.2. Оборудование
a) Испытание
Все приборы, применяемые для взвешивания и измерений, необходимо калибровать и регулярно поверять в соответствии с задокументированными процедурами и требованиями через установленные интервалы времени.
b) Изготовление
Все используемое в процессе производства оборудование необходимо регулярно проверять и технически обслуживать, чтобы его использование, износ или дефекты не приводили к сбоям производственного процесса. Осмотры и техническое обслуживание должны проводиться в соответствии с задокументированными предприятием-изготовителем процедурами и заноситься в протокол.
Протокол должен храниться в течение времени, установленного в процедуре заводского производственного контроля.
6.3.3. Сырье, материалы и компоненты
Результаты входного контроля сырьевых материалов и компонентов, а также схема контроля по определению их соответствия должны быть задокументированы.
6.3.4. Испытание и оценка продукции
Предприятие-изготовитель должно установить процедуры по обеспечению установленных значений всех характеристик гипсовых плит.
6.3.5. Несоответствующая продукция
Предприятие-изготовитель должно иметь задокументированные процедуры, в которых установлен порядок обращения с продукцией, не соответствующей требованиям настоящего стандарта. Случаи несоответствия продукции по мере их возникновения заносят в протокол, который должен храниться в течение времени, указанного в задокументированных процедурах предприятия-изготовителя.
6.3.6. Другие методы испытаний
Для заводского производственного контроля допускается применять другие методы испытаний при следующих условиях:
a) может быть подтверждена сопоставимость результатов, полученных при испытании применяемыми методами, с результатами испытаний альтернативными методами;
b) может быть проверена воспроизводимость результатов испытаний.
Правила приемки гипсовых плит устанавливает предприятие-изготовитель согласно технологическому регламенту, утвержденному в установленном порядке. Приемку плит проводят партиями. Партия должна состоять из плит одного типа, вида профиля продольных кромок и размеров, изготовленных по одной технологии из одних и тех же материалов. Объем партии устанавливают в количестве не более сменной выработки технологической линии.
7. Условное обозначение гипсовых плит
Условное обозначение гипсовых плит должно включать в себя:
a) указание "гипсовая строительная плита" и ее обозначение "ГСП";
b) буквенное обозначение типа гипсовой плиты по
3.2:
- A,
- D,
- E,
- F,
- H (H1, H2 или H3),
- I,
- P,
- R;
Примечание. Допускается при необходимости комбинировать обозначения гипсовых плит типов D, E, F, H, I и R <1>, обладающих комплексом свойств (например, гипсовая строительная плита влагостойкая, с повышенной стойкостью при воздействии открытого пламени). Не допускается комбинировать обозначения плит типов A и P.
--------------------------------
<1> Буквенные обозначения плит должны быть указаны в алфавитном порядке.
c) обозначение настоящего стандарта;
d) исполнение продольных кромок:
- прямая кромка (ПК),
- кромка со срезанным углом (СК),
- утоненная кромка (УК),
- полукруглая (ПЛК),
- полукруглая утоненная кромка (ПЛУК),
- закругленная кромка (ЗК);
e) размеры в следующей последовательности, мм:
- толщина,
- ширина,
- длина.
Примеры условных обозначений плит:
Гипсовая строительная плита ГСП типа A -
ГОСТ 32614-2012 (EN 520:2009) - УК 9,5-1200-2500
Гипсовая строительная плита ГСП типа FH2 -
ГОСТ 32614-2012 (EN 520:2009) - ПЛУК 12,5-1250-3000
Гипсовая строительная плита ГСП типа DFH2 -
ГОСТ 32614-2012 (EN 520:2009) - ЗК 12,5-1250-3000
Примечание. Соответствие обозначения типов гипсовых плит по настоящему стандарту и гипсокартонных листов по ГОСТ 6266 приведено в дополнительном Приложении ДА.
8. Маркировка, этикетки и упаковка
Маркировка гипсовых плит, соответствующих требованиям настоящего стандарта, должна быть четко нанесена на плиту или на этикетку, или на упаковку, или в сопроводительных документах (например, в упаковочном листе).
Маркировка должна включать в себя:
a) ссылку на настоящий стандарт;
b) наименование, логотип или другое обозначение предприятия-изготовителя;
c) дату изготовления;
d) возможность идентификации гипсовых плит и условное обозначение согласно
разделу 7.
| | ИС МЕГАНОРМ: примечание. Текст в пункте 10.4 дан в соответствии с официальным текстом документа. | |
9. Транспортирование и хранение 9.1. Плиты транспортируют всеми видами транспорта в соответствии с Правилами перевозок грузов, действующими на данном виде транспорта, и требованиями другой документации, утвержденной в установленном порядке. 9.2. Транспортирование плит осуществляют в пакетированном и непакетированном виде. Транспортные пакеты формируют из плит одного типа, вида продольных кромок и размеров с использованием поддонов или подкладок из древесины, гипсовых плит и других материалов. В качестве обвязок применяют стальную ленту по ГОСТ 3560 или синтетическую ленту. Транспортные пакеты могут быть также упакованы в полиэтиленовую пленку по ГОСТ 10354, ГОСТ 25951 и другим нормативным или техническим документам. Число обвязок, их сечение, размеры подкладок и поддонов устанавливают технологическим регламентом предприятия-изготовителя. По согласованию с потребителем допускается транспортировать плиты в непакетированном виде (без обвязки или упаковки в пленку). 9.3. Габариты пакетов не должны превышать по длине 4100 мм, по ширине 1300 мм, по высоте 800 мм; масса пакета должна быть не более 3000 кг. 9.4. При перевозке плит в открытых железнодорожных и автомобильных транспортных средствах пакеты должны быть защищены от увлажнения. 9.5. Плиты должны храниться в крытых сухих помещениях раздельно по типам и размерам. 9.6. Хранение плит у предприятия-изготовителя должно осуществляться в 9.6 соответствии с требованиями 9.5 и технологическим регламентом, утвержденным в установленном порядке, с соблюдением требований безопасности и сохранности плит. 9.7. Транспортные пакеты плит при хранении у потребителя могут быть установлены друг на друга в штабели в соответствии с правилами охраны труда и техники безопасности. При этом общая высота штабеля не должна превышать 3,5 м. 9.8. При погрузочно-разгрузочных, транспортно-складских и других работах удары по плитам не допускаются. |
10. Указания по применению 10.1. При применении плит следует руководствоваться проектной документацией и сводами правил, утвержденными в установленном порядке. 10.2. Перед монтажом конструкций гипсовые плиты должны пройти обязательную акклиматизацию (адаптацию) в помещении. Монтаж плит должен начинаться в период отделочных работ (в зимнее время при подключенном отоплении), когда все "мокрые" процессы закончены и выполнены разводки электротехнических, вентиляционных и сантехнических систем, в условиях сухого и нормального влажностных режимов в соответствии с действующими правилами по тепловой защите зданий. Температура в помещении должна быть не ниже 10 °C. Отделочные работы должны выполняться при положительной температуре окружающей среды и отделываемых поверхностей не ниже 10 °C и влажности воздуха не более 60%. Указанная температура в помещении должна поддерживаться круглосуточно, не менее чем за 2 сут до начала и 12 сут после окончания работ, для работ с обоями - до сдачи объекта в эксплуатацию. Отделочные работы должны выполняться в соответствии с действующими строительными нормами и правилами. |
10.3. Гипсовые плиты типов A, P, D, R, F, I применяют в зданиях и помещениях с сухим и нормальным влажностными режимами в соответствии с действующими правилами по тепловой защите зданий. 10.4. Гипсовые плиты типа H применяют в зданиях и помещениях с сухим, нормальным и влажным влажностными режимами в соответствии с При применении плит типа H в зданиях и помещениях с влажным режимом их следует защищать с лицевой поверхности гидроизоляцией, водостойкими грунтовками, керамической плиткой. 10.5. Гипсовые плиты типа F рекомендуется применять для облицовки конструкций с целью повышения их предела огнестойкости в помещениях с повышенной пожарной опасностью. 10.6. Гипсовые плиты типа E применяют для обшивки элементов наружных стен. действующими правилами по тепловой защите зданий. |
(рекомендуемое)
ПРАВИЛА ОТБОРА ПЛИТ ДЛЯ ИСПЫТАНИЙ
А.1. Количество гипсовых плит, необходимое для установления соответствия требованиям настоящего стандарта, отбирают из поставки.
Объем поставки должен быть согласован между представителями всех сторон, имеющих право присутствовать при отборе образцов.
А.2. Отбор плит методом случайной выборки проводят в случае, когда каждая находящаяся в поставке гипсовая плита может быть отобранной с одинаковой вероятностью <1>.
--------------------------------
<1> Отбор плит методом случайной выборки проводят при поставке плит в неупакованном (непакетированном) виде или при их разделении на отдельные штабели.
Из поставки отбирают три гипсовых плиты каждого типа без учета их качества и внешнего вида.
| | ИС МЕГАНОРМ: примечание. Нумерация пунктов дана в соответствии с официальным текстом документа. | |
А.2. Если отбор плит методом случайной выборки невозможен, например, в случае, когда гипсовые плиты находятся в большом штабеле или в штабеле с доступом к ограниченному количеству плит, то применяют один из методов, указанных в А.2.1, А.2.2.
А.2.1. Отбор плит из штабеля
Поставляемое количество плит делят не менее чем на три условные части одинакового размера. Из каждой части методом случайной выборки отбирают одну гипсовую плиту для получения требуемого по
5.1 количества.
Примечание. Для отбора плит необходимо переместить несколько частей штабеля или штабелей для обеспечения доступа к плитам во время их отбора.
А.2.2. Взятие плит из поставки связанных или упакованных штабелей
Из партии методом случайной выборки отбирают три штабеля. Из каждого отобранного штабеля удаляют упаковку и из каждого открытого пакета методом случайной выборки отбирают одну плиту до получения необходимого количества плит в соответствии с
5.1, не учитывая их качество и внешний вид.
(справочное)
СООТВЕТСТВИЕ УСЛОВНЫХ ОБОЗНАЧЕНИЙ ГИПСОКАРТОННЫХ ЛИСТОВ
ПО
ГОСТ 6266 И ГИПСОВЫХ ПЛИТ ПО НАСТОЯЩЕМУ СТАНДАРТУ
Таблица ДА.1
| Плиты по ГОСТ 32614-2013 (EN 520:2009) |
Наименование листа | Условное обозначение типа | Наименование плиты | Условное обозначение типа |
Гипсокартонный обычный лист | ГКЛ | Гипсовая обычная плита | A |
Гипсокартонный влагостойкий лист | ГКЛВ | Гипсовая влагостойкая плита | H2 |
Гипсокартонный лист с повышенной сопротивляемостью воздействию открытого пламени | ГКЛО | Гипсовая плита заданной плотности с повышенной стойкостью гипсового сердечника при воздействии открытого пламени | DF |
Гипсокартонный влагостойкий лист с повышенной сопротивляемостью воздействию открытого пламени | ГКЛВО | Гипсовая влагостойкая плита заданной плотности с повышенной стойкостью гипсового сердечника при воздействии открытого пламени | DFH2 |