Главная // Актуальные документы // ГОСТ (Государственный стандарт)
СПРАВКА
Источник публикации
М.: Стандартинформ, 2012
Примечание к документу
Текст данного документа приведен с учетом поправки, опубликованной в "ИУС", N 1, 2021.

Документ введен в действие с 01.01.2012.

Взамен ГОСТ 2.703-68.
Название документа
"ГОСТ 2.703-2011. Межгосударственный стандарт. Единая система конструкторской документации. Правила выполнения кинематических схем"
(введен в действие Приказом Росстандарта от 03.08.2011 N 211-ст)

"ГОСТ 2.703-2011. Межгосударственный стандарт. Единая система конструкторской документации. Правила выполнения кинематических схем"
(введен в действие Приказом Росстандарта от 03.08.2011 N 211-ст)


Содержание


Введен в действие
Приказом Федерального
агентства по техническому
регулированию и метрологии
от 3 августа 2011 г. N 211-ст
МЕЖГОСУДАРСТВЕННЫЙ СТАНДАРТ
ЕДИНАЯ СИСТЕМА КОНСТРУКТОРСКОЙ ДОКУМЕНТАЦИИ
ПРАВИЛА ВЫПОЛНЕНИЯ КИНЕМАТИЧЕСКИХ СХЕМ
Unified system of design documentation.
Rules for presentation of kinematic diagrams
ГОСТ 2.703-2011
Группа Т52
МКС 01.100.20;
ОКСТУ 0002
Дата введения
1 января 2012 года
Предисловие
Цели, основные принципы и основной порядок проведения работ по межгосударственной стандартизации установлены ГОСТ 1.0-92 "Межгосударственная система стандартизации. Основные положения" и ГОСТ 1.2-2009 "Межгосударственная система стандартизации. Стандарты межгосударственные, правила и рекомендации по межгосударственной стандартизации. Правила разработки, принятия, применения, обновления и отмены".
Сведения о стандарте
1. Разработан Федеральным государственным унитарным предприятием "Всероссийский научно-исследовательский институт стандартизации и сертификации в машиностроении" (ФГУП "ВНИИНМАШ"), Автономной некоммерческой организацией "Научно-исследовательский центр CALS-технологий "Прикладная логистика" (АНО НИЦ CALS-технологий "Прикладная логистика").
2. Внесен Федеральным агентством по техническому регулированию и метрологии.
3. Принят Межгосударственным советом по стандартизации, метрологии и сертификации (Протокол от 12 мая 2011 г. N 39).
За принятие проголосовали:
┌────────────────────┬─────────────┬──────────────────────────────────────┐
│Краткое наименование│Код страны по│Сокращенное наименование национального│
│ страны по │МК (ИСО 3166)│ органа по стандартизации │
│МК (ИСО 3166) 004-97│ 004-97 │ │
├────────────────────┼─────────────┼──────────────────────────────────────┤
│Азербайджан │ AZ │Азстандарт │
│Армения │ AM │Минэкономики Республики Армения │
│Беларусь │ BY │Госстандарт Республики Беларусь │
│Казахстан │ KZ │Госстандарт Республики Казахстан │
│Кыргызстан │ KG │Кыргызстандарт │
│Молдова │ MD │Молдова-Стандарт │
│Российская Федерация│ RU │Росстандарт │
│Таджикистан │ TJ │Таджикстандарт │
│Туркмения │ TM │Главгосслужба "Туркменстандартлары" │
│Узбекистан │ UZ │Узстандарт │
│Украина │ UA │Госпотребстандарт Украины │
└────────────────────┴─────────────┴──────────────────────────────────────┘
4. Приказом Федерального агентства по техническому регулированию и метрологии от 3 августа 2011 г. N 211-ст межгосударственный стандарт ГОСТ 2.703-2011 введен в действие в качестве национального стандарта Российской Федерации с 1 января 2012 г.
5. Взамен ГОСТ 2.703-68.
Информация о введении в действие (прекращении действия) настоящего стандарта публикуется в указателе "Национальные стандарты".
Информация об изменениях к настоящему стандарту публикуется в указателе "Национальные стандарты", а текст изменений - в информационных указателях "Национальные стандарты". В случае пересмотра или отмены настоящего стандарта соответствующая информация будет опубликована в информационном указателе "Национальные стандарты".
1. Область применения
Настоящий стандарт устанавливает правила выполнения кинематических схем изделий всех отраслей промышленности.
На основе настоящего стандарта допускается, при необходимости, разрабатывать стандарты, устанавливающие выполнение кинематических схем изделий конкретных видов техники с учетом их специфики.
2. Нормативные ссылки
В настоящем стандарте использованы нормативные ссылки на следующие межгосударственные стандарты:
ГОСТ 2.051-2006. Единая система конструкторской документации. Электронные документы. Общие положения
ГОСТ 2.303-68. Единая система конструкторской документации. Линии
ГОСТ 2.701-2008. Единая система конструкторской документации. Схемы. Виды и типы. Общие требования к выполнению.
Примечание. При пользовании настоящим стандартом целесообразно проверить действие ссылочных стандартов в информационной системе общего пользования - на официальном сайте Федерального агентства по техническому регулированию и метрологии в сети Интернет или по ежегодно издаваемому информационному указателю "Национальные стандарты", который опубликован по состоянию на 1 января текущего года, и по соответствующим ежемесячно издаваемым информационным указателям, опубликованным в текущем году. Если ссылочный стандарт заменен (изменен), то при пользовании настоящим стандартом следует руководствоваться заменяющим (измененным) стандартом. Если ссылочный стандарт отменен без замены, то положение, в котором дана ссылка на него, применяется в части, не затрагивающей эту ссылку.
3. Общие положения
3.1. Схема кинематическая - документ, содержащий в виде условных изображений или обозначений механические составные части и их взаимосвязи.
Схемы кинематические выполняют в соответствии с требованиями настоящего стандарта и ГОСТ 2.701.
3.2. Схемы кинематические могут быть выполнены как бумажный и (или) электронный конструкторский документ.
Схемы в форме электронного конструкторского документа рекомендуется выполнять однолистными с обеспечением деления этого листа при печати на необходимые форматы.
Примечание. Если схема кинематическая выполняется как электронный конструкторский документ, следует дополнительно руководствоваться ГОСТ 2.051.
3.3. Сложные схемы для наиболее наглядного представления могут быть выполнены динамическими (с использованием мультимедийных средств).
3.4. Схемы кинематические в зависимости от основного назначения подразделяют на следующие типы:
- принципиальные;
- структурные;
- функциональные.
4. Правила выполнения схем
4.1. Правила выполнения принципиальных схем
4.1.1. На принципиальной схеме изделия должна быть представлена вся совокупность кинематических элементов и их соединений, предназначенных для осуществления, регулирования, управления и контроля заданных движений исполнительных органов; должны быть отражены кинематические связи (механические и немеханические), предусмотренные внутри исполнительных органов, между отдельными парами, цепями и группами, а также связи с источником движения.
4.1.2. Принципиальную схему изделия изображают, как правило, в виде развертки (см. Приложение А).
Допускается принципиальные схемы вписывать в контур изображения изделия, а также изображать в аксонометрических проекциях.
4.1.3. Все элементы на схеме изображают условными графическими обозначениями (УГО) или упрощенно в виде контурных очертаний.
Примечание. Если УГО стандартами не установлено, то разработчик выполняет УГО на полях схемы и дает пояснения.
4.1.4. Механизмы, отдельно собираемые и самостоятельно регулируемые, допускается изображать на принципиальной схеме изделия без внутренних связей.
Схему каждого такого механизма изображают в виде выносного элемента на общей принципиальной схеме изделия, в которое входит механизм, или выполняют отдельным документом, при этом на схеме изделия помещают ссылку на этот документ.
ИС МЕГАНОРМ: примечание.
В официальном тексте документа, видимо, допущена опечатка: раздел 6 отсутствует.
4.1.5. Если в состав изделия входит несколько одинаковых механизмов, допускается выполнять принципиальную схему для одного из них в соответствии с требованиями раздела 6, а другие механизмы - изображать упрощенно.
4.1.6. Взаимное расположение элементов на схеме кинематической должно соответствовать исходному, среднему или рабочему положению исполнительных органов изделия (механизма).
Допускается пояснять надписью положение исполнительных органов, для которых выполнена схема.
Если элемент при работе изделия меняет свое положение, то на схеме допускается показывать его крайние положения тонкими штрихпунктирными линиями.
4.1.7. На схеме кинематической, не нарушая ясности схемы, допускается:
- переносить элементы вверх или вниз от их истинного положения, выносить их за контур изделия, не меняя положения;
- поворачивать элементы в положения, наиболее удобные для изображения.
В этих случаях сопряженные звенья пары, вычерченные раздельно, соединяют штриховой линией.
4.1.8. Если валы или оси при изображении на схеме пересекаются, то линии, изображающие их, в местах пересечения не разрывают.
Если на схеме валы или оси закрыты другими элементами или частями механизма, то их изображают как невидимые.
Допускается валы условно поворачивать так, как это показано на рисунке 1.
Рисунок 1
4.1.9. Соотношение размеров условных графических обозначений взаимодействующих элементов на схеме должно примерно соответствовать действительному соотношению размеров этих элементов в изделии.
4.1.10. На принципиальных схемах изображают в соответствии с ГОСТ 2.303:
- валы, оси, стержни, шатуны, кривошипы и т.д. - сплошными основными линиями толщиной s;
- элементы, показанные упрощенно в виде контурных очертаний, зубчатые колеса, червяки, звездочки, шкивы, кулачки и т.д. - сплошными линиями толщиной s/2;
- контур изделия, в который вписана схема, - сплошными тонкими линиями толщиной s/3;
- линии взаимосвязи между сопряженными звеньями пары, вычерченными раздельно, штриховыми линиями толщиной s/2;
- линии взаимосвязи между элементами или между ними и источником движения через немеханические (энергетические) участки - двойными штриховыми линиями толщиной s/2;
- расчетные взаимосвязи между элементами - тройными штриховыми линиями толщиной s/2.
4.1.11. На принципиальной схеме изделия указывают:
- наименование каждой кинематической группы элементов, учитывая ее основное функциональное назначение (например, привод подачи), которое наносят на полке линии-выноски, проведенной от соответствующей группы;
- основные характеристики и параметры кинематических элементов, определяющие исполнительные движения рабочих органов изделия или его составных частей.
Примерный перечень основных характеристик и параметров кинематических элементов приведен в Приложении Б.
4.1.12. Если принципиальная схема изделия содержит элементы, параметры которых уточняют при регулировании подбором, то на схеме эти параметры указывают на основе расчетных данных и делают надпись: "Параметры подбирают при регулировании".
4.1.13. Если принципиальная схема содержит отсчетные, делительные и другие точные механизмы и пары, то на схеме указывают данные об их кинематической точности: степень точности передачи, значения допустимых относительных перемещений, поворотов, значения допустимых мертвых ходов между основными ведущими и исполнительными элементами и т.д.
4.1.14. На принципиальной схеме допускается указывать:
- предельные значения чисел оборотов валов кинематических цепей;
- справочные и расчетные данные (в виде графиков, диаграмм, таблиц), представляющие последовательность процессов по времени и поясняющие связи между отдельными элементами.
4.1.15. Если принципиальная схема служит для динамического анализа, то на ней указывают необходимые размеры и характеристики элементов, а также наибольшие значения нагрузок основных ведущих элементов.
На такой схеме показывают опоры валов и осей с учетом их функционального назначения.
В остальных случаях опоры валов и осей допускается изображать общими условными графическими обозначениями.
4.1.16. Каждому кинематическому элементу, изображенному на схеме, как правило, присваивают порядковый номер, начиная от источника движения, или буквенно-цифровые позиционные обозначения (см. Приложение В). Валы допускается нумеровать римскими цифрами, остальные элементы нумеруют только арабскими цифрами.
Элементы покупных или заимствованных механизмов (например, редукторов, вариаторов) не нумеруют, а порядковый номер присваивают всему механизму в целом.
Порядковый номер элемента проставляют на полке линии-выноски. Под полкой линии-выноски указывают основные характеристики и параметры кинематического элемента.
Характеристики и параметры кинематических элементов допускается помещать в перечень элементов, оформленный в виде таблицы по ГОСТ 2.701.
4.1.17. Сменные кинематические элементы групп настройки обозначают на схеме строчными буквами латинского алфавита и указывают в таблице характеристики для всего набора сменных элементов. Таким элементам порядковые номера не присваивают.
Допускается таблицу характеристик выполнять на отдельных листах.
4.2. Правила выполнения структурных схем
4.2.1. На структурной схеме изображают все основные функциональные части изделия (элементы, устройства) и основные взаимосвязи между ними.
4.2.2. Структурные схемы изделия представляют либо графическим изображением с применением простых геометрических фигур, либо аналитической записью, допускающей применение электронной вычислительной машины.
4.2.3. На структурной схеме должны быть указаны наименования каждой функциональной части изделия, если для ее обозначения применена простая геометрическая фигура. При этом наименования, как правило, вписывают внутрь этой фигуры.
4.3. Правила выполнения функциональных схем
4.3.1. На функциональной схеме изображают функциональные части изделия, участвующие в процессе, иллюстрируемом схемой, и связи между этими частями.
4.3.2. Функциональные части изображают простыми геометрическими фигурами.
Для передачи более полной информации о функциональной части внутри геометрической фигуры допускается помещать соответствующие обозначения или надпись.
4.3.3. На функциональной схеме должны быть указаны наименования всех изображенных функциональных частей.
4.3.4. Для наиболее наглядного представления процессов, иллюстрируемых функциональной схемой, обозначения функциональных частей следует располагать в последовательности их функциональной связи.
Допускается, если это не нарушает наглядности представления процессов, учитывать действительное расположение функциональных частей.
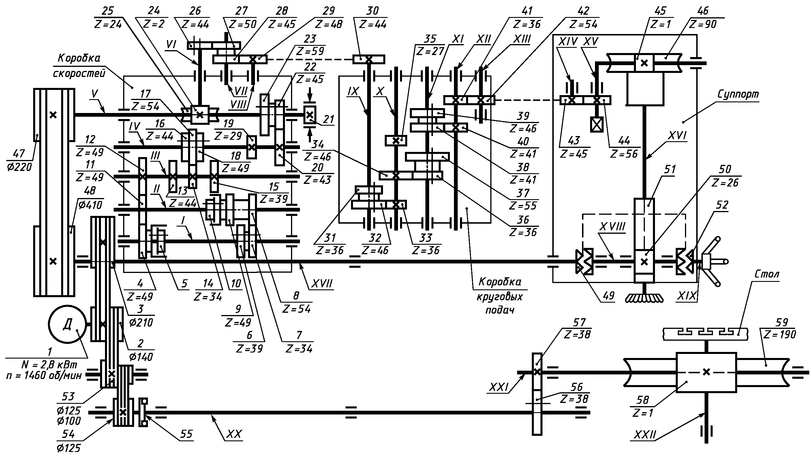
Приложение А
(справочное)
ПРИМЕР ВЫПОЛНЕНИЯ ПРИНЦИПИАЛЬНОЙ КИНЕМАТИЧЕСКОЙ СХЕМЫ
Приложение Б
(справочное)
ПРИМЕРНЫЙ ПЕРЕЧЕНЬ
ОСНОВНЫХ ХАРАКТЕРИСТИК И ПАРАМЕТРОВ КИНЕМАТИЧЕСКИХ ЭЛЕМЕНТОВ
Таблица Б.1
┌───────────────────────────┬─────────────────────────────────────────────┐
│ Наименование │ Данные, указываемые на схеме │
├───────────────────────────┼─────────────────────────────────────────────┤
│ 1. Источник движения │ Наименование, тип, характеристика │
│(двигатель) │ │
├───────────────────────────┼─────────────────────────────────────────────┤
│ 2. Механизм, │ Характеристика основных исполнительных │
│кинематическая группа │движений, диапазон регулирования и т.д. │
│ │ Передаточные отношения основных элементов. │
│ │ Размеры, определяющие пределы перемещений: │
│ │длина перемещения или угол поворота │
│ │исполнительного органа. │
│ │ Направление вращения или перемещения │
│ │элементов, от которых зависят получение │
│ │заданных исполнительных движений и их │
│ │согласованность. │
│ │ Допускается помещать надписи с указанием │
│ │режимов работы изделия или механизма, которым│
│ │соответствуют указанные направления движения.│
│ │ Примечание. Для групп и механизмов, │
│ │показанных на схеме условно, без внутренних │
│ │связей указывают передаточные отношения │
│ │и характеристики основных движений. │
├───────────────────────────┼─────────────────────────────────────────────┤
│ 3. Отсчетное устройство │ Предел измерения или цена деления │
├───────────────────────────┼─────────────────────────────────────────────┤
│ 4. Кинематические звенья: │ │
│ а) шкивы ременной передачи│ Диаметр (для сменных шкивов - отношение │
│ │диаметров ведущих шкивов к диаметрам ведомых │
│ │шкивов) │
│ б) зубчатое колесо │ Число зубьев (для зубчатых секторов - число │
│ │зубьев на полной окружности и фактическое │
│ │число зубьев), модуль, для косозубых колес - │
│ │направление и угол наклона зубьев │
│ в) зубчатая рейка │ Модуль, для косозубых реек - направление │
│ │и угол наклона зубьев │
│ г) червяк │ Осевой модуль, число заходов, тип червяка │
│ │(если он не архимедов), направление витка │
│ │и диаметр червяка │
│ д) ходовой винт │ Ход винтовой линии, число заходов, надпись │
│ │"лев." - для левых резьб │
│ е) звездочка цепной │ Число зубьев, шаг цепи │
│передачи │ │
│ ж) кулачок │ Параметры кривых, определяющих скорость │
│ │и пределы перемещения поводка (толкателя) │
└───────────────────────────┴─────────────────────────────────────────────┘
Приложение В
(рекомендуемое)
БУКВЕННЫЕ КОДЫ НАИБОЛЕЕ РАСПРОСТРАНЕННЫХ ГРУПП ЭЛЕМЕНТОВ
Таблица В.1
┌─────────────┬──────────────────────────────────────┬────────────────────┐
│Буквенный код│ Группа элементов механизмов │ Пример элемента │
├─────────────┼──────────────────────────────────────┼────────────────────┤
│ A │Механизм (общее обозначение) │ │
│ B │Валы │ │
│ C │Элементы кулачковых механизмов │Кулачок, толкатель │
│ E │Разные элементы │ │
│ H │Элементы механизмов с гибкими звеньями│Ремень, цепь │
│ K │Элементы рычажных механизмов │Коромысло, кривошип,│
│ │ │кулиса, шатун │
│ M │Источник движения │Двигатель │
│ P │Элементы мальтийских и храповых │ │
│ │механизмов │ │
│ T │Элементы зубчатых и фрикционных │Зубчатое колесо, │
│ │механизмов │зубчатая рейка, │
│ │ │зубчатый сектор, │
│ │ │червяк │
│ X │Муфты, тормоза │ │
│ Y │ │ │
└─────────────┴──────────────────────────────────────┴────────────────────┘