Главная // Актуальные документы // ГОСТ (Государственный стандарт)СПРАВКА
Источник публикации
М.: ИПК Издательство стандартов, 1999
Примечание к документу
Документ утратил силу с 1 января 2015 года в связи с изданием
Приказа Росстандарта от 22.11.2013 N 2034-ст. Взамен введен в действие
ГОСТ 10650-2013.
С 1 июля 2003 года до вступления в силу технических регламентов акты федеральных органов исполнительной власти в сфере технического регулирования носят рекомендательный характер и подлежат обязательному исполнению только в части, соответствующей целям, указанным в
пункте 1 статьи 46 Федерального закона от 27.12.2002 N 184-ФЗ.
Документ
введен в действие с 1 января 1974 года.
Взамен ГОСТ 10650-65.
Название документа
"ГОСТ 10650-72. Межгосударственный стандарт. Торф. Метод определения степени разложения"
(утв. и введен в действие Постановлением Госстандарта СССР от 16.08.1972 N 1609)
(ред. от 01.06.1988)
"ГОСТ 10650-72. Межгосударственный стандарт. Торф. Метод определения степени разложения"
(утв. и введен в действие Постановлением Госстандарта СССР от 16.08.1972 N 1609)
(ред. от 01.06.1988)
Утвержден и введен в действие
Постановлением Государственного
комитета стандартов
Совета Министров СССР
от 16 августа 1972 г. N 1609
МЕЖГОСУДАРСТВЕННЫЙ СТАНДАРТ
ТОРФ
МЕТОД ОПРЕДЕЛЕНИЯ СТЕПЕНИ РАЗЛОЖЕНИЯ
Peat. Determination of the disintegration degree
ГОСТ 10650-72
| | Список изменяющих документов (в ред. Изменения N 1, утв. в октябре 1983 г., Изменения N 2, утв. в июне 1988 г.) | |
Группа А19
ОКСТУ 0391
Дата введения
1 января 1974 года
1. Разработан и внесен министерством топливной промышленности РСФСР.
Разработчики: Л.Н. Травников, В.М. Петрович, Н.К. Шорох.
2. Утвержден и введен в действие Постановлением Государственного комитета стандартов Совета Министров СССР от 16.08.1972 N 1609.
3. Взамен ГОСТ 10650-65.
4. Ссылочные нормативно-технические документы
────────────────────────────────────────┬──────────────────────────────────
Обозначение НТД, на который дана ссылка│ Номер раздела, пункта
────────────────────────────────────────┼──────────────────────────────────
5. Ограничение срока действия снято по протоколу (N 3-93) Межгосударственного Совета по стандартизации, метрологии и сертификации (ИУС 5-6-93).
6. Переиздание (март 1999 г.) с Изменениями N 1, 2, утвержденными в октябре 1983 г. и июне 1988 г. (ИУС 1-84, 9-88).
Настоящий стандарт распространяется на торф, отобранный из залежи, и устанавливает метод определения степени разложения.
Под степенью разложения торфа понимается процентное содержание в нем бесструктурной массы, включающей наряду с гуминовыми веществами и мелкие частицы негумифицированных остатков.
Стандарт не распространяется на переработанный торф.
Сущность метода заключается в отделении коагулированного гумуса от волокна ситовым анализом в водной среде с формированием объемов осадков центрифугированием и последующим определением степени разложения с помощью графика.
1. АППАРАТУРА, МАТЕРИАЛЫ И РЕАКТИВЫ
Центрифуга электрическая марок ЦЛК-1, ОПН-3 или другой марки, обеспечивающая частоту вращения

.
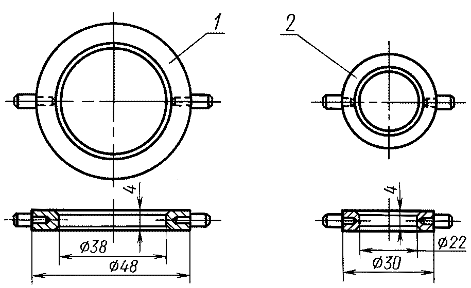
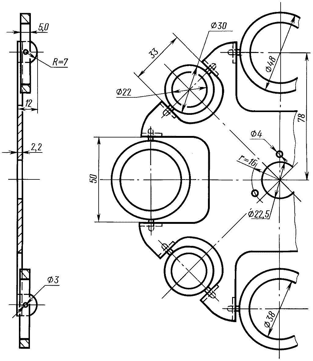
Пробиркодержатель для центрифуги (
черт. 1 и
2).
Реле времени марки РВУ 1У4.
Пробирки центрифужные большие и малые
(черт. 3).
Железо треххлористое 6-водное по
ГОСТ 4147, 10%-ный водный раствор.
Кислота соляная по
ГОСТ 3118, раствор 1 моль/дм3.
Натр едкий технический по
ГОСТ 2263 или натрия гидроокись по
ГОСТ 4328, раствор 1 моль/дм3.
Калия гидрат окиси технический по
ГОСТ 9285, раствор 1 моль/дм3.
Штатив, капельница, кристаллизатор, груша резиновая, ложка чайная.
(Измененная редакция, Изм. N 1, 2).
1 - кольцо для больших пробирок; 2 - кольцо для малых
пробирок
1 - большая пробирка; 2 - малая пробирка; 3 - стакан с ситом
1 - пробоотборник; 2 - поршень
2. ПОДГОТОВКА К ИСПЫТАНИЮ
2.1. Подготовка пробы торфа с массовой долей общей влаги 65% и более
Пробу торфа массой 100 - 200 г, отобранную от испытуемого образца по ГОСТ 17644, расплющивают ровным слоем толщиной 3 - 4 мм и просекают пробоотборником на глубину всего слоя в 10 - 12 точках, равномерно расположенных по площади.
2.2. Подготовка пробы торфа с массовой долей общей влаги менее 65%
Проба торфа с массовой долей общей влаги менее 65% требует предварительной обработки. Часть пробы помещают в фарфоровую чашку (количество торфа берут из расчета, что после набухания торф заполнит чашку на 2/3 - 3/4 ее объема) и заливают раствором щелочи (натра едкого технического, гидроокиси натрия или гидрата окиси калия технического).
Через 24 - 30 ч пробу торфа тщательно перемешивают и, если проба остается комковатой, добавляют еще немного щелочи и продолжают перемешивать до получения однородной массы.
Пробу торфа отбирают из чашки пробоотборником или ложкой и далее проводят испытание.
(Измененная редакция, Изм. N 2).
3.1. Проведение испытания торфа с массовой долей общей влаги 65% и более.
3.1.1. Отобранную в соответствии с
п. 2.1 пробу торфа помещают в малую пробирку, заливают водой (на 1 см ниже края пробирки), перемешивают палочкой, добавляют для коагуляции гумуса 2 - 3 капли 6-водного треххлористого железа и взбалтывают до получения однородной суспензии.
3.1.2. После получения однородной суспензии пробирку с содержимым вставляют в центрифугу и в течение 2 мин вращают с частотой

. После полной остановки центрифуги пробирку вынимают и замеряют объем образовавшегося осадка по шкале пробирки. Если поверхность осадка негоризонтальная, отсчет ведут по средней линии между верхней и нижней точками поверхности. Граница осадка должна быть четкой, жидкость над ним не должна иметь взвеси.
Объем осадка порции в малой пробирке после центрифугирования должен быть 0,7 - 1,5 см3, что приблизительно соответствует навеске 0,3 - 0,5 г. Для торфа высокой степени разложения этот объем должен быть 0,7 - 1,0 см3.
(Измененная редакция, Изм. N 1, 2).
3.1.3. Содержимое малой пробирки взбалтывают и переносят в стакан с ситом, который держат над большой пробиркой. Частицы торфа со стенок малой пробирки смывают 3 - 4 см3 воды.
3.1.4. Большую пробирку вместе со стаканом вставляют в центрифугу и в течение 2 мин вращают с частотой

.
После полной остановки центрифуги пробирку вынимают и по шкале пробирки измеряют объем осадка подситовой фракции.
(Измененная редакция, Изм. N 1).
3.2. Проведение испытания торфа с массовой долей общей влаги менее 65%
3.2.1. Отобранную в соответствии с
п. 2.2 пробу торфа помещают в малую пробирку, заливают до половины пробирки раствором соляной кислоты, перемешивают палочкой, тщательно взбалтывают и дают постоять 3 - 5 мин до прекращения реакции нейтрализации.
3.2.2. После этого пробирку доливают водой (на 1 см ниже края), добавляют пять капель 6-водного треххлористого железа и еще раз взбалтывают.
Примечание. Во избежание излишней коррозии сит от кислоты, они должны находиться во время проведения испытания в чашечке с водой, а перед выполнением требований
п. 3.1.3 кислый раствор над осадком в малой пробирке осторожно сливают, не взмучивая осадка, заполняют пробирку водой и добавляют 1 - 2 капли 6-водного треххлористого железа.
4.1. Степень разложения торфа определяют по графику, указанному в
Приложении 1 (вкладка), при этом на оси абсцисс откладывают объем осадка в малой пробирке, а на ординат - объем осадка в большой пробирке.
По прямой графика, расположенной ближе к точке пересечения двух линий, по правой шкале находят значение степени разложения торфа. Результаты испытания записывают в журнал по форме, указанной в
Приложении 2.
4.2. Для торфа с зольностью 15% и более в полученные значения степени разложения вносят поправки путем их уменьшения в соответствии с табл. 1.
Таблица 1
──────────────────────────────────┬────────────────────────────────────────
Зольность торфа, % │ Поправка к степени разложения торфа, %
──────────────────────────────────┼────────────────────────────────────────
До 15 │ -
Св. 15 до 25 │ 2
" 25 " 35 │ 3
" 35 " 45 │ 4
" 45 " 55 │ 5
4.1; 4.2. (Измененная редакция, Изм. N 1).
4.3. При определении степени разложения торфа проводят четыре параллельных определения из одной и той же пробы торфа.
4.4. Погрешность определения степени разложения торфа указана в табл. 2.
Таблица 2
──────────────────────┬────────────────────────────────────────────────────
Массовая доля общей │ Погрешность определения, %, при степени разложения
влаги, % │ торфа
├─────────────────┬────────────────┬─────────────────
│ До 30% включ. │ Св. 30 до 50% │ Св. 50%
│ │ включ. │
──────────────────────┼─────────────────┼────────────────┼─────────────────
65 и более │ +/- 2 │ +/- 3 │ +/- 5
Менее 65 │ +/- 3 │ +/- 5 │ +/- 5
4.5. Расхождения между максимальными и минимальными значениями степени разложения торфа четырех параллельных определений приведены в табл. 3.
Таблица 3
──────────────────────┬────────────────────────────────────────────────────
Массовая доля общей │ Допускаемые расхождения, %, при степени разложения
влаги, % │ торфа
├────────────────┬──────────────────┬────────────────
│ До 30% включ. │ Св. 30 до 50% │ Св. 50%
│ │ включ. │
──────────────────────┼────────────────┼──────────────────┼────────────────
65 и более │ 6 │ 9 │ 15
Менее 65 │ 9 │ 15 │ 15
4.4; 4.5. (Измененная редакция, Изм. N 1).
ГРАФИК ОПРЕДЕЛЕНИЯ СТЕПЕНИ РАЗЛОЖЕНИЯ ТОРФА
Рекомендуемое
ФОРМА ЖУРНАЛА ДЛЯ ЗАПИСИ РЕЗУЛЬТАТОВ ИСПЫТАНИЯ
──────────────────┬────────────────────────────┬───────────────────────────
Номера пробирок │ Объем осадка, см3 │Степень разложения торфа, %
├─────────────┬──────────────┼───────────────────────────
│ в малой │ в большой │
│ пробирке │ пробирке │
──────────────────┼─────────────┼──────────────┼───────────────────────────
│ │ │
(Измененная редакция, Изм. N 1).