Главная // Актуальные документы // ГОСТ (Государственный стандарт)СПРАВКА
Источник публикации
М.: Стандартинформ, 2014
Примечание к документу
Документ утратил силу с 01.01.2022 в связи с изданием
Приказа Росстандарта от 25.05.2021 N 450-ст. Взамен введен в действие
ГОСТ ISO 4254-9-2021.
Отдельные положения данного документа включены в
Перечень международных и региональных (межгосударственных) стандартов, а в случае их отсутствия - национальных (государственных) стандартов, в результате применения которых на добровольной основе обеспечивается соблюдение требований технического
регламента Таможенного союза "О безопасности машин и оборудования" (ТР ТС 010/2011), и
Перечень международных и региональных (межгосударственных) стандартов, а в случае их отсутствия - национальных (государственных) стандартов, содержащих правила и методы исследований (испытаний) и измерений, в том числе правила отбора образцов, необходимые для применения и исполнения требований технического
регламента Таможенного союза "О безопасности машин и оборудования" (ТР ТС 010/2011) и осуществления оценки соответствия объектов технического регулирования (
Решение Коллегии Евразийской экономической комиссии от 09.03.2021 N 28).
Отдельные положения данного документа включены в
Перечень актов и их отдельных частей (положений), содержащих обязательные требования, соблюдение которых оценивается при проведении мероприятий по контролю в рамках осуществления государственного контроля (надзора) за соблюдением обязательных требований национальных стандартов и технических регламентов (
Приказ Росстандарта от 30.05.2019 N 1199).
Отдельные положения данного документа включены в
Перечень правовых актов и их отдельных частей (положений), содержащих обязательные требования, соблюдение которых оценивается при проведении мероприятий по контролю в рамках осуществления государственного контроля (надзора) за соблюдением обязательных требований национальных стандартов и технических регламентов (
Приказ Росстандарта от 28.12.2016 N 2024).
Отдельные положения данного документа были включены в
Перечень стандартов, содержащих правила и методы исследований (испытаний) и измерений, в том числе правила отбора образцов, необходимые для применения и исполнения требований технического
регламента Таможенного союза "О безопасности машин и оборудования" (ТР ТС 010/2011) и осуществления оценки (подтверждения) соответствия продукции, и
Перечень стандартов, в результате применения которых на добровольной основе обеспечивается соблюдение требований технического
регламента Таможенного союза "О безопасности машин и оборудования" (ТР ТС 010/2011) (
Решение Комиссии Таможенного союза от 18.10.2011 N 823).
Документ
введен в действие с 01.07.2014.
Название документа
"ГОСТ ISO 4254-9-2012. Межгосударственный стандарт. Машины сельскохозяйственные. Требования безопасности. Часть 9. Сеялки"
(введен в действие Приказом Росстандарта от 06.09.2013 N 953-ст)
"ГОСТ ISO 4254-9-2012. Межгосударственный стандарт. Машины сельскохозяйственные. Требования безопасности. Часть 9. Сеялки"
(введен в действие Приказом Росстандарта от 06.09.2013 N 953-ст)
по техническому регулированию
и метрологии
от 6 сентября 2013 г. N 953-ст
МЕЖГОСУДАРСТВЕННЫЙ СТАНДАРТ
МАШИНЫ СЕЛЬСКОХОЗЯЙСТВЕННЫЕ
ТРЕБОВАНИЯ БЕЗОПАСНОСТИ
ЧАСТЬ 9
СЕЯЛКИ
Agricultural machinery. Safety.
Part 9: Seed drills
(ISO 4254-9:2008, IDT)
ГОСТ ISO 4254-9-2012
Дата введения
1 июля 2014 года
Цели, основные принципы и основной порядок проведения работ по межгосударственной стандартизации установлены
ГОСТ 1.0-92 "Межгосударственная система стандартизации. Основные положения" и
ГОСТ 1.2-2009 "Межгосударственная система стандартизации. Стандарты межгосударственные, правила и рекомендации по межгосударственной стандартизации. Правила разработки, принятия, применения, обновления и отмены".
1 ПОДГОТОВЛЕН Российской ассоциацией производителей сельхозтехники (Ассоциация "Росагромаш")
2 ВНЕСЕН Федеральным агентством по техническому регулированию и метрологии (Росстандарт)
3 ПРИНЯТ Межгосударственным советом по стандартизации, метрологии и сертификации (протокол N 54-П от 03 декабря 2012 г)
За принятие стандарта проголосовали:
Краткое наименование страны по МК (ИСО 3166) 004-97 | Код страны по МК (ИСО 3166) 004-97 | Сокращенное наименование национального органа по стандартизации |
Армения | AM | Минторгэкономразвития |
Беларусь | BY | Госстандарт Республики Беларусь |
Казахстан | KZ | Госстандарт Республики Казахстан |
Киргизия | KG | Кыргызстандарт |
Молдова | MD | Молдова-Стандарт |
Россия | RU | Росстандарт |
Узбекистан | UZ | Узстандарт |
4 Настоящий стандарт идентичен международному стандарту ISO 4254-9:2008 Agricultural machinery - Safety - Part 9: Seed drills (Сельскохозяйственные машины. Требования безопасности. Часть 9. Сеялки).
Международный стандарт разработан Техническим комитетом ISO/TC 23 "Тракторы и машины для сельского и лесного хозяйства" Международной организации по стандартизации (ISO).
Перевод с английского языка (en).
Официальные экземпляры международного стандарта, на основе которого подготовлен настоящий межгосударственный стандарт, и международных стандартов, на которые даны ссылки, имеются в Росстандарте.
В
разделе "Нормативные ссылки" и в тексте стандарта ссылки на международные стандарты актуализированы.
Сведения о соответствии межгосударственных стандартов ссылочным международным стандартам приведены в дополнительном
приложении Д.А.
Степень соответствия - идентичный (IDT)
5
Приказом Федерального агентства по техническому регулированию и метрологии от 06 сентября 2013 г N 953-ст межгосударственный стандарт ГОСТ ISO 4254-9-2012 введен в действие в качестве национального стандарта Российской Федерации с 01 июля 2014 г.
6 ВВЕДЕН ВПЕРВЫЕ
Информация об изменениях к настоящему стандарту публикуется в ежегодном информационном указателе "Национальные стандарты", а текст изменений и поправок - в ежемесячном информационном указателе "Национальные стандарты". В случае пересмотра (замены) или отмены настоящего стандарта соответствующее уведомление будет опубликовано в ежемесячном информационном указателе "Национальные стандарты". Соответствующая информация, уведомление и тексты размещаются также в информационной системе общего пользования - на официальном сайте Федерального агентства по техническому регулированию и метрологии в сети Интернет
Настоящий стандарт устанавливает требования безопасности к конструкции и производству навесных, полунавесных, прицепных и самоходных сеялок, включая процесс посева для комбинированных зернотуковых сеялок, используемых в сельском хозяйстве и садоводстве, а также к методам контроля (оценки) указанных требований. Кроме того, в нем отражены требования эксплуатационной безопасности (включая остаточные риски), которые должны предоставляться производителями машин.
В настоящем стандарте описаны все существенные опасные явления, опасные ситуации и события (см.
приложение A), характерные для сеялок, применяемых по назначению и в соответствии с условиями, определенными производителем, за исключением опасностей, происходящих от:
- внешнего воздействия на электрическое оборудование;
- неисправности источников энергии;
- неисправности или сбоев системы управления;
- поломки вращающихся на высокой скорости деталей;
- неисправности оборудования для загрузки семян (или удобрений).
Настоящий стандарт не применяется к сеялкам со встроенным и несъемным приводным культиваторным оборудованием (см.
3.2).
Действие настоящего стандарта не распространяется на экологические опасности, опасности, возникающие в результате электромагнитной совместимости, а также на опасности, связанные с техническим обслуживанием и ремонтом, выполняемым профессиональным персоналом.
Настоящий стандарт не распространяется на сеялки, которые были произведены до даты его введения.
Настоящий стандарт применяется совместно с ISO 4254-1.
Если требования настоящего стандарта отличаются от требований стандарта ISO 4254-1, его требования являются приоритетными относительно требований ISO 4254-1.
Специальные требования, связанные с правилами дорожного движения, в настоящем стандарте не рассматриваются.
Для применения настоящего стандарта необходимы следующие ссылочные документы.
Для датированных ссылок применяют только указанное издание ссылочного документа.
ISO 4254-1:2008 Agricultural machinery. Safety. Part 1. General requirements (Сельскохозяйственные машины. Требования безопасности. Часть 1. Общие требования)
ISO/TR 11688-1:1995 Acoustics. Recommended practice for the design of low-noise machinery and equipment. Part 1. Planning (Акустика. Рекомендации по конструированию машин и оборудования с низким уровнем шума. Часть 1: Планирование)
ISO 12100-1:2003 Safety of machinery. Basic concepts, general principles for design. Part 2: Technical principles (Безопасность при работе с машинами. Основные понятия, общие принципы конструирования. Часть 2. Технические аспекты)
ISO 13852:1996 Safety of machinery - Safety distances to prevent danger zones being reached by the upper limbs (Безопасность машин. Установление безопасных расстояний, препятствующих касанию руками опасных зон)
В настоящем стандарте применены термины по ISO 12100-1, ISO 4254-1, а также следующие термины с соответствующими определениями:
3.1 сеялка (seed drill): Машина для непрерывного высева семян.
Примечание: Злаковые являются примером высева семян.
3.2
сеялка со встроенным и несъемным почвообрабатывающим оборудованием с силовым приводом (сеялка-культиватор) (seed drill with integrated and inseparable powered soil-working tools): Сеялка, как единая машина, выполняющая функцию высева семян и почвообработки; при этом ни посевное, ни почвообрабатывающее оборудование не может быть использовано отдельно.
3.3 сеялка точного высева (single seed drill): Машина для укладки в почву по одному зерну с определенным (равным) расстоянием между зернами
Примечание 1: Сахарная свекла - пример высеваемой таким образом культуры.
Примечание 2: Примеры типов подобных машин даны в
Приложении B.
3.4 комбинированная зернотуковая сеялка (combined seed and fertilizer drill): Машина, применяемая для одновременного высева зерна и внесения минеральных удобрений.
4 Требования и меры обеспечения безопасности
4.1 Общие требования
Машинное оборудование должно соответствовать требованиям и мерам по обеспечению безопасности, указанным в данном разделе. Оборудование должно соответствовать требованиям, изложенным в ISO 4254-1, если в настоящем стандарте эти же требования не определены иным образом.
Контроль требований и мер по обеспечению безопасности следует осуществлять согласно
разделу 5.
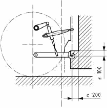
4.2.1. Ручное управление регулировками сеялок, навешиваемых на заднюю часть почвообрабатывающих машин с силовым приводом, должно отвечать следующим требованиям:
a) возможность выполнения регулирования при остановке машины;
b) ручное управление должно быть расположено так, чтобы оператору не надо было находиться впереди машины при его использовании. Это требование удовлетворяется, если оператор имеет доступ к ручному управлению стоя на земле за пределами заштрихованной области (см.
рисунок 1). См. также
перечисление a) 6.1;
Размеры в миллиметрах
1 - габариты сеялки; 2 - зона, в которой не должно
находиться ручное управление регулированием; 3 - направление
движения; 4 - нижние точки присоединения машины
(если предусмотрены).
Рисунок 1 - Зона недопустимого расположения ручного
управления регулировками (для машин с задней навеской
и силовым приводом)
4.2.2. В других случаях ручное управление регулированием машины должно отвечать следующим требованиям:
a) возможность регулирования при остановке машины;
b) в случаях, когда прямому доступу к панели управления на фронтальной стороне машины мешает рабочее место (трактор), оператор должен иметь доступ к ручному управлению с земли или со специальной ступеньки, предусмотренной для регулирования, обслуживания или загрузки машины, изменения режима работы и техобслуживания; ступенька должна быть расположена за пределами заштрихованной области, указанной на
рисунке 2. См. также
перечисление a) 6.1.
Размеры в миллиметрах
a)
b)
1 - габариты машины; 2 - нижние точки присоединения машины;
3 - зона, в которой не должно находиться ручное управление
регулировками машины
Рисунок 2 - Зона недопустимого расположения ручного
управления (для других машин)
4.3 Поворачивающиеся и складывающиеся части машины
4.3.1. Если машинное оборудование превышает 4 м в высоту в рабочем или транспортном положении, а также при подъеме или опускании складывающихся частей в транспортное положение, необходимо предусмотреть предупредительный знак, информирующий об опасности контакта с воздушными линиями электропередач.
Информация, предупреждающая об опасности контакта с воздушными линиями электропередач, должна быть включена в руководство по эксплуатации.
4.3.2. Если вращающиеся и складывающиеся части имеют силовой привод, управление следует осуществлять путем удержания кнопки для продолжения работы механизма ("удерживать для выполнения" - "hold-to-run"); управление должно быть расположено вне зон поворота или складывания.
4.3.3. Части, сложенные или повернутые для уменьшения габаритов машины при транспортировании, должны иметь устройство, позволяющее фиксировать их в транспортном положении. Это устройство может быть механическим, гидравлическим, с использованием силы притяжения или другого типа.
4.3.3.1. Устройство должно соответствовать требованиям ISO 4254-1:2008 (подраздел 4.8). См. также
перечисление l) 6.1.
4.3.3.2. Давление в трубках между клапаном и цилиндром должно быть не менее, чем в четыре раза больше рабочего давления системы.
4.3.3.3. Если устройство является механическим, оно должно быть достаточно прочным, чтобы противостоять силам, воздействующим на него во время движения со стороны сложенных и повернутых деталей при приведении в действие механизма складывания/поворота.
4.3.3.4. Устройство разблокирования и устройство раскладывания/поворота должны управляться разными действиями оператора.
4.4 Бункер высевающего аппарата
4.4.1. Бункер высевающего аппарата должен быть оснащен крышкой. Если масса крышки более 10 кг, должны быть предусмотрены устройство удержания крышки на бункере и ручки для подъема крышки. При соответствующей конструкции ручки могут быть встроены в крышку, при этом они должны быть четко видимыми (по форме или цвету). Необходимо избегать опасности защемления или отрезания, если крышка случайно закроется (например, из-за сильного ветра).
4.4.2. Для бункеров высевающих аппаратов, имеющих ворошилки или питающие шнеки:
a) должны удовлетворяться требования по безопасному расстоянию, указанному в таблицах 1, 3, 4, 6 в ISO 13582:1996. Это не касается случаев, когда ворошилка или шнек работают только при движении машины, или если ворошилка или шнек должны быть приведены в действие, когда машина стоит на месте, для проведения диагностических процедур, описанных и разъясненных в руководстве по эксплуатации;
b) бункеры высевающих аппаратов должны конструироваться с учетом автоматического опорожнения. В противном случае необходимо предусмотреть соответствующие инструменты (например, ручные грабли). На машине должно быть предусмотрено место для хранения подобных инструментов.
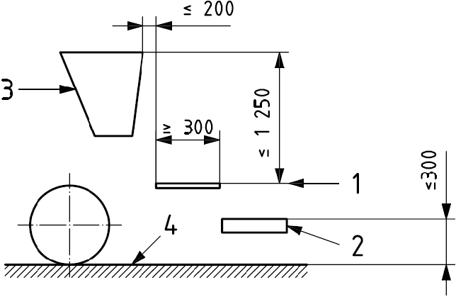
4.5.1. Доступ к зоне загрузки
4.5.1.1. Если бункеры высевающих аппаратов предназначены для ручной загрузки или загрузки из мешков, вертикальное расстояние между верхней частью бункера в зоне загрузки и поверхностью почвы или специальной площадки не должно превышать 1250 мм (см.
рисунок 3), когда сеялка находится в положении загрузки согласно руководству по эксплуатации. См. также
перечисление d) и
o) 6.1.
Размеры в миллиметрах
1 - платформа; 2 - подножка; 3 - бункер высеивающего
аппарата; 4 - поверхность почвы.
Рисунок 3 - Зона загрузки
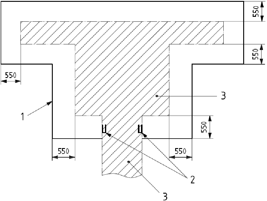
4.5.1.2. Если предусмотрена платформа для загрузки и/или разравнивания зерна в бункере, то платформа должна быть расположена вдоль всей конструкции сеялки. В ином случае платформа может состоять из нескольких частей. Если платформа уже, чем бункер, край платформы должен быть ясно обозначен. Знаки, обозначающие край платформы, не должны препятствовать доступу к ней.
4.5.1.3. В дополнение к вышеуказанному платформа должна отвечать следующим требованиям:
- минимальная ширина платформы должна составлять 450 мм, минимальная глубина от задней части до передней должна составлять 300 мм и минимальная площадь должна быть 0,18 м
2, за исключением сеялок точного высева с центральным расположением бункера. Для этих машин минимальная ширина платформы должна составлять 240 мм и минимальная глубина - 600 мм [см.
рисунки 4 a),
4 b) и
4 c)]. У сеялок точного высева с центральным бункером
[рисунок 4 c)] должна быть как минимум одна центральная платформа при ширине бункера до 1500 мм и как минимум две платформы при ширине бункера более 1500 мм;
- расстояние между краем бункера или поднятой крышки и вертикальной плоскостью через край платформы не должно превышать 200 мм. Должны быть предусмотрены ручки, поручни или заградительные барьеры, чтобы снизить вероятность падения при загрузке и обслуживании бункера, если подобные средства не предусмотрены для других частей оборудования. Этому требованию отвечают:
- поручни, расположенные между бункером и платформой,
- заградительный барьер, предусмотренный в задней части платформы. В этом случае барьер должен состоять из верхней, средней и нижней перекладин и установлен согласно размерам, указанным в ISO 4254-1, подпункт 4.5.2.2.
Размеры в миллиметрах
a) Сеялки с бункером высевающего аппарата для загрузки
и разравнивания по всей ширине
b) Сеялки с бункером высеивающего аппарата
для центральной загрузки
c) Сеялки точного высева с центральным бункером
высевающего аппарата
1 - бункер высеивающего аппарата; 2 - платформа; 3 - область
действия ворошилки или шнека; 4 - контур отверстия бункера;
5 - ширина бункера; 6 - платформа; 7 - высеивающий аппарат.
Примечание - Для сеялок точного высева с центральным расположением бункера минимальное число платформ определяется шириной бункера. См.
4.5.1.3.
Рисунок 4 - Размеры платформ
4.5.2 Доступ к зоне ручной загрузки
Подходы к зоне загрузки должны быть легкодоступными и исключающими подъем оператора на машину или пересечение отдельных узлов машины.
Пути доступа должны отвечать требованиям ISO 4254-1:2008 (4.5.1 или 4.6).
4.5.3 Пути доступа к зоне механической загрузки
Пути доступа к зоне должны отвечать требованиям ISO 4254-1:2008 (подраздел 4.6).
4.6 Сеялки точного высева
В дополнение к требованиям, изложенным в
4.4.2, нижеследующее требование относится к сеялкам точного высева с кабиной оператора.
Любая часть привода (вал, шестерни и приводные ремни), расположенная на расстоянии менее 850 мм от кабины оператора, должна предусматривать защиту от угрозы затягивания и защемления.
Если сеялка оборудована вентилятором, он должен быть расположен и защищен таким образом, чтобы не всасывать и не выбрасывать инородные предметы, которые могут причинить травму оператору.
Зона затягивания вентилятором должна быть закрыта закрепленным кожухом.
4.8 Система контроля калибровки зерна
Если сеялка оборудована системой контроля калибровки зерна, оператор должен иметь возможность использовать ее без необходимости нахождения под машиной при калибровке, в процессе высева зерна или при работе машины.
Если используют навесные сеялки, следует удостовериться, что между сеялкой и трактором (или сеялкой и культиватором) есть достаточный просвет для соединения приводных элементов (например, трансмиссии) и поворотных элементов (например, гидравлического или электрического дистанционного управления). Это достигается путем:
- увеличения просвета согласно
рисунку 5, как минимум с одной стороны, чтобы можно было соединить приводные и поворотные элементы после сцепления сеялки и трактора, или
- оборудования такими приводными и поворотными элементами, соединение которых было бы возможным до сцепления сеялки и трактора на сравнительно большом расстоянии (согласно
рисунку 5).
Размеры в миллиметрах
a) Вид сбоку
b) Общий вид
c) Вид сверху
Рисунок 5 - Допустимый просвет
4.10.1 Уменьшение уровня шума на стадии конструирования
Машина должна быть сконструирована таким образом, чтобы производить как можно меньше шума. Основными источниками шума являются:
- вентилятор;
- высевающий аппарат;
- вибрирующие поверхности.
Машины следует конструировать и изготавливать, принимая во внимание имеющуюся информацию о технических мерах по снижению уровня шума на этапе конструирования, как изложено в ISO/TO 11688-1.
Примечание - ISO/TR 11688-2 содержит полезную информацию о механизмах, производящих шум.
4.10.2 Информация о путях снижения уровня шума
Если производитель принял все технические меры по снижению уровня шума на этапе конструирования, но считает, что необходима дополнительная защита оператора от шума, в руководстве по эксплуатации должна быть приведена соответствующая информация.
4.10.3 Уровни шумового излучения
Если необходимо указать уровни шумового излучения, это должно быть сделано в соответствии с ISO 4254-1:2008 (приложение B).
5 Контроль требований и мер обеспечения безопасности
Таблица 1
Методы контроля требований и мер обеспечения безопасности
Номер раздела, пункта, подпункта настоящего стандарта | Методы контроля |
Осмотр | Измерение | Процедура |
| X | X | - |
| - | X | Высоту 4 м измеряют при расположении машины на горизонтальной ровной поверхности |
| X | - | - |
| X | - | - |
| X | X | - |
| - | X | - |
| X | - | - |
| X | X | - |
| X | - | - |
| X | - | - |
| X | X | - |
6 Информация для пользователя
6.1 Руководство по эксплуатации
Руководство по эксплуатации должно соответствовать требованиям ISO 4254-1:2008 (подпункт 8.1.3) и включать информацию (если она является существенной):
a) об опасностях, связанных с комбинированием и присоединением оборудования, особенно в отношении культиваторов (см.
4.2);
b) об опасностях, связанных с движущимися частями бункера высевающего аппарата (см.
4.4);
c) о том, что никто не должен находиться рядом с движущейся машиной (в особенности выделяются опасности, связанные с контактом с маркерами) (см.
4.2);
d) о безопасных способах внесения изменений в работу калибровки и загрузки (см.
4.5.1,
4.8);
e) о том, что оператор не должен носить свободную (неприлегающую) одежду, которая может быть затянута движущимися частями (см.
4.3.2);
f) об использовании средств индивидуальной защиты при необходимости (см.
4.8);
g) об опасностях в процессе удаления и переустановки высевающего аппарата, а также несоблюдения инструкции по обращению с ним (см.
4.6);
h) о необходимости использования приводного вала отбора мощности с ограждениями в нормальном эксплуатационном состоянии (см.
4.6);
i) об условиях эксплуатации, исключающих забивания (например, не использовать влажное зерно) (см.
4.4);
j) об опасностях, связанных с удалением забиваний (например, забиваний сошников при очень низком положении машины), и о необходимых действиях (см.
4.4);
k) об опасностях непреднамеренного контакта с воздушными линиями электропередач при проведении работ, например, из-за неровностей почвы или в результате использования складывающихся и поворачивающихся частей (см.
4.3.1);
l) о необходимости проверки того факта, что поворачивающиеся и складывающиеся части не падают бесконтрольно при их разблокировании (см.
4.6);
m) о том, какие высевающие аппараты должны быть присоединены к сеялке, какие из них возможно заменять (см.
4.6);
n) об инструкциях, касающихся автоматической и полуавтоматической сцепки, если они есть в наличии (см.
4.9);
o) о необходимости следовать указаниям по обращению с тяжелым грузом или необходимости следовать правильному порядку подъема и использования мешков (см.
4.5);
p) о том, что никто не должен подниматься на машину во время работы;
q) о том, что груз может повлиять на маневренность трактора, и если частичная разгрузка (освобождение от семян) влияет на равновесие машины, необходимо принять соответствующие меры предосторожности (см.
приложение C, в котором даны рекомендации по расчету балансировки сцепки трактор-сеялка).
6.2 Предупреждающие и предписывающие знаки
Предупреждающие и предписывающие знаки должны соответствовать требованиям, изложенным в ISO 4254-1:2008 (раздел 8.2). В частности, должны быть представлены знаки, предупреждающие об:
- опасностях, связанных с присоединением, навешиванием и вождением машины,
- опасностях, связанных с движущимися деталями;
- опасностях, связанных с вращающимися шнеками и ворошилками внутри бункера высевающего аппарата;
- опасности, связанной с контактом с воздушными линиями электропередач для машин высотой более 4 м в любом состоянии.
(справочное)
Перечень существенных опасностей
| Опасность | Опасная ситуация или событие | Номер пункта/подпункта ISO 4254-1:2008 | Номер пункта/подпункта настоящего стандарта |
A.1 | Механические опасности | | | |
A.1.1 | Опасность раздавливания | Поворачивающиеся и складывающиеся части | 4.5.1.2, 4.14, 5.1.4 | |
Крышка бункера высевающего аппарата | |
Система калибровки | |
Сцепка | |
A.1.2 | Опасность разрезания | Поворачивающиеся и складывающиеся части | 4.8, 5.1.4 | |
Крышка бункера высевающего аппарата | |
A.1.3 | Опасность разрубания | Поворачивающиеся и складывающиеся части | 4.1, 4.5.1.2, 4.14 | |
Крышка бункера высевающего аппарата | |
A.1.4 | Опасность запутывания | Крышка бункера высевающего аппарата | 4.1, 4.14 | |
Вентилятор | |
A.1.5 | Опасность затягивания | Вентилятор | - | |
A.1.6 | Опасность удара | Крышка бункера высевающего аппарата | 4.1, 4.8, 4.14 | |
Сцепка | |
A.1.9 | Опасность выброса жидкости под высоким давлением | Прорыв трубок и шлангов под давлением | 4.10 | - |
A.2 | Электрические опасности | | | |
A.2.2 | Контакт с деталями, которые попали под напряжение (прямой и косвенный контакт) | Надземные ЛЭП | - | |
A.4 | Опасности от шума | | | |
A.4.1 | Потеря слуха (глухота), другие физиологические расстройства (потеря равновесия, ориентации) | Шум | 4.2, приложение B | |
A.5. | Опасности, вызываемые воздействием материалов и веществ | | | |
A.5.1 | Опасности, связанные с контактом или вдыханием вредных жидкостей, газов, дыма и пыли | Топливо | 4.12, 5.4, 8.1 | |
Рабочая жидкость | |
Семена | |
A.6 | Опасности, возникающие из-за несоблюдения принципов эргономики при конструировании | | | |
A.6.1 | Неудобное положение тела или чрезмерные усилия оператора | Панель управления | 4.4 | |
Доступ к загрузке бункера | |
Сцепка | |
A.6.2 | Несоответствие анатомическим возможностям верхних или нижних конечностей человека | Панель управления | 4.4 | |
Доступ к загрузке бункера | |
Сцепка | |
A.6.7 | Неправильная конструкция, неправильное размещение или обозначение органов управления | Панель управления | 4.4 | |
A.13 | Ошибки монтажа | Высевающий аппарат | - | |
A.15 | Выброс объектов | Вентилятор | 4.10 | |
A.16 | Потеря равновесия/опрокидывание машины | Недостаточная устойчивость | 5.2.1, 6.2.1 | - |
A.17 | Скольжение, опрокидывание и падение (при работе с машиной) | Доступ к загрузке бункера | - | |
| Дополнительные опасности и опасные ситуации, связанные с движением | | | |
A.18 | Опасности, связанные с передвижением | | | |
A.18.1 | Движение при запуске двигателя | Поворачивающиеся и складывающиеся части | 5.1.8 | - |
A.18.3 | Движение, при котором не все части находятся в безопасном положении | Поворачивающиеся и складывающиеся части | - | |
A.20 | Опасности, связанные с системой управления | | | |
A.20.1 | Неправильное расположение или режим работы ручного управления | Панель управления | 4.4 | |
Поворачивающиеся и складывающиеся части | |
A.22 | Опасности, связанные с источником энергии и трансмиссией | | | |
A.22.2 | Опасности, связанные с трансмиссией | Привод | - | - |
A.22.3 | Опасности, связанные со сцепкой | Сцепка | 5.2.1, 6.3 | |
<a> Согласно ISO 4254-1:2008, (таблица A.1) |
(справочное)
Рисунок B.1 - Механическая сеялка
Рисунок B.2 - Пневматическая сеялка
Рисунок B.3 - Сеялка точного высева
(справочное)
УСТОЙЧИВОСТЬ СЦЕПКИ "ТРАКТОР-СЕЯЛКА"
Настоящее приложение относится к
пункту 6.1. q), в котором приводятся требования о необходимости предоставления данных по потере устойчивости сцепки трактора и сеялки.
В данном приложении производителям предлагается способ для получения полных и адекватных данных.
Пример иллюстрирует сцепку трактора и навесной сеялки.
Учитывая массу самой машины и зерна внутри бункера высеивающего аппарата, можно отметить, что сцепка трактор-сеялка может утратить устойчивость. Чтобы проверить общую устойчивость, следует использовать при расчетах следующее выражение для определения минимальной нагрузки на переднюю часть трактора IF,min в килограммах. Оно отражает возможность дополнительной нагрузки на переднюю ось трактора, равной 20% массы трактора без груза.
Примечание - При расчетах учитываются сцепки с передненавесными и задненавесными сеялками.
TE - Масса трактора без груза
<a>, кг;
TF - Нагрузка на переднюю ось трактора без груза
<a>, кг;
TR - Нагрузка на заднюю ось трактора без груза
<a>, кг;
IF - Общая масса передненавесного (балласта)
<b>, кг;
IR - Общая масса задненавесного (балласта)
<b>, кг;
a - Расстояние от центра тяжести до центра передней оси для сцепки с передненавесным дополнением (балластом)
<b>,
<c>, м;
b - Колесная база трактора
<a>,
<c>, м;
c - Расстояние от центра задней оси до центра нижнего шарнира сцепного устройства
<a>,
<c>, м;
d - Расстояние от центра нижней шаровой тяги сцепного устройства до центра тяжести для сцепки с задненавесным дополнением (балластом)
<b>, м
--------------------------------
<
a> - См. техпаспорт трактора.
<
b> - См. каталог и/или инструкции по использованию балласта.
<
c> - Должно быть измерено.
Рисунок C.1 - Пример расчетной схемы для определения
устойчивости сцепки агрегата трактор-сеялка
[1] | ISO/TR 11688-2 | Acoustics - Recommended practice for the design of low-noise machinery and equipment - Part 2: Introduction to the physics of low-noise design (Акустика. Рекомендуемая практика проектирования машин и оборудования с уменьшенным уровнем производимого шума. Часть 2. Введение в физику проектирования с уменьшенным уровнем звука) |
[2] | ISO 12100-2 | Safety of machinery - Basic concepts, general principles for design - Part 2: Technical principles (Безопасность машин. Основные понятия, общие принципы расчета. Часть 2. Технические принципы) |
(справочное)
СВЕДЕНИЯ О СООТВЕТСТВИИ МЕЖГОСУДАРСТВЕННЫХ СТАНДАРТОВ
ССЫЛОЧНЫМ МЕЖДУНАРОДНЫМ СТАНДАРТАМ
Таблица ДА. 1
Обозначение и наименование международного стандарта | Степень соответствия | Обозначение и наименование межгосударственного стандарта |
ISO 4254-1:2008 Машины сельскохозяйственные. Безопасность. Часть 1. Общие требования | IDT | Машины сельскохозяйственные. Требования безопасности. Часть 1. Общие требования |
ISO/TR 11688-1:1995 Акустика. Рекомендуемая практика проектирования машин и оборудования с уменьшенным уровнем производимого шума. Часть 2. Введение в физику проектирования с уменьшенным уровнем звука | NEQ | Шум. Общие требования безопасности |
ISO 12100-1:2003 Безопасность оборудования. Основные принципы конструирования. Часть 1. Основные термины, методика | EQV | Безопасность оборудования. Основные принципы конструирования. Часть 1. Основные термины, методика |
ISO 13852:1996 Безопасность машин. Установление безопасных расстояний, препятствующих касанию руками опасных зон | EQV | Безопасность машин. Безопасные расстояния для предохранения верхних и нижних конечностей от попадания в опасную зону |
<*> На территории Российской Федерации действует ГОСТ Р ИСО 12100-1-2007 Безопасность оборудования. Основные принципы конструирования. Часть 1. Основные термины, методика <**> Международный стандарт ISO 13852:1996 был заменен международным стандартом ISO 13857:2008 |
УДК 631.331.5:006.354 | | |
Ключевые слова: сеялки, требования безопасности, рабочее место оператора, органы управления, техническое обслуживание, руководство по эксплуатации, символы, маркировка |