Главная // Актуальные документы // ГОСТ (Государственный стандарт)
СПРАВКА
Источник публикации
М.: Издательство стандартов, 1982
Примечание к документу
С 1 июля 2003 года до вступления в силу технических регламентов акты федеральных органов исполнительной власти в сфере технического регулирования носят рекомендательный характер и подлежат обязательному исполнению только в части, соответствующей целям, указанным в пункте 1 статьи 46 Федерального закона от 27.12.2002 N 184-ФЗ.

Ограничение срока действия снято по Протоколу N 3-93 Межгосударственного совета по стандартизации, метрологии и сертификации ("ИУС", N 5 - 6, 1993).

Документ утрачивает силу с 1 января 1989 года.

Документ введен в действие с 1 января 1984 года.
Название документа
"ГОСТ 25154-82. Государственный стандарт Союза ССР. Зажимы контактные наборные с плоскими выводами. Конструкция, основные параметры и размеры"
(введен в действие Постановлением Госстандарта СССР от 26.02.1982 N 847)

"ГОСТ 25154-82. Государственный стандарт Союза ССР. Зажимы контактные наборные с плоскими выводами. Конструкция, основные параметры и размеры"
(введен в действие Постановлением Госстандарта СССР от 26.02.1982 N 847)


Содержание


Введен в действие
Постановлением Государственного
комитета СССР по стандартам
от 26 февраля 1982 г. N 847
ГОСУДАРСТВЕННЫЙ СТАНДАРТ СОЮЗА ССР
ЗАЖИМЫ КОНТАКТНЫЕ НАБОРНЫЕ С ПЛОСКИМИ ВЫВОДАМИ
КОНСТРУКЦИЯ, ОСНОВНЫЕ ПАРАМЕТРЫ И РАЗМЕРЫ
Terminal contact blocks with flat terminals.
Design, main parameters and dimensions
ГОСТ 25154-82
Группа Е71
ОКП 34 2949
Постановлением Государственного комитета СССР по стандартам от 26 февраля 1982 г. N 847 срок действия установлен с 01.01.1984 до 01.01.1989.
1. Настоящий стандарт распространяется на наборные контактные зажимы (в дальнейшем "зажимы") с плоскими выводами проходные и специальные (мостиковые, разъединительные и измерительные) и колодки торцовые зажимов, соединяемые в разборные блоки, и на неразборные блоки, предназначенные для присоединения и ответвления проводников из меди, алюмомедных, алюминиевых и из алюминиевых сплавов сечением от 0,35 до 370 мм2.
2. В зависимости от конструкции хвостовой части корпуса или колодки зажимов, с помощью которых проводится установка их на рейку, стандарт устанавливает следующие типы зажимов:
тип 1 - с хвостовой частью, имеющей пружину со скобой;
тип 2 - с пружинящей частью;
тип 3 - с хвостовой частью, имеющей прорезь (отверстие) под винт.
3. Конструкция, основные размеры и параметры зажимов, скрепляемых в разборные блоки, должны соответствовать указанным на черт. 1 - 29 и табл. 1 - 3.
Таблица 1
──────────┬──────┬──────────────┬───────┬───────┬────────────┬──────┬──────
Назначение│ Тип │Конструктивное│Номи- │Номи- │ Диаметр │Чертеж│Масса,
│зажима│ исполнение │нальный│нальное│контактного │ │кг, не
│ │выводов зажима│ток, А │сечение│ винта, мм │ │более
│ │ и способ │ │зажима,├──────┬─────┤ │
│ │присоединения │ │мм2 │номин.│пред.│ │
│ │ проводника │ │ │ │откл.│ │
──────────┼──────┼──────────────┼───────┼───────┼──────┼─────┼──────┼──────
Проходные │ 1 │Соединитель- │ 6,3 │ 1,0 │ M4 │ 7g │ 1 │0,015
│ │соединитель ├───────┼───────┤ │ │ │
│ │ │ 16 │ 2,5 │ │ │ │
│ ├──────────────┼───────┼───────┤ │ │ │
│ │Пайка- │ 6,3 │ 1,5 │ │ │ │
│ │соединитель ├───────┼───────┤ │ │ │
│ │ │ 16 │ 2,5 │ │ │ │
│ ├──────────────┼───────┼───────┤ │ │ ├──────
│ │Пайка-пайка │ 16 │ 2,5 │ │ │ │0,014
│ ├──────────────┼───────┼───────┤ │ ├──────┼──────
│ │Винт- │ 6,3 │ 4,0 │ │ │ 2 │0,017
│ │соединитель ├───────┼───────┤ │ │ │
│ │ │ 16 │ 4,0 │ │ │ │
│ ├──────────────┼───────┼───────┤ │ │ ├──────
│ │Винт-пайка │ 16 │ 4,0 │ │ │ │0,016
│ ├──────────────┼───────┼───────┤ │ ├──────┤
│ │Винт-винт │16; 25 │ 4,0 │ │ │ 3
├──────┼──────────────┼───────┼───────┤ │ ├──────┼──────
│ 2 │Соединитель- │ 6,3 │ 1,0 │ │ │ 4 │0,013
│ │соединитель ├───────┼───────┤ │ │ │
│ │ │ 16 │ 2,5 │ │ │ │
│ ├──────────────┼───────┼───────┤ │ │ │
│ │Пайка- │ 6,3 │ 1,5 │ │ │ │
│ │соединитель ├───────┼───────┤ │ │ │
│ │ │ 16 │ 2,5 │ │ │ │
│ ├──────────────┼───────┼───────┤ │ │ ├──────
│ │Пайка-пайка │ 16 │ 2,5 │ │ │ │0,010
│ ├──────────────┼───────┼───────┤ │ ├──────┼──────
│ │Винт- │ 6,3 │ 4,0 │ │ │ 5 │0,013
│ │соединитель ├───────┼───────┤ │ │ │
│ │ │ 16 │ 4,0 │ │ │ │
│ ├──────────────┼───────┼───────┤ │ │ ├──────
│ │Винт-пайка │ 16 │ 4,0 │ │ │ │0,012
│ ├──────────────┼───────┼───────┤ │ ├──────┤
│ │Винт-винт │16; 25 │ 4,0 │ │ │ 6
├──────┼──────────────┼───────┼───────┤ │ ├──────┼──────
│ 3 │Соединитель- │ 6,3 │ 1,0 │ │ │ 7 │0,014
│ │соединитель ├───────┼───────┤ │ │ │
│ │ │ 16 │ 2,5 │ │ │ │
│ ├──────────────┼───────┼───────┤ │ │ ├──────
│ │Пайка- │ 6,3 │ 1,5 │ │ │ │0,016
│ │соединитель ├───────┼───────┤ │ │ │
│ │ │ 16 │ 2,5 │ │ │ │
│ ├──────────────┼───────┼───────┤ │ │ ├──────
│ │Пайка-пайка │ 16 │ 2,5 │ │ │ │0,014
│ ├──────────────┼───────┼───────┤ │ ├──────┼──────
│ │Винт- │ 6,3 │ 4,0 │ │ │ 8 │0,016
│ │соединитель ├───────┤ │ │ │ │
│ │ │ 16 │ │ │ │ │
│ ├──────────────┼───────┼───────┤ │ │ │
│ │Винт-пайка │ 16 │ 4,0 │ │ │ │
│ ├──────────────┼───────┼───────┤ │ ├──────┤
│ │Винт-винт │16; 25 │ 4,0 │ │ │ 9
│ │ ├───────┼───────┼──────┤ ├──────┼──────
│ │ │ 40 │ 16 │ M5 │ │ 10 │0,036
│ │ ├───────┤ │ │ │ ├──────
│ │ │ 63 │ │ │ │ │0,037
│ │ ├───────┼───────┼──────┤ ├──────┼──────
│ │ │ 100 │ 70 │ M6 │ │ 11 │0,058
│ │ │ │ ├──────┤ ├──────┼──────
│ │ │ │ │ M8 │ │ 12* │0,129
│ │ ├───────┼───────┼──────┤ ├──────┼──────
│ │ │ 160 │ 95 │ M10 │ │ 13* │0,214
│ │ ├───────┼───────┤ │ ├──────┼──────
│ │ │ 250 │ 150 │ │ │ 14* │0,320
│ │ ├───────┼───────┤ │ ├──────┼──────
│ │ │ 400 │ 185 │ │ │ 15* │0,620
│ │ ├───────┼───────┼──────┤ ├──────┼──────
│ │ │ 630 │2 x 185│ M12 │ │ 16* │1,400
Примечания:
1. Номинальный ток зажима 6,3 А соответствует номинальной ширине соединителя 2,8 мм, а номинальный ток зажима 16 А соответствует номинальной ширине соединителя 4,8 мм.
2. Зажимы со знаком *, предназначенные для присоединения проводников, оконцованных наконечником.
Таблица 2
──────────┬──────┬──────────────┬───────┬───────┬────────────┬──────┬──────
Назначение│ Тип │Конструктивное│Номи- │Номи- │ Диаметр │Чертеж│Масса,
│зажима│ исполнение │нальный│нальное│контактного │ │кг, не
│ │выводов зажима│ток, А │сечение│ винта, мм │ │более
│ │ и способ │ │зажима,├──────┬─────┤ │
│ │присоединения │ │мм2 │номин.│пред.│ │
│ │ проводника │ │ │ │откл.│ │
──────────┼──────┼──────────────┼───────┼───────┼──────┼─────┼──────┼──────
Мостиковые│ 1 │Соединитель- │ 6,3 │ 1,0 │ M4 │ 7g │ 17 │0,017
│ │соединитель ├───────┼───────┤ │ │ │
│ │ │ 16 │ 2,5 │ │ │ │
│ ├──────────────┼───────┼───────┤ │ │ │
│ │Пайка- │ 6,3 │ 1,5 │ │ │ │
│ │соединитель ├───────┼───────┤ │ │ │
│ │ │ 16 │ 2,5 │ │ │ │
│ ├──────────────┼───────┼───────┤ │ │ │
│ │Пайка-пайка │ 16 │ 2,5 │ │ │ │
│ ├──────────────┼───────┼───────┤ │ ├──────┤
│ │Винт- │ 6,3 │ 4,0 │ │ │ 18
│ │соединитель ├───────┼───────┤ │ │ │
│ │ │ 16 │ 4,0 │ │ │ │
│ ├──────────────┼───────┼───────┤ │ │ │
│ │Винт-пайка │ 16 │ 4,0 │ │ │ │
│ ├──────────────┼───────┼───────┤ │ ├──────┤
│ │Винт-винт │16; 25 │ 4,0 │ │ │ 19
├──────┼──────────────┼───────┼───────┤ │ ├──────┼──────
│ 2 │Соединитель- │ 6,3 │ 1,0 │ │ │ 20 │0,014
│ │соединитель ├───────┼───────┤ │ │ │
│ │ │ 16 │ 2,5 │ │ │ │
│ ├──────────────┼───────┼───────┤ │ │ │
│ │Пайка- │ 6,3 │ 1,5 │ │ │ │
│ │соединитель ├───────┼───────┤ │ │ │
│ │ │ 16 │ 2,5 │ │ │ │
│ ├──────────────┼───────┼───────┤ │ │ │
│ │Пайка-пайка │ 16 │ 2,5 │ │ │ │
│ ├──────────────┼───────┼───────┤ │ ├──────┤
│ │Винт- │ 6,3 │ 4,0 │ │ │ 21
│ │соединитель ├───────┼───────┤ │ │ │
│ │ │ 16 │ 4,0 │ │ │ │
│ ├──────────────┼───────┼───────┤ │ │ │
│ │Винт-пайка │ 16 │ 4,0 │ │ │ │
│ ├──────────────┼───────┼───────┤ │ ├──────┤
│ │Винт-винт │16; 25 │ 4,0 │ │ │ 22
├──────┼──────────────┼───────┼───────┤ │ ├──────┼──────
│ 3 │Соединитель- │ 6,3 │ 1,0 │ │ │ 23 │0,018
│ │соединитель ├───────┼───────┤ │ │ │
│ │ │ 16 │ 2,5 │ │ │ │
│ ├──────────────┼───────┼───────┤ │ │ ├──────
│ │Пайка- │ 6,3 │ 1,5 │ │ │ │0,020
│ │соединитель ├───────┼───────┤ │ │ │
│ │ │ 16 │ 2,5 │ │ │ │
│ ├──────────────┼───────┼───────┤ │ │ ├──────
│ │Пайка-пайка │ 16 │ 2,5 │ │ │ │0,014
│ ├──────────────┼───────┼───────┤ │ ├──────┼──────
│ │Винт- │ 6,3 │ 4,0 │ │ │ 24 │0,019
│ │соединитель ├───────┼───────┤ │ │ │
│ │ │ 16 │ 4,0 │ │ │ │
│ ├──────────────┼───────┼───────┤ │ │ │
│ │Винт-пайка │ 16 │ 4,0 │ │ │ │
│ ├──────────────┼───────┼───────┤ │ ├──────┼──────
│ │Винт-винт │16; 25 │ 4,0 │ │ │ 25 │0,020
Таблица 3
──────────┬──────┬──────────────┬───────┬───────┬────────────┬──────┬──────
Назначение│ Тип │Конструктивное│Номи- │Номи- │ Диаметр │Чертеж│Масса,
│зажима│ исполнение │нальный│нальное│контактного │ │кг, не
│ │выводов зажима│ток, А │сечение│ винта, мм │ │более
│ │ и способ │ │зажима,├──────┬─────┤ │
│ │присоединения │ │мм2 │номин.│пред.│ │
│ │ проводника │ │ │ │откл.│ │
──────────┼──────┼──────────────┼───────┼───────┼──────┼─────┼──────┼──────
Разъедини-│ 1 │Винт-винт │16; 25 │ 4,0 │ M4 │ 7g │ 26 │0,028
тельные ├──────┤ │ │ │ │ ├──────┼──────
│ 2 │ │ │ │ │ │ 27 │0,020
──────────┼──────┼──────────────┼───────┼───────┤ │ ├──────┼──────
Измери- │ 1 │Винт-винт │16; 25 │ 4,0 │ │ │ 28 │0,047
тельные ├──────┤ │ │ │ │ ├──────┼──────
│ 2 │ │ │ │ │ │ 29 │0,038
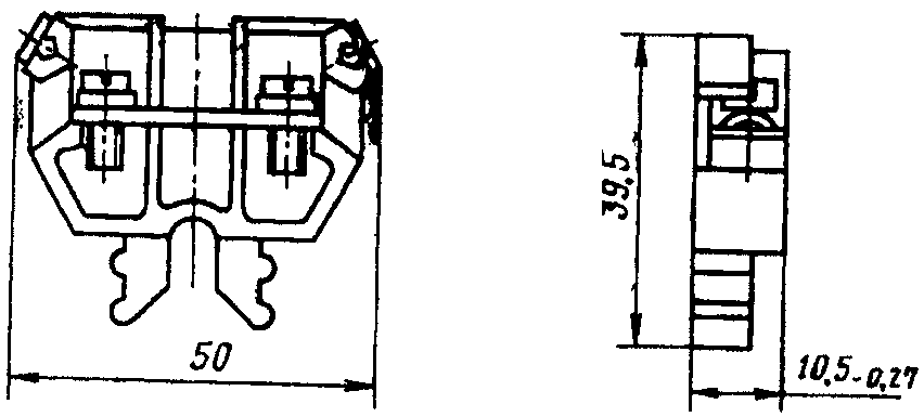
Зажимы проходные. Тип 1
Черт. 1
Черт. 2
Черт. 3
Зажимы проходные. Тип 2
Черт. 4
Черт. 5
Черт. 6
Зажимы проходные. Тип 3
Черт. 7
Черт. 8
Черт. 9
Черт. 10
Черт. 11
Черт. 12
Черт. 13
Черт. 14
Черт. 15
Черт. 16
Зажимы мостиковые. Тип 1
Черт. 17
Черт. 18
Черт. 19
Зажимы мостиковые. Тип 2
Черт. 20
Черт. 21
Черт. 22
Зажимы мостиковые. Тип 3
Черт. 23
Черт. 24
Черт. 25
Зажимы разъединительные. Тип 1
Черт. 26
Зажимы разъединительные. Тип 2
Черт. 27
Зажимы измерительные. Тип 1
Черт. 28
Зажимы измерительные. Тип 2
Черт. 29
Зажимы и торцовые колодки типа 1, изготовляемые для замены устаревших конструкций, подлежащих снятию с производства, могут иметь конструкцию хвостовой части, отличающуюся от указанной на черт. 1 - 3 при условии сохранения возможности их установки на рейки, приведенные в справочном Приложении 4.
4. Конструкция, основные параметры и размеры неразборных блоков на 5 и 10 зажимов должны соответствовать указанным на черт. 30 - 32 и табл. 4.
Неразборные блоки зажимов
Черт. 30
Черт. 31
Черт. 32
Таблица 4
─────┬─────────────┬─────┬─────┬────────────┬────────────┬────────────┬────┬──────
Число│Конструк- │Номи-│Номи-│ Диаметр │ L , мм │ L , мм │Чер-│Масса,
зажи-│тивное │наль-│наль-│контактного │ 1 │ 2 │теж │ кг,
мов │исполнение │ный │ное │ винта, мм │ │ │ │ не
│выводов │ток, │сече-├──────┬─────┼──────┬─────┼──────┬─────┤ │более
│и способ │А │ние, │номин.│пред.│номин.│пред.│номин.│пред.│ │
│присоединения│ │мм2 │ │откл.│ │откл.│ │откл.│ │
│проводника │ │ │ │ │ │ │ │ │ │
─────┼─────────────┼─────┼─────┼──────┼─────┼──────┼─────┼──────┼─────┼────┼──────
5 │Соединитель- │ 6,3 │ 1,0 │ M4 │ 7g │ 63 │-0,74│ 55 │-0,74│ 30 │0,052
│соединитель ├─────┼─────┤ │ │ │ │ │ │ │
│ │ 16 │ 2,5 │ │ │ │ │ │ │ │
├─────────────┼─────┼─────┤ │ │ │ │ │ │ │
│Пайка- │ 6,3 │ 1,5 │ │ │ │ │ │ │ │
│соединитель ├─────┼─────┤ │ │ │ │ │ │ │
│ │ 16 │ 2,5 │ │ │ │ │ │ │ │
├─────────────┼─────┼─────┤ │ │ │ │ │ │ │
│Пайка-пайка │ 16 │ 2,5 │ │ │ │ │ │ │ │
├─────────────┼─────┼─────┤ │ │ │ │ │ ├────┼──────
│Винт- │ 6,3 │ 4,0 │ │ │ │ │ │ │ 31 │0,058
│соединитель ├─────┼─────┤ │ │ │ │ │ │ │
│ │ 16 │ 4,0 │ │ │ │ │ │ │ │
├─────────────┼─────┼─────┤ │ │ │ │ │ │ │
│Винт-пайка │ 16 │ 4,0 │ │ │ │ │ │ │ │
├─────────────┼─────┼─────┤ │ │ │ │ │ ├────┼──────
│Винт-винт │ 16 │ 4,0 │ │ │ │ │ │ │ 32 │0,061
│ ├─────┼─────┤ │ │ │ │ │ │ │
│ │ 25 │ 4,0 │ │ │ │ │ │ │ │
├─────────────┼─────┼─────┤ │ ├──────┼─────┼──────┼─────┼────┼──────
│Соединитель- │ 6,3 │ 1,0 │ │ │ 118 │-0,87│ 110 │-0,87│ 30 │0,110
│соединитель ├─────┼─────┤ │ │ │ │ │ │ │
│ │ 16 │ 2,5 │ │ │ │ │ │ │ │
├─────────────┼─────┼─────┤ │ │ │ │ │ │ │
│Пайка- │ 6,3 │ 1,5 │ │ │ │ │ │ │ │
│соединитель ├─────┼─────┤ │ │ │ │ │ │ │
│ │ 16 │ 2,5 │ │ │ │ │ │ │ │
├─────────────┼─────┼─────┤ │ │ │ │ │ │ │
│Пайка-пайка │ 16 │ 2,5 │ │ │ │ │ │ │ │
├─────────────┼─────┼─────┤ │ │ │ │ │ ├────┼──────
│Винт- │ 6,3 │ 4,0 │ │ │ │ │ │ │ 31 │0,115
│соединитель ├─────┼─────┤ │ │ │ │ │ │ │
│ │ 16 │ 4,0 │ │ │ │ │ │ │ │
├─────────────┼─────┼─────┤ │ │ │ │ │ ├────┼──────
│Винт-пайка │ 16 │ 4,0 │ │ │ │ │ │ │ 32 │0,122
├─────────────┼─────┼─────┤ │ │ │ │ │ │ │
│Винт-винт │ 16 │ 4,0 │ │ │ │ │ │ │ │
│ ├─────┼─────┤ │ │ │ │ │ │ │
│ │ 25 │ 4,0 │ │ │ │ │ │ │ │
5. Диапазоны сечений подсоединяемых жил проводов в зависимости от номинального сечения зажимов, конструктивного исполнения выводов и способа присоединения проводников должны соответствовать указанным в обязательном Приложении 1.
6. Для закрепления разборных и неразборных блоков зажимов на рейках должны применяться торцовые колодки.
Конструкция и размеры торцовых колодок должны соответствовать указанным на черт. 33 - 47.
Колодки торцовые. Тип 1
Черт. 33
Черт. 34
Черт. 35
Черт. 36
Тип 2
Черт. 37
Черт. 38
Черт. 39
Черт. 40
Тип 3
Черт. 41
Черт. 42
Черт. 43
Черт. 44
Черт. 45
Черт. 46
Черт. 47
7. Конструкция и размеры перемычек, применяемых для зажимов на ток 25 А, указаны в справочном Приложении 2.
8. Установка зажимов на рейках приведена на черт. 1 - 5 справочного Приложения 3.
9. Конструкция и размеры для установки на них зажимов указаны в справочном Приложении 4.
10. Конструкция и размеры прижимных скоб указаны в справочном Приложении 5.
ИС МЕГАНОРМ: примечание.
В официальном тексте документа, видимо, допущена опечатка: имеется в виду чертеж а - б справочного Приложения 6, а не чертеж 1 - 2.
11. Конструкция и размеры скоб для закрепления на рейках зажимов типа 3 указаны на черт. 1 - 2 справочного Приложения 6.
12. Конструкция и размеры изоляционных деталей, обеспечивающих безопасность обслуживания зажимов на ток 100 - 630 А, указаны в справочном Приложении 7.
13. Размеры без предельных отклонений справочные.
14. Технические требования и область применения - по ГОСТ 19132-80.
Приложение 1
Обязательное
ДИАПАЗОНЫ СЕЧЕНИЙ ПОДСОЕДИНЯЕМЫХ ЖИЛ ПРОВОДОВ В ЗАВИСИМОСТИ
ОТ НОМИНАЛЬНОГО СЕЧЕНИЯ ЗАЖИМОВ, КОНСТРУКТИВНОГО ИСПОЛНЕНИЯ
ВЫВОДОВ И СПОСОБА ПРИСОЕДИНЕНИЯ ПРОВОДНИКОВ
────────────────────────────┬─────────────────┬────────────────────────────
Конструктивное исполнение │ Номинальное │ Сечения подсоединяемых
выводов зажима и способ │ сечение зажима, │ жил всех классов, мм2
присоединения проводника │ мм2 ├──────────────┬─────────────
│ │ минимальное │максимальное
────────────────────────────┼─────────────────┼──────────────┼─────────────
Соединитель-соединитель │ 1,0 │ 0,35 │ 1,0
├─────────────────┼──────────────┼─────────────
│ 2,5 │ 0,5 │ 2,5
────────────────────────────┼─────────────────┼──────────────┼─────────────
Пайка-соединитель │ 1,5 │ 0,5 <*> │ 1,5 <*>
│ │ ------- │ -------
│ │ 0,35 │ 1,0
├─────────────────┼──────────────┼─────────────
│ 2,5 │ 0,5 │ 2,5
────────────────────────────┼─────────────────┼──────────────┼─────────────
Пайка-пайка │ 2,5 │ 0,5 │ 2,5
────────────────────────────┼─────────────────┼──────────────┼─────────────
Винт-соединитель │ 4,0 │ 0,5 <*> │ 4,0 <*>
│ │ ------- │ -------
│ │ 0,35 │ 1,0
├─────────────────┼──────────────┼─────────────
│ 4,0 │ 0,5 <*> │ 4,0 <*>
│ │ ------- │ -------
│ │ 0,5 │ 2,5
────────────────────────────┼─────────────────┼──────────────┼─────────────
Винт-пайка │ 4,0 │ 0,5 <*> │ 4,0 <*>
│ │ ------- │ -------
│ │ 0,5 │ 2,5
────────────────────────────┼─────────────────┼──────────────┼─────────────
Винт-винт │ 4,0 │ 0,5 │ 4,0
├─────────────────┼──────────────┼─────────────
│ 16 │ 2,5 │ 16
├─────────────────┼──────────────┼─────────────
│ 70 │ 16 │ 70
├─────────────────┼──────────────┼─────────────
│ 95 │ 25 │ 95
├─────────────────┼──────────────┼─────────────
│ 150 │ 95 │ 150
├─────────────────┼──────────────┼─────────────
│ 185 │ 95 │ 185
├─────────────────┼──────────────┼─────────────
│ 2 x 185 │ 2 x 95 │ 2 x 185
--------------------------------
<*> Числитель дроби относится к первой части наименования комбинированного вывода зажима, знаменатель - ко второй.
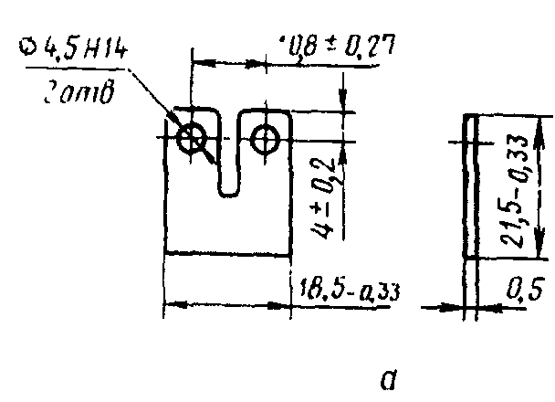
Приложение 2
Справочное
ПЕРЕМЫЧКИ
а - перемычка для наборных зажимов
на ток до 25 А и неразборных блоков зажимов;
б - перемычка для мостиковых наборных зажимов
Черт. 1
Приложение 3
Справочное
УСТАНОВКА НАБОРНЫХ ЗАЖИМОВ
Тип 1
1 - зажим (черт. 1 - 3; 17 - 19; 26; 28);
2 - торцовая колодка (черт. 33 - 36); 3 - скоба
прижимная (черт. 1 а, Приложение 5 справочное);
4 - винт M4 x 10,58 по ГОСТ 17473-80; 5 - рейка
(черт. 1 б, Приложение 4 справочное)
Черт. 1
Тип 2
а - крепление зажимов и торцовых
колодок на рейке (черт. 1 а, Приложение 4);
б; в - крепление зажимов и торцовых колодок
на рейке (черт. 1 б, Приложение 4 справочное);
1 - зажим (черт. 4 - 6; 20 - 22; 27; 29);
2 - торцовая колодка (черт. 37 - 40); 3 - скоба
прижимная (черт. 1 а, Приложение 5 справочное);
4 - винт M4 x 12,58 по ГОСТ 17473-80; 5 - винт M4 x 8,58
по ГОСТ 17473-80; 6 - рейка; 7 - винт M4 x 8,58
по ГОСТ 17473-80; 8 - рейка
Черт. 2
Тип 3 (на ток до 100 А)
а - крепление зажимов и торцовых колодок
на рейке (см. черт. 1 а, Приложение 4 справочное);
б - крепление зажимов и торцовых колодок на рейке
(см. черт. 1 б, Приложение 4 справочное); 1 - зажим
(черт. 7 - 11; 23 - 25); 2 - торцовая колодка
(черт. 7 - 11; 23 - 25); 3 - винт M4 x 12,58
по ГОСТ 17473-80; 4 - шайба 4,65 Г по ГОСТ 6402-70;
5 - шайба 4,01 по ГОСТ 10450-78; 6, 8 - скобы установочные
(см. черт. 1 и черт. 2, Приложение 6 справочное);
7, 9 - рейка
Примечание. Каждый пятый зажим должен крепиться.
Черт. 3
Тип 3 (на ток 100 - 630 А)
а - крепление торцовой колодки на рейке
(см. черт. 1 а, Приложение 4 справочное);
б - крепление торцовой колодки на рейке
(см. черт. 1 б, Приложение 4 справочное); в - крепление
зажимов на рейке (см. черт. 1 а, Приложение 4 справочное);
г - крепление зажимов на рейке (см. черт. 1 б,
Приложение 4 справочное); 1 - изоляционная пластина
(см. черт. 1, Приложение 7 справочное); 2 - винт M4 x 25,58
по ГОСТ 17473-80; 3 - шайба 4,01 по ГОСТ 10450-78;
4 - торцовая колодка (черт. 45); 5 - зажим (черт. 12 - 16);
6 - винт M5 x 14,58 по ГОСТ 17473-80; 7 - шайба 5,65 Г
по ГОСТ 6402-70; 8 - шайба 5,01 по ГОСТ 10450-78;
9 - скоба прижимная (черт. 1, Приложение 7 справочное);
10, 12 - скобы (черт. 1 и черт. 2, Приложение 6 справочное);
11, 13 - рейка
Примечание. Каждый из наборных зажимов поз. 1 должен крепиться аналогично торцовой колодке поз. 4.
Черт. 4
Установка неразборных блоков зажимов
 
а - крепление блоков на рейке (см. черт. 1 а,
Приложение 4 справочное); б - крепление блоков на рейке
(черт. 1 б, Приложение 4 справочное); 1 - блок зажимов
(черт. 30 - 32); 2 - торцовая колодка (черт. 46);
3 - винт M4 x 12,58 по ГОСТ 17473-80; 4 - шайба 4,65 Г
по ГОСТ 6402-70; 5 - шайба 4,01 по ГОСТ 10450-78;
6, 8 - скобы установочные (см. черт. 1 и черт. 2,
Приложение 6 справочное); 7, 9 - рейка
Черт. 5
Приложение 4
Справочное
РЕЙКИ ДЛЯ УСТАНОВКИ ЗАЖИМОВ
а
б
а - C-образная симметричная рейка с закрытым пазом;
б - C-образная несимметричная рейка с закрытым пазом
--------------------------------
<*> В технически обоснованных случаях допускается применение реек с размерами, отличными от указанных на чертеже.
Приложение 5
Справочное
СКОБЫ ПРИЖИМНЫЕ
а
б
а - прижимная скоба для закрепления на рейках
зажимов типов 1 и 2 на ток до 25 А; б - прижимная скоба
для закрепления зажимов типа 3 на ток 100 - 630 А
Приложение 6
Справочное
СКОБЫ ДЛЯ ЗАКРЕПЛЕНИЯ НА РЕЙКАХ НАБОРНЫХ ЗАЖИМОВ
ТИПА 3 И БЛОКОВ ЗАЖИМОВ
а
б
─────────────────────────┬─────────────┬──────────────────┬────────────────
Исполнение зажимов │Чертеж скобы │ Чертеж │ Диаметр
│ │установочной рейки│ резьбы, d, мм
│ │ (Приложение 4
│ │ справочное) │
─────────────────────────┼─────────────┼──────────────────┼────────────────
Зажим типа 3 на токи │ 1 │ 1 а │ 4
до 100 А ├─────────────┼──────────────────┤
│ 2 │ 1 б
─────────────────────────┼─────────────┼──────────────────┼────────────────
Зажим типа 3 на токи │ 1 │ 1 а │ 5
100 - 630 А ├─────────────┼──────────────────┤
│ 2 │ 1 б
Приложение 7
Справочное
ПЛАСТИНА ИЗОЛЯЦИОННАЯ
──────────────────────┬─────────────────┬──────────────────────────────────
Номинальный ток │ Чертеж зажима │ L, мм
зажима, А │ ├─────────────────┬────────────────
│ │ номин. │ пред. откл.
──────────────────────┼─────────────────┼─────────────────┼────────────────
100; 160 │ 12; 13 │ 130 │ -1,0
──────────────────────┼─────────────────┼─────────────────┤
250; 400 │ 14; 15 │ 162 │
──────────────────────┼─────────────────┼─────────────────┼────────────────
630 │ 16 │ 309 │ -1,3
Черт. 1
Втулка
Черт. 2