Главная // Актуальные документы // ГОСТ (Государственный стандарт)СПРАВКА
Источник публикации
Документ опубликован не был
Примечание к документу
С 01.07.2003 до вступления в силу технических регламентов акты федеральных органов исполнительной власти в сфере технического регулирования носят рекомендательный характер и подлежат обязательному исполнению только в части, соответствующей целям, указанным в
п. 1 ст. 46 Федерального закона от 27.12.2002 N 184-ФЗ.
Документ
введен в действие с 01.01.1993.
Взамен ГОСТ 15492-70.
Название документа
"ГОСТ 15492-91. Государственный стандарт Союза ССР. Опоки литейные цельнолитые из алюминиевых и магниевых сплавов прямоугольные размерами в свету: длиной от 400 до 500 мм, шириной от 300 до 400 мм, высотой от 75 до 150 мм. Конструкция"
(утв. и введен в действие Постановлением Госстандарта СССР от 06.12.1991 N 1872)
"ГОСТ 15492-91. Государственный стандарт Союза ССР. Опоки литейные цельнолитые из алюминиевых и магниевых сплавов прямоугольные размерами в свету: длиной от 400 до 500 мм, шириной от 300 до 400 мм, высотой от 75 до 150 мм. Конструкция"
(утв. и введен в действие Постановлением Госстандарта СССР от 06.12.1991 N 1872)
Утвержден и введен в действие
Постановлением Комитета
стандартизации и метрологии СССР
от 6 декабря 1991 г. N 1872
ГОСУДАРСТВЕННЫЙ СТАНДАРТ СОЮЗА ССР
ОПОКИ ЛИТЕЙНЫЕ ЦЕЛЬНОЛИТЫЕ ИЗ АЛЮМИНИЕВЫХ И МАГНИЕВЫХ
СПЛАВОВ ПРЯМОУГОЛЬНЫЕ РАЗМЕРАМИ В СВЕТУ:
ДЛИНОЙ ОТ 400 ДО 500 ММ, ШИРИНОЙ ОТ 300 ДО 400 ММ,
ВЫСОТОЙ ОТ 75 ДО 150 ММ.
КОНСТРУКЦИЯ
Rectangular all-cast moulding boxes of aluminium
and magnesium alloys having inside dimensions:
length from 400 to 500 mm, width from 300 to 400
mm, height from 75 to 150 mm. Construction
ГОСТ 15492-91
ОКП 39 6401
Дата введения
1 января 1993 года
ИНФОРМАЦИОННЫЕ ДАННЫЕ
1. РАЗРАБОТАН И ВНЕСЕН Техническим комитетом по стандартизации 224 "Технологическая оснастка"
РАЗРАБОТЧИКИ
С.С. Ткаченко; Р.Б. Евдаев; М.Ф. Калинина, руководитель темы; В.С. Золотова; В.М. Самков; В.С. Дорфман; В.Н. Славянский
2. УТВЕРЖДЕН И ВВЕДЕН В ДЕЙСТВИЕ Постановлением Комитета стандартизации и метрологии СССР от 06.12.91 N 1872
3. Срок проверки - 1997 г., периодичность проверки - 5 лет.
4. ВЗАМЕН ГОСТ 15492-70
5. ССЫЛОЧНЫЕ НОРМАТИВНО-ТЕХНИЧЕСКИЕ ДОКУМЕНТЫ
Обозначение НТД, на который дана ссылка | Номер пункта |
ГОСТ 15019-69 | |
ГОСТ 15506-70 | |
| |
Настоящий стандарт распространяется на литейные цельнолитые прямоугольные опоки из алюминиевых и магниевых сплавов, предназначенные для изготовления песчаных литейных форм при машинной и ручной формовке.
Требования настоящего стандарта являются обязательными.
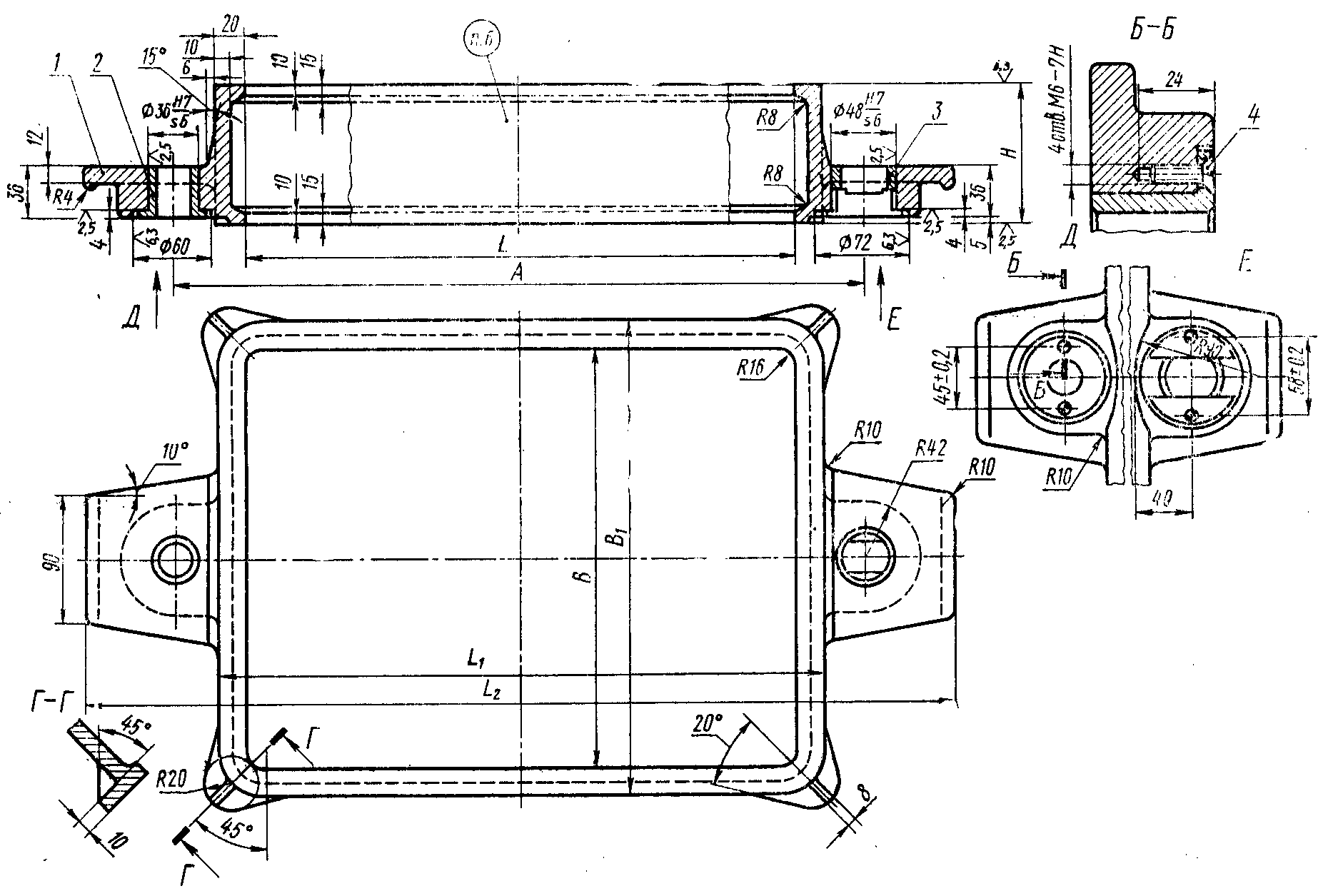
1. Конструкция и размеры опок должны соответствовать указанным на
чертеже и в
таблице.
1 - корпус; 2 - центрирующая втулка 0290-2621
по ГОСТ 15019 (1 шт.); 3 - направляющая втулка 0290-2631
(по требованию потребителя 0290-2632) по ГОСТ 15019 (1 шт.);
Размеры в мм
| Применяемость опок из сплавов | L | B | H +/- 1,0 | A +/- 0,2 | L1 | L2 | B1 | Масса опок из сплавов, кг |
По классификатору ЕСКД | По МН 80-59 | алюминиевых | магниевых | алюминиевых | магниевых |
Г 002.297251.009 | 0264-0021 | | | 400 | 300 | 75 | 500 | 440 | 630 | 340 | 5,0 | 3,5 |
Г 002.297251.010 | 0264-0022 | | | 100 | 6,0 | 4,2 |
Г 002.297251.011 | 0264-0023 | | | 125 | 7,0 | 4,9 |
Г 002.297251.012 | 0264-0024 | | | 400 | 150 | 8,0 | 5,6 |
Г 002.297251.013 | 0264-0025 | | | 75 | 440 | 5,6 | 4,0 |
Г 002.297251.014 | 0264-0026 | | | 100 | 6,6 | 4,6 |
Г 002.297251.015 | 0264-0027 | | | 450 | 350 | 75 | 550 | 490 | 680 | 390 | 5,6 | 4,0 |
Г 002.297251.016 | 0264-0028 | | | 100 | 6,6 | 4,6 |
Г 002.297251.017 | 0264-0029 | | | 500 | 300 | 75 | 600 | 540 | 730 | 340 | 5,6 | 4,0 |
Г 002.297251.018 | 0264-0030 | | | 100 | 6,6 | 4,6 |
Пример условного обозначения опоки L = 400 мм, B = 300 мм, H = 100 мм из алюминиевого сплава:
Опока Г 002.297251.010 АЛ ГОСТ 15492-91
То же из магниевого сплава:
Опока Г 002.297251.002 МЛ ГОСТ 15492-91
2. Неуказанные радиусы - 5 мм.
3. Технические требования - по
ГОСТ 15506.