Главная // Актуальные документы // ГОСТ (Государственный стандарт)СПРАВКА
Источник публикации
М.: ИПК Издательство стандартов, 2005
Примечание к документу
Текст данного документа приведен с учетом
поправки, опубликованной в "ИУС", N 6, 2022.
Документ
введен в действие с 01.07.2004.
Название документа
"ГОСТ 30808-2002/ГОСТ Р 51044-97. Межгосударственный стандарт. Линзы очковые. Общие технические условия."
(введен в действие Постановлением Госстандарта России от 29.05.2003 N 171-ст)
"ГОСТ 30808-2002/ГОСТ Р 51044-97. Межгосударственный стандарт. Линзы очковые. Общие технические условия."
(введен в действие Постановлением Госстандарта России от 29.05.2003 N 171-ст)
Введен в действие
от 29 мая 2003 г. N 171-ст
МЕЖГОСУДАРСТВЕННЫЙ СТАНДАРТ
ЛИНЗЫ ОЧКОВЫЕ
ОБЩИЕ ТЕХНИЧЕСКИЕ УСЛОВИЯ
Spectacles lenses. General specifications
ГОСТ 30808-2002/ГОСТ Р 51044-97
ОКП 94 4500
Дата введения
1 июля 2004 года
1. Разработан Государственным научно-производственным предприятием "Медоборудование".
Внесен Госстандартом России.
2. Принят Межгосударственным советом по стандартизации, метрологии и сертификации (протокол N 4 от 12 июня 2002 г., по переписке).
За принятие проголосовали:
┌───────────────────────────┬────────────────────────────────────┐
│ Наименование государства │ Наименование национального органа │
│ │ по стандартизации │
├───────────────────────────┼────────────────────────────────────┤
│ Республика Армения │ Армгосстандарт │
│ Республика Беларусь │ Госстандарт Республики Беларусь │
│ Республика Казахстан │ Госстандарт Республики Казахстан │
│ Кыргызская Республика │ Кыргызстандарт │
│ Республика Молдова │ Молдовастандарт │
│ Российская Федерация │ Госстандарт России │
│ Республика Таджикистан │ Таджикстандарт │
│ Туркмения │ Главгосслужба "Туркменстандартлары"│
│ Республика Узбекистан │ Узгосстандарт │
└───────────────────────────┴────────────────────────────────────┘
3.
Постановлением Госстандарта России от 29 мая 2003 г. N 171-ст ГОСТ 30808-2002 введен в действие в качестве государственного стандарта Российской Федерации с 1 июля 2004 г.
4. Настоящий стандарт представляет собой полный аутентичный текст ГОСТ Р 51044-97 с Изменением N 1.
В настоящем стандарте учтены показатели и требования международного стандарта ИСО 8980-1-92 "Офтальмологическая оптика. Готовые однофокальные корригирующие линзы. Часть 1. Общие требования" в части 3.2; 3.3; 3.4; 3.6; 3.8; 3.9; 3.10; 3.13; 3.14; 3.16; 3.18; 3.21; 3.22; 3.23; 3.24; 4.21.
5. Введен впервые.
Настоящий стандарт распространяется на очковые линзы из бесцветных неорганического стекла и полимерного материала, предназначенные для коррекции зрения.
Стандарт устанавливает требования к очковым линзам, предназначенным для стран с умеренным, тропическим климатом и для районов Крайнего Севера.
Стандарт не распространяется на трансфокальные и солнцезащитные очковые линзы и линзы, изготовленные по индивидуальным заказам.
В настоящем стандарте использованы ссылки на следующие стандарты:
ГОСТ 8.010-90 Государственная система обеспечения единства измерений. Методики выполнения измерений <*>
--------------------------------
<*> В Российской Федерации действует
ГОСТ Р 8.563-96 "Государственная система обеспечения единства измерений. Методики выполнения измерений".
ГОСТ 577-68 Индикаторы часового типа с ценой деления 0,01 мм. Технические условия
ГОСТ 3514-94 Стекло оптическое бесцветное. Технические условия
ГОСТ 6825-91 Лампы люминесцентные трубчатые для общего освещения
ГОСТ 7338-90 Пластины резиновые и резинотканевые. Технические условия
ГОСТ 8778-81 Заготовки очковых линз. Технические условия
ГОСТ 11141-84 Детали оптические. Классы чистоты поверхностей. Методы контроля
ГОСТ 15150-69 Машины, приборы и другие технические изделия. Исполнения для различных климатических районов. Категории, условия эксплуатации, хранения и транспортирования в части воздействия климатических факторов внешней среды
ГОСТ 18242-72 Статистический приемочный контроль по альтернативному признаку. Планы контроля <**>
--------------------------------
<**> В Российской Федерации действует
ГОСТ Р 50779.71-99 "Статистические методы. Процедуры выборочного контроля по альтернативному признаку. Часть 1. Планы выборочного контроля последовательных партий на основе приемлемого уровня качества AQL".
ГОСТ 18321-73 Статистический контроль качества. Методы случайного отбора выборок штучной продукции
ГОСТ 23136-93 Материалы оптические. Параметры
ГОСТ 24634-81 Ящики деревянные для продукции, поставляемой для экспорта. Общие технические условия
3. Определения, обозначения и сокращения
В настоящем стандарте применяют следующие термины с соответствующими определениями, обозначения и сокращения:
3.1. Очковая линза: линза, предназначенная для коррекции зрения. Очковая линза характеризуется оптической силой, выражаемой рефракцией.
3.2. Рефракция (F): величина, обратная фокусному расстоянию очковой линзы, измеренному в метрах. Единицей рефракции является диоптрия, которая выражается в обратных метрах

. В некоторых странах для обозначения рефракции используют символ (d).
3.3. Стигматическая линза (условное обозначение С): линза, сводящая пучок параксиальных световых лучей в один фокус.
Примечание. Это определение распространяется и на асферические линзы, предназначенные для коррекции зрения на одном расстоянии видения.
3.4. Астигматическая линза (условное обозначение А): линза, сводящая пучок параксиальных световых лучей в два различных фокуса, расположенных во взаимно перпендикулярных плоскостях. Астигматическая линза в отличие от стигматической характеризуется двумя значениями оптической силы линзы. Линзы, называемые тороидальными, сфероцилиндрическими и битороидальными, являются астигматическими.
3.5. Астигматизм: разность между минимальным и максимальным значениями рефракций в главных сечениях.
3.6. Главные меридиональные сечения: перпендикулярные сечения линзы, которые содержат оптическую ось и в которых рефракция принимает максимальное и минимальное значения.
Примечание. В общем случае оба главных меридиональных сечения перпендикулярны друг другу (простой астигматизм).
3.7. Первое главное меридиональное сечение астигматической линзы: главное сечение, в котором задняя вершинная рефракция принимает наименьшее по алгебраической величине значение.
3.8. Рефракция стигматической линзы: среднее значение рефракции в обоих главных сечениях.
3.9. Рефракция астигматической линзы: величина, включающая три значения: рефракции для каждого главного сечения и разницу рефракций в главных сечениях.
Разница рефракций в главных сечениях называется астигматической разностью.
3.10. Линза имеет две вершинные рефракции: задняя вершинная рефракция (выражается в диоптриях): величина, обратная заднему фокальному отрезку, измеренному в метрах

; передняя вершинная рефракция: величина, обратная переднему фокальному отрезку, измеренному в метрах

.
3.11. Призматическое действие: отклонение светового луча, при прохождении через заданную точку на линзе, от первоначального направления. Единицей призматического действия является призменная диоптрия (прдптр).
3.12. Афокальная линза: линза, имеющая нулевое оптическое действие в каждом меридиональном сечении.
3.13. Однофокальная линза: линза, предназначенная для коррекции зрения на одном расстоянии видения.
3.14. Многофокальная линза: линза, предназначенная для коррекции зрения на двух (бифокальная - условное обозначение Б) и трех (трифокальная - условное обозначение Т) расстояниях видения.
3.15. Трансфокальная линза: многофокальная линза, имеющая зоны оптического действия с плавно меняющимися переходами.
3.16. Оптический центр: точка на какой-либо поверхности линзы, через которую световой луч, падающий нормально на данную поверхность, проходит через линзу, не испытывая каких-либо отклонений.
3.17. Геометрический центр: точка, равноудаленная от любой точки наружного диаметра нефацетированной линзы.
3.18. Ссылочная точка: точка на линзе, относительно которой изготовитель указывает конструктивные требования.
3.19. Призматическая линза: линза, обладающая заданным призматическим действием в геометрическом центре.
3.20. Децентрированная линза: линза, имеющая заданную децентрацию.
3.21. Номинальный диаметр линзы

: это диаметр, указанный в нормативном документе на линзу.
3.22. Эффективный диаметр линзы (далее - диаметр)

: фактически измеренный диаметр заготовки.
3.23. Полезный диаметр линзы

: максимальный диаметр окружности, внутри которой находятся допустимые дефекты (сколы, царапины, точки, пузыри).
3.24. Нефацетированная линза: очковая линза, которая имеет оптически обработанные поверхности и которая не обрезана до окончательных размеров и формы, соответствующих какой-либо оправе.
3.25. Лентикулярная линза (условное обозначение Л): линза, у которой оптически активной является только центральная зона заданного диаметра и у которой для облегчения веса утончен край.
3.26. Линзы склеенные: условное обозначение К.
3.27. Линзы спеченные: условное обозначение С.
3.28. Линзы для коррекции правого глаза: условное обозначение 1; для коррекции левого глаза - условное обозначение 2.
3.29. Линзы, изготовленные из полимерного материала (условное обозначение П); линзы, изготовленные из неорганического стекла (не обозначаются).
4. Классификация, основные параметры и размеры
4.1.1. Очковые линзы подразделяют:
в зависимости от материала на:
- из неорганического стекла,
- из полимерного материала;
по числу оптических зон коррекции аметропии зрения на:
- афокальные,
- однофокальные,
- бифокальные,
- трифокальные;
по возможности коррекции дефектов зрения на:
- стигматические,
- астигматические;
по возможности коррекции дефектов зрения при косоглазии и слабости мышц глаза на:
- призматические,
- непризматические;
по знаку значения задней вершинной рефракции на:
- положительные,
- отрицательные,
- отрицательно-положительные;
в зависимости от наличия лентикулярной фаски на:
- лентикулярные,
- нелентикулярные;
по технологии изготовления на:
- склеенные,
- спеченные,
- цельные;
по наличию плоскости симметрии на:
- линзы для коррекции правого глаза,
- линзы для коррекции левого глаза;
в зависимости от номинального положения оптического центра относительно геометрического на:
- центрированные,
- децентрированные.
4.1.2. Линзы следует изготавливать типов, указанных в таблице 1.
Таблица 1
Тип | Назначение |
Обозначение | Наименование |
АП | Афокальные призматические | Коррекция зрения эмметропического глаза при косоглазии и для компенсации слабос- ти мышц глаза |
ОС | Однофокальные стигматические | Коррекция зрения миопического, гипер- метропического и афакического глаза |
ОСП | Однофокальные стигматические призматические | Коррекция зрения миопического, гипер- метропического и афакического глаза при косоглазии и слабости мышц глаза |
ОА | Однофокальные астигматические | Коррекция зрения миопического, гипер- метропического и афакического астигмати- ческого глаза |
БС | Бифокальные стигматические | Коррекция зрения миопического, гипер- метропического и афакического глаза при недостаточном объеме аккомодации |
БА | Бифокальные астигматические | Коррекция зрения миопического, гипер- метропического и афакического астигмати- ческого глаза при недостаточном объеме аккомодации |
ТС | Трифокальные стигматические | Коррекция зрения миопического, гипер- метропического и афакического глаза |
ТА | Трифокальные астигматические | Коррекция зрения миопического, гипер- метропического и афакического глаза при недостаточном объеме аккомодации |
4.1.3. В зависимости от точности изготовления и показателей внешнего вида линзы подразделяют на группы I и II.
4.2. Основные параметры и размеры
4.2.1. Абсолютное номинальное значение задней вершинной рефракции стигматических линз или зоны для дали бифокальных и трифокальных линз следует выбирать из рядов с интервалами, указанными в таблице 2.
Таблица 2
В диоптриях
┌─────────────────────────────────────────────────────┬───────────────────┐
│ Задняя вершинная рефракция │Допустимое значение│
├───────────────────────┬───────────────────┬─────────┤ астигматизма │
│Абсолютное номинальное │ Пред. откл. для │Интервал │ │
│ значение │ группы │ │ │
│ ├──────────┬────────┤ │ │
│ │ I │ II │ │ │
├───────────────────────┼──────────┼────────┼─────────┼───────────────────┤
│ До 3,0 включ.│ +/- 0,09 │+/- 0,12│ 0,25 │ 0,06 │
├───────────────────────┼──────────┤ │ │ │
│Св. 3,0 до 6,0 включ.│ +/- 0,12 │ │ │ │
├───────────────────────┤ ├────────┼─────────┼───────────────────┤
│Св. 6,0 до 9,0 включ.│ │+/- 0,18│ 0,50 │1% от значения зад-│
├───────────────────────┼──────────┤ │ │ней вершинной ре- │
│Св. 9,0 до 12,0 включ.│ +/- 0,18 │ │ │фракции (0,09 макс)│
├───────────────────────┼──────────┼────────┤ │ │
│Св. 12,0 до 20,0 включ.│ +/- 0,25 │+/- 0,25│ │ │
├───────────────────────┤ ├────────┼─────────┤ │
│Св. 20,0 │ │+/- 0,35│ 1,00 │ │
└───────────────────────┴──────────┴────────┴─────────┴───────────────────┘
Абсолютное номинальное значение задней вершинной рефракции зоны для близи бифокальных и трифокальных линз, промежуточной зоны трифокальных линз следует выбирать из рядов с интервалами, указанными в таблице 3.
Таблица 3
В диоптриях
┌─────────────────────────────────────────────────┬──────────────┐
│ Задняя вершинная рефракция │ Допустимое │
├────────────────────────┬─────────────┬──────────┤ значение │
│ Абсолютное номинальное │ Пред. откл. │ Интервал │ астигматизма │
│ значение │ │ │ │
├────────────────────────┼─────────────┼──────────┼──────────────┤
│ До 3,0 включ. │ +/- 0,12 │ 0,25 │ 0,12 │
├────────────────────────┤ │ │ │
│Св. 3,0 до 6,0 включ. │ │ │ │
├────────────────────────┼─────────────┼──────────┼──────────────┤
│Св. 6,0 до 9,0 включ. │ +/- 0,18 │ 0,50 │ 0,12 │
├────────────────────────┤ │ │ │
│Св. 9,0 до 12,0 включ. │ │ │ │
├────────────────────────┼─────────────┤ │ │
│Св. 12,0 до 20,0 включ. │ +/- 0,25 │ │ │
└────────────────────────┴─────────────┴──────────┴──────────────┘
Абсолютное номинальное значение задней вершинной рефракции в первом главном сечении и астигматическую разность рефракций астигматических линз следует выбирать из рядов с интервалами, указанными в таблице 4.
Таблица 4
В диоптриях
┌───────────────────────────────────────────────────┬───────────────────────────────────┐
│Задняя вершинная рефракция в первом главном сечении│Астигматическая разность рефракций │
├───────────────────────┬──────────────────┬────────┼─────────────────┬─────────────────┤
│Абсолютное номинальное │ Пред. откл. для │Интервал│ До 4,0 │ Св. 4,0 │
│ значение │ группы │ │ │ │
│ ├─────────┬────────┤ ├────────┬────────┼────────┬────────┤
│ │ I │ II │ │ Пред. │Интервал│ Пред. │Интервал│
│ │ │ │ │ откл. │ │ откл. │ │
├───────────────────────┼─────────┼────────┼────────┼────────┼────────┼────────┼────────┤
│ До 3,0 включ.│+/- 0,09 │+/- 0,12│ 0,25 │+/- 0,12│ 0,25 │+/- 0,25│ 0,50 │
├───────────────────────┼─────────┤ │ │ │ │ │ │
│Св. 3,0 до 6,0 включ.│+/- 0,12 │ │ │ │ │ │ │
├───────────────────────┤ ├────────┼────────┼────────┼────────┼────────┼────────┤
│Св. 6,0 до 9,0 включ.│ │+/- 0,18│ 0,50 │+/- 0,18│ 0,25 │+/- 0,25│ 0,50 │
├───────────────────────┼─────────┤ │ │ │ │ │ │
│Св. 9,0 до 12,0 включ.│+/- 0,18 │ │ │ │ │ │ │
├───────────────────────┼─────────┼────────┤ │ │ │ │ │
│Св. 12,0 до 20,0 включ.│+/- 0,25 │+/- 0,25│ │ │ │ │ │
├───────────────────────┼─────────┼────────┼────────┤ │ │ │ │
│Св. 20,0 │+/- 0,35 │+/- 0,35│ 1,0 │ │ │ │ │
└───────────────────────┴─────────┴────────┴────────┴────────┴────────┴────────┴────────┘
Значения добавочных рефракций бифокальных и трифокальных линз следует выбирать из ряда: от 0,5 до 4,0 дптр с интервалом 0,25 дптр.
4.2.2. Предельное отклонение призматического действия призматических линз должно соответствовать указанному в таблице 5.
Таблица 5
В призменных диоптриях
┌───────────────────────────────────────────────────┬────────────┐
│ Призматическое действие │ Интервал │
├───────────────────────────────────┬───────────────┤ │
│ Абсолютное номинальное значение │ Пред. откл. │ │
├───────────────────────────────────┼───────────────┼────────────┤
│ До 1,0 включ. │ +/- 0,2 │ 0,5 │
│Св. 1,0 до 3,0 включ. │ +/- 0,2 │ 0,5 │
│Св. 3,0 до 10,0 включ. │ +/- 0,3 │ 1,0 │
│Св. 10,0 │ +/- 0,5 │ 2,0 │
└───────────────────────────────────┴───────────────┴────────────┘
4.2.3. Диаметры линз - по ГОСТ 8778 или другим нормативным документам на заготовки.
4.2.4. Отклонение значения эффективного диаметра от номинального в сторону уменьшения не должно превышать 0,4 мм.
Полезный диаметр линз группы I должен соответствовать номинальному диаметру линзы.
Разность между номинальным диаметром линзы и ее полезным диаметром для линз группы II не должна превышать 4 мм.
Диаметр зоны оптического действия лентикулярных линз должен быть не менее 26 мм при значении задней вершинной рефракции менее минус 8,0 дптр.
4.2.5. Номинальные значения наименьших размеров зоны для близи бифокальных линз и общей зоны для близи трифокальных линз должны быть указаны в нормативных документах.
Номинальные значения наименьших размеров зоны для близи трифокальных линз должны быть указаны в нормативных документах.
4.2.6. Номинальное значение толщины линзы по центру должно соответствовать указанному в рабочем чертеже, утвержденном в установленном порядке. Предельное отклонение толщины линзы по центру не должно выходить за пределы +/- 0,3 мм, при этом наименьшая предельная толщина положительных линз по краю, а отрицательных по центру должна быть 0,4 мм.
4.2.7. Номинальное значение децентрации децентрированных линз должно быть 5 мм. Предельное отклонение децентрации должно соответствовать указанному в таблице 6.
Таблица 6
┌─────────────────────────────────────┬──────────────────────────┐
│Абсолютное значение задней вершинной │ Пред. откл. децентрации, │
│ рефракции, дптр │ мм, не более │
├─────────────────────────────────────┼──────────────────────────┤
│ От 1,0 до 2,0 включ. │ +/- 2 │
│ Св. 2,0 │ +/- 1 │
└─────────────────────────────────────┴──────────────────────────┘
4.2.8. Условное обозначение линз должно содержать:
- надпись "Линза очковая" и обозначение типа линзы;
- обозначение технологического исполнения - К или С;
- обозначение полимерного материала - П;
- обозначение наличия лентикулярной фаски - Л;
- обозначение коррекции правого или левого глаза - 1 или 2;
- значения диаметров;
- обозначение группы - I или II;
- значения основных параметров;
- обозначение настоящего стандарта.
4.2.9. Значения диаметров линзы и ее зон для каждого типа линз должны быть указаны в условном обозначении в следующей последовательности (с учетом
таблицы 7):
- значение номинального диаметра для однофокальных стигматических линз;
- значение полезного диаметра

линзы для астигматических однофокальных, бифокальных и трифокальных линз;
- значение полезного диаметра равноценной центрированной линзы - для децентрированных линз;
- значение наименьшего диаметра общей зоны для близи - для трифокальных линз;
- значение наименьшего диаметра зоны для близи - для бифокальных и трифокальных линз;
- значения диаметров должны отделяться знаком "/".
Наименование диаметров и основных параметров | Тип линзы |
АП | ОС | ОСП | ОА | БС | БА | ТС | ТА |
Полезный диаметр линзы | + | + | + | + | + | + | + | + |
Полезный диаметр равноценной центрирован- ной линзы для децентрированных линз | | + | | | + | | + | |
Наименьший диаметр | общей зоны для близи | | | | | | | + | + |
зоны для близи | | | | | + | + | + | + |
Задняя вершинная рефракция | линзы | | + | + | | | | | |
зоны для дали | | | | | + | | + | |
промежуточной зоны | | | | | | | + | |
зоны для близи | | | | | + | | + | |
Задние вершинные рефракции в главных сечениях | линзы | | | | + | | | | |
зоны для дали | | | | | | + | | + |
промежуточной зоны | | | | | | | | + |
зоны для близи | | | | | | + | | + |
Примечание. В таблице знак "+" означает наличие параметра для каждого типа линз. |
Допускается не указывать значение наименьшего диаметра зоны для близи в случаях бифокальных цельных линз.
4.2.10. Значение задней вершинной рефракции в условном обозначении указывают в диоптриях (без указания единиц измерения) со знаком "+" или "-" (для каждого главного сечения, начиная с первого для астигматических линз).
Основные параметры каждой зоны бифокальной или трифокальной линзы должны отделяться знаком "/".
4.2.11. Наименования диаметров и основных параметров линзы, содержащиеся в условном обозначении каждого типа, указаны в
таблице 7.
4.2.12. Примеры условных обозначений:
- однофокальной астигматической очковой линзы диаметром 68 мм, группы I, имеющей заднюю вершинную рефракцию в главных сечениях, равную плюс 3,0 и плюс 4,0 дптр:
- бифокальной спеченной астигматической очковой линзы для коррекции левого глаза диаметром 60 мм и наименьшим диаметром зоны для близи 20 мм, группы II, имеющей:
в зоне для дали - заднюю рефракцию в главных сечениях минус 4,5 и минус 3,5 дптр, в зоне для близи - заднюю вершинную рефракцию в главных сечениях минус 1,5 и минус 0,5 дптр:
- трифокальной спеченной стигматической очковой линзы для коррекции правого глаза диаметром 60 мм, децентрированной на 5 мм, с наименьшим диаметром общей зоны для близи 18 мм, наименьшим диаметром зоны для близи 12 мм, группы I, имеющей заднюю вершинную рефракцию, равную плюс 1,0 дптр - в зоне для дали, плюс 2,5 дптр - в промежуточной зоне, плюс 4,0 дптр - в зоне для близи:
то же, при поставке в страны с тропическим климатом:
5. Общие технические требования
5.1.1. Линзы изготавливают в соответствии с требованиями настоящего стандарта по рабочим чертежам, утвержденным в установленном порядке.
5.1.2. Линзы следует изготавливать из заготовок бесцветного неорганического стекла по ГОСТ 8778, ГОСТ 3514, ГОСТ 23136 или другим нормативным документам на стекло и из полимерного материала по нормативным документам, обеспечивающим требования, установленные настоящим стандартом.
5.1.3. Глубина сколов в пределах полезного диаметра не должна превышать 1 мм.
Количество сколов глубиной от 0,3 до 1 мм в пределах полезного диаметра не должно быть более 2 шт., при этом расстояние между ними должно соответствовать:
центральному углу не более 120° - для астигматических и призматических линз;
центральному углу не менее 100° - для прочих линз.
Количество сколов глубиной менее 0,3 мм не нормируется.
5.1.4. Качество обработки преломляющих поверхностей линзы должно соответствовать требованиям, приведенным ниже.
5.1.4.1. Отклонения формы поверхности линз (волны), искажающие изображение рассматриваемого объекта, не допускаются.
5.1.4.2. Ширина царапин (b) и их суммарная длина (l) не должны превышать значений, указанных в таблице 8.
Таблица 8
Зона линзы | b, мм, для группы | l, мм, для группы |
I | II | I | II |
Центральная, диаметром 30 мм | Св. 0,006 до 0,01 включ. | Св. 0,006 до 0,02 включ. | 10 | 15 |
Краевая | Св. 0,006 до 0,02 включ. | 10 | 15 |
Царапины шириной до 0,006 мм и точки диаметром до 0,05 мм допускаются, если их площадь на ограниченном участке диаметром 5 мм не превышает 0,1 мм2.
Примечание. На лентикулярной фаске допускаются царапины и точки, соответствующие классу чистоты VII по ГОСТ 11141.
5.1.5. Выколки на линии раздела зон лентикулярных и цельных бифокальных линз не допускаются более:
- при ширине от 0,05 до 0,1 мм и длине от 0,3 до 0,4 мм - 2 шт.;
- при ширине менее 0,05 мм или от 0,05 до 0,1 мм и длине до 0,3 мм, площадью на ограниченном отрезке 5 мм - 0,1 мм2.
5.1.6. Уступы в вершинах линии раздела зон для дали и близи бифокальных цельных линз должны иметь высоту не более 0,3 мм.
5.1.7. Децентрация однофокальных стигматических (кроме децентрированных) и астигматических линз и зон для дали бифокальных и трифокальных линз не должна превышать значений, указанных в таблице 9.
Таблица 9
┌───────────────────────────┬──────────────┬──────────────────────────────┐
│Абсолютное значение задней │ Децентрация, │ Призматическое действие в │
│ вершинной рефракции, дптр │мм, для группы│геометрическом центре, прдптр │
│ ├────────┬─────┤ │
│ │ I │ II │ │
├───────────────────────────┼────────┼─────┼──────────────────────────────┤
│ 0,00 │ - │ - │ 0,2 │
│ 0,25 │ 5 │ 8 │ - │
│Св. 0,25 до 0,50 включ. │ 4 │ 7 │ - │
│ " 0,50 " 1,00 " │ 3 │ 4 │ - │
│ " 1,00 " 2,00 " │ 2 │ 3 │ - │
│ " 2,00 │ 2 │ 2 │ - │
├───────────────────────────┴────────┴─────┴──────────────────────────────┤
│ Примечания. │
│ 1. Указанную децентрацию следует относить к полезным диаметрам линз. │
│ 2. Указанная децентрация для призматических линз соответствует│
│смещению не оптического, а номинального центра, т.е. точки в главном│
│сечении, призматическое действие в котором равно номинальному. │
└─────────────────────────────────────────────────────────────────────────┘
5.1.8. Маркировку оптического центра и ссылочной точки, главного сечения астигматических и призматических линз, а также горизонтальной и вертикальной осей линз следует выполнять тушью или краской, не смываемой водой.
5.1.9. Положение оптического или номинального центра однофокальных линз и зоны для дали бифокальных и трифокальных линз должно быть помечено точкой диаметром не более 1 мм, наносимой черной тушью или краской, смываемой водой.
Однофокальные стигматические и астигматические линзы, зоны для дали бифокальных и трифокальных стигматических и астигматических линз, имеющие абсолютное значение задней вершинной рефракции 0,00 или 0,25 дптр (в главном сечении для астигматических линз), должны иметь маркировку геометрического центра вместо оптического.
Смещение маркировочной точки относительно оптического центра или ссылочной точки линзы или ее зоны для дали не должно превышать значений, указанных в таблице 10.
Таблица 10
┌─────────────────────────────────────┬──────────────────────────┐
│Абсолютное значение задней вершинной │ Смещение маркировочной │
│ рефракции, дптр │ точки, мм, не более │
├─────────────────────────────────────┼──────────────────────────┤
│ До 0,5 включ. │ 3 │
│ Св. 0,5 " 1,0 " │ 2 │
│ " 1,0 │ 1 │
└─────────────────────────────────────┴──────────────────────────┘
5.1.10. Положение осей первого главного сечения однофокальных астигматических линз и зоны для дали бифокальных и трифокальных астигматических линз должно быть помечено двумя точками диаметром не более 1 мм, расположенными симметрично относительно оптического центра или ссылочной точки, на расстоянии не менее 30 мм друг от друга и наносимыми черной тушью или краской, смываемой водой.
Отклонение маркировочных точек главного сечения астигматической линзы не должно превышать значений, указанных в таблице 11.
Таблица 11
┌──────────────────────────────────────────┬─────────────────────┐
│Астигматическая разность рефракций, дптр, │Допустимое отклонение│
│ или призматическое действие, прдптр │ маркировочных точек │
├──────────────────────────────────────────┼─────────────────────┤
│ До 0,5 включ. │ +/- 5° │
│ Св. 0,5 " 3,0 " │ +/- 3° │
│ " 3,0 │ +/- 2° │
└──────────────────────────────────────────┴─────────────────────┘
5.1.11. Положение горизонтальной и вертикальной осей бифокальных и трифокальных линз, имеющих исполнение для коррекции правого и левого глаза, должны быть помечены линиями толщиной не более 1 мм, проходящими через ссылочную точку линзы и наносимыми красными тушью или краской, смываемой водой.
5.1.11а. Полимерные линзы должны быть абразивостойкими.
5.1.12. Срок сохраняемости линз из полимерного материала - не менее 5 лет, линз из неорганического стекла - не менее 15 лет.
5.1.13. Линзы в процессе эксплуатации должны быть устойчивы к воздействию климатических факторов внешней среды для изделий исполнения В категории 1.1 по
ГОСТ 15150.
Спеченные линзы в условиях эксплуатации при воздействии температуры, смены температур, влажности воздуха должны соответствовать требованиям
5.2.1,
5.2.2 (в части контура дополнительного сегмента),
5.2.3 (в части трещин).
Линзы должны сохранять свои характеристики после пребывания в интервале температур от минус 50 °C до плюс 50 °C и относительной влажности воздуха 100% при температуре 25 °C в условиях транспортирования.
5.1.14. Линзы, упакованные в транспортную тару, должны быть устойчивы к механическим воздействиям при транспортировании.
5.2. Требования к сырью и материалам
5.2.1. Удельная разность хода для спеченных линз - не более 70 нм на 1 см.
5.2.2. Свили в пределах полезного диаметра линзы и контур дополнительного сегмента, искажающие изображение рассматриваемого объекта, не допускаются.
5.2.3. Количество (N) пузырей, точек и других инородных включений, допустимых только при расстоянии между ними более 5 мм, и их диаметр (d) не должны превышать значений, указанных в таблице 12.
Таблица 12
Зона линзы | d, мм, для группы | N, шт., не более, для группы |
I | II | I | II |
Центральная, диа- метром 30 мм | От 0,05 до 0,1 включ. | От 0,05 до 0,2 включ. | 1 | 2 |
Краевая | От 0,1 до 0,2 включ. | От 0,1 до 0,3 включ. | 2 | 3 |
Указанные дефекты диаметром менее 0,05 мм в центральной зоне и диаметром менее 0,1 мм в краевой зоне допускаются, если их площадь на ограниченном участке диаметром 5 мм не превышает 0,01 мм2 и количество таких участков не более 2.
В кольцевой зоне шириной 2 мм по краю линзы дефекты, кроме трещин, не нормируются. Трещины не допускаются.
Примечания.
1. За диаметр пузыря неправильной формы принимают максимальный линейный размер пузыря.
2. На лентикулярной фаске допускаются пузыри, точки и другие инородные включения, соответствующие 6-й категории класса Г по ГОСТ 23136.
5.3. Маркировка и упаковка
5.3.1. Каждая линза должна быть уложена в бумажный упаковочный конверт или полиэтиленовую упаковку.
Упаковочные конверты или полиэтиленовые упаковки должны быть изготовлены по рабочим чертежам завода-изготовителя, утвержденным в установленном порядке.
5.3.2. На упаковочном конверте каждой линзы, полиэтиленовой упаковке или этикетке, вкладываемой в полиэтиленовую упаковку, должны быть указаны:
- товарный знак завода-изготовителя;
- надпись "Линза очковая" или "Линза очковая П";
- номинальные значения диаметров;
- номинальные значения основных параметров;
- обозначение типа и исполнения линзы;
- обозначение настоящего стандарта.
На бумажном упаковочном конверте или этикетке первичной упаковочной коробки для экспорта печатным способом должны быть указаны данные, оговоренные в договоре или контракте.
5.3.3. Линзы, упакованные в конверты или полиэтиленовые упаковки, должны быть плотно уложены в групповые упаковочные коробки, изготовленные по рабочим чертежам завода-изготовителя, утвержденным в установленном порядке. В групповую упаковочную коробку должны укладываться линзы в количестве, кратном 10, одного типа, с одинаковыми основными параметрами и диаметрами.
Линзы для экспорта должны быть уложены в упаковку, оговоренную в договоре или контракте.
5.3.4. На каждую групповую упаковочную коробку должна быть наклеена этикетка, выполненная по рабочим чертежам завода-изготовителя, утвержденным в установленном порядке, на которой должны быть сделаны надписи в соответствии с
5.3.2 настоящего стандарта и дополнительно указано:
- количество линз;
- дата упаковывания (месяц, год).
Коробка должна быть упакована таким образом, чтобы исключить возможность открывания без нарушения ее целостности.
5.3.5. Групповые упаковочные коробки при транспортировании должны быть уложены в ящики или специальные контейнеры. Свободное перемещение коробок внутри ящика не допускается.
В каждый транспортный ящик или контейнер должен быть вложен упаковочный лист с указанием условного обозначения линз, их количества, даты упаковывания и условного номера упаковщика.
5.3.6. Маркирование транспортных ящиков - по
ГОСТ 14192.
На каждом ящике должны быть нанесены манипуляционные знаки:
"Хрупкое. Осторожно";
"Верх";
"Беречь от влаги".
На транспортных ящиках для экспорта должны быть сделаны надписи в соответствии с
ГОСТ 14192 и нанесены манипуляционные знаки:
"Хрупкое. Осторожно";
"Верх";
"Беречь от влаги".
"Т" - знак тропической упаковки по
ГОСТ 24634 (при транспортировании в районы с тропическим климатом).
6.1. Линзы подвергают приемосдаточным и периодическим испытаниям.
Испытания должны быть проведены в объеме, последовательности и по плану контроля, определяемым программой испытаний.
6.2. Приемосдаточные и периодические испытания линз должны соответствовать указанным в таблице 13.
Таблица 13
┌──────────────────────┬────────────────────────┬─────────────────────────┐
│Наименование проверки │ Номер пункта │ Испытания │
│ ├──────────────┬─────────┼──────────┬──────────────┤
│ │ технических │ методов │приемо- │периодические │
│ │ требований │испытаний│сдаточные │1 раз в 3 года│
├──────────────────────┼──────────────┼─────────┼──────────┼──────────────┤
│ Проверка задней вер- │
4.2.1 │
7.1 │ + │ + │
│шинной рефракции │ │ │ │ │
│ Проверка призматичес-│
4.2.2 │
7.2 │ + │ + │
│кого действия │ │ │ │ │
│ Проверка: │ │
7.3 │ + │ + │
│ полезного диаметра │
4.2.4 │ │ │ │
│ наименьших диаметров│
4.2.5 │ │ │ │
│ зон │ │ │ │ │
│ глубины сколов │
5.1.3 │ │ │ │
│ ных точек и осей │
5.1.11 │ │ │ │
│высоты уступа │ │ │ │ │
│ Проверка: │ │
7.6 │ + │ + │
│ чистоты поверхности │
5.1.4.2 │ │ │ │
│ наличия выколок │
5.1.5 │ │ │ │
│ бессвильности и │
5.2.2 │ │ │ │
│ видимости контура │ │ │ │ │
│ сегмента │ │ │ │ │
│ пузырности │
5.2.3 │ │ │ │
│ Проверка смещения │
5.1.9 │
7.7 │ + │ + │
│маркировочной точки │ │ │ │ │
│ Проверка отклонения │
5.1.10 │
7.8 │ + │ + │
│маркировочных точек │ │ │ │ │
│стойкости линз из │ │ │ │ │
│полимерных материалов │ │ │ │ │
│сохраняемости │ │ │ │ │
│к воздействию │ │ │ │ │
│климатических факторов│ │ │ │ │
│к механическим │ │ │ │ │
│воздействиям │ │ │ │ │
│разности хода │ │ │ │ │
│ Проверка маркировки и│
5.3 │
7.13 │ - │ + │
│упаковки │ │ │ │ │
└──────────────────────┴──────────────┴─────────┴──────────┴──────────────┘
6.3. Для каждого типа линз перечень основных параметров, проверяемых при испытаниях, должен соответствовать указанному в
таблице 7.
6.4. Испытания по
5.1.12,
5.1.13 и
5.1.14 проводят только на опытных образцах и на образцах установочной серии.
При проведении климатических испытаний допускается объединять испытания линз, отличающихся только значениями конструктивных параметров.
Допускается объединять испытания на тепло- и холодоустойчивость и смену температур.
6.5. При приемосдаточных испытаниях линзы должны подвергаться выборочному контролю по
ГОСТ 18242 при следующих условиях:
- приемочный уровень дефектности AQL - 1,5%;
- уровень контроля - II;
- вид контроля - нормальный;
- тип плана контроля - одноступенчатый;
- все контролируемые дефекты - значительные;
Партии на контроль должны поступать последовательно.
При контроле последовательных партий переход с нормального контроля на усиленный или ослабленный и обратно - по
ГОСТ 18242.
6.6. За партию принимают линзы одного типа, одного диаметра, имеющие одни и те же значения задней вершинной рефракции и один и тот же сопроводительный документ.
6.7. Периодическим испытаниям должны подвергаться линзы в количестве 20 шт. каждой рефракции (комбинации рефракций). При неудовлетворительных результатах повторные испытания проводят на удвоенном количестве линз.
6.8. Испытания линз проводят при нормальных условиях испытаний по
ГОСТ 15150, за исключением особо указанных в разделе 7 настоящего стандарта.
7.1. Проверку задней вершинной рефракции
(4.2.1) проводят с помощью диоптриметра с погрешностью, не выходящей за пределы, указанные в таблице 14, или другого средства измерения с такой же точностью по методике, аттестованной по ГОСТ 8.010.
Таблица 14
В диоптриях
┌──────────────────────────────┬─────────────────────────────────┐
│ Абсолютное значение задней │ Погрешность средства измерения │
│ вершинной рефракции │ при контроле для группы │
│ ├────────────────┬────────────────┤
│ │ I │ II │
├──────────────────────────────┼────────────────┼────────────────┤
│ До 3,00 включ. │ +/- 0,03 │ +/- 0,06 │
├──────────────────────────────┼────────────────┼────────────────┤
│ Св. 3,00 до 6,00 включ. │ +/- 0,06 │ +/- 0,09 │
│ " 6,00 " 9,00 " │ │ │
├──────────────────────────────┼────────────────┤ │
│ Св. 9,00 до 12,00 включ. │ +/- 0,09 │ │
├──────────────────────────────┼────────────────┼────────────────┤
│ Св. 12,00 до 20,00 включ. │ +/- 0,12 │ +/- 0,12 │
├──────────────────────────────┤ ├────────────────┤
│ Св. 20,00 │ │ +/- 0,18 │
└──────────────────────────────┴────────────────┴────────────────┘
7.2. Проверку отклонения призматического действия
(4.2.2) проводят с помощью диоптриметра с погрешностью, не выходящей за пределы, указанные в таблице 15, или другого средства измерения с такой же точностью по методике, аттестованной по ГОСТ 8.010.
В призменных диоптриях
┌────────────────────────────────┬───────────────────────────────┐
│ Призматическое действие │ Погрешность средств измерения │
├────────────────────────────────┼───────────────────────────────┤
│ До 3,0 включ. │ +/- 0,10 │
│ Св. 3,0 │ +/- 0,15 │
└────────────────────────────────┴───────────────────────────────┘
7.3. Проверку полезного диаметра линзы, зоны оптического действия лентикулярных линз
(4.2.4), наименьших диаметров
(4.2.5), глубины сколов
(5.1.3), размеров маркировочных точек и осей (
5.1.9,
5.1.10,
5.1.11) проводят с помощью шаблона с погрешностью, не выходящей за пределы +/- 0,2 мм, или другого средства измерения с такой же точностью.
7.4. Проверку толщины положительной линзы по краю, а отрицательной - по центру
(4.2.6) следует проводить в ссылочной точке выпуклой (вогнутой) поверхности по нормали к ней; проверку высоты уступа в вершине линии раздела зон бифокальных цельных линз
(5.1.6) следует проводить с помощью индикатора по
ГОСТ 577 с погрешностью, не выходящей за пределы +/- 0,02 мм, или другого средства измерения с такой же точностью.
| | ИС МЕГАНОРМ: примечание. В официальном тексте документа, видимо, допущена опечатка: имеется в виду пункт 5.1.7, а не пункт 5.17. | |
7.5. Проверку децентрации (
4.2.7 и
5.17) проводят с помощью диоптриметра с погрешностью, не выходящей за пределы, указанные в
таблице 15, или других средств измерения с такой же точностью.
7.6. Проверку наличия волн
(5.1.4.1), чистоты поверхности
(5.1.4.2), наличия выколок на линии раздела зон
(5.1.5), бессвильности и видимости контура дополнительного сегмента
(5.2.2) и пузырности
(5.2.3) проводят невооруженным глазом по схеме, приведенной на рисунке 1, которая состоит из черного матового экрана, люминесцентной лампы по
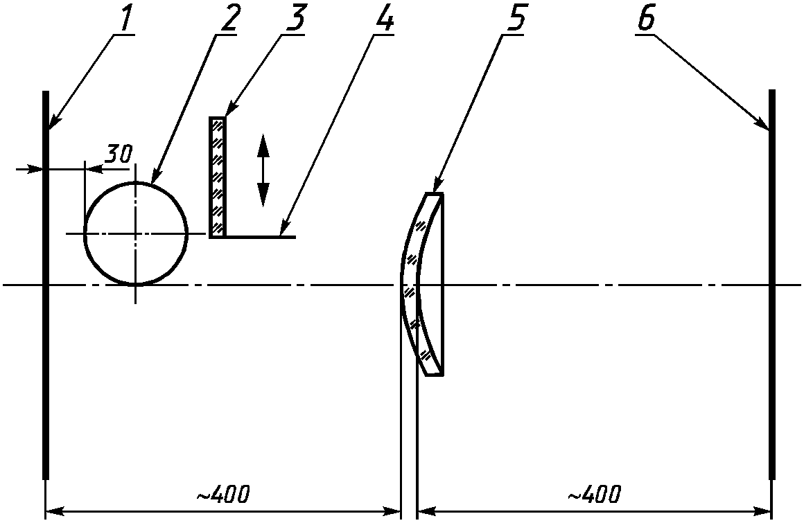
ГОСТ 6825 и диафрагмы. Контролируемую линзу и при необходимости образец сравнения, аттестованный в установленном порядке, помещают последовательно на расстоянии, указанном на рисунке 1. Освещенность на контролируемой линзе и образце сравнения должна быть в пределах от 200 до 400 лк. Освещенность помещения - 200 лк.
1 - черный матовый экран; 2 - люминесцентная лампа;
3 - диафрагма; 4 - маска; 5 - контролируемая линза;
6 - плоскость наблюдения
Рисунок 1
В качестве образца сравнения используют линзы с задней вершинной рефракцией, равной 0,00 дптр, и размерами дефектов, соответствующими указанным в
5.1.4.1,
5.1.4.2,
5.1.5,
5.2.2 и
5.2.3.
Линзу и образец сравнения осматривают последовательно.
Перемещая линзу вверх, вниз и слегка поворачивая ее вокруг оптической оси, обнаруживают волны, царапины, наличие выколок на линии раздела зон, свили, контур дополнительного сегмента, пузыри. Количество и размеры дефектов проверяемой линзы не должны превышать количества и размеров дефектов, указанных в
5.1.4.1,
5.1.4.2,
5.1.5,
5.2.2,
5.2.3.
7.7. Проверку смещения маркировочной точки относительно оптического центра или ссылочной точки
(5.1.9) проводят с помощью диоптриметра или других средств измерения с погрешностью, не выходящей за пределы, указанные в таблице 16.
Таблица 16
┌──────────────────────────────────────────┬─────────────────────┐
│ Абсолютное значение задней вершинной │ Погрешность │
│ рефракции, дптр │ измерения, мм │
├──────────────────────────────────────────┼─────────────────────┤
│ До 0,5 включ. │ +/- 2,0 │
│ Св. 0,5 " 1,0 " │ +/- 1,0 │
│ " 1,0 │ +/- 0,5 │
└──────────────────────────────────────────┴─────────────────────┘
7.8. Проверку отклонения маркировочных точек от главных сечений астигматических линз
(5.1.10) проводят с помощью диоптриметра или других средств измерения с точностью, не выходящей за пределы, указанные в таблице 17.
Таблица 17
┌────────────────────────────────────────┬───────────────────────┐
│Астигматическая разность рефракций, дптр│Погрешность маркировки │
├────────────────────────────────────────┼───────────────────────┤
│ До 0,5 включ. │ +/- 3° │
│ Св. 0,5 " 3,0 " │ +/- 2° │
│ " 3,0 │ +/- 1° │
└────────────────────────────────────────┴───────────────────────┘
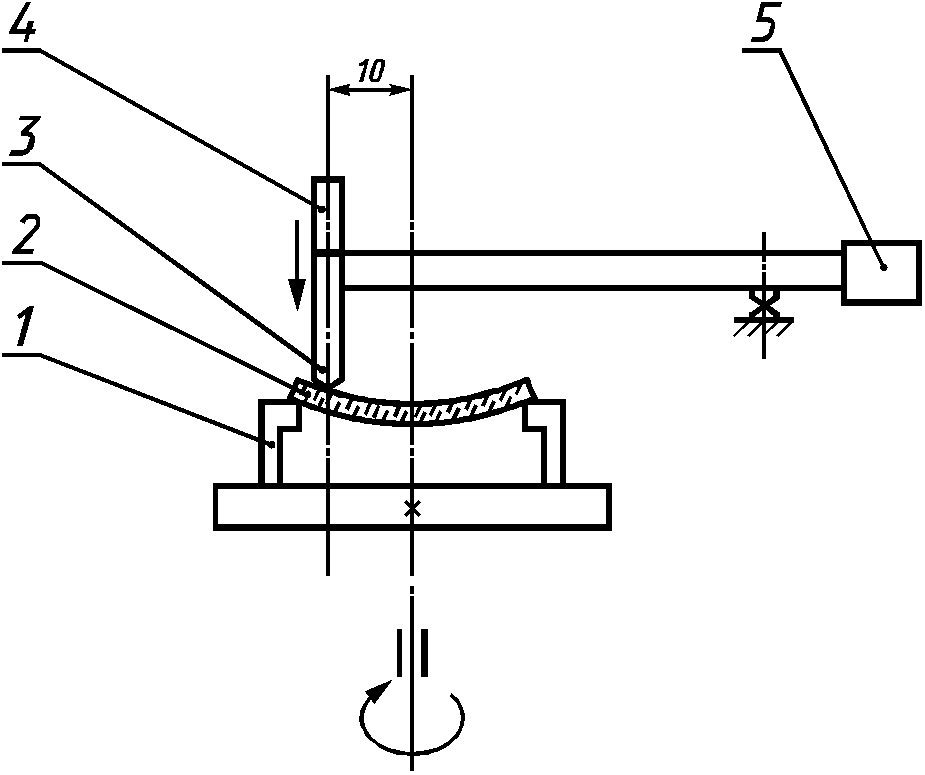
7.8а. Проверку абразивостойкости линз из полимерных материалов
(5.1.11а) проводят на установке, схема которой приведена на рисунке 2.
1 - патрон; 2 - контролируемая линза; 3 - наконечник;
4 - груз; 5 - противовес
Рисунок 2
Линзу, жестко закрепленную в патроне, подвергают вращению. Истирание осуществляется через прокладку из батиста наконечником из резины по
ГОСТ 7338, марка АМС, класс 2, вид Ф, тип 1.
Режимы испытаний:
скорость вращения - от 30 до 40 об/мин;
число оборотов - 1000;
нагрузка на наконечник - 200 г;
расстояние от оси вращения - 10 мм.
По окончании испытаний линзы должны соответствовать требованиям
5.1.4.2.
7.9. Проверку срока сохраняемости
(5.1.12) линз из полимерного материала проводят путем закладки выборки образцов в количестве 5 шт. на опытное хранение в течение 5 лет.
7.10. Проверку линз на устойчивость к воздействию климатических факторов
(5.1.13) проводят на:
- тепло-, холодоустойчивость - выдержкой линз в камере тепла и холода, обеспечивающей поддержание температуры с погрешностью в пределах +/- 3 °C. Температура в камере должна быть равна номинальному (соответственно верхнему или нижнему) значению рабочей температуры. Время выдержки линз в камере - 1 ч с момента достижения номинального режима; при испытаниях в условиях транспортирования - 1 ч с момента достижения номинального режима с последующей выдержкой в течение 24 ч в нормальных климатических условиях испытаний по
ГОСТ 15150;
- смену температур - путем воздействия на линзы непрерывно следующих друг за другом циклов; в каждом цикле линзы помещают в камеру холода, температуру в которой заранее доводят до нижнего номинального значения и выдерживают в течение 1 ч. Затем их переносят в камеру тепла, в которой заранее установлена температура, равная верхнему номинальному значению, и выдерживают в ней в течение 1 ч. Время переноса линз из камеры в камеру не должно превышать 5 мин;
- влагоустойчивость - выдержкой линз в камере влажности, обеспечивающей поддержание температуры и влажности с погрешностью в пределах +/- 3%. Относительная влажность в камере должна быть равна верхнему номинальному значению. Время выдержки линз - 2 суток с момента достижения номинального режима. При испытаниях в условиях транспортирования - выдержкой линз в номинальном режиме в камере влажности в течение времени, указанного выше, с последующей выдержкой в течение 24 ч в нормальных климатических условиях по
ГОСТ 15150.
После проверки линзы должны соответствовать требованиям
5.2.1 настоящего стандарта.
7.11. Проверку устойчивости линз к механическим воздействиям при транспортировании
(5.1.14) проводят на стенде имитации транспортной тряски, обеспечивающем перегрузки с погрешностью от плюс 10% до плюс 25%. При испытаниях линзы в транспортной упаковке жестко крепят в центре стенда без дополнительной амортизации.
Режим испытаний: число колебаний - от 2 до 3 в секунду;
максимальное ускорение - 30 м/с2;
продолжительность испытаний - 1 ч.
После испытаний линзы должны соответствовать требованиям
5.1.3,
5.1.4 и
5.1.5 настоящего стандарта.
7.12. Проверку удельной разности хода
(5.2.1) необходимо проводить на поляриметре в рабочем направлении линзы. Проверку проводят следующим образом: осуществляют компенсацию разности хода поворотом анализатора до тех пор, пока темная полоса будет подведена к краю линзы. Число участков измерения должно быть не менее 4. По лимбу отсчитывают углы

поворота анализатора для каждого участка. Наибольшее из измеренных значений углов используют для расчета удельной разности хода

по формуле

,
где d - толщина линзы на участке, выбранном для расчета.
После проверки значение удельной разности хода не должно превышать 70 нм/см.
7.13. Проверку маркировки и упаковки линз
(5.3) проводят внешним осмотром и сличением с сопроводительной документацией.
8. Транспортирование и хранение
8.1. Ящики с линзами транспортируют всеми видами транспорта в крытых транспортных средствах в соответствии с правилами перевозки грузов, действующими на транспорте данного вида.
Транспортирование линз - по группе условий хранения 5 по
ГОСТ 15150.
8.2. Хранение линз - по группе условий хранения 2 по
ГОСТ 15150.