Главная // Актуальные документы // ГОСТ (Государственный стандарт)СПРАВКА
Источник публикации
М.: ИПК Издательство стандартов, 2002
Примечание к документу
Документ утратил силу на территории Российской Федерации с 01.01.2011 в части венчика типа КПМ-30 (рисунок 46) связи с изданием
Приказа Росстандарта от 14.07.2010 N 178-ст. Взамен введен в действие
ГОСТ Р 53846.1-2010.
Документ включен в
Перечень стандартов, в результате применения которых на добровольной основе обеспечивается соблюдение требований технического
регламента Таможенного союза "О безопасности упаковки" (ТР ТС 005/2011) (
Решение Комиссии Таможенного союза от 16.08.2011 N 769).
С 01.07.2003 до вступления в силу технических регламентов акты федеральных органов исполнительной власти в сфере технического регулирования носят рекомендательный характер и подлежат обязательному исполнению только в части, соответствующей целям, указанным в
п. 1 ст. 46 Федерального закона от 27.12.2002 N 184-ФЗ.
Текст данного документа приведен с учетом поправок, опубликованных в "ИУС",
N 12, 2003;
N 1, 2004;
N 2, 2003.
Документ
введен в действие с 01.01.2003.
Взамен ГОСТ 10117-91 в части раздела 1 и ГОСТ 26586-85 в части раздела 1.
Название документа
"ГОСТ 10117.2-2001. Межгосударственный стандарт. Бутылки стеклянные для пищевых жидкостей. Типы, параметры и основные размеры"
(введен в действие Постановлением Госстандарта России от 08.07.2002 N 270-ст)
"ГОСТ 10117.2-2001. Межгосударственный стандарт. Бутылки стеклянные для пищевых жидкостей. Типы, параметры и основные размеры"
(введен в действие Постановлением Госстандарта России от 08.07.2002 N 270-ст)
Государственного комитета
Российской Федерации
по стандартизации и метрологии
от 8 июля 2002 г. N 270-ст
МЕЖГОСУДАРСТВЕННЫЙ СТАНДАРТ
БУТЫЛКИ СТЕКЛЯННЫЕ ДЛЯ ПИЩЕВЫХ ЖИДКОСТЕЙ
ТИПЫ, ПАРАМЕТРЫ И ОСНОВНЫЕ РАЗМЕРЫ
Glass bottles for food liquids.
Types, parameters and main dimensions
ГОСТ 10117.2-2001
Дата введения
1 января 2003 года
1. Разработан Техническим комитетом по стандартизации ТК 074 "Стеклянная тара".
Внесен Госстандартом России.
2. Принят Межгосударственным Советом по стандартизации, метрологии и сертификации (Протокол N 20 от 1 ноября 2001 г.).
За принятие проголосовали:
Наименование государства | Наименование национального органа по стандартизации |
Азербайджанская Республика Республика Армения Республика Беларусь Республика Казахстан Кыргызская Республика Республика Молдова Российская Федерация Республика Таджикистан Туркменистан Республика Узбекистан Украина | Азгосстандарт Армгосстандарт Госстандарт Республики Беларусь Госстандарт Республики Казахстан Кыргызстандарт Молдовастандарт Госстандарт России Таджикстандарт Главгосслужба "Туркменстандартлары" Узгосстандарт Госпотребстандарт Украины |
3. Стандарт гармонизирован с международными стандартами: ИСО 8162-85 "Тара стеклянная. Высокие венчики горловины под кроненпробку. Размеры", ИСО 8163-85 "Тара стеклянная. Низкие венчики горловины под кроненпробку. Размеры", ИСО 8164-90 "Тара стеклянная. Бутылки "Евроформы" вместимостью 520 мл. Размеры", ИСО 9056-90 "Тара стеклянная. Венчики под винтовой колпачок с контрольной предохранительной полоской. Размеры", ИСО 9058-92 "Тара стеклянная. Допуски".
4.
Постановлением Государственного комитета Российской Федерации по стандартизации и метрологии от 8 июля 2002 г. N 270-ст межгосударственный стандарт ГОСТ 10117.2-2001 введен в действие в качестве государственного стандарта Российской Федерации с 1 января 2003 г.
5. Взамен ГОСТ 10117-91 в части раздела 1 и ГОСТ 26586-85 в части раздела 1.
Настоящий стандарт распространяется на стеклянные бутылки круглой формы, предназначенные для пищевых жидкостей, и устанавливает их типы, параметры и основные размеры.
Обязательные требования к качеству продукции по
ГОСТ 30288 изложены в
4.6.
В настоящем стандарте использованы ссылки на следующие стандарты:
ГОСТ 10117.1-2001 Бутылки стеклянные для пищевых жидкостей. Общие технические условия
ГОСТ 30288-95 Тара стеклянная. Общие положения по безопасности, маркировке и ресурсосбережению.
В настоящем стандарте применяют термины по
ГОСТ 17527, а также следующие термины с соответствующими определениями:
3.1. Номинальная вместимость: вместимость тары, определяющая заданный объем жидкости, который используется для маркировки тары.
3.2. Полная вместимость: вместимость тары, определяющая объем жидкости, помещенной до верхней плоскости торца венчика горловины.
3.3. Уровень заполнения: расстояние от верхней плоскости торца венчика горловины до поверхности жидкости в таре, наполненной в соответствии с заданной номинальной вместимостью.
3.4. Предельное отклонение: разность между предельным и номинальным размером.
4. ТИПЫ, ПАРАМЕТРЫ И ОСНОВНЫЕ РАЗМЕРЫ
4.1. Типы, параметры и основные размеры бутылок должны соответствовать указанным на
рисунках 1 -
27 и в
таблицах 1 -
8.
Вместимость, см3 | Размеры, мм |
номиналь- ная | полная | H | D | h 1 | h 2 | d | R 1 | R 2 |
700 200 | 725 +/- 15 215 +/- 7 | 280,0 +/- 1,7 193,5 +/- 1,4 | 75,5 +/- 1,4 54,0 +/- 1,2 | 175 105 | 23 20 | 32 30 | 35 29 | 38 28 |
Рисунок 1. Бутылка типа I
Таблица 2
Вместимость, см3 | Размеры, мм |
номиналь- ная | полная | H | D | h 1 | R 1 | R 2 |
750 400 | 785 +/- 15 430 +/- 10 | 300,0 +/- 1,8 245,0 +/- 1,6 | 85,0 +/- 1,6 70,5 +/- 1,4 | 123 105 | 300 172 | 180 120 |
Рисунок 2. Бутылка типа II
Таблица 3
Вместимость, см3 | Размеры, мм |
номиналь- ная | полная | H | D | h 1 | h 2 | h 3 | R 1 | R 2 | d |
500 250 100 | 535 +/- 10 270 +/- 10 110 +/- 3 | 278,0 +/- 1,7 219,5 +/- 1,5 150,0 +/- 1,2 | 67,5 +/- 1,3 55,0 +/- 1,2 43,0 +/- 1,0 | 150 114 85 | 23 20 15 | 74 56 41 | 55 52 27 | 50 55 16 | 33 28 24 |
Рисунок 3. Бутылка типа III
Таблица 4
Вместимость, см3 | Размеры, мм |
номиналь- ная | полная | H | D | h 1 | h 2 | R 1 | R 2 | d |
500 250 | 535 +/- 10 270 +/- 10 | 245,0 +/- 1,6 199,5 +/- 1,4 | 70,5 +/- 1,4 60,0 +/- 1,2 | 134 90 | 37 40 | 105 112 | 75 60 | 29 27 |
Рисунок 4. Бутылка типа IV
Номинальная вместимость, см3, - 330.
Полная вместимость, см3, - 350 +/- 10
Рисунок 5. Бутылка типа V
Номинальная вместимость, см3, - 700.
Полная вместимость, см3, - 725 +/- 15
Рисунок 6. Бутылка типа VI
Номинальная вместимость, см3, - 775.
Полная вместимость, см3, - 800 +/- 15
Рисунок 7. Бутылка типа VII
Номинальная вместимость, см3, - 700.
Полная вместимость, см3, - 725 +/- 15
Рисунок 8. Бутылка типа VIII
Номинальная вместимость, см3, - 544.
Полная вместимость, см3, - 575 +/- 15
Рисунок 9. Бутылка типа IX
а)
б)
Таблица 5
Тип бутылки | Вместимость, см3 | Размеры, мм |
номиналь- ная | полная | H | D | h 1 |
Xа Xб | 500 330 | 520 +/- 7 345 +/- 7 | 228,0 +/- 1,6 228,0 +/- 1,6 | 70,5 +/- 1,4 62,0 +/- 1,2 | 132,5 93 |
Рисунок 10. Бутылка типа X
Номинальная вместимость, см3, - 200.
Полная вместимость, см3, - 215 +/- 7,
Рисунок 11. Бутылка типа XI
Номинальная вместимость, см3, - 750.
Полная вместимость, см3, -

Рисунок 12. Бутылка типа XII
Таблица 6
Вместимость, см3 | Размеры, мм | |
номиналь- ная | полная | H | D | h 1 | h 2 | h 3 | R 1 | R 2 | d |
750 500 250 50 | +10 760 -5 +10 510 -5 +2 258 -4 54 +/- 2 | 296,0 +/- 1,8 263,0 +/- 1,5 211,0 +/- 1,2 120,0 +/- 1,0 | 76,5 +/- 1,5 68,5 +/- 1,3 55,0 +/- 1,2 33,5 +/- 1,0 | 173 143 107 69 | 23 23 20 - | 61 53 46 21 | 60 43 52 11 | 64 43 55 17 | 31 31 29 18 |
Рисунок 13. Бутылка типа XIII
Таблица 7
Вместимость, см3 | Размеры, мм |
номиналь- ная | полная | H | D | h 1 | h 2 | R 1 | R 2 | d |
710 375 700 | +10 720 -5 +7 383 -4 +10 710 -5 | 296,0 +/- 1,8 213,5 +/- 1,2 296,0 +/- 1,8 | 75,5 +/- 1,5 66,0 +/- 1,2 75,5 +/- 1,5 | 175 125 175 | 32 22 32 | 15 12 15 | 15 18 15 | 36 32 36 |
Рисунок 14. Бутылка типа XIV
Номинальная вместимость, см3, - 1000,
Полная вместимость, см3, -

Рисунок 15. Бутылка типа XV
Номинальная вместимость, см3, - 750.
Полная вместимость, см3, -

.
Рисунок 16. Бутылка типа XVI
Номинальная вместимость, см3, - 750.
Полная вместимость, см3, - 775 +/- 10.
Рисунок 17. Бутылка типа XVII
Номинальная вместимость, см3, - 750.
Полная вместимость, см3, - 785 +/- 15.
Рисунок 18. Бутылка типа XVIII
Номинальная вместимость, см3, - 500.
Полная вместимость, см3, - 535 +/- 10.
Рисунок 19. Бутылка типа XIX
Номинальная вместимость, см3, - 750.
Полная вместимость, см3, - 780 +/- 15.
Рисунок 20. Бутылка типа XX
Вместимость, см3 | Размеры, мм |
номиналь- ная | полная | H | D | h 1 | h 2 | h 3 | h 4 | R 1 | R 2 | d |
500 375 | +10 510 -5 +7 258 -4 | 263,0 +/- 1,7 228,5 +/- 1,5 | 65,5 +/- 1,4 61,0 +/- 1,2 | 118 113 | 22 18 | 70 55 | 18 8 | 15 12 | 15 12 | 32 30 |
Рисунок 21. Бутылка типа XXI
Номинальная вместимость, см3, - 750.
Полная вместимость, см3, -

.
Рисунок 22. Бутылка типа XXII
Номинальная вместимость, см3, - 1000.
Полная вместимость, см3, -

.
Рисунок 23. Бутылка типа XXIII
Номинальная вместимость, см3, - 500.
Полная вместимость, см3, - 520 +/- 10.
Рисунок 24. Бутылка типа XXIV
Номинальная вместимость, см3, - 700.
Полная вместимость, см3, - 720 +/- 10.
Рисунок 25. Бутылка типа XXV
Номинальная вместимость, см3, - 700.
Полная вместимость, см3, - 720 +/- 10.
Рисунок 26. Бутылка типа XXVI
Номинальная вместимость, см3, - 1750.
Полная вместимость, см3, - 1780 +/- 20.
Рисунок 27. Бутылка типа XXVII
4.2. На бутылках допускается на цилиндрической части углубление под этикетку размером от 0,2 до 1,0 мм.
Допускается изменять высоту цилиндрической части, предназначенной под этикетку.
4.3. Контролируемые параметры бутылок: общая высота, наружный диаметр корпуса, полная вместимость и, по согласованию с заказчиком, номинальная вместимость по уровню заполнения.
При горячем розливе вина полную вместимость допускается изменять по согласованию с заказчиком.
4.4. Условные обозначения и размеры венчиков горловин должны соответствовать указанным на
рисунках 28 -
55 и в
таблице 9.
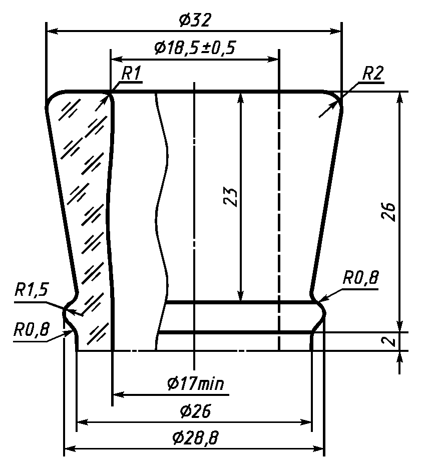
Контролируемые размеры венчика горловины:

должен быть на глубине до 3 мм от торца венчика;

- в остальной части горловины.
Рисунок 28. Венчик типа КН
Контролируемые размеры венчика горловины:

должен быть на глубине до 3 мм от торца венчика;

- в остальной части горловины.
Допускается внутренний диаметр венчика 17,5 +/- 1,0
на глубине до 3 мм от торца венчика.
Рисунок 29. Венчик типа К
Контролируемые размеры венчика горловины:

должен быть на глубине до 3 мм от торца венчика;

- в остальной части горловины.
Допускается внутренний диаметр венчика 17,5 +/- 1,0
на глубине до 3 мм от торца венчика.
Рисунок 30. Венчик типа КП
Контролируемые размеры венчика горловины:

должен быть на глубине до 3 мм от торца венчика;

- в остальной части горловины.
Рисунок 31. Венчик типа КПНн
Контролируемые размеры венчика горловины:

должен быть на глубине до 3 мм от торца венчика;

- в остальной части горловины.
Рисунок 32. Венчик типа КПНв
Контролируемые размеры венчика горловины:

должен быть на глубине до 3 мм от торца венчика;

- в остальной части горловины.
Допускается внутренний диаметр венчика:

на глубине до 3 мм от торца венчика.
Рисунок 33. Венчик типа А
Контролируемые размеры венчика горловины:

должен быть на глубине до 3 мм от торца венчика;

- в остальной части горловины.
Рисунок 34. Венчик типа Ш
Контролируемые размеры венчика горловины:

должен быть на глубине до 3 мм от торца венчика;

- в остальной части горловины.
Рисунок 35. Венчик типа КПШ
Контролируемые размеры венчика горловины:

должен быть на глубине до 3 мм от торца венчика;

- в остальной части горловины.
Рисунок 36. Венчик типа ВКП
Контролируемые размеры венчика горловины:

должен быть на глубине до 3 мм от торца венчика;

- в остальной части горловины.
Рисунок 37. Венчик типа ВП
Контролируемые размеры венчика горловины:

должен быть на глубине до 3 мм от торца венчика;

- в остальной части горловины.
Рисунок 38. Венчик типа П-26
Контролируемые размеры венчика горловины:

должен быть на глубине до 3 мм от торца венчика;

- в остальной части горловины.
Рисунок 39. Венчик типа П-27
Контролируемые размеры венчика горловины:

должен быть на глубине до 3 мм от торца венчика;

- в остальной части горловины.
Рисунок 40. Венчик типа П-28
Контролируемые размеры венчика горловины:

должен быть на глубине до 3 мм от торца венчика;

- в остальной части горловины.
Рисунок 41. Венчик типа П-29-А
Контролируемые размеры венчика горловины:

должен быть на глубине до 3 мм от торца венчика;

- в остальной части горловины.
Рисунок 42. Венчик типа П-29-Б
Контролируемые размеры венчика горловины:

должен быть на глубине до 3 мм от торца венчика;

- в остальной части горловины.
Рисунок 43. Венчик типа П-30
Контролируемые размеры венчика горловины:

должен быть на глубине до 3 мм от торца венчика;

- в остальной части горловины.
Рисунок 44. Венчик типа П-32
Контролируемые размеры венчика горловины:

должен быть на глубине до 3 мм от торца венчика;

- в остальной части горловины.
Рисунок 45. Венчик типа П-32
Контролируемые размеры венчика горловины:

должен быть на глубине до 3 мм от торца венчика;

- в остальной части горловины.
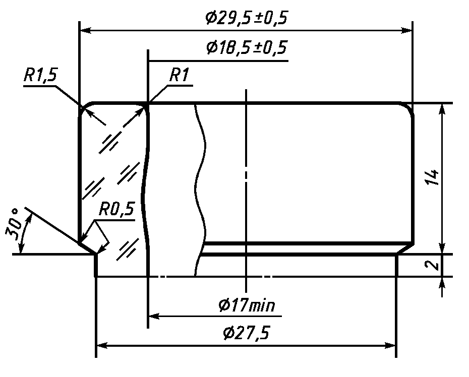
Рисунок 46. Венчик типа КПМ-30
Контролируемые размеры венчика горловины:

должен быть на глубине до 3 мм от торца венчика;

- в остальной части горловины.
Рисунок 47. Венчик типа КПМ-32
Контролируемые размеры венчика горловины:

должен быть на глубине до 3 мм от торца венчика;

- в остальной части горловины.
Рисунок 48. Венчик типа КПМ-36
Контролируемые размеры венчика горловины:

должен быть на глубине до 3 мм от торца венчика;

- в остальной части горловины.
Рисунок 49. Венчик типа Гуала
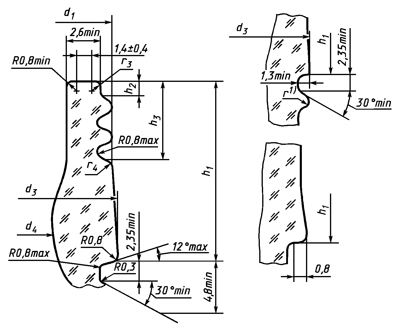
1)Радиус r принимается изготовителем.
2) Толщина стенки венчика горловины согласовывается изготовителем с потребителем.
3) Профиль начала резьбы соответствует размеру радиуса фрезы.
Рисунок 51. Детали конструкции винтовых венчиков горловин
Таблица 9
Размеры венчиков горловин под винтовую укупорку, показанных
В миллиметрах
┌───────┬─────┬────────────┬────────────┬────────────┬────────────┬────────────┬────────────┐
│Номер │Форма│ d │ d │ d │ h │ h │ h │
│венчика│ │ 1 │ 2 │ 3 │ 1 │ 2 │ 3 │
│горло- │ ├──────┬─────┼──────┬─────┼──────┬─────┼──────┬─────┼──────┬─────┼──────┬─────┤
│вины │ │номин.│пред.│номин.│пред.│номин.│пред.│номин.│пред.│номин.│пред.│номин.│пред.│
│ │ │ │откл.│ │откл.│ │откл.│ │откл.│ │откл.│ │откл.│
├───────┼─────┼──────┼─────┼──────┼─────┼──────┼─────┼──────┼─────┼──────┼─────┼──────┼─────┤
│В-18 │ 1 │ 17,6 │ +/- │ 15,9 │ +/- │ 18,1 │ +/- │ 10,2 │ +/- │ 1,3 │ +/- │ 6,15 │ +/- │
│ │ 2 │ │ 0,25│ │ 0,25│ │ 0,25│ │ 0,2 │ │ 0,3 │ │ 0,2 │
├───────┼─────┼──────┤ ├──────┤ ├──────┤ ├──────┤ │ │ ├──────┤ │
│В-22 │ 1 │ 21,45│ │ 19,75│ │ 21,95│ │ 12,75│ │ │ │ 6,8 │ │
│ │ 2 │ │ │ │ │ │ │ │ │ │ │ │ │
├───────┼─────┼──────┤ ├──────┤ ├──────┤ ├──────┤ │──────┼─────┼──────┤ │
│В-25 │ 1 │ 24,4 │ │ 22,3 │ │ 24,9 │ │ 14,05│ │ 1,6 │ +/- │ 8,3 │ │
│ │ 2 │ │ │ │ │ │ │ │ │ │ 0,4 │ │ │
├───────┼─────┼──────┼─────┼──────┼─────┼──────┼─────┼──────┼─────┤ │ │──────┼─────┤
│В-28 │ 1 │ 27,1 │+0,30│ 24,9 │+30,0│ 27,7 │+0,30│ 15,4 │ +/- │ │ │ 9,35 │ +/- │
│ │ 2 │ │-0,35│ │-0,35│ │-0,35│ │ 0,25│ │ │ │ 0,25│
├───────┼─────┤ │ │ │ │ │ ├──────┤ │ │ │ │ │
│В-28 │ 3 │ │ │ │ │ │ │ 19,4 │ │ │ │ │ │
│ │ 4 │ │ │ │ │ │ │ │ │ │ │ │ │
├───────┼─────┼──────┤ ├──────┤ ├──────┤ ├──────┤ │ │ ├──────┤ │
│В-30 │ 5 │ 28,3 │ │ 26,2 │ │ 28,9 │ │ 31,95│ │ │ │ 8,5 │ │
│ │ 6 │ │ │ │ │ │ │ │ │ │ │ │ │
├───────┼─────┼──────┼─────┼──────┼─────┼──────┼─────┼──────┤ │ │ ├──────┤ │
│В-31 │ 1 │ 30,5 │ +/- │ 27,95│ +/- │ 30,8 │ +/- │ 15,4 │ │ │ │ 9,35 │ │
│ │ 2 │ │ 0,35│ │ 0,35│ │ 0,35│ │ │ │ │ │ │
│───────┼─────│ │ │ │ │ │ ├──────┤ │ │ │ │ │
│В-31 │ 3 │ │ │ │ │ │ │ 21,4 │ │ │ │ │ │
│ │ 4 │ │ │ │ │ │ │ │ │ │ │ │ │
└───────┴─────┴──────┴─────┴──────┴─────┴──────┴─────┴──────┴─────┴──────┴─────┴──────┴─────┘
Продолжение таблицы 9
В миллиметрах
┌───────┬─────┬─────┬──────┬─────┬─────┬─────┬─────┬─────┬─────┬─────────┬───────┬───────────┐
│Номер │Форма│ h │ p │ c │ b │ r │ r │ r │ r │ бета │ y │d в осталь-│
│венчика│ │ 4 │ │ │ │ 1 │ 2 │ 3 │ 4 │ │ │ной части │
│горло- │ │ │ │ │ │ │ │ │ │ │ │4 min │
│вины │ │ │ │ │ │ │ │ │ │ │ │горловины │
├───────┼─────┼─────┼──────┼─────┼─────┼─────┼─────┼─────┼─────┼─────────┼───────┼───────────┤
│В-18 │ 1 │ - │ 2,54 │ 0,85│ 1,7 │ 0,85│ 0,4 │ 0,75│От │ 2°46' │ 9,5 │ 8 │
│ │ 2 │ │ │ │ │ │ │ +/- │0,3 │ │ │ │
├───────┼─────┼─────┤ │ │ │ │ │ 0,25│до ├─────────┤ ├───────────┤
│В-22 │ 1 │ - │ │ │ │ │ │ │0,8 │ 2°15' │ │ 11 │
│ │ 2 │ │ │ │ │ │ │ │ │ │ │ │
├───────┼─────┼─────┼──────┼─────┼─────┼─────┼─────┼─────┤ ├─────────┤ ├───────────┤
│В-25 │ 1 │ - │ 3,18 │ 1,05│ 2,1 │ 1,05│ 0,5 │ 0,95│ │ 2°19' │ │ 13 │
│ │ 2 │ │ │ │ │ │ │ +/- │ │ │ │ │
├───────┼─────┼─────┼──────┼─────┼─────┼─────┼─────┤ 0,25│ ├─────────┼───────┼───────────┤
│В-28 │ 1 │ - │ 3,63 │ 1,1 │ 2,2 │ 1,1 │ 0,6 │ │ │ 2°33' │ 12,5 │ 16 │
│ │ 2 │ │ │ │ │ │ │ │ │ │ │ │
├───────┼─────┼─────┤ │ │ │ │ │ │ │ │ │ │
│В-28 │ 3 │ 5,3 │ │ │ │ │ │ │ │ │ │ │
│ │ 4 │ │ │ │ │ │ │ │ │ │ │ │
├───────┼─────┼─────┼──────┼─────┼─────┼─────┼─────┤ │ ├─────────┤ │ │
│В-30 │ 5 │ 5,3 │ 3,18 │ 1,05│ 2,1 │ 1,05│ 0,5 │ │ │ 2°7' │ │ │
│ │ 6 │ │ │ │ │ │ │ │ │ │ │ │
├───────┼─────┼─────┼──────┼─────┼─────┼─────┼─────┤ │ ├─────────┤ ├───────────┤
│В-31 │ 1 │ - │ 3,63 │ 1,1 │ 2,2 │ 1,1 │ 0,6 │ │ │ 2°17' │ │ 18 │
│ │ 2 │ │ │ │ │ │ │ │ │ │ │ │
├───────┼─────┼─────┤ │ │ │ │ │ │ │ │ │ │
│В-31 │ 3 │ 5,3 │ │ │ │ │ │ │ │ │ │ │
│ │ 4 │ │ │ │ │ │ │ │ │ │ │ │
├───────┴─────┴─────┴──────┴─────┴─────┴─────┴─────┴─────┴─────┴─────────┴───────┴───────────┤
│ Примечание. Контролируемые размеры венчиков горловин - d , d , d . │
│ 1 3 4 │
└────────────────────────────────────────────────────────────────────────────────────────────┘
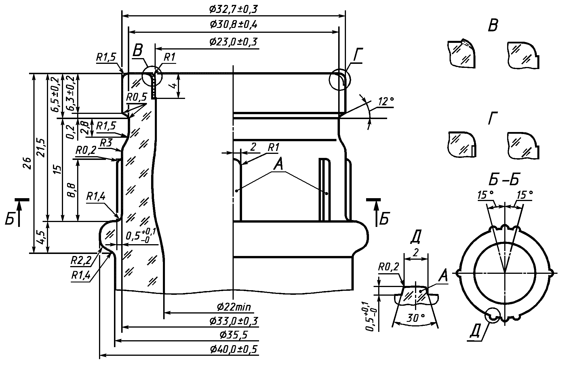
Контролируемые размеры венчика горловины:

должен быть на глубине до 3 мм от торца венчика;

- в остальной части горловины.
Рисунок 52. Венчик типа В-28
Контролируемые размеры венчика горловины:

- в остальной части горловины.
Рисунок 53. Венчик типа Вн-28
Контролируемые размеры венчика горловины:

должен быть на глубине до 3 мм от торца венчика;

- в остальной части горловины.
Рисунок 54. Венчик типа

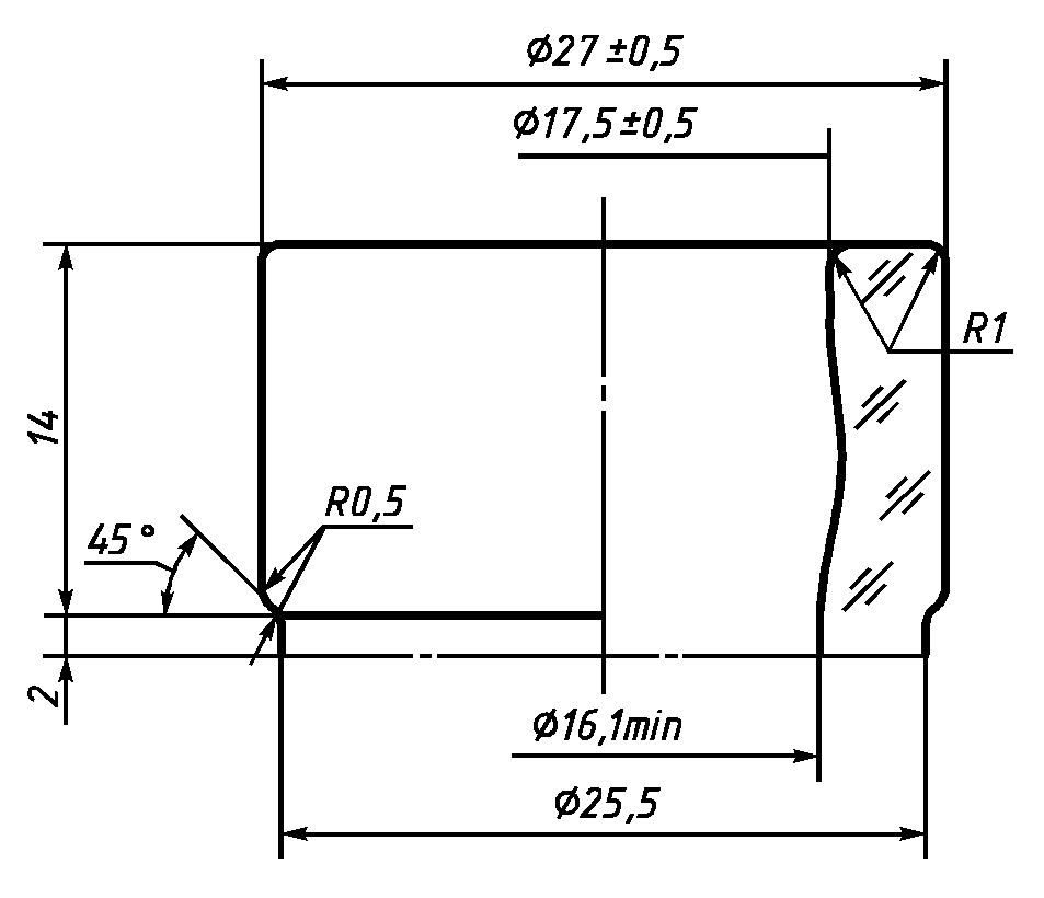
Контролируемые размеры венчика горловины:

должен быть на глубине до 3 мм от торца венчика;

- в остальной части горловины.
Рисунок 55. Венчик типа В-32
Примечание. Венчики горловин типов КПМ-30 и КПМ-36 допускается изготовлять с 10 выступами.
4.5. В зависимости от вида укупорки для венчиков горловин применяют следующие условные обозначения:
КН (К) - венчик комбинированный под кроненпробку, алюминиевый колпачок и пробку;
КПНв (КП) - венчик высокий под кроненпробку;
КПНн - венчик низкий под кроненпробку;
Ш - венчик под корковую или полиэтиленовую пробку бутылок для шампанских и игристых вин;
КПШ - венчик комбинированный под кроненпробку, корковую и полиэтиленовую пробки бутылок для шампанских и игристых вин;
А - венчик под алюминиевый колпачок;
ВКП - венчик комбинированный под укупорку винтовым колпачком;
ВП - венчик под укупорку винтовым колпачком;
П-26 - венчик под пробку;
П-27 - венчик под пробку;
П-28 - венчик под пробку;
П-29-А - венчик под пробку;
П-29-Б - венчик под пробку;
П-30 - венчик под пробку;
П-32 - венчик под пробку;
ПР-32 - венчик под пробку;
КПМ-30 - венчик под кроненпробку модернизированный;
КПМ-32 - венчик под кроненпробку модернизированный;
КПМ-36 - венчик под кроненпробку модернизированный;
Гуала - венчик под укупорку полиэтиленовым колпачком;
В - венчики горловин под винтовую укупорку.
В зависимости от конструкции и размеров условное обозначение типа венчика горловины под винтовую укупорку должно состоять из условного обозначения В, номера венчика горловины, номера формы конструкции венчика.
Например: В-28-1.
Контролируемые размеры венчиков горловин указаны на
рисунках 28 -
55 и в
таблице 9. Остальные размеры даны для изготовления формокомплектов.
4.6. Диаметр укупорочного кольца венчика горловины типов КН (К), КПНв (КП), КПн, КПМ-30, КПМ-32, КПМ-36, А, наружный диаметр резьбы венчиков под винтовую укупорку и внутренний диаметр венчиков под пробку относят к обязательным требованиям.
4.7. Условное обозначение бутылок при заказе должно содержать: обозначение типа бутылки, обозначение типа венчика горловины, номинальную вместимость бутылки, обозначение настоящего стандарта.
Пример условного обозначения бутылки типа I с комбинированным венчиком горловины номинальной вместимостью 700 см3:
Бутылка типа I-K-700 ГОСТ 10117.2-2001
Пример условного обозначения бутылки типа XXI с венчиком В-28-1 под винтовую укупорку:
Бутылка типа XXI-В-28-1-500 ГОСТ 10117.2-2001
4.8. При разработке новых типов бутылок предельные отклонения по высоте бутылок

рекомендуется рассчитывать по формуле
где Н - номинальный размер общей высоты бутылки, мм.
Предельные отклонения по диаметру круглых бутылок

- по формуле
где D - номинальный размер диаметра корпуса бутылки, мм.
4.9. При разработке новых типов бутылок номинальную вместимость рекомендуется выбирать из ряда вместимостей:
15, 30, 50, 75, 100, 110, 150, 200, 250, 300, 330, 350, 375, 400, 450, 500, 600, 700, 750, 800, 900, 1000, 1250, 1500, 1750, 2000, 2500, 3000.
Вместимости, выделенные чертой, рекомендуются для преимущественного использования.
Предельные отклонения по вместимости рекомендуется устанавливать в соответствии с таблицей 10.
Таблица 10
Номинальная вместимость, см3 | Максимально допустимое отклонение фактической вместимости |
% | см3 |
До 100 включ. Св. 100 " 200 " " 200 " 300 " " 300 " 500 " " 500 " 1000 " " 1000 " 3000 " | - 3 - 2 - 1 | 3 - 6 - 10 - |
Примечание. Максимально допустимое отклонение полной вместимости тары должно быть таким же, как максимально допустимое отклонение соответствующей номинальной вместимости. |
4.10. Рекомендуемое назначение типов бутылок приведено в
Приложении А.
4.11. По качеству бутылки должны соответствовать требованиям
ГОСТ 10117.1.
(рекомендуемое)
Таблица А.1
Тип бутылок | Назначение бутылок |
II, XVIII V X, XV III, IV, VI, XII - XVI, XIX - XXIV, XXVII I, VIII, XVII, XXV, XXVI VII, IX XI | Для шампанских, игристых вин, газированных (шипучих) вин и винных напитков Для сильногазированных напитков Для пива, среднегазированных и слабо- газированных безалкогольных напитков, соков Для водки, спирта, коньяка (бренди), ликероводочных изделий Для вина, винных напитков Для масла Для соков |