Главная // Актуальные документы // ГОСТ (Государственный стандарт)СПРАВКА
Источник публикации
М.: Стандартинформ, 2016
Примечание к документу
Документ
введен в действие с 1 января 2018 года.
Название документа
"ГОСТ ISO 21670-2015. Межгосударственный стандарт. Изделия крепежные. Гайки шестигранные приварные с фланцем"
(введен в действие Приказом Росстандарта от 31.05.2016 N 454-ст)
"ГОСТ ISO 21670-2015. Межгосударственный стандарт. Изделия крепежные. Гайки шестигранные приварные с фланцем"
(введен в действие Приказом Росстандарта от 31.05.2016 N 454-ст)
агентства по техническому
регулированию и метрологии
от 31 мая 2016 г. N 454-ст
МЕЖГОСУДАРСТВЕННЫЙ СТАНДАРТ
ИЗДЕЛИЯ КРЕПЕЖНЫЕ
ГАЙКИ ШЕСТИГРАННЫЕ ПРИВАРНЫЕ С ФЛАНЦЕМ
Fasteners. Hexagon weld nuts with flange
(ISO 21670:2014, IDT)
ГОСТ ISO 21670-2015
Дата введения
1 января 2018 года
Цели, основные принципы и основной порядок проведения работ по межгосударственной стандартизации установлены
ГОСТ 1.0-92 "Межгосударственная система стандартизации. Основные положения" и
ГОСТ 1.2-2009 "Межгосударственная система стандартизации. Стандарты межгосударственные, правила и рекомендации по межгосударственной стандартизации. Правила разработки, принятия, применения, обновления и отмены"
1 ПОДГОТОВЛЕН Федеральным государственным унитарным предприятием "Центральный ордена Трудового Красного Знамени Научно-исследовательский автомобильный и автомоторный институт "НАМИ" (ФГУП "НАМИ") на основе собственного перевода на русский язык англоязычной версии стандарта, указанного в
пункте 5
2 ВНЕСЕН Федеральным агентством по техническому регулированию и метрологии
3 ПРИНЯТ Межгосударственным советом по стандартизации, метрологии и сертификации (протокол от 27 октября 2015 г. N 81-П)
За принятие стандарта голосовали:
Краткое наименование страны по МК (ИСО 3166) 004-97 | Код страны по МК (ИСО 3166) 004-97 | Сокращенное наименование национального органа по стандартизации |
Азербайджан | AZ | Азстандарт |
Армения | AM | Минэкономики Республики Армения |
Беларусь | BY | Госстандарт Республики Беларусь |
Грузия | GE | Грузстандарт |
Казахстан | KZ | Госстандарт Республики Казахстан |
Киргизия | KG | Кыргызстандарт |
Молдова | MD | Молдова-Стандарт |
Россия | RU | Росстандарт |
Таджикистан | TJ | Таджикстандарт |
Туркменистан | TM | Главгосслужба "Туркменстандартлары" |
Узбекистан | UZ | Узстандарт |
Украина | UA | Минэкономразвития Украины |
4
Приказом Федерального агентства по техническому регулированию и метрологии от 31 мая 2016 г. N 454-ст межгосударственный стандарт ГОСТ ISO 21670-2015 введен в действие в качестве национального стандарта Российской Федерации с 1 января 2018 г.
5 Настоящий стандарт идентичен международному стандарту ISO 21670:2014 "Изделия крепежные. Гайки шестигранные приварные с фланцем" ("Fasteners - Hexagon weld nuts with flange", IDT).
Международный стандарт разработан техническим комитетом ISO/TC 2 "Изделия крепежные".
Официальные экземпляры международного стандарта, на основе которого подготовлен настоящий межгосударственный стандарт, и международных стандартов, на которые даны ссылки, имеются в Федеральном информационном фонде технических регламентов и стандартов.
При применении настоящего стандарта рекомендуется использовать вместо ссылочных международных стандартов соответствующие им межгосударственные стандарты, сведения о которых приведены в дополнительном
приложении ДА
6 ВВЕДЕН ВПЕРВЫЕ
Информация об изменениях к настоящему стандарту публикуется в ежегодном информационном указателе "Национальные стандарты" (по состоянию на 1 января текущего года), а текст изменений и поправок - в ежемесячном информационном указателе "Национальные стандарты". В случае пересмотра (замены) или отмены настоящего стандарта соответствующее уведомление будет опубликовано в ежемесячном информационном указателе "Национальные стандарты". Соответствующая информация, уведомление и тексты размещаются также в информационной системе общего пользования - на официальном сайте Федерального агентства по техническому регулированию и метрологии в сети Интернет
Настоящий стандарт устанавливает характеристики гаек шестигранных приварных с фланцем с метрической резьбой с крупным шагом от М5 до М16 или метрической резьбой с мелким шагом с номинальным диаметром резьбы D от 8 мм до 16 мм, класса точности A. Приварные гайки по данному стандарту пригодны для соединения с болтами классов прочности до 10.9 включительно по ISO 898-1.
Для применения настоящего стандарта необходимы следующие ссылочные документы. Для датированных ссылок применяют только указанное издание ссылочного документа, для недатированных ссылок применяют последнее издание ссылочного документа (включая все изменения).
ISO 724, ISO general-purpose metric screw threads - Basic dimensions (Резьбы метрические ISO общего назначения - Основные размеры)
ISO 898-1, Mechanical properties of fasteners made of carbon steel and alloy steel - Part 1: Bolts, screws and studs with specified property classes - Coarse thread and fine pitch thread (Механические свойства крепежных изделий из углеродистых и легированных сталей - Часть 1: Болты, винты и шпильки с установленными классами прочности - Резьба с крупным и мелким шагом)
ISO 898-2, Mechanical properties of fasteners made of carbon steel and alloy steel - Part 2: Nuts with specified property classes - Coarse thread and fine pitch thread (Механические свойства крепежных изделий из углеродистой и легированной стали - Часть 2: Гайки установленного класса прочности - Крупная и мелкая резьба)
ISO 965-3, ISO general purpose metric screw threads - Tolerances - Part 3: Deviations for constructional threads (Резьбы метрические ISO общего назначения - Допуски - Часть 3: Отклонения для конструкционных резьб)
ISO 3269, Fasteners - Acceptance inspection (Изделия крепежные - Приемочный контроль)
ISO 4759-1, Tolerances for fasteners - Part 1: Bolts, screws, studs and nuts - Product grades A, B and C (Изделия крепежные. Допуски - Часть 1: Болты, винты, шпильки и гайки - Классы точности A, B и C)
ISO 6157-2, Fasteners - Surface discontinuities - Part 2: Nuts (Изделия крепежные - Дефекты поверхности - Часть 2: Гайки)
ISO 8992, Fasteners - General requirements for bolts, screws, studs and nuts (Изделия крепежные - Общие требования для болтов, винтов, шпилек и гаек)
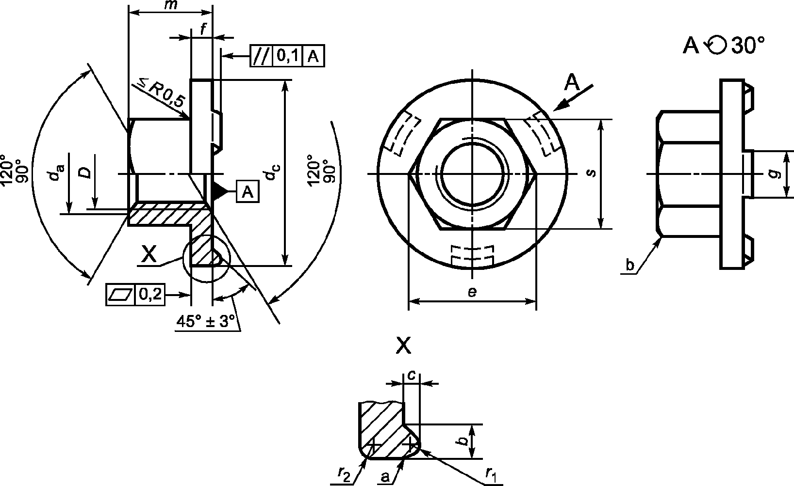
Размеры гаек указаны на рисунке 1 и в
таблице 1.
--------------------------------
<a> Прессконтур.
<b> Прессконтур, не менее 15E.
Рисунок 1 - Размеры гаек
Таблица 1
Резьба | | b -0,2 | c +/- 0,1 | da | dc -1 | e | f +/- 0,25 | g +/- 0,1 | m | s h14 | r1 +/- 0,1 | r2 +/- 0,1 | Масса (7,85 кг/дм3) кг/1000 шт. |
D | | не более | не менее | не менее | не более |
М5 | - | 0,8 | 2,20 | 0,8 | 6 | 15,5 | 8,2 | 1,7 | 4,0 | 4,70 | 5,0 | 8 | 0,6 | 0,3 | 2,9 |
М6 | - | 1 | 2,70 | 0,8 | 7 | 18,5 | 10,6 | 2,0 | 5,0 | 6,64 | 7,00 | 10 | 0,6 | 0,5 | 5,7 |
М8 | М8 x 1 | 1,25 | 2,70 | 1 | 9,5 | 22,5 | 13,6 | 2,5 | 6,0 | 9,64 | 10,00 | 13 | 0,8 | 0,8 | 12,2 |
М10 | М10 x 1,25 М10 x 1 | 1,5 | 2,95 | 1,2 | 11,5 | 26,5 | 16,9 | 3,0 | 7,0 | 12,57 | 13 | 16 | 1,0 | 1,0 | 21,8 |
М12 | М12 x 1,5 М12 x 1,25 | 1,75 | 3,20 | 1,2 | 14 | 30,5 | 19,4 | 3,0 | 8,0 | 14,57 | 15 | 18 | 1,0 | 1,2 | 29,4 |
М14 | М14 x 1,5 | 2 | 3,45 | 1,2 | 16 | 33,5 | 22,4 | 4,0 | 8,0 | 16,16 | 17 | 21 | 1,0 | 1,2 | 45,8 |
М16 | М16 x 1,5 | 2 | 3,70 | 1,2 | 18 | 36,5 | 25,0 | 4,0 | 8,0 | 18,66 | 19,50 | 24 | 1,0 | 1,2 | 63,1 |
<a> P1 - мелкий шаг резьбы. <b> P2 - крупный шаг резьбы. |
4. Технические требования
Общие требования установлены в ISO 8992.
Гайки приварные с фланцем нужно изготавливать из стали с содержанием углерода не более 0,25%, с углеродным эквивалентом CEV не более 0,53% (массовая доля), который устанавливается, как указано ниже:
Если требуется термоулучшение гаек, то их твердость не должна превышать 300 HV.
Применение автоматных сталей не допускается. При желании применения определенной марки стали, она должна быть согласована при заказе.
Гайки приварные с фланцем должны соответствовать классу точности A по ISO 4759-1. Резьба должна соответствовать ISO 724, поле допуска резьбы - 6G по ISO 965-3.
4.4. Механические свойства
Гайки приварные по данному стандарту должны выдерживать пробные нагрузки по таблице 2. Испытание на пробную нагрузку выполняют по стандарту ISO 898-2.
В спорных случаях перед испытанием приварные элементы удаляют шлифованием.
Таблица 2
Пробные нагрузки
Резьба с крупным шагом D | Пробная нагрузка, Н | Резьба с мелким шагом D x P1 | Пробная нагрузка, Н |
М5 | 14800 | - | - |
М6 | 20900 | - | - |
М8 | 38100 | М8 x 1 | 43100 |
М10 | 60300 | М10 x 1,25 М10 x 1 | 67300 71000 |
М12 | 88500 | М12 x 1,5 М12 x 1,25 | 97800 102200 |
М14 | 120800 | М14 x 1,5 | 138800 |
М16 | 164900 | М16 x 1,5 | 185400 |
Гайки приварные с фланцем должны поставляться чистыми. В связи с тем, что на чистых приварных гайках во время хранения и транспортировки может появиться коррозия, изготовитель должен проводить для защиты от коррозии соответствующие мероприятия, без проведения которых привариваемость ухудшится.
4.6. Качество поверхности
Предельные значения дефектов поверхности установлены в ISO 6157-2.
Приемочный контроль проводят в соответствии с ISO 3269.
Примеры
1 Гайка приварная с фланцем, без термоулучшения, из стали, с резьбой М10, которая соответствует для применения с болтом или винтом класса прочности 10.9, обозначается следующим образом:
Гайка приварная с фланцем ГОСТ ISO 21670 - М10 - St
Если согласована термоулучшенная гайка, то к обозначению добавляется символ QT
2 Гайка приварная с фланцем, с термоулучшением, из стали, с резьбой М12 x 1,5, которая соответствует для применения с болтом или винтом класса прочности 10.9, обозначается следующим образом:
Гайка приварная с фланцем ГОСТ ISO 21670 - М12 x 1,5 - St - QT
Гайки шестигранные приварные с фланцем от М5 нужно маркировать товарным знаком производителя на фланце, с противоположной стороны опорной поверхности гайки.
7. Присоединительные размеры
Рисунок 2 - Присоединительные размеры
(гайки еще не приварены)
Таблица 3
Присоединительные размеры
В миллиметрах
| Толщина листа a | Диаметр отверстия dh H11 |
D | D x P1 | не менее | не более |
М5 | - | 0,88 | 1,2 | 7,0 |
М6 | - | 0,88 | 1,8 | 8,0 |
М8 | М8 x 1 | 1,0 | 2,0 | 10,5 |
М10 | М10 x 1,25 М10 x 1 | 1,25 | 2,5 | 12,5 |
М12 | М12 x 1,5 М12 x 1,25 | 1,5 | 3,0 | 14,8 |
М14 | М14 x 1,5 | 2,0 | 3,5 | 16,8 |
М16 | М16 x 1,5 | 2,0 | 4,0 | 18,8 |
(справочное)
СВЕДЕНИЯ О СООТВЕТСТВИИ ССЫЛОЧНЫХ МЕЖДУНАРОДНЫХ СТАНДАРТОВ
МЕЖГОСУДАРСТВЕННЫМ СТАНДАРТАМ
Таблица ДА.1
СВЕДЕНИЯ О СООТВЕТСТВИИ ССЫЛОЧНЫХ МЕЖДУНАРОДНЫХ СТАНДАРТОВ
МЕЖГОСУДАРСТВЕННЫМ СТАНДАРТАМ
Обозначение ссылочного международного стандарта | Степень соответствия | Обозначение и наименование межгосударственного стандарта |
ISO 724 | MOD | ГОСТ 24705-2004 (ИСО 724:1993) "Основные нормы взаимозаменяемости. Резьба метрическая. Основные размеры" |
ISO 898-1 | IDT | ГОСТ ISO 898-1-2014 "Механические свойства крепежных изделий из углеродистых и легированных сталей. Часть 1. Болты, винты и шпильки установленных классов прочности с крупным и мелким шагом резьбы" |
ISO 898-2 | IDT | ГОСТ ISO 898-2-2015 "Механические свойства крепежных изделий из углеродистых и легированных сталей. Часть 2. Гайки установленных классов прочности с крупным и мелким шагом резьбы" |
ISO 965-3 | MOD | ГОСТ 16093-2004 (ИСО 965-1:1998, ИСО 965-3:1998) "Основные нормы взаимозаменяемости. Резьба метрическая. Допуски. Посадки с зазором" |
ISO 3269 | IDT | |
ISO 4042 | IDT | |
ISO 4759-1 | IDT | ГОСТ ISO 4759-1-2015 "Изделия крепежные. Допуски. Часть 1. Болты, винты, шпильки и гайки. Классы точности A, B и C" |
ISO 8992 | IDT | ГОСТ ISO 8992-2015 "Изделия крепежные. Общие требования для болтов, винтов, шпилек и гаек" |
Примечание - В настоящей таблице использованы следующие условные обозначения степени соответствия стандартов: - IDT - идентичные стандарты; - MOD - модифицированные стандарты. |