Главная // Актуальные документы // ГОСТ (Государственный стандарт)СПРАВКА
Источник публикации
М.: Стандартинформ, 2015
Примечание к документу
Документ
введен в действие с 1 июля 2015 года.
Название документа
"ГОСТ 32943-2014. Межгосударственный стандарт. Материалы и системы для защиты и ремонта бетонных конструкций. Требования к клеевым соединениям элементов усиления конструкций"
(введен в действие Приказом Росстандарта от 22.10.2014 N 1376-ст)
"ГОСТ 32943-2014. Межгосударственный стандарт. Материалы и системы для защиты и ремонта бетонных конструкций. Требования к клеевым соединениям элементов усиления конструкций"
(введен в действие Приказом Росстандарта от 22.10.2014 N 1376-ст)
агентства по техническому
регулированию и метрологии
от 22 октября 2014 г. N 1376-ст
МЕЖГОСУДАРСТВЕННЫЙ СТАНДАРТ
МАТЕРИАЛЫ И СИСТЕМЫ ДЛЯ ЗАЩИТЫ И РЕМОНТА
БЕТОННЫХ КОНСТРУКЦИЙ
ТРЕБОВАНИЯ К КЛЕЕВЫМ СОЕДИНЕНИЯМ
ЭЛЕМЕНТОВ УСИЛЕНИЯ КОНСТРУКЦИЙ
Materials and systems for the protection
and repair of concrete structures. Requirements to bonded
connections of structural strengthening elements
(EN 1504-4:2004, NEQ)
ГОСТ 32943-2014
Дата введения
1 июля 2015 года
Цели, основные принципы и основной порядок проведения работ по межгосударственной стандартизации установлены
ГОСТ 1.0-92 "Межгосударственная система стандартизации. Основные положения" и
ГОСТ 1.2-2009 "Межгосударственная система стандартизации. Стандарты межгосударственные, правила и рекомендации по межгосударственной стандартизации. Правила разработки, принятия, применения, обновления и отмены".
1. Разработан Закрытым акционерным обществом "Триада-Холдинг".
2. Внесен Техническим комитетом по стандартизации ТК 465 "Строительство".
3. Принят Межгосударственным советом по стандартизации, метрологии и сертификации (МГС, Протокол от 30 сентября 2014 г. N 70-П).
За принятие проголосовали:
Краткое наименование страны по МК (ИСО 3166) 004-97 | Код страны по МК (ИСО 3166) 004-97 | Сокращенное наименование национального органа государственного управления строительством |
Армения | AM | Минэкономики Республики Армения |
Беларусь | BY | Госстандарт Республики Беларусь |
Киргизия | KG | Кыргызстандарт |
Россия | RU | Росстандарт |
Таджикистан | TJ | Таджикстандарт |
4.
Приказом Федерального агентства по техническому регулированию и метрологии от 22 октября 2014 г. N 1376-ст межгосударственный стандарт введен в действие непосредственно в качестве национального стандарта Российской Федерации с 1 июля 2015 г.
5. Настоящий стандарт соответствует европейскому региональному стандарту EN 1504-4:2004 Products and systems for the protection and repair of concrete structures - Definitions, requirements, quality control and evaluation of conformity - Part 4: Structural bonding (Материалы и системы для защиты и ремонта бетонных конструкций. Определения, требования, контроль качества и оценка соответствия - Часть 4: Конструкционное склеивание) в части терминов и определений, требований к идентификационным испытаниям, номенклатуре показателей эксплуатационных качеств, числовым значениям этих показателей, оценке соответствия.
Перевод с английского языка (en).
Степень соответствия - неэквивалентная (NEQ).
6. Введен впервые.
Информация об изменениях к настоящему стандарту публикуется в ежегодном информационном указателе "Национальные стандарты", а текст изменений и поправок - в ежемесячном информационном указателе "Национальные стандарты". В случае пересмотра (замены) или отмены настоящего стандарта соответствующее уведомление будет опубликовано в ежемесячном информационном указателе "Национальные стандарты". Соответствующая информация, уведомление и тексты размещаются также в информационной системе общего пользования - на официальном сайте Федерального агентства по техническому регулированию и метрологии в сети Интернет.
1.1. Настоящий стандарт распространяется на клеевые соединения элементов усиления бетонных и железобетонных конструкций (далее - бетонных конструкций или конструкций), открытых атмосферным воздействиям, а также подземных и подводных конструкций, как вновь возводимых, так и находящихся в эксплуатации.
1.2. Стандарт устанавливает требования к клеящим составам и клеевым соединениям элементов усиления конструкций, выполняемых следующими методами:
- внешнее армирование приклеиванием твердых полос, а также приклеиванием с ламинированием холстов, сеток;
- добавление бетона приклеиванием бетонных элементов или приклеиванием при наращивании бетонной смеси.
1.3. Стандарт не распространяется на особые случаи применения клеевых соединений элементов усиления конструкций в экстремальных условиях окружающей среды (например, при особо низких температурах), а также в особых обстоятельствах, таких как непрогнозируемые воздействия (например, транспорта или льда) или нагрузки вследствие землетрясения, на которые распространяются специальные требования.
В настоящем стандарте использованы нормативные ссылки на следующие межгосударственные стандарты:
ГОСТ 103-2006 Прокат сортовой стали горячекатаный полосовой. Сортамент
ГОСТ 9.716-91 Единая система защиты от коррозии и старения. Материалы полимерные. Методы определения изменения содержания пластификатора при старении
ГОСТ 427-75 Линейки измерительные металлические. Технические условия
ГОСТ 1770-74 Посуда мерная лабораторная стеклянная. Цилиндры, мензурки, колбы, пробирки. Общие технические условия
ГОСТ 3145-84 Часы механические с сигнальным устройством. Общие технические условия
ГОСТ 8267-93 Щебень и гравий из плотных горных пород для строительных работ. Технические условия
ГОСТ 8736-93 Песок для строительных работ. Технические условия
ГОСТ 9550-81 Пластмассы. Методы определения модуля упругости при растяжении, сжатии и изгибе
ГОСТ 9596-2006 Бумага парафинированная. Технические условия
ГОСТ 10180-2012 Бетоны. Методы определения прочности по контрольным образцам
ГОСТ 12423-2013 Пластмассы. Условия кондиционирования и испытания образцов (проб)
ГОСТ 14359-69 Пластмассы. Методы механических испытаний. Общие требования
ГОСТ 18616-80 Пластмассы. Метод определения усадки
ГОСТ 19286-77 Каолин обогащенный. Метод определения гранулометрического состава
ГОСТ 22685-89 Формы для изготовления контрольных образцов бетона. Технические условия
ГОСТ 26020-83 Двутавры стальные горячекатаные с параллельными гранями полос. Сортамент
ГОСТ 27271-2014 <*> Материалы лакокрасочные. Методы контроля срока годности
--------------------------------
ГОСТ 27752-88 Часы электронно-механические кварцевые настольные, настенные и часы-будильники. Общие технические условия
ГОСТ 28498-90 Термометры жидкостные стеклянные. Общие технические требования. Методы испытаний
ГОСТ 28574-2014 Защита от коррозии в строительстве. Конструкции бетонные и железобетонные. Методы определения адгезии защитных покрытий
ГОСТ 28780-2014 Клеи полимерные. Термины и определения
ГОСТ 29127-91 (ИСО 7111-87) Пластмассы. Термогравиметрический анализ полимеров. Метод сканирования по температуре
ГОСТ 30244-94 Материалы строительные. Методы испытания на горючесть
ГОСТ 30459-2008 Добавки для бетонов и строительных растворов. Определение и оценка эффективности
ГОСТ 31357-2007 Смеси сухие строительные на цементном вяжущем. Общие технические условия
ГОСТ 32016-2012 Материалы и системы для защиты и ремонта бетонных конструкций. Общие требования
ГОСТ 32618.2-2014 (ISO 11359.2:1999) Пластмассы. Термомеханический анализ (ТМА). Часть 2. Определение коэффициента линейного теплового расширения и температуры стеклования.
Примечание. При пользовании настоящим стандартом целесообразно проверить действие ссылочных стандартов в информационной системе общего пользования - на официальном сайте Федерального агентства по техническому регулированию и метрологии в сети Интернет или по ежегодному информационному указателю "Национальные стандарты", который опубликован по состоянию на 1 января текущего года, и по выпускам ежемесячного информационного указателя "Национальные стандарты" за текущий год. Если ссылочный стандарт заменен (изменен), то при пользовании настоящим стандартом следует руководствоваться заменяющим (измененным) стандартом. Если ссылочный стандарт отменен без замены, то положение, в котором дана ссылка на него, применяется в части, не затрагивающей эту ссылку.
В настоящем стандарте применены термины по
ГОСТ 32016, а также следующие термины с соответствующими определениями:
3.1. Клеящие составы (полимерные): составы и системы, способные соединять поверхности склеивания посредством адгезии и когезии.
3.2. Полимербетон: смесь полимерного вяжущего и подобранных по гранулометрическому составу наполнителей, твердение которой происходит за счет реакции полимеров.
3.3. Жизнеспособность: время, в течение которого клеящий состав, полученный смешением отдельных компонентов, непосредственно перед применением пригоден для нанесения и склеивания с заданными показателями эксплуатационных качеств клеевого соединения.
3.4. Время открытой выдержки: интервал времени от нанесения клеящего состава до соединения склеиваемых поверхностей в условиях окружающей среды.
3.5. Поверхность склеивания: поверхность раздела между клеящим составом и склеиваемым элементом.
3.6. Обработка поверхности перед склеиванием: подготовка поверхности перед склеиванием, производимая физическими, химическими и механическими методами [ГОСТ 28780, статья 4].
3.7. Клеевой слой: клеящий состав, нанесенный на поверхность элемента (части изделия), подлежащего склеиванию.
3.8. Клеевой шов: клеевой слой между склеенными поверхностями элементов (частей изделия).
3.9. Клеевое соединение: соединение поверхностей элементов (частей изделия) склеиванием.
3.10. Клеевое соединение вида сталь/сталь: клеевое соединение стальных поверхностей между собой.
3.11. Клеевое соединение вида бетон/бетон: клеевое соединение поверхностей ранее отвердевшего бетона между собой.
Примечание. Для контрольных образцов - бетон с воспроизводимыми показателями эксплуатационных качеств.
3.12. Клеевое соединение вида бетон/свежий бетон: клеевое соединение поверхностей ранее отвердевшего бетона с бетоном из бетонной смеси [ГОСТ 7473,
пункт 3.1] или смеси, готовой к применению [ГОСТ 31357,
пункт 3.1], изначально контактировавшей с клеевым слоем.
Примечание. Для контрольных образцов - бетон по 3.11, свежий бетон - бетон из бетонной смеси или смеси, готовой к применению, определенного состава с воспроизводимыми показателями свойств.
3.13. Срезывающее разрушение: результат процесса сдвига в плоскости клеевого соединения, при котором материал на каждой из сторон плоскости деформируется до среза параллельно этой плоскости.
3.14. Отрывающее (разрывающее) разрушение: результат процесса растяжения в плоскости клеевого соединения, при котором материал на каждой из сторон плоскости деформируется до отрыва (разрыва) перпендикулярно этой плоскости.
Примечание. При отрыве один из сопрягаемых клеевым швом элементов находится в неподвижном состоянии; при разрыве - оба элемента подвижны.
3.15. Разрушение трещинообразованием: результат процесса образования и развития трещин в плоскости клеевого соединения под воздействием кратковременно направленного нагружения и (или) под воздействием климатических условий.
3.16. Предел прочности при прямом сдвиге: максимальное растягивающее напряжение в прямом клеевом соединении при срезывающем разрушении.
3.17. Предел прочности при косом сдвиге: максимальные сжимающие напряжения в наклонном клеевом соединении при срезывающем разрушении.
3.18. Предел прочности при отрыве (разрыве): максимальные растягивающие напряжения в клеевом соединении при отрывающем (разрывающем) разрушении.
4. Требования к выбору показателей свойств клеящих составов
и показателей эксплуатационных качеств клеевых соединений.
Общие положения
Показатели свойств клеящих составов и показатели эксплуатационных качеств клеевых соединений, предназначенных для усиления конструкций согласно установленным принципам и методам по
ГОСТ 32016, подразделяют на основные - для всех предназначенных целей применения - и дополнительные - для некоторых предназначенных целей применения. Подразделение показателей приведено в таблице 1.
Таблица 1
Показатели свойств клеящих составов и показатели
эксплуатационных качеств клеевых соединений
<а>
Показатель | По принципу 4 - усиление конструкций для методов |
4.3 - внешнее армирование <б> | 4.4 - добавление бетона <в> |
1. Физические показатели свойств клеящих составов (для проектировщиков): | | |
1.1. Время открытой выдержки; | | |
1.2. Жизнеспособность <г>; | | |
1.3. Модуль упругости при сжатии; | | |
1.4. Модуль упругости при изгибе; | | |
1.5. Прочность при сдвиге; | | |
1.6. Температура стеклования; | | |
1.7. Коэффициент теплового расширения; | | |
1.8. Усадка; | | |
1.9. Прочность при сжатии <д> | - | |
2. Пригодность нанесения клеящих составов: | | |
2.1. На вертикальную (потолочную) поверхность; | | |
2.2. На горизонтальную поверхность; | | |
2.3. Нагнетанием | | |
3. Пригодность нанесения и выдерживания клеящих составов в особых условиях окружающей среды: | | |
3.1. При низкой или высокой температуре <е>; | | |
3.2. При влажном основании | - | |
4. Прочность клеевого соединения (адгезия/когезия): | | |
4.1. Полос (пластин) усиления между собой; | | - |
4.2. Полосы (пластины) усиления с бетоном конструкции; | | - |
4.3. Защищенных от коррозии стальных полос (пластин) между собой <ж>; | | - |
4.4. Защищенной от коррозии стальной полосы (пластины) с бетоном конструкции <ж>; | | - |
4.5. Ранее отвердевшего бетона элемента усиления с бетоном конструкции; | - | |
4.6. Свежего бетона (из бетонной смеси, изначально контактирующей с клеевым слоем, а после уплотнения, схватывания и твердения превращающейся бетон - свежий бетон) с бетоном конструкции | - | |
5. Долговечность клеевого соединения: | | |
5.1. При воздействии циклов знакопеременной температуры; | | |
5.2. При длительном воздействии повышенных температуры и влажности | | |
<а> Номера и соответствие методов, реализующих принципы в головке таблицы, - по ГОСТ 32016. <б> Метод 4.3. Внешнее армирование конструкций приклеиванием, в том числе внахлест стальных или иных твердых полос или пластин (например, из композиционных материалов - изделий заводской готовности - ламинатов), а также приклеивание с ламинированием (например, пропиткой полимером) армирующей основы из углеродных или других волокон в виде холстов, сеток на месте производства работ. Примечание. Обеспечение приемлемого сцепления с нержавеющей сталью маловероятно. <в> Метод 4.4. Добавление бетона на поверхность усиливаемой конструкции приклеиванием бетонных элементов или приклеиванием при наращивании свежеприготовленной бетонной смеси с созданием адгезионно-связывающего клеевого шва, в том числе за счет свойств материала наращивания (например, полимербетона), когда клеевой шов, скрепляя элемент усиления с конструкцией, становится конструкционной частью структуры. <г> Не требуется при нагнетании. <д> Для бетона контрольных образцов. <е> Температура определяется производителем в расчете на предназначенную цель применения. <ж> В данном случае защита от коррозии предполагает нанесение слоя ингибитора коррозии на низкоуглеродистую сталь.  - основной показатель;  - дополнительный показатель. |
Указанные показатели и требования к их значениям для методов 4.3 - внешнее армирование - и 4.4 - добавление бетона по принципу 4 - усиление конструкции приведены в
5.2.
Примечание. На показатели эксплуатационных качеств отрицательно влияет высокая температура при возможном пожаре, в связи с чем следует предусматривать соответствующие меры защиты элементов усиления.
5. Требования к значениям показателей свойств клеевых
составов и показателей эксплуатационных качеств
клеевых соединений
5.1. Требования к значениям допустимых отклонений при идентификационных испытаниях
В соответствии с таблицей 2 и
Приложением А производитель должен проводить необходимые первичные испытания клеящих составов и их компонентов. Такие испытания могут проводиться каждый раз для подтверждения значений показателей физических свойств компонентов и клеящего состава в целом. Допустимые отклонения приведены в таблице 2. Протоколы испытаний должны храниться у производителя.
Таблица 2
Идентификационные испытания
Показатель физических свойств клеящих составов и их компонентов | Метод испытания | Допустимое отклонение <а> |
Внешний вид и цвет | Визуальный контроль | Однородный и аналогичный описанию производителя |
Инфракрасный спектр (смолы и отвердителя) | | Положение и относительная интенсивность основных абсорбирующих полос должны соответствовать эталонному спектру |
| | Заявленное значение +/- 5% |
| | Заявленное значение +/- 5% |
Гранулометрический состав наполнителей | По ГОСТ 19286 | Заявленное значение максимального размера зерен +/- 5% |
Жизнеспособность | | Заявленное значение +/- 20% |
Прочность при сжатии <в> | | Заявленное значение +/- 20% |
<а> Отклонение от значения, заявленного производителем. <б> Альтернативные методы; решение о применении того или другого метода принимает производитель. <в> Для бетона контрольных образцов. |
5.2. Требования к значениям показателей применительно к методам выполнения усиления
Требования к значениям показателей применительно к методам выполнения усиления следует назначать в соответствии с таблицами 3 и
4.
Таблица 3
Требования к значениям показателей свойств
и эксплуатационных качеств применительно к методу выполнения
усиления внешним армированием конструкций
Показатель | Метод испытания | |
1. Физические показатели свойств клеящих составов |
1.1. Время открытой выдержки | По ГОСТ 28780 | Заявленное значение +/- 20% |
1.2. Жизнеспособность | | Заявленное значение +/- 20% |
1.3. Модуль упругости при сжатии | | >= 2000 Н/мм2 |
1.4. Модуль упругости при изгибе | | >= 2000 Н/мм2 |
1.5. Прочность при сдвиге | | |
1.6. Температура стеклования | | >= 40 °C |
1.7. Коэффициент теплового расширения | | <= 100·10-6 1/°C |
1.8. Усадка | По ГОСТ 18616 | <= 0,1% |
2. Пригодность для нанесения клеящих составов |
2.1. На вертикальные и потолочные поверхности | | Материал не должен сползать более чем на 1 мм при его нанесении (распределении) толщиной 3 мм и менее |
2.2. На горизонтальную поверхность | В соответствии с Приложением Б (см. испытания на расплыв под вертикальной нагрузкой) | Площадь расплыва клеящего состава под вертикальной нагрузкой в конце испытаний должна составлять не менее 3000 мм2 (диаметр расплыва 60 мм2) |
2.3. Нагнетанием Примечания: 1. Бетон для контрольных образцов, тип БМ(0,40), в соответствии с Приложением Г. 2. Подготовка контрольных образцов в соответствии с Приложением Д. 3. Абразивная обработка поверхностей склеивания заготовок контрольных образцов в соответствии с Приложением Е. | | В клеевом соединении вида бетон/бетон при склеивании сухих поверхностей нагнетанием клеящего состава в испытании на растяжения при отрыве должны приводить к отрывающему разрушению в бетоне |
3. Прочность клеевого соединения (когезия в клеевом шве) при испытаниях в нормальных климатических условиях или в иных условиях, оговоренных особо Примечание. Абразивная обработка поверхностей склеивания заготовок контрольных образцов в соответствии с Приложением Е. | | а) Предел прочности при косом сдвиге наклонного клеевого соединения вида сталь/сталь встык под разными углами  в испытании на сжатие должен быть не меньше значений  по таблице: |
 , град |  , Н/мм 2 |
50 | 50 |
60 | 60 |
70 | 70 |
| | б) Предел прочности при отрыве горизонтального клеевого соединения вида сталь/сталь внакладку при испытании на растяжение при отрыве должен быть не меньше 14 Н/мм2 |
| | в) Предел прочности при прямом сдвиге вертикального клеевого соединения вида сталь/сталь внахлестку в испытании на растяжение должен быть не меньше 12 Н/мм2 |
4. Долговечность клеевого соединения (воздействие температуры и влажности) Примечания: 1. Абразивная обработка поверхностей склеивания заготовок контрольных образцов в соответствии с Приложением Е. 2. Виды и режимы теплового воздействия в соответствии с Приложением Ж. | | а) После воздействия циклов знакопеременной температуры или после длительного воздействия повышенных температуры и влажности разрушающие напряжения в вертикальных клеевых соединениях вида бетон/бетон при испытании на прямой сдвиг должны быть не меньше предела прочности бетона на отрыв (когезии в поверхностном слое бетона), т.е. воздействие климатических условий не должно нарушать адгезионно-когезионные показатели эксплуатационных качеств клеевого шва |
| | б) В процессе воздействия на клеевое соединение вида сталь/сталь циклов знакопеременной температуры или длительного воздействия повышенных температуры и влажности при расклинивающей нагрузке не должно приводить к разрушению трещинообразованием клеевого шва или дальнейшему развитию трещины |
<а> Требования к предельным значениям относятся к среднему значению соответствующего показателя каждой партии клеящего состава. |
Таблица 4
Требования к значениям показателей свойств
и эксплуатационных качеств применительно к методу выполнения
Показатель | Метод испытания | |
1. Физические показатели свойств клеящих составов |
1.1. Время открытой выдержки | По ГОСТ 28780 | Заявленное значение +/- 20% |
1.2. Жизнеспособность | | Заявленное значение +/- 20% |
1.3. Модуль упругости при сжатии | | >= 2000 Н/мм2 |
1.4. Модуль упругости при изгибе | | >= 2000 Н/мм2 |
1.5. Прочность при сдвиге | | |
1.6. Температура стеклования | По ГОСТ 32618.2 | >= 40 °C |
1.7. Коэффициент линейного теплового расширения | По ГОСТ 32618.2 | <= 100·10-6 1/°C |
1.8. Усадка | По ГОСТ 18616 | <= 0,1% |
1.9. Прочность при сжатии <б> | | >= 30 Н/мм2 |
2. Пригодность для нанесения клеящих составов |
2.1. На вертикальные (потолочные) поверхности | | Материал не должен сползать более чем на 1 мм при нанесении толщиной 3 мм и менее |
2.2. На горизонтальную поверхность | В соответствии с Приложением Б (см. испытания на расплыв под вертикальной нагрузкой) | Площадь расплыва клеящего состава под вертикальной нагрузкой в конце испытаний должна составлять не менее 3000 мм2 (диаметр расплыва 60 мм2) |
2.3. Нагнетанием Примечания: 1. Бетон для контрольных образцов, тип БМ(0,40), в соответствии с Приложением Г. 2. Подготовка контрольных образцов в соответствии с Приложением Д. 3. Абразивная обработка поверхностей склеивания заготовок контрольных образцов в соответствии с Приложением Е. | | В клеевом соединении вида бетон/бетон при склеивании сухих поверхностей нагнетанием клеящего состава испытания на растяжение при отрыве должны приводить к отрывающему разрушению в бетоне |
3. Прочность клеевого соединения (когезия в бетоне склеенных элементов) при испытании в нормальных климатических условиях или в иных условиях, оговоренных особо Примечания: 1. Бетон для контрольных образцов, тип БМ(0,40), в соответствии с Приложением Г. 2. Абразивная обработка поверхностей склеивания заготовок контрольных образцов в соответствии с Приложением Е. | | а) В наклонном клеевом соединении вида бетон/бетон встык испытания на косой сдвиг под углом  должны приводить к срезывающему разрушению в бетоне (альтернативный метод) |
| б) В горизонтальном клеевом соединении вида бетон/свежий бетон внакладку испытания на растяжение при отрыве должны приводить к отрывающему разрушению в бетоне или свежем бетоне |
| | в) В вертикальном клеевом соединении вида бетон/бетон встык испытания на растяжение при изгибе должны приводить к разрывающему разрушению в бетоне |
4. Долговечность клеевого соединения (воздействие температуры и влажности) Примечания: 1. Бетон для контрольных образцов, тип БМ(0,40), в соответствии с Приложением Г. 2. Абразивная обработка поверхностей склеивания заготовок контрольных образцов в соответствии с Приложением Е. 3. Виды и режимы теплового воздействия в соответствии с Приложением Ж. | | а) После воздействия циклов знакопеременной температуры или после длительного воздействия повышенных температуры и влажности разрушающие напряжения в вертикальных клеевых соединениях видов бетон/бетон или бетон/свежий бетон встык при испытании на прямой сдвиг должны быть не меньше предела прочности бетона или свежего бетона на отрыв (когезии в поверхностном слое бетона или свежего бетона), т.е. воздействие климатических условий не должно нарушать адгезионно-когезионные показатели эксплуатационных качеств клеевого шва |
<а> Требования к предельным значениям относятся к среднему по значению соответствующего показателя каждой партии клеящего состава. <б> Для бетона контрольных образцов. |
Производитель должен провести первичные испытания клеящих составов и клеевых соединений по определению основных показателей, а при необходимости дополнительных по
таблице 1 в соответствии с таблицами
3 и
4.
Пояснения ко всем сокращениям, единицам измерения и обозначениям, применяемым в данных таблицах в графе "Требование", приведены в соответствующих методиках испытаний.
5.3. Требования к показателям выделения опасных веществ
Отвердевшие клеящие составы, предназначенные для усиления конструкций, не должны выделять опасных веществ, вредных для здоровья, гигиены и окружающей среды.
5.4. Требования к показателям огнестойкости
Для клеящих составов, предназначенных для усиления конструкций, подверженных воздействию пожара, производитель должен указывать класс их горючести в отвердевшем состоянии.
Отвердевшие клеящие составы с содержанием равномерно распределенных органических веществ в массовых или объемных долях более 1% классифицируют согласно
ГОСТ 30244 и указывают для них соответствующий класс горючести.
6. Заводской контроль продукции
Производитель должен иметь систему заводского контроля продукции с целью обеспечения постоянного соответствия выпускаемой продукции установленным в
5.1 и
5.2 требованиям.
В рамках заводского контроля производитель проводит необходимые идентификационные испытания, испытания по определению значений основных показателей продукции, а при необходимости - дополнительных, или иные испытания. При проведении иных испытаний следует установить их соответствие методам, используемым в рамках первичного испытания, с целью обеспечения соответствия выпускаемой продукции требованиям настоящего стандарта. Такое соответствие должно быть отражено в документации системы заводского контроля.
Периодичность испытаний продукции в рамках заводского контроля приведена в
Приложении А. При необходимости периодичность может быть увеличена на начальном этапе производства или при несоответствии продукции установленным требованиям.
Любые отклонения от требований настоящего стандарта должны быть обоснованы документальным подтверждением их эквивалентности.
(справочное)
МИНИМАЛЬНАЯ ПЕРИОДИЧНОСТЬ ИСПЫТАНИЙ ПРИ ЗАВОДСКОМ КОНТРОЛЕ
Идентификационное свойство | Клеящий состав на основе полимерных смол <а> |
Идентификация компонентов клеящего состава: | |
инфракрасный спектр; | C |
| B |
| B |
гранулометрический состав наполнителей | B |
Идентификация свежеприготовленного клеящего состава: | |
цвет; | A |
жизнеспособность | A |
Идентификация образца материала в затвердевшем состоянии: | |
прочность при сжатии <в> | A |
<а> Допускается предоставление документации производителя сырья, отвечающей требованиям настоящего стандарта. <б> Альтернативные методы; решение о применении того или другого метода принимает производитель клеящего состава. <в> Для бетона контрольных образцов. Примечание. A - каждая партия; B - через каждые 10 партий, через каждые две недели или через каждые 1000 т, в зависимости от того, что достигается первым (т.е. выбирают максимальную периодичность); C - два раза в год. |
(обязательное)
МЕТОДЫ ОЦЕНКИ ПРИГОДНОСТИ
ПОЛИМЕРНЫХ КЛЕЯЩИХ СОСТАВОВ ДЛЯ НАНЕСЕНИЯ
НА ВЕРТИКАЛЬНУЮ И ГОРИЗОНТАЛЬНУЮ ПОВЕРХНОСТИ <*>
--------------------------------
<*> Методы испытаний отвечают требованиям
[1].
Б.1. Оценка пригодности нанесения свежеприготовленного клеящего состава на вертикальную поверхность. Испытания на сползание
Б.1.1. Применяемое оборудование, приборы и инструменты: стенд испытательный стальной (см. рисунки Б.1 и
Б.2); камера климатическая с возможностью поддерживания заданной температуры воздуха с точностью регулирования температуры +/- 1 °C; термометр по
ГОСТ 28498 с ценой деления шкалы 0,1 °C; линейка мерная металлическая по
ГОСТ 427; шпатель металлический с шириной лопатки 70 мм; таймер-часы по
ГОСТ 3145 или
ГОСТ 27752.
Рисунок Б.1. Стенд испытательный стальной
Примечания:
1. Стенд в работе: канал 1 - подготовлен к удалению излишков клеящего состава; канал 2 - использование шпателя или линейки для удаления излишков клеящего состава в канале; каналы 3 и 4 - выравнивание клеящего состава закончено; канал 5 - остается незаполненным.
2. Стрелкой указано направление поворота стенда для проведения испытаний.
Б.1.2. Предварительное выдерживание: компоненты клеящего состава (смола и отвердитель) и стенд выдерживают в климатической камере не менее 4 ч при температуре проведения испытаний (21 +/- 2) °C, если не требуется другое.
Б.1.3. Проведение испытаний:
а) рабочую поверхность испытательного стенда очищают и устанавливают в горизонтальное положение;
б) компоненты клеящего состава смешивают в соответствии с техническими условиями производителя;
в) клеящий состав распределяют по каналам стенда, начиная с первого, самого мелкого (2 мм). Излишки состава удаляют заподлицо с верхними гранями направляющих в каналах и торцами этих направляющих с помощью линейки или шпателя;
Примечание. Все подлежащие испытанию каналы заполняют клеящим составом в течение 10 мин после окончания смешивания его компонентов. Если время открытой выдержки по ГОСТ 28780 клеящего состава меньше 15 мин, испытания проводят поочередно для каждого из каналов.
г) после заполнения каналов, подлежащих испытанию, и выравнивания клеящего состава рабочую поверхность стенда выдерживают в горизонтальном положении в течение 30 с. После чего осторожно поворачивают стенд на 90° (на грань, помеченную словом "низ"), устанавливая рабочую поверхность вертикально (см.
рисунок Б.2), и включают таймер;
Примечание. Стенд находится в установленном положении в течение всего периода испытания.
д) испытания проводят в течение 30 мин (если не требуется другое), измеряя длину сползания клеевого слоя - расстояние от нижних торцов направляющих до точки максимального сползания в испытуемых каналах.
Примечание. Если сползание клеевого слоя достигает основания (грани, помеченной словом "низ"), в результатах испытания указывают, что значение величины сползания превысило 50 мм.
Б.2. Оценка пригодности нанесения клеящего состава на горизонтальную поверхность. Испытание на расплыв под вертикальной нагрузкой
Б.2.1. Применяемое оборудование, приборы, инструменты и инвентарь: камера климатическая и таймер по
Б.1.1; бумага парафинированная по ГОСТ 9596 с размером листов не меньше 400 x 400 мм; сталь марки Ст3 по
ГОСТ 380 листовая толщиной 6 мм по
ГОСТ 14637 размером 400 x 400 мм; пригруз массой 150 Н (гиря 10 кг F
1 и гиря 5 кг F
1 в виде цилиндров без головки по
ГОСТ 7328); линейка мерная металлическая по
ГОСТ 427.
Б.2.2. Предварительное выдерживание: компоненты клеящего состава (смола и отвердитель) и стенд выдерживают в климатической камере не менее 4 ч при температуре проведения испытаний (21 +/- 2) °C, если не требуется другое.
Б.2.3. Проведение испытаний:
а) компоненты клеящего состава смешивают в соответствии с техническими условиями производителя;
б) через 10 мин после окончания смешивания свежеприготовленный клеящий состав в количестве 300 см3 укладывают на лист вощеной бумаги, размещенной на ровной и твердой поверхности;
Примечание. Площадь, которую изначально занимает клеящий состав, задают максимально минимальной.
в) поверх уложенного клеящего состава поочередно кладут второй лист вощеной бумаги и далее стальной лист; на последнем по центру размещают пригруз массой 150 Н;
Примечание. Положение стального листа задают параллельным поверхности, на которую уложен клеящий состав.
г) пригруз выдерживают в течение 3 мин, затем снимают, убирают стальной лист и измеряют площадь (диаметр) расплыва клеящего состава.
Примечание. Если под нагрузкой клеящий состав расплылся за пределы площади испытаний (более 400 x 400 мм), его количество соответственно уменьшают, а испытания повторяют, отразив это изменение в результатах испытаний.
Б.3. Данные, приводимые в протоколе испытаний:
а) тип и наименование клеящего состава;
б) температура воздуха при проведении испытания;
в) температура компонентов клеящего состава перед смешиванием;
г) объем клеящего состава, приготовленного за один замес;
д) способ смешивания компонентов клеящего состава;
е) продолжительность проведения испытания;
ж) способ заполнения каналов клеящим составом (только для
Б.1);
и) значение длины сползания клеевого слоя в конце испытания для каждого из каналов (только для
Б.1);
к) значение наибольшей толщины клеевого слоя, в котором за время испытания не отмечено его сползание (только для
Б.1);
л) количество клеящего состава, использованного для проведения испытания, в см
3 (только для
Б.2);
м) площадь, мм
2 (или диаметр, мм), расплыва клеящего состава в конце испытания (только для
Б.2);
н) любые отклонения от методов испытаний.
(обязательное)
МЕТОДЫ ИСПЫТАНИЙ КОНТРОЛЬНЫХ ОБРАЗЦОВ
С КЛЕЕВЫМ СОЕДИНЕНИЕМ. ОБЩИЕ ТРЕБОВАНИЯ
И ПОРЯДОК ИСПЫТАНИЙ <*>
--------------------------------
<*> Методы испытаний соответствуют требованиям
[2],
[3],
[4] и
[5].
В.1. Виды клеевых соединений и методы испытаний
Испытания предусматривают определение предела прочности контрольных образцов с клеевыми соединениями видов сталь/сталь, бетон/бетон и бетон/свежий бетон следующими методами (см.
таблицу В.1):
а) срезывающее разрушение наклонных клеевых соединений видов сталь/сталь и бетон/бетон встык в испытании на косой сдвиг при осевом сжатии стальных или бетонных образцов-призм (см.
схемы испытаний 1.1 и
1.2 по таблице В.1, а также
В.3 и
В.4);
б) срезывающее разрушение вертикальных клеевых соединений видов бетон/бетон и бетон/свежий бетон встык в испытании на прямой сдвиг бетонных образцов-призм при сдвигающей вдоль клеевых швов нагрузке (см.
схемы испытаний 1.3 и
1.4 по таблице В.1, а также
В.5 и
В.6);
в) отрывающее разрушение горизонтальных клеевых соединений видов сталь/сталь, бетон/бетон и бетон/свежий бетон внакладку в испытании на растяжение при отрыве стальных образцов-штампов или бетонных образцов-кернов (см.
схемы испытаний 2.1,
2.2 и
2.4 по таблице В.1, а также
В.7,
В.8 и
В.9);
г) разрушение трещинообразованием клеевых соединений вида сталь/сталь внакладку в испытании на расслоение при расклинивающей нагрузке стальных образцов-пластин (см.
схему испытаний 3.1 по таблице В.1, а также
В.10);
д) разрывающее разрушение вертикальных клеевых соединений вида бетон/бетон встык в испытании на растяжение при изгибе бетонных образцов-призм (см.
схему испытаний 4.2 по таблице В.1, а также
В.11).
Примечание. Контрольные образцы подлежат испытаниям на долговечность: для
перечисления б) - после искусственного старения; для перечисления д) - в процессе искусственного старения.
Таблица В.1
Виды клеевых соединений и схемы испытаний
Вид клеевого соединения | Схема испытаний |
1. Срезающим разрушением методами | 2. Отрывающим разрушением методами | 3. Разрушение трещинообразованием методом 4. Разрывающим разрушением методом |
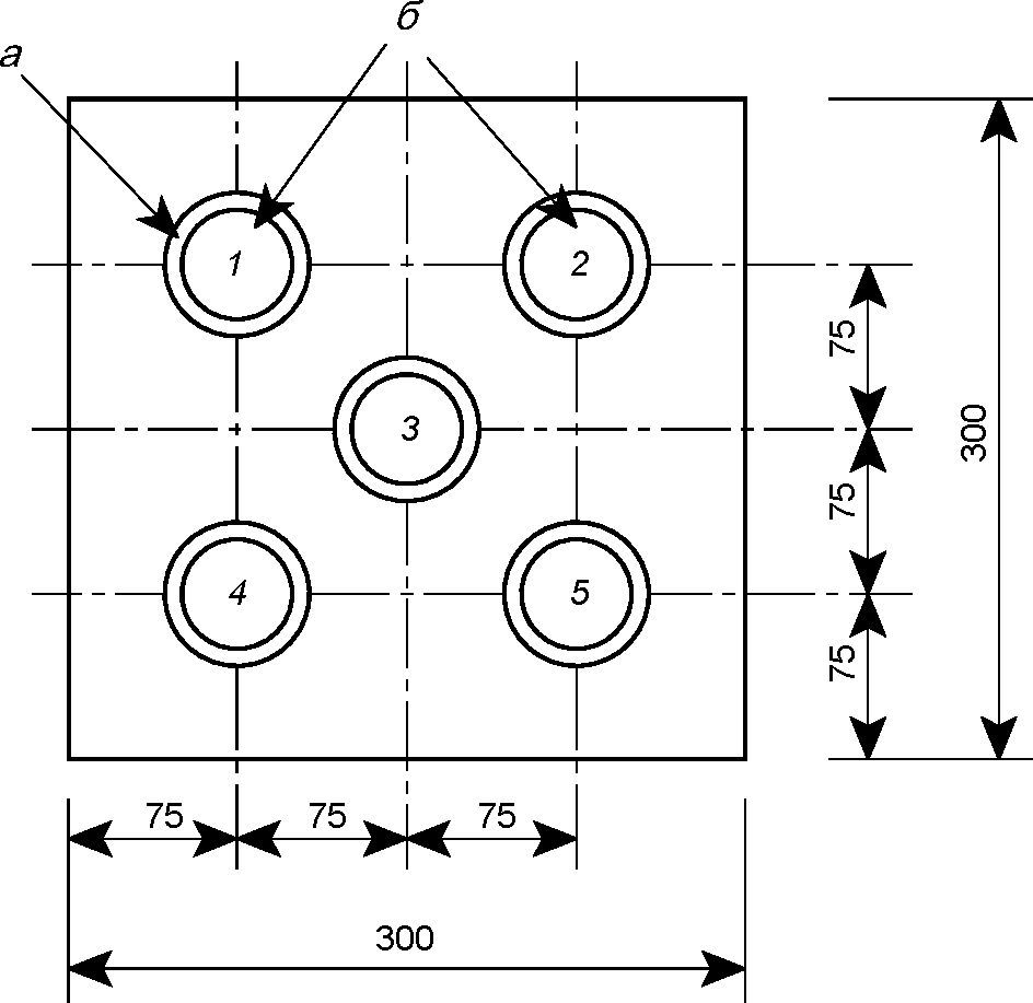
1. Сталь/сталь | 1.1. Косой сдвиг при осевом сжатии (образец-призма 40 x 40 x 160 мм), см. В.3 | 2.1. Растяжение при отрыве (образец-штамп  , образец-плита 300 x 300 x 25 мм), см. В.7 | 3.1. Расслоение при расклинивающей нагрузке (образец-пластина 150 x 25 x 6,65 мм), см. В.10Примечание. Испытания после искусственного старения. |
2. Бетон/бетон | 1.2. Косой сдвиг при осевом сжатии (образец-призма 40 x 40 x 160 мм), см. В.4 | 2.2. Растяжение при отрыве (образец-керн  , образец-плита 1000 x 500 x 40 мм), см. В.8Примечание. Клеевой шов выполнен нагнетанием клеящего состава. | 4.2. Растяжение при изгибе (образец-призма 40 x 40 x 160 мм), см. В.11 |
3. Бетон/бетон | 1.3. Прямой сдвиг (образец-призма 100 x 100 x 302 мм), см. В.5Примечание. Испытания после искусственного старения. | - | - |
4. Бетон/свежий бетон | 1.4. Прямой сдвиг (образец-призма 100 x 100 x 302 мм), см. В.6Примечание. Испытания после искусственного старения. | 2.4. Растяжение при отрыве (образец-керн  , образец-плита основания 300 x 300 x 100 мм), см. В.9 | - |
Примечание. с, б, сб - материал контрольного образца, соответственно: сталь, бетон, свежий бетон; P - разрушающая нагрузка, Н. |
В.2. Расчетные зависимости и особенности методов испытаний
В.2.1. При определении предела прочности на сжатие (растяжение) контрольных образцов с клеевыми соединениями различных видов на действие сжимающей (растягивающей) нагрузки, сжимающее (растягивающее) напряжение

, рассчитывают по формуле:

(В.1)
где Pс(р) - сжимающая (растягивающая) нагрузка, Н;
A - площадь поперечного сечения образца, мм2.
В.2.2. При определении предела прочности при косом сдвиге контрольных образцов-призм с наклонным под углом

клеевым соединением на действие сжимающей нагрузки сжимающие напряжения

, раскладывают на нормальные

, и касательные

, которые рассчитывают по формулам:

(В.2)

(В.3)
При этом:
а) для клеевых соединений вида сталь/сталь угол наклона клеевого соединения принимают

= 50°, 60° и 70°. Из результатов испытаний для расчета принимают значение предела прочности с характером сцепления - когезия (срезывающее разрушение по клеевому шву). Допускают, что до 10% площади клеевого соединения может иметь характер сцепления - адгезия (срезывающее разрушение по контакту сталь/клеевой шов). Указанные требования позволяют определить показатели прочности при косом сдвиге материала клеевого шва (см.
схему испытаний 1.1 по таблице В.1, а также
В.3).
Показатели определяют обработкой принятых к расчету значений предела прочности методом линейной регрессии, например наименьших квадратов по
ГОСТ 24545, с учетом данных таблицы В.2.
Таблица В.2
Отношения нормальных

и касательных

напряжений
к сжимающим напряжениям

для клеевых швов
под разными углами наклона

| | |
50° | 0,413 | 0,492 |
60° | 0,433 | 0,433 |
70° | 0,117 | 0,321 |
В результате такой обработки устанавливают числовые значения показателей c и

условия предельного состояния клеевого шва:

(В.4)
где c - внутреннее сцепление материала клеевого шва (при характере сцепления - когезия) или сцепление по контакту сталь/клеевой шов (при характере сцепления - адгезия), Н/мм2; по характеру сцепления возможна комбинация этого показателя;

- угол внутреннего трения материала клеевого шва (при характере сцепления - когезия) или трения по контакту сталь/клеевой шов (при характере сцепления - адгезия); по характеру сцепления возможна комбинация этого показателя;
б) для клеевых соединений вида бетон/бетон угол наклона принимают

и рассчитывают только значение

, по формуле, учитывающей двухосное напряженно-деформированное состояние контрольного образца-призмы

(В.5)
При этом из результатов испытаний для расчетов принимают значения предела прочности с характером сцепления - когезия (срезывающее разрушение по бетону склеенных элементов). По характеру сцепления - адгезия (срезывающее разрушение по контакту бетон/клеевой шов) оценивают только пригодность клеевого состава для заданных условий (режима) склеивания или качество подготовки поверхности перед склеиванием. Указанные требования позволяют определить показатель предела прочности при косом сдвиге клеевого соединения в целом (см.
схему испытаний 1.2 по таблице В.1, а также
В.4).
В.2.3. При определении предела прочности при прямом сдвиге контрольных образцов-призм с вертикальными клеевыми соединениями встык видов бетон/бетон и бетон/свежий бетон на действие сдвигающей вдоль клеевых швов нагрузки сдвигающие напряжения

, рассчитывают по формуле

(В.6)
где Pсд - сдвигающая нагрузка, Н;
b, l и h - соответственно ширина, длина и высота, мм, центральной части контрольного образца-призмы, подвергнутой действию сдвигающей нагрузки.
При этом из результатов испытаний для расчетов принимают значения предела прочности с характером сцепления - когезия (срезающие разрушения по бетону или свежему бетону склеенных элементов). По характеру сцепления - адгезия (срезающие разрушения по контакту бетон или свежий бетон/клеевой шов) оценивают только пригодность клеевого состава для заданных условий (режима) склеивания или качество подготовки поверхности перед склеиванием (см.
схемы испытаний 1.3 и
1.4 по таблице В.1, а также
В.5 и
В.6).
В.2.4. При определении предела прочности на растяжение при отрыве контрольных образцов с горизонтальным клеевым соединением (образцов-штампов с соединением вида сталь/сталь или образцов-кернов с соединением видов бетон/бетон и бетон/свежий бетон) на действие отрывающей нагрузки растягивающие напряжения

, рассчитывают по
формуле (В.1).
При этом:
а) для клеевых соединений вида сталь/сталь из результатов испытания для расчетов принимают значения предела прочности с характером сцепления - когезия (отрывающее разрушение по клеевому шву). Допускают, что до 10% площади клеевого соединения может иметь характер сцепления - адгезия (отрывающее разрушение по контакту сталь/клеевой шов). Указанные требования позволяют определить показатель предела прочности на растяжение при отрыве материала клеевого шва (см.
схему испытаний 2.1 по таблице В.1, а также
В.7);
б) для клеевых соединений видов бетон/бетон и бетон/свежий бетон из результатов испытаний для расчетов принимают значения предела прочности с характером сцепления - когезия (отрывающее разрушение по бетону или свежему бетону склеенных элементов). По характеру сцепления - адгезия (отрывающее разрушение по контакту бетон или свежий бетон/клеевой шов) оценивают только пригодность клеевого состава для заданных условий (режима) склеивания или качества подготовки поверхности перед склеиванием. Указанные требования позволяют определить предел прочности на растяжение при отрыве клеевого соединения в целом (см.
схемы испытаний 2.2 и
2.4 по таблице В.1, а также
В.8 и
В.9).
В.2.5. При определении предела прочности при расслоении контрольных образцов-пластин с клеевым соединением внакладку вида сталь/сталь на действие расклинивающей нагрузки рассчитывают энергию G
т, кН/м, разрушения трещинообразованием клеевого шва по формуле

(В.7)
где Eс - модуль упругости стали элементов контрольных образцов-пластин, кН/м2;
d - толщина клина, м;
a - длина трещины, м;
h - толщина элементов контрольных образцов-пластин, м;
значения величин d, a, h измеряют с погрешностью +/- 0,1 мм.
При этом после полного воздействия расклинивающей нагрузки на контрольный образец-пластину отмечают разрушение клеевого шва и, в дальнейшем следя за развитием трещины во времени вплоть до ее стабилизации, устанавливают характер сцепления по длине трещины - когезию (разрушение трещинообразованием клеевого шва) и/или адгезию (разрушение трещинообразованием контакта сталь/клеевой шов).
Длину развития трещины измеряют в течение времени t, мин, ее стабилизации через заданные промежутки времени и определяют зависимость a = f(t), после чего - зависимость G
m = F(f(t)) с использованием
формулы В.7 (см.
схему испытаний 3.1 по таблице В.1, а также
В.10).
В.2.6. При определении предела прочности на растяжение при изгибе контрольных образцов-призм с вертикальным клеевым соединением вида бетон/бетон на действие изгибающей нагрузки растягивающие напряжения

, рассчитывают по формуле

(В.8)
где Pизг - изгибающая нагрузка, Н;
l - расстояние между опорами при испытании контрольного образца-призмы, мм;
b и h - соответственно ширина и высота поперечного сечения контрольного образца-призмы, мм.
При этом из результатов испытаний для расчетов принимают значение предела прочности с характером сцепления - когезия (разрывающее разрушение по бетону склеенных элементов). По характеру сцепления - адгезия (разрывающее разрушение по контакту бетон/клеевой шов) оценивают только пригодность клеевого состава для заданных условий (режима) склеивания или качество подготовки поверхности перед склеиванием. Указанные требования позволяют определить предел прочности на растяжение при изгибе клеевого соединения в целом (см.
схему испытаний 4.2 по таблице В.1, а также
В.11).
В.3. Метод испытаний контрольных образцов с клеевым соединением вида сталь/сталь на косой сдвиг при осевом сжатии
В.3.1. Оборудование, оснастка, инструменты и материалы
В.3.1.2. Установка на стационарной или переносной станине с кондуктором и диском для механической резки металла толщиной до 40 мм под заданным углом.
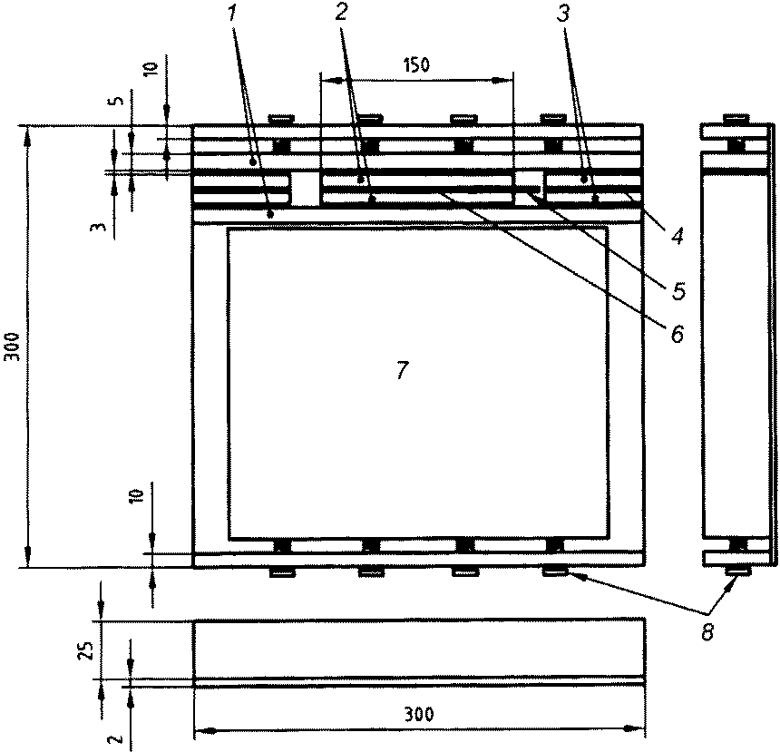
В.3.1.3. Кондуктор для склеивания заготовок (см. рисунок В.1).
1 - полиэтиленовый лист; 2 - подложка (лист фанеры);
3 - заготовки контрольного образца - призм с наклонным
клеевым швом; 4 и 5 - полиэтиленовые листы; 6 - лист
фанеры; 7 - действие продольных зажимов кондуктора;
8 - действие поперечных зажимов кондуктора
Рисунок В.1. Схема склеивания в кондукторе контрольных
образцов-призм с наклонным клеевым швом
В.3.1.4. Измерительные инструменты: линейка мерная металлическая по
ГОСТ 427, штангенциркули по
ГОСТ 166 со значениями отсчета по нониусу 0,1 и 0,05 мм.
В.3.1.5. Установка для испытаний с возможностью постепенного увеличения нагрузки до 200 кН со скоростью от 1,0 до 2,0 кН/с.
В.3.2. Изготовление заготовок (частей изделия), выдерживание и/или хранение
В.3.2.1. Методы испытаний предусматривают использование контрольных образцов-призм размером 40 x 40 x 160 мм из двух одинаковых заготовок (частей изделия), склеенных между собой под разными углами встык (см.
схему испытаний 1.1 по таблице В.1).
Заготовки получают разрезкой призм из стали по
В.3.1.1 размером 40 x 40 x 160 мм на равные части в кондукторе установки по
В.3.1.2 под углами 50°, 60° и 70° к продольной оси (см.
таблицу В.1). Допуски числовых значений плоскости разреза: угол наклона +/- 1°, поперечная плоскостность +/- 0,1 мм на ширине 40 мм, отклонение линейных размеров +/- 0,1 мм, непараллельность длинных граней не более 0,2 мм.
В.3.2.2. После изготовления заготовки незамедлительно используют для приготовления контрольных образцов-призм или хранят при комнатной температуре, причем условия и продолжительность хранения не нормируют.
В.3.2.3. Количество заготовок назначают в зависимости от необходимого количества контрольных образцов-призм для проведения испытаний в соответствии с В.3.3.
В.3.3. Подготовка заготовок (частей изделия) и склеивание контрольных образцов
В.3.3.1. Компоненты клеящего состава (смола и отвердитель) и заготовки (части изделия) выдерживают в нормальных климатических условиях (температура воздуха (21 +/- 2) °C и относительная влажность (60 +/- 10)%) в течение времени, если не требуется другое:
- компоненты клеящего состава - не менее 2 ч;
- заготовки (части изделия) - не менее 4 ч.
В.3.3.2. После хранения заготовок (частей изделия) или непосредственного использования по
В.3.2.2 поверхности склеивания обезжиривают (например, ацетоном), а затем подвергают абразивной обработке и оценке качества результатов обработки в соответствии с
Приложением Е.
В.3.3.3. При удовлетворительном качестве обработки компоненты клеящего состава смешивают, полученный состав наносят на поверхности склеивания заготовок с толщиной клеевого слоя по 1 мм, заготовки помещают в кондуктор по
В.3.1.3 и склеивают с таким расчетом, чтобы получить клеевой шов толщиной (1 +/- 0,1) мм без вовлечения воздуха. Для контроля заданной толщины клеевого слоя используют фиксаторы толщины, сначала в кондукторе заготовки зажимают вдоль поперечной оси образца, а затем - по продольной оси (см.
рисунок В.1, фазы 3 и 4), для того чтобы выдавленный клеящий состав был виден на верхней грани образца. При необходимости заготовки центруют и проверяют совмещение граней линейкой по
В.3.1.4, корректируя положение зажимов кондуктора. Допуск непараллельности длинных граней образца-призмы - не более 0,2 мм. Излишки клеящего состава удаляют.
Примечание. Режим склеивания заготовок назначают в соответствии со стандартом или техническими условиями на клеящий состав конкретного типа.
В.3.3.4. После склеивания заготовок контрольные образцы-призмы выдерживают в зажимах кондуктора в нормальных климатических условиях (температура воздуха (21 +/- 2) °C и относительная влажность (60 +/- 10)%) в течение 24 ч, а затем извлекают из кондуктора и выдерживают в тех же условиях в течение 7 сут, если не требуется другое.
В.3.3.5. После извлечения контрольных образцов-призм по В.3.3.4 из кондуктора измеряют толщину клеевых швов с помощью штангенциркуля по
В.3.1.4 в серединах четырех граней с точностью до +/- 0,1 мм.
В.3.3.6. Количество контрольных образцов-призм назначают исходя из следующих условий:
- для получения достоверных результатов испытанию подлежат девять контрольных образцов из расчета: три серии контрольных образцов для каждого из трех значений углов наклона клеевого шва (50, 60 и 70°) не меньше чем по три образца в каждой серии;
В.3.4. Проведение испытаний
В.3.4.1. Контрольные образцы-призмы после выдерживания по
В.3.3.4 располагают в установке для испытаний по
В.3.1.5 таким образом, чтобы продольная ось образца совпадала с осью приложения нагрузки (см.
схему испытаний 1.1 по таблице В.1). Температуру воздуха при проведении испытаний назначают в пределах (21 +/- 2) °C.
В.3.4.2. Испытания проводят постепенным увеличением нагрузки со скоростью 1,0 - 2,0 кН/с до разрушения образца-призмы и фиксируют наибольшую нагрузку, достигнутую при испытании.
В.3.4.3. Обе части разрушенного образца-призмы подвергают визуальному осмотру для определения характера сцепления и расчета соответствующих показателей в соответствии с
В.2.1 и
перечислением а) В.2.2, устанавливая соотношение в процентах по видам характера сцепления;
- вид А - в соединении вида сталь/сталь отсутствует;
- вид Б - адгезия, срезывающее разрушение по контакту сталь/клеевой шов;
- вид В - когезия, срезывающее разрушение по клеевому шву;
| | ИС МЕГАНОРМ: примечание. Текст дан в соответствии с официальным текстом документа. | |
- вид Д - адгезия, срезывающее разрушение по обоим контактам сталь/клеевой шов.
В.4. Метод испытаний контрольных образцов с клеевым соединением вида бетон/бетон на косой сдвиг при осевом сжатии
В.4.1. Оборудование, оснастка, инструменты и материалы
В.4.1.1. Формы по
ГОСТ 22685 для изготовления контрольных образцов-призм (заготовок) размером 40 x 40 x 160 мм.
В.4.1.2. Установка на стационарной или переносной станине с кондуктором и диском для механической резки бетона толщиной до 40 мм под заданным углом.
В.4.1.3. Кондуктор для склеивания заготовок (см.
рисунок В.1).
В.4.1.4. Измерительные инструменты: линейка мерная металлическая по
ГОСТ 427, штангенциркули по
ГОСТ 166 со значениями отсчета по нониусу 0,1 и 0,05 мм.
В.4.1.5. Установка для испытаний с возможностью постепенного увеличения нагрузки до 200 кН со скоростью от 1,0 до 10,0 кН/с.
В.4.2. Изготовление заготовок (частей изделия), выдерживание и/или хранение
В.4.2.1. Метод испытаний предусматривает использование контрольных образцов-призм размером 40 x 40 x 160 мм из двух одинаковых заготовок (частей изделия), склеенных между собой под углом 60° встык (см.
схему испытаний 1.2 по таблице В.1).
Заготовки изготавливают (в формах по
В.4.1.1) и выдерживают (сначала в формах при температуре воздуха (20 +/- 2) °C и относительной влажности не меньше 95% в течение 24 ч, после чего извлекают из форм и выдерживают в воде с температурой (20 +/- 2) °C в течение 27 сут) в соответствии с
Приложением Г.
В.4.2.2. Заготовки сразу после выдерживания по В.4.2.1 разрезают и используют для изготовления контрольных образцов-призм или хранят в соответствии с
Приложением Г.
В.4.2.3. Количество заготовок назначают в зависимости от необходимого количества контрольных (и эталонных) образцов-призм для проведения испытаний в соответствии с В.4.3.
В.4.3. Подготовка заготовок (частей изделия) и склеивание контрольных образцов
В.4.3.1. После выдерживания по
В.4.2.1 или хранения по В.4.2.2 заготовки помещают в кондуктор установки по
В.4.1.2 и разрезают под углом 60° к поперечной оси заготовки (см.
таблицу В.1). Допуски числовых значений плоскости разреза: угол отклонения +/- 1°, плоскостность до 0,5 мм на ширине 40 мм, площадь отколов по краям разреза не более 1% площади разреза.
В.4.3.2. Поверхности разреза промывают под проточной водой, очищают проволочной щеткой, а затем подвергают абразивной обработке и оценке качества результатов обработки в соответствии с
Приложением Е.
В.4.3.3. Компоненты клеящего состава (смола и отвердитель) и заготовки выдерживают в нормальных климатических условиях (температура воздуха (21 +/- 2) °C и относительная влажность (60 +/- 10)%) в течение времени, если не требуется другое:
- компоненты клеящего состава - не менее 2 ч;
- заготовки (части изделия) - не менее 48 ч.
В.4.3.4. При удовлетворительном качестве обработки компоненты клеящего состава смешивают, полученный состав наносят на поверхности склеивания заготовок с толщиной клеевого слоя по 1 мм, заготовки помещают в кондуктор по
В.4.1.3 и склеивают с таким расчетом, чтобы получить клеевой шов толщиной (1 +/- 0,1) мм без вовлечения воздуха. Для контроля заданной толщины клеевого слоя используют фиксаторы толщины; сначала в кондукторе заготовки зажимают вдоль поперечной оси образца, а затем - по продольной оси (см.
рисунок В.1, фазы 3 и 4), для того чтобы выдавленный клеящий состав был виден на верхней грани образца. При необходимости заготовки центруют и проверяют совмещение граней линейкой по
В.4.1.4, корректируя положение зажимов кондуктора. Допуск непараллельности длинных граней образца-призмы не более 0,2 мм. Излишки клеящего состава удаляют.
Примечание. Режим склеивания заготовок назначают в соответствии со стандартом или техническими условиями на клеящий состав конкретного типа.
В.4.3.5. После склеивания заготовок контрольные образцы-призмы выдерживают в зажимах кондуктора в нормальных климатических условиях (температура воздуха (21 +/- 2) °C и относительная влажность (60 +/- 10)%) в течение 24 ч, а затем извлекают из кондуктора и выдерживают в тех же условиях в течение 7 сут, если не требуется другое.
В.4.3.6. После извлечения по
В.4.3.4 контрольных образцов-призм из кондуктора измеряют толщину клеевых швов с помощью штангенциркуля по
В.4.1.4 в серединах четырех граней с точностью до +/- 0,1 мм.
В.4.3.7. Количество контрольных образцов-призм назначают исходя из следующих условий:
- для получения достоверных результатов испытанию подлежат три контрольных образца из расчета: одна серия контрольных образцов не меньше чем по три образца в серии;
- одна дополнительная серия заготовок (нераспиленных призм), принимаемых за эталонные образцы, - по три заготовки в серии.
В.4.4. Проведение испытаний
В.4.4.1. Контрольные образцы-призмы после выдерживания по
В.4.3.5 располагают в установке по
В.4.1.5 таким образом, чтобы продольная ось образца совпадала с осью приложения нагрузки (см.
схему испытаний 1.2 по таблице В.1). Температуру воздуха при проведении испытаний назначают в пределах (21 +/- 2) °C.
В.4.4.2. Испытания проводят постепенным увеличением нагрузки со скоростью 1,0 - 10,0 кН/с до разрушения образца и фиксируют наибольшую нагрузку, достигнутую при испытании.
В.4.4.3. Обе части разрушенного образца-призмы подвергают визуальному осмотру для определения характера сцепления и расчета соответствующих показателей в соответствии с
В.2.1 и
перечислением б) В.2.2, устанавливая соотношение в процентах по видам характера сцепления:
- вид А - когезия, срезывающее разрушение по бетону одной из склеенных частей образца;
- вид Б - адгезия, срезывающее разрушение по одному из контактов бетон/клеевой шов;
- вид В - когезия, срезывающее разрушение по клеевому шву;
- вид Г - адгезия, срезывающее разрушение по обоим контактам бетон/клеевой шов.
Расчет показателей рекомендуется выполнять с использованием статистической обработки результатов по
ГОСТ 14359.
В.5. Метод испытаний контрольных образцов на прямой сдвиг при нагрузке вдоль клеевого соединения вида бетон/бетон
В.5.1. Оборудование, оснастка, инструменты и материалы
В.5.1.1. Формы по
ГОСТ 22685 для изготовления заготовок (частей изделия) размером 100 x 100 x 100 мм.
В.5.1.2. Формы для изготовления (склеивания) контрольных образцов-призм размером 100 x 100 x 302 мм аналогичной конструкции по В.5.1.1.
В.5.1.3. Кондуктор для испытаний со стальными распределительной плитой и опорными пластинами (см. рисунок В.2).
1 - клеевые швы; 2 - подложки (листы фанеры);
3 - стяжные винты М20; 4 - винты крепления кондуктора
к опорной плите; 5 - стальная распределительная плита
(штамп 100 x 100 x 30 мм); 6 - стальные опорные пластины
(150 x 200 x 10 мм); 7 - опорная плита (500 x 350 x 20 мм);
8 - траверса крепления образцов-призм
Рисунок В.2. Кондуктор для крепления при испытании
контрольных образцов-призм размером 100 x 100 x 302 мм
с вертикальными клеевыми швами
В.5.1.4. Измерительные инструменты: линейка мерная металлическая по
ГОСТ 427, штангенциркули по
ГОСТ 166 со значениями отсчета по нониусу 0,1 и 0,05 мм.
В.5.1.5. Установка для испытаний с возможностью плавного увеличения нагрузки до 200 кН со скоростью (1,0 +/- 0,2) кН/с.
В.5.1.6. Климатические камеры по
Ж.1.1, а также по
Ж.1.2 или по
Ж.1.3 Приложения Ж.
В.5.2. Изготовление заготовок (частей изделия), выдерживание и/или хранение
В.5.2.1. Метод испытаний предусматривает использование контрольных образцов-призм размером 100 x 100 x 302 мм из трех одинаковых заготовок (частей изделия), склеенных между собой под прямым углом встык (см.
схему испытаний 1.3 по таблице В.1).
Заготовки изготавливают (в формах по
В.5.1.1 размером 100 x 100 x 100 мм) и выдерживают (сначала в формах при температуре воздуха (20 +/- 2) °C и относительной влажности не меньше 95% в течение 24 ч, после чего извлекают из форм и выдерживают в воде с температурой (20 +/- 2) °C в течение 27 сут) в соответствии с
Приложением Г.
В.5.2.2. Заготовки немедленно используют для изготовления контрольных образцов-призм или хранят в соответствии с
Приложением Г.
В.5.2.3. Количество заготовок назначают в зависимости от необходимого количества контрольных (и эталонных) образцов-призм для проведения испытаний в соответствии с В.5.3.
В.5.3. Подготовка заготовок (частей изделий) и склеивание контрольных образцов
В.5.3.1. Компоненты клеящего состава (смола и отвердитель) и заготовки (части изделия) размером 100 x 100 x 100 мм контрольных образцов-призм выдерживают в нормальных климатических условиях (температура воздуха (21 +/- 2) °C и относительная влажность (60 +/- 10)%) в течение 24 ч, если не требуется другое.
| | ИС МЕГАНОРМ: примечание. В официальном тексте документа, видимо, допущена опечатка: пункт 5.3.1 отсутствует. Возможно, имеется в виду пункт В.5.3.1. | |
В.5.3.2. После выдерживания заготовок (частей изделия) по 5.3.1 поверхности склеивания (боковые грани заготовок размером 100 x 100 x 100 мм, прежде контактировавшие с формой) подвергают абразивной обработке и оценке качества результатов обработки в соответствии с
Приложением Е.
В.5.3.3. При удовлетворительном качестве обработки компоненты клеящего состава смешивают, полученный состав наносят на поверхности склеивания заготовок с толщиной клеевого слоя 1,5 - 2,0 мм с таким расчетом, чтобы при склеивании заготовок в форме по
В.5.1.2 получить контрольный образец-призму размером 100 x 100 x 302 мм с клеевыми швами толщиной (1 +/- 0,1) мм без вовлечения воздуха.
По граням в центре формы по
В.5.1.2 размещают лист вощеной бумаги размером 250 x 350 мм; две заготовки размером 100 x 100 x 100 мм с нанесенным клеевым слоем помещают по краям формы клеевым слоем внутрь формы, затем третью заготовку с двумя клеевыми слоями помещают в центр формы, выдавливая излишки клеевого состава к открытой грани.
Примечание. Режим склеивания заготовок назначают в соответствии со стандартом или техническими условиями на клеящий состав конкретного типа.
В.5.3.4. После склеивания по
В.5.3.3 контрольные образцы-призмы выдерживают в формах при нормальных условиях (температура воздуха (21 +/- 2) °C и относительная влажность (60 +/- 10)%) в течение 24 ч, а после извлечения из форм - в тех же условиях в течение 7 сут, если не требуется другое.
В.5.3.5. После выдерживания контрольных образцов-призм по В.5.3.4 измеряют толщину клеевых швов с помощью штангенциркуля по
В.5.1.4 в серединах четырех граней с точностью до +/- 0,1 мм и готовят к испытаниям.
Примечание. Контрольные образцы подлежат испытаниям на долговечность после искусственного старения: воздействие циклов знакопеременной температуры или длительное воздействие повышенных температуры и влажности в соответствии с
Приложением Ж.
В.5.3.6. Количество контрольных образцов назначают из условий получения достоверных результатов испытаний на долговечность после искусственного старения, испытанию подлежат:
- шесть основных контрольных образцов из расчета: две серии образцов не меньше чем по три образца в каждой серии и одного из двух режимов воздействия в соответствии с
Приложением Ж;
- шесть дополнительных контрольных образцов, принимаемых за эталонные, из расчета две серии образцов не меньше чем по три образца в каждой серии, выдержанных в нормальных климатических условиях (температура воздуха (21 +/- 2) °C и относительная влажность (60 +/- 10)%) в течение срока искусственного старения основных контрольных образцов.
В.5.4. Проведение испытаний
В.5.4.1. До проведения испытаний контрольные образцы, подвергавшиеся искусственному старению (в соответствии с
Приложением Ж), выдерживают в нормальных климатических условиях (температура воздуха (21 +/- 2) °C и относительная влажность (60 +/- 10)%) в течение 24 ч.
В.5.4.2. Контрольные образцы-призмы или эталонные образцы по
В.5.3.6 размещают в кондукторе по
В.5.1.3, центрируют и помещают в установку для испытаний на опорные пластины с таким расчетом, чтобы поперечная ось образца совпадала с осью приложения нагрузки через распределительную плиту-штамп (см.
схему испытаний 1.3 по таблице В.1). Температуру воздуха при проведении испытаний назначают в пределах (21 +/- 2) °C.
В.5.4.3. Испытания проводят постепенным повышением нагрузки со скоростью (1,0 +/- 0,2) кН/с до разрушения образца и фиксируют наибольшую нагрузку, достигнутую при испытании.
В.5.4.4. Обе части разрушенного образца подвергают визуальному осмотру для определения характера сцепления и расчета соответствующих показателей в соответствии с
В.2.3, устанавливая соотношение в процентах по видам характера сцепления:
а) вид А - когезия, срезывающее разрушение по бетону одной из склеенных частей образца;
б) вид Б - адгезия, срезывающее разрушение по одному из контактов бетон/клеевой шов;
в) вид В - когезия, срезывающее разрушение по клеевому шву;
г) вид Г - адгезия, срезывающее разрушение по обоим контактам бетон/клеевой шов.
Расчет показателей рекомендуется выполнять с использованием статистической обработки результатов по
ГОСТ 14359.
В.6. Метод испытаний контрольных образцов на прямой сдвиг при нагрузке вдоль клеевого соединения вида бетон/свежий бетон
В.6.1. Оборудование, оснастка, инструменты и материалы
В.6.1.1. Формы по
ГОСТ 22685 для изготовления заготовок размером 100 x 100 x 100 мм.
В.6.1.2. Формы для изготовления (склеивания) контрольных образцов размером 100 x 100 x 302 мм аналогичной конструкции по В.6.1.1.
В.6.1.3. Кондуктор со стальными распределительной и опорными пластинами (см.
рисунок В.2).
В.6.1.4. Измерительные инструменты: линейка измерительная металлическая по
ГОСТ 427, штангенциркули по
ГОСТ 166 со значениями отсчета по нониусу 0,1 и 0,05 мм.
В.6.1.5. Установка для испытаний с возможностью плавного увеличения нагрузки до 200 кН со скоростью (1,0 +/- 0,2) кН/с.
В.6.1.6. Климатические камеры по
Ж.1.1, а также по
Ж.1.2 или по
Ж.1.3 Приложения Ж.
В.6.2. Изготовление заготовок (частей изделия), выдерживание и/или хранение
В.6.2.1. Методы испытаний предусматривают использование контрольных образцов-призм размером 100 x 100 x 302 мм из трех одинаковых заготовок (частей), склеенных между собой под прямым углом встык (см.
схему испытаний 1.4 по таблице В.1).
Заготовки изготавливают (в формах по
В.6.1.1, размером 100 x 100 x 100 мм) и выдерживают (сначала в формах при температуре воздуха (21 +/- 2) °C и относительной влажности не меньше 95% в течение 24 ч, после чего извлекают из форм и выдерживают в воде при температуре (20 +/- 2) °C в течение 27 сут) в соответствии с
Приложением Г.
В.6.2.2. Заготовки немедленно используют для изготовления контрольных образцов или хранят в соответствии с
Приложением Г.
В.6.2.3. Количество заготовок назначают в зависимости от необходимого количества контрольных (и эталонных) образцов для проведения испытаний в соответствии с В.6.3.
В.6.3. Подготовка заготовок (частей изделий) и склеивание контрольных образцов
В.6.3.1. Компоненты клеящего состава (смола и отвердитель) и заготовки (части изделия) размером 100 x 100 x 100 мм контрольных образцов-призм выдерживают в нормальных климатических условиях (температура воздуха (21 +/- 2) °C и относительная влажность (60 +/- 10)%) в течение 24 ч, если не требуется другое.
В.6.3.2. После выдерживания заготовок (частей изделия) по В.6.3.1 поверхности склеивания (боковые грани образцов-кубов размером 100 x 100 x 100 мм, прежде контактировавшие с формой) подвергают абразивной обработке и оценке качества результатов обработки в соответствии с
Приложением Е.
В.6.3.3. При удовлетворительном качестве обработки компоненты клеящего состава смешивают, полученный состав наносят на поверхности склеивания заготовок с толщиной клеевого слоя 1,5 - 2,0 мм с таким расчетом, чтобы при склеивании заготовок в форме по
В.6.1.2 получить контрольный образец-призму размером 100 x 100 x 302 мм с клеевыми швами толщиной (1 +/- 0,1) мм без вовлечения воздуха.
Две заготовки размером 100 x 100 x 100 мм с нанесенным клеевым слоем помещают по краям формы клеевым слоем внутрь формы. В центральную часть формы (свежий бетон) в середине срока жизнеспособности клеящего состава укладывают бетонную смесь, приготовленную в соответствии с
Приложением Г. Бетонную смесь уплотняют вручную, например штыкованием, и выдерживают в соответствии с
Приложением Г (сначала в формах при температуре воздуха (21 +/- 2) °C и относительной влажности не меньше 95% в течение 24 ч, накрыв полиэтиленовой пленкой, после чего извлекают из форм и выдерживают в воде при температуре (20 +/- 2) °C в течение 27 сут), если не требуется другое.
Примечание. Режим склеивания заготовок назначают в соответствии со стандартом или техническими условиями на клеящий состав конкретного типа.
В.6.3.4. После выдерживания контрольных образцов по
В.6.3.3 измеряют толщину клеевых швов с помощью штангенциркуля по
В.6.1.4 в серединах четырех граней с точностью до +/- 0,1 мм и готовят к испытаниям.
Примечание. Контрольные образцы подлежат испытаниям на долговечность после искусственного старения: воздействие циклов знакопеременной температуры или длительное воздействие повышенных температуры и влажности в соответствии с
Приложением Ж.
В.6.3.5. Количество контрольных образцов назначают из условий получения достоверных результатов испытаний на долговечность после искусственного старения, испытанию подлежат:
- шесть основных контрольных образцов из расчета две серии образцов не меньше чем по три образца в каждой серии и одного из двух режимов воздействия в соответствии с
Приложением Ж;
- шесть дополнительных контрольных образцов, принимаемых за эталонные, из расчета две серии образцов не меньше чем по три образца в каждой серии, выдержанных в нормальных климатических условиях (температура воздуха (21 +/- 2) °C и относительная влажность (60 +/- 10)%) в течение срока искусственного старения основных контрольных образцов.
В.6.4. Проведение испытаний
В.6.4.1. До проведения испытаний контрольные образцы, подвергавшиеся искусственному старению в соответствии с
Приложением Ж, выдерживают в нормальных климатических условиях (температура воздуха (21 +/- 2) °C и относительная влажность (60 +/- 10)%) в течение 24 ч.
| | ИС МЕГАНОРМ: примечание. В официальном тексте документа, видимо, допущена опечатка: пункт В.6.3.6 отсутствует. Возможно, имеется в виду В.6.3.5. | |
В.6.4.2. Контрольные образцы-призмы или эталонные образцы по
В.6.3.6 размещают в кондукторе по
В.6.1.3, центрируют и помещают в установку для проведения испытаний на опорные плиты таким образом, чтобы поперечная ось образца совпадала с осью приложения нагрузки через распределительную плиту (см.
схему испытаний 1.4 по таблице В.1). Температуру воздуха при проведении испытаний назначают в пределах (21 +/- 2) °C.
| | ИС МЕГАНОРМ: примечание. Текст дан в соответствии с официальным текстом документа. | |
В.6.4.3. Испытания проводят постепенным повышением нагрузки до разрушения образца со скоростью (1,0 +/- 0,2) кН/с до разрушения образца и фиксируют наибольшую нагрузку, достигнутую при испытании.
В.6.4.4. Обе части разрушенного образца подвергают визуальному осмотру для определения характера сцепления и расчета соответствующих показателей в соответствии с
В.2.3, устанавливая соотношение в процентах по видам характера сцепления:
а) вид А - когезия, срезывающее разрушение по бетону одной из склеенных частей образца;
б) вид Б - адгезия, срезывающее разрушение по одному из контактов бетон/клеевой шов;
в) вид В - когезия, срезывающее разрушение по клеевому шву;
г) вид Г - адгезия, срезывающее разрушение по обоим контактам бетон/клеевой шов.
Расчет показателей рекомендуется выполнять с использованием статистической обработки результатов по
ГОСТ 14359.
В.7. Метод испытаний контрольных образцов с клеевым соединением вида сталь/сталь на растяжение при отрыве
В.7.1. Оборудование, оснастка, инструменты и материалы
В.7.1.2. Установка на стационарной или переносной станине с кондуктором и диском для механической резки металла толщиной до 25 мм под заданным углом.
В.7.1.3. Кондуктор произвольной формы и размеров для неподвижного крепления контрольных образцов при проведении испытаний.
В.7.1.4. Измерительные инструменты: линейка измерительная металлическая по
ГОСТ 427, штангенциркули по
ГОСТ 166 со значениями отсчета по нониусу 0,1 и 0,05 мм.
В.7.1.5. Прибор переносной для испытаний на отрыв с возможностью постепенного увеличения нагрузки до 16 кН со скоростью (1 +/- 0,1) кН/с в комплекте с образцом-штампом диаметром (50 +/- 0,5) мм толщиной 25 мм с плоской рабочей поверхностью и анкером с шаровой головкой на противоположной стороне под захват прибора.
В.7.2. Изготовление заготовок (частей изделий), выдерживание и/или хранение
В.7.2.1. Метод испытаний предусматривает использование контрольных образцов в виде образцов-штампов, приклеенных к образцу-плите внакладку (см.
схему испытаний 2.1 по таблице В.1).
Заготовку образца-плиты изготавливают из листовой стали по
В.7.1.1 размером 300 x 300 мм толщиной 25 мм с помощью установки по
В.7.1.2 и используют в качестве основания для дальнейшего формирования контрольного образца. В качестве основания допускается использовать стальной широкополый двутавровый профиль по
ГОСТ 26020 с приклеиванием образцов-штампов по продольной оси профиля.
Образцы-штампы изготавливают из стали по
В.7.1.1 в виде цилиндра диаметром (50 +/- 0,5) мм толщиной 25 мм с плоской рабочей поверхностью (допуск по плоскостности +/- 0,1 мм на диаметре 50 мм) и анкером с шаровой головкой на противоположной стороне под захват прибора для испытаний.
Примечание. Образцы-штампы, как правило, входят в комплект прибора для испытаний.
В.7.2.2. Заготовки для контрольных образцов хранят при комнатной температуре, условия и продолжительность хранения не нормируют.
В.7.2.3. Количество заготовок назначают в зависимости от необходимого количества контрольных образцов для проведения испытаний в соответствии с В.7.3.
В.7.3. Подготовка заготовок (частей изделия) и склеивание контрольных образцов
В.7.3.1. Компоненты клеящего состава (смола и отвердитель) и заготовки (части изделия) выдерживают в нормальных климатических условиях (температура воздуха (21 +/- 2) °C и относительная влажность (60 +/- 10)%) в течение времени, если не требуется другое:
- компоненты клеящего состава - не менее 2 ч;
- заготовки (части изделия) - не менее 4 ч.
В.7.3.2. После выдерживания заготовок (частей изделия) по В.7.3.1 поверхности склеивания обезжиривают (например, ацетоном), затем подвергают абразивной обработке и оценке качества результатов обработки в соответствии с
Приложением Е.
В.7.3.3. При удовлетворительном качестве обработки компоненты клеящего состава смешивают, полученный состав наносят на поверхности склеивания заготовок (частей изделия), образуя клеевой слой толщиной по 1 мм, и склеивают с таким расчетом, чтобы получить клеевой шов толщиной (1 +/- 0,1) мм без вовлечения воздуха. Излишки клеящего состава удаляют. Предварительно поверхность образца-плиты размечают линейкой по
В.7.1.4, определяя места приклеивания образцов-штампов.
Примечание. Режим склеивания назначают в соответствии со стандартом или техническими условиями на клеящий состав конкретного типа.
В.7.3.4. После склеивания контрольных образцов (заготовок) их выдерживают в нормальных климатических условиях (температура воздуха (21 +/- 2) °C и относительная влажность (60 +/- 10)%) в течение 24 ч и дополнительно в течение 7 сут, если не требуется другое.
В.7.3.5. После выдерживания по В.7.3.4 контрольные образцы готовят к испытанию.
В.7.3.6. Количество образцов-штампов назначают исходя из следующих условий:
- из получения достоверных результатов испытаний - одна серия контрольных образцов не меньше чем по три образца в серии;
В.7.4. Проведение испытаний
В.7.4.1. Контрольный образец в виде плиты-основания с приклеенными образцами-штампами располагают горизонтально и неподвижно раскрепляют в кондукторе по
В.7.1.3. Над контрольными образцами поочередно размеряют переносной прибор для испытаний по
В.7.1.5. В захват прибора помещают шаровую головку анкера образца-штампа и выравнивают это соединение по вертикали с допуском +/- 1°. Температуру воздуха при проведении испытаний назначают в пределах (21 +/- 2) °C.
В.7.4.2. Испытания проводят поочередно с каждым образцом-штампом путем постепенного увеличения нагрузки со скоростью (1 +/- 0,1) кН/с до разрушения образца и фиксируют наибольшую нагрузку, достигнутую при испытании.
В.7.4.3. Каждый разрушенный образец (клеевое соединение) подвергают визуальному осмотру для определения характера сцепления и расчета соответствующих показателей в соответствии с
В.2.1 и
перечислением а) В.2.4, устанавливая соотношение в процентах по видам характера сцепления:
а) вид А - в соединении вида сталь/сталь отсутствует;
б) вид Б - адгезия, отрывающее разрушение по контакту сталь/клеевой шов;
в) вид В - когезия, отрывающее разрушение по клеевому шву;
г) вид Г - адгезия, отрывающее разрушение по обоим контактам сталь/клеевой шов.
Расчет показателей рекомендуется выполнять с использованием статистической обработки результатов по
ГОСТ 14359.
В.8. Метод испытаний контрольных образцов с клеевым соединением вида бетон/бетон на растяжение при отрыве
В.8.1. Оборудование, оснастка, инструменты и материалы
В.8.1.1. Формы произвольной конструкции для изготовления заготовок образцов-плит размером 1000 x 500 x 40 мм из материала, не впитывающего воду, способного противостоять щелочному воздействию цементного раствора.
В.8.1.2. Комплект оборудования, оснастки, инструментов и материалы по
Д.1 -
Д.1.6 Приложения Д.
В.8.1.3. Буровая установка и керноотборник для кернов диаметром (50 +/- 0,5) мм с алмазной режущей кромкой, выступающей за габариты наружного диаметра керноотборника на (1,5 +/- 0,5) мм.
В.8.1.4. Измерительные инструменты: линейка измерительная металлическая по
ГОСТ 427, штангенциркули по
ГОСТ 166 со значениями отсчета по нониусу 0,1 и 0,05 мм.
В.8.1.5. Прибор переносной для испытаний на отрыв с возможностью постепенного увеличения нагрузки до 16 кН со скоростью (1 +/- 0,1) кН/с в комплекте со штампом диаметром (50 +/- 0,5) мм толщиной 25 мм с плоской рабочей поверхностью и анкером с шаровой головкой на противоположной стороне под захват прибора.
В.8.1.6. Быстротвердеющий (клеящий) состав на полимерной основе.
В.8.2. Изготовление заготовок (частей изделий), выдерживание и/или хранение
В.8.2.1. Метод испытаний предусматривает использование контрольных образцов в виде образцов-кернов, приклеенных к образцу-плите внакладку (см.
схему испытаний 2.2 по таблице В.1).
Заготовки образцов-плит изготавливают (в формах по
В.8.1.1 размером 1000 x 500 x 40 мм) и выдерживают (сначала в формах при температуре воздуха (21 +/- 2) °C и относительной влажности не меньше 95% в течение 24 ч, после чего извлекают из форм и выдерживают в воде при температуре (20 +/- 2) °C в течение 27 сут) в соответствии с
Приложением Г. Заготовки используют для дальнейшего склеивания сборного образца-плиты нагнетанием клеящего состава в соответствии с
Приложением Д и формирования контрольных образцов.
Образцы-керны получают бурением сборного образца-плиты.
В.8.2.2. Заготовки сразу используют для изготовления контрольных образцов или хранят в соответствии с
Приложением Г.
В.8.2.3. Количество заготовок назначают в зависимости от необходимого количества контрольных образцов для проведения испытаний в соответствии с В.8.3.
В.8.3. Подготовка заготовок (частей изделия) и склеивание контрольных образцов
В.8.3.1. Компоненты клеящего состава (смола и отвердитель) и заготовки (части изделия) размером 1000 x 500 x 40 мм образца-плиты выдерживают в нормальных климатических условиях (температура воздуха (21 +/- 2) °C и относительная влажность (60 +/- 10)%) в течение времени, если не требуется другое:
- компоненты клеящего состава - не менее 2 ч;
- заготовки (части изделия) - не менее 48 ч.
В.8.3.2. После выдерживания заготовок (частей изделия) по В.8.3.1 поверхности склеивания (грани заготовки образца-плиты размером 1000 x 500 x 40 мм, ранее контактировавшие с формой) подвергают абразивной обработке и оценке качества результатов обработки в соответствии с
Приложением Е.
В.8.3.3. При удовлетворительном качестве результатов обработки две заготовки размером 1000 x 500 x 40 мм сборного образца-плиты склеивают между собой путем нагнетания клеящего состава с помощью оборудования по
В.8.1.2 в соответствии с
Приложением Д.
В.8.3.4. После склеивания сборных образцов-плит их выдерживают в нормальных климатических условиях (температура воздуха (21 +/- 2) °C и относительная влажность (60 +/- 10)%) в течение времени, если не требуется другое:
- в зажимах кондуктора - не менее 24 ч;
- после извлечения из кондуктора - не менее 7 сут.
В.8.3.5. После выдерживания по В.8.3.4 на сборных образцах-плитах намечают с помощью линейки по
В.8.1.4 места бурения образцов-кернов в соответствии с
рисунком Д.4 Приложения Д.
В.8.3.6. Сборный образец-плиту располагают горизонтально. Над намеченным местом бурения образцов-кернов размещают буровую установку по
В.8.1.3 с вертикально направленным керноотборником. Пропил выполняют под углом (90 +/- 1)° к поверхности плиты, сначала на глубину 40 мм (толщина плиты), а затем далее через клеевой шов в плиту-основание на глубину (15 +/- 5) мм, не допуская вибрации керноотборника. После выполнения пропила керноотборник поднимают, не повредив образец-керн, и переводят на другое намеченное место бурения.
В.8.3.7. Количество контрольных образцов-кернов назначают исходя из получения достоверных результатов испытаний: одна серия контрольных образцов, не меньше чем по шесть образцов в серии.
В.8.4. Проведение испытаний
В.8.4.1. На поверхность образцов-кернов с помощью быстротвердеющего (клеящего) состава по
В.8.1.6 приклеивают штампы, входящие в комплект переносного прибора для испытаний по
В.8.1.5. После отверждения быстротвердеющего состава контрольный образец в виде плиты-основания с приклеенными образцами-кернами, а поверх них штампами располагают горизонтально. Над контрольными образцами-кернами поочередно размещают переносной прибор по
В.8.1.5 для испытаний. В захват прибора помещают шаровую головку анкера штампа и выравнивают это соединение по вертикали с допуском +/- 1°. Температуру воздуха при проведении испытаний назначают в пределах (21 +/- 2) °C.
В.8.4.2. Испытания проводят поочередно с каждым образцом-керном постепенным увеличением нагрузки со скоростью (1 +/- 0,1) кН/с до разрушения образца и фиксируют наибольшую нагрузку, достигнутую при испытании.
В.8.4.3. Каждый разрушенный образец (клеевое соединение) подвергают визуальному осмотру для определения характера сцепления и расчета соответствующих показателей в соответствии с
В.2.1 и
перечислением б) В.2.4, устанавливая соотношение в процентах по видам характера сцепления:
- вид А - когезия, отрывающее разрушение по бетону одной из склеенных частей образца;
- вид Б - адгезия, отрывающее разрушение по контакту бетон/клеевой шов;
- вид В - когезия, отрывающее разрушение по клеевому шву.
Расчет показателей рекомендуется выполнять с использованием статистической обработки результатов по
ГОСТ 14359.
В.9. Метод испытаний контрольных образцов с клеевым соединением вида бетон/свежий бетон на растяжение при отрыве
В.9.1. Оборудование, оснастка, инструменты и материалы
В.9.1.1. Формы произвольной конструкции (с возможностью увеличения высоты формы с 50 до 90 мм) для изготовления заготовок образцов-плит размером 300 x 300 x (50 - 90) мм из материала, не впитывающего воду, способного противостоять щелочному воздействию цементного раствора.
В.9.1.2. Вибростол низкочастотный для уплотнения бетонной смеси в формах.
В.9.1.3. Буровая установка и керноотборник для кернов диаметром (50 +/- 0,5) мм с алмазной режущей кромкой, выступающей за габариты наружного диаметра керноотборника на (1,5 +/- 0,5) мм.
В.9.1.4. Измерительные инструменты: линейка измерительная металлическая по
ГОСТ 427, штангенциркули по
ГОСТ 166 со значениями отсчета по нониусу 0,1 и 0,05 мм.
В.9.1.5. Прибор переносной для испытаний на отрыв с возможностью постепенного увеличения нагрузки до 16 кН со скоростью (1 +/- 0,1) кН/с в комплекте с образцами-штампами диаметром (50 +/- 0,5) мм толщиной 25 мм с плоской рабочей поверхностью и анкером с шаровой головкой на противоположной стороне под захват прибора.
В.9.1.6. Состав быстротвердеющий (клеящий) на полимерной основе.
В.9.2. Изготовление заготовок (частей изделий), выдерживание и/или хранение
В.9.2.1. Метод испытаний предусматривает использование контрольных образцов в виде образцов-кернов, приклеенных к образцу-плите внакладку (см.
схему испытаний 2.4 по таблице В.1).
Заготовки образцов-плит изготавливают (в формах по
В.9.1.1 размером 300 x 300 x 50 мм) и выдерживают (сначала в формах при температуре воздуха (21 +/- 2) °C и относительной влажности не меньше 95% в течение 24 ч, накрыв полиэтиленовой пленкой, после чего извлекают из форм и выдерживают в воде при температуре (20 +/- 2) °C в течение 27 сут) в соответствии с
Приложением Г. Заготовки используют в качестве основания для дальнейшего склеивания сборно-монолитного образца-плиты и формирования контрольных образцов.
Образцы-керны получают бурением монолитной части (свежий бетон) сборно-монолитного образца-плиты.
В.9.2.2. Заготовки сразу используют для изготовления контрольных образцов или хранят в соответствии с
Приложением Г.
В.9.2.3. Количество заготовок назначают в зависимости от необходимого количества контрольных образцов для проведения испытаний в соответствии с В.9.3.
В.9.3. Подготовка заготовок (частей изделия) и склеивание контрольных образцов
В.9.3.1. Компоненты клеящего состава (смола и отвердитель) и заготовки (части изделия) выдерживают в нормальных климатических условиях (температура воздуха (21 +/- 2) °C и относительная влажность (60 +/- 10)%) в течение времени, если не требуется другое:
- компоненты клеящего состава - не менее 2 ч;
- заготовки (части изделия) - не менее 48 ч.
В.9.3.2. После выдерживания заготовок (частей изделия) по В.9.3.1 поверхности склеивания (грани заготовки образца-плиты размером 300 x 300 x 50 мм, ранее контактировавшие с формой) подвергают абразивной обработке и оценке качества результатов обработки в соответствии с
Приложением Е.
В.9.3.3. При удовлетворительном качестве обработки заготовку образца-плиты размером 300 x 300 x 50 мм помещают в форму по
В.9.1.1 с увеличенной до 50 мм высотой поверхностью склеивания вверх.
Компоненты клеящего состава смешивают, состав наносят на поверхность склеивания, образуя клеевой слой толщиной 2 мм, с таким расчетом, чтобы при склеивании получить сборно-монолитный образец-плиту с клеевым швом толщиной (1,0 +/- 0,1) мм без вовлечения воздуха.
Поверх клеевого слоя в середине срока жизнеспособности клеящего состава в форму укладывают бетонную смесь, приготовленную в соответствии с
Приложением Г. Форму помещают на вибростол по
В.9.1.2, бетонную смесь уплотняют, излишки смеси удаляют заподлицо с краями формы.
Примечание. Режим склеивания назначают в соответствии со стандартом или техническими условиями на клеящий состав конкретного типа.
В.9.3.4. После склеивания сборно-монолитных образцов-плит (заготовок) их выдерживают (сначала в формах при температуре воздуха (21 +/- 2) °C и относительной влажности не меньше 95% в течение 24 ч, накрыв полиэтиленовой пленкой, после чего извлекают из форм и выдерживают в воде при температуре (20 +/- 2) °C в течение 27 сут) в соответствии с
Приложением Г.
В.9.3.5. После выдерживания по В.9.3.4 на сборно-монолитных образцах-плитах намечают с помощью линейки по
В.9.1.4 места бурения образцов-кернов в соответствии с рисунком В.3.
а - цилиндрический пропил; б - образец-керн;
1 - 5 - маркировка образцов-кернов
Рисунок В.3. Схема разметки и маркировки мест бурения
образцов-кернов диаметром (50 +/- 0,5) мм
в сборно-монолитном образце-плите
В.9.3.6. Сборно-монолитный образец-плиту располагают горизонтально и неподвижно раскрепляют. Над намеченным местом бурения образцов-кернов размещают буровую установку по
В.9.1.3 с вертикально направленным керноотборником. Пропил выполняют под углом (90 +/- 1)° к поверхности плиты, сначала на глубину 40 мм (свежий бетон), а затем далее через клеевой шов в основание на глубину (15 +/- 5) мм, не допуская вибрации керноотборника. После выполнения пропила керноотборник поднимают, не повредив образец-керн, и переводят на другое намеченное место бурения.
В.9.3.7. Количество образцов-кернов назначают исходя из получения достоверных результатов испытаний: одна серия контрольных образцов не меньше чем по пять образцов-кернов в серии.
В.9.4. Проведение испытаний
В.9.4.1. На поверхность образцов-кернов с помощью быстротвердеющего (клеящего) состава по
В.9.1.6 приклеивают штампы, входящие в комплект прибора для испытаний по
В.9.1.5. После отверждения быстротвердеющего состава контрольный образец в виде плиты-основания с приклеенными образцами-кернами, а поверх них штампами располагают горизонтально и неподвижно раскрепляют. Над контрольными образцами-кернами поочередно размещают переносной прибор для испытаний по
В.9.1.5. В захват прибора помещают шаровую головку анкера штампа и выравнивают это соединение по вертикали с допуском +/- 1°. Температуру воздуха при проведении испытаний назначают в пределах (21 +/- 2) °C.
В.9.4.2. Испытания проводят поочередно с каждым образцом-керном путем постепенного увеличения нагрузки со скоростью (1 +/- 0,1) кН/с до разрушения образца и фиксируют наибольшую нагрузку, достигнутую при испытании.
В.9.4.3. Каждый разрушенный образец (клеевое соединение) подвергают визуальному осмотру для определения характера сцепления и расчета соответствующих показателей в соответствии с
В.2.1 и
перечислением б) В.2.4, устанавливая соотношение в процентах по видам характера сцепления:
- вид А - когезия, отрывающее разрушение по бетону одной из склеенных частей образца;
- вид Б - адгезия, отрывающее разрушение по контакту бетон/клеевой шов;
- вид В - когезия, отрывающее разрушение по клеевому шву.
Расчет показателей рекомендуется выполнять с использованием статистической обработки результатов по
ГОСТ 14359.
В.10. Метод испытаний контрольных образцов с клеевым соединением вида сталь/сталь на расслоение при расклинивающей нагрузке
В.10.1. Оборудование, оснастка, инструменты и материалы
В.10.1.2. Установка на стационарной или переносной станине с кондуктором и диском для механической резки и заточки металла толщиной до 4 мм под заданным углом.
В.10.1.3. Кондуктор для склеивания заготовок и клин для испытаний (см. рисунки В.4 и
В.5).
1 - стальная полоса-подкладка; 2 - заготовки
(части изделия) - пластины размером 150 x 25 x 3 мм;
3 - прокладка толщиной 3 мм; 4 - прокладка толщиной
0,65 мм; 5 - шаблон-вставка с лентой ПВХ для создания
непроклеенного зазора в виде петли на глубину 12,5 мм;
6 - создаваемый клеевой шов; 7 - стальной блок-основание;
8 - винты крепления
Рисунок В.4. Кондуктор для склеивания заготовок
контрольных образцов-пластин размером 150 x 25 x 6 мм
для испытаний на расслоение при расклинивающей нагрузке
а)
б)
1 - начальное расслоение контрольного
образца-пластины на 12,5 мм; 2 - клин для испытаний;
3 - заготовка (часть изделия) - пластина размером
150 x 25 x 3 мм; 4 - клеевой шов толщиной 0,65 мм
Рисунок В.5. Схемы испытаний (а) контрольного
образца-пластины размером 150 x 25 x 6 мм на расслоение
при расклинивающей нагрузке; клин (б) для испытаний,
создающий расклинивающую нагрузку
В.10.1.4. Измерительные инструменты: линейка измерительная металлическая по
ГОСТ 427, штангенциркули по
ГОСТ 166 со значениями отсчета по нониусу 0,1 и 0,05 мм; лупа с 15-кратным увеличением и измерительной шкалой с точностью 0,1 мм.
В.10.1.5. Установка для испытаний образцов на сжатие с возможностью постепенного увеличения нагрузки со скоростью перемещения сжимающих пуансонов до 50 мм/мин.
В.10.2. Изготовление заготовок (частей изделия), выдерживание или хранение
В.10.2.1. Метод испытаний предусматривает использование контрольных образцов-пластин размером 150 x 25 x 6 мм из двух одинаковых заготовок (частей изделия), склеенных между собой внахлестку (см.
схему испытаний 3.1 по таблице В.1).
Заготовки (части изделий) контрольного образца-пластины изготавливают из стали марки Ст3 по
ГОСТ 380 полосовой 25 x 3 мм по
ГОСТ 103, размер заготовки 150 x 25 x 3 мм; клин для испытаний изготавливают из этой же стали размером 25 x 25 мм толщиной 3 мм.
В.10.2.2. Заготовки хранят при комнатной температуре. Условия и продолжительность хранения не нормируют.
В.10.2.3. Количество заготовок назначают в зависимости от необходимого количества контрольных (и эталонных) образцов для проведения испытаний в соответствии с В.10.3.
В.10.3. Подготовка заготовок (частей изделия) и склеивание контрольных образцов
В.10.3.1. Компоненты клеящего состава (смола и отвердитель), заготовки (части изделия) и клин для испытаний выдерживают в нормальных климатических условиях (температура воздуха (21 +/- 2) °C и относительная влажность (60 +/- 10)%) в течение времени, если не требуется другое:
- компоненты клеящего состава - не менее 2 ч;
- заготовки (части изделия) - не менее 4 ч.
В.10.3.2. После выдерживания заготовок поверхности склеивания обезжиривают (например, ацетоном), а затем подвергают абразивной обработке и оценке качества обработки в соответствии с
Приложением Е.
В.10.3.3. При удовлетворительном качестве обработки сначала на поверхности склеивания в торце образца наклеивают ленту ПВХ, а затем наносят клеящий состав толщиной по 5 мм. Заготовки помещают в кондуктор по
В.10.1.3 и склеивают с таким расчетом, чтобы в сборном образце-пластине на месте наклейки ленты получить непроклеенный зазор в виде петли на глубину 12,5 мм для установки испытательного клина по
В.10.1.3, а на остальной части образца - клеевой шов толщиной (0,65 +/- 0,05) мм без вовлечения воздуха.
Для контроля толщины клеевого слоя в кондукторе используют соответствующие фиксаторы (прокладки). При необходимости заготовки выравнивают и проверяют совмещение граней линейкой, корректируя положение зажимов кондуктора. Допуск на смещение тонких граней сборного образца-пластины +/- 0,1 мм. Излишки клеящего состава удаляют.
Примечание. Режим склеивания заготовок назначают в соответствии со стандартом или техническими условиями на клеящий состав конкретного типа.
В.10.3.4. После склеивания контрольные образцы-пластины выдерживают в зажимах кондуктора в нормальных климатических условиях (температура воздуха (21 +/- 2) °C и относительная влажность (60 +/- 10)%) в течение 24 ч, а затем извлекают из кондуктора и выдерживают в тех же условиях в течение 7 сут, если не требуется другое.
В.10.3.5. После извлечения контрольных образцов-пластин из кондуктора измеряют толщину клеевых швов штангенциркулем по
В.10.1.4 в четырех местах по длине образца с точностью до 0,05 мм. За результат принимают среднее из измеренных значений.
Примечание. Контрольные образцы подлежат испытаниям на долговечность в процессе искусственного старения: воздействие циклов знакопеременной температуры или длительное воздействие повышенных температуры и влажности в соответствии с
Приложением Ж.
В.10.3.6. Количество контрольных образцов-пластин назначают исходя из условий получения достоверных результатов испытаний на долговечность после искусственного старения, испытанию подлежат:
- одна основная серия контрольных образцов, не меньше чем по три образца в серии для одного из двух режимов теплового воздействия в соответствии с
Приложением Ж;
- одна дополнительная серия контрольных образцов, принимаемых за эталонные из расчета не меньше чем по три образца в серии, выдержанных в нормальных климатических условиях (температура воздуха (21 +/- 2) °C и относительная влажность (60 +/- 10)%) в течение срока искусственного старения основной серии контрольных образцов.
В.10.4. Проведение испытаний
В.10.4.1. После выдерживания контрольных (и эталонных) образцов-пластин по
В.10.3.4 в непроклеенный зазор каждого из образцов вставляют испытательный клин по
В.10.1.3 и с помощью установки для испытания образцов на сжатие его вдавливают в контрольный образец-пластину со скоростью 50 мм/мин на всю длину (25 мм), создавая расклинивающую нагрузку на клеевой шов.
В.10.4.2. Под действием расклинивающей нагрузки в клеевом шве образуется трещина. Длину трещины измеряют с обеих сторон в каждом из контрольных образцов-пластин, включая эталонные, с помощью лупы по
В.10.1.4 с погрешностью +/- 0,1 мм.
В.10.4.3. Контрольные образцы-пластины вместе с вдавленным испытательным клином помещают в климатические камеры: образцы основной серии - в камеру искусственного старения с выбранным режимом теплового воздействия по
Ж.1.2 или
Ж.1.3 Приложения Ж, образцы дополнительной серии - в камеру нормального твердения по
Ж.1.1 Приложения Ж и периодически измеряют длину развития трещины в каждом образце-пластине:
- сначала через 24 ч выдерживания в камере; затем через каждые 24 ч до полной стабилизации трещины;
- после чего измерения проводят через каждые 7 сут до окончания срока выбранного режима теплового воздействия.
При этом при каждом измерении определяют характер сцепления по длине трещины: когезию (разрушение трещинообразованием клеевого шва) или адгезию (разрушение трещинообразованием контакта сталь/клеевой шов) и рассчитывают энергию разрушения G
т, кН/м, в соответствии с
В.2.5.
Расчет показателя энергии разрушения рекомендуется выполнять с использованием статистической обработки результатов по
ГОСТ 14359.
В.11. Метод испытаний контрольных образцов с клеевым соединением вида бетон/бетон на растяжение при изгибе
В.11.1. Оборудование, оснастка, инструменты и материалы
В.11.1.1. Формы по
ГОСТ 22685 для изготовления контрольных образцов-призм (заготовок) размером 40 x 40 x 160 мм.
В.11.1.2. Установка на стационарной или переносной станине с кондуктором и диском для механической резки бетона толщиной до 40 мм под заданным углом.
В.11.1.3. Кондуктор для склеивания заготовок (см. рисунок В.6).
1 - полиэтиленовый лист; 2 - подложка (лист фанеры);
3 - заготовки контрольного образца-призмы с прямым клеевым
швом; 4 и 5 - полиэтиленовые листы; 6 - лист фанеры;
7 - действие продольных зажимов кондуктора;
8 - действие поперечных зажимов кондуктора
Рисунок В.6. Схема склеивания контрольных образцов-призм
с наклонным клеевым швом в кондукторе
В.11.1.4. Измерительные инструменты: линейка мерная металлическая по
ГОСТ 427, штангенциркули по
ГОСТ 166 со значениями отсчета по нониусу 0,1 и 0,05 мм.
В.11.1.5. Установка для испытаний с возможностью постепенного увеличения нагрузки до 200 кН со скоростью от 1,0 до 10,0 кН/с.
В.11.2. Изготовление заготовок (частей изделия), выдерживание и/или хранение
В.11.2.1. Метод испытаний предусматривает использование контрольных образцов-призм размером 40 x 40 x 160 мм из двух одинаковых заготовок (частей изделия), склеенных между собой под прямым углом встык (см.
схему испытаний 4.2 по таблице В.1).
Заготовки изготавливают (в формах по
В.11.1.1) и выдерживают (сначала в формах при температуре воздуха (21 +/- 2) °C и относительной влажности не меньше 95% в течение 24 ч, после чего извлекают из форм и выдерживают в воде при температуре (20 +/- 2) °C в течение 27 сут) в соответствии с
Приложением Г.
В.11.2.2. Заготовки сразу после выдерживания по В.11.2.1 разрезают и используют для изготовления контрольных образцов-призм или хранят в соответствии с
Приложением Г.
В.11.2.3. Количество заготовок назначают в зависимости от необходимого количества контрольных образцов для проведения испытаний в соответствии с В.11.3.
В.11.3. Подготовка заготовок (частей изделия) и склеивание контрольных образцов
В.11.3.1. После выдерживания по
В.11.2.1 или хранения по В.11.2.2 заготовки помещают в кондуктор установки по
В.11.1.2 и разрезают на две равные части под прямым углом к продольной оси (см.
таблицу В.1). Допуски числовых значений к плоскости разреза: угол отклонения +/- 1°, плоскостность до 0,5 мм на ширине 40 мм, площадь отколов по краям разреза не более 1% площади разреза.
В.11.3.2. Поверхности разреза промывают проточной водой, очищая проволочной щеткой, а затем подвергают абразивной обработке и оценке качества результатов обработки в соответствии с
Приложением Е.
В.11.3.3. Компоненты клеящего состава (смола и отвердитель) и заготовки (части изделия) выдерживают в нормальных климатических условиях (температура воздуха (21 +/- 2) °C и относительная влажность (60 +/- 10)%) в течение времени, если не требуется другое:
- компоненты клеящего состава - не менее 2 ч;
- заготовки (части изделия) - не менее 48 ч.
В.11.3.4. При удовлетворительном качестве обработки компоненты клеящего состава смешивают, полученный состав наносят на поверхности склеивания заготовок с толщиной клеевого слоя по 1,0 - 1,5 мм; заготовки помещают в кондуктор по
В.11.1.3 и склеивают с таким расчетом, чтобы получить клеевой шов толщиной (1 +/- 0,1) мм без вовлечения воздуха. Для контроля заданной толщины клеевого слоя используют фиксаторы толщины; сначала в кондукторе заготовки зажимают вдоль поперечной оси образца, а затем - по продольной оси (см. фазы 3 и 4 на
рисунке В.1), чтобы выдавленный клеящий состав был виден на верхней грани образца. При необходимости заготовки центруют и проверяют совмещение граней линейкой по
В.4.1.4, корректируя положение зажимов кондуктора. Допуск непараллельности длинных граней образца-призмы - не более 0,2 мм. Излишки клеящего состава удаляют.
Примечание. Режим склеивания заготовок назначают в соответствии со стандартом или техническими условиями на клеящий состав конкретного типа.
В.11.3.5. После склеивания контрольные образцы-призмы выдерживают в зажимах кондуктора в нормальных климатических условиях (температура воздуха (21 +/- 2) °C и относительная влажность (60 +/- 10)%) в течение 24 ч, а после извлечения из кондуктора в тех же условиях в течение 7 сут, если не требуется другое.
В.11.3.6. После извлечения контрольных образцов-призм по В.11.3.5 из кондуктора измеряют толщину клеевых швов штангенциркулем по
В.11.1.4 в серединах четырех граней с точностью +/- 0,1 мм.
В.11.3.7. Количество контрольных образцов-призм назначают из условий получения достоверных результатов испытаний: одна серия контрольных образцов не меньше чем по три образца в серии.
В.11.4. Проведение испытаний
В.11.4.2. Испытания проводят постепенным увеличением нагрузки со скоростью (0,05 +/- 0,01) кН/с до разрушения образца и фиксируют наибольшую нагрузку, достигнутую при испытании.
В.11.4.3. Обе части разрушенного контрольного образца-призмы подвергают визуальному осмотру для определения характера сцепления (разрушения) и расчета показателей в соответствии с
В.2.6, устанавливая соотношение в процентах по видам характера сцепления:
а) вид А - когезия, разрывающее разрушение по бетону одной из склеенных частей образца;
б) вид Б - адгезия, разрывающее разрушение по контакту бетон/клеевой шов;
в) вид В - когезия, разрывающее разрушение по клеевому шву;
г) вид Г - адгезия, разрывающее разрушение по обоим контактам бетон/клеевой шов.
Расчет показателей рекомендуется выполнять с использованием статистической обработки результатов по
ГОСТ 14359.
В.12. Представление результатов и протокол испытаний
В.12.1. Результаты испытания выражают как среднеарифметическую величину; коэффициент вариации разрушающего усилия - в ньютонах, либо разрушающее напряжение в мегапаскалях при условии использования контрольных образцов, соответствующих заданным требованиям.
Примечание. Предполагается, что при использовании настоящего приложения получают следующие критерии для повторяемости и воспроизводимости:
а) повторяемость, так как разница между любыми двумя разрушающими усилиями, полученными с одной пробы клеящего состава одним и тем же оператором в одном и том же испытательном помещении или лаборатории, не должна превышать стандартное отклонение более чем в 2,5 раза;
б) воспроизводимость, так как разница между средними разрушающими усилиями, полученными с одной пробой клеевого состава на одной и той же системе в различных испытательных помещениях или лабораториях, не должна превышать среднеарифметические величины отдельных средних значений более чем на 20%.
Следует отметить, что эти критерии предложены только в целях ориентировки; несоответствие результатов испытаний одному или другому из этих рекомендуемых значений не означает несоответствие их требованиям, изложенным в настоящем приложении.
В.12.2. Протокол испытания должен включать ссылку на настоящее приложение и следующие сведения:
а) идентификация клеящего состава, включая его тип, источник получения, кодовый номер производителя, номер партии или серии клеевого состава, форму и т.п.;
б) идентификация склеиваемых частей, включая их толщину и подготовку поверхности;
в) описание процесса склеивания, включая метод нанесения клеящего состава, условия сушки или предварительного отверждения (при необходимости), а также время, температуру и давление отверждения;
г) средняя толщина (с предельной точностью) клеевого шва;
д) описание контрольного образца, включая размеры и его вид; номинальная площадь клеевого соединения, указание типа образца из отдельных частей или в виде пластины; условия, используемые для разрезки заготовок образца на отдельные части; количество предоставленных к испытанию контрольных образцов;
е) условия выдерживания контрольных образцов до испытания и условия проведения испытания;
ж) скорость увеличения нагрузки;
и) отдельные результаты о разрушающем усилии или напряжении при испытании; среднеарифметические значения и коэффициент вариации среднего значения, а также данные о разбросе результатов;
к) характер разрушения контрольного образца;
л) любые отклонения в рабочем режиме либо экспериментальные сложности, которые могли повлиять на результаты.
(обязательное)
МЕТОДЫ ИСПЫТАНИЙ КОНТРОЛЬНЫХ ОБРАЗЦОВ
С КЛЕЕВЫМ СОЕДИНЕНИЕМ. БЕТОННАЯ СМЕСЬ И БЕТОН
КОНТРОЛЬНЫХ ОБРАЗЦОВ (ЗАГОТОВОК)
Г.1. Оборудование, инструменты и материалы, в том числе компоненты бетонной смеси
Г.1.1. Бетоносмеситель барабанного типа принудительного действия.
Г.1.2. Формы для изготовления контрольных образцов (заготовок) размерами 40 x 40 x 160 мм, а также 70 x 70 x 70 мм или 100 x 100 x 100 мм по
ГОСТ 22685, а также аналогичные формы произвольной конструкции размерами 100 x 100 x 302 мм, 300 x 300 x 50 мм, 300 x 300 x 90 мм, 1000 x 500 x 40 мм.
Г.1.3. Вибростол низкочастотный, другое оборудование и инструменты для уплотнения бетонной смеси в формах.
Г.1.4. Компоненты для приготовления бетонной смеси с воспроизводимыми показателями свойств:
а) портландцемент 42,5 быстротвердеющий ЦЕМ Б по
ГОСТ 31108;
б) песок твердых пород по
ГОСТ 8736 с водопоглощением до 2% по массе;
в) щебень твердых пород по
ГОСТ 8267 с водопоглощением до 2% по массе;
г) вода по
ГОСТ 23732 для затворения бетонной смеси;
д) добавки к бетонной смеси по
ГОСТ 30459 для обеспечения оптимального уплотнения.
Г.1.5. Бетонная смесь с воспроизводимыми показателями свойств и бетон с воспроизводимыми показателями эксплуатационных качеств для контрольных образцов (заготовок) по таблице Г.1 <*>.
--------------------------------
<*> Значения показателей свойств (качества) бетонной смеси и бетона соответствуют требованиям
[6].
Таблица Г.1
Показатель | Значение показателей для бетона типа <а> |
БМ (0,40) | БМ (0,45) |
1. Максимальная крупность заполнителя, мм | | 10 | | 10 |
2. Водоцементное отношение, В/Ц <в> | 0,40 | 0,45 |
3. Содержание цемента, кг/м3 | 455 | 470 | 395 | 470 |
4. Средняя прочность бетона на сжатие (в возрасте 28 сут) <г>, Н/мм 2 | 60 +/- 5 | 50 +/- 5 |
5. Средняя прочность бетона на растяжение при отрыве поверхностного слоя (когезия) <д>, не меньше, Н/мм 2 | 3,0 | 2,5 |
<а> Подбор состава бетонной смеси по ГОСТ 27006 для мелкозернистого бетона по ГОСТ 26633; подбор состава обеспечивает приготовление бетонной смеси с воспроизводимыми показателями свойств без водоотделения и расслоения. Если к качеству бетонной смеси предъявляются специальные требования, то они должны быть заявлены особо. <б> Дополнительный размер сита для определения по ГОСТ 8267 и ГОСТ 8736 гранулометрического состава заполнителя; допускается линейная интерполяция по шкале значений размеров отверстий контрольных сит (см. рисунок Г.1). <в> Водоцементное отношение предусматривает воду затворения и содержание воды в растворе добавок к бетонной смеси. <д> Испытания проводят по ГОСТ 28574 (испытанию подлежит не менее чем каждый 15-й образец из партии - если это требуется). |

Рисунок Г.1. Гранулометрический состав заполнителей
(песок + щебень) с наибольшей фракцией в диапазоне 8 - 10 мм
для бетонной смеси (бетона) контрольных образцов
Г.2. Приготовление бетонной смеси и изготовление контрольных образцов (заготовок)
Г.2.1. Объем замеса принимают в количестве (50 - 90)% полезного объема бетоносмесителя.
Г.2.2. Сухие заполнители бетонной смеси и половину воды затворения подобранного по
ГОСТ 27006 состава помещают в бетоносмеситель и перемешивают в течение 2 мин.
Г.2.3. Продолжая перемешивание в течение следующей минуты, в бетоносмеситель помещают заданное в составе количество цемента и вторую половину воды затворения (при необходимости с соответствующими добавками); общее время перемешивания - не более 5 мин.
Г.2.4. После перемешивания бетонную смесь укладывают в формы и уплотняют выбранным методом, получая плотную и однородную упаковку без расслоения смеси и водоотделения. Излишки бетонной смеси удаляют с поверхности формуемого образца (заготовки) стальной теркой, а поверхность выравнивают заподлицо с верхней гранью формы.
Г.3. Выдерживание и хранение контрольных образцов (заготовок)
Г.3.1. Образцы (заготовки) после изготовления выдерживают на воздухе в формах в течение 24 ч при температуре (21 +/- 2) °C и относительной влажности не меньше 95% (допускается выдерживание на воздухе при указанной температуре с укрытием образцов полиэтиленовой пленкой), после чего образцы (заготовки) извлекают из форм и выдерживают в воде при температуре (20 +/- 2) °C в течение 27 сут.
Г.3.2. После выдерживания по Г.3.1 образцы готовят к испытанию или хранят в нормальных климатических условиях при температуре (21 +/- 2) °C и относительной влажности (60 +/- 10)%.
Г.4. Данные, приводимые в протоколе испытаний:
а) состав бетонной смеси;
б) дата и время приготовления образцов;
в) наименование и гранулометрический состав компонентов бетонной смеси с воспроизводимыми показателями свойств;
г) режим выдерживания и/или хранения образцов;
д) прочность на сжатие (среднее и минимальное значения);
е) средняя прочность на растяжение при отрыве поверхностного слоя (когезия) - если требуется;
ж) индекс шероховатости обработанной поверхности бетона в соответствии с
Е.3.2 Приложения Е;
и) любые отклонения от методов испытания.
(обязательное)
МЕТОДЫ ИСПЫТАНИЙ КОНТРОЛЬНЫХ ОБРАЗЦОВ
С КЛЕЕВЫМ СОЕДИНЕНИЕМ. СОЗДАНИЕ КЛЕЕВОГО СОЕДИНЕНИЯ
НАГНЕТАНИЕМ КЛЕЯЩЕГО СОСТАВА <*>
--------------------------------
<*> Метод испытаний соответствует требованиям
[7] в части испытаний клеевых соединений.
Д.1. Оборудование, оснастка, инструменты и материалы
Д.1.1. Кондуктор для крепления заготовок при изготовлении сборных образцов-плит (см. рисунки Д.1 -
Д.3).
1 - зазор по контуру грани не уплотнен и предназначен
для размещения приспособлений нагнетания клеящего состава;
2 - зазор по контуру грани уплотнен частично; 3 и 4 - зазор
по контуру граней уплотнен полностью
Рисунок Д.1. Форма и размеры сборного образца-плиты
1 - контур грани для размещения приспособлений нагнетания
клеящего состава; 2 - грань образца с частичным уплотнением
зазора; 3 - неуплотненный участок, предназначенный
для выхода воздуха при нагнетании клеящего состава;
4 - грань образца с полностью уплотненным зазором;
5 - материал уплотнения зазора; 6 - траверсы крепления;
7 - грань образца с полностью уплотненным зазором
Рисунок Д.2. Сборный образец-плита в кондукторе
для формирования зазора (клеевого шва) - вид спереди
1 - шпилька резьбовая М10; 2 - шайба металлическая;
3 - распорка полиэтиленовая для создания зазора
между плитами; 4 - материал уплотнения зазора;
5 - шайба резиновая; 6 - траверса крепления
Рисунок Д.3. Элемент кондуктора крепления
в сборе - вид сбоку
Д.1.2. Камера климатическая (лаборатория) для создания нормальных климатических условий (температура воздуха (21 +/- 2) °C и относительная влажность (60 +/- 10)%).
Д.1.3. Плиты бетонные размером 1000 x 500 x 40 мм, изготовленные в соответствии с
Приложением Г.
Д.1.4. Комплект оборудования для нагнетания клеящего состава под воздействием давления гравитации или принудительного давления с манометром для измерения давления.
Д.1.5. Штангенциркули по
ГОСТ 166 со значениями отсчета по нониусу 0,1 и 0,05 мм.
Д.1.6. Состав быстротвердеющий (клеящий) на полимерной основе (эпоксиды, полиуретаны или акрилаты).
Д.2. Обработка поверхности склеивания, сборка и оснащение образцов-плит
Д.2.1. Методы испытаний предусматривают использование заготовок сборных образцов-плит с клеевым соединением вида бетон/бетон, полученным склеиванием их отдельных частей нагнетанием клеящего состава. Отдельная часть такой заготовки представляет собой бетонную плиту по
Д.1.3, приготовленную и выдержанную в соответствии с
Приложением Г.
Порядок склеивания отдельных частей (или образцов-плит) предусматривает предварительную абразивную обработку поверхностей склеивания (гладких граней, находившихся в контакте с формой при изготовлении образцов) и оценку качества результатов обработки в соответствии с
Приложением Е. Перед обработкой поверхностей после выдерживания образцов-плит в воде в соответствии с
Приложением Г их помещают в нормальные климатические условия (при температуре воздуха (21 +/- 2) °C и относительной влажности (60 +/- 10)%) на 48 ч. Если образцы после выдерживания находились на хранении (в нормальных климатических условиях) в соответствии с
Приложением Е, то указанной процедуры не требуется.
Д.2.2. Сборку отдельных частей (или образцов-плит) в заготовку сборного образца-плиты производят с использованием кондуктора по
Д.1.1, задавая значения величины зазора между плитами в пределах (1 +/- 0,3) мм, если не требуется другое, с помощью прокладок и контролируя штангенциркулем по
Д.1.5.
Д.2.3. Зазор по контуру между образцами-плитами уплотняют быстротвердеющим (клеящим) составом по
Д.1.6, оставляя без уплотнения часть зазора на верхней грани (около 100 мм) для выхода воздуха и одну из длинных граней сборного образца для ее оснащения оборудованием по
Д.1.4 для нагнетания под воздействием гравитации или избыточного давления согласно техническим условиям производителя клеящего состава.
Д.3. Нагнетание клеящего состава и выдерживание заготовок сборного образца-плиты
| | ИС МЕГАНОРМ: примечание. Текст дан в соответствии с официальным текстом документа. | |
Д.3.1. Кондуктор по
Д.1.1 с оснащенной оборудованием для нагнетания и закрепленный в нем заготовкой сборного образца-плиты устанавливают в вертикальное положение, если не требуется другое.
Компоненты клеящего состава смешивают, состав нагнетают в зазор между поверхностями склеивания согласно стандарту или техническим условиям на клеящий состав конкретного типа. В процессе нагнетания измеряют давление клеящего состава на входе в зазор.
Д.3.2. Нагнетание завершают, когда клеящий состав появится в неуплотненной части зазора (предназначенной для выхода воздуха) на верхней грани заготовки сборного образца-плиты.
Д.3.3. После нагнетания заготовку сборного образца-плиты выдерживают в течение 7 сут в условиях проведения испытаний, а затем еще 7 сут в нормальных климатических условиях (температура воздуха (21 +/- 2) °C и относительная влажность (60 +/- 10)%), если не требуется другое.
Д.3.4. После выдерживания по Д.3.3 на одной из граней заготовки сборного образца-плиты намечают места последующего бурения и испытания образцов-кернов, маркируя их согласно рисунку Д.4.
Примечания:
1. Образцы-керны 1, 8, 3, 10, 5 и 12 испытывают, не подвергая искусственному старению.
2. Образцы-керны 7, 2, 9, 4, 11 и 6 испытывают после искусственного старения (если это требуется).
3. Пунктиром показаны линии распиливания образца-плиты (если это требуется).
Рисунок Д.4. Схема разметки и маркировки мест бурения
образцов-кернов диаметром (50 +/- 0,5) мм в образце-плите
Д.4. Данные, приводимые в протоколе испытаний:
а) тип и наименование клеящего состава;
б) температура воздуха при проведении испытаний;
в) температура компонентов клеящего состава перед смешиванием;
г) объем клеящего состава, приготовленного за один замес;
д) способ смешивания компонентов клеящего состава;
е) способ давления и продолжительность нагнетания клеящего состава;
ж) средняя толщина (максимально точно) клеевого шва;
и) любые отклонения от метода нагнетания.
(рекомендуемое)
МЕТОДЫ ИСПЫТАНИЙ КОНТРОЛЬНЫХ ОБРАЗЦОВ
С КЛЕЕВЫМ СОЕДИНЕНИЕМ. АБРАЗИВНАЯ ОБРАБОТКА ПОВЕРХНОСТЕЙ
СКЛЕИВАНИЯ КОНТРОЛЬНЫХ ОБРАЗЦОВ (ЗАГОТОВОК)
Е.1. Оборудование, инструменты и материалы
Е.1.1. Установка для абразивной обработки поверхности (давление сжатого воздуха до 0,5 МПа, сопло диаметром 8 - 12 мм с углом рассеивания, обеспечивающим нужное качество обработки - подбирается опытным путем).
Примечание. Допускается применение оборудования для обработки поверхностей водой под высоким давлением с включением (или без него) абразивного материала.
Е.1.2. Песок твердых минералов (кварц, корунд) фракции 0,25 - 1,0 мм.
Примечание. Для обработки поверхности бетона - песок без железистых включений.
Е.1.3. Песок кварцевый пылеватый фракции 0,05 - 0,1 мм (испытания проводят по ГОСТ 19286), высушенный по постоянного веса.
Е.1.4. Емкости мерные по
ГОСТ 1770 в виде стеклянных цилиндров объемом 5, 10, 15, 20 и 25 мл с внутренним диаметром до 20 мм.
Е.1.5. Терка деревянная диаметром (65 +/- 5) мм с рабочей поверхностью из твердой резины толщиной (15 +/- 5) мм.
Е.2. Обработка поверхности перед склеиванием
Е.2.1. Обработке подлежат поверхности склеивания контрольных образцов из стали и бетона.
Е.2.2. Обработку поверхности перед склеиванием выполняют с помощью установки по
Е.1.1 с использованием песка по
Е.1.2.
Е.2.3. Поверхности склеивания располагают горизонтально и обрабатывают, поддерживая сопло установки над поверхностью на высоте около 0,5 м и плавно его перемещая, поверхность очищают (для поверхности стали) или создают на ней равномерную шероховатость (для поверхности бетона). После обработки с поверхности удаляют образовавшуюся пыль.
Примечание. Перед обработкой поверхности стали с нее удаляют толстые слои ржавчины, видимые следы масла, а также остатки бетона и другие различимые загрязнения.
Е.3. Оценка качества результатов обработки поверхности
Качество результатов обработки поверхностей контрольных образцов (заготовок) оценивают нормируемыми показателями
<*>, назначая их применительно к видам клеевых соединений следующим образом:
Е.3.1. Для поверхностей стали - по виду и степени очистки при визуальной оценке - не ниже Sa 2,5, где Sa - вид очистки: очень тщательная пескоструйная очистка; 2,5 - степень очистки: после обработки на поверхности не должно быть видимых следов масла, смазки и других загрязнений, а также большей части окалины, ржавчины и инородных включений. Любые оставшиеся следы загрязнения должны выглядеть только как легкое окрашивание в виде пятен и полос;
Е.3.2. Для поверхностей бетона - по индексу шероховатости i, мм: при оценке качества результатов обработки методом сыпучего слепка в пределах i = 0,20 - 0,25 мм, если не требуется другое.
--------------------------------
<*> Показатель очистки и метод ее оценки для стали соответствуют требованиям
[8], показатель и метод оценки обработанной поверхности бетона требованиям
[6].
Метод предусматривает следующую последовательность проведения операций
<**>:
Е.3.2.1. Перед обработкой поверхности склеивания очищают, а при необходимости - подсушивают;
Е.3.2.2. Песок по
Е.1.3 объемом 25 мл или меньшим помещают в мерный цилиндр по
Е.1.4 и выравнивают без уплотнения заподлицо с верхней кромкой цилиндра. Затем песок высыпают горкой на обработанную поверхность и с помощью терки по
Е.1.5 горизонтальным круговым движением распределяют по поверхности, заполняя выемки, полученные при абразивной обработке. В результате получают сыпучий (из песка) слепок кругового очертания, который с нижней стороны повторяет конфигурацию шероховатой поверхности бетона, а с другой, из-под терки, - гладкий. Опыт считают законченным, если песок больше не распределяется теркой по поверхности. Выдавленный теркой песок собирают, определяют его объем и устанавливают дозу оставшегося или повторяют опыт с меньшим объемом песка согласно перечню мерных емкостей по
Е.1.4;
Е.3.2.3. После получения сыпучего слепка терку поднимают и измеряют диаметр слепка с точностью +/- 1 мм в трех местах под углом 120°. Рассчитывают среднее значение диаметра слепка и округляют результат с точностью +/- 1 мм;
Е.3.2.4. Индекс шероховатости i, мм, рассчитывают по формуле:

(Е.1)
где Vп, мл - объем песка;
dс, мм - диаметр песчаного слепка.
Примечание. Значение отношения, приведенного в скобках

, принимают по среднему значению после округления частного от деления (для

и

), равному 1,272.
--------------------------------
<**> Для оценки качества обработки поверхности бетона, как правило, используют контрольный образец-плиту, принимая его за эталонный для визуального сравнения с ним обработанных образцов меньшего размера.
(обязательное)
МЕТОДЫ ИСПЫТАНИЙ КОНТРОЛЬНЫХ ОБРАЗЦОВ С КЛЕЕВЫМ
СОЕДИНЕНИЕМ. ВИДЫ И РЕЖИМЫ ТЕПЛОВОГО ВОЗДЕЙСТВИЯ
(ИСКУССТВЕННОГО СТАРЕНИЯ) ПРИ ИСПЫТАНИИ
НА ДОЛГОВЕЧНОСТЬ <*>
--------------------------------
<*> Виды и режимы теплового воздействия соответствуют требованиям
[9].
Ж.1. Оборудование для испытаний
Ж.1.1. Камера климатическая (лаборатория) с возможностью длительного создания температуры воздуха (21 +/- 2) °C и относительной влажности (60 +/- 10)% (нормальные климатические условия).
Ж.1.2. Камера климатическая с возможностью программируемого циклического регулирования температуры воздуха от плюс (55 +/- 2) °C до минус (25 +/- 2) °C.
Ж.1.3. Камера климатическая с возможностью длительного создания температуры воздуха (40 +/- 2) °C и относительной влажности (95 +/- 5)%.
Ж.2. Виды теплового воздействия
Ж.2.1. Воздействие циклов знакопеременной температуры.
Ж.2.2. Длительное воздействие повышенными температурой и влажностью.
Ж.3. Режимы теплового воздействия
Ж.3.1. Режим теплового воздействия циклов знакопеременной температуры предусматривает воздействие на контрольные образцы воздушной среды в программируемой климатической камере по
Ж.1.2, включающее начальное охлаждение от температуры плюс (21 +/- 2) °C до минус 25 °C в течение 15 мин и далее 50 циклов продолжительностью по 12 ч каждый:
а) выдерживание при температуре минус (25 +/- 2) °C в течение 333 мин;
б) нагревание до температуры плюс 55 °C в течение 27 мин;
в) выдерживание при температуре плюс (55 +/- 2) °C в течение 333 мин;
г) охлаждение до температуры минус 25 °C в течение 27 мин.
Ж.3.2. Режим длительного теплового воздействия предполагает воздействие на контрольные образцы воздушной среды при повышенных температуре и влажности в климатической камере по
Ж.1.3 и включает в себя воздействия температуры плюс (40 +/- 2) °C и относительной влажности (95 +/- 5)% в течение 6 мес.
Ж.3.3. При любом прерывании режимов теплового воздействия по
Ж.3.1 или Ж.3.2 контрольные образцы хранят в климатической камере по
Ж.1.1 в нормальных климатических условиях.
| EN 1799:1998 | Products and systems for the protection and repair of concrete structures - Test methods - Tests to measure the suitability of structural bonding agents for application to concrete surface (Материалы и системы для защиты и ремонта бетонных конструкций - Методы испытаний - Оценка пригодности клеящих составов для нанесения на поверхность бетона) |
| EN 1542:1999 | Products and systems for the protection and repair of concrete structures - Test methods - Measurement of bond strength by pull-off (Материалы и системы для защиты и ремонта бетонных конструкций - Методы испытаний - Измерение прочности сцепления при отрыве) |
| EN 12188:1999 | Products and systems for the protection and repair of concrete structures - Test methods - Determination of adhesion steel-to-steel for characterization of structural bonding agents (Материалы и системы для защиты и ремонта бетонных конструкций - Методы испытаний - Определение адгезии в соединениях сталь/сталь для характеристики конструкционных клеящих составов) |
| EN 12615:1999 | Products and systems for the protection and repair of concrete structures - Test methods - Determination of slant shear strength off (Материалы и системы для защиты и ремонта бетонных конструкций - Методы испытаний - Определение предела прочности при косом сдвиге) |
| EN 12636:1999 | Products and systems for the protection and repair of concrete structures - Test methods - Determination of adhesion concrete to concrete (Материалы и системы для защиты и ремонта бетонных конструкций - Методы испытаний - Определение адгезии бетона к бетону) |
| EN 1766:2000 | Products and systems for the protection and repair of concrete structures - Test methods - Reference concretes for testing (Материалы и системы для защиты и ремонта бетонных конструкций - Методы испытаний - Контрольный (эталонный) бетон для испытаний) |
| EN 12618-2:2004 | Products and systems for the protection and repair of concrete structures - Test methods - Part 2: Determination of the adhesion of injection products, with our without thermal cycling - Adhesion be tensile bond strength (Материалы и системы для ремонта бетонных конструкций - Методы испытаний - Часть 2: Определение адгезии инъекционных составов при воздействии или без него тепловых циклов - прочность на растяжение при отрыве) в части метода испытаний клеевых соединений |
| EN ISO 8501-1:2007 | Preparation of steel substrates before application of paints and related products - Visual assessment of surface cleanliness - Part 1: Rust grades and preparation grades and uncoated steel substrates and of steel substrates after overall removal of previous coatings (Подготовка поверхности стали перед нанесением красок и подобных материалов - Визуальная оценка чистоты поверхности - Часть 1: Классификация ржавчины и стали после очистки поверхностей, не имевших покрытия, или после удаления любых нанесенных покрытий) |
| EN 13733:2002 | Products and systems for the protection and repair of concrete structures - Test methods - Determination of the durability of structural bonding agents (Материалы и системы для защиты и ремонта бетонных конструкций - Методы испытаний - Определение долговечности конструкционных клеящих составов). |