Главная // Актуальные документы // ГОСТ (Государственный стандарт)СПРАВКА
Источник публикации
М.: Стандартинформ, 2016
Примечание к документу
Текст данного документа приведен с учетом
поправки, опубликованной в "ИУС", N 12, 2021.
Документ
введен в действие с 01.04.2016.
Взамен ГОСТ 21341-75.
Название документа
"ГОСТ 21341-2014. Межгосударственный стандарт. Пластмассы и эбонит. Метод определения теплостойкости по Мартенсу"
(введен в действие Приказом Росстандарта от 15.06.2015 N 665-ст)
"ГОСТ 21341-2014. Межгосударственный стандарт. Пластмассы и эбонит. Метод определения теплостойкости по Мартенсу"
(введен в действие Приказом Росстандарта от 15.06.2015 N 665-ст)
Введен в действие
агентства по техническому
регулированию и метрологии
от 15 июня 2015 г. N 665-ст
МЕЖГОСУДАРСТВЕННЫЙ СТАНДАРТ
ПЛАСТМАССЫ И ЭБОНИТ
МЕТОД ОПРЕДЕЛЕНИЯ ТЕПЛОСТОЙКОСТИ ПО МАРТЕНСУ
Plastics and ebonite. Method of determining
the Martens heat resistance
ГОСТ 21341-2014
Дата введения
1 апреля 2016 года
Цели, основные принципы и порядок проведения работ по межгосударственной стандартизации установлены
ГОСТ 1.0-92 "Межгосударственная система стандартизации. Основные положения" и
ГОСТ 1.2-2009 "Межгосударственная система стандартизации. Стандарты межгосударственные, правила и рекомендации по межгосударственной стандартизации. Правила разработки, принятия, применения, обновления и отмены"
1 РАЗРАБОТАН Объединением юридических лиц "Союз производителей композитов" и Открытым акционерным обществом "Институт пластических масс имени Г.С. Петрова"
2 ВНЕСЕН Техническим комитетом по стандартизации ТК 230 "Пластмассы, полимерные материалы, методы их испытаний"
3 ПРИНЯТ Межгосударственным советом по стандартизации, метрологии и сертификации (протокол от 4 декабря 2014 г. N 46)
За принятие проголосовали:
Краткое наименование страны по МК (ИСО 3166) 004-97 | Код страны по МК (ИСО 3166) 004-97 | Сокращенное наименование национального органа по стандартизации |
Армения | AM | Минэкономики Республики Армения |
Беларусь | BY | Госстандарт Республики Беларусь |
Киргизия | KG | Кыргызстандарт |
Россия | RU | Росстандарт |
Таджикистан | TJ | Таджикстандарт |
Туркмения | TM | Главгосслужба "Туркменстандартлары" |
Украина | UA | Минэкономразвития Украины |
4
Приказом Федерального агентства по техническому регулированию и метрологии от 15 июня 2015 г. N 665-ст межгосударственный стандарт ГОСТ 21341-2014 введен в действие в качестве национального стандарта Российской Федерации с 1 апреля 2016 г.
5 ВЗАМЕН ГОСТ 21341-75
Информация об изменениях к настоящему стандарту публикуется в ежегодном информационном указателе "Национальные стандарты", а текст изменения и поправок - в ежемесячном информационном указателе "Национальные стандарты". В случае пересмотра (замены) или отмены настоящего стандарта соответствующее уведомление будет опубликовано в ежемесячном информационном указателе "Национальные стандарты". Соответствующая информация, уведомление и тексты размещаются также в информационной системе общего пользования - на официальном сайте Федерального агентства по техническому регулированию и метрологии в сети Интернет
Настоящий стандарт распространяется на пластмассы и эбонит и устанавливает метод определения теплостойкости по Мартенсу.
Стандарт не распространяется на материалы, у которых:
- теплостойкость по Мартенсу ниже 40 °C;
- кривая зависимости деформации от температуры, получаемая при деформации до 6 мм при помощи дополнительных устройств (индикаторной головки), имеет S-образную форму.
В настоящем стандарте использованы нормативные ссылки на следующие стандарты:
ГОСТ 269-66 Резина. Общие требования к проведению физико-механических испытаний
ГОСТ 12015-66 Пластмассы. Изготовление образцов для испытания из реактопластов. Общие требования
ГОСТ 12019-66 Пластмассы. Изготовление образцов для испытания из термопластов. Общие требования
ГОСТ 12423-2013 (ISO 291:2008) Пластмассы. Условия кондиционирования и испытания образцов (проб)
ГОСТ 26277-84 Пластмассы. Общие требования к изготовлению образцов способом механической обработки
Примечание - При пользовании настоящим стандартом целесообразно проверить действие ссылочных стандартов в информационной системе общего пользования - на официальном сайте Федерального агентства по техническому регулированию и метрологии в сети Интернет или по ежегодному информационному указателю "Национальные стандарты", который опубликован по состоянию на 1 января текущего года, и по выпускам ежемесячного информационного указателя "Национальные стандарты" за текущий год. Если ссылочный стандарт заменен (изменен), то при пользовании настоящим стандартом следует руководствоваться заменяющим (измененным) стандартом. Если ссылочный стандарт отменен без замены, то положение, в котором дана ссылка на него, применяется в части, не затрагивающей эту ссылку.
Сущность метода заключается в определении значения температуры, при которой образец, нагреваемый с постоянной скоростью и находящийся под действием постоянной изгибающей нагрузки, деформируется на заданную величину.
4.1 Зажимно-нагрузочное устройство
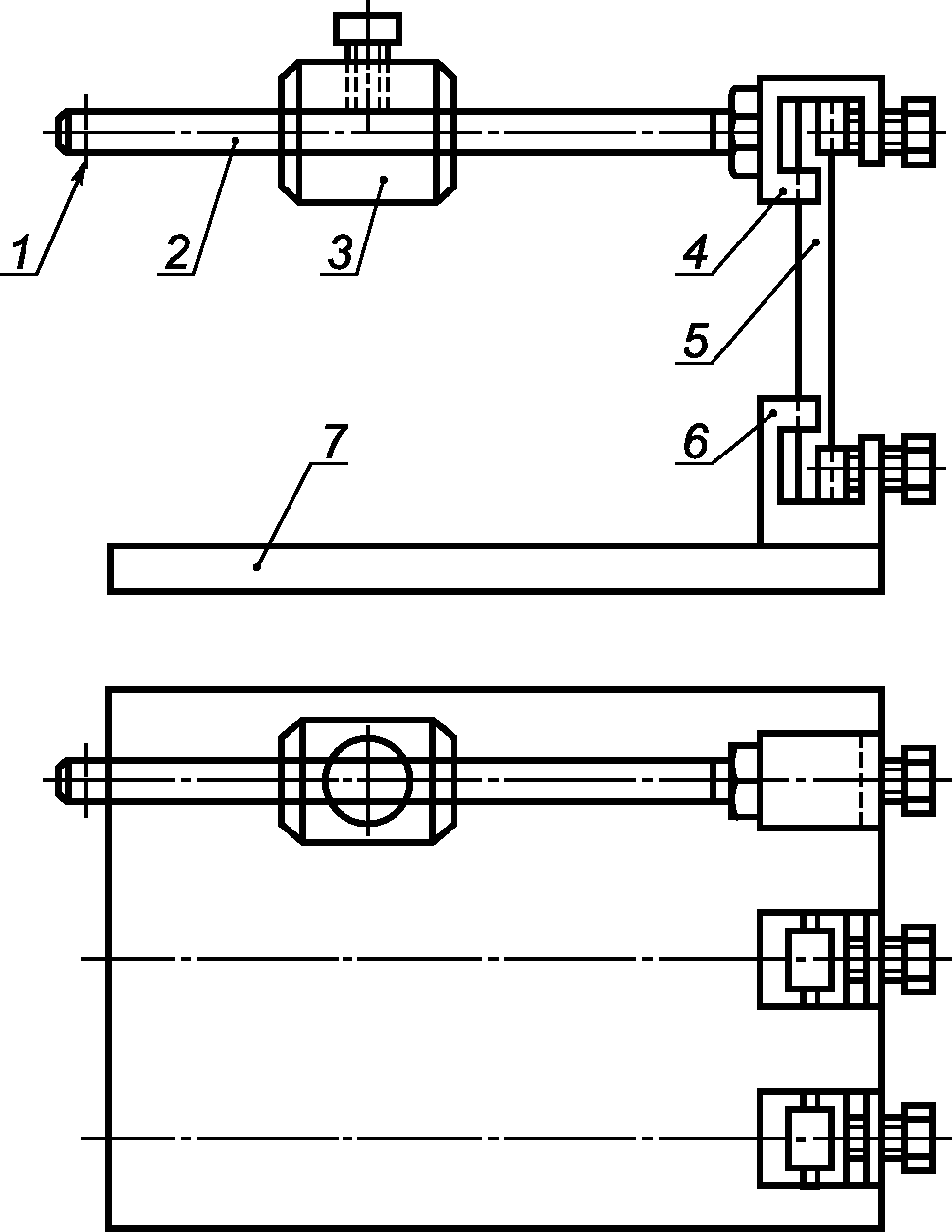
4.1.1 Зажимно-нагрузочное устройство предназначено для закрепления и нагружения образцов. Принципиальная схема устройства и схема распределения нагрузок при определении теплостойкости по Мартенсу приведены на рисунке 1.
Fa - нагрузка, создаваемая указателем деформации;
FG - нагрузка, создаваемая перемещаемым грузом;
FH - нагрузка, создаваемая верхней зажимной головкой
с упорами; La - расстояние между продольной осью
указателя деформации и продольной осью образца;
LG - межосевое расстояние между центром тяжести
перемещаемого груза и продольной осью образца;
LH - расстояние между центром тяжести рычага
с верхней зажимной головкой и продольной осью
образца; M - изгибающий момент, прилагаемый
к образцу; 1 - ось указателя деформации;
2 - рычаг; 3 - перемещаемый груз; 4 - верхняя
зажимная головка; 5 - образец; 6 - нижняя
зажимная головка
Рисунок 1 - Зажимно-нагрузочное устройство
4.1.2 Зажимно-нагрузочное устройство устанавливают на опорной плите. Схематическое изображение зажимно-нагрузочных устройств, установленных на опорной плите для трех образцов, приведено на рисунке 2.
1 - ось указателя деформации; 2 - рычаг; 3 - перемещаемый
груз; 4 - верхняя зажимная головка; 5 - образец;
6 - нижняя зажимная головка; 7 - опорная плита
Рисунок 2 - Схематическое изображение
зажимно-нагрузочного устройства
Каждый образец закрепляют в вертикальном положении в нижней и верхней зажимных головках, с верхней головкой соединен рычаг с перемещаемым грузом.
Перемещаемый груз на рычаге устанавливают так, чтобы изгибающее напряжение

равнялось (5,0 +/- 0,5) МПа.
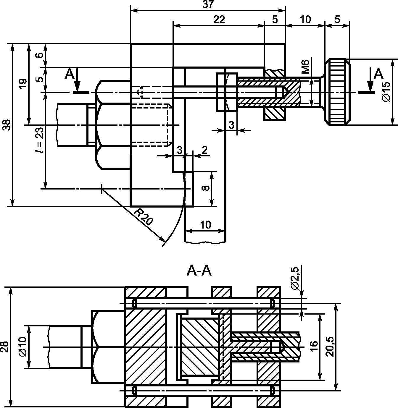
4.1.3 Конструктивное исполнение зажимных головок и удерживающих упоров показано на рисунках 3 -
7. Зажимные головки и упоры должны быть изготовлены из стали.
Рисунок 3 - Верхняя зажимная головка для образца 1
Рисунок 4 - Верхняя зажимная головка для образцов 2 и 3
Рисунок 5 - Сменный упор для зажимной головки для образца 1
Рисунок 6 - Сменный упор для зажимной головки для образца 2
Рисунок 7 - Сменный упор для зажимной головки для образца 3
4.1.4 Значения массы перемещаемого груза и номер рисунка зажимных головок и упоров для испытаний образцов разных размеров должны соответствовать значениям, указанным в таблице 1.
Таблица 1
Массы перемещаемых грузов
Номер образца | Масса перемещаемого груза, кг | Номер рисунка |
зажимной головки | упора |
1 | 0,650 | 3 | 5 |
2 | 0,200 | 4 | 6 |
3 | 0,100 | 4 | 7 |
Перемещаемый груз должен быть изготовлен из стали.
4.2 Указатель деформации
Указатель деформации фиксирует перемещение конца рычага на расстояние (6,0 +/- 0,1) мм в результате упругой деформации нагруженного образца, точка измерения принимается на расстоянии
La, как показано на
рисунке 1.
4.3 Термошкаф с системой регулирования и измерения температуры
Термошкаф должен быть оборудован нагревательным устройством и системой регулирования температуры, которое позволяет регулировать температуру в термошкафу, и обеспечивает равномерное повышение температуры со скоростью (50 +/- 5) °C в час, начиная от температуры (25 +/- 2) °C.
Температуру поверхности образца измеряют в середине его длины ртутным термометром с ценой деления не более 1 °C. Независимо от числа испытуемых образцов для измерения температуры используют два термометра и размещают их так, чтобы шарики с ртутью находились в зоне расположения образцов.
Допускается использовать термопары или другие устройства, обеспечивающие необходимую точность. Показания термометров при испытании не должны различаться более чем на 2 °C.
Примечания
1 Рекомендуется рассчитывать конструктивно полезное пространство термошкафа следующим образом: 45 дм3 для зажимно-нагрузочного устройства трех образцов и 65 дм3 для зажимно-нагрузочного устройства шести образцов.
2 Рекомендуется оснащать дверцы термошкафа смотровыми окошками из стекла, а внутреннее устройство термошкафа - осветительными приборами без слепящего эффекта, что позволяет контролировать образцы во время испытания без влияния на процесс нагрева в пределах термошкафа.
4.4 Средства измерения длины, ширины, толщины образцов, обеспечивающие измерение с погрешностью не более 0,1 мм.
5. Подготовка к проведению испытаний
5.1 Изготовление образцов и отбор проб
Отбор проб, а также режим и способ изготовления образцов должны соответствовать нормативному документу или технической документации на материал. В случае отсутствия таких указаний образцы из термопластов изготавливают по
ГОСТ 12019 литьем под давлением или прямым прессованием, образцы из реактопластов изготавливают по ГОСТ 12015 методом прямого прессования, а из готовых изделий и листов - способом механической обработки по ГОСТ 26277. При изготовлении образцов резанием показатели их свойств не должны меняться.
Образцы должны иметь форму брусков, имеющих размеры, указанные в таблице 2.
Таблица 2
Размеры образцов для испытаний
Номер образца | Длина a, мм | Ширина b, мм | Толщина s, мм |
1 | 120 +/- 2 | 15,0 +/- 0,5 | 10,0 +/- 0,5 |
2 | 80 +/- 1 | 10,0 +/- 0,2 | 4,0 +/- 0,2 |
3 | 50 +/- 1 | 6,0 +/- 0,2 | 4,0 +/- 0,2 |
Если толщина образцов N 2 и N 3 более 4 мм, необходимо довести ее до требуемой толщины, удалив с обеих поверхностей одинаковое количество материала.
Изделия толщиной менее 4 мм испытаниям не подлежат.
Не допускается наличие дефектов на поверхности образцов.
5.2 Количество образцов
Испытания проводят на трех образцах одновременно. При испытании изделий, свойства которых зависят от направления прессования (к примеру, листовые слоистые материалы), следует испытывать каждые три образца в продольных и поперечных направлениях.
5.3 Кондиционирование образцов
Кондиционирование образцов для испытаний проводят в соответствии с нормативным документом или технической документацией на материал. Если в этой документации не указаны условия кондиционирования, то перед испытанием образцы пластмасс кондиционируют при одной из стандартных атмосфер по
ГОСТ 12423, а образцы эбонита - по
ГОСТ 269.
5.4 Предварительные расчеты
Изгибающее напряжение

, МПа, вычисляют по формуле

(1)
где M - изгибающий момент, прилагаемый к образцу, Н·мм;
W - момент сопротивления сечения образца, мм3.
Изгибающий момент, прилагаемый по отношению к образцу, M, Н·мм, вычисляют по формуле
M =
FGLG +
FHLH +
FaLa, (2)
где FG - нагрузка, создаваемая перемещаемым грузом, Н;
LG - межосевое расстояние между центром тяжести перемещаемого груза и продольной осью образца, мм;
FH - нагрузка, создаваемая верхней зажимной головкой с упорами, Н;
LH - расстояние между центром тяжести рычага с верхней зажимной головкой и продольной осью образца, мм;
Fa - нагрузка, создаваемая указателем деформации (в некоторых системах приборов Fa = 0), Н;
La - расстояние между продольной осью указателя деформации и продольной осью образца, мм.
Момент сопротивления сечения образца W, мм3, вычисляют по формуле

(3)
где b - ширина образца, мм;
s - толщина образца, мм.
Из
уравнений (1),
(2) и (3) вычисляют положение перемещаемого груза на рычаге - расстояние между центром тяжести перемещаемого груза и продольной осью образца
LG, мм, по формуле

(4)
где

- изгибающее напряжение (см.
4.1.2), МПа;
b - ширина образца, мм;
s - толщина образца, мм;
FG - нагрузка, создаваемая перемещаемым грузом, Н;
FH - нагрузка, создаваемая верхней зажимной головкой с упорами, Н;
LH - расстояние между центром тяжести рычага с верхней зажимной головкой и продольной осью образца, мм;
Fa - нагрузка, создаваемая указателем деформации (в некоторых системах приборов Fa = 0), Н;
La - расстояние между продольной осью указателя деформации и продольной осью образца, мм.
6.1 Образцы устанавливают в зажимно-нагрузочное устройство и затем помещают в термошкаф. Сторона образца, на которой были заусенцы, возникшие во время прессования и снятые шлифованием, должна находиться в зоне сжатия. Перед началом испытания образец должен находиться в вертикальном положении, а рычаг - в горизонтальном.
6.2 После установки в термошкаф зажимно-нагрузочного устройства с образцами устанавливают термометры и включают обогрев с системой регулирования температуры. Температура в термошкафу должна равномерно повышаться на (50 +/- 5) °C за час. Начальная температура испытания (25 +/- 2) °C.
6.3 В момент, когда деформация достигнет (6,0 +/- 0,1) мм, отмечают показания двух термометров и вычисляют среднеарифметическое значение двух показателей с округлением до целых градусов. Вычисленная температура является теплостойкостью по Мартенсу для данного образца.
6.4 Если в результате внешнего осмотра на образце после испытания обнаружились трещины, вспучивание, расслоение или другие дефекты, испытание считают недействительным и проводят испытание на другом образце.
Теплостойкость по Мартенсу в целых градусах Цельсия (°C) определяют как среднеарифметическое значение теплостойкости трех испытуемых образцов. Если результаты испытаний трех образцов расходятся более чем на 5 °C, испытание повторяют, используя новые образцы. За окончательный результат принимают результат повторного испытания.
Для образцов, у которых при повторном испытании результаты расходятся более чем на 5 °C, теплостойкость материала по Мартенсу не вычисляют.
Протокол испытания должен содержать:
- ссылку на настоящий стандарт;
- наименование и марку испытуемого материала;
- наименование предприятия - изготовителя материала;
- способ изготовления образцов;
- местоположение образцов для испытаний в продукции в случае, если образцы вырезают из готовых изделий или листов;
- размеры образцов;
- отбор образцов;
- условия кондиционирования образцов;
- значения теплостойкости по Мартенсу для каждого образца;
- теплостойкость по Мартенсу материала;
- любые отступления от настоящего стандарта;
- дату испытания.