Главная // Актуальные документы // ГОСТ (Государственный стандарт)СПРАВКА
Источник публикации
М.: Стандартинформ, 2015
Примечание к документу
Отдельные положения данного документа включены в
Перечень международных и региональных (межгосударственных) стандартов, а в случае их отсутствия - национальных (государственных) стандартов, в результате применения которых на добровольной основе обеспечивается соблюдение требований технического
регламента Таможенного союза "О безопасности машин и оборудования" (ТР ТС 010/2011) и документ включен в Перечень международных и региональных (межгосударственных) стандартов (
п. п. 573,
585), а в случае их отсутствия - национальных (государственных) стандартов, содержащих правила и методы исследований (испытаний) и измерений, в том числе правила отбора образцов, необходимые для применения и исполнения требований технического
регламента Таможенного союза "О безопасности машин и оборудования" (ТР ТС 010/2011) и осуществления оценки соответствия объектов технического регулирования (
Решение Коллегии Евразийской экономической комиссии от 09.03.2021 N 28).
Документ
введен в действие с 1 декабря 2015 года.
Название документа
"ГОСТ 33007-2014. Межгосударственный стандарт. Оборудование газоочистное и пылеулавливающее. Методы определения запыленности газовых потоков. Общие технические требования и методы контроля"
(введен в действие Приказом Росстандарта от 15.06.2015 N 637-ст)
"ГОСТ 33007-2014. Межгосударственный стандарт. Оборудование газоочистное и пылеулавливающее. Методы определения запыленности газовых потоков. Общие технические требования и методы контроля"
(введен в действие Приказом Росстандарта от 15.06.2015 N 637-ст)
по техническому регулированию
и метрологии
от 15 июня 2015 г. N 637-ст
МЕЖГОСУДАРСТВЕННЫЙ СТАНДАРТ
ОБОРУДОВАНИЕ ГАЗООЧИСТНОЕ И ПЫЛЕУЛАВЛИВАЮЩЕЕ
МЕТОДЫ ОПРЕДЕЛЕНИЯ ЗАПЫЛЕННОСТИ ГАЗОВЫХ ПОТОКОВ. ОБЩИЕ
ТЕХНИЧЕСКИЕ ТРЕБОВАНИЯ И МЕТОДЫ КОНТРОЛЯ
Scrubber and duster equipment. Methods for determination
of dust load of gasstreams. General technical
requirements and control methods
ГОСТ 33007-2014
Дата введения
1 декабря 2015 года
Цели, основные принципы и основной порядок проведения работ по межгосударственной стандартизации установлены
ГОСТ 1.0-92 "Межгосударственная система стандартизации. Основные положения" и
ГОСТ 1.2-2009 "Межгосударственная система стандартизации. Стандарты межгосударственные, правила и рекомендации по межгосударственной стандартизации. Правила разработки, принятия, применения, обновления и отмены"
1 ПОДГОТОВЛЕН Обществом с ограниченной ответственностью "ТЕХНОНЕФТЕГАЗ" (ООО "ТЕХНОНЕФТЕГАЗ")
2 ВНЕСЕН Межгосударственным техническим комитетом по стандартизации МТК 523 "Нефтяная и газовая промышленность"
3 ПРИНЯТ Межгосударственным советом по стандартизации, метрологии и сертификации (протокол от 20 октября 2014 г. N 71-П)
За принятие проголосовали:
Краткое наименование страны по МК (ИСО 3166) 004-97 | Код страны по МК (ИСО 3166) 004-97 | Сокращенное наименование национального органа по стандартизации |
Армения | AM | Минэкономики Республики Армения |
Беларусь | BY | Госстандарт Республики Беларусь |
Киргизия | KG | Кыргызстандарт |
Россия | RU | Росстандарт |
Таджикистан | TJ | Таджикстандарт |
4
Приказом Федерального агентства по техническому регулированию и метрологии от 15 июня 2015 г. N 637-ст межгосударственный стандарт ГОСТ 33007-2014 введен в действие в качестве национального стандарта Российской Федерации с 1 декабря 2015 г.
--------------------------------
<*>
Приказом Федерального агентства по техническому регулированию и метрологии от 15 июня 2015 г. N 637-ст
ГОСТ Р 50820-95 отменен с 1 декабря 2015 г.
6 ВВЕДЕН ВПЕРВЫЕ
Информация об изменениях к настоящему стандарту публикуется в ежегодном информационном указателе "Национальные стандарты" (по состоянию на 1 января текущего года), а текст изменений и поправок - в ежемесячном информационном указателе "Национальные стандарты". В случае пересмотра (замены) или отмены настоящего стандарта соответствующее уведомление будет опубликовано в ежемесячном информационном указателе "Национальные стандарты". Соответствующая информация, уведомление и тексты размещаются также в информационной системе общего пользования - на официальном сайте Федерального агентства по техническому регулированию и метрологии в сети Интернет
Настоящий стандарт устанавливает методы определения запыленности (массового содержания взвешенных частиц) газопылевых потоков (газов), отходящих от стационарных источников загрязнения при скорости газов не меньше диапазона от 4 м/с, давлении до 0,2 МПа и температуре не более 400 °C. Нормы точности измерений - по
ГОСТ 17.2.4.02.
Методы определения запыленности, изложенные в настоящем стандарте, позволяют определить влияние газопылевых потоков (газов) на безопасность окружающей среды для жизни, здоровья и имущества населения.
Стандарт пригоден для целей подтверждения соответствия продукции.
В настоящем стандарте использованы нормативные ссылки на следующие межгосударственные стандарты:
ГОСТ 10-88 Нутромеры микрометрические. Технические условия
ГОСТ 17.2.4.02-81 Охрана природы. Атмосфера. Общие требования к методам определения загрязняющих веществ
ГОСТ 17.2.4.06-90 Охрана природы. Атмосфера. Методы определения скорости и расхода газопылевых потоков, отходящих от стационарных источников загрязнения
ГОСТ 17.2.4.07-90 Охрана природы. Атмосфера. Методы определения давления и температуры газопылевых потоков, отходящих от стационарных источников загрязнения
ГОСТ 17.2.4.08-90 Охрана природы. Атмосфера. Метод определения влажности газопылевых потоков, отходящих от стационарных источников загрязнения
ГОСТ 166-89 (ИСО 3599-76) Штангенциркули. Технические условия
ГОСТ 2405-88 Манометры, вакуумметры, мановакуумметры, напоромеры, тягомеры и тягонапоромеры. Общие технические условия
ГОСТ 3399-76 Трубки медицинские резиновые. Технические условия
ГОСТ 7502-98 Рулетки измерительные металлические. Технические условия
ГОСТ 9932-75 Геометры стеклянные лабораторные. Технические условия
ГОСТ 28498-90 Термометры жидкостные стеклянные. Общие технические требования. Методы испытаний
Примечание - При пользовании настоящим стандартом целесообразно проверить действие ссылочных стандартов в информационной системе общего пользования - на официальном сайте Федерального агентства по техническому регулированию и метрологии в сети Интернет или по ежегодному информационному указателю "Национальные стандарты", который опубликован по состоянию на 1 января текущего года, и по выпускам ежемесячного информационного указателя "Национальные стандарты" за текущий год. Если ссылочный стандарт заменен (изменен), то при пользовании настоящим стандартом следует руководствоваться заменяющим (измененным) стандартом. Если ссылочный стандарт отменен без замены, то положение, в котором дана ссылка на него, применяется в части, не затрагивающей эту ссылку.
3. Обозначения и сокращения
В настоящем стандарте используются следующие обозначения и сокращения:
Б - атмосферное давление воздуха, Па;
d - диаметр входного сечения наконечника пробоотборного устройства, мм;
K - поправочный коэффициент при неизокинетичном отборе пробы;
Pr - давление (разрежение) газа в месте отбора пробы, Па;
Pр - разрежение газа у диафрагмы реометра, Па;
tг - температура газа в месте отбора пробы, °C;
tр - температура газа у реометра, °C;
Vр - расход отбираемого газа по реометру, дм3/мин;
n - количество точек измерения;
i - порядковый номер точки измерения;
v - скорость газа, м/с;
vi - скорость газа в i-й точке измерения;
vn - скорость газа во входном сечении пылезаборной трубки, м/с;
Z - запыленность газа, г/м3;
Zi - запыленность газа в i-й точке измерения, г/м3;

- максимальная погрешность, %;

- среднее квадратическое отклонение;

- плотность газа при нормальных условиях, кг/м
3;

- плотность газа при калибровке диафрагмы реометра, кг/м
3;

- время отбора пробы, мин;
dч - диаметр частиц пыли, мкм;

- плотность пыли, кг/м
3;

- динамическая вязкость газа, Па/с;
Cк - поправка Кеннингена-Милликена;
Kин - инерционный параметр;
m - масса пыли, осевшей на пылеуловителе (привес), г;
m1 - масса пыли, осевшей в заборной трубе при внешней фильтрации, г;

- поправка на изменение массы контрольных бумажных фильтров, г;
upi, tpi, Ppi - параметры пылегазового потока за промежуток времени;
j - количество зарегистрированных в журнале промежутков времени;

- относительное среднее квадратическое отклонение (ОСКО) определения скорости газа в газоходе;

- ОСКО, обусловленное неизокинетичностью отбора газа;

- ОСКО, определяемое погрешностью от наклона, оси пылезаборной трубки к оси потока;

- ОСКО, определяемое погрешностью от загрузки измерительного сечения пылезаборным устройством;

- ОСКО, определяемое погрешностью от неточности установки, пылезаборной трубки в точках измерений;

- ОСКО от осреднения запыленности потока;

- ОСКО от осаждения пыли в канале пылезаборной трубки;

- ОСКО от неполного улавливания пыли фильтрующим устройством;

- ОСКО, определение массы уловленной пыли;

- ОСКО, определение температуры газа;

- ОСКО, определение давления газа;

- ОСКО, измерения атмосферного давления воздуха;

- ОСКО, определение расхода газа через пылеуловитель.
4. Средства измерений, вспомогательные устройства и растворы реактивов
Трубки напорные, конструкции которых выбираются в соответствии с
ГОСТ 17.2.4.06.
Трубки пылезаборные, комплект, представленный в
приложении А.
Пылеуловитель.
Микроманометры класса точности 1,0.
Реометр стеклянный лабораторный РДС-4 по
ГОСТ 9932.
Барометр класса точности не ниже 1,0.
U-образные жидкостные манометры по ТД и дифференциальные манометры.
Секундомер механический.
Весы лабораторные ВЛР-200М класса точности 2,0.
Нутромер микрометрический по
ГОСТ 10.
Манометры (вакуумметры) показывающие класса точности 1,5 по
ГОСТ 2405.
Шкаф сушильный.
Эксикатор.
Фильтры мембранные аэрозольные типа ЛФЛ.
Побудители тяги - воздуходувки, аспираторы, эжекторы.
Трубки медицинские резиновые типа 1 по
ГОСТ 3399 или полиэтиленовые по
ГОСТ 18599. Спирт этиловый по национальным стандартам государств, упомянутых в предисловии, как проголосовавшие за принятие межгосударственного стандарта <*> водный раствор плотностью 0,8095 г/см
3 для обеспечения работы микроманометров.
--------------------------------
Допускается заменять средства измерений на аналогичные, не уступающие вышеуказанным по метрологическим характеристикам.
5. Порядок подготовки к проведению измерений
5.1. Выбор измерительного сечения
5.1.1 При выборе измерительного сечения в газоходе должны быть соблюдены условия в соответствии с требованиями
ГОСТ 17.2.4.06,
ГОСТ 17.2.4.07 и настоящего стандарта.
5.1.2 Предпочтительнее производить измерения в вертикальных участках газохода, в которых крупные фракции пыли не оседают на стенках газохода под действием силы тяжести.
5.1.3 К стенке газохода в измерительном сечении привариваются патрубки (штуцера) длиной от 20 до 50 мм, диаметром не менее 36 мм для ввода напорных и пылезаборных трубок, диаметром не менее 20 мм - для ввода термометров (или термопар) и диаметром 4 мм - для измерения статического давления (разрежения).
Патрубки закрывают завинчивающимися крышками (приведено в
приложении Б).
5.1.4 Участок газохода с измерительным сечением следует оборудовать рабочей площадкой и (в случае необходимости) лестницей к ней. Площадка и лестница должны быть защищены заградительными устройствами (при работе на высоте) и освещены в соответствии с требованиями стандартов ССБТ. На площадке необходимо предусмотреть место для хранения и размещения измерительной аппаратуры; размер площадки должен обеспечивать возможность удобной и безопасной работы обслуживающего персонала численностью не менее двух человек.
5.1.5 На рабочей площадке должны быть смонтированы розетки для подачи напряжения 12 В или 36 В, необходимого для обогрева пылезаборных трубок и питания осветительной лампы, розетки для подключения электроаспиратора или газодувки. При использовании эжектора должна быть подведена линия сжатого воздуха с давлением 0,6 МПа.
5.1.6 Напорные и пылезаборные трубки вставляются в пробки (фиксирующие устройства), которые при введении их в газоход туго зажимают в штуцере. При разрежении газа менее 0,01 МПа и давлении более 0,02 МПа, а также при работе с токсичными газами вместо пробок применяют специальные шлюзовые затворы с сальниковым уплотнением (приведено в
приложении В).
5.2. Выбор метода определения запыленности
5.2.1 Для определения запыленности пробу газа пропускают через пылеуловитель.
5.2.2 В зависимости от места размещения пылеуловителя различают два метода определения запыленности:
- метод внутренней фильтрации - пылеуловитель расположен внутри газохода;
- метод внешней фильтрации - пылеуловитель расположен вне газохода.
Метод внутренней фильтрации применяется при отборе проб влажных газов, наличии в газах агрессивных компонентов и смол, высокой адгезионной способности пыли.
Схемы установок показаны на рисунках 1 и
2.
1 - патрон со стекловолокном; 2 - реометр; 3 - термометр;
4 - патронодержатель; 5 - напорная трубка; 6 - подсос
воздуха; 7 - сбор конденсата; 8 - микроманометр
Рисунок 1 - Схема установки для определения запыленности
газа методом внутренней фильтрации
1 - отборная трубка; 2 - реометр; 3 - термометр;
4 - напорная трубка; 5 - микроманометр; 6 - подсос воздуха;
7 - сброс конденсата
Рисунок 2 - Схема установки для определения запыленности
газа методом внешней фильтрации
5.3. Требования к пылеуловителям
5.3.1 Пылеуловитель должен обеспечивать улавливание пыли с эффективностью не менее 95%.
5.3.2 Пылеуловитель должен обладать достаточной термостойкостью, стойкостью к воздействию кислот и щелочей, минимальной гигроскопичностью. Он должен сохранять механическую прочность в условиях работы под разрежением или давлением. Масса пылеуловителя должна быть минимальной.
5.3.3 Рекомендации по выбору наиболее распространенных пылеуловителей приведены в таблице 1.
Таблица 1
Тип осадителя пыли | Температура газа, °C не более | Запыленность, г/м3 | Максимальный привес пыли, г |
Метод внутренней фильтрации |
Патрон со стекловолокном | 400 | 0,01 - 15,0 | До 2,0 |
Мембранные фильтры или фильтры типа АФА | 60 | 0,02 | Не более 0,1 |
Метод внешней фильтрации |
Патрон с бумажной гильзой | 1 | 0,01 - 100 | До 10,0 |
Патрон с тканевым фильтром | 350 | 50,0 | До 80,0 |
Циклон с последующим фильтром | 350 | 15,0 | До 10,0 |
Мембранные фильтры или фильтры типа АФА | 60 | 0,02 | Не более 0,1 |
5.3.4 При определении запыленности газа методом внутренней фильтрации в качестве пылеуловителя применяют фильтровальные патроны с объемной набивкой из непарафинированного стекловолокна (показано на
рисунке Г.1). После слоя из стекловолокна устанавливают слой из прокаленного асбестового волокна, удерживаемый сеткой из латуни или нержавеющей стали. Фильтровальный патрон с помощью шнурового асбеста плотно, чтобы не было подсоса газа, скрепляют в патронодержателе (показано на
рисунке Г.2). Патронодержатель заканчивается трубкой диаметром от 8 до 10 мм и длиной, позволяющей устанавливать фильтровальный патрон во всех точках измерений.
Асбестовое волокно для набивки фильтровального патрона предварительно прокаливают в муфельной печи при температуре около 400 °C. Перед проведением измерений стекловолокно набивают в патроны. Плотность набивки стекловолокна должна создавать при расходе газа около 20 дм3/мин гидравлическое сопротивление патронов от 5 до 35 кПа.
Патрон со стекловолокном доводят до постоянной массы посредством сушки в сушильном шкафу при температуре 105 °C с последующим взвешиванием на аналитических весах с точностью до 0,1 мг. Продолжительность сушки 1 ч. Перед взвешиванием патрон охлаждают в эксикаторе с силикагелем до комнатной температуры.
Процедуру повторяют до тех пор, пока масса фильтра при трех последовательных взвешиваниях не станет постоянной.
При концентрации пыли менее 1 г/м
3 применяют мембранные или аэрозольные фильтры типа АФА, устанавливаемые в фильтродержатель (показано на
рисунке Г.3). С обратной стороны фильтра предусмотрена опорная сетка.
Если в газе кроме пыли имеются частицы органических веществ, для определения содержания неорганической пыли в газе органические вещества из пылеуловителя предварительно должны быть экстрагированы.
5.3.5 При определении запыленности газа методом внешней фильтрации в качестве пылеуловителя применяют патроны с гильзой из фильтровальной бумаги или с тканевым фильтром (показано на
рисунках Д.1 и
Д.2). Для предотвращения конденсации влаги патрон снабжают электрообогревом и теплоизоляцией.
Бумажные фильтры изготавливают из фильтровальной бумаги (показано на
рисунке Д.3) и применяют при температуре проходящего газа, не превышающей 150 °C. Если количество пыли в газе превышает допустимое для бумажного фильтра, применяют тканевые фильтры. Для газов температурой до 110 °C применяют ворсистые шерстяные ткани, температурой до 140 °C - лавсан и до 350 °C - ткань из стекловолокна.
При концентрации пыли менее 1 г/м
3 могут быть применены плоские мембранные или аэрозольные фильтры типа АФА, вставленные в фильтродержатель (показано на
рисунке Д.4). При запыленности газов более 15 г/м
3 перед фильтром может быть установлен циклон (показано на
рисунке Д.5). Этот циклон присоединяется к пылезаборной трубке на резьбе с помощью накидной гайки или через короткий резиновый шланг. Фильтры соединяются с пылезаборной трубкой или с циклоном через резиновую пробку с отверстием.
При применении бумажных фильтров их выдерживают в течение 1 сут на воздухе. Параллельно со взвешиванием рабочих фильтров взвешивают пачку контрольных фильтров (обычно 10 штук). После запыления фильтры вновь выдерживают в весовой комнате в течение 1 сут и также взвешивают вместе с контрольными. В соответствии с изменением массы контрольных фильтров вносят необходимые поправки к массе запыленного фильтра.
Приготовленный бумажный фильтр надевают на резиновую пробку и вставляют внутрь патрона. После присоединения патрона к пылезаборной трубке установку проверяют на герметичность.
Фильтры типа АФА доводить до постоянной массы перед взвешиванием не требуется.
При использовании циклона его необходимо предварительно разобрать, проверить качество уплотнительных прокладок и вычистить изнутри.
5.4. Требования к пылезаборным трубкам
5.4.1 Конструкция трубки должна создавать минимальные возмущения газового потока во входном сечении, что обеспечивается установкой наконечников. Профили наконечников показаны на
рисунке А.2.
5.4.2 Пылезаборные трубки и наконечники к ним следует изготовлять из нержавеющей стали или латуни.
5.4.3 Простая пылезаборная трубка (см.
рисунок А.1) не имеет приспособлений для измерения статического давления газового потока. Изокинетичность пробоотбора обеспечивается выбором соответствующего входного сечения наконечника и регулированием расхода отбираемого газа.
Простые пылезаборные трубки применяют при небольших колебаниях скорости газового потока по времени (до 15%) и незначительном содержании и газе частиц размером более 10 мкм.
5.4.4 При колебаниях скорости газового потока во времени более 15% и содержании в газе крупных частиц применяются пылезаборные трубки нулевого типа (см.
рисунок А.3). В этих трубках для соблюдения изокинетичности отбора разность статических давлений, измеряемых соответственно внутри канала трубки (равного по площади сечения входному отверстию) или у входного отверстия и вне его (в газовом потоке, омывающем трубку) должна поддерживаться равной нулю.
6. Порядок проведения измерений
6.1 Собранную установку проверяют на герметичность. Для этого, установив по реометру расход от 10 до 20 дм3/мин, плотно закрывают входное отверстие пылезаборной трубки. В этом случае при герметичности установки (до измерительной диафрагмы) расход газа должен упасть до нуля.
6.2 Перед проведением измерений предварительно определяют поле скоростей газа по измерительному сечению согласно
ГОСТ 17.2.4.06.
6.3 При отсутствии крупных частиц пыли (более 10 мкм) и равномерном распределении скоростей газа по измерительному сечению (неравномерность скоростей газа не превышает 15%) отбор проб может проводиться в одной точке измерительного сечения (обычно в центре).
В остальных случаях необходимо отбирать пробы в тех же точках, где определяют скорость газа согласно
ГОСТ 17.2.4.06.
6.4 Отбор проб осуществляется при фиксированном расходе газа, обеспечивающем условия изокинетичности во входном сечении пылезаборного устройства.
6.5 Диаметр входного сечения наконечника d мм (при внешней фильтрации), вычисляют по формуле

, (1)
где vi - скорость газа в точке измерения отбора пробы, м/с.
6.6 Расход отбираемого газа по реометру Vр, дм3/мин, вычисляют по формуле

, (2)
где d - диаметр входного сечения наконечника или пылезаборного устройства (при внутренней фильтрации), мм;
Б - атмосферное давление воздуха, Па;
Pг - давление (плюс) или разрежение (минус) газа в месте отбора пробы, Па;
tг - температура газа в месте отбора пробы, °C;

- плотность газа при нормальных условиях, кг/м
3;

- плотность газа, принятая при калибровке диафрагмы реометра, кг/м
3;
tр - температура газа у реометра, °C;
Pр - разрежение газа у диафрагмы реометра, Па.
6.7 При отборе пробы на запыленность методом внешней фильтрации пылезаборную трубку со сменным наконечником вводят в газоход так, чтобы входное отверстие наконечника находилось в заданной точке измерительного сечения и было направлено по потоку газа. После прогрева пылезаборного устройства в газоходе в течение 15 мин трубку поворачивают входным отверстием навстречу газовому потоку (допустимое отклонение от соосности 5°).
6.8 В случае внешней фильтрации пылезаборную трубку и фильтровальный патрон предварительно прогревают с помощью намотанных на них электроспиралей до температуры, исключающей конденсацию водяных паров при отборе пробы, после чего пылезаборную трубку вводят в газоход и устанавливают в выбранной точке сечения газохода навстречу газовому потоку.
6.9 Включив побудитель тяги, устанавливают по реометру заданные расход газа и разрежение у измерительной диафрагмы.
Результаты измерений фиксируются в журнале, рекомендуемая форма которого приведена в
приложении Е.
Изменения показаний приборов в ходе отбора пробы регистрируют с указанием времени, когда они произошли.
6.10 Продолжительность отбора пробы устанавливают в зависимости от запыленности газа, производительности побудителя тяги и типа пылеуловителя. При большой запыленности газа (более 1 г/м
3) отбор пробы, как правило, должен продолжаться от 10 до 20 мин. С уменьшением запыленности газа время отбора возрастает. Привес бумажной гильзы, обусловленный уловленной пылью, должен быть не менее 0,1 г, иначе понижается точность измерения.
6.11 При смене бумажных фильтров (внешняя фильтрация) патрон предварительно отсоединяют от побудителя тяги, не отключая обогрева. Пыль, попавшую из фильтра на поверхность пробки, следует счистить с поверхности и ссыпать в фильтр. Пылезаборную трубку надо периодически прочитать тонкой проволокой с узелком на конце. Пыль, вычищенную из трубки, необходимо собрать и взвесить, чтобы в дальнейшем ввести поправку при расчете запыленности. Вынутый из патрона бумажный фильтр с пылью закрывают так, чтобы пыль из него не могла высыпаться. Перед взвешиванием запыленные фильтры оставляют в весовой комнате на сутки.
6.12 При внутренней фильтрации с использованием патронов со стекловолокном необходимо следить за тем, чтобы при извлечении патронов из газохода пыль не высыпалась из носика патрона. Патроны после отбора пробы доводят до постоянной массы (см.
5.3.4).
7. Правила обработки результатов измерений
7.1 Запыленность газа Z, г/м3, приведенную к нормальным условиям, при отборе пробы в одной точке измерительного сечения вычисляют по формуле

, (3)
где m - масса пыли, осевшей на пылеуловителе (привес), г;
m1 - масса пыли, осевшей в заборной трубке при внешней фильтрации (см.
6.11), г:

- поправка на изменение массы контрольных бумажных фильтров, г;

- время отбора пробы, мин.
При измерении с использованием трубки нулевого типа запыленность газа Z, г/м3, вычисляют по формуле

, (4)
где
Vpj,
tpj,
Ppj - параметры пылегазового потока за промежуток времени

;
j - количество зарегистрированных в журнале промежутков времени

.
7.2 Запыленность газа Z, г/м3, при отборе проб в нескольких точках измерительного сечения вычисляют по формуле

, (5)
где n - количество точек измерения;
i - порядковый номер точки измерения;
Zi - запыленность газа в i-й точке измерения, г/м3;
vi - скорость газа в i-й точке измерения, м/с.
7.3 При невозможности соблюдения изокинетичности при отборе проб следует вводить поправку в полученные результаты измерения по формуле

, (6)
где z1 - запыленность, полученная при несоблюдении изокинетичности, г/м3;
K - поправочный коэффициент.
8. Оценка погрешности определения запыленности
8.1 В общем случае погрешность определения запыленности газопылевых потоков, отходящих от стационарных источников загрязнения, включает в себя:
- погрешность определения скорости газа в измерительном сечении;
- погрешность от неизокинетичности отбора газа;
- погрешность от угла наклона пылезаборной трубки к оси потока;
- погрешность от загрузки измерительного сечения пылезаборным устройством;
- погрешность от неточности установки пылезаборной трубки в точках измерений;
- погрешность осреднения запыленности потока;
- погрешность от осаждения пыли в канале пылезаборной трубки (для внешней фильтрации);
- погрешность от неполного улавливания пылеуловителем;
- погрешность определения массы уловленной пыли;
- погрешность определения физических характеристик газа (температуры, давления) и атмосферного давления воздуха:
- погрешность определения расхода газа через пылеуловитель.
8.2 Максимальная погрешность

с доверительной вероятностью 95% при нормальном законе распределения не превысит удвоенного значения среднего квадратического отклонения

, вычисляется по формуле

. (7)
8.3 Относительное среднее квадратическое отклонение определения запыленности выясняют по формуле

, (8)
где

- относительное среднее квадратическое отклонение (ОСКО) определения скорости газа в газоходе;

- ОСКО, обусловленное неизокинетичностью отбора газа;

- ОСКО, определяемое погрешностью от наклона, оси пылезаборной трубки к оси потока;

- ОСКО, определяемое погрешностью от загрузки измерительного сечения пылезаборным устройством;

- ОСКО, определяемое погрешностью от неточности установки, пылезаборной трубки в точках измерений;

- ОСКО от осреднения запыленности потока;

- ОСКО от осаждения пыли в канале пылезаборной трубки;

- ОСКО от неполного улавливания пыли фильтрующим устройством;

- ОСКО, определение массы уловленной пыли;

- ОСКО, определение температуры газа;

- ОСКО, определение давления газа;

- ОСКО, измерения атмосферного давления воздуха;

- ОСКО, определение расхода газа через пылеуловитель.
8.4 Оценка составляющих погрешности определения запыленности
8.4.1 Погрешность определения расхода газа через измерительное сечение, температуры, давления газа и атмосферного давления воздуха - по
ГОСТ 17.2.4.06,
ГОСТ 17.2.4.07.
8.4.2 Погрешность от неизокинетичности отбора газа для частиц диаметром менее 5 мкм пренебрежимо мала. Пример расчета погрешности для частиц размером более 5 мкм приведен в
приложении И.
8.4.3 Погрешностью от угла наклона оси пылезаборной трубки к оси потока, не превышающего 5°, можно пренебречь.
8.4.4 Погрешностью от загрузки измерительного сечения пылезаборным устройством при отношении площади, занимаемой пылезаборным устройством, к площади измерительного сечения, не превышающим 5%, можно пренебречь.
8.4.5 Погрешностью от неточности установки пылезаборной трубки в заданных точках измерений при выполнении требований
6.7 пренебрегают.
8.4.6 Погрешность осреднения запыленности потока при допущении, что распределения поля скоростей и поля запыленностей одинаковы, приведена в таблице 2.
Таблица 2
Форма измерительного сечения | Количество точек измерения | Погрешность осреднения запыленности потока, %, при расстоянии от места возмущения потока до измерительного сечения в эквивалентных диаметрах |
1 | 2 | 3 | 5 | 6 |
Круг | 4 | 20 | 16 | 12 | 6 | 3 |
8 | 16 | 12 | 10 | 5 | 2 |
12 | 12 | 8 | 6 | 3 | 2 |
Прямоугольник | 4 | 24 | 20 | 15 | 8 | 4 |
16 | 12 | 8 | 6 | 3 | 2 |
8.4.7 Погрешность от осаждения пыли в канале пылезаборной трубки характерна только для метода внешней фильтрации и при выполнении требований
6.10 ею пренебрегают.
8.4.8 Погрешность от неполного улавливания пылеуловителем не превышает 0,5%.
8.4.9 Погрешность определения массы уловленной пыли зависит от следующих факторов:
- погрешности весов;
- влажности чистого и запыленного фильтра;
- количества уловленной фильтром пыли и при выполнении требований настоящего стандарта не превысит 1,0%.
8.4.10 Погрешность определения расхода газа через пылеуловитель равна погрешности расходомерного устройства.
9. Требования безопасности
(справочное)
1 - корпус; 2 - шейка; 3 - наконечник; 4 - стальная трубка,
диаметр 4 - 6 мм; 5 - нихромовая обмотка; 6 - асбестовая
изоляция; 7 - изолирующая шайба
Рисунок А.1 - Простая пылезаборная трубка
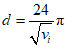
Простая пылезаборная трубка (рисунок А.1) выполнена из нержавеющей стали или латуни. Трубка изогнута под углом 90°. Радиус кривизны должен быть в 3 раза больше внешнего диаметра трубки. Пробоотборная трубка снабжается электрическим (реже паровым) обогревом. При температуре нагрева стенок трубки выше температуры газа уменьшается осаждение пыли на ее стенках. При высоком влагосодержании газов необходим обогрев для предотвращения конденсации водяных паров. В таблице А.1 приведены рекомендуемые параметры электрообмотки для пылезаборных трубок.
Таблица А.1
Длина трубки, м | Сечение проволоки, мм2 | Длина провода, м | Количество проводов |
0,75 | 1 | 1,1 | 1 |
1,0 | 1 | 1,4 | 1 |
1,5 | 1 | 2,1 | 2 |
2,0 | 0,9 | 2,6 | 2 |
Наконечники выполнены из коррозионностойкого материала (обычно из нержавеющей стали или латуни). Внутренняя и внешняя поверхности наконечников отшлифованы.
Профиль наконечников показан на рисунке А.2. Диаметр входного отверстия наконечника с обратным конусом должен быть не менее 6 мм, а с прямым конусом внутренний диаметр трубки не менее 4 мм.
Рисунок А.2 - Наконечники для пылезаборных трубок
Диаметр на входе наконечника d контролируется с точностью 0,1 мм. Допуск на эллипсность составляет 0,05 мм. Отверстие и внутренняя поверхность носика должны быть концентрическими. Допуск на концентричность составляет 0,005.
Угол

должен составлять не более 15°, предпочтительно значение - 10°.
Максимальная толщина стенки наконечника f связана с диаметром соотношением f = 0,25d. Выступ, который образуется в месте соединения наконечника с трубкой, должен быть не более 0,1 мм. Трубка нулевого типа, показанная на рисунке А.3, имеет дополнительные каналы для измерения статического давления газа снаружи и внутри трубки.
Рисунок А.3 - Пылезаборная трубка нулевого типа
Отверстия каналов для измерений статического давления расположены в прямолинейной части трубки в непосредственной близости к наконечнику. Диаметр отверстий или ширина щелей составляет от 0,5 до 2 мм. Импульсные трубки статического давления не должны создавать неровностей на внешней поверхности пылезаборной трубки.
Равенство полного давления внутри и снаружи трубки не гарантирует изокинетичности отбора, так как гидравлические сопротивления снаружи и внутри носика неодинаковы. Поэтому трубка должна быть откалибрована. Должен быть определен диапазон ее применения, в котором разница между динамическим давлением снаружи и внутри трубки не превышает 10% внешнего динамического давления.
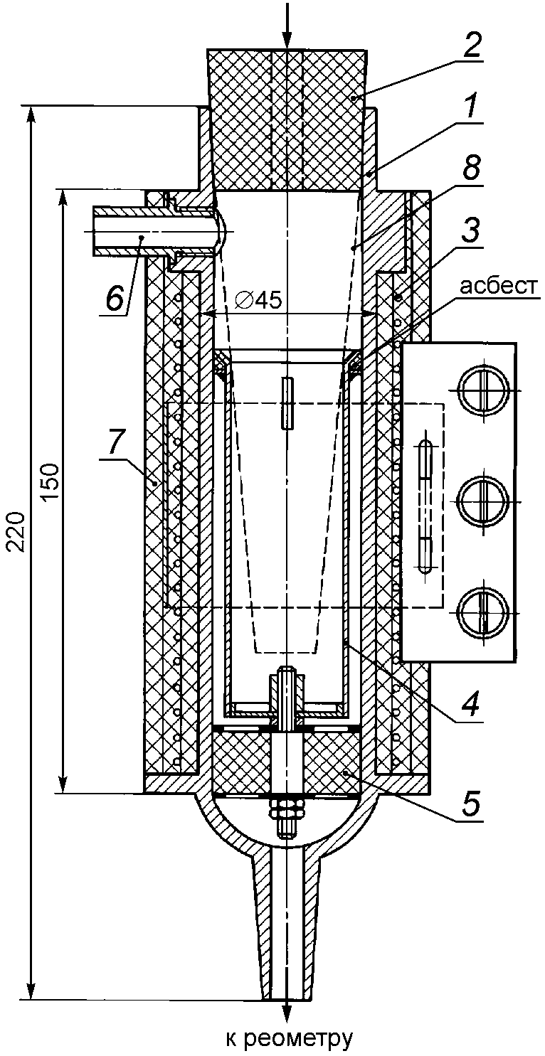
(справочное)
1 - крышка; 2 - газовая труба
Рисунок Б.1 - Штуцер для измерения скорости и запыленности
газа
1 - крышка; 2 - газовая труба
Рисунок Б.2 - Штуцер для измерения температуры газа
1 - газовая труба
Рисунок Б.3 - Штуцер для измерения давления газа
(справочное)
ШЛЮЗОВЫЙ ЗАТВОР ДЛЯ ОТБОРА ПРОБ ПОД ДАВЛЕНИЕМ
1 - задвижка; 2 - штуцер; 3 - бобышка; 4 - заборная трубка;
5 - стеклянный фильтр; 6 - газоход
Рисунок В.1 - Шлюзовый затвор для отбора проб под давлением
(справочное)
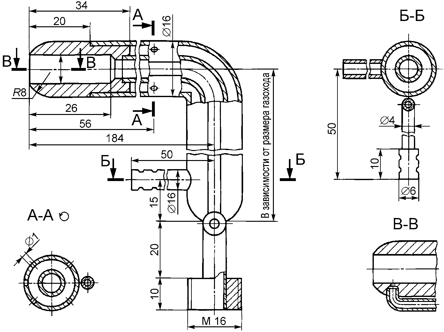
АППАРАТУРА ДЛЯ ОПРЕДЕЛЕНИЯ ЗАПЫЛЕННОСТИ МЕТОДОМ
ВНУТРЕННЕЙ ФИЛЬТРАЦИИ
1 - слой стекловолокна; 2 - слой асбестового волокна;
3 - металлическая сетка (луженая)
Рисунок Г.1 - Фильтровальные патроны
а - корпус; б - накидная гайка
Рисунок Г.2 - Патронодержатель
Рисунок Г.3 - Держатель мембранных фильтров АФА
(справочное)
АППАРАТУРА ДЛЯ ОПРЕДЕЛЕНИЯ ЗАПЫЛЕННОСТИ МЕТОДОМ
ВНЕШНЕЙ ФИЛЬТРАЦИИ
Патрон с бумажным фильтром
Патрон с бумажным фильтром от заборной трубки
1 - корпус; 2 - резиновая пробка; 3 - электрообогрев;
4 - колпак; 5 - фильтр из асбестовой ваты; 6 - трубка;
7 - тепловая изоляция; 8 - бумажная фильтровальная гильза
Рисунок Д.1
Патрон с тканевым фильтром
Патрон с тканевым фильтром от заборной трубки
1 - корпус; 2 - резиновая пробка; 3 - хомутик; 4 -
фильтровальный мешок; 5 - стакан; 6 - электрообогрев; 7 -
тепловая изоляция; 8 - контакты; 9 - текстолитовая втулка
Рисунок Д.2
Рисунок Д.3 - Раскрой бумажного фильтра
Бумажные фильтры склеивают из фильтровальной бумаги с помощью следующего состава: декстрина - 105 г: сахара - 20 г; алюминиевых квасцов - 3,6 г; фенола - 0.5; воды - 100 мл. Сахар и квасцы растворяют в 0,1 дм3 воды при температуре от 40 до 50 °C, затем добавляют декстрин и хорошо перемешивают, нагревают от 75 до 80 °C и выдерживают в течение от 5 до 10 мин. После этого добавляют фенол. Для склеивания бумажных фильтров может быть использован также канцелярский казеиновый клей.
1 - диффузорный участок; 2 - мембранный фильтр; 3 - накидная
гайка; 4 - опорная сетка; 5 - конфузорный участок
Рисунок Д.4 - Держатель для фильтров АФА
1 - входной патрубок с накидной гайкой; 2 - корпус циклона;
3 - крышка с выхлопной трубой; 4 - бункер для пыли
(рекомендуемое)
ЖУРНАЛА ДЛЯ ЗАПИСИ РЕЗУЛЬТАТОВ ИЗМЕРЕНИЙ ЗАПЫЛЕННОСТИ
Предприятие _______________ Температура газа в газоходе, °C ___________
Дата измерений ____________ Разреженное (давление) в газоходе, Па _____
Место отбора пробы ________ Атмосферное давление воздуха, Па __________
Плотность газа при рабочих условиях,

____________________________
Точки измерений | Время отбора | Показ. реометра, дм3/мин | Температура газа перед диафрагмой, °C | Разрежение перед диафрагмой, Па | Расход газа через трубку, м3/ч | Привес фильтра, г | Концентрация пыли, г/м3 |
начало | конец |
| | | | | | | | |
| | | | | | | | |
(справочное)
РАСЧЕТ ПОПРАВОЧНОГО КОЭФФИЦИЕНТА
K
Поправочный коэффициент K, учитывающий неизокинетичность отбора, вычисляют по формуле

, (Ж.1)
где vn - скорость газа во входном сечении пылезаборной трубки, м/с;
Kин - инерционный параметр.
Инерционный параметр Kин вычисляют по формуле

, (Ж.2)
где dч - диаметр частиц пыли, мкм;

- плотность пыли, кг/м
3;

- динамическая вязкость газа, Па/с;
Ck - поправка Кеннингема-Милликена.
На рисунке Ж.1 приведены значения
K для некоторых отношений

и различных диаметров частиц пыли
dч.
Рисунок Ж.1
| | ИС МЕГАНОРМ: примечание. Нумерация приложений дана в соответствии с официальным текстом документа. | |
(справочное)
РАСЧЕТА ПОГРЕШНОСТИ ОПРЕДЕЛЕНИЯ ЗАПЫЛЕННОСТИ ГАЗА
И.1 ОСКО определения скорости газа

;
И.2 Погрешность от неизокинетичности отбора газа плюс/минус 0,05% или

.
И.3 Погрешность осреднения запыленности потока плюс/минус 2% или

.
И.4 ОСКО от неполного улавливания пыли пылеуловителем

.
И.5 ОСКО определения массы уловленной пыли

.
И.6 Погрешность определения расхода газа через пылеуловитель плюс/минус 2% или

.
И.7 ОСКО определения температуры, давления газа и атмосферного давления воздуха при использовании средств измерения с погрешностью, не превышающей плюс/минус 1% в верхней части диапазона измерений

.
Тогда ОСКО определения запыленности:

.
Максимальная погрешность с доверительной вероятностью 95%:

или плюс/минус 8%.