Главная // Актуальные документы // ГОСТ (Государственный стандарт)СПРАВКА
Источник публикации
М.: Стандартинформ, 2016
Примечание к документу
Документ
введен в действие с 1 июня 2016 года.
Название документа
"ГОСТ 12.4.297-2015. Межгосударственный стандарт. Система стандартов безопасности труда. Средства индивидуальной защиты органов дыхания. Изолирующие-фильтрующие автономные средства защиты органов дыхания. Технические требования. Методы испытаний. Маркировка. Правила отбора образцов"
(введен в действие Приказом Росстандарта от 18.06.2015 N 746-ст)
"ГОСТ 12.4.297-2015. Межгосударственный стандарт. Система стандартов безопасности труда. Средства индивидуальной защиты органов дыхания. Изолирующие-фильтрующие автономные средства защиты органов дыхания. Технические требования. Методы испытаний. Маркировка. Правила отбора образцов"
(введен в действие Приказом Росстандарта от 18.06.2015 N 746-ст)
по техническому регулированию
и метрологии
от 18 июня 2015 г. N 746-ст
МЕЖГОСУДАРСТВЕННЫЙ СТАНДАРТ
СИСТЕМА СТАНДАРТОВ БЕЗОПАСНОСТИ ТРУДА
СРЕДСТВА ИНДИВИДУАЛЬНОЙ ЗАЩИТЫ ОРГАНОВ ДЫХАНИЯ.
ИЗОЛИРУЮЩИЕ-ФИЛЬТРУЮЩИЕ АВТОНОМНЫЕ СРЕДСТВА
ЗАЩИТЫ ОРГАНОВ ДЫХАНИЯ
ТЕХНИЧЕСКИЕ ТРЕБОВАНИЯ. МЕТОДЫ ИСПЫТАНИЙ.
МАРКИРОВКА. ПРАВИЛА ОТБОРА ОБРАЗЦОВ
Occupational safety standards system.
Individual respiratory system protective devices.
Insulating-filterring autonomous respiratory system
protective devices. Technical requirements.
Test methods. Marking. Sampling rules
ГОСТ 12.4.297-2015
Дата введения
1 июня 2016 года
Цели, основные принципы и основной порядок проведения работ по межгосударственной стандартизации установлены
ГОСТ 1.0-92 "Межгосударственная система стандартизации. Основные положения" и
ГОСТ 1.2-2009 "Межгосударственная система стандартизации. Стандарты межгосударственные, правила и рекомендации по межгосударственной стандартизации. Правила разработки, принятия, применения, обновления и отмены"
1 РАЗРАБОТАН Открытым акционерным обществом "Корпорация "Росхимзащита" (ОАО "Корпорация "Росхимзащита")
2 ВНЕСЕН Федеральным агентством по техническому регулированию и метрологии (Росстандарт)
3 ПРИНЯТ Межгосударственным советом по стандартизации, метрологии и сертификации (протокол от 29 мая 2015 г. N 77-П)
За принятие проголосовали:
Краткое наименование страны по МК (ИСО 3166) 004-97 | Код страны по МК (ИСО 3166) 004-97 | Сокращенное наименование национального органа по стандартизации |
Армения | AM | Минэкономики Республики Армения |
Беларусь | BY | Госстандарт Республики Беларусь |
Казахстан | KZ | Госстандарт Республики Казахстан |
Киргизия | KG | Кыргызстандарт |
Россия | RU | Росстандарт |
Таджикистан | TJ | Таджикстандарт |
4
Приказом Федерального агентства по техническому регулированию и метрологии от 18 июня 2015 г. N 746-ст межгосударственный стандарт ГОСТ 12.4.297-2015 введен в действие в качестве национального стандарта Российской Федерации с 1 июня 2016 г.
5 ВВЕДЕН ВПЕРВЫЕ
Информация об изменениях к настоящему стандарту публикуется в ежегодном информационном указателе "Национальные стандарты" (по состоянию на 1 января текущего года), а текст изменений и поправок - в ежемесячном информационном указателе "Национальные стандарты". В случае пересмотра (замены) или отмены настоящего стандарта соответствующее уведомление будет опубликовано в ежемесячном информационном указателе "Национальные стандарты". Соответствующая информация, уведомление и тексты размещаются также в информационной системе общего пользования - на официальном сайте Федерального агентства по техническому регулированию и метрологии в сети Интернет
Настоящий стандарт распространяется на изолирующие-фильтрующие автономные дыхательные аппараты (далее - ИФА), предназначенные для защиты органов дыхания, зрения, кожного покрова лица человека при проведении аварийных и регламентных работ в непригодной для дыхания атмосфере, в том числе в атмосфере с пониженным содержанием кислорода или при его отсутствии. ИФА применяют в фильтрующем режиме защиты при объемной доле кислорода в атмосфере не ниже 19% и суммарной объемной доле паро- и газообразных вредных примесей не более 0,5%. Не допускается применение ИФА в фильтрующем режиме защиты при неизвестном составе загрязняющих атмосферу веществ, а также при наличии в ней несорбирующихся веществ.
Настоящий стандарт не распространяется на ИФА:
- военного назначения;
- специально разработанные для подразделений пожарной охраны, горноспасателей и для подразделений, обеспечивающих ликвидацию последствий чрезвычайных ситуаций природного и техногенного характера;
- для целей гражданской обороны;
- специально разработанные для использования в авиационной, космической технике и при подводных работах;
- специально разработанные для использования в медицинских целях и в микробиологии;
- используемые в качестве образцов при проведении выставок и торговых ярмарок.
В настоящем стандарте использованы нормативные ссылки на следующие стандарты:
ГОСТ 12.4.008-84 Система стандартов безопасности труда. Средства индивидуальной защиты. Метод определения поля зрения
ГОСТ 12.4.157-75 Система стандартов безопасности труда. Противогазы и респираторы промышленные фильтрующие. Нефелометрические методы определения коэффициента подсоса масляного тумана под лицевую часть
ГОСТ 12.4.245-2013 Система стандартов безопасности труда. Средства индивидуальной защиты органов дыхания. Фильтры противогазовые и комбинированные. Общие технические условия
ГОСТ 12.4.246-2013 Система стандартов безопасности труда. Средства индивидуальной защиты органов дыхания. Фильтры противоаэрозольные. Общие технические условия
ГОСТ 5556-81 Вата медицинская гигроскопическая. Технические условия
ГОСТ 15150-69 Машины, приборы и другие технические изделия. Исполнения для различных климатических районов. Категории, условия эксплуатации, хранения и транспортирования в части воздействия климатических факторов внешней среды
ГОСТ 16600-72 Передача речи по трактам радиотелефонной связи. Требования к разборчивости речи и методы артикуляционных измерений
ГОСТ 18321-73 Статистический контроль качества. Методы случайного отбора выборок штучной продукции
ГОСТ 25794.1-83 Реактивы. Методы приготовления титрованных растворов для кислотно-основного титрования
Примечание - При пользовании настоящим стандартом целесообразно проверить действие ссылочных стандартов в информационной системе общего пользования - на официальном сайте Федерального агентства по техническому регулированию и метрологии в сети Интернет или по ежегодному информационному указателю "Национальные стандарты", который опубликован по состоянию на 1 января текущего года, и по выпускам ежемесячного информационного указателя "Национальные стандарты" за текущий год. Если ссылочный стандарт заменен (изменен), то при пользовании настоящим стандартом следует руководствоваться заменяющим (измененным) стандартом. Если ссылочный стандарт отменен без замены, то положение, в котором дана ссылка на него, применяется в части, не затрагивающей эту ссылку.
3. Термины, определения и сокращения
В настоящем стандарте применены следующие термины с соответствующими определениями и сокращениями:
3.1 воздуховодная система: Система ИФА, в которой циркулирует вдыхаемая и выдыхаемая газовая дыхательная смесь и которая включает лицевую часть, фильтрующе-поглощающую коробку (фильтр), регенеративный патрон, соединительные шланги, дыхательный мешок и, при наличии, узел переключения режимов.
3.2 время защитного действия в фильтрующем режиме защиты: Период, в течение которого сохраняется защитная способность фильтрующе-поглощающей коробки (фильтра), определяемый временем от момента поступления тест-вещества в фильтр до момента появления тест-вещества за фильтром в проскоковой концентрации.
3.3 газовая дыхательная смесь; ГДС: Смесь газов и паров воды, заполняющая внутренний объем ИФА и используемая для дыхания.
3.4 дыхательный мешок; ДМ: Составная часть ИФА, представляющая собой эластичную емкость для ГДС.
3.5 дыхательный объем (глубина дыхания): Объем одного выдоха (вдоха).
3.6 изолирующий-фильтрующий аппарат; ИФА: Средство индивидуальной защиты органов дыхания, обеспечивающее человека ГДС, пригодной для дыхания в фильтрующем или изолирующем режимах защиты.
3.7 изолирующий-фильтрующий аппарат с химически связанным кислородом: ИФА, действие которого в изолирующем режиме защиты основано на регенерации ГДС в контуре аппарата за счет поглощения химическим веществом выдыхаемого диоксида углерода и влаги и добавления в ГДС выделяющегося при этом кислорода. Излишек ГДС выводится наружу через клапан избыточного давления.
3.8 клапан избыточного давления; КИД: Составная часть ИФА, предназначенная для сброса избытка ГДС из внутреннего объема ИФА в атмосферу при работе в изолирующем режиме защиты.
3.9 коэффициент защиты: Кратность снижения ИФА уровня воздействия на человека вредного или опасного фактора, воздействующего ингаляционно.
3.10 коэффициент подсоса: Показатель, выражаемый процентным отношением концентрации тест-вещества под лицевой частью ИФА к его концентрации в атмосфере испытательной камеры, определяемый при условиях, когда воздух проникает под лицевую часть по полосе обтюрации и через неплотности соединения отдельных составных частей ИФА.
3.11 круговая схема дыхания: Схема движения ГДС во внутреннем объеме ИФА в изолирующем режиме защиты, при которой ГДС проходит регенеративный патрон в одном направлении, независимо от фазы дыхания.
3.12 легочная вентиляция: Объем ГДС, прошедший при дыхании через легкие человека или через установку "ИЛ" за одну минуту.
3.13 легочные условия; ЛУ: Физические условия состояния объемов газов (температура 37 °C, относительная влажность 100%, любое атмосферное давление).
3.14 лицевая часть: Составная часть ИФА, обеспечивающая поступление очищенной ГДС в органы дыхания, а выдыхаемой на сброс в атмосферу или в аппарат на очистку и изолирующая лицо от окружающей атмосферы.
3.15 маятниковая схема дыхания: Схема движения ГДС во внутреннем объеме ИФА в изолирующем режиме защиты, при которой поток ГДС в регенеративном патроне на фазах вдоха и выдоха имеет противоположное направление.
3.16 номинальное время защитного действия в изолирующем режиме защиты (номинальное ВЗД): Время действия ИФА в изолирующем режиме защиты, которое устанавливают для конкретного типа ИФА при испытании его на установке "ИЛ" на номинальном режиме и относительно которого устанавливаются допустимые значения фактического ВЗД при различных условиях.
3.17 номинальный режим: Режим испытаний на установке "ИЛ" с легочной вентиляцией 30 дм3/мин при частоте дыхания 15 мин-1 и при температуре окружающей среды (20 +/- 5) °C.
3.18 подвесная (ременная) система: Система, удерживающая ИФА на теле пользователя.
3.19 полоса обтюрации: Поверхность прилегания ИФА к телу человека, обеспечивающая герметизацию пространства внутри ИФА.
3.20 рабочий объем дыхательного мешка (объем ДМ): Объем воздуха, удаляемого из ДМ при изменении давления в нем от заданного избыточного значения или от установившегося при его наполнении после открытия КИД до установленного нижнего значения.
3.21 регенеративный патрон; РП: Составная часть ИФА, в которой осуществляется поглощение диоксида углерода и паров воды из выдыхаемой ГДС и выделение кислорода.
3.22 регенерация ГДС: Поглощение диоксида углерода и паров воды из выдыхаемой ГДС и обогащение ее кислородом.
3.23 сопротивление дыханию: Показатель, выражаемый разностью между давлением на вдохе или выдохе в лицевой части ИФА и атмосферным давлением.
3.24 сопротивление клапана избыточного давления: Показатель, выражаемый разностью давлений на входе и выходе проходящего через КИД постоянного потока воздуха при заданном его расходе.
3.25 средство индивидуальной защиты органов дыхания; СИЗОД: Носимое человеком устройство, предназначенное для защиты органов дыхания от опасных и вредных факторов, воздействующих ингаляционно.
3.26 установка "Искусственные легкие" (установка "ИЛ"): Установка, имитирующая внешнее дыхание человека и предназначенная для испытания ИФА.
3.27 фактическое время защитного действия (фактическое ВЗД): Время действия ИФА до достижения предельных параметров дыхания и параметров вдыхаемой ГДС, заданных настоящим стандартом, при испытаниях на установке "ИЛ" и с участием испытателей-добровольцев.
3.28 фильтрующе-поглощающая коробка (фильтр); ФПК: Составная часть ИФА, в которой происходит поглощение паро- и газообразных вредных примесей и аэрозолей при работе в фильтрующем режиме защиты.
3.29 частота дыхания: Количество вдохов (выдохов) за 1 минуту.
4.1 ИФА в зависимости от номинального ВЗД в изолирующем режиме защиты подразделяют на классы в соответствии с таблицей 1.
Таблица 1
Классификация ИФА
Класс ИФА | Номинальное ВЗД, мин |
1 | До 30 включ. |
2 | Свыше 30 |
Для подтверждения номинального ВЗД должны быть соблюдены требования по составу вдыхаемой ГДС и условиям дыхания в соответствии с
5.1.1.4 -
5.1.1.7.
5. Технические требования
5.1. Основные показатели и характеристики
5.1.1 Показатели назначения
5.1.1.1 ИФА должны быть работоспособными при температуре окружающей среды от минус 20 °C до плюс 40 °C в режимах дыхания, соответствующих нагрузкам от относительного покоя до тяжелой нагрузки. По требованию заказчика рабочий диапазон температур может быть расширен.
Испытания проводят в соответствии с
6.1 и
6.2.
5.1.1.2 Время защитного действия ИФА в фильтрующем режиме защиты должно определяться защитными характеристиками ФПК, используемой в составе аппарата. Используемые в составе аппарата ФПК должны соответствовать требованиям ГОСТ 12.4.245 и
ГОСТ 12.4.246.
5.1.1.3 Фактическое ВЗД ИФА в изолирующем режиме защиты в зависимости от температуры окружающей среды и степени тяжести выполняемой работы должно соответствовать значениям, указанным в таблице 2.
Таблица 2
Фактическое ВЗД в изолирующем режиме защиты
Наименование показателя | При относительном покое | При работе |
средней тяжести | тяжелой |
Легочная вентиляция, дм3/мин |
10 | 30 | 60 |
Фактическое ВЗД по отношению к номинальному ВЗД при температуре окружающей среды, %, не менее: | | | |
минус (20 +/- 2) °C | - | 80 | - |
(20 +/- 5) °C | 300 | 100 | 30 |
(40 +/- 2) °C | - | 80 | - |
Испытания проводят в соответствии с
6.1.
5.1.1.4 Объемная доля кислорода во вдыхаемой ГДС или в ДМ должна быть не менее 21%. В начальный период допускается уменьшение объемной доли кислорода до 19% на время не более чем 3 мин. Испытания проводят в соответствии с
6.2.
5.1.1.5 Объемная доля диоксида углерода во вдыхаемой ГДС должна быть:
- при испытании на установке "ИЛ" в течение номинального ВЗД:
а) для аппаратов 1 класса - не более 3%, при этом среднее значение должно быть не более 1,5%;
б) для аппаратов 2 класса - не более 2%, при этом среднее значение должно быть не более 1%;
- при испытании на испытателе-добровольце - не более 2%.
В условиях отрицательных температур в первые 6 мин работы допускается кратковременное (не более 3 мин) повышение объемной доли диоксида углерода во вдыхаемой ГДС или в ДМ до 5%.
Испытания проводят в соответствии с
6.1,
6.2.
5.1.1.6 Сопротивление дыханию при испытаниях на установке "ИЛ" должно соответствовать требованиям таблицы 3.
Таблица 3
Сопротивление дыханию
Легочная вентиляция, дм3/мин | Сопротивление дыханию, Па, не более |
1 класса | 2 класса |
На вдохе | На выдохе | На вдохе | На выдохе |
30 | -1000 | 1000 | -800 | 800 |
60 | -1800 | 1800 | -1600 | 1600 |
Испытания проводят в соответствии с
6.1.
5.1.1.7 Температура вдыхаемой ГДС в течение номинального ВЗД должна быть не более 45 °C.
Испытания проводят в соответствии с
6.1.
5.1.1.8 Герметичность воздуховодной системы ИФА должна быть такой, чтобы при избыточном давлении 800 Па и загерметизированном КИД изменение давления не превышало 60 Па в минуту, при вакуумметрическом давлении 800 Па и незагерметизированном КИД изменение давления не превышало 50 Па в минуту.
Испытания проводят в соответствии с
6.5.
5.1.1.9 Коэффициент защиты ИФА должен быть не менее 2·103.
Показатель рассчитывают при проверке по
5.2.1.13.
5.2. Конструктивные требования
5.2.1 Общие конструктивные требования
5.2.1.1 ИФА для работы в изолирующем режиме защиты могут быть сконструированы по маятниковой или круговой схеме дыхания. В состав ИФА, в общем случае, должны входить:
- лицевая часть;
- ФПК;
- РП;
- соединительные шланги (при необходимости);
- узел переключения режимов (при необходимости);
- ДМ;
- подвесная (ременная) система;
- индивидуальная упаковка (при необходимости).
5.2.1.2 Конструкция ИФА должна обеспечивать возможность их стационарного размещения в специально оборудованных местах.
5.2.1.3 Масса ИФА должна соответствовать значениям, приведенным в таблице 4.
Таблица 4
Масса ИФА
Класс ИФА | Масса, кг, не более |
1 | 4 |
2 | 8 |
Испытания проводят в соответствии с
6.8.
5.2.1.4 Конструкцией ИФА должна быть предусмотрена возможность переключения режимов защиты в атмосфере, непригодной для дыхания без использования СИЗОД.
5.2.1.5 ИФА не должны иметь выступающих деталей или острых граней, которые могли бы цепляться за окружающие предметы при движении человека.
5.2.1.6 Конструкцией ИФА должна быть предусмотрена легкая очистка его наружной поверхности.
5.2.1.7 Конструкцией ИФА должно быть предусмотрено исключение случайного переключения режима защиты и срабатывания системы быстрого запуска (при ее наличии).
5.2.1.8 Конструкция ИФА не должна мешать выполнению рабочих операций при использовании в соответствии с руководством по эксплуатации.
Проверку показателей по
5.2.1.4 -
5.2.1.8 проводят в соответствии с
6.6 и при испытании в соответствии с
6.2.
5.2.1.9 Конструкцией ИФА должно быть предусмотрено недопущение попадания пыли регенеративного продукта и фильтра в дыхательные пути пользователя и негативного воздействия слюны или конденсата на пользователя или создания ими препятствия в работе ИФА.
Проверку проводят в соответствии с
6.11 и при испытании в соответствии с
6.2.
5.2.1.10 Температура поверхности ИФА, обращенной к телу пользователя, должна быть переносимой для пользователя, одетого в хлопчатобумажную рабочую одежду.
Испытания проводят в соответствии с
6.2.
5.2.1.11 В качестве лицевой части ИФА должна быть использована полнолицевая маска.
Испытание проводят в соответствии с
6.6.
5.2.1.12 Лицевая часть ИФА должна обеспечивать видимость в диапазоне температур от минус 20 °C до плюс 40 °C в течение ВЗД.
Ограничение площади поля зрения должно быть не более чем на 30%, по требованию заказчика значение ограничения площади поля зрения может быть изменено.
5.2.1.13 Применяемые в качестве лицевой части маски должны иметь коэффициент подсоса лицевой части по полосе обтюрации не более 5·10
-2%.
Испытания проводят в соответствии с ГОСТ 12.4.157.
5.2.1.14 Индекс тяжести наминов мягких тканей лица и головы должен быть не более 1,5 условной единицы при непрерывном пребывании в аппарате в течение ВЗД.
Испытания проводят в соответствии с
6.2.
5.2.1.15 Лицевая часть должна быть снабжена регулируемыми или саморегулируемыми креплениями, при использовании которых достигается требуемая герметичность.
Испытания проводят в соответствии с
6.2 и
6.6.
5.2.1.16 Конструкцией должна быть обеспечена возможность дезинфекции составных частей ИФА, замены ФПК и РП.
Лицевая часть, соединительные шланги, ДМ, узел переключения режимов должны быть устойчивыми к одному из следующих дезинфицирующих растворов:
- этиловому спирту ректификованному;
- водным растворам: 6% перекиси водорода, 1% хлорамина, 8% борной кислоты, 0,5% марганцовокислого калия, 0,5% хлоргексидина, 1/5000 диоцида.
Испытания проводят в соответствии с
6.3 и
6.6.
5.2.1.17 Конструкцией ИФА должно быть обеспечено удобство ношения.
Испытания проводят в соответствии с
6.2.
5.2.1.18 Соединения элементов воздуховодной системы должны выдерживать усилие разрыва не менее 98 Н.
Испытания проводят в соответствии с
6.9.
5.2.1.19 При использовании КИД натяжного действия соединение нити КИД с соединительной частью ДМ должно выдерживать растягивающее усилие не менее 49 Н, приложенное в течение (10 +/- 1) с.
Испытания проводят в соответствии с
6.9.
5.2.1.20 Приведенный центр массы ИФА массой более 4 кг должен находиться не далее чем в 30 мм от сагиттальной плоскости человека.
Испытания проводят в соответствии с
6.4.
5.2.1.21 Качество передачи речи по акустическим характеристикам, принятым для оценки переговорных устройств, должно быть не ниже 2 класса по ГОСТ 16600.
Испытания проводят в соответствии с ГОСТ 16600.
5.2.1.22 Органы управления ИФА (рычаги, кнопки и др.) должны быть доступны для приведения их в действие, защищены от механических повреждений и случайного срабатывания и должны срабатывать при усилии не более 80 Н.
Проверку проводят в соответствии с
6.12 и при испытании в соответствии с
6.2.
5.2.1.23 Герметичность дыхательных клапанов (при их наличии) ИФА должна быть такой, чтобы при избыточном давлении 490 Па утечка ГДС через клапан не превышала 0,5 дм
3/мин. Должна быть исключена возможность установки клапана вдоха на место клапана выдоха и наоборот с изменением направления движения ГДС в воздуховодной системе ИФА.
Испытания проводят в соответствии с
6.13 и
6.6.
5.2.1.24 Эластичные компоненты ИФА при их наличии в конструкции не должны слипаться при длительном хранении в свернутом состоянии.
Испытание проводят в соответствии с
6.6.
5.2.1.25 Соединительные шланги должны быть эластичными и устойчивыми к изгибу. Соединительные шланги не должны ограничивать свободу движения головы пользователя и препятствовать подаче ГДС или перекрывать ее.
Испытания проводят в соответствии с
6.2 и
6.6.
5.2.1.26 Составные части ИФА, контактирующие с химическими веществами, используемыми в ИФА, должны быть устойчивы к воздействию этих веществ.
5.2.1.27 Подвесная (ременная) система должна быть выполнена таким образом, чтобы ИФА удобно располагался на теле, прочно фиксировался, не вызывая потертостей и ушибов при работе.
Испытания проводят при испытании в соответствии с
6.2.
5.2.1.28 Подвесная (ременная) система ИФА должна обеспечивать возможность быстро, просто и без посторонней помощи надевать ИФА. Ремни подвесной (ременной) системы ИФА снабжают устройствами для регулирования их длины и степени натяжения. Все приспособления для регулирования положения ИФА (пряжки, карабины, застежки и др.) должны быть выполнены таким образом, чтобы ремни после регулирования прочно фиксировались. Регулирование ремней подвесной системы не должно нарушаться в течение всей работы.
Испытания проводят в соответствии с
6.2.
5.3. Требования надежности
Вероятность безотказной работы ИФА должна быть не менее 0,98 при доверительной вероятности 0,95.
Отказом считается один из случаев, когда до истечения требуемого ВЗД:
- объемная доля диоксида углерода на вдохе или в ДМ не соответствует
5.1.1.5;
- объемная доля кислорода во вдыхаемой ГДС или в ДМ не соответствует
5.1.1.4;
- температура вдыхаемой ГДС не соответствует
5.1.1.7;
- испытатель-доброволец не смог начать или продолжить работу в ИФА.
Проверку проводят в соответствии с
6.14.
5.4. Требования стойкости к внешним воздействиям
5.4.1 ИФА должны быть рассчитаны на применение при температуре окружающей среды от минус 20 °C до плюс 40 °C и относительной влажности до 100%, приведенной к температуре 35 °C.
5.4.2 ИФА должны сохранять работоспособность после воздействия транспортных нагрузок, приведенных в таблице 5.
Таблица 5
Пиковое ударное ускорение, g | Длительность действия ударного ускорения, мс | Число ударов | Частота ударов, мин-1 |
15 | 5 - 20 | 2000 | 40 - 80 |
10 | 5 - 20 | 8800 | 40 - 80 |
Испытания проводят в соответствии с
6.15.
5.4.3 ИФА должны сохранять работоспособность после воздействия вибрационной нагрузки с частотой от 50 до 60 Гц и ускорением 5g в течение 1 ч.
Испытания проводят в соответствии с
6.16.
5.4.4 ИФА должны сохранять работоспособность после падения с высоты (1,5 +/- 0,1) м на ровную бетонную поверхность.
Испытания проводят в соответствии с
6.17.
5.4.5 ИФА должны быть устойчивы к воздействию климатических факторов при хранении и транспортировании, соответствующих условиям хранения 2(C) по
ГОСТ 15150.
Испытание проводят в соответствии с
6.10.
5.4.6 ИФА должны выдерживать воздействие открытого пламени с температурой (800 +/- 50) °C в течение 5 с.
Испытания проводят в соответствии с
6.7.
5.5.1 В комплект поставки ИФА, в общем случае, должны входить эксплуатационные документы: руководство по эксплуатации, паспорт (формуляр) на ИФА, РП и ФПК.
Проверку проводят в соответствии с
6.6.
5.6. Требования к содержанию эксплуатационной документации
5.6.1 Указания по эксплуатации ИФА содержатся в эксплуатационной документации и должны включать в себя:
- область применения;
- ограничения применения ИФА по факторам воздействия (при наличии);
- порядок использования ИФА;
- требования к квалификации пользователя, порядок допуска к применению (при наличии);
- класс ИФА;
- наименование ИФА;
- показатели защитных и эксплуатационных свойств ИФА согласно требованиям к информации для приобретателя и условия, при которых эти требования достигаются;
- сведения о способах безопасного применения ИФА;
- порядок проведения обслуживания и периодических проверок ИФА (при необходимости);
- информацию о размере (росте) ИФА (при наличии);
- правила, условия и сроки безопасного хранения ИФА;
- требования к безопасной транспортировке ИФА (при наличии таких требований);
- требования по утилизации (при наличии таких требований).
5.6.2 Информация, предоставляемая изготовителем, должна быть легкочитаемой. При необходимости руководство по эксплуатации может быть дополнено иллюстрациями, номерами деталей, маркировкой.
5.6.3 Изготовитель в эксплуатационной документации к ИФА указывает: коэффициент защиты; минимальную температуру срабатывания РП; сопротивление дыханию на вдохе и выдохе; номинальное ВЗД; продолжительность непрерывного использования и условия, при которых это достигается; правила безопасной эксплуатации, в том числе максимальную температуру поверхностей ИФА и его узлов; правила учета, хранения, транспортировки и утилизации; правила подготовки (обучения) и допуска пользователей к эксплуатации.
5.6.4 Изготовитель предоставляет любую другую информацию по своему усмотрению.
5.6.5 Проверку требований подраздела проводят в соответствии с
6.6.
5.7.1 Маркировка ИФА должна соответствовать следующим требованиям:
- ИФА, находящиеся в обращении и отвечающие требованиям настоящего стандарта, маркируют знаком обращения на рынке (при условии получения сертификата). Каждый ИФА, включая сменные компоненты ИФА, должен иметь маркировку, которую наносят непосредственно на ИФА и/или на его упаковку. Если маркировку невозможно нанести непосредственно на ИФА, ее наносят на трудноудаляемую этикетку, прикрепленную к ИФА. При отсутствии возможности нанесения маркировки в полном объеме непосредственно на сам ИФА допускается не наносить часть информации в маркировке при условии, что соответствующая информация нанесена на индивидуальную упаковку ИФА и на прикрепленную к ИФА трудноудаляемую этикетку;
- маркировка, наносимая непосредственно на ИФА или на трудноудаляемую этикетку, прикрепленную к ИФА, должна содержать:
1) наименование изделия (при наличии - наименование модели, кода, артикула);
2) наименование изготовителя и (или) его товарный знак (при наличии);
3) защитные свойства (ВЗД, коэффициент защиты);
4) размер (при наличии);
5) наименование нормативного правового акта, документов в области стандартизации, и/или сводов правил, и/или технических условий, требованиям которых соответствует ИФА;
6) единый знак обращения на рынке;
7) дату (месяц, год) изготовления;
8) правила утилизации с учетом необходимости ее проведения в указанных изготовителем специализированных организациях;
9) другую информацию в соответствии с документацией изготовителя;
10) номер партии (при наличии) и номер ИФА;
- информацию следует наносить любым рельефным способом (тиснением, гравировкой, литьем, штамповкой) либо трудноудаляемой краской непосредственно на сам ИФА или на этикетку, прикрепленную к ИФА. Допускается нанесение информации в форме пиктограмм, которые могут использоваться в качестве указателей опасности или области применения ИФА. Информация должна быть легкочитаемой и стойкой при хранении, перевозке, реализации и использовании ИФА по назначению в течение всего срока службы и/или гарантийного срока хранения;
- маркировка должна быть изложена на русском языке. Допускается в дополнение к русскому языку использование других языков;
- маркировка, наносимая на упаковку ИФА, должна содержать:
1) наименование ИФА;
2) наименование страны-изготовителя;
3) наименование, юридический адрес и торговую марку изготовителя;
4) наименование нормативного правового акта, документов в области стандартизации и/или сводов правил, и/или технических условий, требованиям которых соответствует ИФА;
5) размер (при наличии);
6) месяц, год изготовления и дату окончания срока годности (при необходимости);
7) знак обращения на рынке, сведения о наличии сертификата соответствия;
8) ВЗД, коэффициент защиты;
9) другую информацию в соответствии с документацией изготовителя;
10) номер партии (при наличии) и номер ИФА.
Проверку требований подраздела проводят в соответствии с
6.6.
5.8.1 ИФА упаковывают в транспортную тару, предохраняющую их от повреждения при транспортировании любым видом транспорта в интервале температур от минус 50 °C до плюс 50 °C.
5.9. Требования безопасности
5.9.1 ИФА должны быть безопасны при соблюдении правил хранения, транспортирования и эксплуатации, установленных эксплуатационной документацией.
5.9.2 Использование ИФА допускается только после изучения эксплуатационной документации.
5.9.3 Не допускается применение в составе ИФА составных частей, имеющих повреждения на корпусе с нарушением герметичности.
5.9.4 Не допускается попадание на ИФА и его составные части воды, горючих, легковоспламеняющихся, агрессивных веществ и органических жидкостей (спирта, ацетона, масел и др.).
5.9.5 Материалы, используемые при изготовлении ИФА, должны быть безопасными при применении по назначению, не должны оказывать раздражающего и сенсибилизирующего действия при контакте с кожными покровами человека и выделять в атмосферу недопустимые по санитарным нормам вредные вещества.
6.1. Определение характеристик ИФА при испытаниях на установке "ИЛ"
6.1.1 При испытаниях на установке "ИЛ" определяют следующие характеристики ИФА:
- фактическое ВЗД в изолирующем режиме защиты при легочной вентиляции 10, 30 и 60 дм3/мин и температурах минус (20 +/- 2) °C, (20 +/- 5) °C и (40 +/- 2) °C;
- объемную долю диоксида углерода во вдыхаемой ГДС;
- объемную долю кислорода во вдыхаемой ГДС;
- сопротивление дыханию;
- температуру вдыхаемой ГДС.
6.1.2 Средства испытаний и вспомогательные устройства:
- установка "ИЛ", обеспечивающая близкий к синусоидальному объемный расход ГДС от 10 до 60 дм
3/мин, температуру ГДС в линии выдоха (37,0 +/- 0,5) °C, относительную влажность ГДС в линии выдоха от 92% до 100%, частоту пульсаций от (10 +/- 1) до (30 +/- 1) мин
-1 при равной продолжительности вдоха и выдоха. Принципиальная схема и описание установки "ИЛ" приведены в
приложении А;
- термокамера, обеспечивающая создание и поддержание температуры воздуха от минус 20 °C до 40 °C с погрешностью +/- 2 °C;
- секундомер с ценой деления не более 0,2 с.
6.1.3 Последовательность подготовки проведения испытания:
- подготавливают к работе установку "ИЛ" в соответствии с руководством по ее эксплуатации;
- если испытания проводят при температуре, отличной от комнатной, создают необходимую температуру в термокамере в соответствии с руководством по ее эксплуатации;
- настраивают установку "ИЛ" в соответствии с текущими условиями испытаний и режимом испытаний (таблица 6):
Таблица 6
Режимы испытаний на установке "ИЛ"
Легочная вентиляция (объемный расход ГДС), дм3/мин | Частота дыхания, мин-1 | Дыхательный объем, дм3 | Объемный расход диоксида углерода, дм3/мин | Начальное значение объемной доли диоксида углерода на выдохе, % |
10 | 10 | 1,0 | 0,40 | 4,0 |
30 | 15 | 2,0 | 1,2 | 4,0 |
60 | 30 | 2,0 | 2,4 | 4,0 |
Примечание - Объемные расходы и дыхательный объем даны при температуре 37 °C, относительной влажности 100% и реальном атмосферном давлении. |
1) приводят заданное в таблице 6 значение легочной вентиляции (объемного расхода ГДС) QГДС, дм3/мин, к температуре и давлению окружающего воздуха по формуле

, (1)
где

- легочная вентиляция, указанная в
таблице 6, дм
3/мин;
P - атмосферное давление, кПа;
6,3 кПа - давление насыщенных паров воды при температуре 37 °C;
t - температура окружающего воздуха, °C;
PS - давление насыщенных паров воды при температуре t, кПа;
2) приводят указанную в
таблице 6 подачу (объемный расход) диоксида углерода

, дм
3/мин, к температуре окружающего воздуха по формуле

, (2)
где

- объемный расход диоксида углерода, указанный в
таблице 6, дм
3/мин;
3) вычисляют дыхательный объем (глубину дыхания) q, дм3, по формуле

, (3)
где
n - значение частоты дыхания (пульсаций), указанное в
таблице 6, мин
-1.
6.1.4 Имитацию потребления кислорода осуществляют отбором ГДС из установки "ИЛ". Объемный расход кислорода в минуту с учетом его объемной доли в отбираемой ГДС должен быть равен минутному объемному расходу диоксида углерода,_подаваемого в установку "ИЛ". Среднее значение минутного объемного расхода отбираемой ГДС

, дм
3/мин, вычисляют по формуле

, (4)
где

- среднее значение минутного объемного расхода подаваемого в установку "ИЛ" диоксида углерода, дм
3/мин;

- объемная доля кислорода в отбираемой ГДС, %.
Для компенсации разности объемов отбираемой ГДС и подаваемого диоксида углерода в установку подают азот (при наличии) согласно
приложению А.
6.1.5 ИФА в процессе испытаний должны находиться в термокамере при температурах минус (20 +/- 2) °C, (20 +/- 5) °C и (40 +/- 2) °C, а установка "ИЛ" - вне камеры при комнатной температуре.
Перед проведением испытаний ИФА выдерживают в климатической камере при температуре испытаний в течение 30 мин.
6.1.6 Проведение испытаний:
- приводят установку "ИЛ" в рабочее состояние;
- располагают ИФА в положении, максимально приближенном к условиям эксплуатации, и присоединяют его к установке "ИЛ" с помощью различных переходников в зависимости от лицевой части (для надежной герметизации лицевой части на макете головы Шеффилда по полосе обтюрации допускается использование герметиков и приспособлений):
- испытания начинают в фильтрующем режиме защиты в течение времени, указанного в документации на аппарат;
- переводят ИФА в изолирующий режим защиты и приводят в действие пусковое устройство (при наличии);
- поддерживают в процессе испытаний рассчитанные значения:
1) объемного расхода ГДС;
2) объемного расхода диоксида углерода;
3) объемного расхода удаляемой ГДС;
4) необходимые значения температуры термометров психрометра, соответствующие требуемой относительной влажности выдыхаемой ГДС;
- контролируют периодически следующие параметры:
1) сопротивление дыханию на вдохе и выдохе;
2) объемную долю диоксида углерода во вдыхаемой ГДС;
3) объемную долю кислорода во вдыхаемой ГДС;
4) температуру вдыхаемой ГДС.
Перечень контролируемых параметров может быть изменен в соответствии с документацией или программой испытаний.
Периодичность контроля должна составлять не более 5 мин. В начальный и конечный периоды при быстром изменении параметров испытания интервалы между замерами могут быть сокращены до 1 мин. Допускается регистрация параметров испытаний в соответствии с документацией на испытуемый ИФА и программой испытаний.
6.1.7 Заканчивают испытания в любом из следующих случаев:
- при превышении сопротивления дыханию на вдохе и выдохе значений, указанных в
5.1.1.6;
- при превышении объемной доли диоксида углерода во вдыхаемой ГДС значений, указанных в
5.1.1.5;
- при превышении температуры вдыхаемой ГДС значений, указанных в
5.1.1.7.
Результаты записывают в протокол, оформленный по принятой форме.
6.1.8 Отсоединяют испытуемый ИФА, выключают нагрев увлажнителя, насос, измерительные приборы, термокамеру, перекрывают подачу охлаждающей воды на холодильник.
6.1.9 Обработка результатов испытаний:
- измеренное по секундомеру значение интервала времени от начала испытания в изолирующем режиме защиты до окончания испытания является фактическим ВЗД ИФА в изолирующем режиме защиты;
- относительная погрешность определения ВЗД не превышает +/- 8% при доверительной вероятности 0,95.
Результатом испытания являются также полученные в ходе испытания:
- максимальное сопротивление дыханию на вдохе и выдохе;
- максимальная и средняя объемная доля диоксида углерода во вдыхаемой ГДС;
- максимальная температура вдыхаемой ГДС;
- объемная доля кислорода во вдыхаемой ГДС.
Среднюю объемную долю диоксида углерода во вдыхаемой ГДС, Cср, %, вычисляют по формуле

, (5)
где Ci и Ci+1 - соответственно начальное и конечное значения объемных долей диоксида углерода во вдыхаемой ГДС в расчетном временном интервале, %;
n - число измерений;
tn - продолжительность одного временного интервала, мин.
Результат испытаний ИФА на установке "ИЛ" считают положительным, если во всех определениях (при различных значениях легочной вентиляции и температуры окружающего воздуха) за минимально допустимое фактическое ВЗД в соответствии с
5.1.1.3 выполняются следующие требования:
- сопротивление дыханию на вдохе и выдохе не превышает значений, указанных в
5.1.1.6;
- объемная доля диоксида углерода во вдыхаемой ГДС не превышает значений, указанных в
5.1.1.5;
- температура вдыхаемой ГДС не превышает значений, указанных в
5.1.1.7.
6.2. Испытания с участием испытателей-добровольцев
6.2.1 Испытания с участием испытателей-добровольцев проводят в соответствии с утвержденной программой и методикой испытаний.
Испытания ИФА с участием испытателей-добровольцев дополняют основную оценку ИФА, полученную при испытаниях на приборах и установке "ИЛ".
Испытания проводят с целью определения комфортности дыхания в ИФА, физиологических реакций испытателей-добровольцев на работу в ИФА, особенностей работы составных частей и систем ИФА, оценки удобства пользования ИФА при различных физических нагрузках.
6.2.2 Средства испытаний и вспомогательные устройства:
- движущаяся дорожка со скоростью движения ленты, изменяющейся от 30 до 100 м/мин с погрешностью не более 10%, обеспечивающая наклон 20%;
- климатическая камера вместимостью не менее 4 м3, обеспечивающая создание и поддержание температуры воздуха от минус 20 °C до 40 °C с погрешностью не более +/- 2 °C, визуальное наблюдение за испытателями и снабженная переговорным устройством;
- ступень площадью (9,0 +/- 1,5) дм2 и высотой (2,0 +/- 0,1) дм;
- комплект мешков с песком в количестве не менее 2 шт. [масса одного мешка (12,0 +/- 0,1) кг];
- помост площадью (2,0 +/- 0,1) м2 и высотой (1,5 +/- 0,1) м;
- тягонапоромер с пределами измерения до +/- 3 кПа и классом точности не ниже 1,5;
- газоанализатор диоксида углерода с погрешностью измерения объемной доли диоксида углерода не более +/- 0,1% в диапазоне от 0% до 5%;
- газоанализатор диоксида углерода с погрешностью измерения объемной доли диоксида углерода не более +/- 0,2% в диапазоне от 0% до 10%;
- газоанализатор объемной доли кислорода с погрешностью измерения объемной доли кислорода не более +/- 2,5% в диапазоне от 0% до 100%;
- термоэлектрический преобразователь кабельный градуировки ХК с диаметром электродов не более 3 мм и классом допуска не более 2;
- вторичный прибор для измерения температуры с пределом основной допустимой погрешности при измерении температурой не более 0,6%;
- секундомер с ценой деления не более 0,2 с;
- метроном или любое устройство, обеспечивающее подачу от 20 до 140 звуковых сигналов в минуту через равные промежутки времени;
- термометр для измерения температуры тела с погрешностью не более 0,1 °C;
- тонометр медицинский манометрический с погрешностью не более 2 мм рт. ст.;
- медицинские весы.
Примечание - Допускается использовать приборы и оборудование, не указанные в настоящем стандарте, обеспечивающие проведение измерений с погрешностью, указанной в нормативной документации (НД) на методы испытаний, и проведение испытаний согласно программе и методике.
6.2.3 Порядок подготовки к проведению испытаний:
- к испытаниям допускают испытателей-добровольцев, имеющих регулярный практический опыт в использовании ИФА и допущенных к испытаниям врачом, а также изучивших руководство по эксплуатации ИФА. Испытатели-добровольцы не должны в течение 24 ч перед испытанием выполнять тяжелую физическую работу и принимать алкоголь. Испытатели-добровольцы должны получить полную информацию о характере и объеме испытаний;
- перед испытаниями испытателей-добровольцев подвергают медицинскому осмотру, измеряют температуру тела, частоту пульса, частоту дыхания, артериальное давление, массу;
- разрешение на использование ИФА в испытаниях дает лицо, назначенное ответственным за испытания;
- лицевую часть ИФА оборудуют штуцерами для подключения тягонапоромера и термопары (в случае измерения температуры вдыхаемой ГДС), ДМ (шланги) - штуцерами для отбора и возврата анализируемой ГДС. Место монтажа штуцеров должно быть в соответствии с конструкторской документацией на ИФА;
- для испытаний при положительных температурах испытатель-доброволец должен быть одет в хлопчатобумажную рабочую одежду, а при отрицательной температуре - в соответствии с температурой испытания.
Перед проведением испытаний ИФА выдерживают в климатической камере при температуре испытаний в течение 30 мин.
6.2.4 Последовательность проведения испытаний:
- испытания проводят путем выполнения испытателями-добровольцами дозированной физической работы, имитирующей нагрузку;
- дозированную физическую нагрузку осуществляют путем выполнения комплекса упражнений на оборудовании по
6.2.2 в лабораторных условиях при температуре окружающей среды (20 +/- 5) °C.
Упражнение состоит из выполняемых испытателями-добровольцами циклов действий:
- переноска по одному мешков с песком массой 12 кг каждый на расстояние 10 м и помещение их рядом на платформе высотой 1,5 м 20 раз;
- разворачивание пожарного шланга на расстояние не менее 15 м, а затем скручивание его.
Циклы повторяются до окончания испытаний. По окончании каждого цикла действий проводят ходьбу на беговой дорожке (ходьба на уровне земли со скоростью 5 км/ч) в течение 5 мин и отдых в течение 5 мин.
Упражнение при отрицательных температурах состоит из выполняемых испытателями-добровольцами комплекса действий.
Испытатели-добровольцы входят в климатическую камеру с температурой, заданной в НД или программе испытаний и надевают ИФА.
Комплекс упражнений включает упражнения указанные в таблице 7.
Таблица 7
Упражнения, выполняемые испытателями-добровольцами
при отрицательных температурах
Наименование упражнения и режим выполнения (работа/покой, мин) | Количество циклов, в зависимости от класса ИФА |
1 | 2 |
Подъем на помост высотой 2,0 дм и спуск с него в темпе 20 раз/мин (5/2) | 2 | 4 |
Работа на вертикальном эргометре, груз 6 +/- 0,1 кг, высота подъема 0,6 +/- 0,05 м, темп 30 раз/мин (10/5) | 2 | 4 |
Равномерная ходьба по горизонтальной движущейся дорожке со скоростью 5,6 км/ч или ходьба на месте со скоростью 140 шагов/мин (10/5) | до конца опыта |
Во время испытаний непрерывно измеряют и регистрируют содержание кислорода и диоксида углерода во вдыхаемой ГДС или в ДМ, сопротивление дыханию, а также температуру вдыхаемой ГДС (при необходимости).
Допускается выполнение других упражнений, если это установлено в программе и методике испытаний.
Испытание в состоянии покоя проводят в виде отдыха без выполнения работы. Во время испытания в состоянии покоя испытатель-доброволец должен комфортно сидеть, при этом ИФА следует разместить таким образом, чтобы испытателю-добровольцу не мешала масса ИФА.
6.2.5 Испытания прекращают в одном из следующих случаев по достижению:
- ВЗД для заданной нагрузки и температуры испытаний;
- сопротивления дыханию на вдохе (выдохе) 3000 Па;
- объемной доли диоксида углерода в ДМ 3% при выполнении физических нагрузок;
- объемной доли диоксида углерода в ДМ 1,5% в состоянии покоя;
- объемной доли кислорода в ДМ менее 19%;
- при невозможности испытателем-добровольцем продолжить испытание.
6.2.6 По окончании каждого испытания испытатель-доброволец должен сообщить о самочувствии, степени усталости и дать объективную оценку испытуемого ИФА по следующим показателям:
- легкость надевания и снятия;
- возможность регулирования, безопасность и комфортность системы крепления (при наличии);
- комфорт лицевой части;
- совместимость с кожей;
- комфорт ношения и равновесие ИФА;
- ясность видения через очковый узел лицевой части, включая запотевание;
- видимость при температуре (20 +/- 5) °C указательных знаков безопасности размером 100 x 130 мм, расположенных на расстоянии (6,0 +/- 0,1) м от испытателей;
- возможность передачи речи;
- маневренность (перекручивание соединительного шланга);
- свобода движения головы по отношению к гофрированной трубке;
- комфортность дыхания (температура, сопротивление дыханию);
- попадание пыли регенеративного продукта и фильтра в дыхательные пути и негативное воздействие слюны или конденсата или создания ими препятствия в работе ИФА;
- переносимость температуры поверхности ИФА, обращенной к пользователю;
- любые другие комментарии относительно конструкции ИФА или материалов, используемых в конструкции;
- соответствие ИФА требованиям
5.2.1.14;
- любые другие комментарии, сообщенные пользователем.
У испытателя-добровольца после окончания испытания измеряют температуру тела (подмышечную или под языком), частоту пульса, частоту дыхания, артериальное давление.
Результаты заносят в протокол, оформленный по форме, принятой испытательной лабораторией.
6.2.7 Результат проверки работоспособности ИФА считают положительным, если во всех испытаниях (при различных температурах окружающего воздуха) значение сопротивления дыханию не превышает значения, указанного в
6.2.5, объемная доля диоксида углерода - не более указанной в
6.2.5, объемная доля кислорода - не менее указанной в
5.1.1.4.
6.3. Определение устойчивости к дезинфицирующим растворам
6.3.1 Материалы:
- марлевые салфетки размерами 100 x 100 мм;
- водный раствор (6 +/- 1)% перекиси водорода;
- водный раствор (1,0 +/- 0,2)% хлорамина;
- водный раствор (8 +/- 1)% борной кислоты;
- водный раствор (0,5 +/- 0,1)% марганцовокислого калия;
- водный раствор (1/5000) диоцида;
- водный раствор (0,5 +/- 0,1)% хлоргексидина;
- этиловый спирт ректификованный.
6.3.2 Последовательность подготовки и проведения испытаний:
- проверку проводят поочередно и отдельно каждым дезинфицирующим раствором;
- смачивают в выбранном растворе (спирте) марлевую салфетку, отжимают ее и пятикратно обтирают поверхности: лицевой части, дыхательных трубок, ДМ, узла переключения режимов защиты с интервалом между протирками 15 мин. Перед каждой протиркой марлевую салфетку смачивают заново. Объем каждого раствора должен быть не менее 50 см3.
6.3.3 Процедуру очистки и дезинфекции осуществляют 30 раз.
6.3.4 Результат испытания считают положительным, если после протирок всеми перечисленными водными растворами, а также спиртом отсутствуют визуально наблюдаемые изменения поверхности обработанных составных частей ИФА.
6.4. Определение смещения центра массы
6.4.1 Испытания проводят на полностью снаряженном в соответствии с руководством по эксплуатации ИФА.
6.4.2 Описание испытательного стенда
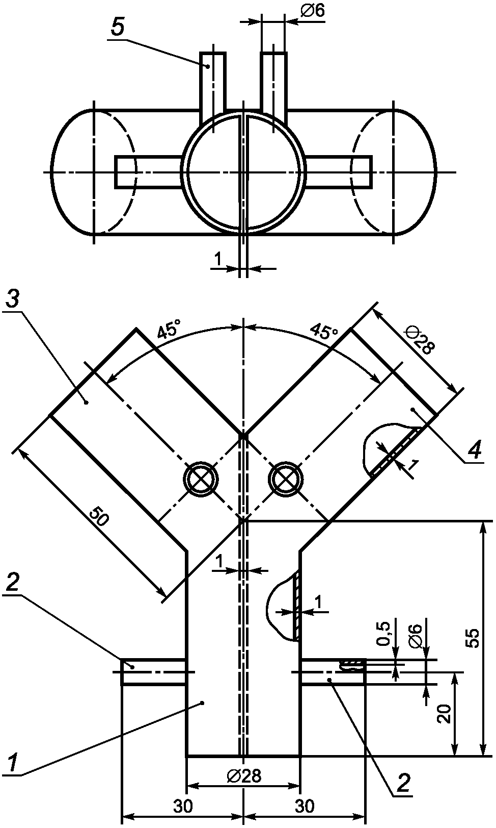
Стенд (рисунок 1) состоит из щита 1, закрепленного на стене испытательной лаборатории. В щите закреплен штырь 2, на который с помощью приспособления 4 подвешивается ИФА 5. Вертикально через ось штыря нанесена краской линия длиной (1000 +/- 5) мм и шириной (1 +/- 0,2) мм.
1 - щит; 2 - штырь; 3 - горизонтальная линейка;
4 - приспособление; 5 - ИФА
Рисунок 1 - Принципиальная схема стенда для определения
смещения центра массы
6.4.3 Подготовка к проведению испытаний
На корпусе аппарата прочерчивают мелом линию, соответствующую оси симметрии аппарата. В верхней части корпуса аппарата устанавливают приспособление 4 с измерительной линейкой 3, необходимое для подвешивания ИФА 5 на штырь 2 щита 1 и измерения величины смещения точки подвеса.
6.4.4 Проведение испытания
ИФА 5 с помощью приспособления 4 подвешивают на штырь 2 щита 1 таким образом, чтобы линии, нанесенные на аппарате и щите, были параллельными. С помощью измерительной линейки 3 определяется величина смещения точки подвеса.
Результат испытания считается положительным, если величина смещения точки подвеса ИФА относительно оси симметрии ИФА, измеренная с точностью до 1 мм, соответствует
5.2.1.20.
6.5. Определение герметичности воздуховодной системы ИФА
6.5.1 Средства испытаний и вспомогательные устройства
При испытаниях используют:
- установку, позволяющую герметично подключать аппарат, создавать и измерять в его объеме избыточное или вакуумметрическое давление в регламентированных пределах с погрешностью не более +/- 20 Па;
- секундомер любого типа с ценой деления не более 0,2 с или таймер, входящий в состав установки.
6.5.2 Проведение испытаний
Испытания проводят в следующей последовательности:
- присоединяют к установке, собранный в соответствии с руководством по эксплуатации аппарат,
- создают в воздуховодной системе вакуумметрическое давление 900 Па, делают выдержку 1 - 2 мин для стабилизации системы. Устанавливают вакуумметрическое давление 800 Па, включают секундомер и через 1 мин регистрируют изменение давления в воздуховодной системе,
- для проверки герметичности воздуховодной системы аппарата при избыточном давлении загерметизируют КИД, создают в воздуховодной системе избыточное давление 900 Па, делают выдержку 1 - 2 мин. Затем устанавливают избыточное давление 800 Па, включают секундомер и через 1 мин регистрируют изменение давления в воздуховодной системе.
6.5.3 Результаты испытаний считают положительными, если изменения избыточного и вакуумметрического давления не превышают требований
5.1.1.8.
Испытания проводят в фильтрующем и (или) изолирующем режиме защиты в соответствии с документацией на аппарат.
6.6. Проверка внешнего вида, маркировки
6.6.1 Проверку внешнего вида, отдельных конструктивных требований (см.
5.2), комплектности (см.
5.5), содержания эксплуатационной документации (см.
5.6), маркировки (см.
5.7) ИФА проводят визуально.
6.7. Проверка стойкости ИФА к кратковременному воздействию пламени
6.7.1 Средства испытаний и вспомогательные устройства:
а) установка, схема которой изображена на
рисунке 2, состоящая из:
1) штатива 8 с приводом 11, позволяющим регулировать скорость вращения до 100 мм/с;
2) баллона с пропаном 1, снабженного регулятором давления 3 и манометром 4;
3) пропановой горелки с регулятором высоты пламени;
4) термоэлектрического преобразователя любой конструкции;
5) вторичного прибора для измерения температуры с верхним пределом измерения до 900 °C и классом точности 0,5;
6) экрана 9 для равномерного горения пламени;
б) секундомер с ценой деления не более 0,2 с.
1 - баллон с пропаном; 2, 6 - клапаны; 3 - регулятор
давления; 4 - манометр; 5 - пламегаситель; 7 - пламя;
8 - штатив; 9 - экран; 10 - горелка; 11 - привод
с регулятором скорости
Рисунок 2 - Схема установки для испытаний
на воздействие открытого пламени
6.7.2 Последовательность подготовки и проведение испытаний:
- закрепляют ИФА на штативе (см.
рисунок 2) таким образом, чтобы испытуемая часть находилась на расстоянии 20 мм от верхнего края горелки. Температура пламени на высоте 20 мм от верхнего края горелки в зоне испытания должна составлять (800 +/- 50) °C, общая высота пламени - (40 +/- 5) мм;
- устанавливают скорость вращения от 55 до 65 мм/с;
- пропускают каждую часть ИФА через пламя горелки только один раз.
6.7.3 По истечении испытания ИФА выводят из зоны пламени и проверяют его состояние.
6.7.4 Результат считают положительным, если после окончания испытания отсутствуют разрушения составных частей ИФА, они не горят и не поддерживают горение или тление более 5 с, а ИФА соответствует требованиям
5.1.1.8.
6.8. Определение массы ИФА
6.8.1 Средства испытаний:
- весы с верхним пределом измерения до 20 кг и с ценой деления 10 г.
6.8.2 Последовательность подготовки и проведения испытаний:
- взвешивают ИФА с погрешностью +/- 0,05 кг.
Результат испытания считают положительным, если выполняются требования
5.2.1.3.
6.9. Проверка прочности соединения элементов воздуховодной системы ИФА и прочности соединения нити КИД с соединительной частью ДМ
6.9.1 Средства испытаний:
- динамометр, позволяющий измерить усилие до 200 Н;
- любой шнур, выдерживающий усилие не менее 250 Н;
- груз массой (10 +/- 0,1) кг.
6.9.2 Прочность соединения элементов воздуховодной системы ИФА
Элементы воздуховодной системы, подлежащие проверке, прикрепляют шнуром к грузу массой 10 кг, лежащему на площадке, и медленно, без рывков, поднимают вверх до отрыва груза от пола.
6.9.3 Последовательность проведения испытаний при проверке прочности соединения нити КИД с соединительной частью ДМ:
- подвешивают динамометр в вертикальном положении за крючок верхней проушины так, чтобы шкала динамометра была хорошо видна;
- извлекают КИД из фланца ДМ, не отсоединяя нити;
- надевают петлю из шнура, сложенного вдвое на нить в месте ее крепления к КИД, затягивают петлю и зацепляют ее за нижний крючок динамометра;
- медленно тянут ДМ вертикально вниз до достижения усилия по динамометру 49 Н и выдерживают 10 с.
6.9.4 Результат проверки прочности соединения элементов воздуховодной системы ИФА и прочности соединения нити КИД с соединительной частью ДМ считают положительным, если он соответствует
5.2.1.18 и
5.2.1.19.
6.10. Климатические испытания
6.10.1 Средства испытаний и вспомогательные устройства:
- климатическая камера вместимостью не менее 0,4 м3, обеспечивающая поддержание температуры в диапазоне от минус 50 °C до плюс 60 °C с погрешностью не более +/- 2 °C;
- камера тепла и влаги вместимостью не менее 0,4 м3, обеспечивающая поддержание температуры в диапазоне от 20 °C до 50 °C с погрешностью не более +/- 2 °C и влажности от 45% до 95% с погрешностью не более +/- 5%.
6.10.2 ИФА в упаковке помещают в климатическую камеру и устанавливают режимы температуры и влажности в следующей последовательности:
- понижают температуру в камере до минус (40 +/- 2) °C и выдерживают ИФА при этой температуре в течение 20 ч; относительную влажность не нормируют;
- повышают температуру в камере до (50 +/- 2) °C и выдерживают ИФА при этой температуре в течение 36 ч, после чего понижают температуру до (20 +/- 2) °C и выдерживают ИФА в течение 4 ч. Относительную влажность не нормируют;
- понижают температуру в камере до минус (15 +/- 2) °C и выдерживают ИФА при этой температуре не менее 2 ч, затем повышают температуру до (15 +/- 2) °C и одновременно доводят относительную влажность воздуха до (95 +/- 3)%. Выдерживают ИФА еще 2 ч. Цикл повторяют пять раз;
- повышают температуру в камере до (40 +/- 2) °C и выдерживают ИФА в течение 4 ч при ненормируемой влажности, после чего повышают относительную влажность воздуха до (95 +/- 3)% и выдерживают ИФА при заданных значениях температуры и влажности еще 120 ч.
По истечении указанного времени отключают обогрев и выдерживают ИФА в камере еще 10 ч.
Скорость изменения температуры и влажности не нормируют.
6.10.3 Последовательность режимов, приведенных в
6.10.2, имитирует один год естественного хранения в неотапливаемом хранилище. При имитации отапливаемого хранилища режимы с отрицательными температурами следует исключить.
Разрешается проводить климатические испытания на ИФА, прошедших опытное хранение в различных климатических зонах.
6.10.4 ИФА считают выдержавшими климатические испытания, если при визуальном осмотре защитные покрытия, резиновые детали и ремни находятся в удовлетворительном состоянии, не обнаружено коррозии металлических поверхностей, и ИФА соответствуют требованиям
5.1.1.2 -
5.1.1.8.
6.11. Определение наличия пыли регенеративного продукта в воздуховодной системе ИФА
6.11.1 Средства испытаний и вспомогательные устройства:
- установка (рисунок 3), состоящая из расходомера 2 с верхним пределом измерения объемного расхода воздуха 4,0 м3/ч и погрешностью не более 2,5%, регулирующего вентиля 1, соединительных трубок с внутренним диаметром от 6,3 до 16 мм;
- гигроскопическая медицинская вата по
ГОСТ 5556;
- присоединительное устройство.
1 - регулирующий вентиль; 2 - расходомер;
3 - присоединительное устройство; 4 - регенеративный
патрон РП; 5 - ватный тампон
Рисунок 3 - Схема установки для определения наличия пыли
регенеративного продукта
6.11.2 Последовательность подготовки к проведению испытания
6.11.2.1 Демонтируют РП из ИФА.
6.11.2.2 Ватный тампон диаметром не менее диаметра патрубка РП смачивают в растворе фенолфталеина.
6.11.3 Проведение испытания
Испытания проводят при температуре окружающего воздуха от 15 °C до 35 °C.
Создают постоянный поток воздуха, содержащего пары воды не более 2 мг/м3 с объемным расходом (60,0 +/- 1,8) дм3/мин через РП в направлении патрубка вдоха в течение 7 - 9 с. После 2 - 3 с от начала продува РП ватный тампон располагают на расстоянии (2,5 +/- 0,5) см от края патрубка РП, через который ГДС при установке РП в ИФА направляется на вдох.
6.11.4 Положительным результатом испытания является отсутствие окраски на тампоне.
6.12. Определение усилия срабатывания органов ручного управления
6.12.1 Средства испытаний:
- оборудование, например динамометр, позволяющее определить усилие, которое необходимо приложить к органам ручного управления ИФА (кнопки, рычаги и др.) для включения (переключения, выключения) соответствующих устройств с погрешностью +/- 5%.
6.12.2 Последовательность подготовки и проведения испытаний:
- прикладывают усилие в направлении действия органа управления.
6.12.3 Результат испытания считают положительным, если значение усилия, необходимого для включения (переключения, выключения) органов ручного управления ИФА, соответствует требованиям
5.2.1.22.
6.13. Определение герметичности дыхательных клапанов
6.13.1 Средства испытаний:
- установка, схема которой изображена на рисунке 4, с присоединительным устройством 5, позволяющим герметично подключить клапанную коробку 6 или отдельный клапан.
1, 3 - регулирующие вентили; 2 - устройство подачи воздуха;
4 - расходомер с верхним пределом измерения 0,063 м3/ч
и приведенной погрешностью не более +/- 2,5%;
5 - присоединительное устройство; 6 - клапанная коробка;
7 - мановакуумметр с пределом измерения до 2500 Па
и абсолютной погрешностью не более +/- 20 Па; 8 - пробка
Рисунок 4 - Схема установки для определения герметичности
дыхательных клапанов
6.13.2 Последовательность подготовки и проведения испытаний:
- для проверки клапана вдоха подключают присоединительное устройство 5 к центральному отверстию клапанной коробки 6, заглушают штуцер клапана выдоха резиновой пробкой 8;
- для проверки клапана выдоха подключают присоединительное устройство 5 к штуцеру клапана выдоха клапанной коробки 6;
- открывают вентиль
1 и включают устройство подачи воздуха
2, содержащего пары воды не более 2 мг/м
3, на небольшой расход. С помощью вентиля
3 регулируют поток воздуха таким образом, чтобы давление над клапаном было равно 490 Па. При наличии утечки через клапан определяют ее значение по расходомеру
4, которое должно соответствовать требованиям
5.2.1.23.
6.14. Испытания на надежность
6.14.1 Вероятность безотказной работы ИФА за ВЗД подтверждается всеми видами испытаний (предварительными, приемочными, квалификационными, приемо-сдаточными, периодическими, типовыми, и т.д).
Вероятность безотказной работы, P(t), вычисляют по формулам
а) при отсутствии отказов

, (6)
где r0 = 3 (при доверительной вероятности 0,95);
n - количество испытаний (n >= 149).
б) при наличии отказов

, (7)
где m - количество отказов;
r2 - коэффициент, определяемый в зависимости от количества отказов
(приложение Б).
6.14.2 Результаты испытаний считают положительными, если выполняется требование
5.3.
Для подтверждения заданной вероятности безотказной работы число испытаний должно быть не менее 149. При меньшем количестве проведенных испытаний невыполнение требования
5.3 не считается отрицательным результатом.
6.15. Определение сохранения работоспособности ИФА после воздействия транспортных нагрузок
6.15.1 Средства испытаний:
- ударный стенд, обеспечивающий имитацию транспортирования ИФА в упаковке изготовителя в условиях
5.4.2.
6.15.2 Последовательность подготовки и проведения испытаний:
- помещают ИФА в упаковку в соответствии с рабочей конструкторской документацией (РКД);
- упаковку с ИФА закрепляют на стенде в положении, определяемом надписью или манипуляционным знаком "Вверх" на упаковке. Испытания проводят в условиях
5.4.2.
6.15.3 Результат испытания считают положительным, если после его окончания отсутствуют механические повреждения ИФА и выполняются требования:
| | ИС МЕГАНОРМ: примечание. В официальном тексте документа, видимо, допущена опечатка: имеется в виду пункт 5.1.1.8, а не 5.1.1.18. | |
- по герметичности воздуховодной системы в соответствии с
5.1.1.18;
- по показателям, полученным при испытании на номинальном режиме (объемная доля диоксида углерода, температура вдыхаемой ГДС, сопротивление дыханию), в соответствии с
5.1.1.3 -
5.1.1.7.
6.16. Определение сохранения работоспособности ИФА после воздействия вибрационной нагрузки
6.16.1 Средства испытаний и вспомогательные устройства:
- стенд, обеспечивающий создание нагрузки в диапазоне частот от 50 до 60 Гц с погрешностью +/- 8% и ускорением 5 g с погрешностью +/- 10%;
- приспособление для закрепления ИФА на стенде.
6.16.2 Последовательность подготовки и проведения испытаний:
- ИФА в собранном виде вертикально закрепляют в контейнере и в этом положении жестко прикрепляют контейнер к столу стенда;
- испытания проводят в течение 60 мин с частотой от 50 до 60 Гц и ускорением 5 g.
6.16.3 Результат испытания считают положительным, если после его окончания отсутствуют механические повреждения ИФА и выполняются требования:
- по герметичности воздуховодной системы в соответствии с
5.1.1.8;
- по показателям, полученным при испытании на номинальном режиме (объемная доля диоксида углерода, температура вдыхаемой ГДС, сопротивление дыханию), в соответствии
5.1.1.3 -
5.1.1.7.
6.17. Определение сохранения работоспособности ИФА после падения
6.17.1 ИФА подвергают троекратному падению с высоты (1,5 +/- 0,1) м на бетонный пол в различных положениях:
- горизонтально на боковую поверхность - один раз;
- вертикально на дно - один раз;
- вертикально на крышку - один раз.
6.17.2 Результат испытания считают положительным, если после его окончания отсутствуют механические повреждения ИФА и выполняются требования:
- по герметичности воздуховодной системы в соответствии с
5.1.1.8;
- по показателям, полученным при испытании на номинальном режиме (объемная доля диоксида углерода, температура вдыхаемой ГДС, сопротивление дыханию), в соответствии с
5.1.1.3 -
5.1.1.7.
7. Правила отбора образцов
7.1 Отбор образцов для подтверждения соответствия проводят по
ГОСТ 18321 методом многоступенчатого отбора.
7.2 Объем выборки определяется рабочей конструкторской документацией и программой испытаний на конкретный ИФА.
7.2.1 На предварительные и приемочные испытания отбирают опытные образцы ИФА в количестве, определяемом соответствующими программами испытаний, но не менее двух образцов для каждого вида испытаний. При испытаниях составных частей ИФА допускается использование составных частей одного ИФА для разных видов испытаний. ИФА многоразового использования допускается использовать для различных видов испытаний.
7.2.2 На приемо-сдаточные и периодические испытания отбирают серийные образцы ИФА в количестве, указанном в технических условиях на ИФА.
7.2.3 На квалификационные испытания отбирают образцы ИФА из первой промышленной партии в количестве, определяемом программой квалификационных испытаний.
7.2.4 На типовые испытания отбирают серийные образцы ИФА измененной конструкции в количестве, определяемой программой типовых испытаний.
(рекомендуемое)
А.1 Принципиальная схема установки "ИЛ" показана на рисунке А.1.
1 - насос; 2 - дозатор диоксида углерода; 3 - устройство
отбора ГДС; 4 - газоанализатор диоксида углерода
для вдыхаемого газа; 5 - обратный клапан; 6 - газоанализатор
кислорода; 7 - холодильник; 8 - увлажнитель;
9 и 11 - отсечные клапаны; 10 - переходник;
12 - газоанализатор диоксида углерода для выдыхаемого газа;
13 - персональный компьютер; 14 - дозатор азота;
15 - клапанная коробка
Рисунок А.1 - Принципиальная схема установки "ИЛ"
А.2 Установка, принципиальная схема которой приведена на рисунке А.1, должна быть укомплектована следующими приборами:
- в качестве газоанализатора диоксида углерода 12 используют газоанализатор диоксида углерода с погрешностью измерения объемной доли диоксида углерода не более +/- 0,2% в диапазоне от 0% до 10%;
- в качестве газовых счетчиков используют счетчики любой конструкции с классом точности не более 1;
- в качестве газоанализатора диоксида углерода 4 используют газоанализатор диоксида углерода с погрешностью измерения объемной доли диоксида углерода не более +/- 0,1% в диапазоне от 0% до 5%;
- в качестве газоанализатора кислорода 6 используют газоанализатор с погрешностью измерения объемной доли кислорода не более +/- 2,5% в диапазоне от 0% до 100%;
- в качестве тягонапоромера используют прибор с пределом измерения не более +/- 3 кПа и классом точности не более 1,5;
- в качестве датчиков температуры используют термоэлектрические преобразователи кабельные градуировки ХК с диаметром электродов не более 3 мм и классом допуска не более 2.
А.3 Установленный режим дыхания в процессе испытания ИФА обеспечивается насосом 1 сильфонного, мембранного или поршневого типа, создающим пульсирующий поток ГДС с изменением объемного расхода, близким к синусоидальному. С насосом соединены линии подачи диоксида углерода и азота, через клапанную коробку 15 линии вдоха и выдоха. Линия выдоха включает в себя увлажнитель 8. На линии вдоха расположен холодильник 7, регулирование которого осуществляется путем изменения расхода подаваемой воды таким образом, чтобы температура ГДС за холодильником отличалась от комнатной не более чем на 2 °C.
ИФА соединяют с линиями вдоха и выдоха установки "ИЛ" через переходник 10. На линиях вдоха и выдоха или в переходнике 10 предусматриваются штуцеры для присоединения тягонапоромера, штуцер для измерения температуры предусматривается в переходнике 10.
Для контроля объемной доли диоксида углерода в ГДС на линии выдоха непосредственно на выходе из увлажнителя 8 отбирают пробу, которая затем через газоанализатор диоксида углерода
12 возвращается в линию выдоха перед входом в увлажнитель
8. Потребление кислорода имитируется отбором ГДС, осуществляемым из линии вдоха после холодильника
7 устройством отбора ГДС
3. Средний минутный расход отбираемой ГДС определяют по
формуле (4).
Забираемую из линии вдоха ГДС прокачивают через газоанализаторы кислорода 6 и диоксида углерода 4, обратный клапан 5, после чего сбрасывают в атмосферу через газовый счетчик.
Подачу диоксида углерода в установку "ИЛ" осуществляют через дозатор диоксида углерода 2. Для компенсации разности объемов отбираемой ГДС и подаваемого диоксида углерода через дозатор азота 14 подают азот. Количество отбираемой из линии вдоха ГДС и подаваемого в систему азота рассчитывается автоматически с помощью компьютера 13 на основе данных газового анализа.
Объемный расход подаваемого азота

, дм
3/мин, вычисляют по формуле

, (А.1)
где

и

- соответственно средние значения минутных объемных расходов отбираемой ГДС для имитации потребления кислорода и подаваемого в установку "ИЛ" диоксида углерода, дм
3/мин.
Примечание - Допускается проведение испытаний без дозатора азота 14 (отсутствие подачи азота в установку "ИЛ") и персонального компьютера 13. В этом случае:
- объем ГДС, отбираемой для имитации потребления кислорода, равен объему подаваемого в установку диоксида углерода;
- величина объемной доли кислорода, измеряемая газоанализатором кислорода 6, является справочной величиной.
В зависимости от испытуемого изделия в качестве переходника 10 может применяться переходник разной конструкции в соответствии с документацией на ИФА.
1 - выходной патрубок тройника; 2 - штуцер для присоединения
тягонапоромера; 3 - патрубок, направленный к линии выдоха
установки "ИЛ"; 4 - патрубок, направленный к линии вдоха
установки "ИЛ"; 5 - штуцер для установки
термоэлектрического преобразователя
Рисунок А.2 - Тройник для ИФА
с центральным резьбовым соединением
1 - точка измерения температуры на выдохе; 2 - точка
измерения температуры на вдохе; 3 - точка измерения
давления; 4 - термоэлектрический преобразователь;
5 - место подсоединения тягонапоромера;
6 - макет головы (голова Шеффилда)
Рисунок А.3 - Макет головы для испытаний ИФА с маской
1 - выходной патрубок тройника; 2 - штуцер для присоединения
тягонапоромера; 3 - патрубок, направленный к линии выдоха
установки "ИЛ"; 4 - патрубок, направленный к линии вдоха
установки "ИЛ"; 5 - штуцер для установки
термоэлектрического преобразователя
Рисунок А.4 - Вариант тройника для ИФА
(справочное)
ЗНАЧЕНИЕ КОЭФФИЦИЕНТА
r2 ПРИ ДОВЕРИТЕЛЬНОЙ ВЕРОЯТНОСТИ 0,95
Б.1 Значения коэффициента r2 в зависимости от числа отказов m приведено в таблице Б.1.
Таблица Б.1
Значения коэффициента r2 в зависимости от числа отказов m
при доверительной вероятности 0,95
m | r2 |
1 | 0,21 |
2 | 0,32 |
3 | 0,39 |
4 | 0,44 |
5 | 0,48 |
6 | 0,51 |
7 | 0,53 |
8 | 0,55 |
9 | 0,57 |
10 | 0,59 |
11 | 0,60 |
12 | 0,62 |
14 | 0,64 |
15 | 0,65 |
20 | 0,69 |
25 | 0,72 |
30 | 0,74 |
40 | 0,77 |
50 | 0,79 |
60 | 0,81 |
80 | 0,83 |
100 | 0,85 |