Главная // Актуальные документы // ГОСТ (Государственный стандарт)
СПРАВКА
Источник публикации
М.: Стандартинформ, 2014
Примечание к документу
Документ утратил силу с 01.12.2017 в связи с изданием Приказа Росстандарта от 26.12.2016 N 2082-ст. Взамен введен в действие ГОСТ 12.4.246-2016.

Отдельные положения данного документа были включены в Перечень документов в области стандартизации, в результате применения которых на добровольной основе обеспечивается соблюдение требований Федерального закона от 22.07.2008 N 123-ФЗ "Технический регламент о требованиях пожарной безопасности" (Приказ Росстандарта от 14.07.2020 N 1190).

Отдельные положения данного документа включены в Перечень документов в области стандартизации, в результате применения которых на добровольной основе обеспечивается соблюдение требований Федерального закона от 22.07.2008 N 123-ФЗ "Технический регламент о требованиях пожарной безопасности" (Приказ Росстандарта от 17.04.2019 N 832).

Документ включен в Перечень документов в области стандартизации, в результате применения которых на добровольной основе обеспечивается соблюдение требований Федерального закона от 22.07.2008 N 123-ФЗ "Технический регламент о требованиях пожарной безопасности" (Приказ Росстандарта от 16.04.2014 N 474).

Документ введен в действие с 01.06.2014.
Название документа
"ГОСТ 12.4.246-2013. Межгосударственный стандарт. Система стандартов безопасности труда. Средства индивидуальной защиты органов дыхания. Фильтры противоаэрозольные. Общие технические условия"
(введен в действие Приказом Росстандарта от 30.12.2013 N 2422-ст)

"ГОСТ 12.4.246-2013. Межгосударственный стандарт. Система стандартов безопасности труда. Средства индивидуальной защиты органов дыхания. Фильтры противоаэрозольные. Общие технические условия"
(введен в действие Приказом Росстандарта от 30.12.2013 N 2422-ст)


Содержание


Введен в действие
Приказом Федерального
агентства по техническому
регулированию и метрологии
от 30 декабря 2013 г. N 2422-ст
МЕЖГОСУДАРСТВЕННЫЙ СТАНДАРТ
СИСТЕМА СТАНДАРТОВ БЕЗОПАСНОСТИ ТРУДА
СРЕДСТВА ИНДИВИДУАЛЬНОЙ ЗАЩИТЫ ОРГАНОВ ДЫХАНИЯ.
ФИЛЬТРЫ ПРОТИВОАЭРОЗОЛЬНЫЕ
ОБЩИЕ ТЕХНИЧЕСКИЕ УСЛОВИЯ
Occupational safety standards system.
Respiratory protective equipment. Particle filters.
General specifications
ГОСТ 12.4.246-2013
МКС 13.340.30
Дата введения
1 июня 2014 года
Предисловие
Цели, основные принципы и основной порядок проведения работ по межгосударственной стандартизации установлены ГОСТ 1.0-92 "Межгосударственная система стандартизации. Основные положения" и ГОСТ 1.2-2009 "Межгосударственная система стандартизации. Стандарты межгосударственные, правила и рекомендации по межгосударственной стандартизации. Правила разработки, принятия, применения, обновления и отмены"
Сведения о стандарте
1 ПОДГОТОВЛЕН Открытым акционерным обществом "Всероссийский научно-исследовательский институт сертификации" (ОАО "ВНИИС")
2 ВНЕСЕН Федеральным агентством по техническому регулированию и метрологии (Росстандарт)
3 ПРИНЯТ Межгосударственным советом по стандартизации, метрологии и сертификации (протокол от 14 ноября 2013 г. N 44)
За принятие проголосовали:
Краткое наименование страны по МК (ИСО 3166) 004-97
Код страны по МК (ИСО 3166) 004-97
Сокращенное наименование национального органа по стандартизации
Киргизия
KG
Кыргызстандарт
Казахстан
KZ
Госстандарт Республики Казахстан
Узбекистан
UZ
Узстандарт
Россия
RU
Росстандарт
4 Приказом Федерального агентства по техническому регулированию и метрологии от 30 декабря 2013 г. N 2422-ст межгосударственный стандарт ГОСТ 12.4.246-2013 введен в действие в качестве национального стандарта Российской Федерации с 1 июня 2014 г.
5 Стандарт подготовлен на основе применения ГОСТ Р 12.4.194-99
6 ВВЕДЕН ВПЕРВЫЕ
Информация об изменениях к настоящему стандарту публикуется в ежегодном информационном указателе "Национальные стандарты", а текст изменений и поправок - в ежемесячном информационном указателе "Национальные стандарты". В случае пересмотра (замены) или отмены настоящего стандарта соответствующее уведомление будет опубликовано в ежемесячном информационном указателе "Национальные стандарты". Соответствующая информация, уведомление и тексты размещаются также в информационной системе общего пользования - на официальном сайте Федерального агентства по техническому регулированию и метрологии в сети Интернет
1. Область применения
Настоящий стандарт распространяется на противоаэрозольные фильтры (далее - фильтры), предназначенные для использования в качестве элементов в фильтрующих средствах индивидуальной защиты органов дыхания (далее - СИЗОД), и устанавливает общие технические требования, испытания и маркировку.
Стандарт не распространяется на фильтрующие лицевые части и на противоаэрозольные фильтры, используемые в следующих типах СИЗОД:
- пожарных;
- военных;
- медицинских;
- авиационных;
- для подводных работ.
Фильтры, отвечающие требованиям настоящего стандарта и используемые в комбинации с изолирующими и фильтрующими СИЗОД с принудительной подачей воздуха, следует проверять и маркировать в соответствии со стандартом на этот тип СИЗОД.
2. Термины и определения
В настоящем стандарте применяют следующие термины с соответствующими определениями:
2.1 противоаэрозольные фильтры: Фильтры, обеспечивающие очистку вдыхаемого воздуха от аэрозолей.
2.2 устойчивость к запылению: Показатель, характеризующий накопление пыли на фильтре, выраженный регламентированной величиной, представляющей собой произведение концентрации пыли, заданной в процессе запыления, на время экспозиции фильтра до достижения им предельного значения сопротивления.
3. Классификация
3.1 Фильтры в зависимости от их фильтрующей эффективности подразделяют на классы:
Р1 - фильтры низкой эффективности;
Р2 - фильтры средней эффективности;
Р3 - фильтры высокой эффективности.
3.2 Фильтры класса(ов) Р2 и Р3 включают в себя защиту, обеспечиваемую фильтром(ами) более низкого класса(ов).
4. Общие технические требования
4.1. Материалы
4.1.1 Материалы фильтров не должны менять своих свойств в процессе хранения и эксплуатации в течение срока годности.
4.1.2 При использовании фильтрующих материалов типа ФП изделие не должно подвергаться температурному воздействию по 7.6.2. Сведения об этом должны содержаться в маркировке изделия и в маркировке на упаковке, а в указаниях по эксплуатации должны быть указаны ограничения по применению изделия (при подземных выработках, в условиях повышенных и пониженных температур и повышенной влажности).
4.2. Соединение
4.2.1 Соединение между фильтром(ами) и лицевой частью должно быть прочным и герметичным.
4.2.2 Фильтр может быть присоединен к лицевой части неразъемным соединением или соединением особого типа, или соединением на винтовой резьбе (в том числе, нестандартной). При использовании стандартной резьбы она должна отвечать всем требованиям [1]. Недопустимо использование стандартного резьбового соединения с другими типами резьбы или с одним фильтром из комплекта фильтров, предназначенного для использования в комбинации с соответствующей лицевой частью.
4.2.3 Фильтр должен заменяться без использования специальных инструментов и быть обозначен или маркирован во избежание неправильной сборки.
4.3. Масса
Масса фильтров, присоединяемых непосредственно к лицевой части, не должна превышать 300 г - для полумасок и 500 г - для масок.
Фильтры с большей массой должны присоединяться к лицевой части с помощью соединительной трубки.
4.4. Комплект фильтров
4.4.1 При использовании более чем одного фильтра в СИЗОД, в котором происходит распределение воздушного потока, весь комплект фильтров должен отвечать всем требованиям настоящего стандарта.
4.4.2 При возможности использования одного фильтра из комплекта фильтров фильтр должен удовлетворять всем требованиям, указанным в настоящем стандарте, при общем расходе воздушного потока.
4.4.3 Указания по эксплуатации должны содержать все необходимые сведения о правильном использовании комплекта фильтров.
4.5. Устойчивость к механическому воздействию
4.5.1 Фильтры должны быть устойчивы к механическому воздействию.
Испытания следует проводить по 7.4.
4.5.2 После проведения данных испытаний фильтры должны отвечать требованиям по сопротивлению воздушному потоку, проницаемости, устойчивости к запылению и обеспечивать герметичное присоединение.
4.6. Начальное сопротивление воздушному потоку
4.6.1 Начальное сопротивление воздушному потоку, оказываемое фильтром(ами), должно быть минимальным и не должно превышать значений, указанных в таблице 1.
Таблица 1
Начальное сопротивление постоянному воздушному потоку
для противоаэрозольных фильтров
Класс фильтра
Максимальное сопротивление воздушному потоку, Па, расходом:
30 дм3/мин
95 дм3/мин
Р1
60
21
Р2
70
240
Р3
120
420
Испытания следует проводить по 7.5.
4.7. Проницаемость фильтра
Проницаемость фильтра не должна превышать значений, приведенных в таблице 2.
Таблица 2
Максимальная проницаемость фильтра
Класс фильтра
Максимальная проницаемость фильтра тест-аэрозолями, %
Испытание с использованием хлорида натрия расходом потока 95 дм3/мин
Испытание с использованием парафинового масла расходом потока 95 дм3/мин
Р1
20
20
Р2
6
6
Р3
0,05
0,05
Испытания следует проводить до и после температурного воздействия по 7.6.2.
4.8. Устойчивость к запылению
4.8.1 Сопротивление воздушному потоку фильтров после испытаний на устойчивость к запылению по 7.7 не должно превышать значений, указанных в таблице 3.
Таблица 3
Сопротивление постоянному воздушному потоку
противоаэрозольных фильтров после запыления
Класс фильтра
Сопротивление воздушному потоку расходом 95 дм3/мин, Па
Р1
400
Р2
500
Р3
700
4.8.2 После проведения испытаний на устойчивость к запылению проницаемость фильтра не должна превышать значений, указанных в таблице 2.
5. Требования безопасности
5.1 Для изготовления фильтров следует применять материалы, разрешенные органами здравоохранения для использования в контакте с кожей и вдыхаемым воздухом.
5.2 Материал(ы) фильтра и газообразные продукты, выносимые потоком воздуха из фильтра, не должны быть вредными для пользователя и не должны вызывать у него неприятных ощущений.
6. Правила приемки
Правила приемки устанавливают в нормативных документах на изделия конкретных видов.
7. Методы испытания
7.1. Номинальные значения и допустимые отклонения
Все значения, приведенные в настоящем стандарте, являются номинальными. Допускается отклонение +/- 5% от указанной температуры, не оговоренной в настоящем стандарте как максимальная или минимальная. При этом температура окружающей среды при испытаниях - (24 +/- 6) °C.
Исключение составляют испытания на механическую прочность, которые допускается проводить при температуре (20 +/- 10) °C. Все другие значения температур должны задаваться с точностью +/- 1 °C.
7.2. Общие положения
7.2.1 Испытания фильтров без стандартной резьбы следует проводить в держателе фильтра, который будет применен в СИЗОД.
7.2.2 Все испытания следует проводить так, чтобы испытуемый воздух или аэрозоль проходили через фильтр в горизонтальном направлении. Каждое испытание следует проводить с использованием трех образцов, прошедших предварительную подготовку к испытаниям по 7.4.
7.2.3 При проведении испытаний на устойчивость к запылению для одного фильтра из комплекта фильтров при пропорционально разделенном воздушном потоке требование к сопротивлению воздушному потоку, указанное в 7.7, должно выполняться для фильтра после его запыления. При этом нагрузка пылью фильтра должна быть пропорциональна числу фильтров, входящих в состав комплекта.
7.2.4 При испытаниях одного фильтра из комплекта фильтров воздушный поток, проходящий через этот фильтр, должен составлять пропорциональную часть общего воздушного потока, предназначенного для испытания всего комплекта фильтров.
7.2.5 Перечень показателей, проверяемых при испытаниях противоаэрозольных фильтров, представлен в таблице 4.
Таблица 4
Перечень показателей, проверяемых при испытаниях
противоаэрозольных фильтров
Перечень показателей
Пункт требований
Число образцов
Предварительная подготовка образцов
Пункт испытаний
Визуальный осмотр
Все
-
Начальное сопротивление постоянному воздушному потоку
3 (при каждом расходе воздушного потока)
УМ <1>
Проницаемость фильтра
3 (для каждого аэрозоля)
УМ <1>
3 (для каждого аэрозоля)
УМ <1> + ТВ <2>
Устойчивость к запылению
3
УМ <1>
<1> УМ - устойчивость к механическому воздействию по 7.4.
<2> ТВ - температурное воздействие по 7.6.2.
7.3. Визуальный осмотр
Визуальный осмотр фильтров проводят перед проведением испытаний. При визуальном осмотре проверяют также маркировку и наличие соответствующих указаний по эксплуатации.
7.4. Устойчивость к механическому воздействию
7.4.1 Оборудование
Установка, представленная на рисунке 1, включает стальную коробку 1, закрепленную на перемещающемся вертикально поршне 2, который, кроме того, может подниматься на 20 мм с помощью вращающегося кулачка 3 и опускаться на стальную пластину 4 под действием собственной массы по мере вращения кулачка. Масса стальной коробки должна составлять не менее 10 кг.
1 - стальная коробка; 2 - поршень; 3 - кулачок;
4 - стальная пластина
Рисунок 1 - Установка для механического воздействия
7.4.2 Методика
Фильтры следует испытывать в состоянии наименьшей фабричной упаковки после удаления их из общей упаковки.
Фильтры должны быть помещены набок в стальную коробку 1 так, чтобы они не касались друг друга во время испытания и обеспечивали возможность движения по горизонтали на 6 мм и свободного движения по вертикали. После окончания данного испытания фильтры следует встряхнуть для удаления из них материала, высыпавшегося из фильтров в процессе механического воздействия.
Установка должна работать в следующем режиме: - 100 об/мин, время работы - 20 мин.
7.5. Начальное сопротивление воздушному потоку
7.5.1 Подготовка образцов
Фильтр герметично закрепляют с помощью зажима на испытательной установке по [2].
При каждом расходе воздушного потока испытаниям подлежат три образца.
7.5.2 Начальное сопротивление воздушному потоку
Испытания начального сопротивления воздушному потоку на вдохе проводят на постоянном воздушном потоке расходом 30 и 95 дм3/мин при таких давлении и температуре окружающей среды, сочетание которых не приводит к конденсации влаги на фильтре.
7.5.3 Корректировка
Начальное сопротивление воздушному потоку приводят к нормальным условиям: температуре 20 °C и давлению 1 атм.
Данные по сопротивлению воздушному потоку пересчитывают с учетом собственного сопротивления держателя фильтра.
7.6. Проницаемость фильтра
7.6.1 Сущность метода
Сущность метода определения проницаемости противоаэрозольных фильтров заключается в определении отношения концентрации тест-аэрозоля после его прохождения через фильтр к его концентрации до фильтра.
7.6.2 Подготовка образцов
Фильтры следует испытывать до и после следующих температурных воздействий. Фильтры помещают в сухую атмосферу на 24 ч при температуре плюс 70 °C, а затем охлаждают до минус 30 °C в течение 24 ч. Следует избегать внезапного изменения температуры, чтобы не вызвать температурных перепадов.
7.6.3 Общие положения
Для испытаний проницаемости фильтра следует использовать следующие методы:
а) метод с использованием аэрозоля хлорида натрия по 7.6.4;
б) метод с использованием аэрозоля парафинового масла по 7.6.5.
Каждое испытание следует проводить с использованием трех новых образцов.
7.6.4 Метод с использованием аэрозоля хлорида натрия
7.6.4.1 Общие положения
Частицы аэрозоля хлорида натрия генерируют путем распыления водного раствора хлорида натрия и испарения воды. Концентрацию аэрозоля определяют до и после испытуемого фильтра с помощью пламенного фотометра. Средства регистрации частиц должны позволять проводить измерение проницаемости от 0,001 до 100%.
7.6.4.2 Оборудование для испытаний и средства измерений
Схема установки представлена на рисунке 2.
1 - воздушный фильтр; 2 - генератор аэрозоля;
3 - испытательная камера; 4 - образец; 5 - прибор
для измерения концентрации аэрозоля; 6 - расходомер;
7 - манометр
Рисунок 2 - Схема установки для испытаний
с использованием аэрозоля хлорида натрия
7.6.4.2.1 Генератор аэрозоля
Аэрозоль генерируется с помощью распылителя Коллисона, заполненного 1%-ным раствором хлорида натрия. Распылитель, показанный на рисунке 3, состоит из стеклянного сосуда, в который впаяна распылительная головка с тремя распылительными насадками. В распылитель поступает воздух под давлением 345 кПа, а получаемая струя жидкости сталкивается с отражательной перегородкой (экраном), удаляющей большие частицы. Частицы, которые не столкнулись с экраном, выносятся потоком воздуха. После смешения с сухим воздухом вода испаряется, а сухой аэрозоль хлорида натрия остается.
1 - стеклянный сосуд с навинчивающейся крышкой; 2 - сопло;
3 - волокнистая прокладка (наружный диаметр - 4,5 мм,
внутренний диаметр - 2 мм, толщина прокладки - 0,8 мм);
4 - втулка; 5 - стержень; 6 - резиновая прокладка;
7 - головка втулки; 8 - резиновая прокладка
(наружный диаметр - 25 мм, внутренний диаметр - 10 мм,
толщина - 1,5 мм, уплотнитель для герметизации);
9 - гайка; 10 - завинчивающаяся крышка
Рисунок 3 - Распылитель
Полученный таким образом аэрозоль является полидисперсным со средневесовым диаметром частиц около 0,6 мкм. Распределение частиц хлорида натрия по размерам представлено на рисунке 4. Концентрация и размер частиц аэрозоля хлорида натрия остаются постоянными в установленных пределах при условии, что давление подаваемой смеси составляет от 331 кПа до 359 кПа, а расход воздушного потока через три сопла находится в пределах 12,5 - 13,0 дм3/мин.
Расход потока тест-аэрозоля
95 дм3/мин.
Концентрация аэрозоля
(8 +/- 4) мг/м3.
Давление воздуха, поступающего в распылитель
(345 +/- 14) кПа.
Расход воздушного потока, поступающего в распылитель
(12,75 +/- 0,25) дм3/мин.
Температура воздуха
температура окружающей среды.
Относительная влажность
не более 60%.
Рисунок 4 - Распределение частиц аэрозоля хлорида натрия
по размерам
Выходящий поток смешивается с потоком сухого воздуха расходом 84 дм3/мин с образованием общего потока расходом 95 дм3/мин.
Расход раствора хлорида натрия должен составлять 15 см3/ч.
Объем стеклянного сосуда должен подбираться таким образом, чтобы изменения в концентрации и потери в объеме раствора в течение 8 ч не вызывали серьезных изменений параметров тест-аэрозоля.
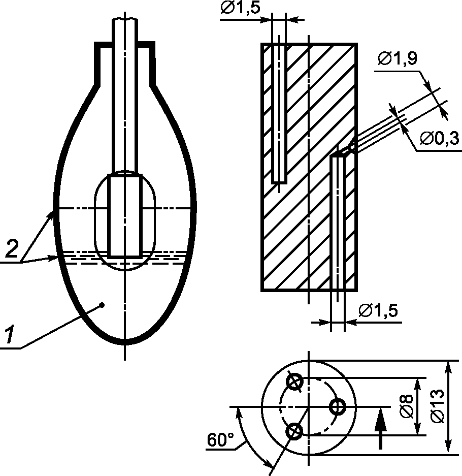
7.6.4.2.2 Пламенный фотометр
Определение концентрации аэрозоля хлорида натрия при его прохождении через противоаэрозольный фильтр проводят до и после испытуемого фильтра с помощью пламенного фотометра. Может быть использован любой подходящий фотометр с соответствующей чувствительностью. Существует фотометр, специально разработанный для этих целей.
Прибор представляет собой водородный пламенный фотометр. Водородную горелку помещают в вертикальную жаровую трубку с отверстием на нижнем конце, выходящим в трубку для отбора проб, куда поступает поток аэрозоля для анализа. Поток аэрозоля, поступающий в пламя, регулируется конвекцией и поддерживается постоянным с помощью пробоотборного клапана.
Небольшое количество отфильтрованного воздуха непрерывно поступает в трубку для отбора проб, расположенную ниже входного отверстия жаровой трубки. Такой способ подачи воздуха предназначен для предотвращения попадания в горелку присутствующего в помещении воздуха, который может содержать значительное количество солей натрия, при отключенном потоке через трубку для отбора проб.
Водородную горелку, обеспечивающую получение симметричного относительно вертикальной оси пламени, помещают в жаростойкую стеклянную трубку. Эта трубка должна быть оптически гомогенной для уменьшения влияния света пламени.
При прохождении через жаровую трубку частицы хлорида натрия в воздухе испаряются, приводя к характерной эмиссии натрия при 589 нм. Интенсивность эмиссии пропорциональна концентрации натрия в потоке воздуха.
Интенсивность излучаемого пламенем света измеряют с помощью фотоэлектронного умножителя. Чтобы отличить эмиссию натрия от фонового света на других длинах волн используют узкополосные интерференционные светофильтры в комбинации с соответствующими фильтрами боковой полосы. Желательно, чтобы такой фильтр имел полуширину полосы не более 5 нм. Поскольку выходные значения фотоумножителя пропорциональны падающему потоку света в относительно узком интервале, используют нейтральные светофильтры для уменьшения большой интенсивности света. Такие фильтры точно калибруют совместно с используемым интерференционным фильтром так, чтобы реальную интенсивность света можно было вычислить на основании выходных значений фотоумножителя. Сигнал фотоумножителя усиливают и регистрируют. Калибровка пламенного фотометра зависит от устройства прибора, и для получения надежных результатов необходимо следовать инструкциям изготовителя.
Следует использовать следующие методы: многократное разбавление аэрозоля, разбавление распыляемого раствора или и то и другое. При разбавлении либо только аэрозоля, либо только раствора нижний предел калибровки приблизительно на два порядка должен превышать предел чувствительности прибора.
При регистрации значений с использованием фотоумножителя в комбинации с ослабляющими светофильтрами это требование не имеет значения, так как фотоумножитель измеряет постоянный интервал уровней яркости по всему диапазону чувствительности прибора, а значения ослабляющих светофильтров известны и не меняются. Следовательно, калибровочная кривая линейна при низких концентрациях и может быть экстраполирована на более низкие значения. Верхний предел линейного участка калибровочной кривой составляет приблизительно 0,12 мг/м3 вследствие повторной абсорбции света в пламени. Выше этой точки возможна нелинейная калибровка вплоть до 15 мг/м3.
Допускается применение других пламенных фотометров, обеспечивающих требуемую чувствительность по 7.6.4.1, а также проведение испытаний в условиях, указанных в 7.6.4.3.
7.6.4.3 Условия проведения испытаний
Распределение частиц по размерам при распылении 1%-ного раствора NaCl при давлении воздуха 345 кПа должно соответствовать представленному на рисунке 4.
7.6.4.4 Методика проведения испытаний
Аэрозоль поступает в испытательную камеру с закрепленным в ней испытуемым фильтром. Через фильтр пропускают воздушный поток расходом 95 дм3/мин, а концентрацию аэрозоля измеряют непосредственно до и после фильтра с помощью фотометра. Проницаемость фильтра определяют путем усреднения значений, снятых в течение (30 +/- 3) с через три минуты после начала проведения испытания.
7.6.4.5 Обработка результатов
Проницаемость фильтра K, %, рассчитывают по формуле
K = (C2/C1)100%, (1)
где C1 - концентрация аэрозоля хлорида натрия до фильтра, мг/м3;
C2 - концентрация аэрозоля хлорида натрия после фильтра, мг/м3.
7.6.5 Метод с использованием аэрозоля парафинового масла
7.6.5.1 Общие положения
Частицы аэрозоля парафинового масла генерируют путем распыления нагретого парафинового масла. Концентрацию аэрозоля измеряют до и после фильтра с использованием аэрозольного фотометра, который должен позволять проводить измерение проницаемости от 0,003 до 100%.
7.6.5.2 Оборудование для испытаний и средства измерения
Схема испытательной установки представлена на рисунке 5.
1 - испытательная камера (жесткий прозрачный материал,
диаметр 500 мм, высота 500 мм, покрытый фанерой
с обеих сторон); 2 - герметично закрываемая дверь камеры;
3 - тарелка для сбора масла, стекающего вниз
по стенкам трубки; 4 - крышка воздуходувок, приводимых
в движение напором воздуха; 5 - воздуходувки, приводимые
в движение напором воздуха, обеспечивающие поступление
концентрированного масляного тумана в камеру;
6 - расходомеры, действующие в диапазоне 800 - 8000 дм3
для измерения потока воздуха, приводящего в движение
вентиляторы (5000 дм3/ч); 7 - расходомеры для измерения
расхода потока (95 дм3/мин); 8 - клапаны, регулирующие
расход потока; 9 - высокоэффективные фильтры;
10 - клапаны, снижающие давление до (1 - 5)·105 при входном
давлении (6 - 10)·105; 11 - высокоэффективный фильтр
с малым сопротивлением воздушному потоку; 12 - тройник
для отбора аэрозоля масляного тумана, необходимого
для испытания; 13 - игольчатый клапан, регулирующий
концентрацию аэрозоля масляного тумана в камере;
14 - генератор аэрозоля масляного тумана; 15 - аэрозольный
фотометр; 16 - испытуемый фильтр; 17 - зонд для измерения
концентрации аэрозоля масляного тумана в камере
(аэрозольный фотометр соединен с 16 и 17 с помощью короткой
трубки, как того требует схема. Не использующаяся
соединительная трубка должна быть герметично закрыта.
Трубки, через которые проходит аэрозоль масляного тумана,
изготовлены из пластика и обернуты тканью,
внутренний диаметр 19 мм); 18 - склянка Вульфа;
19 - объем буфера 5 дм3
Рисунок 5 - Схема установки для испытаний
с использованием аэрозоля парафинового масла
7.6.5.2.1 Генератор аэрозоля
Аэрозоль парафинового масла получают с использованием распылителя (рисунки 6 и 7). Сосуд для распыления 6 заполняют парафиновым маслом (вазелиновое масло марки CP 27 DAB 7) так, чтобы уровень масла находился между минимальной и максимальной отметками 10, и нагревают с помощью электрического нагревательного устройства 8 так, чтобы температура масла поддерживалась равной 100 °C, с помощью термостата 9. Температуру измеряют термометром 11.
1 - впускное отверстие с воздушным фильтром для поступления
воздуха под давлением 500 Па; 2 - расходомер; 3 - редуктор
давления; 4 - манометр; 5 - сосуд смешения;
6 - сосуд распыления; 7 - термостатируемый сосуд;
8 - нагревательное устройство; 9 - термостат;
10 - индикатор уровня масла; 11 - термометр;
12 - распыляющее сопло; 13 - контрольное сопло (втулка);
14 - U-образные манометры; 15 - спиральная трубка;
16 - дренажная трубка; 17 - выходной канал на измерительный
прибор; 18 - выходной канал для спуска потерь;
19 - клапан переключения; 20 - масляный насос;
21 - контейнер для подачи масла; 22 - закрепляющий винт
Рисунок 6 - Схема генератора аэрозоля парафинового масла
1 - парафиновое масло;
2 - максимальный и минимальный уровни масла
Рисунок 7 - Распылитель
Отфильтрованный сжатый воздух под давлением 400 кПа предварительно нагревают в нагревательном устройстве 8 и продувают через распыляющее сопло 12 (рисунок 7). Отделение больших капель в генерируемом масляном тумане происходит в распыляющем сопле 12, а затем в спиральной трубке 15. В сосуде смешения 5 происходит разбавление капель масла и масляного тумана отфильтрованным воздухом, проходящим расходом 50 дм3/мин, контролируемым расходомером 2. Поскольку разбавляющий воздух находится при комнатной температуре, масляный пар конденсируется в сосуде для смешения.
Концентрация тест-аэрозоля снижается до необходимой для испытания - (20 +/- 5) мг/м3 вследствие потерь соответствующей фракции масляного тумана (рисунок 5, узел 19, соединенный с тройником отбора аэрозоля масляного тумана 12, расходомером 8, высокоэффективным фильтром 11, игольчатым клапаном 13 и склянкой Вульфа 18) и последующего разбавления отфильтрованным потоком воздуха расходом 83 дм3/мин в воздуходувках, приводящихся в движение напором воздуха (см. рисунок 5, позиция 5 и рисунок 8). Полученный таким методом тест-аэрозоль является полидисперсным.
Рисунок 8 - Воздуходувка
Распределение частиц аэрозоля представляет собой логарифмическое нормальное распределение со средним диаметром Стокса 0,4 мкм (для числового распределения) и логарифмическим стандартным отклонением s = 0,26 (рисунок 9).
Расход потока через испытуемый фильтр
95 дм3/мин.
Концентрация аэрозоля
(20 +/- 5) мг/м3.
Температура воздуха
температура окружающей среды.
Давление воздуха, подаваемого на распылитель
(400 +/- 15) кПа.
Расход потока, подаваемого на распылитель
(13,5 +/- 0,5) дм3/мин.
Расход потока смешиваемого воздуха в генераторе аэрозоля
50 дм3/мин.
Расход потока разбавляющего воздуха
83 дм3/мин.
Температура масла в генераторе
100 - 110 °C.
Рисунок 9 - Распределение частиц аэрозоля
парафинового масла по размерам
Тест-аэрозоль подается в испытательную камеру (рисунок 5, позиция 1) с закрепленным в камере фильтром, подлежащим испытанию 16. Избыток аэрозоля отфильтровывается с помощью высокоэффективного фильтра с низким сопротивлением воздушному потоку 11. Поток расходом 95 дм3/мин пропускается через испытуемый фильтр.
Примечание - Физические свойства масла: при температуре 20 °C плотность - 0,846 г/см3, вязкость - от 0,026 до 0,031 Па·с.
7.6.5.2.2 Аэрозольный фотометр
Концентрацию аэрозоля парафинового масла измеряют до и после испытуемого фильтра с помощью интегрирующего фотометра для измерения рассеянного света. Устройство аэрозольного фотометра показано на рисунке 10.
1 - регулирующий мотор; 2 - регулятор пучка;
3 - пучок прямого света I0; 4 - фотоумножитель;
5 - усилитель; 6 - пучок рассеянного света, I;
7 - измерительная камера; 8 - источник света
Рисунок 10 - Схема аэрозольного фотометра
Прибор представляет собой устройство для измерения рассеянного света под углом 45°. Свет от источника направляют на измерительную ячейку и фотоумножитель. Прямой луч света, направленный на умножитель, прерывается с помощью обтюратора, так что в рассеянный частицами свет всегда вносят поправку на колебание интенсивности света источника. Интенсивность луча сравнения автоматически ослабляют с помощью нейтральных фильтров и клина нейтральной плотности до интенсивности луча рассеянного света.
Интенсивность рассеянного света, являющуюся показателем концентрации аэрозоля, регистрируют.
7.6.5.3 Условия проведения испытаний
Распределение частиц аэрозоля парафинового масла по размерам должно соответствовать представленному на рисунке 8.
7.6.5.4 Методика проведения испытаний
Тест-аэрозоль поступает в испытательную камеру с закрепленным в ней испытуемым фильтром. Через фильтр пропускают поток расходом 95 дм3/мин с использованием соответствующего насоса. Концентрацию аэрозоля измеряют непосредственно до и после фильтра с помощью аэрозольного фотометра. Проницаемость фильтра определяют путем усреднения значений, снятых в течение (30 +/- 3) с спустя три минуты после начала проведения испытания.
7.6.5.5 Обработка результатов
Проницаемость фильтра K, %, рассчитывают по формуле
K = (I2 - I0)/(I1 - I0)100%, (2)
где I1 - показания фотометра до фильтра;
I2 - показания фотометра после фильтра;
I0 - нулевой отсчет фотометра для чистого воздуха.
7.7. Устойчивость к запылению
7.7.1 Сущность метода
Сущность метода состоит в определении времени достижения регламентированного настоящим стандартом сопротивления противоаэрозольного фильтра постоянному воздушному потоку в процессе его запыления по 7.7.3. При этом произведение заданной в ходе запыления концентрации пыли на время экспозиции фильтра до достижения им предельного сопротивления должно быть не менее указанного в настоящем стандарте значения.
7.7.2 Оборудование для испытаний
Схема установки представлена на рисунке 11. Площадь сечения рабочей зоны испытательной камеры - 650 x 650 мм.
1 - воздушный фильтр; 2 - инжектор; 3 - испытательная
пылевая камера; 4, 6 - фильтр; 5 - зонд; 7 - расходомер;
8, 10, 12 - насос; 9 - линия отбора проб; 11, 13 - счетчик;
14 - пыль; 15 - распылитель
Рисунок 11 - Схема установки для испытаний на устойчивость
к запылению с использованием доломитовой пыли
7.7.3 Условия проведения испытаний
Используемое вещество - доломитовая пыль DRB 4/15.
Распределение частиц присутствующей в воздухе пыли по размерам в рабочей зоне пылевой камеры должно соответствовать представленному на рисунке 12.
Примечание - Данная характеристика является важным параметром, который необходимо контролировать, когда геометрические размеры испытательной камеры отличаются от указанных в настоящем стандарте.
Постоянный поток воздуха через пылевую камеру 60 м3/ч, линейная скорость 4 см/с.
Постоянный поток через фильтр 95 дм3/мин.
Концентрация пыли (400 +/- 100) мг/м3.
Температура воздуха (23 +/- 2) °C.
Относительная влажность воздуха (45 +/- 15)%.
Время испытания: до тех пор, пока произведение измеренной концентрации пыли на время экспозиции не будет равно 263 мг ч/м3 или пока сопротивление воздушному потоку не будет равно 400 Па - для фильтра Р1, 500 Па - для фильтра Р2 или 700 Па - для фильтра Р3.
Рисунок 12 - Распределение частиц доломитовой пыли
по размерам
7.7.4 Методика проведения испытаний
Испытаниям подлежат три образца.
Каждый образец устанавливают в испытательную пылевую камеру согласно рисунку 13.
1 - голова манекена; 2 - поток воздуха; 3 - фильтр;
4 - лицевая часть; 5 - зонд
Рисунок 13 - Составные части установки для определения
устойчивости к запылению с использованием доломитовой пыли
Испытуемый фильтр закрепляется в соответствующем зажиме. Фильтр может проверяться и при закреплении на лицевой части. В этом случае следует принимать во внимание перепад давления на определенных частях лицевой части (например, на клапане вдоха). В обоих случаях необходимо обеспечить герметичное закрепление фильтра в зажиме.
Пыль от распылителя подается в пылевую камеру для распыления в поток воздуха 60 м3/ч.
ИС МЕГАНОРМ: примечание.
В официальном тексте документа, видимо, допущена опечатка: пункт 5.8 отсутствует.
Испытуемый фильтр закрепляют на соответствующем держателе или устанавливают с уплотнением внутри в пылевой камере. Через фильтр пропускают поток воздуха с расходом 95 дм3/мин до достижения соответствующего предельного сопротивления, указанного в 5.8, или необходимого времени испытания.
8. Маркировка
8.1. Общие положения
8.1.1 Вся маркировка должна быть четко различимой и стойкой.
8.1.2 Маркировку сборных комплектов и отдельных частей с продолжительным сроком годности следует наносить таким образом, чтобы их можно было легко идентифицировать.
8.1.3 Если фильтры изготовлены из материала типа ФП, сведения об этом должны содержаться в маркировке изделия и в маркировке на упаковке (маркировка должна содержать буквы ФП).
8.2. Фильтры в корпусе
Маркировка фильтров в корпусе должна содержать следующее:
а) класс фильтра Р1, Р2 или Р3 и цветовую маркировку белого цвета.
При невозможности нанесения маркировки непосредственно на корпус фильтров, имеющих таковой, к нему должна быть прикреплена этикетка с соответствующей маркировкой цветом. В этом случае цвет корпуса не должен считаться цветовой маркировкой.
Не следует принимать серебряный цвет или цвет светлого металла за белый;
б) номер и год выпуска настоящего стандарта;
в) срок годности/истечение срока годности или эквивалентную пиктограмму, как показано на рисунке 14, где код "XX/XX" означает месяц и год;
г) название(я), торговую(ые) марку(и) или другую идентификацию изготовителя;
д) надпись "См. указания по эксплуатации", составленную на официальном(ых) языке(ах) страны назначения, или соответствующую пиктограмму, как показано на рисунке 14;
е) маркировку, идентифицирующую тип СИЗОД;
ж) аналогичным образом маркированные отдельные фильтры в комплекте фильтров с объяснениями в указаниях по эксплуатации.
Рисунок 14 - Пиктограммы
8.3. Фильтры без корпуса
Маркировка должна быть нанесена непосредственно на фильтр и должна содержать следующие сведения:
а) класс фильтра;
б) маркировку, идентифицирующую тип фильтра.
8.4. Упаковка фильтров
Каждая наименьшая фабричная упаковка фильтров должна быть маркирована с указанием следующих сведений, если они не указаны на самом фильтре:
а) класса фильтра, как указано в 8.2;
б) номера и года выпуска настоящего стандарта;
в) истечения срока годности или эквивалентной пиктограммы, как показано на рисунке 14;
г) названия(й), торговой(ых) марки(ок) или другой идентификации изготовителя;
д) надписи "См. указания по эксплуатации", на официальном(ых) языке(ах) страны назначения или соответствующей пиктограммой, как показано на рисунке 14;
е) маркировки, идентифицирующей тип фильтра;
ж) рекомендуемых изготовителем условий хранения (температуры и влажности) или эквивалентной пиктограммой, как показано на рисунке 14;
и) маркировки фильтров в корпусе.
Данные, приведенные в перечислениях в), е) и ж), должны быть видны при запечатанной упаковке.
9. Транспортирование и хранение
Правила транспортирования и хранения устанавливают в нормативных документах на изделия конкретных видов.
10. Указания по эксплуатации
10.1 Наименьшая фабричная упаковка должна быть снабжена указаниями по эксплуатации.
10.2 Указания по эксплуатации должны быть составлены на официальном(ых) языке(ах) страны назначения.
10.3 В указаниях по эксплуатации должны содержаться следующие сведения, необходимые обученному и квалифицированному персоналу:
- маркировка, обозначающая класс фильтра и тип СИЗОД;
- правила применения или ограничения по применению (если фильтры изготовлены из материала типа ФП, то в указаниях по эксплуатации должны быть указаны ограничения по применению изделия; при подземных выработках, в условиях повышенных и пониженных температур);
- проверка перед использованием;
- порядок сборки;
- условия хранения;
- правила ухода;
- требования по утилизации.
10.4 Указания по эксплуатации должны быть точными и понятными. Они могут содержать иллюстрации, нумерацию отдельных частей и их маркировку.
10.5 В указаниях по эксплуатации должны содержаться сведения о возможных осложнениях, возникающих в процессе эксплуатации фильтров пользователем, например:
- дефиците кислорода в окружающей атмосфере;
- опасности кислородной атмосферы или воздуха, обогащенного кислородом;
- качестве воздуха;
- использовании СИЗОД, в состав которых входят фильтры, во взрывоопасной атмосфере.
10.6 Необходимо дать объяснение используемым символам.
БИБЛИОГРАФИЯ
[1] EN 148-1:1999
Respiratory protective devices - Threads for facepieces. Part 1: Standard thread connection (Средства индивидуальной защиты органов дыхания. Соединительные узлы для лицевых частей. Стандартное резьбовое соединение)
[2] EN 149:2001+A1:2009
Respiratory protective devices - Filtering half masks to protect against particles - Requirements, testing, marking (Средства индивидуальной защиты органов дыхания. Полумаски фильтрующие для защиты от аэрозолей. Требования, испытания, маркировка)