Главная // Актуальные документы // ГОСТ (Государственный стандарт)СПРАВКА
Источник публикации
М.: Стандартинформ, 2016
Примечание к документу
Документ
введен в действие с 1 апреля 2017 года.
Название документа
"ГОСТ ISO 8178-11-2015. Межгосударственный стандарт. Двигатели внутреннего сгорания поршневые. Измерение выброса продуктов сгорания. Часть 11. Стендовые измерения выбросов газов и частиц из двигателей внедорожных транспортных средств на переходных режимах"
(введен в действие Приказом Росстандарта от 23.06.2016 N 672-ст)
"ГОСТ ISO 8178-11-2015. Межгосударственный стандарт. Двигатели внутреннего сгорания поршневые. Измерение выброса продуктов сгорания. Часть 11. Стендовые измерения выбросов газов и частиц из двигателей внедорожных транспортных средств на переходных режимах"
(введен в действие Приказом Росстандарта от 23.06.2016 N 672-ст)
Приказом Федерального
агентства по техническому
регулированию и метрологии
от 23 июня 2016 г. N 672-ст
МЕЖГОСУДАРСТВЕННЫЙ СТАНДАРТ
ДВИГАТЕЛИ ВНУТРЕННЕГО СГОРАНИЯ ПОРШНЕВЫЕ
ИЗМЕРЕНИЕ ВЫБРОСА ПРОДУКТОВ СГОРАНИЯ
ЧАСТЬ 11
СТЕНДОВЫЕ ИЗМЕРЕНИЯ ВЫБРОСОВ ГАЗОВ И ЧАСТИЦ ИЗ ДВИГАТЕЛЕЙ
ВНЕДОРОЖНЫХ ТРАНСПОРТНЫХ СРЕДСТВ НА ПЕРЕХОДНЫХ РЕЖИМАХ
Reciprocating internal combustion engines. Exhaust emission
measurement. Part 11. Testbed measurement of gaseous
and particulate exhaust emissions from engines used
in nonroad mobile machinery under transient test conditions
(ISO 8178-11:2006, IDT)
ГОСТ ISO 8178-11-2015
Дата введения
1 апреля 2017 года
Цели, основные принципы и основной порядок проведения работ по межгосударственной стандартизации установлены
ГОСТ 1.0-92 "Межгосударственная система стандартизации. Основные положения" и
ГОСТ 1.2-2009 "Межгосударственная система стандартизации. Стандарты межгосударственные, правила и рекомендации по межгосударственной стандартизации. Правила разработки, принятия, обновления и отмены"
1 ПОДГОТОВЛЕН Обществом с ограниченной ответственностью "Центральный научно-исследовательский дизельный институт" (ООО "ЦНИДИ") на основе собственного перевода на русский язык англоязычной версии стандарта, указанного в
пункте 5
2 ВНЕСЕН Межгосударственным техническим комитетом по стандартизации МТК 235 "Двигатели внутреннего сгорания поршневые"
3 ПРИНЯТ Межгосударственным советом по стандартизации, метрологии и сертификации (протокол от 12 ноября 2015 г. N 82-П)
За принятие проголосовали:
Краткое наименование страны по МК (ISO 3166) 004-97 | Код страны по МК (ISO 3166) 004-97 | Сокращенное наименование национального органа по стандартизации |
Армения | AM | Минэкономики Республики Армения |
Беларусь | BY | Госстандарт Республики Беларусь |
Казахстан | KZ | Госстандарт Республики Казахстан |
Киргизия | KG | Кыргызстандарт |
Россия | RU | Росстандарт |
Таджикистан | TJ | Таджикстандарт |
4 Приказом Федерального агентства по техническому регулированию и метрологии от 23 июня 2016 г. N 672-ст межгосударственный стандарт ГОСТ ISO 8178-11-2015 введен в действие в качестве национального стандарта Российской Федерации с 1 апреля 2017 г.
5 Настоящий стандарт идентичен международному стандарту ISO 8178-11:2006 "Двигатели внутреннего сгорания поршневые. Измерение выброса продуктов сгорания. Часть 11. Стендовые измерения выбросов газов и частиц из двигателей внедорожных транспортных средств на переходных режимах" ("Reciprocating internal combustion engines. Exhaust emission measurement. Part 11. Test bed measurement of gaseous and particulate exhaust emissions from engines used in non road mobile machinery under transient test conditions", IDT).
Международный стандарт ISO 8178-11:2006 разработан техническим комитетом ISO/TC 70 "Двигатели внутреннего сгорания поршневые", подкомитетом SC 8, "Измерение выбросов вредных веществ с отработавшими газами" Международной организации по стандартизации (ISO).
Сведения о соответствии ссылочных международных стандартов межгосударственным стандартам приведены в дополнительном
приложении ДА
6 ВВЕДЕН ВПЕРВЫЕ
Информация об изменениях к настоящему стандарту публикуется в ежегодном информационном указателе "Национальные стандарты" (по состоянию на 1 января текущего года), а текст изменений и поправок - в ежемесячном информационном указателе "Национальные стандарты". В случае пересмотра (замены) или отмены настоящего стандарта соответствующее уведомление будет опубликовано в ежемесячном информационном указателе "Национальные стандарты". Соответствующая информация, уведомление и тексты размещаются также в информационной системе общего пользования - на официальном сайте Федерального агентства по техническому регулированию и метрологии в сети Интернет (www.gost.ru)
Настоящий стандарт распространяется на поршневые двигатели внутреннего сгорания с самовоспламенением от сжатия и устанавливает методы измерения и оценки содержания газообразных вредных веществ и частиц в отработавших газах при стендовых испытаниях на переходных режимах.
Специальный цикл переменного нагружения, регламентируемый настоящим стандартом, распространяется на двигатели с самовоспламенением от сжатия мощностью от 37 до 560 кВт за исключением двигателей, используемых на дорожных транспортных средствах. Положения настоящего стандарта могут применяться к двигателям внедорожных транспортных средств и промышленного оборудования, согласно 8.3.1.3 ISO 8178-4. К их числу относятся, в частности, двигатели строительных машин, включая автопогрузчики, бульдозеры и гусеничные тракторы, а также двигатели гусеничных и колесных погрузчиков, грузовиков высокой проходимости, гидравлических экскаваторов, сельскохозяйственного оборудования, самодвижущихся сельскохозяйственных машин (в том числе тракторов), лесозаготовительного оборудования, вилочных погрузчиков, дорожных машин и мобильных кранов.
Многие методики испытаний, описанные в настоящем стандарте, представляют собой подробное изложение соответствующих лабораторных методов, так как определение вредных выбросов требует не только измерения какой-то одной величины, но и выполнения достаточно сложного комплекса измерений. Это значит, что получаемые результаты будут зависеть не только от типа двигателя и вида испытаний, но и от метода измерений.
В настоящем стандарте использованы нормативные ссылки на следующие стандарты:
ISO 5167-1:2003 Measurement of fluid flow by means of pressure differential devices inserted in circular cross section conduits running full - Part 1: General principles and requirements (Измерение расходов с помощью датчиков перепада давления, встроенных в полнопоточные трубопроводы кольцевого сечения. Часть 1. Общие принципы и требования)
ISO 5725-2:1994 Accuracy (trueness and precision) of measurement methods and results - Part 2: Basic method for the determination of repeatability and reproducibility of a standard measurement method [Точность (правильность и прецизионность) методов и результатов измерений. Часть 2. Основной метод определения повторяемости и воспроизводимости стандартного метода измерения]
ISO 8178-1:2006 Reciprocating internal combustion engines - Exhaust emission measurement - Part 1: Testbed measurement of gaseous and particulate exhaust emissions (Двигатели внутреннего сгорания поршневые. Измерение выброса продуктов сгорания. Часть 1. Измерение выбросов газов и частиц на испытательных стендах)
ISO 8178-5:2008 Reciprocating internal combustion engines - Exhaust emission measurement - Part 5: Test fuels (Двигатели внутреннего сгорания поршневые. Измерение выброса продуктов сгорания. Часть 5. Топливо для испытаний)
ISO 14396:2002 Reciprocating internal combustion engines - Determination and method for the measurement of engine power - Additional requirements for exhaust emission tests in accordance with ISO 8178 (Двигатели внутреннего сгорания поршневые. Определение и метод измерения мощности двигателя. Дополнительные требования при измерении выброса продуктов сгорания согласно ISO 8178)
ISO 15550:2002 Internal combustion engines - Determination and method for the measurement of engine power - General requirements (Двигатели внутреннего сгорания. Определение и метод измерения мощности двигателя. Общие требования)
ISO 16183:2002 Heavy duty engines - Measurement of gaseous emissions from raw exhaust gas and of particulate emissions using partial flow dilution systems under transient test conditions (Двигатели большой мощности. Измерение газообразных выбросов из неочищенных отработавших газов и выбросов твердых частиц с помощью систем частичного разбавления потока в неустановившемся режиме)
SAE J 1937:1995 Engine testing with low-temperature charge air-cooler systems in a dynamometer test cell (Стендовые испытания двигателей с низкотемпературными системами охлаждения надувочного воздуха)
В настоящем стандарте применены следующие термины с соответствующими определениями.
3.1 частицы (particulate matter): Материал, собранный на поверхности фильтра (фильтров) с заданными свойствами после пропускания через него отработавших газов, разбавленных чистым отфильтрованным воздухом до температуры потока газов в пределах (315 - 325) К [(42 - 52) °C] (температура измеряется непосредственно перед первым фильтром).
Примечание - В число этих материалов входят главным образом углерод, конденсат углеводородов, сульфаты и связанная вода.
3.2 газообразные продукты (gaseous pollutants): Оксид углерода, углеводороды и/или неметановые углеводороды, оксиды азота [выраженные в эквиваленте диоксида азота (NO2)], формальдегид и метанол.
3.3 частичнопоточный метод разбавления (partial flow dilution method): Метод, при котором часть потока неразбавленных отработавших газов отделяется и смешивается с необходимым количеством разбавляющего воздуха перед его пропусканием через фильтр пробоотбора частиц.
3.4 полнопоточный метод разбавления (full flow dilution method): Метод, при котором весь поток отработавших газов из двигателя смешивается с необходимым количеством разбавляющего воздуха перед отбором части разбавленных отработавших газов для анализа.
Примечание - Во многих полнопоточных системах разбавления эта отобранная часть разбавленных отработавших газов подвергается вторичному разбавлению с тем, чтобы обеспечить нужное значение температуры на фильтре пробоотбора частиц.
3.5 удельные значения выбросов (specific emissions): Массовые значения выбросов, выраженные в г/(кВт·ч).
3.6 испытательный цикл для установившихся режимов (steady-state test cycle): Последовательность испытательных режимов двигателя, в каждом из которых двигателю дается достаточно времени для достижения установившихся величин параметров режима, в том числе частоты вращения и крутящего момента.
3.7 испытательный цикл для переходных режимов (transient test cycle): Последовательность установленных значений частоты вращения и крутящего момента, быстро меняющихся во времени.
3.8 объявленная (номинальная) частота вращения (rated speed): Частота вращения, при которой, согласно заявлению изготовителя двигателя, достигается объявленная (номинальная или полная) мощность.
Примечание - Подробнее об этом см. ISO 14396.
3.9 низкая частота вращения (low speed): Наименьшая частота вращения двигателя, при которой достигается 50% объявленной (номинальной или полной) мощности.
3.10 высокая частота вращения (high speed): Наибольшая частота вращения двигателя, при которой достигается 70% объявленной (номинальной или полной) мощности двигателя.
3.11
эталонная частота вращения (reference speed): Принятое за 100% значение частоты вращения, которое используется для денормализации относительных значений частоты вращения в соответствии NRTC согласно
6.4.2.
3.12
время отклика (response time): Время между быстрым изменением измеряемого компонента в контрольной точке и изменением соответствующего сигнала измерительной системы, при которых изменение содержания измеряемого компонента составляет не менее 60% полной шкалы и происходит за время не более 0,1 с.
Примечания
1 Время отклика системы (t90) складывается из времени чистого запаздывания и времени изменения сигнала системы.
2 Время отклика сильно зависит от местонахождения контрольной точки, то есть от того, где происходит измерение - на пробоотборнике или непосредственно на входе анализатора. В настоящем стандарте контрольной точкой считается пробоотборник.
3.13 время запаздывания (delay time): Время между изменением измеряемого компонента в контрольной точке и изменением соответствующего сигнала измерительной системы на 10% от конечного значения (t10).
Примечания
1 Для газообразных компонентов время запаздывания складывается в основном из времени перемещения измеряемого компонента от пробоотборника к детектору.
2 При определении времени запаздывания контрольной точкой считается пробоотборник.
3.14 время нарастания (rise time): Время нарастания сигнала от 10 до 90% конечного показания прибора (t90 - t10).
Примечания
1 Это время определяет быстродействие прибора, то есть его реакцию после того, как измеряемый компонент достиг прибора.
2 При определении времени нарастания сигнала контрольной точкой считается пробоотборник.
3.15
время преобразования (transformation time): Время между изменением измеряемого компонента в контрольной точке и изменением соответствующего сигнала измерительной системы на 50% конечного значения (
t50).
Примечания
1 При определении времени преобразования контрольной точкой считается пробоотборник.
2 Время преобразования используется для сравнения сигналов различных измерительных приборов.
Y - сигнал анализатора;
1 - время отклика;
2 - время преобразования;
3 - ступенчатый входной сигнал;
4 - время запаздывания;
5 - время нарастания сигнала
Рисунок 1 - Параметры сигнала анализатора
4 Обозначения и сокращения
Таблица 1
Обозначение | Единица измерения | Наименование показателя |
A/Fst | отн. ед. | Стехиометрическое соотношение "воздух/топливо" |
c | ppm/% об. | Концентрация |
Cс | - | Коэффициент скольжения |
de | м | Диаметр выпускной трубы |
dp | м | Диаметр пробоотборника |
dPM | м | Диаметр частицы |
f | Гц | Частота пробоотбора |
fа | - | Атмосферный фактор |
| % | Поправка на влияние CO2 для анализатора NOx |
EE | % | Эффективность по этану |
| % | Поправка на влияние воды для анализатора NOx |
EМ | % | Эффективность по метану |
| % | Эффективность каталитического нейтрализатора NOx |
| Pa*s | Динамическая вязкость отработавших газов |
Hа | г/кг | Абсолютная влажность воздуха на впуске |
i | - | Нижний индекс, означающий текущее значение (например, 1 Гц) |
kf | - | Коэффициент, зависящий от типа топлива |
kh,D | - | Коэффициент поправки на влажность при расчетах выбросов NOx в двигателях типа CI (с самовоспламенением от сжатия) |
kw | - | Коэффициент поправки при пересчете с сухого на влажное состояние для неразбавленных отработавших газов |
| отн. ед. | Коэффициент избытка воздуха |
medf | кг | Масса эквивалентных разбавленных отработавших газов за цикл |
mf | мг | Масса собранной пробы частиц |
mgas | г | Масса газообразных выбросов (за цикл испытаний) |
mPM | г | Масса выбросов частиц (за цикл испытаний) |
mse | кг | Масса пробы отработавших газов за цикл |
msed | кг | Масса разбавленных отработавших газов, проходящих через смесительный туннель |
msep | кг | Масса разбавленных отработавших газов, проходящих через фильтры сбора частиц |
Mgas | г/кВт·ч | Удельные выбросы газообразных продуктов |
MPM | г/кВт·ч | Удельные выбросы частиц |
n | - | Число измерений |
pa | кПа | Давление насыщения пара, содержащегося в воздухе на впуске |
pb | кПа | Полное атмосферное давление |
pr | кПа | Давление водяных паров после воздухоохладителя |
ps | кПа | Атмосферное давление для сухого состояния |
p | - | Проницаемость частиц |
qmad | кг/с | Массовый расход воздуха на впуске по сухому весу |
qmaw | кг/с | Массовый расход воздуха на впуске по влажному весу |
qmCe | кг/с | Массовый расход углерода в составе неразбавленных отработавших газов |
qmCf | кг/с | Массовый расход углерода на входе в двигатель |
qmCp | кг/с | Массовый расход углерода в частичнопоточной системе разбавления |
qmdew | кг/с | Массовый расход разбавленных отработавших газов по влажному весу |
qmdw | кг/с | Массовый расход разбавляющего воздуха по влажному весу |
qmedf | кг/с | Эквивалентный массовый расход разбавленных отработавших газов по влажному весу |
qmew | кг/с | Массовый расход отработавших газов по влажному весу |
qmex | кг/с | Массовый расход газовой пробы, получаемой из смесительного туннеля |
qmf | кг/с | Массовый расход топлива |
qvs | л/мин | Расход отработавших газов через анализатор |
qvt | см3/мин | Массовый расход индикаторного газа |
rd | - | Степень разбавления |
rh | - | Коэффициент реакции плазменно-ионизационного детектора (FID) на углеводороды |
rm | - | Коэффициент реакции плазменно-ионизационного детектора (FID) на метанол |
rs | - | Усредненное значение выборки |
| кг/м3 | Плотность |
| кг/м3 | Плотность отработавших газов |
| кг/м3 | Плотность частиц |
| | Среднее отклонение |
T | К | Абсолютная температура |
Tа | К | Абсолютная температура воздуха на впуске |
t10 | с | Промежуток времени между появлением входного сигнала и моментом достижения выходного сигнала, равного 10% от конечного показания прибора |
t50 | с | Промежуток времени между появлением входного сигнала и моментом достижения выходного сигнала, равного 50% от конечного показания прибора |
t90 | с | Промежуток времени между появлением входного сигнала и моментом достижения выходного сигнала, равного 90% от конечного показания прибора |
r | с | Время релаксации частиц |
u | - | Соотношение плотностей данного компонента и отработавших газов |
Vs | л | Полный объем системы анализатора отработавших газов |
Wact | кВт·ч | Фактическая цикловая работа соответствующего испытательного цикла |
| м/с | Скорость газа в выпускной трубе |
| м/с | Скорость газа в пробоотборнике |
4.2 Обозначения и сокращения для состава топлива
WALF - массовое содержание водорода в топливе, %;
WBET - массовое содержание углерода в топливе, %;
WGAM - массовое содержание серы в топливе, %;
WDEL - массовое содержание азота в топливе, %;
WEPS - массовое содержание кислорода в топливе, %;

- молярная концентрация водорода (H/C);

- молярная концентрация углерода (C/C);

- молярная концентрация серы (S/C);

- молярная концентрация азота (N/C);

- молярная концентрация кислорода (O/C) применительно к топливу, состав которого выражается обобщенной формулой

.
4.3 Обозначения и сокращения для химических веществ
ACN - ацетонитрил;
C1 - углеродный (carbon 1) эквивалент углеводорода;
CH4 - метан;
CH3OH - метанол;
C2H6 - этан;
C3H8 - пропан;
CO - оксид углерода;
CO2 - диоксид углерода;
DNPH - динитрофенилгидразин;
DOP - диоктилфталат;
HC - углеводороды;
HCHO - формальдегид;
H2O - вода;
NMHC - неметановые углеводороды;
NOx - оксиды азота;
NO - оксид азота;
NO2 - диоксид азота;
PM - частицы;
RME - метиловый эфир рапсового масла.
CLD - хемилюминесцентный детектор;
FID - плазменно-ионизационный детектор;
FTIR - инфракрасный спектроанализатор с преобразованием Фурье;
GC - газовый хроматограф;
HCLD - хемилюминесцентный детектор с подогревом;
HFID - плазменно-ионизационный детектор с подогревом;
HPLC - жидкостный хроматограф высокого давления;
MW - молекулярная масса;
NDIR - недисперсионный инфракрасный спектроанализатор;
NMC - отделитель фракций, не содержащих метан;
NRTC - испытательный цикл для двигателей внедорожной техники на переходных режимах (Non Road Transient Cycle);
% FS - проценты полной шкалы (full scale);
SIMS - масс-спектрометр с мягкой ионизацией;
Stk - число Стокса.
5 Условия проведения испытаний
5.1 Условия испытаний двигателей
5.1.1 Параметры атмосферных условий при испытаниях
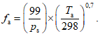
Абсолютная температура воздуха на впуске в двигатель Tа и атмосферное давление для сухого воздуха ps должны измеряться, а атмосферный фактор f должен вычисляться. В многоцилиндровых двигателях, в которых воздушные ресиверы на впуске сгруппированы определенным образом (например, в V-образных двигателях), должна определяться средняя температура для каждой группы.
Для двигателей без наддува и с механическим наддувом:

(1)
Для двигателей с турбонаддувом, с охлаждением или без охлаждения наддувочного воздуха:

(2)
Примечание -
Формулы (1) и
(2) соответствуют экологическим нормативам ЕЭК, ЕЭС и ЕРА, но отличаются от формул ISO для корректировки мощности.
5.1.2 Критерий достоверности испытаний
Для того чтобы испытания были достоверными, необходимо, чтобы параметр fа находился в диапазоне 0,93 <= fа <= 1,07.
Примечание - При испытаниях рекомендуется поддерживать значение параметра fа в диапазоне от 0,96 до 1,06.
5.2 Двигатели с охлаждением наддувочного воздуха
Температура наддувочного воздуха при испытаниях должна фиксироваться. При частоте вращения, соответствующей объявленной мощности и полной нагрузке, эта температура должна быть равна максимальной температуре наддувочного воздуха, объявленной изготовителем, с точностью до +/- 5 К (+/- 5 °C). Температура охлаждающей среды должна быть не более 293 К (20 °C).
Если в качестве источника воздуха для двигателя используется технологическая система стенда или внешний нагнетатель, температура воздуха на впуске должна поддерживаться с точностью до +/- 5 (+/- 5 °C) К, равной объявленной изготовителем максимальной температуре наддувочного воздуха при частоте вращения, соответствующей объявленной мощности и полной нагрузке. При этом температура и расход охлаждающей среды через охладитель наддувочного воздуха в указанном выше режиме не должны меняться на протяжении всего цикла испытаний. Объем охладителя наддувочного воздуха должен выбираться в соответствии с общепринятой инженерной практикой и соответствовать требованиям типичных промышленных и транспортных применений.
Допускается также устанавливать параметры охладителя наддувочного воздуха в соответствии с нормами SAE J 1937.
Измерения удельных значений вредных выбросов должны производиться при работе двигателя под нагрузкой, соответствующей некорректированной тормозной мощности, определенной в ISO 14396. Двигатель должен быть предъявлен для испытаний с теми вспомогательными устройствами, которые необходимы для его работы.
Если установка вспомогательных устройств на испытательный стенд невозможна или затруднена, следует определить мощность, затрачиваемую на их привод, и вычесть ее из измеренной мощности двигателя во всем рабочем диапазоне испытательного цикла.
Те вспомогательные устройства, которые необходимы только для работы приводимого механизма, перед испытаниями двигателя должны быть сняты. Примерами подобных устройств являются:
- воздушный компрессор для тормозной системы,
- насос гидроусилителя руля,
- компрессор кондиционера,
- насосы гидроусилителей.
Подробнее об этом см. ISO 14396 и ISO 15550, таблица 1.
Если вспомогательные устройства не были сняты, то потребляемая ими мощность должна быть определена и добавлена к мощности двигателя во всем рабочем диапазоне испытательного цикла, за исключением случаев, когда такие устройства являются неотъемлемой частью двигателя (например, вентилятор двигателя с воздушным охлаждением).
Формула для вычисления поправки к измеренной мощности или к измеренной работе в цикле, добавляемой к некорректированной тормозной мощности или некорректированной работе в цикле согласно
6.6.2, должна быть представлена изготовителем двигателя для всего диапазона испытательного цикла и согласована всеми заинтересованными сторонами.
Для подачи воздуха может использоваться штатный впускной коллектор двигателя или впускная система испытательного стенда при условии, что потеря давления на впуске с точностью до +/- 300 Па равна максимальному значению этого параметра, указанному изготовителем двигателя для чистого воздухоочистителя, при частоте вращения двигателя, соответствующей номинальной мощности и полной нагрузке.
Если двигатель имеет встроенную систему подачи воздуха, то при испытаниях должна использоваться эта система.
Для выпуска может использоваться штатный выпускной коллектор двигателя или соответствующая система испытательного стенда при условии, что при частоте вращения, соответствующей номинальной мощности и полной нагрузке, эта система создает противодавление, равное максимальному значению данного параметра, заданному изготовителем двигателя, с точностью до +/- 650 Па. Выпускная система должна удовлетворять требованиям к отбору проб отработавших газов, установленных в 9.4.2 и 16.2 ISO 8178-1.
Если двигатель оборудован устройством очистки отработавших газов, диаметр выпускной трубы перед входом в расширение выпускного тракта, где установлено это устройство, должен быть постоянным на расстоянии вверх по ходу потока от этого расширения, равном как минимум четырем диаметрам трубы. Расстояние от фланца выпускного трубопровода или выходного сечения турбокомпрессора до устройства очистки отработавших газов должно быть таким же, как при установке двигателя на объекте, или таким, как указано изготовителем двигателя. Противодавление на выпуске или гидравлическое сопротивление выпускной системы должно отвечать упомянутым выше критериям, при этом должна быть обеспечена возможность его регулирования с помощью дросселя. При макетных испытаниях и при снятии скоростной характеристики двигателя емкость, содержащая устройство очистки отработавших газов, может сниматься и заменяться эквивалентной емкостью, включающей несущую конструкцию с неактивным катализатором.
Система охлаждения двигателя, используемая при испытаниях, должна обеспечивать поддержание нормальных рабочих температур, определенных изготовителем двигателя.
Смазочное масло должно быть определено изготовителем двигателя. Характеристики смазочного масла, используемого при испытаниях, должны быть зафиксированы и включены в отчет об испытаниях.
5.8 Топливо для испытаний
Характеристики топлива оказывают влияние на содержание вредных выбросов двигателя. Поэтому характеристики топлива, используемого при испытаниях, должны быть зафиксированы и включены в отчет об испытаниях. Если используются эталонные виды топлива, указанные в ISO 8178-5, необходимо привести идентификационный код соответствующего топлива и результаты его анализа. Для всех остальных видов топлива должны быть зафиксированы их характеристики, перечисленные в соответствующих типовых таблицах ISO 8178-5.
Температура топлива должна соответствовать рекомендациям изготовителя. Температура топлива должна измеряться на входе топливного насоса высокого давления или в другом месте, указанном изготовителем, при этом местонахождение точки измерения должно фиксироваться.
Выбор топлива для испытаний зависит от цели данных испытаний. Если заинтересованные стороны не договорились об ином, выбор топлива для испытаний должен производиться в соответствии с
таблицей 2. В случае отсутствия нужного эталонного топлива допускается использование другого топлива, по своим свойствам достаточно близкого к эталонному. Характеристики топлива должны быть запротоколированы.
Таблица 2
Цель испытаний | Заинтересованные стороны | Выбор топлива |
Приемочные испытания (сертификация) | Орган сертификации. Изготовитель или поставщик | Эталонное топливо (если оно определено). Промышленное топливо (если эталонное топливо не определено) |
Приемо-сдаточные испытания | Изготовитель или поставщик. Заказчик или инспектор | Промышленное топливо, определенное изготовителем <*> |
Исследование/доводка | В их числе могут быть: - изготовитель, - исследовательская организация, поставщик топлива и масел и т.п. | В зависимости от целей испытаний |
<*> Заказчики и инспекторы должны иметь в виду, что значения вредных выбросов, полученные при использовании промышленного топлива, необязательно будут укладываться в допустимые пределы, предполагающие использование эталонного топлива. |
Испытательный цикл для двигателей внедорожной техники на переходных режимах (NRTC) приведен в
приложении A в виде табличной посекундной зависимости нормализованных величин частоты вращения и крутящего момента, применимой для всех двигателей, на которые распространяется настоящий стандарт. Для преобразования этого испытательного цикла в цикл конкретного двигателя нормализированные величины должны быть преобразованы в эталонные величины на основании исходной скоростной характеристики испытуемого двигателя. Это преобразование называется денормализацией, а построенный таким образом испытательный цикл называется эталонным циклом двигателя, предназначенного для испытаний. Полученные таким образом эталонные значения частоты вращения и крутящего момента двигателя должны быть реализованы на стенде. При этом фиксируются фактические значения частоты вращения, крутящего момента и мощности, полученные в ходе испытаний. Для подтверждения достоверности результатов испытаний после их окончания необходимо выполнить регрессионный анализ соотношения между эталонными и фактическими значениями частоты вращения, крутящего момента и мощности. Для расчета удельных выбросов должна быть рассчитана фактическая величина произведенной в течение испытательного цикла работы путем интегрирования по времени фактических значений мощности двигателя на протяжении цикла. Фактическое значение работы цикла должно быть в пределах, установленных для работы эталонного цикла.
6.2 Общая последовательность испытаний
В общем виде последовательность испытаний может быть представлена следующей блок-схемой. Детали каждого шага описаны в соответствующих пунктах. В обоснованных случаях допускаются отклонения от указанной последовательности, но требования соответствующих пунктов стандарта являются обязательными.
┌─────────────────────────────────────────────────────────────────────────┐
│Подготовить двигатель, провести предварительные измерения параметров │
│и калибровку │
└─────────────────────────────────────┬───────────────────────────────────┘
v
┌─────────────────────────────────────────────────────────────────────────┐
│Построить характеристику двигателя (кривая максимального крутящего │
│Построить эталонный испытательный цикл (см.
6.4)│
└─────────────────────────────────────┬───────────────────────────────────┘
v
┌─────────────────────────────────────────────────────────────────────────┐
│Провести один или несколько пробных циклов для проверки систем │
│двигателя/стенда/системы очистки отработавших газов │
└─────────────────────────────────────┬───────────────────────────────────┘
v
┌─────┐
│СТАРТ│
└──┬──┘
v
┌─────────────────────────────────────────────────────────────────────────┐
│Провести работу двигателя на предварительно установленном цикле │
│с соблюдением условий испытаний и системы измерения частиц (см.
7.4) │
│Частицы собираются имитатором фильтра │
└─────────────────────────────────────┬───────────────────────────────────┘
v
┌─────────────────────────────────────────────────────────────────────────┐
│При работающем двигателе перевести систему PM в режим байпаса, заменить │
│фильтр PM на стабилизированный и взвешенный фильтр пробоотбора (см.
7.5) │
│Подготовить остальные системы для взятия проб и сбора данных (см.
7.7) │
└─────────────────────────────────────┬───────────────────────────────────┘
v
┌─────────────────────────────────────────────────────────────────────────┐
│Выполнить 5-минутный цикл измерений вредных выбросов или после остановки │
│двигателя, или после работы двигателя на холостом ходу (см.
7.8) │
└─────────────────────────────────────────────────────────────────────────┘
Перед началом испытательного цикла можно выполнить один или несколько пробных циклов для проверки двигателя, стенда и систем очистки отработавших газов.
6.3 Процедура построения исходной характеристики двигателя
6.3.1 Общие положения
Для построения NRTC перед испытаниями должна быть снята исходная скоростная характеристика двигателя - зависимость крутящего момента от частоты вращения.
6.3.2 Определение диапазона частоты вращения
Верхняя и нижняя границы диапазона определяются следующим образом:
- минимальная частота вращения равна частоте вращения холостого хода;
- максимальная частота вращения равна nhi x 1,02 или частоте вращения, при которой крутящий момент при полной нагрузке падает до нуля. Берется наименьшее из двух указанных значений.
6.3.3 Исходная характеристика двигателя
Перед снятием характеристики двигатель должен быть прогрет для стабилизации его параметров в соответствии с рекомендациями изготовителя и общепринятой инженерной практикой. После стабилизации параметров исходная характеристика двигателя снимается одним из следующих способов.
6.3.3.1 Плавное увеличение частоты вращения
a) Двигатель работает на холостом ходу;
b) Устанавливается режим работы двигателя на минимальной частоте вращения при значении топливоподачи, соответствующей полной нагрузке;
c) Частота вращения двигателя увеличивается от минимальной до максимальной со средним темпом приращения (8 +/- 1) мин-1/с при фиксации текущих значений частоты вращения двигателя и крутящего момента с интервалом не более 1 с.
6.3.3.2 Ступенчатое увеличение частоты вращения
a) Двигатель работает на холостом ходу;
b) Устанавливается режим работы двигателя на минимальной частоте вращения при значении топливоподачи, соответствующей полной нагрузке;
c) При полной нагрузке режим минимальной частоты вращения поддерживается в течение не менее 15 с, при этом фиксируется средний крутящий момент в течение последних 5 с. Для построения характеристики частота вращения увеличивается ступенями не более (100 +/- 20) мин. В каждой точке измерения двигатель должен проработать не менее 15 с, при этом должен фиксироваться средний крутящий момент в течение последних 5 с.
6.3.4 Построение исходной характеристики
Все точки, определенные в соответствии с
6.3.3, наносятся на график и соединяются отрезками с использованием линейной интерполяции. Получившаяся кривая является исходной характеристикой двигателя, которая должна быть использована для преобразования согласно
6.4.3 нормализованных значений крутящего момента, представленных в
приложении A, в эталонные значения крутящего момента для испытательного цикла.
6.3.5 Альтернативный способ построения характеристики
Если изготовитель считает описанный выше способ небезопасным или неприемлемым для данного двигателя, допускается использование следующего альтернативного способа. Данный способ заключается в определении предельно допустимого крутящего момента при любых значениях частоты вращения двигателя в пределах данного испытательного цикла. Любые отклонения от указаний настоящего раздела, допущенные по соображениям безопасности или достоверности, должны быть обоснованы и согласованы со всеми заинтересованными сторонами. Однако для двигателя, имеющего регулятор частоты вращения и/или турбонаддув, не допускается построение характеристики путем снижения частоты вращения.
6.3.6 Повторные испытания
Снимать исходные характеристики двигателя перед каждым испытательным циклом нет необходимости. Снятие характеристики двигателя заново перед испытательным циклом должно производиться в случае, если:
- со времени последнего снятия характеристики прошло много времени (с точки зрения общепринятой практики) или
- за это время в двигатель внесены изменения или проведена перенастройка, способные повлиять на его параметры.
6.4 Построение эталонного испытательного цикла
6.4.1 Эталонная частота вращения
Эталонная частота вращения n
ref соответствует 100% значению нормализированной частоты вращения, которая указана в характеристике нагружения, приведенной в
приложении A. Фактический испытательный цикл, строящийся по результатам денормализации частоты вращения от относительных к абсолютным значениям, определяется выбором эталонной частоты вращения. Эталонная частота вращения определяется следующим образом:
nref = низкая частота вращения + 0,95 x (высокая частота
вращения, низкая частота вращения),
где высокая частота вращения - это наибольшая частота вращения двигателя, при которой он может развить 70% номинальной мощности;
низкая частота вращения - это наименьшая частота вращения двигателя, при которой он может развить 50% номинальной мощности.
Если эталонная частота вращения, измеренная с точностью до +/- 3%, совпадает с эталонной частотой вращения, объявленной изготовителем, то при контроле выбросов должна быть использована эталонная частота вращения, объявленная изготовителем. В случае превышения указанного допуска должна использоваться измеренная эталонная частота вращения.
6.4.2 Денормализация частоты вращения двигателя
Для денормализации частоты вращения двигателя используется следующая формула:
Эталонная частота вращения = [частота вращения x (исходная
частота вращения - частота вращения хол. хода)/100] +
+ частота вращения хол. хода. (3)
6.4.3 Денормализация крутящего момента двигателя
Значения крутящего момента, указанные в
приложении A, приводятся к его максимальному значению при соответствующей частоте вращения. Значения крутящего момента эталонного цикла должны быть денормализированы с использованием характеристики, определенной согласно
6.3.3, по следующей формуле:
Эталонный крутящий момент = [крутящий момент x
x максимальный крутящий момент]/100
для соответствующей эталонной частоты вращения,
определенной согласно
6.4.2. (4)
6.4.4 Пример процедуры денормализации
В качестве примера рассмотрим следующий случай:
- частота вращения = 43%;
- крутящий момент = 82%.
Имея следующие значения:
- исходная частота вращения = 2200 об/мин;
- частота вращения холостого хода = 600 об/мин
получаем:
Найдя из характеристики двигателя величину максимального крутящего момента при 1288 об/мин, равную 700 Нм, получаем текущее значение крутящего момента:
6.5.1 Общие положения
При работе двигателя на стенде с помощью динамометра задается тормозной момент, приведенный к оси коленчатого вала, при этом должна быть учтена инерция динамометра.
Фактическое значение крутящего момента равно показанию стендового измерителя крутящего момента плюс момент инерции нагрузочного устройства, умноженный на ускорение. Система управления стендом должна вести соответствующие вычисления в реальном времени.
6.5.2 Вихретоковый динамометр
Если двигатель испытывается с помощью вихретокового динамометра, инерция динамометра должна быть согласована с размерами двигателя. Поэтому рекомендуется, чтобы число точек, в которых разность

составляет менее 5% максимального значения отрицательного крутящего момента двигателя, не превышало 30, где
Tsp - измеренный крутящий момент;
nsp - соответствующая частота вращения двигателя;

- инерция вращения вихретокового динамометра.
6.6 Проверка корректности испытаний
6.6.1 Сдвиг данных
Чтобы свести к минимуму влияние сдвига во времени фактического цикла по отношению к эталонному, требуется сдвинуть построенный график сигналов по частоте вращения и крутящему моменту относительно эталонного на величину опережения или запаздывания. При наличии сдвига по времени сигналов фактических значений необходимо сдвинуть значения частоты вращения и крутящего момента на это же значение в том же направлении.
6.6.2 Вычисление работы за цикл
Работа за фактический цикл
Wast, кВт·ч, рассчитывается по зафиксированным значениям частоты вращения и крутящего момента в каждой точке измерений. Если выбрана данная опция, указанное вычисление должно выполняться после каждого случая сдвига фактических данных. Работа за фактический цикл
Wact используется для ее сравнения с работой за эталонный цикл
Wref и в расчетах удельных значений выбросов (см.
9.3.7,
9.4.7,
10.3.7 и
10.4.5). Та же методика используется и при интегрировании эталонной и фактической мощности двигателя. При необходимости определения величин, находящихся между соседними точками эталонной или фактической кривой, используется линейная интерполяция.
При интегрировании работы за фактический цикл отрицательные значения крутящего момента должны учитываться и приравниваться к нулю. Если при частоте интегрирования менее 5 Гц на протяжении данного периода времени значение крутящего момента переходит через ноль, отрицательная часть должна учитываться и приравниваться к нулю. Положительная часть должна включаться в значение интеграла.
Значение Wact должно быть между минус 15% и плюс 5% Wref.
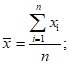
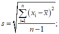
6.6.3 Статистическая оценка испытательного цикла
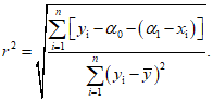
Должны быть построены линии регрессии фактических значений частоты вращения, крутящего момента и мощности относительно эталонных значений. Если выбрана данная опция, такое построение должно быть выполнено после каждого случая сдвига данных. При этом должен быть использован метод наименьших квадратов в соответствии с формулой, приведенной в
приложении G:

(5)
где y - фактическое значение частоты вращения (мин-1), крутящего момента (Н·м) или мощности (кВт);

- наклон линии регрессии;
x - эталонное значение частоты вращения (мин1), крутящего момента (Н·м) или мощности (кВт);

- точка пересечения линией регрессии оси
y.
Стандартная погрешность оценки (
Sy.x)
y по
x и коэффициент смешанной корреляции (
r2) должны рассчитываться для каждой линии регрессии. Анализ рекомендуется проводить на частоте 1 Гц. Для подтверждения достоверности результатов испытаний необходимо выполнять условия, приведенные в
таблице 3.
Таблица 3
Допуски для линии регрессии
| Частота вращения | Крутящий момент | Мощность |
Стандартная погрешность оценки (Sy.x) y по x | Не более 100 мин-1 | Не более 13% максимального крутящего момента по характеристике двигателя | Не более 8% максимальной мощности по характеристике двигателя |
Наклон линии регрессии,  | 0,95 - 1,03 | 0,83 - 1,03 | 0,83 - 1,03 |
Коэффициент смешанной корреляции, r2 | Не менее 0,9700 | Не менее 0,8800 | Не менее 0,9100 |
Точка пересечения линии регрессии с осью y,  | +/- 50 мин-1 | +/- 20 Н·м или +/- 2% максимального крутящего момента (большее из двух значений) | +/- 4 кВт или +/- 2% максимальной мощности (большее из двух значений) |
До начала регрессионного анализа (и только для этой цели) точки, указанные в
таблице 4, могут быть удалены. Однако удаление данных точек при расчетах работы за цикл и выбросов не допускается. Точка холостого хода определяется как точка, в которой нормализованный эталонный крутящий момент равен 0%, а нормализованная эталонная частота вращения равна 0,1%. Удаление указанных точек допускается как для всего цикла, так и для любой его части.
Таблица 4
Точки, разрешенные к удалению для целей
регрессионного анализа
Условие | Удаляемые точки |
Первые (24 +/- 1) с и последние (25 +/- 1) с | Частота вращения, крутящий момент, мощность |
Полная нагрузка и сигнал по крутящему моменту менее 95% эталонного момента | Крутящий момент и/или мощность |
Полная нагрузка и сигнал по частоте вращения менее 95% эталонной частоты вращения | Частота вращения и/или мощность |
Нулевая нагрузка, сигнал по частоте вращения более частоты вращения холостого хода +50 мин-1, а сигнал по крутящему моменту более 105% эталонного момента | Крутящий момент и/или мощность |
Нулевая нагрузка, сигнал по частоте вращения более частоты вращения холостого хода +50 мин-1, а сигнал по крутящему моменту = определяемый изготовителем или измеренный крутящий момент холостого хода +/- 2% максимального крутящего момента | Частота вращения и/или мощность |
Нулевая нагрузка и сигнал по частоте вращения более 105% эталонной частоты вращения | Частота вращения и/или мощность |
Вредные выбросы, количество которых должно измеряться при испытаниях, состоят из частиц и газообразных (оксид углерода, общие или неметановые углеводороды и оксиды азота) продуктов. Кроме того, измеряется количество диоксида углерода, который часто используется в качестве индикаторного газа для определения степени разбавления отработавших газов в полнопоточной или частичнопоточной системе разбавления. Согласно установившейся инженерной практике, измерение общего количества диоксида углерода является средством выявления проблем с измерениями в ходе испытаний.
Измерения содержания перечисленных выше вредных выбросов проводятся в ходе стандартного испытательного цикла для переходных режимов (NRTC) после прогрева двигателя. На основании сигналов по частоте вращения и крутящему моменту от динамометра вычисляется мощность, которая интегрируется по времени испытательного цикла для расчета работы за цикл. Концентрации газообразных продуктов в течение цикла определяются либо по неразбавленным отработавшим газам путем интегрирования сигнала анализатора согласно
9.3.4, либо по разбавленным отработавшим газам из CVS полнопоточной системы разбавления путем интегрирования или с помощью пробоотбора согласно
10.3.4. Для определения массы частиц используется пропорциональная выборка из потока разбавленных отработавших газов, собранная на фильтре определенного типа с помощью частичнопоточной (см.
9.4.2) или полнопоточной (см.
10.4.3) системы разбавления. В зависимости от использованного метода для расчета массовых выбросов вредных веществ должен быть определен расход разбавленных или неразбавленных отработавших газов в течение испытательного цикла. Полученные значения делятся на работу двигателя для того, чтобы получить удельные значения массовых выбросов каждого вещества в граммах на киловатт-час.
Перед началом испытательного цикла можно выполнить один или несколько пробных циклов для проверки двигателя, стенда и систем очистки отработавших газов.
7.2 Подготовка фильтров для пробоотбора
Как минимум за час до начала испытаний каждый фильтр должен быть помещен в чашку Петри, защищенную от проникновения пыли, но имеющую доступ воздуха, которая ставится в весовую камеру для стабилизации. По окончании периода стабилизации каждый фильтр взвешивается, при этом фиксируется их вес. После этого фильтры должны храниться в закрытой чашке Петри или в герметичном держателе фильтров до тех пор, пока они не понадобятся для испытаний. Фильтры должны быть использованы в течение восьми часов после того, как их вынули из весовой камеры.
7.3 Установка измерительного оборудования
Установка приборов и пробоотборников должна производиться согласно соответствующим инструкциям. В случае полнопоточного разбавления отработавших газов система подключается к выпускной трубе.
7.4 Пуск двигателя и подготовка системы разбавления
Двигатель и система разбавления должны быть запущены и прогреты. С целью подготовки системы пробоотбора к испытаниям двигатель должен проработать не менее 20 мин на номинальной частоте вращения и 100% крутящем моменте, одновременно должны работать либо частичнопоточная система разбавления, либо полнопоточная система разбавления с системой вторичного разбавления. При этом можно собрать пробные образцы частиц на фильтре. Эти фильтры не проходят взвешивание и стабилизацию, а просто выбрасываются. После того как фильтры и система пробоотбора отработали 20 мин, фильтровальные материалы могут быть заменены. Величина расхода устанавливается примерно на том уровне, какой ожидается при испытаниях. Крутящий момент, вначале равный 100%, должен быть снижен настолько, чтобы при номинальной частоте вращения температура в зоне пробоотбора не превысила максимального значения 464 К (191 °C) в случае использования полнопоточной системы разбавления.
7.5 Пуск системы пробоотбора частиц
Система пробоотбора частиц запускается и вначале работает в режиме байпаса. Фоновый уровень частиц в разбавляющем воздухе может быть определен путем забора пробы разбавляющего воздуха на входе отработавших газов в смесительный канал. При использовании фильтрованного разбавляющего воздуха достаточно выполнить одно такое измерение перед испытаниями или после их окончания. Если разбавляющий воздух не фильтруется, то можно выполнить два измерения - до и после окончания цикла испытаний и в протокол внести их среднее значение. Если для фоновых измерений используется отдельная система пробоотбора, эти измерения ведутся в течение всего периода испытаний.
7.6 Регулировка степени разбавления
Общий расход разбавленных отработавших газов через полнопоточную систему разбавления или расход разбавленных отработавших газов через частичнопоточную систему разбавления должен быть отрегулирован таким образом, чтобы обеспечить отсутствие конденсации в системе и поддержание температуры поверхности фильтра в диапазоне от 315 К (42 °C) до 325 К (52 °C).
7.7 Проверка анализаторов
Анализаторы отработавших газов должны быть обнулены и наполнены поверочным газом. Если используются мешки пробоотбора, они должны быть опорожнены.
Двигатель должен быть запущен в течение 5 мин после окончания предварительного прогрева в соответствии с процедурой пуска, описанной в руководстве по эксплуатации и обслуживанию двигателя. Пуск производится с помощью штатного стартера или динамометра. Возможно также приступать к испытаниям сразу после завершения прогрева, без остановки двигателя, после 5 мин работы на холостом ходу.
7.9.1 Последовательность испытаний
Испытания начинаются с пуска двигателя или с момента, когда двигатель отработает 5 мин на холостом ходу (если он перед этим не останавливался). Испытания проводятся по испытательному циклу, описанному в
6.4. Команды задания частоты вращения и крутящего момента должны выдаваться с частотой не менее 5 Гц (рекомендуется 10 Гц). Задаваемые значения частоты вращения и крутящего момента вычисляются линейной интерполяцией между точками эталонного цикла, задаваемыми с частотой 1 Гц. Фактические значения частоты вращения и крутящего момента во время испытательного цикла должны регистрироваться как минимум один раз в секунду. Сигналы по частоте вращения и крутящему моменту могут подвергаться фильтрации электронными средствами.
7.9.2 Сигнал анализатора
В момент пуска двигателя или начала испытательного цикла (если цикл начинается без остановки двигателя) производится пуск измерительной аппаратуры. Одновременно начинается:
- забор или анализ проб разбавляющего воздуха, если используется полнопоточная система разбавления;
- забор или анализ проб неразбавленных или разбавленных отработавших газов в зависимости от используемого метода;
- измерение количества разбавленных отработавших газов, а также необходимых температур и давлений;
- регистрация массового расхода отработавших газов, если используется анализ неразбавленных отработавших газов;
- регистрация фактических значений частоты вращения и крутящего момента на динамометре.
Если используется анализ неразбавленных отработавших газов, то концентрация загрязнений (HC, CO и NOx) и массовый расход отработавших газов должны непрерывно измеряться с частотой не менее 2 Гц и регистрироваться компьютерной системой. Все остальные измеряемые величины должны регистрироваться с частотой не менее 1 Гц. Если используются аналоговые анализаторы, то ведется непрерывная запись их выходного сигнала, а при оценке полученных данных должны быть учтены данные калибровки анализаторов - или в режиме реального времени, или по завершении испытаний.
При использовании полнопоточной системы разбавления должно производиться непрерывное измерение содержания HC и NOx в смесительном туннеле с частотой не менее 2 Гц. Усредненные значения определяются путем интегрирования сигналов анализатора на протяжении испытательного цикла. Время реакции системы не должно превышать 20 с и при необходимости должно быть согласовано с пульсациями потока в CVS, а также со сдвигом пробоотбора относительно точек испытательного цикла по времени. Содержание CO, CO2 и NMHC определяется интегрированием или анализом концентрации в пробоотборном мешке указанных веществ, собранных в течение испытательного цикла. Содержание газообразных загрязнителей в разбавляющем воздухе определяется с помощью интегрирования или сбора этих загрязнителей в пробоотборный мешок, предназначенный для определения фоновой концентрации. Все остальные необходимые параметры должны регистрироваться с частотой не менее одного раза в секунду (1 Гц).
7.9.3 Пробоотбор частиц
При пуске двигателя или в начале испытаний, если испытательный цикл начинается без остановки двигателя, система пробоотбора частиц должна быть переключена из режима байпаса в режим сбора частиц.
Если используется частичнопоточная система разбавления, то насос (насосы) пробоотбора должны быть настроены таким образом, чтобы расход через пробоотборник или передаточную трубку поддерживался пропорциональным массовому расходу отработавших газов.
Если используется полнопоточная система разбавления, то режим работы насоса (насосов) пробоотбора должен быть таким, чтобы расход через пробоотборник или передаточную трубку поддерживался на заданном уровне с точностью +/- 5%. При наличии системы компенсации расхода (то есть пропорционального управления расходом пробы) необходимо продемонстрировать, что соотношение расходов через основной тракт и пробоотборник поддерживается на заданном уровне с точностью +/- 5% (за исключением первых нескольких секунд после начала пробоотбора).
При этом должна вестись запись средней температуры и давления на входе газового счетчика или расходомера. Если не удалось обеспечить поддержание расхода на заданном уровне (с точностью +/- 5%) на протяжении всего испытательного цикла из-за чрезмерного засорения фильтра частицами, результаты испытаний аннулируются. В этом случае испытание должно быть повторено при меньшем расходе и/или с

диаметром фильтра.
7.9.4 Остановка двигателя
Если двигатель во время проведения испытательного цикла останавливался, то к следующему пуску он должен быть подготовлен заново, а испытания должны быть повторены. При отказе любого компонента испытательной аппаратуры во время проведения испытательного цикла результаты испытаний аннулируются.
7.9.5 Действия по завершении испытаний
По завершении испытаний останавливается насос пробоотбора частиц и прекращается измерение массового расхода отработавших газов, объема разбавленных отработавших газов, а также расхода газов на входе в пробоотборные мешки. В случае использования интегрирующей системы анализатора забор проб продолжается до истечения времени реакции системы.
После завершения испытаний измерение концентрации загрязнителей в пробоотборных мешках должно быть выполнено как можно быстрее, не позднее чем через 20 мин после окончания испытательного цикла.
По завершении испытаний должна быть выполнена контрольная поверка анализаторов с помощью нулевого газа и поверочного газа того же состава. Испытание считается действительным, если разность между результатами поверки анализаторов, выполненных до и после испытаний, не превышает 2%.
Фильтры частиц должны быть возвращены в весовую камеру не позднее чем через 1 ч после окончания испытаний. Перед взвешиванием они должны быть выдержаны не менее часа в чашке Петри, защищенной от проникновения пыли, но имеющей доступ воздуха. Масса фильтров (брутто) должна быть записана.
8 Принципы измерения выбросов
Ниже описаны два принципа измерения, которые, будучи функционально равноценными, могут давать несколько отличающиеся результаты, а именно:
- измерение текущих значений содержания газообразных продуктов ведется в потоке неразбавленных отработавших газов непрерывно, а измерение содержания частиц ведется с помощью частичнопоточной системы разбавления, или
- измерение содержания газообразных продуктов и частиц ведется с помощью полнопоточной системы разбавления (системы CVS).
Допускается применение любого сочетания указанных выше принципов (например, газообразные продукты измеряются в потоке неразбавленных отработавших газов, а содержание частиц измеряется с помощью полнопоточной системы).
Измерение выбросов газообразных продуктов и частиц отработавших газов двигателя должно производиться методами, описанными в
разделах 11 и
12. В указанных разделах приводятся описания рекомендуемых систем анализа газообразных выбросов
(раздел 11), а также рекомендуемых систем разбавления и пробоотбора
(раздел 12).
Допускается также применение других систем и анализаторов, если они обеспечивают эквивалентные результаты. Эквивалентность измерительной системы должна подтверждаться анализом корреляции по семи (как минимум) образцам между рассматриваемой системой и одной из систем, допускаемых настоящим стандартом. Термин "результаты" в данном случае относится к средневзвешенному (по определенному циклу) значению вредных выбросов. Корреляционные испытания должны проводиться в одной и той же лаборатории, в одной и той же испытательной камере и на одном и том же двигателе. Для испытаний выбирается испытательный цикл, подходящий для данного двигателя. Эквивалентность двух проб (усредненных значений) определяется по статистическому
t-критерию, как это описано в
приложении B, при условии, что оба результата получены в одной лаборатории, на одном испытательном стенде и при одинаковых параметрах режима двигателя. Аномальные значения выбросов определяются по ISO 5725-2 и исключаются из базы данных эксперимента. Системы, используемые в испытаниях на корреляцию, должны быть заявлены до начала испытаний и согласованы всеми заинтересованными сторонами.
Для того чтобы новая система была допущена к измерениям по данному стандарту, ее эквивалентность должна быть подтверждена расчетами повторяемости и воспроизводимости, выполненными согласно ISO 5725-2.
Для измерения вредных выбросов двигателей должно использоваться оборудование, описанное в настоящем стандарте. Оборудование для измерения расхода, давления и температуры в настоящем стандарте подробно не рассматривается. Здесь приводятся только требования к точности такого оборудования, необходимой для измерения содержания вредных выбросов. Измерительные приборы должны быть поверены в соответствии с положениями нормативных документов, действующих на данном производстве, или в соответствии с требованиями изготовителей данных приборов.
Поверка всех измерительных приборов должна быть документирована в соответствии с национальными стандартами, и отвечать требованиям, приведенным в
таблице 5.
Таблица 5
Предельно допустимые значения отклонений показаний
измерительных приборов
Пункт | Измеряемый параметр | Предельно допустимое отклонение |
1 | Частота вращения двигателя | +/- 2% показания прибора или +/- 1% максимального значения (большее из этих двух значений) |
2 | Крутящий момент | +/- 2% показания прибора или +/- 1% максимального значения (большее из этих двух значений) |
3 | Расход топлива | +/- 2% максимального расхода топлива двигателя |
4 | Расход воздуха | +/- 2% показания прибора или +/- 1% максимального значения (большее из этих двух значений) |
5 | Расход отработавших газов | +/- 2,5% показания прибора или +/- 1,5% максимального значения (большее из этих двух значений) |
6 | Температура <= 600 К | +/- 2 К абс. |
7 | Температура > 600 К | +/- 1% показания прибора |
8 | Давление отработавших газов | +/- 0,2 кПа абс. |
9 | Разрежение на впуске | +/- 0,05 кПа абс. |
10 | Атмосферное давление | +/- 0,1 кПа абс. |
11 | Другие давления | +/- 0,1 кПа абс. |
12 | Абсолютная влажность | +/- 5% показания прибора |
13 | Расход разбавляющего воздуха | +/- 2% показания прибора |
14 | Расход разбавленных отработавших газов | +/- 2% показания прибора |
9 Определение содержания газообразных продуктов в неразбавленных отработавших газах и определение содержания частиц с помощью частичнопоточной системы разбавления
Значения массовых выбросов газообразных продуктов рассчитываются путем умножения сигналов мгновенных текущих значений концентрации продуктов на соответствующее мгновенное значение расхода отработавших газов. Массовый расход отработавших газов измеряется непосредственно или рассчитывается методами, описанными в
9.2.4 (измерение расходов воздуха на впуске и топлива),
9.2.5 (с помощью индикаторного газа) или
9.2.6 (измерение расхода воздуха на впуске и соотношения "воздух/топливо"). При этом особое внимание следует обратить на возможные различия во времени реакции разных приборов. Эти различия должны учитываться посредством выравнивания сигналов по времени (см.
9.3.3).
При измерении содержания частиц сигналы по массовому расходу отработавших газов должны использоваться для поддержания пропорциональности между накоплением пробы и массовым расходом отработавших газов при использовании частичнопоточной системы разбавления. Степень пропорциональности оценивается с помощью анализа регрессии между накоплением пробы и массовым расходом отработавших газов (см.
9.4.3).
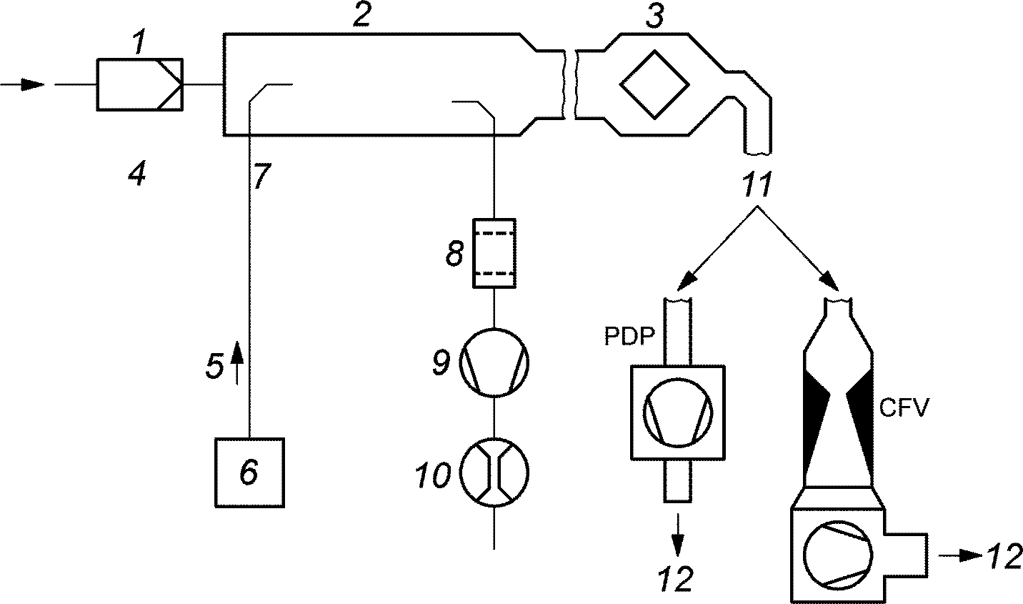
1 - расход отработавших газов; 2 - значения расхода;
3 - разбавляющий воздух; 4 - управление расходом;
5 - частичнопоточная система разбавления; 6 - анализатор
отработавших газов; 7 - вычисления; 8 - блок управления;
9 - расход топлива; 10 - двигатель; 11 - расход воздуха
на впуске
Рисунок 2 - Схема измерений в полнопоточной/частичнопоточной
системах разбавления
9.2 Определение массового расхода отработавших газов
9.2.1 Общие положения
Для расчета содержания выбросов в неразбавленных отработавших газах и для управления частичнопоточной системой разбавления необходимо знать массовый расход отработавших газов. Для определения массового расхода отработавших газов можно использовать методы, описанные в
9.2.3 -
9.2.6.
При расчетах выбросов любым из описанных ниже методов время отклика не должно превышать предельно допустимого времени отклика анализатора, определяемого в соответствии с
11.3.2.
Для управления частичнопоточной системой разбавления время отклика системы должно быть небольшим. Для частичнопоточной системы разбавления, управляемой в режиме реального времени, время отклика не должно превышать 0,3 с. Для частичнопоточной системы разбавления с прогностическим алгоритмом управления, основанным на записях предшествовавших испытаний, время отклика системы измерения расхода отработавших газов не должно превышать 5 с; при этом время нарастания сигнала не должно превышать 1 с. Время отклика системы должно быть указано в инструкции изготовителя измерительного прибора. Требования к времени отклика системы для полнопоточной и частичнопоточной систем приведены в
9.4.3.
9.2.3 Метод прямого измерения
Прямое измерение текущего расхода отработавших газов может производиться такими устройствами, как:
- датчики перепада давления типа расходомерного сопла (см. ISO 5167);
- ультразвуковой расходомер или
- вихревой расходомер.
Должны быть приняты меры для предотвращения ошибок измерения, способных повлиять на точность определения выбросов. К числу таких мер относится, в частности, точная установка измерительного устройства в выпускном тракте двигателя, с тщательным соблюдением рекомендаций изготовителя и в соответствии с надлежащей инженерной практикой. Главное, чтобы установка измерительного устройства не оказывала влияния на параметры работы двигателя и показатели выбросов.
Точность расходомеров должна соответствовать требованиям, приведенным в
разделе 8.3.
9.2.4 Метод измерения расходов воздуха и топлива
В ходе испытаний измеряются расходы воздуха и топлива с помощью соответствующих расходомеров. Расход отработавших газов рассчитывается по формуле:
qmew,i = qmaw,i + qmf,i (для влажных газов). (6)
Точность применяемых расходомеров должна соответствовать требованиям
8.3, а также требованиям, предъявляемым к точности определения расхода отработавших газов.
9.2.5 Метод измерения индикаторным газом
Данный метод состоит в измерении концентрации индикаторного газа в отработавших газах.
Известное количество инертного газа (например, чистого гелия) вводится в отработавшие газы в качестве индикатора. Этот газ в выпускной трубе разбавляется отработавшими газами и смешивается с ними, но не вступает с ними в реакцию. После этого производится измерение концентрации инертного газа в пробе отработавших газов.
Для того чтобы обеспечить полное перемешивание индикаторного газа с отработавшим газом, отбор проб отработавших газов должен производиться на расстоянии от точки ввода индикаторного газа, равном как минимум 30 диаметрам выпускной трубы, но в любом случае не менее 1 м по ходу потока. Указанное расстояние может быть уменьшено, если при этом обеспечивается полное перемешивание, что должно быть подтверждено сравнением концентрации индикаторного газа с эталонной концентрацией, измеренной при подаче индикаторного газа на вход двигателя.
Расход индикаторного газа должен устанавливаться таким, чтобы его концентрация после перемешивания (при работе двигателя на холостом ходу) находилась в пределах диапазона измерения применяемого газоанализатора.
Расход отработавших газов рассчитывается по формуле:

(7)
| | ИС МЕГАНОРМ: примечание. Обозначение дано в соответствии с официальным текстом документа. | |
где qnew,i - текущее значение массового расхода разбавленных отработавших газов, кг/с;
gvt - расход индикаторного газа, см3/мин;
cmix,i - текущее значение концентрации индикаторного газа после перемешивания, ppm;

- плотность индикаторного газа, кг/м
3 (см.
таблицу 1);
ca - фоновая концентрация индикаторного газа во впускном коллекторе, ppm.
Фоновая концентрация индикаторного газа (ca) может быть определена как среднее значение результатов двух измерений - непосредственно перед началом испытания и после испытания.
Если фоновая концентрация составляет менее 1% концентрации индикаторного газа после перемешивания (cmix,i) при максимальном расходе отработавших газов, то фоновой концентрацией можно пренебречь.
Система в целом должна отвечать требованиям точности измерения расхода отработавших газов и должна быть откалибрована в соответствии с
11.3.4.
9.2.6 Метод измерения с помощью расхода воздуха и соотношения "воздух/топливо"
Данный метод состоит в расчете массового расхода отработавших газов по известным значениям расхода воздуха и соотношения "воздух/топливо".
Мгновенный массовый расход отработавших газов рассчитывается по следующей формуле:

(8)

(9)

(10)
где A/Fst - стехиометрическое соотношение "воздух/топливо", кг/кг;

- коэффициент избытка воздуха;

- концентрация сухого CO
2, %;
cCO - концентрация сухого CO, %;
cHC - концентрация HC, ppm.
Примечание -

может быть равно 1 для топлива на углеродной основе, и 0 - для топлива на водородной основе.
Точность воздушного расходомера должна отвечать требованиям
раздела 8.3, точность анализатора CO
2 должна отвечать требованиям
11.1, а точность всей системы должна отвечать требованиям, предъявляемым к измерению расхода отработавших газов.
Для измерения коэффициента избытка воздуха допускается использование соответствующей измерительной аппаратуры, например, циркониевых датчиков, отвечающих требованиям
11.2.9.
9.3 Определение содержания газообразных продуктов
9.3.1 Общие положения
Содержание газообразных продуктов в отработавших газах испытываемого двигателя должно измеряться методами, описанными в
разделе 11. При этом их содержание должно определяться в неразбавленных отработавших газах. Порядок оценки данных и расчетов описан в
9.3.3 и
9.3.4.
9.3.2 Отбор проб для анализа газообразных выбросов
Пробоотборники газообразных выбросов должны устанавливаться на расстоянии от выхода из выпускной системы по ходу потока, равному как минимум трем диаметрам выпускной трубы, но не менее 0,5 м, при этом они должны находиться достаточно близко к двигателю - на таком расстоянии, чтобы температура отработавших газов в месте установки была не менее 343 К (70 °C).
В многоцилиндровом двигателе, имеющем разветвленный выпускной коллектор, вход пробоотборника должен располагаться на расстоянии от двигателя, достаточном для того, чтобы проба достоверно представляла усредненные по всем цилиндрам значения продуктов отработавших газов. В многоцилиндровых двигателях с явно выраженным разделением выпускных коллекторов на группы (как это имеет место, например, в V-образных двигателях) пробоотборник рекомендуется устанавливать за точкой слияния выпускных коллекторов по ходу потока. Там, где по техническим причинам сделать это затруднительно, допускается брать пробу из одной группы коллекторов, а именно из той, в которой содержание CO2 выше. Могут использоваться и другие методы, корреляция которых с приведенными выше методами подтверждена. В расчетах выбросов должен использоваться полный массовый расход отработавших газов.
Если двигатель оборудован системой очистки отработавших газов, отбор проб должен производиться после прохождения отработавших газов через систему очистки.
Для оценки газообразных выбросов концентрация загрязнений (HC, CO и NOx), а также массовый расход отработавших газов должны периодически измеряться и регистрироваться компьютерной системой с частотой не менее 2 Гц. Все остальные измеряемые величины должны регистрироваться с частотой не менее 1 Гц. Если используются аналоговые анализаторы, то должна вестись непрерывная запись их выходного сигнала, а при оценке полученных данных должны вводиться данные калибровки анализаторов - либо непосредственно (в режиме реального времени), либо по завершении испытаний.
Для расчетов массовых расходов газообразных выбросов необходимо обеспечить синхронизацию во времени записей концентрации загрязнителей и массового расхода отработавших газов за счет учета времени преобразования (определение времени преобразования - см.
3.15). Для этого должно быть определено и зарегистрировано время отклика каждого анализатора газообразных выбросов и системы измерения расхода отработавших газов (см.
11.3.2 и
9.2.2 соответственно).
9.3.4 Расчет массовых выбросов
9.3.4.1 Общие положения
Массовые выбросы газообразных продуктов (в граммах на испытание) рекомендуется определять путем подсчета текущих (мгновенных) значений выбросов по их концентрации в неразбавленных отработавших газах - значениям
u из
таблицы 6 и массовому расходу отработавших газов, синхронизированных по времени в соответствии с
9.3.3, и интегрирования мгновенных значений по времени на протяжении цикла в соответствии с
9.3.4.2. Концентрации желательно определять по влажному газу. Если концентрации были определены по сухому газу, то перед тем как приступить к любым последующим расчетам, необходимо внести поправку на влажность в результаты измерения мгновенных значений согласно
9.3.5.
Кроме того, по предварительному соглашению между заинтересованными сторонами, при расчетах массовых выбросов можно пользоваться точными формулами
9.3.4.3. Точные формулы должны использоваться для расчетов в следующих случаях: когда применяется топливо, отсутствующее в
таблице 6, когда используются несколько видов топлива, а также в случае возникновения разногласий.
9.3.4.2 Метод расчета на основе табличных значений
Расчет осуществляют по следующей формуле:

(11)
где ugas - отношение плотности данного продукта отработавших газов к плотности отработавших газов;
cgas,i - концентрация соответствующего продукта во влажных отработавших газах, ppm;
gnew,i - текущее значение массового расхода разбавленных отработавших газов, кг/с;
f - частота отбора проб, Гц;
n - число измерений.
В расчетах NO
x следует использовать коэффициент поправки на влажность
kh,D, определяемый согласно
9.3.6.
Измеренное мгновенное значение концентрации должно быть пересчитано на влажный газ согласно
9.3.5, если измерения не проводились для уже влажного газа.
В
таблице 6 приведены значения
u для ряда компонентов по некоторым видам топлива, на основе свойств идеального газа.
Таблица 6
Значения
u в потоке неразбавленных отработавших газов
и плотности для различных продуктов отработавших газов
Газ | NOx | CO | HC | CO2 | O2 | CH4 | HCHO | CH3OH |
 [кг/м 3] | 2,053 | 1,250 | | 1,963 6 | 1,427 7 | 0,716 | 1,340 | 1,430 |
Топливо | | |
Дизельное | 1,294 3 | 0,001 586 | 0,000 966 | 0,000 479 | 0,001 517 | 0,001 103 | 0,000 553 | 0,001 035 | 0,001 104 |
RME | 1,295 0 | 0,001 585 | 0,000 965 | 0,000 536 | 0,001 516 | 0,001 102 | 0,000 553 | 0,001 035 | 0,001 104 |
Метанол | 1,261 0 | 0,001 628 | 0,000 991 | 0,001 133 | 0,001 557 | 0,001 132 | 0,000 568 | 0,001 062 | 0,001 134 |
Этанол | 1,275 7 | 0,001 609 | 0,000 980 | 0,000 805 | 0,001 539 | 0,001 119 | 0,000 561 | 0,001 050 | 0,001 121 |
| 1,266 1 | 0,001 621 | 0,000 987 | | 0,001 551 | 0,001 128 | 0,000 565 | 0,001 058 | 0,001 129 |
Пропан | 1,280 5 | 0,001 603 | 0,000 976 | 0,000 512 | 0,001 533 | 0,001 115 | 0,000 559 | 0,001 046 | 0,001 116 |
Бутан | 1,283 2 | 0,001 600 | 0,000 974 | 0,000 505 | 0,001 530 | 0,001 113 | 0,000 558 | 0,001 044 | 0,001 114 |
Бензин | 1,297 7 | 0,001 582 | 0,000 963 | 0,000 481 | 0,001 513 | 0,001 100 | 0,000 552 | 0,001 032 | 0,001 102 |
<a> В зависимости от вида топлива. <b> При  , влажный воздух, 273 К, 101,3 кПа. <c> Точность u в пределах 0,2% для следующего состава топлива (масс.): C = 66 - 76%; H = 22 - 25%; N = 0 - 12%. <d> NMHC на основе CH 2,93 (для общих HC используется коэффициент ugas для CH 4). |
9.3.4.3 Метод расчета по точным формулам
Массовые выбросы должны рассчитываться по
формуле (11). Вместо табличных значений, для расчета
ugas должны использоваться следующие формулы. В следующих формулах предполагается, что
cgas в
формуле (11) измерено или пересчитано в ppm.
ugas,i = GAS/(Mr,e,i·1000) (12)
или

(13)
где

может быть взято, например, из
таблицы 6. (14)
В
таблице 6 приведены значения плотности

для ряда продуктов отработавших газов. Молекулярная масса отработавших газов
Mr,e, должна быть определена для обобщенного состава топлива

следующим образом, предполагая, что топливо сгорает полностью.

(15)
Плотность отработавших газов

рассчитывается по следующей формуле:

(16)
где
kf + 0,055584
wALF - 0,0001083
wBET - 0,0001562
wGAM + 0,0079936
wDEL + 0,0069978
wEPS. (17)
9.3.4.4 Расчет концентрации NMHC и CH4 при наличии отделителя неметановых фракций
Концентрации NMHC и CH4 рассчитываются по следующим формулам:

(18)

(19)
где cHC(w/Cutter) - концентрация HC в пробе газа, проходящей через NMC;
cHC(w/o Cutter) - концентрация HC в пробе газа, пропускаемой в обход (байпас) NMC;
EM - метановая эффективность, определяемая по ISO 8178-1, пункт 8.8.4.2;
EE - этановая эффективность, определяемая по ISO 8178-1, пункт 8.8.4.3.
Примечание - При использовании отделителя неметановых фракций время реакции системы может превысить 10 с.
9.3.5 Поправка на влажность
Если мгновенные значения концентраций продуктов были измерены для сухого состояния, то результаты должны быть пересчитаны для влажного состояния по следующим формулам:

(21)

(22)

(23)
Причем

(24)
где pr - давление водяных паров после охлаждающей ванны, кПа;
| | ИС МЕГАНОРМ: примечание. Текст дан в соответствии с официальным текстом документа. | |
prb - полное атмосферное давление, кПа;

- молярное водородное отношение топлива;

- концентрация CO
2 для сухого состояния, %;
cCO - концентрация CO для сухого состояния, %;
Ha - влажность воздуха на впуске, грамм воды на килограмм сухого воздуха;
kf - 0,055584wALF - 0,0001083wBET - 0,0001562wGAM + 0,0079936wDEL + 0,0069978wEPS.
9.3.6 Поправка на влажность и температуру по выбросам NOx
Поскольку выбросы NOx зависят от параметров окружающего воздуха, при расчетах концентрации NOx должна учитываться поправка на температуру и влажность окружающего воздуха с коэффициентами, вычисляемыми по следующим формулам:
a) для двигателей с самовоспламенением от сжатия:

(25)
где Ta - температура воздуха на впуске, К;
Ha - влажность воздуха на впуске, г воды на кг сухого воздуха.
Значение Ha может быть рассчитано по общеизвестным формулам при наличии следующих измеренных параметров: относительная влажность, точка росы, давление водяного пара или показания сухого/влажного термометров;
b) для двигателей с самовоспламенением от сжатия и промежуточным воздухоохладителем можно в качестве альтернативного варианта использовать следующую формулу:

(26)
где TSC - температура воздуха после промежуточного воздухоохладителя;
TSCRef - эталонная температура воздуха после промежуточного воздухоохладителя (должна быть указана изготовителем).
Значение Ha может быть рассчитано по общеизвестным формулам при наличии следующих измеренных параметров: относительная влажность, точка росы, давление водяного пара или показания сухого/влажного термометров.
9.3.7 Расчет удельных значений выбросов
Выбросы каждого компонента в (г/кВт·ч) рассчитываются по формуле:
где
Wact - работа за фактический цикл в (кВт·ч), определяемая в соответствии с
6.6.2.
9.4 Определение содержания частиц
9.4.1 Общие положения
Для определения содержания частиц необходима система разбавления. В данном пункте рассматривается частичнопоточная система разбавления. Пропускная способность системы разбавления должна быть достаточной для того, чтобы полностью исключить возможность конденсации влаги в системах разбавления и пробоотбора и поддерживать температуру разбавленных отработавших газов перед держателями фильтров в диапазоне от 315 К (42 °C) до 325 К (52 °C). Допускается осушение разбавляющего воздуха перед системой разбавления, что бывает особенно полезно при высокой влажности воздуха. Температура разбавляющего воздуха в непосредственной близости от входа в смесительный туннель должна быть выше 288 К (15 °C).
Частичнопоточная система разбавления должна обеспечивать пропорциональный отбор пробы из потока отработавших газов, независимо от величины их расхода, и разбавление этой пробы воздухом в таком количестве, чтобы обеспечить температуру пробы на испытательном фильтре в пределах от 315 К (42 °C) до 325 К (52 °C). При этом важно, чтобы при определении степени разбавления
rdil или доли выборки
rs были выполнены требования к точности, указанные в
9.4.2. Допускается использование различных способов пробоотбора, причем выбор способа в значительной мере определяет вид используемой аппаратуры и методы работы.
Для определения массы частиц требуются: система пробоотбора частиц, фильтры отбора частиц, аналитические весы, а также весовая камера с регулируемой температурой и влажностью. Такая система детально описана в
разделе 12.
Пробоотборник частиц должен устанавливаться в непосредственной близости перед пробоотборником газообразных продуктов, однако расстояние между ними должно быть достаточным для предотвращения взаимовлияния. Следовательно, требования к установке, указанные в
9.3.2, относятся также и к отбору проб частиц. Линия пробоотбора должна соответствовать требованиям 16.2 ISO 8178-1.
В многоцилиндровом двигателе, имеющем разветвленный выпускной коллектор, пробоотборник должен располагаться на расстоянии от двигателя, достаточном для того, чтобы проба достоверно представляла усредненные по всем цилиндрам значения продуктов отработавших газов. В многоцилиндровых двигателях с отчетливо выраженным разделением выпускных коллекторов на группы (как это имеет место, например, в V-образных двигателях) рекомендуется установка пробоотборника за точкой объединения выпускных коллекторов по ходу потока. Если по техническим причинам сделать это затруднительно, допускается брать пробу из одной группы коллекторов - той, где содержание частиц выше. Могут использоваться и другие методы, корреляция которых с приведенными выше методами подтверждена. В расчетах выбросов должен использоваться полный массовый расход отработавших газов.
9.4.3 Время отклика системы
Для управления частичнопоточной системой разбавления необходимо, чтобы она обладала достаточно быстрой реакцией. Время преобразования для системы определяется согласно
12.3.3. Система может управляться в режиме реального времени при условии, что суммарное время преобразования линии измерения расхода отработавших газов (см.
9.2.2) и частичнопоточной системы разбавления составляет менее 0,3 с. Если оно превышает 0,3 с, то необходимо использовать систему с прогностическим алгоритмом управления, основанным на записях предшествовавших испытаний. В этом случае время нарастания сигнала должно быть не более 1 с, а суммарное время запаздывания должно быть не более 10 с.
Суммарное время отклика системы должно быть таким, чтобы обеспечить репрезентативность пробы частиц qmp,i, пропорциональной расходу отработавших газов. Для определения пропорциональности должен быть выполнен регрессионный анализ qmp,i относительно qmew,i при частоте выборки не менее 5 Гц, при этом должны быть выполнены следующие условия:
- значение коэффициента корреляции r2 линейной регрессии между qmp,i и qmew,i должно быть не менее 0,95;
- средняя квадратичная ошибка оценки qmp,i и qmew,i не должна превышать 5% максимального значения qmp;
- значение qmp в точке пересечения линии регрессии не должно превышать +/- 2% от максимального значения qmp.
Допускается также проведение предварительного испытания, по результатам которого определяется сигнал по массовому расходу отработавших газов, а затем этот сигнал используется для управления накоплением пробы частиц ("прогностическое" или "опережающее" управление). Последний вариант актуален в случае, если время преобразования линии пробоотбора частиц t50,P и/или время преобразования линии измерения сигнала по расходу отработавших газов t50,F более 0,3 с. Можно считать, что управление частичнопоточной системой разбавления организовано правильно, если полученный в ходе предварительного испытания временной график величины qmew,pre, управляющей qmp, сдвинут на величину "времени опережения", равную t50,P + t50,F.
Для установки соотношения между
qmp,i и
qmew,i следует использовать данные, полученные при реальных испытаниях, причем значение
qmew,i должно быть выровнено по времени относительно
qmp,i с помощью
t50,F (величина
t50,P в выравнивании не используется). Таким образом, сдвиг по времени между
qmew и
qmp представляет собой разность времен их преобразования, определенных в
12.3.3.
9.4.4 Оценка данных
Для расчета массы пробы частиц
mf нужно из массы брутто фильтра, определенной согласно
7.9.5, вычесть собственную массу фильтра, определенную согласно
7.2. Для оценки концентрации частиц нужно записать значение суммарной массы частиц, полученной на фильтрах в течение испытательного цикла.
По соглашению между всеми заинтересованными сторонами допускается корректировка массы частиц согласно
7.5 для учета частиц, содержащихся в разбавляющем воздухе. Такая корректировка должна учитывать установившуюся инженерную практику и особенности используемой системы для измерения содержания частиц.
9.4.5 Расчет массовых выбросов частиц
Масса частиц может быть рассчитана одним из следующих способов. Пример расчета приведен в
приложении E.

(28)
где mf - масса частиц, собранных на протяжении испытательного цикла, мг;
msep - масса разбавленных отработавших газов, проходящих через фильтры сбора частиц, кг;
medf - масса эквивалентных разбавленных отработавших газов за цикл, кг.
Суммарная масса эквивалентных разбавленных отработавших газов за цикл рассчитывается следующим образом

(29)
medf,i =
qnew,irdil,i; (30)
| | ИС МЕГАНОРМ: примечание. Формула дана в соответствии с официальным текстом документа. | |

(31)
где qmedf,i - текущее эквивалентное значение массового расхода разбавленных отработавших газов, кг/с;
qnew,i - текущее значение массового расхода отработавших газов, кг/с;
rdil,i - текущее значение степени разбавления;
qmdew,i - текущее значение массового расхода разбавленных отработавших газов через смесительный туннель, кг/с;
qmdw,i - текущее значение массового расхода разбавляющего воздуха, кг/с;
f - частота отбора проб, Гц;
n - число измерений.
b)
mPM = mf/(rs·1000), (32)
где mf - масса частиц, собранных на протяжении испытательного цикла, мг;
rs - значение степени разбавления, усредненное по испытательному циклу.

(33)
где mse - масса частиц в пробе, собранных на протяжении испытательного цикла, кг;
mew - суммарный массовый расход отработавших газов на протяжении испытательного цикла, кг;
msep - масса разбавленных отработавших газов, проходящих через фильтры сбора частиц, кг;
msed - масса разбавленных отработавших газов, проходящих через смесительный туннель, кг.
Примечание - При использовании систем пробоотбора аккумулирующего типа msep равно msed.
9.4.6 Поправка на влажность для выбросов частиц
Поскольку выбросы частиц в двигателях зависят от параметров окружающего воздуха, при расчетах концентрации частиц должна вноситься поправка на влажность окружающего воздуха с коэффициентом kp, вычисляемым по приведенным ниже формулам.
По соглашению между заинтересованными сторонами могут использоваться другие стандартные значения влажности, отличные от 10,71 г/кг. Принятые стандартные значения должны быть указаны в отчете об испытаниях.
Для вычисления поправок могут быть также использованы и другие формулы, если их справедливость может быть подтверждена или проверена.

(34)
где Ha - влажность воздуха на впуске, г воды на кг сухого воздуха.
9.4.7 Расчет удельных значений выбросов частиц
Выброс частиц (в г/кВт·ч) вычисляется следующим образом:
MPM = mPMkp/Wact, (35)
где
Wact - работа за фактический цикл в кВт·ч, определяемая в соответствии с
6.6.2.
10 Определение выбросов газообразных продуктов и частиц с помощью полнопоточной системы разбавления
Сигналы по концентрации газообразных продуктов, формируемые с помощью или интегрирования, или анализа содержимого пробоотборных мешков, используются для расчетов массовых значений выбросов путем умножения сигнала на величину расхода разбавленных отработавших газов. Для измерения расхода разбавленных отработавших газов используется система отбора проб постоянного объема (constant volume sampling - CVS), которая может быть построена на базе объемного насоса (positive displacement pump - PDP), расходомера Вентури с критическим истечением (critical flo venturi - CFV) или расходомера Вентури с дозвуковым истечением (subsonic venturi - SSV).
Для измерения содержания частиц пропорциональная проба берется из потока разбавленных отработавших газов в системе CVS.
1 - фильтр, 2 - смесительный туннель, 3 - теплообменник,
4 - разбавляющий воздух, 5 - выпуск, 6 - двигатель,
7 - выпускная труба, 8 - фильтр частиц, 9 - насос
пробоотбора, 10 - расходомер, 11 - варианты, 12 - выпуск
Рисунок 3 - Схема полнопоточной системы разбавления CVS
10.2 Определение расхода разбавленных отработавших газов
10.2.1 Общие положения
Для того чтобы рассчитать выбросы разбавленных отработавших газов, необходимо знать массовый расход разбавленных отработавших газов. Суммарный расход разбавленных отработавших газов за испытательный цикл (кг/испытательный цикл) рассчитывается по результатам измерений за цикл и соответствующим данным калибровки расходомера (
V0): для PDP,
Kv для CFV,
Cd,
Y для SSV любым из методов, приведенных в
10.2.2 -
10.2.4. Если общая масса частиц и газообразных продуктов превысит 0,5% общего расхода CVS (
med), этот расход должен быть откорректирован на величину
msep или поток пробы частиц должен быть возвращен в CVS (перед расходомером).
Если температура разбавленных отработавших газов в цикле с помощью теплообменника поддерживается постоянной с точностью до +/- 6 К, то массовый расход в цикле рассчитывается по следующей формуле:
med = 1,293VO/NP(pB - p1)273/(101,3T), (36)
где VO - расход газа, прокачиваемого за один оборот насоса в условиях испытаний, м3/об;
NP - общее число оборотов насоса за время испытаний;
pB - атмосферное давление в испытательной камере, кПа;
p1 - разрежение на входе насоса по отношению к атмосферному давлению, кПа;
T - средняя температура разбавленных отработавших газов на входе насоса в течение цикла, К.
При использовании системы с компенсацией расхода (то есть без теплообменника) рассчитываются текущие значения массовых выбросов, которые интегрируются по времени на протяжении цикла. В этом случае текущее значение массы разбавленных отработавших газов рассчитывается по следующей формуле:
med = 1,293VO/NP,i(pB - p1)273/(101,3T), (37)
где NP,i - общее число оборотов насоса за промежуток времени.
10.2.3 Система CFV-CVS
Если температура разбавленных отработавших газов в цикле с помощью теплообменника поддерживается постоянной с точностью до +/- 11 К, то массовый расход в цикле рассчитывается по следующей формуле:
med = 1,293tKVpA/T0,5, (38)
где t - время цикла, с;
KV - калибровочный коэффициент расходомера Вентури с критическим истечением для стандартных условий;
pA - абсолютное давление на входе расходомера Вентури, кПа;
T - абсолютная температура на входе расходомера Вентури, К.
При использовании системы с компенсацией расхода (то есть без теплообменника) рассчитываются текущие значения массовых выбросов, которые интегрируются по времени на протяжении цикла. В этом случае текущее значение массы разбавленных отработавших газов рассчитывается по следующей формуле:

(39)
где

- промежуток времени, с.
Если температура разбавленных отработавших газов в цикле с помощью теплообменника поддерживается постоянной с точностью до +/- 11 К, то массовый расход в цикле рассчитывается по следующей формуле:
med = 1,293·QSSV, (40)
где

(41)
где AO - совокупность констант и коэффициентов преобразования физических единиц = 0,006111
d - диаметр выходного сечения SSV, в м;
Cd - коэффициент расхода SSV;
PA - абсолютное давление на входе расходомера Вентури, кПа;
T - абсолютная температура на входе расходомера Вентури, К;

отношение величин абсолютного статического давления на выходе и на входе SSV;

- отношение выходного диаметра SSV, d, к внутреннему диаметру впускной трубки.
При использовании системы с компенсацией расхода (то есть без теплообменника) рассчитываются текущие значения массовых выбросов, которые интегрируются по времени на протяжении цикла. В этом случае текущее значение массы разбавленных отработавших газов рассчитывается по следующей формуле

(42)
где

(43)

- промежуток времени, в с.
Расчет в режиме реального времени должен начинаться с заданного реального значения либо Cd, (порядка 0,98), либо QSSV. Если расчет начинается с задания QSSV, его начальное значение должно быть использовано для оценки Re.
В течение всего цикла испытаний число Рейнольдса на выходе SSV должно оставаться в диапазоне чисел Рейнольдса, используемых при построении калибровочной характеристики.
10.3 Определение содержания газообразных выбросов
10.3.1 Общие положения
Содержание газообразных выбросов в отработавших газах испытываемого двигателя должно измеряться методами, описанными в
10.3.2. Содержание газообразных выбросов должно определяться в разбавленных отработавших газах. Порядок оценки данных и расчетов описан в
10.3.3 и
10.3.4.
10.3.2 Отбор проб для анализа газообразных выбросов
Выпускная труба на участке от двигателя до полнопоточной системы разбавления должна удовлетворять требованиям ISO 8178-1. Пробоотборник (пробоотборники) для газообразных выбросов должен устанавливаться в смесительном туннеле, где отработавшие газы достаточно хорошо перемешаны с разбавляющим воздухом, и находиться в непосредственной близости от пробоотборника частиц.
Отбор проб обычно может выполняться двумя способами:
- газообразные продукты собираются в пробоотборные мешки на протяжении цикла, и после его завершения проводится анализ собранного содержимого; для анализа на НС пробоотборные мешки должны быть нагреты до температуры (464 +/- 11) К [(191 +/- 11) °C], для анализа на NOx - до температуры выше точки росы;
- на протяжении всего цикла непрерывно ведется анализ проб на газообразные продукты, результаты которого интегрируются; этот метод применяется для анализа на содержание HC и NOx в тех случаях, когда вышеназванные условия не выполняются.
Отбор проб на фоновые концентрации в пробоотборные мешки осуществляется выше смесительного туннеля по ходу потока, полученные значения фоновых концентраций должны вычитаться из полученных концентраций газообразных продуктов согласно
10.3.4.2.
Для оценки газообразных выбросов концентрация продуктов (HC, CO и NOx), а также массовый расход разбавленных отработавших газов должны периодически измеряться и регистрироваться компьютерной системой с частотой не менее 1 Гц. Все остальные измеряемые величины должны регистрироваться с частотой не менее 1 Гц. Если используются аналоговые анализаторы, то должна вестись непрерывная запись их выходного сигнала, а при оценке полученных данных должны вводиться данные калибровки анализаторов, либо в режиме реального времени, либо по завершении испытаний.
10.3.4 Расчет массовых выбросов
10.3.4.1 Системы с постоянным массовым расходом
Для систем с теплообменником масса газообразных продуктов определяется по следующей формуле:
mgas = ugascgasmed, (44)
где ugas - отношение плотности данного продукта отработавших газов к плотности отработавших газов;
cgas - усредненное откорректированное значение концентрации данного продукта отработавших газов, ppm;
med - суммарный массовый расход разбавленных отработавших газов на протяжении испытательного цикла, кг.
В расчетах NO
x следует использовать соответствующие коэффициенты поправки на влажность
kh,D или
kh,G, определяемые согласно
10.3.6.
Измеренное значение концентрации должно быть пересчитано на влажный газ согласно
10.3.5, если измерения не проводились уже для влажного газа.
В
таблице 7 приведены значения
u для основных компонентов.
Таблица 7
Значения
u в разбавленных отработавших газах
Газ | NOx | CO | HC | CO2 | O2 | CH4 | HCHO | CH3OH |
 [kg/m 3] | 2,053 | 1,250 | | 1,963 6 | 1,427 7 | 0,716 | 1,340 | 1,430 |
Топливо |  Коэффициент ugas <b> |
Дизельное | 0,001 588 | 0,000 967 | 0,000 480 | 0,001 519 | 0,001 104 | 0,000 553 | 0,001 036 | 0,001 106 |
RME | 0,001 588 | 0,000 967 | 0,000 537 | 0,001 519 | 0,001 104 | 0,000 553 | 0,001 036 | 0,001 106 |
Метанол | 0,001 588 | 0,000 967 | 0,001 105 | 0,001 519 | 0,001 104 | 0,000 553 | 0,001 036 | 0,001 106 |
Этанол | 0,001 588 | 0,000 967 | 0,000 795 | 0,001 519 | 0,001 104 | 0,000 553 | 0,001 036 | 0,001 106 |
| 0,001 588 | 0,000 967 | | 0,001 519 | 0,001 104 | 0,000 553 | 0,001 036 | 0,001 106 |
Пропан | 0,001 588 | 0,000 967 | 0,000 507 | 0,001 519 | 0,001 104 | 0,000 553 | 0,001 036 | 0,001 106 |
Бутан | 0,001 588 | 0,000 967 | 0,000 501 | 0,001 519 | 0,001 104 | 0,000 553 | 0,001 036 | 0,001 106 |
Бензин | 0,001 588 | 0,000 967 | 0,000 483 | 0,001 519 | 0,001 104 | 0,000 553 | 0,001 036 | 0,001 106 |
<a> В зависимости от вида топлива. <b> При  , сухой воздух, 273 К, 101,3 кПа. <c> Точность u в пределах 0,2% для следующего состава топлива (масс.): C = 66 - 76%; H = 22 - 25%; N = 0 - 12%. <d> NMHC на основе CH 2,93 (для общих HC используется коэффициент ugas для CH 4). |
Примечание - Для расчета значений ugas плотность разбавленных отработавших газов принимается равной плотности воздуха. Поэтому значения ugas одинаковы для отдельных компонентов газа, но для HC они отличаются. Пользоваться методом точного расчета для измерений в неразбавленных отработавших газах не рекомендуется, поскольку степень разбавления и, следовательно, плотность разбавленных отработавших газов в течение цикла не являются постоянными.
10.3.4.2 Определение откорректированных фоновых концентраций
При определении нетто-концентрации загрязнителей средние значения фоновых концентраций газообразных продуктов в разбавляющем воздухе должны вычитаться из измеренных значений концентраций. Средние значения фоновых концентраций могут быть определены по анализу проб из пробоотборного мешка или с помощью непрерывных измерений и последующего интегрирования. Расчет осуществляют по следующей формуле:
c = ce - cd[1 - (1/DF)], (45)
где ce - концентрация соответствующего продукта в разбавленных отработавших газах, ppm;
cd - концентрация соответствующего продукта в разбавляющем воздухе, ppm;
DF - коэффициент разбавления.
Коэффициент разбавления рассчитывается по следующим формулам:
a) для дизельных двигателей, работающих на сжиженном нефтяном газе (LPG):

(46)
b) для двигателей, работающих на природном газе (NG):

(47)
где CO2conce - концентрация CO2 в разбавленных отработавших газах, % об.;
HCconce - концентрация HC в разбавленных отработавших газах, ppm C1;
NMHCconce - концентрация NMHC в разбавленных отработавших газах, ppm C1;
COconce - концентрация CO в разбавленных отработавших газах, ppm;
FS - стехиометрический коэффициент.
Сухие концентрации пересчитываются во влажные концентрации согласно
10.3.5.
Стехиометрическое соотношение рассчитывается по формуле:

(48)
где x и y - коэффициенты, характеризующие состав топлива обобщенного вида CxHy.
Если же состав топлива неизвестен, можно использовать следующие стехиометрические соотношения:
- FS (дизельное топливо) = 13,4;
- FS (LPG) = 11,6;
- FS (NG) = 9,5.
10.3.4.3 Системы с компенсацией расхода
Для систем без теплообменника массы выбросов (в г на испытание) определяются путем расчета мгновенных значений массовых выбросов и интегрирования этих значений на протяжении цикла. Поправка на фоновые значения применяется непосредственно к мгновенным значениям концентраций. Расчет ведется по следующей формуле:

(49)
где ce - концентрация соответствующего продукта в разбавленных отработавших газах, ppm;
cd - концентрация соответствующего продукта в разбавляющем воздухе, ppm;
med,i - мгновенное значение массы разбавленных отработавших газов, кг;
med - суммарная масса разбавленных отработавших газов за цикл, кг;
DF - коэффициент разбавления.
10.3.4.4 Расчет концентрации NMHC и CH4 при наличии отделителя неметановых фракций
Концентрации NMHC и CH4 рассчитываются по следующим формулам:

(50)

(51)
где cHC(W/Cutter) - концентрация HC в пробе газа, проходящей через NMC;
cHC(W/oCutter) - концентрация HC в пробе газа, пропускаемой в обход (байпас) NMC;
EM - метановая эффективность, определяемая в ISO 8178-1, пункт 8.8.4.2;
EE - этановая эффективность, определяемая в ISO 8178-1, пункт 8.8.4.3.
10.3.5 Поправка на влажность
Если мгновенные значения концентраций продуктов измерялись для сухого состояния, то результаты должны быть пересчитаны для влажного состояния по следующим формулам:
cwet = kWcdry; (20)

(52)
где

(53)
10.3.6 Поправка на влажность и температуру по выбросам NOx
Поскольку выбросы NOx зависят от параметров окружающего воздуха, при расчетах концентрации NOx должны вноситься поправки на температуру и влажность окружающего воздуха, вычисляемые по следующим формулам:
a) для двигателей с самовоспламенением:

(54)
где Ta - температура воздуха на впуске, К;
Ha - влажность воздуха на впуске, г воды на кг сухого воздуха.
Значение Ha может быть рассчитано по общеизвестным уравнениям при наличии следующих измеренных параметров: относительная влажность, точка росы, давление водяного пара или показания сухого/влажного термометров;
b) для двигателей с самовоспламенением и промежуточным воздухоохладителем можно использовать в качестве альтернативного варианта следующую формулу:

(55)
где TSC - температура воздуха после промежуточного воздухоохладителя;
TSCRef - номинальная температура воздуха после промежуточного воздухоохладителя (задается изготовителем).
Ha - влажность воздуха на впуске, в г воды на кг сухого воздуха, где значение Ha может быть рассчитано по измеренным значениям относительной влажности, точки росы, давления водяного пара или температуры по сухому/влажному термометрам с помощью общеизвестных уравнений.
10.3.7 Расчет удельных значений выбросов
Удельные выбросы каждого продукта (г/кВт·ч), за исключением NOx, должны определяться следующим образом:
Mgas = mgas/Wact, (56)
а для NOx:
Mgas = mgaskh/Wact, (57)
где
Wact - работа за фактический цикл в (кВт·ч), определяемая в соответствии с
6.6.2.
10.4 Определение содержания частиц
10.4.1 Общие положения
Для определения массы частиц необходима система разбавления. В данном пункте рассматривается полнопоточная система разбавления. Пропускная способность системы разбавления должна быть достаточной для того, чтобы полностью исключить возможность конденсации влаги в системах разбавления и пробоотбора и поддерживать температуру разбавленных отработавших газов перед держателями фильтров в диапазоне от 315 К (42 °C) до 325 К (52 °C). Допускается осушение разбавляющего воздуха перед системой разбавления, что бывает особенно полезно при высокой влажности воздуха. Температура разбавляющего воздуха в непосредственной близости от входа в смесительный туннель должна быть выше 288 К (15 °C).
Для определения массы частиц требуются: система пробоотбора частиц, фильтры сбора частиц, аналитические весы, а также весовая камера с регулируемой температурой и влажностью. Такая система детально описана в
разделе 12.
10.4.2 Пробоотбор частиц
Пробоотборник частиц должен устанавливаться непосредственно перед пробоотборником газообразных продуктов, однако расстояние между ними должно быть достаточным для предотвращения их взаимовлияния в смесительном туннеле. Следовательно, требования к установке, указанные в
9.3.2, относятся также и к отбору проб частиц. Линия пробоотбора должна соответствовать требованиям ISO 8178-1.
10.4.3 Расчет массовых выбросов частиц
Масса частиц (г/испытание) вычисляется следующим образом:

(58)
где mf - масса частиц, собранных на протяжении испытательного цикла, мг;
msep - масса разбавленных отработавших газов, проходящих через фильтры сбора частиц, кг;
med - масса разбавленных отработавших газов за цикл, кг.
В случае использования системы двойного разбавления масса вторичного разбавляющего воздуха вычитается из общей массы дважды разбавленных отработавших газов, пропущенных через фильтры частиц:
msep = mset - mssd, (59)
где mset - масса дважды разбавленных отработавших газов, проходящих через фильтр частиц, кг;
mssd - масса вторичного разбавляющего воздуха, кг.
Если фоновый уровень частиц в разбавляющем воздухе определен в соответствии с
7.5, то может быть внесена поправка на фоновый уровень частиц. В этом случае массовый расход частиц (г/испытание) вычисляется следующим образом:

(60)
где mPM, msep, med - (см. выше);
msd - масса пробы первичного разбавляющего воздуха, взятой с помощью пробоотборника фонового уровня частиц, кг;
mb - масса собранных частиц (образующих фоновый уровень) в первичном разбавляющем воздухе, мг;
DF - коэффициент разбавления, определенный в
10.3.4.2.
10.4.4 Поправка на влажность по выбросам частиц
Поскольку выбросы частиц в дизелях зависят от параметров окружающего воздуха, при расчетах концентрации частиц должна вноситься поправка на влажность окружающего воздуха с коэффициентом kp, вычисляемым по приведенным ниже формулам.
По соглашению между заинтересованными сторонами могут использоваться другие эталонные значения влажности, отличные от 10,71 г/кг. Принятые эталонные значения должны быть указаны в отчете об испытаниях.

(61)
где Ha - влажность воздуха на впуске в граммах воды на килограмм сухого воздуха.
10.4.5 Расчет удельных значений выбросов частиц
Выброс частиц (в г/кВт·ч) вычисляется следующим образом
MPM = mPM·kp/Wact, (62)
где
Wact - работа за фактический цикл в кВт·ч, определяемая в соответствии с
6.6.2.
11 Аппаратура для измерения содержания газообразных продуктов
11.1 Общие требования канализаторам
11.1.1 Общие положения
Диапазон измерений и время отклика применяемых анализаторов должны быть достаточными для обеспечения точности, требуемой для измерения концентраций продуктов отработавших газов на переходных режимах. Диапазон измерений анализатора должен выбираться таким образом, чтобы среднее значение концентрации, измеряемой на протяжении испытательного цикла, находилось в пределах от 15 до 100% полного диапазона, при этом погрешность анализатора не должна превышать +/- 2% от его показания при среднем значении концентрации.
Если вторичные измерительные приборы (компьютеры, самописцы) имеют достаточную точность и разрешение менее 15% полного диапазона измерений, то погрешность измерений анализатора менее 15% полного диапазона считается также допустимой. В этом случае должна быть выполнена дополнительная калибровка по четырем равномерно разнесенных точкам с ненулевыми значениями функции, чтобы обеспечить точность калибровочных кривых согласно требованиям 8.5.5 ISO 8178-1.
Электромагнитная совместимость (EMC) оборудования должна быть достаточной для минимизации дополнительных ошибок измерения.
11.1.2 Точность
Отклонение показаний анализатора от номинальной точки калибровки не должно превышать большей из следующих величин: +/- 2% деления шкалы или +/- 0,3% полного диапазона измерений. Точность определяется в соответствии с требованиями к калибровке, изложенными в 8.5 ISO 8178-1.
Примечание - Для целей настоящего стандарта точность определяется как отклонение показаний анализатора от номинальных калибровочных значений, полученных с использованием калибровочного газа (истинная величина).
11.1.3 Прецизионность
Прецизионность, определяемая как среднее квадратичное отклонение, полученное по 10 последовательным измерениям с использованием калибровочного газа и умноженное на 2,5, не должна превышать +/- 1% максимальной концентрации на шкале для каждого используемого диапазона свыше 155 ppm (или ppmC) и +/- 2% для каждого используемого диапазона менее 155 ppm (или ppmC).
11.1.4 Уровень помех
Диапазон отклонений отклика анализатора на нулевой и калибровочный газы за любой период в 10 с не должен превышать 2% максимального значения по шкале в любом диапазоне измерений.
11.1.5 Дрейф нуля
Дрейф нуля определяется как усредненная реакция, включая шум, на присутствие нулевого газа в течение 30-секундного периода. Дрейф нуля на протяжении 1 ч не должен превышать 2% максимального значения по шкале наименьшего из используемых диапазонов измерений.
11.1.6 Дрейф диапазона
Дрейф диапазона определяется как усредненная реакция, включая шум, на присутствие калибровочного газа в течение 30-секундного периода. Дрейф диапазона на протяжении 1 ч не должен превышать 2% максимального значения по шкале наименьшего из используемых диапазонов измерений.
11.1.7 Время нарастания сигнала
Время нарастания сигнала анализатора, установленного в измерительной системе, не должно превышать 2,5 с.
Примечание - Выполнение вышеназванного критерия является необходимым, но недостаточным условием пригодности измерительной системы для испытаний на переходных режимах. Наличие в системе объемов и в особенности мертвых пространств сказывается не только на времени передачи сигнала от датчика к анализатору, но и на времени нарастания сигнала. Время отклика анализатора включает также задержки передачи сигнала, вызываемые такими факторами, как, например, инерционность преобразователя и наличие водоотделителей в составе анализатора. Определение времени отклика всей системы описано в
11.3.2.
11.1.8 Осушение газа
Измерения состава отработавших газов могут проводиться как для влажного, так и для сухого газа. Влияние устройства осушения газа, если оно используется, на состав анализируемых газов должно быть минимальным. Использование химических осушителей для удаления воды из газовой пробы не допускается.
11.2.1 Общие положения
В
11.2.2 -
11.2.9 определяются возможные принципы измерения. Подробное описание систем измерений приведено в разделе 15 ISO 8178-1. Для анализа состава отработавших газов должны применяться перечисленные ниже приборы. При использовании нелинейных анализаторов допускается компенсация присущих им нелинейностей схемотехническими средствами.
11.2.2 Анализ содержания оксида углерода (CO)
Для анализа содержания оксида углерода должен использоваться недисперсионный инфракрасный спектроанализатор (NDIR).
11.2.3 Анализ содержания диоксида углерода (CO2)
Для анализа содержания диоксида углерода должен использоваться недисперсионный инфракрасный спектроанализатор (NDIR).
11.2.4 Анализ содержания углеводородов (HC)
Анализатор для определения содержания углеводородов должен представлять собой пламенно-ионизационный детектор с подогревом (HFID), все компоненты которого - детектор, клапаны, трубки и т.п. - подогреваются таким образом, чтобы температура газа поддерживалась на уровне (463 +/- 10) К [(190 +/- 10) °C)].
11.2.5 Анализ содержания неметановых углеводородов (NMHC)
Определение содержания неметановых углеводородов производится с помощью отделителя неметановых фракций (NMC), установленного последовательно с FID (см. 16.4.2 ISO 8178-1), путем вычитания количества метана из количества углеводородов.
11.2.6 Анализ содержания оксидов азота (NOx)
Анализатор для определения содержания оксидов азота должен быть выполнен на основе хемилюминесцентного детектора (CLD) или хемилюминесцентного детектора с подогревом (HCLD) с преобразователем NO2/NO, если измерение производится по сухому газу. Когда измерение ведется по влажному газу, должен использоваться детектор типа HCLD с преобразователем, температура которого поддерживается выше 328 К (55 °C), если удовлетворяется условие ограничения влагосодержания (см. 8.9.3.2 ISO 8178-1). В случае как CLD, так и HCLD температура стенок тракта пробоотбора должна поддерживаться в диапазоне от 328 до 473 К (от 55 до 200 °C) вплоть до преобразователя - при измерении по сухому газу и вплоть до анализатора - при измерении по влажному газу.
11.2.7 Анализ содержания формальдегида (HCHO)
Для непрерывного измерения содержания формальдегида в неразбавленных отработавших газах должны применяться инфракрасный спектроанализатор с преобразованием Фурье (FTIR) или масс-спектрометр с мягкой ионизацией (SIMS), используемые в соответствии с инструкциями поставщика прибора.
Анализатор FTIR должен иметь встроенный алгоритм формирования помехоустойчивого сигнала по концентрации вещества в зависимости от инфракрасного спектра его излучения. Анализатор FTIR должен также иметь встроенную базу данных, уникальную для каждого прибора, во избежание помех из-за разницы спектров различных приборов.
Анализатор SIMS должен иметь встроенную систему управления для формирования помехоустойчивого сигнала по концентрации формальдегида. Внутренняя энергия ионизирующего иона должна быть более 11,6 эВ (например, это может быть Xe+ с внутренней энергией, равной 12,2 эВ). При измерении на массе 30 влияние помехи от NO2 должно быть компенсировано с помощью известного коэффициента эффективности ионизации NO2 для масс 46 и 30. Развязка по помехам должна осуществляться периодически с интервалом не более 300 мс. Измерение содержания формальдегида на массе 29 допускается при необходимости, допустимости или наличии компенсации дополнительного сигнала по большему содержанию альдегидов (результат измерения на массе 29 представляет собой верхний предел концентрации формальдегида).
При определении содержания формальдегида в разбавленных отработавших газах с помощью частичнопоточной системы разбавления разбавленная проба должна пропускаться с постоянным расходом через импинжер, содержащий раствор ацетонитрила (ACN) реагента DNPH, или через кварцевый картридж с покрытием 2,4-DNPH. Взятая проба анализируется с помощью жидкостного хроматографа высокого давления (high pressure liquid chromatograph - HPLC), в котором используется ультрафиолетовое детектирование на длине волны 365 нм (подробнее см. 16.6 ISO 8178-1). Если проба разбавленного газа берется из частичнопоточной системы разбавления аккумулирующего типа, требования к точности измерения, указанные в
12.1.4, должны обеспечиваться за счет применения метода, описанного в
12.1.4.3.
11.2.8 Анализ содержания метанола (CH3OH)
Для непрерывного измерения содержания метанола в неразбавленных отработавших газах должны применяться инфракрасный спектроанализатор с преобразованием Фурье (FTIR) или масс-спектрометр с мягкой ионизацией (SIMS), используемые в соответствии с инструкциями поставщика прибора.
Анализатор FTIR должен иметь встроенный алгоритм формирования помехоустойчивого сигнала по концентрации вещества в зависимости от инфракрасного спектра его излучения. Анализатор FTIR должен также иметь встроенную базу данных, уникальную для каждого прибора, во избежание помех, вызванных несовпадением спектров различных приборов.
Анализатор SIMS должен иметь встроенную систему управления (control library) для формирования помехоустойчивого сигнала по концентрации метанола. Внутренняя энергия ионизирующего иона должна быть более 11,2 эВ (например, это может быть Xe+ с внутренней энергией, равной 12,2 эВ). Это позволяет вести измерения метанола на массе 31. Единственными веществами, способными интерферировать на этой массе, являются фрагменты этанола и пропанола, которые в отработавших газах обычно отсутствуют. Тем не менее при точных измерениях содержания метанола известные показатели эффективности ионизации этих веществ на их нефрагментированных массах и на массе 31 в качестве средства для предотвращения интерференции использоваться не должны.
Содержание метанола допускается также определять с помощью HFID. В этом случае HFID, откалиброванный пропаном, должен работать при температуре (385 +/- 10) К [(112 +/- 10) °C]. Коэффициент влияния метанола должен определяться при нескольких значениях его концентрации; диапазон концентраций метанола в пробе должен соответствовать 8.8.5 ISO 8178-1.
Если количество метанола определяется в потоке разбавленных отработавших газов частичнопоточной системы разбавления, проба этих газов должна пропускаться с постоянным расходом через импинжер с деионизированной водой. Анализ пробы должен проводиться с помощью газового хроматографа (GC) с FID (подробнее об этом см. 16.5 ISO 8178-1). Если проба разбавленного газа берется из частичнопоточной системы разбавления аккумулирующего типа, требования к точности измерения, указанные в
12.1.4, должны обеспечиваться за счет применения метода, описанного в
12.1.4.3.
11.2.9 Измерение соотношения "воздух-топливо"
Для измерения соотношения "воздух-топливо", используемого при определении расхода отработавших газов согласно
9.2.6, должны использоваться широкодиапазонные датчики коэффициента избытка воздуха или лямбда-датчики циркониевого типа.
Датчик должен устанавливаться непосредственно на выпускной трубе, где температура отработавших газов достаточно высока для предотвращения конденсации влаги.
Погрешность датчика со встроенной электроникой не должна превышать:
- +/- 3% показания прибора при

;
- +/- 5% показания прибора при

;
- +/- 10% показания прибора при

.
Для обеспечения указанных выше требований к точности датчик должен быть откалиброван в соответствии с инструкциями изготовителя прибора.
11.3.1 Общие положения
Калибровка каждого анализатора должна проводиться с периодичностью, достаточной для обеспечения точности прибора в соответствии с требованиями настоящего стандарта. Используемый для этого метод калибровки подробно описан в ISO 8178-1, раздел 8. В данном стандарте описаны только те способы калибровки, которые специфичны для испытаний на переходных режимах.
11.3.2 Проверка времени отклика аналитической системы
Настройки системы для оценки времени отклика должны быть точно такими же, как и при измерениях, проводимых в ходе испытаний (это касается давлений, расходов, настроек фильтров анализаторов и всех остальных параметров, влияющих на время отклика). При определении времени отклика включение/выключение подачи газа производится непосредственно на входе в пробоотборник. Длительность включения/выключения подачи газа не должна превышать 0,1 с. Газы, используемые для испытаний, должны вызывать изменение концентрации не менее 60% полной шкалы.
При испытаниях должны регистрироваться графики изменения концентрации каждого продукта газа. Время отклика определяется как промежуток времени между моментами включения/выключения подачи газа и соответствующего изменения регистрируемой концентрации. Время отклика системы (t90) складывается из времени запаздывания и времени нарастания сигнала системы. Время запаздывания определяется как промежуток времени от момента изменения (t0) до момента достижения измеряемой величиной 10% ее окончательного значения (t10). Время нарастания сигнала системы определяется как промежуток времени между моментами достижения измеряемой величиной 10% и 90% ее окончательного значения (t90 - t10). Для согласования по времени сигналов анализатора и расходомера отработавших газов при измерениях в неразбавленных отработавших газах время преобразования определяется как промежуток времени между моментами достижения измеряемой величиной 10% (t10) и 50% (t50) ее окончательного значения.
Для всех измеряемых продуктов (CO, NO
x, HC или NMHC) и для всех диапазонов измерения время отклика системы должно быть не более 10 с при времени нарастания сигнала системы не более 2,5 с в соответствии с
11.1.7.
11.3.3 Верификация калибровочной кривой
Перед каждым испытанием двигателя каждый обычно используемый рабочий диапазон должен быть проверен в следующем порядке.
Калибровка проводится с помощью нулевого газа и поверочного газа, для которого номинальное значение концентрации составляет более 80% от полной шкалы диапазона измерений.
Если для двух указанных точек замеренная величина не отличается от объявленной эталонной величины более чем на +/- 4% полной шкалы, параметры настройки могут быть изменены. Если это не так, следует проверить поверочный газ, или же должна быть построена новая калибровочная кривая согласно требованиям 8.5 ISO 8178-1.
11.3.4 Калибровка анализатора индикаторным газом для текущих измерений отработавших газов
Анализатор для измерения концентрации индикаторного газа, если такой газ используется, должен быть откалиброван с помощью стандартного газа.
Калибровочная кривая должна быть построена как минимум по 10 точкам (не считая нуля), разнесенным между собой на такое расстояние, чтобы половина калибровочных точек помещалась в диапазоне от 4 до 20% полной шкалы анализатора, а остальные калибровочные точки помещались в диапазоне от 20 до 100% полной шкалы. Калибровочная кривая рассчитывается методом наименьших квадратов.
Значения координат калибровочной кривой не должны отличаться более чем на +/- 1% полной шкалы от номинального значения в каждой из калибровочных точек, в диапазоне от 20 до 100% полной шкалы. Кроме того, они не должны отличаться более чем на +/- 2% показания прибора от номинального значения в диапазоне от 4 до 20% полной шкалы.
Перед проведением испытаний анализатор должен быть обнулен и наполнен поверочным газом, при этом используются нулевой и поверочный газы, номинальные значения концентрации которых составляют более 80% полной шкалы анализатора.
11.3.5 Периодичность калибровки
Анализаторы должны проходить калибровку согласно 8.5 ISO 8178-1 не менее чем раз в 3 мес, а также в случаях, когда система подвергалась ремонту или изменениям, могущим повлиять на ее калибровку.
11.4 Аналитическая система
Аналитическая система подробно описана в разделе 16 ISO 8178-1.
12 Оборудование для измерения содержания частиц
12.1.1 Общие положения
Для определения массы частиц требуются: система пробоотбора частиц, фильтры сбора частиц, аналитические весы, а также весовая камера с регулируемой температурой и влажностью. Система пробоотбора частиц должна обеспечить отбор репрезентативных проб с содержанием частиц, пропорциональным их содержанию в потоке неразбавленных или разбавленных отработавших газов (в зависимости от вида системы), при работе двигателя на переходных режимах с учетом требований
9.4.2.
12.1.2 Фильтры сбора частиц
Пробоотбор разбавленных отработавших газов в ходе выполнения испытаний должен производиться с помощью фильтра, отвечающего требованиям
12.1.2.1 и
12.1.2.2.
12.1.2.1 Требования к фильтрам
Для отбора проб должны употребляться фильтры из стекловолокна с фторуглеродным покрытием или фторуглеродные мембранные фильтры. Фильтр любого типа должен обеспечивать степень улавливания частиц DOP (диоктилфталата) размером 0,3 мкм не менее 99% при скорости набегающего потока газа в диапазоне от 35 до 100 см/с.
12.1.2.2 Размеры фильтров
Рекомендуемый диаметр фильтров - 47 мм. Допускается применять фильтры большего диаметра (см.
12.1.2.4), но не меньшего.
12.1.2.3 Скорость набегающего потока для фильтров
Скорость потока, проходящего через фильтр, должна составлять от 35 до 100 см/с. Перепад давлений на фильтре за все время испытаний не должен увеличиться более чем на 25 кПа.
12.1.2.4 Нагрузка на фильтр
Требуемая минимальная нагрузка на фильтр приведена в
таблице 8. Для фильтров большего размера минимальная удельная нагрузка должна составлять 0,065 мг/1000 мм
2 площади фильтра.
Таблица 8
Минимально допустимая нагрузка на фильтр
Диаметр фильтра, мм | Минимальная нагрузка, мг |
47 | 0,11 |
70 | 0,25 |
90 | 0,41 |
110 | 0,62 |
Если, судя по результатам предыдущих испытаний, после оптимизации расходов и степени разбавления требуемые значения минимальной нагрузки могут оказаться недостижимыми, то по соглашению заинтересованных сторон эти значения могут быть снижены при условии соблюдения требований к точности
12.1.3.2 с использованием весов 0,1 мг.
12.1.3 Весовая камера и требования к аналитическим весам
12.1.3.1 Условия в весовой камере
Температура в весовой камере (или помещении), где производятся кондиционирование и взвешивание фильтров, должна поддерживаться на уровне (295 +/- 3) К [(22 +/- 3) °C] в течение всего процесса кондиционирования и взвешивания. Влажность должна поддерживаться на уровне точки росы (282,5 +/- 3) К [(9,5 +/- 3) °C], а относительная влажность - на уровне (45 +/- 8)%.
12.1.3.2 Взвешивание контрольных фильтров
Атмосфера в весовой камере (или помещении) не должна содержать никаких посторонних загрязняющих веществ (например, пыли), которые могли бы оседать на фильтрах во время их стабилизации. Временные отклонения в условиях помещения для взвешивания, от приведенных в
12.1.3.1, допускаются при условии, что их продолжительность не превышает 30 мин. Помещение для взвешивания должно удовлетворять заданным требованиям до того, как туда войдет кто-либо из персонала. Как минимум два неиспользованных контрольных фильтра должны быть взвешены по возможности одновременно со взвешиванием фильтра с пробой. Если одновременное взвешивание невозможно, интервал между обоими взвешиваниями не должен превышать 4 ч. Контрольные фильтры должны быть изготовлены из того же материала и иметь те же размеры, что и фильтры с пробой.
Если средний вес контрольных фильтров изменился между взвешиваниями фильтра с пробой более чем на 10 мг, то все фильтры с пробой ликвидируются, а испытания повторяются.
Если условия стабильности в помещении для взвешивания, приведенные в
12.1.3.1, не выполняются, но эти условия выполняются при взвешивании контрольного фильтра, то изготовитель двигателя может выбрать между двумя вариантами - или принять измеренные массы контрольных фильтров, или прекратить испытания, восстановить работу системы кондиционирования в помещении для взвешивания, после чего повторить испытания.
12.1.3.3 Аналитические весы
Аналитические весы, используемые для определения веса фильтров, должны иметь прецизионность (стандартное отклонение) не более 2 мг, а разрешение - не более 1 мг (1 разряд = 1 мг), гарантируемые изготовителем весов.
12.1.3.4 Устранение влияния статического электричества
Если в результате влияния статического электричества на весы взвешивание фильтров дает нестабильные или невоспроизводимые результаты, то перед взвешиванием фильтры должны пройти нейтрализацию, например, с помощью полониевого нейтрализатора или аналогичного прибора.
12.1.4 Требования к измерению расходов
12.1.4.1 Общие требования
Требования к точности расходомеров и аппаратуры для измерения расходов должны соответствовать
8.3.
12.1.4.2 Специфические требования для частичнопоточных систем разбавления
Для частичнопоточных систем разбавления особое значение имеет точность определения накопления пробы qmp, если эта величина не измеряется непосредственно, а определяется как разность расходов.
qmp = qmdew - qmdw. (63)
В этом случае условие предельно допустимой погрешности +/- 2% при определении qmdew и qmdw недостаточно для того, чтобы гарантировать приемлемую точность определения qmp. Если расход газа определяется как разность расходов, предельно допустимая погрешность этой разности должна быть такой, чтобы погрешность определения qmp лежала в пределах +/- 5%, когда степень разбавления меньше 15. Она может быть вычислена как среднеквадратичное значение погрешностей каждого прибора.
Для определения qmp с приемлемой точностью можно воспользоваться любым из следующих способов:
a) Обеспечить абсолютную погрешность определения
qmdew и
qmdw в пределах +/- 0,2%, что гарантирует относительную погрешность определения
qmp <= 5% при степени разбавления, равной 15. Однако при более высоких значениях степени разбавления ошибка возрастает;
b) Выполнить калибровку
qmdw относительно
qmdew таким образом, чтобы величина
qmp определялась с точностью, указанной в
перечислении a). Подробнее о калибровке см.
12.3.2;
c) Точность определения q
mp может быть вычислена косвенным путем на основании точности определения степени разбавления, найденной с помощью индикаторного газа, например, CO
2. В этом случае необходимо обеспечить такую же точность определения
qmp, как при использовании метода, указанного в
перечислении a);
d) Абсолютная погрешность определения qmdew и qmdw должна быть в пределах +/- 2% полной шкалы, ошибка разности между qmdew и qmdw должна быть в пределах 0,2%, а предельно допустимая нелинейность составляет +/- 0,2% максимального значения qmdew, наблюдавшегося в ходе испытаний.
12.1.4.3 Поправка на величину расхода (только для частичнопоточной системы разбавления)
В случае если измерения содержания метанола или формальдегида производятся с помощью частичнопоточной системы разбавления с измерением расхода и общим пробоотбором, пробу qmex необходимо брать из смесительного туннеля, то есть перед расходомером qmdew. Значение qmex должно определяться с помощью расходомера, и хотя оно обычно гораздо меньше, чем qmdew, однако его нельзя считать пренебрежимо малым (qmex > 0,01qmdew).
Для гарантированного определения
qmp с точностью, отвечающей требованиям
12.1.4.2 и
12.3.2.1, можно использовать любой из методов, описанных в этих пунктах, только при этом
qmdew заменяется суммой
qmdew +
qmex.
При расчете массовых выбросов PM (см.
9.4.5) должна учитываться масса
qmex, взятая из смесительного туннеля, для чего масса частиц
mf корректируется следующим образом:

(64)
12.1.5 Дополнительные требования
Конструкция всех компонентов систем разбавления и пробоотбора, от выпускной трубы до держателя фильтров, находящихся в контакте с неразбавленными и разбавленными отработавшими газами, должна быть такой, чтобы возможности осаждения частиц на их поверхностях или какого-либо видоизменения частиц были сведены к минимуму. Все указанные компоненты должны быть выполнены из электропроводных материалов, не реагирующих с веществами, входящими в состав отработавших газов; во избежание накопления статических зарядов эти компоненты должны быть заземлены.
12.2 Система разбавления и пробоотбора
Система разбавления и пробоотбора подробно описана в ISO 8178-1, разделе 17.
12.3.1 Общие положения
Калибровка аппаратуры для измерения массы частиц сводится к калибровке расходомеров, используемых для определения накопления пробы и степени разбавления. Калибровка каждого компонента должна проводиться с периодичностью, необходимой для обеспечения точности в соответствии с требованиями ISO 8178-1. При этом должен использоваться метод калибровки, описанный в
разделе 12.3.2.
12.3.2 Измерение расходов
12.3.2.1 Периодическая калибровка
Чтобы обеспечить выполнение требований к точности, изложенных в
8.3, расходомер или аппаратура для измерения расходов должны быть откалиброваны с помощью эталонного расходомера, калибровка которого документирована в соответствии с международными и/или национальными стандартами.
Если накопление пробы определяется как разность расходов, то расходомеры или аппаратура для измерения расходов должны быть откалиброваны одним из следующих методов, при условии, что расход через датчик в смесительный туннель
qmp определяется с точностью, отвечающей требованиям
12.1.4:
a) Расходомер для qmdw последовательно соединен с расходомером для qmdew, при этом разность показаний обоих расходомеров откалибрована как минимум по пяти точкам, равномерно распределенными (по оси расходов) между наименьшим значением qmdw, наблюдавшимся в ходе испытаний, и величиной qmdew, использованной в ходе испытаний. При этом возможен байпас смесительного туннеля;
b) Откалиброванное устройство для определения массового расхода последовательно соединяется с расходомером для qmdew, а его точность проверяется при величине расхода, используемой при испытаниях. Затем откалиброванное устройство для определения массового расхода последовательно соединяется с расходомером для qmdw, а его точность проверяется как минимум по пяти точкам, соответствующим степени разбавления от 3 до 50, относительно величины расхода qmdew, используемой при испытаниях;
c) Передаточная трубка TT отсоединяется от выпуска, а откалиброванное устройство для определения массового расхода, диапазон измерений которого достаточен для измерения qmp, соединяется с передаточной трубкой. Затем расход qmdew устанавливается равным величине, используемой при испытаниях, а расход qmdw устанавливается последовательно равным как минимум пяти величинам, соответствующим степени разбавления q от 3 до 50. Другой возможный вариант состоит в организации специального калибровочного канала для потока, который обходит смесительный туннель, но при этом полный расход воздуха и расход разбавляющего воздуха такие же, как и через соответствующие расходомеры при реальных испытаниях;
d) Индикаторный газ направляется в передаточную трубку ТТ. В качестве индикаторного газа может быть использован один из компонентов отработавших газов, например, CO2 или NOx. После разбавления в калибровочном канале измеряется расход этого компонента. Такое измерение должно проводиться для пяти значений степени разбавления в диапазоне от 3 до 50. Точность измерения накопления пробы определяется по степени разбавления rdil.
qmP = qmdew/rdil. (65)
Для обеспечения необходимой точности определения qmp следует учитывать также погрешности газоанализаторов.
12.3.2.2 Проверка методом расхода углерода
Проверка методом расхода углерода настоятельно рекомендуется как способ выявления проблем в системах измерения и контроля, а также подтверждения правильности работы частичнопоточной системы разбавления. Проверка методом расхода углерода обязательна как минимум в двух случаях - при пуске нового двигателя в эксплуатацию и при внесении существенных изменений в испытательное оборудование.
При этом двигатель должен работать в режиме максимального крутящего момента и частоты вращения либо в другом установившемся режиме, при котором в отработавших газах содержится не менее 5% CO2. Частичнопоточная система пробоотбора должна работать с коэффициентом разбавления порядка 15:1.
При проверке методом расхода углерода должна применяться методика, приведенная в
приложении D. Значения расхода углерода должны рассчитываться по
формулам D.1,
D.2 и
D.3. Все рассчитанные значения расхода углерода должны совпадать с точностью до 6%.
12.3.2.3 Предварительная проверка
Предварительная проверка проводится не ранее чем за 2 ч до начала испытаний.
Проверка точности расходомеров должна выполняться тем же методом, что и их калибровка (см.
12.3.2.1), как минимум по двум точкам, включая расходы
gmdw, которые соответствуют степени разбавления от 5 до 15 для величины
gmdew, используемой при испытаниях.
Если запротоколированные результаты калибровки согласно
12.3.2.1 подтверждают стабильность калибровки на протяжении более длительного времени, предварительную проверку можно не проводить.
12.3.3 Определение времени преобразования (относится только к частичнопоточным системам разбавления)
Настройки системы для оценки времени преобразования должны быть точно такими же, как и при измерениях, проводимых в ходе испытаний. Определение времени преобразования выполняется следующим образом.
Отдельный эталонный расходомер, диапазон измерения которого должен соответствовать диапазону датчика, последовательно и непосредственно соединяется с датчиком. Время преобразования такого расходомера должно быть менее 100 мс для шага прироста расхода, используемого при измерении времени преобразования, его гидравлическое сопротивление должно быть достаточно низким, чтобы не влиять на динамические характеристики частичнопоточной системы разбавления, а его конструкция должна отвечать требованиям инженерной практики.
Для замера времени преобразования должно быть обеспечено ступенчатое изменение расхода отработавших газов (или воздуха, если расход отработавших газов определяется расчетным путем) на входе частичнопоточной системы разбавления от минимального расхода до как минимум 90% полного расхода. Устройство для ступенчатого изменения расхода должно быть тем же самым, которое используется для опережающего управления в реальных испытаниях. Возмущающее воздействие и отклик расходомера должны регистрироваться с частотой не менее 10 Гц.
На основании этих записей определяется время преобразования для частичнопоточной системы разбавления, которое представляет собой промежуток времени от момента приложения возмущающего воздействия до момента, когда сигнал на выходе расходомера достигнет 50% номинального значения. Аналогичным образом должны определяться времена преобразования сигнала
gmp частичнопоточной системы разбавления и сигнала
gmew,i расходомера отработавших газов. Указанные сигналы используются в регрессионном анализе, выполняемом после каждого испытания (см.
9.4.3).
Расчет должен быть повторен как минимум для пяти сеансов приложения возмущающего воздействия в обе стороны, а результаты должны быть усреднены. Из полученного результата следует вычесть собственное время преобразования эталонного расходомера (< 100 мсек). Таким образом, мы получаем необходимое "опережение" для частичнопоточной системы разбавления, которое должно использоваться в соответствии с
9.4.3, если время преобразования превышает 0,3 с.
12.3.4 Калибровка системы CVS (только для полнопоточной системы разбавления)
12.3.4.1 Общие положения
Система CVS (отбора проб постоянного объема) должна быть откалибрована с использованием прецизионного расходомера и регулируемого дросселя. Расход через систему должен измеряться при различных настройках дросселя, при этом параметры управления системы должны быть измерены и отнесены к расходу.
Возможно использование расходомеров различных типов, таких, например, как калиброванная трубка Вентури, калиброванный расходомер для ламинарного потока или калиброванный турбинный счетчик.
Калибровка системы CVS подробно описана в разделе 9 ISO 8178-1.
12.3.4.2 Общая поверка системы
12.3.4.2.1 Общие положения
Суммарная точность системы пробоотбора CVS должна проверяться путем ввода известной массы загрязняющей газовой фракции в систему, работающую в нормальном режиме. Производится анализ загрязняющей фракции и рассчитывается ее масса по методике, приведенной в
10.3.4.1, за исключением того, что в случае с пропаном для углеводородов применяется коэффициент 0,000472 вместо 0,000479. При этом используется любой из двух описанных ниже методов.
12.3.4.2.2 Измерение с критическим истечением
Известное количество газа (оксида углерода или пропана) подается в систему через калиброванное отверстие критического сечения. Если давление на входе достаточно велико, расход, величина которого регулируется изменением проходного сечения отверстия с критическим истечением, не зависит от давления на выходе (что и является признаком критического истечения). Система CVS работает в течение 5 - 10 мин в обычном режиме, характерном для испытаний на содержание вредных выбросов. Производится анализ газовой пробы с помощью обычного измерительного оборудования (пробоотборный мешок или накопительный метод), после чего рассчитывается масса газа. Определенная таким образом масса должна быть равна массе поданного в систему газа с погрешностью не более +/- 3%.
12.3.4.2.3 Измерение гравиметрическим методом
Масса цилиндра небольшого объема, заполняемого оксидом углерода или пропаном, должна определяться с точностью до +/- 0,01 г. Система CVS работает в течение 5 - 10 мин в обычном режиме, характерном для испытаний на содержание вредных выбросов, при этом в систему подается оксид углерода или пропан. Количество газа на выходе определяется методом дифференциального взвешивания. Производится анализ газовой пробы с помощью обычного измерительного оборудования (пробоотборный мешок или накопительный метод), после чего рассчитывается масса газа. Определенная таким образом масса должна быть равна массе поданного в систему газа с погрешностью не более +/- 3%.
12.3.5 Периодичность калибровки
Измерительные приборы должны быть откалиброваны в соответствии с требованиями нормативных документов, действующих на данном производстве или изготовителей данных приборов.
(обязательное)
ИСПЫТАТЕЛЬНЫЙ НАГРУЗОЧНЫЙ ЦИКЛ NRTC
Время, с | Нормализованная частота вращения, % | Нормализованный крутящий момент, % | | Время, с | Нормализованная частота вращения, % | Нормализованный крутящий момент, % | | Время, с | Нормализованная частота вращения, % | Нормализованный крутящий момент, % |
1 | 0 | 0 | 30 | 1 | 6 | 59 | 1 | 3 |
2 | 0 | 0 | 31 | 1 | 6 | 60 | 1 | 8 |
3 | 0 | 0 | 32 | 2 | 1 | 61 | 1 | 3 |
4 | 0 | 0 | 33 | 4 | 13 | 62 | 1 | 5 |
5 | 0 | 0 | 34 | 7 | 18 | 63 | 1 | 6 |
6 | 0 | 0 | 35 | 9 | 21 | 64 | 1 | 4 |
7 | 0 | 0 | 36 | 17 | 20 | 65 | 1 | 4 |
8 | 0 | 0 | 37 | 33 | 42 | 66 | 0 | 6 |
9 | 0 | 0 | 38 | 57 | 46 | 67 | 1 | 4 |
10 | 0 | 0 | 39 | 44 | 33 | 68 | 9 | 21 |
11 | 0 | 0 | 40 | 31 | 0 | 69 | 25 | 56 |
12 | 0 | 0 | 41 | 22 | 27 | 70 | 64 | 26 |
13 | 0 | 0 | 42 | 33 | 43 | 71 | 60 | 31 |
14 | 0 | 0 | 43 | 80 | 49 | 72 | 63 | 20 |
15 | 0 | 0 | 44 | 105 | 47 | 73 | 62 | 24 |
16 | 0 | 0 | 45 | 98 | 70 | 74 | 64 | 8 |
17 | 0 | 0 | 46 | 104 | 36 | 75 | 58 | 44 |
18 | 0 | 0 | 47 | 104 | 65 | 76 | 65 | 10 |
19 | 0 | 0 | 48 | 96 | 71 | 77 | 65 | 12 |
20 | 0 | 0 | 49 | 101 | 62 | 78 | 68 | 23 |
21 | 0 | 0 | 50 | 102 | 51 | 79 | 69 | 30 |
22 | 0 | 0 | 51 | 102 | 50 | 80 | 71 | 30 |
23 | 0 | 0 | 52 | 102 | 46 | 81 | 74 | 15 |
24 | 1 | 3 | 53 | 102 | 41 | 82 | 71 | 23 |
25 | 1 | 3 | 54 | 102 | 31 | 83 | 73 | 20 |
26 | 1 | 3 | 55 | 89 | 2 | 84 | 73 | 21 |
27 | 1 | 3 | 56 | 82 | 0 | 85 | 73 | 19 |
28 | 1 | 3 | 57 | 47 | 1 | 86 | 70 | 33 |
29 | 1 | 3 | 58 | 23 | 1 | 87 | 70 | 34 |
Продолжение
Время, с | Нормализованная частота вращения, % | Нормализованный крутящий момент, % | | Время, с | Нормализованная частота вращения, % | Нормализованный крутящий момент, % | | Время, с | Нормализованная частота вращения, % | Нормализованный крутящий момент, % |
88 | 65 | 47 | 121 | 102 | 43 | 154 | 15 | 6 |
89 | 66 | 47 | 122 | 103 | 34 | 155 | 39 | 47 |
90 | 64 | 53 | 123 | 102 | 41 | 156 | 39 | 4 |
91 | 65 | 45 | 124 | 103 | 44 | 157 | 35 | 26 |
92 | 66 | 38 | 125 | 103 | 37 | 158 | 27 | 38 |
93 | 67 | 49 | 126 | 103 | 27 | 159 | 43 | 40 |
94 | 69 | 39 | 127 | 104 | 13 | 160 | 14 | 23 |
95 | 69 | 39 | 128 | 104 | 30 | 161 | 10 | 10 |
96 | 66 | 42 | 129 | 104 | 19 | 162 | 15 | 33 |
97 | 71 | 29 | 130 | 103 | 28 | 163 | 35 | 72 |
98 | 75 | 29 | 131 | 104 | 40 | 164 | 60 | 39 |
99 | 72 | 23 | 132 | 104 | 32 | 165 | 55 | 31 |
100 | 74 | 22 | 133 | 101 | 63 | 166 | 47 | 30 |
101 | 75 | 24 | 134 | 102 | 54 | 167 | 16 | 7 |
102 | 73 | 30 | 135 | 102 | 52 | 168 | 0 | 6 |
103 | 74 | 24 | 136 | 102 | 51 | 169 | 0 | 8 |
104 | 77 | 6 | 137 | 103 | 40 | 170 | 0 | 8 |
105 | 76 | 12 | 138 | 104 | 34 | 171 | 0 | 2 |
106 | 74 | 39 | 139 | 102 | 36 | 172 | 2 | 17 |
107 | 72 | 30 | 140 | 104 | 44 | 173 | 10 | 28 |
108 | 75 | 22 | 141 | 103 | 44 | 174 | 28 | 31 |
109 | 78 | 64 | 142 | 104 | 33 | 175 | 33 | 30 |
110 | 102 | 34 | 143 | 102 | 27 | 176 | 36 | 0 |
111 | 103 | 28 | 144 | 103 | 26 | 177 | 19 | 10 |
112 | 103 | 28 | 145 | 79 | 53 | 178 | 1 | 18 |
113 | 103 | 19 | 146 | 51 | 37 | 179 | 0 | 16 |
114 | 103 | 32 | 147 | 24 | 23 | 180 | 1 | 3 |
115 | 104 | 25 | 148 | 13 | 33 | 181 | 1 | 4 |
116 | 103 | 38 | 149 | 19 | 55 | 182 | 1 | 5 |
117 | 103 | 39 | 150 | 45 | 30 | 183 | 1 | 6 |
118 | 103 | 34 | 151 | 34 | 7 | 184 | 1 | 5 |
119 | 102 | 44 | 152 | 14 | 4 | 185 | 1 | 3 |
120 | 103 | 38 | 153 | 8 | 16 | 186 | 1 | 4 |
Продолжение
Время, с | Нормализованная частота вращения, % | Нормализованный крутящий момент, % | | Время, с | Нормализованная частота вращения, % | Нормализованный крутящий момент, % | | Время, с | Нормализованная частота вращения, % | Нормализованный крутящий момент, % |
187 | 1 | 4 | 220 | 36 | 66 | 253 | 88 | 90 |
188 | 1 | 6 | 221 | 66 | 40 | 254 | 103 | 84 |
189 | 8 | 18 | 222 | 50 | 13 | 255 | 103 | 85 |
190 | 20 | 51 | 223 | 16 | 24 | 256 | 102 | 84 |
191 | 49 | 19 | 224 | 26 | 50 | 257 | 58 | 66 |
192 | 41 | 13 | 225 | 64 | 23 | 258 | 64 | 97 |
193 | 31 | 16 | 226 | 81 | 20 | 259 | 56 | 80 |
194 | 28 | 21 | 227 | 83 | 11 | 260 | 51 | 67 |
195 | 21 | 17 | 228 | 79 | 23 | 261 | 52 | 96 |
196 | 31 | 21 | 229 | 76 | 31 | 262 | 63 | 62 |
197 | 21 | 8 | 230 | 68 | 24 | 263 | 71 | 6 |
198 | 0 | 14 | 231 | 59 | 33 | 264 | 33 | 16 |
199 | 0 | 12 | 232 | 59 | 3 | 265 | 47 | 45 |
200 | 3 | 8 | 233 | 25 | 7 | 266 | 43 | 56 |
201 | 3 | 22 | 234 | 21 | 10 | 267 | 42 | 27 |
202 | 12 | 20 | 235 | 20 | 19 | 268 | 42 | 64 |
203 | 14 | 20 | 236 | 4 | 10 | 269 | 75 | 74 |
204 | 16 | 17 | 237 | 5 | 7 | 270 | 68 | 96 |
205 | 20 | 18 | 238 | 4 | 5 | 271 | 86 | 61 |
206 | 27 | 34 | 239 | 4 | 6 | 272 | 66 | 0 |
207 | 32 | 33 | 240 | 4 | 6 | 273 | 37 | 0 |
208 | 41 | 31 | 241 | 4 | 5 | 274 | 45 | 37 |
209 | 43 | 31 | 242 | 7 | 5 | 275 | 68 | 96 |
210 | 37 | 33 | 243 | 16 | 28 | 276 | 80 | 97 |
211 | 26 | 18 | 244 | 28 | 25 | 277 | 92 | 96 |
212 | 18 | 29 | 245 | 52 | 53 | 278 | 90 | 97 |
213 | 14 | 51 | 246 | 50 | 8 | 279 | 82 | 96 |
214 | 13 | 11 | 247 | 26 | 40 | 280 | 94 | 81 |
215 | 12 | 9 | 248 | 48 | 29 | 281 | 90 | 85 |
216 | 15 | 33 | 249 | 54 | 39 | 282 | 96 | 65 |
217 | 20 | 25 | 250 | 60 | 42 | 283 | 70 | 96 |
218 | 25 | 17 | 251 | 48 | 18 | 284 | 55 | 95 |
219 | 31 | 29 | 252 | 54 | 51 | 285 | 70 | 96 |
Продолжение
Время, с | Нормализованная частота вращения, % | Нормализованный крутящий момент, % | | Время, с | Нормализованная частота вращения, % | Нормализованный крутящий момент, % | | Время, с | Нормализованная частота вращения, % | Нормализованный крутящий момент, % |
286 | 79 | 96 | 319 | 9 | 10 | 352 | 83 | 83 |
287 | 81 | 71 | 320 | 5 | 5 | 353 | 65 | 96 |
288 | 71 | 60 | 321 | 7 | 11 | 354 | 93 | 72 |
289 | 92 | 65 | 322 | 15 | 15 | 355 | 63 | 60 |
290 | 82 | 63 | 323 | 12 | 9 | 356 | 72 | 49 |
291 | 61 | 47 | 324 | 13 | 27 | 357 | 56 | 27 |
292 | 52 | 37 | 325 | 15 | 28 | 358 | 29 | 0 |
293 | 24 | 0 | 326 | 16 | 28 | 359 | 18 | 13 |
294 | 20 | 7 | 327 | 16 | 31 | 360 | 25 | 11 |
295 | 39 | 48 | 328 | 15 | 20 | 361 | 28 | 24 |
296 | 39 | 54 | 329 | 17 | 0 | 362 | 34 | 53 |
297 | 63 | 58 | 330 | 20 | 34 | 363 | 65 | 83 |
298 | 53 | 31 | 331 | 21 | 25 | 364 | 80 | 44 |
299 | 51 | 24 | 332 | 20 | 0 | 365 | 77 | 46 |
300 | 48 | 40 | 333 | 23 | 25 | 366 | 76 | 50 |
301 | 39 | 0 | 334 | 30 | 58 | 367 | 45 | 52 |
302 | 35 | 18 | 335 | 63 | 96 | 368 | 61 | 98 |
303 | 36 | 16 | 336 | 83 | 60 | 369 | 61 | 69 |
304 | 29 | 17 | 337 | 61 | 0 | 370 | 63 | 49 |
305 | 28 | 21 | 338 | 26 | 0 | 371 | 32 | 0 |
306 | 31 | 15 | 339 | 29 | 44 | 372 | 10 | 8 |
307 | 31 | 10 | 340 | 68 | 97 | 373 | 17 | 7 |
308 | 43 | 19 | 341 | 80 | 97 | 374 | 16 | 13 |
309 | 49 | 63 | 342 | 88 | 97 | 375 | 11 | 6 |
310 | 78 | 61 | 343 | 99 | 88 | 376 | 9 | 5 |
311 | 78 | 46 | 344 | 102 | 86 | 377 | 9 | 12 |
312 | 66 | 65 | 345 | 100 | 82 | 378 | 12 | 46 |
313 | 78 | 97 | 346 | 74 | 79 | 379 | 15 | 30 |
314 | 84 | 63 | 347 | 57 | 79 | 380 | 26 | 28 |
315 | 57 | 26 | 348 | 76 | 97 | 381 | 13 | 9 |
316 | 36 | 22 | 349 | 84 | 97 | 382 | 16 | 21 |
317 | 20 | 34 | 350 | 86 | 97 | 383 | 24 | 4 |
318 | 19 | 8 | 351 | 81 | 98 | 384 | 36 | 43 |
Продолжение
Время, с | Нормализованная частота вращения, % | Нормализованный крутящий момент, % | | Время, с | Нормализованная частота вращения, % | Нормализованный крутящий момент, % | | Время, с | Нормализованная частота вращения, % | Нормализованный крутящий момент, % |
385 | 65 | 85 | 418 | 88 | 58 | 451 | 79 | 35 |
386 | 78 | 66 | 419 | 78 | 69 | 452 | 82 | 38 |
387 | 63 | 39 | 420 | 98 | 39 | 453 | 81 | 41 |
388 | 32 | 34 | 421 | 64 | 61 | 454 | 79 | 37 |
389 | 46 | 55 | 422 | 90 | 34 | 455 | 78 | 35 |
390 | 47 | 42 | 423 | 88 | 38 | 456 | 78 | 38 |
391 | 42 | 39 | 424 | 97 | 62 | 457 | 78 | 46 |
392 | 27 | 0 | 425 | 100 | 53 | 458 | 75 | 49 |
393 | 14 | 5 | 426 | 81 | 58 | 459 | 73 | 50 |
394 | 14 | 14 | 427 | 74 | 51 | 460 | 79 | 58 |
395 | 24 | 54 | 428 | 76 | 57 | 461 | 79 | 71 |
396 | 60 | 90 | 429 | 76 | 72 | 462 | 83 | 44 |
397 | 53 | 66 | 430 | 85 | 72 | 463 | 53 | 48 |
398 | 70 | 48 | 431 | 84 | 60 | 464 | 40 | 48 |
399 | 77 | 93 | 432 | 83 | 72 | 465 | 51 | 75 |
400 | 79 | 67 | 433 | 83 | 72 | 466 | 75 | 72 |
401 | 46 | 65 | 434 | 86 | 72 | 467 | 89 | 67 |
402 | 69 | 98 | 435 | 89 | 72 | 468 | 93 | 60 |
403 | 80 | 97 | 436 | 86 | 72 | 469 | 89 | 73 |
404 | 74 | 97 | 437 | 87 | 72 | 470 | 86 | 73 |
405 | 75 | 98 | 438 | 88 | 72 | 471 | 81 | 73 |
406 | 56 | 61 | 439 | 88 | 71 | 472 | 78 | 73 |
407 | 42 | 0 | 440 | 87 | 72 | 473 | 78 | 73 |
408 | 36 | 32 | 441 | 85 | 71 | 474 | 76 | 73 |
409 | 34 | 43 | 442 | 88 | 72 | 475 | 79 | 73 |
410 | 68 | 83 | 443 | 88 | 72 | 476 | 82 | 73 |
411 | 102 | 48 | 444 | 84 | 72 | 477 | 86 | 73 |
412 | 62 | 0 | 445 | 83 | 73 | 478 | 88 | 72 |
413 | 41 | 39 | 446 | 77 | 73 | 479 | 92 | 71 |
414 | 71 | 86 | 447 | 74 | 73 | 480 | 97 | 54 |
415 | 91 | 52 | 448 | 76 | 72 | 481 | 73 | 43 |
416 | 89 | 55 | 449 | 46 | 77 | 482 | 36 | 64 |
417 | 89 | 56 | 450 | 78 | 62 | 483 | 63 | 31 |
Продолжение
Время, с | Нормализованная частота вращения, % | Нормализованный крутящий момент, % | | Время, с | Нормализованная частота вращения, % | Нормализованный крутящий момент, % | | Время, с | Нормализованная частота вращения, % | Нормализованный крутящий момент, % |
484 | 78 | 1 | 517 | 85 | 72 | 550 | 83 | 50 |
485 | 69 | 27 | 518 | 85 | 73 | 551 | 83 | 50 |
486 | 67 | 28 | 519 | 83 | 73 | 552 | 85 | 43 |
487 | 72 | 9 | 520 | 79 | 73 | 553 | 86 | 45 |
488 | 71 | 9 | 521 | 78 | 73 | 554 | 89 | 35 |
489 | 78 | 36 | 522 | 81 | 73 | 555 | 82 | 61 |
490 | 81 | 56 | 523 | 82 | 72 | 556 | 87 | 50 |
491 | 75 | 53 | 524 | 94 | 56 | 557 | 85 | 55 |
492 | 60 | 45 | 525 | 66 | 48 | 558 | 89 | 49 |
493 | 50 | 37 | 526 | 35 | 71 | 559 | 87 | 70 |
494 | 66 | 41 | 527 | 51 | 44 | 560 | 91 | 39 |
495 | 51 | 61 | 528 | 60 | 23 | 561 | 72 | 3 |
496 | 68 | 47 | 529 | 64 | 10 | 562 | 43 | 25 |
497 | 29 | 42 | 530 | 63 | 14 | 563 | 30 | 60 |
498 | 24 | 73 | 531 | 70 | 37 | 564 | 40 | 45 |
499 | 64 | 71 | 532 | 76 | 45 | 565 | 37 | 32 |
500 | 90 | 71 | 533 | 78 | 18 | 566 | 37 | 32 |
501 | 100 | 61 | 534 | 76 | 51 | 567 | 43 | 70 |
502 | 94 | 73 | 535 | 75 | 33 | 568 | 70 | 54 |
503 | 84 | 73 | 536 | 81 | 17 | 569 | 77 | 47 |
504 | 79 | 73 | 537 | 76 | 45 | 570 | 79 | 66 |
505 | 75 | 72 | 538 | 76 | 30 | 571 | 85 | 53 |
506 | 78 | 73 | 539 | 80 | 14 | 572 | 83 | 57 |
507 | 80 | 73 | 540 | 71 | 18 | 573 | 86 | 52 |
508 | 81 | 73 | 541 | 71 | 14 | 574 | 85 | 51 |
509 | 81 | 73 | 542 | 71 | 11 | 575 | 70 | 39 |
510 | 83 | 73 | 543 | 65 | 2 | 576 | 50 | 5 |
511 | 85 | 73 | 544 | 31 | 26 | 577 | 38 | 36 |
512 | 84 | 73 | 545 | 24 | 72 | 578 | 30 | 71 |
513 | 85 | 73 | 546 | 64 | 70 | 579 | 75 | 53 |
514 | 86 | 73 | 547 | 77 | 62 | 580 | 84 | 40 |
515 | 85 | 73 | 548 | 80 | 68 | 581 | 85 | 42 |
516 | 85 | 73 | 549 | 83 | 53 | 582 | 86 | 49 |
Продолжение
Время, с | Нормализованная частота вращения, % | Нормализованный крутящий момент, % | | Время, с | Нормализованная частота вращения, % | Нормализованный крутящий момент, % | | Время, с | Нормализованная частота вращения, % | Нормализованный крутящий момент, % |
583 | 86 | 57 | 616 | 40 | 14 | 649 | 83 | 71 |
584 | 89 | 68 | 617 | 42 | 38 | 650 | 83 | 73 |
585 | 99 | 61 | 618 | 64 | 69 | 651 | 81 | 70 |
586 | 77 | 29 | 619 | 64 | 74 | 652 | 80 | 71 |
587 | 81 | 72 | 620 | 67 | 73 | 653 | 78 | 71 |
588 | 89 | 69 | 621 | 65 | 73 | 654 | 76 | 70 |
589 | 49 | 56 | 622 | 68 | 73 | 655 | 76 | 70 |
590 | 79 | 70 | 623 | 65 | 49 | 656 | 76 | 71 |
591 | 104 | 59 | 624 | 81 | 0 | 657 | 79 | 71 |
592 | 103 | 54 | 625 | 37 | 25 | 658 | 78 | 71 |
593 | 102 | 56 | 626 | 24 | 69 | 659 | 81 | 70 |
594 | 102 | 56 | 627 | 68 | 71 | 660 | 83 | 72 |
595 | 103 | 61 | 628 | 70 | 71 | 661 | 84 | 71 |
596 | 102 | 64 | 629 | 76 | 70 | 662 | 86 | 71 |
597 | 103 | 60 | 630 | 71 | 72 | 663 | 87 | 71 |
598 | 93 | 72 | 631 | 73 | 69 | 664 | 92 | 72 |
599 | 86 | 73 | 632 | 76 | 70 | 665 | 91 | 72 |
600 | 76 | 73 | 633 | 77 | 72 | 666 | 90 | 71 |
601 | 59 | 49 | 634 | 77 | 72 | 667 | 90 | 71 |
602 | 46 | 22 | 635 | 77 | 72 | 668 | 91 | 71 |
603 | 40 | 65 | 636 | 77 | 70 | 669 | 90 | 70 |
604 | 72 | 31 | 637 | 76 | 71 | 670 | 90 | 72 |
605 | 72 | 27 | 638 | 76 | 71 | 671 | 91 | 71 |
606 | 67 | 44 | 639 | 77 | 71 | 672 | 90 | 71 |
607 | 68 | 37 | 640 | 77 | 71 | 673 | 90 | 71 |
608 | 67 | 42 | 641 | 78 | 70 | 674 | 92 | 72 |
609 | 68 | 50 | 642 | 77 | 70 | 675 | 93 | 69 |
610 | 77 | 43 | 643 | 77 | 71 | 676 | 90 | 70 |
611 | 58 | 4 | 644 | 79 | 72 | 677 | 93 | 72 |
612 | 22 | 37 | 645 | 78 | 70 | 678 | 91 | 70 |
613 | 57 | 69 | 646 | 80 | 70 | 679 | 89 | 71 |
614 | 68 | 38 | 647 | 82 | 71 | 680 | 91 | 71 |
615 | 73 | 2 | 648 | 84 | 71 | 681 | 90 | 71 |
Продолжение
Время, с | Нормализованная частота вращения, % | Нормализованный крутящий момент, % | | Время, с | Нормализованная частота вращения, % | Нормализованный крутящий момент, % | | Время, с | Нормализованная частота вращения, % | Нормализованный крутящий момент, % |
682 | 90 | 71 | 715 | 102 | 64 | 748 | 103 | 46 |
683 | 92 | 71 | 716 | 102 | 69 | 749 | 103 | 38 |
684 | 91 | 71 | 717 | 102 | 68 | 750 | 102 | 48 |
685 | 93 | 71 | 718 | 102 | 70 | 751 | 103 | 35 |
686 | 93 | 68 | 719 | 102 | 69 | 752 | 102 | 48 |
687 | 98 | 68 | 720 | 102 | 70 | 753 | 103 | 49 |
688 | 98 | 67 | 721 | 102 | 70 | 754 | 102 | 48 |
689 | 100 | 69 | 722 | 102 | 62 | 755 | 102 | 46 |
690 | 99 | 68 | 723 | 104 | 38 | 756 | 103 | 47 |
691 | 100 | 71 | 724 | 104 | 15 | 757 | 102 | 49 |
692 | 99 | 68 | 725 | 102 | 24 | 758 | 102 | 42 |
693 | 100 | 69 | 726 | 102 | 45 | 759 | 102 | 52 |
694 | 102 | 72 | 727 | 102 | 47 | 760 | 102 | 57 |
695 | 101 | 69 | 728 | 104 | 40 | 761 | 102 | 55 |
696 | 100 | 69 | 729 | 101 | 52 | 762 | 102 | 61 |
697 | 102 | 71 | 730 | 103 | 32 | 763 | 102 | 61 |
698 | 102 | 71 | 731 | 102 | 50 | 764 | 102 | 58 |
699 | 102 | 69 | 732 | 103 | 30 | 765 | 103 | 58 |
700 | 102 | 71 | 733 | 103 | 44 | 766 | 102 | 59 |
701 | 102 | 68 | 734 | 102 | 40 | 767 | 102 | 54 |
702 | 100 | 69 | 735 | 103 | 43 | 768 | 102 | 63 |
703 | 102 | 70 | 736 | 103 | 41 | 769 | 102 | 61 |
704 | 102 | 68 | 737 | 102 | 46 | 770 | 103 | 55 |
705 | 102 | 70 | 738 | 103 | 39 | 771 | 102 | 60 |
706 | 102 | 72 | 739 | 102 | 41 | 772 | 102 | 72 |
707 | 102 | 68 | 740 | 103 | 41 | 773 | 103 | 56 |
708 | 102 | 69 | 741 | 102 | 38 | 774 | 102 | 55 |
709 | 100 | 68 | 742 | 103 | 39 | 775 | 102 | 67 |
710 | 102 | 71 | 743 | 102 | 46 | 776 | 103 | 56 |
711 | 101 | 64 | 744 | 104 | 46 | 777 | 84 | 42 |
712 | 102 | 69 | 745 | 103 | 49 | 778 | 48 | 7 |
713 | 102 | 69 | 746 | 102 | 45 | 779 | 48 | 6 |
714 | 101 | 69 | 747 | 103 | 42 | 780 | 48 | 6 |
Продолжение
Время, с | Нормализованная частота вращения, % | Нормализованный крутящий момент, % | | Время, с | Нормализованная частота вращения, % | Нормализованный крутящий момент, % | | Время, с | Нормализованная частота вращения, % | Нормализованный крутящий момент, % |
781 | 48 | 7 | 814 | 94 | 74 | 847 | 81 | 20 |
782 | 48 | 6 | 815 | 87 | 62 | 848 | 83 | 21 |
783 | 48 | 7 | 816 | 81 | 50 | 849 | 83 | 15 |
784 | 67 | 21 | 817 | 81 | 46 | 850 | 83 | 12 |
785 | 105 | 59 | 818 | 80 | 39 | 851 | 83 | 9 |
786 | 105 | 96 | 819 | 80 | 32 | 852 | 83 | 8 |
787 | 105 | 74 | 820 | 81 | 28 | 853 | 83 | 7 |
788 | 105 | 66 | 821 | 80 | 26 | 854 | 83 | 6 |
789 | 105 | 62 | 822 | 80 | 23 | 855 | 83 | 6 |
790 | 105 | 66 | 823 | 80 | 23 | 856 | 83 | 6 |
791 | 89 | 41 | 824 | 80 | 20 | 857 | 83 | 6 |
792 | 52 | 5 | 825 | 81 | 19 | 858 | 83 | 6 |
793 | 48 | 5 | 826 | 80 | 18 | 859 | 76 | 5 |
794 | 48 | 7 | 827 | 81 | 17 | 860 | 49 | 8 |
795 | 48 | 5 | 828 | 80 | 20 | 861 | 51 | 7 |
796 | 48 | 6 | 829 | 81 | 24 | 862 | 51 | 20 |
797 | 48 | 4 | 830 | 81 | 21 | 863 | 78 | 52 |
798 | 52 | 6 | 831 | 80 | 26 | 864 | 80 | 38 |
799 | 51 | 5 | 832 | 80 | 24 | 865 | 81 | 33 |
800 | 51 | 6 | 833 | 80 | 23 | 866 | 83 | 29 |
801 | 51 | 6 | 834 | 80 | 22 | 867 | 83 | 22 |
802 | 52 | 5 | 835 | 81 | 21 | 868 | 83 | 16 |
803 | 52 | 5 | 836 | 81 | 24 | 869 | 83 | 12 |
804 | 57 | 44 | 837 | 81 | 24 | 870 | 83 | 9 |
805 | 98 | 90 | 838 | 81 | 22 | 871 | 83 | 8 |
806 | 105 | 94 | 839 | 81 | 22 | 872 | 83 | 7 |
807 | 105 | 100 | 840 | 81 | 21 | 873 | 83 | 6 |
808 | 105 | 98 | 841 | 81 | 31 | 874 | 83 | 6 |
809 | 105 | 95 | 842 | 81 | 27 | 875 | 83 | 6 |
810 | 105 | 96 | 843 | 80 | 26 | 876 | 83 | 6 |
811 | 105 | 92 | 844 | 80 | 26 | 877 | 83 | 6 |
812 | 104 | 97 | 845 | 81 | 25 | 878 | 59 | 4 |
813 | 100 | 85 | 846 | 80 | 21 | 879 | 50 | 5 |
Продолжение
Время, с | Нормализованная частота вращения, % | Нормализованный крутящий момент, % | | Время, с | Нормализованная частота вращения, % | Нормализованный крутящий момент, % | | Время, с | Нормализованная частота вращения, % | Нормализованный крутящий момент, % |
880 | 51 | 5 | 913 | 83 | 26 | 946 | 80 | 27 |
881 | 51 | 5 | 914 | 80 | 63 | 947 | 81 | 31 |
882 | 51 | 5 | 915 | 80 | 59 | 948 | 81 | 41 |
883 | 50 | 5 | 916 | 83 | 100 | 949 | 81 | 41 |
884 | 50 | 5 | 917 | 81 | 73 | 950 | 81 | 37 |
885 | 50 | 5 | 918 | 83 | 53 | 951 | 81 | 43 |
886 | 50 | 5 | 919 | 80 | 76 | 952 | 81 | 34 |
887 | 50 | 5 | 920 | 81 | 61 | 953 | 81 | 31 |
888 | 51 | 5 | 921 | 80 | 50 | 954 | 81 | 26 |
889 | 51 | 5 | 922 | 81 | 37 | 955 | 81 | 23 |
890 | 51 | 5 | 923 | 82 | 49 | 956 | 81 | 27 |
891 | 63 | 50 | 924 | 83 | 37 | 957 | 81 | 38 |
892 | 81 | 34 | 925 | 83 | 25 | 958 | 81 | 40 |
893 | 81 | 25 | 926 | 83 | 17 | 959 | 81 | 39 |
894 | 81 | 29 | 927 | 83 | 13 | 960 | 81 | 27 |
895 | 81 | 23 | 928 | 83 | 10 | 961 | 81 | 33 |
896 | 80 | 24 | 929 | 83 | 8 | 962 | 80 | 28 |
897 | 81 | 24 | 930 | 83 | 7 | 963 | 81 | 34 |
898 | 81 | 28 | 931 | 83 | 7 | 964 | 83 | 72 |
899 | 81 | 27 | 932 | 83 | 6 | 965 | 81 | 49 |
900 | 81 | 22 | 933 | 83 | 6 | 966 | 81 | 51 |
901 | 81 | 19 | 934 | 83 | 6 | 967 | 80 | 55 |
902 | 81 | 17 | 935 | 71 | 5 | 968 | 81 | 48 |
903 | 81 | 17 | 936 | 49 | 24 | 969 | 81 | 36 |
904 | 81 | 17 | 937 | 69 | 64 | 970 | 81 | 39 |
905 | 81 | 15 | 938 | 81 | 50 | 971 | 81 | 38 |
906 | 80 | 15 | 939 | 81 | 43 | 972 | 80 | 41 |
907 | 80 | 28 | 940 | 81 | 42 | 973 | 81 | 30 |
908 | 81 | 22 | 941 | 81 | 31 | 974 | 81 | 23 |
909 | 81 | 24 | 942 | 81 | 30 | 975 | 81 | 19 |
910 | 81 | 19 | 943 | 81 | 35 | 976 | 81 | 25 |
911 | 81 | 21 | 944 | 81 | 28 | 977 | 81 | 29 |
912 | 81 | 20 | 945 | 81 | 27 | 978 | 83 | 47 |
Продолжение
Время, с | Нормализованная частота вращения, % | Нормализованный крутящий момент, % | | Время, с | Нормализованная частота вращения, % | Нормализованный крутящий момент, % | | Время, с | Нормализованная частота вращения, % | Нормализованный крутящий момент, % |
979 | 81 | 90 | 1012 | 83 | 13 | 1045 | 81 | 41 |
980 | 81 | 75 | 1013 | 83 | 27 | 1046 | 79 | 46 |
981 | 80 | 60 | 1014 | 81 | 58 | 1047 | 80 | 44 |
982 | 81 | 48 | 1015 | 81 | 60 | 1048 | 84 | 20 |
983 | 81 | 41 | 1016 | 81 | 46 | 1049 | 79 | 31 |
984 | 81 | 30 | 1017 | 80 | 41 | 1050 | 87 | 29 |
985 | 80 | 24 | 1018 | 80 | 36 | 1051 | 82 | 49 |
986 | 81 | 20 | 1019 | 81 | 26 | 1052 | 84 | 21 |
987 | 81 | 21 | 1020 | 86 | 18 | 1053 | 82 | 56 |
988 | 81 | 29 | 1021 | 82 | 35 | 1054 | 81 | 30 |
989 | 81 | 29 | 1022 | 79 | 53 | 1055 | 85 | 21 |
990 | 81 | 27 | 1023 | 82 | 30 | 1056 | 86 | 16 |
991 | 81 | 23 | 1024 | 83 | 29 | 1057 | 79 | 52 |
992 | 81 | 25 | 1025 | 83 | 32 | 1058 | 78 | 60 |
993 | 81 | 26 | 1026 | 83 | 28 | 1059 | 74 | 55 |
994 | 81 | 22 | 1027 | 76 | 60 | 1060 | 78 | 84 |
995 | 81 | 20 | 1028 | 79 | 51 | 1061 | 80 | 54 |
996 | 81 | 17 | 1029 | 86 | 26 | 1062 | 80 | 35 |
997 | 81 | 23 | 1030 | 82 | 34 | 1063 | 82 | 24 |
998 | 83 | 65 | 1031 | 84 | 25 | 1064 | 83 | 43 |
999 | 81 | 54 | 1032 | 86 | 23 | 1065 | 79 | 49 |
1000 | 81 | 50 | 1033 | 85 | 22 | 1066 | 83 | 50 |
1001 | 81 | 41 | 1034 | 83 | 26 | 1067 | 86 | 12 |
1002 | 81 | 35 | 1035 | 83 | 25 | 1068 | 64 | 14 |
1003 | 81 | 37 | 1036 | 83 | 37 | 1069 | 24 | 14 |
1004 | 81 | 29 | 1037 | 84 | 14 | 1070 | 49 | 21 |
1005 | 81 | 28 | 1038 | 83 | 39 | 1071 | 77 | 48 |
1006 | 81 | 24 | 1039 | 76 | 70 | 1072 | 103 | 11 |
1007 | 81 | 19 | 1040 | 78 | 81 | 1073 | 98 | 48 |
1008 | 81 | 16 | 1041 | 75 | 71 | 1074 | 101 | 34 |
1009 | 80 | 16 | 1042 | 86 | 47 | 1075 | 99 | 39 |
1010 | 83 | 23 | 1043 | 83 | 35 | 1076 | 103 | 11 |
1011 | 83 | 17 | 1044 | 81 | 43 | 1077 | 103 | 19 |
Продолжение
Время, с | Нормализованная частота вращения, % | Нормализованный крутящий момент, % | | Время, с | Нормализованная частота вращения, % | Нормализованный крутящий момент, % | | Время, с | Нормализованная частота вращения, % | Нормализованный крутящий момент, % |
1078 | 103 | 7 | 1111 | 103 | 11 | 1144 | 74 | 29 |
1079 | 103 | 13 | 1112 | 103 | 10 | 1145 | 69 | 31 |
1080 | 103 | 10 | 1113 | 103 | 10 | 1146 | 76 | 1 |
1081 | 102 | 13 | 1114 | 102 | 18 | 1147 | 74 | 22 |
1082 | 101 | 29 | 1115 | 102 | 31 | 1148 | 72 | 52 |
1083 | 102 | 25 | 1116 | 101 | 24 | 1149 | 62 | 96 |
1084 | 102 | 20 | 1117 | 102 | 19 | 1150 | 54 | 72 |
1085 | 96 | 60 | 1118 | 103 | 10 | 1151 | 72 | 28 |
1086 | 99 | 38 | 1119 | 102 | 12 | 1152 | 72 | 35 |
1087 | 102 | 24 | 1120 | 99 | 56 | 1153 | 64 | 68 |
1088 | 100 | 31 | 1121 | 96 | 59 | 1154 | 74 | 27 |
1089 | 100 | 28 | 1122 | 74 | 28 | 1155 | 76 | 14 |
1090 | 98 | 3 | 1123 | 66 | 62 | 1156 | 69 | 38 |
1091 | 102 | 26 | 1124 | 74 | 29 | 1157 | 66 | 59 |
1092 | 95 | 64 | 1125 | 64 | 74 | 1158 | 64 | 99 |
1093 | 102 | 23 | 1126 | 69 | 40 | 1159 | 51 | 86 |
1094 | 102 | 25 | 1127 | 76 | 2 | 1160 | 70 | 53 |
1095 | 98 | 42 | 1128 | 72 | 29 | 1161 | 72 | 36 |
1096 | 93 | 68 | 1129 | 66 | 65 | 1162 | 71 | 47 |
1097 | 101 | 25 | 1130 | 54 | 69 | 1163 | 70 | 42 |
1098 | 95 | 64 | 1131 | 69 | 56 | 1164 | 67 | 34 |
1099 | 101 | 35 | 1132 | 69 | 40 | 1165 | 74 | 2 |
1100 | 94 | 59 | 1133 | 73 | 54 | 1166 | 75 | 21 |
1101 | 97 | 37 | 1134 | 63 | 92 | 1167 | 74 | 15 |
1102 | 97 | 60 | 1135 | 61 | 67 | 1168 | 75 | 13 |
1103 | 93 | 98 | 1136 | 72 | 42 | 1169 | 76 | 10 |
1104 | 98 | 53 | 1137 | 78 | 2 | 1170 | 75 | 13 |
1105 | 103 | 13 | 1138 | 76 | 34 | 1171 | 75 | 10 |
1106 | 103 | 11 | 1139 | 67 | 80 | 1172 | 75 | 7 |
1107 | 103 | 11 | 1140 | 70 | 67 | 1173 | 75 | 13 |
1108 | 103 | 13 | 1141 | 53 | 70 | 1174 | 76 | 8 |
1109 | 103 | 10 | 1142 | 72 | 65 | 1175 | 76 | 7 |
1110 | 103 | 10 | 1143 | 60 | 57 | 1176 | 67 | 45 |
Окончание
Время, с | Нормализованная частота вращения, % | Нормализованный крутящий момент, % | | Время, с | Нормализованная частота вращения, % | Нормализованный крутящий момент, % | | Время, с | Нормализованная частота вращения, % | Нормализованный крутящий момент, % |
1177 | 75 | 13 | 1198 | 30 | 68 | 1219 | 0 | 0 |
1178 | 75 | 12 | 1199 | 70 | 38 | 1220 | 0 | 0 |
1179 | 73 | 21 | 1200 | 66 | 47 | 1221 | 0 | 0 |
1180 | 68 | 46 | 1201 | 76 | 14 | 1222 | 0 | 0 |
1181 | 74 | 8 | 1202 | 74 | 18 | 1223 | 0 | 0 |
1182 | 76 | 11 | 1203 | 69 | 46 | 1224 | 0 | 0 |
1183 | 76 | 14 | 1204 | 68 | 62 | 1225 | 0 | 0 |
1184 | 74 | 11 | 1205 | 68 | 62 | 1226 | 0 | 0 |
1185 | 74 | 18 | 1206 | 68 | 62 | 1227 | 0 | 0 |
1186 | 73 | 22 | 1207 | 68 | 62 | 1228 | 0 | 0 |
1187 | 74 | 20 | 1208 | 68 | 62 | 1229 | 0 | 0 |
1188 | 74 | 19 | 1209 | 68 | 62 | 1230 | 0 | 0 |
1189 | 70 | 22 | 1210 | 54 | 50 | 1231 | 0 | 0 |
1190 | 71 | 23 | 1211 | 41 | 37 | 1232 | 0 | 0 |
1191 | 73 | 19 | 1212 | 27 | 25 | 1233 | 0 | 0 |
1192 | 73 | 19 | 1213 | 14 | 12 | 1234 | 0 | 0 |
1193 | 72 | 20 | 1214 | 0 | 0 | 1235 | 0 | 0 |
1194 | 64 | 60 | 1215 | 0 | 0 | 1236 | 0 | 0 |
1195 | 70 | 39 | 1216 | 0 | 0 | 1237 | 0 | 0 |
1196 | 66 | 56 | 1217 | 0 | 0 | 1238 | 0 | 0 |
1197 | 68 | 64 | 1218 | 0 | 0 | |
(обязательное)
ОПРЕДЕЛЕНИЕ ЭКВИВАЛЕНТНОСТИ СИСТЕМЫ
Согласно
8.2, применение систем и анализаторов других типов допускается, если они обеспечивают эквивалентные результаты. Эквивалентность системы должна подтверждаться анализом корреляции по семи (как минимум) пробам между рассматриваемой системой и одной из допускаемых настоящим стандартом эталонных систем, на основании испытаний с использованием соответствующего испытательного цикла. Применимые критерии эквивалентности
F-критерий и двусторонний
t-критерий Стьюдента.
Статистический метод основывается на проверке справедливости предположения о том, что генеральное среднее значение выброса определенного продукта, измеренное с помощью рассматриваемой системы, не отличается от генерального среднего значения выброса того же продукта, измеренного с помощью эталонной системы. Эта гипотеза должна проверяться на основе критериев
F и
t при уровне значимости 5%. Критические значения критериев
F и
t для 7 - 10 пар проб приведены в
таблице B.1. Если значения критериев
F и
t, рассчитанные по приводимым ниже формулам, превышают критические, то проверяемая система не может считаться эквивалентной.
Таблица B.1
F и
t критерии для различных размеров выборок
Размер выборки | F-test | - | t-test | - |
- | df | Fcrit | df | tcrit |
7 | 6/6 | 4,284 | 12 | 2,179 |
8 | 7/7 | 3,787 | 14 | 2,145 |
9 | 8/8 | 3,438 | 16 | 2,120 |
10 | 9/9 | 3,179 | 18 | 2,101 |
Расчет производится в следующем порядке. Нижние индексы R и C относятся к эталонной и проверяемой системам соответственно.
a) Проведите не менее 7 испытаний с использованием проверяемой и эталонной систем, желательно при их одновременной работе. Число проведенных испытаний обозначается соответственно как nR и nC.
b) Рассчитайте средние значения

и

и стандартные отклонения
SR и
SC.
c) Рассчитайте значение F по следующей формуле:

(B.1)
(в числителе должно стоять большее из SR и SC).
d) Рассчитайте значение t по следующей формуле:

(B.2)
e) Сравните вычисленные значения
F и
t с их критическими значениями для соответствующего числа испытаний, взятыми из
таблицы B.1. При

значении числа проб обратитесь к статистическим таблицам для уровня значимости 5% (доверительная вероятность 95%).
f) Определите число степеней свободы (df) по следующей формуле:
- для F-теста: df = nR - 1/nC - 1;
- для t-теста: df = nC + nR - 2.
g) Определите эквивалентность по следующим критериям:
- Если F < Fcrit и t < tcrit, то рассматриваемая система эквивалентна эталонной системе согласно настоящему стандарту;
- Если F >= Fcrit and t >= tcrit, то рассматриваемая система не эквивалентна эталонной системе согласно настоящему стандарту.
(обязательное)
ОПРЕДЕЛЕНИЕ ОШИБКИ ПРОБООТБОРА В СИСТЕМЕ
Эмпирическое уравнение для расчета ошибки пробоотбора частиц было выведено Беляевым и Левиным (1974) и опубликовано в Aerosol Mechanics W. Hinds ("Механика аэрозолей" В. Хиндс).
В этой работе приводится следующая формула для глубины проникновения частицы P, забираемой из потока газов в выпускной трубе с помощью коаксиального пробоотборника:

(C.1)
где ve - скорость газов в выпускной трубе, м/с;
vp - скорость газов в пробоотборнике, м/с;
Stk - число Стокса для данных частиц.

(C.2)

(C.3)

(C.4)

(C.5)
где qnew - текущее значение массового расхода отработавших газов, кг/с;

- плотность отработавших газов, кг/м
3;
de - диаметр выпускной трубы, м;
qmp - текущее значение массового накопления пробы, кг/с;
dp - диаметр пробоотборника, м;

- плотность частицы, кг/м
3;
dPM - диаметр частицы, м;
Cc - коэффициент скольжения;

- динамическая вязкость отработавших газов, Па·с.
Для целей настоящего стандарта применимы следующие константы:
-

;
- dPM =1,7·10-7 м;
- Cc = 4,35.
Более подробную информацию об указанных параметрах можно найти в следующих публикациях: Belyaev S.P. and Levin L.M. Techniques for collection of representative aerosol samples J. Aerosol Sci., 5, 325 - 338 (1974) W.C. Hinds, Aerosol Technology, John Wiley (Беляев С.П., Левин Л.М. "Техника отбора представительных проб аэрозолей", Ж. Аэрозоль, 5, 325 - 338 (1974), Хиндс В.С. "Технология аэрозолей". Джон Вили).
(обязательное)
ПРОВЕРКА ПО РАСХОДУ УГЛЕРОДА
D.1 Общие положения
Источником почти всего содержащегося в отработавших газах углерода является топливо, и почти весь этот углерод находится там в виде CO2. На этом основан метод проверки системы путем измерения количества CO2.
Расход углерода, попадающего в систему измерений состава отработавших газов, определяется по расходу топлива. Расход углерода в различных точках систем пробоотбора газообразных выбросов и частиц определяется по значениям концентрации CO2 и расхода газа в этих точках.
В этом смысле двигатель можно считать источником углерода с известной производительностью, и если в выхлопной трубе и на выходе частичнопоточной системы пробоотбора частиц наблюдается один и тот же расход углерода, это позволяет сделать вывод о герметичности системы и точности измерения расхода. Преимущество подобного способа проверки состоит в том, что в этом случае все компоненты работают в условиях, соответствующих реальным условиям эксплуатации двигателя по температурам и расходам.
Точки, где следует производить замеры расхода углерода, показаны на следующей схеме. Формулы для расчета расхода углерода для каждой точки приведены ниже.
1 - воздух, 2 - топливо, 3 - двигатель, 4 - частичнопоточная
система измерений, a - точка 1, b - точка 2, c - точка 3
Рисунок D.1 - Точки измерения расхода углерода
D.2 Определение расхода углерода, поступающего в двигатель (точка 1)
Для топлив с обобщенным составом

массовый расход углерода с поступающим в двигатель топливом выражается следующей формулой:

(D.1)
где gmf - массовый расход топлива, кг/с.
D.3 Определение расхода углерода в составе неразбавленных отработавших газов (точка 2)
Массовый расход углерода в выпускной трубе двигателя определяется по концентрации CO2 в отработавших газах и массовому расходу отработавших газов.

(D.2)
где

- концентрация влажного CO
2 в неразбавленных отработавших газах, %;

- концентрация влажного CO
2 в окружающем воздухе, % (порядка 0,04%);
gnew - массовый расход влажных отработавших газов, кг/с;
Mr,e - молекулярная масса отработавших газов.
Если CO
2 измеряется для сухого состояния, результат должен быть пересчитан для влажного состояния согласно
9.3.5.
D.4 Определение расхода углерода в частичнопоточной системе разбавления (точка 3)
Для частичнопоточной системы разбавления следует учитывать также коэффициент деления потока. Расход углерода определяется по концентрации CO2 в разбавленных газах, массовому расходу отработавших газов и расходу на пробу.

(D.3)
где

- концентрация влажного CO
2 в разбавленных отработавших газах на выходе из смесительного туннеля, %;

- концентрация влажного CO
2 в окружающем воздухе, % (порядка 0,04%);
gnew - массовый расход влажных отработавших газов, кг/с;
gmp - массовый расход на пробу отработавших газов, направляемый в частичнопоточную систему разбавления, кг/с;
Mr,e - молекулярная масса отработавших газов.
Если CO
2 измеряется для сухого состояния, результат должен быть пересчитан для влажного состояния согласно
9.3.5.
(справочное)
(ДЛЯ ЧАСТИЧНОПОТОЧНОЙ СИСТЕМЫ РАЗБАВЛЕНИЯ)
E.1 Исходные данные для стехиометрических расчетов
Атомная масса водорода | 1,007 94 | г/атом |
Атомная масса углерода | 12,011 | То же |
Атомная масса серы | 32,065 | " |
Атомная масса азота | 14,006 7 | " |
Атомная масса кислорода | 15,999 4 | " |
Молярная масса воды | 18,015 34 | г/моль |
Молярная масса диоксида углерода | 44,01 | г/моль |
Молярная масса оксида углерода | 28,011 | г/моль |
Молярная масса кислорода | 31,998 8 | г/моль |
Молярная масса азота | 28,011 | г/моль |
Молярная масса оксида азота | 30,008 | г/моль |
Молярная масса диоксида азота | 46,01 | г/моль |
Молярная масса диоксида серы | 64,066 | г/моль |
Молярный объем воды | 22,414 | л/моль |
Молярный объем диоксида углерода | 22,414 | л/моль |
Молярный объем кислорода | 22,414 | л/моль |
Молярный объем азота | 22,414 | л/моль |
Молярный объем оксида азота | 22,414 | л/моль |
Молярный объем диоксида азота | 22,414 | л/моль |
Молярный объем диоксида серы | 22,414 | л/моль |
Примечание - Если указанные выше характеристики основных компонентов используются для расчета выбросов согласно
9.3.4.3, то окончательные результаты могут несколько отличаться от значений
u, взятых из таблицы в
9.3.4.2.
E.2 Газообразные выбросы (дизельное топливо)
Ниже приведены результаты измерений в одной из точек испытательного цикла (при частоте опроса 1 Гц) для расчета мгновенных значений массовых выбросов. В данном примере измерения CO и NOx производились по сухому газу, а HC - по влажному газу. Концентрация HC приводится в пропановом эквиваленте (C3), следовательно, чтобы получить результат в C1-эквиваленте, она должна быть умножена на три. Для остальных точек испытательного цикла порядок расчета аналогичен.
Ta,i (К) | Ha,i (г/кг) | Wact кВт·ч | qmew,i (кг/с) | qmaw,i (кг/с) | qmf,i (кг/с) | CHC,i (ppm) | CCO,i (ppm) | (ppm) |
295 | 8,0 | 40 | 0,155 | 0,150 | 0,005 | 30 | 100 | 500 |
Рассматривается топливо следующего состава:
Компонент | Молярное отношение | Массовая доля, процент |
H | | WALF = 13,45 |
C | | WBET = 86,50 |
S | | WGAM = 0,050 |
N | | WDEL = 0,000 |
O | | WEPS = 0,000 |
Шаг 1: Поправка на влажность (см. 9.3.5)
Формула (17):
kf = 0,055 584·13,45 - 0,000 108 3·86,5 - 0,000 156 2·0,05 = 0,738 2.
cCO,i (wet) = 100·0,933 1 = 93,3 ppm;
Шаг 2: Поправка на температуру и влажность для NOx (см. 9.3.6)
Шаг 3: Расчет текущих значений массовых выбросов с помощью величин u из таблицы 6 (см. 9.3.4.2)
mHC,i = 0,000478·30·3·0,155 = 0,00667 г/с;
mCO,i = 0,000966·93,3·0,155 = 0,01397 г/с;
Шаг 4: Интегрирование мгновенных значений массовых выбросов по циклу (см. 9.3.4.2)
В следующем расчете для цикла NRTC (1238 с) предполагаются одинаковые значения выбросов в каждой точке цикла.
Шаг 5: Расчет удельных выбросов (см. 9.3.7)
HC = 8,26/40 = 0,207 г/(кВт·ч);
CO = 17,29/40 = 0,432 г/(кВт·ч);
NOx = 137,17/40 = 3,43 г/(кВт·ч).
Е.3 Выбросы частиц (дизельное топливо)
Измерение массы частиц основано на том, что пробоотбор ведется на протяжении всего цикла, тогда как определение значений масс и расходов (
qmew,i и
qmedf,i) выполняется в отдельных точках цикла. Расчет
qmedf,i, зависит от типа используемой системы. В следующем примере используется система с измерением расхода по
методу a), описанному в 9.4.5.
В данном примере предполагается, что были получены следующие результаты измерений:
Wact kWh | qmew,i (кг/с) | qmf,i (kg/s) | qmdw,i (kg/s) | qmdew,i (kg/s) | mf (мг) | msep (кг) |
40 | 0,155 | 0,005 | 0,001 5 | 0,002 0 | 2,500 | 1,515 |
Шаг 1: Расчет medf (см. 9.4.5)
qmedf,i = 0,155·4 = 0,62 кг/с.
Шаг 2: Расчет массового выброса частиц (см. 9.4.5)
Шаг 3: Расчет удельных выбросов (см. 9.4.7)
PM = 1,267/40 = 0,032 г/(кВт·ч).
(справочное)
ЦИКЛ С ПЕРЕМЕННЫМ ТЕМПОМ ИЗМЕНЕНИЯ НАГРУЗКИ
(RAMPED MODAL CYCLE-RMC)
Таблица F.1
Цикл с переменным темпом изменения нагрузки
| | | 30-минутный цикл |
Режим | Частота вращения | Крутящий момент, % | Время, с |
1 | Холостой ход | Без нагрузки | 126 |
2 | Промежуточная | 100 | 159 |
3 | Промежуточная | 50 | 160 |
4 | Промежуточная | 75 | 162 |
5 | Номинальная | 100 | 246 |
6 | Номинальная | 10 | 164 |
7 | Номинальная | 75 | 248 |
8 | Номинальная | 50 | 247 |
9 | Холостой ход | Без нагрузки | 128 |
(обязательное)
Настоящее приложение содержит формулы для вычисления статистических величин, используемые в настоящем стандарте.
a) Среднее арифметическое. Среднее арифметическое значение рассчитывается по следующей формуле:

(G.1)
b) Стандартное отклонение. Стандартное отклонение s рассчитывается по следующей формуле:

(G.2)
c) Наклон. Наклон линии регрессии по методу наименьших квадратов

рассчитывается по следующей формуле:

(G.3)
d) Точка пересечения. Координата точки пересечения по методу наименьших квадратов

рассчитывается по следующей формуле:

(G.4)
e) Стандартное отклонение оценки. Стандартное отклонение оценки Sy.x рассчитывается по следующей формуле:

(G.5)
f) Коэффициент корреляции. Коэффициент корреляции r2 рассчитывается по следующей формуле:

(G.6)
(справочное)
СВЕДЕНИЯ О СООТВЕТСТВИИ ССЫЛОЧНЫХ МЕЖДУНАРОДНЫХ СТАНДАРТОВ
МЕЖГОСУДАРСТВЕННЫМ СТАНДАРТАМ
Таблица ДА.1
Обозначение ссылочного международного стандарта | Степень соответствия | Обозначение и наименование соответствующего межгосударственного стандарта |
ISO 5167-1:2003 | - | |
ISO 5725-2:1994 | - | |
ISO 8178-1:2006 | IDT | ГОСТ ISO 8178-1-2013 "Двигатели внутреннего сгорания поршневые. Измерение выброса продуктов сгорания. Часть 1. Измерение выбросов газов и частиц на испытательных стендах" |
ISO 8178-5:2008 | - | |
ISO 14396:2002 | IDT | ГОСТ ISO 14396-2015 "Двигатели внутреннего сгорания поршневые. Определение и метод измерения мощности двигателя. Дополнительные требования при измерении выбросов продуктов сгорания согласно ISO 8178" |
ISO 15550:2002 | NEQ | ГОСТ 10150-2014 "Двигатели внутреннего сгорания поршневые. Общие технические условия" ГОСТ 10448-2014 "Двигатели внутреннего сгорания поршневые. Приемка. Методы испытаний" |
ISO 16183:2002 | - | |
SAE J 1937:1995 | - | |
<*> Соответствующие межгосударственные стандарты отсутствуют. До их принятия рекомендуется использовать перевод на русский язык данных международных стандартов. Официальный перевод данных международных стандартов находится в Федеральном информационном фонде технических регламентов и стандартов Российской Федерации. Примечание - В настоящей таблице использованы следующие условные обозначения степени соответствия стандартов: - IDT - идентичные стандарты; - NEQ - неэквивалентный стандарт. |