Главная // Актуальные документы // ГОСТ (Государственный стандарт)СПРАВКА
Источник публикации
М.: Стандартинформ, 2016
Примечание к документу
Документ включен в Перечень международных и региональных (межгосударственных) стандартов (
пункты 71,
72), а в случае их отсутствия - национальных (государственных) стандартов, в результате применения которых на добровольной основе обеспечивается соблюдение требований технического
регламента Таможенного союза "О безопасности колесных транспортных средств" (ТР ТС 018/2011), и Перечень международных и региональных (межгосударственных) стандартов (
пункты 91,
92), а в случае их отсутствия - национальных (государственных) стандартов, содержащих правила и методы исследований (испытаний) и измерений, в том числе правила отбора образцов, необходимые для применения и исполнения требований технического
регламента Таможенного союза "О безопасности колесных транспортных средств" (ТР ТС 018/2011) и осуществления оценки соответствия объектов технического регулирования (
Решение Коллегии Евразийской экономической комиссии от 25.12.2018 N 219).
Документ
введен в действие с 1 апреля 2017 года.
Название документа
"ГОСТ 33553-2015. Межгосударственный стандарт. Автомобильные транспортные средства. Наконечники проводов низкого напряжения. Технические требования и методы испытаний"
(введен в действие Приказом Росстандарта от 22.06.2016 N 660-ст)
"ГОСТ 33553-2015. Межгосударственный стандарт. Автомобильные транспортные средства. Наконечники проводов низкого напряжения. Технические требования и методы испытаний"
(введен в действие Приказом Росстандарта от 22.06.2016 N 660-ст)
Введен в действие
по техническому регулированию
и метрологии
от 22 июня 2016 г. N 660-ст
МЕЖГОСУДАРСТВЕННЫЙ СТАНДАРТ
АВТОМОБИЛЬНЫЕ ТРАНСПОРТНЫЕ СРЕДСТВА
НАКОНЕЧНИКИ ПРОВОДОВ НИЗКОГО НАПРЯЖЕНИЯ
ТЕХНИЧЕСКИЕ ТРЕБОВАНИЯ И МЕТОДЫ ИСПЫТАНИЙ
Automotive vehicles. Tips of low voltage wires. Technical
requirements and test methods
ГОСТ 33553-2015
Дата введения
1 апреля 2017 года
Цели, основные принципы и основной порядок проведения работ по межгосударственной стандартизации установлены
ГОСТ 1.0-92 "Межгосударственная система стандартизации. Основные положения" и
ГОСТ 1.2-2009 "Межгосударственная система стандартизации. Стандарты межгосударственные, правила и рекомендации по межгосударственной стандартизации. Правила разработки, принятия, применения, обновления и отмены"
1 РАЗРАБОТАН Федеральным государственным унитарным предприятием "Центральный ордена Трудового Красного Знамени научно-исследовательский автомобильный и автомоторный институт "НАМИ" (ФГУП "НАМИ"), Федеральным государственным унитарным предприятием "Научно-исследовательский и экспериментальный институт автомобильной электроники и электрооборудования" (ФГУП НИИАЭ)
2 ВНЕСЕН Межгосударственным техническим комитетом по стандартизации МТК 56 "Дорожный транспорт"
3 ПРИНЯТ Межгосударственным советом по стандартизации, метрологии и сертификации (протокол от 27 октября 2015 г. N 81-П)
За принятие проголосовали:
Краткое наименование страны по МК (ИСО 3166) 004-97 | Код страны по МК (ИСО 3166) 004-97 | Сокращенное наименование национального органа по стандартизации |
Армения | AM | Минэкономики Республики Армения |
Беларусь | BY | Госстандарт Республики Беларусь |
Казахстан | KZ | Госстандарт Республики Казахстан |
Киргизия | KG | Кыргызстандарт |
Россия | RU | Росстандарт |
Таджикистан | TJ | Таджикстандарт |
4
Приказом Федерального агентства по техническому регулированию и метрологии от 22 июня 2016 г. N 660-ст межгосударственный стандарт ГОСТ 33553-2015 введен в действие в качестве национального стандарта Российской Федерации с 1 апреля 2017 г.
5 ВВЕДЕН ВПЕРВЫЕ
Информация об изменениях к настоящему стандарту публикуется в ежегодном информационном указателе "Национальные стандарты", а текст изменений и поправок - в ежемесячном информационном указателе "Национальные стандарты". В случае пересмотра (замены) или отмены настоящего стандарта соответствующее уведомление будет опубликовано в ежемесячном информационном указателе "Национальные стандарты". Соответствующая информация, уведомление и тексты размещаются также в информационной системе общего пользования - на официальном сайте Федерального агентства по техническому регулированию и метрологии в сети Интернет
Настоящий стандарт распространяется на наконечники для автотракторного электрооборудования, закрепляемые на жилах и изоляции проводов низкого напряжения, и устанавливает технические требования к ним и методы испытаний.
В настоящем стандарте использованы нормативные ссылки на следующие межгосударственные стандарты:
ГОСТ 9.301-86 Единая система защиты от коррозии и старения. Покрытия металлические и неметаллические неорганические. Общие требования
ГОСТ 9.302-88 Единая система защиты от коррозии и старения. Покрытия металлические и неметаллические неорганические. Методы контроля
ГОСТ 2208-2007 Фольга, ленты, полосы, листы и плиты латунные. Технические условия
ГОСТ 8908-81 Основные нормы взаимозаменяемости. Нормальные углы и допуски углов
ГОСТ 23544-84 Жгуты проводов для автотракторного электрооборудования. Общие технические условия
Примечание - При пользовании настоящим стандартом целесообразно проверить действие ссылочных стандартов в информационной системе общего пользования - на официальном сайте Федерального агентства по техническому регулированию и метрологии в сети Интернет или по ежегодному информационному указателю "Национальные стандарты", который опубликован по состоянию на 1 января текущего года, и по выпускам ежемесячного информационного указателя "Национальные стандарты" за текущий год. Если ссылочный стандарт заменен (изменен), то при пользовании настоящим стандартом следует руководствоваться заменяющим (измененным) стандартом. Если ссылочный стандарт отменен без замены, то положение, в котором дана ссылка на него, применяется в части, не затрагивающей эту ссылку.
3.1 Типы и размеры
3.1.1 Типы наконечников перечислены в
таблице 1 с указанием соответствующих рисунков и таблиц.
Тип | Наименование наконечника | Номер рисунка | Номер таблицы |
1 | Наконечник штепсельный (гильза) | | |
2 | Наконечник штепсельный (штифт) | | |
3 | Наконечник прямой обрезной | | |
4 | Наконечник прямой | | |
5 | Наконечник флажковый | | |
6 | Наконечник прямой вилочный | | |
7 | Наконечник флажковый вилочный | | |
8 | Наконечник флажковый вилочный для заднего фонаря | | |
9 | Наконечник к соединителю | | |
10 | Манжет к проводу ПГВАЭ | | |
Рисунок 1 - Наконечник типа 1
Сечение провода, мм2 |
От 0,5 до 1,5 включ. |
Рисунок 2 - Наконечник типа 2
b, мм | Сечение провода, мм2 |
2,56 | От 0,5 до 1,5 включ. |
Рисунок 3 - Наконечник типа 3
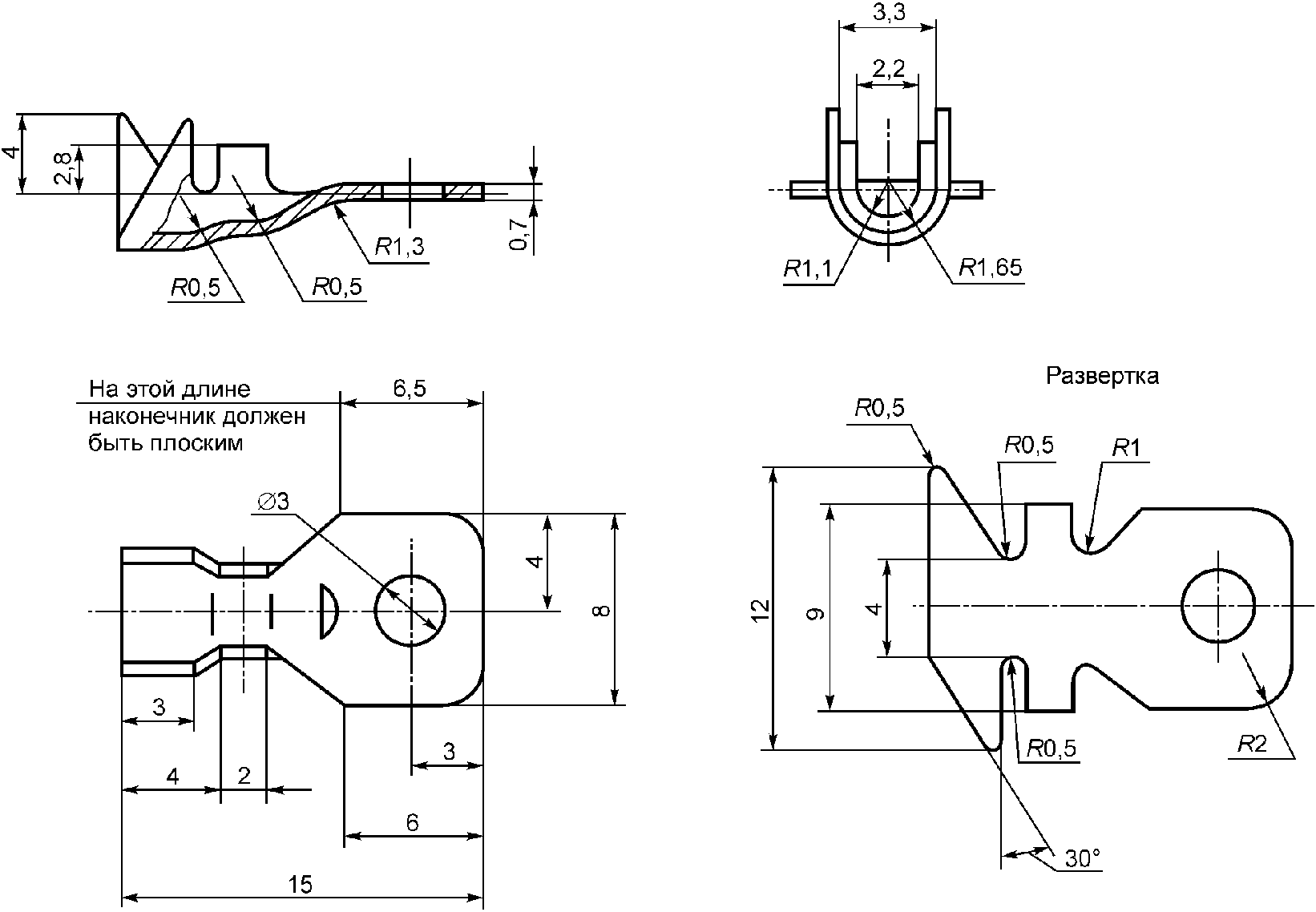
Рисунок 4 - Наконечник типа 4
Таблица 5
Наконечники типа 4 для одного провода
В миллиметрах
Сечение провода, мм2 | D | L | l | B | b | b1 | b2 | b3 | b4 | R | s |
От 0,5 до 1,5 включ. | 3,3 | 15 | 3 | 8 | 12 | 9 | 4 | 4 | 3,3 | 1,65 | |
4,2 | 15 | 8 | 0,7 |
5,5 | 15 | 9 |
6,5 | 16 | 12 |
8,5 | 18 | 14 |
10,5 | 20 | 17 |
12,5 | 21 | 19 |
14,5 | 22 | 22 |
От 2,5 до 4,0 включ. | 3,3 | 15 | 3 | 8 | 16 | 14 | 7 | 5 | 4,5 | 2,25 | 0,8 |
4,2 | | 8 |
5,5 | | 9 |
6,5 | | 12 |
8,5 | | 14 |
10,5 | | 17 |
12,5 | | 19 |
14,5 | 22 | 22 |
От 6,0 до 10,0 включ. | 4,2 | 16 | 4 | 8 | 22 | 17 | 8 | 6 | 6,8 | 3,40 | 1,0 - 1,2 |
5,5 | 16 | 9 |
6,5 | 17 | 12 |
8,5 | 19 | 14 |
10,5 | 21 | 18 |
12,5 | 22 | 20 |
14,5 | 23 | 22 |
<1> Допускается изготовлять наконечник из ленты толщиной 0,8 мм. <2> Допускается применение наконечника для двух проводов, суммарные сечения которых не превышают указанных в таблице 5. |
Таблица 6
Наконечники типа 4 для двух проводов
В миллиметрах
Сечение провода, мм2 | D | L | l | B | b | b1 | b2 | b3 | b4 | R | s |
От 0,5 до 1,5 включ. | 3,3 | 17 | 5 | 8 | 20 | 16 | 8 | 5 | 6,8 | 3,4 | 0,7 |
4,2 | 17 | 8 |
5,5 | 18 | 10 |
6,5 | 18 | 12 |
8,5 | 20 | 14 |
От 2,5 до 4,0 включ. | 3,3 | 17 | 5 | 8 | 24 | 20 | 10 | 6 | 9,0 | 4,5 | 0,8 |
4,2 | 17 | 8 |
5,5 | 18 | 10 |
6,5 | 18 | 12 |
8,5 | 20 | 14 |
От 6,0 до 10,0 включ. | 4,2 | 17 | 5 | 8 | 30 | 24 | 12 | 8 | 13 | 6,5 | 1,0 |
5,5 | 18 | 10 |
6,5 | 18 | 12 |
8,5 | 20 | 14 |
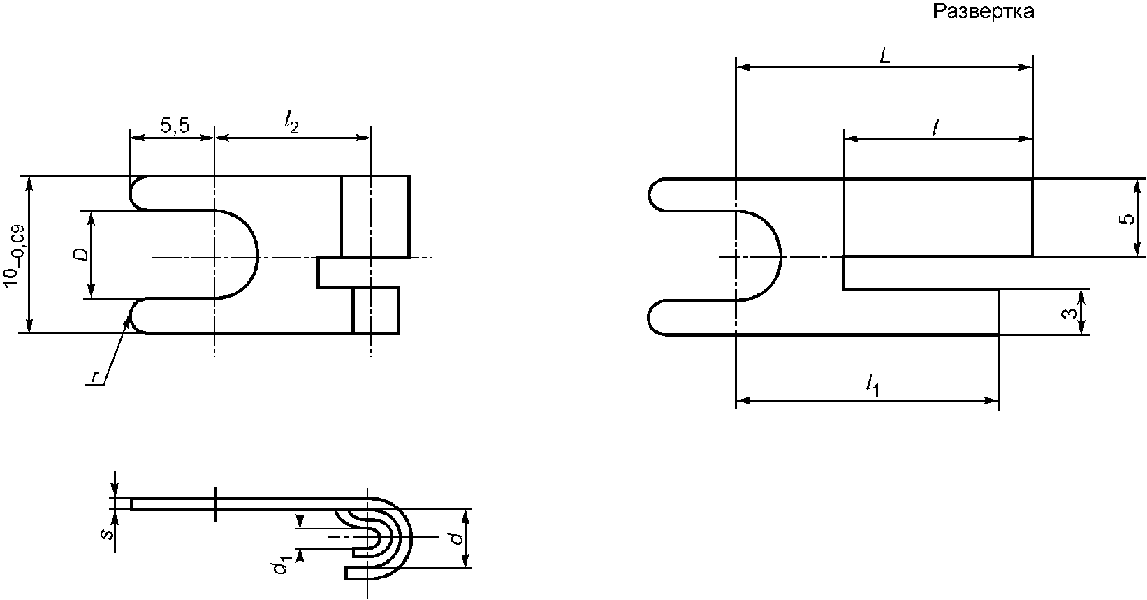
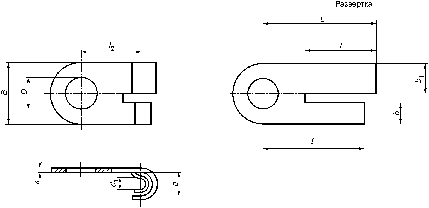
Рисунок 5 - Наконечник типа 5
Таблица 7
Наконечники типа 5 для одного провода
В миллиметрах
Сечение провода, мм2 | D | L | l | l1 | l2 | B | b | b1 | d | d1 | s |
От 0,5 до 1,5 включ. | 4,2 | 19,0 | 12 | 17,0 | 10 | 10 | 3,5 | 5,0 | 3,3 | 2,0 | 0,7 |
5,5 | 19.0 | 17,0 | 10 | 10 | 3,5 | 5,0 |
6,5 | 20,0 | 18,0 | 11 | 12 | 4,5 | 6,0 |
8,5 | 21,0 | 19,0 | 12 | 15 | 6,0 | 7,5 |
10,5 | 23,5 | 21,5 | 14 | 17 | 7,0 | 8,5 |
От 2,5 до 4,0 включ. | 4,2 | 21,5 | 15 | 18,0 | 11 | 10 | 3,5 | 5,0 | 4,5 | 2,4 | 0,8 |
5,5 |
Таблица 8
Наконечники типа 5 для двух проводов
В миллиметрах
Сечение провода, мм2 | D | L | l | l1 | l2 | B | b | b1 | d | d1 | s |
От 0,5 до 1,5 включ. | 4,2 | 26,5 | 16,5 | 24 | 14 | 10 | 3,5 | 5,0 | 3,3 | 2,0 | 0,7 |
5,5 | 26,5 | 10 | 3,5 | 5,0 |
6,5 | 27,5 | 12 | 4,5 | 6,0 |
От 2,5 до 4,0 включ. | 4,2 | 31,0 | 21,0 | 29 | 15 | 10 | 3,5 | 5,0 | 4,5 | 2,4 | 0,8 |
5,5 | 31,0 | 15 | 10 | 3,5 | 5,0 |
6,5 | 32,0 | 16 | 12 | 4,5 | 6,0 |
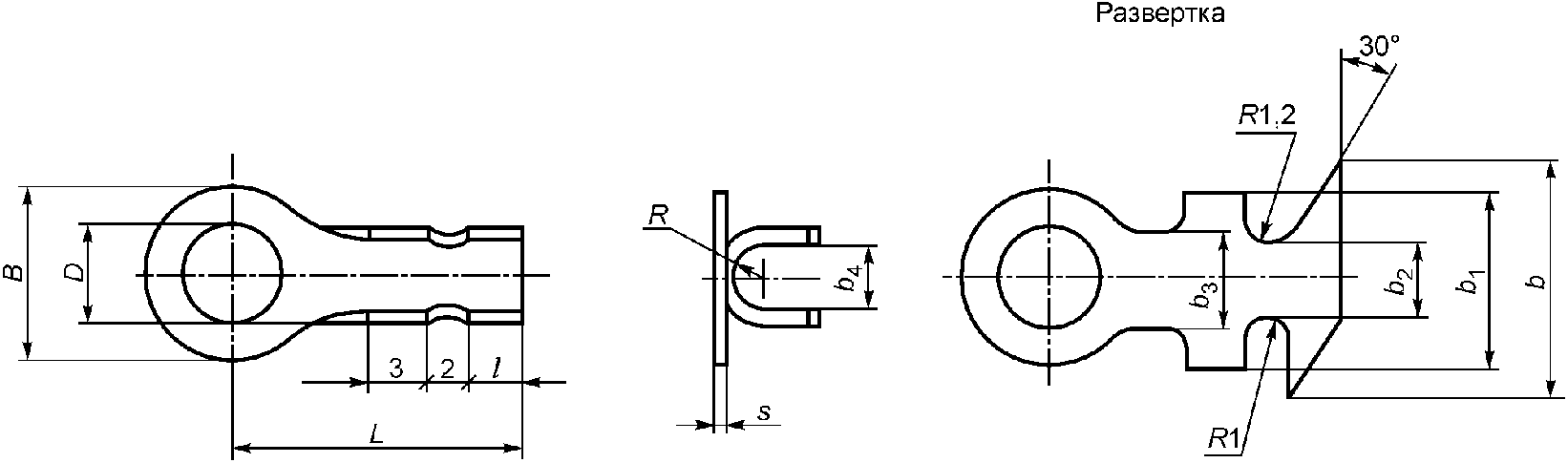
Рисунок 6 - Наконечник типа 6
Примечание - Допускается при изготовлении наконечников типов 6, 7, 8 в виде цепи концы вилки делать под прямым углом без закругления радиусом r.
Таблица 9
Наконечники типа 6 для одного провода
В миллиметрах
Сечение провода, мм2 | D | L | l | B | b | b1 | b2 | b3 | b4 | R | r | s |
От 0,5 до 1,5 включ. | 4,2 | 15 | 3 | 10 | 12 | 9 | 4 | 4 | 3,3 | 1,65 | 1,45 | |
5,5 | 10 | 1,12 | 0,7 |
6,5 | 12 | 1,37 |
От 2,5 до 4,0 включ. | 4,2 | 15 | 3 | 10 | 16 | 14 | 7 | 5 | 4,5 | 2,25 | 1,45 | 0,8 |
5,5 | 1,12 |
От 6,0 до 10,0 включ. | 4,2 | 16 | 4 | 10 | 22 | 17 | 8 | 6 | 6,8 | 3,40 | 1,45 | 1,0 |
5,5 | 1,12 |
<1> Допускается изготовлять наконечник из ленты толщиной 0,8 мм. |
Таблица 10
Наконечники типа 6 для двух проводов
В миллиметрах
Сечение провода, мм2 | D | L | l | B | b | b1 | b2 | b3 | b4 | R | r | s |
От 0,5 до 1,5 включ. | 4,2 | 17 | 5 | 10 | 20 | 16 | 8 | 5 | 7 | 3,5 | 1,45 | 0,7 |
5,5 | 10 | 1,12 |
6,5 | 12 | 1,37 |
От 2,5 до 4,0 включ. | 4,2 | 17 | 5 | 10 | 24 | 20 | 10 | 6 | 9 | 4,5 | 1,45 | 0,8 |
5,5 | 1,12 |
От 6,0 до 10,0 включ. | 4,2 | 17 | 5 | 10 | 30 | 24 | 12 | 8 | 13 | 6,5 | 1,45 | 1,0 |
5,5 | 1,37 |
Рисунок 7 - Наконечник типа 7
Таблица 11
Наконечники типа 7 для одного провода
В миллиметрах
Сечение провода, мм2 | D | L | l | l1 | l2 | d | d1 | r | s |
От 0,5 до 1,5 включ. | 4,2 | 18,5 | 12 | 16,5 | 9,5 | 3,3 | 2,0 | 1,45 | 0,7 |
5,5 | 1,12 |
От 2,5 до 4,0 включ. | 4,2 | 22,0 | 15 | 19,0 | 10,0 | 4,5 | 2,4 | 1,45 | 0,8 |
5,5 | 1,12 |
От 6,0 до 10,0 включ. | 4,2 | 26,0 | 17 | 22,0 | 12,0 | 6,8 | 3,3 | 1,45 | 1,0 |
5,5 | 1,12 |
Таблица 12
Наконечники типа 7 для двух проводов
В миллиметрах
Сечение провода, мм2 | D | L | l | l1 | l2 | d | d1 | r | s |
От 0,5 до 1,5 включ. | 4,2 | 26,5 | 16,5 | 23,5 | 14 | 3,3 | 2,0 | 1,45 | 0,7 |
5,5 | 1,12 |
От 2,5 до 4,0 включ. | 4,2 | 31,0 | 21,0 | 29,0 | 15 | 4,5 | 2,4 | 1,45 | 0,8 |
5,5 | 1,12 |
От 6,0 до 10,0 включ. | 5,5 | 37,0 | 26,0 | 33,0 | 18 | 6,8 | 3,3 | 1,12 | 1,0 |
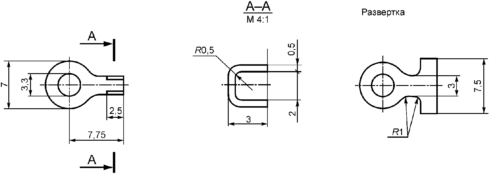
Рисунок 8 - Наконечник типа 8
Сечение провода, мм2 | Примечание |
От 0,5 до 1,5 включ. | Левый изображен. Правый должен быть зеркальным |
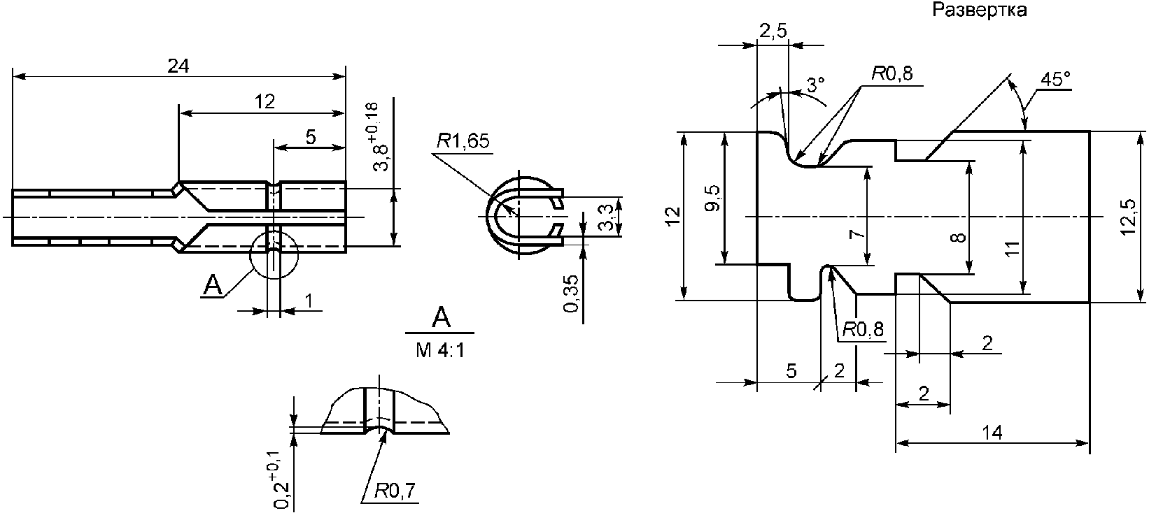
Рисунок 9 - Наконечник типа 9
Сечение провода, мм2 |
От 0,5 до 1,5 включ. |
Рисунок 10 - Наконечник типа 10
В миллиметрах
Сечение провода, мм2 | B | b | L | l | R | s |
От 0,5 до 1,5 включ. | 7 | 4,5 | 20 | 9 | 2,25 | 0,7 |
От 2,5 до 4,0 включ. | 7,5 | 28 | 9 | 3,75 | 0,8 |
От 6,0 до 10,0 включ. | 9,7 | 37 | 10 | 4,75 | 1,0 |
3.2 Наконечники автотракторных проводов низкого напряжения изготовляют в соответствии с требованиями настоящего стандарта.
3.3 Наконечники изготовляют из ленты из латуни марки Л63 по
ГОСТ 2208 твердой или полутвердой для наконечников типов 1 и 2 и мягкой - для других типов наконечников. Допускается изготовление наконечников из ленты из латуни марки Л68 по
ГОСТ 2208.
3.4 Наконечники не должны иметь заусенцев более 0,1 мм, трещин, следов коррозии и других дефектов на поверхности. Допускается округление острых углов и кромок радиусом не более 0,5 мм.
3.5 Покрытие наконечников всех типов проводят гальваническим лужением оловом марки не ниже 03 по
ГОСТ 860. Допускается применение сплавов олово-висмут, олово-никель и химическое пассивирование наконечников.
Толщина покрытия должна быть не менее 3 мкм. Качество защитного покрытия должно соответствовать
ГОСТ 9.301.
3.6 Допуск симметричности отверстия (вилки) относительно продольной плоскости симметрии - не более 0,25 мм.
Отклонение углов гибки - не более 5°.
3.7 Разновысокость лапок - не более 0,5 мм.
3.8 На наконечниках, имеющих цилиндрическую поверхность, допускается овальность в пределах допуска на диаметр.
3.9 Предельные отклонения толщины - по соответствующим стандартам на материал, из которого изготовляют наконечники.
Предельные отклонения диаметров D и d - по H14.
Неуказанные предельные отклонения размеров: отверстий H16, валов h16, остальных

.
Допуски углов - по

степени точности по ГОСТ 8908.
3.10 Для наконечников типа 2 допуск на огранку по диаметру 4,0 мм не должен быть более 0,5 мм.
3.11 Наконечники закрепляют на проводах методом холодного спрессовывания. Допускается закрепление наконечников на проводах методом пайки.
3.12 Допускается поставлять наконечники в виде цепи на кассетах. По согласованию с потребителем допускается поставлять наконечники в виде штучных изделий. После разрубки цепи наконечников допускается остаток от перемычек не более 0,5 мм.
3.13 Технические требования к наконечникам, закрепленным на проводах, - по
ГОСТ 23544.
4.1 Для проверки соответствия наконечников требованиям настоящего стандарта служба технического контроля предприятия-изготовителя проводит испытания в соответствии с
таблицей 16.
Вид проверки | Номер подраздела, пункта настоящего стандарта | Количество проверяемых наконечников |
Внешний осмотр | | 20% наконечников от партии |
Проверка размеров | | 1% от партии, но не менее 100 наконечников |
Проверка толщины и качества покрытия | | |
Партией считают количество наконечников, изготовленных за одну смену и принятых по одному документу.
4.2 При получении неудовлетворительных результатов проверки хотя бы по одному из показателей проводят повторную проверку удвоенного количества образцов, взятых от той же партии наконечников, по тем пунктам, по которым наконечники не выдержали проверки.
Результаты повторной проверки являются окончательными и распространяются на всю партию.
4.3 Виды, объем и периодичность контроля и испытаний изготовленных наконечников должны быть установлены предприятием-разработчиком в конструкторской документации, утвержденной в установленном порядке.
5.1 Проверку размеров по
3.1.1,
3.6 -
3.9 проводят любым измерительным инструментом, обеспечивающим требуемую стандартом точность и выполнимость измерительных операций.
5.2 Проверку отсутствия дефектов наконечников по
3.4 выполняют внешним осмотром. Размер заусенцев при необходимости измеряют.
5.4 Проверку толщины покрытия по
3.5 проводят в соответствии с ГОСТ 9.302
(раздел 3). Рекомендуемый метод проверки ("метод капли") приведен в ГОСТ 9.302
(пункт 3.17). Другие функциональные свойства покрытия не проверяют.
5.5 Проверку наконечников, закрепленных на проводах, проводят в соответствии с ГОСТ 23544
(раздел 4).