Главная // Актуальные документы // ГОСТ (Государственный стандарт)
СПРАВКА
Источник публикации
М.: Стандартинформ, 2017
Примечание к документу
Документ введен в действие с 01.04.2018.
Название документа
"ГОСТ ISO 5721-2-2016. Межгосударственный стандарт. Тракторы сельскохозяйственные. Требования, методы испытаний и критерии приемки поля обзора тракториста. Часть 2. Боковое и заднее поля обзора"
(введен в действие Приказом Росстандарта от 26.05.2017 N 439-ст)

"ГОСТ ISO 5721-2-2016. Межгосударственный стандарт. Тракторы сельскохозяйственные. Требования, методы испытаний и критерии приемки поля обзора тракториста. Часть 2. Боковое и заднее поля обзора"
(введен в действие Приказом Росстандарта от 26.05.2017 N 439-ст)


Содержание


Введен в действие
Приказом Федерального агентства
по техническому регулированию
и метрологии
от 26 мая 2017 г. N 439-ст
МЕЖГОСУДАРСТВЕННЫЙ СТАНДАРТ
ТРАКТОРЫ СЕЛЬСКОХОЗЯЙСТВЕННЫЕ
ТРЕБОВАНИЯ, МЕТОДЫ ИСПЫТАНИЙ И КРИТЕРИИ
ПРИЕМКИ ПОЛЯ ОБЗОРА ТРАКТОРИСТА
ЧАСТЬ 2
БОКОВОЕ И ЗАДНЕЕ ПОЛЯ ОБЗОРА
Agricultural tractors. Requirements, test procedures
and acceptance criteria for the operator's field of vision.
Part 2. Field of vision to the side and to the rear
(ISO 5721-2:2014, IDT)
ГОСТ ISO 5721-2-2016
МКС 65.060.10
ОКП 47 2200
47 2400
Дата введения
1 апреля 2018 года
Предисловие
Цели, основные принципы и основной порядок проведения работ по межгосударственной стандартизации установлены в ГОСТ 1.0-2015 "Межгосударственная система стандартизации. Основные положения" и ГОСТ 1.2-2015 "Межгосударственная система стандартизации. Стандарты межгосударственные, правила и рекомендации по межгосударственной стандартизации. Правила разработки, принятия, обновления и отмены"
Сведения о стандарте
1 ПОДГОТОВЛЕН ФГУП "Всероссийский научно-исследовательский институт стандартизации и сертификации в машиностроении" (ВНИИНМАШ) на основе собственного перевода на русский язык англоязычной версии стандарта, указанного в пункте 5
2 ВНЕСЕН Межгосударственным техническим комитетом по стандартизации МТК 284 "Тракторы и машины сельскохозяйственные"
3 ПРИНЯТ Межгосударственным советом по стандартизации, метрологии и сертификации (протокол от 22 ноября 2017 г. N 93-П)
За принятие проголосовали:
Краткое наименование страны по МК (ИСО 3166) 004-97
Код страны по МК (ИСО 3166) 004-97
Сокращенное наименование национального органа по стандартизации
Беларусь
BY
Госстандарт Республики Беларусь
Киргизия
KG
Кыргызстандарт
Россия
RU
Росстандарт
Таджикистан
TJ
Таджикстандарт
4 Приказом Федерального агентства по техническому регулированию и метрологии от 26 мая 2017 г. N 439-ст межгосударственный стандарт ГОСТ ISO 5721-2-2016 введен в действие в качестве национального стандарта Российской Федерации с 1 апреля 2018 г.
5 Настоящий стандарт идентичен международному стандарту ISO 5721-2:2014 "Тракторы сельскохозяйственные. Требования, методы испытаний и критерии приемки поля обзора тракториста. Часть 2. Боковое и заднее поля обзора" ("Agricultural tractors - Requirements, test procedures and acceptance criteria for the operator's field of vision - Part 2: Field of vision to the side and to the rear", IDT).
Международный стандарт разработан подкомитетом N 4 "Тракторы" международного технического комитета ISO TC 23 "Тракторы и машины для сельского и лесного хозяйства".
Официальные экземпляры международного стандарта, на основе которого подготовлен настоящий стандарт, и международных стандартов, на которые даны ссылки, имеются в Федеральном агентстве по техническому регулированию и метрологии.
При применении настоящего стандарта рекомендуется использовать вместо ссылочных международных стандартов соответствующие им межгосударственные стандарты, сведения о которых приведены в дополнительном приложении ДА
6 ВВЕДЕН ВПЕРВЫЕ
Информация об изменениях к настоящему стандарту публикуется в ежегодном информационном указателе "Национальные стандарты" (по состоянию на 1 января текущего года), а текст изменений и поправок - в ежемесячном информационном указателе "Национальные стандарты". В случае пересмотра (замены) или отмены настоящего стандарта соответствующее уведомление будет опубликовано в ежемесячном информационном указателе "Национальные стандарты". Соответствующая информация, уведомление и тексты размещаются также в информационной системе общего пользования - на официальном сайте Федерального агентства по техническому регулированию и метрологии в сети Интернет (www.gost.ru)
Введение
Стандарт ISO 5721-1 вместе с ISO 5721-2 отменяет и заменяет ISO 5721:1989.
ISO 5721 состоит из следующих частей, под общим названием "Тракторы сельскохозяйственные. Требования, методы испытаний и критерии приемки поля обзора тракториста":
- Часть 1: Переднее поле обзора;
- Часть 2: Боковое и заднее поля обзора.
1 Область применения
Настоящий стандарт устанавливает требования, методы испытаний и критерии приемки бокового и заднего полей обзора операторов сельскохозяйственных тракторов.
2 Нормативные ссылки
Для применения настоящего стандарта необходимы следующие ссылочные стандарты. Для датированных ссылок применяют только указанное издание ссылочного стандарта.
ISO 5006:2006 Earth-moving machinery - Operator's field of view - Test method and performance criteria (Машины землеройные. Обзорность с рабочего места оператора. Метод испытания и критерии эффективности)
ISO 5721-1:2013 Agricultural tractors - Requirements, test procedures and acceptance criteria for the operator's field of vision - Part 1: Field of vision to the front (Тракторы сельскохозяйственные. Требования, методы испытаний и критерии приемки поля обзора тракториста. Часть 1. Переднее поле обзора)
UNECE R 46 Uniform provisions concerning the approval of devices for indirect vision and of motor vehicles with regard to the installation of these devices (including amendment 1) [Единообразные предписания, касающиеся одобрения типа устройств для непрямого обзора и транспортных средств в части установки этих устройств (включая изменение 1)]
3 Термины и определения
В настоящем стандарте применены термины и определения по ISO 5721-1:2013.
4 Общие требования к испытаниям
4.1 Общее
Поля обзора по 5.1 должны быть видимы непосредственно с места оператора или с использованием устройств для непрямого обзора. В последнем случае следует проверять видимость вбок и назад при одинаковых регулировках устройств для непрямого обзора.
4.2 Точность измерений
Точность измерений - по ISO 5721-1 (пункт 4.1).
4.3 Точка расположения глаз оператора
Точка расположения глаз оператора - по ISO 5721-1 (пункт 4.2).
5 Требования, методы испытаний и критерии приемки
5.1 Требования
5.1.1 Общие требования
Конструкция и оборудование трактора должны обеспечивать соответствующее поле обзора оператора при движении по дорогам общего пользования и при выполнении полевых работ при ширине колеи, соответствующей общей ширине трактора с одиночными колесами не более 2,55 м.
5.1.2 Заднее боковое поле обзора
Поле обзора должно обеспечивать видимость, как минимум, плоских горизонтальных участков по обе стороны позади трактора на высоте 1 м над уровнем опорной поверхности, шириной 5 м от плоскости, параллельной вертикальной продольной плоскости трактора и проходящей через его крайнюю боковую точку, начинающихся в 30 м позади точки расположения глаз оператора.
Также должна быть обеспечена видимость участков по обе стороны от трактора на высоте 1 м над уровнем опорной поверхности, от плоскости, параллельной вертикальной продольной плоскости трактора и проходящей через его крайнюю боковую точку, начинающихся в 4 м позади вертикальной поперечной плоскости, проходящей через точку расположения глаз оператора (рисунок 1).
1 - точка расположения глаз оператора;
2 - заднее боковое поле обзора
Рисунок 1 - Заднее боковое поле обзора
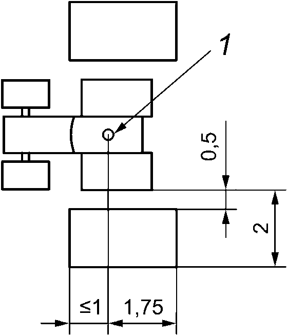
5.1.3 Боковое поле обзора
Поле обзора должно обеспечивать видимость, как минимум, плоских горизонтальных участков на высоте 1 м над уровнем опорной поверхности, ограниченных (рисунок 2):
- плоскостью, параллельной вертикальной продольной плоскости трактора и находящейся на расстоянии 0,5 м от его крайней боковой точки;
- плоскостью, параллельной вертикальной продольной плоскости трактора и находящейся на расстоянии 2 м от его крайней боковой точки;
- плоскостью, параллельной вертикальной поперечной плоскости, проходящей через точку расположения глаз оператора, и находящейся в 1,75 м позади этой плоскости;
- плоскостью, параллельной вертикальной поперечной плоскости, проходящей через точку расположения глаз оператора, и находящейся в 1 м впереди этой плоскости. Если вертикальная поперечная плоскость, проходящая через крайнюю переднюю точку шасси трактора или решетку радиатора находится менее чем в 1 м от вертикальной поперечной плоскости, проходящей через точку расположения глаз оператора, то минимальное поле обзора может быть ограничено этой плоскостью.
1 - точка расположения глаз оператора
Рисунок 2 - Боковое поле обзора
5.1.4 Аналогичные требования
Выполнение требований ISO 5006 [1] в части оценки непрямого поля обзора землеройных машин обеспечивает выполнение требований настоящего стандарта.
Выполнение технических требований UNECE R 46 (включая изменение 1) обеспечивает выполнение требований настоящего стандарта.
5.2 Методы испытаний
5.2.1 Условия проведения проверки бокового и заднего полей обзора
Трактор должен быть расположен на горизонтальной поверхности. На горизонтальной подставке, установленной на уровне точки расположения глаз оператора, располагают два точечных источника света, установленных симметрично по отношению к точке расположения глаз оператора на расстоянии 65 мм друг от друга. Необходимо, чтобы подставка могла поворачиваться вокруг вертикальной оси, проходящей через точку расположения глаз оператора. Для определения зон затенения подставку следует повернуть таким образом, чтобы одновременное или поочередное включение источников света позволяло определить зоны затенения в проверяемом поле обзора на высоте 1 м от опорной поверхности. Допускается смещение подставки с источниками света влево или вправо на расстояние не более 170 мм. Проверка поля обзора может быть проведена, например, перемещением зеркала на высоте 1 м по всему проверяемому полю обзора. Зеркало должно быть повернуто таким образом, чтобы в нем была обеспечена видимость источников света.
5.2.2 Проверка поля обзора
Для проверки поля обзора определяют видимость света источников света, установленных по 5.2.1.
При применении систем видеонаблюдения применяют методы испытаний по UNECE R 46 (включая изменение 1).
5.2.3 Аналогичные испытания
Методы испытаний могут быть заменены другими, при условии доказательства их аналогичности.
Выполнение требований ISO 5006 [1] в части оценки непрямого поля обзора землеройных машин обеспечивает выполнение требований настоящего стандарта.
Выполнение технических требований UNECE R 46 (включая изменение 1) обеспечивает выполнение требований настоящего стандарта.
5.3 Критерии приемки
5.3.1 Поле прямого обзора
При проведении испытаний по 5.2.1 в проверяемом поле обзора не должно быть зон затенения на высоте 1 м от опорной поверхности.
При проведении испытаний поля обзора по 5.1.3 зоны затенения должны составлять не более 10% проверяемого поля обзора с каждой стороны трактора, и испытательный предмет диаметром 300 мм не должен полностью закрываться каждой зоной затенения в каждом проверяемом поле обзора.
При невыполнении вышеуказанных условий требуется применение устройств для непрямого обзора.
5.3.2 Поле непрямого обзора
В проверяемых полях обзора не учитываются затенения корпусом и отдельными элементами конструкции, такими как другие зеркала, дверные ручки, габаритные огни, указатели поворота и т.д., а также элементами, очищающими отражающие поверхности, если такие зоны затемнения составляют менее 10% проверяемого поля обзора.
Зоны затенения в полях обзора по 5.1.3 не допускаются.
Приложение ДА
(справочное)
СВЕДЕНИЯ О СООТВЕТСТВИИ ССЫЛОЧНЫХ МЕЖДУНАРОДНЫХ СТАНДАРТОВ
МЕЖГОСУДАРСТВЕННЫМ СТАНДАРТАМ
Таблица ДА.1
Обозначение ссылочного международного стандарта
Степень соответствия
Обозначение и наименование соответствующего межгосударственного стандарта
ISO 5006:2006
IDT
ГОСТ ISO 5006-2014 "Машины землеройные. Обзорность с рабочего места оператора. Метод испытания и критерии эффективности" <1>
ISO 5721-1:2013
IDT
ГОСТ ISO 5721-1 <2> "Тракторы сельскохозяйственные. Требования, методы испытаний и критерии приемки поля обзора тракториста. Часть 1. Переднее поле обзора"
UNECE R 46
-
<*> Соответствующий межгосударственный стандарт отсутствует. До его утверждения рекомендуется использовать перевод на русский язык данного международного документа. Перевод данного международного документа находится в Федеральном информационном фонде технических регламентов и стандартов.
Примечание - В настоящей таблице использовано следующее условное обозначение степени соответствия стандартов:
- IDT - идентичный стандарт.
--------------------------------
<1> На территории Российской Федерации действует ГОСТ Р ИСО 5006-2010 "Машины землеройные. Поле обзора оператора. Метод испытания и критерии функционирования".
<2> Стандарт ГОСТ ISO 5721-1 находится в разработке и будет введен в действие одновременно с настоящим стандартом.
УДК 629.114.2:631.3:006.354
МКС 65.060.10
ОКП 47 2200
IDT
Ключевые слова: тракторы сельскохозяйственные, заднее и боковые поля обзора