Главная // Актуальные документы // ГОСТ (Государственный стандарт)СПРАВКА
Источник публикации
М.: Стандартинформ, 2017
Примечание к документу
Текст данного документа приведен с учетом
поправки, опубликованной в "ИУС", N 1, 2023.
Отдельные положения данного документа включены в
Перечень международных и региональных (межгосударственных) стандартов, а в случае их отсутствия - национальных (государственных) стандартов, в результате применения которых на добровольной основе обеспечивается соблюдение требований технического
регламента Таможенного союза "О безопасности машин и оборудования" (ТР ТС 010/2011) и в
Перечень международных и региональных (межгосударственных) стандартов, а в случае их отсутствия - национальных (государственных) стандартов, содержащих правила и методы исследований (испытаний) и измерений, в том числе правила отбора образцов, необходимые для применения и исполнения требований технического
регламента Таможенного союза "О безопасности машин и оборудования" (ТР ТС 010/2011) и осуществления оценки соответствия объектов технического регулирования (
Решение Коллегии Евразийской экономической комиссии от 09.03.2021 N 28).
Документ
введен в действие с 01.07.2018.
Название документа
"ГОСТ ISO 28881-2016. Межгосударственный стандарт. Безопасность металлообрабатывающих станков. Станки электроэрозионные"
(введен в действие Приказом Росстандарта от 28.06.2017 N 591-ст)
"ГОСТ ISO 28881-2016. Межгосударственный стандарт. Безопасность металлообрабатывающих станков. Станки электроэрозионные"
(введен в действие Приказом Росстандарта от 28.06.2017 N 591-ст)
агентства по техническому
регулированию и метрологии
от 28 июня 2017 г. N 591-ст
МЕЖГОСУДАРСТВЕННЫЙ СТАНДАРТ
БЕЗОПАСНОСТЬ МЕТАЛЛООБРАБАТЫВАЮЩИХ СТАНКОВ
СТАНКИ ЭЛЕКТРОЭРОЗИОННЫЕ
Safety of machine tools. Electrodischarge machines
(ISO 28881:2013, IDT)
ГОСТ ISO 28881-2016
Дата введения
1 июля 2018 года
Цели, основные принципы и основной порядок проведения работ по межгосударственной стандартизации установлены в
ГОСТ 1.0-2015 "Межгосударственная система стандартизации. Основные положения" и
ГОСТ 1.2-2015 "Межгосударственная система стандартизации. Стандарты межгосударственные, правила и рекомендации по межгосударственной стандартизации. Правила разработки, принятия, обновления и отмены"
1 ПОДГОТОВЛЕН Публичным акционерным обществом "Экспериментальный научно-исследовательский институт металлорежущих станков" (ПАО "ЭНИМС") на основе собственного перевода на русский язык англоязычной версии международного стандарта, указанного в
пункте 5
2 ВНЕСЕН Федеральным агентством по техническому регулированию и метрологии
3 ПРИНЯТ Межгосударственным советом по стандартизации, метрологии и сертификации (протокол от 31 августа 2016 г. N 90-П)
За принятие проголосовали:
Краткое наименование страны по МК (ИСО 3166) 004-97 | Код страны по МК (ИСО 3166) 004-97 | Сокращенное наименование национального органа по стандартизации |
Азербайджан | AZ | Азстандарт |
Армения | AM | Минэкономики Республики Армения |
Беларусь | BY | Госстандарт Республики Беларусь |
Грузия | GE | Грузстандарт |
Казахстан | KZ | Госстандарт Республики Казахстан |
Киргизия | KG | Кыргызстандарт |
Молдова | MD | Молдова-Стандарт |
Россия | RU | Росстандарт |
Таджикистан | TJ | Таджикстандарт |
Туркмения | TM | Главгосслужба "Туркменстандартлары" |
Узбекистан | UZ | Узстандарт |
Украина | UA | Минэкономразвития Украины |
4
Приказом Федерального агентства по техническому регулированию и метрологии от 28 июня 2017 г. N 591-ст межгосударственный стандарт ГОСТ ISO 28881-2016 введен в действие в качестве национального стандарта Российской Федерации с 1 июля 2018 г.
5 Настоящий стандарт идентичен международному стандарту ISO 28881:2013 "Безопасность металлообрабатывающих станков. Станки электроэрозионные" ("Machine tools - Safety - Electrodischarge machines", IDT), включая поправку Cor.1:2013.
Международный стандарт разработан Техническим комитетом ISO/TC 39 "Станки", Подкомитетом SC 10 "Безопасность".
При применении настоящего стандарта рекомендуется использовать вместо ссылочных международных (региональных) стандартов соответствующие им межгосударственные стандарты, сведения о которых приведены в дополнительном
приложении ДА
Информация об изменениях к настоящему стандарту публикуется в ежегодном информационном указателе "Национальные стандарты", а текст изменений и поправок - в ежемесячном информационном указателе "Национальные стандарты". В случае пересмотра (замены) или отмены настоящего стандарта соответствующее уведомление будет опубликовано в ежемесячном информационном указателе "Национальные стандарты". Соответствующая информация, уведомление и тексты размещаются также в информационной системе общего пользования - на официальном сайте Федерального агентства по техническому регулированию и метрологии в сети Интернет (www.gost.ru)
Настоящий стандарт разработан как гармонизированный стандарт для обеспечения соответствия с требованиями существенной безопасности Директив по машинам и связанными с ними регламентами EFTA.
Настоящий стандарт является стандартом типа "C" в соответствии с ISO 12100.
В
разделе "Область применения" настоящего стандарта отражены касающиеся машин и механизмов электроэрозионных станков и проистекающие от них опасности, опасные ситуации и опасные случаи. Оборудование для электроэрозионной обработки и системы должны разрабатываться в соответствии с принципами ISO 12100 для опасностей, не являющихся предметом настоящего стандарта.
Если требования настоящего стандарта типа "C" отличаются от требований, устанавливаемых стандартами типов "A" или "B", то требования данного стандарта обладают преимуществом для всех машин, которые должны проектироваться и изготовляться по требованиям данного стандарта типа "C".
Настоящий стандарт в соответствии с ISO 13849-1 устанавливает уровень исполнения и категории надежности связанных с безопасностью частей системы управления и оборудования для электроэрозионной обработки.
Требования настоящего стандарта касаются конструкторов, производителей, поставщиков и импортеров машин, описанных в "Области применения".
Настоящий стандарт включает также перечень пунктов информации, которые производитель должен предоставить пользователю.
Настоящий стандарт определяет требования безопасности и/или меры защиты, применимые к оборудованию для электроэрозионной обработки и системам, таким как:
- управляемые вручную копировально-прошивочные электроэрозионные станки для тонкого фрезерования и сверления;
- управляемые ЧПУ электроэрозионные вырезные станки.
Требованиями безопасности должны руководствоваться лица, принявшие на себя проектирование, создание, представление и/или поставку такого оборудования.
Настоящий стандарт включает также информацию, которую производитель должен предоставить пользователю.
Настоящий стандарт неприменим на оборудование для обработки дуговой эрозией и электрохимического оборудования.
Настоящий стандарт принимает в расчет только подтвержденное использование перечисленного оборудования по назначению, как и его прогнозируемое неправильное применение в цехах с нормальными условиями окружающей среды, при отсутствии взрывоопасной атмосферы, включая транспортировку, установку, наладку, техническое обслуживание, ремонт и демонтаж для перемещения и установки в другом месте оборудования и систем для электроэрозионной обработки (ЭЭО).
Настоящий стандарт применим также к вспомогательным устройствам, необходимым для проведения ЭЭО.
Настоящий стандарт охватывает все существенные опасности, опасные случаи и ситуации, связанные с оборудованием и системами для ЭЭО, где они используются по назначению, а также для иного применения при условии, что оно предсказуемо обосновано пользователем (см.
раздел 4).
Настоящий стандарт предназначен для применения к машинам, произведенным после даты его опубликования.
В настоящем стандарте использованы датированные и недатированные ссылки на международные стандарты, обязательные для применения. При недатированных ссылках действительно последнее издание приведенного стандарта, включая все его изменения.
ISO 3746, Acoustics - Determination of sound power levels of noise sources using sound pressure - Survey method using an enveloping measurement surface over a reflecting plane (Акустика. Определение уровней звуковой мощности источников шума, по звуковому давлению. Контрольный метод с использованием огибающей поверхности измерения над плоскостью отражения)
ISO 4413, Hydraulic fluid power - General rules and safety requirements for systems and their components (Гидравлика. Общие правила и требования безопасности систем и их компонентов)
ISO 4414, Pneumatic fluid power - General rules and safety requirements for systems and their components (Пневматика. Общие правила и требования безопасности систем и их компонентов)
ISO 4871, Acoustics - Determination and verification of noise emission values of machinery and equipment (Акустика. Определение и проверка шума машин и оборудования)
ISO 11202, Acoustics - Noise emitted by machinery and equipment - Determination of emission sound pressure levels at a work station and at other specified positions applying approximate environmental corrections (Акустика. Шум, издаваемый машинами и оборудованием. Измерение уровней звукового давления на рабочем месте и в других установленных точках с применением приближенных поправок на воздействие окружающей среды)
ISO 11688-1, Acoustics - Recommended practice for the design of low-noise machinery and equipment - Part 1. Planning (Акустика. Рекомендуемая практика проектирования машин и оборудования с уменьшенным уровнем производимого шума. Часть 1. Планирование)
ISO 12100-2010, Safety of machinery - General principles for design - Risk assessment and risk reduction (Безопасность машин. Общие принципы расчета. Оценка рисков и снижение рисков)
ISO 13849-1:2006, Safety of machinery - Safety-related parts of control systems - Part 1: General principles for design (Безопасность машин. Элементы систем управления, связанные с обеспечением безопасности. Часть 1. Общие принципы проектирования)
ISO 13849-2:2003, Safety of machinery - Safety-related parts of control systems - Part 2: Validation (Безопасность машин. Детали систем управления, связанные с обеспечением безопасности. Часть 2. Валидация)
ISO 13850, Safety of machinery - Emergency stop - Principles for design (Безопасность машин. Аварийный останов. Принципы проектирования)
ISO 13855, Safety of machinery - Positioning of safeguards with respect to the approach speeds of parts of the human body (Безопасность машин. Позиционирование защитного оборудования с учетом скорости сближения частей человеческого тела)
ISO 13857:2008, Safety of machinery - Safety distances to prevent hazard zones being reached by upper and lower limbs (Безопасность машин. Безопасные расстояния для предотвращения доступа верхних и нижних конечностей в опасные зоны)
ISO 14118, Safety of machinery - Prevention of unexpected start-up (Безопасность машин. Предупреждение неожиданных пусков)
ISO 14122-1, Safety of machinery - Permanent means of access to machinery - Part 1: Choice of fixed means of access between two levels (Безопасность машин. Постоянные средства доступа к машинам. Часть 1. Выбор стационарных средств доступа между двумя уровнями)
ISO 14122-2, Safety of machinery - Permanent means of access to machinery - Part 2: Working platforms and walkways (Безопасность машин. Постоянные средства доступа к машинам. Часть 2. Рабочие платформы и мостики)
ISO 14122-3:2001, Safety of machinery - Permanent means of access to machinery - Part 3: Stairs, stepladders and gard-rails (Безопасность машин. Постоянные средства доступа к машинам. Часть 3. Трапы, приставные лестницы и перила)
IEC 60204-1:2009, Safety of machinery - Electrical equipment of machines - Part 1: General requirements (Безопасность машин и механизмов. Электрооборудование промышленных машин. Часть 1. Общие требования)
IEC 60529, Degrees of protection provided by enclosures (IP Code) (Степени защиты, обеспечиваемые корпусами (Код IP))
IEC 61000-6-2, Electromagnetic compatibility (EMC) - Part 6-2: Generic standards - Immunity for industrial environments (Электромагнитная совместимость. Часть 6-2. Общие стандарты. Невосприимчивость к промышленной окружающей среде)
IEC 61000-6-4:2005, Electromagnetic compatibility (EMC) - Part 6-4: Emission standard for industrial environments (Электромагнитная совместимость. Часть 6-4. Стандарт на излучение для окружающей среды промышленных предприятий)
IEC 61310-1, Safety of machinery - Indication, marking and actuating - Part 1: Requirements for visual, acoustic and tactile signals (Безопасность машин. Индикация, маркировка и запуск. Часть 1. Требования к визуальным, звуковым и осязаемым сигналам)
IEC 61310-2, Safety of machinery - Indication, marking and actuation - Part 2: Requirements for marking (Безопасность машин - Указание, маркировка и обслуживание - Часть 2: Требования к маркировке)
IEC 61558-1, Safety of power transformers, power supplies, reactors and similar products - Part 1: General requirements and tests (Трансформаторы силовые, блоки питания и аналогичные изделия. Часть 1. Общие требования и испытания)
IEC 61800-5-2:2007, Adjustable speed electrical power drive systems - Part 5-2: Safety requirements - Functional (Системы силовых электрических приводов с регулируемой скоростью. Часть 5-2. Функциональные требования безопасности)
EN 2, Classification of fires (Классификация пожаров)
EN 54-1, Fire detection and fire alarm systems - Part 1: Introduction (Обнаружение пожара и пожарные сигнализации. Часть 1. Введение)
EN 349, Safety of machinery - Minimum gaps to avoid crushing of parts of the human body (Безопасность машин. Минимальные расстояния для предотвращения защемления частей человеческого тела)
EN 614-1, Safety of machinery - Ergonomic principles - Part 1: Terminology, definitions and general principles (Безопасность машин. Эргономические принципы проектирования. Часть 1. Терминология и общие принципы)
EN 614-2, Safety of machinery - Ergonomic design principles - Part 2: Interactions between the design of machinery and work tasks (Безопасность машин. Эргономические принципы проектирования. Часть 2. Взаимосвязь между конструкцией машин и рабочими задачами)
EN 626-1, Safety of machinery - Reduction of risks to health from hazardous substances emitted bymachinery - Part 1: Principles and specifications for machinery manufacturers (Безопасность машин. Снижение риска для здоровья, вызываемого вредными веществами, выделяемыми машинами. Часть 1. Принципы и технические требования для изготовителей машин)
EN 953:2009, Safety of machinery - Guards - General requirements for the design and construction of fixed and movable guards (Безопасность машин. Защитные ограждения. Общие требования по конструированию и изготовлению неподвижных и перемещаемых ограждений)
EN 1037:2008, Safety of machinery - Prevention of unexpected start-up (Безопасность машин. Предотвращение неожиданного повторного пуска)
EN 1088:1995, Safety of machinery - Interlocking devices associated with guards - Principles for design and selection (Безопасность машин. Блокировочные устройства, связанные с ограждениями. Принципы для проектирования и выбора)
EN 12198-1, Safety of machinery - Assessment and reduction of risks arising from radiation emitted by machinery - Part 1: General principles (Безопасность машин и механизмов - Оценка и снижение рисков, возникающих из-за излучений, испускаемых машинами - Часть 1. Основные принципы)
EN 12198-2, Safety of machinery - Assessment and reduction of risks arising from radiation emitted by machinery - Part 2: Radiation emission measurement procedures (Безопасность машин и механизмов - Оценка и снижение рисков, возникающих из-за излучений, испускаемых машинами - Часть 2. Процедуры измерения радиационной эмиссии)
EN 12198-3, Safety of machinery - Assessment and reduction of risks arising from radiation emitted by machinery - Part 3: Reduction of radiation by attenuation or screening (Безопасность машин и механизмов - Оценка и снижение рисков, возникающих из-за излучений, испускаемых машинами - Часть 3. Снижение уровня радиации путем ослабления или экранирования)
EN 62226-1, Exposure to electric or magnetic fields in the low and intermediate frequency range - Methods for calculating the current density and internal electric field induced in the human body - Part 1: General (Противодействие электрическим и магнитным полям в низко- и среднечастотном диапазоне - Методы расчета плотности потока и внутренних электрических полей, индуцируемых в теле человека - Часть 1: Общие положения)
EN 62226-2-1, Exposure to electric or magnetic fields in the low and intermediate frequency range - Methods for calculating the current density and internal electric field induced in the human body - Part 2-1: Exposure to magnetic fields - 2D models (Противодействие электрическим и магнитным полям в низко- и среднечастотном диапазоне - Методы расчета плотности потока и внутренних электрических полей, индуцируемых в теле человека - Часть 2-1. Противодействие магнитным полям - Модели в формате 2D)
EN 62226-3-1, Exposure to electric or magnetic fields in the low and intermediate frequency range - Methods for calculating the current density and internal electric field induced in the human body - Part 3-1: Exposure to electric fields - Analytical and 2D numerical models (Противодействие электрическим и магнитным полям в низко- и среднечастотном диапазоне - Методы расчета плотности потока и внутренних электрических полей, индуцируемых в теле человека - Часть 3-1. Противодействие электрическим полям - Аналитические и цифровые модели в формате 2D)
EN 62311, Assessment of electronic and electrical equipment related to human exposure restrictions for electromagnetic fields (0 Hz - 300 GHz) (Оценка электронного и электрического оборудования с точки зрения ограниченности сопротивляемости человека электромагнитным полям (от 0 до 300 Ггц))
CISPR 11, Industrial, scientific and medical equipment - Radio-frequency disturbance characteristics - Limits and methods of measurement (Промышленное, научное и медицинское оборудование - Свойства радиочастотных возмущений - Предельные значения и методы измерения)
В настоящем стандарте применены термины и определения по ISO 12100 и ISO 13849-1, а также следующие термины с соответствующими определениями:
3.1 цепь управления (control circuit): Схема, используемая для управления машиной, в том числе для мониторинга.
Примечание - Для электрооборудования см. IEC 60204-1, 3.8.
3.2 система управления машиной (machine control system): Система, которая реагирует на входные сигналы, поступающие от элементов машины, от оператора, от оборудования наружного контроля или от любой их комбинации и генерирует выходные сигналы, обеспечивающие работу машины в заданном режиме, как это определено в ISO 13849-1, 3.1.32.
3.3 диэлектрическая жидкость (dielectric fluid): Не обладающее электропроводностью средство для повышения эффекта электроэрозии путем удаления отходов и охлаждения заготовки/электрода.
3.4 емкость для хранения диэлектрической жидкости (dielectric fluid container): Система резервуаров для хранения диэлектрической жидкости при условиях, подходящих для электроэрозионных машин.
Пример - фильтрование и охлаждение.
3.5 оборудование для электроэрозионной обработки; ОЭО (EDM equipment): Станки, включающие все узлы, необходимые для процесса ЭЭО.
Пример - генератор, цепь управления и емкость для хранения диэлектрической жидкости.
3.6 система электроэрозионной обработки (EDM system): Совокупность ОЭО и других машин или устройств, созданных, объединенных и управляемых так, чтобы они функционировали как единое целое.
3.7 устройство для замены электродов (electrode hanger): Встроенный в станок механизм, предназначенный для замены ранее вставленного электрода на другой.
Примечание - Устройства для замены электродов рассчитаны на то, чтобы дать возможность оператору производить установку/удаление электродов, находясь за пределами рабочей зоны.
3.8 электроэрозионная обработка; ЭЭО [(electro-discharge machining (EDM)]: Любой процесс обработки, основанный на искровой эрозии.
3.9 электромагнитная совместимость; ЭМС [electro-magnetic compatibility (EMC)]: Способность электромагнитного оборудования и систем удовлетворительно функционировать в электромагнитном окружении, не вызывая электромагнитных возмущений, невыносимых для чего-либо в этой окружающей среде.
3.10 электронный маховичок (electronic handwheel): Приводимое в действие вручную устройство управления, инициирующее и поддерживающее движение осей станка путем подачи электронных импульсов управления в СЧПУ.
3.11 вспомогательное устройство (enabling device): Дополнительное, вручную приводимое в действие устройство, используемое совместно с органом пуска, позволяющее машине выполнять свою функцию при непрерывной активации.
3.12 огнеопасная диэлектрическая жидкость (flammable dielectric fluid): Применяемая в ЭЭО жидкость, характеризующаяся относительно легкой воспламеняемостью и способностью поддерживать горение.
3.13 точка возгорания (flash point): Минимальная температура, при которой диэлектрическая жидкость, используемая при электроэрозионной гравировке, выделяет горючего газа или пара в количестве, достаточном для возникновения и поддержания горения.
3.14 генератор (generator): Узел станка, предназначенный для преобразования электрической энергии, подаваемой в ОЭО или систему в целях ЭЭО.
3.15 опасная электроэрозионная энергия (hazardous electric discharge power): Электроэнергия, используемая для выполнения обработки электроэрозионным методом, превышающая уровень вольтажа (напряжения), допустимый для контакта с персоналом.
3.16 удерживающее управляющее устройство (hold-to-run control device): Управляющее устройство с удержанием, которое инициирует и поддерживает функционирование машины.
3.17 электроэнергия для обработки (electric machining power): Электрическая энергия, подаваемая в станки или системы для ЭЭО и преобразуемая посредством генератора в особый вид электроэнергии, служащей рабочим инструментом, подаваемая к проволочному электроду/заготовке для выполнения процесса обработки путем электротермического удаления материала.
3.18 среднее время наработки на опасный отказ (mean time to dangerous failure, MTTFd): Ожидаемое среднее время наработки до наступления опасного отказа (ISO 13849-1, 3.1.25).
3.19
числовое программное управление (numerical control), компьютеризированное числовое программное управление (computerized numerical control): Автоматическое управление процессом при помощи устройств, действующих на основе цифровых данных, вводимых перед началом операции (см.
[2], определение 2.11).
3.20 режим работы (operating mode): Совокупность метода и условий работы станка.
3.20.1 автоматический режим (automatic mode): Режим работы, в котором для выполнения запрограммированных последовательных операций используется числовое программное управление при защитном ограждении, находящемся в закрытом положении до остановки процесса программой или оператором.
Примечание 1 - Термин равнозначен с термином режим механической обработки.
Примечание 2 - Автоматический режим может включать и автоматический ввод программ.
3.20.2 режим наладки/настройки (setting mode): Режим, в котором не производится подача энергии привода, оператором осуществляется наладка/настройка станка для выполнения последующей обработки.
Примечание - Измерительный цикл (т.е. контакт заготовки со щупом или электродом), контроль перемещения заготовки и/или электрода, замена электрода/заготовки, контроль/оптимизация впрыскивания или отсасывания струи, работа без СОЖ и т.д. - все эти процедуры являются частью режима наладки/настройки (см.
5.3.2.2).
3.20.3 режим настройки разряда (discharge alignment mode): Режим специфической настройки используемой энергии разряда, при котором защитные ограждения оборудования для ЭЭО временно открыты, а задействованы альтернативные меры защиты.
Пример - Оборудование для выхлопа отработанного воздуха, устройства для промывки струей диэлектрической жидкости, т.е. настройка по вертикали - проверка соосности такого оборудования; визуальный контроль процесса обработки.
3.21 уровень эффективности защиты (performance level, PL): Дискретный уровень, используемый для определения способности элементов систем управления, связанных с обеспечением безопасности, осуществлять функцию безопасности в прогнозируемых условиях (ISO 13849-1, 3.1.23).
3.22 экранирование (shielding): Установка механической преграды или ограждения из соответствующего материала, предназначенное ослаблять эмиссию/проникновение переменного электромагнитного поля в определенную зону.
3.23 процесс электроэрозионной обработки (EDM process): Ограниченный во времени и случайно распределенный в пространстве процесс снятия материала в диэлектрической жидкости путем эрозии, производимой электрическим разрядом между двумя электродами.
Примечание - Из двух упомянутых электродов один служит инструментом, другой представляет собой заготовку.
3.24 электроэрозионное фрезерование штампов (EDM die sinking): Удаление материала при помощи искровой эрозии для производства различных профилей.
Примечание - Профили могут быть вогнутыми, выпуклыми или образовывать призматическое отверстие.
3.25 электроэрозионное сверление (EDM drilling): Удаление материала при помощи искровой эрозии с применением электрода плоской формы для образования в заготовке прямых отверстий.
3.26 электроэрозионная резка проволочным электродом (EDM wire cutting): Удаление материала при помощи искровой эрозии с применением электрода в виде проволоки или тонкого прутка для образования в заготовке призматических отверстий.
3.27 рабочая зона (work area): Пространство вокруг станка, на котором происходит процесс ЭЭО.
3.28 устройство для смены заготовки (workpiece changer): Механизм, являющийся частью станка, служащий для загрузки заготовки, или отдельное приспособление (например, поддон) для установки новой заготовки и удаления предыдущей.
3.29 рабочая емкость (work tank): расположенный вблизи рабочей зоны резервуар для хранения диэлектрической жидкости, используемой в процессе ЭЭО.
4 Перечень существенных опасностей
В разделе перечислены все существенные опасности, опасные ситуации и случаи в той мере, в какой они касаются настоящего стандарта, определяющего оценку риска с точки зрения его значимости для рассматриваемых типов станков, а также необходимые действия для устранения или снижения такого риска.
Примечание 1 - Для всесторонней оценки степени риска следует распознать опасности и произвести оценку и расчет возможности снижения степени риска и передачи остаточного риска пользователю (см.
раздел 6). Существует множество методов и инструментов для выполнения этой задачи, некоторые из них приведены в настоящем стандарте. В выборе метода или инструмента предпочтение большей частью отдается отрасли производства, компании или персоналу. Выбор соответствующего метода или инструмента менее важен, чем сам производственный процесс. Выгода от правильной оценки риска зависит от дисциплины производственного процесса больше, чем от точности результатов его оценки: длительный и систематический подход приводит к снижению рисков от всех распознанных опасностей при учете всех элементов риска (см.
[3]).
Перечень опасностей, приведенный в
таблице 1, является результатом оценки рисков, связанных с ОЭО, на которое распространяется настоящий стандарт. Технические меры и информация для пользователя, приведенные в
разделах 5 и
6, базируются на всесторонней оценке риска и действуют на распознанные опасности либо путем их ликвидации, либо путем снижения воздействия порождаемых ими рисков.
Примечание 2 - Внимание конструкторов должно быть сосредоточено на опасностях, которые могут иметь место на протяжении жизненного цикла станка. Оценка риска учитывает риски как для оператора(ов), так и для других лиц, которые могут иметь доступ в опасную зону по условиям эксплуатации станка, включая его обоснованно предсказуемое неправильное использование (см.
[3]) как при работе в автоматическом режиме, так и при необходимости вмешательства оператора (т.е. при наладке/настройке, техническом обслуживании и ремонте).
Существенные опасности, охватываемые настоящим стандартом, перечислены в
таблице 1.
Особое внимание следует уделять опасностям, имеющим место при наличии:
- электрической опасности (напряжение на электродах);
- огнеопасной диэлектрической жидкости (уровень, температура, обнаружение возгорания);
- опасных веществ (удаление отходов, использованных электродов, диэлектрической жидкости, масленой суспензии, фильтров);
- электромагнитного излучения (как направленного, так излучаемого в пространство см. IEC 61000-6-2 электромагнитная совместимость для иммунитета и IEC 61000-6-4 электромагнитная совместимость для эмиссий).
Таблица 1
Перечень существенных опасностей и главных источников таких
опасностей, связанных с электроэрозионными станками
| Вид опасности | Потенциально опасное действие | Вид деятельности | Опасная зона | |
1 | Механические опасности: |
1.1 | Ускорение, замедление (кинетическая энергия элементов при управляемом или неуправляемом движении): рабочий ход, превышение заданных параметров, удар (толчок) | Движения элементов станка, повреждение цепи управления | Наладка/настройка и техобслуживание станка | У станка или вблизи него | |
1.2 | Режущие элементы, острые кромки: раздавливание, разрезание | 1.2.1 Зажим заготовки | Загрузка/выгрузка, переориентация | Между зажимом и заготовкой | |
1.2.2 Автоматическая смена заготовки/электрода | Механическая обработка заготовки, замена электрода | Зона обработки заготовки/ перемещения электрода |
1.2.3 Движущиеся части (т.е. оси, вращающиеся элементы), повреждение цепи управления | Замена электрода/заготовки вручную | Между заготовкой/электродом и частями станка | |
1.3 | Перемещающиеся и или вращающиеся элементы: запутывание | Ручная или автоматическая замена заготовки/электрода, вращение шпинделя или роликов для проволоки, повреждение цепи управления | Замена вручную или механически обрабатываемой заготовки/электрода и вращение шпинделя |
1.4 | Высокое давление: впрыск или выброс жидкости | Выброс, утечка, сброс гидравлической/пневматической системы | Наладка/настройка, обработка и техобслуживание | У станка или вблизи него | |
1.5 | Шероховатая или скользкая поверхность: поскальзывание, спотыкание и падение лиц (имеющих отношение к станку) | Выброс или утечка жидкости или смазки; волочение уложенных на полу или небрежно соединенных кабелей | Во время и после обработки и техобслуживания | Рабочие емкости, доступ к которым возможен, скользкий пол и высокая рабочая позиция; зона вокруг станка | |
1.6 | Потеря устойчивости: - неуравновешенный станок или его детали; - детали станка, закрепленные несоответственно; - станок или его части, поднимаемые краном; - транспортировка с перегрузкой | Удар и ловушка, сдавливание при наклоне или падении станка | Сборка, транспортирование, установка и осмотр станка | У станка или вблизи него | |
2 | Электрические опасности: |
2.1 | Токоведущие части (прямой контакт); удар лиц током, воздействие на медицинские импланты, нервный шок | Контакт с заготовкой/электродом, проводом/тококонтуром и с незащищенными цепями управления | Процесс контроля, настройки и техобслуживания | Установка заготовки, электродов, техоснастки | |
2.2 | Части, попавшие под напряжение из-за неполадок (непрямой контакт): поражение лиц электротоком, воздействие на медицинские импланты, нервный шок | Контакт с частями станка, не токоведущими в условиях нормальной работы | Техническое и рабочее обслуживание генератора и станка, включая уход | У станка или вблизи него; изоляция электрического кабеля и оборудования | |
3 | Термические опасности (не относящиеся к самому процессу ЭЭО) |
4 | Опасности, вызываемые шумом: |
4.1 | Производственный процесс (жидкостные насосы, перемещающиеся или вращающиеся части свистящая пневматика): повреждение и потеря слуха и другой физиологический дискомфорт | Эмиссия опасного шума от ЭЭО или вспомогательных устройств | Операции настройки, очистки, техобслуживание, ремонтные работы | У станка или вблизи него, или вспомогательных средств | |
5 | Опасности, вызываемые вибрацией (не связанной с ЭЭО) |
6 | Опасности, вызываемые излучениями: |
6.1 | Электромагнитное излучение: вредное воздействие на элементы, обеспечивающие надежность цепи управления и медицинских имплантов | Опасное излучение в непосредственной близости от рабочей зоны | В процессе работы и наладки/настройки станка | Вблизи станка/вспомогательных устройств | |
7 | Опасности, порождаемые материалами/веществами |
7.1 | Вдыхание вредных жидкостей, газов, дымки, пыли или контакт с ними | Условия вблизи станка, созданные выбросом диэлектрической жидкости, моросью, испарениями, дымкой, пылью и т.д. | Электроэрозионная обработка, наладка/настройка, техобслуживание и удаление станка | У станка или вблизи него | |
7.2 | Возгорание или взрыв | Опасность возгорания из-за частиц огнеопасного газа, дымки, пыли | Процесс электроэрозионной обработки | У рабочего бака, в рабочей зоне и около машины | |
8 | Эргономические опасности: |
8.1 | Особые потребности, вызванные пренебрежением эргономическими принципами | Нездоровая поза или чрезмерные усилия, требующие конструировать станок в соответствии с эргономикой | Установка/удаление электрода/заготовки на станок/со станка или системы ОЭО | На позиции оператора | EN 614-1 EN 614-2 |
9 | Опасности, связанные с окружающей средой, в которой эксплуатируется станок |
9.1 | Электромагнитные помехи: внешние воздействия на электрооборудование | Неправильная работа самого станка или электрооборудования; сбой цепи управления | Станок в процессе работы, наладки/настройки, техобслуживания | Вблизи станка или любых его подвижных элементов | |
10 | Комбинация опасностей |
10.1 | Потеря внешнего энергоснабжения, восстановление подачи энергии после перерыва | Сбой из-за потери энергии на самом станке и/или на электро/пневмооборудовании, механических зажимах, перемещающихся или вращающихся элементах станка под действием остаточных сил (инерции, гравитации) | Любые действия вблизи станка | Вблизи станка или любых его подвижных элементов | |
<a> Перечень опасностей из ISO 12100, таблица B.1. |
5 Требования безопасности и/или меры защиты
ОЭО и системы ЭЭО должны соответствовать требованиям безопасности и снабжаться соответствующими мерами защиты, а также проверяться на соответствие указаниям настоящего раздела. Их конструкция должна отвечать принципам ISO 12100 для соответствующих опасностей, кроме незначительных, которые не являются предметом рассмотрения настоящего стандарта.
Анализ выхода из строя различных компонентов станка, включая сбой системы управления, является частью процесса оценки риска (см. ISO 13849-1). Требования надежности функций безопасности на выполнимых уровнях в соответствии с ISO 13849-1 (см. 5.2).
5.2 Относящиеся к безопасности элементы систем управления для электроэрозионных станков и систем
а) Обеспечивающие надежность элементы конструкции и программного обеспечения: в целях настоящего стандарта к таковым относятся отвечающие за надежность системы управления все входные и основные выходные сигналы. Началом элементов, отвечающих за надежность системы управления, служит точка, в которой инициируется входной сигнал (например, выключатель, осуществляющий активацию системы), а концом - выходной сигнал, отключающий подачу энергии (например, главный рубильник). Функции безопасности систем управления должны выполняться за счет использования относящихся к безопасности элементов, конструкция и использование которых соответствуют ISO 13849-1. Если активированные функции безопасности оснащены остановом категории 2 по IEC 60204-1, то для предотвращения неожиданного пуска или перемещения осей в соответствии с ISO 14118, то требуется оснащать автоматический мониторинг остановом также категории 2.
Функции безопасности: обеспечивающие безопасность элементы системы управления должны соответствовать требованиям уровня исполнения и категории по ISO 13849-1 в соответствии с перечнем
таблицы 2. Дополнительная информация дана в
приложении D.
Таблица 2
Необходимый уровень качества/эффективности связанных
с безопасностью элементов систем управления
для электроэрозионных станков и систем
Функции безопасности | Ссылка на раздел, подраздел | Должный уровень исполнения (PLr) ISO 13849-1 | |
Управление движением посредством устройства "пуск-остановка" или электронного маховичка | | PLrb | |
Управление движением посредством надежного мониторинга за снижением скорости | PLrc |
Блокировка перемещаемых ограждений устройства смены инструмента | Кат. 3, PLrc | |
Безопасный рабочий останов в соответствии с IEC 61800-5-2 | | PLrc | |
Пуск, остановка, автоматический повторный пуск процесса обработки | PLrb | |
Блокировка перемещаемых ограждений ОЭО | | Кат. 3, PLrc | |
Управление движением/электроприводом посредством вспомогательных устройств | | |
Ограничение времени для настройки режима разряда | | PLrc | |
Выбор режима | | |
Аварийная остановка | | Кат 3, PLrc | |
Вспомогательные устройства | | |
Мониторинг уровня/температуры огнеопасной диэлектрической жидкости | | PLrc | |
Обнаружение возгорания | |
<a> Функции блокировки перемещаемых ограждений, электрочувствительного защитного оборудования (ESPE) (ЭЗО) или других средств защиты ОЭО с опасными движениями и напряжением > 25 В для подзарядки (a. c) или > 60 В для разряда (d. c.) (при использовании источников тока, безопасность которых соответствует IEC 61558-1). <b> Устройство обнаружения возгорания является защитной мерой, которая в совокупности с мониторингом уровня и температуры огнеопасной диэлектрической жидкости предназначена предотвращать возгорание из-за ошибок персонала. |
Функции связанных с безопасностью элементов, определенные выше, должны подтверждаться экспертизой схемы соединения и практической проверкой (см. ISO 13849-2).
5.3.1 Выбор режима работы
Выбор режима работы должен осуществляться как при помощи выключателя, так и другими эквивалентными средствами, пригодными в рамках использования обычного режима для обычного оператора. Если требуются какие-либо ограничения для оператора, то код допуска должен быть годен и для доступа к режиму наладки/настройки (см.
6.3.3). Выбор режима разрешается производить только за пределами рабочей зоны. Он не должен вызывать пуск оборудования. Необходимо предусматривать указатель выбранного режима (т.е. позицию выбора, положение светового индикатора или указатель на дисплее). Выбранный режим утверждается как единственный, действующий на какое-то определенное время в соответствии с ISO 12100, 6.2.11.10 и IEC 60204-1, 9.2.3.
5.3.2 Защитные меры, относящиеся к рабочим режимам
5.3.2.1 Автоматический режим
Прежде, чем включать автоматический режим работы, следует поставить устройство выбора режима в позицию "автоматический режим", защитные ограждения - в положение "закрыто", а прочие средства защиты - в защитные условия (например, блокировку ограждений и детектор возгорания привести в готовность на случай использования огнеопасной диэлектрической жидкости).
5.3.2.2 Режим наладки/настройки
В режиме наладки/настройки напряжение электрического разряда на элементах, которых может коснуться человек, в соответствии с IEC 60204-1, 9.2.4 должно ограничиваться следующими величинами: <= 25 В при подзарядке и <= 60 В при разряде (при использовании источника тока, безопасность которого соответствует IEC 61558-1).
Скорость перемещения осей должна соблюдаться на уровне, соответствующем режимам наладки/настройки (например, измерительного цикла путем соприкосновения заготовки со щупом или электродом, контроля перемещения заготовки и/или электрода при использовании устройств смены заготовки и/или электрода, впрыску или отсосу средств промывки и проведения сушки для контроля числовых программ).
При открытии ограждений скорость перемещения осей не должна превышать 2 м/мин и должна быть под непрерывным контролем (см.
таблицу 2). Перемещение осей следует контролировать:
- устройством управления (вручную) пуском/остановкой;
- вспомогательным устройством (ручного управления) совместно с кнопкой пуска;
- электронным маховичком.
Для перемещений со скоростями в интервале от 2 до 15 м/мин при открытых защитных ограждениях средства защиты должны быть в состоянии предотвращать проникновение в рабочую зону верхними конечностями оператора или других лиц, имеющих доступ к ОЭО:
- устройством управления пуском/остановом совместно со вспомогательными устройствами (см.
таблицу 2);
- электронным маховичком совместно с вспомогательными устройствами (см.
таблицу 2);
- средствами предотвращения доступа в опасную зону (например, световой завесой, лазерным сканером, устройством двуручного управления).
Остановка путем отключения вспомогательного устройства должна производиться безопасным рабочим остановом, соответствующим IEC 61800-5-2. Минимальная дистанция должна соблюдаться в соответствии с ISO 13855.
Для осей вращения со скоростью до 50 об/мин при открытых ограждениях вращение возможно только при управлении непосредственным воздействием вручную.
В режиме наладки/настройки линейная скорость перемещения осей более 15 м/мин и скорость вращения более 50 об/мин не допустима.
5.3.2.3 Режим настройки разряда
Эксплуатация ОЭО при проведении специфических операций (например, настройки вертикального проводника, отсасывания выхлопного воздуха, регулировки диэлектрической жидкости, визуального контроля процесса обработки) при открытых ограждениях и электрическом напряжении в интервале от 60 до 350 В в процессе разрядки или от 25 до 100 В при подзарядке должно быть возможным только при выполнении следующих мер защиты:
a) режим настройки разряда при автоматическом режиме обработки:
- закрыть ограждения и поставить ключ на автоматический режим;
- нажать кнопку пуска для запуска автоматического режима;
- включить режим настройки разряда, визуальные и звуковые аварийные сигналы для активации в течение не более 2 минут. После этого режим настройки разряда должен автоматически отключиться;
- нажать кнопку одноручного устройства сопровождения рабочего процесса и держать ее в нажатом состоянии в продолжение режима настройки разряда;
- открыть ограждения для выполнения операции настройки разряда (устройств выравнивания вертикального электрода, отсоса выхлопного воздуха, сброса диэлектрической жидкости, визуального контроля процесса обработки и т.д.);
- максимум через 2 минуты после этого режим настройки разряда должен быть автоматически отключен, а визуальные и звуковые аварийные сигналы - дезактивированы. Для продолжения автоматически остановленной операции следует закрыть защитные ограждения, перевести переключатель назад на автоматический режим и снова нажать кнопку пуска;
- если после закрытия защитных ограждений переключатель будет возвращен в автоматический режим до истечения двух минут, то автоматический процесс будет продолжаться без перерыва;
- в случае использования при настройке режима разряда огнеопасной диэлектрической жидкости следует держать в активированном состоянии детекторы возгорания для отключения напряжения разряда при обнаружении огня;
b) режим настройки разряда в процессе наладки/настройки режима обработки:
- поставить переключатель на режим настройки разряда для активации визуальных и звуковых аварийных сигналов максимум в течение двух минут;
- по прошествии этого времени режим настройки разряда должен быть автоматически отключен;
- нажать кнопку одноручного устройства выполнения операции и держать ее в нажатом состоянии в продолжение режима настройки разряда;
- выполнить операцию настройки разряда при наклоне или при подаче;
- отключить устройства, обеспечивающие выполнение режима настройки разряда;
- максимум через две минуты режим настройки разряда должен быть автоматически отключен, визуальные и звуковые аварийные сигналы - дезактивированы, все операции должны быть выведены из действия системой управления;
- для продолжения операции настройки необходимо вернуть переключатель на позицию "режим настройки";
- в случае использования при настройке режима разряда огнеопасной диэлектрической жидкости следует держать в активированном состоянии детекторы возгорания для отключения напряжения разряда при обнаружении огня.
В руководстве по эксплуатации должна быть информация для оператора о необходимости иметь знания и инструкции по специфическим электрическим опасностям; для этой цели у него должно быть в наличии соответствующее письменное разрешение на работу с токоведущими элементами (см.
6.3.2.2).
5.4.1 Оперативный останов
Функция оперативного останова, приводимая в действие остановом, должна быть предусмотрена для любого режима работы. Всякий раз, когда активируется функция оперативного останова, подача энергии к приводам осей, устройству зажима заготовки и к оборудованию числового управления не требует отключения (см.
рисунок A.5 и ISO 12100, 6.2.11.3).
Устройство отключения должно располагаться поблизости от каждого устройства пуска или сопровождения (см. ISO 12100, 6.2.11.8).
ОЭО и системы должны быть оборудованы одним или более устройствами управления аварийным остановом, соответствующими IEC 60204-1, 9.2.5.4.2, ISO 12100, 6.3.5.2 и ISO 13850.
Функции аварийного останова должны иметь категорию 1 по IEC 60204-1, 9.2.2, отключать энергию обработки электричеством, останавливать перемещение главных и вспомогательных осей и электрические, механические, гидравлические и пневматические приводы.
Для ОЭО и систем без осей с ЧПУ (например, с единственной рабочей осью, включая электромеханические устройства планетарного перемещения или станки для сверления электрическим разрядом) применим останов категории 0 по IEC 60204-1, 9.2.2.
Устройствами аварийного останова должна быть оборудована каждая рабочая позиция, где опасная ситуация должна быть опознана и предотвращена оператором или другим персоналом, например:
- на главной панели управления;
- на переносном пульте управления, если иные устройства аварийного останова находятся на расстоянии более 900 мм от оператора (см. ISO 13857, таблица 5);
- на позиции загрузки или выгрузки заготовки/электрода, если они отделены от основной позиции оператора.
Требования безопасности и меры защиты ОЭО и систем, необходимые для предотвращения опасностей, распознанных в
разделе 4, должны выбираться по
таблице 3 и проверяться путем использования процедур, указанных в соответствующей графе этой таблицы, обозначенных следующими сокращенными фразами:
- путем тестирования (например, функциональной или практической проверки);
- при измерении;
- путем расчета;
- при визуальном осмотре, если испытаний и расчета недостаточно;
- анализ документации (например, круговой или функциональной диаграммы, информации по эксплуатации).
Таблица 3
Перечень требований безопасности, мер защиты
и процедур их проверки
| Опасность | Требование безопасности и/или мера защиты | Способ проверки | |
| Механические опасности |
| A1.1 Механическая (основные требования) | A1.1.1 Конструкция ОЭО должна исключать механические опасности при использовании по назначению и при обоснованно предсказуемом неправильном использовании | Испытания, визуальный контроль | ISO 13857 EN 349 |
A1.1.2 Если опасную ситуацию нельзя предотвратить, то следует устанавливать стационарные защитные ограждения, если не требуется доступ в опасную зону | EN 953, 3.2 |
A1.2 Сдавливание, разрезание, запутывание при доступе в рабочую зону | A1.2.1 При непрерывной системе транспортировки (валки, ролики, катки) предусматривать устройства защиты от сдавливания/запутывания, исключающие доступ рук в рабочую зону (установка между роликами блоков, исключающих сдавливание). Схематический пример см. на рисунке A.9 | ISO 13857 EN 349 |
A1.2.2 Если требуется частый доступ в рабочую зону (более одного раза в день), то для предотвращения опасной ситуации следует устанавливать перемещаемые ограждения с блокировкой | ISO 13857 EN 349 EN 953, 3.3 и 3.5 EN 1088 |
A1.2.3 В автоматическом режиме открытие блокируемых ограждений должно прекращать все текущие операции для предотвращения всех рисков в пределах рабочей зоны (см. соответствующую защитную функцию в таблице 2), например, отключать электропривод и опасные перемещения | Испытания, визуальный контроль, анализ документации | IEC 60204-1, 9.2.4 EN 1037 |
A1.2.4 Пока блокируемые ограждения остаются открытыми во всех режимах необходимо предотвращать неожиданный пуск (см. соответствующую защитную функцию в таблице 2) | EN 1037, 3.2 |
A1.2.5 Активация каких-либо датчиков не должна вызывать никаких иных опасных движений станка | |
| Механические опасности в пределах рабочей зоны | На ОЭО и системах, в которых предусматривается доступ всем телом в огражденное пространство (рабочую зону) (например, для очистки заготовки/электрода, наблюдения за ходом работы), следует предусмотреть снижение каких-либо опасных перемещений и/или действий (например, заполнение емкостей диэлектрической жидкостью) | Испытания, анализ документации | EN 1088, IEC 60204-1, 5.4 и 9.3.1 |
| A3.1 Механические опасности, вызываемые оборудованием для транспортировки (например, электродный магазин, устройства замены электрода/заготовки и др.) | A3.1.1 Доступ к опасным перемещениям магазина инструментов и/или заготовок следует предотвращать неподвижными ограждениями или блокирующими защитными ограждениями с фиксацией закрытия | Испытания, визуальный контроль | EN 953 EN 1088 ISO 13855 |
A3.1.2 Открытие ограждений устройств замены электрода/заготовки должно исключаться перемещениями автоматического устройства замены или магазина | |
A3.1.3 Перемещения устройств замены электрода/заготовки в режиме настройки допустимы только при условиях, упомянутых в 5.3.2.2 | ISO 13857 IEC 60204-1, 9.2.4 и 9.2.6 |
A3.1.4 При необходимости замены инструмента или перемещения магазина в процессе обработки открытие двери должно тормозиться блокирующим защитным ограждением с фиксацией закрытия | |
| Падающие или выбрасываемые предметы или жидкости | Ограждения должны обеспечивать удержание предсказуемых выбросов жидкости. Конструкция гидро- и пневмосистем должна соответствовать принятым нормам (например, для предотвращения падения давления) | EN 953 ИСО 413 ИСО 414 |
| Механические опасности из-за выброса жидкости из рабочего резервуара | Дверца(ы) рабочего резервуара должны быть надежно заперты во избежание случайного открытия | EN 1088 |
| A6.1 Поскальзывание, спотыкание, падение лиц (имеющих отношение к обработке) | A6.1.1 Если предусматривается жидкостная система, то конструкция емкости, содержащей диэлектрическую жидкость, не должна допускать утечку и разбрызгивание. Следует предусматривать нескользкие поверхности, особенно в зоне, куда требуется частый доступ (например, для удаления отходов и замены фильтров) | Испытания, визуальный контроль | |
A6.1.2 Такие средства необходимого доступа к работе на станке, как рукоятки и или педали должны иметь нескользкую поверхность | Визуальный контроль | ИСО 14122-1 ИСО 14122-2 ИСО 14122-3 |
A6.1.3 Рабочая инструкция должна включать требования к подходящей обуви [(см. перечисление b) 2) 6.3.2.2] и/или к местоположению нескользких поверхностей около станка | |
A7 | Механические опасности, вызываемые выходом из строя связанных с безопасностью частей системы управления | ОЭО и связанные с безопасностью части системы управления должны соответствовать уровню исполнения PLr, как определено в ISO 13849-1 | Испытания, анализ документации | ISO 13849-1 ISO 13849-2 IEC 60204-1, 9.4 |
A8 | Падение осевых суппортов из-за срабатывания предохранителя | Необходимо предусматривать средства предотвращения падения осевого суппорта из-за непреднамеренного сдвига конца направляющих | Испытания, визуальный контроль | |
| Неустойчивость оборудования в процессе сборки, установки, ввода в эксплуатацию | В Руководстве по эксплуатации и сборке оборудования должны быть четко обозначены: - места подвески для подъема; - масса; - способ перемещения | Анализ документации | |
B | Электрические опасности |
| Электрические опасности (основные требования) | Конструкция электрооборудования для ОЭО и систем должна исключать любого рода удары током, представляющие опасность для персонала | Визуальный контроль, анализ документации | IEC 60204-1 |
| B2.1. Контакт персонала с токоведущими частями | B2.1.1 Токоведущие части должны быть размещены в кожухах, обеспечивающих защиту от прямого контакта с персоналом. Степень защиты, обеспечиваемая кожухами, должна быть не менее IP2X или IPXXB по IEC 60529 | IEC 60204-1, 6.2.2 IEC 60529 |
B2.1.2 Кожухи, в которых заключены устройства управления (клавиатуры, станции переносного управления), должны быть защищены от внешних воздействий и окружающих условий, в которых предназначается работать оборудованию или системе (отходы обработки, диэлектрическая жидкость и т.д.). Степень защиты, обеспечиваемая кожухами или устройствами управления, должна быть не менее IP22 по IEC 60529 | IEC 60529 |
B2.1.3 Расположение и установка кожухов должны обеспечивать доступную и непрерывную связь с защитными цепями контурами в той мере, какую позволяет сопротивление их изоляции | IEC 60204-1 |
B2.1.4 Рабочая зона на станке или в системе, где в качестве инструмента используется электроэнергия, должна быть защищена ограждением с блокировкой, как это определено в 5.3.2 | EN 1088 |
B2.1.5 Открытие блокирующих защитных ограждений, защищающих токоведущие части, должно автоматически отключать энергию ЭЭО | EN 1088 IEC 60204-1 |
B2 | B2.1. Контакт персонала с токоведущими частями | B2.1.6 На ОЭО и в системах, где энергия электрического разряда используется в рабочей зоне для считывания позиции контактным датчиком, а такие операции допустимы только при закрытых ограждениях (см. 5.3.2.3) | | EN 1088 IEC 60204-1 |
B2.1.7 Для ОЭО и систем, в которых предусмотрен подъем рабочей площадки в процессе настройки разряда при открытых ограждениях, применимы требования 5.3.2.3 | | IEC 61558-1 |
| Контакт персонала с элементами, ставшими токоведущими по ошибке | Электрооборудование ОЭО и систем должно быть снабжено связанной с безопасностью схемой для предотвращения опасности для персонала в случае повреждения изоляции между токоведущими частями и частями из электропроводимых материалов | Испытания, измерения | ISO 60204-1, 5.2, 6.3.3, 8.2, 19.2 |
| Опасности, порождаемые электромагнитными возмущениями, вызывающими искажения в связанных с безопасностью частях системы управления | Конструкция ОЭО и систем должна обеспечивать (например, заземлением, экранированием, фильтрацией основного напряжения) иммунитет против электромагнитных возмущений в производственной среде в соответствии с правилами ЭМС. Примерную схему см. на рисунке A.1 и A.2 | Измерения | IEC 60204-1, 4.4.2 IEC 61000-6-2 IEC 61000-6-4 |
| Опасности, порождаемые электромагнитными возмущениями, вызывающими искажения в имплантах, присутствующих в теле человека | Низкочастотные электромагнитные возмущения, как и магнитные излучения, следует измерять на близком расстоянии по соответствующим стандартам. По результату, определяющему категорию эмиссии ОЭО, на самом оборудовании проставляется соответствующий символ | Измерения, анализ документации | CISPR 11 EN 62226-1 EN 62226-2 EN 62226-3 EN 62311 EN 12198-1 EN 12198-2 EN 12198-3 W005 и W006 |
| Неожиданный пуск | Следует применять надежный оперативный останов (см. 5.4.1) | Измерения, анализ документации | EN 1037 IEC 61800-5-2 |
C | Опасности, вызываемые шумом |
| Потеря слуха или другие физиологические нарушения | Конструкция ОЭО должна исключать как путем использования низкочастотных компонентов, так и путем использования средств ослабления шума | Измерения, анализ документации | ISO 3746 ISO 4871 ISO 11202 ISO 11688-1 |
D | Опасности, вызываемые материалами и веществами (их составными элементами), обрабатываемыми или используемыми в процессе обработки |
| Основные требования | Конструкция ОЭО должна исключать утечку, чтобы обеспечивать безопасное обращение с материалом в процессе работы и/или удаления диэлектрической жидкости, фильтров, жидкой грязи и других отходов | Испытания, визуальный контроль | |
D2 | Опасности, происходящие от контакта или вдыхания вредоносных газов, дыма или пыли | Конструкция ОЭО должна исключать контакт с вредоносной диэлектрической жидкостью. Пользователю должны предоставляться как часть ОЭО или систем средства, необходимые для подсоединения к локальным вытяжным системам (примерную схему см. на рисунке A.3) | Испытания и анализ документации | EN 626-1 |
D3 | Опасности контакта при отборе жидкости из рабочего резервуара | При наличии в рабочих емкостях диэлектрической жидкости запор дверец этих емкостей должен предотвращать их случайное открывание | Испытания, визуальный контроль | EN 1088 |
| Образование газов | Резервуары диэлектрической жидкости для ЭЭО оборудования должны комплектоваться устройствами, предотвращающими скопление опасных газов (например, естественной (через отверстия) или принудительной вентиляцией) | | |
D5 | Точка возгорания диэлектрической жидкости | Точка возгорания для ОЭО, использующего диэлектрическую жидкость, по крайней мере, 60 °C. Инструкцию по защите от возгорания для специальных случаев см. в приложении C | Анализ документации | |
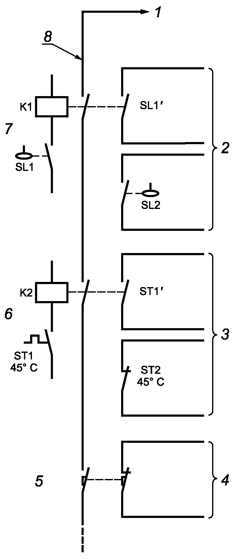
| Рост температуры | ОЭО, использующее огнеопасную диэлектрическую жидкость, должно иметь две независимые системы измерения ее температуры, отключающие энергию разряда, когда температура жидкости в резервуаре превысит 45 °C. В таком случае рост температуры должен быть обозначен схематически, как в примерах на рисунках A.5 и A.6. Инструкцию по защите от возгорания для специальных случаев см. в приложении C | Испытания и анализ документации | |
| Недостаточный уровень диэлектрической жидкости | Если используется огнеопасная диэлектрическая жидкость, то глубина, в которой происходит электроразряд, должна быть не менее 40 мм от поверхности жидкости. Это может достигаться, например, регулируемым сливом. Инструкцию по защите от возгорания для специальных случаев см. в приложении C | |
| Падение уровня диэлектрической жидкости | ОЭО, использующее огнеопасную диэлектрическую жидкость, должно иметь две независимые системы измерения ее уровня, отключающие энергию разряда, как только уровень жидкости в резервуаре упадет ниже допустимого. В таком случае падение уровня жидкости должно быть обозначено схематически, как на рисунках A.5 и A.6 | Испытания и анализ документации | |
D9 | Возгорание на поверхности жидкости из-за материалов, образующихся между электродом и заготовкой | ОЭО, использующее огнеопасную диэлектрическую жидкость, должно быть оборудовано датчиком, отключающим энергию электрообработки, если образование материалов превышает предел, допустимый для безопасности разряда. В таком случае показателем остановки обработки служит подъем электрода | Испытания | |
| Возгорание | ОЭО, использующее огнеопасную диэлектрическую жидкость, должно быть оборудовано системой обнаружения возгорания, отключающей подачу всякой энергии (например, электрической, гидравлической, пневматической) и перекрытием вытяжных систем. Активация этих систем должна обозначаться звуковыми и оптическими сигналами и обеспечена как сигналами общего автоматизированного пожаротушения, так и централизованной цепи пожарной сигнализации | Испытания, визуальный контроль и анализ документации | EN 2 EN 54-1 |
D11 | Огонь, распространяемый огнеопасными материалами, газами и жидкостями | ОЭО, использующее огнеопасную диэлектрическую жидкость, должно быть дополнительно оборудовано системами обнаружения возгорания, в конструкции которых особое внимание уделено предотвращению распространения огня (например, при обнаружении возгорания предотвращение начавшегося слива жидкости из резервуара, провоцирующего разбрызгивание огня при недостаточном ограждении). Все компоненты диэлектрической системы (резервуары, рабочие емкости, системы наполнения/ слива) должны изготовляться из невоспламеняемых материалов | Испытания, визуальный контроль, анализ документации | EN 2 |
| Опасности, порождаемые электромагнитными возмущениями, вызывающими выход из строя элементов, связанных с безопасностью частей системы управления | Конструкция связанных с безопасностью частей системы управления, отслеживающих температуру и уровень, должны быть невосприимчивы к электромагнитным возмущениям | Испытания, измерения | IEC 61000-6-2 IEC 60204-1, 4.4.2 |
E | Опасности, вызываемые недостатком и восстановлением энергии |
| Потеря подачи электроэнергии | В случае колебаний напряжения или недостаточности энергии ОЭО следует отключать. Во время недостаточной подачи энергии оборудование должно оставаться застопоренным. Набор характеристик надежности таких устройств, как: - системы крепления; - устройство замены электродов или заготовок; - емкость для хранения диэлектрической жидкости; - позиционирование осей; - система обнаружения возгорания должна поддерживаться как механическими средствами (пружиненными запорными устройствами), так и непрерывной подачей энергии (например, аккумуляторов или резервной подачей электроэнергии) | Испытания и анализ документации | IEC 60204-1, 7.5 |
| Падение давления | Если связанные с безопасностью функции базируются на гидравлической или пневматической системах, то ОЭО следует отключать в случае падения давления. Набор характеристик надежности таких устройств, как: - системы крепления; - устройство замены электродов или заготовок; - емкость для хранения диэлектрической жидкости; - позиционирование осей; - система обнаружения возгорания должен поддерживаться как механическими средствами (пружиненными запорными устройствами), так и непрерывной подачей энергии (например, батарейками и резервным энергоснабжением | | |
| Опасности из-за восстановления энергоснабжения | Для предотвращения опасных ситуаций для оператора и оборудования или процесса, например: - потеря позиции; - потеря данных после сбоя энергоснабжения, необходимо отслеживать и подтверждать комплекс характеристик функций безопасности, поскольку это позволяет восстановление автоматики | | |
F | Опасности, вызываемые пренебрежением принципами эргономики |
F1 | Пренебрежение принципами эргономики | Для предотвращения существенных эргономических опасностей конструкция ОЭО и систем должна полностью соответствовать требованиям эргономики | Анализ документации. Визуальный контроль | EN 614-1 EN 614-2 |
|
6 Информация для пользователей
Информация для использования касается связи между такими звеньями, как тексты, слова, знаки, сигналы, символы или схемы, применяемые либо по отдельности, либо в комбинациях с целью доведения информации до пользователя.
Все эти средства коммуникации должны соответствовать требованиям ISO 12100, 6.4.
Информация для использования должна отражать опасности, которые на протяжении жизненного цикла станка могут угрожать как оператору, так и другим лицам, имеющим доступ в опасную зону при условии использования станка по назначению, включая обоснованно прогнозируемое неправильное использование (см. ISO 12100, 3.24) как электроэрозионных станков с автоматическим режимом, так и действия по необходимому вмешательству (например, наладку/настройку и техническое обслуживание).
6.2 Маркировка, знаки и предупреждающие надписи
Маркировка должна соответствовать требованиям ISO 12100, 6.4.4 и IEC 61310-2.
Машины и механизмы должны нести на себе все маркировки, необходимые для:
a) их однозначной распознаваемости:
- коммерческое наименование и полный адрес производителя и полномочного представителя, если таковой имеется;
- обозначения "электроэрозионный станок";
- серия или тип станка;
- серийный номер, если имеется;
- год создания, каковым считается год, в котором завершено производство;
b) указания на их соответствие предписанным требованиям, например, указания по маркировке;
c) их безопасного использования:
- станок должен быть снабжен маркировкой, указывающей на остаточные риски (см.
[1]);
- если на ОЭО или в системе используется огнеопасная диэлектрическая жидкость, то окружающая зона должна быть маркирована символами предупреждающей информации (см.
[1]);
- если для предотвращения контакта кожи с отходами или другим вредоносными веществами используется персональное защитное оборудование (например, очки и перчатки), то это должно быть указано посредством установленных символов (см.
[1]).
6.3 Руководство по эксплуатации
6.3.1 Общие положения
Руководство по эксплуатации должно обеспечивать пользователя всей необходимой информацией относительно транспортировки, установки, работы, наладки/настройки, технического обслуживания, чистки, вывода из эксплуатации ОЭО и систем в соответствии с ISO 12100, 6.4.5.
6.3.2 Особые рекомендации по подготовке места для электроэрозионной обработки
6.3.2.1 Общие положения
Руководство по эксплуатации должно содержать напоминание пользователю о необходимости соблюдения правил для ОЭО относительно:
a) обращения с опасными веществами, возникающими в процессе обработки;
b) требований по охране окружающей среды, предъявляемых к выбросу в нее из систем удаления отработанного воздуха;
c) предотвращения возгорания, удаления отходов и особые требования к местоположению цепи управления обработкой;
d) предотвращения проникновения в грунт диэлектрической жидкости из-за ее капания, утечки и полной потери.
Информация по эксплуатации должна включать, в частности, следующее:
- устойчивость станка во время сборки, установки и вывода из эксплуатации (для этого дать описание точек подвески станка, его массу и пути перемещения);
- подтверждение соединений электрической, пневматической и гидравлической систем на основе инструкции по установке;
- подтверждение установки защитных мер;
- отключение надолго подачи электроэнергии в систему ЭЭО путем перевода главного выключателя в положение "обработку не активизировать";
- несмотря на то, что акустические шумы от ОЭО не считаются опасными, следует отметить то, что касается шумовой эмиссии, порождаемой воздухом, используемым в двух видах, описанных в ISO 4871;
- сведения о том, что поверхность, на которую устанавливается ОЭО, не должна быть скользкой.
6.3.2.2 Основная информация по безопасности
a) основная информация по безопасности включает следующее:
1) ОЭО и системы не должны эксплуатироваться во взрывоопасной или потенциально взрывоопасной среде;
2) пол вокруг ОЭО должен содержаться в нескользком состоянии, особенно при необходимости частого доступа к станку;
3) пространство вокруг ОЭО должно быть достаточным для производственного процесса, ухода и технического обслуживания;
4) производственный процесс на ОЭО в загрязненном воздухе должен исключаться посредством вытяжных систем, установленных потребителем (как это схематически показано на
рисунке A.3);
5) инструкция по диагностированию и/или поломкам с целью предотвращения вылета частей станка;
6) инструкция по сбросу давления с целью предотвращения остаточного давления в гидравлических или пневматических системах при проведении ухода, технического обслуживания, диагностирования и ремонта;
7) инструкция по перемещению, выгрузке и монтажу тяжелых деталей для поиска неполадок и ремонта;
8) инструкция по использованию вспомогательных устройств или других равноценных средств защиты для одноручных операций с целью предотвращения контакта оператора с опасной энергией электрического разряда в режиме настройки разряда;
9) инструкция по работе оператора с токоведущими частями в той мере, в какой энергия электрического разряда представляет особую опасность;
10) указание на необходимость иметь письменное разрешение на эксплуатацию ОЭО и систем;
11) инструкция по подъему и перемещению ОЭО и систем;
12) инструкция по регулярной проверке правильности функционирования систем ввода и удаления воздуха;
b) использование средств индивидуальной защиты:
1) изолированные перчатки;
2) обувь для работы на станке или вблизи него.
6.3.2.3 Технические условия на энергию
Определить:
a) вид подаваемой извне энергии (электрическая, гидравлическая, пневматическая);
b) вид заземления ОЭО;
c) расход энергии.
6.3.2.4 Технические условия на сжатый воздух
Определить:
a) информацию по качеству сжатого воздуха в соединении;
b) адекватную степень давления;
c) нужный расход.
6.3.2.5 Огнеопасная диэлектрическая жидкость
Информация должна включать рекомендации по использованию:
a) невоспламеняющихся материалов для подсоединения к внешним устройствам (например, к централизованным фильтрам и/или системам вытяжки отработанного воздуха);
b) экранов на связи с потребителем с целью предотвращения распространения горящей диэлектрической жидкости;
c) систем гашения огня, которые не повредят ОЭО или систему (например, исключить тушение огня водой, поскольку это может вызвать коррозию или распространение горящей диэлектрической жидкости);
d) дополнительных сведений о средствах тушения огня:
1) подходящий размер и местоположение пожарных стволов; оптимальное давление для средств пожаротушения;
2) технические условия взаимодействия датчиков обнаружения возгорания ОЭО с устанавливаемыми пользователем средствами пожаротушения;
3) электрический блок связи;
e) предосторожностей, имеющих целью предотвращение возгораний и/или взрывов посредством необходимых знаков или письменных предупреждений;
f) правил безопасности для минимизации опасности возгорания:
1) использование соответствующих типов огнеопасной диэлектрической жидкости с точкой воспламенения выше 60 °C (см.
приложение C для правил защиты от возгорания для особых местных случаев);
2) информация для пользователя о том, что воспламеняемые диэлектрические жидкости могут представлять опасность на отдельных операциях ОЭО и систем, и что при их использовании настоятельно требуется избегать и предотвращать неожиданные взрывоопасности;
3) устранение открытого огня и света;
4) особые предосторожности;
g) технических условий для взаимодействия системы охлаждения диэлектрической жидкости с электроэрозионным оборудованием, включая:
1) расход (скорость потока);
2) теплообменную емкость;
3) характеристики взаимодействия (интерфейса).
6.3.2.6 Опасные вещества
Информация должна включать:
a) возобновление окружающего воздуха в помещении с учетом:
1) вентиляции, требующейся для оздоровления окружающей среды;
2) устройства(в) рециркуляции воздуха;
b) технические условия подсоединения ОЭО к системе удаления отработанного воздуха, устанавливаемой пользователем (см.
рисунок A.3);
1) расход/скорость потока (минимальное и максимальное значения);
2) устройство(ва) рециркуляции воздуха;
c) электрическое соединение датчика тока воздуха с целью удостовериться, что ток воздуха прекращается в случае обнаружения возгорания;
d) характеристики типа и производительности осушительных установок в данном месте с целью предотвращения биологических опасностей.
6.3.2.7 Электромагнитные излучения (ЭМИ)
Информация должна устанавливать следующее:
a) металлические соединения внешних устройств таких, как система фильтрации, система удаления отработанного воздуха, проходящая сквозь защиту рассматриваемого оборудования и требующая электрического соединения с этой защитой;
b) в случае подсоединения к выступающему наконечнику в таком соединении, как описанное в п. a), нет необходимости.
6.3.3 Особые рекомендации по проведению электроэрозионной обработки
Производитель должен, в частности, снабдить пользователя следующей информацией:
a) по выбору между режимами наладки, настройки разряда и автоматическим режимом (то ли переключателем, то ли другими средствами выбора);
b) для всех категорий операторов, работающих на ОЭО и системах, соответственно;
c) пользователю для случая, когда операции по выбору режима не ограничены определенным уровнем оператора;
d) по обучению тех служб, которые эксплуатируют или осуществляют техническое обслуживание ОЭО и систем;
e) по организации функционирования ОЭО и систем без сопровождения;
f) по проведению процедур в период проверок (например, испытаний, очистки, регулировки, перемещений) с указанием их частоты (например, ежедневно, еженедельно, ежемесячно);
g) по перечислению всех действий, которые следует выполнять, и тех, которых следует избегать:
1) по установке наружного защитного оборудования (например, систем вытяжки отработанного воздуха, пожаротушения, вентиляции помещения и удаленных аварийных сигналов);
2) по защитной экипировке персонала (например, очкам, респираторным маскам) и соответствующей обуви (с нескользкой подметкой, устойчивой против диэлектрической жидкости);
3) по мерам персонального здоровья (например, мытью, кремам для рук);
4) по правилам безопасности, относящимся к электрическим рискам (например, помещению, условиям установки и проводки);
5) по периодам и порядку установки запасных частей;
h) по существующим или потенциальным опасностям, вызываемым отходами процесса ЭЭО, для которого предназначен данный станок (отходы, которые следует учитывать, включают используемые диэлектрические жидкости, смазки, фильтры, электроды, загрязнение резервуара, деионизированные смолы и изношенные детали);
i) по исключению загрязнений из-за протечек, перелива и несоответствующего дренажа;
j) по действующим правилам безопасности, имеющим целью предотвращение аварий, несчастных случаев (например, безопасный уровень диэлектрической жидкости не менее, чем на 40 мм выше наивысшей точки зоны разряда, отсутствие газовых карманов в полой заготовке);
k) по воспроизведению всех этикеток, знаков и письменных предупреждений, используемых на ОЭО;
l) по условиям, приводящим к включению защитных устройств:
1) возгоранию в рабочей емкости;
2) высокой температуре диэлектрической жидкости в рабочей емкости;
3) низкому уровню диэлектрической жидкости в рабочей емкости;
4) ненормальному отклонению электрода во время обработки;
m) характер и тип защитных устройств;
1) визуальное;
2) звуковое;
3) наружная/удаленная сигнализация, включая характеристики интерфейса;
4) аварийная остановка;
5) блокировка;
n) по выполнению соответствующих действий, вручную или автоматически, при появлении предупредительных или аварийных сигналов:
1) выведению в нерабочее состояние электроэнергию для ОЭО и систем;
2) закрытию каналов удаления отходов;
3) закрытию клапанов регулировки жидкости;
4) использованию огнетушителей и т.д.
o) по использованию запчастей.
6.3.4 Шум
Необходимо обеспечить пользователя следующей информацией по шумовой эмиссии, порождаемой воздухом, а именно указать рабочие места, где:
a) A-уровень звукового давления превышает 70 дБ(A), а также те, где этот показатель не превышает 70 дБ(A);
b) имеет место наивысший C-уровень значения кратковременного звукового давления, превышающего 63 Па (130 дБ относительно 20 мкПа);
c) мощность звука, испускаемого станком, порождает звуковое давление, величина которого соответствует A-уровню, а именно превышает 80 дБ(A).
Эти величины характерны как для фактических измерений сомнительных машин и механизмов, так и для установленных по результатам измерений аналогичных машин и механизмов, которые могут служить образцом для вновь производимой продукции.
Каждый раз, когда указаны значения шумовой эмиссии, следует определить погрешности измерения.
Следует описывать производственные условия, в которых производились измерения, и используемый метод измерения.
Необходимо указывать местоположение и величину максимального звукового давления.
Декларация должна сопровождаться справкой об использованном методе измерения, производственных условиях во время испытания и величине погрешности K. Согласно ISO 4871 эта декларация должна оформляться в двух видах.
(справочное)
ПРИМЕРЫ СТАНКОВ И СХЕМЫ ДЕЙСТВИЯ ИХ СИСТЕМ
Примеры станков и схемы действия их систем приведены на
рисунках A.1 -
A.9.
Обозначения:
1 - обрабатывающая головка;
2 - стойка станка;
3 - устройство удаления отработанного воздуха;
4 - держатель электрода;
5 - электрический шкаф (генератор);
6 - переносной пульт управления;
7 - станина;
8 - рабочая жидкость;
9 - система охлаждения;
10 - рабочий стол;
11 - контейнер для огнеопасной рабочей жидкости;
12 - датчик пожарной опасности;
13 - экранирование рабочей зоны (сетка Фарадея) (защиту от прямого контакта можно комбинировать с электромагнитной сеткой)
Рисунок A.1 - Экранирование электромагнитной сеткой,
пожаротушение и удаление отработанного воздуха.
Схематический пример экранирования рабочей зоны
Обозначения:
1 - кожух станка с сеткой Фарадея;
2 - стойка станка;
3 - устройство удаления отработанного воздуха;
4 - держатель электрода;
5 - переносной пульт управления;
6 - электрический шкаф (генератор);
7 - рабочий стол;
8 - система охраны дверцы;
9 - станина станка;
10 - контейнер для огнеопасной рабочей жидкости;
11 - рабочий резервуар;
12 - датчик пожарной опасности;
13 - обрабатывающая головка
Рисунок A.2 - Экранирование электромагнитной сеткой,
пожаротушение и удаление отработанного воздуха.
Схематический пример экранирования ОЭО
Обозначения:
1 - производитель;
2 - пользователь;
3 - устройство удаления отработанного воздуха;
4 - соединительное устройство;
5 - система удаления отработанного воздуха;
6 - устройство отсоса воздуха;
7 - датчик потока воздуха;
8 - сигнал на прекращение обработки, когда поток воздуха недостаточен;
9 - контейнер для огнеопасной рабочей жидкости
Информация для пользователя:
- минимальная и максимальная величина воздушного потока (м3/час);
- соединительный диаметр вытяжной системы (мм);
- электрический интерфейс датчика потока воздуха
Рисунок A.3 - Система вытяжки отработанного воздуха
(схема взаимодействия)
Обозначения:
1 - средство пожаротушения;
2 - зона ответственности пользователя;
3 - зона ответственности производителя;
4 - система удаления отработанного воздуха;
5 - устройство отсоса воздуха;
6 - затворный клапан (барьер);
7 - аварийный пуск;
8 - пусковое устройство;
9 - сигнал удаления возгорания;
10 - устройство обнаружения возгорания;
11 - устройство обнаружения возгорания;
12 - сигнал остановки обработки (может использоваться для прекращения подачи любой энергии к станку;
13 - электрический шкаф (генератор);
14 - рабочая емкость с огнеопасной диэлектрической жидкостью;
15 - распылитель (разбрызгиватель);
16 - сопло (форсунка);
17 - датчик обнаружения огня;
18 - обрабатывающая головка;
19 - сигнал локального возгорания.
Выходные сигналы:
a - для дополнительного затворного клапана;
b - включения дополнительных устройств автоматического тушения огня;
c - удаленного возгорания
Рисунок A.4 - Система обнаружения возгорания
(схема взаимодействия)
Обозначения:
1 - первая коммутационная схема: полная остановка машины;
2 - вторая коммутационная схема: состояние холостого хода;
3 - электрод;
4 - заготовка;
5 - оси;
6 - блокировка ограждений;
7 - мониторинг уровня и температуры диэлектрической жидкости;
8 - интерфейс оператора с функциями оперативной остановки;
a - станок вкл/выкл;
b - аварийная остановка;
c - обнаружение возгорания;
d - электроэнергия обработки;
e - движение
Устройство слежения за открытием защитных ограждений, недостатком уровня или температуры диэлектрической жидкости должно останавливать движение и подачу электрической энергии, приводя станок в нерабочее состояние при сообщениях об отклонениях.
Рисунок A.5 - Пример коммутационных схем для функций
безопасности ОЭО
1 - сигнал остановки станка (механической);
2 - сигнал остановки станка (программной) и сообщение об отклонении уровня (SL1, SL2) (программной);
3 - сигнал остановки станка и сообщение об отклонении температуры (ST1, ST2) (программный);
4 - сообщение об открытии защитных ограждений (программное);
5 - мониторинг ограждений;
6 - мониторинг и температуры диэлектрической жидкости;
7 - мониторинг уровня диэлектрической жидкости;
8 - контур безопасности (механический)
Примечание 1 - Устройство контроля температуры диэлектрической жидкости можно размещать в том месте, где оно фиксирует наивысший показатель.
Примечание 2 - Реле K1 и K2 снабжены эффективно проводящими рубильниками.
Примечание 3 - Действие (открытие) пеленгаторов шума SL1' и SL2 контролируется все время, пока опустошается рабочая емкость. Если хотя бы одно из этих устройств не в состоянии работать, то невозможно включать энергию электроэрозионной обработки (ISO 13849).
Примечание 4 - Контакты устройств SL1'/SL2, как и ST1'/ST2, отслеживаются на предмет обнаружения неполадок в соответствии с ISO 13849-2, 6.2.4.
Рисунок A.6 - Пример многообразия мониторинга уровня
и температуры огнеопасной диэлектрической жидкости
Обозначения:
1 - сигнал локального возгорания;
2 - детектор возгорания;
3 - электрический шкаф (генератор);
4 - экранированное защитное ограждение с блокировкой;
5 - устройство линейной замены электрода
Рисунок A.7 - Станок для гравировки штампов с линейной
заменой электродов
Обозначения:
1 - сигнал локального возгорания;
2 - детектор возгорания;
3 - электрический шкаф (генератор);
4 - подвесной пульт управления роботом;
5 - робот;
6 - защитное ограждение с блокировкой;
7 - стационарное защитное ограждение
Рисунок A.8 - Станок для гравировки штампов,
оснащенный роботом
Обозначения:
1 - экранированный корпус с дверью(ями);
2 - катушка подачи проволоки;
3 - проволочный электрод;
4 - вывод проволоки;
5 - электрический шкаф (генератор);
6 - обрабатываемая деталь;
7 - нижняя направляющая проволоки;
8 - верхняя направляющая проволоки;
9 - блокируемое защитное ограждение;
10 - стационарное защитное ограждение
Рисунок A.9 - Станок для резки проволоки
(обязательное)
ИЗМЕРЕНИЕ ШУМОВОЙ ЭМИССИИ
Производственные условия для измерения шумовой эмиссии должны включать:
a) холостой ход;
b) подготовку рабочего процесса (например, позиционирование осей, проверку программы, проверку наполнения рабочей емкости, протягивания проволоки);
c) проведение процессов ЭЭО в наиболее неподходящих условиях, т.е. слабеющего гравирования при падении мощности, высокоскоростной резки проволоки, резки под высоким давлением жидкости и других видах обработки, при которых оборудование издает акустический шум;
d) действие устройств автоматической замены электродов или заготовки.
Условия установки и работы оборудования следует приводить в соответствие с инструкцией производителя по определению уровня звукового давления шумовой эмиссии оборудования.
Уровень звукового давления шумовой эмиссии оборудования следует измерять, пользуясь ISO 11202 с учетом следующих факторов:
- показатель окружающей среды K2A должен быть равен или менее 4 дБ;
- разность между фоновым уровнем звукового давления и уровнем звукового давления, производимого оборудованием, в каждой точке измерения должна быть равна или более 6 дБ.
Следует декларировать измеренную шумовую эмиссию, порождаемую воздухом с указанием использованных методов измерения и производственных условий во время испытания, как и значений показателя неточности K (см. ISO 4871).
Декларация по шуму должна сопровождаться следующим заявлением:
"Предметом нормирования являются уровни эмиссии и необязательно уровни безопасной работы. Соотношение между эмитируемыми и ощущаемыми уровнями не может надежно использоваться для определения, потребуются или нет дальнейшие меры предосторожности. Факторы, которые влияют на фактический уровень выдержки рабочего контингента, включают свойства рабочего помещения, других источников шума и т.д., например, количество станков и других смежных процессов, а также продолжительность периода, в котором оператор подвергается воздействию шумовой эмиссии. К тому же допустимый уровень воздействия может меняться от страны к стране. Однако эта информация облегчает пользователю оборудования лучше оценивать опасности и риски".
При необходимости определения уровня звуковой мощности, как и уровня звукового давления шумовой эмиссии, следует действовать в соответствии с ISO 3746, предприняв действия, описанные выше.
(справочное)
ЗАЩИТЫ ОТ ВОЗГОРАНИЯ ДЛЯ ОСОБЫХ РЕГИОНАЛЬНЫХ СЛУЧАЕВ
C.1 Правила защиты от возгорания
C.1.1 Общие положения
В том случае, когда в регионе есть действующие национальные стандарты или правила, касающиеся пожароопасности, им следует отдать предпочтение.
C.1.2 Цель
Правила защиты от возгорания служат цели предотвращения опасности возгорания, имеющей место при ЭЭО, и обеспечения безопасности оператора при пользовании соответствующими отраслевыми и региональными стандартами, разъясняющими, как правильно эксплуатировать станок.
C.1.3 Применение
Правила защиты от возгорания должны применяться к тому оборудованию для ЭЭО, в котором используется огнеопасная диэлектрическая жидкость.
C.1.4 Соотношение правил защиты от возгорания с настоящим стандартом
Отраслевые или региональные правила защиты от возгорания не должны противоречить настоящему стандарту.
C.2 Отраслевые или региональные стандарты
C.2.1 Диэлектрическая жидкость и резервуары для ее содержания
a) диэлектрическая жидкость, применяемая для ЭЭО, должна иметь точку воспламенения равную или более 70 °C;
b) резервуар для хранения диэлектрической жидкости должен изготавливаться из стали, имеющей толщину, равную или более 3,2 мм или из металла, имеющего такую же или большую прочность. Он не должен пропускать воздух и допускать течь или повреждение при испытании на водопроницаемость;
c) трубы, соединяющие резервуар для хранения диэлектрической жидкости с рабочей емкостью, должны быть изготовлены из металла и выдерживать испытания на водопроницаемость при давлении, равном или превышающем в 1,5 раза обычно используемое максимальное давление.
C.2.2 Оборудование для каждого из средств защиты
a) датчик температуры диэлектрической жидкости: предусмотренная конструкцией температура должна быть не более 60 °C. В том случае, если показания превышают это значение, то процесс обработки следует останавливать;
b) датчик уровня диэлектрической жидкости: уровень жидкости в рабочей емкости должен устанавливаться в соответствии с высотой заготовки. В том случае, если показания уровня опускаются ниже соответствующего значения, то процесс обработки следует останавливать;
c) датчик аномалий в процессе обработки: в случае расширения карбидного электрода процесс обработки следует останавливать.
C.2.3 Автоматическая система пожаротушения
Автоматическая система пожаротушения должна не только обнаруживать возгорание, вызванное диэлектрической жидкостью, распылять гасящее вещество по всей рабочей емкости и гасить огонь, но и отключать энергию для ЭЭО, останавливать насосы для подачи диэлектрической жидкости и давать звуковой сигнал тревоги.
Датчики и материалы для гашения должны иметь следующие свойства:
a) ощущать температуру или пламя. Если используется система, чувствительная к температуре, то ее начало отсчета соответствует рабочей температуре равной или меньше 75 °C;
b) материалы для тушения возгорания должны обладать способностью и скоростью, достаточными для тушения горящего масла, и предотвращать повторное возгорание.
Предельные значения показателей приведены в таблице C.1.
Таблица C.1
Предельные значения показателей
Предельное значение температуры окружающей среды <= 35 °C | Настоящий стандарт |
Точка воспламенения диэлектрической жидкости | > 60 °C (+15°) |
Показатель температуры диэлектрической жидкости | < 45 °C |
Показатель уровня диэлектрической жидкости | > 40 мм |
Показания датчика температуры системы пожаротушения | - |
C.2.4 Маркировка
a) к оборудованию по ЭЭО должна быть прикреплена табличка с указаниями по обеспечению безопасности, включающими:
1) точки и методы для ежедневной проверки;
2) меры по исключению прямого электрического удара (места, которых не следует касаться и т.д.);
3) типы и объемы (уровни) диэлектрической жидкости; предосторожности против утечки жидкости;
4) необходимые указания по безопасности в процессе обработки;
b) инструкция по эксплуатации должна содержать следующие описания:
1) приложение по установке ОЭО с учетом статистических данных о возгорании в месте установки;
2) параграфы, перечисленные в C.3.
C.3 Нормированные (стандартные) действия
C.3.1 Общие положения
При эксплуатации ОЭО должны соблюдаться требования, приведенные ниже.
C.3.2 Тип и уровень диэлектрической жидкости
a) следует применять диэлектрическую жидкость, точка воспламенения которой равна или более 70 °C;
b) уровень диэлектрической жидкости должен быть как можно выше, как минимум на 50 мм выше верхней поверхности заготовки.
C.3.3 Оборудование для каждой защитной меры и действия
При эксплуатации ОЭО пользователь должен быть обеспечен оборудованием, перечисленным в
C.2: датчиками температуры и уровня диэлектрической жидкости, аномального процесса обработки, системой автоматического пожаротушения. У станков, снабженных таким оборудованием, эти единицы не следует изымать или изменять.
Информация по функциям оборудования и мерам предосторожности при работе на нем следующая:
a) датчики температуры диэлектрической жидкости должны немедленно останавливать процесс обработки, если этот показатель превышает величину, обусловленную конструкцией, а именно 60 °C;
b) датчики уровня диэлектрической жидкости должны немедленно останавливать процесс обработки, если этот показатель превышает величину, обусловленную конструкцией, а именно не превышает высоту обрабатываемой заготовки как минимум на 50 мм;
c) датчики аномального хода процесса обработки должны немедленно его останавливать, если что-то происходит с карбидом и начинает увеличиваться расстояние между электродом и заготовкой;
d) автоматическая система пожаротушения должна не только реагировать на воспламенение диэлектрической жидкости, но и распылять/разбрызгивать средства гашения по всей рабочей емкости. Местоположение, направление и/или другие условия для распыляющей/разбрызгивающей форсунки должны быть неизменными.
C.3.4 Техническое обслуживание и контроль
a) в порядке контроля (ежедневной проверки) до начала работы необходимо проверить следующее:
1) шум, вибрацию, давление и т.д. резервуара диэлектрической жидкости;
2) объем, уровень, температуру и утечку диэлектрической жидкости;
3) условия крепления электрода и заготовки;
4) подтверждение функционирования каждой единицы средств безопасности;
b) для периодических проверок (один раз в полгода, в год, в пять лет):
1) функции датчиков температуры диэлектрической жидкости должны подтверждаться при температуре, предусмотренной конструкцией, более чем один раз в полгода;
2) периодическую проверку автоматической системы пожаротушения желательно выполнять как следует, потому что соответствующее техническое обслуживание особенно необходимо чаще, чем один раз в:
i) полгода для внешнего вида (например, повреждения распылительного сопла, труб, датчиков, проводов);
ii) год для функционального контроля;
iii) пять лет для детальной проверки (например, замены гасящего материала (например, порошка или пены).
C.3.5 Условия окружающей среды для работы
Окружающую среду для работы ОЭО следует всегда поддерживать как можно более чистой и выполнять следующее:
a) особое внимание уделять объектам, связанным с огнем или высокой температурой таким, как обогреватели, сварочные машины и шлифовальные станки;
b) должно быть достаточное удаление отработанного воздуха;
c) огнетушитель(и) на ОЭО, использующем огнеопасную диэлектрическую жидкость, должен(ы) быть оборудован(ы) автоматической системой обнаружения и тушения возгорания.
C.3.6 Особое внимание, которое должно быть уделено процессу обработки
a) не допускается ЭЭО заготовки, не погруженной в диэлектрическую жидкость, потому что это может спровоцировать возгорание (см.
рисунок C.1)
b) внимание к обработке вблизи поверхности жидкости: особое внимание следует уделять способу крепления и местоположению зажимного приспособления, чтобы не возникало искр вблизи поверхности жидкости; уровень жидкости следует поддерживать на высоте не менее 50 мм над верхней поверхностью заготовки (см.
рисунки C.2,
C.3 и
C.8)
c) мониторинг автоматической обработки следует устраивать, чтобы иметь персонал, который в состоянии предпринимать соответствующие действия по предотвращению опасности возгорания в целях безопасности процесса автоматической обработки, независимо от вида имеющихся средств безопасности. Далее приводятся примеры фактических опасностей возгорания, связанных с ОЭО, использующим огнеопасную диэлектрическую жидкость, и не должно быть никаких проблем с этим процессом при следующих условиях:
1) возгорание при обработке заготовки, не погруженной в жидкость;
2) обработка заготовки, высота которой не соответствует глубине рабочей емкости;
3) обработка заготовки на недостаточной глубине, невзирая на то, что объем рабочей емкости вполне удовлетворителен;
4) разряд между электродом и устройством крепления заготовки; разряд в неожиданной зоне или вблизи поверхности жидкости;
5) разряд между плохо защищенным силовым кабелем и устройством крепления заготовки;
6) разряд между электродом и зажимным устройством, из которого он выпадает;
7) разряд у поверхности диэлектрической жидкости, где имеет место расширение карбида из-за аномального разряда;
8) непреднамеренное понижение уровня диэлектрической жидкости;
9) разряд между электродом и разбрызгивающей форсункой (соплом).
C.3.7 Примеры риска возгорания в процессе ЭЭО
Примечание - Рисунки от
C.1 до
C.9 представляют возможные опасные ситуации. Предпочтительно особое внимание уделять предотвращению возгорания.
C.3.7.1 Опасная зона N 1
Электрод, брызгающая по сторонам форсунка (сопло) и рабочий стол. Опасный риск: возгорание во время обработки заготовки, оставшейся не погруженной из-за вытекания диэлектрической жидкости (рисунок C.1).
Обозначения:
1 - электрод;
2 - заготовка, не погруженная в диэлектрическую жидкость;
3 - рабочий стол;
4 - эжектор, подающий жидкость
Рисунок C.1 - Опасная зона N 1
C.3.7.2 Опасная зона N 2
Уровень диэлектрической жидкости. Опасный риск: обработка заготовки, высота которой не соответствует глубине рабочей емкости. Уровень диэлектрической жидкости должен быть на 50 мм выше над поверхностью заготовки (рисунок C.2).
Обозначения:
1 - диэлектрическая жидкость не покрывает заготовку
Рисунок C.2 - Опасная зона N 2
C.3.7.3 Опасная зона N 3
Уровень диэлектрической жидкости. Опасный риск: обработка при недостаточной глубине диэлектрической жидкости, несмотря на то, что объем рабочей емкости вполне удовлетворителен (рисунок C.3).
Обозначения:
1 - недостаточный уровень диэлектрической жидкости
Рисунок C.3 - Опасная зона N 3
C.3.7.4 Опасная зона N 4
Устройство крепления заготовки. Опасный риск: разряд между электродом и зажимом заготовки. Разряд в непредвиденной зоне вблизи поверхности диэлектрической жидкости (рисунок C.4).
Обозначения:
1 - зажим заготовки;
2 - электрод
Рисунок C.4 - Опасная зона N 4
C.3.7.5 Опасная зона N 5
Силовой кабель. Опасный риск: разряд между силовым кабелем с нарушенной изоляцией и зажимом заготовки (рисунок C.5).
Обозначения:
1 - силовой кабель
Рисунок C.5 - Опасная зона N 5
C.3.7.6 Опасная зона N 6
Зажим электрода на своем держателе. Опасный риск: разряд между электродом и его держателем всякий раз, как электрод выпадает из зажима (рисунок C.6).
Обозначения:
1 - держатель электрода;
2 - электрод;
a - монтаж электрода с его держателем неудовлетворителен (риск разряда между ними)
Рисунок C.6 - Опасная зона N 6
C.3.7.7 Опасная зона N 7
Расширение карбида. Опасный риск: искрение у поверхности диэлектрической жидкости при аномальном электрическом разряде (рисунок C.7).
Обозначения:
a - расширение карбида (риск возгорания на поверхности диэлектрической жидкости)
Рисунок C.7 - Опасная зона N 7
C.3.7.8 Опасная зона N 8
Недостаточный уровень диэлектрической жидкости. Опасный риск:
Непреднамеренное понижение уровня диэлектрической жидкости (рисунок C.8).
Обозначения:
| | ИС МЕГАНОРМ: примечание. Текст дан в соответствии с официальным текстом документа. | |
1 - капли диэлектрической жидкости;
2 - утечка диэлектрической жидкости может спровоцировать неожиданное понижение ее уровня
Рисунок C.8 - Опасная зона N 8
C.3.7.9 Опасная зона N 9
Электризация работающего эжектора. Опасный риск: разряд между электродом и эжектором (рисунок C.9).
Обозначения:
1 - действующий эжектор;
2 - электрод
Рисунок C.9 - Опасная зона N 9
C.4 Произвольное испытание водопроницаемости
C.4.1 Испытуемые устройства
Испытанию на водопроницаемость должны подвергаться следующие устройства:
a) резервуар из листового металла для содержания диэлектрической жидкости, используемой в оборудовании и системах для ЭЭО;
b) резервуар емкостью менее 2000 л (резервуар емкостью равной или более 2000 л удовлетворяет требованиям, установленным Правилами предотвращения возгорания).
C.4.2 Процедура испытания
a) испытание следует проводить после завершения сварки всех элементов с резервуаром, но до его покрытия/окраски;
b) резервуар следует полностью залить водой, выдержать 10 минут, затем посредством осмотра проверить, нет ли протечки;
c) далее, провести визуальный контроль резервуара на протекание, используя простукивание молотком сварных швов по всей длине.
C.4.3 Определение
Резервуар считается выдержавшим испытание, если в нем не обнаружено никаких протечек, описанных в
C.4.2.
C.4.4 Отчет о результатах испытания и хранение
Производитель должен записать и хранить как результаты добровольной проверки на водопроницаемость следующие пункты:
a) документальное описание испытания:
1) метод испытания;
2) давление во время испытания (атмосферное);
3) емкость резервуара (см.
C.4.5.3);
4) размер резервуара (наибольшие внутренние размеры резервуара из листового металла: длина, ширина и высота);
5) материал резервуара и его толщина;
6) дата испытания;
7) номер серии; можно использовать любой номер, который распознает испытуемый резервуар. Этот же номер следует указывать на "этикетке" или "сертификате", подтверждающих, что резервуар прошел добровольное испытание на водопроницаемость;
8) наименование компании или корпорации, ответственных за проведение испытания;
9) паспортные данные лица - непосредственного исполнителя испытания;
b) размер и формат описания испытания - произвольный.
C.4.5 Информация, которая должна содержаться на этикетке и/или в сопроводительном документе
Этикетка или сопроводительный документ к резервуару должны содержать следующие материалы, относящиеся к добровольному испытанию на водопроницаемость:
a) этикетка, подтверждающая проведение добровольного испытания на водонепроницаемость должна прикрепляться к самому резервуару;
b) сертификат на проведение добровольного испытания на водонепроницаемость должен использоваться как сопроводительный документ к ОЭО;
c) результат расчета емкости резервуара должен прилагаться к сертификату на проведение добровольного испытания на водонепроницаемость;
d) чертеж резервуара из листового металла прилагается к сертификату о проведении добровольного испытания на водонепроницаемость.
C.4.5.1 Этикетка, подтверждающая проведение испытания на водонепроницаемость
Этикетка свидетельствует о том, что резервуар выдержал испытание на водонепроницаемость. Этикетка должна прикрепляться к самому резервуару.
a) содержание такой этикетки:
1) метод испытания;
2) давление во время испытания (атмосферное);
3) емкость резервуара;
4) дата испытания;
5) номер серии; можно использовать любой номер, который распознает испытуемый резервуар. Этот же номер следует указывать на "этикетке" или "сертификате", подтверждающих, что резервуар прошел добровольное испытание на водопроницаемость;
6) наименование компании;
b) материал этикетки должен быть устойчив к масляной среде;
c) этикетка, свидетельствующая о прохождении испытания на водопроницаемость, должна быть прикреплена к резервуару способом, сохраняющим устойчивость к масляной среде.
C.4.5.2 Сертификат о проведении добровольного испытания на водонепроницаемость
Сертификат о проведении добровольного испытания на водонепроницаемость должен подготавливаться для документа, устанавливающего ответственность пользователя ОЭО или системами для предотвращения местного возгорания. Он должен прилагаться к ОЭО и системам или к резервуару для хранения диэлектрической жидкости.
a) документальное описание испытания:
1) метод испытания;
2) давление во время испытания (атмосферное);
3) емкость резервуара;
4) размер резервуара;
5) материал резервуара и его толщина;
6) дата испытания;
7) номер серии; можно использовать любой номер, который распознает испытуемый резервуар. Этот же номер следует указывать на "этикетке" или "сертификате", подтверждающих, что резервуар прошел добровольное испытание на водопроницаемость;
8) наименование компании;
b) сертификат следует выполнять в формате A4.
C.4.5.3 Результат расчета емкости резервуара
Результат расчета емкости резервуара должен прилагаться к сертификату о проведении добровольного испытания на водонепроницаемость, поскольку он подлежит указанию на этикетке и в сертификате.
a) емкость резервуара вычисляется следующим образом:
1) рабочая емкость резервуара равна его полной емкости за вычетом необходимого свободного пространства;
2) максимальная величина внутреннего объема резервуара (произведение длины на ширину и на высоту) записывается как объем резервуара;
3) полная емкость резервуара определяется при условии его заполнения водой на 100% и рассчитывается по его внутреннему объему;
4) свободная емкость равна полной емкости за вычетом рабочей емкости;
5) отношение результат деления величины свободной емкости на величину полной емкости, умноженный на 100, представляет их пропорцию и должен составлять от 5% до 10%;
b) результат выполненного расчета должен быть представлен в формате A4.
C.4.5.4 Чертеж резервуара
Рисунок или чертеж резервуара из листового металла следует прилагать к сертификату о проведении добровольного испытания на водонепроницаемость, поскольку он является базой для расчета емкости резервуара.
Размер и формат чертежа резервуара - произвольный.
(справочное)
ПО ОЦЕНКЕ РИСКА ПРИ ИСПОЛЬЗОВАНИИ ОБОРУДОВАНИЯ И СИСТЕМ
ДЛЯ ЭЭО С ЦЕЛЬЮ ОПРЕДЕЛЕНИЯ ТРЕБУЕМОГО УРОВНЯ ЭФФЕКТИВНОСТИ
ЗАЩИТЫ, А, ПРИ НЕОБХОДИМОСТИ, И КАТЕГОРИИ ИСПОЛНЕНИЯ
D.1 Оценка частоты и воздействия потенциальных опасностей
Производитель должен проверить, случались ли предсказуемые опасности в прошлом на ранее произведенном ОЭО или системах для ЭЭО, распознать частоту (от маловероятной до частой). Затем оценить потенциальные опасности для проектируемого оборудования и соответственно пополнить массив данных. Если полученный результат попадает в темно-серую зону
(рисунок D.1), то такие опасности неприемлемы и ответственному лицу вменяется в обязанность рассмотреть техническое решение и индифицировать частоту событий в соответствии с
ГОСТ ISO 12100. Рассмотренное решение следует снова проверить, чтобы убедиться, что ожидаемое снижение риска выходит за пределы темно-серой зоны (рисунок D.1).
Рисунок D.1 - Оценка частоты и воздействия
потенциальных опасностей
D.2 Определение требуемого уровня эффективности защиты (PLr), необходимого для предотвращения потенциальных опасностей
Необходимо убедиться, что распознанные риски попадают ниже темно-серой зоны
(рисунок D.2), распознать требуемый уровень эффективности защиты (PL
r) для всех клеток бледно-серой зоны - от "часто" (чему соответствует "незначительное повреждение") до "маловероятно" (чему соответствует "опасность для жизни") (рисунок D.2).
Рисунок D.2 - Определение требуемого уровня эффективности
защиты (PLr), необходимого для предотвращения
потенциальных опасностей
D.3 Определение величины среднего времени наработки на опасный отказ (MTTFd) и прогнозируемого среднего диагностического охвата (DCavg)
Определить величину среднего времени наработки на опасный отказ (MTTF
d) наличных компонентов, насколько позволяет диагностический диапазон системы управления, прогнозируемый средний диагностический охват (DC
avg), а, при необходимости, требуемый уровень эффективности защиты (PL
r), как показано на рисунке 5 ISO 13849-1
(рисунок D.3).
PL - уровень эффективности защиты;
1 - MTTFd каждого канала - низкое;
2 - MTTFd каждого канала - среднее;
3 - MTTFd каждого канала - высокое
Рисунок D.3 - Определение величины среднего времени
наработки на опасный отказ (MTTFd) и прогнозируемого
среднего диагностического охвата (DCavg)
(справочное)
СВЕДЕНИЯ О СООТВЕТСТВИИ ССЫЛОЧНЫХ МЕЖДУНАРОДНЫХ СТАНДАРТОВ
МЕЖГОСУДАРСТВЕННЫМ СТАНДАРТАМ
Таблица ДА.1
Обозначение ссылочного международного стандарта | Степень соответствия | Обозначение и наименование соответствующего межгосударственного стандарта |
ISO 3746 | MOD | ГОСТ 31277-2002 (ИСО 3746). "Шум машин. Определение уровней звуковой мощности источников шума по звуковому давлению. Ориентировочный метод с использованием измерительной поверхности над звукоотражающей плоскостью" |
ISO 4413 | - | |
ISO 4414 | - | |
ISO 4871 | MOD | ГОСТ 30691-2001 (ИСО 4871-96) "Шум машин. Заявление и контроль значений шумовых характеристик" |
ISO 11202 | MOD | ГОСТ 31169-2003 (ЕН ИСО 11202-95) "Шум машин. Измерение уровней звукового давления излучения на рабочем месте и в других контрольных точках. Ориентировочный метод измерений на месте установки" |
ISO 11688-1 | - | |
ISO 12100-2010 | IDT | ГОСТ ИСО 12100-2013 "Безопасность машин. Основные принципы конструирования. Оценки риска и снижения риска" |
ISO 13849-1:2006 | IDT | ГОСТ ИСО 13849-1-2014 "Безопасность оборудования. Элементы систем управления, связанные с безопасностью. Часть 1. Общие принципы конструирования" |
ISO 13849-2:2003 | - | |
ISO 13850 | - | |
ISO 13855 | IDT | ГОСТ ИСО 13855-2006 "Безопасность оборудования. Расположение защитных устройств с учетом скоростей приближения частей тела человека" |
ISO 13857:2008 | IDT | ГОСТ ISO 13857-2012 "Безопасность машин. Безопасные расстояния для предохранения верхних и нижних конечностей от попадания в опасную зону" |
ISO 14118 | - | |
ISO 14122-1 | - | |
ISO 14122-2 | - | |
ISO 14122-3:2001 | - | |
IEC 60204-1:2009 | - | |
IEC 60529 | - | |
IEC 61000-6-2 | - | |
IEC 61000-6-4:2005 | - | |
IEC 61310-1 | - | |
IEC 61310-2 | - | |
IEC 61558-1 | - | |
IEC 61800-5-2:2007 | - | |
EN 2 | - | |
EN 54-1 | - | |
EN 349 | - | |
EN 614-1 | - | |
EN 614-2 | - | |
EN 626-1 | - | |
EN 953:2009 | IDT | ГОСТ ЕН 953-2014 "Безопасность машин. Защитные устройства. Общие требования по конструированию и изготовлению неподвижных и перемещаемых устройств" |
EN 1037:2008 | - | |
EN 1088:1995 | IDT | ГОСТ ЕН 1088-2002 "Безопасность машин. Блокировочные устройства, связанные с защитными устройствами. Принципы конструирования и выбора" |
EN 12198-1 | - | |
EN 12198-2 | - | |
EN 12198-3 | - | |
EN 62226-1 | - | |
EN 62226-2-1 | - | |
EN 62226-3-1 | - | |
EN 62311 | - | |
CISPR 11 | - | |
<*> Соответствующий межгосударственный стандарт отсутствует. Примечание - В настоящей таблице использованы следующие условные обозначения степени соответствия стандартов: - IDT - идентичные стандарты; - MOD - модифицированные стандарты. |
| ISO 7010, Graphical symbols - Safety colours and safety signs - Required safety signs (Графические символы. Цвета и знаки безопасности. Необходимые знаки безопасности) |
| ISO/IEC 2806:1994, Industrial automation systems - Numerical control of machines - Vocabulary (Промышленные автоматические системы. Числовое управление станков. Словарь) |
| ISO/TR 14121-2, Safety of machinery - Risk assessment - Part 2: Practical guidance and examples of methods (Безопасность машин. Оценка риска. Часть 2. Практическое руководство и примеры методов) |