Главная // Актуальные документы // ГОСТ (Государственный стандарт)
СПРАВКА
Источник публикации
М.: Стандартинформ, 2017
Примечание к документу
По сведениям, размещенным на Информационном портале Росстандарта по адресу https://uvedns.gostinfo.ru/, данный документ утрачивал силу с 01.06.2024 в связи с изданием Приказа Росстандарта от 18.10.2023 N 1184-ст. Взамен вводился в действие ГОСТ 33466-2023. По сведениям, размещенным на Информационном портале Росстандарта по адресу https://uvedns.gostinfo.ru/, дата утраты силы данного документа перенесена на 01.01.2028 Приказом Росстандарта от 23.05.2024 N 641-ст.

Документ включен в Перечень международных и региональных (межгосударственных) стандартов, а в случае их отсутствия - национальных (государственных) стандартов, содержащих правила и методы исследований (испытаний) и измерений, в том числе правила отбора образцов, необходимые для применения и исполнения требований технического регламента Таможенного союза "О безопасности колесных транспортных средств" (ТР ТС 018/2011) и осуществления оценки соответствия объектов технического регулирования (Решение Коллегии Евразийской экономической комиссии от 25.12.2018 N 219).

Текст данного документа приведен с учетом поправки, опубликованной в "ИУС", N 2, 2020.

Документ введен в действие с 01.01.2017.
Название документа
"ГОСТ 33466-2015. Межгосударственный стандарт. Глобальная навигационная спутниковая система. Система экстренного реагирования при авариях. Методы испытаний устройства/системы вызова экстренных оперативных служб на соответствие требованиям по электромагнитной совместимости, стойкости к климатическим и механическим воздействиям"
(введен в действие Приказом Росстандарта от 15.12.2016 N 2036-ст)

"ГОСТ 33466-2015. Межгосударственный стандарт. Глобальная навигационная спутниковая система. Система экстренного реагирования при авариях. Методы испытаний устройства/системы вызова экстренных оперативных служб на соответствие требованиям по электромагнитной совместимости, стойкости к климатическим и механическим воздействиям"
(введен в действие Приказом Росстандарта от 15.12.2016 N 2036-ст)


Содержание


Введен в действие
Приказом Федерального
агентства по техническому
регулированию и метрологии
от 15 декабря 2016 г. N 2036-ст
МЕЖГОСУДАРСТВЕННЫЙ СТАНДАРТ
ГЛОБАЛЬНАЯ НАВИГАЦИОННАЯ СПУТНИКОВАЯ СИСТЕМА
СИСТЕМА ЭКСТРЕННОГО РЕАГИРОВАНИЯ ПРИ АВАРИЯХ
МЕТОДЫ ИСПЫТАНИЙ УСТРОЙСТВА/СИСТЕМЫ ВЫЗОВА ЭКСТРЕННЫХ
ОПЕРАТИВНЫХ СЛУЖБ НА СООТВЕТСТВИЕ ТРЕБОВАНИЯМ
ПО ЭЛЕКТРОМАГНИТНОЙ СОВМЕСТИМОСТИ, СТОЙКОСТИ
К КЛИМАТИЧЕСКИМ И МЕХАНИЧЕСКИМ ВОЗДЕЙСТВИЯМ
Global navigation satellite system. Road accident emergency
response system. Compliance test methods for electromagnetic
compatibility, environmental and mechanical resistance
requirements of in-vehicle emergency call device/system
ГОСТ 33466-2015
МКС 33.020
Дата введения
1 января 2017 года
Предисловие
Цели, основные принципы и основной порядок проведения работ по межгосударственной стандартизации установлены ГОСТ 1.0-2015 "Межгосударственная система стандартизации. Основные положения" и ГОСТ 1.2-2015 "Межгосударственная система стандартизации. Стандарты межгосударственные, правила и рекомендации по межгосударственной стандартизации. Правила разработки, принятия, обновления и отмены"
Сведения о стандарте
1 РАЗРАБОТАН Некоммерческим партнерством "Содействие развитию и использованию навигационных технологий" и акционерным обществом "Научно-технический центр современных навигационных технологий "Интернавигация" (АО "НТЦ "Интернавигация")
2 ВНЕСЕН Федеральным агентством по техническому регулированию и метрологии
3 ПРИНЯТ Межгосударственным советом по стандартизации, метрологии и сертификации по результатам голосования (протокол от 12 ноября 2015 г. N 82-П)
За принятие проголосовали:
Краткое наименование страны по МК (ИСО 3166) 004-97
Код страны по МК (ИСО 3166) 004-97
Сокращенное наименование национального органа по стандартизации
Армения
AM
Минэкономики Республики Армения
Беларусь
BY
Госстандарт Республики Беларусь
Казахстан
KZ
Госстандарт Республики Казахстан
Киргизия
KG
Кыргызстандарт
Россия
RU
Росстандарт
Таджикистан
TJ
Таджикстандарт
4 Приказом Федерального агентства по техническому регулированию и метрологии от 15 декабря 2016 г. N 2036-ст межгосударственный стандарт ГОСТ 33466-2015 введен в действие в качестве национального стандарта Российской Федерации с 1 января 2017 г.
5 Настоящий стандарт подготовлен на основе применения ГОСТ Р 54618-2011 <*>
--------------------------------
<*> Приказом Федерального агентства по техническому регулированию и метрологии от 15 декабря 2016 г. N 2036-ст национальный стандарт ГОСТ Р 54618-2011 отменен с 1 июня 2017 г.
6 ВВЕДЕН ВПЕРВЫЕ
Информация об изменениях к настоящему стандарту публикуется в ежегодном информационном указателе "Национальные стандарты", а текст изменений и поправок - в ежемесячном информационном указателе "Национальные стандарты". В случае пересмотра (замены) или отмены настоящего стандарта соответствующее уведомление будет опубликовано в ежемесячном информационном указателе "Национальные стандарты". Соответствующая информация, уведомление и тексты размещаются также в информационной системе общего пользования - на официальном сайте Федерального агентства по техническому регулированию и метрологии в сети Интернет (www.gost.ru)
Введение
Система экстренного реагирования при авариях предназначена для снижения тяжести последствий дорожно-транспортных происшествий и иных происшествий на дорогах посредством уменьшения времени доведения информации об указанных происшествиях до экстренных оперативных служб. В Республике Беларусь система экстренного реагирования при авариях называется "ЭРА-РБ", в Республике Казахстан - "ЭВАК", в Российской Федерации - "ЭРА-ГЛОНАСС". Аналогом указанных систем является разрабатываемая общеевропейская система eCall, с которой вышеуказанные системы гармонизированы по основным функциональным свойствам (использование тонального модема как основного механизма передачи данных; унифицированные состав и формат обязательных данных, передаваемых в составе минимального набора данных о дорожно-транспортном происшествии, единообразные правила установления и завершения двустороннего голосового соединения с лицами, находящимися в кабине транспортного средства и др.).
Устройства и системы вызова экстренных оперативных служб, предназначенные для оснащения транспортных средств категорий M и N в соответствии с требованиями технического регламента Таможенного союза "О безопасности колесных транспортных средств" (ТР ТС 018/2011) [1], обеспечивают формирование и передачу в систему экстренного реагирования при авариях минимально необходимого набора данных о транспортном средстве при дорожно-транспортном и ином происшествии, а также установление и обеспечение двусторонней голосовой связи с экстренными оперативными службами.
Настоящий стандарт наряду со стандартами комплекса "Глобальная навигационная спутниковая система. Система экстренного реагирования при авариях" разработан с целью создания доказательной базы для выполнения требований технического регламента Таможенного союза "О безопасности колесных транспортных средств" в части оснащения транспортных средств устройствами и системами вызова экстренных оперативных служб.
1 Область применения
Настоящий стандарт распространяется на устройства и системы вызова экстренных оперативных служб как штатные, так и исполненные в конфигурации дополнительного оборудования, предназначенные для установки на колесные транспортные средства категорий M и N в соответствии с требованиями [1].
Настоящий стандарт устанавливает методы испытаний устройства/системы вызова экстренных оперативных служб на соответствие требованиям по электромагнитной совместимости, стойкости к климатическим и механическим воздействиям, установленным в ГОСТ 33464 для целей выполнения требований технического регламента [1].
2 Нормативные ссылки
В настоящем стандарте использованы нормативные ссылки на следующие стандарты:
ГОСТ 9.311-87 Единая система защиты от коррозии и старения. Покрытия металлические и неметаллические неорганические. Метод оценки коррозионных поражений
ГОСТ 12.1.030-81 Система стандартов безопасности труда. Электробезопасность. Защитное заземление. Зануление
ГОСТ 12.3.019-80 Система стандартов безопасности труда. Испытания и измерения электрические. Общие требования безопасности
ГОСТ 14254-96 (МЭК 529-89) Степени защиты, обеспечиваемые оболочками (код IP)
ГОСТ 16019-2001 Аппаратура сухопутной подвижной радиосвязи. Требования по стойкости к воздействию механических и климатических факторов и методы испытаний
ИС МЕГАНОРМ: примечание.
Взамен ГОСТ 28751-90 и ГОСТ 29157-91 Приказом Росстандарта от 15.06.2017 N 552-ст с 01.02.2018 введен в действие ГОСТ 33991-2016.
ГОСТ 28751-90 (ИСО 7637/1, 2) Электрооборудование автомобилей. Электромагнитная совместимость. Кондуктивные помехи по цепям питания. Требования и методы испытаний
ГОСТ 29157-91 Совместимость технических средств электромагнитная. Электрооборудование автомобилей. Помехи в контрольных и сигнальных бортовых цепях. Требования и методы испытаний
ГОСТ 30630.0.0-99 Методы испытаний на стойкость к внешним воздействующим факторам машин, приборов и других технических изделий. Общие требования
ГОСТ 33464-2015 Глобальная навигационная спутниковая система. Система экстренного реагирования при авариях. Устройство/система вызова экстренных оперативных служб. Общие технические требования
ГОСТ 33467-2015 Глобальная навигационная спутниковая система. Система экстренного реагирования при авариях. Методы функционального тестирования устройства/системы вызова экстренных оперативных служб и протоколов передачи данных
Примечание - При пользовании настоящим стандартом целесообразно проверить действие ссылочных стандартов в информационной системе общего пользования - на официальном сайте Федерального агентства по техническому регулированию и метрологии в сети Интернет или по ежегодно издаваемому информационному указателю "Национальные стандарты", который опубликован по состоянию на 1 января текущего года, и по соответствующим ежемесячно издаваемым информационным указателям, опубликованным в текущем году. Если ссылочный стандарт заменен (изменен), то при пользовании настоящим стандартом следует руководствоваться заменяющим (измененным) стандартом. Если ссылочный стандарт отменен без замены, то положение, в котором дана ссылка на него, применяется в части, не затрагивающей эту ссылку.
3 Термины, определения и сокращения
3.1 Термины и определения
В настоящем стандарте применены термины с соответствующими определениями:
3.1.1 кондуктивная индустриальная радиопомеха: Электромагнитная помеха, энергия которой передается через один или несколько проводников.
3.1.2 прочность аппаратуры: Способность аппаратуры сохранять свои параметры в пределах установленных допусков после воздействия климатических (механических) факторов.
3.1.3 система вызова экстренных оперативных служб; (СВ): Система, выполняющая функции устройства вызова экстренных оперативных служб, обеспечивающая передачу сообщения о транспортном средстве при дорожно-транспортном и ином происшествиях в автоматическом режиме.
Примечания
1 Система вызова экстренных оперативных служб позволяет осуществлять передачу сообщения о транспортном средстве при дорожно-транспортном и ином происшествиях также и в ручном режиме.
2 Категории транспортных средств, подлежащих оснащению системами вызова экстренных оперативных служб, установлены в [1].
3.1.4 система экстренного реагирования при авариях: Федеральная государственная территориально-распределенная автоматизированная информационная система, обеспечивающая оперативное получение с использованием сигналов глобальной навигационной спутниковой системы ГЛОНАСС совместно с другой действующей ГНСС информации о дорожно-транспортных происшествиях и иных чрезвычайных ситуациях на автомобильных дорогах, обработку, хранение и передачу этой информации экстренным оперативным службам, а также доступ к указанной информации заинтересованных государственных органов, органов местного самоуправления, должностных лиц, юридических и физических лиц.
Примечание - В Республике Беларусь система экстренного реагирования при авариях называется "ЭРА-РБ", в Республике Казахстан - "ЭВАК", в Российской Федерации - "ЭРА-ГЛОНАСС". Аналогом вышеуказанных систем является разрабатываемая общеевропейская система eCall, с которой эти системы гармонизированы по основным функциональным свойствам (использование тонального модема как основного механизма передачи данных; унифицированные состав и формат обязательных данных, передаваемых в составе минимального набора данных о дорожно-транспортном происшествии, единообразные правила установления и завершения двустороннего голосового соединения с лицами, находящимися в кабине транспортного средства и др.).
3.1.5 степень жесткости испытаний (на помехоустойчивость): Условный номер, установленный нормативными документами по испытаниям технических средств на помехоустойчивость, отражающий интенсивность воздействующей на объект испытаний помехи с регламентированными для каждой степени жесткости параметрами.
3.1.6 стойкость аппаратуры: Способность аппаратуры сохранять свои параметры в пределах установленных допусков во время и после воздействия климатических (механических) факторов.
3.1.7 устойчивость аппаратуры: Способность аппаратуры сохранять свои параметры в пределах установленных допусков во время воздействия климатических (механических) факторов.
3.1.8 устройство вызова экстренных оперативных служб; (УВ): Устройство, осуществляющее и обеспечивающее определение координат, скорости и направления движения транспортного средства с помощью сигналов не менее двух действующих глобальных навигационных спутниковых систем, передачу сообщения о транспортном средстве при дорожно-транспортном и ином происшествиях в ручном режиме и двустороннюю голосовую связь с экстренным и оперативными службами по сетям подвижной радиотелефонной связи.
Примечания
1 Устройство вызова экстренных оперативных служб может осуществлять передачу сообщения о транспортном средстве при дорожно-транспортном и ином происшествиях также и в автоматическом режиме. Типы аварий транспортного средства, определяемые автоматически, а также сроки реализации устройством функции автоматической передачи сообщения о транспортном средстве установлены в [1].
2 Категории транспортных средств, подлежащих оснащению устройствами вызова экстренных оперативных служб, установлены в [1].
3.2 Сокращения
В настоящем стандарте использованы следующие сокращения:
ДТП
-
дорожно-транспортное происшествие;
МНД
-
минимальный набор данных;
ГНСС
-
глобальная навигационная спутниковая система;
ПЭВМ
-
персональная электронно-вычислительная машина;
РМП
-
рабочее место проверки;
ТС
-
транспортное средство;
УСВ
-
устройство/система вызова экстренных оперативных служб;
ЭД
-
эксплуатационная документация;
CAN
-
стандарт промышленной сети, ориентированный на объединение в единую сеть различных исполнительных устройств и датчиков, включая и средства автомобильной автоматики;
USB
-
универсальная последовательная проводная шина.
4 Общие положения
4.1 Объектом испытаний является устройство/система вызова экстренных оперативных служб.
Число испытуемых образцов УСВ должно быть не менее 3 шт. Испытаниям (проверкам) в объеме, указанном в разделах 5 - 7, подвергается каждый из образцов УСВ, представленных на испытания.
4.2 Условия проведения испытаний
Испытания УСВ на электромагнитную совместимость и при воздействии механических факторов проводят в нормальных климатических условиях:
- температура воздуха - (25 +/- 10) °C;
- относительная влажность воздуха - от 45% до 80%;
- атмосферное давление - от 84,0 до 106,7 кПа (от 630 до 800 мм рт. ст.).
Испытания УСВ при воздействии климатических факторов проводят в климатических условиях, характеризуемых величинами параметров этих факторов, указанными в соответствующих пунктах методик испытаний, приведенными в разделе 6.
Составные части УСВ, находящиеся в неодинаковых условиях эксплуатации, испытывают раздельно в соответствии с условиями эксплуатации, установленными для каждой из них. Допускается испытывать УСВ в полном комплекте по наиболее жестким нормам испытательных режимов.
Техническое обслуживание УСВ в процессе испытаний не проводится.
4.3 Требования по безопасности при проведении испытаний
При измерении параметров УСВ в процессе испытаний должны выполняться требования ГОСТ 12.1.030, ГОСТ 12.3.019, а также требования безопасности, изложенные в эксплуатационных документах на используемые при испытаниях средства измерений и испытательное оборудование.
Включение средств измерений и испытательного оборудования разрешается производить только при подключенном к ним внешнем заземлении. Подсоединение зажимов защитного заземления к контуру заземления должно быть проведено ранее других соединений, а отсоединение - после всех отсоединений.
Подключение и отключение кабелей, устройств и средств измерений к испытуемой УСВ разрешается производить только при выключенном напряжении питания всех приборов, входящих в состав испытательной установки, и отключенной от цепей питания испытуемой системы.
4.4 Используемое при испытаниях испытательное оборудование должно быть аттестовано установленным порядком.
Используемые при испытаниях средства измерений должны иметь утвержденный тип и быть поверены на момент проведения испытаний.
4.5 Проверка работоспособности УСВ при проведении испытаний должна осуществляться с использованием специальной диагностической программы (далее - программа тестирования УСВ).
4.5.1 Программа тестирования разрабатывается производителем УСВ и поставляется по отдельному требованию.
4.5.2 Программа тестирования УСВ должна обладать следующими функциональными возможностями:
- возможность выбора диагностических тестов пользователем;
- возможность выполнения тестов (последовательности тестов, запуск и остановка тестов, установки параметров диагностирования УСВ и др.) в ручном и автоматическом режимах;
- возможность определения числа циклов автоматического тестирования от 1 до 10000;
- выводить результаты тестирования в краткой форме (все тесты выполнены успешно, обнаружена ошибка при выполнении тестов) на экран ЭВМ и в текстовый файл (формат представления информации в текстовом файле определяется производителем УСВ);
- выводить результаты тестирования в подробной форме (результат тестирования и дополнительная информация, определяемая производителем УСВ, для каждого выполненного теста) на экран ЭВМ и в текстовый файл (формат представления информации в текстовом файле определяется производителем УСВ);
- проводить тестирование УСВ в соответствии с требованиями, установленными в ГОСТ 33464 (подраздел 7.6);
- возможность формирования файла (массива) данных, содержащих результаты тестирования, для передачи этих данных по сетям подвижной радиотелефонной связи в соответствии с требованиями ГОСТ 33464 (пункты 7.6.13 и 7.6.14);
- обеспечивать возможность получения информации о версиях аппаратной платформы и программного обеспечения всех компонент УСВ, включая версии аппаратных платформ и программного обеспечения приемника ГНСС, GSM/UMTS модема, тонального модема, управляющего процессора;
- обеспечивать возможность считывания и очистки содержимого внутренней памяти УСВ;
- обеспечивать возможность считывания и установки параметров настройки УСВ;
- обязательное наличие процедуры тестирования, предусматривающей нажатие кнопки "Экстренный вызов" при проверке срабатывания УСВ в ручном режиме как для устройств, так и для систем вызова экстренных оперативных служб.
4.5.3 Если для обеспечения работы программы тестирования с испытуемой УСВ требуется использование каких-либо преобразователей электрических сигналов (например, преобразователь сигналов USB-CAN), то данные преобразователи должны поставляться производителем УСВ в комплекте с программой тестирования.
4.6 Комплектность предъявляемой на испытания УСВ, устанавливаемой в конфигурации штатного оборудования (на конвейере производителя транспортного средства), определяется производителем транспортного средства.
Комплектность УСВ, устанавливаемой в конфигурации дополнительного оборудования (в сервисных/установочных центрах либо на площадке дилера производителя автотранспортного средства после выпуска/изготовления автотранспортного средства), определяется производителем системы в соответствии с требованиями ГОСТ 33464 (разделы 5 и 21).
4.7 Отчетность по результатам испытаний
По результатам испытаний (проверки) УСВ оформляют протокол испытаний и измерений, в котором указывают:
- наименование испытательной лаборатории (центра), местонахождение, телефон, факс и адрес электронной почты;
- идентификационные параметры испытуемого образца;
- условия проведения испытаний;
- информацию об используемой методике проведения испытаний и измерений в соответствии с настоящим стандартом;
- используемое испытательное оборудование и средства измерений;
- перечень разделов (подразделов, пунктов и подпунктов) ГОСТ 33464 и других нормативных документов, содержащих требования, соответствие которым устанавливается, и результаты оценки соответствия в отношении каждого отдельного требования;
- заключение о соответствии испытуемого образца системы установленным требованиям;
- должность, фамилия и подпись лица, проводившего испытания и измерения;
- должность, фамилия и подпись руководителя испытательной лаборатории (центра), заверенная печатью испытательной лаборатории (центра);
- дата проведения испытаний и измерений, дата оформления и регистрационный номер протокола.
5 Методы испытаний устройства/системы вызова экстренных оперативных служб на соответствие требованиям по электромагнитной совместимости
5.1 Объем и условия проведения испытаний
5.1.1 Перечень и последовательность испытаний (проверок) УСВ на соответствие требованиям по электромагнитной совместимости, установленным в [1], [2] и ГОСТ 33464 (подраздел 13.4), указаны в таблице 1.
Таблица 1
Наименование испытаний (проверок)
Номер подраздела, рисунка приложения А
Проверка комплектности ЭД
Проверка комплектности УСВ
Проверка работоспособности УСВ при номинальном напряжении питания
Проверка работоспособности УСВ при изменении напряжения питания
Проверка работоспособности УСВ при воздействии напряжения питания обратной полярности
Проверка обеспечения УСВ защиты внешних электрических цепей от короткого замыкания на полюсы источника напряжения питания
Проверка устойчивости УСВ к воздействию кондуктивных помех по цепям питания
Проверка степени эмиссии в бортовую сеть собственных помех, создаваемых УСВ
Проверка устойчивости УСВ к помехам в контрольных и сигнальных цепях
Проверка устойчивости УСВ к воздействию помех от электростатического разряда
Проверка выполнения требований по напряжению радиопомех на разъемах питания УСВ
Проверка выполнения требований к напряженности электромагнитного поля, создаваемого УСВ
Проверка устойчивости УСВ к воздействию электромагнитного излучения в диапазоне частот от 20 до 2000 МГц
Примечания
1 Допускается изменение последовательности испытаний (проверок), указанных в таблице 1.
2 Проверки комплектности УСВ и поставляемой с ней ЭД, а также работоспособности УСВ при номинальном напряжении питания, а также при изменении параметров напряжения питания рекомендуется проводить в начале испытаний.
5.1.2 Испытания проводят при климатических условиях, указанных в 4.2.
5.1.3 Для проведения испытаний применяется испытательное и вспомогательное оборудование, а также средства измерений, указанные в таблице 2.
Таблица 2
Наименование оборудования
Требуемые технические характеристики приборов и оборудования
ИС МЕГАНОРМ: примечание.
Взамен ГОСТ 28751-90 и ГОСТ 29157-91 Приказом Росстандарта от 15.06.2017 N 552-ст с 01.02.2018 введен в действие ГОСТ 33991-2016.
Испытательный генератор импульсных помех в бортовой сети автотранспортных средств
Формирование импульсов кондуктивных помех по ГОСТ 28751
Эквивалент бортовой сети
По ГОСТ 28751
Соединительный зажим (емкостные клещи)
По ГОСТ 29157
V-образный эквивалент сети
По ГОСТ 30805.16.1.2 (подразделы 4.4 и А.4 приложения А)
Осциллограф
Полоса до 100 МГц, погрешность 3%
Источник питания
Выходное напряжение от 0 до 30 В, максимальный ток нагрузки 10 А
ПЭВМ
Внешний интерфейс - USB 2.0;
ОС - Windows 2000/XP
Система для испытаний технических средств на устойчивость к электростатическому разряду
Диапазон напряжений электростатического разряда (0 - 5) кВ
Система для испытаний технических средств на устойчивость к электромагнитному излучению
Диапазон частот (20 - 2000) МГц
Система для измерения электромагнитного поля излучения индустриальных радиопомех
Диапазон частот (0,009 - 1000) МГц
5.2 Порядок проведения испытаний на электромагнитную совместимость
5.2.1 Проверка комплектности эксплуатационной документации
Для проверки комплектности ЭД, поставляемой с УСВ, необходимо убедиться в том, что представленная на испытания документация соответствует требованиям ГОСТ 33464.
ИС МЕГАНОРМ: примечание.
В официальном тексте документа, видимо, допущена опечатка: раздел 22 в ГОСТ 33464 отсутствует.
Автомобильная система, исполненная в конфигурации дополнительного оборудования, считается выдержавшей проверку, если состав представленного на испытания комплекта документов соответствует требованиям ГОСТ 33464 (подраздел 21.2), а его оформление - требованиям ГОСТ 33464 (раздел 22).
Автомобильная система, исполненная в конфигурации штатного оборудования, считается выдержавшей проверку, если состав представленного на испытания комплекта документов соответствует установленному производителем транспортного средства.
5.2.2 Проверка комплектности УСВ
Проверку комплектности УСВ производят посредством сравнения с комплектностью, установленной в ГОСТ 33464.
ИС МЕГАНОРМ: примечание.
В официальном тексте документа, видимо, допущена опечатка: раздел 22 в ГОСТ 33464 отсутствует.
Автомобильная система, исполненная в конфигурации дополнительного оборудования, считается выдержавшей проверку, если комплект поставки системы соответствует требованиям ГОСТ 33464 (подраздел 21.1), а на органах управления УСВ нанесены логотипы, установленные в ГОСТ 33464 (раздел 22).
Автомобильная система, исполненная в конфигурации штатного оборудования, считается выдержавшей проверку, если комплект поставки УСВ соответствует установленному производителем транспортного средства.
5.2.3 Проверка работоспособности УСВ при номинальном напряжении питания
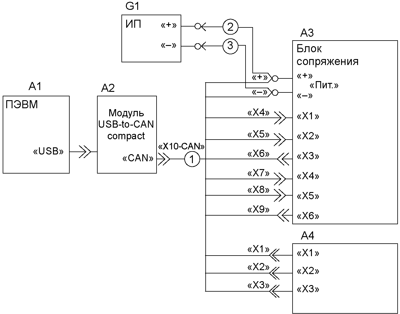
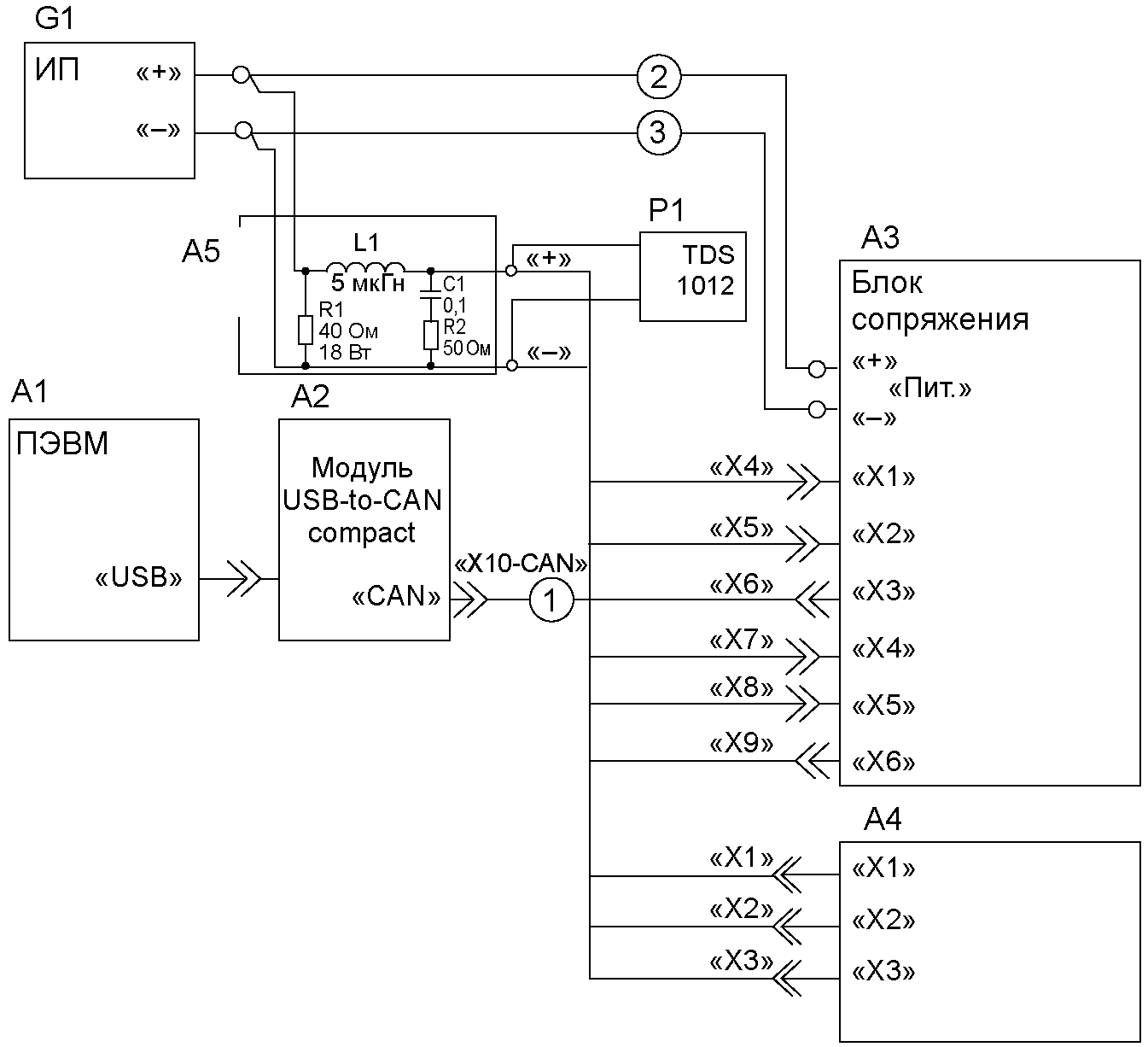
5.2.3.1 Для проверки работоспособности УСВ необходимо подготовить рабочее место проверки с использованием схемы подключения, указанной на рисунке А.2 (приложение А):
- на ПЭВМ установить программу тестирования (см. 4.5) для проверки работоспособности УСВ (если этого не было сделано ранее);
- установить для источника питания G1 выходное напряжение (12,0 +/- 0,1) В или (24,0 +/- 0,1) В - в зависимости от используемой на транспортном средстве системы электропитания;
- подключить к УСВ необходимые устройства согласно схемам соединений, указанным на рисунках А.2 - А.6, в зависимости от вида проводимых испытаний. Все подключаемые устройства должны быть выключены;
- включить ПЭВМ и дождаться окончания загрузки операционной системы;
- на ПЭВМ запустить программу тестирования;
- включить источник питания G1 и питание подключенных устройств, при этом индикаторы состояния в основном диалоговом окне программы тестирования должны сообщить о взаимодействии блока сопряжения и подключенного образца УСВ с ПЭВМ. В случае индикации ошибки необходимо выключить источники питания, проверить правильность подключения устройств;
- убедиться в успешном исходе процедуры самодиагностики УСВ в соответствии с ГОСТ 33464 (пункт 6.17).
5.2.3.2 Проверка работоспособности УСВ при проведении испытаний заключается в проверке возможности УСВ по корректному осуществлению "Экстренного вызова" по сетям подвижной радиотелефонной связи в режиме GSM 900.
Для выполнения проверки необходимо:
- на вкладке "Тесты" программы тестирования выбрать для выполнения все тесты (например, нажать кнопку "Выбрать все");
- убедиться в том, что режим "Выполнить циклически" выключен;
- нажать кнопку запуска выбранных тестов "Пуск";
- контролировать процесс выполнения автоматических тестов.
Примечание - Тест проверки срабатывания УСВ в ручном режиме для инициации экстренного вызова должен предусматривать нажатие кнопки "Экстренный вызов".
5.2.3.3 Проверяемая УСВ считается работоспособной и признается выдержавшей испытания, если во время выполнения проверки программа тестирования не выдает сообщений об ошибках тестирования.
5.2.4 Проверка работоспособности УСВ при изменении напряжения питания
5.2.4.1 Подготовить РМП согласно требованиям 5.2.3.1, используя схему соединений рисунка А.2 (приложение А).
5.2.4.2 Для источника питания G1 установить номинальное напряжение. Выполнить проверки согласно 5.2.3.2.
5.2.4.3 Установить минимальное выходное напряжение источника питания. Выполнить проверки согласно 5.2.3.2.
5.2.4.4 Установить максимальное выходное напряжение источника питания. Выполнить проверки согласно 5.2.3.2.
5.2.4.5 Испытуемая УСВ считается выдержавшей испытания, если при выполнении проверок согласно 5.2.4.2 - 5.2.4.4 проверки работоспособности выполнены успешно.
5.2.5 Проверка работоспособности УСВ после воздействия напряжения питания обратной полярности
5.2.5.1 Для проверки работоспособности УСВ после воздействия напряжения питания обратной полярности необходимо подготовить РМП согласно 5.2.3.1, используя схемы соединений рисунка А.2 (приложение А).
5.2.5.2 Выключить источник питания G1.
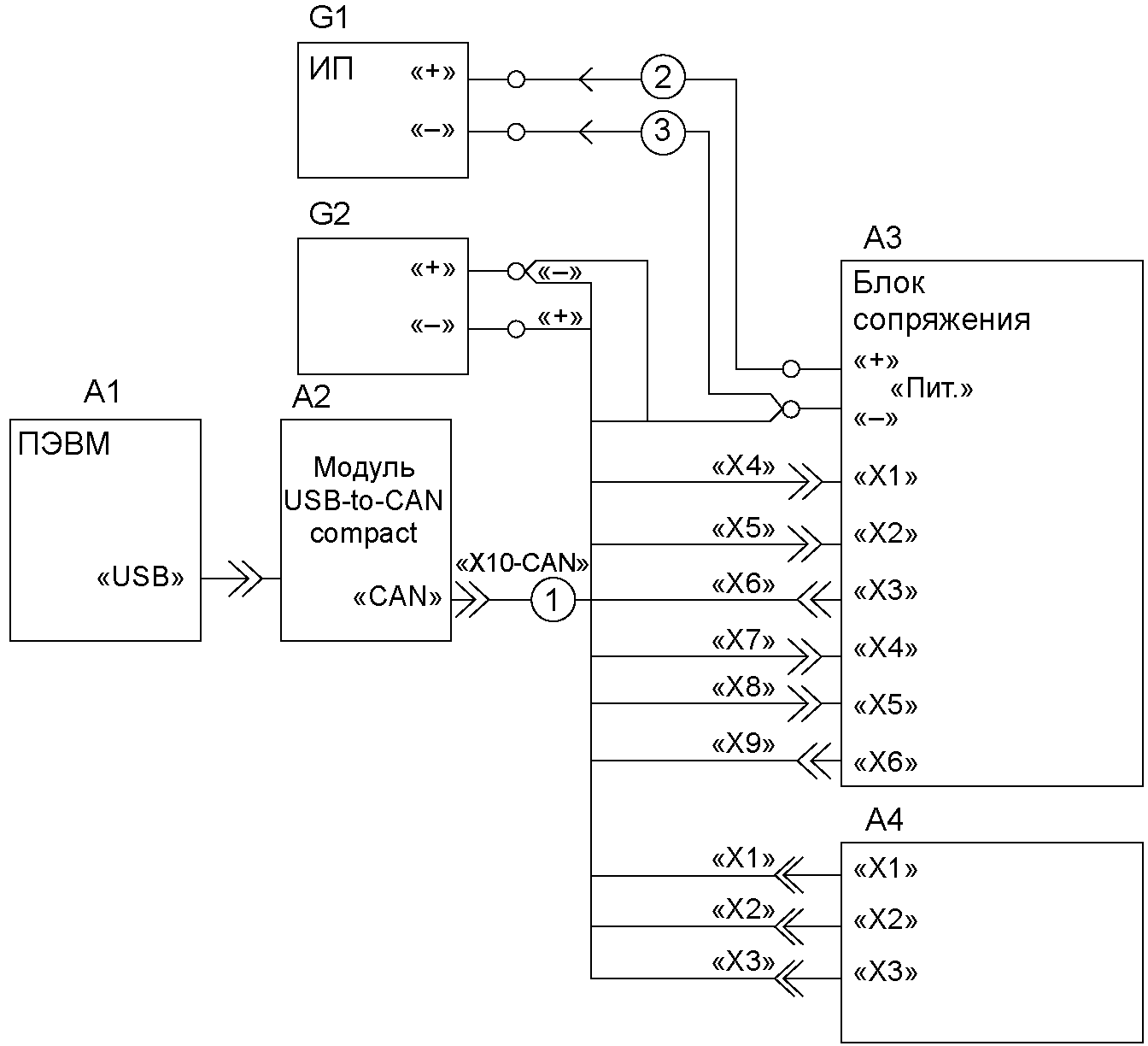
5.2.5.3 Отключить кабели 2 и 3 от источника питания.
5.2.5.4 Клемму "+" кабеля 1 подключить к отрицательной клемме источника питания G1, клемму "-" кабеля 1 - к положительной клемме источника питания G1.
5.2.5.5 Включить источник питания G1 на время не менее 5 мин.
5.2.5.6 Выключить источник питания G1.
5.2.5.7 Провести проверку УСВ согласно 5.2.3, используя схему рисунка А.2 (приложение А).
5.2.5.8 Испытуемая УСВ считается выдержавшей проверку, если после воздействия напряжения питания обратной полярности проверки работоспособности выполнены успешно.
5.2.6 Проверка обеспечения УСВ защиты внешних электрических цепей от короткого замыкания на полюсы источника напряжения питания
5.2.6.1 Подготовить стенд проверки согласно 5.2.3.1.
5.2.6.2 Отсоединить соединитель X1 кабеля 1 от модуля A.2, используя схему рисунка А.2 (приложение А).
5.2.6.3 С помощью перемычки или любым другим приемлемым способом обеспечить поочередное кратковременное (не более 3 с) замыкание каждого контакта соединителя X1 кабеля 1 на контакты "+" и "-" источника постоянного тока G1.
5.2.6.4 С помощью перемычки или любым другим приемлемым способом обеспечить поочередное кратковременное (не более 3 с) замыкание контактов 1 - 7 соединителя "ДАТ" на полюсы "+" и "-" источника постоянного тока G1.
5.2.6.5 Соединитель X1 кабеля 1 подключить к модулю A.2 и выполнить проверку работоспособности УСВ.
5.2.6.6 Испытуемая УСВ считается выдержавшей испытания, если после поочередного замыкания каждого контакта соединителей УСВ на полюсы источника питания проверка работоспособности УСВ была проведена успешно.
5.2.7 Проверка устойчивости УСВ к воздействию кондуктивных помех по цепям питания
ИС МЕГАНОРМ: примечание.
Взамен ГОСТ 28751-90 Приказом Росстандарта от 15.06.2017 N 552-ст с 01.02.2018 введен в действие ГОСТ 33991-2016.
5.2.7.1 Проверку устойчивости УСВ к кондуктивным помехам в бортовой сети проводят по методике, приведенной в ГОСТ 28751 (раздел 3).
5.2.7.2 Проверку проводят с использованием испытательного генератора импульсных помех в бортовой сети автотранспортных средств типа ИГА 12-24.1.
Примечание - Для проверки устойчивости УСВ к кондуктивным помехам в бортовой сети может использоваться аппаратура других типов, обеспечивающая формирование испытательных импульсов 1, 2, 2a, 3a, 3b, 4 в соответствии с ГОСТ 28751.
ИС МЕГАНОРМ: примечание.
В официальном тексте документа, видимо, допущена опечатка: пункт 2.3.1 отсутствует. Возможно, имеется в виду пункт 5.2.3.1.
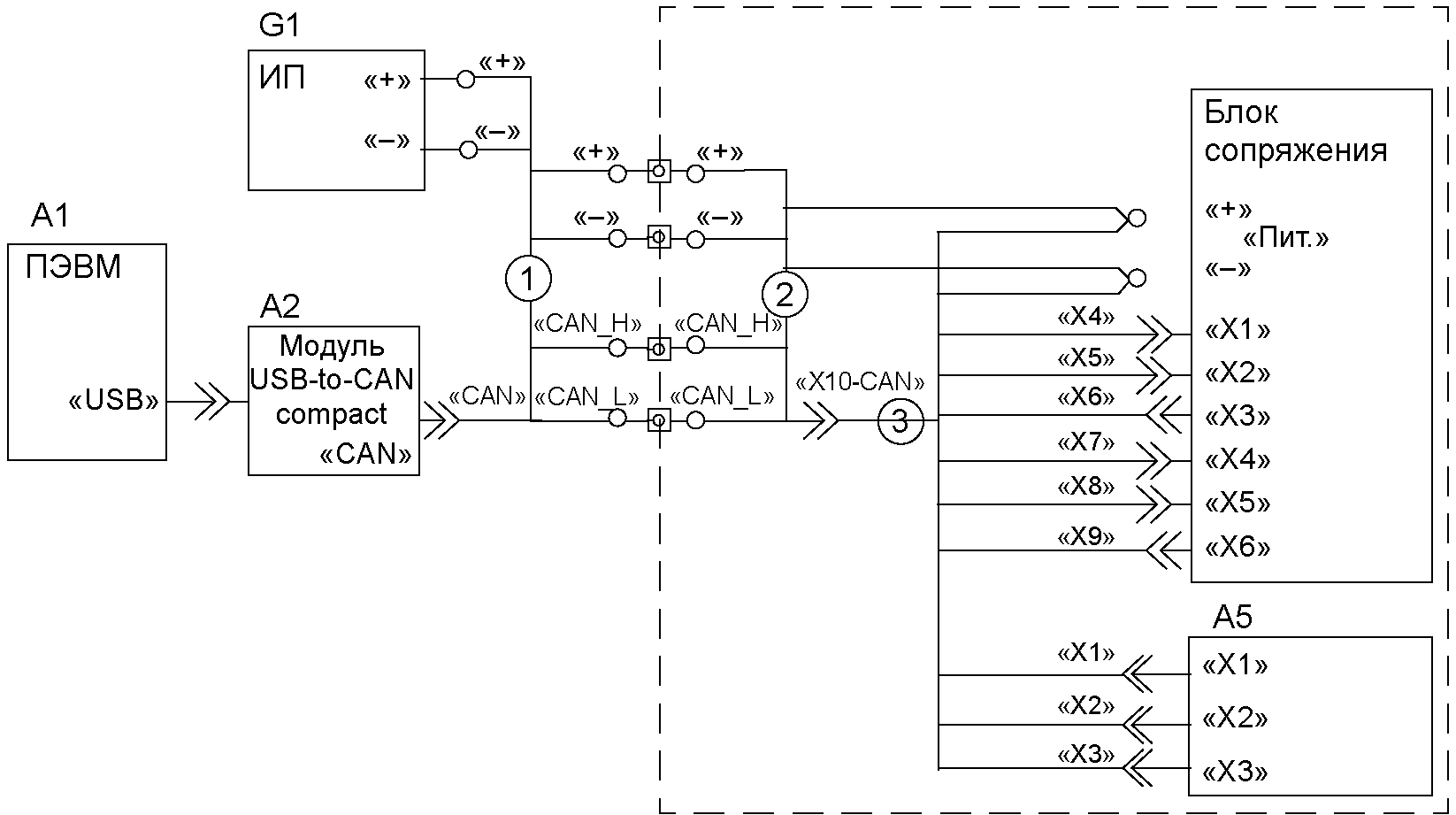
5.2.7.3 Подготовить РМП согласно 2.3.1, используя схему на рисунке А.3 (приложение А).
5.2.7.4 Подвергнуть УСВ воздействию испытательных импульсов.
5.2.7.5 Число импульсов и продолжительность испытаний следующие:
- для каждого испытательного импульса 1 и 2 - не менее 5000 имп., интервал между импульсами - 0,5 с;
- для каждого испытательного импульса 3a и 3b - не менее 1 ч, интервал между импульсами - 0,1 с;
- для каждого испытательного импульса 4 - не менее одного импульса; интервал между импульсами - 1 мин.
5.2.7.6 Параметры для испытательных импульсов должны соответствовать IV степени жесткости согласно ГОСТ 28751 для бортовых сетей 12 (24) В.
5.2.7.7 Во время воздействия испытательных импульсов необходимо периодически проверять работоспособность УСВ как это указано в 5.2.3.2:
- для испытательных импульсов 1 и 2 - после воздействия 2500 импульсов каждого типа;
- для испытательных импульсов 3a и 3b - через каждые 30 мин воздействия испытательными импульсами каждого типа;
- для испытательного импульса 4 - после воздействия испытательными импульсами этого типа.
5.2.7.8 Во время и после воздействия испытательных импульсов в окне "Отчет" программы тестирования не должны отображаться сообщения об ошибках, что соответствует функциональному классу A по ГОСТ 28751.
5.2.7.9 Испытуемый образец УСВ считается выдержавшим проверку, если он удовлетворяет требованиям ГОСТ 28751 по степени жесткости IV функционального класса A при воздействии испытательных импульсов 1, 2, 2a, 3a, 3b, 4.
5.2.8 Проверка степени эмиссии в бортовую сеть собственных помех УСВ
5.2.8.1 Проверку эмиссии собственных помех УСВ в бортовую сеть автотранспортного средства проводят по методике, приведенной в ГОСТ 28751 (раздел 3).
5.2.8.2 Подготовить РМП согласно 5.2.3.1, используя схему рисунка А.4 (приложение А).
ИС МЕГАНОРМ: примечание.
Взамен ГОСТ 28751-90 Приказом Росстандарта от 15.06.2017 N 552-ст с 01.02.2018 введен в действие ГОСТ 33991-2016.
5.2.8.3 При проведении проверки УСВ согласно 5.2.3.2 контролировать осциллографом напряжение помех, создаваемых УСВ в бортовой сети. Уровни напряжений помех всех видов по ГОСТ 28751, создаваемых УСВ для бортовых сетей с напряжением 12 (24) В, не должны превышать следующих значений:
- пиковое значение напряжения для помех вида 1 - минус 15 (35) В;
- пиковое значение напряжения для помех вида 2 - 15 (15) В;
- пиковое значение напряжения для помех вида 3 - от минус 15 (25) до плюс 15 (25) В.
Указанные значения напряжения помех соответствуют степени эмиссии I по ГОСТ 28751.
5.2.8.4 Испытуемый образец УСВ считается выдержавшим проверку, если уровни напряжений помех всех видов, создаваемых УСВ, не превышают значений, указанных в 5.2.8.3.
5.2.9 Проверка устойчивости УСВ к помехам в контрольных и сигнальных цепях
ИС МЕГАНОРМ: примечание.
Взамен ГОСТ 29157-91 Приказом Росстандарта от 15.06.2017 N 552-ст с 01.02.2018 введен в действие ГОСТ 33991-2016.
Проверку устойчивости УСВ к помехам в контрольных и сигнальных цепях проводят по методике, приведенной в ГОСТ 29157 (раздел 2).
Испытания проводят с использованием испытательного генератора импульсных помех в бортовой сети автотранспортных средств ИГА 12-24.1.
Примечание - Для проверки устойчивости УСВ к помехам в контрольных и сигнальных цепях может использоваться аппаратура других типов, обеспечивающая формирование испытательных импульсов в соответствии с требованиями ГОСТ 29157.
Подготовить РМП согласно 5.2.3.1, используя схему рисунка А.3 (приложение А).
Подключить генератор импульсных помех к соединительному зажиму (емкостным клещам) как указано в ГОСТ 29157.
Разместить жгуты проводов, соединяющие УСВ со стендом отладки и контроля и дискретными входами в соединительный зажим (емкостные клещи) согласно ГОСТ 29157 (раздел 2). На конце жгута проводов с дискретными входами подключить нагрузку или ее эквивалент.
ИС МЕГАНОРМ: примечание.
Взамен ГОСТ 28751-90 Приказом Росстандарта от 15.06.2017 N 552-ст с 01.02.2018 введен в действие ГОСТ 33991-2016.
Подвергнуть УСВ воздействию испытательных импульсов 1, 2, 3a, 3b. Параметры испытательных импульсов должны соответствовать IV степени жесткости согласно ГОСТ 28751 для бортовых сетей 12 (24) В.
Во время воздействия испытательных импульсов необходимо периодически проверять работоспособность согласно 5.2.3.2.
ИС МЕГАНОРМ: примечание.
Взамен ГОСТ 29157-91 Приказом Росстандарта от 15.06.2017 N 552-ст с 01.02.2018 введен в действие ГОСТ 33991-2016.
Во время воздействия всех испытательных импульсов в окне "Отчет" программы тестирования не должны отображаться сообщения об ошибках, что соответствует функциональному классу A и требованиям по степени жесткости IV согласно ГОСТ 29157.
Испытуемый образец УСВ считается выдержавшим проверку, если он удовлетворяет требованиям 5.2.3.2.
5.2.10 Проверка устойчивости УСВ к воздействию помех от электростатического разряда
5.2.10.1 Проверка устойчивости к помехам от электростатического разряда проводится по методике, приведенной в [4].
5.2.10.2 Испытания проводят с использованием испытательного генератора электростатического разряда с характеристиками, соответствующими требованиям [4].
5.2.10.3 Испытуемый образец УСВ должен быть устойчивым к воздействию испытательных импульсов от электростатического разряда IV степени жесткости со следующими значениями испытательного напряжения:
- контактный разряд - +/- 4; +/- 6; +/- 7 кВ;
- воздушный разряд - +/- 4; +/- 8; +/- 14; +/- 15 кВ.
5.2.10.4 Минимальное число разрядов для каждого напряжения - 3, минимальный временной интервал между разрядами - 5 с.
5.2.10.5 Для проведения испытаний УСВ поместить в центр плоскости заземления. Проверку проводить с использованием изоляционной подставки, на которую помещают испытуемый образец УСВ.
5.2.10.6 Подготовить РМП согласно 5.2.3.1, используя схему соединений на рисунке А.2 (приложение А).
5.2.10.7 В программе тестирования установить признак "Выполнять циклически".
5.2.10.8 Нажать кнопку запуска выбранных тестов "Пуск" (при этом название кнопки изменится на "Стоп").
5.2.10.9 Произвести проверку устойчивости УСВ к воздействию контактного разряда следующим образом:
- разрядный наконечник испытательного генератора ввести в прямой контакт с корпусом УСВ;
- каждую точку разряда (выбираются три произвольных точки в разных частях корпуса УСВ) необходимо испытать на всех уровнях напряжений, указанных в 5.2.10.3 для контактного разряда.
5.2.10.10 Произвести проверку устойчивости УСВ к воздействию воздушного разряда следующим образом:
- разрядный наконечник установить перпендикулярно (допускается отклонение +/- 15°) к участку разряда;
- разрядный наконечник медленно (со скоростью не более 5 мм/с) двигать по направлению к разрядной точке УСВ до появления первого разряда;
- каждую точку разряда необходимо испытать на всех уровнях напряжений, указанных в 5.2.10.3 для воздушного разряда.
Примечание - Если разряд не происходит, необходимо продолжать продвигать разрядный наконечник до контакта с точкой разряда. Если и в этом случае нет разряда, необходимо прекратить проверку на данных уровнях и при данном расположении наконечника.
5.2.10.11 Испытуемый образец УСВ считается выдержавшим проверку, если после воздействия испытательных разрядов проверки работоспособности согласно 5.2.3.2 выполнялись успешно.
5.2.11 Проверка выполнения требований к напряжению радиопомех, создаваемых УСВ
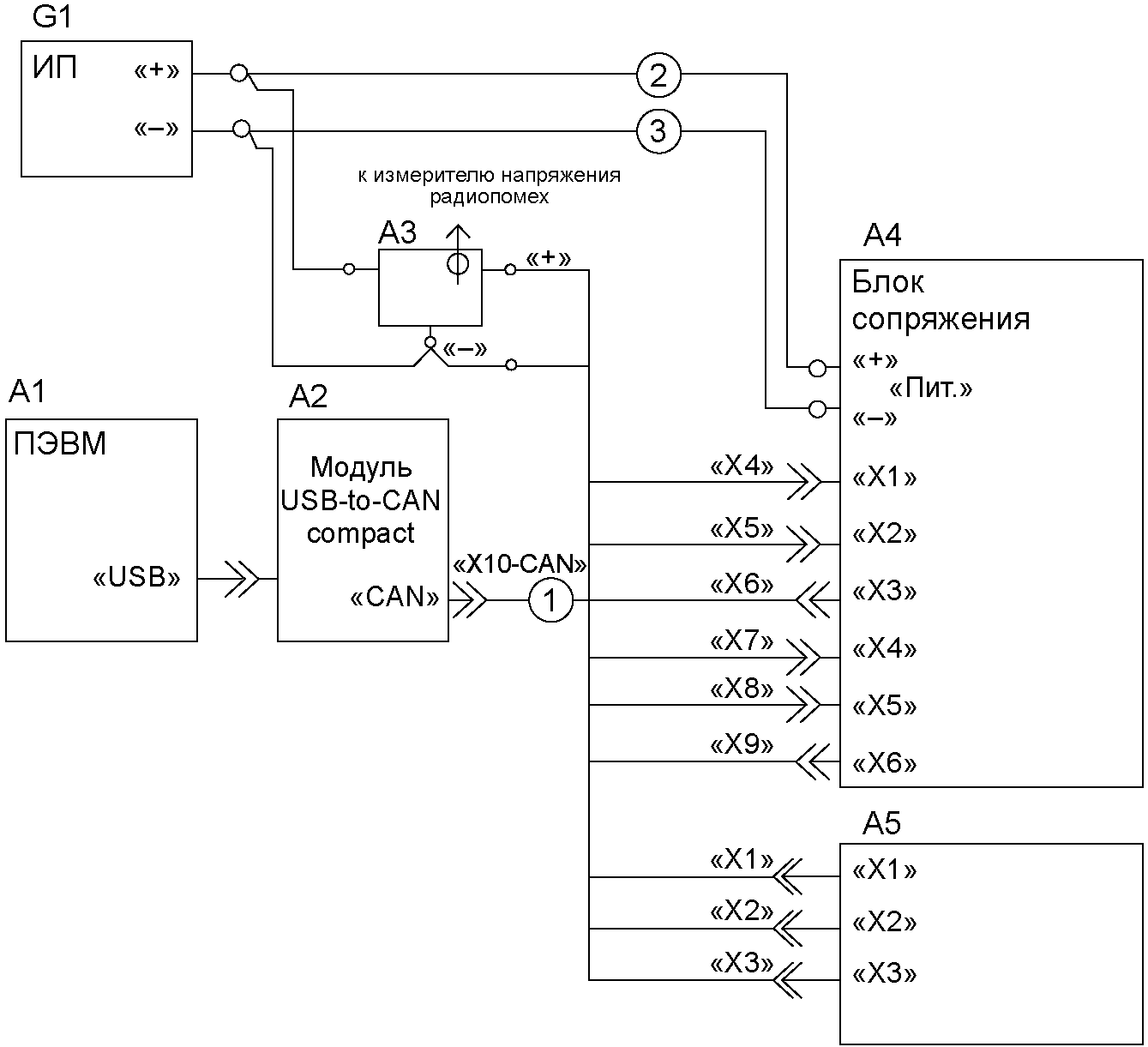
Измерение напряжения радиопомех от УСВ необходимо проводить в соответствии с [3] (пункт 6.2).
Подготовить РМП согласно 5.2.3.1, используя схему соединений на рисунке А.5 (приложение А). При этом РМП должно быть расположено в экранированном помещении, а расположение приборов - согласно рекомендациям [3] (рисунок 7).
Напряжение радиопомех измеряется в диапазоне частот (0,009 - 100) МГц только на зажимах цепей питания УСВ.
При измерениях необходимо использовать эквивалент сети A3 в соответствии с [3] (приложения Е).
Испытуемый образец УСВ считается выдержавшим проверку, если напряжение радиопомех от УСВ не превышает норм, установленных для 3-го класса устройств [3] (пункт 6.2).
5.2.12 Проверка выполнения требований к напряженности электромагнитного поля, создаваемого УСВ
Измерение напряженности электромагнитного поля, создаваемого УСВ, необходимо проводить в диапазоне частот (30 - 1000) МГц согласно [2] (пункт 6.6).
Подготовить РМП согласно 5.2.3.1, используя схему соединения на рисунке А.5 (приложение А). При этом РМП должно быть расположено в безэховом экранированном помещении или на открытой аттестованной площадке, а расположение приборов и оборудования - согласно [2].
Испытуемый образец УСВ считается выдержавшим проверку, если уровень напряженности электромагнитного поля от УСВ не превышает норм, установленных в [2] для узкополосных помех от электрических/электронных сборочных узлов.
5.2.13 Проверка устойчивости УСВ к воздействию электромагнитного излучения
5.2.13.1 Испытание проводят в соответствии с одним из выбранных методов испытаний в соответствии с [2] (пункт 6.7 и приложение 9).
5.2.13.2 Подготовить РМП согласно 5.2.3.1, используя схемы соединений на рисунке А.5 (приложение А) и провести проверку работоспособности УСВ по 5.2.3.2 и выбранной методике согласно [2].
5.2.13.3 На вкладке "Тесты" программы тестирования включить режим "Выполнить циклически".
5.2.13.4 Нажать кнопку запуска выбранных тестов "Пуск".
5.2.13.5 Подвергнуть УСВ воздействию электромагнитного излучения во включенном состоянии, изменяя частоту излучения в направлении от нижней частоты 20 до верхней 2000 МГц.
Для учета времени реагирования УСВ на воздействующий фактор, продолжительность испытания на каждой дискретной частоте должна быть не менее 2 с.
5.2.13.6 Испытуемый образец УСВ считается выдержавшим проверку, если во время проведения испытаний по 5.2.13.5 все тесты выполнялись без ошибок.
6 Методы испытаний устройства/системы вызова экстренных оперативных служб на соответствие требованиям по стойкости к климатическим воздействиям
6.1 Объем и условия проведения испытаний
6.1.1 Испытания УСВ на соответствие требованиям по стойкости к климатическим воздействиям включают в себя испытания на устойчивость и прочность к воздействию климатических факторов.
6.1.2 Перечень и последовательность испытаний УСВ на соответствие требованиям по стойкости к климатическим воздействиям, установленным в [1] (приложение 10, пункт 118) и ГОСТ 33464 (подраздел 13.2), указаны в таблице 3.
Таблица 3
Наименование испытаний (проверок)
Номер подраздела, рисунка
Проверка комплектности ЭД
Проверка комплектности УСВ
Проверка маркировки УСВ
Испытание на воздействие пониженной температуры окружающей среды
Испытание на воздействие повышенной температуры окружающей среды
Испытание на прочность при изменении температуры окружающей среды
Испытание на воздействие влажности при повышенной температуре в постоянном режиме
Испытания для оценки степени защиты УСВ от проникновения посторонних предметов по ГОСТ 14254
Испытания на воздействие воды для оценки степени защиты по ГОСТ 14254
Примечания
1 Допускается изменение последовательности испытаний (проверок), указанных в таблице 3.
2 Проверка маркировки УСВ на соответствие установленным требованиям производится после каждого вида испытаний, указанных в таблице 3.
6.1.3 Состав испытательного и вспомогательного оборудования, используемого при проведении испытаний указан в таблице 4.
Таблица 4
Наименование оборудования
Требуемые характеристики оборудования
Камера влаги
Температура - от 25 °C до 40 °C;
относительная влажность - от 80% до 95%
Камера тепла <*>
Температура - до 90 °C;
точность поддержания температуры в полезном объеме камеры не должна быть более 3 °C
Камера холода <*>
Температура - от плюс 5 °C до минус 70 °C;
точность поддержания температуры в полезном объеме камеры не должна быть более 3 °C
Камера пыли
Емкость для получения капель воды
Резервуар с водой
Стенд отладки и контроля УСВ
Рисунок А.1 (приложение А)
<*> Допускается использование двухсекционных камер тепла и холода, обеспечивающих указанные пределы повышенной и пониженной температуры, с требуемой точностью поддержания температуры.
6.1.4 Испытательное оборудование должно обеспечивать возможность управления (включение/выключение, изменение режимов работы и др.) и снятия показаний с испытуемой УСВ при воздействии соответствующих климатических факторов, если такие операции предусмотрены методикой испытаний.
6.2 Порядок проведения испытаний
6.2.1 Проверка маркировки УСВ
Проверка маркировки УСВ производится после проведения каждого вида испытаний системы на воздействие климатических факторов из числа указанных в таблице 3.
Испытуемый образец УСВ считается выдержавшим проверку, если после проведения каждого вида испытаний, указанного в таблице 3, его маркировка соответствуют требованиям ГОСТ 33464 (раздел 19).
6.2.2 Испытания на воздействие пониженной температуры окружающей среды
6.2.2.1 Проверка устойчивости УСВ к воздействию пониженной рабочей температуры окружающей среды минус 40 °C.
Собрать схему для проверки работоспособности УСВ, приведенную на рисунке А.2 (приложение А).
Поместить УСВ в камеру холода.
Включить УСВ и провести проверку работоспособности системы, согласно методике проверки, приведенной в 5.2.3.
Выключить источник питания УСВ.
Довести температуру в камере холода до минус 40 °C.
Включить источник питания УСВ и провести проверку работоспособности системы согласно методике проверки, приведенной в 5.2.3.
Выдержать УСВ во включенном состоянии в течение 3 ч, периодически (через каждый час) проверяя работоспособность испытуемой системы.
После проведения последней проверки работоспособности УСВ (по истечении 3 ч) выключить питание.
Повысить температуру в камере холода до нормальной (см. 4.2) и выдержать УСВ в выключенном состоянии в течение 1 ч при этой температуре.
Включить источник питания УСВ и выполнить проверку работоспособности согласно методике проверки, приведенной в 5.2.3.
Извлечь испытуемый образец УСВ из камеры холода и провести внешний осмотр.
УСВ считается выдержавшей испытание на устойчивость при пониженной рабочей температуре окружающей среды минус 40 °C, если отсутствуют механические дефекты корпуса (корпусов составных частей) УСВ, разъемов и соединительных кабелей, а также во время и после проведения испытания проверки работоспособности УСВ завершены успешно.
6.2.2.2 Проверка прочности УСВ к воздействию пониженной рабочей температуры окружающей среды минус 40 °C.
Собрать схему для проверки работоспособности УСВ, приведенную на рисунке А.2 (приложение А).
Поместить УСВ в камеру холода.
Включить УСВ и провести проверку работоспособности системы, согласно методике проверки, приведенной в 5.2.3.
Выключить источник питания УСВ.
Довести температуру в камере холода до минус 40 °C и выдержать УСВ в выключенном состоянии в течение 3 ч.
Повысить температуру в камере холода до нормальной (см. 4.2), открыть камеру и выдержать испытуемый образец УСВ при нормальной температуре в течение 1 ч.
Включить источник питания УСВ и выполнить проверку работоспособности согласно методике проверки, приведенной в 5.2.3.
Извлечь испытуемый образец УСВ из камеры холода и провести внешний осмотр.
УСВ считается выдержавшей испытание на прочность при пониженной температуре, если отсутствуют механические дефекты корпуса (корпусов составных частей) УСВ, разъемов и соединительных кабелей, а также проверка работоспособности УСВ после проведения испытаний завершена успешно.
6.2.2.3 Проверка работоспособности при пониженной рабочей температуре и работе от резервного источника питания (при его наличии).
Собрать схему для проверки работоспособности УСВ, приведенную на рисунке А.2 (приложение А).
Поместить УСВ в камеру холода.
Включить УСВ и провести проверку работоспособности системы, согласно методике проверки, приведенной в 5.2.3.
Довести температуру в камере холода до минус 20 °C и выдержать УСВ во включенном состоянии в течение 1 ч. Отключить внешнее питание УСВ.
Провести проверку работоспособности системы согласно методике проверки, приведенной в 5.2.3.
Повысить температуру в камере холода до нормальной (см. 4.2) и выдержать УСВ при отключенном внешнем питании в течение 1 ч при этой температуре.
Включить источник питания УСВ и выполнить проверку работоспособности согласно методике проверки, приведенной в 5.2.3.
УСВ считается выдержавшей испытание на устойчивость при пониженной рабочей температуре окружающей среды минус 20 °C и работе от резервного источника питания, если во время и после проведения испытания проверки работоспособности УСВ завершены успешно.
6.2.2.4 УСВ считается выдержавшей испытания на воздействие пониженной температуры окружающей среды, если испытания по 6.2.2.1 - 6.2.2.3 завершены успешно.
6.2.3 Испытания на воздействие повышенной температуры окружающей среды
6.2.3.1 Проверка устойчивости УСВ к воздействию повышенной рабочей температуры окружающей среды 85 °C
Собрать схему для проверки работоспособности УСВ, приведенную на рисунке А.2 (приложение А).
Поместить УСВ в камеру тепла.
Включить УСВ и провести проверку работоспособности системы, согласно методике проверки, приведенной в 5.2.3.
Выключить источник питания УСВ.
Довести температуру в камере тепла до 85 °C.
Включить источник питания УСВ и провести проверку работоспособности системы согласно методике проверки, приведенной в 5.2.3.
Выдержать УСВ во включенном состоянии в течение 3 ч, периодически (через каждый час) проверяя работоспособность испытуемой системы.
После проведения последней проверки работоспособности УСВ (по истечении 3 ч) выключить питание.
Понизить температуру в камере тепла до нормальной (см. 4.2) и выдержать УСВ в выключенном состоянии в течение 1 ч при этой температуре.
Включить источник питания УСВ и выполнить проверку работоспособности согласно методике проверки, приведенной в 5.2.3.
Извлечь испытуемый образец УСВ из камеры тепла и провести внешний осмотр.
УСВ считается выдержавшей испытание на устойчивость при повышенной рабочей температуре окружающей среды 85 °C, если отсутствуют механические дефекты корпуса (корпусов составных частей) УСВ, разъемов и соединительных кабелей, а также во время и после проведения испытания проверки работоспособности УСВ завершены успешно.
6.2.3.2 Проверка прочности УСВ к воздействию повышенной рабочей температуры окружающей среды 85 °C
Собрать схему для проверки работоспособности УСВ, приведенную на рисунке А.2 (приложение А).
Поместить УСВ в камеру тепла.
Включить УСВ и провести проверку работоспособности системы согласно методике проверки, приведенной в 5.2.3.
Выключить источник питания УСВ.
Довести температуру в камере тепла до 85 °C и выдержать УСВ в выключенном состоянии в течение 3 ч.
Понизить температуру в камере тепла до 50 °C, выдержать УСВ в течение 2 ч.
Включить источник питания УСВ. Выполнить проверку работоспособности испытуемого образца УСВ согласно методике проверки, приведенной в 5.2.3.
Выключить источник питания УСВ.
Понизить температуру в камере тепла до нормальной (см. 4.2), открыть камеру, выдержать УСВ при нормальной температуре в течение 1 ч.
Включить источник питания. Выполнить проверку работоспособности УСВ согласно методике проверки, приведенной в 5.2.3.
Вынуть УСВ из камеры тепла и провести внешний осмотр.
УСВ считается выдержавшей испытание на прочность при повышенной рабочей температуре окружающей среды 85 °C, если отсутствуют механические дефекты корпуса (корпусов составных частей) УСВ, разъемов и соединительных кабелей, а также во время и после проведения испытания проверки работоспособности УСВ завершены успешно.
6.2.3.3 УСВ считается выдержавшей испытания на воздействие повышенной температуры окружающей среды, если испытания по 6.2.3.1 и 6.2.3.2 завершены успешно.
6.2.4 Испытание на прочность при изменении температуры окружающей среды
6.2.4.1 При испытаниях осуществляется проверка прочности УСВ к воздействию циклического изменения температуры окружающей среды в диапазоне рабочих, установленных в ГОСТ 33464 (подраздел 13.2):
- от максимальной пониженной - минус 40 °C;
- до максимальной повышенной - плюс 85 °C.
6.2.4.2 Испытания на циклическое воздействие смены температур проводят в двухсекционных климатических камерах или в камерах термоциклирования, состоящих из секции (камеры) холода и секции (камеры) тепла, а также устройства перемещения испытуемого изделия из одной секции в другую.
Примечание - Допускается проведение испытаний с использованием раздельных камер тепла и холода, однако время перемещения испытуемого изделия из одной климатической камеры в другую не должно превышать 5 мин.
6.2.4.3 При проведении испытаний применяют три цикла смены температур. Каждый цикл состоит из двух этапов. Сначала испытуемый образец УСВ помещают в климатическую секцию (камеру) холода, а затем в климатическую секцию (камеру) тепла. В каждой климатической камере испытуемый образец УСВ выдерживается в течение 3 ч при максимальной рабочей температуре для соответствующей секции (камеры), указанной в 6.2.4.1.
Время выдержки в камере отсчитывается с момента достижения в камере требуемой температуры воздуха после загрузки испытуемого образца.
Время перемещения испытуемого образца УСВ из одной климатической секции (камеры) в другую не должно превышать 5 мин.
6.2.4.4 Перед проведением испытаний необходимо:
- собрать схему для проверки работоспособности УСВ, приведенную на рисунке А.2 (приложение А);
- включить УСВ и провести проверку работоспособности системы, согласно методике проверки, приведенной в 5.2.3.
6.2.4.5 Проверка прочности УСВ к воздействию изменения температуры окружающей среды
Установить в секциях (камерах) параметры окружающей среды, указанные в 4.2, соответствующие нормальным условиям проведения испытаний.
Поместить УСВ в выключенном состоянии в секцию (камеру) холода.
Температуру в секции (камере) понизить до минус 40 °C и выдержать в течение 3 ч.
Переместить испытуемый образец УСВ в секцию (камеру) тепла.
Температуру в секции (камере) повысить до плюс 85 °C и выдержать УСВ в течение 3 ч.
Переместить испытуемый образец УСВ в секцию (камеру) холода.
Примечание - Рекомендуемая скорость изменения температуры должна быть не менее:
- 1 °C/мин - в диапазоне от нормальной температуры, указанной в 4.2, до минус 40 °C;
- 2 °C/мин - в диапазоне от нормальной температуры, указанной в 4.2, до 85 °C.
6.2.4.6 Процедуру испытаний по 6.2.4.5 повторить три раза.
6.2.4.7 После проведения трех циклов испытаний по 6.2.4.5 и 6.2.4.6 выдержать испытуемый образец УСВ при нормальных условиях, указанных в 4.2, в течение 2 ч.
6.2.4.8 Извлечь УСВ из камеры. Провести внешний осмотр и выполнить проверку работоспособности согласно методике проверки, приведенной в 5.2.3.
6.2.4.9 УСВ считается выдержавшей испытание на прочность при циклическом изменении температуры, если отсутствуют механические дефекты корпуса (корпусов составных частей) УСВ, разъемов и соединительных кабелей, а результаты проверки работоспособности УСВ завершены успешно.
6.2.5 Испытание на воздействие влажности при повышенной температуре в постоянном режиме
6.2.5.1 При испытаниях осуществляется проверка соответствия УСВ требованиям по устойчивости и прочности к воздействию влажности воздуха при повышенной температуре окружающей среды, установленных в ГОСТ 33464 (подраздел 13.2):
- относительная влажность воздуха - 95%;
- температура окружающей среды - 40 °C;
- длительность воздействия - 96 ч.
6.2.5.2 Проверка устойчивости и прочности УСВ к воздействию влажности воздуха при повышенной температуре окружающей среды
Поместить УСВ в камеру влаги.
Провести проверку работоспособности УСВ, используя схему соединений (см. рисунок А.2, приложение А), согласно методике проверки, приведенной в 5.2.3.
Выключить источник питания УСВ.
Температуру в камере влаги повысить до 40 °C при относительной влажности воздуха 95%.
Выдержка испытуемого образца УСВ в указанных условиях изделия должна составить 96 ч.
Периодически УСВ включают для проверки работоспособности согласно методике проверки, приведенной в 5.2.3.
В конце последнего цикла испытаний по достижении установленного времени выдержки включить источник питания УСВ и выполнить проверку работоспособности согласно методике проверки, установленной в ЭД на изделие, после чего выключить источник питания.
УСВ извлечь из камеры влаги и после выдержки в течение не менее 2 ч в нормальных климатических условиях, указанных в 4.2, проверить работоспособность испытуемого образца согласно методике проверки, приведенной в 5.2.3.
6.2.5.3 Произвести оценку коррозионных поражений деталей изделия по ГОСТ 9.311.
6.2.5.4 Испытуемый образец УСВ считается выдержавшим испытание, если оценочный балл по ГОСТ 9.311 не ниже 8, а все проводимые при испытаниях проверки работоспособности УСВ завершены успешно.
6.2.6 Испытания для оценки степени защиты УСВ от проникновения посторонних предметов по ГОСТ 14254
6.2.6.1 Испытание проводят для проверки установленных в ГОСТ 33464 (подраздел 13.2.3) требований к степени защиты УСВ от проникновения посторонних предметов, характеризуемой первой цифрой кода IP по ГОСТ 14254:
- IP 40 - для компонентов УСВ, располагаемых в кабине (салоне) ТС;
- IP 64 - для компонентов УСВ, исполненных в виде внешних устройств, подключаемых к основному блоку УСВ и располагаемых вне кабины (салона) ТС;
- IP 67 - для внешнего датчика ДТП, устанавливаемого вне кабины (салона) ТС (для СВ, исполненных в конфигурации дополнительного оборудования и устанавливаемых на ТС категорий M1 и N1).
6.2.6.2 Перед проведением испытаний провести внешний осмотр всех составных частей (блоков) УСВ и выполнить проверку работоспособности УСВ согласно методике проверки, приведенной в 5.2.3.
6.2.6.3 Испытания по защищенности от проникновения посторонних предметов для IP 40 проводят с использованием жесткого щупа, характеристики которого приведены в ГОСТ 14254 (таблица 7). Щуп прижимают к каждому отверстию оболочки с усилием 1 Н +/- 10%.
Примечание - Используемый при испытаниях щуп предназначен для моделирования проникновения внешних твердых предметов, которые могут иметь сферическую форму. Если в оболочке имеются непрямые или извилистые проходы и не имеется других способов продвижения сферического предмета, может потребоваться применить проверку методом протягивания или предусмотреть специальный проход для щупа, который должен быть приложен с вышеуказанным нормированным усилием к проверяемому отверстию.
6.2.6.4 Составные части УСВ, исполненные со степенью защиты IP 40, считаются выдержавшими испытания, если наибольшее поперечное сечение щупа не проникает ни через одно отверстие оболочки и проверка работоспособности по 5.2.3 после испытаний проведена успешно.
6.2.6.5 Испытания образцов со степенью защиты IP 64 и IP 67 по ГОСТ 14254 на воздействие пыли:
а) испытания проводят по ГОСТ 14254 (раздел 13.4) в камере пыли без понижения давления внутри испытуемых составных частей УСВ по сравнению с окружающей средой (оболочки категории 2 по ГОСТ 14254) в среде абразивной непроводящей пыли при следующих условиях:
- температура воздуха (35 +/- 2) °C;
- относительная влажность воздуха не более 60%;
- концентрация пыли в воздухе (1,4 +/- 1) г/м3 (или в количестве 0,1% от полезного объема камеры);
- скорость циркуляции воздуха от 10 до 15 м/с.
Примечание - Конструктивные особенности камеры пыли приведены в ГОСТ 14254 (рисунок 2);
б) размещают УСВ в выключенном состоянии в камере пыли таким образом, чтобы расстояние от блоков до стенок камеры, а также до соседних блоков (если одновременно испытываются несколько блоков) было не менее 10 см;
в) по завершении испытаний выдержать испытуемые образцы в камере в течение 1 ч для оседания пыли без циркуляции воздуха. После чего вынуть из камеры, удалить остатки пыли, произвести внешний осмотр;
г) провести проверку работоспособности УСВ согласно методике проверки, приведенной в 5.2.3.
6.2.6.6 Оценка результатов испытаний для блоков УСВ со степенью защиты IP 64 и IP 67 по ГОСТ 14254.
Блоки (составные части) УСВ считаются выдержавшими испытания по 6.2.6.5, если:
- после проведения испытания не обнаружены повреждения лакокрасочного покрытия и маркировки;
- после вскрытия испытуемых блоков УСВ на внутренних поверхностях корпусов и печатных платах не обнаружено следов проникновения пыли;
- все проверки работоспособности УСВ, проведенные в соответствии с 5.2.3, завершены успешно.
6.2.7 Испытания на воздействие воды для оценки степени защиты по ГОСТ 14254
6.2.7.1 Испытание на воздействие воды проводят для проверки установленных в ГОСТ 33464 (подраздел 13.2.3) требований к степени защиты УСВ от проникновения посторонних предметов, характеризуемой второй цифрой кода IP по ГОСТ 14254:
- IP 64 - для компонентов УСВ, исполненных в виде внешних устройств, подключаемых к основному блоку УСВ и располагаемых вне кабины (салона) ТС;
- IP 67 - только для датчиков автоматической идентификации дорожно-транспортных происшествий, исполненных в качестве самостоятельной составной части, входящей в состав УСВ в конфигурации дополнительного оборудования для транспортных средств категории M1 и N1.
Примечание - Для составных частей УСВ, имеющих степень защиты IP 40, испытания не проводятся.
6.2.7.2 Состав используемого при проведении испытаний оборудования, его характеристики и основные условия испытаний для проверки указанных в 6.2.7.1 степеней защиты УСВ - в соответствии с ГОСТ 14254 (подраздел 14.2 и таблица 8).
6.2.7.3 Перед проведением испытаний провести внешний осмотр всех составных частей (блоков) УСВ и выполнить проверку работоспособности УСВ согласно методике проверки, приведенной в 5.2.3.
6.2.7.4 Проверка УСВ на воздействие воды осуществляется в выключенном состоянии.
6.2.7.5 Испытания на воздействие воды для проверки степени защиты УСВ проводят:
- для составных частей УСВ, имеющих код степени защиты IP 64, - по ГОСТ 14254 (подраздел 14.2.4);
- для составных частей УСВ, имеющих код степени защиты IP 67, - по ГОСТ 14254 (подраздел 14.2.7).
6.2.7.6 После испытаний провести проверку работоспособности УСВ согласно методике, приведенной в 5.2.3, после чего вскрыть испытуемые блоки УСВ и проверить на проникновение воды внутрь.
Примечание - Во время испытаний может частично конденсироваться влага, содержащаяся внутри оболочки испытуемых блоков УСВ. Накапливающийся конденсат не следует путать с водой, просачивающейся внутрь оболочки извне во время испытаний.
6.2.7.7 Блоки (составные части) УСВ считаются выдержавшими испытания, если проникшее внутрь оболочки количество воды извне не привело к нарушению работоспособности УСВ.
Примечание - При наличии в конструкции отдельных блоков (составных частей) УСВ сливных отверстий, предусмотренных производителем и отраженных в ЭД, необходимо убедиться путем осмотра, что проникающая вода не накапливается внутри и может свободно уходить через указанные отверстия без нарушения работоспособности указанных блоков (составных частей) УСВ.
7 Методы испытаний устройства/системы вызова экстренных оперативных служб на соответствие требованиям по стойкости к механическим воздействиям
7.1 Объем и условия проведения испытаний
7.1.1 Испытания УСВ на соответствие требованиям по стойкости к механическим воздействиям включают в себя испытания на устойчивость и прочность к воздействию соответствующих механических факторов.
7.1.2 Перечень и последовательность испытаний устройства/системы вызова экстренных оперативных служб на соответствие требованиям по стойкости к механическим воздействиям, установленным в [1] (пункт 118, приложение 10) и ГОСТ 33464 (пункт 13.3.1), указаны в таблице 5.
Таблица 5
Наименование проверок
Номер подраздела, рисунка приложения А
Проверка комплектности ЭД
Проверка комплектности УСВ
Проверка маркировки УСВ
Проверка устойчивости УСВ к воздействию синусоидальной вибрации
Проверка прочности УСВ к воздействию синусоидальной вибрации
Проверка устойчивости УСВ к воздействию механических ударов многократного действия
Проверка прочности УСВ к воздействию механических ударов многократного действия
Проверка устойчивости УСВ к воздействию одиночных механических ударов <*>
Проверка прочности УСВ к воздействию механических ударов при транспортировании
Проверка стойкости автомобильного устройства вызова экстренных оперативных служб к воздействию перегрузок, возникающих при столкновении транспортного средства
<*> Испытания проводятся для автомобильных систем вызова экстренных оперативных служб, исполненных в конфигурации дополнительного оборудования.
Примечания
1 Допускается изменение последовательности испытаний (проверок), указанных в таблице 5.
2 Проверка маркировки УСВ на соответствие установленным требованиям производится после каждого вида испытаний, указанных в таблице 5.
7.1.3 Испытания проводят при климатических условиях, указанных в 4.2.
7.1.4 Состав испытательного и вспомогательного оборудования, используемого при проведении испытаний указан в таблице 6.
Таблица 6
Наименование оборудования
Требуемые технические данные приборов и оборудования
Вибрационный стенд
Диапазон частот - от 10 до 100 Гц;
максимальная амплитуда виброускорения - не менее 98 м/с2 (10g);
точность по амплитуде виброускорения - не более +/- 2 м/с2 (0,2g)
Ударная установка многократного действия
Длительность ударного импульса - не менее 5 мс;
число ударов в минуту - от 40 до 80;
пиковое ударное ускорение - от 49 м/с2 (5g) до 250 м/с2 (25g).
Ударная установка
Одиночные удары;
пиковое ударное ускорение - до 100g
Стенд отладки и контроля УСВ
Примечание - Состав и технические характеристики испытательного оборудования для проведения испытаний по проверке стойкости автомобильного устройства вызова экстренных оперативных служб к воздействию перегрузок, возникающих при лобовом столкновении транспортного средства (см. 7.2.8) - в соответствии с ГОСТ 33467 (пункт 5.4.2) и Правилами ЕЭК ООН [5] (раздел 6).
7.1.5 Установка испытуемых образцов УСВ на платформе ударной установки (вибростенда) должна осуществляться в соответствии с указаниями, приведенными в документации на вибростенд и в руководстве по монтажу и настройке УСВ, с учетом требований ГОСТ 30630.0.0 (раздел 5).
Крепление УСВ на платформе ударной установки (вибростенда) должно осуществляться, как правило, с использованием входящих в комплект поставки УСВ механизмов крепления. При этом способы крепления УСВ на платформе указанного испытательного оборудования не должны приводить к усилению крепления по сравнению с установкой УСВ на транспортном средстве.
7.2 Порядок проведения испытаний
7.2.1 Проверка маркировки УСВ
Проверка маркировки УСВ производится после проведения каждого вида испытаний системы на воздействие механических факторов, из числа указанных в таблице 5.
Испытуемый образец УСВ считается выдержавшим проверку, если после проведения каждого вида испытаний, указанного в таблице 5, его маркировка соответствуют требованиям ГОСТ 33464 (раздел 19).
7.2.2 Проверка устойчивости УСВ к воздействию синусоидальной вибрации
7.2.2.1 Испытание проводят в трех взаимно перпендикулярных положениях.
7.2.2.2 Произвести внешний осмотр и закрепить испытуемый образец УСВ на платформе вибростенда в одном из трех взаимно перпендикулярных положений.
7.2.2.3 Используя схемы соединений (см. рисунок А.2, приложение А), провести проверку работоспособности системы согласно методике проверки, приведенной в 5.2.3.
Подвергнуть УСВ во включенном состоянии воздействию вибрации со следующими значениями воздействующих факторов:
- диапазон частот - от 10 до 70, Гц;
- амплитуда ускорения - 39,2, м/с2 (4g);
- длительность воздействия - 30 мин.
Плавно изменять частоту вибрации в заданном диапазоне для обнаружения резонансов конструкции.
В течение испытания периодически проводить проверку работоспособности УСВ согласно методике проверки, приведенной в 5.2.3.
УСВ должна быть работоспособной и не должны отображаться сообщения об ошибках.
7.2.2.4 По истечении установленного времени испытаний провести проверку работоспособности УСВ согласно методике проверки, приведенной в 5.2.3.
Выключить питание УСВ.
7.2.2.5 Изменить положение УСВ на вибростенде и повторить действия по 7.2.2.3 и 7.2.2.4 для двух других взаимно перпендикулярных положений.
7.2.2.6 УСВ считается выдержавшей испытание на устойчивость при воздействии синусоидальной вибрации, если отсутствуют механические дефекты корпуса (корпусов составных частей) УСВ, разъемов и соединительных кабелей, а также во время и после проведения испытания проверки работоспособности УСВ завершены успешно.
7.2.3 Проверка прочности УСВ к воздействию синусоидальной вибрации
7.2.3.1 Испытание проводят в трех взаимно перпендикулярных положениях.
7.2.3.2 Произвести внешний осмотр и закрепить испытуемый образец УСВ на платформе вибростенда в одном из трех взаимно перпендикулярных положений.
7.2.3.3 Используя схемы соединений (см. рисунок А.2, приложение А), провести проверку работоспособности системы согласно методике проверки, приведенной в 5.2.3.
7.2.3.4 Проверку вибропрочности УСВ проводят при выключенном источнике питания и следующих значениях воздействующих факторов:
- диапазон частот - от 10 до 70, Гц;
- амплитуда ускорения - 39,2, м/с2 (4g);
- длительность воздействия - 160 мин.
В процессе испытаний периодически изменять частоту колебаний от верхней до нижней границы частотного диапазона.
7.2.3.5 Снять УСВ с вибростенда, произвести внешний осмотр и выполнить проверку работоспособности согласно методике проверки, приведенной в 5.2.3.
7.2.3.6 Изменить положение УСВ на вибростенде и повторить действия по 7.2.3.4 и 7.2.2.5 для двух других взаимно перпендикулярных положений.
7.2.3.7 УСВ считается выдержавшей испытание на прочность при воздействии синусоидальной вибрации, если отсутствуют механические дефекты корпуса (корпусов составных частей) УСВ, разъемов и соединительных кабелей, а проверка работоспособности УСВ по завершении испытаний завершена успешно.
7.2.4 Проверка устойчивости УСВ к воздействию механических ударов многократного действия
7.2.4.1 Проверку устойчивости УСВ к воздействию механических ударов многократного действия проводят во включенном состоянии.
УСВ подвергают воздействию ударов в каждом из трех взаимно перпендикулярных положениях при следующих значениях воздействующих факторов:
- пиковое ударное ускорение - 98 м/с2 (10g);
- частота повторения удара - не более 80 ударов/мин;
- длительность удара - (10 +/- 5) мс;
- число ударов по каждому направлению - 333 (при общем числе ударов 1000).
7.2.4.2 Произвести внешний осмотр и закрепить УСВ в приспособлении на платформе ударной механической установки в одном из положений.
7.2.4.3 Используя схемы соединений (см. рисунок А.2, приложение А), провести проверку работоспособности УСВ согласно методике проверки, приведенной в 5.2.3.
7.2.4.4 Подвергнуть УСВ воздействию механических ударов с параметрами, указанными в 7.2.4.1.
7.2.4.5 В течение испытания периодически проводить проверку согласно методике проверки, приведенной в 5.2.3.
УСВ должна быть работоспособной и не должны отображаться сообщения об ошибках.
7.2.4.6 По завершении испытаний провести проверку работоспособности согласно методике проверки, приведенной в 5.2.3.
Выключить питание УСВ.
7.2.4.7 Изменить положение УСВ на ударной механической установке и повторить действия по 7.2.4.3 - 7.2.4.5 для двух других взаимно перпендикулярных положений.
7.2.4.8 Снять УСВ с ударной механической установки, произвести внешний осмотр и выполнить проверку работоспособности согласно методике проверки, приведенной в 5.2.3.
7.2.4.9 УСВ считается выдержавшей проверку на устойчивость к воздействию механических ударов многократного действия, если после проведения испытаний не обнаружено механических повреждений, нарушений лакокрасочного покрытия, ослабления крепления составных частей УСВ и все тесты по проверке работоспособности завершены успешно.
7.2.5 Проверка прочности УСВ к воздействию механических ударов многократного действия
7.2.5.1 Испытание проводят в трех взаимно перпендикулярных положениях УСВ.
7.2.5.2 Произвести внешний осмотр и закрепить испытуемый образец УСВ на платформе ударной механической установки в одном из трех взаимно перпендикулярных положений.
7.2.5.3 Используя схемы соединений (см. рисунок А.2, приложение А), провести проверку работоспособности системы согласно методике проверки, приведенной в 5.2.3.
7.2.5.4 Проверку прочности УСВ к воздействию механических ударов многократного действия проводят в выключенном состоянии при следующих значениях воздействующих факторов:
- пиковое ударное ускорение - 98 м/с2 (10g);
- частота повторения удара - не более 80 ударов/мин;
- длительность удара - от 5 до 15 мс (предпочтительно - 10 мс);
- число ударов по каждому направлению - 3333 (при общем числе ударов 10000).
7.2.5.5 Снять УСВ с ударной механической установки, произвести внешний осмотр и выполнить проверку работоспособности согласно методике проверки, приведенной в 5.2.3.
7.2.5.6 Изменить положение УСВ на ударной механической установке и повторить действия по 7.2.5.3 - 7.2.5.5 для двух других взаимно перпендикулярных положений.
7.2.5.7 УСВ считается выдержавшей проверку на устойчивость к воздействию механических ударов многократного действия, если после проведения испытаний не обнаружено механических повреждений, нарушений лакокрасочного покрытия, ослабления крепления составных частей УСВ и все тесты по проверке работоспособности завершены успешно.
7.2.6 Проверка устойчивости УСВ к воздействию одиночных механических ударов
7.2.6.1 Произвести внешний осмотр и закрепить УСВ на платформе ударной механической установки в специальном приспособлении, имитирующем реальные условия крепления на транспортном средстве.
7.2.6.2 Используя схемы соединений (см. рисунок А.2, приложение А), провести проверку работоспособности УСВ согласно методике проверки, приведенной в 5.2.3.
7.2.6.3 Подвергнуть УСВ во включенном состоянии воздействию трех механических одиночных ударов с пиковым ударным ускорением 735 м/с2 (75g) и длительностью ударного ускорения (3 +/- 2) мс.
7.2.6.4 Снять УСВ с ударной механической установки, произвести внешний осмотр крепления и выполнить проверку работоспособности согласно методике проверки, приведенной в 5.2.3.
7.2.6.5 УСВ считается выдержавшей испытания на устойчивость к воздействию механических ударов одиночного действия с ускорением 75g, если после проведения проверки не обнаружено механических повреждений, ослабления крепления составных частей УСВ и все тесты проверки работоспособности завершены успешно.
7.2.7 Проверка прочности УСВ к воздействию механических ударов при транспортировании
ИС МЕГАНОРМ: примечание.
В официальном тексте документа, видимо, допущена опечатка: таблица 12 в ГОСТ 33464 отсутствует.
7.2.7.1 Испытания проводятся с целью проверки соответствия УСВ требованиям ГОСТ 33464 (пункт 13.3.1, таблица 12) и ГОСТ 16019 (таблица 2, пункт 8) на прочность к воздействию механических ударов при транспортировании в упаковке.
7.2.7.2 Испытание проводят для каждого из трех взаимно перпендикулярных положений УСВ.
7.2.7.3 Произвести внешний осмотр и закрепить УСВ в упаковке на платформе ударной механической установки.
Подвергнуть УСВ воздействию механических ударов в каждом из трех взаимно перпендикулярных положений с пиковым ударным ускорением 250 м/с2 (25g) и длительностью ударного ускорения от 5 до 10 мс (предпочтительно 6 мс). Число ударов в каждом из положений - 4000, частота повторения ударов - не более 80 ударов в минуту.
7.2.7.4 Снять УСВ в упаковке с платформы ударной механической установки и произвести осмотр упаковочной тары. Упаковка не должна иметь повреждений.
7.2.7.5 Извлечь из упаковки и произвести внешний осмотр УСВ. Корпуса и внешние соединители УСВ не должны иметь повреждений.
7.2.7.6 Произвести проверку работоспособности УСВ согласно методике проверки, приведенной в 5.2.3.
7.2.7.7 УСВ считается выдержавшей испытание по проверке прочности к воздействию механических ударов при транспортировании, если после проведения испытания упаковочный ящик (упаковочная тара) и УСВ не имеют механических повреждений, а проверка работоспособности системы завершена успешно.
7.2.8 Проверка стойкости УСВ к воздействию перегрузок, возникающих при столкновении транспортного средства
7.2.8.1 Испытания проводят с целью проверки соответствия УСВ требованиям, установленным в техническом регламенте [1] (пункт 118, приложение 10) и ГОСТ 33464 (пункт 13.3.3), по сохранению работоспособности устройства и его крепления на транспортном средстве при перегрузках, возникающих при столкновении транспортного средства и определяемых в соответствии с Правилами ЕЭК ООН [5].
В ходе указанных испытаний осуществляются также проверки соответствия транспортного средства в отношении установки УСВ требованиям [1] (пункт 16, приложение 3) и [1] (пункт 118, приложение 10) в части требований, связанных с функционированием устройства после ДТП.
7.2.8.2 Испытания УСВ проводят в порядке, изложенном в Правилах ЕЭК ООН [5] (раздел 6) при следующих условиях:
а) метод испытаний - стендовые испытания с имитацией ударного воздействия, возникающего при столкновении транспортного средства в соответствии с [5] (пункт 1, приложение 7);
б) характеристики ударного воздействия:
1) направление воздействия - горизонтальное продольное;
2) профиль ускорений - в соответствии с [5] (добавление к приложению 9);
в) средства испытаний - испытательная тележка с закрепленным на ней в соответствии с требованиями [5] (пункт 1, приложение 7) кузовом ТС или фрагментом кузова ТС;
Примечания:
1 Испытательная тележка в соответствии с Правилами ЕЭК ООН [6] (пункт 2.16) представляет собой испытательное оборудование, которое изготавливают и используют для воспроизведения динамики ДТП в случае лобового столкновения.
2 Под фрагментом кузова ТС понимается часть кузова ТС, включающая элементы конструкции, на которые устанавливается УСВ.
3 В случае отсутствия технической возможности крепления кузова (фрагмента кузова) ТС на испытательной тележке допускается крепление УСВ на платформе испытательной тележки при условии использования механизмов и способов крепления УСВ на кузове ТС. При этом способы крепления УСВ на платформе указанного испытательного оборудования не должны приводить к усилению крепления по сравнению с установкой УСВ на кузове транспортного средства.
г) средства измерений характеристик ударного воздействия - в соответствии с требованиями [5] (пункт 1, приложение 7);
д) должно быть обеспечено наличие электропитания на кузове ТС, соответствующего номинальному значению напряжения ТС, для оснащения которого предназначено УСВ;
е) срабатывание УСВ после ударного воздействия должно инициироваться посредством нажатия кнопки "Экстренный вызов".
7.2.8.3 Перед проведением стендовых испытаний по 7.2.8.4 - 7.2.8.15 должны быть успешно проведены процедуры проверок по 5.2.1 и 5.2.2.
7.2.8.4 Провести внешний осмотр и закрепить УСВ на испытательной тележке (см. перечисление в 7.2.8.2) с учетом требований 7.1.5.
7.2.8.5 Собрать схему испытаний УСВ, используя схему соединений составных частей УСВ, приведенную в ГОСТ 33467 (приложение А).
7.2.8.6 После подачи питания и "включения зажигания" убедиться в успешном исходе процедуры самодиагностики УСВ в соответствии с ГОСТ 33464 (пункт 6.17).
Примечание - Требования и объем процедуры самодиагностики УСВ установлены в ГОСТ 33464 (подраздел 7.6).
7.2.8.7 Перевести УСВ в режим тестирования в соответствии с указаниями, приведенными в эксплуатационных документах на испытуемое устройство, и осуществить проверку работоспособности УСВ в соответствии с ГОСТ 33467 (подраздел 6.9).
7.2.8.8 В соответствии с указаниями, приведенными в эксплуатационных документах на УСВ, убедиться, что после завершения процедуры проверки работоспособности испытуемое устройство находится в режиме "ЭРА" (см. ГОСТ 33464 (раздел 7)).
7.2.8.9 Включить и настроить на воспроизведение звуковой программы имитатор аудиосистемы ТС, входящей в состав стенда, описание которого приведено в ГОСТ 33467 (приложение А).
Примечание - В зависимости от имеющейся технической возможности воспроизведение звуковой программы может быть осуществлено при помощи радио или с оптического носителя информации для хранения аудиозаписей в цифровом виде.
7.2.8.10 Проверить, что на стороне эмулятора системы экстренного реагирования при авариях настроен интерфейс для просмотра результатов принимаемых данных о ДТП.
7.2.8.11 С использованием испытательной тележки подвергнуть УСВ воздействию одного механического удара с параметрами согласно перечислению б) 7.2.8.2.
Примечание - При испытаниях УСВ должно находиться во включенном состоянии.
7.2.8.12 Провести внешний осмотр всех составных частей УСВ и устройств их крепления на предмет наличия механических повреждений, нарушения (ослабления) креплений.
Результаты проверки отразить в протоколе испытаний.
7.2.8.13 Инициировать экстренный вызов нажатием кнопки "Экстренный вызов" и, используя методики, приведенные в ГОСТ 33467 (пункты 6.2.1 и 6.2.2), провести проверку работоспособности УСВ после ДТП в части оценки возможности передачи МНД и обеспечения двусторонней голосовой связи.
7.2.8.14 При проведении проверок в соответствии с 7.2.8.13 удостовериться в следующем:
а) при совершении экстренного вызова штатно установленные в ТС звуковоспроизводящие устройства отключаются;
б) при осуществлении передачи МНД в режиме "Экстренный вызов" УСВ произвело оповещение, предназначенное для лиц, находящихся в салоне (кабине) ТС, о передаче МНД посредством использования оптического индикатора состояния УСВ и воспроизведения соответствующего звукового сигнала или голосовой подсказки согласно требованиям ГОСТ 33464 (подпункт 7.5.3.6);
в) после передачи МНД перед подключением голосового канала УСВ произвело оповещение, предназначенное для лиц, находящихся в салоне (кабине) ТС, об осуществлении подключения голосового канала посредством воспроизведения соответствующего звукового сигнала или голосовой подсказки согласно требованиям ГОСТ 33464 (подпункт 7.5.3.7);
г) после осуществления подключения голосового канала УСВ произвело оповещение, предназначенное для лиц, находящихся в салоне (кабине) ТС, о подключении голосового канала посредством использования оптического индикатора состояния УСВ согласно требованиям ГОСТ 33464 (подпункт 7.5.3.8);
д) при осуществлении дозвона, инициированного с использованием интерфейса пользователя эмулятора системы экстренного реагирования при авариях (в рамках соединения, установленного при ручном срабатывании испытуемого устройства), УСВ произвело оповещение, предназначенное для лиц, находящихся в салоне (кабине) ТС, об осуществлении дозвона посредством использования оптического индикатора состояния УСВ и воспроизведения соответствующего звукового сигнала или голосовой подсказки согласно требованиям ГОСТ 33464 (подпункт 7.5.3.5).
7.2.8.15 После получения подтверждения согласно перечислению г) 7.2.8.14 одному из испытателей, находящемуся у УСВ, осуществить двустороннюю голосовую связь с другим испытателем, находящимся у эмулятора системы экстренного реагирования при авариях и имитирующим действия оператора экстренной оперативной службы, в целях проверки соответствия ТС (в отношении установки УСВ) и УСВ требованиям технического регламента [1] (пункт 16, приложение 3 и пункт 118, приложение 10).
7.2.8.16 Зафиксировать результаты испытаний по 7.2.8.4 - 7.2.8.15 в протоколе испытаний.
7.2.8.17 УСВ считается выдержавшим испытания на стойкость к воздействию перегрузок, возникающих при столкновении транспортного средства, если после проведения проверки не обнаружено механических повреждений УСВ, ослабления (разрушения) крепления составных частей УСВ к кузову ТС и все тесты по проверке работоспособности завершены успешно.
7.2.8.18 Испытания УСВ на соответствие требованиям, указанным в 7.2.8.1, рекомендуется совмещать с испытаниями ТС на соответствие требованиям Правил ЕЭК ООН [5] при проведении одобрения типа соответствующей категории ТС, на которое предназначена установка УСВ, согласно [1].
Примечание - Решение по возможности совмещения испытаний должно быть согласовано с производителем ТС и органом по сертификации, проводящим работы по одобрению типа ТС.
ИС МЕГАНОРМ: примечание.
В официальном тексте документа, видимо, допущена опечатка: пункт 7.8.2.1 отсутствует. Возможно, имеется в виду пункт 7.2.8.1.
7.2.8.19 В случае совмещения испытаний, как это указано в 7.2.8.18, и при условии, что изготовителем ТС в соответствии с [5] (пункт 6.3.5) будет принято решение о проведении натурных испытаний ТС на соответствие требованиям Правил ЕЭК ООН [5], изложенным в [4] (пункт 2, приложение 7) (столкновение транспортного средства в снаряженном состоянии с неподвижным препятствием), соответствие УСВ требованиям, приведенным в 7.8.2.1, может быть подтверждено в ходе указанных натурных испытаний ТС.
7.2.8.20 Процедуры проверок при проведении натурных испытаний, указанных в 7.2.8.19, осуществляются в соответствии с 7.2.8.4 - 7.2.8.15.
7.2.8.21 Метод испытаний УСВ (стендовые испытания, натурные испытания) отражается в протоколе испытаний.
Приложение А
(обязательное)
СТРУКТУРНЫЕ СХЕМЫ
СТЕНДОВ И СОЕДИНЕНИЙ ДЛЯ ИСПЫТАНИЙ УСТРОЙСТВА/СИСТЕМЫ ВЫЗОВА
ЭКСТРЕННЫХ ОПЕРАТИВНЫХ СЛУЖБ
Маг - магнитола АТС; Мик - микрофон; Дин - динамик;
БИП - блок интерфейса пользователя; БДА - блок датчика
аварии; АГ - антенна ГЛОНАСС; AG - антенна GSM/UMTS;
БП - блок питания (12/24 В); БС - блок сопряжения;
ЭС - эмулятор системы экстренного реагирования
при авариях; 1 - кабель питания;
2 - цепь зажигания
Рисунок А.1 - Общая схема подключения УСВ
A1 - ПЭВМ; A2 - модуль USB-to-CAN; A3 - блок сопряжения;
A4 - испытуемая УСВ; G1 - источник питания;
1 - кабель; 2, 3 - провод ML-4G
Рисунок А.2 - Схема соединений при проверке
работоспособности УСВ
A1 - ПЭВМ; A2 - модуль USB-to-CAN; A3 - блок сопряжения;
A4 - испытываемая УСВ; G1 - источник питания;
G2 - испытательный генератор импульсных помех
в бортовой сети автотранспортных средств;
1 - кабель; 2, 3 - провод ML-4G
Рисунок А.3 - Схема соединений для испытания УСВ
на устойчивость кондуктивным помехам по цепям питания
A1 - ПЭВМ; A2 - модуль USB-to-CAN; A3 - блок сопряжения;
A4 - испытываемая УСВ; A5 - эквивалент бортовой сети;
G1 - источник питания; L1 - катушка индуктивности
с воздушным сердечником, рассчитанная на ток до 5 А;
P1 - осциллограф; 1 - кабель; 2, 3 - провод ML-4G
Рисунок А.4 - Схема соединений при проверке уровня
собственных помех УСВ по цепям питания
A1 - ПЭВМ; A2 - модуль USB-to-CAN; A3 - V-образный
эквивалент сети (см. таблицу 2); A4 - блок сопряжения;
A5 - испытываемая УСВ; G1 - источник питания; L1 - катушка
индуктивности с воздушным сердечником, рассчитанная на ток
до 5 А; P1 - осциллограф; 1 - кабель; 2, 3 - провод ML-4G
Рисунок А.5 - Схема соединений для измерения напряжения
и напряженности радиопомех от УСВ
A1 - ПЭВМ; A2 - модуль USB-to-CAN; A3 - блок сопряжения;
A4 - испытываемая УСВ; G1 - источник питания; 1 - кабель
CAN - OUT; 2 - кабель CAN - IN; 3 - кабель
Рисунок А.6 - Схема соединений при проверке устойчивости
УСВ к воздействию электромагнитного излучения
БИБЛИОГРАФИЯ
[1]
Технический регламент Таможенного союза о безопасности колесных транспортных средств (ТР ТС 018/2011), утвержденный Решением Комиссии Таможенного союза от 9 декабря 2011 г. N 877 (в ред. Решения Совета Евразийской экономической комиссии от 30.01.2013 N 6)
[2]
Правила ЕЭК ООН N 10-03
Единообразные предписания, касающиеся официального утверждения транспортных средств в отношении электромагнитной совместимости
[3]
СИСПР 25:2008
(CISPR 25:2008)
Транспортные средства, моторные лодки и двигатели внутреннего сгорания. Характеристики радиопомех. Нормы и методы измерений для защиты радиоприемных устройств, размещенных на подвижных средствах (Vehicles, boats and internal combustion engines - Radio disturbance characteristics - Limits and methods of measurement for protection of on-board receivers), включая Поправку 1:2009
[4]
ИСО 10605:2008
(ISO 10605:2008)
Транспорт дорожный. Методы испытания на электропомехи от электростатических разрядов (Road vehicles. Test methods for electrical disturbances from electrostatic discharge)
[5]
Правила ЕЭК ООН N 17
Единообразные предписания, касающиеся официального утверждения транспортных средств в отношении прочности сидений, их креплений и подголовников
[6]
Правила ЕЭК ООН N 80
Единообразные предписания, касающиеся официального утверждения сидений крупногабаритных пассажирских транспортных средств и официального утверждения этих транспортных средств в отношении прочности сидений и их креплений
УДК 621.396.931:006.354
МКС 33.020
Ключевые слова: устройство/система вызова экстренных оперативных служб, испытания, климатические воздействия, методы испытаний, механические воздействия, условия проведения испытаний, электромагнитная совместимость