Главная // Актуальные документы // ГОСТ (Государственный стандарт)СПРАВКА
Источник публикации
М.: Стандартинформ, 2018
Примечание к документу
Текст данного документа приведен с учетом
поправки, опубликованной в "ИУС", N 9, 2023.
Документ включен в
Перечень международных и региональных (межгосударственных) стандартов, а в случае их отсутствия - национальных (государственных) стандартов, в результате применения которых на добровольной основе обеспечивается соблюдение требований технического
регламента Таможенного союза "О безопасности машин и оборудования" (ТР ТС 010/2011) (
Решение Коллегии Евразийской экономической комиссии от 09.03.2021 N 28).
Документ
введен в действие с 01.08.2018.
Название документа
"ГОСТ 34233.2-2017. Межгосударственный стандарт. Сосуды и аппараты. Нормы и методы расчета на прочность. Расчет цилиндрических и конических обечаек, выпуклых и плоских днищ и крышек"
(введен в действие Приказом Росстандарта от 14.12.2017 N 1990-ст)
"ГОСТ 34233.2-2017. Межгосударственный стандарт. Сосуды и аппараты. Нормы и методы расчета на прочность. Расчет цилиндрических и конических обечаек, выпуклых и плоских днищ и крышек"
(введен в действие Приказом Росстандарта от 14.12.2017 N 1990-ст)
агентства по техническому
регулированию и метрологии
от 14 декабря 2017 г. N 1990-ст
МЕЖГОСУДАРСТВЕННЫЙ СТАНДАРТ
СОСУДЫ И АППАРАТЫ
НОРМЫ И МЕТОДЫ РАСЧЕТА НА ПРОЧНОСТЬ
РАСЧЕТ ЦИЛИНДРИЧЕСКИХ И КОНИЧЕСКИХ ОБЕЧАЕК,
ВЫПУКЛЫХ И ПЛОСКИХ ДНИЩ И КРЫШЕК
Vessels and apparatus. Norms and methods of strength
calculation. Calculation of cylindric and conic shells,
convex and flat bottoms and covers
(ISO 16528-1:2007, NEQ)
(ISO 16528-2:2007, NEQ)
ГОСТ 34233.2-2017
Дата введения
1 августа 2018 года
Цели, основные принципы и основной порядок проведения работ по межгосударственной стандартизации установлены в
ГОСТ 1.0-2015 "Межгосударственная система стандартизации. Основные положения" и
ГОСТ 1.2-2015 "Межгосударственная система стандартизации. Стандарты межгосударственные, правила и рекомендации по межгосударственной стандартизации. Правила разработки, принятия, обновления и отмены"
1 РАЗРАБОТАН Межгосударственным техническим комитетом по стандартизации МТК 523 "Техника и технологии добычи и переработки нефти и газа"; Закрытым акционерным обществом "ПЕТРОХИМ ИНЖИНИРИНГ" (ЗАО "ПХИ"); Акционерным обществом "Всероссийский научно-исследовательский и проектно-конструкторский институт нефтяного машиностроения" (АО "ВНИИНЕФТЕМАШ"); Обществом с ограниченной ответственностью "Научно-техническое предприятие ЦЕНТРХИММАШ" (ООО "НТП ЦЕНТРХИММАШ"); Акционерным обществом "Научно-исследовательский и конструкторский институт химического машиностроения" (АО "НИИХИММАШ")
2 ВНЕСЕН Федеральным агентством по техническому регулированию и метрологии
3 ПРИНЯТ Межгосударственным советом по стандартизации, метрологии и сертификации (протокол от 14 июля 2017 г. N 101-П)
За принятие проголосовали:
Краткое наименование страны по МК (ИСО 3166) 004-97 | Код страны по МК (ИСО 3166) 004-97 | Сокращенное наименование национального органа по стандартизации |
Азербайджан | AZ | Азстандарт |
Армения | AM | Минэкономики Республики Армения |
Беларусь | BY | Госстандарт Республики Беларусь |
Казахстан | KZ | Госстандарт Республики Казахстан |
Киргизия | KG | Кыргызстандарт |
Россия | RU | Росстандарт |
Таджикистан | TJ | Таджикстандарт |
Узбекистан | UZ | Узстандарт |
Украина | UA | Минэкономразвития Украины |
4
Приказом Федерального агентства по техническому регулированию и метрологии от 14 декабря 2017 г. N 1990-ст межгосударственный стандарт ГОСТ 34233.2-2017 введен в действие в качестве национального стандарта Российской Федерации с 1 августа 2018 г.
5 В настоящем стандарте учтены основные нормативные положения следующих международных стандартов:
- ISO 16528-1:2007 "Котлы и сосуды, работающие под давлением. Часть 1. Требования к рабочим характеристикам" ("Boilers and pressure vessels - Part 1: Performance requirements", NEQ);
- ISO 16528-2:2007 "Котлы и сосуды, работающие под давлением. Часть 2. Процедуры выполнения требований ISO 16528-1" ("Boilers and pressure vessels - Part 2: Procedures for fulfilling the requirements of ISO 16528-1", NEQ)
--------------------------------
<*>
Приказом Федерального агентства по техническому регулированию и метрологии от 14 декабря 2017 г. N 1990-ст
ГОСТ Р 52857.2-2007 отменен с 1 августа 2018 г.
7 ВВЕДЕН ВПЕРВЫЕ
Информация об изменениях к настоящему стандарту публикуется в ежегодном информационном указателе "Национальные стандарты", а текст изменений и поправок - в ежемесячном информационном указателе "Национальные стандарты". В случае пересмотра (замены) или отмены настоящего стандарта соответствующее уведомление будет опубликовано в ежемесячном информационном указателе "Национальные стандарты". Соответствующая информация, уведомление и тексты размещаются также в информационной системе общего пользования - на официальном сайте Федерального агентства по техническому регулированию и метрологии в сети Интернет (www.gost.ru)
Настоящий стандарт устанавливает нормы и методы расчета на прочность цилиндрических обечаек, конических элементов, выпуклых днищ и плоских днищ и крышек сосудов и аппаратов, применяемых в химической, нефтехимической, нефтеперерабатывающей и других отраслях промышленности, работающих в условиях однократных и многократных <1> статических нагрузок под внутренним избыточным давлением, вакуумом или наружным давлением, под действием осевых и поперечных усилий и изгибающих моментов. Нормы и методы расчета на прочность применимы, если отклонение от геометрической формы и неточности изготовления рассчитываемых элементов сосудов не превышают допусков, установленных в нормативных документах.
--------------------------------
<1> Если число циклов нагружения и/или размах нагрузок превышают значения, при которых в соответствии с
ГОСТ 34233.6 не проводят проверку на малоцикловую прочность, то дополнительно к расчету по настоящему стандарту следует выполнить расчет на малоцикловую прочность по
ГОСТ 34233.6.
В настоящем стандарте использованы нормативные ссылки на следующие стандарты:
ГОСТ 34233.1-2017 Сосуды и аппараты. Нормы и методы расчета на прочность. Общие требования
ГОСТ 34233.3-2017 Сосуды и аппараты. Нормы и методы расчета на прочность. Укрепление отверстий в обечайках и днищах при внутреннем и внешнем давлениях. Расчет на прочность обечаек и днищ при внешних статических нагрузках на штуцер
ГОСТ 34233.4-2017 Сосуды и аппараты. Нормы и методы расчета на прочность. Расчет на прочность и герметичность фланцевых соединений
ГОСТ 34233.6-2017 Сосуды и аппараты. Нормы и методы расчета на прочность. Расчет на прочность при малоцикловых нагрузках
ГОСТ 34233.8-2017 Сосуды и аппараты. Нормы и методы расчета на прочность. Сосуды и аппараты с рубашками
ГОСТ 34283-2017 Сосуды и аппараты. Нормы и методы расчета на прочность при ветровых, сейсмических и других внешних нагрузках. Определение расчетных усилий
Примечание - При пользовании настоящим стандартом целесообразно проверить действие ссылочных стандартов в информационной системе общего пользования - на официальном сайте Федерального агентства по техническому регулированию и метрологии в сети Интернет или по ежегодному информационному указателю "Национальные стандарты", который опубликован по состоянию на 1 января текущего года, и по выпускам ежемесячного информационного указателя "Национальные стандарты" за текущий год. Если ссылочный стандарт заменен (изменен), то при пользовании настоящим стандартом следует руководствоваться заменяющим (измененным) стандартом. Если ссылочный стандарт отменен без замены, то положение, в котором дана ссылка на него, применяется в части, не затрагивающей эту ссылку.
В настоящем стандарте применены следующие обозначения:
Aк - площадь поперечного сечения кольца жесткости, мм2;
Aр - площадь поперечного сечения ребра жесткости, мм2;
a - ширина кольца жесткости у сферического неотбортованного днища или крышки, мм;
a1р, a2р - расчетные длины переходных зон конических и цилиндрических обечаек, мм;
a1, a2 - исполнительные длины переходных элементов конических и цилиндрических обечаек, мм;
aг - овальность поперечного сечения отвода (отношение разности максимального и минимального наружных диаметров сечения к их полусумме), %;
B1, B2, B3, B4, B5, B6, B7 - безразмерные коэффициенты;
b - расстояние между двумя смежными кольцами жесткости или коэффициент в
приложении А, мм;
bi (i = 1, 2, 3, ..., n) - длины хорд отверстий в диаметральных сечениях плоских круглых днищ и крышек, мм;
c - сумма прибавок к расчетным толщинам стенок, мм;
c1 - прибавка для компенсации коррозии и эрозии, мм;
c2 - прибавка для компенсации минусового допуска, мм;
c3 - технологическая прибавка, мм;
c31 - технологическая прибавка к толщине стенки, учитывающая ее утонение с внешней стороны отвода, зависящая от способа изготовления отвода, мм;
c32 - технологическая прибавка к толщине стенки, учитывающая ее утонение с внутренней стороны отвода, мм (по умолчанию c32 = 0);
c33 - технологическая прибавка к толщине стенки, учитывающая ее утонение в средней части (+/- 15% от нейтральной линии) отвода, мм (по умолчанию c33 = 0);
D - внутренний диаметр сосуда или аппарата, мм;
Dс.п - расчетный диаметр прокладки, мм;
DE - эффективный диаметр конической обечайки при наружном давлении, мм;
DF - эффективный диаметр конической обечайки при осевом сжатии и изгибе, мм;
Dк - расчетный диаметр гладкой конической обечайки, мм;
Dн - наружный диаметр торцов отвода (колена), мм;
Dр - расчетный диаметр днища (крышки) и конической обечайки, мм;
D1 - наружный диаметр сосуда или аппарата, а также внутренний диаметр меньшего основания конической обечайки, мм;
D2 - наименьший диаметр наружной утоненной части плоской крышки, мм;
D3 - диаметр болтовой окружности, мм;
d - диаметр отверстия в днище и крышке, мм;
dб - диаметр отверстия под болт (шпильку), мм;
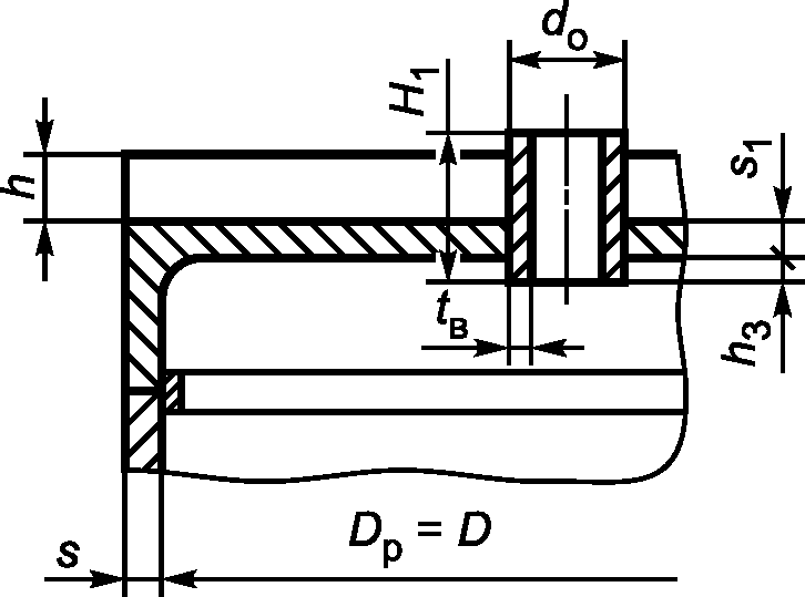
dо - наружный диаметр центральной втулки оребренных плоских днищ и крышек, мм;
di (i = 1, 2, 3, ..., n) - диаметр отверстий в плоских днищах и крышках, мм;
E - модуль продольной упругости при расчетной температуре, МПа;
e - расстояние между центром тяжести поперечного сечения кольца жесткости и срединной поверхностью обечайки, мм;
e0 - расстояние от центра тяжести поперечного сечения ребра жесткости до его основания, мм;
e1 - расстояние от точки пересечения средней линии стенки сферического сегмента с кольцом до горизонтальной оси, проходящей через центр тяжести поперечного сечения кольца, мм;
e2 - расстояние от окружности расположения болтов до внутреннего диаметра кольца, мм;
e3 - расстояние от окружности расположения болтов до линии действия реакции прокладки, мм;
e4 - расстояние от срединной поверхности пластины крышки с ребрами до нейтральной поверхности оребренных плоских днищ и крышек, мм;
F - расчетное осевое растягивающее или сжимающее усилие (без учета нагрузки, возникающей от внутреннего избыточного или наружного давления), Н;
Fxi, Fyi - поперечные усилия в i-й точке оси отвода (i = 0, 1, 2, 3, ..., n), Н;
Fzi - осевое усилие в i-й точке оси отвода (i = 0, 1, 2, 3, ..., n), Н;
[F] - допускаемое растягивающее или сжимающее усилие, Н;
[F]E - допускаемое осевое сжимающее усилие из условия устойчивости в пределах упругости, Н;
[
F]
п - допускаемое осевое сжимающее усилие из условия прочности при

, равном 1, Н;
[F]E1 - допускаемое осевое сжимающее усилие, определяемое из условия местной устойчивости в пределах упругости, Н;
[F]E2 - допускаемое осевое сжимающее усилие, определяемое из условия общей устойчивости в пределах упругости, Н;
H - высота выпуклой части днища по внутренней поверхности без учета цилиндрической части, мм;
H1 - высота втулки оребренных плоских днищ и крышек, мм;
h - высота кольца, а также высота ребра жесткости плоского днища (крышки), мм;
h1 - длина цилиндрической отбортовки выпуклых днищ, мм;
h2 - высота сечения кольца жесткости, измеряемая от срединной поверхности обечайки, мм;
h3 - расстояние от нижней поверхности оребренной плоской крышки (днища) до нижнего торца втулки, мм;
I - эффективный момент инерции расчетного поперечного сечения кольца жесткости, мм4;
Iк - момент инерции поперечного сечения кольца жесткости относительно оси, проходящей через центр тяжести поперечного сечения кольца (относительно оси X - X), мм4;
K - коэффициент конструкции плоских днищ и крышек;
K1, K2, K3, K4, K6, K7 - безразмерные коэффициенты;
Kо - коэффициент ослабления плоских днищ (крышек) с отверстием;
Kр - поправочный коэффициент;
Kэ - коэффициент приведения радиуса кривизны эллиптического днища;
Kс - коэффициент тонкостенности сферических неотбортованных днищ и крышек;
k - коэффициент жесткости обечайки, подкрепленной кольцами жесткости;
L - расчетная длина цилиндрической обечайки, укрепленной кольцами жесткости, мм;
l - расчетная длина гладкой обечайки, мм;
lE - эффективная длина конической обечайки, мм;
le - эффективная длина стенки обечайки, учитываемая при определении эффективного момента инерции, мм;
lпр - приведенная расчетная длина, мм;
l1 - расстояние между двумя кольцами жесткости по осям, проходящим через центр тяжести поперечного сечения колец жесткости, мм;
l2 - расстояние между крайними кольцами жесткости и следующими эффективными элементами жесткости, мм;
l3 - длина примыкающего элемента, учитываемая при определении расчетной длины l или L, мм;
M - расчетный изгибающий момент, Н·мм;
Mxi, Myi - изгибающие моменты в i-й точке оси отвода (i = 0, 1, 2, 3, ..., n), Н·мм;
Mzi - крутящий момент в i-й точке оси отвода (i = 0, 1, 2, 3, ..., n), Н·мм;
[M] - допускаемый изгибающий момент, Н·мм;
[M]E - допускаемый изгибающий момент из условия устойчивости в пределах упругости, Н·мм;
[
M]
п - допускаемый изгибающий момент из условия прочности при

, равном 1, Н·мм;
n - число радиальных ребер;
nу - коэффициент запаса устойчивости;
p - расчетное внутреннее избыточное или наружное давление, МПа;
pF - эквивалентное давление при нагружении осевым усилием, МПа;
pМ - эквивалентное давление при нагружении изгибающим моментом, МПа;
[p] - допускаемое внутреннее избыточное или наружное давление, МПа;
[p]E - допускаемое наружное давление из условия устойчивости в пределах упругости, МПа;
[
p]
п - допускаемое наружное давление из условия прочности при

, равном 1, МПа;
[p]1 - допускаемое внутреннее избыточное или наружное давление, определяемое из условия прочности или устойчивости всей обечайки (с кольцами жесткости), МПа;
[p]1E - допускаемое наружное давление из условия устойчивости всей обечайки (с кольцами жесткости) в пределах упругости, МПа;
[
p]
1п - допускаемое наружное давление из условия прочности всей обечайки при

, равном 1, МПа;
[p]2 - допускаемое наружное давление, определяемое из условия прочности или устойчивости обечайки между двумя соседними кольцами жесткости, МПа;
[p]1, [p]2 - допускаемые давления для сферических неотбортованных днищ (крышек) и для плоских днищ (крышек) с радиальными ребрами, МПа;
Q - расчетное поперечное усилие, Н;
Q0 - дополнительное усилие, действующее на центральную часть оребренной плоской крышки (днища), Н;
[Q] - допускаемое поперечное усилие, Н;
[Q]E - допускаемое поперечное усилие из условия устойчивости в пределах упругости, Н;
[
Q]
п - допускаемое поперечное усилие из условия прочности при

, равном 1, Н;
q - коэффициент;
R - радиус кривизны в вершине выпуклого днища по внутренней поверхности, мм;
Rс - радиус кривизны сферического сегмента по внутренней поверхности, мм;
Rб - болтовая нагрузка, Н;
Rг - радиус отвода (радиус изгиба), мм;
Rп - реакция прокладки, Н;
r - внутренний радиус отбортовки конической обечайки (днища), а также радиус выточки плоских днищ, мм;
r1 - наружный радиус отбортовки торосферического днища, мм;
rг.ср - средний радиус поперечного сечения отвода, мм;
s - исполнительная толщина стенки цилиндрической обечайки, мм;
sг - исполнительная толщина стенки отвода, мм;
sг1 - толщина стенки с внешней стороны отвода, мм;
sг2 - толщина стенки с внутренней стороны отвода, мм;
sг3 - толщина стенки средней части (+/- 15% от нейтральной линии) отвода, мм (по умолчанию sг3 = sг);
sк - исполнительная толщина стенки конической обечайки, мм;
sр - расчетная толщина стенки цилиндрической обечайки, мм;
sк.р - расчетная толщина стенки конической обечайки, мм;
s1р - расчетная толщина стенки днищ и крышек, а также переходной зоны конической обечайки, мм;
s2р - расчетная толщина стенки переходной зоны цилиндрической обечайки, мм;
sт - исполнительная толщина стенки тороидального перехода конической обечайки, мм;
sт.р - расчетная толщина стенки тороидального перехода конической обечайки, мм;
s1э; s2э - эффективные толщины стенок переходных частей обечаек, мм;
s1 - исполнительная толщина стенки днищ и крышек, переходной зоны конической обечайки, а также исполнительная толщина плоской крышки в месте паза для перегородки, мм;
s2 - исполнительная толщина плоской крышки в зоне уплотнения, а также исполнительная толщина стенки переходной зоны цилиндрической обечайки, мм;
s3 - толщина крышки вне уплотнения, мм;
s4 - ширина паза под перегородку, мм;
s5 - исполнительная толщина выступающей части обечайки, мм;
s' - исполнительная толщина стенки пологого конического днища, мм;
s'р - расчетная толщина стенки пологого конического днища, мм;
s'1р; s"1р - расчетная толщина стенки сферического неотбортованного днища, мм;
T - расчетная температура, °C;
t - ширина поперечного сечения кольца жесткости в месте его приварки к обечайке, мм;
tв - толщина втулки оребренной плоской крышки (днища), мм;
tj - несущая ширина кольцевого сварного шва, мм;
Y1, Y2, Y3 - коэффициенты формы отвода;

- половина угла раствора при вершине конической обечайки, град;

,

,

,

,

,

,

,

,

,

,

,

,

- коэффициенты формы конических обечаек;

- коэффициент интенсификации изгибных продольных напряжений в отводе;

- угол изгиба отвода (угол между плоскостями торцов отвода), град;

(
i = 1, 2, 3, ...,
n) - угол между торцом и расчетным сечением отвода, град;

- коэффициент интенсификации изгибных поперечных напряжений в отводе;

- гибкость элемента;

- безразмерный геометрический параметр при расчете отводов;

- безразмерный параметр в
5.4.1;

- приведенное напряжение, определяемое по суммарным мембранным и общим изгибным напряжениям, МПа;

- приведенное напряжение, определяемое по суммарным мембранным и общим изгибным напряжениям, МПа;

- допускаемое напряжение при расчетной температуре, МПа;

,

- допускаемые напряжения для плоской крышки, МПа;

- допускаемое напряжение для кольца жесткости при расчетной температуре, МПа;

,

,

- допускаемые напряжения для частей сосуда (цилиндрических, конических, сферических) при расчетной температуре, МПа;

- допускаемое напряжение для ребра жесткости, МПа;

- допускаемое напряжение для втулки, МПа;

- допускаемое условно-упругое напряжение при расчетной температуре для оценки напряжений, определяемых по суммам составляющих общих или местных мембранных и общих изгибных напряжений [см. ГОСТ 34233.1
(пункт 8.10)], МПа;

- допускаемое значение суммарных мембранных (общих или местных), изгибных (общих и местных) и общих температурных напряжений, МПа;

- коэффициенты прочности сварных швов;

- коэффициент прочности сварных швов кольца жесткости;

- коэффициент прочности продольного сварного шва;

- коэффициент прочности кольцевого сварного шва;

- коэффициент снижения допускаемых напряжений при расчете на устойчивость из условия местной устойчивости при осевом сжатии;

- коэффициент снижения допускаемых напряжений при расчете на устойчивость из условия общей устойчивости при осевом сжатии;

- коэффициент снижения допускаемых напряжений при расчете на устойчивость из условия местной устойчивости при изгибе;

- вспомогательный параметр;

,

,

,

- отношение допускаемых напряжений

;

;

;

- соответственно;

- коэффициент;

- угол между касательной к сферическому сегменту в краевой зоне и вертикальной осью, град;

- безразмерный параметр внутреннего давления при расчете отводов;

- коэффициент.
4.1 Приведенный в настоящем стандарте расчет применим при выполнении требований
ГОСТ 34233.1.
4.2 В основу расчетных формул, приведенных в настоящем стандарте, при оценке прочности положен метод предельных нагрузок. При расчете на устойчивость от внешнего давления, при вакууме, а также от других нагрузок, вызывающих сжимающее напряжение, в качестве предельного состояния принято достижение нижних критических напряжений.
4.3 При одновременном действии нескольких нагрузок (давления, осевого сжатия и т.д.) условие прочности (устойчивости) проверяют на основе их линейного взаимодействия, за исключением случаев, когда имеются более точные решения.
4.4 В настоящем стандарте приведены формулы для определения исполнительных размеров элементов сосудов и аппаратов при проектировочном расчете и определении допускаемых нагрузок при поверочном расчете.
5 Расчет цилиндрических обечаек
5.1 Расчетные схемы
5.1.1 Расчетные схемы цилиндрических обечаек приведены на рисунках 1 -
4.
а - обечайка с фланцем или с плоским днищем;
б - обечайка с жесткими перегородками
Рисунок 1 - Гладкие цилиндрические обечайки
а - обечайка с отбортованными днищами;
б - обечайка с неотбортованными днищами
Рисунок 2 - Гладкие обечайки
с выпуклыми или коническими днищами
Рисунок 3 - Гладкие обечайки с рубашкой
Рисунок 4 - Цилиндрическая обечайка,
подкрепленная кольцами жесткости
Примечание -
Рисунки 1 - 4 не определяют конструкцию и приведены только для указания расчетных размеров.
5.2 Условия применения расчетных формул
5.2.1 Расчетные формулы применимы при отношении толщины стенки к диаметру:
-

для обечаек и труб при
D >= 200 мм;
-

для труб при
D < 200 мм.
5.2.2 Формулы, приведенные в
5.3.2,
5.3.4 -
5.3.7 и
5.4.2, следует применять при условии, что расчетные температуры не превышают значений, при которых учитывается ползучесть материалов, т.е. при таких температурах, когда допускаемое напряжение определяют только по пределу текучести или временному сопротивлению (пределу прочности). Если нет точных данных по этим температурам, то формулы применимы при расчетных температурах, которые не превышают 380 °C для углеродистых сталей, 420 °C - для низколегированных и легированных сталей, 525 °C - для аустенитных сталей, 150 °C - для алюминия и его сплавов, 250 °C - для меди и ее сплавов, 300 °C - для титана и его сплавов.
5.2.3 Для обечаек, подкрепленных кольцами жесткости, дополнительно к требованиям
5.2.1 и 5.2.2 следует выполнять следующие ограничения:
- отношение высоты сечения кольца жесткости к диаметру

;
- расчетные формулы следует применять при условии равномерного расположения колец жесткости;
- в тех случаях, когда кольца жесткости установлены неравномерно, значения b и l1 необходимо подставлять для того участка, на котором расстояние между двумя соседними кольцами жесткости максимальное;
- если l2 > l1, то в качестве расчетной длины принимают l2.
Примечание - В случае отсутствия полной теплоизоляции колец жесткости теплоизолированных сосудов и в других технически обоснованных случаях необходимо выполнить дополнительный расчет колец жесткости на совместное действие давления и напряжений от стесненности температурных деформаций с оценкой по ГОСТ 34233.1
(пункт 8.10). При этом суммарные мембранные и изгибные напряжения в ободе кольца не должны превышать величину

.
5.2.4 Расчетные формулы для обечаек, работающих под действием осевого сжимающего усилия, приведенные в
5.3.4,
5.4.3, применимы при следующем условии:

или

.
Для обечаек, у которых

или

, при отсутствии более точных расчетов допускается пользоваться
формулами (15) и
(17).
5.3 Гладкие цилиндрические обечайки
5.3.1 Обечайки, нагруженные внутренним избыточным давлением
5.3.1.1 Толщину стенки вычисляют по формуле
где расчетную толщину стенки вычисляют по формуле

(2)
5.3.1.2 Допускаемое внутреннее избыточное давление вычисляют по формуле

(3)
5.3.1.3 При изготовлении обечайки из листов разной толщины, соединенных продольными швами, расчет толщины обечайки проводят для каждого листа с учетом имеющихся в них ослаблений.
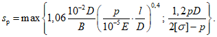
5.3.2 Обечайки, нагруженные наружным давлением
5.3.2.1 Значение необходимой толщины стенки может быть предварительно вычислено по формулам (4) и
(5) с обязательной последующей проверкой по
формуле (7).
Толщину стенки вычисляют по формуле
s >= sр + c. (4)
Расчетную толщину стенки вычисляют по формуле

(5)
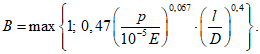
Коэффициент B вычисляют по формуле

(6)
5.3.2.2 Допускаемое наружное давление вычисляют по формуле

(7)
допускаемое давление из условия прочности вычисляют по формуле

(8)
а допускаемое давление из условия устойчивости в пределах упругости вычисляют по формуле

(9)
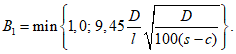
Коэффициент B1 вычисляют по формуле

(10)
При определении расчетной длины обечайки l или L длину примыкающего элемента l3 следует вычислять по формулам:

- для выпуклых днищ;

- для конических обечаек (днищ) без отбортовки, но не более длины конического элемента;

- для конических обечаек (днищ) с отбортовкой, но не более длины конического элемента.
Если примыкающими элементами являются одна или несколько обечаек той же или другой толщины, при определении расчетной длины обечайки следует учитывать их суммарную длину.
5.3.3 Обечайки, нагруженные осевым растягивающим усилием
5.3.3.1 Толщину стенки вычисляют по формуле
s >= sр + c. (11)
Расчетную толщину стенки вычисляют по формуле

(12)
5.3.3.2 Допускаемое осевое растягивающее усилие вычисляют по формуле

(13)
5.3.4 Обечайки, нагруженные осевым сжимающим усилием
5.3.4.1 Допускаемое осевое сжимающее усилие вычисляют по формуле

(14)
Допускаемое осевое сжимающее усилие из условия прочности вычисляют по формуле

(15)
Допускаемое осевое сжимающее усилие из условия устойчивости вычисляют из условия местной устойчивости в пределах упругости по формуле

(16)
Если расчетная длина обечайки l превышает диаметр D более чем в 10 раз, а также для составных обечаек корпусов колонных аппаратов, отличающихся толщиной и диаметром, дополнительно выполняют проверку на условие общей устойчивости в пределах упругости. При этом допускаемое осевое сжимающее усилие из условия устойчивости определяют как меньшее из двух
[
F]
E = min{[
F]
E1; [
F]
E2}. (17)
Допускаемое осевое сжимающее усилие из условия общей устойчивости в пределах упругости вычисляют по формуле

(18)
Гибкость

вычисляют по формуле

(19)
Приведенная расчетная длина
lпр согласно
таблице 1.
Для схем, не приведенных в таблице 1, lпр определяют с помощью специальных методов расчета.
5.3.4.2 Для рабочих условий (nу = 2,4) допускаемое сжимающее усилие можно вычислять по формуле

(20)
Коэффициенты

и

определяют по графикам, приведенным на
рисунках 5 и
6.
Таблица 1
Приведенная расчетная длина
lпр
Расчетная схема | | lпр |
| - | l |
| - | 2l |
| - | 0,7l |
| - | 0,5l |
| - | 1,12l |
| 0 | 2l |
0,2 | 1,73l |
0,4 | 1,47l |
0,6 | 1,23l |
0,8 | 1,06l |
1 | l |
| 0 | 2l |
0,2 | 1,7l |
0,4 | 1,4l |
0,6 | 1,11l |
0,8 | 0,85l |
1 | 0,7l |
5.3.5 Обечайки, нагруженные изгибающим моментом
5.3.5.1 Допускаемый изгибающий момент вычисляют по формуле

(21)
Допускаемый изгибающий момент из условия прочности вычисляют по формуле

(22)
Допускаемый изгибающий момент из условия устойчивости в пределах упругости вычисляют по формуле

(23)
5.3.5.2 Для рабочих условий (nу = 2,4) допускаемый изгибающий момент можно вычислять по формуле

(24)
Коэффициент

следует определять по графику, приведенному на
рисунке 7.
5.3.6 Обечайки, нагруженные поперечными усилиями
Допускаемое поперечное усилие вычисляют по формуле

(25)
Допускаемое поперечное усилие из условия прочности вычисляют по формуле

(26)
Допускаемое поперечное усилие из условия устойчивости в пределах упругости вычисляют по формуле

(27)
5.3.7 Обечайки, работающие под совместным действием наружного давления, осевого сжимающего усилия, изгибающего момента и поперечного усилия
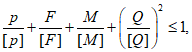
Обечайки, работающие под совместным действием нагрузки, проверяют на устойчивость по формуле

(28)
где [
p] - допускаемое наружное давление по
формуле (7);
Рисунок 5 - График для определения коэффициента

Рисунок 6 - График для определения коэффициента

Рисунок 7 - График для определения коэффициента

5.4 Цилиндрические обечайки, подкрепленные кольцами жесткости
5.4.1 Обечайки с кольцами жесткости, нагруженные внутренним избыточным давлением
5.4.1.1 Определение размеров колец жесткости при внутреннем давлении
Для заданных расчетного давления p и толщины стенки s коэффициент K4 следует вычислять по формуле

(29)
Если
K4 <= 0, то укрепление кольцами жесткости не требуется. В диапазоне

расстояние между двумя кольцами жесткости вычисляют по формуле

(30)
площадь поперечного сечения кольца жесткости вычисляют по формуле

(31)
Если

, то толщину стенки необходимо увеличивать до такого размера, чтобы выполнялось следующее условие:
Примечание - При определении площади поперечного сечения кольца жесткости Aк следует учитывать прибавку C1 для компенсации коррозии.
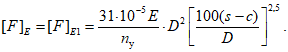
5.4.1.2 Допускаемое внутреннее избыточное давление вычисляют из условия
[p] = min{[p]1; [p]2}. (32)
Допускаемое внутреннее избыточное давление, определяемое из условий прочности всей обечайки, вычисляют по формуле

(33)
Допускаемое внутреннее избыточное давление, определяемое из условий прочности обечайки между двумя соседними кольцами жесткости, вычисляют по формуле

(34)
где

.
5.4.2 Обечайки с кольцами жесткости, нагруженные наружным давлением
5.4.2.1 Расчетные параметры подкрепленной обечайки
Эффективную длину стенки обечайки, учитываемую при определении эффективного момента инерции, определяют из условия

(35)
Эффективный момент инерции расчетного поперечного сечения кольца жесткости вычисляют по формуле

(36)
Коэффициент жесткости обечайки, подкрепленной кольцами жесткости, вычисляют по формуле

(37)
Примечание - При определении момента инерции кольца жесткости следует учитывать прибавку C1 для компенсации коррозии.
5.4.2.2 Допускаемое наружное давление определяют из условия
[p] = min{[p]1; [p]2}. (38)
Допускаемое наружное давление, определяемое исходя из условий устойчивости всей обечайки, вычисляют по формуле

(39)
Допускаемое наружное давление [
p]
1п должно соответствовать величине [
p]
1, определенной по
формуле (33) при значениях коэффициентов

и

.
Допускаемое наружное давление [p]1E из условий устойчивости в пределах упругости вычисляют по формуле

(40)
где

(41)
Допускаемое наружное давление [
p]
2, определяемое исходя из условий устойчивости обечайки между кольцами жесткости при значении длины

, должно соответствовать давлению [
p] (см.
5.3.2.2). Вместо [
p]
п, определенного по
формуле (8), допускается принимать [
p]
2 по
формуле (34) при значении коэффициента

, равном 1.
5.4.3 Обечайки с кольцами жесткости, нагруженные осевым растягивающим или сжимающим усилием, изгибающим моментом или поперечным усилием
Допускаемые нагрузки следует рассчитывать по расчетным
формулам (13),
(14),
(21),
(25) при
l =
b. При расчете обечаек, нагруженных осевыми усилиями, по
5.3.4 вместо
l следует принимать общую длину
L.
5.4.4 Обечайки с кольцами жесткости, нагруженные совместно действующими нагрузками
Расчет следует проводить аналогично расчету по
5.3.7, при этом допускаемое наружное давление следует определять по
5.4.2.2.
6 Расчет выпуклых днищ и крышек
6.1 Расчетные схемы
6.1.1 На рисунке 8 приведены расчетные схемы эллиптических, полусферических и торосферических днищ.
а - эллиптическое днище; б - полусферическое днище;
в - торосферическое днище
Рисунок 8 - Выпуклые днища
Примечание - Рисунок не определяет конструкцию днищ и приведен только для указания необходимых расчетных размеров.
На
рисунках 12 -
15 приведены расчетные схемы неотбортованных сферических днищ и крышек.
6.2 Условия применения расчетных формул
6.2.1 Формулы применимы при выполнении условий:
- для эллиптических днищ
- для торосферических днищ
Для торосферических днищ в зависимости от соотношения параметров R, D1, r1 приняты следующие типы днищ:
- тип A

,

;
- тип B

,

;
- тип C

,

.
Для сферических неотбортованных днищ и крышек формулы следует применять при (s1 - c)/Rс <= 0,1 и 0,85D <= Rс <= D.
Для неотбортованных сферических днищ и крышек (см.
рисунки 12 -
15), нагруженных внутренним избыточным давлением, расчетные формулы следует применять при дополнительном условии (
s1 -
c)/
Rс >= 0,002.
Формулы для неотбортованных сферических днищ и крышек применяют при условии выполнения угловых швов с двусторонним сплошным проваром.
Формулы не учитывают нагружение колец дополнительными нагрузками, например опорными элементами.
6.2.2 Формулы, приведенные в
6.3.2 и
6.4.2, применимы при условии, если расчетные температуры не превышают значений, при которых учитывается ползучесть материалов, т.е. при таких температурах, когда допускаемое напряжение определяют только по пределу текучести или временному сопротивлению (пределу прочности).
Если нет точных данных по этим температурам, то формулы применимы при расчетных температурах, которые не превышают 380 °C для углеродистых сталей, 420 °C - для низколегированных и легированных сталей, 525 °C - для аустенитных сталей, 150 °C - для алюминия и его сплавов, 250 °C - для меди и ее сплавов, 300 °C - для титана и его сплавов.
6.3 Эллиптические и полусферические днища
6.3.1 Эллиптические и полусферические днища, нагруженные внутренним избыточным давлением
6.3.1.1 Толщину стенки вычисляют по формуле
s1 = s1р + c, (42)
где

(43)
6.3.1.2 Допускаемое внутреннее избыточное давление вычисляют по формуле

(44)
6.3.1.3 Радиус кривизны в вершине днища равен:

(45)
где R = D - для эллиптических днищ с H, равным 0,25 D;
R = 0,5 D - для полусферических днищ с H, равным 0,5 D.
6.3.1.4 Если длина цилиндрической отбортованной части днища

для эллиптического днища или

для полусферического днища, то толщина днища должна быть не меньше толщины обечайки, рассчитанной в соответствии с
5.3.1 при

, равном 1.
6.3.1.5 Для днищ, изготовленных из одной заготовки, коэффициент

равен 1.
6.3.2 Эллиптические и полусферические днища, нагруженные наружным давлением
6.3.2.1 Значение необходимой толщины стенки может быть предварительно вычислено по формулам (46), (47) с обязательной последующей проверкой по
формуле (48)
где

(47)
Для предварительного расчета Kэ принимают равным 0,9 для эллиптических днищ и 1 - для полусферических днищ.
6.3.2.2 Допускаемое наружное давление вычисляют по формуле

(48)
где допускаемое давление из условия прочности

(49)
а допускаемое давление из условия устойчивости в пределах упругости

(50)
6.3.2.3 Коэффициент
Kэ определяют по графику, приведенному на
рисунке 9, или вычисляют по формуле (51) в зависимости от отношений
D/(
s1 -
c) и
H/D:

(51)
где

(52)
Рисунок 9 - График для определения коэффициента
Kэ
6.4 Торосферические днища
6.4.1 Торосферические днища, нагруженные внутренним избыточным давлением
6.4.1.1 Толщину стенки в краевой зоне вычисляют по формуле
где

(54)
Для сварных днищ следует дополнительно проверить толщину стенки в центральной зоне по формуле
s1 >= s1р + c, (55)
где

(56)
За расчетное значение принимают большее из значений, полученных по
формулам (53) и (55).
6.4.1.2 Допускаемое избыточное давление из условия прочности краевой зоны вычисляют по формуле

(57)
Для сварных днищ необходимо дополнительно проверить допускаемое избыточное давление из условия прочности центральной зоны по формуле

(58)
За допускаемое давление принимают меньшее из давлений, определяемых по формулам (57), (58).
6.4.1.3 Коэффициент

определяют по графику, приведенному на рисунке 10, а

определяют по графику, приведенному на
рисунке 11, или вычисляют по формулам:

(59)
Рисунок 10 - График для определения коэффициента

Рисунок 11 - График для определения коэффициента

6.4.1.4 Для днищ, изготовленных из целой заготовки, коэффициент

равен 1.
6.4.1.5 Если длина цилиндрической отбортованной части днища

, то толщина цилиндрической части днища должна быть не меньше толщины обечайки, вычисленной по
формулам (1),
(2) при

, равном 1.
6.4.2 Торосферические днища, нагруженные наружным давлением
Торосферические днища, нагруженные наружным давлением, вычисляют по
формулам (46),
(47) и
(48) при
Kэ, равном 1.
Кроме того, наружное давление не должно превышать допускаемое давление, определяемое по
формуле (57).
6.5 Сферические неотбортованные днища и крышки
6.5.1 Сферические неотбортованные днища и крышки, нагруженные внутренним избыточным давлением
6.5.1.1 Толщину стенок крышек и днищ определяют методом последовательных приближений. Предварительно толщину стенки вычисляют по формуле

(60)
а затем по формуле

(61)
Расчет проводят до тех пор, пока разница между полученным значением
s"1р и принятым
s1 при определении коэффициента

по
формуле (66) не будет превышать 5%.
В качестве расчетной толщины стенки днища или крышки принимают большее из двух значений, определяемых по
формулам (60) и (61).
Исполнительная толщина стенки
где

.
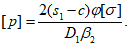
6.5.1.2 Допускаемое избыточное давление
[p] = min{[p]1; [p]2}, (63)
где [p]1 - допускаемое избыточное давление из условия прочности краевой зоны

(64)
[p]2 - допускаемое избыточное давление из условия прочности центральной зоны

(65)
6.5.1.3

при
M <= [
M] вычисляют по формуле

(66)
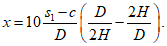
6.5.1.3.1 При заданных геометрических размерах днищ тригонометрические функции вычисляют по формулам:
6.5.1.3.2 Отношение допускаемых напряжений вычисляют по формулам:
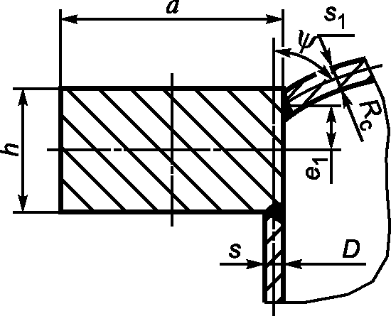
6.5.1.3.3 Величины Aк, M, [M] вычисляют по таблице 2.
Таблица 2
Величины Aк, M, [M]
Расчетная модель | M | [M] | Aк |
| - | - | - |
| | | a·h |
| 0 | - | (a + s5)h |
| | | (a - dб)h |
Предварительно размеры кольца a и h подбирают из условий:
-
Rп - усилие на прокладке, необходимое для обеспечения герметичности соединения крышки и фланцевого соединения, вычисляют по ГОСТ 34233.4
[формула (9)];
- для моделей по рисунку 13 необходимо, чтобы e1 имело минимальное значение.
Рисунок 12 - Сферические неотбортованные
днища без укрепляющего кольца
Рисунок 13 - Сферическое неотбортованное
днище с укрепляющим кольцом
Рисунок 14 - Сферическое неотбортованное днище
с кольцом жесткости на обечайке
Рисунок 15 - Сферическая неотбортованная крышка
При наружном давлении на крышку (см. рисунок 15) в формуле при определении M давление p следует принимать со знаком минус.
Если прокладка лежит на всей привалочной поверхности, в формуле при определении M для крышки (см. рисунок 15) e3 = 0.
6.5.2 Сферические неотбортованные днища и крышки, нагруженные наружным давлением
6.5.2.1 Толщину стенки сферического сегмента днища или крышки предварительно вычисляют по
формулам (60) -
(62) с последующей проверкой по формулам (67) -
(69).
6.5.2.2 Допускаемое наружное давление вычисляют по формуле

(67)
где [p]п - допускаемое наружное давление из условия прочности в центральной зоне

(68)
[p]E - допускаемое наружное давление из условия устойчивости в пределах упругости

(69)
6.5.2.3 Коэффициент Kс определяют по таблице 3 в зависимости от параметра Rс/(s1 - c).
Таблица 3
Коэффициент Kс
Расчетные модели | Значение коэффициента Kс при отношении Rс/(s1 - c) |
25 | 50 | 75 | 100 | 150 | 200 | 250 | 300 | Не менее 350 |
| 0,33 | 0,19 | 0,17 | 0,15 | 0,13 | 0,12 | 0,12 | 0,11 | 0,11 |
| 0,46 | 0,30 | 0,25 | 0,22 | 0,19 | 0,17 | 0,16 | 0,13 | 0,12 |
7 Расчет плоских круглых днищ и крышек
7.1 Область применения расчетных формул
7.1.1 Формулы применимы для расчета плоских круглых днищ и крышек при условии:
7.1.2 Допускается проводить расчет при

, но значение допускаемого давления, вычисленного по
формуле (75) или
(84), следует умножать на поправочный коэффициент:

(70)
Если при определении толщины днища по
7.2.1 или
7.3.1 в результате расчета окажется, что

, то необходимо дополнительно определить допускаемое давление по
7.2.7 или
7.3.8 и умножить его на коэффициент
Kр.
При Kр[p] < p толщину днища следует увеличивать так, чтобы было выполнено условие:
Kр[p] >= p.
7.1.3 Формулы для расчета плоских круглых днищ и крышек с радиальными ребрами жесткости применимы при следующих условиях:
7.2 Расчет плоских круглых днищ и крышек
7.2.1 Толщину плоских круглых днищ и крышек сосудов и аппаратов, работающих под внутренним избыточным или наружным давлением, вычисляют по формуле
s1 >= s1р + c, (71)
где

(72)
7.2.2 Коэффициент K в зависимости от конструкции днищ и крышек определяют по таблице 4.
Таблица 4
Тип | Рисунок | Условия закрепления днищ и крышек | K |
1 | | a >= 1,7s Dр >= D | 0,53 |
2 | | a >= 0,85s Dр = D | 0,50 |
3 | | Dр = D | | 0,45 |
| 0,41 |
4 | | Dр = D | | 0,41 |
| 0,38 |
5 | | Dр = D | | 0,45 |
| 0,41 |
6 | | a >= 0,85s Dр = D | 0,50 |
7 | | Dр = D | | 0,41 |
| 0,38 |
8 | | Dр = D | | 0,41 |
| 0,38 |
9 | | h1 >= r Dр = D - 2r | |
10 | | 0,25s1 <= r <= s1 - s2 Dр = D | | 0,41 |
| 0,38 |
11 | | Dр = D3 | 0,40 |
12 | | Dр = Dс.п | 0,41 |
7.2.3 Kо для днищ и крышек, имеющих одно отверстие, вычисляют по формуле

(73)
7.2.4 Kо для днищ и крышек, имеющих несколько отверстий, вычисляют по формуле

(74)
Коэффициент
Kо определяют для наиболее ослабленного сечения. Максимальную сумму для длин хорд отверстий в наиболее ослабленном диаметральном сечении днища или крышки определяют согласно рисунку 16 по формуле

.
Основные расчетные размеры отверстий указаны на рисунках 16,
17.
Рисунок 16 - Диаметральные сечения днища
или крышки, ослабленные отверстиями
Рисунок 17 - Расчетные размеры отверстий
7.2.5 Kо для днищ и крышек без отверстий принимают равным 1.
7.2.6 Во всех случаях присоединения днища к обечайке минимальная толщина плоского круглого днища должна быть не менее толщины обечайки, вычисленной в соответствии с
5.3.
7.2.7 Допускаемое давление на плоское днище или крышку вычисляют по формуле

(75)
7.2.8 Толщину
s2 для типов соединения 10, 11 и 12 (см.
таблицу 4) вычисляют по формулам:

(76)
7.3 Расчет плоских круглых крышек с дополнительным краевым моментом
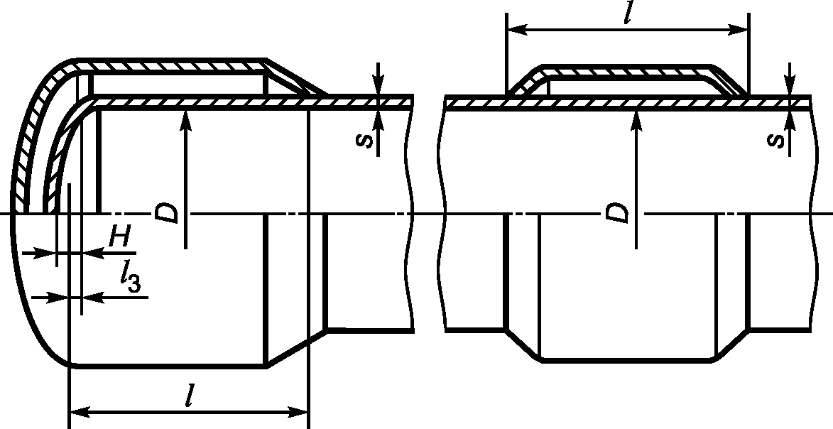
7.3.1 Толщину плоских круглых крышек с дополнительным краевым моментом (см. рисунок 18) под действием внутреннего давления вычисляют по формуле
s1 >= s1р + c, (77)
где

(78)
Рисунок 18 - Плоская крышка
с дополнительным краевым моментом
7.3.2 Коэффициент K6 вычисляют по формуле

(79)
или по графику, приведенному на рисунке 19, в зависимости от отношений
D3/
Dс.п и

.
Значение

вычисляют по формуле

(80)
Рисунок 19 - Коэффициент K6
7.3.3 Коэффициент
Kо вычисляют по
формуле (73) или
(74), если

, при этом отверстия для болтов в расчет не принимают.
7.3.4 Для крышки, имеющей паз для перегородки (например, камер теплообменника), значение коэффициента
K6 для определения толщины в месте паза (см.
рисунок 18 б) вычисляют с учетом усилия от сжатия прокладки в пазе по формуле

(81)
7.3.5 Толщину плоской круглой крышки с дополнительным краевым моментом в месте уплотнения
s2 (см.
рисунок 18 а) вычисляют по формуле

(82)
где

.
В формуле (82) при определении Ф индекс "р" указывает на то, что величина суммарного болтового усилия и допускаемого напряжения для материала крышки относится к рабочему состоянию или испытаниям, а индекс "м" - состоянию монтажа.
7.3.6 Коэффициент K7 вычисляют по формуле

(83)
или определяют по графику, приведенному на рисунке 20, в зависимости от отношения диаметров.
Рисунок 20 - Коэффициент K7
7.3.7 Толщину края плоской круглой крышки с дополнительным краевым моментом вне зоны уплотнения
s3 (см.
рисунок 18) вычисляют по
формуле (82), при этом в
формулах (82) и
(83) вместо
Dс.п следует принять
D2.
7.3.8 Допускаемое давление для плоской круглой крышки с дополнительным краевым моментом при поверочных расчетах вычисляют по формуле

(84)
7.4 Днища и крышки плоские круглые с радиальными ребрами жесткости
7.4.1 Расчетные схемы днищ приведены на рисунках 21 -
24.
Рисунок 21 - Плоское круглое днище
с радиальными ребрами жесткости
Рисунок 22 - Плоская круглая крышка
с радиальными ребрами жесткости
Рисунок 23 - Плоское круглое днище
с радиальными ребрами жесткости
Рисунок 24 - Плоская круглая пластина
с радиальными ребрами жесткости
7.4.2 Для определения допускаемого избыточного давления предварительно определяют следующие параметры:
- расчетное расстояние от поверхности пластинки до нижнего торца втулки

(85)
- расчетная высота втулки
Hр = min{H1; (h + s1 + hр)}; (86)
- относительный радиус втулки

(87)
- расстояние от срединной поверхности пластины до нейтральной поверхности

(88)
7.4.3 Изгибающий погонный момент для втулки, отнесенный к длине контурной линии, вычисляют по формуле

(89)
7.4.4 Изгибающий погонный момент для пластины, отнесенный к длине контурной линии, вычисляют по формуле

(90)
7.4.5 Изгибающий погонный момент для оребренной пластины, отнесенный к длине контурной линии, вычисляют по формуле

(91)
7.4.6 Обобщенный допускаемый погонный изгибающий момент следует выбирать наименьшим из моментов M1 и M2:
Mо = min{M1; M2}. (92)
7.4.7 Суммарный погонный изгибающий момент вычисляют по формуле

(93)
Если центральная втулка отсутствует

, а ребра пересекаются в центре или вместо втулки имеется сплошная бобышка, то суммарный изгибающий момент вычисляют по формуле

(94)
7.4.8 Дополнительное усилие, действующее на центральную часть крышки (днища), должно соответствовать условию

(95)
7.4.9 Допускаемое избыточное давление, действующее на крышку (днище), вычисляют по формуле
[p] = min{[p1]; [p2]} (96)
где

(97)
Если направление действия усилия Q0 совпадает с направлением действия давления, то в формуле для определения [p]1 перед Q0 надо поставить знак минус.

(98)
8 Расчет конических обечаек
8.1 Расчетные схемы и расчетные параметры
8.1.1 На рисунках 25 -
30 приведены расчетные схемы узлов конических обечаек.
а - соединение конической и цилиндрической обечаек,
б - соединение конической и цилиндрической обечаек
с укрепляющим кольцом, в - соединение конической обечайки
с цилиндрической обечайкой меньшего диаметра
Рисунок 25 - Соединение обечаек без тороидального перехода
Рисунок 26 - Соединение обечаек с тороидальным переходом
Рисунок 27 - Основные размеры конического перехода
Рисунок 28 - Соединение кососимметричных обечаек
Рисунок 29 - Коническая обечайка с кольцами жесткости
а - днище с тороидальным переходом, б - днище
с укрепляющим кольцом, в - днище без тороидального
перехода и укрепляющего кольца
Рисунок 30 - Пологие конические днища
8.1.2 Расчетные параметры
8.1.2.1 Расчетные длины переходных частей вычисляют по формулам:
- для конических и цилиндрических обечаек (см.
рисунок 25 а, б)
- для конических и цилиндрических обечаек (см.
рисунок 26)
- для конических и цилиндрических обечаек или штуцера (см.
рисунок 25 в)
8.1.2.2 Расчетный диаметр гладкой конической обечайки вычисляют по формулам:
- для конической обечайки без тороидального перехода (см.
рисунок 25)
- для конической обечайки с тороидальным переходом (см.
рисунок 26)
Для конических обечаек со ступенчатым изменением толщин стенки для второй и всех последующих частей за расчетный диаметр Dк данной части обечайки принимают внутренний диаметр большего основания.
8.2 Область и условия применения расчетных формул
8.2.1 Расчетные формулы применимы при соотношении между толщиной стенки наружной обечайки и диаметром в пределах
Выполнение такого условия для пологого конического днища

не требуется.
8.2.2 Расчетные формулы, приведенные в
8.3.10,
8.4.2 и
8.5.1, применимы при условии, что расчетные температуры не превышают значений, при которых должна учитываться ползучесть металлов, т.е. при температурах, когда допускаемое напряжение определяется только по пределу текучести или временному сопротивлению (пределу прочности). Если нет точных данных по этим температурам, то формулы применимы при расчетных температурах, которые не превышают 380 °C для углеродистых сталей, 420 °C - для низколегированных и легированных сталей, 525 °C - для аустенитных сталей, 150 °C - для алюминия и его сплавов, 250 °C - для меди и ее сплавов, 300 °C - для титана и его сплавов.
8.2.3 Формулы настоящего стандарта не применимы для расчета на прочность конических переходов в местах крепления рубашки к корпусу.
8.2.4 Формулы не применимы, если расстояние между двумя соседними узлами обечаек менее суммы соответствующих расчетных длин обечаек или если расстояние от узлов до опорных элементов сосуда (за исключением юбочных опор и опорных колец) менее удвоенной расчетной длины обечайки по
8.1.2.
8.2.5 Расчетные формулы применимы при условии, что исполнительные длины переходных частей обечаек a1 и a2 не менее расчетных длин a1р и a2р.
Если это условие не выполнено, нужно провести проверку допускаемого давления, причем вместо s1 и s2 подставляют:
- для соединения обечаек без тороидального перехода
- для соединения обечаек с тороидальным переходом при определении коэффициента по
формуле (114)
sк,
s - фактические толщины стенок присоединенных обечаек (см.
рисунки 25 и
26).
8.2.6 Формулы узлов конических и цилиндрических обечаек без тороидального перехода применимы при условии выполнения углового шва с двусторонним сплошным проваром.
8.2.7 Исполнительную толщину стенки конического элемента в месте соединения двух обечаек
s1,
s2 или
sт всегда принимают не менее толщины
sк, определяемой по
8.3.1 или
8.3.2,
8.4.1 или
8.4.2 и
8.5.1, для соответствующих нагрузок.
Исполнительная толщина стенки цилиндрического элемента в месте соединения двух обечаек должна быть не менее минимальной толщины стенки, определяемой по формулам
раздела 5.
8.2.8 Расчет укрепления отверстий конических обечаек проводят в соответствии с
ГОСТ 34233.3.
8.2.9 Расчет толщины стенок переходной части обечаек проводят либо методом последовательных приближений на основании предварительного подбора и последующей проверки для выбранных значений
либо сразу с помощью диаграмм.
Если допускаемые напряжения материалов частей перехода отличаются друг от друга, то расчет по диаграммам проводят при использовании меньшего из них.
За допускаемое давление, осевую силу и изгибающий момент для конической обечайки принимают меньшее значение, полученное из условия прочности или устойчивости гладкой конической обечайки и из условия прочности переходной части.
8.2.10 Расчет применим также для кососимметричных обечаек, соединенных с цилиндрическими обечайками.
Расчетные величины

,
D и
D1 приведены на
рисунке 28.
8.3 Конические обечайки, нагруженные давлением
8.3.1 Гладкие конические обечайки, нагруженные внутренним избыточным давлением
8.3.1.1 Толщину стенки гладкой конической обечайки вычисляют по формуле
sк = sк.р + c, (99)
где

(100)
8.3.1.2 Допускаемое внутреннее избыточное давление вычисляют по формуле

(101)
8.3.2 Гладкие конические обечайки, нагруженные наружным давлением
8.3.2.1 Расчетные формулы применимы при условии

.
8.3.2.2 Толщину стенки в первом приближении вычисляют по формулам с введением эффективных размеров с последующей проверкой по
формуле (104).
sк = sк.р + c, (102)
где

(103)
При предварительном определении толщины стенки в качестве расчетных
lE,
DE,
B1 принимают величины, определяемые по
формулам (107) -
(109).
8.3.2.3 Допускаемое наружное давление вычисляют по формуле

(104)
где допускаемое давление из условия прочности

(105)
и допускаемое давление из условия устойчивости в пределах упругости

(106)
Эффективные размеры конической обечайки вычисляют по формулам:

(107)

(108)
Значение коэффициента B1 вычисляют по формуле

(109)
8.3.3 Соединение обечайки без тороидального перехода (см.
рисунок 25 а)
8.3.3.1 Расчетные формулы применимы при условиях

; (
s1 -
c) >= (
s2 -
c).
Если (s1 - c) < (s2 - c), то при поверочном расчете следует принимать
s1 - c = s2 - c.
8.3.3.2 Толщину стенки из условия прочности переходной зоны вычисляют по формулам:

(110)
s2 >= s2р + c. (111)
При определении

коэффициент

вычисляют по
формуле (114) или определяют по диаграмме (см. рисунок 31).
Рисунок 31 - Диаграмма для определения коэффициента

при расчете толщин стенок переходов обечаек
Расчет толщины стенки конического элемента перехода проводят с помощью отношения толщин стенок

:

(112)
8.3.3.3 Коэффициент формы вычисляют по формуле

(113)
Рисунок 32 - Диаграмма для определения коэффициента

при выполнении поверочного расчета
Коэффициент

вычисляют по формуле

(114)
8.3.3.4 Допускаемое внутреннее избыточное или наружное давление [p] из условия прочности переходной части вычисляют по формуле

(115)
где коэффициент

определяют по
8.3.3.3, при определении

коэффициент

вычисляют по формуле (114) или определяют по диаграмме (см.
рисунок 32).
8.3.4 Соединение конической обечайки с укрепляющим кольцом
8.3.4.1 Формулы для расчета соединения конической обечайки с укрепляющим кольцом (см.
рисунки 25 б,
29) применимы при условиях:
- при соединении с цилиндрической обечайкой (см.
рисунок 25 б)
(s1 - c) >= (s2 - c).
Если (s1 - c) < (s2 - c), то при поверочном расчете следует принимать s1 - c = s2 - c.
Расчет применим только при отсутствии изгибающего момента на кольце.
8.3.4.2 Площадь поперечного сечения укрепляющего кольца вычисляют по формуле

(116)
где

(117)
При Aк <= 0 укрепление кольцом жесткости не требуется.
Площадь поперечного сечения укрепляющего кольца вычисляют по формуле

(118)
В случаях действия нагрузки от наружного давления, или осевой сжимающей силы, или изгибающего момента сварной шов стыкового соединения кольца должен быть проварен непрерывным швом. При определении площади поперечного сечения Aк следует учитывать также сечение стенок обечаек, расположенное между наружными швами кольца и обечаек.
8.3.4.3 Допускаемое внутреннее избыточное или наружное давление из условия прочности переходной части вычисляют по формулам:

(119)

(120)
8.3.4.4 Общий коэффициент формы для переходной части равен:

(121)

(122)
B2 и B3 вычисляют по формулам:

(123)
8.3.4.5 Проверка прочности сварного шва укрепляющего кольца

(124)
где

- сумма всех эффективных ширин несущих сварных швов между укрепляющим кольцом и обечайкой (см.
рисунок 25 б).
У прерывистого сварного шва действительная его ширина уменьшается в отношении длин сварного шва и всего периметра обечайки. Расстояние между концами прерывистых сварных швов должно быть не более восьми толщин стенки обечайки и сумма всех длин сварных швов - не менее половины длины контура кольца.
8.3.5 Соединение обечаек с тороидальным переходом
8.3.5.1 Формулы для расчета соединения обечаек с тороидальным переходом (см.
рисунок 26) применимы при условиях:
8.3.5.2 Толщину стенки переходной части вычисляют по формуле
sт >= sт.р + c, (125)
где

(126)
8.3.5.3 Допускаемое внутреннее избыточное или наружное давление из условия прочности переходной части

(127)
Рисунок 33 - Диаграмма для определения коэффициента

при расчете толщин стенок-переходов обечаек
Рисунок 34 - Диаграмма для определения коэффициента

при выполнении поверочного расчета
8.3.5.4 Коэффициент

равен

(128)
Коэффициент

вычисляют по формуле (129) или определяют по диаграмме, приведенной на
рисунках 33 или
34:

(129)
8.3.6 Соединение штуцера или цилиндрической обечайки меньшего диаметра с конической обечайкой
8.3.6.1 Формулы для расчета соединения штуцера или цилиндрической обечайки меньшего диаметра с конической обечайкой (см.
рисунок 25 в) применимы при выполнении условия

.
8.3.6.2 Толщину стенки вычисляют по формуле
s2 >= s2р + c, (130)
где

(131)
Расчет толщины стенки конического элемента переходной части проводят с помощью отношения толщин стенок

(132)
8.3.6.3 Допускаемое внутреннее избыточное или наружное давление из условия прочности переходной части вычисляют по формуле

(133)
8.3.6.4 Коэффициент формы равен

(134)
где

(135)
При


(136)

можно в обоих случаях определить также по диаграммам, приведенным на рисунках 35 или
36 при
D =
D1 и
s2 -
c =
s2р.
Рисунок 35 - Диаграмма для определения коэффициента

при расчете толщин стенок переходов обечаек
Рисунок 36 - Диаграмма для определения коэффициента

при выполнении поверочного расчета
8.3.7 Пологое коническое днище с тороидальным переходом
8.3.7.1 Формулы для расчета пологого конического днища с тороидальным переходом (см.
рисунок 30 а) применимы для действия внутреннего избыточного давления при выполнении условия

.
8.3.7.2 Толщину стенки принимают

(137)

(138)
где
sк определяют по
8.3.1 при
Dк =
D и
sт - по
8.3.5.
8.3.7.3 Допускаемое внутреннее избыточное давление принимают как большее из значения

(139)
и меньшего из значений [
p], определяемых при
sк =
s' по
8.3.1 и при
sт =
s' по
8.3.5.
8.3.8 Пологое коническое днище с укрепляющим кольцом
8.3.8.1 Формулы для расчета пологого конического днища с укрепляющим кольцом (см.
рисунок 30 б) применимы для действия внутреннего избыточного давления при выполнении условий:
8.3.8.2 Толщину стенки конического днища определяют по
8.3.1.1 при
Dк =
D.
8.3.8.3 Площадь поперечного сечения укрепляющего кольца определяют по
8.3.4.2, в котором при определении

следует принять
s1 -
c = 0.
8.3.8.4 Допускаемое внутреннее избыточное давление определяют для конического днища по
8.3.1.2 при
Dк =
D и для укрепляющего кольца по
8.3.4.3, в котором при определении

следует принять
s1 -
c = 0. Расчет применим при соблюдении требований
8.3.4.5.
8.3.9 Пологое коническое днище без тороидального перехода и укрепляющего кольца
8.3.9.1 Формулы для расчета пологого конического днища без тороидального перехода и укрепляющего кольца (см.
рисунок 30 в) применимы для действия внутреннего избыточного давления при выполнении условия
8.3.9.2 Толщину стенки принимают:
s' >= min{max[sк; s1]; s'р + c}, (140)
sк вычисляют по
8.3.1 при
Dк =
D;
8.3.9.3 Допускаемое внутреннее избыточное давление принимают как большее из значения [
p], определяемого по
формуле (139) при
r = 0, и меньшее из значений [
p], определяемых по
8.3.1 при
sк = s
' и
Dк =
D и по
8.3.3.
8.3.10 Пологое коническое днище, нагруженное наружным давлением
8.3.10.1 Формулы применимы для действия наружного давления при условии
8.3.10.2 Допускаемое наружное давление вычисляют по
формуле (104), допускаемое давление в пределах пластичности - по
формуле (105) и допускаемое давление в пределах упругости вычисляют по формуле

(141)
где

(142)

(143)
8.4 Конические обечайки, нагруженные осевыми усилиями
8.4.1 Гладкие конические обечайки, нагруженные осевой растягивающей силой
8.4.1.1 Толщину стенки вычисляют по формуле
sк >= sк.р + c, (144)
где

(145)
8.4.1.2 Допускаемую растягивающую силу вычисляют по формуле

(146)
8.4.2 Гладкие конические обечайки, нагруженные осевой сжимающей силой
8.4.2.1 Расчетные формулы применимы при условии
8.4.2.2 Допускаемую осевую сжимающую силу вычисляют по формуле

(147)
где допускаемую осевую силу из условия прочности вычисляют по формуле

(148)
и допускаемую осевую силу из условия устойчивости в пределах упругости вычисляют по формуле

(149)
где

(150)
8.4.3 Соединение обечаек без тороидального перехода
8.4.3.1 Формулы для расчета соединения обечаек без тороидального перехода (см.
рисунок 25 а) применимы при выполнении условий
8.3.3.
8.4.3.2 Допускаемую осевую растягивающую или сжимающую силу [F] из условия прочности переходной части вычисляют по формуле

(151)
где

(152)
8.4.4 Соединение конической и цилиндрической обечаек с укрепляющим кольцом
8.4.4.1 Формулы для расчета соединения конической и цилиндрической обечаек с укрепляющим кольцом (см.
рисунок 25 б) применимы при выполнении условий
8.3.4.1.
8.4.4.2 Допускаемую осевую растягивающую или сжимающую силу [F] из условия прочности переходной части вычисляют по формуле

(153)
где

(154)
Коэффициент

определяют по
формуле (122), в которой следует принять
B3 = -0,35.
8.4.4.3 Проверку сварного шва укрепляющего кольца выполняют по
8.3.4.5.
8.4.5 Соединение обечаек с тороидальным переходом
8.4.5.1 Формулы для расчета соединения конической и цилиндрической обечаек с тороидальным переходом (см.
рисунок 26) применимы при выполнении условий
8.3.5.1.
8.4.5.2 Допускаемую осевую растягивающую или сжимающую силу [F] из условия прочности переходной части вычисляют по формуле

(155)
где

(156)
8.4.6 Соединение штуцера или цилиндрической обечайки меньшего диаметра с конической обечайкой
8.4.6.1 Формулы для расчета соединения штуцера или цилиндрической обечайки меньшего диаметра с конической обечайкой (см.
рисунок 25 в) применимы при выполнении условия
8.3.6.1.
8.4.6.2 Допускаемую осевую растягивающую или сжимающую силу [F] из условия прочности переходной части вычисляют по формуле

(157)
где

(158)
8.5 Конические обечайки, нагруженные изгибающим моментом
8.5.1 Допускаемый изгибающий момент
Допускаемый изгибающий момент вычисляют по формулам:
- из условия прочности

(159)
где
Dр =
D1 для конического перехода (см.
рисунок 27);
- из условия устойчивости

(160)
где

(161)

(162)
Допускаемые осевые силы [
F]
п и [
F]
E вычисляют по
8.4.2.2.
8.5.2 Соединения обечаек
8.5.2.1 Допускаемый изгибающий момент из условия прочности переходной части вычисляют по формуле

(163)
8.6 Сочетания нагрузок
8.6.1 Условия применения формул
Если коническая обечайка нагружена давлением, осевой силой и изгибающим моментом и сумма эквивалентных давлений от этих нагрузок, вычисляемых по формулам:

(164)
составляет менее 10% рабочего давления, то коническую обечайку рассчитывают только на действие давления. Такую проверку следует проводить как для гладкой конической обечайки, так и для ее тороидальных переходных частей у большего или меньшего основания, если они есть.
8.6.2 Расчет при совместном действии нагрузок
Если условие
8.6.1 не выполнено для гладкой обечайки или хоть одной из переходных частей, то производят расчет при совместном действии нагрузок по 8.6.2.1 и
8.6.2.2. При проверке прочности или устойчивости для совместного действия нагрузок в формулах (165) и
(167) для расчетного наружного давления подставляют минус
p, а для осевой сжимающей силы - минус
F. Изгибающий момент
M всегда принимают со знаком плюс.
8.6.2.1 Гладкие конические обечайки
В случае совместного действия нагрузок необходимо проверять условия устойчивости по формуле

(165)
Кроме того, должна быть выполнена проверка прочности и устойчивости от отдельных нагрузок
|p| <= [p]; |F| <= [F]; |M| <= [M]. (166)
Допускаемые нагрузки [
p], [
F], [
M] определяют по
8.3.2.3,
8.4.2.2 и
8.5.1. Проверку проводят, если не выполнено условие
8.6.1 хотя бы для одного из расчетных диаметров конической обечайки.
8.6.2.2 Переходные части конических обечаек
Кроме проверки условий от отдельных нагрузок по формулам (166) необходимо проверить выполнение условия

(167)
где [
p], [
F], [
M] - допускаемые нагрузки для переходной части обечайки. Проверку проводят, если не выполнено условие
8.6.1 при
Dр =
D.
8.7 Расчет условных упругих напряжений в конических обечайках и днищах от действия давления, осевой силы и изгибающего момента
Расчет условных упругих напряжений в конических обечайках и днищах от действия давления, осевой силы и изгибающего момента выполняют в следующих случаях:
- если для подтверждения прочности конструкции требуется дополнительный расчет по напряжениям;
- если соотношения размеров элементов конструкции выходят за пределы применения расчетных формул
раздела 8;
- если конструкция содержит элементы, не рассматриваемые в настоящем стандарте.
Выполнение условий прочности и устойчивости конических обечаек в соответствии с
8.3.1 и
8.3.2 и пологих конических днищ в соответствии с
8.3.8 -
8.3.10 во всех случаях является обязательным.
При оценке результатов расчета напряжений от действия давления, осевой силы и изгибающего момента в конических обечайках и днищах необходимо руководствоваться следующими правилами:
- мембранные напряжения в местах соединения цилиндрических и конических обечаек или конических днищ без отбортовки по
рисункам 25,
28,
30 б и
30 в сравнивают с величиной

. Суммарные мембранные и изгибные напряжения в этих местах сравнивают с величиной

;
- мембранные напряжения в укрепляющих кольцах по
рисункам 25 б,
29 и
30 б сравнивают с величиной

. Суммарные мембранные и изгибные напряжения в укрепляющих кольцах сравнивают с величиной

;
- мембранные напряжения в тороидальных переходах по
рисункам 26,
30 а, а также в тороидальном переходе у малого диаметра конической обечайки сравнивают с величиной

. Суммарные мембранные и изгибные напряжения в тороидальных переходах сравнивают с величиной

;
- при использовании конического днища с плоской центральной частью мембранные напряжения в плоской и примыкающей к ней конической части днища сравнивают с величиной

. Суммарные мембранные и изгибные напряжения в этих местах сравнивают с величиной

. Дополнительно должно выполняться условие прочности центральной части днища в соответствии с
разделом 7. При этом коэффициент конструкции плоских днищ и крышек
K принимают равным 0,53.
(справочное)
РАСЧЕТ НА ПРОЧНОСТЬ ОТВОДОВ (КОЛЕН)
Настоящий расчет распространяется на расчет отводов (колен), являющихся элементами сосуда или аппарата.
А.1 Расчетные схемы
Расчетные схемы отводов приведены на рисунках А.1 и
А.2.
Рисунок А.1 - Отвод (колено)
Рисунок А.2 - Расчетные усилия
и моменты в торцевом сечении отвода
А.2 Расчет на статическую прочность от действия давления
А.2.1 Условия применения расчетных формул
Расчетные формулы применимы при отношении радиуса кривизны осевой линии отвода к наружному диаметру:

.
А.2.2 Вспомогательные коэффициенты, торовые коэффициенты и коэффициенты формы
А.2.2.1 Вспомогательные коэффициенты вычисляют по формулам

(А.1)

(А.2)
А.2.2.2 Торовые коэффициенты вычисляют по формулам:
- для внешней стороны отвода

(А.3)
- для внутренней стороны отвода

(А.4)
- для средней части отвода (+/- 15% от нейтральной линии)
K3 = 1. (А.5)
А.2.2.3 Коэффициенты формы отвода Y1, Y2, Y3 вычисляют по формулам:
а) для отводов из углеродистых сталей при T <= 350 °C, из низколегированных марганцовистых и марганцево-кремнистых, легированных хромомолибденовых и хромомолибденованадиевых сталей при T <= 400 °C, из аустенитных сталей при T <= 450 °C:
- для внешней стороны отвода

(А.6)
- для внутренней стороны отвода
Y2 = Y1, (А.7)
- для средней части отвода (+/- 15% от нейтральной линии)

(А.8)
б) для отводов из углеродистых сталей при T >= 380 °C, из низколегированных марганцовистых и марганцево-кремнистых, легированных хромомолибденовых и хромомолибденованадиевых сталей при T >= 420 °C, из сталей аустенитного класса при T >= 525 °C:
- для внешней стороны отвода

(А.9)
- для внутренней стороны отвода
Y2 = Y1, (А.10)
- для средней части отвода (+/- 15% от нейтральной линии)

(А.11)
в) для отводов из углеродистых сталей при 350 °C < T < 380 °C, из низколегированных марганцовистых и марганцево-кремнистых, легированных хромомолибденовых и хромомолибденованадиевых сталей при 400 °C < T < 420 °C, из аустенитных сталей при 450 °C < T < 525 °C коэффициенты отвода Y1, Y2, Y3 определяются линейным интерполированием.
А.2.3 Толщина стенки отвода
А.2.3.1 Толщину стенки внешней стороны отвода вычисляют по формуле
sг1 >= sг1р + c1 + c2 + c31, (А.12)
где расчетную толщину вычисляют по формуле

(А.13)
А.2.3.2 Толщину стенки внутренней стороны отвода вычисляют по формуле
sг2 >= sг2р + c1 + c2 + c32, (А.14)
где расчетную толщину вычисляют по формуле

(А.15)
А.2.3.3 Толщину стенки средней части отвода (+/- 15% от нейтральной линии) вычисляют по формуле
sг3 >= sг3р + c1 + c2 + c33, (А.16)
где расчетную толщину вычисляют по формуле

(А.17)
А.2.4 Допускаемое давление
А.2.4.1 Допускаемое давление при проектировании отвода вычисляют по формуле

(А.18)
А.3 Расчет отводов на статическую прочность от совместного действия давления и нагрузок от присоединенных трубопроводов
При действии на отвод внешних нагрузок от присоединенных трубопроводов в дополнение к расчету на действие давления проводят проверку прочности отвода при совместном действии давления и нагрузок от присоединенных трубопроводов.
Проверку прочности отвода при действии внешних нагрузок от присоединенных трубопроводов проводят в начальной (i = 0), конечной (i = n) и промежуточных точках (i = 0 - i = n - 1) оси отвода, но не более чем через 15°.
А.3.1 Величины внешних нагрузок
Расчетные усилия и моменты в i-й точке оси отвода определяются по формулам:
Fx = Fx0; (А.19)

(А.20)

(А.21)

(А.22)

(А.23)

(А.24)
где

.
А.3.2 Номинальные геометрические характеристики отвода
А.3.2.1 Средний радиус поперечного сечения отвода вычисляют по формуле

(А.25)
Исполнительную толщину стенки отвода
sг >= max{
sг1,
sг2,
sг3} принимают с учетом прибавок, указанных в
А.2.3, с округлением до ближайшего большего размера, имеющегося в сортаменте трубы-заготовки.
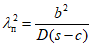
А.3.2.2 Безразмерный геометрический параметр вычисляют по формуле

(А.26)
А.3.2.3 Площадь поперечного сечения отвода вычисляют по формуле

(А.27)
А.3.2.4 Момент сопротивления изгибу поперечного сечения отвода определяют по формуле

(А.28)
А.3.3 Вспомогательные коэффициенты
А.3.3.1 Безразмерный параметр внутреннего давления вычисляют по формуле

(А.29)
А.3.3.2 Коэффициенты a1 - a4, bп вычисляют по формулам:

(А.30)

(А.31)

(А.32)

(А.33)

(А.34)
А.3.3.3 Коэффициенты A22 - A102 вычисляют по формулам:

(А.35)

(А.36)

(А.37)

(А.38)

(А.39)
А.3.3.4 Коэффициент податливости определяют по формуле

(А.40)
А.3.3.5 Коэффициенты интенсификации напряжений определяют по формулам:

(А.41)

(А.42)
А.3.4 Составляющие напряжений от давления
А.3.4.1 Составляющую окружного напряжения от давления вычисляют по формуле

(А.43)
А.3.4.2 Составляющую осевого напряжения от давления определяют по формуле

(А.44)
А.3.5 Условие статической прочности
А.3.5.1 Статическая прочность по суммарным мембранным и общим изгибным напряжениям в поперечном сечении на i-й точке оси отвода обеспечивается при выполнении условия:

(А.45)
где расчетное окружное напряжение вычисляют по формуле

(А.46)
- расчетное осевое напряжение вычисляют по формуле

(А.47)
- расчетное радиальное напряжение вычисляют по формуле

(А.48)
- расчетное напряжение кручения вычисляют по формуле

(А.49)
А.3.5.2 При

в поперечном сечении на
i-й точке оси отвода дополнительно должно выполняться условие

(А.50)
где параметр

вычисляют по
формуле (А.26), коэффициенты

и

определяют по таблицам А.1 и
А.2 в зависимости от параметра

и степени нагруженности окружным напряжением от давления

. Промежуточные значения коэффициентов

и

определяют с помощью линейной интерполяции.
Таблица А.1
Коэффициент

| 0 | 0,05 | 0,1 | 0,2 | 0,3 | 0,4 | 0,9 | 1,6 |
| 18 | 10 | 6 | 3 | 2 | 1,7 | 1,0 | 0,65 |
Таблица А.2
Коэффициент

| 0 | 0,2 | 0,4 | 0,6 | 0,8 | 1,0 | 1,2 | 1,4 | 1,6 |
| 1,0 | 0,98 | 0,94 | 0,88 | 0,79 | 0,68 | 0,50 | 0,30 | 0,10 |
А.3.6 Условие статической прочности по суммарным местным мембранным и изгибным напряжениям
А.3.6.1 Для углеродистых, низколегированных и хромистых сталей при
T <= 350 °C, а также сталей аустенитного класса, хромомолибденовых и хромомолибденованадиевых сталей, железоникелевых сплавов при
T <= 450 °C, для титана, алюминия, меди и их сплавов дополнительную проверку условий статической прочности по суммарным местным мембранным и изгибным напряжениям выполняют при

в поперечном сечении на
i-й точке оси отвода:

(А.51)
где параметр B вычисляют по формуле

(А.52)
А.3.6.2 Для углеродистых, низколегированных и хромистых сталей при
T > 350 °C, а также сталей аустенитного класса, хромомолибденовых и хромомолибденованадиевых сталей, железоникелевых сплавов при
T > 450 °C дополнительную проверку условий статической прочности по суммарным местным мембранным и изгибным напряжениям выполняют в поперечном сечении на
i-й точке оси отвода при любых значениях

:

(А.53)
где

(А.54)
Значения коэффициента

определяют линейным интерполированием по данным таблицы А.3.
Таблица А.3
Коэффициент усреднения напряжений

, обусловленный ползучестью
Класс стали | Безразмерный коэффициент  в зависимости от расчетной температуры в °C |
360 | 450 | 500 | 550 | 600 | 650 | 700 |
Углеродистый и низколегированный | 0,4 | 0,35 | - | - | - | - | - |
Хромомолибденовый и хромомолибденованадиевый | 0,5 | 0,45 | 0,4 | 0,35 | 0,2 | - | - |
Аустенитный | - | 0,55 | 0,5 | 0,4 | 0,35 | 0,3 | 0,2 |