Главная // Актуальные документы // ГОСТ (Государственный стандарт)СПРАВКА
Источник публикации
М.: Стандартинформ, 2019
Примечание к документу
Текст документа приведен с учетом поправок, опубликованных в "ИУС",
N 3, 2020;
N 10, 2021.
Документ
введен в действие с 01.07.2020.
Название документа
"ГОСТ ISO 4209-2-2019. Межгосударственный стандарт. Шины и ободья для грузовых автомобилей и автобусов (метрические серии). Часть 2. Ободья"
(введен в действие Приказом Росстандарта от 18.10.2019 N 1026-ст)
"ГОСТ ISO 4209-2-2019. Межгосударственный стандарт. Шины и ободья для грузовых автомобилей и автобусов (метрические серии). Часть 2. Ободья"
(введен в действие Приказом Росстандарта от 18.10.2019 N 1026-ст)
по техническому регулированию
и метрологии
от 18 октября 2019 г. N 1026-ст
МЕЖГОСУДАРСТВЕННЫЙ СТАНДАРТ
ШИНЫ И ОБОДЬЯ ДЛЯ ГРУЗОВЫХ АВТОМОБИЛЕЙ И АВТОБУСОВ
(МЕТРИЧЕСКИЕ СЕРИИ)
ЧАСТЬ 2
ОБОДЬЯ
Truck and bus tyres and rims (metric series). Part 2. Rims
(ISO 4209-2:2012, IDT)
ГОСТ ISO 4209-2-2019
Дата введения
1 июля 2020 года
Цели, основные принципы и общие правила проведения работ по межгосударственной стандартизации установлены
ГОСТ 1.0 "Межгосударственная система стандартизации. Основные положения" и
ГОСТ 1.2 "Межгосударственная система стандартизации. Стандарты межгосударственные, правила и рекомендации по межгосударственной стандартизации. Правила разработки, принятия, обновления и отмены"
1 ПОДГОТОВЛЕН Федеральным государственным унитарным предприятием "Всероссийский научно-исследовательский институт стандартизации материалов и технологий" (ФГУП "ВНИИ СМТ"), Межгосударственным техническим комитетом по стандартизации МТК 542 "Продукция нефтехимического комплекса" на основе собственного перевода на русский язык англоязычной версии стандарта, указанного в
пункте 5
2 ВНЕСЕН Федеральным агентством по техническому регулированию и метрологии
3 ПРИНЯТ Межгосударственным советом по стандартизации, метрологии и сертификации (протокол от 30 июля 2019 г. N 120-П)
За принятие проголосовали:
Краткое наименование страны по МК (ИСО 3166) 004-97 | Код страны по МК (ИСО 3166) 004-97 | Сокращенное наименование национального органа по стандартизации |
Армения | AM | ЗАО "Национальный орган по стандартизации и метрологии" Республики Армения |
Беларусь | BY | Госстандарт Республики Беларусь |
Киргизия | KG | Кыргызстандарт |
Россия | RU | Росстандарт |
Таджикистан | TJ | Таджикстандарт |
Узбекистан | UZ | Узстандарт |
4
Приказом Федерального агентства по техническому регулированию и метрологии от 18 октября 2019 г. N 1026-ст межгосударственный стандарт ГОСТ ISO 4209-2-2019 введен в действие в качестве национального стандарта Российской Федерации с 1 июля 2020 г.
5 Настоящий стандарт идентичен международному стандарту ISO 4209-2:2012 "Шины и ободья для грузовых автомобилей и автобусов (метрические серии). Часть 2. Ободья" ("Truck and bus tyres and rims (metric series) - Part 2: Rims", IDT).
Международный стандарт разработан подкомитетом SC 4 "Шины и диски грузовых автомобилей и автобусов" Технического комитета по стандартизации ISO/TC 31 "Шины, ободья и вентили" Международной организации по стандартизации (ISO).
При применении настоящего стандарта рекомендуется использовать вместо ссылочных международных стандартов соответствующие им межгосударственные стандарты, сведения о которых приведены в дополнительном
приложении ДА
Информация о введении в действие (прекращении действия) настоящего стандарта и изменений к нему на территории указанных выше государств публикуется в указателях национальных стандартов, издаваемых в этих государствах, а также в сети Интернет на сайтах соответствующих национальных органов по стандартизации.
В случае пересмотра, изменения или отмены настоящего стандарта соответствующая информация будет опубликована на официальном интернет-сайте Межгосударственного совета по стандартизации, метрологии и сертификации в каталоге "Межгосударственные стандарты"
Настоящий стандарт устанавливает обозначения и основные размеры профилей глубоких неразъемных ободьев, предназначенных для монтажа шин, используемых преимущественно на грузовых автомобилях и автобусах.
Размеры обода - размеры контура, необходимого для установки (монтажа) шины на обод.
Обозначения, размеры и номинальные нагрузки шин приведены в ISO 4209-1.
В настоящем стандарте использованы нормативные ссылки на следующие международные стандарты [для датированных ссылок применяют только указанное издание ссылочного стандарта, для недатированных - последнее издание (включая все изменения к нему)]:
ISO 3911, Wheels and rims for pneumatic tyres - Vocabulary, designation and marking (Колеса и ободья для пневматических шин. Словарь, обозначения и маркировка)
ISO 4000-2, Passenger car tyres and rims - Part 2: Rims (Шины для легковых автомобилей и ободья. Часть 2. Ободья)
В настоящем стандарте применены термины по ISO 3911.
4 Обозначение и маркировка
Обозначение обода должно включать в себя код номинального диаметра, код номинальной ширины обода (например, 17.5 x 5.25) и обозначение формы бортовой закраины обода, при необходимости (например, 16 x 6 K).
5 Глубокие ободья с углом наклона посадочной полки 5°
5.1 Бортовая закраина обода
Рекомендуемые размеры профилей с формой бортовой закраины обода K приведены в
таблице 1.
Для обода с закраиной B и J размеры приведены в ISO 4000-2.
5.2 Профили обода
--------------------------------
<a> Наружная сторона автомобиля.
<b> Угол наклона кромки, эквивалентный половине минимального радиуса R.
<c> Ширина бортовой закраины, которая включает в себя радиус закругления кромки. Участок закраины за пределами минимальной ширины не должен быть больше, чем наивысшая точка закраины.
<d> Размеры включают в себя минимальную огибающую монтажного ручья для монтажа шины, за исключением участков сварного шва или отверстия для вентиля.
1 - отверстие под вентиль (см.
5.4)
Примечание - При использовании ободьев с бескамерными шинами необходимы выступы на наружной стороне и предпочтительны выступы на внутренней стороне обода.
Рисунок 1 - Профиль глубокого обода с углом наклона
посадочной полки 5°
Таблица 1
Размеры профилей глубокого обода с углом наклона
посадочной полки 5°
Размеры в миллиметрах
Код номинального диаметра обода | Код номинальной ширины обода и тип бортовой закраины <b> | B, не менее | G +/- 1,0 | P, не менее | P1, не менее | H <a> (расчетное) | L (расчетное) | M, не более | R2, не менее |
16 | 6 K и шире | 11,5 | 20 | 19,5 | 19,5 | 20 | 22 | 47 | 10,5 |
<a> Минимальные значения глубины монтажного ручья H и угла наклона полки обода, необходимые для монтажа камерной шины. Для бескамерной шины могут потребоваться  значения, чтобы обеспечить необходимое пространство для вентиля. <b> Размер A = код номинальной ширины обода x 25,4 (округляют до 0,5 мм) (приращения кода = 0.5). |
Таблица 2
Коды номинальной ширины обода
Код номинальной ширины обода | A, мм |
6.00 | 6 | 152,5 |
6.50 | | 165,0 |
7.00 | 7 | 178,0 |
7.50 | | 190,5 |
8.00 | 8 | 203,0 |
8.50 | | 216,0 |
9.00 | 9 | 228,5 |
9.50 | | 241,5 |
10.00 | 10 | 254,0 |
10.50 | | 266,5 |
11.00 | 11 | 279,5 |
12.00 | 12 | 305,0 |
13.00 | 13 | 330,0 |
14.00 | 14 | 355,5 |
15.00 | 15 | 381,0 |
Дополнительные варианты исполнения профилей полок обода и их размеры приведены на
рисунке 2 и в
таблице 3.
--------------------------------
<a> Профиль с наружной стороны автомобиля.
<b> Профиль с внутренней стороны автомобиля.
<c> Справочное значение.
Рисунок 2 - Дополнительные исполнения профилей полок обода
Таблица 3
Размер
E для скругленных выступов обода
Код номинальной ширины обода и тип бортовой закраины | E, мм |
6 K и шире | |
Для E также допускается значение, равное  . |
5.3 Диаметр обода и длина окружности по выступу
Код номинального диаметра обода, соответствующее значение диаметра обода
D и длина окружности по выступу приведены в
таблице 4.
Таблица 4
Диаметр обода и длина окружности по выступу
на посадочной полке с углом наклона 5°
Размеры в миллиметрах
Код номинального диаметра обода | Диаметр обода <a> D +/- 0,4 | Длина окружности по выступу |
плоскому | скругленному <b> |
16 | 405,6 | 1274,2 | 1276,4 |
<a> Допускаемые отклонения приведены только для проектирования. Длину окружности полки обода измеряют рулеткой. <b> Допускаемое отклонение  разрешается только для профиля обода с внутренней стороны автомобиля. |
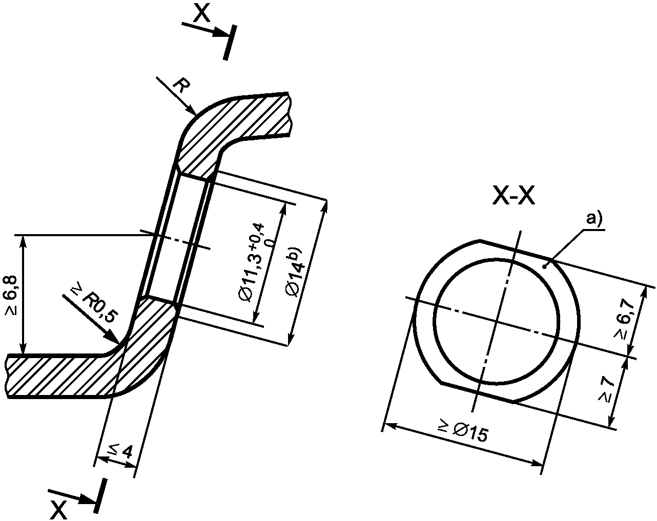
5.4 Отверстия для вентилей
5.4.1 Кромки отверстия для вентилей со стороны монтажа шины должны быть скруглены или скошены.
5.4.2 Кромки отверстия для вентилей с наружной (внешней) стороны не должны иметь заусенцев, которые могут повредить вентили.
5.4.3 Для обеспечения герметичности соединения вентиля с ободом колеса необходимо поддерживать в чистом и гладком состоянии внутреннюю поверхность вентильного отверстия на участке не менее 0,75 мм или составляющем не менее 25% толщины обода.
5.4.4 Следует использовать соответствующие вентили. Отверстия для вентилей бескамерных шин должны соответствовать приведенным на
рисунках 3 и
4.
Примечание - Требования к отверстиям для других вентилей находятся в разработке и будут приведены при очередном пересмотре настоящего стандарта.
Рисунок 3 - Размеры вентильного отверстия
для бескамерных шин
--------------------------------
<a> Плоская поверхность без радиальной штриховки.
<b> Плоская поверхность для вкручиваемых вентилей.
Рисунок 4 - Исполнение поверхности
в зоне вентильного отверстия
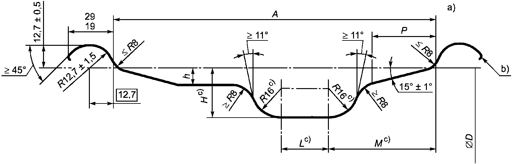
6 Глубокие ободья с углом наклона посадочной полки 15°
6.1 Профили обода
Размеры профилей ободьев и соответствующие допускаемые отклонения приведены на
рисунке 5 и в
таблицах 5 и
6.
--------------------------------
<a> Сторона монтажа шины.
<b> Угол наклона, эквивалентный половине минимального радиуса.
<c> Размеры приведены для минимального ручья обода.
Рисунок 5 - Размеры профилей ободьев с углом наклона
посадочной полки 15°
Таблица 5
Размеры профилей глубоких ободьев с углом наклона посадочной
полки 15° и кодом номинальной ширины обода <= 9.75
Размеры в миллиметрах
Обозначение размера обода | A +/- 3,5 | | h, не менее | | | P, не менее |
17.5 x 5.25 | 133,5 | 24 | 7,0 | 4 | 55 | 25 |
19.5 x 5.25 | 27 | 56 |
22.5 x 5.25 | 30 | 8 | 57 |
17.5 x 6.00 | 152,5 | 24 | 8,5 | 11 | 60 |
17.5 x 6.00 HC | 30 | 63 | 30 |
19.5 x 6.00 | 27 | 62 | |
19.5 x 6.00 RW | 24 | 9,0 | 19 | 56 | 25 |
22.5 x 6.00 | 30 | 8,5 | 11 | 63 | 30 |
17.5 x 6.75 | 171,5 | 24 | 9,0 | | 25 |
17.5 x 6.75 HC | 30 | 14 | 70 | 32 |
19.5 x 6.75 | 27 | 64 | |
19.5 x 6.75 RW | 24 | 19 | 56 | 25 |
22.5 x 6.75 | 30 | 14 | | 32 |
17.5 x 7.50 | 190,5 | 24 | 9,5 | | 25 |
17.5 x 7.50 HC | 30 | 10,0 | 21 | 74 | 34 |
19.5 x 7.50 | 27 | 9,5 | 67 | 30 |
19.5 x 7.50 RW | 25 | 58 |
22.5 x 7.50 | 30 | 10,0 | | 34 |
24.5 x 7.50 | |
17.5 x 8.25 | 209,5 | 24 | 9,5 | 14 | | 26 |
17.5 x 8.25 HC | 30 | 10,0 | 28 | 74 | 36 |
19.5 x 8.25 | 27 | 9,5 | 67 | 30 |
19.5 x 8.25 RW | 25 | 21 | 58 |
22.5 x 8.25 | 30 | 10,0 | 28 | | 36 |
24.5 x 8.25 | |
19.5 x 9.00 | 228,5 | 9,5 | 68 | 30 |
22.5 x 9.00 | 10,0 | | 36 |
24.5 x 9.00 | |
22.5 x 9.75 | 247,5 | |
<a> Размеры приведены для минимального монтажного ручья обода. <b> При монтаже одинарных шин для легких грузовых автомобилей (индекс нагрузки <= 121) допускается значение, равное 25 мм. Эти ободья должны быть идентифицированы. <c> Допускается увеличение размеров при условии подтверждения их испытаниями по монтажу шин. |
Таблица 6
Размеры профилей глубоких ободьев с углом наклона посадочной
полки 15° и кодом номинальной ширины обода >= 10.50
Размеры в миллиметрах
Обозначение размера обода | A +/- 5,0 | | h, не менее | | | P |
17.5 x 10.50 | 266,5 | 24 | 9,5 | 14 | 55 | 26 |
19.5 x 10.50 | 30 | 10,0 | 30 | | 34 |
22.5 x 10.50 | |
19.5 x 11.75 | 298,5 | |
22.5 x 11.75 | |
19.5 x 12.25 | 311 | |
22.5 x 12.25 | |
19.5 x 13.00 | 330 | |
22.5 x 13.00 | |
19.5 x 14.00 | 355,5 | |
22.5 x 14.00 | |
19.5 x 15.00 | 381 | 11,0 | |
22.5 x 15.00 | |
20.5 x 16.00 | 406,5 | |
22.5 x 16.00 | |
20.5 x 18.00 | 457 | |
22.5 x 18.00 | |
<a> Размеры приведены для минимального монтажного ручья обода. <b> Допускается увеличение размеров при условии подтверждения их испытаниями по монтажу шин. |
6.2 Диаметры ободьев
Коды номинального диаметра глубоких ободьев с углом наклона посадочной полки 15° и их значения приведены в
таблице 7.
Таблица 7
Код номинального диаметра и соответствующие ему
значения диаметра обода
Код номинального диаметра обода | Значение диаметра обода D +/- 0,4 <a>, мм |
17.5 | 444,5 |
19.5 | 495,3 |
20.5 | 520,7 |
22.5 | 571,5 |
24.5 | 622,3 |
<a> Предельные отклонения приведены только для проектирования шин. Длину окружности посадочной полки обода определяют измерительной рулеткой. |
6.3 Отверстия для вентилей
6.3.1 Общие положения
Размеры, расположение и исполнение вентильных отверстий обода приведены на
рисунке 6 и в
таблице 8.
Стенка монтажного ручья
Основание монтажного ручья
--------------------------------
<a> Сторона шины.
<b> Наружная сторона.
Рисунок 6 - Размеры вентильных отверстий для ободьев
с углом наклона посадочной полки 15°
Таблица 8
Размеры вентильных отверстий для ободьев с углом наклона
посадочной полки 15°
Размеры в миллиметрах
Диаметр вентильного отверстия V (min/max) | Расположение | Минимальный диаметр кольцевой плоскости в зоне установки вентиля | Толщина обода в зоне кольцевой плоскости t (min/max) |
Сторона шины S1 | Наружная сторона S2 |
9,7/10,0 | В стенке монтажного ручья | 18 | 16 | 5,5/6,0 |
16,5 | 12,5 | 3/6 |
В основании монтажного ручья | 18 | 16 | 5,5/5,6 |
15,7/16,1 | В стенке монтажного ручья | 19,3 | 19,3 | 4,8/8 |
В основании монтажного ручья | 19,3 | 19,3 | 4,8/8 |
27 | 27 | 3,5/6 |
Примечания 1 Применение вентилей для отверстий диаметром от 9,7 до 10,0 мм при толщине обода t более 6,0 мм и для отверстий диаметром от 15,7 до 16,1 мм при толщине обода t более 8,0 мм - по согласованию с изготовителем вентилей. 2 Кольцевые плоскости для вентильного отверстия S1 и S2 должны быть параллельными, допускаемое отклонение от параллельности - не более 0,2 мм. |
6.3.2 Характеристики вентильных отверстий обода
6.3.2.1 Кромки вентильных отверстий со стороны шины должны быть скруглены или иметь фаску.
6.3.2.2 Кромки вентильных отверстий с наружной стороны обода не должны иметь заусенцев, которые могут повредить обрезиненный корпус вентиля.
6.3.2.3 Для обеспечения герметичности соединения вентиля с ободом для бескамерной шины необходимо поддерживать поверхность вентильного отверстия в чистом и гладком состоянии на участке, составляющем не менее 25% толщины профиля обода (см.
рисунок 7).
--------------------------------
<a> Сторона шины.
<b> Наружная сторона.
Рисунок 7 - Вентильное отверстие обода
6.3.2.4 Вентильное отверстие обода должно быть цилиндрическим, его диаметр должен быть одинаковым по всей высоте для обеспечения герметичности вентиля при давлении в шине более 300 кПа.
6.3.2.5 Вентильное отверстие должно иметь с двух сторон концентрические кольцевые плоскости, обеспечивающие надежную герметичность соединения вентиля с ободом для бескамерной шины, что позволяет выдержать давление в шине более 300 кПа.
6.3.2.6 В ободьях для бескамерных шин угол наклона кольцевой плоскости для вентиля вкручиваемого типа должен обеспечивать доступ к вентилю при измерении давления в сдвоенной шине в процессе эксплуатации, а также для подкачивания воздуха в шину.
(справочное)
СВЕДЕНИЯ О СООТВЕТСТВИИ ССЫЛОЧНЫХ МЕЖДУНАРОДНЫХ СТАНДАРТОВ
МЕЖГОСУДАРСТВЕННЫМ СТАНДАРТАМ
Таблица ДА.1
Обозначение ссылочного международного стандарта | Степень соответствия | Обозначение и наименование соответствующего межгосударственного стандарта |
ISO 3911 | - | <*> |
ISO 4000-2 | - | <*> |
<*> Соответствующий межгосударственный стандарт отсутствует. До его принятия рекомендуется использовать перевод на русский язык данного международного стандарта. Официальный перевод данного международного стандарта находится в Федеральном информационном фонде стандартов. |
[1] | ISO 4209-1 | Truck and bus tyres and rims (metric series) - Part 1: Tyres (Шины и ободья грузовых автомобилей и автобусов (метрические серии). Часть 1. Шины) |
УДК 629.3:006.354 | | IDT |
Ключевые слова: шины и ободья для грузовых автомобилей и автобусов, метрические серии, ободья |